EVORA - Aufstellpool GRE - Kostenlose Bedienungsanleitung
Finden Sie kostenlos die Bedienungsanleitung des Geräts EVORA GRE als PDF.
Laden Sie die Anleitung für Ihr Aufstellpool kostenlos im PDF-Format! Finden Sie Ihr Handbuch EVORA - GRE und nehmen Sie Ihr elektronisches Gerät wieder in die Hand. Auf dieser Seite sind alle Dokumente veröffentlicht, die für die Verwendung Ihres Geräts notwendig sind. EVORA von der Marke GRE.
BEDIENUNGSANLEITUNG EVORA GRE
Um spätere Probleme zu vermeiden, müssen die Diagonalmaße der Becken UNBEDINGT überprüft werden.itte solange wiederholt prufen, bis die in den Zeichungen angegebenen Maße erzielt wurden.

Bei gebrochenen bzw. veriformten Holzteilenitte vor einer Nachbestellung beim Kundendienst zuerst den gesamten Packungsinhalt prufen. Auf diese Weise erhalten Sie alle Teile in der gleichen Lieferung.
Bei der Montage von Becken mit Nut- und Federverbindung muss die Feder der Leiste immer nach oben zeigen.
Be der ersten Leistenreihe (unterer Beckenteil) ist es normal, dass manche Leisten eine Nut an der Unterseite haben. Andere haben diese jedoch nicht, sondern weisen eine durchgehende Unterseite auf (halbbreite Leisten).
Im Winter kann es vorkommen, dass die Metallblenden der Strandprofile rosten. Sorgen Sie davon für eine entsprchende Instandhaltung der Teile. Achten Sie bei Einsatz einer Winterabdeckungitte auf ausreichende Beluftung.
Das Becken sollen nicht über einen längeren Zeitraum vollständig leer bleiben, da es sonst zu Verformungen seiner Struktur kommt kann.
Siehe Kapitel Instandhaltung in der Bedienungsanleitung fur die Edelstahleiter (falls Ihr Becken damit ausgestattet ist)

DE Vor dem Verschrauben der Strandstücke am Becken messen die Holzelemente zwecks richtiger Anbringung vorpositioniert werden. Falls Ihr Becken über einen Doppelstrand verfugt, mussen Innen- und Außenbereich vorpositioniert werden. Mit dem Verschrauben beginnnt man auf der Innenseite.
Sitzen oder Gehen auf den Randprofilen ist entsprech. Brüche werden von der Garantie nicht abgedeckt.
DE These Palette muss auf einer ebenen Fläche, vorzugsweise Beton, gelagert werden.
Falls der Pool sofort aufgebaut wird:
Den Inhalt prufen.
- So Schnell wie möglich montieren, um eine Verformung der Teile zuverhinden, sobald das Halteband entfernt wurde.
Wird der Pool nicht sofort aufgebaut:
Die Haltebänder nicht vom Holz entfern.
- Falls die Palette zerlegt werden muss und der Pool nicht aufgebaut wird, müssen Sie die Palette wieder aufbauen, indem Sie eine gute Fixierung (durch Seile, Riemen usw.) sicherstellen, um Verformungen an den Teilen zu vermeiden.
In beiden Fällen ein Gewicht darauf platzieren, um die Ebenheit der Teile zu gewährleisten. Bewahren Sie die Palette an einem gut belufteten Ort auf.

Lesen Sie diese Informationen aufmerksam und bewahren Sie sie auf, um später darin nachzuschlagen.
Herzlichen Glückwunsch zu ihrer Wahl. Das von Ihnen gewählte Modell wurde speziell für eine einfache und schelle Montage entwickelt. Jedoch sind einige Vorsichtsmassnahmen für einen korrekten Gebrauch erforderlich. Bevor Sie mit der Installation Ihres Pools beginnen, informieren die sich über die ortliche geltende Vorschriften zu Oberflächen und Einführung des Pools.
Die Verwendung des Poolsets setzt die Einhaltung der in der Wartungs- und Bedienungsanleitung beschrieben Sicherheitshinweise voraus. Wenn die Sicherheitsbestimmungen nicht eingehalten werden, konnen schwerwiegende Gesundheitsrisiken auftreten, insbesondere bei Kindern. Lesen Sie diese Bedienungsanleitung sorgfältig durch und beachten Sie die Abbildungen, bevor Sie mit der Montage Ihres Pools beginnen. Entspricht die Installation nicht dieser Anleitung, so unterliegt eine Ablehnung der Gewährleistung.
Die Informationen in thisem Installationshandbuch werden公认 so angezeigt, wie sie ausgeführrt werden. Jedoch beabsichtigten die darin enthaltenen Abbildungen den Montageprozess zu erlautern. Sie gelten nicht als Vertragsbestandteile in Bezug auf Form, Farbe und Erscheinungsbild. Manufacturas Gre behält sich das Recht vor, jederzeit und ohne vorherige Ankündigung die Eigenschaften, technische Merkmale, standardisierte Ausstattungen und die Optionen seiner Produkte zu ändern.
ATTENZIONE
EMBALLAGE, TRI ET RECYCLAGE
Für etwaige Beanstandungen oder Kundendienst bewahren Sie Ihr Handbuch mit der Seriennummer sowie dem Kaufbeleg (Quittung) auf.
Jegliche Garantieansprüche müssen online auf der Website www.grepool.com/de/kundenservice, zusammen mit dem Kaufbeleg, geltend gemacht werden.
Es können Fotos angefordert werden, um diesen Anspruch zu rechtfertigen. Eine Warenrücknahme ohne vorhergehende Vereinbarung wird nicht akzeptiert. Der Kundeträgt die Kosten für alle Warenrücksendungen (Verpackung und Transport).
NACH PRÜFUNG UND FESTSELLUNG EINES FABRIKATIONSFEHLERS.
- Produkte, die tatsächlich Fehler aufweisen, werden repariert oder frachtfrei ersetzt.
!
Die Garantie ist auf die Reparatur oder den Ersatz des fehlerhaften Teils begrenzt. Sie bedeutet auf keinen Fall eine Schadensersatzforderung.
IN FOLGENDEN FÄLEN KOMMT DIE GARANTIE NICTZ ZUM EINSATZ:
- Einsatz von Material, das nicht unseren Vorgaben entspricht.
- Schäden, die durch unsachgemäße Handhabung oder nicht vorschriftsmäßige Montage verursacht werden.
WICHTIG:
Das Unternehmen Manufacturas Gré tauscht Bauteile gegen andere aus, um ein Gutachten zu erstehen.
Sollte nach Erstellung des Gutachten keine Abweichung oder Fehlfunktion entdeckt werden, so besteht sich das Unternehmen Manufacturas Gré das Recht vor, Transportkosten und sonstige Gebühren dem Kunden in Rechnung zu stellen.
LAUFZEIT DER GARANTIE:
- Das Holz, aus welchem die Gre-Echtholzpools bestehen, kommt aus Französischen Waldkiefern und wird druckimprägniert (Klasse 4). Wir gewähren eine 10-Jahre Garantie gegen Fäulnis und Insektenbefall auf die Poolbestandteile aus Holz (d.h. die Außenwand, die Handlaufe und die Außenentreppe aus Holz).
- Liner: 2 Jahre auf Nähte und die Wasserfestigkeit unter normalen Nutzungsbedingungen. Folgendes fällt nicht unter die Garantie: Risse, Löscher, Bruchstellen, Flecken (Produkte zur Aufbereitung direkt im Wasser), Flecken aufgrund des Wachstums von Algen, Flecken in Zusammenhang mit der Auflösung von Fremdkörpersn in Kontakt mit dem Liner, Flecken und Entfärbungen infolge der Wirkung oxidierender Produkte, der Erhaltung der Farbe und der Abnutzung aufgrund der Reibung des Materials an verschiedene Oberflächen, Verformungen des Liners, der länger als 24 Stunden ohne Wasser zurückblieb (leeren Sie den Pool nicht vollständig). Die Verkleidung (Liner S.V.C.) im Falle einer Demontage und einer neuen Montage des Schwimmbads.
Es ist obligatorisch, das Etikett mit der Seriennummer des Liners aufzubewahren, das am Produkt und in der Verpackung klebt. Für etwaige Anträge auf Übernahme der Garantie ist eine Probe des Liners erforderlich.
- Edelstahlinnenleiter: 2 Jahre. Bei Filtration durch Salzelektrolyse kann für die Treppe keine Garantie gewährt werden.
- Filteranlage: Die Pumpe hat eine Garantie von 2 Jahren (bei elektrischem Problem) unter normalen Nutzungsbedingungen. Nicht unter die Garantie fallen: das Brechen von Teilen (Sockel der Pumpe/ Sandbehälter, Abdeckung des Vorfilters, richtungsunabhängige Klappe, ...), Beschädigung durch fehlerhaften Anschluss, die Nutzung der Pumpe im Trockenen, Beschädigung durch Abnutzung oder Korrosion (die Filteranlage muss an einem frischen und trockenen Ort und vor Wasserspritzern geschützt aufgestellt werden).
Andere Baulemente: 2 Jahre.
VON DER GARANTIE AUSGESCHLOSSEN SIND:
Spatere Maßnahmen wie beispelsweise Schneiden, Bürsten, Schmirgeln oder Bohren können sich auf die Qualität auswirken. Ausnahme: Die zur Befestigung der Holzverstrebungen und -blöcke erforderlichen Löscher wurden mit einem Bohrer geobhrt, dessen Durchmesser mindestens einen Millimeter geringer als der der Montageschrauben ist.
- Schnittte im Liner
- Montage und Anschluss der Filtration
-Zusammenbau
Die Befüllung mit Wasser - Die Positionierung der Ränder
- Das Überwintern
Die Instandhaltung
KUNDENDIENST MIT GARANTIE:
(nach vorheriger Rechtfertigung und mit Kaufnachweis)
- Transportkosten für den VERSAND zu Lasten des Kunden.
- Transportkosten für die RÜCKSENDUNG zu Lasten von Manufacturers Gré (für Teile, die unter die Garantie fallen).
- Austausch von Holz nach visuellen Nachweisen vorab.
- Teile oder Bauteile zu Lasten von Manufacturas Gré.
- Frist für den Austausch: 8 Werktage. In Zusammenhang mit dem Austausch eines defekten Bauteils gehen Montage und Demontage nicht zu Lasten von Manufacturas Gré.
KUNDENDIENST OHNE GARANTIE:
- Transportkosten für Versand / Rücksendung zu Lasten des Kunden.
Die Teile werden gemäß unseren geltenden Tarifen in Rechnung gestellt.
EINLEITUNG
VORKEHRUNGEN FÜR DIE LAGERUNG
Solange der Pool noch nicht zusammengebaut ist, reagiert er empfindlich auf Feuchtigkeit und Temperaturschwankungen. Folglich müssen Sie vor der Lagerung bestimmte Vorsichtsmaßnahmen treffen.
Wenn Sie die Pakete erhalten, bewahren Sie die Holzteile flach auf, geschützt vor Feuchtigkeit und Sonnenlicht, um jegliches Risiko von Verformung zu vermeiden.
WICHTIG:
- Lassen Sie das Holz nicht in der Sonne, um zu vermeiden, dass es sich krümmt oder übermöig aufsprungt.
- Lassen Sie das Becken des Pools nicht im Freien, durch ein wasserdichtes Segeltuch geschützt, Denn die Kondensation, die vom Holz ausgeht, wird es noch stärker befeuchten und Veränderungen in der Form hervorrufen.
OBLIGATORISCH:
- Bauen Sie das Tragwerk in einem Schritt auf.
- Bewahren Sie das Holz Ihres Pools eben auf, geschützt vor Wasser und Solarlicht.
- Entfernen Sie den Schutzfilm, damit das Holz „atmen" kann.
DAUER DER INSTALLATION
Die Installation des Pools erfordert den Einsatz von mindestens zwei Personen und dauert zwei Tage (neben der Vorbereitung des Geländes und der Befüllung).
VOR DEM AUFBAU IHRES POOLS SORGEN SIE FÜR
- Den Einsatz einer qualifizierten Person für den Anschluss der elektrischen Leitungen.
- Ausreichend Wasserzufuhr, um den Pool zu füllen.
- Lesen Sie das Handbuch genau, Schritt für Schritt, um die Installation des Pools richtig zu verstehen.
WICTIG!
Manufacturas Gre S.A. haftet nicht für Fehler, die auf mangelhafte Betonqualität zurückzuführen sind.
Die Betonplatte muss von einem Fachmann gemäß den in dieser Anleitung beschrieben Angaben angefertigt werden. Im Falle einer Reklamation kann die Rechnung für diese Platte angefordert werden, um die Garantie des Pools zu prufen.
IN DIE ERDE EINGELASSENE POOLS UND SPEZIFISCHE NORM
Für Pools an der Oberfläche wird empfohlen, den Zugang zum Becken durch ein standardisiertes Schutzelement zu schützen.
Für teilweise und ganz eingelassene Pools gelten das Französische Gesetz Nr. 2003-9 vom 3. Januar 2003 im Hinblick auf die Sicherheit in Pools sowie das Französische Dekret Nr. 2003-1389 vom 31. Dezember 2003 zur Sicherheit in Pools, wonach der Zugang zum Becken durch eines der folgenden standardisierten Elemente geschützt sein muss:
- Schutzabspperrung
- Poolalarm
- Abdeckung des Pools
- Poolhütte
EMPFEHLUNG ZUR POSITIONIERUNG
Sie müssen das Gelände soVBereiten wie in thism Handbuch im Kapitel
- Unter elektrischen Stormleitungen
- Unter Zweigen von Bäumen
- Auf einem nicht stabilisierten Gelände
Ein guter Standort erlaubt Ohnen, Zeit zu sparen und Beschrankungen zu vermeiden. Der Pool solle an einem sonstigen und leicht zugänglichen Ort sein.
Die Position des Swimmingpools muss frei von Rohren oder elektrischen Anschlüssen sein.
Bitte berücksichtigten Sie, dass sich ein Pool am besten an einem sonstigen Tag aufstellen{lasst und Tage mit viel Wind zu vermeiden sind.
VERPACKUNG, KlassifikATION UND WIEDERVERWERTUNG
- Einige Bauteile des Pools sind in Plastikbeuteln verpackt. Um jegliches Risiko von Ersticken zu vermeiden, halten Sie Babys oder Kinder nie damit spiel.
- Danke, dass Sie die Richtlinien der Europäischen Union beachten und beim Schutz der Umwelt halten.
Wenn Sie Ihrn Pool aufgestellt und alle Bauteile zusammengebaut haben, waren wir Ihnen dankbar, wenn Sie die Verpackungen sortieren und dem Recycling zuführren.
EINLEITUNG
SICHERHEITSHINWEISE
Es ist erforderlich, den Filtrationsbausatz (Filter + Pumpe) in einem Mindestabstand von 3,5 Metern zum Pool zu platzieren, um das Risiko eines Stromschlags zu vermeiden.
Laut Norm ist es vorgeschrieben, die Installation einer speziellen Differenzialschutzvorrichtung für Pools bei der Stromversorgung der Pumpe einzuplanen.
Lassen Sie Kinder nie ohne Aufsicht in die Nähe des Pools.
Entferen Sie nach jedem Bad die äußere Treppe, um versehentliches Stürzen von Kindern oder Haustieren in den Pool (Richtlinie EN P90-317) zu vermeiden.
Dieser Pool ist ausschließlich für die Nutzung im familiären Rahmen bestimmt. Es ist nicht erlaubt, auf den Ränder zu gehen, von Dort zu tauchen oder zu springen.
Vor Einbau undutzung des Poolsitte aufmerksm die in thisem Handbuch aufgehrten Informationen lesen, verinnerlichen und einhalten. Die Sicherheitshinweise und -vorschriften beziehen sich auf eine der am hauigsten auftretenden Risiken in Zusammenhang mit Freizeit im Wasser, sie umfassen noch nicht alle Risiken und Gefahren, die auftreten konnen. Seien Sie vorsichtig, handeln Sie kritisch und mit gesundem Menschenvers- tand, wenn Sie sich im Wasser aufhalten. Bewahren Sie these Informationen gut auf, um später darauf zurückgreifen zu konnen. Die Sicherheit der Menschen, die nicht schwinnen konnen:
Eine aufmerksame, aktive und kontinuierliche Überwachung der Kinder, die nicht oder noch nicht gut schwinnen können durch einen davon zuständigen Erwachsenen ist stets erforderlich (bitte bedeken Sie, dass bei Kindern unter fünf Jahren das höchste Risiko zu ertricken auftritt).
-
Sorgen Sie davon, dass ein davon zuständiger Erwachsener den Pool stets überwacht, wenn dieser genutzt wird.
-
Zweckmäßig ist, dass Kinder, die nicht oder noch nicht gut schwinnen können, bei der Benutzung des Pools eine eigene Schutzausrüstung tragen.
-
Wenn der Pool nicht genutzt oder nicht überwacht wird, entfern den Sie alle Spielsachen darauf, um zu verhindern, dass sich die Kinder dem Pool nahern.
Sicherheitsvorrichtungen
-
Es ist empfehlenswert, eine Sperre anzubringen (und in thisem Fall Sicherheitselemente an Turen und Fenstern anzubringen), um einen etwaigen nicht erlaubten Zugang zum Pool zu verhindern.
-
Sperren, Abdeckungen, Alarme für Pools oder analoge Sicherheitsvorrichtungen sind hilfreich, ersetzen jedoch nicht die ununterbrochene Überwachung durch einen davon zuständigen Erwachsenen.
Sicherheitsausrücktung
- Es wird empfohlen, eine Rettungsausrüstung (beispielsweise eine Boje) nahe dem Pool zur Hand zu haben.
- Halten Sie am Pool ein einwandfrei Funktionierendes Telefon und eine Liste mit den Notrufnummern bereit.
Sichereutzung des Pools - Regen Sie alle Benutzer, vor allem Kinder, dazu an, schwinnen zu lernen.
- Erlernen Sie Rettungsmethoden (Herz-Lungen-Wiederbebung) und bringen Sie ihre Kenntnisse regelmäß auf den neuesten Stand. Diese Handgriffe können im Notfall Leben retten.
- Erklaren Sie den Nutzern des Pools, auch den Kindern, welche Vorgehensweise diese im Notfall zu befolgen haben.
- Springen Sie nie in flache Becken, da Sie damit ernste oder)sagar todic Verletzungen erleiden konnen.
- Nutzen Sie den Pool nicht nach dem Konsum von Alkohol oder der Einnahme von Medikamenten, bei denen die Gefahr besteht, dass Sie den Pool nicht in absoluter Sicherheit nutzen können.
- Ist der Pool mit einer Abdeckung bedeckt, entfern den Sie diese vor Betreten des Beckens vollständig.
- Bereiten Sie das Wasser Ihres Pools auf und legen Sie anerkannte Hygienemaßnahmen fest, um die Nutzer vor wasserbedingten Krankheiten zu schätzen.itte entnehmen Sie dem Handbuch, wie man das Wasser richtig aufbereitet.
- Bewahren Sie chemische Produkte (beiselsweise Produkte zur Wasseraufbereitung, Reinigung oder Desinfektion) außerhalb der Reichweite von Kindern auf. - Die beiliegenden Piktogramme müssen an einer gut sightbaren Stelle weniger als 2 Meter vom Pool entfernrt angebracht werden.
- Befestigen Sie die bewegliche Treppe an einer horizontalen Oberfläche.




Einzelne Teile sind 5 Jahre ab Rechnungsdatum des Produktes erhältlich.

PEFC
PEFC/14-38-00166



WICTIGER HINWEIS
220 V-Gerate müssen mindestens 3,50 m von Schwimmbadrand entfernt liegen.
Das Gerät muss an einen wechselstromanschluß mit Erdung angeschlossen werden. Diese muss durch ein Differential (RCD) mit hochstens 30 mA geschichert sein.
Anleitung sorgfältiglesen und für spätere Zwecke aufbewahren.
BEI PROBLEMEN KONNEN SIE SICH MIT UNS UNDER DIE FOLGENDE DEutsche TELEFONNUMMER IN VERBINDUNG SETZEN:
Germany & Austria
Kostenlose Telefonummer: 0 800-952 49 72
e-mail: Kundenservice@gre.es
www.grepool.com
Wenn Sie ihren Pool aufgestellt und alle Bauteile zusammengebaut haben, waren wir Ohnen dankbar, wenn Sie die Verpackungen sortieren und dem Recycling zuführren.
Veiligheid van personen die nicht konnen zwemmen:
Holz ist ein Naturprodukt, die spürbaren Risse im Schliff des Holzes sind vollig normal und verändern nicht die Eigenschaften seiner Festigkeit.
Holz ist immer ein formbares Material (bei 3% bis 4% Abmessungsabweichungen) mit Schwankungen bei Temperatur und Feuchtigkeit. Folglich konnen keine Risse auftreten. Um weitere Verformungen zu begrenzen, werden die technischen Kriterien hinsichtlich Konzeption, Auswahr der Abschnittte, Verfugung und Art der Befestigung beachtet. Knoten sind natürliche Elemente des Holzes: ihr Aussehen und ihre große schwanken von Produkt zu Produkt. Harzabsonderung ist ein natürliches Phenomen bei harzhaltigem Holz. So wie kein Baum einem anderen tatsäch genau gleicht, sollenen folgende Elemente auf den Fotos nicht als Fehler betrachtet werden:
IL LEGNO: UN MATERIALE VIVO
An der Oberflache des Holzes kann Moder auftreten, obgleich er Dort nicht eindringt und es nicht beschädigt. Da es der UV-Strahlung ausgesetzt ist, wird Holz mit der Zeit gräulich, ohne dass dadurch seine Haltbarkeit beeinträchtigt wird. Sie konnen einen Lack fur Holz auflragen, das im Autoklav behandelt wurde. Neben seiner Schutzfunktion tragt der Lack zur Schönheit und Langlebigkeit der Anlage bei. In thisem Fall warten Sie, bis das Holz vollständig getrocknet ist, bevor Sie den Lack auflragen.
IM AUTOKLAV BEHANDELTE WILDE KIEFER
Das eingesetzte Holz ist ausgewähltes Kiefernholz, das vor der Behandlung in einem Autoklav IV bis 25% getrocknet wurde. Es hat eine Garantie von 10 Jahren gegen Insektenbefall und Fäulnis für Teile auf dem Boden.
Um den Liner und die Ränder tadellos anzupassen, ist es wichtig, alle Maße zu beachten. Ungefährte Maße.

Um den Liner und die Ränder tadellos anzupassen, ist es wichtig, alle Maße zu beachten. Ungefährte Maße.

Das Filteranlage und besonderss die elektrische Pumpe des Pools müssen zwingend mit einem Abstand von mindestens 3,5 Metern vom Becken aufgestellt werden (Elektrorichtlinie NFC-100).
ABFLIESSEN DES WASSERS
Die Instandhaltung und das Überwintern des Filters erfordern Wasserentleerungen. Es ist unbedingt erforderlich, einen Abfluss für die Installation des der Filteranlage vorzusehen.
FILTERANLAGE
Falls Sie die Filtrationsrohre
eingraben möchten, müssen
Sie sie vor etwaigen
Beschädigungen schützen,
indem Sie sie vor der
Platzierung im Untergrund mit
einer Ummantelung versehen.
AUSRICHTUNG DES BECKENS
Das Becken musst so platziert werden, dass der Skimmer den vorherrschenden Winden zugewandt ist.

Der Skimmer ist ein sehr wichtiges Element des Filtrationssystems und wird immer zu den vorherrschenden Winden hingewandt eingebaut. Von der Ansaugleistung und der korrekten Platzierung hangt die optimale Filtrierung des Poolwassers ab.


DE Dies ist eine entscheidende Etappe beim Aufbau Ihres Pools. Bestimmte Arbeiten bei der Inbetriebnahme, wie etwa Geländevorbereitung, Betonplatte, Entwasserung... konnen den Einsatz von Fachleuten erforderlich machen, die in der Lage sind, ihren geeignete Lösungen vorzuschlagen.
Wahlen Sie den idealen Standort, d. h. soSONNIGwieMoglichund berUcKsichtigenSie dieortlichen Bestimmungen (Abstand vom Zaun, offentliche Beschränkungen, Leitungen... und die Gartengestaltung nach der Aufstellung des Pools. Bestimmen Sie den Standort mittels Kennzeichnung des Bodens, siehe Kapitel „Aufzeichnen auf dem Boden".
Den Pool konnen Sie auf folgende drei Arten aufstellen bzw. einbauen:
Vermeiden Sie es, den Pool in kürzlich aufgeführten Boden oder Boden, andernfalls wird das Aufstellen einer Betonplatte unerlässlich sein. Unabhängig von der Art des ausgewählten Einbaus ist es erforderlich, zu graben und das Gelände vorzubereiten, um es einzuebenn.
Achtung: bei abschüssigem Gelände ist es unerlässlich, den Boden umzugraben, um das Gelände einzuebnen.
Muss der Einbau auf einer Betonplatte erfolgen, muss diese mindestens 17 Zentimeter stark sein. Der Einbau des Beckens erfolgt, nachdem die Platte ganz getrocknet ist (3 Wcien). Das Filtrationsaggregat muss unterhalb der Ebene des Pools und idealerweise ebenerdig vom Pool platziert werden.

Bitte beachten Sie die Referenz und die Masse Ihres Schwimmbads, wenn Sie die Montage ausfuhren
- 1 Schraubendreher (mit Torx-Kopf Nr. T15, T20, T25) • 1 Bohrmschine mit Bohrn für Holz 04, 06 und 010, für Beton 010 und Metall 05 • 1 Cutter • 1 Wasserwaage • 1 Dekameter • 1 Vorschlaghammer • 1 Hammer • 1 Schraubenzieher • 1 19er-Schlüssel • 1 Metallsäge • 1 Holzsäge • 1 Kugelschreiber • PVC-Kleber • Rolte Teflonband • Doppelseitiges Klebeband oder Hefter • Handschuhe • Schraubzwinge
Montagezeit (naben der Vorbereitung des Geländes und der Befüllung): Mindestens 2 Tage mit 2 Personen
STRUMENTI
DE BETONPLATTE: DAS BECKEN MUSS UNBEDINGT GEMÄSS DER ABBILDUNG Auf DER BETONPLATTE POSITIONIER TWERDEN. DIE MASSE BEINHALTEN DIE WANDSTÄRKE.
INNENABMESSAGENGEN:
Zeichnen Sie am Boden die Form des Pools mit Hilfe der oben genannten Maße auf. Für das Abstecken konnen Sie eine Schnur zu Hilfenehmen.
Wird der Pool teilweise oder gaz eingelassen, sehen Sie am Rand den Aushub eines Bereichs von 50 Zentimetern zusätzlich vor, um ihre Bewegungen beim Einbau zu erreichtern.
BETONPLATTE:
Der Einbau Ihres Pools umfasst den Bau einer Stahlbetonplatte mit Fasern oder einer geschweitben Bewehrungsmatte. Der Beton muss 350kg / m3 (standardisiert C125 430) sein. Wir empfehlen Ohnen, sich fur den Bau der Platte an einen Fachmann zu wenden.
Wird hir Pool teilweise oder ganz eingelassen, entfernen Sie alle Holzteile, Zweige oder Wurzeln, die mit der Zeit anfällig fur ein Vermodern sein konnen. Bringen Sie um den Pool herum oder in seiner Näre keine Verschalungen mit Holz an, das nicht fur das Aufstellen in Kontakt mit Erde behandelt wurde. Tragen
Sie keine zusätzliche Behandlung auf den eingelassenen Teil auf, beispelsweise ist das Auftragen von Teer oder nicht-mikroporosen Lacken verboten. Vergewisern Sie sich, dass das Holz die Mochlichkeit hat zu atmen, weitere Info finden Sie im Kapitel „Geländeverbereitung".

790206


790207
IT BASAMENTO IN CALCESTRUZZO: E FONDAMENTALE CENTARE LA PISCINA SUL PAVIMENTO DI CEMENTO, COME INDICATO NELL'IMMAGINE. LE MISURAZIONI INCLUDEONO LO SPESSORE DELLA PARETE.
DIMENSIONI INTERNE:
Die Empfehlungen zum Bau von ganz oder teilweise eingelassenen Pools gelten im Rahmen eines Einbau in ein Gelände, das nicht feucht ist. Er ist ratsam, die grundlegenden Anweisungen anzupassen, um Einschränkungen in Bezug auf die Art des Geländes (zum Beispiel Lehm) oder das übermäßige Vorhandensein von Wasser im Boden (Quellen, Abflüsse...) zu vermeiden. Um überschüssige Feuchtigkeit auf dem Gelände zu vermeiden, ist es notwendig, durch den Bau eines Dekompressionsschachs ein Entwasserungssystem unter dem Pool und darum herum zu errichten. In allen Fällen ist das Vorhandensein eines angepassten Entleuerungssystems, um die Stauung von Wasser mit den möglichen Konsequenzen wie der Verschmutzung des Bodens oder)sogar die Beschädigung des Gefüges zu vermeiden (Faulen des Holzes, Verformung des Tragwerks, ...). Für eine optimale Planung empfeht es sich, vorab den Rat eines Fachmannes einzuholen.
NIE MONTIEREN IN:unebenem, steilen, sandigen oder weichem Gelände oder in Gelände mit.
STANDORT MARKIEREN
Der fur die Aufstellung des Pools gewählte (gut planierte) Ort wird anschließlich markiert. Boden mit Hilfe von Holzpflcks, Schraubenzieher, Trichter (oder Kunststofflasche), Mehl oder Kalk und einer Kordel abstecken.
Es empfeht sich, vor dem Markieren den gesamten Platzbedarf zu nivellieren (ausgerichtet mittig zum Rechtek entsprechend der Poolausführung). Dadurch werden die Montagearbeiten erheblich erleichtert.
Um überschüsse Feuchtigkeit auf dem Gelände zu vermeiden, ist es notwendig, durch den Bau eines Dekompressionsschachts ein Entwasserungssystem unter dem Pool und darum herum zu erreichen.
NIVELLIERUNG
Zum Planieren des Boden darf niemals Erde aufgeschüttet werden, wo diese feht, sodern es dart nur uberschüssige Erde ausgehoben werden. Nur so wird die Stabilität und Festigkeit des Boden gesichert. Laub, wurzeln, Steine usw. müssen natürlich entfern werden. Wir weisen besonders darauf auf hin, dass die Bondennivellierung außerordentlich wichtig ist. Nehmen Sie sich daher Zeit und achten Sie darauf, dass das Pool einwandfrei auf dem gewährten Boden aufliegt. Sie sparen sich dadurch Probleme. Wie wird nivelliert: Mit Linealen oder Holzleisten. Graben Sie diese im ausgewählten, sauberen Bereich ein, indem Rechtecke (oder Quadrate) gebildet werden, die untereinander mit Hilfe eines Maurerlineals (aus Aluminium) und einer Wasserwaage niviliert werden müssen. Wenn alle "Leisten" auf gleicher Höhe liegen und überflüssiges Erdreich entwickelten ist, konnen die noch nicht nivilierten kilenen Zonen aufgefüllt werden (mit sauberem Erdreich oder Kiessand). Dabei muss jeder immer verdichtet und anschließlich niviliert werden. Achten Sie darauf, dass der Untergrund fest ist un nicht absinkt, wenn das mit Wasser gefüllte Pool darauf steht. Wir empfehlen, einen Fachmann zu Rate zuziehen: Bauunternehmer, Gärnter usw. Finish: Auf dem sauberen und nivilierten Untergrund wird eine feine Schicht (max.1 cm) gesieberter Sand verteil. Diese Schicht wird beseuchtet und verdichtet (mit einer Gartenwalze). Danach noch einmal auf einwandfrei Planierung prufen. Der Sand darf nicht zum Nivilieren des Boden benutz werden. Das Finish muss einwandfrei sein.
Wichtig: Der Einbau Ihres Pools umfasst den Bau einer Stahlbetonplatte mit Fasern oder einer geschweitben Bewehrungsmatte.
Die Fliese solte ganzheitlich geebnet und geglißt sein, damit jeder Fehler vermieden werden kann.


Wir empfehlen Ihnen,
sich für den Bau
der Platte an einen
Fachmann zu wenden.
Die Betonplatte ist nicht im Lieferumfang enthalten.
Dosiert 350kg / m^3 (standardisiert Typ C125 430)
Ref. 790206 LANGE: 6,59 x BREITE: 4,61 x HÖHE: 0,17 m - 5,17 m³ Beton.
Ref. 790207 LANGE: 8,56 x BREITE: 4,61 x HOHE: 0,17 m-6,72 m³ Beton.
EINBAU BEI TEILWEISE ODER GANZ EINGELASSENEM POOL
Je nach Beschaffenheit des Geländes ist es wichtig, eine periphre Drainage zu installieren und einen Dekompressionsschacht daran anzuschlieben. Der Schacht wird vor dem Bau des Pools gegraben, da er verhindern kann, dass sich die Ausgrabungen während der Bauarbeiten mit Wasser fullen. Er muss nahe dem Becken sein, einige Zentimeter unterhalb des tiefsten Punktes des Beckens, und bis zur Oberfläche reichen. Der Dekompressionsschacht wird an der feuchtesten Seite platziert. Er dient als Drainage im Falle von Versickerungen oder bei Lehmboden, wenn man davon ausgeht, dass das Wasser schneller durch den Schlauch als durch den Boden aufsteigt.

1-Holzgestell
2-Schutzrolle und alveolare Drainage aus Polyethylen hoher Dichte
*Bei Anbringung von Zubehörteilen, die mit dem Holz in Kontakt kommt, muss zum ordnungsgemäßen Schutz unbedingt die Luftpolsterfolie angebracht werden.
De Betonvloer is nicht inbegrepen.
Dosering 350kg / m^3 (standaard type C125 430)
Ref. 790206 L: 6,59 x BR: 4,61 x H: 0,17 m - 5,17 m³ Beton.
Ref. 790207 L: 8,56 x BR: 4,61 x H:0,17 m-6,72 m³ Beton.
GEDEELTELIJKE OF GEHEEL VERZONKEN INSTALLATIE
Die Montage des Metallgestells ist vorgeschreiben, unabhängig von der Art der Installation.
Wie in Abbildung 1 darestellt, mssen Sie zunachst die beiden Teile mit den Metallteilen verbinden, so dass ein ^ entstelt.
Bauen Sie das Gestell laut Abbildung 2 zusammen. Der Rahmen sollte zum gleichen Zeitpunkt platziert werden, an dem die Betonplatte ausgeführrt wird.
MONTAGGIO
Platzieren Sie die Gestelle am Boden des Aushubs, wie auf beiliegendem Plan angegeben. Stellen Sie sicher, dass die vertikalien Elemente ordnungsgemäß ausgelotet sind. Platzieren Sie die Metallmattenbewehrung, indem Sie sie an der Oberfläche einpassen, welche die Betonplatte einnehmen wird. Es ist vorgeschreiben, Gestell und Platte anzubRINGen. Die Maße der Betonplatte müssen die Innenflächen des Beckens um mindestens 50 Zentimeter überschreiben. (Abb. 2)
IT POSIZIONAMENTO
Abstand zwischen Innenpunkten der Säulen
Überprüfen Sie den Stand der IPN
Die Mattenbewehrung verbessert die Festigkeit des Betons und vermeidet, dass er aufgrund seiner Steigkeit bricht. Um die Haftung der Mattenbewehrung zu erhöhen, wird empfohlen die Enden der Struktur zu biegen. Das Eisenarf sich unter keinen Umständen weniger als 30mm vom AuBenrand des fertiggestelltten Bauwerks befinden.
Warten Sie 3 Waren, bis die Platte vollständig getrocknet ist, bevor sie die Installation Ihres Pools fortsetzen.
Vor dem Beginn der Installation des Gefüges muss die Platte gesäubert werden, um sümttliche Verunreinigungen (Kies, Zweige, Blätter) zu entfernen und Unregelmäßigkeiten an der Oberfläche zu beseitigen.
ANORDNUNG DER HOLZBRETTER: Bereiten Sie die „Test“-Bretter vor, indem Sie den Umriss des Beckens bilden.
POSITIONIERUNG DER ERSTEN REIHE VON BRETTERN: • Errichten Sie die ersten Reihe, indem Bretter (A23), (A24) und (B12) platzieren, wie Abb. 4 zeigt. Passen Sie die Form des Pools an, indem Sie die angezeitigen Innemaße verwenden, die in der Einbauzeichnung (Siehe Seite 44) aufgeführt sind. Die Zeichnung zeigt die Innemaße des Pools für die verschiedene gegenüberliegenden Diagonalen.
- BRETTTERRIHE: Platzieren Sie die Bretter der zweiten Reihe laut Abb. 5. Um die Bretter richtig anbringen zu konnen, finden Sie einen Holzkeil im Paket des Tragwerks. Nicht direkt auf die Bretter klopfen. Das wurde die Zapfen und die Festigkeit des Tragwerks beschädigten. Nicht mit einem Metallteil darauf klopfen. Es wurde das Holz unabänderlich beschädigen. Versuchen Sie, die Bretter von Anfang an tiefgehend ineinander zu fugen. Zwischen den Reihen finden kein Platz sein, um eine Fehlanpassung der oberen Bretter zu vermeiden.

WICHTIG: Es ist wichtig, dass die Holzbretter, vor allem die unteren (wo der Druck des Wassers stärker ist), richtig eingepasst werden. Es kann sein, dass sich eine Holzbretter ablösen. Das ist vollig normal, da Holz ein lebendiges Material ist. Selfest abgelös Ist sich das Holzbrett anbringen. Gehen Sie folgendermaßen vor: · Nehmen Sie eine Seite des Bretts und haken Sie ein. Richten Sie die andere Seite mit Hilfe einer Schraubzwinge neu aus. Passen Sie das Brett mit Hilfe eines Holzhammers und des Holzkeils ein.

-
BRETTERRIHE: Platzieren Sie die Bretter der dritten Reihe laut Abb. 6. Zu Beginn der Montage müssen Sie die Lage des Druckventils und des Skimmers festlegen (lesen Sie hierzu die entsprechenden Abschnittte).
-
UND FOLGENDE BRETTERREIHEN: Platzieren Sie die nachfolgenden Bretter und Reihen, indem Sie die Bretter der zweiten und dritten Reihe abwechselnd wiederholen.

SPEZIFISCHE BRETTER: Druckventil: bringen Sie das für das Druckventil gedachte Brett (E12) an, indem Sie die Senkung an der externen Seite des Pools platzierten.
Skimmer: Platzieren Sie die für den Skimmer vorgesehenen Bretter den vorherrschenden Winden zugewandt. Die Bretter (C12) und (D12) werden immer auf eine Verkleidung gesetzt, wobei Sie mit Brett (B12) beginnen (Abb 7). Solange der Pool nicht gefüllt wird, ist der Skimmer nicht stabil. Der Skimmer (und seine Klappe) wird zur gleichen Zeit wie das abschließlich Brett eingepasst.

ANORDNUNG DER HOLZBRETTER: Bereiten Sie die „Test“-Bretter vor, indem Sie den Umriss des Beckens bilden.
POSITIONIERUNG DER ERSTEN REIHE VON BRETTERN: · Errichten Sie die erste Reihe, indem Bretter (A23), (A24), (A25) und (B12) platzieren, wie Abb. 4 zeigt. Passen Sie die Form des Pools an, indem Sie die angezeigten Innenaße verwenden, die in der Einbauzeichnung (Siehe Seite 46) aufgefuhrt sind. Die Zeichnung zeigt die Innenaße des Pools für die verschiedene gegenüberliegenden Diagonalen.
- BRETTTERRIHE: Platzieren Sie die Bretter der zweiten Reihe laut Abb. 5. Um die Bretter richtig anbringen zu konnen, finden Sie einen Holzkeil im Paket des Tragwerks. Nicht direkt auf die Bretter klopfen. Das wurde die Zapfen und die Festigkeit des Tragwerks beschädigten. Nicht mit einem Metallteil darauf klopfen. Es wurde das Holz unabänderlich beschädigen. Versuchen Sie, die Bretter von Anfang an tiefgehend ineinander zu fugen. Zwischen den Reihen finden kein Platz sein, um eine Fehlanpassung der oberen Bretter zu vermeiden.

WICHTIG: Es ist wichtig, dass die Holzbretter, vor allem die unteren (wo der Druck des Wassers stärker ist), richtig eingepasst werden. Es kann sein, dass sich einige Holzbretter ablösen. Das ist vollig normal, da Holz ein lebendiges Material ist. Selfest abgelös Ist sich das Holzbrett anbringen. Gehen Sie folgendermaßen vor: · Nehmen Sie eine Seite des Bretts und haken Sie sie ein. · Richten Sie die andere Seite mit Hilfe einer Schraubzwinge neu aus. IT Passen Sie das Brett mit Hilfe eines Holzhammers und des Holzkeils ein.
SPEZIFISCHE BRETTER: Druckventil: bringen Sie das für das Druckventil gedachte Brett (E12) an, indem Sie die Senkung an der externen Seite des Pools platzierten.
Skimmer: Platzieren Sie die für den Skimmer vorgesehenen Bretter den vorherrschenden Winden zugewandt. Die Bretter (C12) und (D12) werden immer auf eine Verkleidung gesetzt, wobei Sie mit Brett (B12) beginnen (Abb 7). Solange der Pool nicht gefüllt wird, ist der Skimmer nicht stabil. Der Skimmer (und seine Klappe) wird zur gleichen Zeit wie das abschließlich Brett eingepasst.

Die Position der Konsolen und Verstärkungen wird auf der Zeichnung (Siehe Seite 44/46) geschildert. Sie konnen auch die Holztreppe benutzen, um die Konsolen zu setzen, siehe Kapitel Treppe.
KONSOLEN ( 6x90)
A· Richten Sie den oberen Teil der Konsolen an der Ebene des letzten Bretts aus. Halten Sie die Konsolen an ihrem Platz.
B-Durchbohren Sie die Bretter mit einem Holzbohrer 6 mm indem Sie sich in den Pool stellen.
- Prufen Sie systematisch, ob das obere Teil der Konsole an dem des Bretts ausgerichtet ist.
- Stellen Sie sichere, dass der Kopf der Schraube mit dem Holz bündig ist.
Beim Anbringen der zweiten Schraube sollte deren Länge berücksichtigt werden, damit die Schraube nicht nach hinten hinausragt. Platzieren Sie sie so nahe wie möglich am oberen Holzteil.

VERSTÄRKUNGEN (6x90)
- Richten Sie den oberen Teil der Verstärkung an der Ebene des letzten Bretts aus. Halten Sie die Verstärkungen an ihrem Platz. - Durchbohren Sie die Bretter mit einem Holzbohrer 06 mm. Schrauben Sie 2mal, indem Sie sich in den Pool stellen. - Befestigen Sie die oberen Verstärkungen und danach die unteren (am 1. und letzten Brett). - Prufen Sie die vertikale Ausrichtung der Verstärkungen. - Zum Abschluss des Zusammenbaus der Verstärkungen bringen Sie 1
Schraube pro Brett an und behuben Sie etwaige Verformungen des Holzes (Bretter). Prufen Sie systematisch, ob der obere Teil der Verstärkung gut auf das Brett ausgerichtet ist und der Kopf der Schraube mit dem Holz bündig ist.

RINFORZI (6x90)
ZIERLEISTEN L (4x60)
- Legen Sie die Zierleiste L auf die Enden der Bretter. - Falls erforderlich, schneiden Sie das, was von der Zierleiste übersteht, je nach Höhe des Beckens (Abb. 8) ab. - Befestigen Sie die Zierleiste L mit Hilfe von 3 Schrauben 4 x 60GLEichmig auf der Höhe (Abb. 9).
Der Zusammenbau des Tragwerks an sich ist beendet. Nun mussen nur noch die Ränder platziert werden (siehe Kapitel Ränder). An thisem Punkt des Zusammenbaus mussen Sie Folgenden bereits erledigt haben:
- Den Skimmer den vorherrschenden Winden zugewandt angebracht haben. - Das Paneel des Tragwerks, auf das die abnehmbare Treppe gesetzt wird, ausgewählten haben.
IT
COPERTURE L (4x60)
Schaube 5x70 (4 Schrauben, auf der Höhe jeder Verständung verteil)
ZIERBLENDE FÜR DAS METALLGESTELL (5x70)
Zierblenden sind ergänzende Verstärkungen, mit denen sich der sightbare Teil des Metallstückes verbergen lasst. Genau wie die übrigen Verstärkungen werden sie am Becken befestigt und haben eine Traverse (Abb. 10), um von außen den Blick auf das Gestell zu verbergen.
COPERTURE DEL TELAIO METALLICO ( 5x70)
Konsultieren Sie die Zeichnungen (Siehe Seite 44/46).
Die Holztreppe, um in den Pool zu gelangen, ist inbegriffen. Verwenden Sie sie nicht für andere Zwecke.
Montieren Sie die Holztreppe und verwenden Sie sie als Muster zur Bestimmung der Trennung der Konsolen, die sie stützen. Falls das Becken eine langliche Form hat, wird die Treppe nur an einer kurzen Seite platziert.
Zentrieren Sie die äußere Holztreppe in Bezug auf die Seite.
Durchbohren Sie die 2 Treppenwangen und die 2 Konsolen mit einem Holzbohrer mit 10mm
Verwenden Sie die Treppe nicht für andere Zwecke als die in thisem Handbuch beschrieben.
Zulässiges Höchstgewicht = 150 kg.
Entfernen Sie die Treppe ZWINGEND nach jeder Nutzung des Pools.
Je nach Höhe des Beckens kann eine Nachstellung der Treppe erforderlich sein.
- Beschneiden Sie die Treppenwangen unter Beachtung der Maße Abb. 11 im unteren Teil de Treppenwange und sagen Sie den Teil, den Sie entfernen möchten, ab. • Bauen Sie die Treppe zusammen und platzieren Sie sie wie in Abb. 12.

Falls der Pool teilweise eingelassen ist, mussen Sie die Treppe kürzen, um sie an ihren Pool anzupassen. Wenn der Raum zwischen dem Boden und der ersten Stufe zwischen 89 und 230~mm liegt (Hohenangabe A), schlieben Sie diesen Raum, indem sie aus Sicherheitsgründen die Stufe der Treppe, die nicht benutzt wird, so dass die Hohenangabe B unter 89~mm liegt. Hierfür gehen Sie folgendermaßen vor:
1- Kurzen Sie die Länge der Treppenstufe um 12mm
2- Wenn die Abmessung A unter 140mm liegt, verringern Sie die Breite der Treppenstufe so, dass der Raum darunter vollständig geschlossen ist, wenn die Treppenstufe eingebaut wird.
3- Montieren Sie die abgeänderte Treppenstufe an der Leiter, wie die Zeichnung oben zeigt, und achten Sie darauf, die Treppenwange vorzuschneiden.

Zulässiges Höchstgewicht = 150 kg. Entfern den Sie die Treppe ZWINGEND nach jeder Nutzung des Pools.

Zwei Mochglichkeiten zum Anbringen der Wandschutzdecke.
DOPPESEITIGES KLEBEBAND (NICT IM LIEFERUMFANG ENTHALTEN)
-
Kleben Sie das doppelseitige Klebeband, Paneel nach Paneel, auf, indem Sie es am oberen Teil der oberen Bretter ausrichten (Abb. 13). Wenn das Holz ein weniger feucht oder staubig ist, können Sie es mit Sandpapier glätten, um das Anhaften zu erreichtern.
-
Prufen Sie, ob Wände und Boden sauber sind. Entfernen Sie Schrauben, Krusten, Späne, Sagemehl...
- Entrollen Sie die Decke und richten Sie sie am oberen Rand der oberen Bretter aus (Abb. 14).
- Schneiden Sie das ab, was von der Decke übersteht, und entfern den Sie etwasige Falten.
HEFTER (Nicht IM LIEFERUMFANG ENTHALTEN)
- Heften Sie das Ende der Decke an, indem Sie an einer Ecke beginnen.
- Entrollen Sie die Decke und richten Sie sie am oberen Rand der oberen Bretter aus.
- Setzen Sie alle 20 cm eine Heftklammer (Abb. 15).
- Schneiden Sie das ab, was von der Decke übersteht, und entfern den Sie etwasige Falten.
- Halten Sie den Überschuss der Wandteppich. (Es kann notwendig für den Boden sein)

DE Platzieren Sie zunachst die Schutzdecke fur den Untergrund, die von der im Lieferumfang enthaltenen Rolle abgeschritten werden muss.
- Der Pool wird auf der Decke platziert. (Es ist better, eine Schere anstelle eines Cutters zu benutzen)
- Verbinden Sie die Stücke, ohne dass sie sich überlagem.
- Hinterlassen Sie keine Falten.
- Verbinden Sie die Stücke an den Rändern mit einseitigem Klebeband.
- Wenn sich ein Teil der Schwimmbeckenwand nicht unter der Abdeckung befindet, befestigen Sie die Abdeckung unter und schiben Sie sie ein Stück unter die Wand. So ist der Liner gut geschützt.
Befestigung der ersten Dichtung des Skimmers
Der Skimmer ist der Wasseransaugpunkt des Pools Richtung Filtration. Seine Position den vorherrschenden Winden zugewandt ermöglich das Aufgangen etwaiger Reste, die an der Oberfläche des Wassers (Staub, Blatter...) treiben.
MONTAGE
- Schneiden Sie die Decke mit einem Cutter. Der Schnitt ist länger als die Öffnung (Radius der Öffnung + 2 cm).
- Befestigen Sie die erstige Fugendichtung (Flachdichtung) am Gehäuse des Skimmers

DE Das Druckventil fuhrt dem Becken gefiltertes Wasser zu. Sie durchquert die Wand durch die Öffnung, die in dem vorgeschnittenen Brett ausgespart ist. MONTAGE
- Lokalisieren Sie die Position der Öffnung für die Düse.
- Machen Sie vom Inneren des Pools einen kreuzförmigen Einschnitt in die Decke.
- Schneiden Sie die Decke mit einem Cutter. Der Schnitt ist größer als die Öffnung (Radius der Öffnung + 2 cm).
Der Anschluss des Skimmers wird nur für die Instandhaltung des Pools verwendet.
POSITIONIERUNG DER EINHAKPROFILE DES LINERS (4X40): Halten Sie die Leiste des Liners. Durchbohren Sie die Leiste mithilfe eines kleinen Bohrs mit 4 mm, indem Sie 50 mm vom Rand entfern beginnen. Schrauben Sie die Leiste auf der Höhe der Kante des oberen Bretts mittels der Schrauben (4 x 40) fest. Verteilen Sie die Schrauben gleichmäßig auf der Leiste. Verfahren Sie bei den restlichen kurzen Paneelen genauso. Sie das ab, was von der Leiste übersteht, unter Einhaltung eines Abstands. Nach dem Zuschnitt der weißn Profile auf die richtige Grise zur Befestigung der Inenhülle wird das überschüsse Material für die weitere Montage einer anderen Seite Ihr Schwimmbeckens bestehtigt.
IT
Durchbohren Sie die Bretter nicht vorab.
-
Nehmen Sie Maß
-
Prenderive la misura
- Neem de maat
Tome a medida

and cut the liner profile
- y corte el perfil del liner
- et découpe de la baguette de liner
- und schneiden Sie das Profil des Liners ab
- e tagliare il profilo del liner
- en zaag het klemprofiel van de liner op maat
e corte o perfil do liner

Fixing the liner profile
Fijación del perfil del liner
Fixation de la baguette deliner
- Befestigung des Profils des Liners
- Fissaggio del profilo del liner
- Bevestiging van het klemprofiel van de liner
- Fixação do perfil do liner

- Installation of the profiles in the same panel
- Colocacion de los listones en un mesmo panel
- Positionnement des baguettes sur un même pan
- Positionierung der Leisten an demselben Paneel
- Posizionamento dei profili su uno stesso pannello
- Plaatsing van de Klemprofielen in een enkel paneel
- Colocacao dos perfis numismo painei
EN The liner should be introduced as shown in the following image.
ES Debe introducir el liner de talmania que quede como en la?siguiente imagen.
FR Youdez introuide le liner de facon a ce qu'il reste sur la meme position indiquee sur l'imagci-dessous.
DE Die Folie muss entsprechend der nachfolgenden Abbildung eingelegt werden.
Il liner delve essere introdotto come individato nella seguente imagine.
NL U moet de liner zo plaatsen, dat hij kommt te zitten zoals op de volgende Foto te zien is.
PT Introduzir o/perfil para que fique colocado como se observa na segunte imagem.

EN PREVIOUS CHECK BEFORE INSTALLING THE LINER
ES CONTROL PREVIO A LA COLOCACION DEL LINER
FR CONTROLES AVANT LA POSE DU LINER
DE KONTROLLE VOR DER POSITIONIERUNG DES LINERS
IT CONTROLLO PRECEDENTE AL POSIZIONAMENTO DEL LINER
CONTROLER VOORAFGAAND AAN DE PLAATSING VAN DE LINER
PT CONTROLO PREVIO A COLOCAÇÃO DO LINER


PT2000
Liner hung 773x371/142 rectangular 4 pans Bleu REF:785943
Couleur: BLEU
N° de lot: 2019/04
Qte:1
Poids: 44.45 KGS
Gencod: 3605217859433
19C003428A
Die Seriennummer befindet sich auf dem Verpackungsetikett
- Säubern Sie das innere Tragwerk des Pools (Sandkörner, Schrauben...) falls erforderlich mit einem Staubsauger.
- Stellen Sie sicher, dass die Dichtung des Skimmers an ihrem Platz ist. Platzieren Sie die Klappe innerhalb des Skimmers.
- Suchen Sie die Seriennummer an Boden oder Wand der Innenhülle und notieren Sie sie für eventuelle Beanstandungen in dem Kästchen auf dem Blatt mit den Anleitungen*
- Stellen Sie safer, dass kein Schraubenkopf aus dem Holz ragt.

Vor der Positionierung muss der Liner mindestens 24 Stunden bei einer Umgebungstemperatur von mindestens 20^ verbracht haben. Die Maße des Liners sind eine Zentimeter kürzer als die Innemaße des Beckens, um sicherzustellen, dass der Liner gespannt angebracht wird. Die Positionierung des Liners muss bei einer Außentemperatur von mindestens 15^ erfolgen. Er wird dringend empfohlen, den Liner einige Stunden vor dem Einbau der Sonne auszusetzen, damit er für eine einfache Positionierung flexibel wird. Sie müssen den Aufkleber mit der auf dem Liner angegebenen Seriennummer aufbewahren. Für mögliche Anträge auf Übernahme der Garantie wird die Seriennummer verlangt.
MONTAGE (Vor der Installation der Handlaufe muss der Pool unbedingt mit Wasser gefüllt werden)
Für diesen Schritt müssen Sie die Schuhe ausziehen, um den Liner nicht zu beschädigen.
A Betreten Sie das Innere des Pools bereits barfu.
B Platzieren Sie den Liner in der Mitte des Pools (Abb. 16) und entfallen Sieihn von dort aus (Abb. 17). Verteilen Sie das Spiel zwischen den MaBen des Liners und denen des Tragwerks gleichmig auf dem ganzen Umriss.
Richten Sie die unteren Ecken des Liners korrekt (Ecken der Verschlüsse am Boden) an den Ecken des Beckens aus (Abb. 18).
D Setzen Sie das Ankopplungssprofil des Liners in die Leiste ein (Abb. 19).

Vor der Positionierung muss der Liner mindestens 24 Stunden bei einer Umgebungstemperatur von mindestens 20^ verbracht haben. Der Liner muss bei einer Außentemperatur von mindestens 15^ platziert werden.

Eum den bereits positionierten Liner zu bewegen, lessen Sie ihn an der Leiste entlanggleiten. Sollte sich dies als sehr schwierig erweisen, so konnen Sie den Liner entfernen, indemn Sie ihn anheben, um die Verknupfung nicht zu beschädigen. Stellen Sie sicher, dass der Liner sowohl am Boden als auch an den Wänden gut positioniert ist, richten Sie die Spannung des Liners gleichmäßig ein (drucken Sie den Liner an den Ecken mit der Fußspitzerichtung Ecken der Wände) (Abb. 20).
F Fullen Sie den Pool etwa 2 Zentimeter hoch mit Wasser (Abb. 21). Um die Positionierung des Liners zu erleichtern, empfeht es sich, dass das Wasser nicht sehr kalt ist.
G Glätten Sie den Boden des Liners, um Falten zu vermeiden, indem Sie von der Mitte aus Richtung Enden beginnen. Füllen Sie den Pool weiter. Sollte es weiterhin Falten geben, korrigieren Sie die Spannung des Liners an den Wäden, indem Sieihn an der Ankopplungsleiste entlangschieben. (Schräge Falten an der Wand weisen auf eine falsche Positionierung hin) (Abb. 22).
Es ist wichtig, dass die Ecken des Liners den Ecken des Tragwerks des Beckens entsprechen.
Einige Wochen nach der Befüllung wird der Liner in dem unter Wasser liegenden Bereich eine andere Farbe aufweisen als der Liner, der an der Luft ist. Diese Verfärbung ist normal und gefährdet die Festigkeit und/oder Eigenschaften des Liners nicht. Um zu vermeiden, dass durch die Luftverschmutzung eine dunkle Markierung zwischen dem Teil unter Wasser und dem Teil außerhalb des Wassers entscheid (die sognannte Wasserlinie), empfehlen wir Ihnen, den Liner in thisem Bereich regelmäßig mit einem spezifischen Reinigungsmittel zu saubern.
These Querschnittansicht zeit den im Anschlusswinkel positionierten Liner
Ziehen Sie den Liner in de Ecken gut fest
- Gegebenenfalls das Rohr der peripheren Drainage zu schützen, indem Sie es mit Geotextil überziehen. Es ist wichtig, die Befüllung des Pools parallel zur Anschüttung durchzuführen, damit der Druck ausglichen wird und Verformungen im Tragwerk während des Betriebes vermieden werden. Es wird empfohlen, die Anschüttung in Dritteln (1/3 Wasser und 1/3 Anschüttung) vorzunehmen. Während der Anschüttung wird empfohlen, durch den gesamten Umkreis des Beckens in aufeinanderfolgenden Schichten vorzugehen, um nicht Gefahr zu laufen, das Tragwerk zu beschädigen. • Platzierten Sie den alveolaren Schutz in HDPE (nicht im Lieferumfang enthalten) um das Becken. Der alveolare Schutz muss sich auch auf der Platte fortsetzen und bis zur ihrer Außenseite ausdehnem. • Um ein Verstopfen der Entwasserung zu vermeiden, ist es notwendig Wollfilz (nicht im Lieferumfang enthalten) im naturbelassenen Gelände zu platzieren, um den Boden an Ort und Stelle zu halten. • Installieren Sie die periphery Drainage auf dem Schutz und verbinden Sie sie (gegebenenfalls) mit dem Dekompressionssschacht. Im gegenteiligen Fall setzen Sie die Entwasserung sich auf dem Gelände ausbreiten. • Als{nachstes erfolgt die Anschüttung gegen die Wände mit festgestampftem Kies (Kaliber 10/30), der die Entwässerung erreichtert. Die Anschüttung muss zeitgleich mit der Befüllung des Pools erfolgen.
Eine Anschüttung mit Mutterboden ist untersagt.
INFORMATIONEN: Die Entwasserung erlaubt das ununterbrochene AbflieB den Wassers am Pool und begrenzt folglich das Aufsteigen von Wasser durch
Kapillarität in Richtung des oberen Teils der Baustelle, wo Luft und Erde aufeinander einwirken und Pilzbefall oder Fäulnis auftreten (siehe Zeichnung unter). Eine fehlende Drainage führt zum Aufsteigen von Wasser durch Kapillarität, welche bedeutend und dauerhaft sein kann, was Angriffe durch die Interaktion Luft/Wasser begunstigt (siehe Zeichnung unter).
Im Falle eines nachgewiesen Angriffs und falls keine Entwasserung besteht, kann die Garantie die Beschädigung nicht übernehmen.
Kies zur Entwässerung
Ghiaia drenante
Beginnen Sie damit, das Schwimmbecken bis ungebärn 4 cm unterhalb des unteren Randes der Öffnung des Rücklaufventils mit Wasser zu fällen.
Markieren Sie die Öffnung mit einem Filzstift (A) und schneiden Sie mithilfe des Cutters (MESSER) die Mitter der Öffnung (B) kreuzförmig ein, ohne darauf über das Loch des Stanzwerkzeugs hinauszuschneiden.
Durch die herausgeschnittene Öffnung (C) vom Schwimmbeckeninneren das Rücklaufventil (No. 1) mit einem der Reibringe (No. 2) hersaufhren und mit den Dichtungen (No. 3) verbinden.
Die Stücke des Liners, die außen aus dem Schwimmbecken Herausstehen, müssen sauber und maßgerecht abgeschritten werden.
Die andere Fugendichtung (No 3.1) wird von außen aufgesetzt, gefaltet und durch die Verkleidung geschoben, damit Sie in Kontakt mit der Abdeckung und der Verkleidung bleibt. (No. 2.1).
Bringen Sie den anderen Nebendichtungsring an undziehen Sieihn mit der Mutter fest (No. 4).
Rücklaufschlauch zwischen dem Ausgang der Filteranlage und dem Rücklaufventil mit den Rohrschellen anbringen.
Wichtig: Bevor Sie den Schlauch platzieren, setzen Sie die Zierblende ein. (No 5)
Überprüfen Sie, dass das Ventil des Reinigungserätes sich in der Position GESCHLOSSEN (Closed) befindet.

Bringen Sie die Filtration an, bevor Sie die Zuschnitte des Liners vornehmen.

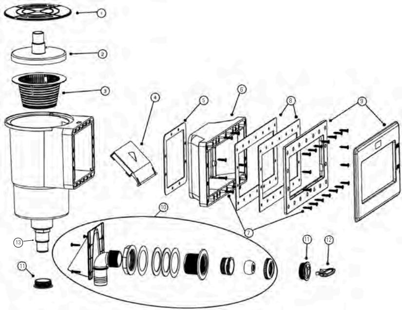
SKIMMER
1-Körper der Düse
2-2.1 Runde Flachdichtung
3-3.1 Dichtung
4-Schraube des Düsengehäuses
5-Zierblende
MONTAGE DES SKIMMERS
Vor der Montage des Skimmers an das Schwimmbecken sollen der Schieber an der Öffnung des Skimmers angebracht werden.
Anschlie end werden die Dichtung (No 5) so wie dies in A angegeben ist.
BEFESTIGUNG DES SKIMMERS
Fullen Sie das Schwimmbecken weiter mit Wasser, bis der Wasserstand von 4 cm unterhalb der Stanze des Skimmers am Holzes des Pools erreicht ist.
Den Liner mit dem Cutter (Messer) ausschneiden und damit der Markierung der Stanze folgen.

A

B
C

- Bevor Sie fortfahren, stellen Sie safer, dass die Klappe des Skimmers richtig positioniert ist.
- Kennzeichnen Sie mit einem Stift die Position der Befestigungsschrauben auf dem Liner.
- Platzieren Sie die zweite quadratische Flachdichtung (5.1) und danach den Flansch (6) gegen den Skimmer und richten Sie die Öffnungen an den Markierungen für die Schraubenposition aus.
- Befestigen Sie den Flansch (6) mit 10 Schrauben am Liner, begin onderaan. Der Druck der Befestigungspunkte auf den Liner muss konstant sein (kreuzweises Festziehen).
- Ziehen Sie die Schrauben zunachst nur weniger an, um zu überprüfen, ob sie korrekt sitzen. Anschlie end werden sie fest angezogen, nach dem Auftrag angezeigt in C.
Die Abdeckung No 6.1 fest andrücken und darauf darauf auf achten, dass die Markierungen fur den Wasserstand sich in der korrekten Position befinden (D). - Verschrauben Sie den mit Teflon ausgestatteten geriffelten (11) Anschluss im Düsendehause von außerhalb des Beckens. (E)
- Schneiden Sie den Liner mit einem Cutter durch das Innere des Skimmers.
- In diesen Moment müssen Sie die Filtration anbringen.

D

1-Skimmerdeckel
2- Deckel Absaugung
3-Korb
4-Schieber-Gruppe
5-Dichtung
6- Flansch 6.1- mit Zierdeckel
7- Beutel Schrauben (2 DIN 7981 4,2X16 and 10DIN 7983 4,8X25)
8- Rücklaufventil
9-Verschluss zum Uberwintern
10-Schlüssel
11-Adapter des Schlauches

E
Ref. 790207





DRUCKVENTIL
Beginnen Sie damit, das Schwimmbecken bis ungebär 4 cm unterhalb des unteren Randes der Öffnung des Rücklaufventils mit Wasser zu fällen.
Markieren Sie die Öffnung mit einem Filzstift (A) und schneiden Sie mithilfe des Cutters (MESSER) die Mitter der Öffnung (B) kreuzförmig ein, ohne darauf über das Loch des Stanzwerkzeugs hinauszuschneiden.
Durch die herausgeschnittene Öffnung (C) vom Schwimmbeckeninneren das Rücklaufventil (No. 1) mit einem der Reibringe (No. 2) hersaufhren und mit den Dichtungen (No. 3) verbinden.
Die Stücke des Liners, die außen aus dem Schwimmbecken Herausstehen, müssen sauber und maßgerecht abgeschritten werden.
Die andere Fugendichtung (No 3.1) wird von außen aufgesetzt, gefaltet und durch die Verkleidung geschoben, damit Sie in Kontakt mit der Abdeckung und der Verkleidung bleibt. (No. 2.1).
Bringen Sie den anderen Nebendichtungsring an undziehen Sie hin mit der Mutter fest (No. 4).
Rücklaufschlauch zwischen dem Ausgang der Filteranlage und dem Rücklaufventil mit den Rohrschellen anbringen.
Wichtig: Bevor Sie den Schlauch platzieren, setzen Sie die Zierblende ein. (No 5)
Überprüfen Sie, dass das Ventil des Reinigungserätes sich in der Position GESCHLOSSEN (Closed) befindet.

SKIMMER
MONTAGE DES SKIMMERS
Vor der Montage des Skimmers an das Schwimmbecken sollen der Schieber an der Öffnung des Skimmers (Nr. 5, Abb. 3) angebracht werden. Anschlie end werden die Dichtung (Nr. 6) und die konische Öffnung (Nr. 7), angebracht. Die Teile werden mit 8 Schrauben (Nr. 8) DIN7982 5,5x25 befasstigt, so wie dies in A angegeben ist.
BEFESTIGUNG DES SKIMMERS
Fullen Sie das Schwimmbecken weiter mit Wasser, bis der Wasserstand von 4 cm unterhalb der Stanze des Skimmers am Holzes des Pools erreicht ist. Den Liner mit dem Cutter (Messer) ausschneiden und damit der Markierung der Stanze folgen.
SKIMMER

A


C
- Bevor Sie fortfahren, stellen Sie safer, dass die Klappe des Skimmers richtig positioniert ist.
- Kennzeichnen Sie mit einem Stift die Position der Befestigungsschrauben auf dem Liner.
- Platzieren Sie die zweite quadratische Flachdichtung (5.1) und danach den Flansch (8) gegen den Skimmer und richten Sie die Öffnungen an den Markierungen für die Schraubenposition aus.
- Befestigen Sie den Flansch (6) mit 18 Schrauben am Liner (7), begin onderaan. Der Druck der Befestigungspunkte auf den Liner muss konstant sein (kreuzweises Festziehen).
- Ziehen Sie die Schrauben zunachst nur leicht an, um zu überprüfen, ob sie korrekt sitzen. Anschlie end werden sie fest angezogen, nach dem Auftrag angezeigt in C.
Die Abdeckung No 9 fest andrücken und darauf aufchten, dass die Markierungen fur den Wasserstand sich in der korrekten Position befinden (D). - Verschrauben Sie den mit Teflon ausgestatteten geriffelten (13) Anschluss im Düsendehause von außerhalb des Beckens. (E)
- Schneiden Sie den Liner mit einem Cutter durch das Innere des Skimmers.
- In diesen Moment müssen Sie die Filtration anbringen.


D
1-Skimmerdeckel
2- Deckel Absaugung
3-Korb
4-Schieber-Gruppe
5-Anschlussdichtung
6-Konische Öffnung
7- Beutel Schrauben (26 DIN 7982 5,5X25 and 10DIN 7982 4,8X19)
8-Dichtung
9- Flansch mit Zierdeckel
10-Rücklaufventil
11-Verschlusszum Uberwintern
12-Schlüssel
13-Adapter des Schlauches

E
Ref. 790206





UGELLO DIMDATA
TIPPS FÜR DIE MONTAGE: Die Filtration muss mindestens 3,50 m vom Pool entfernt platziert werden.
Folgende Zeichnungen sollen die Richtung des Wasserkreislaufsr erlautern. Fur den Einbau lessen Sieitte das Handbuch, das dem Filtrationsaggregat beiliegt. Hinweis: Fullen Sie den Filter zu 2/3 mit sauberem und kalibriertem Sand: nur ein Kaliber wird geliefert, es garantiert den ordnungsgemaien Betrieb der Filtration. (1) Farben und Anschluse der Filtrationssysteme konnen je nach Modell abweichen. Lesen Sie das entsprechende Handbuch.
Die Mehrrichtungsfalle bestimmte eine Richtung des Kreislaufs. Die Markierungen „PUMP“ „RETURN“ und „WASTE“ sind an den Eingangen und Ausgangen der Klappe eingraviert. Die Installation aller elektrischen Systeme muss die Richtlinie NF C15-100 erfüllen. Erkundigen Sie sich beim Hersteller bei etwaiger Abwandlung eines oder mehrerer Komponenten des Filtrationssystems. Die Ansaugpumpe darf nicht über dem Wasserspiegel platziert werden, da sonst die Gefahr besteht, dass sie deaktiviert wird.


Alle Schraubverbindungen müssen mit dem bereitgestellen wasserdichten Teflonklebeband montiert werden *, außer Anschlüsse mit O-formiger Dichtung. Das Teflon muss in der zur Spirale entgegengesetzten Richtung aufgerollt werden.
ANSCHUTTUNG: Fullen Sie den Pool ganz auf. Der Wasserspiegel wird sich zwischen dem oberen Dritel und der Halfte der Öffnung des Skimmers ansiedeln.

- POSITION RÜCKSPÜLEN (ODER BACKWASH): Position der Reinigung des Sandes. Ermöglicht, dass das Wasser in umgekehrter Richtung in den Filter fließt. Das Wasser tritt durch das untere Teil des Filters ein und sört damit, dass die Filtermasse steigt und folglich seine Verunreinigungen gesammelt werden, die durch das obere Teil des Filters Richtung Abfluss entsorgt werden, da sie leichter sind als der Sand. Dieser Vorgang muss 2 bis 3 Minuten dauern.

- POSITION AUSSPÜLEN / DRAINAGE DES FILTERS** (ODER RINSE): Vorgang, der auf die Reinigung des Filters folgt. Wenn der Filter gesäubert worden ist, muss er ausgewült und die Filterasse erneut festgedrückt werden. In dieser Position fließt das Wasser durch den Filter wie während der Filtration, noch am Filtrausgang wird es durch den Abfluss abtransportiert. Diese Vorgang muss 20 bis 30 Sekunden durchgeführt werden.

- POSITION LEEREN / ABFLUSS (ODER WASTE): Position, in der das Wasser abgelassen oder das Becken entleert wird. In thisem Fall fliebt das Wasser nicht durch den Filter, sondern direkt durch den Abfluss.

- POSITION GESCHLOSSEN (ODER CLOSED): These Position verhindert, dass Wasser durchfließt, und wird für die komplette Überwinterung des Pools verwendet, wenn die Filtration gestoppt wird.

-
POSITION UMWÄLZEN / UMLAUF*: Diese Position wird eingesetzt, damit das Wasser durch das Wassersystem fließt, ohne den Filter zu passieren. Diese Option wird verwendet, um das Wasser durchzumischen, wenn dem Pool ein Produkt zugegeben werden muss oder wenn am Filter ein Vorgang durchgeführt werden muss, Denn in dieser Fall ist der Filter isoliert und das Wasser, das von der Pumpe kommt, wird direkt ausgewißen.
-
Einige Modèle werden mit einer 4-Wege-Klappe gefelft (verfügbare Optionen: Filtration, Reinigung, Entleeren/Abfluss Geschlossen oder Überwinterung).
** These Positionen gelten ausschließlich für die 6-Wege-Klappen.

HANDLÄUFE (Vor der Installation der Handläufe muss der Pool unbedingt mit Wasser gefüllt werden. Sitzen oder Gehen auf den Randprofilen ist)_
Der Handlaufe besteht aus 2 Lamellen, eine innere und eine außere. Betrachten Sie die Zeichnungen (4x60) (Siehe Seite 44/46).
VORBEREITUNG
- Vor der Befestigung des Handlaufe positionieren Sie alle Testlamellen und betrachten Sie die Einbauzeichnung am Ende des Handbuches, ohne sie zu verschrauben, um die Games möglich verteilen zu können.
- Lassen Sie den Handlaufe nachinnen hin überstehen, um eine Art „Wellenbrecher" zu schaffen.
BEFESTIGUNG
- Die Handlaufe müssen vorab mit einem Holzbohrer mit 4 mm ø durchbohr werden, um eine feste und dauerhafte Befestigung zu erreichen. Für die Montage verwenden Sie rostfrei Schrauben Ø 4 x 60 mm, die Sie schrag (im Falle der äußeren) am Boden der Nuten einschrauben müssen.
- Wenn alle Handlaufe eingepasst sind, fahren Sie mit der Verschraubung der Konsolen fort. (*)
Befestigung der Platten unter den Rändern
Positionierung der Zierleisten für die Ecken
- Setzen Sie die Holzplatten unter die Ränder in den Ecken und befestigen Sie sie mit 4 Schrauben (4x40).
PIASTRA SOTTO I BORDI (4X40) (*)
- Schneiden Sie den äußerten Handlauf, der sich über die Skimmerwand befindet, in dem Maß, dass den Abstand zwischen den Konsolen entspricht.
- Befestigen Sie den Skimmer Handlauf zum inneren Handlauf mit der im Lieferumfang enthaltenden Scharniere.
A.- Das obere Geländer (1) und das untere Geländer (10) ineinanderrücken und zusammenbauen, und druck die Atufen aneinandre befestigen (9) Die Atufen werden an den Geländem met den entsprechenden Schrauben (11), Muttern (8) und Scheiben (7) befestig. (Fig.23)
B.- Die Anchläge (12) der Geländer mintieren, um zu vermeiden, dass das Geländer das Becken beschädigt.
C.-Sobald die Leiter montiert ist, Word sie in das Becken gelassen und es werden vier Bohrlicher 09mm mithilfe der Platine als Schablone gebohrt.
D.- Die gegen plate (6) mit Schrauben (3) und die Scheiben (4,7) und mutterm (8) mit dem Schlüssel. (Fig.24)
E.- Den Zierdeckel (2).

Beim ersten Einsatz ist es obligatorisch, eine Reinigung des Filters vorzunehmen (informieren Sie sich über die Instandhaltung des Filtrationsystems). Die Filtration ist eine mechanische Behandlung, bei der das Wasser des Pools mittels Beseitigung von Verunreinigungen und Schmutzpartikeln gesäubert wird. Der Wasserkreislauf und das Wasserreinigungsgaggregat sind wesentliche Elemente für das ordnungsgemäß Funktionieren des Filtrationsystems. Das Filtrationssystem muss zusammenhängend sein: Die Maße des Filters müssen proportional zum Wasservolumen des Pools und zur Pumpenleistung sein. Die Filtration ist nicht antibakteriell. Folglich ist es obligatorisch, ein Produkt (oder ein System) zur Desinfektion des Wassers anzugliedern.
FILTRATIONSZEIT:
Während der Einsatzzeit des Pool-Kits muss die Filteranlage tätiglich ausreichend lange in Betrieb genommen werden, um eine komplette Ernueeration des
Wasservolumens sicherzustellen. Theoretisch wird wie folgt gerechnet:
(T^ des Wassers / 2) = Anzahl der Stunden im Filtrationsbetrieb
Häufig ergibt es sich in der Praxis, dass 4 Stunden vor und 4 Stunden nach dem Zenit gefiltert wird. Vom abwechselnden Betrieb wird abgeraten (stündliches Aus- und Einschalten), da dann nicht dasGPC Wasser volume erneert wird.
GRUNDREGEL FÜR DEN BETRIEB:
! Der Skimmer saugt das Poolwasser an (dieses Bauteil und besonder die Körbchen, die Blätter und andere große Verunreinigungen erfassen, müssen sehr sauber sein). Dann lauft das Wasser durch Rohre zu einer Pumpe mit Vorfilter* (dort filtert ein weiteres Körbchen die mittelgroßen Verunreinigungen, deshalb ist dessen Sauberkeit für ein ordnungsgemäßes Funktionieren wesentlich). Die Pumpe
| TEMPERATUR DES WASSERS | DAUER DER FILTRATION AN EINEM TAG |
| 15 a 18°C | 8 stunden |
| 19 a 21°C | 10 stunden |
| 22 a 25°C | 12 stunden |
| 26 a 28°C | 14 stunden |
| 28 a 30°C | 19 stunden |
| + de 30°C | 24 stunden |
treibt das Wasser zu einem Filter hin, der alle schwendbenden Verunreinigungen aufgrund des Filtermaterials zurückhalt. Dieser Filter ist aus Sand. Das bereits gefilte Wasser keht zum Pool zurück. Dieses Set (wahlweise) kann mittels einer elektrischen Schalteinheit bedient, programmiert und geschützt werden.
Das Wasser Ihres Pools muss physikalisch und chemisch aufbereitet werden, um seine Transparenz beizubehalten und Ihnen ein rundum gesundes Bad zu garantieren. Es wird nicht empfohlen, den Pool mit Quellwasser zu befullen, um etwaige Risiken einer chemischen Reaktion und der Färbung des Wassers zu vermeiden.
SIE MUSSEN STETS PRUFIN, OB:
- Der Wasserspiegel richtig ist, das heißt, etwas über der Hälfte des Skimmers.
- Die Korbchen des Skimmers und des Vorfilters der Pumpe sauber sind.
- Der Wasserkreislauf gesteuert und die Positionen der Klappen überprüft werden.
- Die Filtration gestartet und der Druck mit dem Druckanzeiger kontrolliert werden kann (je nach Art und Position der technischen Voraussetzungen in Bezug auf den Pool).
ES IST UTERSSAGT, DEN POOL ZU BETRETEN, FALLS DAS FILTRATIONSSYSTEM BESCHÄDIGT IST: *Je nach Modell
INSTANDHALTUNG DES FILTRATIONSSYSTEMS
REINIGUNG DES FILTERS
Fuhren Sie diese Verfahren wann immer dann durch, wenn der Filter gereinigt werden muss. Wenn der Druck 0,2 Bar in Bezug auf den Druck bei Inbetriebnahme steigt, ist es notwendig, eine Reinigung vorzunehmen, wie im Folgenden erlautert wird. Vergewissem sie sich, dass der Ablaufschlauch (nicht im Lieferumfang enthalten) richtig am Sammelbehälter der Mehrrichtungsklappe montiert ist, so dass sie das Abließen des Wassers erlaubt, wenn der Sand oder der Filter gereinigt wird.
- Stoppen Sie die Filtration.
- Stellen Sie die Mehrrichtungsklappe auf die Position REINIGEN.
- Starten Sie die Filtration und halten Sie sie 2 bis 3 Minuten laufen.
- Stopen Sie die Filtration erneut, stellen Sie die Mehrrichtungsklappe in die Position SPULEN und halten Sie die Filtration 30 Sekunden laufen.
- Stopen Sie die Filtration und stellen Sie die Mehrrichtungsklappe in die Position FILTRATION.
- Starten Sie die Filtration erneut und prufen Sie, ob der Druck nun richtig ist.
REINIGUNG DES BECKENS
Mit einem manuellen Beckenreiners
- Schließen Sie den Schlauch an den Beckenreiniger an.
- Legen Sie den Beckenreiniger in das Wasser.
- Füllen Sie den Wasserschlauch, indem Sieihn vor ein Druckventil platzieren.
- Legen Sie das andere Ende an den Beckenreinigers-Punkt.
- Der Beckenreiniger muss langsam bewegt werden, (um zu vermeiden, dass Staub aufsteigt,) und ohne ihn aus dem Wasser zu halten, um zu vermeiden dass die Pumpe deaktiviert wird.
- Wenn die Reinigung beendet ist, reinigen Sie den Filter, bevor Sieihn an der üblichen Stelle platzieren.
EMPFEHLUNGEN:
- Es ist vorgeschrieben, zu überprüfen, dass die Ansaugöffnungen nicht verstopf sind.
- Es ist vorgeschrieben, die Filtration während des Instandhaltungsbetriebs des Filtrationssystems zu stoppen.
- Prufen Sie regelmäßig den Grad der Schmierung des Filters.
Die Instandhaltung und das Überwintern des Sandfilters erfordern das AbflieBen des Wassers. Es ist unbedingt erforderlich, Entleerungen fur die Installation des Filtrationsaggregats vorzusehen.
WASSERAUFBEREITUNG
Unabhängig davon, welche Filtrationssystem eingesetzt wird, ist es notwendig, das Wasser des Pools chemisch aufzubereiten, um Bakterien und Mikroorganismen zu zerstoren und die Entwicklung von Algen zu verhindern. Es konnen mehrere Entkeimungsprodukte wie Chlor, Brom, Sauerstoff, etc. benutzt werden. Lassen Sie sich von einem Handler für Poolaufbereitungsprodukte beraten, bevor Sie eine Entscheidung treffen.
Si mssen zunachst mit Hilfe eines Analyse-Kits den pH-Wert bestimmen. Bite beachten Sie, dass die Testflaschen nur ein Jahr gultig sind.
Der ideale pH-Wert liegt zwischen 7,2 und 7,4 und der CHLOR-Wert bei 1,5. Korrigieren Sie diesen Wert mit Hilfe von pH-Korrektoren (die他们在erhöhen und senken). Die Menge an Produkten ist proportional zum Rauminhalt des Pools. Für die Behandlung des Beckens lesen Sie die Angaben, die auf dem Produkt stehen, das Sie für ihren Pool gewählt haben. pH (potentia Hydrogenii): Der pH-Wert des Wassers muss immer zwischen 7,2 und 7,4 liegen, Denn unter diesen Werten wird das Wasser korrosiv (wegen der Säure) und beschädigt schnell die Metallteile des Pools. Über diesen Werten ist das Wasser basisch und reduziert in großem
Umfang die Wirkung der Aufbereitung. Geben Sie Chlortabletten nie direkt in das Becken. Der Liner wurde „verbrennen".



SICHERHEITSINWEISE
Vor Einbau und Nutzung des Poolsitte aufmerksam die in thisem Handbuch aufgeführten Informationen lessen, verinnerlichen und einhalten. Die Sicherheitschinweise und -vorschriften beziehen sich auf eine der am hafigsten auftretenden Risiken in Zusammenhang mit Freizeit im Wasser, sie umfassen jeder nicht alle Risiken und Gefahren, die auftreten konnen. Seien Sie vorsichtig, handeln Sie kritisch und mit gesundem Menschenverstand, wenn Sie sich im Wasser aufhalten. Bewahren Sie diese Informationen gut auf, um später darauf zurückgreifen zu konnen.
Wenn Ihr Pool das Ende seiner Nutzungsdauer erreicht hat, muss er auseinandergebaut werden. Die verschiedene Materialien (Plastik und Stahl) müssen getrennt und zur Sammelstelle gebracht werden, die von den ortlichen Behörden bestimmt wird.
Die Sicherheit der Menschen, die nicht schwinnen konnen:
Eine aufmerksame, aktive und kontinuierliche Überwachung der Kinder, die nicht oder noch nicht gut schwinnen können durch einen davon zuständigen Erwachsenen ist stets erforderlich (bitte bedeken Sie, dass bei Kindern unter fünf Jahren das höchte Risiko zu ertricken auftritt).
- Sorgen Sie davon, dass ein davon zuständiger Erwachsener den Pool stets überwacht, wenn dieser genutzt wird.
Zweckmäßig ist, dass Kinder, die nicht oder noch nicht gut schwinnen konnen, bei der Benutzung des Pools eine eigene Schutzausrüstung tragen.
- Wenn der Pool nicht genutzt oder nicht überwacht wird, entfern den Sie alle Spielsachen daraus, um zu verhindern, dass sich die Kinder dem Pool nähern.
Sicherheitsvorrichtungen
-
Es ist empfehlenswert, eine Sperre anzubRINGen (und in thisem Fall Sicherheitselemente an Turen und Fenstern anzubringen), um einen etwaigen nicht erlaubten Zugang zum Pool zu verhindern.
-
Sperren, Abdeckungen, Alarme für Pools oder analoge Sicherheitsvorrichtungen sind hilfreich, ersetzen jedoch nicht die ununterbrochene Überwachung durch einen davon zuständigen Erwachsenen.
Sicherheitsausrücktung
- Es wird empfohlen, eine Rettungsausrüstung (beispelsweise eine Boje) nahe dem Pool zur Hand zu haben.
- Halten Sie am Pool ein einwandfrei Funktionierendes Telefon und eine Mitglie mit den Notrufnummern bereit. Sichere Nutzung des Pools
- Regen Sie alle Benutzer, vor allem Kinder, dazu an, schwammen zu lernen.
- Erlernen Sie Rettungsmethoden (Herz-Lungen-Wiederbebung) und bringen Sie ihre Kennnisse regelmäß auf den neusten Stand. Diese Handgriffe können im Notfall Leben retten.
- Erklaren Sie den Nutzern des Pools, auch den Kindern, welche Vorgehensweise diese im Notfall zu befolgen haben.
- Springen Sie nie in flache Becken, da Sie damit ernste oder)sagar todic Verletzungen erleiden konnen.
- Nutzen Sie den Pool nicht nach dem Konsum von Alkohol oder der Einnahme von Medikamenten, bei denen die Gefahr besteht, dass Sie den Pool nicht in absoluter Sicherheit nutzen können.
- Ist der Pool mit einer Abdeckung bedeckt, entfern den Sie diese vor Betreten des Beckens vollständig.
- Bereiten Sie das Wasser Ihres Pools auf und legen Sie anerkannte Hygienemaßnahmen fest, um die Nutzer vor Wasserbedingten Krankheiten zu schätzen.itte entnehmer Sie dem Handbuch, wie man das Wasser richtig aufbereitet.
-Bewahren Sie chemische Produkte (beispielsweise Produkte zur Wasseraufbereitung, Reinigung oder Desinfektion) außerhalb der Reichweite von Kindern auf.
Die beiliegenden Piktogramme mussen an einer gut sightbaren Stelle weniger als 2 Meter vom Pool entfernt angebracht werden. - Befestigen Sie die bewegliche Treppe an einer horizontalen Oberfläche.
WICTIGER HINWEIS:
220 V-Gerate müssen mindestens 3,50m von Schwimmbadrand entfernt liegen.
Das Gerät muss an einen wechselstromanschluß mit Erdung angeschlüssen werden. Dieser muss durch ein Differential (RCD) mit hochstens 30 mA gesichert sein. Anleitung sorgfältig lessen und für spätere Zwecke aufbewahren.
BEI PROBLEMEN KONNEN SIE SICH MIT
UNS UNDER DER FOLGENDEN DEUTSCHEN
web: www.grepool.com/de/kundenservice




Meteenhandmatigebodemreiniger
Veiligkeit van personen die nicht konnen zwemmen:
ÜBLICHE INSTANDHALTUNG
UMWELTSCHUTZUNG
DEMONTIEREN SIE NICT DAS SCHWIMMBECKEN, WENN DAS NICT UNBEDINGT NÖTIG IST. IM FALLE SIE DAS MACHEN, VERWENDEN SIE BITTE DAS WASSER. DAS WASSER IST EIN KNAUSERIGES GUTE.
WARTUNG UND BENUTZUNG:
-
Schalten Sie die Filteranlage einmal tätiglich ein, um sicher zu gehen, dass das gesamte Wasservolumen erneuert wird und immer dann, wenn das Pool nicht zum Baden benutzt wird. (Siehe Handbuch der Reinigungsanlage).
-
Im Sommer, wenn die Poolanlage im Einsatz ist, Filter regelmäßig auf Verstopfung prüfen.
-
Schrauben, Muttern und Unterlegscheiben (auf Rost) untersuchen.
-
Der Poolwasserstand muss immer mindestens 15cm unter der Pooloberrand liegen.
-
Pool niemals vollkommen entleeren. Ein niedriger Wasserstand kann betrachtlichen Schaden am Pool hervorrufen.
-
Die Nichtbeachtung der empfohlenen Wartungsarbeiten kann zu schweren Gesundheitsschäden,alanders fur Kinder,fuhren.
-
Die Nutzung eines Schwimmbad-Bausatzes setzt die Einhaltung der in den Betriebs- und Wartungsanleitung enthaltenen Sicherheitsvorschriften voraus.
-
Poolanlage im Freien nicht leer auf dem Boden stehen让他们。
-
PVC-Liner und Wasserlinie immer sauber halten und dazu nicht aggressive Reinigungsmittel verwenden. Reinigen Sie regelmäßige die Falte, die den Boden mit dem Seiteneil des Liners verbindet, da sich in thisem Bereich leicht Schmutz anssammeln kann. Geringfugige Löscher, die im Liner entstehen können, setzen sich mit unseren Flicken AR202 oder V12
instandsetzen.
- Die (isothermische) Sommerabdeckung schützt Ihr Schwimmbad vor Insekten, Staub, Laub usw. und halten die Wassertemperatur. Bringen Sie sie so an, dass die Blasen direkt auf dem Wasser liegen.
ÜBERWINTERUNG:
1-Boden und Linerflächen mit einem nicht aggressiven Reinigungsmittel reinigen.
2- Das Wasser mit einem chemischen Überwinterungsstoff behandeln. Um Verfahrens an der Auskleidung vorzubeugen, empfeht sich die Verwendung von FLUSSIGEM UBERWINTERUNGSMITTELstatt Bojen mit festem Mittel.
3-Schwimmbad mit Wasser befüllen und damit folgenden beachten:
a) Für Pools mit Skimmer und Rücklaufventil muss der Wasserstand bis ca. 5 cm unter dem Skimmer reichen; Rücklaufventil mit dem der Reinigungsvorrichtung beigefugten Stopfen verschieden.
b) Für Pools mit Zu- und Rücklaufventilen muss der Wasserstand bis ca. 20 cm unter dem oberen Poolrand reichen. Ventile mit Hilfe des eingebauten Gewindes schreiben.
4-Schläuche abklemmen. Jedoch weder Skimmer noch Ventile ausbauen.
5- Schwimmbad mit einer Winterabdeckung bedecken und ein schwimmendes Element zwischen und Abdeckung und Wasser als Kälteschutz plazieren.
6- Die Reinigungsanlage ist vom Pool abzuklemen und zu reinigen. Sand oder die Filterpatrone daraus entfernen. Anlage abtrocknen und an einem trockenen Ort unter Dach aufbewahren.
7-Zubehor:Alle Zubehorteile (Leiter,Alarmanlage,Scheinwerfer,Stange usw.)entfern,mit SuBswasser reinigen und aufbewahren. NEUE INBETRIEBMNAHME: Winterabdeckung entfern, Reinigungsanlage installieren,mindestens ein Drittel des Wasservolumen erneurn und Schockchlorierung vornehmen.Reinigungsanlage mindestens 8 Stunden ununterbrochen laufen lessen.
CHEMISCHE PRODUKTE:
Bitte lessen Sie sorgfältig die Anweisungen des Herstellers des chemischen Produktes. WICHTIGER HINWEIS: Bewahren Sie die chemischen Stoffe an einem sauberen, trockenen und Kindern nicht zugänglichen Ort auf. Wichtiger Hinweis: Alle eingesetzten Produkte müssen mit dem PVC-Liner kompatibel sein.
- Erste Befüllung: pH-Wert und Chlorgehalt (Cl) des Wassers feststellen und auf die optimalen Werte einstellen: pH: 7,2-7,6; Chlor 0,5-2 ppm.
- Schock-chlorierung: Dabei wird der Chlorgehalt zur Beseitigung von Bakterien und Algen bis ca. 20 ppm eingestellt, Schockchlorierung ist jedoch nur angezeigt, wenn das Poolwasser aus Flüssen, Teichen usw. stammt oder längerere Zeit nicht behandelt wurde.
- Kontrollen: Mindestens einmal wochentlich pH-Wert und Chlorgehalt überprüfen. (Dazu Chlor- und pH-Analysator verwenden).
Außerdem ist ein Algenvertilgungsmittel beizugegeben, um Algenbildung zu unterbinden. Das Schwimmbad darf keinesfalls benutzt
werden, bevor nicht der Chlorgehalt eingestellt ist. Zum Auflösen des chemischen Produktes (Pastillen) verwenden Sie immer einen Schwimmdosierer. Die Dosierung chemischer Produkte erfolgt in Abhängigkeit: vom Wasservolumen Ihres Pools, der Badehäufigkeit, den klimatischen Bedingungen, der Wassertemperatur und dem Standort. Nach dem Eindosieren immer rühren und abwarten, bis sich das chemische Produkt gelöst hat, bevor ein weiteres zugegeben wird. Zwischen einer Einstellung des pH-, Chlorwertes und des Algenvertilgungsmittelwertes und der{nachsten, laven sie mehr oder weniger 12 Stunden beim gleichzeitigem Betrieb der Filteranlage verstreichen.
MECHANISCHE MITTEL:
Stellen Sie sicher, dass Reinigungsanlage, Skimmer, Ventile und Schläuche korrekt an das Pool angeschlossen sind. Bedenken Sie damit, dass die Filtrierzeit umso länger ist, jeHigher die Wassertemperatur ist. Theoretische Filtrierzeit = Wasservolumen / Durchflussmenge des Filtersystems (im Allgemeinen 8 h/Tag bei einer Wassertemperatur von 21^ ), (Ideal: 2 Std.. morgens - 4 Std. mittags - 2 Std. nachmittags).
BODENREINIGUNG DURCH ABSAUGUNG (MANUELL ODER AUTOMATISCH):
Nur für Schwimmbüder mit Skimmer. Schlauchende des Bodenreinigers an die Kehrvorrichtung anschließen und ins Wasser tauchen, damit sich der Schlauch füllt. Das andere Schlauchende mit dem Saugdeckel (TA) verbinden und in den Skimmerkorb setzen. Reinigungsanlage in Stellung FILTER in Gang setzen und mit der Bodenreinigung beginnen. Auf Faltenbereiche, in denen sich Schmutz ansammelt, istalanders zu achten.
VENTURIBODENREINIGER:
Einen Gartenschlauch mit dem Kopf des Bodenreinigers verbinden und in das Schwimmbad einfahren. Hahn mit normalem Druck öffnen, damit das Wasser gegen den Poolboden fließt und so ein aufsteigender Strom entstehen, durch den der Schmutz in den Bodenreiniger eingebauten Filter gelangt.
| AUSWIRKUNGEN | URSACHEN | HILFSMITTEL |
| Trübes Wasser grünlich | • Filter schmutzig • pH falsch • Algenbildung | • Reinigung des Filters • In Ordnung bringen • Schockbehandlung |
| Die Pumpe springt nicht an | • Leitungsschutzensalter herausgesprungen • Sicherung durchgebrannt • Turbine blockiert | • Erneut einschalten • Ersetzen • Prüfen, ob sich der Entlüfter hinter dem Motor dreht |
| Die Pumpe dreht sich, aber entleert nicht | • Ansaugklappen geschlossen • Skimmer saugt Luft an • Vorfilter voll • Luftinlass in der Abdeckung • Turbine defekt | • Erneut öffnen • Wasserpegel korrigieren • Säubern • Dichtung prüfen und Abdeckung Voril-ter austauschen • Turbine austauschen |
| Skimmer saugt nicht an | • Körbchen voll • Klappe schlecht geschlossen • Zu niedriger Wasserpegel | • Leeren • Öffnen • Nachregulieren |
| Schmutziges Wasser fließt in den Pool darüber | • Filter verstopft | • Waschen, nachspülen |
| Druck des Druckanzeigers zu hoch | • Reinigung des Filters schlecht durchgeführt • Auslassklappe geschlossen | • Wiederholen • Klappe öffnen, Zustand des Sandes kontrollieren (alle 3 oder 4 Jahre er-setzen) |
| Beckenreinigers saugt nicht oder we-nig an | • Verstopfter Vorfilter • Entsprechende Klappe geschlossen • Schlauch abgenutz oder perforiert • Luft in den Schläuchen • Andere Kluppen geöffnet • Schmutziger Filter | • Säubern • Öffnen • Ersetzen • Entlüften und auf Zündung warten • Schließen • Säubern |
| Korrosionsspuren | • pH sehr niedrig | • pH auf 7,2 - 7,4 erhöhen |
| Sand im Becken | • Gitter defekt • Handhabung der Mehrrichtungsklappe mit laufender Pumpe • Filtration falsch herum angeschlossen. Bei der Montage wurden die Rohre umgekehrt. | • Gitter austauschen • Mehrrichtungsklappe austauschen • Filtration richtig anschreiben |
EinfachAnleitung