YCV40 - Amplificateur de guitare TRAYNOR - Notice d'utilisation et mode d'emploi gratuit
Retrouvez gratuitement la notice de l'appareil YCV40 TRAYNOR au format PDF.
| Type de produit | Amplificateur de guitare à lampes |
| Caractéristiques techniques principales | 2 canaux, 40 watts, lampes 12AX7 et 6L6 |
| Alimentation électrique | 230V AC |
| Dimensions approximatives | 60 x 30 x 25 cm |
| Poids | 15 kg |
| Compatibilités | Compatible avec la plupart des guitares électriques |
| Puissance | 40 watts RMS |
| Fonctions principales | Réverbération, égaliseur 3 bandes, boucle d'effets |
| Entretien et nettoyage | Nettoyer avec un chiffon doux, éviter l'humidité |
| Pièces détachées et réparabilité | Disponibilité de pièces de rechange auprès du fabricant |
| Sécurité | Ne pas exposer à l'eau, utiliser sur une surface stable |
| Informations générales utiles | Idéal pour les concerts et les répétitions, sonorité chaude et dynamique |
FOIRE AUX QUESTIONS - YCV40 TRAYNOR
Téléchargez la notice de votre Amplificateur de guitare au format PDF gratuitement ! Retrouvez votre notice YCV40 - TRAYNOR et reprennez votre appareil électronique en main. Sur cette page sont publiés tous les documents nécessaires à l'utilisation de votre appareil YCV40 de la marque TRAYNOR.
MODE D'EMPLOI YCV40 TRAYNOR
Ce symbole d'éclair avec tête de flèche dans un triangle équilatéral est prévu pour alerter l'utilisateur de la présence d'un « voltage dangereux » non-isolated à proximité de l'enceinte du produit qui pourrait être d'ampleur suffisante pourprésenter un risque de该如何 électrique.

CAUTION AVIS
RISK OF ELECTRIC SHOCK DO NOT OPEN ISQUE DE CHOC ELECTRIQUE NE PAS OUVIR

Le point d'exclamation à l'intérieur d'un triangle équilatorial est prévu pour alerter l'utilitaire de la présence d'instructions importantes dans la litterature accompagnant l'appareil en ce qui concerne l'opération et la maintenance de cet apparéil.
FOLLOW ALL INSTRUCTIONS
Instructions relatives au risque de feu, choc électrique, ou blessures aux personnes
AVIS: AFIN DE REDUIRE LES RISQUE DE CHOC ELECTRIQUE, N'ENLEVEZ PAS LE COUVERT (OU LE PANNEAU ARRIERÉ) NE CONTIENT AUCUNE PIECE
REPARABLE PAR L'UTILISATEUR.
CONSULTEZ UN TECHNICIEN QUALIFIE POUR L'ENTRETIENT
Veuillez Lire le Manuel: Il content des informations qui devraient etres comprises avant l'opération de votre apparueil. Conservez. Gardez S.V.P. ces instructions pour consultations ultérieures et observez tous les avertissements.
Nettoyezseulementavecletissusec.
Emballage: Conservez la boite au cas ou l'appareil avait etre returner pour réparation.
Avertissement: Pour réduire le risque de feu ou la décharge électrique, n'expose pas cet apparéil à la pluie ou à l'humidité. N'utilise pas cet apparéil prés de l'eau!
Attention: Lors de l'utilisation de produits électrique, assurez-vous d'adhérer à des précautions de bases incluant celle qui seront:
Alimentation
L'appareil ne doit être branché qu'à une source d'alimentation correspondant au voltage spécifique dans le manuel ou tel qu'indique sur l'appareil. Cet apparéil est équipé d'une prise d'alimentation polarisée. Ne pas utiliser cet apparéil avec un cordon de raccordement à moins qu'il soit possible d'insérer complètement les trois lames. Des précautions doivent étres prises afin d'évier que le système de mise à la terre de l'apparéil ne soit désengage. Un apparéil construit selon les normes de CLASS I devrait être raccordé à une prise murale d'alimentation avec connexion intacte de mise à la masse. Lorsqu'une prise de branchement ou un coupler d'appareils est utilisée comme dispositif de débranchement, ce dispositif de débranchement devra demeurer pleinement fonctionnel avec raccordement à la masse.
Risque
Ne pas placer cet apparéil sur un chariot, un support, un trépied ou une table instables. L' apparéil pourrait tomber et blesser quelqu'un ou subir des dommages importants. Utiliser seulement un chariot, un support, un trépied ou une table recommandés par le fabricant ou vendus avec le produit. Suivre les instructions du fabricant pour installer l' apparéil et utiliser les accessoires recommandés par le fabricant. Utilisez seulement les attachements/accessoires indiqués par le fabricant
Note: L'utilisation prolongée des écouteurs à un volume élevé peut avoir des conséquences néfastes sur la santé sur vos oreilles.
Il convient de ne pas placer sur l'appareil de sources de flammes nues, telles que des bougies allumées.
L'appeil ne doit pas etre exposé à des égouttements d'eau ou des éclaboussures et qu'aucun object rempli de liquide tel que des vases ne doit etre place sur I'appareil.
Assure que lappareil est fourni de la propre ventilation. Ne proceded pas à l'installation près de source de chaleur tels que radiateurs, registre de chaleur, fours ou autres apparèils (incluant les amplificateurs) qui produits en la chaleur.
Les dispositifs marqués d'une symbole "d'éclair" sont des parties dangereuses au toucher et que les câblages extérieurs connectés à ces dispositifs de connection extérieure doivent être effectifs par un opérateur formé ou en utilisant des cordons déjà préparés.
Cordon d'Alimentation
Ne pas enlever le dispositif de sécurité sur la prise polarisée ou la prise avec tige de mise à la masse du cordon d'alimentation. Une prise polarisée dispose de deux lames dont une plus large que l'autre. Une prise avec tige de mise à la masse dispose de deux lames en plus d'une troisième tige qui connecte à la masse. La lame plus large ou la tige de mise à la masse est prévu pour votre sécurité. La prise murale est désuète si elle n'est pas congue pour accepter ce type de prise avec dispositif de sécurité. Dans ce cas, contactez un électricien pour faire remplaçer la prise murale. Évitez d'endommager le cordon d'alimentation. Protegez le cordon d'alimentation. Assurez-vous qu'on ne marche pas dessus et qu'on ne le pince pas en particulier aux prises. N'UTILISZE PAS L'APPAREIL si le cordon d'alimentation est endommaged. Pour débrancher complètement cet apparéil de l'alimentation CA principale, déconnectez le cordon d'alimentation de la prise d'alimentation murale. Le cordon d'alimentation du bloc d'alimentation de l' apparéil doit demeurer pleinement fonctionnel.
Débranche cet apparéil durant les orages ou si inutilisé pendant de longues périodes.
Service
Consultez un technician qualifié pour l'entretien de votre apparéil. L'entretien est nécessaire quand l' apparéil a été endommagé de celui façon que se soit. Par exemple si le cordon d'alimentation ou la prise du cordon sont endommages, si il y a eu du liquide qui a été renversé à l'intérieur ou des objets sont tombés dans l' apparéil, si l' apparéil a été exposé à la pluie ou à l'humidité, si il ne fonctionné pas normalement, ou a été échéapped.


The Traynor YCV40 / YCV40T
Introduction
Le Traynor YCV40/YCV40T est amplificateur professionnel à lampe pour guitare. Il s'inspire d'une riche tradition d'amplificateur pour guitare Traynor et combine les éléments les plus convoités des designs classiques et modernes avec les nouvelles technologies de fabrication.
Caracteristiques
- De conception et fabrication Nord Americaine à 100%!
- Design entiement à lampe avec deux 5881WXT et trois 12AX7A premium.
- Haut-parleur 12'' (YCV40T: 2 haut-parleur 10'' ) Celestion pour un son et une performance classique superbe.
- Construction en contre plaqué balte qui garantie un enceinte rigide et durable.
- Contrôles de tonalité séparés pour chacun des deux canaux (saturé et claire) pour une grande souplesse.
- Réverbération Accutronics classique avec double ressort pour un son traditionnel classique.
- Prise pour haut-parleur externe pour un plus grande souplesse.
- Commutateur au pied Double Traynor TFS-2B. Câble de 10 pieds inclus.
- Alimentation de filament spécial sur les lampes de préamplificateur pour assurer un bourdonnement réduit.
- Auto équilibrage de la tension de polarisation. Il n'est donc pas nécessaire d'utiliser des lampe en paire équilibrée ou de faire ajuster l'équilibrage de la tension de polarisation. Cela permet les changements facés de lampe en cas d'urgence.
- Alimentation stabilisée qui assure un niveau de bruit réduit.
- La meilleur garantie dans l'industrie. Deux ans, illimitée, transférable, "meme si vous l'endommagez vous même"
(valide au Canada et aux États Unis seulement).
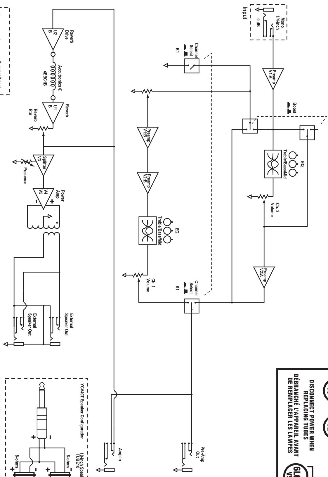
Canal 1 ⑤ ⑦
Le Canal 1 est utilisé pour lessons satures d'accompagnement ou solo. Il est Commutable par le Selecteur sur le panneau de contrôle ou par le bouton selecteur de canal du commutateur au pied fournit avec l'amplificateur. Une DEL jaune pres du contrôle de Volume du Canal 1 indique lorsque ce canal est selectionné.
*Note: Les sélecteurs "boost"-et "channel"-du panneau de contrôle sont désactivés lorsque le commutateur au pied est branché à l'amplificateur.

Contrôle de Volume et de Gain ②
Les contrôle de volume et de Gain du Canal 1 sont utilisés en konjection pour permettre le réglage du niveau de saturation et de Volume du Canal 1. Le contrôle de gain est utilisé pour la saturation et le Volume pour le niveau de sortie de l'amplificateur.
Traynor


Disposition des Contrôles Sur le Châtessis Panneau du Dessus
① Jack d'Entrée - type 1/4 pouce
② Contrôle de Gain et de Volume pour le Canal 1.
③ Commutateur Boost pour le Canal 1 – met en marche le circuit de survoltage.
④ DEL Boost - Devient rouge lorsqu'el circuit de survoltage est activé.
⑤ DEL indicatrice Canal 1 – illuminaire couleur jaune lorsque le Canal 1 est actif.
⑥ Contrôle de tonalité pour Canal 1 - Aiguès, Médianes, et Basses.
⑦ Sélecteur de canal - Le Canal 1 est optimisé pour lessons satures, le Canal 2 pour lessons claires.
Contrôle de Volume du Canal 2.
DEL indicatrice Canal 2 - illuminée couleur verte lorsqu'elle canal 2 est actif.
Commutateur de "Brightness"- pour le Canal 2 - ajoute de la brillance à votre son claire.
① Contrôle de tonalité du Canal 2 - Aiguès, Médianes, et Basses.
12 Contrôle de Présence - ajoute du tranchant à votre son sature ou claire.
^13 Contrôle de Réverbération – ajusté le niveau du reverb Accutronics® pour les deux canaux.
Commutateur de mode d'Attente - Active le mode d'Attente (Standby) permettant de garder les lampes rechauffées quand vous n'utilise pas l'amplificateur.
Voyant à facette qui indique l'alimentation. S'illumine en rouge lorsque l'amplificateur est en mode d'opération, en jaune quand il est en mode d'Attente (Standby).
Panneau Arrière
Fusible et Cordon d'Alimentation
⑦ Commutateur d'Alimentation
Prises "Send"- et "Rtn"- (Efx/Line) - prises d'entrée et de sortie type 1 / 4 pouce
Prise jack pour commutateur au pied qui permet de selectionner les canaux. Utilisez un commutateur standard double à accrochage (Pointe-Bague-Manchon)
29 Prise pour haut-parleur externe - type 1 / 4 pouce

Commutateur "Boost" ③ ④
Un circuit de survoltage est inclut pour vous permettre d'obtenir un son plus sature. Il peut etre activé par le commutateur du panneau de contrôle ou par le commutateur au pied fournit avec l'appareil. Quand le circuit de survoltage est actif, une DEL Rouge s'illumine.
Contrôle de Tonalité du Canal 1
Des contrôle d'Aiguë de Basse et de Médianes sont prévues pour vous permettre de façonner le son à vos souhaits. Ils sont post-gain et pré-volume. Ces contrôles ne sont actifs que lorsque le canal 1 est sélectionné.
Canal 2 ⑧ ⑨ ⑩
Il a été concu pour lessons claires et il n'a pas de contrôle de Gain. La disposition des autres contrôles est la même que sur le Canal 1 avec ses propres contrôles de Volume, Aiguës, Basses et Médianes. Une DEL Verte située pres du contrôle de Volume du Canal 2 s'illumine lorsque ce canal est sélectionné.
Sellecteur "Brightness" 10
Sur le Canal 2, ce commutateur active un circuit qui ajoute une certaine brillance à votre son claire.
Contrôles Maitres
Contrôle de Préstance 12
Ce contrôle rotatif ajusté le niveau de tranchant dans le registre élevé des fréquences medianes.
Contrôle de Réverbération ⑬
Cette section inclue aussi un contrôle rotatif qui ajuste le niveau de Réverbération générale. Le reverb Accutronics® à double ressort du YCV40/YCV40T offre une sonorité classique authenticate.
Commutateur et Indicateur "Standby" 14 15
Ce commutateur contrôle la haute tension qui est acheminée aux lampes. Ce mode permet de garder les lampes réchauffées quand l'amplificateur n'est pas utilisé. Le gros indicateur à facette s'illumine en Rouge quand l'amplificateur est en mode d'utilisation et devient jaune quand le circuit de haute tension est désamorcé. Lorsqu'en mode "Standby," la section d'amplificateur de puissance est étant permettant ainsi de prolonger la vie des lampes.
Jacks d'Envoi et de Retour "Efx / Line" 18
Les jacks "Send"-et "Rtn"- du YCV40/YCV40T per-mettynt 1/4"-a la prise "Send"-du YCV40/YCV40T et branchez l'autre extrémité de ce fil à l'entrée de votre unité de traitement. Pour returner le signal modifié au YCV40/YCV40T, branchez la sortie de l'unité de traitement au jack "Rtn"-du YCV40/YCV40T.
En plus de son'utilisation en conjunction avec la prise "Rtn" pour former une boucle d'effet, la prise type pointe-bague-manchon "Send" peut être utilisé comme sortie ligne du préamplificateur. Le niveau de sortie de -10dB est idéal pour les pédales d'effet et les unités de traitement professionnels. Vous pouvez aussi utiliser cette sortie pour acheminer le signal du YCV40/YCV40T à un autre amplificateur. Pour ce faire, branchez la sortie du YCV40/YCV40T à la prise "Rtn"-de l'autre amplificateur.
La prise 14 "Rtn"-peut etre utilisée comme retour pour la boucle d'effet. Cette prise accepte les signaux qui sont ensuite acheminés à la section d'amplificateur de puissance et peut donc etre utilisé comme prise d'entrée pour la section d'amplificateur de puissance. Ce signal peut etre faconné avec les contrôles de réverbération et de Presence de la section maitresse.
Prise Pour Commutateur au Pied 16
Lorsqu'une fiche 14 est inséré à cette prise, les commutateurs "Channel Select"-et "Boost" situés sur le panneau de contrôle de l'amplificateur sont désactivés. Ces fonctions sont alors contrôlées exclusivement par le commutateur au pied. Le commutateur au pied qui est fournit avec l'amplificateur est doté de deux sélecteurs à accrochage, chacun avec sa propre DEL.
Des relais internes se chargeant de la commutation éliminant ainsi les bruits audibles qui circulent dans le cable du commutateur. Les bruits induis par le commutateur ne sont donc jamais un problème. Le YCV40/YCV40T est compatible avec la plupart des commutateurs doubles à système d'accrochage sur le marché.



Prise/s Pour Haut-Parleur Externe 20
Deux prises 14 situées sous le chassin de l'amplificateur permettent le branchement d'un enceinte à haut-parleur additionnel de 8-ohms. Si vous débranchez le haut-parleur interne, vous pouvez brancher jusqu'à deux haut-parleur de 8-ohms.
Sélection de Lampes de Remplacement et Polarisation
Cet amplificateur dispose de la technologie d'auto polarisation et d'auto apparéillement de Yorkville. Grâce à cette technologie, quand vous devez remplacer les lampes dans votre amplificateur Yorkville, vous n'avez pas à payer une prime additionnelle pour des lampes premium ou pour un ensemble de lampes assorted. Vous n'avez pas à ajuster la polarisation lorsque vous utilisez des lampes de différentes marques. Nous n'offrons aucune suggestion en ce qui concerne qu'elle marque de lampes offre la meilleure sonorité, mais avec la technologie d'auto polarisation et d'auto apparéillement, vous étes libre d'expérimerer sans vous soucier de causeurs des dommages à vos lampes ou à votre amplificateur. Notez que la technologie d'auto polarisation et d'auto apparéillement ne peut pas compenser complètement pour les différences types de lampes – par exemple 6L6/5881 par rapport à 6CA7/EL34.

Notez S.V.P. que même si la technologie d'auto polarisation et d'auto apparéillement vous permet de sélectionner librement des lampes qui ne sont pas apparéillées et qui proviennent d'une variété de fabricants, elle ne pourrait peut-être pas compenser pleinement pour l'utilisation de lampes qui ne sont pas du même modele ou qui n'ont pas le même numéro de piece - par exemple 6L6/5881 par rapport à 6CA7/EL34. L'utilisation de lampe qui ne sont pas équivalentes pourrait résultat en une performance imprévisible.
Spécifications
Circuit Electronique
Lampes 2 x 5881WXT (alt 6L6B)
3 x 12AX7 (alt 7025A)
Alimentation de filament spécial sur les
lampes de préamplificateur.
Auto équilibree
40 watts RMS
-Parleur Celestion 12" (YCV40T: 2x Celestion 10")
Canaux un pour les sons satures,
un pour lessons claires
d'Entrée 1 Meg
Contrôles de Tonalité
Réverbération
Bloc d'Alimentation
Contrôles de tonalité séparés sur chaque
canal (aigués, basses, medianes)
Présence, et contrôle de réverbération
sur la section maitresse.
Accutronics® type long à double ressort
entière régulé
Branchements
Prise d'Entrées type jack 1 / 4
Prise d'Envoi symétrique 14
Prise de Retour asymétrique 1
Prises Pour Haut-Parleur
Prise Pour Commutateur au Pied
deux prisetype jack 14^
14^ (P-B-M), accepte les commutateurs
au pied à système d'accrochage avec
cable de branchement
Cabinet
Construction Contreplaqué
Couverture couvert avec
de tissu couleur argent.
23.0 - x 18.5 - x 9.0 -
58.4cm x 46.9cm x 22.8cm
Poids 45 livres, 20.4Kg
Puisance Requise
120V 60Hz 1.0A
230V 50Hz 0,5A
Garantie Deux ans, illimitée (meme si vous avez cause le
problème), transférable.
(Valide au Canada et aux États Unis seulement)
Commutateur au pied inclus doté de deux sélecteurs ("Channel Select"-et "boost"-)
chacun avec sa propre DEL indicatrice.

Notes:

Notes:

Notes:
SUNILSEDESESECONsO
YCV40WR SUGGESTED SETTINGS
:soaON

:saloon

:Salon



Notes:

Notes:
SNEIJI ESESESE 04
YCV40 USER SETTINGS






Notes:

Notes:
SUNILSESH 04CA



La garantie illimitée de deux ans de ce produit est transférable. Il n'est pas nécessaire de faire enregistrer votre nom auprès de Yorkville Sound ou de votre détaillant. Si, pour une raison quelconque, ce produit devient défectieux durant les deux années qui suivant la date d'achat initial, retournez-le simplement à votre détaillant Traynor avec la preuve d'achat original et il sera réparé gratuitement.
Les frais de port et de manutention ainsi que les dommages indirects ou dommages causés par désastres naturels, extréme humidité ou mauvaise installation ne sont pas couverts par cette garantie. Cette garantie ne couvre pas les produits consommables tels que lampes ou les piles. Les produits consommables ne sont garantie que pour 90 jours suivant la date d'achat. Voir votre détaillant Yorkville pour plus de détails. Cette garantie n'est valide qu'au Canada et aux États Unis d'Amérique.
REAL Gear.
REAL People.
Canada U.S.A.
Notice Facile