YCS50H - Amplificateur de guitare TRAYNOR - Notice d'utilisation et mode d'emploi gratuit
Retrouvez gratuitement la notice de l'appareil YCS50H TRAYNOR au format PDF.
| Type de produit | Amplificateur de guitare à lampes |
| Caractéristiques techniques principales | 50 watts, 2 canaux, lampes EL34 en sortie |
| Alimentation électrique | 220-240 V, 50/60 Hz |
| Dimensions approximatives | H 23,5 cm x L 60 cm x P 25 cm |
| Poids | 15 kg |
| Compatibilités | Compatible avec divers types de guitares électriques et pédales d'effets |
| Fonctions principales | Contrôle de gain, tonalité, reverb, boucle d'effets |
| Entretien et nettoyage | Nettoyer régulièrement les contacts, vérifier les lampes et les connexions |
| Pièces détachées et réparabilité | Disponibilité de pièces de rechange, facilité de réparation par un technicien qualifié |
| Sécurité | Utiliser uniquement avec une alimentation appropriée, éviter l'humidité |
| Informations générales utiles | Idéal pour les concerts et les répétitions, sonorité riche et dynamique |
FOIRE AUX QUESTIONS - YCS50H TRAYNOR
Questions des utilisateurs sur YCS50H TRAYNOR
0 question sur cet appareil. Repondez a celles que vous connaissez ou posez la votre.
Poser une nouvelle question sur cet appareil
Téléchargez la notice de votre Amplificateur de guitare au format PDF gratuitement ! Retrouvez votre notice YCS50H - TRAYNOR et reprennez votre appareil électronique en main. Sur cette page sont publiés tous les documents nécessaires à l'utilisation de votre appareil YCS50H de la marque TRAYNOR.
MODE D'EMPLOI YCS50H TRAYNOR
Ce symbole d'éclair avec tête de flèche dans un triangle équilatéral est prévu pour alerter l'utilitaire de la présence d'un « voltage dangereux » non-isolated à proximité de l'enceinte du produit qui pourrait être d'ampleur suffisante pourprésenter un risque dechoque électrique.
CAUTION AVIS
RISK OF ELECTRIC SHOCK
DO NOT OPEN
RISQUE DE CHOC ELECTRIQUE NE PAS OUVIRI



Le point d'exclamation à l'intérieur d'un triangle équilatorial est prévu pour alerter l'utilisateur de la présence d'instructions importantes dans la litterature accompagnant l'appareil en ce qui concerne l'opération et la maintenance de cet apparéil.
FOLLOW ALL INSTRUCTIONS
Instructions relatives au risque de feu, chic électrique, ou blessures aux personnes
AVIS: AFIN DE REDUIRE LES RISQUE DE CHOC ELECTRIQUE, N'ENLEVEZ PAS LE COUVERT (OU LE PANNEAU ARRIERÉ) NE CONTIENT AUCUNE PIECE
REPARABLE PAR L'UTILISATEUR.
CONSULTEZ UN TECHNICIEN QUALIFIE POUR L'ENTRETIENT
Veuillez Lire le Manuel: Il contient des informations qui devraient etres comprises avant l'opération de votre apparéil. Conservez.
Gardez S.V.P. ces instructions pour consultations ultérieures et observez tous les avertissements.
Nettoyezseulementavecletissusec.
Emballage: Conservez la boite au cas ou l'appareil avait etre returner pour réparation.
Avertissement: Pour réduire le risque de feu ou la décharge électrique, n'exposez pas cet apparéil à la pluie ou à l'humidité. N'utilisez pas cet apparéil près de l'eau!
Attention: Lors de l'utilisation de produits électrique, assurez-vous d'adhérer à des précautions de bases incluant celle qui suivent:
Alimentation
L'appareil ne doit être branché qu'à une source d'alimentation correspondant au voltage spécifique dans le manuel ou tel qu'indiqué sur l'appareil. Cet apparéil est équiné d'une prise d'alimentation polarisée. Ne pas utiliser cet apparéil avec un cordon de raccordement à moins qu'il soit possible d'insérer complètement les trois lames. Des précautions doivent étres prises afin d'éviter que le système de mise à la terre de l'apparéil ne soit désengageé.
Risque
Ne pas placer cet apparéil sur un chariot, un support, un trépied ou une table instables. L'appareil pourrait tomber et blesser quelqu'un ou subir des dommages importants. Utiliser seulement un chariot, un support, un trépied ou une table recommends par le fabricant ou vendus avec le produit. Suivre les instructions du fabricant pour installer l' apparéil et utiliser les accessoires recommends par le fabricant.
Il convient de ne pas placer sur l'appareil de sources de flammes nues, telles que des bougies allumées.
L'appeil ne doit pas être exposé à des égouttements d'eau ou des éclaboussures et qu'aucun object rempli de liquide tel que des vases ne doit être placé sur l'appareil.
Assuure que lappareil est fourni de la propre ventilation. Ne proceded pas à l'installation près de source de chaleur tels que radiateurs, registre de chaleur, fours ou autres apparèils (incluant les amplificateurs) qui produits en la chaleur.
Les dispositifs marqués d'une symbole "d'éclair" sont des parties dangereuses au toucher et que les câblages extérieurs connectés à ces dispositifs de connection extérieure doivent être effectifs par un opérateur formé ou en utilisant des cordons déjà préparés.
Cordon d'Alimentation
Ne pas enlever le dispositif de sécurité sur la prise polarisée ou la prise avec tige de mise à la masse du cordon d'alimentation. Une prise polarisée dispose de deux lames dont une plus large que l'autre. Une prise avec tige de mise à la masse dispose de deux lames en plus d'une troisieme tige qui connecte à la masse. La lame plus large ou la tige de mise à la masse est prévu pour votre sécurité. La prise murale est désuète si elle n'est pas conçue pour accepter ce type de prise avec dispositif de sécurité. Dans ce cas, contactez un electricien pour faire remplaçer la prise murale. Évitez d'endommager le cordon d'alimentation. N'UTILISEZ PAS L'APPAREIL si le cordon d'alimentation est endommagé.
Débranche cet apparéil durant les orages ou si inutilisé pendant de longues périodes.
Service
Consultez un technician qualifié pour l'entretien de votre apparéil.

Merci de vous estre procure un nouvel amplificateur pour guitare Traynor Custom Special. Il represente un mélange de technologie de pointe offrant une grande polyvalence et met en vedette un circuit vintage à lampe pour une tonalité ultime et plusieurs années de performance fiable.
Conçu par des musiciens pour des musiciens les amplificateurs Traynor Custom Special sont construit pour offrir un maximum de flexibilité tout en demeurant facile à utiliser. C'est toujours facile d'obtenir une bonne sonorité d'un amplificateur Traynor. Avec la série Custom Special, nous avons renduça encore plus facile en ajoutant plusieurs options pour façonner votre sonorité. Ces options incluent Scoop, sélecteur voicing Bright et Modern, contrôles de Résonance et de Présence.
Pour encore plus de polyvalence, l'étage de sortie de l'amplificateur peut être opéré en différents modes. Par exemple le YCS90 peut être utilisé en mode 90 watts (Classe AB) qui produit une puissance de sortie de 90 watts. Utilisez ce mode lorsqu'une grande extension dynamique est nécessaire. Pour les situations ou la chaleur d'un circuit à lampe et un volume moins élevé sont désirables, le YCS90 peut être opéré en mode Classe A qui produit 25 watts. Ceci est réalisé en coupant de moitié la tension d'opération aux lampes de sortie et en ajustant automatiquement la tension de polarisation pour opération en mode Classe A. Le YCS50 offre les mêmes caractéristiques et peut être opéré en mode de 50 ou de 15 watts.
Nos you prions de prender le temps necessaire pour vous familiariser avec le contenu de ce manuel. Cela you permettra de bien comprendre les caractéristiques de votre Traynor Custom Special et d'en tirer le maximum.
\section*{Caracteristiques}
- Conception et fabrication Nord Amérique à 100%
- Conception entiement à lampe avec soit deux lampes 5881/EL34 tubes (YCS50/YCS50H) soit quatre lampes 5881 tubes (YCS90) et trois lampes 12AX7A de qualité supérieure
- Enceinte construite entièrement de contre-plaqué qui garantie la durabilité et la rigidité qui a fait de la marque Traynor une marque reconnue.
- Canaux équipés de contrôle de tonalité séparés pour une plus grande polyvalence (lead et claire)
- Unité de réverbération classique à double long ressort Accutronics®, pour un son vintage authenticate.
Double prises pour haut-parleur et selecteur d'impedance pour une plus grande versatilité - Commutateur au pied custom Traynor TFS-2, avec cable de 10 pieds inclus
- Tension de filament CC sur les lampes de préamplificateur pour assurer un bourdonnement réduit
Sortie 90 watts en mode Classe AB et capacité de sortie 25 watts en mode Classe A (YCS90) - Sortie 50 watts en mode Classe AB et capacité de sortie 15 watts en mode Classe A (YCS50/YCS50H)
- La(Meilleuregarantiedansl'industrie:Deux ans,illimitee,transférable**

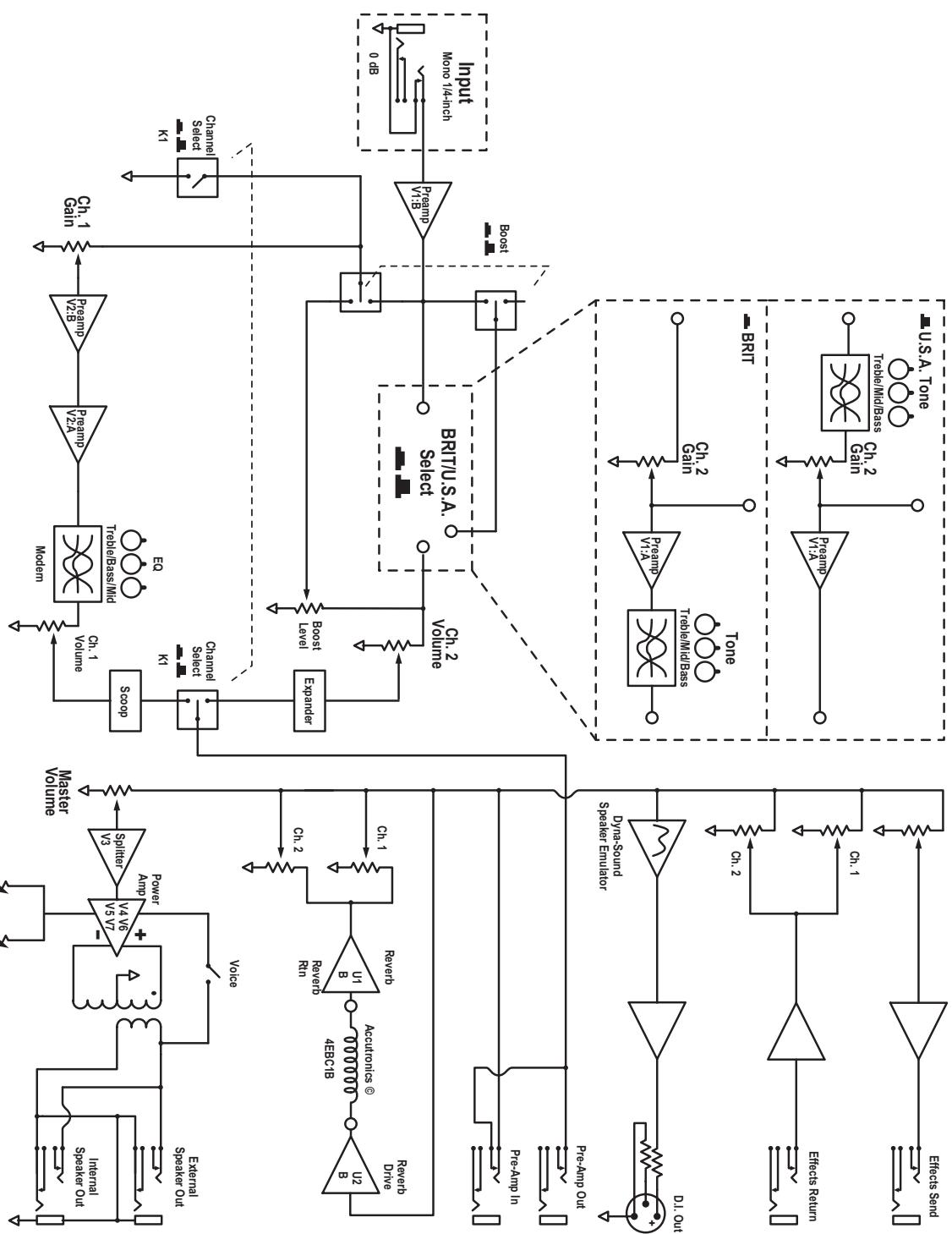
Canal 1
Le canal 1 est le canal lead/overdrive et on le selectionne avec une des deux façon qui suivent: à l'aide du selectiveur de canal sur le panneau de contrôle, ou à l'aide du bouton de selection de canal sur le commutateur au pied fournit. La DEL jaune, située à côté du contrôle de gain du canal 1, s'illumine lorsque le canal 1 est activé.
Note: Les contrôle Boost et sélecteur de canal du panneau de contrôle sont désactifé quand un commutateur au pied est raccordé.
Contrôles de Gain et Volume ③ ⑤
Le canal 1 utilise un contrôle de gain conjointement avec un contrôle de Volume pour contrôle la quantité de survoltage à lampe et le volume. Le contrôle de gain est utilisé pour ajuster la quantité de survoltage, alors que le contrôle de volume vous permet de contrôle le volume de ce canal.
Sellecteur Boost et Contrôle de Niveau Boost ④
Un circuit boost vous permet d'obtenir un plus grand niveau de saturation pour les solos. Le boost peut etre activé avec le selecteur du panneau avant ou par l'entremise du commutateur au pied fournit. Une DEL rouge s'illumine pour indiquer que le circuit boost est actif. Le contrôle de niveau Boost regle la quantite d'augmentation qui est appliqueu au signal.
Sellecteur Modern ⑥
Le sélecteur Modern ajuste la gamme de fréquences affecté par les contrôtres de tonalité. Vous pouvez opter pour une sonorité vintage avec emphase sur les médianes ou pour un son plus moderne, plus profond.
Sellecteur Scoop
Le circuit Scoop réalise une coupure profonde des medianes et offre simultanement une augmentation des graves qui vous permet d'obtenir un son profund et percutant.
Contrôle de Tonalité du Canal 1
Les contrôles pour aiguès, medianes et graves vous permettent de façonner votre sonorité. Ils sont post-gain et pré volume. Ces contrôles ne sont actifs que lorsque le canal 1 est sélectionné.
Contrôle de Réverbération ⑨
Le contrôle de return de la réverbération règle la quantité de réverbération qui est returné de l'unité de réverbération à ressort Accutronics®. Ce contrôle n'est actif que lorsque le canal 1 est sélectionné.
Contrôle d'Effets 10
Ce contrôle rège la quantité de signal returné de l'effet externe qui est branchée à la prise Efx Rtn du panneau arrêté. Ce contrôle n'est actif que lorsque le canal 1 est sélectionné.
Canal 2
Le canal 2 peut être utilisé comme canal pour sonorité claire et le format estsemblable à celui du canal 1 avec contrôle indépendant de Gain, Volume, Aiguës, Médianes et. Quand le canal 2 est actif la DEL verte située a côté du contrôle de gain du canal 2 s'illness
Sélecteur Brightness 12
Le canal 2 inclus un sélecteur Brightness qui permettant d'augmenter leau des aigus rehaussant ainsi la brillance de votre sonorité.
Sellecteur U.S.A. / Brit 19
Le sélecteur U.S.A. / Brit change l'emplacement du gain dans la chaine de signal. Le mode U.S.A. configure l'amplificateur YCS de la même façon que les amplificateurs vintages classiques des U.S.A. en positionnant le contrôle de gain après les contrôles de tonalité. Cette configuration offre la meilleure extension dynamique pour l'obtention d'une sonorité très claire. Lorsqu'en mode Brit, le contrôle de gain est situé au début de la chaine de signal devant les contrôles de tonalité. Le mode Brit produit un son sature quand on augmente le niveau du gain, comme les conceptions classique Anglaises.
Sellecteur Expander 16
L'Expander ajoute des basses profondes et des aiguës scintillantes au canal 2.
Contrôles de Tonalité Canal 2
Les contrôle pour aiguès, medianes et graves vous permettent de façonner votre sonorité. Ils sont pré gain et pré volume en mode U.S.A. et ils sont post-gain et pré volume en mode Brit. Ces contrôle ne sont actifs que lorsque le canal 2 est sélectionné.
Contrôle de Réverbération ⑦
Le contrôle de return de la réverbération règle la quantité de réverbération qui est returné de l'unité de réverbération à ressort Accutronics®. Ce contrôle n'est actif que lorsque le canal 2 est sélectionné
Contrôle d'Effets 18
Ce contrôle rège la quantité de signal returné de l'effet externe qui est branchée à la prise Efx Rtn du panneau arrêté. Ce contrôle n'est actif que lorsque le canal 2 est sélectionné.
Contrôles Maitres
Contrôles de Présence, de Résonance et Sélecteur Voice 19 20 21
Le contrôle de Présence faconne la brillance générale des deux canaux. Le contrôle de Résonance ajuste le facteur d'amortissement des haut-parleurs dans les fréquences graves, permettant de relâcher ou de serrer les basses. En augmentant le niveau du contrôle de Résonance (sens horsaire) vous augmentez le grondement. En réduisant le niveau du contrôle (sens anti-horaire) vous serrez les basses.
Le sélecteur Voice découple les contrôleires Résonance et Présence et les contourne. L'amplificateur fonctionné ainsi en mode "open loop" réalisant une sonorité entière à lampe, sans ALTERATION.
Master Volume 2
Le contrôle Master volume règle le niveau général des deux canaux.
Sellecteur Standby et Indicateur 23
Ce selecteur contrôle la haute tension d'alimentation acheminée aux lampes de sortie. Ce mode permet efficacement de garder les lampes chaudes lorsque l'amplificateur n'est pas utilisé. Le gros indicateur de type joyau sur le panneau avant s'illumine en rouge quand l'amplificateur en en plain mode d'opération et il passé à la couleur jaune quand le circuit de haute tension a été coupé. Lorsqu'en mode "Standby," la section d'amplificateur de puissance est étente permettant ainsi de prolonger la vie des lampes.
Note: La section de préamplificateur restera active lorsqu'en mode Standby permettant ainsi l'utilisation de la sortie pour I.D. pour l'enregistrement en direct sans que le signal ne soit acheminé aux haut-parleurs.
Panneau Arrière
Mode d'Amplificateur 25
Les amplificateurs YCS peuvent être utilisé avec deux modes d'opération, pleine puissance classe AB et puissance réduite classe A. Lors de l'opération en mode plaine puissance, le plein voltage est appliqué aux lampes de sortie et de préamplificateur et l'amplificateur fonctionne en configuration traditionnelle de classe AB. Quand le mode de puissance réduite est sélectionné le voltage d'opération est coupé de moitié et la tension de polarisation aux lampes de sortie est augmentée pour un fonctionnement en mode classe A. Cela permet à la sortie et au préamplificateur de fonctionner avec un signal beaucoup plus sature ce qui résultat de plus en un prolongement de la vie des lampes (en mode de puissance réduite).


Prises de Sortie Ligne Symétrique Type XLR pour I. D. 26
Pour une polyvalence maximum, les amplificateurs YCS sont équipés d'une prise de sortie ligne symétrique pour I.D. Le signal présente à cette prise est post-master et il est traité avec le simulator de haut-parleur Traynor Dyna-Sound. Cette sortie n'est pas active quand l'amplificateur est en mode standby. L'amplificateur YCS peut donc être utilisé comme préamplificateur pour enregistrement.
Note: Le signal de sortie ligne symétrique de la prise XLR est affecté par toutes les commandes de volume et de tonalité, mais non par les commandes Master volume ou Reverb. C'est un signal dépourvu d'effet de sorte que les ingénieurs du système sono ou d'enregistrement puisent ajouter la réverbération à l'aide de la table de mixage.
Contrôle et Prise d'Envoi et de Retour d'Effet ② ②9
Les jacks "Send" et "Rtn" du YCS permettent l'utilisation pratique d'un effet externe. Branchez simplement un fil avec connecteur 14 à la prise "Send" et branchez l'autre extrémité de ce fil à l'entrée de votre unité de traitement. Pour returner le signal modifié à l'amplificateur YSC, branchez la sortie de l'unité de traitement au jack "Rtn" de l'amplificateur YCS. Le contrôle de niveau Efx Send (situé à côté des prises d'envoi et de retard) permet un ajustement de pointe pour le signal étant acheminé à l'appareil d'effet.
La prise d'envoi 14 de pouce PBM fait partie conjointement avec la prise Rtn de la boucle d'effet. La sortie de -10dBu est ideale pour la plupart des pédales d'effet et des unité de traitement de signal professionnelles. Vous peuvent aussi utiliser cette sortie pour acheminer le signal à un amplificateur secondaire en raccordant la sortie à la prise de retard d'effet de l'amplificateur secondaire.

La prise de return 14 de pouce PBM fonctionne comme prise de return pour la boucle d'effet. Les contrôles individuels Effects Rtn sont utilisés pour régler la quantité de signal traité qui est returné à l'amplificateur.
Note: La boucle d'effet qui comprend les prises d'envoi et de retard, est d'une conception parallèle. Cette conception permet au signal original (dévié) d'être mélange avec le signal traité de l'effet externe en utilisant la commande de mélange d'effets. La boucle parallèle est équipée de prises équilibrées qui permettent une meilleure intégration avec des processeurs d'effets de type rackmount.

Prises Amp In et Preamp Out 29
Les prise Amp In et Preamp Out peuvent être utilisées comme boucle pour pédales de guitare ou autres apparéil d'effet. Vous n'avez qu'à brancher un cable avec prise 14 de pouce à partir de la prise de sortie Préamp de l'amplificateur YCS jusqu'à la prise d'entrée de l'unité de traitement de signal ou de la pédale. Branchez un autre cable avec prise 14 de pouce à partir de la prise de sortie de l'unité de traitement de signal (ou de la pédale) jusqu'à la prise Amp In de l'amplificateur YCS. Une caractéristique utile quand vous avez des apparéils qui sont conçus pour être insérés dans la chaîne de signal.
Note Technique: Le niveau de signal à cette prise est de -10dBV. Cela fonctionnera donc avec la plupart des pédales d'effets pour guitare et les apparéils professionnels pour montage en rack.
Prises Pour Commuteurs aux Pieds 30
Lorsqu'une fiche 14 est insérée à cette prise, les commutateurs "Channel Select" et "Boost" situés sur le panneau de contrôle de l'amplificateur sont désactivés. Ces fonctions sont alors contrélées exclusivement par le commutateur au pied. Le commutateur au pied inclus avec votre YCS est doté de deux sélecteurs à verrouillage, chacun avec sa propre DEL. Il y a aussi une prise 14 de pouce pour commutateur au pied qu permet de découverter l'unité de réverbération et le retard des effets.
Des relais internes se chargeant de la commutation éliminant ainsi les bruits audibles qui circulent dans le cable du commutateur. Les bruits induis par le commutateur ne sont donc jamais un problème. Le YCS est compatible avec la plupart des commutateurs doubles à système d'accrochage sur le marché

Prise/s Pour Haut-Parleur Externe et Selecteur d'Impedance
Les deux prises 14 pouce permettent le branchement d'enceintes à haut-parleur additionnel. Si vous débranchez le/les haut-parleur(s) interne(s) Celestion® de 12 pouces, vous pouvez brancher jusqu'à deux haut-parleurs de 8-ohms.
Note: Assurez-vous que les haut-parleurs sont bien branchés et que le selectiveur d'impédance est régle à la bonne position avant d'utiliser votre amplificateur.
Enceintes de Haut-Parleurs
Voussoupiezconneterles haut-parleurssoient en paralllesoit en serie.Laplupartdes enceintes sontequipe de prises de sorties paralllesquipermettantalutilisateur deraccorderplusieurs enceintesadditionnelles.Lersraccordementsd'enceintenesen sierie sontrarementutilisés.
Simplement expliqué, si vous avez deux haut-parleurs de 8 ohms connectés en parallèle l'impédance réalisante sera de 4 ohms (si les enceintes sont connectés en série: 16 ohm).
La formule pour calculer l'impédance total pour un système en parallele est comme suit:
$$ \begin{array}{l} 1 / R _ {T} = 1 / R _ {1} + 1 / R _ {2} + 1 / R _ {3} + 1 / R _ {4} \dots \ R = \text {I m p e d a n c e} \ R _ {T} = \text {I m p e d a n c e t o t a l d e s h a u t - p a r l e u r s} \ R _ {1} \dots = I m p e d a n c e d e h a u t - p a r l e u r \ \end{array} $$
Exemples (Enceintes de Haut-Parleurs Connectés en Parallele)
Une enceinte 4 ohms = 4 ohms
Deux enceintes 4 ohms = 2 ohms
Quatre enceintes 4 ohms = Non commande
Une enceinte 8 ohms = 8 ohms
Deux enceintes 8 ohms = 4 ohms
Quatre enceintes 8 ohms = 2 ohms
Une enceinte 16 ohms = 16 ohms
Deux enceintes 16 ohms = 8 ohms
Quatre enceintes 16 ohms = 4 ohms
Huit enceintes 16 ohms = 2 ohms
Sélection des Lampes de Remplacement et Polarisation**
Ces amplificateurs YCS sont équipés à l'usine de lampes de sortie appareillées 5881 (YCS50H sont équipés à l'usine de lampes de sortie appareillées). Le circuit a été conçu pour accommoder n'importe que type de lampes de sortie EL34/6CA7 et n'importe quels type de lampe de sortie 6L6/5881 (en autant que les quatre, ou les deux lampes de sortie soient du même type). L'amplificateur est aussi équipé de tige de détction de polarisation pour chacune des lampes de sortie en plus d'un potentiamètre d'ajustement de polarisation qui sont tous accessibles sans avoir à retarder le chassis de l'enceinte. Cela permet un changement de lampes de sortie rapide et facile.

**Nous recommendons l'ajustement de la polarisation sans signal à +75 mV +/-10mV DC à chacune des tiges de test. L'ajustement de la polarisation devrait être faite avec l'amplificateur en mode de 50 Watts (YCS50) ou en mode de 90 Watt (YCS90). Nous vous prions de vous référer à un technicien qualifié pour le service de votre amplificateur.
Traynor
Explications Pour le YCS50, YCS50H et YCS90
Les quatre étages de gain des amplificateurs de la série YCS ont été configurés pour maximiser le gain disponible à chaque étage. Cette configuration est la plus polyvalente. Vous étés presque certain d'avoir un feedback de l'amplificateur ou de la guitare si tous les étages de gain sont régles simultanément à un niveau trop élevé. Il y a une limite au niveau d gain "total" que vous pouvez achieve sans feedback ou oscillation; ces amplificateurs sont capable de réaliser assez de gain pour tester les limites de n'importe qu'elle lampe ou guitare.
La quantité disponible de return de réverbération est une fonction du contrôle Reverb sur le canal et du Master Volume. Si les deux contrôle sont régés à une position trop élevée l'unité de réverbération enterra en feedback. C'est pour vous permettre de jour avec un niveau de réverbération extrème même à un volume réduit.

① Prise d'Entrée - 1/4 de pouce
② Selecteur de Canal
③ Canal 1 Contrôle de Gain
④ Canal 1 Selecteur Boost et Contrôle de Niveau Boost
⑤ Canal 1 Contrôle de Volume
^6 Canal 1 Sélecteur Modern
⑦ Canal 1 Contrôle de Tonalité
Canal 1 Selecteur Scoop
Canal 1 Contrôle Réverbération
Canal 1 Contrôle d'Effets
① Canal 2 Contrôle de Gain
^12 Canal 2 Sélecteur Bright
③ Canal 2 Contrôle de Volume
④ Canal 2 Selecteur U.S.A./ Brit
⑤ Canal 2 Contrôle de Tonalité
16 Canal 2 Sélecteur Expander
Canal 2 Contrôle de Réverbération
Canal 2 Contrôle d'Effets
19 Contrôle Présence
20 Contrôle Résonance
② Selecteur Voice
② Contrôle Master Volume
23 Selecteur et Indicateur de Mode Standby
2 Commutateur d'Alimentation et Réceptacle
25 Selecteur de Mode d'Amplificateur
26 Sortie Ligne I.D. - Prise type XLR
⑦ Envoi Pour Effet et Retour Pour Effet -prises 1 / 4 de pouce
^28 Contrôle de Niveau d'Envoi aux Effets
29 Entrée d'Amplificateur et Sortie de Préamplificateur - Prises 1 / 4 de pouce
Connecteur Pour Commutateur au pied EFX / Reverb - prise 1/4 de pouce TRS
① Selecteur de Canal / Connecteur Boost Pour Commutateur au Pied - prise 1/4 de pouce TRS
2 Prise/s Pour Haut-Parleur et Selecteur d'Impedance - prise/s 1 / 4 de pouce
Specifications
Model: YCS50 / YCS50H / YCS90
Modèle: YCS50 / YCS50H / YCS90
Type: Combo / Tête / Amplificateur pour Guitare Combo
Impedance de I'enceinte (ohms): 8 / na / 8
8/na/8
Impedance Minimum (ohms): 4 ohms pour tous les modèles
Puisance d'impulsion-2 cycle: 60/60/110
Configuration des haut-parleurs- (Dim. / Puissance): 1 12-pouces 60 watts / n.a. / 2 12-pouces 120
Canaux d'Entrées:
Canal 1 - entrées: 1-1/4 de pouce partagé avec le canal 2
Canal 1 - contrôleurs: Gain, Niveau Boost, Volume, Aiguès, medianes,
Graves, Réverbération, Retour d'Effets
Canal 1 - selecteurs: Boost, Modern, Scoop
Canal 2-entrées: 1-1/4 de pouce partagé avec le canal 1
Canal 2 - contrôles: Gain, Volume, Aigués, Médianes, Graves,
Réverbération, Retour d'Effets
- Canal 2 - selecteurs: Bright, USA/Brit, Expander
Selection de canal: 2 Canaux, Boost sur le Canal 1, Commutable
avec Commutateur au pied
Contrôle Master Volume :
Contrôles Principaux de Tonalité: Présence, Résonance, Voice
Sorties Principales: Sortie Preamp (TRS), Sortie I.D. (XLR), envoi aux
Effets avec Contrôle (TRS)
Sortie Ligne (type / configuration): Sortie Preamp (TRS), Sortie I.D. (XLR), envoi aux
Effets avec Contrôle (TRS)
sortie ligne (Vrms): 300 mV
Volume d'effet: Envoi Master, double回头
Boucle d'effet/Emplacement: Arriere
Commutateur au pied pour effets / Fonction: Réverbération et Retour d'Effets Commutable
avec commutateur au pied
etour d'effet (Vrms): 300mV
Unité de Réverbération Interne/ Effets: Accutronics Dual Spring Long Tank
DEL Indicatrices: C.1, C.2, Boost, Mise en Marche /Standby
Protection: Fusible Mains
Serne / Emplacement: 1 (panneau arrriere)
Autres Caracteristiques: Classe A mode puissance reduite
15/15/25 Watts
Dimensions (PLH, pouces): 10.5x25x21.5 / 10x27x11 / 10.5x27.5x21.5
Dimensions (PLH, cm): 27x64x55 / 25x69x28 / 27x70x55




SNEIIESESESE06SO/09SO
YCS50/YCS90 USER SETTINGS








SNEIIESESESE06SO/09SO

12x - 1 > 0
90 Tu
0 Spea
0 Spea
12




BLOCK-DIAG-ycs50-ycs90-00-1v2.ai
YCS90

YCS50 Speaker Configuration


POWER

V3 V2 V1
12AX7 12AX7 12AX7
YC

YCS50H
三
三
V1
SUHTU
be Col
La garantie illimitée de deux ans de ce produit est transférable. Il n'est pas nécessaire de faire enregistrerVote nom aupres de Yorkville Sound ou de votredétaillant. Si, pour une raison quelconque,ce produit devient defectieux durantles deux années qui suivant la date d'achat initial,retournez-le simplement àvotre détaillant Traynor avec la preuve d'achat original et il sera réparé gratuitement.
Les frais de port et de manutention ainsi que les dommages indirects ou dommages causés par désastres naturels, extréme humidité ou mauvaise installation ne sont pas couverts par cette garantie. Cette garantie ne couvre pas les produits consommables tels que lampes ou les piles. Les produits consommables ne sont garantie que pour 90 jours suivant la date d'achat. Voir votre détaillant Yorkville pour plus de détails. Cette garantie n'est valide qu'au Canada et aux États Unis d'Amérique.
REAL Gear.
REAL People.
Canada U.S.A.
Notice Facile