MODE D'EMPLOI 845 27 LEGRAND
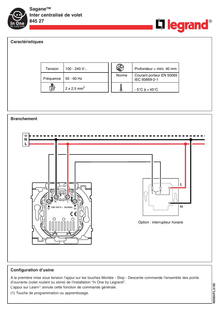
Caracteristiques
| Tension | 100 - 240 V~ |
| Fréquence | 50 - 60 Hz |
| 2 x 2,5 mm² |
| Profondeur = mini. 40 mm |
| Norme | Courant porteur EN 50065
IEC 60669-2-1 |
| - 5°C à +45°C |
Branchement
Option : interrupteur horaire
Configuration d'usine
À la première mise sous tension, l'appui sur les touches Montée - Stop - Descente commande l'ensemble des points d'ouvrants (volet roulant ou store) de l'installation "In One by Legrand".
L'appui sur Learn (1) annule cette fonction de commande générale.
Touche de programmation ou apprentissage.

Fonctionnement
L'inter centralisé de volet peut commander simultanément à partir de ses touches Montée - Stop - Descente un ensemble de produits (acteurs) qui lui sont associés lors de l'apprentissage(1), il est alors Leader du scenario(2).
L'inter centralisé de volet est toujours le point central de commande (Leader) d'un scénario.
Il possède une interface pour les signaux infrarouges qui permet la commande de ses scénarios et /ou d'autres produits de l'installation.
Il possède deux entrées auxiliaires E1 et E2 qui peuvent être reliées à un interrupteur crépusculaire, une commande sécurité vent/soleil, un interrupteur horaire,...:
- L'apparition de la tension sur E1 lance le scénario qui est enregistré sur la touche de commande Montée.
- L'apparition de la tension sur E2 lance le scénario qui est enregistré sur la touche de commande Descente.
Attention :
La touche de commande Stop n'est pas accessible à partir des entrées auxiliaires E1 et E2.
Apprentissage : action d'associer des produits en vue de les commander simultanément à partir d'un point central. Cette association se réalise en appliquant la procédure d'apprentissage du scénario en page 3. Scénario : correspond à l'ensemble des produits (acteurs) qui sont associés à une touche de commande.
Apprentissage du scénario
Étape 1: débuter l'apprentissage (sur le LEADER)




Appuyer sur LEARN




Appuyer sur la touche de commande qui doit piloter le scénario
Étape 2: ajouter un acteur au scénario (sur l'ACTEUR)




Appuyer sur LEARN




Appuyer sur la touche de commande qui doit être associée au leader
Pour ajouter plusieurs produits au scénario, répéter pour chaque acteur les opérations et
Étape 3: enregistrer le scénario (sur le LEADER)




Appuyer sur LEARN

Les voyants de tous les produits s'éteignent. Le scenario is enregistré.
Modification d'un scénario
Étape 1: ouvrir le scénario (sur le LEADER)








Appuyer sur la touche de commande qui pilote le scénario
Les voyants de tous les produits du scénario clignotent.
Étape 2 : modifier l'état d'un acteur du scénario (sur l'ACTEUR)







Appuyer sur LEARN




Appuyer sur la touche de commande que l'on souhaite associer
Étape 3: enregistrer le scénario (sur le LEADER)






Les voyants de tous les produits s'éteignent. Le scenario est enregistré.
Appuyer sur LEARN
Effacement d'un scénario
Effacer tous les scénarios liés à la touche de commande (sur le LEADER)












Effacer tous les scénarios liés à ce produit (sur le LEADER)












Retour du produit en configuration usine
Appuyer sur LEARN
Appuyer sur LEARN et maintenir 10 5s
Légende

Levoyant s'éteint

Levoyant clignote lentement

Levoyant clignote rapidement

Le voyant clignote
| Voltage | 100 - 240 V~ |
| Frequency | 50 - 60 Hz |
| 2 x 2,5 mm² |
| Depth = 40 mm min. |
| Standard | EN 50065 Power line carrier
IEC 60669-2-1 |
| - 5°C to +45°C |
