Profi Center XL - Fitnessapparatuur Christopeit - Gratis gebruiksaanwijzing en handleiding
Vind de handleiding van het apparaat gratis Profi Center XL Christopeit in PDF-formaat.
| Technische kenmerken | Afmetingen: 180 x 80 x 200 cm, Maximale gebruikersgewicht: 150 kg, Gewicht van het apparaat: 100 kg, Weerstandssysteem: verstelbaar gewicht, Aantal oefeningen: 12 |
|---|---|
| Gebruik | Ontworpen voor thuisgebruik, ideaal voor spierversterking en volledige lichaamstraining. |
| Onderhoud en reparatie | Controleer regelmatig de verbindingen en kabels, smeer bewegende delen indien nodig, raadpleeg de handleiding voor specifieke reparaties. |
| Veiligheid | Gebruik het apparaat op een stabiele ondergrond, overschrijd het maximale gewicht niet, volg de gebruiksinstructies om verwondingen te voorkomen. |
| Algemene informatie | Garantie: 2 jaar, Bijgeleverde accessoires: gebruiksaanwijzing, montagematerialen, smartphonehouder. |
Veelgestelde vragen - Profi Center XL Christopeit
Gebruikersvragen over Profi Center XL Christopeit
0 vraag over dit apparaat. Beantwoord die u kent of stel uw eigen vraag.
Stel een nieuwe vraag over dit apparaat
Download de handleiding voor uw Fitnessapparatuur in PDF-formaat gratis! Vind uw handleiding Profi Center XL - Christopeit en neem uw elektronisch apparaat weer in handen. Op deze pagina staan alle documenten die nodig zijn voor het gebruik van uw apparaat. Profi Center XL van het merk Christopeit.
GEBRUIKSAANWIJZING Profi Center XL Christopeit
Montage- en bedieningshandleiding voor
Bestellnummer
RU
HCTpyKUN no MOHTaKy n 3Kcnnyataun
No 3aka3a
99881 - Profi Center de Luxe
(Schwarz)
1153 - Profi Center XL
(Weiss)

DInhaltsübersicht
Frontziehen, Upright pull, Traction de cable épaules, Kabeltrekken voor

Ubung 9
Bankdrucken, Benchpress, Developpe-assis, Bankdrukken

Ubung 11
Abduktoren flexion stehend, Abductor flexion, standing, Abducteur, debout, Adductor flex staand

Ubung 13
- Overzicht van de losse delen pagina 3
- Belangrijke aanbevelingen en veiligheidsinstrumentes pagina 41
- Stuklijst pagina 42 - 44
- Montagehandleiding met explosietekingen pagina 45-51
- Trainingshandleiding pagina 52
- Trainingsmogelijkheden pagina 15 - 16
Geachte klant
Wij wilnen u van harte gelukwensen met de aanschaft van uw hometrainer en hopen dat u hier veel plezier aan zult beleven. Neem a.u.b. de instructies en aanwijzingen uit deze montage- en bedieningshandleiding in acht en volg deze op.
Bij eventuele vragen kutu natuurlijk allijd contact met ons opnemen.
Met vriendelijke groeten,
Belangrjke aanbevelingen en veiligheidsinstrumentes
Onze producten zijn grondig TÜV-GS getest en voldoen daarmee aan de)[-laatste en strengste veiligheidsnormen. Dit betekent darüber nicht dat u zich Niet aan de volgende basisprincipes hoeft te honden.
- Monteer het apparaat nauwkeurig volgens de montage-handleiding en gebruik alleen de losse onderdelen die special voor de montage van het apparaat zijn bijgevoegd. Controlleroorafgaand aan de montage aan de hand van de pakbon of de levering compleet is en aan de hand van de stuklijst in de montage- en bedieningshandleiding of alle onderdelen aanwezig zijn in de verpakking.
- Controleer voor het eerste gebruik en daarna met regelmatige tussenpozen of alle schroeven, bouten, moeren en andere verbindingen stevig vastzitten, zDat een betrouwbare werkig van uw fitnessapparaat te allen tijde gegarandeerd is. Dit geldt met name voor de kabel-system. Voorafgaand aan elke training moet touwen, karabiners en trein accessoires worden gecontroleerd voor een goede montage en tekenen van slijtage. Als uitgelijnd, slijtage worden meteen herkenbaar sporen van een uitwisseling de desbetreffende onderdelen nodig+zijn.
Dit geldt met name voor de kabel-systeem. Voorafgaand aan elke training moet touwen, karabiners en trein accessoires worden gecontroleerd voor een goede montage en tekenen van slijtage. Als uitgelijnd, slijtage worden meteen herkenbaar sporen van een uitwisseling de desbetreffende onderdelen nodig+zijn.
- Zet het apparaat op een droge, vlakke ondergrund en bescherm het gegen water en vocht. Wanner u de vloer onder het apparaat gegen druk, verruiling enz. wilt beschermen, adviseren wij een geschikte, antislip-ondergrund (bijv. een rubber mat, houtplaat o.i.d.) onder het apparaat te leggen.
- Draag algtd sportkleding en schoenen die geschikt zich voor fitnesstraining wanner u op het apparaat traint. Kies kleding dieijdens de training Niet ergens awhile kan blijven hangen (bijv. door de lenghte). De schoenen要去 geschikt zich voor het apparaat, d.w.z. schoenen met antislipzolen die de voet een goede grip bieden.
- Verwijder alle voorwerpen in een straal van 2 meter rond het apparaat, voordat u met de training begint.
-
In principe要去 voorafgaand aan een doelgerichte training uw arts raadplegen. Hij kan u vertellen welke belasting (hartslag, vermogen, trainingsduur enz.) u maximaal aankunt en hij kan u bovendien uitgebreide informatie geven over de juiste lichaamshoudingijdens de training, uw trainingsdoel en de juiste voeding.
Het apparaat is nicht geschickt voortherapeutische doeleinden. Ga nooit trainen na zware maaltijden. -
Train alleen op het apparaat wanner dit goed functioneert. Gebruik bij eventuele reparations alleen originele reserveonderdelen.
- Indien nicht uitdrukkelijk anders in de handleiding aangegeven, mag het apparaat door slechts een persoon voor de training worden gebruikt.
- Bij duizeligheid, misselijkheid, bijn op de borst of andere ongebruikelijkje symptomen moet de training omiddelijk worden stop gezet en een art worden geraadpleegd.
- In het algemeen geldt dat een sportapparaat geen spelgoed is. Het mag waarom alleen volgens de voorschriften worden gebruikt door mensen die hierover geinformeerd c.q. geinstruereeerd zijn.
- Kinderen, gehandicapten en mindervaliden mogen het apparaat alleen gebruiken in aanwezigheid van iemand die advies kan geben en kan helpen.
- Let alkij op dat u, of andere Personen, nooit te zich in de buurt van nog bewegende onderdelen komt.
- Let bij de instelling van verstelbare onderdelen op de juiste positie c.q. de aangegeven maximum instelling.
- Gebruik voor het reinigen geen agressieve reinig-ingsmiddelen en gebruik voor de montage of eventuele reparaties alleen het bijgeleverde of ander geschikt gereedschap.
- Deponeer met het oog op het milieu de verpakking en onderden die EVT. op een laterijdstip要去en worden verrangen (alle onderden van de trampoline)uitsluitend in de waaroor bestemde containers of breng ze aan de waaroor bestemde verzamelplaatsen.
- Dit toestel werk conform de EN 9571+2+4, H" gekeurd en gecertificerd. De toegelaten maximale belasting (= lichaamsgewicht) werk op 130 kg bepaald.
Stuklijst - reserveonderdelenlijst Profi Center de Luxe Best.nr. 99881 Profi Center XL Best.nr. 1153
Technische specificatie: Stand: 01.03.2012
Fitness Apparaat geschikt voor twee Personen. Individuèle spier training en kracht oefingen met verschidene onderdelen.
- 60Kg gewichten (12 stucks a 5Kg)
Bankdrukken
- Been buigingen
- Stepper met hydrolische cylinder
Latissimus lat en buiglat
Vlinder combinations
Verschillende kabel oefingen
Handgreep en enkelklem
Geschicht voor gewichten tot max. 70kg
Vierkant - sectie metalen tube 50 × 50 ~mm
Totaal gewicht: 140Kg
Max. Laad: 130 kg
Vereiste ruimte ongeveer: L 179, W 151, H 197 cm
Controleer na het openen van de verpakking a.u.b. aan de hand van de montage staps of alle onderdelen aanwezig zich. Wanner dit het geval is,(Intu met de montage beginnen.
Wonneer een bepaald onderdeel Niet in orde is of ontbreekt, of wonneer u in de toekomst een reserveronderdeel nodig hebft, kunt u zich wenden tot:
Stuklijst - reserveonderdelenlijst
Profi Center de Luxe Best.nr. 99881
Profi Center XL Best.nr. 1153
Technische specificatie:
Stand:01.03.2012
Fitness Apparaat geschikt voor twee Personen. Individuèle spier training en kracht oefingen met verschidene onderdelen.
- 60Kg gewichten (12 stucks a 5Kg)
- Bankdrukken
- Been buigingen
- Stepper met hydrolische cylinder
Latissimus lat en buiglat
Vlinder combinations
Verschillende kabel oefingen
Handgreep en enkelklem
Geschicht voor gewichten tot max. 70 kg
Vierkant - sectie metalen tube 50 × 50 ~mm
Totaal gewicht: 140Kg
Max. Laad: 130 kg
Vereiste ruimte ongeveer: L 179, W 151, H 197 cm

| Afbeeldings- nr. mm stuk | Beschrijving Afmetingen Aantal as beefedingsn.r. 99881 1153 | Gemonteerd aan | ET-nummer ET-nummer | ||
| 44 | Metalen lager 1 | 2 | 15 | 33-9988-24-SI | |
| 45 | Vlinder staaf | 2 | 11+14 | 33-9988-25-SI | |
| 46 | Hydrolische cylinder houder | 2 | 21+24 | 33-9588-22-VZ | |
| 47 | Staande plaat | 2 | 1 | 33-9188134-SW | |
| 48 | Aftelplaat | 1 | 7 | 33-9188135-SW | |
| 49 | Afsuitpin | 2 | 11+14 | 36-9988-07-BT | |
| 50 | Tussenligger | 29//50 | 1 | 38 | 36-9988-08-BT |
| 51 | Gewichtselecteerstang | 1 | 40 | 36-9988-09-BT | |
| 52 | Lange veiligheidsbeugel | 1 | 15 | 36-9988-10-BT | |
| 53 | Ketting 1 | 8 Glieder | 1 | 55(+28) | 36-9988-11-BT |
| 54 | Ketting 2 | 22 Glieder | 1 | 55(+31) | 36-9788-03-BT |
| 55 | Karbjinhaaak | 5 | 36+53+54 | 36-9588-35-BT | |
| 56 | Metalen lager 2 | 6 | 4+21+24 | 36-9588-32-BT | |
| 57 | Metalen lager 3 | 10 | 5+9 | 36-9588-33-BT | |
| 58 | Hydrolische cilinder 2 | 2 | 22+46 | 36-9588-08-BT | |
| 59 | Kabel 5 | 1 | 21+24 | 36-9588-15-BT | |
| 60 | Grote achterkussen | 1 | 7 | 36-9188103-BT | |
| 61 | Onderarmkussen | 2 | 25 | 36-9188104-BT | |
| 62 | Klein achterkussen | 1 | 25 | 36-9188105-BT | |
| 63 | Schuimrubberen rol | 100//300 | 2 | 11+14 | 36-9988-12-BT |
| 64 | Schuimrubberen rol | 100//180 | 2 | 18 | 36-9588-25-BT |
| 65 | Schuimrubberen rol | 100//180 | 2 | 18 | 36-9588-25-BT |
| 66 | Eerste gewicht | 1 | 40 | 36-9988-13-BT | |
| 67 | Gewichtsplaat | 11 | 10 | 36-9988-14-BT | |
| 68 | Antislip afdekking | 1 | 24 | 36-9988106-BT | |
| 69 | Handgreep bout 1 | 1 | 15 | 36-9988-15-BT | |
| 70 | Handgreep bout 2 | 1 | 9 | 36-9988-16-BT | |
| 71 | Hendel schuim | 2 | 36 | 36-9988-17-BT | |
| 72 | V-hendel | 1 | 55+26 | 36-9988-18-BT | |
| 73 | Enkelklem | 1 | 55+31 | 36-9988-19-BT | |
| 74 | Afsuitknop | 1 | 12 | 36-9988-20-BT | |
| 75 | Handgreepmoer | 2 | 46 | 36-9588-21-BT | |
| 76 | Hendel omlijstig | 4 | 11+14+25 | 36-9588-19-BT | |
| 77 | Hendel omlijstig | 6 | 11+14+36+37 | 36-9588-19-BT | |
| 78 | Rubber buffer 1 | 26//56 | 2 | 10 | 36-9988-30-BT |
| 79 | Rubber buffer 2 | 25x40 | 2 | 11+14 | 36-9988-21-BT |
| 80 | Plastic tube mouw | 1 | 15 | 36-9988-22-BT | |
| 81 | Plastic buffer 1 | 1 | 12 | 36-9588-20-BT | |
| 82 | Plastic buffer 2 | 2 | 21+24 | 36-9588-38-BT | |
| 83 | Draaischijf | 13 | 5+84 | 36-9588-27-BT | |
| 84 | Draaischijfomhulsel | 24 | 83 | 36-9588-26-BT | |
| 85 | Vierkante stopper | 50x50 | 7 | 1+2+3+4 | 39-9841 |
| 86 | Vierkante stopper | 25x50x1.5 | 2 | 13 | 39-9842 |
| Abbeeldings- nr. mm stults | Beschrijving Afmetingen Aantal afbeeldingsnr. 99881 1153 | Gemonteerd aan | ET-nummer | ET-nummer | |||
| 87 | Vierkante stopper | 25x50x2 | 2 | 9 | 39-9842 | 39-9842 | |
| 88 | Vierkante stopper | 45x45 | 1 | 12 | 39-9845 | 39-9845 | |
| 89 | Vierkante stopper | 38x38 | 2 | 25 | 39-9840 | 39-9840 | |
| 90 | Ronde stopper | 50x1.5 | 2 | 11+14 | 36-9988-23-BT | 36-9988-23-BT | |
| 91 | Ronde stopper | 60x1.5 | 1 | 15 | 36-9988-24-BT | 36-9988-24-BT | |
| 92 | Ronde stopper | 25x1.5 | 2 | 11+14 | 36-9988-25-BT | 36-9988-25-BT | |
| 93 | Ronde stopper | 25x2 | 4 | 18 | 39-10146 | 39-10146 | |
| 94 | Plastic buslager for draaischijf | 15 | 2 | 5 | 36-9588-18-BT | 36-9588-18-BT | |
| 95 | Plastic buslager for draaischijf | 20 | 2 | 15 | 36-9988-26-BT | 36-9988-26-BT | |
| 96 | Plastic dop | 1 | 40 | 36-9988-27-BT | 36-9988-27-BT | ||
| 97 | Fillister-head Philips schroef | M6x15 | 5 | 81+82 | 39-9911 | 39-9911 | |
| 98 | Fillister-head Philips schroef | 4 | 39-10296-SW | 39-10296-SW | |||
| 99 | Rond-hoofdige Inbus schroef | M8x15 | 6 | 22+34+39 | 39-9888-CR | 39-9888-CR | |
| 100 | Hexagonale bout | M6x16 | 18 | 32+41+42+43 | 39-10120 | 39-10120 | |
| 101 | Hexagonale bout | M8x20 | 4 | 20+62 | 39-10095-CR | 39-10095-CR | |
| 102 | Hexagonale bout | M8x30 | 2 | 11+14+19 | 39-9906 | 39-9906 | |
| 103 | Hexagonale bout | M8x40 | 2 | 46 | 39-9817 | 39-9817 | |
| 104 | Hexagonale bout | M8x45 | 2 | 17 | 39-9914 | 39-9914 | |
| 105 | Hexagonale bout | M8x55 | 4 | 61 | 39-10056 | 39-10056 | |
| 106 | Hexagonale bout | M8x65 | 1 | 5+32 | 39-9814-CR | 39-9814-CR | |
| 107 | Hexagonale bout | M8x70 | 2 | 60 | 39-10157 | 39-10157 | |
| 108 | Hexagonale bout | M10x20 | 14 | 5+7+10+30+45 | 39-9974-CR | 39-9974-CR | |
| 109 | Hexagonale bout | M10x25 | 1 | 6 | 39-10025-CR | 39-10025-CR | |
| 110 | Hexagonale bout | M10x45 | 11 | 1+5+6+8+27+35 | 39-10131-CR | 39-10131-CR | |
| 111 | Hexagonale bout | M10x65 | 2 | 38 | 39-9982-CR | 39-9982-CR | |
| 112 | Hexagonale bout | M10x70 | 15 | 3+4+5+7+12+22 | 39-10148-CR | 39-10148-CR | |
| 113 | Hexagonale bout | M10x75 | 2 | 47 | 39-10186-CR | 39-10186-CR | |
| 114 | Hexagonale bout | M10x80 | 3 | 8+15 | 39-10055-CR | 39-10055-CR | |
| 115 | Hexagonale bout | M10x90 | 1 | 12 | 39-10015 | 39-10015 | |
| 116 | Tussenligger | 6//12 | 36 | 100 | 39-10007-CR | 39-10007-CR | |
| 117 | Tussenligger | 8//16 | 20 | 99+101-107 | 39-9917-CR | 39-9917-CR | |
| 118 | Tussenligger | 10//20 | 86 | 108-115 | 39-9989-VC | 39-9989-VC | |
| 119 | Tussenligger | 12//24 | 1 | 40(+26) | 39-9986-CR | 39-9986-CR | |
| 120 | Tussenligger | 10//38 | 5 | 70+75+99 | 39-10249-CR | 39-10249-CR | |
| 121 | Tussenligger | 8//28 | 4 | 99 | 39-10180-CR | 39-10180-CR | |
| 122 | Ringveer | voor M10 | 12 | 108 | 39-9995-CR | 39-9995-CR | |
| 123 | Ringveer | voor M8 | 20 | 99+101+102+104+105+107 | 39-9864-CR | 39-9864-CR | |
| 124 | Zelfsluitende moer | M10 | 36 | 109-115 | 39-9981-CR | 39-9981-CR | |
| 125 | Zelfsluitende moer | M8 | 3 | 103+106 | 39-9818-CR | 39-9818-CR | |
| 126 | Zelfsluitende moer | M6 | 18 | 100 | 39-9816-VC | 39-9816-VC | |
| 127 | Vierkante stopper | 40x80 | 2 | 21+24 | 36-9988111-BT | 36-9988111-BT | |
| 128 | Antislip afdekking | 1 | 21 | 36-9988110-BT | 36-9988110-BT | ||
| 129 | Tussenligger | 6//18 | 4 | 98 | 39-9993 | 39-9993 | |
| 130 | Tussenligger | voor M6 | 4 | 98 | 39-9865-CR | 39-9865-CR | |
| 131 | Dop | voor M10 | 80 | 36-9988108-BT | 36-9988108-BT | ||
| 132 | Dop | voor M8 | 20 | 36-9988109-BT | 36-9988109-BT | ||
| 133 | Gereedschapset | 1 | 36-9988-28-BT | 36-9988-28-BT | |||
| 134 | Afstelplaat | 1 | 2 | 33-9988136-SW | 33-1153-36-WS | ||
| 135 | Montage en oefenings instructies | 1 | 36-1153-06-BT | 36-1153-06-BT | |||
| 136 | Bout | M10x40 | 1 | 12 | 39-10402 | 39-10402 | |
Montage instructies
Voordat U met de montage begint要去er zeker van zichdat U al once aanbevelingen en veiligheidsvoorschriften gelezen heeft. Neem alle onderdelen uittdoos en spreidt zeuit over de vloer. Sommige onderdelen zichal voorgemonteerd.
Stap 1:
Installatie van de voorvoet (1), acherovet (2) en geleidingslatten (10).
- Plaat de voorvoet (1) en de achtervoet (2) op een effen vloer op de juiste manier bij elkaar. (Opmerking: Afhankelijk van de Vergadering versle Dips-/ Steppereenheit of links or rechts, de achefterste voet (2) zich gemonteerd.)
- Plaats de geleidings latten (10) (eindigend met gaten) in de juiste positie op achtervoet (2) en schroef voorvoet (1), achtervet (2) en geleidingslatten (10) vast met schroef M10 x 70 (112), afstelplaat (134),ussenligger 10//20 (118) en zichsluitende moer M10 (124).
Wees er zeker van dat de schroeven door de gaten steken zodat ze vanaf de benedenpositie geblokkerd zich.
3. Plaats verwolgens schroefdoppen M 10 (131) op de M10 schroefkoppen en moeren.
Stap 2:
Installatie van de gewichtplaten (66+67) aan de geleidings stangen (10).
- Schuif de gewichtsondersteuning (23) op de geleidings stangen (10).
- Plaats dan de rubberen buffer (78) op de geleidings stangen (10).
(Mocht U optie Gewichtenset Art.-No. 9388 gekocht hebben, dan moet U de twee gewichten van de optionele set erop monteren i.p.v. de originele gewichten. Maar allereerst dient U de rubbereb buffer (78) op de geleidings stangen (10) te schuiven. - Plaats de 11 gewichten (67) op de geleidings stangen (10) zoals weergegeven is op tekening 2.
- Plaats de gewichten schijf (40) in de gewichten (67) zodate U in ieder geval het eerste gewicht genomen heft.
- Om de juiste hoeveelheid gewichten te selecteren dient U de gewicht-selecteer pin (40)in het juiste gat te steken.

Stap 3:
Installatie van ondersteuning 1 + 2 (4+7) op de voorvoet en achtervoet (1 + 2) .
- Plaats ondersteuning 1 (4) in de juiste positie op de achtervoet (2) en schroef het stevig aan met schroef M10 x 70 (112), tussenlegger 10//20 (118) en zichsluitende moer M10 (124).
- Plaats de ondersteuning 2 (7) in de juiste positie op de voorvoet (1) en schroef het stevig vast met schroeven M10 x 70 (112),ussenleggers 10//20 (118) en zichsluitende moer M10 (124).
- Plaats verwolgens schroefdoppen M 10 (131) op de M10 schroefkoppen en moeren.


Stap 4: Installatie van de tabellarische geleidings houder (3) en top dwarsligger (5) op ondersteuning 1 + 2(4 + 7)
- Plaats de tablellarische geleidings houder (3) aan de uiteinden van de geleidings hendels (10) en ondersteuning 1 (4).
- Schroef de tabellarische geleidings houder (3) vast aan de geleidings beugels (10) door gebruik te makeen van schroef M 10x20 (108), Veer-ringen voor M10 (122) enussenlegger 10//20 (118). Bevestig twee schroeven (108) met ringen (118) voor de decoratie in de schroefgaten van de tabellarische geleidingshouser (3).
- Verbindt het einde van de ondersteuning 1 (4) met de tabellarische geleidings houder (3) en schroef ze vast met schroef M10 x 70 (112),CUSenligger 10//20 (118) en zichsluitende moer M10 (124).
- Plaat de dwarsligger (5) in de juiste positie op de ondersteuning 2 (7) en bevestig het goed met behulp van schroef 10x20 (108), ringveer voor M10 (122) en:tussenliggers 10//20 (118) op ondersteuning 2 (7).
- Schroef de dwarsligger (5) stevig vast op de tabellarische geleidingshoulder (3) met schroef M 10x20 (108), Ringveer voor M10 (122) en:tussenliggers 10//20 (118).
- Plaats verwolgens schroefdoppen M 10 (131) op de M10 schroefkoppen en moeren.

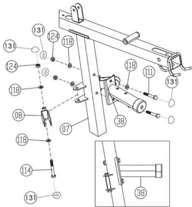
Stap 5: Installatie van de bankdruk ondersteuning (38) en kabel rolhouder (8) aan de ondersteuning 2 (7).
- Plaats de bankdruk ondersteuning (38) op de juiste manier op ondersteuning 2 (7) en schroef ze vast met schroef M10 x 65 (111),ussenliggers 10//20 (118) en zichsliutende moer M10 (124).
- Druk de kabel rolhouser 1 (8) in de houser aan ondersteuning 2 (7) en schroef hem samen met schroef M10 x 80 (114),ussenligger 10//20 (118) en zelfsluitende moer M10 (124)vast. Pas op. De kabel rolhouser要去 makkelijk können bewegean als hij eenmaal gemonteerd is.
- Plaats verwolgens schroefdoppen M 10 (131) op de M10 schroefkappen en moeren.

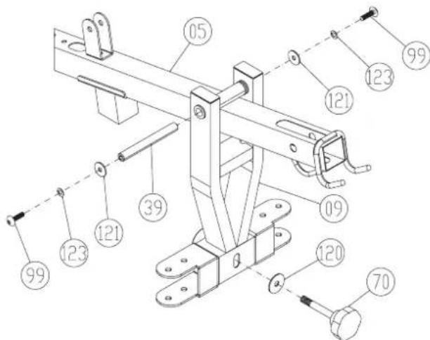
Stap 6: Installatie van de vlinder arm houder (9) aan de top dwarsligger (5).
- Plaats de vlinder arm houder (9) op de juiste manier aan de bovenste dwarsligger(5), Zo dat de gaten met de metalen kogellagers goed gelijnd zich en ze door axel 2 (39)glijden door de vlinder arm houder (9)en bovenste dwarsligger(5).
- Maak de axel aan beiden zijden vast m.b.v. schroef M8x15 (99), veer ringen voor M8 (123) en:tussenliggers 8//28 (121).
- Voor vlinderoefingen dient U de vlinderarm houder (9) aan de bankdruk ondersteuning (38)te bevestigen met handgreepbout 2 (70) en:tussenligger 10//38 (120).

Stap 7: Installatie van de vlinder armen (11+14) aan de vlinder arm houder (9) en schuim rubberen rol (63) en handgrepen (19).
- Steek de vlinder schachten (45) aan de linker en rechterkant (11+14)in de houder van de vlinder arm en plaats de vlinder armen (11+14) in de juiste positie in de waarbij behorende houder van de vlinder arm houder (9).
- Schroef de vlinder armen (11+14) stevig vast aan de vlinderarm houder (9) d.m.v. schroef M10x20 (108), ring veer voor M10 (122) enussenligger 10//20 (118) op de beneden en boven zijde.
- Beweeg de schuim rubberen rol (63)m.b.v. een beetje zeepwater over de vlinder armen (11+14).
- Plaats de handgrepen (19) in de juiste holders links en rechts van de vlinderarmen (11+14) en schroef ze stevig vast m.b.v. schroef M8x30 (102), tussenligger 8//16 (117) en ringveer voor M8 (123).
- Als U bankdrukoefingen wilt gaan doein, dient U links en rechts de vlinderarmen(11+14) te verzegelen met de veiligheidpinnen (49) aan de vlinderarm houder (9) en dient U de handgreep bout 2 (70) los te schroeven van de bankdruk ondersteuning (9).
- Voor vlinder oefingenen bevestigd U de vlinderarm houder (9) met handgreep bout 2 (70) aan de bankdruk ondersteuning (38) en halt U de veiligheidpinnen (49)uit de vlinderarmen (11 + 14) .
- Plaats verwolgens schroefdoppen M 10 (131) op de M 10 schroefkappen en moeren en schroefdoppen M 8 (132) op de M 8 schroefkappen en moeren.
Stap 8: Installatie van de achechterleuning (60) en been strek houder (12) aan de ondersteuning 2 (27).
- Stel de achechterleuning (60)dusdanig af op ondersteuning 2 (15)dat de voorgeboorde gaten van de achechterleuning op gelijke hoogte komen met de gaten in ondersteuning 2 (15) en schroef deze stevig vast m.b.v. schroef M8 x 70 (107), ringveer voor M 8 (123) enussenligger 8//16 (117).
- Paats de beenbuig houder (12) in de juiste positie op ondersteuning 2 (7), zodate dat gaten evenwijdig zich en schroef het stevig vast m.b.v. schroef M10x70 (112), afstelplaat (48),:tussenliggers 10//20 (118) en oneselfuitende moer M 10 (124).
- Plaats verwolgens schroefdoppen M 10 (131) op de M 10 schroefkoppen en moeren en schroefdoppen M 8 (132) op de M 8 schroefkoppen en moeren.
Stap 9: Installatie van het zitvlak (17) en de Ronde vulling houder (18) op het zit ondersteuningsframe (13).
- Stel het zitvlak (17) dusdanig af op het zit ondersteunings frame (13) dat de voorgeboorde gaten aan de onderkant van de zit (17)op gelijke hoogte vallen met het zit ondersteunings frame (13) en schroef het stevig vast d.m.v. schroef M8 x 45 (104), ringveer voor M 8 (123) en:tussenligger 8/16 (117).
- Duw de ronde vulling houder (18)tot aan het midden in het ondersteuningsframe (13).
- Duw twee Zwarte schuimrubberen rollen (64) op de uiteinden van de vulling houder (18).

Stap 10: Installatie van het zitframe (13) op deBeenbuig ondersteuning (12) en staande platen (47) op de voorvoet (1).
- Duw het zitframe (13) in de juiste houder van de Beenbuig houder (12) en bevestig het in de gewenste positie door gebruik te makev van de snelsluitknop (74).
(Note: om de snelsluitknop zich te konnen schroeven dieren de Voorgeboorde gaten in deBeenbuig ondersteuning (12) en de gaten in het zitframe (13) op gelijke hoogte te zitten. De afstelling van de zitting kan op een laterijdstrip afgesteld worden. Hiervoor dient u de snelsluitknop (8) eenaar slagen open te draaien, verwolgens tilt u de knop (8) op en beweegt U de zitting in de gewenste richting. Draai daarna de knop (8) waar zicht. - Plaats de staande platen (47) voor op de houder op de voorvoet (1) en schroef ze stevig vast d.m.v. schroef M10 x 75 (113),ussenligger 10//20 (118) en zichsuiitende moer M10 (124).
- Plaats verwolgens schroefdoppen M 10 (131) op de M10 schroefkoppen en moeren.
Stap 11: Installatie van de Beenbuiger (15) en arm buig kussen (20) op de beenbuig houder (12).
- Plaats de Beenbuiger (15) met de voorgemonteerde metalen kogellagers 1 (44) in de juiste houder van deBeenbuighouder (12) en schroef het goed vast met schroef M10 x 90 (115),CUSnligger 10//20 (118) en zelfsluitende moer M10 (124). Pas op, de beenbuiger要去 makkelijk konnen bewegen zodiah het gemonteerd is.
- Schuif de ronde vulling houder (18)in de houder van de been buiger (15) totaan het midden en schuif dan de twee schuimrubberen rollen (65) op de uiteinden van de vullinghoulders (18).
- Stel de armbuig zitting (20) zo af op de armbuig standard (16) dat de voorgeboorde gaten aan de achterkant van de armbuig zitting (20) evenwijdig zich aan die van de armbuig standard (16) en schroef ze cervolgens vast met schroef M8 x 20 (101), ringveer voor M 8 (123) en tussenligger 8//16 (117).
- De armbuig standard (16) met het voorgemonteerde armbuig kussen (20) kan in de juiste positie op de armbuig standard bevestigd en vastgezet worden op de been buiger (15) d.m.v. de handgreep bout 1 (69).
- Om de positie van de been buiger (15)te verzekeren dient de Lange veiligheids beugel (52) door de gaten van zowel de Beenbuig houder (12) als de beenbuiger (15) gestoken te worden.
- Plaats verwolgens schroefdoppen M 10 (131) op de M 10 schroefkappen en moeren en schroefdoppen M 8 (132) op de M 8 schroefkappen en moeren.
Stap 12: Installatie van het onderarm kussen (61),klein achechterkussentje (62) en handgreep 2 (30) op de dipps hendel (25) en ondersteuning 1 (4).
- Stel het rugkussen (62) dusdanig op de dipps hendel (25) af dat de voorgeboorde gaten evenwijdig vallen met die van de dipps hendel (25) en schroef het stevig vast m.b.v. schroef M8x20 (101), ringveer voor M8 (123) enCUSenligger 8//16 (117.
- Stel het voorarm kussen zo af op de dipps hendel (25)dat de voorgeboorde gaten in de awhilekant van het voorarm kussen (61)evenwijdig vallen met die van de dipps hendel (25) en schroef het geheel vast met schroef M8x55 (105), ringveer voor M8 (123) en:tussenligger 8/16 (117).
- Plaats de handgrepen (30) in de juiste houder van de dipps hendel (25) en schroef ze vast met schroef M10x20 (108), ringveer voor M10 (122) en tussenligger 10//20 (118).
- Plaats de voorgemonteerde dipps hendel (25) in de juiste houder in ondersteuning 1 (4) en schroef het vast in de juiste positie met schroef M10 x 70 (112),CUSenligger 10//20 (118) en zelfsluitende moer M10 (124).
- Plaats verzolgens schroefdoppen M 10 (131) op de M 10 schroefkoppen en moeren en schroefdoppen M 8 (132) op de M schroefkoppen en moeren.

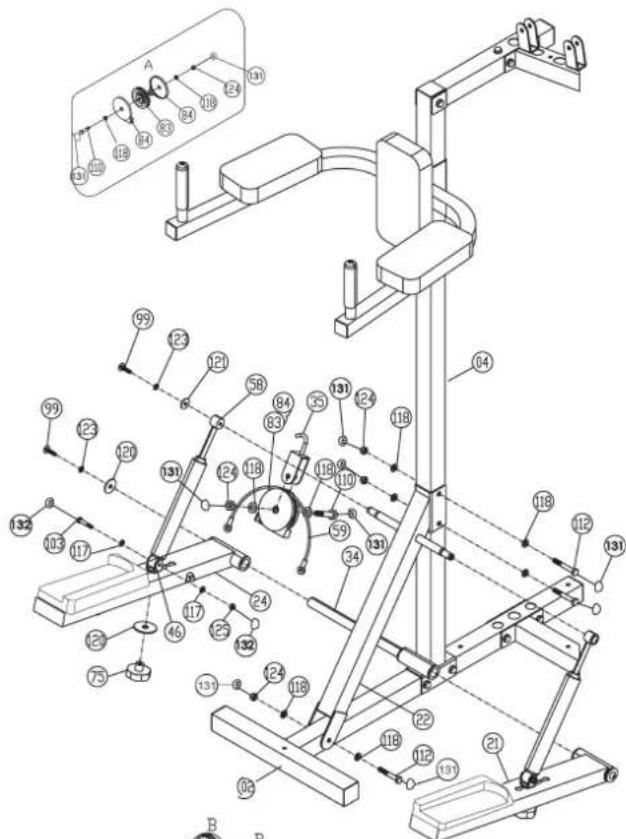
Stap 13: Installatie van de stepper en dwarsbalk (22) op ondersteuning 1 (4).
- Plaats de dwarsbalk (22) in de juiste positie op ondersteuning 1 (4) en achtervoet (2), zo dat de gaten evenwijdig aan elkaar+zijn en schroef het vast met schroef M10x70 (112), Tusnenligger 10//20 (118) en zichsuiitende moer M 10 (124). (Note: U zult misschien de verbindingussen de ondersteuning 1 (4) en de achtervoet (2) ieis los要去en make om de dwarsligger te konnen bevestigen.
- Plaats de linker en rechter pedaal (21+24) in de juiste richting op de juiste houder op ondersteuning 1 (4) zodat de metalen kogellagers evenwijdig lopen en langs de axel 1 (34)glijden. Vergrendel de axel met schroef M8x15 (99), ringveer voor M8 (123) en:tussenligger 8//38 (120) aan.beide uiteinden van de axel.
- Plaats de hydraulische cylinder (58) met de bovenkant in de houder van de dwarsligger (22) en vergrendel deze positie met schroef M8x15 (99), ringveer voor M8 (123) enussenligger 8//28 (121).
- Schroef de onderkant van de cylinder (58) aan de houder voor de cylinder (46) d.m.v. schroef M8x40 (103), tussenligger 8//16 (117) en zich sluitende moer M 8 (125). Wees er zeker van dat de cylinder (58) een beetje kan bewegen t.o.v. de houder.
- Steek de houder voor de hydrolische cylinder (46) vanaf de bovenkant door hetrecht er en linker pedal (21 + 24) en bevestig de houder (46) in de juiste positie door gebruik te makeen van de handgreep moer (75) en tussenligger 10//38 (120).
Je kan de waarstand van de stepper aan de houder aanpassen door verschillende posities te kiezen voor de linker en rechter pedal (21+24). - Zet een kabelroller eenheid in elkaar zoals voorgedaan is in figuur "A", Leg kabel 5 (59) over de draaischijf (83) en bevestig deze aan de draaischijfhouder incl. haak (35) op zo'n manier dat de draaischijf makkelijk kan bewegen.
- Breng de draaischijfhouder incl. haak aan de onderkant in de gelaste houder op de dwarsligger (22). Bevestig de uiteinden van kabel 5 (59) met de linker en rechterpedaal (21+24).
- Plaats cervolgens schroefdoppen M 10 (131) op de M 10 schroefkoppen en moeren en schroefdoppen M 8 (132) op de M 8 schroefkoppen en moeren.
Stap 14: Installatie van kabel 1 voor latissimus (26) met de draaischijf units. Graag aandacht voor de volgende situatie m.b.t. de draaischijf units: De kabels dienen op de draaischijven (83) gelegd te worden en dienen aan beiden uiteinden afgedekt te worden met draaischijf afluieters (84) zodat de in- en uitgang van de kabels gelood zich. De draaischijf unites要去en tegelijkertijd met de kabels op de juiste plaats bevestigd worden.
-
Plaats kabel 1 (26) zoals als voorgedaan is in stap 14 door de bovenste dwars hendel (5), schroef het eind van kabel 1 (26) vast metCUSenligger 12//24 (119) aan de gewichten hendel (40) en sluit de schroef goed af met een moer.
-
Neem kabel 1 (26) en een draaischijf unit zoals afgebeeld staat op figuur "A" (zonder draaischijf aflsuiting) en schroef vast met schroef M10x70 (112), tussenligger 10//20 (118), plastic buslager voor draaischijf (94) en moer M10 (124).
Breng de draaischijf in de bovenste dwarsligger (5), positioneer de plastic buslager (94) vanaf de buitenkant van de bovenste dwarsligger (15)en schroef het stevig vast. - Stel een kabel rol houder samen zoals in figuur "B" weergegeven is met schroef M10x45 (110), tussenligger (118) en zichsuitende moet (124), leg kabel 3 (26) erin en bevestig dit geheel aan de bovenste dwarssligger (5).
- Neem kabel 1 (26) en een draaischijf unit Zoals weergegeven in figuur "B" met schroef M10x70 (112),ussenligger 10//20 (118),plastic buslager voor draaischijf (94) en moer M10 (124) en bevestig het aan kabelrol holder 2 (6).
- Plaats verwolgens schroefdoppen M 10 (131) op de M10 schroefkoppen en moeren.
Stap 15: Installatie van kabel 3 voor vlinder (29) met draaischijf units.
- Bevestig beiden uiteinden van kabel 3 (29) met de juiste houders op de linker en rechter vlinder arm (11+14).
- Plaats een draaischijf unit zoals op figuur "A" samen met schroef M10x45 (110), tussenligger (118) en zichsluitende moer (124), steek de kabel 3 (29) erin en bevestig deze aan de draaischijf houder 1 (8) zodat de draaischijf makkelijk kan bewegen.
- Plaats een draaischijf unt zoals op figuur "A" samen met schroef M10x45 (110), tussenligger (118) en zichsliutende moer (124), steek de kabel 3 (29) erin en bevestig deze op de dubbele draaischijf houder (27) zodat de schijf makkelijk kan draaien.
- Plaats verwolgens schroefdoppen M 10 (131) op de M10 schroefkoppen en moeren.





Stap 16: Installatie van kabel 4 voor de been buiger (31) met draaischijf units.
- Trek kabel 4)31) door het grote gat van de been buiger en bevestig het uiteinde van kabel 4 (31) op de juiste houder aan de onderkant van de beenbuig houder (12) d.m.v. schroef M10x40 (136), tussenligger 10//20 (118) en zichsuiitende moer M10 (124) zoals wee gegeven is in figuur "C".
- Neem kabel 4 (31) en een draaischijf unit Zoals afgebeeld in figuur "B" samen met schroef M10x80 (114), tussenligger (118), plastic buslager voor draaischijf (95) en moer M10 (124). Plaats de draaischijf (83) samen met de afsluiter (84) in de been buiger (15) en positioneer de plastic buslager vanaf de buitenkant vande been buiger (15).
- Neem een draaischijf unit zoalsuit figuur“A” samen met schroef M10x45 (110), tussenligger (118) en zichsuiitende moer (124), steek kabel 4 (31) erin en bevestig deze aan de draaischijf houser 1 (8) zodat de schijf makkelijk kan draaien.
- Plaats verwolgens schroefdoppen M 10 (131) op de M10 schroefkoppen en moeren.
Stap 17: Installatie van kabel 2 (28) met draaischijf units.
- Trek kabel 2 (28) door het grote gat van ondersteuning 2 (7) en bevestig het uiteinde aan de draaischijf houder 2 (6) door gebruik te makeen van schroef M10x25 (109),CUSenligger 10//20 (118) en zelf sluitende moer M10 (124) zoals aangegeven is in firguur "B".
- Neem twee kabelrol unitsuit figur "A"samen met schroef M10x45 (110), tussenligger (118).En zelfsluitende moer (124),steek kabel 2 (28) erin en installer deze units op de houder op de Voorvoet (1) zodat de draaischrift makkelijk kan draaien.
- Neem een draaischijf unituit figuur“A”samen met schroef M10x45 (110),tussenilgger (118) en zelfsluitende moer (124),stekkabel 2 (28) erin en bevestig deze aan de dubbele draaischijfhouder (27) zdat de schijf makkelijk kan draaien.
- Neem kabel 2 (28) en verleng het met 8 gelinkte kettingen (53) en twee kabine haken (55) en bevestig kabel 2 (28) met de draaischijf houder 2 (6), die voorgemonteerd is op kabel 1 (26).
(Note: Om een vloeiend glijmechanisme te verkrijgen, zult U misschien het kabelsystem met de 8 gelinkte kettingen (53) en twee kabine haken (55) van positie要去en veranderen)
5. Plaats verwolgens schroefdoppen M 10 (131) op de M10 schroefkoppen en moeren.
Stap 18: Installatie van de gewichtsbehuizing ondersteuning(42) en buigplaat (43).
- Bevestig de gewichtsbehuizing ondersteuning (42) en de buigplaat (43) op de juiste manier in de gewichts behuizing (41) m.b.v. schroef M6x16 (100), zusammen 6//12 (116) en zichsluitende moer M 6 (126).
Wees er bedacht op dat gewichtsbehuizing ondersteuning en de buigplaten (43) opdezelfde manier geassembleererd要去en worden zoals aangegeven staat in de tekening van stap 18.




Stap 19: Installatie van de gewichtsbehuizing (41) met ondersteuning (42 + 43) op L-plaat (32) en achtervoet (2).
-
Plaats de gewichtsbehuizing (41) met de voorgemonteerde gewichtsbehuizing ondersteuning (42) in de gaten van de achtervoet (2). Breng de uiteinden van de tegenoverelhaar gespositioneerde gewichtsbehuizingen ondersteuningen (42) en buigplaten (43) bij elkaar en schroef ze stevig vast met schroef M6x16 (100), tussenligger 6//12 (116) en oneselfluitende moer M 6 (126)zoals aangegeven is op figuur "A".
-
Plaats de L-ptaat (32) in de juiste positie onder de dwarssligger (5) en schroef het stevig vast met schroef M8x65 (106),ussenligger 8//16 (117) en zelfsluitende moer M 8 (125).
- Bevestig de bovenste buigplaat connectie aan de L-plaat (32) d.m.v. schroef M6x16 (100), Tussenliggers 6//12 (116) en zichsluitende moer M 6 (126).
- Plaatservolgens schroefdoppen M 8 (132) op de M8 moer.
Stap 20: Installatie van de latissimus lat (36) en buig lat (37).
- Bevestig de latissimus lat (36) aan kabel 1 (26) door gebruik te make n van de kabinehaak (55). Om de latissimus lat (36) op te hangenUNT U hem aan de juiste ondersteuning bevestigen aan de voorkant van de bovenste dwarsligger (5).
- Bevestig de buiglat (37) aan kabel4 (31) door gebruik te make n van de 22 gelinkte kettingen (54) en karbijn haken (55). (Als U deBeenbuiger gebruikt voor oefingen dient U de buiglat (37) met ketting (54) weg te halen.
- Afhankelijk van de oefening kunt U de handgreep (72) i.p.v. latissimus lat (36) gebruiken, of de enkelklem i.p.v. de buiglat (36).

Belangrijke veiligheidsinformatie de haak gebruiken.
Schroef de haak (55) en hang ze in de keten (54).

Bevestig het uiteinde van de kabel (26 + 31) of de trekstangen (36 + 37) in de haak (55).

Draai de haak (55) en zorg ervoor dat het goed is gesloten.
Let op: Vór elk gebruik, ervoor te zorgen dat de haak (55) zijn goed gesloten.
Stap: 21 Controle
- Alle schroef- en stekkerverbindingen op een correcte montage en juiste werkung controleren. Daarmee is de montage van het apparaat beeindigd.
- Let er voordat u begint met trainen op dat er rekening is gehonden met de aanbevolen veiligheidsafstanden van het apparaat tot andere voorwerpen. Om een bepaalde positie van het apparaat te garanderen, kunt u het apparaat zich stevig aan de vloer bevestigen met zich aan te schaffen bouting en pluggen Daarvoor要去en gaten in de buizen die direct contact met de vloer hebben worden geboard.
- Bij het gebruik van het apparaat, met name bij de dips-leggers, erop letten dat steeds een goede hoofdbedekking en kleding worden gedragen. De kleding要去 godaansluiten. Zodat haren of kledingstukken nergens darüber blijven haken c.q. de haren en de kleding in een bewegend onderdeel kan worden getrokken.
- Wanner alles in orde is, kunt u zich het Beste eerst met lichte gewichten met het apparaat vertrouwd make.
- De gewichten要去en in overeenstemming zich met de gewicht selecteer lat (51). Maximaal gewicht bedraagt 70kg
Opmerking: De gereedschapset en de gebruiksaanwijzing a.u.b. zorgvuldig bewaren,,ondat u ze wellicht later voor een reparatie of het bestellen van reserveonderdelen nodig heeft.



Trainingshandleiding
De onderstaande factoren moeten in acht worden genommen bij het bepalen van de benodigde training voor het bereiken van een merkbare verbetering van uw figuur en gezondheid:
1. Intensiteit:
De mate van lichamelijkke belasting bij de training moet de normale belasting overschrijden, zonder dat u waarbij buiten adem en/of uitgeput raakt. De hartslag kan een geschikte richtwaarde voor een effectieve training zich. Tijdens de training moet deze:tussen de 70% en 85% van de maximale hartslag liggen (zie de tabel en formule om deze te bepalen en te berekenen).
Tijdens de eerste weken moet de hartslagijdens de training in het laagste deel hiervan, rond 70% van de maximale hartslag liggen. In de loop van de waaropvolgende weken en maanden zou de hartslag langzaam tot de bovengrens van 85% van de maximale hartslag要去en stijgen. Hoe better de conditie van degene die traint is, des te meer要去 het trainingsniveau stijgen omussen de 70% tot 85% van de maximale hartslag te komen. Dit kan worden bereikt door langer te trainen en/of door de moeilijkheidsgraad te verhogen.
Wonneer de hartslag Niet op het display worden weergegeven of wanner u voor de zekerheid uw hartslag wilt controeren, waar dit deze door eventuele gebruiksfonten enz. onjuist weergegeven kan zich,kest u het volgende doen:
De hartslag op de gebruikelijke wijze meten (bijv. de Pols voelen en het aantal slagen per minuut tellen).
De hartslag met een geschikt en geijkt meetapparaat meten (verkrijgbaar bij gezondheidsinstellungen)
2. Frequentie:
De meeste experts adviseren een gezondheidsbewust dieet, dat op uw trainingsdoel moet worden afgestemd en drie tot vijf maal per week een lichamelijke training. Een normale volwassene moet tweeemaal per week trainen om+zijn huidige conditie te behouden. Om zijn conditie te verbeteren en+zijn lichaamsgewicht te veranderen moet hij minimaal driemaal per week trainen. Natuurlijk is de ideale trainingsfrequentie vijf maal per week.
ledere trainingssessie moet UIT drie fasen bestaan: een "warming-up", een "trainingsfase" en een "cooling down". In de "warming-up"要去 de lichaamsterperatureu en de zuurstoftoevoer langzaam toenemen. Dit kan worden bereikt door vrij totien minutes lang gymnastiekoeferingen te去做.
Daarna要去 eigenlijke training ("trainingsfase") beginnen. De trainingsbelasting要去 de eerste minutes laag zich en dan gedurende een période van 15 tot 30 minutes zo toenemen, dat de hartslag zichussen de 70% en 85% van de maximale hartslag bevindt.
Om de bloedsomloop na de "trainingsfase" te ondersteunen en om spierpijn of verrekte spieren te voorkomen, moet de trainingsfase door een "cooling down" worden gevolgd. Hierbij要去en vrij tot tien minutes lang strechtioefingen en/of lichte gymnastiekoeefingen worden gedaan. Voormeer informatatie over uitoefening van warme up, oefening terekken of algemene gymnastische oefenen in once downloadarea onder www. christopeit-sport.com
4. Motivatie
De sleutel tot een succesvol programme is een regelmatige training. U kunt het Beste een vasteijd enplaats per trainingsdag vaststellen en u ook geestelijk op de training voorbereiden. Train alleen met een goed humeur en houd uw doel voorogen. Met een continue training zult u zien dat u per dag vooruitgang boekt, dat u zich verdor ontwikkeln et dat u uw persoonlijke trainingsdoel beetje bij beetje nadert.

Berekeningsformules: Maximale hartslag (220 - leeftijd) = 220 - leeftijd
90% van de maximale hartslag = (220 - leeftijd) x 0,9
85% van de maximale hartslag = (220 - leeftijd) x 0,85
70% van de maximale hartslag = (220 - leeftijd) x 0,7

- BaXHbIe peKoMeHdauu n yKa3aHn no 6e3onacHocTn ctp. 53
2.Ob3op oTdeIbHbIX DeTanei cTp. 3 - CneuФикаду ctp. 54 - 56
- PykoBoDCTBO nO c6OpKe C OTdJIbHbIMN INJIIOCTpaUNAMN CTp. 57 - 63
- INHCTpyKUINI ynpaxHeHH cTp. 64
Ybaxaemble nokyntbHnucn nokynte!
I03npabJnem Bac nOKyNko TpeHnpoBouHOro Chapda dIa domaunx 3aHTn CNOPTOM N Jenaem Bam cambix npnTbIx BneaTHeHn.
CneyuTe, noKaanyuCTa, yka3aHnM m HnctpyKuHm HaWero pyKOBOcTBA no MOHTaxy n 3KcnJyatau.
Ecnn y Bac Bo3HKNKHT KaKne-HN6yDb Bonpocbl, To Bbl MoKeTe B JIO6oe Bpemr 6e3 CTcEHnR ObaaTaBcR K Ham.
CyBaXeHnEM,BaW KpCToNaI TUnoptΓM6X
SimpelGids