RTI 100 M - Thermostaat AEG - Gratis gebruiksaanwijzing en handleiding
Vind de handleiding van het apparaat gratis RTI 100 M AEG in PDF-formaat.
Download de handleiding voor uw Thermostaat in PDF-formaat gratis! Vind uw handleiding RTI 100 M - AEG en neem uw elektronisch apparaat weer in handen. Op deze pagina staan alle documenten die nodig zijn voor het gebruik van uw apparaat. RTI 100 M van het merk AEG.
GEBRUIKSAANWIJZING RTI 100 M AEG
voor warmteaccumulator
WSP 2010 tot WSP 7010
Gebruiks- en montagehandleiding
Inhaltsverzeichnis
Deutsch English
Français Nederlands Inhoudsopgave
1. Gebruiksaanwijzing Voor de gebruiker
1.1 Werkwijze 22
2. Montagehandleiding Voor de installmentur
2.1 Technische gegevens 23
2.2 Verpakkingseenheid 23
2.3 Montage 23
2.4 Functiecontrole 25
2.5 Aflevering 25
- Milieu en recycling 27
1. Gebruiksaanwijzing
RTi 100 M
Bij de thermostat RTi 100 M gaat het om een mechanische 2-punts regelaar. Bij een te lage kamertemperatuur worden de ventilatoren van de warmteaccumulator van de RTi 100 M automatisch ingeschakeld en met een constant toerental aangedreten.
Nadat de op dethermostat eingestelde kamertemperatuur is bereikt, worden de ventilatoren automatisch door de RTi 100 Muitgeschakeld.

1.1 Werkwijze
De thermostaat worden m.b.v. de AAN/UIT-schakelaar (C) op het bedieningspaneel van de warmteaccumulator aan- en uitgeschakeld. De gewenste kamertemperatuur kan traploos worden ingesteld m.b.v. de keuzeschakelaar.
Wanner de keuzeschakelaar (D) in de middelste stand staat, worden de kamertemperatuur constant op ca. 20^ gehouden. Door de keuzeschakelaar maar links of rechts te draaien kan de kamertemperatuur:tussen de ca. 5^ tot 35^ worden ingesteld.
Wanneer de kamertemperatuur daalt tot onder de ingestelde waarde schakelt dethermostat automatisch de ventilatormotoren van de warmteaccumulator in, zodat de opgeslagen warmte deruimte in worden geblazen.
Op zich koude davon wird het aanbevolen de thermostat bij afwezigheid meerere davon ingeschakeld te latent, om de kamertemperatuur op bijv. ca. 10^ te houden, zodat het gebouw c.q. de ruimte Niet afkoelt (bescherming gegen bevriezing).
2. Montagehandleiding

De inbouw van de thermostat要去en uitgevoerd door een daartoe bevoegdevakman met inachtneming van de gebruiks- en montagehandleiding van zowel de thermostat als de warmteaccumulator.
Alle elektrische aansluit- en installmentewerkzaamheden dieren te worden uitgevoerd conform de VDE-bepalingen 0100, de voorschriften van de verantwoordelijke elektriciteitsbedrijven en de betreffende nationale en regionale voorschriften.
2.1 Technische specificaties
| Model | RTi 100 M |
| Nominate spanning | 1/N/PE ~ 50 Hz 230 V |
| Schakelvermogen | 16 A |
2.2 Verpakkingseenheid
1 De thermostaat met externe voeler, inductiestrip 2 - 3 W als thermische retourleiding (reeds vooraf op de bevestigingsplaat gemonteerd)
1 Temperatuurkeuzeschakelaar
1 AAN/UIT-schakelaar met 2 schakellussen
1 Ontstoringscondensator 0,2 F 47 Ohm
3 Bouten
1 Gebruiks- en montagehandleiding
1 Schakelschemasticker
1 Bedieningspaneelsticker
2.3 Montage

Voor het begin van de werkzaamheden de warmteaccumulator spanningsvrij make.
Bij het aansluiten van de warmte accumulator op een automatische oplaadbesturing kan er ook spanning op de klemmen A1/Z1 - A2/Z1 staan wanner dezekeringen zich verwijderd.
Bij de opstelling van meerdere warmteaccumulatoren naast elkaar moet erop worden gelet dat de regelaar voor de kamertemperatureur in het apparaat rechtsbuien worden geinstalleerd. Hiermee worden gegarandeerd dat de kamertemperatureur perfect kan worden gereigstreerd.
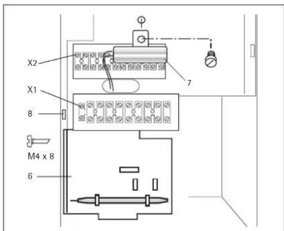
2.3.1 Inbouwvolgorde
- Verwijder het luchttoevoer- en luchtafvoerrooster en de voorwand enrechtser zijwand zoals in gebruiks- en montagehandleiding van de warmteaccumulator beschreiben.
- Druk de blinde dappen (1) voor schakelaar en temperatuurkeuzeschakelaar met hulpmiddelen vanuit de schakelkamer uit het bedieningspaneel linksboven en onder.
Montage van de AAN/UIT-schakelaar:
Steek de meegeleverde zwarte draad (kort en lang) met de platte stekkers op de schakelaar (2) door de houder (3) en vergrendel de houder op het hoekprofiel (4).
- Druk de aan-/uitschakelaar (2) met het symbool „I" rechts in de houder.
- Monteer dethermostat (5) met de 2 boute en de tandschijf op het hoekprofiel (4).
- Voeg de reeds voorgemonteerde eenheid „Sensorlamp, verwarmingsband, afstandskader en draagplaat" (6) met de bovenste plaathoek van het schakelveld (draagplaat van de klemstrips X1 en X2) samen. Daartoe zet u de onderste plaathoek vastAGER de vastklikpal van de bovenste plaathoek (8). Beide hoeken worden door middel van een schroef M4x8 verbonden.
Bedrading van de thermostat conform het schakelschema (zie schakelschema pagina 6)
- Korte zwarte draad van schakelaar 2 (S2) op temperatuurregelaar 5 (N6)
- Lange zwarte draad van schakelaar 2 (S2) op (L) contactstrip X1
- Zwarte draad (lang) van verwarmingsweerstand 6 (E9) op temperatuurregelaar 5 (N6)
- Blauwe draad van verwarmingssweerstand 6 (E9) op (N) contactstrip X2
-
Zwarte draad van temperatuurregelaar 5 (N6) op X2 LE (van boven)
-
Schroef de ontstoringsscondensator (7) op het bovenste gedeelte van het hoekprofiel (via contactstrip X2) met meegeleverde bout
Bedrading van de ontstoringsgcondensator:
- Blauwe draad op X1 L boven (2-voudige aansluiting)
-Zwarte draad op X2 LE boven (2-voudige aansluiting) -
Bevestig de kabel in de beschikbare kabelhouser in de schakelkamer awhile het hoekprofiel Alle schakeldraden要去en zo in de schakelruimte worden opgewiekeld, dat aanraking met de rechtzer zichwand en ook de ventilatiesleuven worden voorkomen. U mag Niet in de buurt van de kabeldoorvoer komen.
-
Plak het geldige schakelschema over het schakelschema op de rechter zijwand en kruis de inbouw aan en plank de sticker van het bedieningspaneel op de buitenkant van de rechter zijwand.
- Monteer de rechter zichwand. Bevestig de bevestigingsbout met de getande borgring (aardleiderverbinding!)





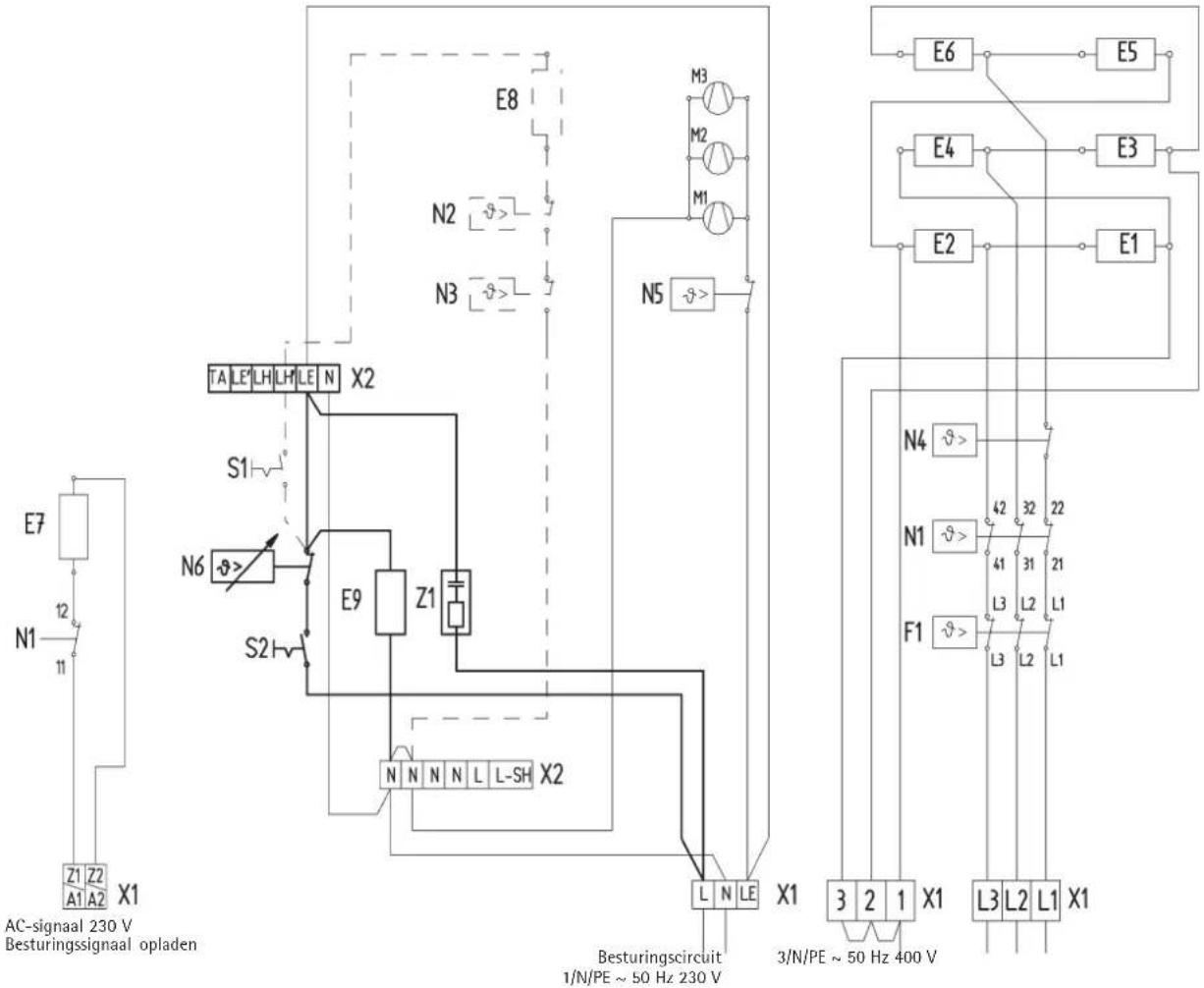
2.3.2 Schakelschema
X1 Netaansluitklemmen
X2 Aansluitklemmen
Schakelschema WSP 2010 - 7010 met RTi 100 M
E1 - E6: Verwarmingselement (accumulator)
E7: Verwarmingsweerstand
F1: Veiligeidstemperatuurbegrenzer
M1-M3:Ventilator
N1: Temperatuurbegrenzer - opladen
N5: Temperatuurbegrenzer - ventilatorschuiflade
N4: Temperatuurbegrenzer - opladen
X1: Netaansluitklemmen
X2:Aansluitklemmen
Geintegr.thermostat
E9: Verwarmingssweerstand
N6: Temperatuurregelaar - ontladen
S2: Tuimelschakelaar - ontladen
Z1: Ontstoringscondensator
Aanvullende verwarming
E8: Aanvullende verwarming
N2: Temperatuurregelaar - aanvullende verwarming
N3: Temperatuurregelaar - aanvullende verwarming
S1: AAN/UIT-schakelaar - aanvullende verwarming

2.4 Functiecontrole
Zet de AAN/UIT-schakelaar in stand 1
Vervolgens de regelknop voor de temperatuur draaien, totdat de ventilator van de warmteaccumulator worden ingeschakeld.
Neem, wanneer de ventilator Niet wordt ingeschakeld, de bedrijfs- en foulmeldingen op de op- en ontlaadregelaar in acht.
2.5 Overdracht
Deze gebruiks- en montagehandleiding hoort bij het apparaat en dient door de eigenaar zorgvuldig te worden bewaard. Wanner het apparaat een andere eigenaar krijgt, moet ook de handleiding worden overgedragen.
Bij eventuele reparations dient de vakman de gebruiks- en montagehandleiding ter inzage te ontvangen.
ken op deze garantie verwallen twee jaar na overdracht. Bewaar de door de verkoper ingevulde
3. Milieu en recycling
Wij verzoeken u ons bij de bescherming van het milieu behulpzaam te+zijn. Verwijder de verpakking waarom overeenkomstig de voor de afvalverwerking geldende nationale voorschriften.
Garantie
Aanspraak op garantie bestaat uitsluitend in het land waar het toestel gekocht is.
U dient zich te wenden tot de vestiging van AEG Home Comfort of de importeur hiervan in het betreffende land.
De montage, de electrische installmentie, het onderhoud en de eerste inbedrijfname mag uitsluitend worden uitgevoerd door gekwalificeerd personeel.
De fabrikant is Niet aansprakelijk voor defecte toestellen, welke Niet volgens de bijgeleverde gebruiks- en montageaanwijzing zijn aangesloten of worden gebruikt.
SimpelGids