RTI 100 M - Thermostat AEG - Notice d'utilisation et mode d'emploi gratuit
Retrouvez gratuitement la notice de l'appareil RTI 100 M AEG au format PDF.
| Caractéristiques | Détails |
|---|---|
| Type de produit | Thermostat |
| Modèle | AEG RTI 100 M |
| Plage de température | 5°C à 30°C |
| Alimentation | 230 V |
| Capacité de charge | 16 A |
| Fonctionnalités | Programmable, affichage numérique |
| Installation | Montage mural |
| Utilisation | Contrôle de la température ambiante pour le confort thermique |
| Entretien | Nettoyage régulier de la surface, vérification des connexions électriques |
| Sécurité | Protection contre la surchauffe, conforme aux normes de sécurité électrique |
| Garantie | 2 ans |
| Informations supplémentaires | Compatible avec divers systèmes de chauffage |
FOIRE AUX QUESTIONS - RTI 100 M AEG
Téléchargez la notice de votre Thermostat au format PDF gratuitement ! Retrouvez votre notice RTI 100 M - AEG et reprennez votre appareil électronique en main. Sur cette page sont publiés tous les documents nécessaires à l'utilisation de votre appareil RTI 100 M de la marque AEG.
MODE D'EMPLOI RTI 100 M AEG
Thermostat d'ambiance intégré
pour accumulateurs de chaleur
WSP 2010 à WSP 7010
Notice d'utilisation et de montage
RTi 100 M
Nederlandsls
Integreerbarethermostat
1. Notice d'utilisation A l'intention de l'utilisateur
1.1 Fonctionnement 16
2. Notice de montage A l'intention de l'installateur
2.1 Caracteristiques techniques.. 17
2.2Furniture 17
2.3 Montage 17
2.4 Contrôle du fonctionnement 19
2.5 Remise à l'utilisateur 19
- Environnement et recyclage 21
1. Notice d'utilisation
RTi 100 M
Le thermostat d'ambiance RTi 100 M est un régulateur mécanique à deux positions. Quand la température ambiente est trop BAS, les ventilateurs de l'accumulateur de chaleur sont automatiquement misent en route par le RTi 100 M et tournent à vitesse constante.
Le RTi 100 M coupent automatique les souflantes lorsque le tempere ambiente selectionnee sur le thermostat est atteinte.

1.1 Fonctionnement
Utiliser l'interrupteur MARCHE/ARRET (C) du panneau de commande de l'accumulateur de chaleur pour allumer/eteindre le thermostat d'ambiance. Le selecteur (D) du panneau de commande permet d'ajuster en continu la température ambiente souhaitation.
S'il est en position centrale, la température ambiente est maintainue à env. 20^ . Tourner le selec-teur vers la gauche ou la croite pour ajuster la température ambiente entre env. 5^ et 35^ . Lorsque la température ambiente descend en dessous de la valeur selectionnée, le thermostat met automatiquement en route les moteurs des ventilateurs de l'accumulateur de chaleur afin d'insulf-fer dans la piece la chaleur emmagasinée.
Les jours de grand froid, il est conseilé de laisser fonctionner le thermostat d'ambiance en cas d'une absence prolongée de manière à dévelopir la température de la piece à env. 10^ et à protégger ainsi le bâtiment ou la piece contre le refroidissement (hors-gel).
2. Notice de montage

Le montage du thermostat d'ambiance doit être effectué par un spécialiste/agré. Celui-ci tiendra compte du present mode d'emploi et des instructions de montage ainsi que du mode d'emploi et des instructions de montage de l'accumulateur de chaleur.
Tous les travaux de raccordement et d'installation électriques doivent être effectués conformément à la réglementation VDE 0100, aux consignes de l'opérateur énergétique et aux directives nationales et régionales.
2.1 Caracteristiques techniques
| Modèle | RTi 100 M |
| Tension nominale | 1/N/PE ~ 50 Hz 230 V |
| Puisance de rupture | 16 A |
2.2 FURNiture
1 Thermostat d'ambiance avec capteur externe, collier chauffant 2-3 W comme système de recyclage thermique (prémonté sur support)
1 Selecteur de temperature
1 Interrupteur MARCHE/ARRET avec 2 fils
1 Condensateur de protection contre les étincelles 0,2 F 47 Ohm
3 Vis
1 Notice d'utilisation et de montage
1 Autocollant schéma des connexions
1 Autocollant du panneau de commande
2.3 Montage
Avant de commencer les travaux sur l'accumulateur de chaleur, veiller à ce qu'il ne soit pas sous tension.
Si l'accumulateur de chaleur est raccardé à un module de gestion de la charge, il peut être sous tension aux bornes A1/Z1 et A2/Z2 bien que les fusibles soient retirés.
En cas d'installation de plusieurs accumulateurs de chaleur les uns à côte des autres, monter le thermostat d'ambiance dans l'appareil à l'extreme droit. Ceci garantit une mesure exacte de la température ambiente.
2.3.1 Ordre de montage
- Déposer la grille d'évacuation et d'admission d'air, la paroi avant et la paroi laterale droite comme décrit dans la notice d'utilisation et de montage de l'accumulateur de chaleur;
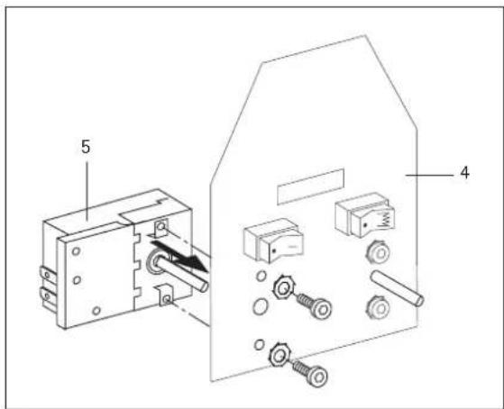
- Enlever les caches (1) de l'interrupteur et du sélecteur de température du panneau de commande (en haut et en bas à gauche).
Montage de l'interrupteur MARCHE/ARRET :
Passer les fils noirs (court et long) avec fiches plates à travers la fixation (3), enforcer les fiches sur l'interrupteur (2) puis enclencher la fixation sur la tôle (4).
- Enforcer l'interrupteur MARCHE/ARRET (2) portant le symbole « I » à droite dans la fixation.
- Monter le thermostat (5) avec les 2 vis et les rondelles éventail sur la tôle (4).
-
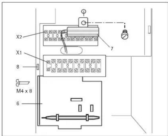
Assembliez l'unité déjà préassemblée « poire de détction, bande chauffante, cadre d'écartement et tôle de support » (6) avec la cornière de tôle supérieure du champ de commutation (tôle de support des borniers X1 et X2). A cet effet, bloquez la cornière de tôle inférieure derrière l'ergot de verrouillage de la cornière de tôle supérieure (8). Les deux cornières sont assemblées à l'aide d'une vis M4x8.
-
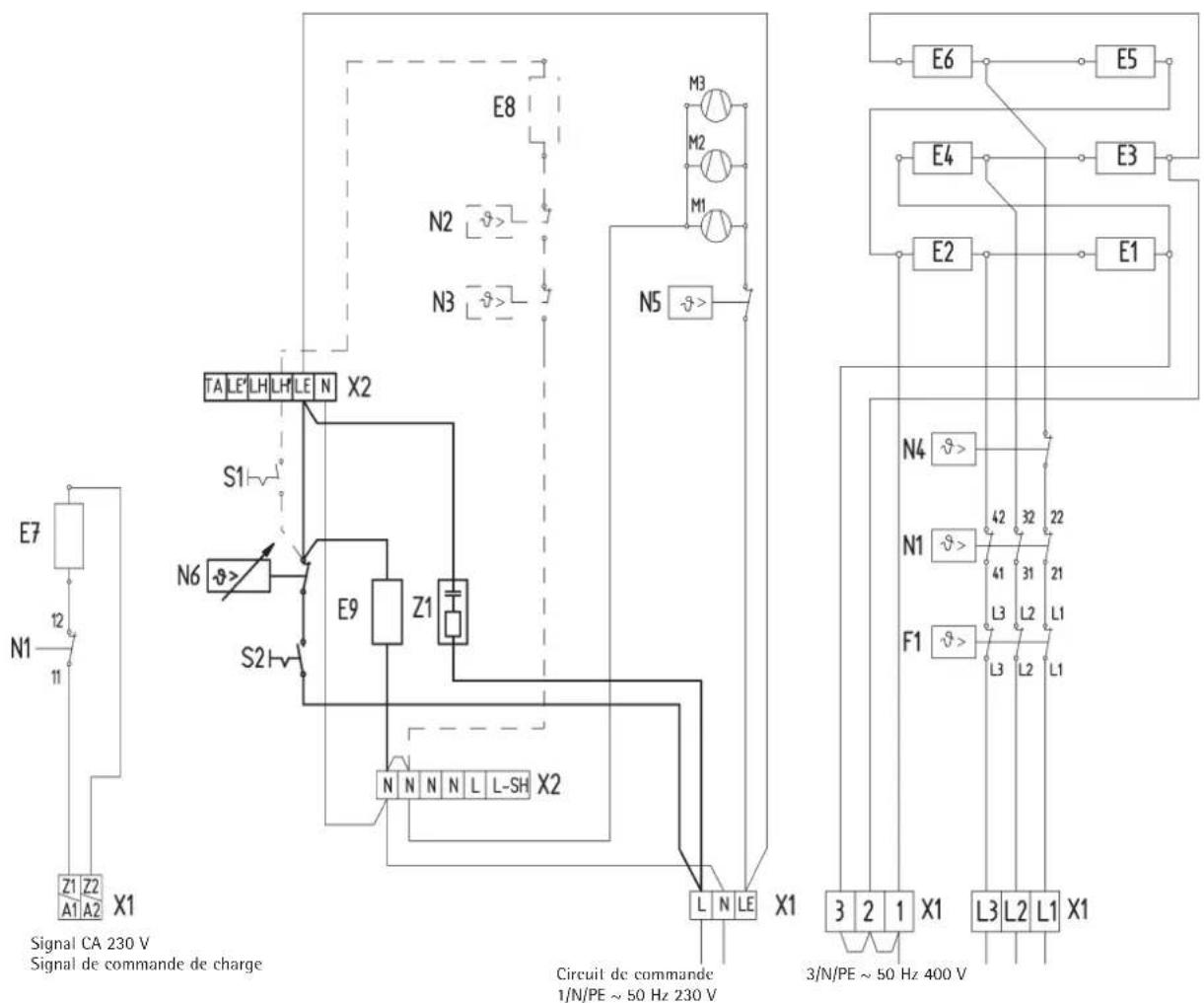
Câblage du thermostat d'ambiance conformément au schéma des connexions (voir schéma des connexions page 6)
-
Fil noir court entre interrupteur 2 (S2) et thermostat d'ambiance 5 (N6)
- Fil noir long entre interrupteur 2 (S2) sur bornier (L) X1
- Fil noir (long) entre résistance de chauffage 6 (E9) et thermostat d'ambiance 5 (N6)
- Fil bleu entre résistance de chauffage 6 (E9) et bornier X2 (N)
-
Fil noir entre thermostat 5 (N6) et bornier X2 LE (par le haut)
-
Visser le condensateur de protection contre les étincelles (7) sur la partie supérieure de la tôle (sur le bornier X2) avec la vis fournie
Cablage du condensateur de protection contre les etincelles: -
Fil bleu sur X1 L en haut (double affection)
- Fil noir sur X2 LE en haut (double affection)
-Fixerle cable sur le portecable dans le boitier de commande derriere la trole
Tous les fils doivent être placés dans le boîtier de commande de manière à ce qu'ils ne soient pas en contact avec la paroi latorale droite et qu'ils ne soient pas accessibles depuis les fentes d'aération. Ils ne doivent pas non plus se couver à proximé du passé-câble.
- Coller le schéma des connexions sur la paroi latérale droite (par dessus le schéma existant), cocher le type de montage et coller l'autocollant du panneau de commande sur le côte extérieur de la paroi latérale droite.
- Monter la paroi latorale droite. Fixer la vis avec une rondelle éventail (liaison à la terre!)





2.3.2 Légendes du schéma des connexions
X1 Bornier secteur
X2 Bornier
Scheme des circuits WSP 2010 - 7010 avec RTi 100 M
E1 - E6: Element chauffant (accumulateur)
E7: Résistance de chauffage
F1: Limiteur de température
M1 - M3: Soufflante
N1: Limiteur de température - Charge
N5: Limiteur de température - Tiroir du ventilateur
N4: Limiteur de température - Charge
X1: Bornier secteur
X2: Bornier
Thermostat d'ambiance intégré
E9: Résistance de chauffage
N6: Thermostat - Décharge
S2: Commutateur à bascule - Décharge
Z1: Condensateur de protection contre les étincelles
Chauffage auxiliaire
E8: Element chauffant auxiliaire
N2: Thermostat - Chauffage auxiliaire
N3: Thermostat - Chauffage auxiliaire
S1: Interrupteur MARCHE/ARRET - Chauffage auxiliaire

2.4 Contrôle de fonctionnement
Amener l'interrupteur de MARCHE/ARRET en position 1
Tournier ensuite le sélecteur de température jusqu'à ce que la soufflante de l'accumulateur de chaleur se mette en route.
Si la soufflante ne se déclenché pas, consulter le témoin de fonctionnement/dysfonctionnement du régulateur de charge et de décharge.
2.5 Remise à l'utilisateur
Cette notice d'utilisation et de montage fait partie intégrante de l'appareil et doit être conservée soignement par le propriétaire. Dans le cas d'un changement de propriétaire, ce document est à remettre au nouveau propriétaire.
En cas de réparation, le spécialiste doit pouvoir acceder à cette documentation.
3. Environnement et recyclage
Nous vous demandons de nous aider à préserver l'environnement. Pour ce faire, merci de vous débarrasser de l'emballage conformément aux régles nationales relatives au traitement des déchets.
Garantie
La garantie est à faire valor dans le pays ou l'appareil a eté acheté. A cette fin, veuillus prendre contact avec la filiale AEG Home Comfort concennee, à défaut l'importateur agreé.
Le montage, les raccordements, la maintenance ainsi que la première mise en service sont à réaliser par un installateur qualifié.
Le fabricant ne saurait etre rendu responsable des dommages causés par un apparéil qui n'aurait pas ete instalé ou utilisé conformément à la notice de montage et d'utilisation jointe à l' apparéil.
Notice Facile