RTI 103 EP - Thermostaat AEG - Gratis gebruiksaanwijzing en handleiding
Vind de handleiding van het apparaat gratis RTI 103 EP AEG in PDF-formaat.
Download de handleiding voor uw Thermostaat in PDF-formaat gratis! Vind uw handleiding RTI 103 EP - AEG en neem uw elektronisch apparaat weer in handen. Op deze pagina staan alle documenten die nodig zijn voor het gebruik van uw apparaat. RTI 103 EP van het merk AEG.
GEBRUIKSAANWIJZING RTI 103 EP AEG
Integreerbarethermostat voorwarmteaccumulatoren
WSP 1210 F tot WSP 4810 F,
WSP 3510 N en WSP 5010 N
Gebruiks- en montagehandleiding
Inhaltsverzeichnis
1. Gebruiksaanwijzing Voor de gebruiker
1.1 Werkwijze 28
2. Montagehandleiding Voor de installmenteur
2.1 Technische gegevens 29
2.2 Verpakkingseenheid 29
2.3 Montage 29
2.4 Functiecontrole 31
2.5 Aflevering 31
3.Milieu en recycling 34
1. Gebruiksaanwijzing
RTi 102 E
Bij de thermostat RTi 102 E gaat het om een elektronische 2-punts regelaar, d.w.z. dat de ventilatoren van de warmteaccumulatoren worden ingeschakeld, met een constant toerental draaien en weeer worden uitgeschakeld.
RTi 103 EP
Bij dethermostat Rti 103 EP gaat het om een elektronische proportionele regelaar, d.w.z. dat het toerental van de ventilatormotoren van de warmteaccumulatoren door de Rti 103 EP traploos aan de warmtebehoefte worden aangepast.
Hierbij worden het toerental van de ventilatormotoren afhankelijk van het verschilussen de temperatuur in de ruimte (werkelijk temperatuur) en de op de keuzeschakelaar ingestelde temperatuur (ingestelde temperatuur) geregeld. Hoe kleiner het verschil, hoe lager het toerental van de ventilatormotoren.
Wanner de warmteaccumulator beschwer met een aanvullende verwarming werk, dan schakelt de RTi 103 EPijdens het inschaken van de aanvullende verwarming (B) automatisch over maar een 2-punts regeling, d.w.z. dat de ventilatormotoren bij de behoefte aan warmte op het maximale toerental draaien.
Wanneer de aanvullende verwarming (B) met de schakelaar op het bedieningspaneel isuitgeschakeld, werkt de RTi 103 EP waar als een proportionele regelaar.

1.1 Werkwijze
De thermostaat worden m.b.v. de AAN/UIT-schakelaar (C) op het bedieningspaneel van de warmteaccumulator aan- en uitgeschakeld.
De gewenste kamertemperatuur kan traploos worden ingesteld m.b.v. de keuzeschakelaar (D). Wanneer de keuzeschakelaar (D) in de middelste stand staat, worden de kamertemperatuur constant op ca. 20^ gehonden. Door de keuzeschakelaar maar links of rechts te draaien kan de kamertemperatuurCUSden da. 5^ tot 35^ worden ingesteld.
Wanner de kamertemperatuur daalt tot onder de ingestelde waarde schakelt de ontladingsregelaar automatisch de ventilatormotoren van de warmteaccumulator in, zodat de opgeslagen warmte de ruimte in worden geblazen.
Op zeer koude davon wird het aanbevolen de thermostaat bij afwezigheid meerere davon ingeschakeld te latenten, om de kamertemperatuur op bijv. ca. 10^ te houden, zodat het gebouw c.q. de ruimte Niet afkoelt (bescherming gegen bevriezing).
2. Montagehandleiding

De inbouw van de thermostat koet worden uitgevoerd door een daartoe bevoegdevakman met inachtneming van de gebruiks- en montagehandleiding van zowel de thermostat als de warmteaccumulator.
Alle elektrische aansluit- en installmentewerkzaamheden dieren te worden uitgevoerd conform de VDE-bepalingen 0100, de voorschriften van de verantwoordelijkke elektriciteitsbedrijven en de betreffende nationale en regionale voorschriften.
2.1 Technische specificaties
| Model | RTi 102 E | RTi 103 EP |
| Nominate spanning | 1/N/PE ~ 50 Hz 230 V | 1/N/PE ~ 50 Hz 230 V |
| Schakelvermogen | 10 A | 10 A met aanvullende verwarming |
| Besturingsvermogen | - | 100 VA |
2.2 Verpakkingseenheid
1 Thermostat met
- verbindingsleiding voor regelaar op- en ontladen
- 6-polige stekkerverbindingen met kabelboom
1 AAN/UIT-schakelaar met 2 schakellussen
1 Regelaar (potmeter) met verbindingsleiding
1 Temperatuurkeuzeschakelaar
1 Gebruiks- en montagehandleiding
1 Temperatuurvoeler met 2 schroeven
1 Schakelschemastickers
1 Bedieningspaneel stickers
2.3 Montage
Voor het begin van de werkzaamheden de warmteaccumulator spanningsvrij makes.
Bij het aansluiten van de warmteaccumulator op een automatische oplaadbesturing kan er ook spanning op de klemmen A1/Z1 - A2/Z1 staan wanner dezekeringen zich verwijderd.
Bij de opstelling van meerdere warmteaccumulatoren naast elkaar moet erop worden gelet dat de regelaar voor de kamertemperatureur in het apparaat rechtsbuien worden geinstalleerd. Hiermee worden gegarandeerd dat de kamertemperatureur perfect kan worden geregistreeid.
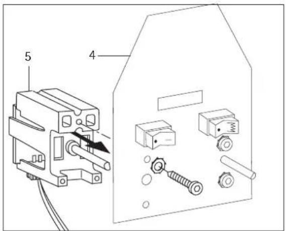
2.3.1 Inbouwvolgorde
- Verwijder het luchtin- en uitlaatrooster en de voorwand enrechtzer zijwand zoals in de gebruiksen montagehandleiding van de warmteaccumulator is beschreiben.
- Druk de blinde doppen (1) voor schakelaar en temperatuurkeuzeschakelaar met hulpmiddelen vanuit de schakelkamer uit het bedieningsspaneel linksboven en onder.
- Montage van de AAN/UIT-schakelaar: De zwarte draad (length L = 550 mm ) en de bruine draad met de platte stekkers op de schakelaar (2) door de houder (3) steken en vergrendel de houder op het hoekprofiel (4). Druk de aan-/uitschakelaar (2) met het symbool "I" rechts in de houder.
- De dentiometer (5) met ingestoken 3-polige aansluitleiding vanuit de schakelruimte met een bout 4 × 10 ~mm op de bevestigingsplaat (4) bevestigen. Daar bij moet erop worden gelet dat de as van de potmeter helemaal maar links is gedraaid (tegen de wijzers van de klok in) en de platte kant van de asহ rechts wijst.
- 3-polige aansluitleiding van de potmeter acheter de bevestigingsplaat langus maar de stekkerplaats van de ontlaadregelaar leggen (de aansluitleiding waar bij door de kabelhouser op het bedieningspaneel en op de bevestigingsplaat fixeren).
- De bevestigingsplaat in de schakelruimte - voor de bevestiging van de netaansluitklemmen - waar voren zwenken nadat de bout in dechterwand is losgedraaid (niet hebemaal uitdraaien).
-
De verbindingsleiding (X25) van de ontlaadregelaar (A2) op de oplaadregelaar (A1) steken (pagea 7).
-
De 6-polige stekkerverbinding van de ontlaadregelaar (A2 zie schakelschema) ache ter de bevestigingsplaat langus maar boven geleiden, van bovenaf in de stekker "TA" tot "N" van de aansluitklem X2 steken en vastdraaien (kabelboom in de aanwezige kabelhouser drukken).
- De ontlaadregelaar (6) in de boven de oplaadregelaar aangebrachte slobgaten steken en vastzetten.
- De aansluitleiding van de potmeter op de stekkerplaats X21 van dethermostat steken.
- Dethermostat (7/B2) met 2 schroeven (2,9× 6,5) gegen de voorste schuine kant van de bodemplaat schroeven. De aansluitkabel op de stekkerplaats X20 van de thermostat steken.
- De meegeleverde losese draden ache ter de bevestigingsplaat langs geleiden en overeenkomstig de onderstaande tabel (op de klemmen X1 en X2 van anderen af) aansluiten:
| Aanduiding | Verleggen | |
| van | haar | |
| Draad (zwart) | L (X1) | S2 (stekkerplaats boven) |
| Draad (bruin) | LE' (X2) | S2 (stekkerplaats onder) |




De draden mogen de printplaat van het bedieningspaneel alsmede de enkelvoudig geisoleerde draden van de lage verilheidsspanning Niet raken!
Deaar de schakelaar leidende draden in de aanwezige kabelboom opnemen (de kabelbinders konnen geopend en wee gesloten worden).
- De bevestigingsplaat waar maarachten zwenken en vastschroeven.
- De bedieningspaneel stickers op de buitenkant van de rechtzer zijwand plakken.
- De zichwand, voorwand alsmede luchtafvoer- en luchttoevoerroosters weeer op het apparaat bevestigen (de inbouwvolgorde in acht nemen).
De getande borgingen要去en onder de bevestigingsbauten van de zich- en voorwand worden gestoken (aardleiderverbinding!)
De verbindingsleiding van het bedieningspaneel maar de thermostat要去pezifde wijze verlegd en bevestigdo worden als de aanwezigie ledingen maar het bedieningspaneel. Deze mogen de tussenwand en de aansluitingen van de verwarmingselementen Niet raken.

2.4 Functiecontrole
Zet de AAN/UIT-schakelaar in de stand ontlading
Vervolgens de temperatuurkeuzeschakelaar draaien, totdat de ventilator van de
warmte accumulator wordt ingeschakeld.
Neem, wanner de ventilator Niet wordt ingeschakeld, de bedrijfs- en foulmelingen op de op- en ontlaadregelaar in acht.
2.4.1 Bedrijfs- en storingsmeldingen op de oplaadregelaar
LED brandt „groen" geen storing de oplaadregelaar werkdt zonder problemen.
LED brandt, rood" storing
a) De keuzeschakelaar voor opladen (R1) en/of de kernvoeler (B1) is defect of Niet aangesloten.
b) De stekkerbrug voor vermindering van de oplaadgraad op de oplaadregelaar ontbreekt. Er worden Niet opgeladen.
LED brandt, "orange" storing op ontlaadregelaar
a) De ontlaadregelaar is defect
b) De potmeter voor het instellen van het ontladen is defect en/of nicht aangesloten.
De temperatuur wordt op ca. 22 °C gezhouden.
c) Dethermostat is defect en/of nicht aangesloten.
Deze gelebruiks- en montagehandleiding hoor bij het apparaat en dient door de eigenaar zorgvuldig te worden bewaard. Wonneer het apparaat een andere eigenaar krijgt, moet ook de handleiding worden overgedragen.
Bij eventuele reparations dient de vakman de gebruiks- en montagehandleiding ter inzage te ontvangen.
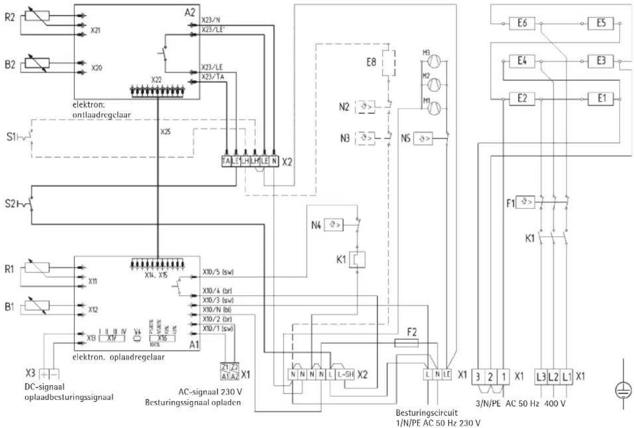
Schakelschema WSP 1210 - 4810 F met RTi 102 E Schakelschema WSP 3510 en 5010 N met RTi 102 E
A1: Elektronische oplaadregelaar
B1: Kerntemperatuurvoeiler - opladen
E1 - E6: Verwarmingselement (accumulator)
F1: Veiligeidstemperatuurbegrenzer
F2: zekering (250V 2A traag)
K1: Thermorealis
M1 - M3: Ventilator ontladen
N4: Temperatuurbegrenzer - opladen
N5: Temperatuurbegrenzer - ontladen
R1: Regelaar - opladen (keuzeschakelaar)
V4: Controleampje werkungoodwerking
X1: Netaansluitklemmen
X2:Aansluitklemmen
X3:DC-aansluitklem0,91-1,43V
X16: Besturingsignaalaanpassing 4-traps
X17: Vermogensreductievoorziening 4-traps
worden Niet meegeleverd, bij inbouw de desbetreffende accessoires aankruisen
Geintegr.thermostat 2-punts
A2: Elektronische ontlaadregelaar
B2: Temperatuurvoeler ontladen
R2: Regelaar - ontladen (keuzeschakelaar)
S2: AAN/UIT-schakelaarthermostat
Aanvullende verwarming
E8:Aanvullende verwarming
N2: Temperatuurregelaar - aanvullende verwarming
N3: Temperatuurregelaar - aanvullende verwarming
S1: AAN/UIT-schakelaar - aanvullende verwarming
Tijdens het inbouwen van de aanvullende verwarming (E8) het toegestane schakelvermogen van de thermostat in acht nemen!

Schakelschema WSP 1210 - 4810 F met RTi 103 EP Schakelschema WSP 3510 en 5010 N met RTi 103 EP
A1: Elektronische oplaadregelaar
B1: Kerntemperatuurvoeler - opladen
E1 - E6: Verwarmingselement (accumulator)
F1: Veiligheidstemperatuurbegrenzer
F2: zekering (250V 2A traag)
K1: Thermorelais
M1 - M3: Ventilator ontladen
N4: Temperatuurbegrenzer - opladen
N5: Temperatuurbegrenzer - ontladen
R1: Regelaar - opladen (keuzeschakelaar)
V4: Controleampje werkungoodwerking
X1: Netaansluitklemmen
X2:Aansluitklemmen
X3:DC-aansluitklem0,91-1,43V
X16: Besturingsignaalaanpassing 4-traps
X17: Vermogensreductievoorziening 4-traps
worden Niet meegeleverd, bij inbouw de desbetreffende accessoires aankruisen
Geintegr.thermostat proportioneel
A2: Elektronische ontlaadregelaar
B2: Temperatuurvoeler ontladen
R2: Regelaar - ontladen (keuzeschakelaar)
S2: AAN/UIT-schakelaarthermostat
Aanvullende verwarming
E8:Aanvullende verwarming
N2: Temperatuurregelaar - aanvullende verwarming
N3: Temperatuurregelaar - aanvullende verwarming
S1: AAN/UIT-schakelaar - aanvullende verwarming
Tijdens het inbouwen van de aanvullende verwarming (E8) het toegestane schakelvermogen van de thermostat inRCTn!

3 Garantie
Aanssprak op garantie bestaat uitsluitend in het land waar het materiaal gekocht is. U dient zich te wenden tot de vestiging van AEG of de importeur hiervan in het betreffende land.

De montage, de elektrische installmentie, het onderhoud en de eerste inbedrijfname mag uitsluitend worden uitgevoerd door een gekwalificeerd persoon.
De fabrikant is nicht aansprakelijk voor defecte toestellen, welke Niet volgens de bijgeleverde gebruiks- en montageaanwijzing zijn aangesloten of worden gebruikt.
3.1 Milieu en recycling
Wij verzoeken u ons bij de bescherming van het milieu behulpzaam te zich. Verwijder de verpakking waarom overeenkomstig de voor de afvalverwerking geldende nationale voorschriften.
Verwijdersen van transportverpakkingen en oude apparaten
Het verwijderen van oude apparaten dient correct an adequaat volgens deplaatselijk geldende voorschriften en wetten te geschieden. De recycling van oude toestellen moet steeds vakkundig en volgens de ter plaatse geldende voorschriften en wetgeving plaats vinden.
Stiebel Eltron Nederland b.v.
Divisie AEG Home Comfort
Daviottenweg 36, Postbus 2020
5202 CA's Hertogenbosch
Tel. 073-6230000
Fax 073-6231141
Österreich
Stiebel Eltron Ges. m.b.H.
EferdingerStr.73
4600 Wels
Tel. 07242-47367-0
Fax 07242-47367-42
Polska
Stiebel Eltron Polska Sp. z o.o.
ul. Instalatorów 9
02-237 Warszawa
Tel. 0 22 - 8 46 48 20
Fax 022-8466703
Schweiz
EHT Haustechnik AG
Industriestrasse 10
5506 Mägenwill
Tel. 062-8899214
Fax 062-8899126
SimpelGids