TCS115A - Sega Tacklife - Manuale utente e istruzioni gratuiti
Trova gratuitamente il manuale del dispositivo TCS115A Tacklife in formato PDF.
| Caratteristiche tecniche | Sega circolare 1200W, diametro della lama 115 mm, velocità a vuoto 3500 giri/min |
|---|---|
| Profondità di taglio | Max 30 mm a 90°, 20 mm a 45° |
| Peso | 2,5 kg |
| Utilizzo | Ideale per legno, plastica e materiali simili |
| Manutenzione | Pulizia regolare, affilatura della lama, controllo dei cavi elettrici |
| Sicurezza | Protezione da sovraccarichi, interruttore di sicurezza, guida di taglio inclusa |
| Informazioni generali | Garanzia 24 mesi, accessori inclusi: lama da sega, chiave di montaggio, guida parallela |
Domande frequenti - TCS115A Tacklife
Scarica le istruzioni per il tuo Sega in formato PDF gratuitamente! Trova il tuo manuale TCS115A - Tacklife e riprendi in mano il tuo dispositivo elettronico. In questa pagina sono pubblicati tutti i documenti necessari per l'utilizzo del tuo dispositivo. TCS115A del marchio Tacklife.
MANUALE UTENTE TCS115A Tacklife
| SPECIFICHE TECHNICHE | |
| Valutazione: | 220-240 V, 50 Hz, AC |
| Ampere: | 710W |
| Velocià: | 3,500 RPM (no load) |
| Lama: | 4 1/2" (114.3 mm) 24TCT |
| Pergolato: | 3/8" (9.5 mm) |
| Profondità di taglio @ 90°: | 1 11/16" (42.9 mm) |
| Profondità di taglio @ 45°: | 1 1/8" (34.9 mm) |
| Domande tecniche Parti di ricambio Parti mancanti dal pacchetto | |
GENERAL SAFETY WARNINGS
AVVERTIMENTO: Prima di utilizzato quello utensile o di uno dei loro accessori, leggere quello manuale e seguire tutte le norme di sicurezza e le istruzioni per l'uso. Le importanti precauzioni, le garanzie e le istruzioni che appaiono in quello manuale non sono intese a coprire tutte le situazioni possibili. Bisogna comprehende che il buon senso e la cautela sono fattori che non possono essere incorporati nel prodotto.
Questo manuale di istruzioni comprende quanti seguenti:
- Regole generali di sicurezza
- Regole spefiche di sicurezza e symboli
- Descrizioni delle funzioni
Montaggio - Operazione
- Mantenuziona
- Accessori
PROTEZIONE DI OCCHIALI, ORECCHI E POLMONE

VESTIRE SEMPRE LA PROTEZIONE DIOCCHIALI CHE COMFORMA A CSA REQUISTI O ANSI SICUREZZA STANDARD Z87.1
Detriti volanti più causare danni permanentiagli occhi. Gli occhiali da vista non sono sostituibili per una corretta protezione degli occhi.
AVVERTIMENTO: Occhiali non conformi possono causare lesions gravi se rotto durante il funzionamento di un utensile elettrico.
AVVERTIMENTO: Utilizzato la protezione dell'udito, in particolare durante lunghi periodi di funzionamento dell'utensile o se l'operazione è rumorosa
AVVERTENZE GENERALI DI SICUREZZA

INDOSSARE UNA MASCHERA DI POLVERE che è progettata per essere utilizzata quando si utilizes un utensile di potenza in un ambiente duro.

AVVERTIMENO: La polvere creata con la levigatura, la segatura, la macinazione, la foratura e altre attività costruttive di potenza può sostanze chimiche noti per causare cancro, difetti di nascita o altri anomalie genetiche. Queste sostanze chimiche incluse:
Proveniente da pitta a base di piombo
Silice cristallina di mattoni, cemento e altri prodotti in muratura Arsenico e cromo da legname trattato chimicamente
Il livello di rischio di esposizione a queste sostanze chimiche varia a seconda di quanto spesso viene eseguito quello tipo di lavoro. Per ridurre l'esposizione a queste sostanze chimiche, lavorare in un'area ben ventilata e utilizzare apparetcchiature di sicurezza APPROVATE, ad esempio una maschera antipolvere specificamente progettata per filtrare le particelle microscopiche.
SICUREZZA ELETTRICA

AVVERTIMENTO: Per evitare pericoli elettrici, pericoli di incendio o danni all'utensile, utilizzato una corretta protezione del circuito.
Questo utensile è cablato in fabbrica per un funzionamento a 120V AC. Deve essere collegato ad un circuito a 120V AC, 15 AMP protetto da un fusibile o interruptatore ridardato. Per evitare urti o incendi, sostuire immediamente il cavo di alimentazione se è usurato, tagliato o danneggiato in alcun modo.
SICUREZZA DI UTENSILI ELETTRICI

AVVERTIMENTO: Leggere tutte le avventenze di sicurezza e le istruzioni. La mancata osservanza delle avventenze e delle istruzioni cui po causare scosse elettriche, incendi e / o gravi lesioni.
Salvare tutte le avventenze e le istruzioni per il futuro riferimento.
Sicurezza nell'area di lavoro
- Tenere l'area di lavoro pulita e ben illuminata. Zone chiuse o scure invitano incidenti.
- Non utilizzato utensili elettrici in atmossere esploso, ad esempio in presenza di liquidi infiammabili, gas o polvere. Gli utensili elettrici creano scintille che possono accendere la polvere o i fumi.
- Tenere i bambini e gli astanti lontani durante il funzionamento di un potere troppol. Le distrazioni possono causare perdere il controllo.
Sicurezza elettrica
Le spine dell'utensile elettrico devono corrispondere alla presa. Non modificare mai la spina in alcun modo. Non utilizzato tappi adattatori con utensili a terra (messa a terra). Unmodified plugs and matching outlets will reduce risk of electric shock.
Evitare il contatto del corpo con superfici di terra o di terra come tubi, radiatori, gamme e frigoriferi. Il rischio di scossa elettrica è augmentato se il corpo è messa a terra o collegato a terra.
Non esporre gli utensili elettrici a pioggia oa bagnate. L'acqua che entra in un utensile elettrico aumento il rischio di scosse elettriche.
Non abusare del cavo. Non utilizzato mai il cavo per il trasporto, la tiratura o lo scollegamento dell'attrezzo elettrico. Tenere il cavo lontano da calore, olio, bordi affilati o parti in movimento. I cavi danneggiati o incastrati aumentano il rischio di scosse elettriche.
Quando si utilizza uno strumento elettrico all'aperto, utilizzare un cavo di prolunga adatto all'uso esterno. L'uso di un cavo adatto all'uso esterno riduce il rischio di scosse elettriche.
ISe è inevitabile l'azionamento di un utensile elettrico in una posizione umida, utilizzare un'alimentazione protetta con dispositivo di corrente residua (RCD). L'uso di un interrottore di circuito a terra (GFCI) riduce il rischio di scosse elettriche.
Sicurezza personale
Rimani attento, guarda casa stai facendo e usa il buon senso quando si utilizza uno strumento elettrico. Non utilizzare uno strumento elettrico quando sei stanco o sosto l'influenza di farmaci, alcol o farmaci. Un momento di disattenzione durante l'utilizzo di utensili elettrici cui provocare gravi lesioni personali
Usare dispositivi di protezione individuale. Indossare sempre protezioneagli occhi. Apparecchiature protettive come la maschera antipolvere, le scarpe di sicurezza non antiscivolo, il cappello duro o la protezione uditiva usate in condizioni adeguate riducono le lesioni personali.
Evitare l'inizio involontario. Assicurarsi che l'interruttore sia in posizione di spegnimento prima di collegare la fonte di alimentazione e / o la batteria, prelevandola o portando l'utensile. Portare gli attrezzi elettrici con il dito sull'interruttore o gli attrezzi elettrici che alimentano l'accensione invitano gli incidenti.
Rimuovere eventuali chiavi di regolazione o chiave prima di accendere lo strumento elettrico. Una chiave o una chiave attaccata ad una parte ruotante dell'utensile elettrico possono causare lesioni personali.
Non allungare. Tenere sempre il giusto livello e l'equilibrio in agli uomini. Ciò consente un migliorie controlo dello strumento elettrico in situazioni impreviste.
Vesti bene. Non indossare abiti sciolti o gioielli. Tenere i capelli, gli indumenti ei quanti lontani delle parti in movimento. Abbigliamento, gioielli o capelli lunghi possono essere catturati in parti in movimento.
Se sono previsti dispositivi per il collegamento di impianti di estrazione e raccolta di polvere, assicurarsi che questi siano collegati e utilizzati correttamente. L'uso della raccolta della polvere può ridurre i rischi legati alla polvere
SICUREZZA DI UTENSILI ELETTRICI
Utilizzo e manutenzione di utensili elettrici
Non forzare l'utensile elettrico. Utilizzare lo strumento elettrico corretto per l'applicazione. Lo strumento di alimentazione correttto renderà il lavoro migliorere e più sicuro alla velocità per cui è stato progettato.
Non utilizzato lo strumento elettrico se l'interruttore non è accesso e spento. Qualsiasi utensile elettrico che non può essere controllato con l'interruttore è pericoloso e delve essere riparato.
Scollegare la spina dalla fonte di alimentazione e / o dalla batteria dall'eletttroutensile prima di apportare qualsiasi regolazione, sostituzione di accessori o memorizzazione di utensili elettrici. Tali misure di sicurezza preventive riducono il rischio di avviare accidentallyo lo strumento elettrico.
Conservare gli utensili elettrici a vuoto fuori alla portata dei bambini e non permettere a persona che non conoscano l'utensile elettrico o queste istruzioni per azionare l'utensile elettrico. Gli utensili elettrici sono pericolosi nelle mani degli utenti non addestrati.
Mantenetegli attrezzi elettrici. Verificare il disallineamento o il legame di parti in movimento, la rottura di parte e qualsiasi altra condizione che possa influire sull'utilizzo dell'utensile. Se danneggiato, riparare l'utensile elettrico prima dell'uso. Molti incidenti sono causati da attrezzi elettrici molto manutentati.
Tenere gli utensili di taglio affiliati e puliti. Strumenti di taglio correttamente mantenuti con bordi taglienti taglienti sono meno probabili legare e sono più facili da controllare.
Utilizzare l'utensile elettrico, gli accessori e le punte degli utensili, ecc., Secondo le presenti istruzioni, tenendo conto delle condizioni di lavoro e dei lavori da eseguire. L'uso dell'utensile elettrico per operazioni diverse da quale previste potrebbe provocare una situazione pericolosa.
Tenere l'utensile elettrico delle superfici di Utilizzato morsetti o un'alto modo pratico per fissare e sostenere il pezzo su una piattaforma stabile. Tenendo l'opera a mano o contro il tuo corpo lascia instabile e può portare a perdita di controllo.
Servizio
Assicurarsi che l'utensile elettrico sia riparato da una persona riparatrice qualificata utilizzando esclusivamente parti di ricambio identiche. Ciò assicurera che la sicurezza dell'eletttroutensile sia mantenuta.
presa isolate durante l'esecuzione di un'operazione in cui lo strumento di taglio più contattare il cablaggio nascosto o il proprio cavo. Il contatto con un filo "live" renderà le parti metalliche esposte dell'utensile "in tensione" e sconvolgono l'operatore.
CONSERVARE QUESTE ISTRUZIONI PER RIFERIMENTO REGOLE SPEFICHE DI SICUREZZA

AVVERTIMENTO: Conosci la tua sega circolare. Non collegare lo strumento alla fonte di alimentazione fine a che non si è leggere e non comprendere questo manuale di istruzioni. Scopri le applicazioni e le limitazioni dell'utensile, nonché i rischi potenziali specifici relativi a quello strumento. Seguire但这a regola ridurà il rischio di scosse elettriche, incendi o lesioni gravi.

Indossare sempre protezioneagli occhi. Qualsiasi strumento elettrico cui potò buttare oggetti estranei negli occhi e causare danni permanenti agli
SEMPRE indossare occhiali di sicurezza (non occhiali) conformi allo standard di sicurezza ANSI Z87.1.
Gli occhiali quotidiani hanno solo lenti resistentiagli urti. NON sono gli occhiali di sicurezza.

AVVERTIMENTO: Occhiali o occhiali non conformi a ANSI Z87.1 potrebbero causare gravi lesions quando si rompono.
Tenere sempre le mani dal percorso della lama. Evitate le posizioni inconvenienti delle mani in cui un improvviso scivolamento potrebbe causare la tua mano a muoversi nel percorso della lama.

PERICOLO: Tenere le mani lontano dall'area di taglio e alla lama. Tieni la seconda mano sull'utensile. Se entrambe le mani stanno tenendo la sega, non possono essere tagliate alla lama.
Non toccare fatto il pezzo. La guardia non può proteggerti alla lama fatto il pezzo.
Regolare la profundità di taglio allo spessore del pezzo. Meno di un dente completingo dei denti delle lame dovrebbe essere visibile sotto il pezzo.
Non tenere mai il pezzo tagliato nelle mani o nella gamba. Fissare il pezzo su una piattaforma stabile. è importante sostenere correttamente il lavoro per ridurre al minimo l'esposizione del corso, il legame della lama o la perdita di controllo.
Tenere l'utensile elettrico dalle superfici di presa isolate durante l'esecuzione di un'operazione in cui lo strumento di taglio può contattare il cablaggio nascosto o il proprio cavo. Il contatto con un filo "in tensione" faràanche delle parti metalliche esposte dell'utensile elettrico "in tensione" e sconvolgerà l'operatore.
Quando si strappa, utilizzare sempre la guida di ripresa o la barra dritta. Ciò migliorara l'esattezza del taglio e riduce la possibilità di legare la lama.
Utilizzare sempre lame con fori e forme corrette (diamante contro rotondo) di fori per arbor. Le lame che non corrispondono all'hardware di montaggio della sega funzioneranno eccentricamente, causando perdita di controllo.
Non usare mai rondelle o bulloni danneggiati o non corretti. Le rondelle e il bullone della lama sono state appositamente progettate per la vostra sega, per prestazioni ottimali e sicurezza di funzionamento.
Non utilizzato mai lame abrasive con但这a sega circolare.
CAUSALI E PREVENZIONE DELL'OPERatore DI BOMBARDO
Il Kickback è una reazione improvvisa a una lama segata, legata o non allineata, causando una sega incontrata da sollevare e uscire dal pezzo da lavorare verso l'operatore;
Quando la lama viene pizzicata o legata strettamente con la chiusura del cerchio, la lama si blocca e la reazione del motore aziona l'unità rapidamente
verso I'operaatore.
Se la lama diventa invertita o disallineata nel taglio, i denti sul bordo posteriore della lama possono scavare nella superficie superiore del legno causando la lama di salute fuori dal cerchio e saltare indietro verso l'operatore.
Il rimborso è il risultato di un uso improprio e / o di procedure o condizioni di funzionamento errato e può essere evitato prendendo le precauzioni appropriate, come indicato di seguito:
REGOLE SPEFICHE DI SICUREZZA
CAUSE E PREVENZIONE DELL'OPERatore DI SORGENTE - cc
Mantenere una presa ferma sulla sega e posizionare le braccia per resistere alle forze di ritorno. Posizionare il corpo al lato sinistro o destro della lamà, ma non in linea con la lamà. La rottura potrebbe causare la sega a saltare all'indietro, ma le forze di ritorno possono essere controllate dall'operatore, se vengono prese le opportune precauzioni.
Quando lalama è vincolante o quando interrompe un taglio per qualsiasi motivo, rilasciare il grilletto e tenere la sega immobile nel materiale sono a quando lalama non viene interrotta. Non tentare mai di rimuovere la sega dal lavoro o tirare la sega all'indietro nelle la lamà è in movimento o si può verificare il ritorno del bullone. Indagare e intraprenderere azioni correttive per eliminare la causa del legame delle lame.
Durante la riavolgimento di una sega nel pezzo, concentrare la lama nel fusto e verificare che i denti seghe non siano inserti nel materiale. Se le lame di sega sono vincolanti, perché camminare o provocare danni dal pezzo quando la sega viene riavviata.
Supporto di pannelli di grande dimensioni per ridurre al minimo il rischio di pinzatura delle lame e del ritorto. I pannelli di grande dimensioni tendono ad abbassarsi molto il proprio peso. I supporti devono essere posti molto il pannello da entrambi i lati, vicino alla linea di taglio e vicino al bordo del pannello.
Non utilizzare lame apache o danneggiate. Le lame inesplorate o appropriamente producono un cerchio stretto che causa un attrito eccessivo, una legatura e un rimbalzo.
Non utilizzare lame apache o danneggiate. Le lame inesplorate o impripriamente producono un cerchio stretto che causa un attrito eccessivo, una legatura e un rimbalzo.
Le leve di bloccaggio della profundità e delle lame devono essere ben serrate e sicure prima di tagliare. Se la regolazione della lama passa durante il taglio, può causare un legame e una rottura.
Prestare particolare attenzione quando si effettua un "taglio a tuffo" nelle pareti esistenti o in altre zone blindate. La lama sporgente cui tagliare oggetti che possono causare il ritorto.
ULTERIORI REGOLE SPECIFICHE DI SICUREZZA
Controllare la protezione inferiore per una corretta chiusura prima di ogni uso. Non utilizzare la sega se la protezione inferiore non si muove liberamente e si chiude istantaneamente. Non bloccare mai o fissare la protezione inferiore nella posizione aperta.Se la sega è caduta accidentally, la protezione inferiore può essere danneggiata. Sollevare la protezione inferiore con la maniglia di arresto e assicurarsi che si muove liberamente e non tocca la lama o qualsiasi另一 parte in tutte le profundità dei tagli.
Controllare il funzionamento della molla di protezione inferiore. Se la protezione e la molla non funzionano correttamente, devono essere effettuati prima dell'uso. La protezione inferiore può funzionare lentamente a causa di parti danneggiate, depositi gommosi o accumulo di detriti.
La protezione inferiore deve essere ritratta manualmente solo per tagli speciali come "tagli" e "tagli". Sollevare la protezione inferiore mediante l'arresto della maniglia e non appena la lama entra nel materiale, la protezione inferiore deve essere rilasciata. Per tutte le altre seghe, la protezione inferiore dovrebbe funzionare automaticamente.
Osservare sempre che la protezione inferiore copre la lama prima di posizionare la sega in basso sul banco o sul pavimento. Una lamierina protetta e non protetta provocherà la sega a camminare all'indietro, tagliando tutto ciò che è nel suo cammino. Prestare attenzione al tempo necessario per arrestare la lama dopo che l'interruttore è stato rilasciato.
Non utilizzato mai la sega nelle portata in un'altra posizione. La protezione della lamierina può essere aperta e potenzialmente causare lesioni gravi. Se l'interruttore non riesce a ruotare la sega o disattivare correttamente, interrompere immediatamente l'uso e sostituire l'interruttore della sega.
Lasciare sempre che la sega raggiunga la massima velocità prima di iniziare il taglio.
REGOLE SPEFICHE DI SICUREZZA
ULTERIORI REGOLE SPECIFICHE DI SICUREZZA -cont'd
Non utilizzare mai il lato della lamà per il taglio. Quando si effettuano tagli orizzontali, assicurarsi che il peso dell'utensile non imponga il lato della lamà per eseguire il taglio. Ciò ridurre è rischio di rimborso.
Assicurarsi che non ci siano chiodi o oggetti estranei nella area del pezzo da tagliare.
Non posare mai il pezzo su superfici dure come calcestruzzo, pietra, ecc. La lama sporgente cui cause are uno strumento di salto.

PERICOLO: Per evitare lesioni dall'avvio accidentale, rimuovere sempre la spina dalla fonte di alimentazione prima di apportare eventuali regolazioni e prima di installare o rimuovere una lama di sega.
Quando si sostituisce la lama, assicurarsi che la lama di ricambio sia di 3 ‰ "di diametro e sua valutata per almeno 3,500 giri / min. L'installazione di una lama non corretta provoca possibili lesioni e cattive operazioni di taglio.
Dopo aver cambiato una lama o eseguendo delle regolazioni, assicurarsi che la vite di fissaggio della lama si saldamente serrata. Le lame sciolte e dispositivi di regolazione saranno gettati violentamente.
Non toccare mai la lama durante o subito dopo l'uso. Dop o l'uso la lama è troppo calda per essere toccata in sicurezza con le mani nude.
SICUREZZA DEL CODA DI ESTENSIONE
VERTIMENTO: Tenere il cavo di prolunga lontano dall'area di lavoro. Posizione are il cavo in modo che non venga bloccato sul pezzo da lavorare, sug utensili o sugli altri ostacoli nelle lavora con l'utensile elettrico.
Assicurarsi che tutti i cavi di prolunga utilizzati con quello utensile siano in buone condizioni. Quando si utilizza un cavo di prolunga, accertarsi di utilizzato uno dei misuratori abbastanza pesanti per portare la corrente attirata dall'utensile. Un cavo di dimensioni ridotte provochera un calo della tensione di linea, con seguente perdita di potenza e surriscaldamento.
La tabella a destra在哪的 dimensioni corrette da utilizzato in base alla lunghezza del cavo e alla targhetta delle ampère rating. Se è in dubbio, utilizzato il prossimo calibro più pesante. Piè piccolo è il numero di calibro più pesante il cavo.
Assicurarsi che il cavo di prolunga sia correttamente cablato e in buone condizioni. Sostituire sempre un cavo di prolunga danneggiato o ripararlo da un elettricista qualificato prima di utilizzato. Protegga il cavo di prolunga da oggetti taglienti, da caldo eccessivo e da aree umide o umide.
Utilizzare un circuito elettrico分开 per i vostri utensili elettrici. Questo circuito non deve essere inferiore a un filo di 14 gauge e deve essere protetto con un fusabile o un interruptore automatico ridardato 15 AMP. Prima di collegare l'utensile elettrico alla fonte di alimentazione, accertarsi che l'interruttore sia in posizione OFF e che la fonte di alimentazione sia la stessaindicata sulla targhetto. Il funzionamento a bassa tensione danneggia il motore.

VERTIMENO: Riparare o sostuire immediatamente i cavi di prolunga danneggiati o usurati.
Selezionare il misuratore e la lunghezza del cavo di prolongamento appropriato utilizzato la tabella riportata di seguito
Quando si utilizes una strumento elettrico all'esterno, utilizeszare un cavo di prolunga esterno contrassegnato con "W-A" o "W". Queste corde sono classificate per uso esterno e riducono il rischio di scosse elettriche.

AVVERTIMENTO: Tenere il cavo di prolunga lontano dall'area di lavoro. Posizione are il cavo in modo che non venga bloccato sul pezzo da lavorare, sugli utensili o sugli altri ostacoli nelle lavora con l'utensile elettrico.
| CALIBRO MINIMO (AWG) PROLUNGHE (120V Usare solo) | |||||
| Valutazione dell'amperagg | Lunghezza totale | ||||
| Più di | Non più di | 25' (7.5 m) | 50' (15 m) | 100' (30 m) | 150' (45 m) |
| 0 | 6 | 18 | 16 | 16 | 14 |
| 6 | 10 | 18 | 16 | 14 | 12 |
| 12 | 12 | 16 | 16 | 14 | 12 |
| 12 | 16 | 14 | 12 | Not Applicable | |
SIMBOLI
AVVERTIMENTO: Alcuni dei seguenti symboli possono essere visualizzati sulla sega circolare. Studi questi symboli e imparate il loro significato. La corretta interpretazione di questi symboli consentirà un funzionamento più efficente e sicuro di quello strumento.
| V Volt | |
| A Ampere | |
| Hz Hertz | |
| W Watts | |
| kW Kilowatts | |
| Microfarads | |
| L litri | |
| kg Kilogrammi | |
| H Ore | |
| N/cm2 Newton per centimetro quadrato | |
| Pa Pascal | |
| OPM Oscillazioni al minuto | |
| Min Minutes | |
| S Secondi | |
| or a.c. Corrente alternata | |
| R Corrente trifase alternata | |
| R Corrente alternata trifase con neutro | |
| = = = | Corrente continua |
| n。 | Nessuna velocità di carico |
| √ | Alternating or direct current |
| □ | Corrente alternata o diretta |
| Δ | Costruzione antiurto |
| ▲▲ | Costruzione stagna |
| ⊕ | Messa a terra protettiva in morsetto di messa a terra, |
| .../min | Rivoluzioni o reciprocazioni al minuto |
| ∅ | Diametro |
| 0 | Off posizione |
| → | Freccia |
| △ | Simbolo di avvertimento |
| 图 | Indossare i vetri di sicurezza |
| Indossare una maschera di polvere | |
| Indossare la protezione uditiva | |
CONOSCERE IL SEGA CIRCOLARE


Installazione e Operazione
NOTA: A titolo illustrativo, alcuni disegni molto prostrano l'adattatore di vuoto installato sulla sega. L'adattatore di vuoto NON deve essere installato se non viene utilizzato un vuoto.
RIMOZIONE E INSTALLAZIONE DI UNA LAMA
AVERTIMENO: Rimuovere sempre la spina dalla fonte di alimentazione prima di rimuovere la lama o di regolare la sega in qualsiasi modo.
AVVERTIMENTO: Usare cautela quando si manipola la lama. É tagliente e può fácilmente tagliare la tua mano.
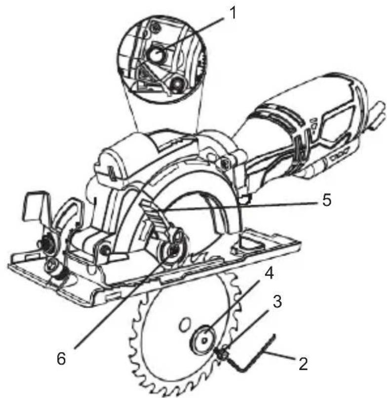
- Premere verso l'internalo il pulsante di bloccaggio dell'albero (1) (Fig. 1).
- Inserire la chiave esagonale da 5mm (2) nella vite della lama (3). Mentre premete verso l'interno il pulsante di bloccaggio dell'albero ruotare la chiave esagonale in senso orario finché il pulsante di bloccaggio dell'albero non si impegna con l'albero della lama. Continuire a ruotare la chiave esagonale in senso orario e rimuovere la vite della lama e la flangia della lama esterna (4).
NOTA: La vite della lama è un filo di sinistra.
- Ruotare la leva di protezione della lama (5) in senso antiorario finché andra.
- Se sulla lama è giorn installata una lama, sollevare la lama dal mandrino (6) e farla scorrereattraverso lo slot nella piastra.

Fig. 1
- Per reinstallare una lama, invertire la procedura precedente.
NOTA:
a) Assicurarsi che i denti della lama siano rivolti in avanti nella parte inferiore della lama.
b)Durante la ricostituzione del dato flangia esterno assicurarsi che gli alloggiamenti del dato flangiato si adattinoagli appartamenti sul mandrino.
c)Ruotare la vite della lama in senso antiorario per inserirla nel mandrino. Assicurarsi che la vite non sua filettata.
6. Quando la nuova lama, la flangia esterna e la vite della lama sono in posizione, premere il pulsante di bloccaggio del mandrino e stringere completenessla vite della lama.
7. Quando la vite della lama è Completely serrata, ruotare con cautela la lama per assicurarsi che non si abbatte. Se si oscilla, rimuovere e reinstallare la lamiera assicurandosi che sua installata correttamente.
IMPOSTAZIONE DELLA PROFONDALITA DI TAGLIO
La profondità di taglio della lama deve essere impostata in base allo spessore del materiale da tagliare. La profondità di taglio dovrebbe essere di circa 1/8 "(3 mm) maggiore dello spessore del materiale da tagliare.
- Ruotare la leva di bloccaggio della profondità di taglio (1) in senso antiorario (Fig. 2).
2.Abbassare la piastra di sola fino alla profondità desiderata. NOTA: Allineare la profondità desiderata sulla Scala di controllo della profondità (2) con il segno di allineamento (3) sull'alloggiamento della sega.

Fig. 2
La piastra sola cui essere impostata per eseguire tagli di smusso fino a 45^
- Ruotare la leva di bloccaggio dell'angolo di inclinazione (1) in senso antiorario (Fig. 3).
- Rotate la piastra sola (2) all'angolazione desiderata.
NOTA
a) Allineare l'angolo desiderato sulla scala del bordo
(3)con il segno di allineamento (4) sulla sola piastra di contentimento.
b) Effettuare sempre un taglio di prova su un pezzo da rota e controllare per assicurarsi che il taglio delle punte sia corretto.


Fig. 3
IMPOSTAZIONE DELL'ANGOLO "ZERO" PER TAGLIO ACCURATE 90°
Prima di eseguire qualsiasi taglio, è importante effettuire un taglio di prova su un pezzo da lavorare e procedere alla regolazione dell'arresto dell'angolazione se necessario per assicurare che la regolazione dello smusso "zero" garantisce un taglio preciso di 90^ .
- Allentare la leva di bloccaggio dello smusso (1) e ruotare la piastra di sollevamento verso il 0^ fino a scendere e serrare la leva di bloccaggio dell'angolazione (fig. 4).
- Effettuare un taglio di prova su un pezzo di rottami e controllare il taglio con un quadrato di falegnami per verificare che la sega taglia di 90^ .
- Se il taglio di prova non è a 90°, ruotare la dato di bloccaggio (2) di zero regolazione in senso antiorario circa 14 di giro con una chiave da 7 mm.
- Utilizzare un cacciavite # 2 per ruotare o spegnere la vite di zero regolazione dello smusso (3) sono a che la sega non taglia a 90^ quando viene applicata la piastra ausiliaria.
- Trasmettere il dato di bloccaggio durante l'uso del cacciavite per evitare la rotazione della vite di regolazione
NOTA: Quando la regolazione finale è fatta e il dato di bloccaggio si è serrato, ricontrollare l'angolo di taglio su un pezzo da lavorare.

Fig. 4
INSTALLAZIONE DELLA GUIDA DI BORDO
La guida del bordo può essere utilizzata per facilitare il taglio preco so quando si strappano i peszzi fino a 5 "di larghezza.
-
Allentare la vite di bloccaggio della guida del bordo (1) in senso antiorario di circa 2 giri usingo il tasto esagonale da 5mm (Fig. 5).
-
Far scorrere l'asta di montaggio della guida del bordo (2) negli alloggiamenti di montaggio (3) nella suola piastra.
- Allineare la larghezza di taglio desiderata sulla bilancia (4) con il segno di taglio 0^ (5) nella suola piastra
- Tenere la vite di bloccaggio della guida periferica per bloccare la guida del bordo in posizione.
NOTA: Non stringere troppo perché si possono estrarre i fili. - Effettuare un taglio di prova su un pezzo da rottta per verificare l'impostazione della guida del bordo. Regolare come necessario.

MONTAGGIO E FUNZIONAMENTO INSTALLAZIONE DELLA GUIDA DI BORDO - continua
Fig. 5
INSTALLAZIONE DELL'ADATTATORE DI VUOTO
Laboratorio di vuoto cui è il numero della politica.
- Posizione are la piccola estremità dell'adattatore di vuoto(1)sopra la porta del vuoto (2) sull'alloggiamento della lama (Fig. 6).
NOTA: Ruotare leggermente l'adattatore spingendolo sulla porta di vuoto.
- Fissare un vuoto standard di officina alla grande estremità dell'adattatore.
NOTA: Non tutte le polveri di taglio saranno catturate dal vuoto poiché alcune saranno gettate或者其他 la gamma di vuoto.

Fig. 6

AVVERTIMENO:
Per motivi di sicurezza, l'operaatore deve leggere lesezioni del presente manuale di istruzioni intitolato "AVVERTENZE GENERALI DI SICUREZZA", "SICUREZZA DELL'UTILIZZO DI POTENZA", "DISPOSIZIONI SPECI-FICHE DI SICUREZZA", "SICUREZZA DI CORDINE DI ESTENSIONE" e "SIMBOLI" prima di utilizzato但这a sega circolare.
Verificare quanto segue agli volta che si utilizes la sega circolare:
- La lama corretta è installata per il materiale da tagliare.
- La lama è in buone condizioni ed è correttamente installata.
- La protezione della lama è in posizione ed è in buone condizioni di funzionamento.
- Il pezzo è correttamente fissato. Safety glasses, dust mask and hearing protection are being worn.
- La mancata osservanza di queste norme di sicurezza aumento notevolmente il rischio di lesioni.
PULSANTE DI BLOCAGGIO E INTERRUPTORE DI TRIGGER
Il pulsante di bloccaggio (1) è un dispositivo di sicurezza progettato per ridurre la possibilità di avviare accidentamente la sega (Fig. 7). Questo pulsante deve essere premuto prima che l'interruttore di trigger (2) sia premuto.
- Per attivare la sega, premere il pulsante di bloccaggio con il pollice.
- Tenendo il pulsante di bloccaggio in posizione di depressione, premere l'interruttore di trigger per avviare la sega.
- Una volta avviata la sega, rilasciare il pulsante di bloccaggio. La sega rimane in funzione finché l'interruttore di trigger non viene rilasciato
- Per spegnere la sega, rilasciare l'interruttore di trigger.
NOTA: Il pulsante di blocco deve essere nuovamente premuto peR riavviare la sega.

MONTAGGIO E FUNZIONAMENTO INSTALLAZIONE DELLA GUIDA DI BORDO - continua
Fig. 7
LASER INTERRUPTORE
Questa sega è dotata di un sistema di guida laser per un taglio più raffinato.

PERICOLO: Non permettere mai che il raggio laser possa brillare negli occhi di una persona. Potrebbe causare gravi danniagli occhi.
Per accendere il laser, premere il lato sinistro dell'interruttore laser (1) (Fig. 8). Per spegnere il laser, premere il lato destro dell'interruttore laser.

Fig. 8
MATERIALI CHE POTERE TAGLIARE
La sega circolare è una sega versatile che consente di tagliare diversi tipi di materiali. i materiali includono:
- Prodotti in legno come legname, legno duro, compensato, composizione e pannellature
- Masonite e plastica
NOTA: ono disponibili diversi tipi di lame. Generalmente le lame con denti in carburo tagliano meglio e rimangono più nitidi. Anche il conteggio e la configurazione dei denti
TAGLIO GENERALE
NOTA: Effettuare sempre un taglio di prova su un pezzo da rotta per verificare che tutte le impostazioni siano corrette.
- Effettuare eventuali regolazioni della sega prima di collegarlo alla fonte di alimentazione.Le regolazioni includono profondità di taglio, angolo di taglio del bordo e guida del bordo (se installato).
- Annotare chiaramente il pezzo per individuire la posizione del taglio.
- Tenere un pezzo più piccolo con una sfera. Fissare un pezzo più grande a una panca o una tavola.

PERICOLO: Qualsiasi pezzo non adeguatamente bloccato o appoggiato correttamente per il taglio può venire allentato o agganciare la lama causando i gravi lesioni. Non tenere mai il pezzo in mano.
- Assicurarsi che non ci siano chiodi, viti, morsetti o materiali stranieri nel percorso della lama.
- Spagnere il laser.
- Posizione are il bordo anteriore della piastra sola sul pezzo.
-
Tenendo saldamente la sega e con la lama NOT in contatto con la superficie da tagliare, avviare la sega premendo il blocco 1 e poi l'interrottore di trigger.
-
Una volta che la sega ha raggiunto la piena velocità, portare gradualmente la lama in movimento in contatto con il pezzo in posizione appropriata.
importanti: i conteggi dei denti elevati vengono tagliati più lentamente e sono più adatti per ottenere tagli lisci sui materiali più sottili come il rivestimento. Utilizzare la lama corretta per la tua applicazione
NOTA: Per allineare la lama con il segno di taglio, utilizzare i segni di guida sulla parte anteriore della piastra di protezione (Fig. 9). Utilizzare i segni di taglio 0^ (1) e la linea laser (2) per tagli ad angolo retto. Usare il segno 45^ (3) per tagli a 45^ . Il segno a 45^ permetterà il materiale supplementare necessario per il taglio dell'angolo. Effettuare sempre un taglio di prova su un pezzo primo di tagliare il nuovo materiale.
TAGLIO GENERALE - continua

ATTENZIONE: Non forzare la sega circolare. Utilizzato solo una forza sufficiente per mantenere la lama tagliata a piena velocità. La pressione eccessiva sulla lama provoca un rallentamento e un surriscaldamento, con seguente scarsa qualità di taglio e danni al motore.
- Spagnere il laser.

Fig. 9
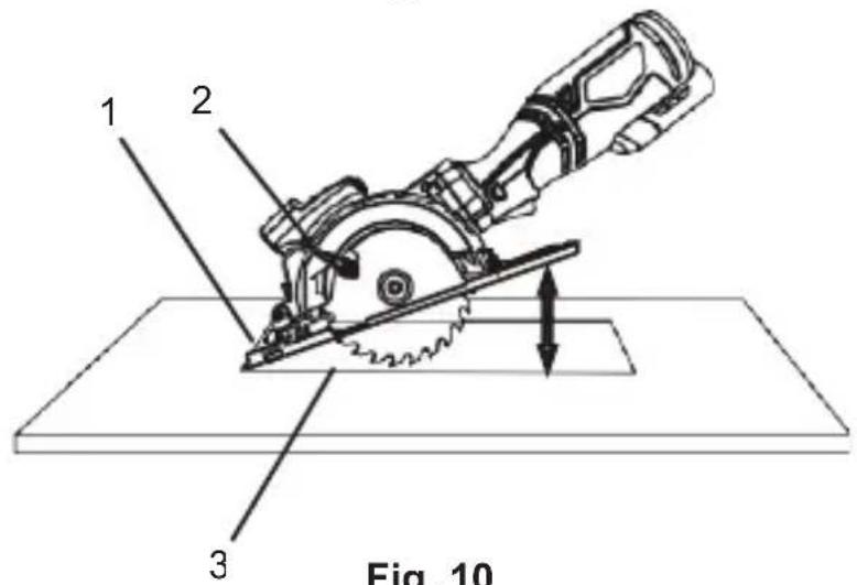
INSERIRE IL TAGLIO
ATTENZIONE: Per evitare la perdita di controllo, danneggiare la lama o danneggiare il pezzo, utilizzato sempre estrema cautela quando si effettuano tagli a sbalzo. Non è consigliato immergere tagliare qualsiasi materiale diverso dal legno.
-
Per immershervi tagliati all'interno dei bordi di un pezzo, segnare chiaramente la linea di taglio sul pezzo.
-
Impostare la profondità (Fig. 2) e impostare l'angolo di smusso a 0^ (Fig. 3).
-
Posizione are la sega sul pezzo in modo che il bordo anteriore della piastra (1) sua piatta sul pezzo (Fig. 10).
- Aprire la protezione della lama ruotando la leva di protezione della lama (2) in avanti.
- Allineare la lama con la linea di taglio (3) using il segno di taglio 0^ sulla piastra sola e la linea laser.
NOTA: Assicurarsi che la lama di sega sia all'interno della zona da tagliare.

Fig. 10
- Avviare la sega e abbassare lentamente la lama sul pezzo quando si tiene in avanti la leva di protezione della lama per consentire la taglio della lama nel pezzo.
- Continuare a abbassare la lama nel pezzo fino a raggiungere la profondità di taglio completa. Proseguire la segatura e completare il taglio come richiesto.
GUIDETAGLIARE L'USO DEL GUIDA DI BORDO
Qualunque sia possibile, installare la guida del bordo sul lato sinistro della piastra a sospensione (Fig. 11). Questo portera la maggior parte del peso dell'utensile sulla parte più grande del pezzo, rendendo più semplice il controllo dell'utensile. Se necessario, la guida del bordo può essere installata dal lato opposto, ma l'asta di montaggio della guida del bordo MUST impegnare entrambi i punti di guida del bordo nella piastra di sola.

Fig. 11
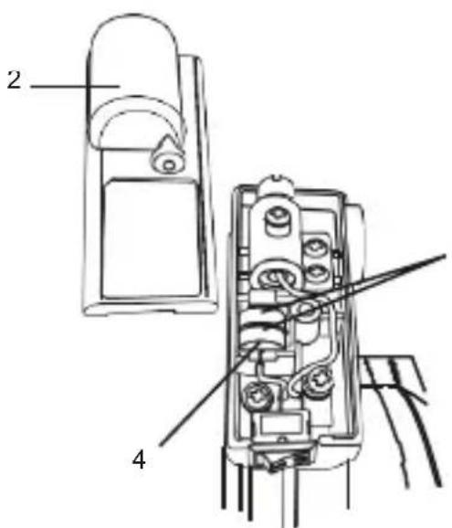
Le batterie che utilizzato il laser dovranno
essere sostituito dopo un considerevole utilizzo del laser.
- Spagnere I'interruptore laser.
- Rimuovere la vite del coperchio laser (1) utilizzato un 3 Cacciavite # 2
(Fig. 12).

Fig. 12
- Sollevare il coperchio del laser (2) alla parte superiore dell'assemblaggio laser Fig. 13).
- Rimuovere le due vecchie batterie (3).

PERICOLO: Non permettere mai che il raggio laser possa brillare negli occhi di una persona. Potrebbe causare gravi danniagli occhi. Assicurarsi che l'interruttore laser sia OFF e che il laser NON punta verso di voi, sostituendo le batterie laser e controllingla funzione laser.
- Inserire due nuove batterie.
NOTA:
a) Utilizzare due batterie da 1.5V LR 44
b) Installare le batterie con il lato "+" (4) di
c) le batterie che si affacciano sul retro dell'utensile. 3
6. Reinstallare il coperchio del laser e fissarlo in posizione con la vite del coperchio laser.

Fig. 13
GENERALE
ATTENZIONE: Durante la manutenzione, utilizzato solo pezzi di ricambio identici. L'uso di qualsiasi altra parte cui create un pericolò o causare danni al prodotto.
NON utilizzato solventi durante la pulizia di parti in plastica. Le plastiche sono soggette a anni da vari tipi di solventi commerciali e possono essere danneggiati dal loro utilizzo. Utilizzato un panno pulito per rimuovere lo sporco, la polvere, l'olio, il grasso ecc.
ATTENZIONE: Non mettere in contatto con parti plastiche liquidi freni, benzina, prodotti a base di petrolio, oli penetranti ecc. Contengono sostanze chimiche che possono danneggiare, indebolire o restruggere la plastica.
NON abusare di strumenti elettrici. Le pratiche abusive posso sono danneggiare l'utensile e il pezzo.
ATTENZIONE: NON cercare di modificare gli strumenti o creare accessori. Qualiasi modifica o modifica è un uso improprio e potrebbe comportare una condizione pericolosa che potrebbe causare gravi lesioni. Annullerà la garanzia.
È stato trovato che gli utensili elettrici sono sottoposti ad usura accelerata e possibili guasti prematuri quando vengono utilizzati su barche in vetroresina e auto sportive, da parete, da sporcizia o da intonaco.l trucioli e le frantumazioni di questi materiali sono altamente abrasivi a parti di utensili elettrici quali cuscinetti, spazzole, commutatori ecc. Di consiguenza, non è consigliabile utilizzato quello utensile per un lavoro prolongato su qualsiasti materiale in vetroresina, parete, spalmatura o intonaco.
Durante qualsiasi utilizzo su questi materiali è extremamente importante che lo strumento venga pulito frequently spazzando via con un getto d'aria.

ATTENZIOE: Indossare sempre occhiali di protezione o occhiali di protezione con schermi laterali durante tutte le operazioni di taglio. è fondamente ancche indossare occhiali di protezione o occhiali di sicurezza con schermi laterali e una maschera di polvere nelle si après la polvere alla sega circolare con un getto d'aria.
La mancata presa di queste precauzioni di sicurezza potrebbe provocare danni permanentiagli occhi o al polmone.
LUBRIFICAZIONE
Tutti i cuscinetti di questo utensile sono lubricativi con una quantità sufficiente di lubricamente di alta qualità per la durata dell'unità in condizioni normali.
Pertanto non è necessaria alcuna ulteriore lubrificazione.
Notice-Facile