GW90740A - Casa intelligente Gewiss - Manuale utente e istruzioni gratuiti
Trova gratuitamente il manuale del dispositivo GW90740A Gewiss in formato PDF.
Domande frequenti - GW90740A Gewiss
Domande degli utenti su GW90740A Gewiss
0 domanda su questo apparecchio. Rispondi a quelle che conosci o fai la tua.
Fai una nuova domanda su questo apparecchio
Scarica le istruzioni per il tuo Casa intelligente in formato PDF gratuitamente! Trova il tuo manuale GW90740A - Gewiss e riprendi in mano il tuo dispositivo elettronico. In questa pagina sono pubblicati tutti i documenti necessari per l'utilizzo del tuo dispositivo. GW90740A del marchio Gewiss.
MANUALE UTENTE GW90740A Gewiss
Attuatore 4 canali 16 AX KNX - da guida DIN
KNX 4-channel 16 AX actuator - DIN rail mounting Actionneur de 4 canaux 16 AX KNX - sur rail DIN Accionador de 4 canales 16 AX KNX - para carril DIN 4-Kanal Schaltgeber 16 AX KNX - für DIN-Schiene


text_image
N.O. L OUT1 Address: L N.O. OUT2 1 2 KNX® E13 GW 90 740A GENWISS Switch actuator μ 16AX 230Vac CE 3 4 OUT3 N.O. L OUT4 L N.O.GW 90 740A

pag. AVVERTENZE GENERALI.... 4
DESCRIZIONE GENERALE 5
INSTALLAZIONE.... 7
PROGRAMMAZIONE CON SOFTWARE ETS 9
DATI TECNICI 10
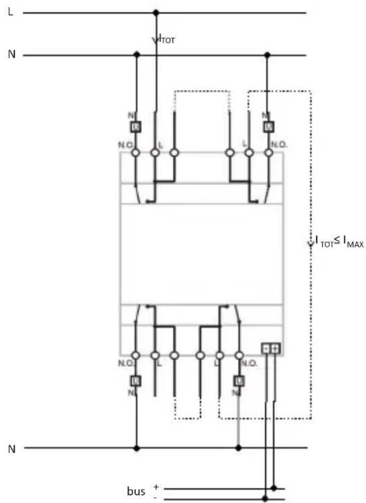
Se si utilizzano i doppi morsetti per effettuare l'entra ed esci della fase (L), verificare che la corrente totale circolante ( I_TOT ) non superi la corrente max ( I_MAX ) indicata nella sezione "Dati tecnici" del foglio istruzioni.

Attenzione! La sicurezza dell'apparecchio è garantita solo attendendosi alle istruzioni qui riportate. Pertanto è necessario leggerle e conservarle. I prodotti Chorus devono essere installati conformemente a quanto previsto dalla norma CEI 64-8 per gli apparecchi per uso domestico e similare, in ambienti non polverosi e dove non sia necessaria una protezione speciale contro la penetrazione di acqua.
L'organizzazione di vendita GEWISS è a disposizione per chiarimenti e informazioni tecniche.
Gewiss SpA si riserva il diritto di apportare modifiche al prodotto descritto in questo manuale in qualsiasi momento e senza alcun preavviso.
Contenuto della confezione
n. 1 Attuatore 4 canali 16 AX KNX - da guida DIN
n. 1 Morsetto bus
n. 4 Morsetti a vite
n. 1 Coperchietto con vite
n. 1 Manuale di installazione e uso
In breve
L'Attuatore 4 canali 16 AX KNX – da guida DIN permette di attivare/disattivare indipendentemente fino a 4 diversi carichi elettrici attraverso 4 relè da 16 AX provvisti di 1 contatto di uscita NA ciascuno. Il comando di commutazione del relè può giungere da dispositivi di comando o sensori del sistema di Building Automation, tramite il bus KNX, oppure essere generato localmente mediante i pulsanti frontali.
L'attuatore è alimentato dalla linea bus ed è dotato di 4 LED frontali verdi per la segnalazione di stato delle uscite. Il dispositivo invia sul bus informazioni sullo stato del relè (ON = contatto chiuso, OFF = contatto aperto) all'accensione, alla ricezione di un comando ed in caso di comando da pulsante locale.
Ogni canale di uscita dell'attuatore può essere configurato in modo indipendente e permette il comando ON/OFF dei carichi comandati, l'esecuzione di comandi temporizzati, la gestione di scenari e l'esecuzione di comandi prioritari per la forzatura dello stato dell'uscita. Le modalità di funzionamento sono fruibili contemporaneamente attraverso oggetti di comunicazione distinti.
Ciò significa, ad esempio, che il dispositivo può accendere e spegnere una luce, oppure accenderla e spegnerla automaticamente dopo che è trascorso un certo tempo prefissato, semplicemente in funzione del comando ricevuto.
Il modulo viene montato su guida DIN, all'interno di quadri elettrici o scatole di derivazione.
Funzioni
L'attuatore viene configurato con il software ETS per realizzare le funzioni elencate qui di seguito.
Commutazione:
- parametrizzazione comportamento uscite (NA/NC)
- temporizzazione luci scale con possibilità di impostare la durata della temporizzazione via bus
- temporizzazione luci scale con funzione di preavviso allo spegnimento
- ritardo all'attivazione/disattivazione
- lampeggio
Scenari:
- memorizzazione ed attivazione di 8 scenari (valore 0-63) per ogni uscita
- abilitazione/disabilitazione memorizzazione scenari da bus
Comandi prioritari:
- parametrizzazione del valore relè di uscita al termine della forzatura
Comando di blocco:
- parametrizzazione valore oggetto di blocco e valore relè di uscita alla fine del blocco
Funzioni di sicurezza:
- monitoraggio periodico oggetto di ingresso
Funzioni logiche:
- operazione logica AND/NAND/OR/NOR con oggetto di comando (commutazione, commutazione temporizzata, commutazione ritardata, lampeggio) e risultato operazione logica
- utilizzo del risultato dell'operazione logica per abilitazione oggetto di comando (commutazione, commutazione temporizzata, commutazione ritardata, lampeggio, scenario)
- operazioni logiche AND/NAND/OR/NOR/XOR/XNOR fino a 4 ingressi logici
Stato uscita:
- invio su bus parametrizzabile
Altre funzioni:
- parametrizzazione comportamento uscita alla caduta/ripristino tensione su bus
- parametrizzazione comportamento pulsanti di comando locale
INSTALLAZIONE

ATTENZIONE: l'installazione del dispositivo deve essere effettuata esclusivamente da personale qualificato, seguendo la normativa vigente le line guida per le installazioni i KNX.
Avvertenze per l'installazione KNX
- La lunghezza della line a bus tral'attuatore e l'alimentatore non deve superare i350 metri
- La lunghezza della linea bus tra l'attuatore e il più lontano dispositivo KNXn on deve superare i 700 metri.
- Perevitare segn alie sovr atensioni non vd uti, non darvita a circuiti ad anello.
- Mantenere una distanza di almeno 4 mm tra i cavi singdarmente isdati del laline a bus e quelli della lineaelettrica (figura C).
- Non dan reggiare il condu tore di cort nuità elettric ad ella schermatura (figura D).

ATTENZIONE: i cavi di segn de del bus non utilizzati e il condutto re di continuità elettrica non devono mait occare elementi sottotensione o il conduttore d iterra!
Montaggio su guida DIN
Montar el'a tuatore 4canali suguida DIN da3 5 mmn el seguente modo (figura E):
- Inseire l'agganci superiore del dispositivo nella guida DIN.
- Ruotare el dispositivo e bloccarlos ulla guida DN agendos ulla linguetta difissaggio.
Connessioni elettriche

ATTENZIONE: disinserire la tensione di rete prima di connettere il dispositivo alla rete elettrica!
La figura B mostra lo schema delle connessioni elettriche.
- Connettere il filo rosso del cavo bus al morsetto rosso (+) del terminale e il filo nero al morsetto nero (-). Al terminale bus si possono collegare fino a 4 linee bus (fili dello stesso colore nello stesso morsetto) (figura F).
- Isolare lo schermo, il conduttore di continuità elettrica e i rimanenti fili bianco e giallo del cavo bus (nel caso in cui si utilizzi un cavo bus a 4 conduttori), che non sono necessari (figura D).
- Inserire il morsetto bus negli appositi piedini del dispositivo. Il corretto senso di inserzione è determinato dalle guide di fissaggio. Isolare il morsetto bus usando l'apposito coperchietto, che deve essere fissato al dispositivo con la sua vite. Il coper chietto garantisce la separazione minima di 4 mm tra i cavi di potenza e i cavi bus (figura G).
- Collegare i carichi agli appositi morsetti a vite in dotazione, controllando di non superare i limiti di corrente specificati nei Dati tecnici. Inserire i morsetti nei connettori di uscita dell'attuatore, prestando attenzione al loro corretto inserimento (figura H).
Uso del pulsante di comando locale
I pulsanti di comando locale (figura A) consentono di effettuare la commutazione ciclica ON/OFF, invertendo lo stato del relè ad ogni loro pressione (impostazione di default). Nel caso in cui sia attivo un comando prioritario, i comandi locali non sono eseguiti. E' possibile configurare il comportamento del pulsante di comando locale via ETS.

ATTENZIONE: i pulsanti di comando locale sono funzionanti solo se è presente la tensione del BUS.
Manutenzione
Il dispositivo non necessita di manutenzione. Per un'eventuale pulizia adoperare un panno asciutto.
PROGRAMMAZIONE CON SOFTWARE ETS
Il dispositivo deve essere configurato con il software ETS.
Informazioni dettagliate sui parametri di configurazione e sui loro valori sono contenute nel Manuale Tecnico.
DATI TECNICI
Comunicazione Bus KNX
Alimentazione Tramite bus KNX, 29 V dc SELV
Cavo bus KNX TP1
Assorbimento corrente dal bus 10 mA max
Elementi di comando 1 tasto miniatura di programmazione
4 pulsanti di comando locale dei relè
Elementi di visualizzazione 1 LED rosso di programmazione
4 LED verdi di segnalazione stato uscita
Elementi di attuazione 4 relè 16 AX con contatto NA libero da tensione
Corrente max di commutazione 16 A (AC1)
16AX (140 F rif. EN 60669-1) carichi fluorescenti
con corrente massima di spunto 400A (200 μs)
Potenza max per tipologia carico Lampade a incandescenza (230Vac): 3000W
Lampade alogene (230Vac): 3000W
Carichi pilotati da trasformatori toroidali: 3000W
Carichi pilotati da trasformatori elettronici: 2000W
Lampade a basso consumo
(fluorescenti compatte): 80x23W
Potenza massima dissipata 4W
Ambiente di utilizzo Interno, luoghi asciutti
Temperatura di funzionamento -5 ÷ +45 °C
Temperatura di stoccaggio -25 ÷ +70 °C
Umidità relativa Max 93% (non condensante)
Connessione al bus Morsetto ad innesto, 2 pin ∅ 1 mm
Connessioni elettriche Morsetti estraibili a vite, sezione max cavi: 4 mm
Grado di protezione IP20
Dimensione 4 moduli DIN
Riferimenti normativi Direttiva bassa tensione 2006/95/CE
Direttiva compatibilità elettromagnetica
Certificazioni KNX/EIB
INDEX
GENERAL WARNINGS.... page 13
GENERAL DESCRIPTION 14
INSTALLATION 16
② Connessione cavo bus
Bus device connection - Connexion câble bus Conexión cable bus - Anschluss Buskabel
G

Ai sensi dell'articolo 9 comma 2 della Direttiva Europea 2004/108/CE e dell'articolo R2 comma 6 della Decisione 768/2008/EC si informa che responsabile dell'immissione del prodotto sul mercato Comunitario è:
lunedì ÷ venerdì - monday ÷ friday

+39 035 946 260

sat@gewiss.com
www.gewiss.com
ManualeFacile