Kilo - Recepteur Hartke - Manual de uso y guía de instrucciones gratis
Encuentra gratis el manual del aparato Kilo Hartke en formato PDF.
Preguntas de los usuarios sobre Kilo Hartke
0 pregunta sobre este aparato. Responde a las que conoces o haz la tuya.
Hacer una nueva pregunta sobre este aparato
Descarga las instrucciones para tu Recepteur en formato PDF gratis! Encuentra tus instrucciones Kilo - Hartke y toma tu dispositivo electrónico nuevamente en la mano. En esta página están publicados todos los documentos necesarios para el uso de su dispositivo. Kilo de la marca Hartke.
MANUAL DE USUARIO Kilo Hartke
Configuración y manejo del Kilo 68
Selección de los recintos acústicos correctos ..... 70
Acerca de la compresión....71
Acerca de la ecualización. 72
Sugerencias de ajustes del EQ del Kilo 73
Especificaciones técnicas. 74
Diagrama de bloques....75
Introducción
¡Felicidades y gracias por la compra de nuestro nuevo amplificador de bajo Hartke Kilo! A nadie nos gusta leer manuales de instrucciones, pero le recomendamos que dedique unos minutos a ojear estas páginas (hemos tratado de hacerlo lo más ameno posible) para descubrir todas las exclusivas funciones que hemos implementado en él.
El Hartke Kilo supera el standard en cuanto a amplificación de bajo. Le ofrece 500 watios a 2 ohmios de potencia por lado en el modo stereo y unos impresionantes 1.000 watios a 4 ohmios en el de puente mono. Para modelar su sonido, el Kilo tiene un previo a válvulas de clase A y unos controles de sonido absolutamente lógicos. El Kilo le ofrece un EQ de tres bandas clásico, con el circuito de modelado variable Shape de Hartke. Para un mayor modelado del tono, dispone de un ecualizador gráfico de 10 bandas, así como curvas EQ Deep y Brite seleccionables. Para añadir más “suciedad” a su sonido, también dispone de un circuito de saturación a válvulas variable y para redondear la respuesta dinámica, hay un circuito de compresor rápido y flexible.
Para conectar su amplificador a recintos acústicos, el Kilo dispone de salidas tanto en 6,3 mm como en Speakon®. El Kilo le ofrece también una gran cantidad de conexiones y opciones de ruteo de señal, incluyendo salida directa multipunto conmutable, bucle de efectos stereo, salidas de afinador frontal y trasera y tomas de pedal para el control remoto de las funciones de anulación, saturación, envío de efectos y EQ gráfico.
El Kilo es la solución perfecta para cualquier situación—desde estudios de grabación, pasando por pequeños locales y hasta estadios gigantescos. En este manual encontrará una descripción detallada de las funciones de su amplificador de bajo Hartke Kilo, así como instrucciones paso-a-paso para su configuración y uso una completa tabla de especificaciones técnicas.
Si adquirió el Kilo en los Estados Unidos también encontrará una tarjeta de garantía dentro del embalaje. ¡No olvide rellenarla y devolvérnosla! De esta forma tendrá acceso a soporte técnico online y podrá recibir información actualizada de este y otros productos Samson. Con unos cuidados mínimos, su amplificador Kilo funcionará sin darle ningún problema durante años. Para cualquier referencia futura, le recomendamos que apunte aquí abajo el número de serie.
Fecha de compra: ____
En el improbable caso de que este aparato deba ser reparado en algún momento, deberá conseguir un número de Autorización de devolución (RA) antes de enviar este aparato a Samson. Sin este número, ninguna unidad será aceptada. Póngase en contacto con Samson en el teléfono 1-800-3SAMSON (1-800-372-6766) para solicitar su número de Autorización de devolución antes de devolvernos su unidad. Conserve el embalaje original y las protecciones y, si es posible, devuélvanos la unidad en ellos. Si adquirió este producto Samson fuera de los Estados Unidos, póngase en contacto con su distribuidor local para que le facilite los detalles acerca de la garantía y reparaciones. Además, no deje de visitar nuestra página web (www.samsontech.com) en la que encontrará información sobre toda nuestra gama de productos.
Características

El amplificador de bajo Hartke Kilo le ofrece un sonido clásico, una gran flexibilidad y potencia para dar y tomar junto con las últimas innovaciones en cuanto a la amplificación de bajo. Aquí puede ver algunas de sus características:
- Etapas de potencia stereo que ofrecen 500 watios de potencia por lado con una carga de altavoz de 2 ohmios y unos increíbles 1.000 watios en un sistema de altavoces de 4 ohmios en el modo de puente mono.
- Circuito de previo a válvulas de alto voltaje de clase A (3 x 12AX7) para un sonido excepcional.
- Clásico ecualizador de 3 bandas con control de modelado variable (Shape) que le permite crear una amplia gama de colores tonales para su bajo.
- Curvas EQ Deep y Brite seleccionables que le ofrecen un control aún mayor sobre el modelado de su sonido de bajo.
- Un compresor variable añade una "pegada" real a su sonido de bajo y le permite suavizar las diferencias de volumen entre las distintas notas.
- Ecualizador gráfico de diez bandas de Q constante que le permite modelar visualmente los colores tonales de su instrumento. El control de nivel independiente le permite ajustar el nivel global de la señal. Un interruptor específico en el panel frontal y un conector de pedal le permite preconfigurar una curva de ecualización.
- Puede ajustar una saturación a válvulas variable para producir todo tipo de sonidos, desde un simple toque de calidez de válvulas a un auténtico sonido fuzz.
- Salida directa multipuntos con control de nivel que le permite elegir desde qué punto de la ruta de señal será rutado el audio a la toma de salida directa.
- Salidas Speakon® y de 6,3 mm en paralelo para la conexión de recintos acústicos.
- Tomas de envío y retorno de bucle de efectos stereo que le permiten conectar esta unidad a procesadores de efectos profesionales externos. Un interruptor específico del panel frontal y una toma de pedal le permiten enviar señales a su unidad de efectos sin tener que detener su interpretación.
- Tomas de entrada de amplificador y salida de previo independientes de canal izquierdo y derecho para un ruteo de señal adicional y para la conexión de amplificadores adicionales para dar señal a recintos acústicos extra.
- Robusta construcción en un chasis de 3 espacios rack con un sólido panel frontal y grandes asas frontales que hacen que el Kilo esté listo para el directo.
Panel frontal

text_image
1 3 5 8 11 13 20 22 2624151719 Hartke KILO ACTUAL OBL WATER BARRA SHAPE DESP EFFECTS APE DIRECT OUT VOLUME OUTPUT OVERLOAD COMPRESSION GAIN SHAPE BASIS MED THERB TOLER 2 4 6 9 12 141618 7 10 21 2325 SELECT WALL OUT- INPUT – Conecte aquí su bajo usando un cable de instrumento de 6,3 mm no balanceado standard.
- Salida TUNER – Use esta toma para la conexión de un afinador electrónico a través de un cable TRS de 6,3 mm. Esta salida TUNER siempre está activa, incluso cuando active el interruptor MUTE, lo que le permite afinar su instrumento en silencio. También puede usar esta salida como una salida directa de nivel de línea.
- Interruptor ACTIVE – Cuando lo elija, este interruptor con piloto verde reducirá la sensibilidad de entrada en 15 dB para aceptar la señal de mayor salida de los bajos con circuitos activos internos.
- OVERDRIVE – Cuando elija el interruptor O.D. (vea #5), este mando le permitirá ajustar la cantidad de contenido armónico y saturación de la señal de entrada. Gire lentamente este mando para añadir un toque de calidez de válvulas, suciedad y un toque de fuzz.
- Interruptor O.D. – Cuando lo elija, este interruptor con piloto verde activará el control OVERDRIVE. Puede conectar un pedal al amplificador para activar o desactivar este OVERDRIVE (el interruptor del panel frontal quedará desactivado cuando conecte un pedal).
- COMPRESSOR – Este mando determina la cantidad de compresión ajustando el nivel de umbral. Este compresor le permite controlar el rango dinámico global de su interpretación al reducir los picos repentinos y aumentar el sustain de su instrumento. En la posición mínima (tope izquierdo), no se aplicará ninguna compresión. Conforme gire el mando hacia la derecha, la cantidad de compresión aplicada será cada vez mayor. Para más información, vea la sección “Acerca de la compresión” en la página 17 de este manual.
- Piloto del compresor – Le ofrece una indicación visual del estado del circuito de compresión. Este piloto rojo se ilumina cuando la señal de entrada sobrepasa el nivel de umbral y activa el circuito de compresión.
Panel frontal
- Interruptor MUTE – Cuando active este interruptor con piloto naranja anulará todas las salidas excepto las salidas TUNER del panel frontal y trasero. Puede conectar un pedal al amplificador para controlar esta anulación (el interruptor del panel frontal quedará desactivado cuando conecte un pedal).
- GAIN – Este control ajusta la cantidad de nivel pasado a la fase de previo a válvulas. El piloto Peak (vea #10) se iluminará si la señal de entrada satura en la fase de previo, lo que indicará una distorsión no deseada. Reduzca este control GAIN hasta que el piloto Peak solo se ilumine de forma puntual.
- Piloto Peak – Este piloto rojo se ilumina cuando se produce una saturación en la ruta de señal del previo. Si observa que este piloto se ilumina continuamente, reduzca el control GAIN hasta que solo lo haga de forma puntual.
- Interruptor BRITE – Cuando esté pulsado, este interruptor con piloto verde realizará la salida de frecuencias agudas en 6 dB.
- SHAPE – Este circuito aplica una curva de ecualización prefijada con un ligero reforzamiento de los graves, un corte en los medios y otro aumento en los agudos, dependiendo del ajuste. El control SHAPE se usa para ajustar la frecuencia de corte central para este circuito de modelado.
- Interruptor SHAPE – Este interruptor con piloto verde se usa para activar el circuito Shape (vea #12). Para un mayor control en directo, este interruptor SHAPE puede ser controlado por medio de un pedal (el interruptor del panel frontal quedará desactivado en cuanto conecte un pedal).
- BASS – Como parte del ecualizador tonal pasivo, este control le permite ajustar la respuesta de las frecuencias graves.
- Interruptor DEEP – Cuando active este interruptor con piloto verde realizará la respuesta de graves de la señal.
- MID – Como parte del ecualizador tonal pasivo, este control le permite ajustar la respuesta del rango medio de frecuencia.
- Interruptor EFX – Cuando elija este interruptor con piloto verde, enviará la señal a la toma EFFECTS SEND del panel trasero, lo que le permitirá activar o desactivar la señal de su unidad de efectos externa para un mayor control. Puede conectar un pedal para controlar este interruptor EFX (cuando lo haga, el interruptor del panel frontal quedará desactivado).
- TREBLE – Como parte del ecualizador tonal pasivo, este control le permite ajustar la respuesta de las altas frecuencias.
- Interruptor GEQ – Cuando pulse este interruptor con piloto verde quedará operativo el circuito de ecualizador gráfico. Cuando desactive este interruptor, el EQ gráfico quedará en bypass. Este interruptor le permite configurar una curva de ecualización personalizada con los mandos deslizantes del EQ gráfico y activarla después con solo pulsar un botón. Puede conectar también un pedal para controlar este interruptor del EQ gráfico (cuando lo haga, el interruptor del panel frontal quedará desactivado).
Panel frontal
- DIRECT OUT - Ajusta el nivel de la señal en la toma DIRECT OUTPUT.
- Direct Out SELECT – Este interruptor le permite elegir la procedencia dentro de la cadena de señal de la señal DIRECT OUTPUT. Puede elegir que esa señal proceda directamente de la entrada, de después del compresor, después del EQ gráfico o después del retorno de efectos. Esto le permite decidir qué tipo de señal quiere enviar al equipo FOH.
- VOLUME – Esto es un control de volumen global. Para obtener la mejor relación señal-ruido, haga que la salida de su bajo esté al máximo o lo más arriba posible y ajuste el volumen del amplificador al nivel que quiera.
- BALANCE – Este mando le permite ajustar la diferencia de nivel entre los amplificadores izquierdo y derecho. Si está usando dos recintos acústicos distintos (por ejemplo un 115 y un 410), puede que quiera dar una mayor señal a uno que al otro para conseguir un balance estable de todo el sonido. En la posición central ("las 12 en punto"), ambos canales de amplificación reciben la misma potencia. El control BALANCE no tiene efecto cuando use el Kilo en el modo de puente mono.
- Graphic EQ LEVEL – Cuando elija el interruptor GEQ (vea #19), este mando deslizante controlará el volumen de salida del EQ gráfico. Puede usar esto para realizar la señal para un solo o para compensar los cambios de nivel debidos al modelado del tono.
- EQ gráfico – Estos mandos deslizantes le permiten "trazar" la respuesta tonal del sistema añadiendo o restando 12 dB de señal a diez zonas de frecuencia con Q constante (30 Hz, 64 Hz, 125 Hz, 250 Hz, 500 Hz, 1 kHz, 2 kHz, 3 kHz, 5 kHz y 8 kHz), lo que afectará a la señal de salida principal del Kilo. Cuando uno de estos mandos deslizantes esté en su posición de muesca central, esa zona de frecuencia no será realizada ni cortada (es decir, estará en plano). Cuando lleve hacia arriba uno de estos mandos, la zona de frecuencia correspondiente será realizada, mientras que cuando lo lleve hacia abajo, la zona será atenuada.
- Interruptor POWER – Use este interruptor para encender y apagar el Kilo. El piloto de este interruptor se iluminará cuando el Kilo esté encendido.
Panel trasero

text_image
1 4 8 10111217 SPEAKER OUTPUTS LEFT SPEAKER RIGHT SPEAKER FOOTS SWITCH MUTE- OVERDRIVE EO EFX EFFECTS LOOP RETURN RETURN SEND LEFT/MONO RIGHT MONO PREAMP OUT LEFT RIGHT POWER AMP IN LEFT RIGHT DIRECT OUT NORMAL END LIFT Hartke KILO® 6.0mm/MPF www.hartke.com DELAIDS AND SENSIFIEDS IN THE UNITED STATES CE N382 AC LINE IN 2 3 6 7 9 1351418 151619- Interruptor selector de voltaje – Sirve para ajustar el voltaje al que funcionará el Kilo. Asegúrese de ajustarlo al voltaje correcto para su país.
- Entrada de corriente – Conecte aquí el cable "IEC" de 3 puntas standard incluido. Nunca anule la punta de toma de tierra de este cable ni del enchufe.
- Fusible – Dentro de este receptáculo encontrará el fusible del amplificador. A la hora de sustituirlo compruebe e instale solo un fusible de idénticas características. Debe usar un fusible de 15 amperios para 115 V CA y de 8 amperios para 230 V.
- LEFT SPEAKER OUTPUTS – Use estas salidas para conectar unos altavoces a la salida izquierda del amplificador. El amplificador le ofrece conectores de salida tanto de 6,3 mm como Speakon ^® , cableados en paralelo. Le recomendamos que use la toma Speakon ^® siempre que sea posible. La impedancia total de los altavoces conectados a todas estas tomas no debe ser inferior a 2 ohmios.
- RIGHT SPEAKER OUTPUTS – Use estas salidas para conectar unos altavoces a la salida derecha del amplificador. El amplificador le ofrece conectores de salida tanto de 6,3 mm como Speakon ^® , cableados en paralelo. Le recomendamos que use la toma Speakon ^® siempre que sea posible. La impedancia total de los altavoces conectados a todas estas tomas no debe ser inferior a 2 ohmios.
- MONO BRIDGE OUTPUTS – Conecte aquí un cable con una clavija Speakon® cuando use el modo de puente mono. La carga de impedancia total de los altavoces conectados a esta salida no debe ser inferior a los 4 ohmios.
- Interruptor STEREO/MONO BRIDGE – Sirve para ajustar el amplificador para que funcione en el modo stereo o en el de puente mono.
- MUTE+OVERDRIVE FOOTSWITCH – Conecte a esta toma una pedalera de dos botones, con un conector TRS de 6,3 mm (punta = anulación, anillo = saturación) para controlar los interruptores MUTE y OVERDRIVE. El interruptor correspondiente del panel frontal quedará desactivado cuando conecte esta pedalera.
Panel trasero
- EQ+EFX FOOTSWITCH – Conecte aquí una pedalera de dos botones, con un conector TRS de 6,3 mm (punta = EQ, anillo = efectos) para controlar los interruptores GEQ y EFX. Los interruptores correspondientes del panel frontal quedarán desactivados cuando esta pedalera esté conectada.
- EFFECTS RETURN LEFT/MONO – Use esta toma de 6,3 mm no balanceada para el retorno de señales de baja impedancia (600 ohmios) al amplificador del lado izquierdo procedentes de un procesador de efectos profesional externo. Cuando el amplificador esté en el modo de puente mono, deberá usar esta toma para dar entrada a la señal al amplificador.
- EFFECTS RETURN RIGHT – Use esta toma de 6,3 mm no balanceada para el retorno de señales de baja impedancia (600 ohmios) al amplificador del lado derecho procedentes de un procesador de efectos profesional externo. Cuando el amplificador esté en el modo de puente mono, esta toma quedará inactiva.
- EFFECTS SEND MONO – Use esta toma de 6,3 mm no balanceada para el envío de una señal de baja impedancia (100 ohmios) a un procesador de efectos profesional externo como una reverb, eco, flanger o a un armonizador. El nivel de salida es aproximadamente de 0 a +4 dB, y es post-EQ y post-compresión, pero no se ve afectado por el control de volumen master. También puede usar esta toma EFFECTS SEND para rutar la señal a una mesa de mezclas externa o un amplificador que tenga una sensibilidad de entrada de +4 dB.
- PREAMP OUT LEFT – Esta toma recibe su señal del previo izquierdo (después del retorno de efectos) y puede usarla con una etapa de potencia exterior, para la conexión a una mesa de mezclas o para el envío de señal a cualquier otro dispositivo de nivel de línea. Use un cable de instrumento standard de 6,3 mm a la hora de conectar esta toma a un dispositivo externo.
- PREAMP OUT RIGHT – Esta toma recibe su señal del previo derecho (después del retorno de efectos) y puede usarla con una etapa de potencia exterior, para la conexión a una mesa de mezclas o para el envío de señal a cualquier otro dispositivo de nivel de línea. Use un cable de instrumento standard de 6,3 mm a la hora de conectar esta toma a un dispositivo externo.
- POWER AMP IN LEFT – Esta entrada de nivel de línea permite la conexión directa a la etapa de potencia interna izquierda, y puede usarla con un previo externo o para la conexión de un reproductor de CD/MP3. Use un cable de instrumento standard de 6,3 mm para la conexión de dispositivos a esta entrada. La ruta de señal interna queda interrumpida en cuanto conecte un cable a una toma POWER AMP IN. Cuando esté usando el amplificador en el modo de puente mono, la señal de las tomas POWER AMP IN LEFT y POWER AMP IN RIGHT serán mezcladas para disponer de una única señal mono para la entrada de la etapa de potencia.
- POWER AMP IN RIGHT – Esta entrada de nivel de línea permite la conexión directa a la etapa de potencia interna derecha, y puede usarla con un previo externo o para la conexión de un reproductor de CD/MP3. Use un cable de instrumento standard de 6,3 mm para la conexión de dispositivos a esta entrada.
Panel trasero
La ruta de señal interna queda interrumpida en cuanto conecte un cable a una toma POWER AMP IN. Cuando esté usando el amplificador en el modo de puente mono, la señal de las tomas POWER AMP IN LEFT y POWER AMP IN RIGHT serán mezcladas para disponer de una única señal mono para la entrada de la etapa de potencia.
- Interruptor DIRECT OUT GROUND LIFT – Cuando lo pulse (posición "GND LIFT"), la punta 1 quedará desconectada del chasis. Utilice esto solo cuando detecte un bucle o zumbido a tierra. En caso contrario, deje este interruptor sin pulsar ("NORMAL").
- Conector DIRECT OUT – Use esta toma XLR balanceada electrónicamente para rutar la señal del Kilo a una mesa de mezclas profesional, como fase para un sistema PA a través de una entrada de micro de una mesa o a una etapa de potencia exterior. El mando DIRECT OUT (del panel frontal) controla el nivel de señal que hay en esta salida. También puede usar esta toma DIRECT OUT para rutar la señal a un amplificador exterior con una sensibilidad de entrada de -10 dB.
- Conector TUNER OUT – Use esta toma para la conexión de un afinador electrónico a través de un cable TRS de 6,3 mm. Esta salida TUNER siempre está activa, incluso cuando active el interruptor MUTE, lo que le permite afinar su instrumento en silencio. También puede usar esta salida como una salida directa de nivel de línea.
Configuración y manejo del Kilo
La configuración de su amplificador de bajo Hartke Kilo es un proceso muy sencillo, que solo le llevará unos pocos minutos.
- Retire todo el embalaje (pero consérvelo para el improbable caso de que tenga que enviar esta unidad para su reparación en el futuro) y elija la ubicación física en la que va a colocar el amplificador. Para evitar la posibilidad de un recalentamiento, asegúrese de que los paneles superior y laterales no queden tapados por nada y que haya un correcto flujo de aire y ventilación alrededor de toda la unidad.
- Comience conectando su recinto(s) acústico de bajo a las tomas de salida de altavoz Speakon® o de 6,3 mm no balanceadas del panel trasero. No es una buena idea (nunca) encender un amplificador que no esté conectado a ningún recinto acústico. Puede usar cualquier recinto acústico para bajo con una impedancia mínima total de 2 ohmios (es decir, 2 ohmios o superior) en el modo stereo (por lado), o una impedancia mínima de 4 ohmios en el caso del modo de puente mono. Para asegurarse una correcta correlación de fase al usar las salidas de 6,3 mm, la punta de la toma de altavoz del amplificador debe ser conectada a la entrada “+” (activa) del altavoz y el lateral de la toma de altavoz del amplificador a la entrada “-” (masa). Cuando use las tomas Speakon®, la salida +1 debería ser conectada a la entrada “+” (activa) del altavoz y la salida -1 a la entrada “-” (masa) del altavoz.
- Después, conecte el cable de alimentación de 3 puntas en cualquier salida de corriente con toma de tierra, pero no encienda todavía el amplificador.
- Use un cable de instrumento standard para conectar su bajo a la toma INPUT del panel frontal del Kilo (si su bajo tiene un circuito activo, pulse el interruptor ACTIVE para asegurar que el previo no se sobrecargue). En el panel frontal del Kilo, ajuste el control VOLUME a "0" (tope izquierdo) y el mando GAIN a "5" (posición de las "12 en punto"). Coloque el mando COMPRESSOR en su tope izquierdo o posición "0" y los mandos BASS, MID y TREBLE en la posición "5".
- Pulse el interruptor de encendido del panel frontal para encender el amplificador.
- Ajuste la salida de su bajo al máximo. Después, mientras toca, vaya subiendo lentamente el control VOLUME del Kilo hasta que consiga el nivel que quiera. Si detecta alguna distorsión, incluso con ajustes bajos de VOLUME, reduzca el ajuste del control GAIN o baje la salida de su bajo. Si el problema persiste, compruebe que no haya ningún cable dañado.
- Una vez que haya ajustado correctamente el nivel GAIN y VOLUME, el siguiente paso es ajustar los tres controles de banda del EQ a su gusto. Para más información, vea la sección "Acerca de la ecualización" en la página 18.
- Después, haga pruebas con el ecualizador gráfico del Kilo. Comience ajustando los diez mandos deslizantes en su posición de muesca central o plano ("0"). Pulse después el interruptor GEQ (se iluminará en verde) para que el EQ
Configuración y manejo del Kilo
gráfico quede activado. Finalmente, vaya moviendo los mandos deslizantes, de uno en uno, mientras toca su bajo. De nuevo, una vez que consiga un ajuste en el ecualizador gráfico que complemente perfectamente su instrumento y/o estilo de interpretación, tome nota de él para evitar que se le olvide y poder volverlo a usar en el futuro.
-
Pruebe ahora a usar el circuito de compresión del Kilo. Actívelo girando el mando COMPRESSOR a la derecha. Conforme lo vaya girando, la señal de entrada de su bajo irá siendo comprimida. Escuchará cómo los picos de señal (como los toques "slap" en sus cuerdas) van sonando cada vez más "aplanados" en relación a las señales de bajo nivel producidas por el resto de la interpretación. El resultado será un rango dinámico menor, pero un nivel más estable de la señal a lo largo de todo el rango de frecuencias de su instrumento. El piloto del compresor se iluminará en rojo cuando esté siendo aplicada compresión a la señal.
-
Si está usando un procesador de señal exterior, apague momentáneamente el amplificador y conecte un cable audio standard desde la toma EFFECTS SEND del Kilo a la entrada de su procesador de efectos y un segundo cable audio standard entre la toma EFFECTS RETURN LEFT/MONO y la salida de su procesador de efectos. Si está usando un procesador stereo, conecte la salida izquierda de dicho procesador a la entrada EFFECTS RETURN LEFT/MONO y la salida derecha del procesador a la entrada EFFECTS RETURN RIGHT. Vuelva a encender después el amplificador y toque en el bajo mientras ajusta los controles de su procesador de efectos externo. Para conseguir los mejores resultados posibles, ajuste tanto la ganancia de entrada como de salida de todos los procesadores de efectos conectados a 0 dB (ganancia unitaria), para que no haya aumento o reducción de nivel tanto si los efectos están activos como desconectados.
Selección de los recintos acústicos correctos
A la hora de elegir qué recinto acústico usar con su Hartke Kilo, hay muchos aspectos a considerar (impedancia, capacidad de manejo de potencia, respuesta de frecuencia, etc.). Aunque la mayoría de estos aspectos resultan evidentes, mucha gente tiene problemas para entender lo relativo a la impedancia. Básicamente, la impedancia es la cantidad de corriente que fluye a un altavoz a un voltaje concreto. Esto se mide en ohmios. La impedancia real de un altavoz no es constante en todas las frecuencias. Así pues, para una mayor comodidad, usamos el término de “impedancia nominal” para hacer referencia a la impedancia que presenta un altavoz ante un amplificador en una frecuencia concreta o de referencia.
Un altavoz típico tiene un valor medio de impedancia de 4, 8 ó 16 ohmios. En líneas generales, a menor impedancia, mayor potencia podrá recibir del amplificador. Por ejemplo, un altavoz de 4 ohmios obtendrá más potencia de su amplificador que uno de 8 ohmios. Si conecta un altavoz con un valor de impedancia menor que la media de salida del amplificador, el amplificador es posible que se recaliente y que se dañe la sección de salida. Es importante que conozca cómo conectar varios recintos acústicos de forma segura para que ello no suponga daños en los altavoces y/o el amplificador.
Como regla general, se considera que las tomas de salida de altavoz del amplificador y las entradas de los altavoces son conexiones "en paralelo" y que seguirán por tanto las normas descritas en esta sección. Al conectar altavoces en paralelo, la impedancia se ve reducida. La fórmula para calcular la impedancia total de un sistema de altavoces es: 1/R_t=1/R_1+1/R_2+1/R_3+1/R_n . Donde "R" es la impedancia de cada recinto acústico.
Si todos los recintos tienen la misma impedancia, la impedancia total será igual a la impedancia de cada altavoz dividida por el número total de recintos conectados. Por ejemplo, si tiene dos altavoces de 4 ohmios conectados en paralelo, la impedancia total será 4 dividido por 2; es decir, 2 ohmios. Tenga cuidado al conectar altavoces en paralelo a un amplificador ya que la impedancia puede caer rápidamente por debajo de los niveles seguros. Esto es especialmente cierto al conectar altavoces en paralelo en un amplificador en el modo de puente mono.

Cálculos de impedancia total
$$ 1 6 \Omega + 1 6 \Omega = 8 \Omega $$
$$ 8 \Omega + 1 6 \Omega = 5. 3 \Omega $$
$$ 8 \Omega + 8 \Omega = 4 \Omega $$
$$ 8 \Omega + 1 6 \Omega + 1 6 \Omega = 4 \Omega $$
$$ 1 6 \Omega + 1 6 \Omega + 1 6 \Omega + 1 6 \Omega = 4 \Omega $$
$$ 4 \Omega + 8 \Omega = 2. 7 \Omega $$
$$ 4 \Omega + 4 \Omega = 2 \Omega $$
El Hartke Kilo tiene dos amplificadores independientes con una capacidad de 500 watios, a los que puede conectar altavoces con una impedancia mínima de 2 ohmios. Puede conectar juntos los dos amplificadores para producir 1.000 watios de potencia a una carga mínima de altavoz de 4 ohmios. Al elegir los recintos acústicos a conectar, asegúrese de que aceptan como mínimo la potencia de salida del amplificador, ya que en caso contrario pueden resultar dañados.
Acerca de la compresión
El rango dinámico de un sonido es la diferencia entre sus niveles más alto y más bajo. Por ejemplo, conforme toca su bajo, probablemente observará que algunas notas (como las tocadas en los trastes superiores de la cuerda grave) son considerablemente más potentes que otras. La función del circuito de compresión del amplificador de bajo Kilo es reducir el rango dinámico global al disminuir de forma automática el nivel de los sonidos más potentes que toque para hacer que queden con un nivel más semejante al de los más suaves. El resultado final de este proceso será un sonido más suave y estable.
El control COMPRESSOR del panel frontal determina la cantidad de compresión (reducción de señal de picos) ajustando lo que se conoce como el umbral. Este umbral es el límite por encima del cual será aplicada la compresión. Conforme gire este mando COMPRESSOR hacia la derecha, el nivel de umbral disminuirá. El ratio de compresión está ajustado a más o menos un 2:1, lo que implica que el volumen de cualquier señal de entrada que esté por encima de este umbral será reducido a la mitad.

text_image
COMPRESSOR 4 5 6 3 7 2 8 1 9 0 10El circuito de compresión del Kilo sigue la señal de entrada y ajusta el ratio de compresión a un valor inferior cuando toque notas con un ataque rápido para evitar "aplanar" su sonido. Esto es muy útil cuando esté tocando un pasaje con notas rápidas de tipo "staccato" ya que hará que todas las notas suenen al mismo nivel, incluso aunque la señal esté por encima del nivel de umbral.
El Kilo le ofrece un piloto de compresión en el panel frontal que le indica visualmente en qué momento la señal audio supera el nivel de umbral y activa el circuito de compresión. Cuando este piloto esté apagado indicará que no estará siendo aplicada la compresión. Cuando el piloto se ilumine en rojo es que estará siendo aplicada compresión a la señal de entrada.
La compresión tiene tres usos principales. Primero, como ya le hemos descrito, "iguala" las notas tocadas en su bajo para que tengan prácticamente el mismo nivel de salida. En segundo lugar, añade "pegada" a su sonido. Dado que todos los niveles son casi iguales, puede tocar con una mayor potencia sin preocuparse de que las notas a mayor volumen puedan distorsionar. Y en último lugar, sirve para proteger sus altavoces contra los posibles daños de niveles de salida elevados puntuales (transitorios), algo que se suele producir a veces al tocar con técnicas como el slap, el golpeo de las cuerdas con los dedos y otras semejantes.
La necesidad de usar o no la compresión en su amplificador Kilo es una cuestión de gustos personales y del estilo de interpretación que use. Pruebe para ver si le convence el efecto de esta compresión. Si habitualmente toca a niveles de volumen bajo es probable que observe que incluso con este mando COMPRESSOR al máximo el circuito de compresión no tiene efecto audible sobre su sonido. En general, si no necesita compresión sobre su sonido, deje desactivado este circuito.
Acerca de la ecualización
El amplificador de bajo Hartke Kilo le ofrecen un enorme control del modelado de su sonido de bajo a través de un proceso llamado ecualización. Para entender cómo funciona esta ecualización, es importante que entienda que cada sonido que se produce en la naturaleza está formado por distintos tonos (frecuencias), combinados de una forma exclusiva. Esta mezcla es lo que da a cada sonido su color tonal específico.
La primera sección de los controles de EQ del Kilo es un ecualizador de bloque de tono a válvulas de tres bandas. Esto es un EQ con ancho de banda fijo, sin control de frecuencia. Es un poco distinto a los controles de agudos y graves de realce y corte de un equipo

hi-fi normal, dado que aquí no hay ajuste "plano" teórico. Cuando estos tres mandos (marcados como BASS, MID y TREBLE) estén en su punto central (posición de "las 12 en punto"), la respuesta quedará en una curva de ecualización prefijada que ha sido personalizada para el sonido de bajo. Los controles BASS y MID son en cierta manera interactivos, de forma que al subir o bajar el mando MID, la frecuencia central del mando BASS cambiará. El control TREBLE ha sido diseñado para ser independiente de los otros dos, de forma que puede subir las frecuencias agudas sin que ello afecte a los súper graves. Haga pruebas con estos mandos EQ y su bajo concreto hasta que localice
el ajuste que le ofrezca el mejor sonido.
Además de estos tres controles EQ, el Kilo también le ofrece los interruptores BRITE y DEEP. BRITE añade un realce global de la respuesta en súper agudos. Este botón actúa de forma combinada con el mando GAIN (similar al botón Loudness de un equipo

text_image
BRITE SHAPE DEEP GAIN SHAPE BASSstereo). Conforme suba el ajuste GAIN, el realce global será reducido. Cuando GAIN esté ajustado a "10" (tope derecho), el interruptor BRITE no tendrá efecto sobre la señal audio. El interruptor DEEP cambia la posición del declive de medios y graves para intensificar los súper graves ("booty") del bajo. El interruptor y el mando SHAPE aplican un filtro de muesca ajustable (scoop) a la zona de frecuencias elegida para que pueda personalizar el efecto de la curva de EQ que mejor se adapte a su instrumento. El giro del control SHAPE a la derecha hace que el filtro de muesca sea aplicado en frecuencias más altas, mientras que el giro a la izquierda hace que sea aplicado sobre las frecuencias graves.
El ecualizador gráfico de diez bandas y Q constante le ofrece 10 mandos deslizantes, cada uno asignado a una estrecha banda de frecuencia concreta. Esto le permite "dibujar" la respuesta tonal concreta para su sistema. Cuando uno de estos mandos esté en su posición central (con muesca en "0"), no producirá ningún efecto. Cuando lo suba desde el centro (hacia el “+12”), esa banda concreta será realizada, mientras que cuando lo mueva hacia abajo del centro (hacia “-12”), la banda será atenuada. Normalmente, primero ajustará los controles del EQ de tres bandas y después “afinará” su respuesta con el ecualizador gráfico.

text_image
1000 WATT BASS AMPLIFIER LEVEL 30Hz 40Hz 125Hz 250Hz 500Hz 100Hz 200Hz 50Hz 100Hz 40Hz +22 +19 +16 +13 +10 +7 +4 +2 -8 -6 -4 -2 +1 -3 -5 -7 -9 -11 -13 -15 -17 -19 -21 -23 -25 -27 -29 -31 -33 -35 -37 -39 -41 -43 -45 -47 -49 -51En muchas casos, la mejor forma de trabajar con la EQ es pensar en términos de qué bandas deben ser atenuadas, en lugar de cuáles han de ser realizadas. Tenga en cuenta que el realce de una banda de frecuencias también tiene el efecto de realizar la señal total; especialmente, un realce excesivo en los graves puede llegar a producir distorsión por sobrecarga e incluso dañar un altavoz conectado. En general, si va a aplicar una cantidad elevada de realce de graves, es una buena idea dejar la compresión activada, aunque sea solo para proteger sus altavoces contra daños potenciales.
Sugerencias de ajustes del EQ del Kilo
Dado que el Hartke Kilo le ofrece tantas opciones para retocar de forma precisa el sonido de su bajo, puede que se sienta casi abrumado la primera vez que lo ponga en marcha. ¡No se asuste! Aunque no existe lo "correcto" o "incorrecto" a la hora de modelar su sonido, aquí le ofrecemos algunos ejemplos de partida que le ayudarán a encontrar el toque justo que está buscando para su sonido y estilo de interpretación.
Puede que considere que estos ajustes necesitan algún retoque más, dado que cada sonido también se ve influido por el instrumento concreto que use, el tipo de cuerdas y su estilo de interpretación. Pruebe a usar el EQ gráfico para ajustar aun más el sonido.
Siempre que consiga un ajuste realmente bueno del EQ para un instrumento o canción particulares, tome nota de él (¡se sorprendería de lo fácilmente que uno se olvida de cómo se conseguía "ese" sonido concreto!)
Rock armónico

text_image
O.K. OUTE ROUTE SHAPE DEEP AFFECTS BAS MID TREELE OVERDRIVE COMPRESSOR GAIN SHAPE BASS MID TREELEMotown

text_image
OIL MUTE WHITE OVERDRIVE COMPRESSOR GAIN SHAPE DEEP BASS MID EFFECT GEO TREBLEFretless

text_image
OVERDRIVE COMPRESSOR GAIN SHAPE BASS MID TREBLECasi saturación

text_image
O.D. OVERDRIVE MATERIAL WHITE WHITE SHAPE DRAGON FROCCOL SIDE COMPRESSOR GAIN SHAPE BASS MID TREBLEHardcore

text_image
0.5 OUTRIVE COMPRESSOR BRITE SHAPE DEEP AFFECTS GAIN SHAPE BASS MID TREBLER&B clásico

text_image
0.0 OVERDRIVE MAKE COMPRESSOR GAIN SHAPE SHEEP EFFECT GAIN BASS MID TREBLESlap funky

text_image
OVERDRIVE COMPRESSOR GAIN SHAPE BASS MID TREBLEEspecificaciones técnicas
Sensibilidad de entrada 100 kohmios, 20 mv
Válvulas de previo 3 x 12AX7
Potencia de salida media 1000 watios puente mono @ 4 ohmios
750 watios puente mono @ 8 ohmios
2 x 500 watios @ 2 ohmios
2 x 350 watios @ 4 ohmios
2 x 200 watios @ 8 ohmios
Distorsión armónica total inferior al 0.5%
Relación señal-ruido aproximadamente 78 dB
Ecualizador
Controles de tono pasivos BASS, MID y TREBLE
EQ gráfico ±12 dB, muesca central
Nivel EQ gráfico ±12 dB, muesca central
Interruptor BRIGHT +6 dB @ 2 kHz
Ratio de compresión 10:1
Conectores FOOTSWITCH MUTE+OVERDRIVE: punta = anulación, anillo =
EQ
Nivel de salida de envío 0 dBm
Nivel de entrada de retorno 0 dBm
Dimensiones 482 mm x 460 mm x 132 mm
19"×18"×5.25"
Peso 18 kgs
40 lbs
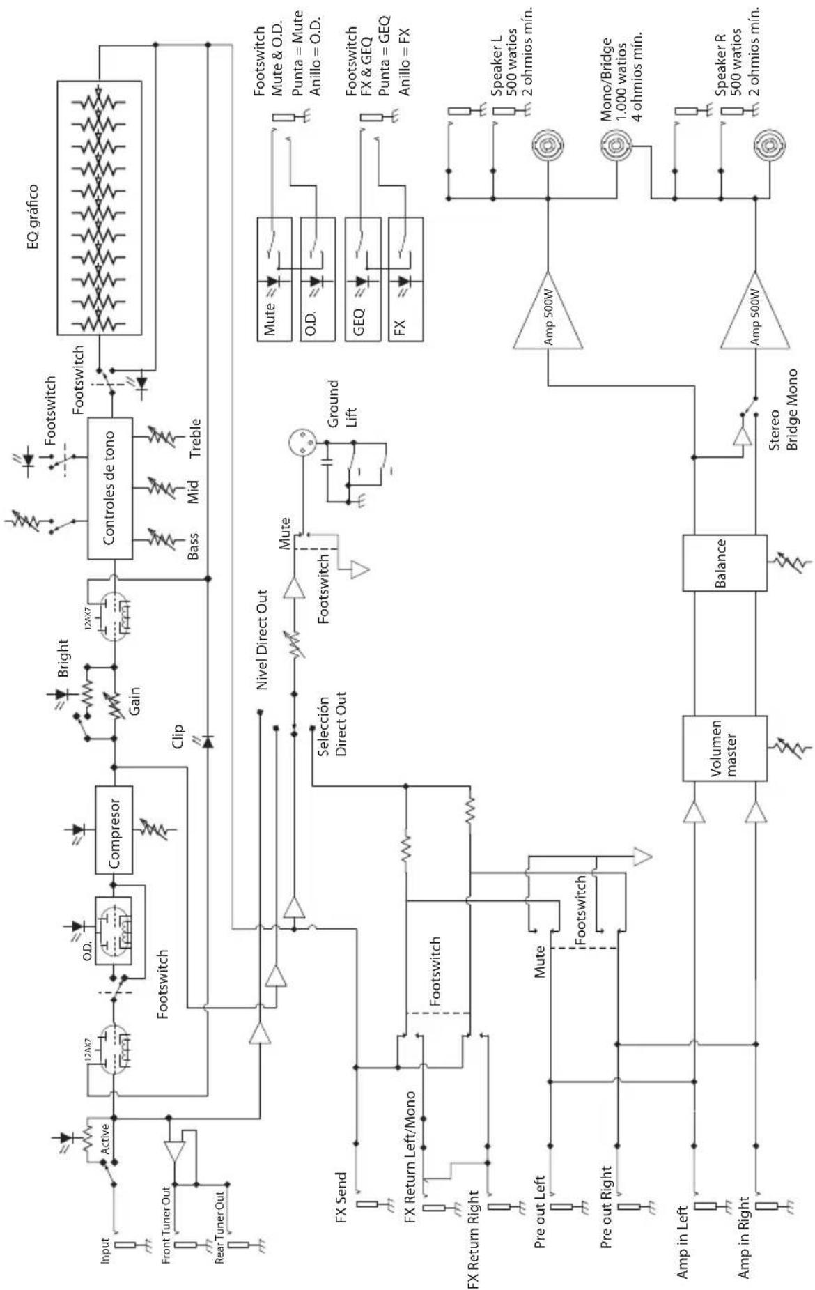
Diagrama de bloques

flowchart
graph TD
A["Input"] --> B["Active"]
B --> C["12X7"]
C --> D["O.D."]
D --> E["Compresor"]
E --> F["12X7"]
F --> G["Bright"]
G --> H["Controles de tono"]
H --> I["Footswitch"]
I --> J["EQ gráfico"]
K["Front Tuner Out"] --> L["Antenna"]
M["Rear Tuner Out"] --> N["Antenna"]
O["FX Send"] --> P["FX Return Left/Mono"]
Q["Pre out Left"] --> R["FX Return Right"]
S["Amp in Left"] --> T["Amp in Right"]
U["Amp in Right"] --> V["Volumen master"]
W["Nivel Direct Out"] --> X["Selección Direct Out"]
Y["Mute"] --> Z["Footswitch"]
AA["Mute"] --> AB["Ground Lift"]
AC["Mute"] --> AD["Ground Lift"]
AE["Mute"] --> AF["Ground Lift"]
AG["Mute"] --> AH["Ground Lift"]
AI["Mute"] --> AJ["Ground Lift"]
AK["Mute"] --> AL["Ground Lift"]
AM["Mute"] --> AN["Ground Lift"]
AO["Mute"] --> AP["Ground Lift"]
AQ["Mute"] --> AR["Ground Lift"]
AS["FE"] --> AT["FE"]
AU["FE"] --> AV["FE"]
AW["FE"] --> AX["FE"]
AY["Capacitor"] --> AZ["Capacitor"]
BA["Bass"] --> BB["Bass"]
BC["Mid"] --> BD["Mid"]
BE["Treble"] --> BF["Treble"]
BG["Stereo Bridge Mono"] --> BH["Stereo Bridge Mono"]
BI["Stereo Bridge Mono"] --> BJ["Stereo Bridge Mono"]
BK["Stereo Bridge Mono"] --> BL["Stereo Bridge Mono"]
BM["Stereo Bridge Mono"] --> BN["Stereo Bridge Mono"]
BO["Stereo Bridge Mono"] --> BP["Stereo Bridge Mono"]
Indice
Introduzione 78
Caratteristiche 79
ManualFácil