Kilo - Ricevitore Hartke - Manuale utente e istruzioni gratuiti
Trova gratuitamente il manuale del dispositivo Kilo Hartke in formato PDF.
Domande degli utenti su Kilo Hartke
0 domanda su questo apparecchio. Rispondi a quelle che conosci o fai la tua.
Fai una nuova domanda su questo apparecchio
Scarica le istruzioni per il tuo Ricevitore in formato PDF gratuitamente! Trova il tuo manuale Kilo - Hartke e riprendi in mano il tuo dispositivo elettronico. In questa pagina sono pubblicati tutti i documenti necessari per l'utilizzo del tuo dispositivo. Kilo del marchio Hartke.
MANUALE UTENTE Kilo Hartke
Controlli sul pannello frontale 80
Pannello posteriore 83
Impostazione e utilizzo del Kilo. 86
Scegliere le casse giuste 88
Compressione. 89
Equalizzazione 90
Impostazioni EQ consigliate....91
Specifiche 92
Diagramma a blocchi 93
Introduzione
Complimenti per aver acquistato l'amplificatore per basso Hartke Kilo! Sappiamo che non vi piace leggere i manuali, ma vi consigliamo di dedicare qualche minuto a queste pagine (abbiamo cercato di essere brevi!) per capire pienamente le caratteristiche che rendono unico questo prodotto.
Hartke Kilo alza lo standard dell'amplificazione per basso. Fornisce 500 watt a 2 ohm per lato in modalità stereo, e una massiccia potenza di 1000 watt a 4 ohm in modalità bridged mono. Per plasmare il sound, ha un preamp in classe A completamente valvolare e controlli per i toni organizzati in maniera logica. Il Kilo offre un classico EQ a tre bande, con il circuito Hartke per il controllo dello Shape. Un ulteriore controllo delle sfumature di tono è dato dall'equalizzatore grafico a 10 bande e dalla possibilità di scegliere la curva di equalizzazione tra Deep e Brite. È inoltre presente un circuito variabile per la saturazione valvolare, per ottenere un suono più "sporco", oltre a un circuito di compressione veloce e articolato per smussare la dinamica.
Per collegare l'amplificatore alle casse, il Kilo ha uscite di tipo jack da 6,3 mm e di tipo Speakon®. Il Kilo offre anche numerose connessioni, la possibilità di routing del segna-le, tra cui direct out in diversi punti selezionabili, loop effetti stereo, uscite per l'accor-datore sul fronte e sul retro, e jack per interruttori a pedale per controllare a distanza le funzioni Mute, Overdrive, mandata effetti ed equalizzatore grafico.
Kilo è la scelta ideale in ogni situazione: dagli studi di registrazione ai piccoli club, fino ai grandi stadi. Queste pagine forniscono una descrizione dettagliata delle caratteristiche dell'amplificatore per basso Hartke Kilo e istruzioni passo passo per il collegamento e l'uso, nonché le specifiche complete.
Se il prodotto è stato acquistato negli Stati Uniti, troverete anche una cartolina di garanzia. Non dimenticate di compilarla e spedirla! Avrete così diritto a ricevere supporto tecnico online e potremo fornirvi informazioni aggiornate su questo e altri prodotti Samson. Trattato con la giusta cura, Kilo funzionerà per molti anni senza problemi. Vi raccomandiamo di annotare qui sotto il numero di serie come futuro riferimento.
Numero di serie: ____
Data d'acquisto: ____
Se l'unità necessitasse di riparazione, prima di spedirla a Samson dovrete ottenere un numero di Autorizzazione Reso. In sua assenza, l'unità non verrà accettata. Vi preghiamo di contattare Samson al numero 1-800-3SAMSON (1-800-372-6766) per richiedere il numero di autorizzazione prima di procedere alla spedizione. Conservate l'imbal-laggio originale e, se possibile, utilizzatelo per spedire l'unità. Se il prodotto è stato acquistato al di fuori degli Stati Uniti, contattate il vostro distributore di zona per tutti i dettagli sulla garanzia e l'assistenza. Vi invitiamo anche a visitare il nostro sito web (www.samsontech.com) per informazioni complete sulla nostra intera linea di prodotti.
Caratteristiche

L'amplificatore per basso Hartke Kilo offre un suono classico, grande flessibilità e potenza in abbondanza abbinate alle più recenti soluzioni in campo di amplificazione per basso. Ecco un assaggio delle sue caratteristiche.
- La modalità stereo fornisce 500 watt di potenza per lato in un carico di altoparlanti da 2 ohm, e addirittura 1000 watt in modalità bridged mono verso un sistema di altoparlanti da 4 ohm.
- Circuito preamp ad alto voltaggio completamente valvolare (3 x 12AX7) in classe A che fornisce un suono di altissima qualità.
- Equalizzatore classico a tre bande con controllo Shape che permette di creare una vasta gamma di sfumature di tono.
- Curve di equalizzazione selezionabili tra Deep e Brite, per un ulteriore controllo sulla definizione del vostro suono.
- Compressore variabile che aggiunge impatto al suono e vi permette di smussare le differenze di volume tra le note.
- Equalizzatore grafico a 10 bande a campana costante per modellare visivamente i toni dello strumento. Il controllo del livello indipendente permette di regolare il livello complessivo del segnale. Un interruttore anteriore dedicato e un jack per interruttore a pedale consentono di memorizzare una curva di equalizzazione.
- La saturazione valvolare variabile può scaldare il suono o essere regolata fino a ottenere un timbro completamente fuzz.
- Direct output a diverse posizioni con controllo del livello che permette di scegliere in quale punto del percorso del segnale l'audio viene indirizzato al jack di output diretto.
- Connessioni parallele Speakon® e da 6,3 mm per il collegamento delle casse.
- Jack di mandata e ritorno al loop effetti stereo per il collegamento di processori di effetti professionali esterni. Un interruttore anteriore dedicato e un jack per interruttore a pedale permettono di inviare il segnale agli effetti senza interrompere la performance.
- Jack Preamp Out e Amplifier In separati per i canali destro e sinistro per ulteriori possibilità di routing e per collegare ampli supplementari per altre casse.
- Robusta struttura rack da tre unità con pannello frontale pressofuso e ampie maniglie anteriori per affrontare al meglio ogni spostamento.
Controlli sul pannello frontale

text_image
1 3 5 8 11 13 20 22 2624151719 Hartke KILO ACTUAL OBL WATER BARRA SHAPE DESP EFFECTS APE DIRECT OUT VOLUME OUTPUT OVERLOAD COMPRESSION GAIN SHAPE BASIS MED THERB TOLER 2 4 6 9 12 141618 7 10 21 2325 SELECT WALL OUT- INPUT – Collegiate qui il basso con un cavo standard sbilanciato per strumenti da 6,3 mm.
- Uscita TUNER – Usate questo jack per collegare un accordatore elettronico tramite un cavo TRS da 6,3 mm. L'uscita TUNER è sempre attiva, anche quando l'interruttore MUTE è abilitato, permettendovi di accordare lo strumento in silenzio. Questa uscita può anche essere usata come direct out a livello di linea.
- Interruttore ACTIVE – Se selezionato, questo interruttore con illuminazione verde riduce la sensibilità d'ingresso di 15 dB per supportare il segnale più alto proveniente da bassi con componenti elettroniche attive.
- OVERDRIVE – Quando l'interruttore O.D. è attivo (vedi n. 5) questa manopola regola il contenuto armonico e la distorsione applicata al segnale in ingresso. La rotazione progressiva della manopola porta all'aggiunta di calore valvolare, ottenendo un suono più sporco o addirittura un suono completamente fuzz.
- Interruttore O.D. – Se attivato, questo interruttore con illuminazione verde abilita il controllo OVERDRIVE. Si può collegare all'ampli un interruttore a pedale per accendere o spegnere l'OVERDRIVE (con il pedale collegato, l'interruttore sul pannello frontale viene disattivato).
- COMPRESSOR – Questa manopola determina la quantità di compressione attraverso la regolazione della soglia. Il compressore permette di controllare la dinamica generale della performance riducendo picchi indesiderati e aumentando il sustain dello strumento. Quando la manopola è ruotata completamente in senso antiorario, non c'è compressione. Ruotandola in senso orario viene progressivamente applicata compressione. Per maggiori informazioni, vedi la sezione "Compressione" a pagina 17.
- Luce del compressore – Fornisce un'indicazione visiva sullo stato del circuito di compressione. Il LED rosso si accende quando il segnale in ingresso oltrepassa la soglia e attiva il circuito.
Controlli sul pannello frontale
- Interruttore MUTE – Quando viene attivato, questo interruttore con illuminazione arancione silenzia tutte le uscite tranne quelle per l'accordatore, sul fronte e sul retro. Si può collegare all'ampli un interruttore a pedale per controllare il MUTE (con il pedale collegato, l'interruttore sul pannello frontale viene disattivato).
- GAIN – Controlla la quantità di segnale fornita al preamp valvolare. L'indicatore di picco (vedi n. 10) si illumina quando il segnale in ingresso va in clip nello stadio di preamplificazione, risultando in una distorsione indesiderata. Abbassate il controllo GAIN finché l'indicatore si illumina solo occasionalmente.
- Indicatore di picco – Questa luce rossa si accende quando si verifica del clipping nel percorso del segnale del preamp. Se la luce si accende continuamente, abbassate il controllo GAIN finché l'accensione non diventa occasionale.
- Interruttore BRITE – Questo interruttore con illuminazione verde, se premuto, aumenta di 6 dB le alte frequenze in uscita.
- SHAPE – A seconda del settaggio, il circuito Shape applica una curva di equalizzazione preimpostata con un abbassamento dei medi o un aumento delle basse o delle alte frequenze. La manopola SHAPE imposta la frequenza centrale che verrà abbassata dal circuito.
- Interruttore SHAPE – Questo interruttore con illuminazione verde abilita il circuito Shape (vedi n. 12). Per un maggiore controllo sul palco, l'interruttore può essere comandato tramite pedale (con il pedale collegato, l'interruttore sul pannello frontale viene disattivato).
- BASS – Questo controllo fa parte dell'equalizzatore passivo e regola la risposta delle basse frequenze.
- Interruttore DEEP – Questo interruttore con illuminazione verde, se premuto, aumenta di 6 dB le basse frequenze in uscita.
- MID – Questo controllo fa parte dell'equalizzatore passivo e regola la risposta delle frequenze medie.
- Interruttore EFX – Se attivato, questo interruttore con illuminazione verde invia il segnale al jack EFFECTS SEND sul pannello posteriore, permettendo di accendere o spegnere il segnale degli effetti esterni. Per controllare l'interruttore EFX si può collegare un pedale (con il pedale collegato, l'interruttore sul pannello frontale viene disattivato).
- TREBLE – Questo controllo fa parte dell'equalizzatore passivo e regola la risposta delle alte frequenze.
- Interruttore GEQ – Questo interruttore con illuminazione verde, se premuto, rende operativo l'equalizzatore grafico. Quando non è premuto, il circuito viene bypassato. Permette di impostare una curva di equalizzazione personale con gli slider dell'EQ grafico e di richiamarla premendo un solo tasto. Per controllare l'interruttore GEQ si può collegare un pedale (con il pedale collegato, l'interruttore sul pannello frontale viene disattivato).
Controlli sul pannello frontale
- DIRECT OUT – Regola il livello del segnale in uscita dal jack DIRECT OUTPUT.
- Direct Out SELECT – Questo interruttore permette di scegliere il punto della catena in cui avrà origine il segnale DIRECT OUTPUT. Il segnale può essere preso direttamente dall'input, dopo il compressore, dopo l'EQ grafico o dopo il ritorno-effetti. Potrete quindi decidere il tipo di segnale da inviare all'impianto rivolto al pubblico.
- VOLUME – Il controllo del volume generale. Per un miglior rapporto segnalerumore mantenete l'uscita del basso al massimo o quasi, e portate il volume dell'ampli al livello desiderato.
- BALANCE – Questa manopola regola la differenza di livello tra l'amplificatore destro e quello sinistro. Se state usando due casse diverse (ad esempio una 115 e una 410) potreste voler spingere di più con una rispetto all'altra per equilibrare il sound. In posizione centrale (ore 12) entrambi i canali hanno uguale potenza. Il controllo BALANCE non ha effetto quando il Kilo è in modalità bridge.
- Graphic EQ LEVEL – Quando l'interruttore GEQ (vedi n. 19) è attivo, questo slider controlla il volume in uscita dell'equalizzatore grafico. Si può usare per aumentare il segnale durante un assolo, o per compensare i cambi di livello dovuti alle modifiche ai toni.
- EQ Grafico – Questi slider permettono di “disegnare” la risposta tonale del sistema aggiungendo o sottraendo 12 dB di segnale in dieci aree di frequenze a campa-natura costante (30 Hz, 64 Hz, 125 Hz, 250 Hz, 500 Hz, 1 kHz, 2 kHz, 3 kHz, 5 kHz e 8 kHz), influendo sul segnale di uscita principale. Se uno slider è in posizione centrale, l’area della frequenza selezionata non è spinta né tagliata (quindi è “flat”). Quando uno slider viene alzato, l’area selezionata viene spinta; se viene abbassa-to, l’area selezionata viene attenuata.
- Interruttore POWER – Accende e spegne l'amplificatore Kilo. Il LED interno si illumina quando Kilo è acceso.
Pannello posteriore

text_image
1 4 8 10111217 SPEAKER OUTPUTS LEFT SPEAKER RIGHT SPEAKER FOOTS SWITCH MUTE- OVERDRIVE EO EFX EFFECTS LOOP RETURN RETURN SEND LEFT/MONO RIGHT MONO PREAMP OUT LEFT RIGHT POWER AMP IN LEFT RIGHT DIRECT OUT NORMAL END LIFT Hartke KILO®/N382 www.hartke.com DELAIDS AND SENSIFIEDS IN THE UNITED STATES CE N382 TUNER OUT 151619 AC LINE IN 2 3 6 7 9 1351418- Interruttore di selezione del voltaggio – Imposta il voltaggio operativo del Kilo. Verificate che sia impostato correttamente per il vostro Paese.
- Presa CA – Collegiate qui il cavo IEC standard a 3 poli fornito. Non rimuovere mai il polo della messa a terra dalla spina.
- Fusibile – Contiene il fusibile dell'ampli. In caso di sostituzione assicuratevi di montare un fusibile di classe adeguata. Le classificazioni sono 15 A per 115 VCA e 8 A per 230 VCA.
- Uscite LEFT SPEAKER – Usate queste connessioni per collegare le casse all'uscita dell'amplificatore sinistro. L'ampli ha connettori da 6,3 mm e Speakon® cablati in parallelo. Quando possibile, utilizzate le connessioni Speakon®. L'impedenza totale degli altoparlanti collegati a tutti i jack non deve essere inferiore a 2 ohm.
- Uscite RIGHT SPEAKER – Usate queste connessioni per collegare le casse all'uscita dell'amplificatore destro. L'ampli ha connettori da 6,3 mm e Speakon® cablati in parallelo. Quando possibile, utilizzate le connessioni Speakon®. L'impedenza totale degli altoparlanti collegati a tutti i jack non deve essere inferiore a 2 ohm.
- Uscite MONO BRIDGE – Quando utilizzate l'ampli in modalità bridge collegate qui il cavo con connettore Speakon® . Il carico di impedenza totale degli altoparlanti collegati all'uscita non deve essere inferiore a 4 ohm.
- Interruttore STEREO/MONO BRIDGE – Questo interruttore imposta l'ampli in modalità Stereo o Mono Bridge.
- MUTE+OVERDRIVE FOOTSWITCH – Per controllare gli interruttori di selezione MUTE e OVERDRIVE collegate qui un interruttore a pedale a due pulsanti con connessione TRS da 6,3 mm (Punta = MUTE, Anello = OVERDRIVE). Con il pedale collegato, l'interruttore sul pannello frontale è disabilitato.
Pannello posteriore
- EQ+EFX FOOTSWITCH – Per controllare gli interruttori di selezione GEQ e EFX collegate qui un interruttore a pedale a due pulsanti con connessione TRS da 6,3 mm (Punta = EQ, Anello = EFX). Con il pedale collegato, l'interruttore sul pannello frontale è disabilitato.
- EFFECTS RETURN LEFT/MONO – Usate questo jack sbilanciato da 6,3 mm per inviare il segnale di ritorno a bassa impedenza (600 ohm) da un processore di effetti professionale all'amplificatore sinistro. Quando l'ampli è in modalità Mono Bridge, il jack invia il segnale all'ingresso dell'amplificatore di potenza.
- EFFECTS RETURN RIGHT – Usate questo jack sbilanciato da 6,3 mm per inviare il segnale di ritorno a bassa impedenza (600 ohm) da un processore di effetti professionale all'amplificatore destro. Quando l'ampli è in modalità Mono Bridge, questo jack non è attivo.
- EFFECTS SEND MONO – Usate questo jack sbilanciato da 6,3 mm per inviare un segnale a bassa impedenza (100 ohm) a un processore di effetti professionale come un riverbero, echo, chorus, flanger o harmonizer. Il livello di uscita approssimativo è tra 0 e +4 dB post-EQ e post-compressione, ma non è influenzato dal volume MASTER. Il jack EFFECTS SEND si può anche usare per inviare il segnale a una console di mixaggio o un ampli con sensibilità in ingresso di +4 dB.
- PREAMP OUT LEFT – Questo jack in uscita riceve il segnale dal preamp sinistro (dopo il ritorno effetti) e può essere usato per collegare un amplificatore di potenza esterno, una console di mixaggio o altri dispositivi che operano con segnale line. Per collegare i dispositivi esterni usate un cavo standard per strumenti da 6,3 mm.
- PREAMP OUT RIGHT – Questo jack in uscita riceve il segnale dal preamp destro (dopo il ritorno effetti) e può essere usato per collegare un amplificatore di potenza esterno, una console di mixaggio o altri dispositivi che operano con segnale line. Per collegare i dispositivi esterni usate un cavo standard per strumenti da 6,3 mm.
- POWER AMP IN LEFT – Questo ingresso line è collegato direttamente all'amplificatore di potenza interno sinistro, e può essere usato con preamp esterni, o per collegare un lettore CD o MP3. Per collegare i dispositivi usate un cavo standard per strumenti da 6,3 mm. Il percorso del segnale interno viene interrotto quando si collega un cavo al jack POWER AMP IN. Quando l'ampli è in modalità Mono Bridge, i segnali dei jack POWER AMP IN LEFT e POWER AMP IN RIGHT vengono mixati, quindi l'amplificatore di potenza riceve un segnale mono.
- POWER AMP IN RIGHT – Questo ingresso line è collegato direttamente all'amplificatore di potenza interno destro, e può essere usato con preamp esterni, o per collegare un lettore CD o MP3. Per collegare i dispositivi usate un cavo standard per strumenti da 6,3 mm. Il percorso del segnale interno viene interrotto quando si collega un cavo al jack POWER AMP IN. Quando l'ampli è in modalità Mono Bridge, i segnali dei jack POWER AMP IN LEFT e POWER AMP IN RIGHT vengono mixati, quindi l'amplificatore di potenza riceve un segnale mono.
Pannello posteriore
- Interruttore DIRECT OUT – Se premuto (in posizione "GND LIFT"), il pin 1 viene rimosso dallo chassis. Da utilizzare solo se si sentono ronzii o rumori di ground loop. In caso contrario, lasciate l'interruttore in posizione "NORMAL".
- Connessione DIRECT OUT – Usate questo jack XLR bilanciato elettronicamente per inviare il segnale a un mixer professionale, a un sistema PA tramite l'ingresso mic della console, o a un ampli esterno. La manopola DIRECT OUT sul pannello frontale regola il livello del segnale. Potete usare l'uscita DIRECT OUT anche per inviare il segnale a un ampli esterno con sensibilità in ingresso di -10 dB.
- Jack TUNER OUT – Usate questo jack per collegare un accordatore elettronico con un cavo TRS da 6,3 mm. L'uscita TUNER è sempre attiva, anche quando l'interruttore MUTE è abilitato, permettendovi di accordare lo strumento in silenzio. Questa uscita può anche essere usata come direct out a livello di linea.
Impostazione e utilizzo del Kilo
L'impostazione dell'amplificatore per basso Hartke Kilo richiede solo pochi minuti.
- Togliete tutto il materiale di imballaggio (ma conservatelo, in caso l'unità necessitasse di assistenza in futuro) e decidete dove posizionare l'ampli. Per evitare surriscaldamenti, verificate che il pannello superiore e quelli laterali non siano ostruiti e che intorno a tutta l'unità ci sia un'adeguata ventilazione.
- Iniziate collegando una o più casse ai connettori Speakon® o da 6,3 mm sbilanciati sul retro. È bene evitare di accendere l'ampli prima di aver collegato agli alto-parlanti. Per ogni lato si può usare qualsiasi cassa con caratteristiche adeguate e un'impedenza di almeno 2 ohm in modalità Stereo, o un'impedenza di almeno 4 ohm in modalità Mono Bridge. Per assicurare una giusta correlazione di fase quando si usano le uscite da 6,3 mm, la punta del jack sull'ampli va collegata all'ingresso "+" (hot) della cassa, mentre lo stelo del jack sull'ampli va collegato all'ingresso "-" (terra) della cassa. Se si usano gli Speakon®, l'uscita +1 va collegata all'ingresso "+" (hot) della cassa, mentre l'uscita -1 va collegata all'ingresso "-" (terra) della cassa.
- Collegate la spina CA a tre poli a una presa di corrente con messa a terra. Non accendete ancora l'amplificatore.
- Collegiate il basso all'ingresso INPUT sul pannello frontale del Kilo con un cavo standard per strumenti (se il basso ha circuiti attivi, premete l'interruttore SWITCH in modo che il preamp non si surriscaldi). Sul pannello frontale del Kilo, impostate il controllo VOLUME su "0" (tutto in senso antiorario) e la manopola GAIN su "5" (a ore 12). Ruotate la manopola COMPRESSOR in senso antiorario fino alla posizione "0", e mettete BASS, MID e TREBLE in posizione "5".
- Accendete l'ampli con l'interruttore di accensione sul pannello frontale.
- Impostate al massimo il livello di uscita del basso. Ora, mentre suonate, ruotate lentamente la manopola VOLUME del Kilo fino a raggiungere il livello desiderato. Se sentite distorsione anche con una impostazione bassa del controllo VOLUME, abbassate il GAIN oppure l'uscita del basso. Se il problema rimane, controllate se c'è un cavo difettoso.
- Definiti i livelli di GAIN e di VOLUME master, il passo seguente è regolare i controlli dell'EQ a tre bande secondo i vostri gusti. Per maggiori informazioni, leggete la sezione "Equalizzazione" a pagina 18.
- Ora sperimentate con l'equalizzatore grafico del Kilo. Iniziate impostando ogni slider in posizione flat ("0"), nella tacca al centro. Poi premete l'interruttore GEQ (che si illuminerà di verde) per attivare l'equalizzatore. Per finire spostate a turno ogni slider mentre suonate il basso. Una volta trovata l'impostazione che si addice al vostro strumento e al vostro modo di suonare, è buona norma annotarla per il futuro.
Impostazione e utilizzo del Kilo
- Ora provate il circuito di compressione del Kilo. Attivatelo ruotando la manopola COMPRESSOR in senso orario. Mentre ruotate, il segnale in ingresso dal basso diventa via via più compresso. Sentirete che i segnali di picco che si hanno ad esempio con gli slap o tirando le corde iniziano a "schiacciarsi" in relazione ai segnali più bassi (prodotti suonando normalmente). Il risultato sarà un minore range dinamico, ma un livellamento generale del segnale percepibile su tutta l'estensione di note dello strumento. Quando c'è compressione, la luce rossa del compressore si accende.
- Se usate un processore di segnali esterno, spegnete momentaneamente l'ampli e collegate un cavo audio standard dall'uscita EFFECT SEND del Kilo all'ingresso dell'unità effetti, e un secondo cavo audio standard dall'uscita dell'unità effetti al jack EFFECTS RETURN LEFT/MONO. Nel caso di unità effetti stereo, collegate l'uscita sinistra dell'unità all'ingresso EFFECTS RETURN LEFT/MONO e l'uscita destra all'ingresso EFFECTS RETURN RIGHT. Riaccendete l'amplificatore e regolate i controlli dell'unità effetti mentre suonate il basso. Per risultati migliori, impostate il guadagno in ingresso e in uscita di tutti i processori di effetti collegati su 0 dB (guadagno unitario), così da evitare differenze di volume quando si attivano o disattivano gli effetti.
Scegliere le casse giuste
Nella scelta di una cassa da abbinare all'Hartke Kilo, bisogna considerare diverse specifiche (impedenza, potenza, risposta in frequenza ecc.). Mentre la maggior parte delle specifiche è piuttosto chiara, molte persone hanno difficoltà a capire l'impedenza. In pratica, l'impedenza è la quantità di corrente che passerà in un altoparlante a un certo voltaggio. Si misura in ohm. L'impedenza di un altoparlante non è costante a tutte le frequenze. Per comodità, quindi, si usa il termine "impedenza nominale" per riferirsi all'impedenza che un altoparlante presenta a un ampli a una frequenza di riferimento.
Un tipico altoparlante può avere un'impedenza di 4, 8 o 16 ohm. Generalmente, minore è l'impedenza, maggiore sarà la potenza fornita dall'amplificatore. Per esempio un altoparlante da 4 ohm richiederà all'ampli più potenza rispetto a un altro da 8 ohm. Se collegate un altoparlante con impedenza più bassa rispetto alla classificazione dell'uscita dell'ampli, questo può surriscaldarsi e danneggiarsi. È importante capire come collegare in modo sicuro casse multiple senza rovinare gli altoparlanti o l'amplificatore.
Come regola generale, i jack di uscita per gli altoparlanti sull'ampli e i jack in ingresso sulle casse sono considerati connessioni "parallele" e seguono le regole descritte in questa sezione. Quando gli altoparlanti sono collegati in parallelo, l'impedenza si riduce. La formula per calcolare l'impedenza totale del sistema di altoparlanti è:
$$ 1 / R _ {t} = 1 / R _ {1} + 1 / R _ {2} + 1 / R _ {3} + \dots 1 / R _ {n}. \text { Dove "R" indica l'impedenza di una cassa. } $$
Se tutti gli altoparlanti hanno la stessa impedenza, l'impedenza totale sarà uguale all'impedenza di un singolo altoparlante diviso il numero totale di casse. Per esempio, se avete due altoparlanti da 4 ohm collegati in parallelo, l'impedenza totale è 4 diviso 2, cioè 2 ohm. Prestate molta attenzione nel collegare altoparlanti in parallelo a un ampli: l'impedenza può raggiungere molto velocemente livelli non sicuri, soprattutto se si collegano a un amplificatore di tipo bridged.

Calcoli tipici per l'impedenza
$$ 1 6 \Omega + 1 6 \Omega = 8 \Omega $$
$$ 8 \Omega + 1 6 \Omega = 5, 3 \Omega $$
$$ 8 \Omega + 8 \Omega = 4 \Omega $$
$$ 8 \Omega + 1 6 \Omega + 1 6 \Omega = 4 \Omega $$
$$ 1 6 \Omega + 1 6 \Omega + 1 6 \Omega + 1 6 \Omega = 4 \Omega $$
$$ 4 \Omega + 8 \Omega = 2, 7 \Omega $$
$$ 4 \Omega + 4 \Omega = 2 \Omega $$
Il Kilo Hartke ha due amplificatori indipendenti da 500 watt, a cui potete collegare al-toparlanti con impedenza minima di 2 ohm. Gli ampli possono funzionare insieme "a ponte" (bridged) per produrre 1000 watt di potenza per altoparlanti con un carico di impedenza di almeno 4 ohm. Quando scegliete le casse assicuratevi che abbiano una potenza uguale o superiore a quella dell'ampli, o potreste danneggiarle.
Compressione
Il range di dinamica di un suono è la differenza tra il suo livello più alto e quello più basso. Ad esempio, suonando il basso vi accorgerete probabilmente che alcune note (come quelle dei tasti alti sulle corde basse) suonano più forte di altre. Il circuito di compressione dell'amplificatore Kilo ha la funzione di ridurre il range dinamico generale, attenuando il livello dei suoni più forti, in modo che siano più simili come intensità ai suoni più tenui. Il risultato è un suono più omogeneo ed equilibrato.
Il controllo COMPRESSOR sul pannello frontale determina la quantità di compressione (riduzione dei segnali di picco) regolandone la soglia (threshold). La soglia è il limite oltre il quale viene applicata la compressione. Ruotando la manopola COMPRESSOR in senso orario, la soglia viene abbassata. Il rapporto di compressione è impostato su circa 2:1; in pratica ogni segnale oltre il livello di soglia viene dimezzato.

text_image
COMPRESSOR 4 5 6 7 3 2 1 0 10Il circuito segue il segnale in ingresso, e diminuisce il rapporto di compressione quando si suonano note con attacco veloce, in modo da evitare un effetto "schiacciato" del suono. Ciò è utile nei passaggi staccati veloci, perché le note suoneranno tutte allo stesso volume, anche se il segnale è oltre il livello di soglia.
Sul pannello frontale del Kilo c'è un indicatore LED che indica visivamente quando il segnale audio supera il livello di soglia attivando il circuito di compressione. Quando è spento, non è applicata compressione. Quando si illumina di rosso, significa che la compressione è applicata al segnale in ingresso.
La compressione ha tre utilizzi principali. Primo: come descritto sopra, “pareggia” le note suonate sul basso in modo che siano tutte a livelli virtualmente uguali. Secondo: aggiunge impatto al suono. Visto che tutti i livelli sono quasi uguali, potete suonare con maggiore impeto, senza temere distorsioni con le note più forti. Infine serve a proteggere gli altoparlanti da danni causati da momentanei livelli di uscita elevati (transienti) causati ad esempio da slapping, finger-popping o altre tecniche esecutive.
L'utilizzo della compressione con l'amplificatore Kilo dipende dai vostri gusti e dal vostro modo di suonare. Sperimentate per vedere se l'effetto vi piace. Se normalmente suonate a livelli di volume bassi, anche con la manopola COMPRESSOR ruotata a destra il circuito di compressione potrebbe non avere effetti percepibili. In generale, se non avete bisogno della compressione, lasciatela spenta.
Equalizzazione
Hartke Kilo offre enormi possibilità di controllo sulla modellazione del suono del basso, tramite un processo chiamato “equalizzazione”. Per capirne il funzionamento, è importante sapere che ogni suono presente in natura è formato da una grande quantità di toni (frequenze) combinati insieme in modo unico. Questa miscela conferisce a ogni suono il suo “colore” distintivo.
La prima sezione dei controlli EQ del Kilo è un set di equalizzazione valvolare a tre bande. È un EQ a larghezze di banda fisse senza controllo della frequenza. La regolazione è un po' diversa rispetto a un hi-fi in cui si tagliano o enfatizzano bassi e alti, perché non c'è una teorica posizione neutra ("flat"). Quando le tre manopole (BASS, MID e TREBLE) sono in posizione centrale (ore 12), la risposta è regolata su una curva di equalizzazione preimpostata e studiata appositamente per il basso. I controlli BASS e MID sono interattivi, per cui alzando o abbassando la manopola MID, la frequenza centrale del controllo BASS si sposterà. Il controllo TREBLE invece è indipendente dai controlli BASS e MID, così potete alzare le alte frequenze senza influenzare le basse. Dovreste sperimentare con le manopole EQ e il vostro particolare basso per trovare il suono giusto.

Oltre ai tre controlli EQ, Kilo ha due interruttori: BRITE e DEEP. L'interruttore BRITE produce un'enfasi generale della risposta delle alte frequenze. Il tasto opera insieme alla manopola GAIN (come il tasto "Loudness" in uno stereo). Se si alza il GAIN, l'enfasi generale dimi-

text_image
BRITE SHAPE DEEP GAIN SHAPE BASSnuisce. Se il GAIN è impostato su "10" (tutto in senso orario), l'interruttore BRITE non ha effetto. L'interruttore DEEP sposta la curva scoop dei medi e dei bassi per enfatizzare le frequenze più basse. L'interruttore e la manopola SHAPE applicano un filtro regolabile notch (scoop) all'area di frequenze selezionata, per personalizzare l'effetto della curva EQ che meglio si addice al vostro strumento. La rotazione in senso orario della manopola SHAPE fa sì che il filtro notch sia applicato alle alte frequenze; al contrario, la rotazione in senso antiorario applica il filtro alle basse. L'equalizzatore grafico a 10 bande a campana ("Q") costante ha 10 slider: ciascuno corrisponde a una sin-gola ristretta banda di frequenze. Questo permette di "disegnare" la risposta di toni del vostro sistema. Se uno slider è in posizione centrale ("0"), non produce effetti. Se è spostato sopra alla posizione centrale (verso "+12") quell'area di frequenze è enfatizzata. Se è spostato sotto alla posizione centrale (verso “-12”) quell'area di frequenze è attenuata. Normalmente, regolerete prima l'EQ a tre bande per poi rifinire il suono con l'equalizzatore grafico.

text_image
1000 WATT BASS AMPLIFIER LEVEL 30Hz 40Hz 125Hz 250Hz 500Hz 100Hz 200Hz 50Hz 100Hz 40Hz +22 +19 +16 +13 +10 +7 +4 +2 -8 -6 -4 -2 +1 -3 -5 -7 -9 -11 -13 -15 -17 -19 -21 -23 -25 -27 -29 -31 -33 -35 -37 -39 -41 -43 -45 -47 -49 -51In molti casi il modo migliore per approcciare l'equalizzazione è focalizzarsi sulle frequenze che dovete attenuare, non tanto su quelle da enfatizzare. Ricordate che enfatizzando un'area di frequenze si enfatizza anche il segnale d'insieme; in particolare, alzare troppo le basse con l'EQ può provocare una distorsione generale, o perfino danneggiare la cassa collegata. In generale, se intendete aumentare considerevolmente i bassi con l'EQ, è meglio mantenere la compressione attiva, se non altro per proteggere gli altoparlanti da potenziali danni.
Impostazioni EQ consigliate
Hartke Kilo offre così tante possibili- tà per rifinire il suono del basso che all'inizio potreste sentirvi un po' persi. Tranquilli! Anche se non ci sono modi giusti o sbagliati per modellare il vo- stro sound, vi proponiamo alcuni punti di partenza per aiutarvi a trovare le impostazioni più adatte al vostro stile.
Probabilmente dovrete fare qualche modifica, visto che ogni suono dipende molto dal vostro particolare strumento, dal tipo di corde e dal modo di suonare. Provate a usare l'EQ grafico per aggiustare le differenze sonore.
Ogni volta che ottenete una buona equalizzazione per un particolare strumento o brano, annotatela: certe cose si dimenticano alla svelta!
Harmonic Rock

text_image
O.K. OUTE ROUTE SHAPE DEEP AFFECTS BAS MID TREELEMotown

text_image
OIL MUTE WHITE OVERDRIVE COMPRESSOR GAIN SHAPE DEEP BASS MID EFFECT GEO TREBLEFretless Growl

text_image
OVERDRIVE COMPRESSOR GAIN SHAPE BASS MID TREBLERaging Drive

text_image
O.D. OUTR GAIN SHAPE BASS MID TREBLEHardcore

text_image
OVERDRIVE COMPRESSOR GAIN SHAPE BASS MID TREBLEClassic R&B

text_image
0.0 OVERDRIVE BUTTER WHITE GAIN SHAPE SHEEP EFFECTS CREAM COMPRESSOR BASS MID TREBLEFunky Slap

text_image
OVERDRIVE COMPRESSOR GAIN SHAPE BASS MID TREBLESpecifiche
Sensibilità in ingresso 100 k ohm, 20 mv
Valvole preamp 3 x 12AX7
Potenza nominale in uscita 1000 watt Mono-Bridged @ 4 ohm
Distorsione armonica totale meno di 0,5%
Rapporto segnale-rumore circa 78 dB
Equalizzatore
Controlli di tono passivi BASS, MID e TREBLE
EQ grafico ±12 dB, posizione centrale
Livello EQ grafico ±12 dB, posizione centrale
Interruttore BRIGHT +6 dB @ 2 kHz
Interruttore BASS +2,5 dB @ 50 Hz
RAPPORTO DI COMPRESSIONE 10:1
Jack interruttore a pedale MUTE+OVERDRIVE: Punta = Mute, Anello = EQ
EQ+EFX: Punta = EQ, Anello = EFX
Livello uscita Send 0 dBm
Livello ingresso Return 0 dBm
Dimensioni 482 mm x 460 mm x 132 mm
Peso 18 kg
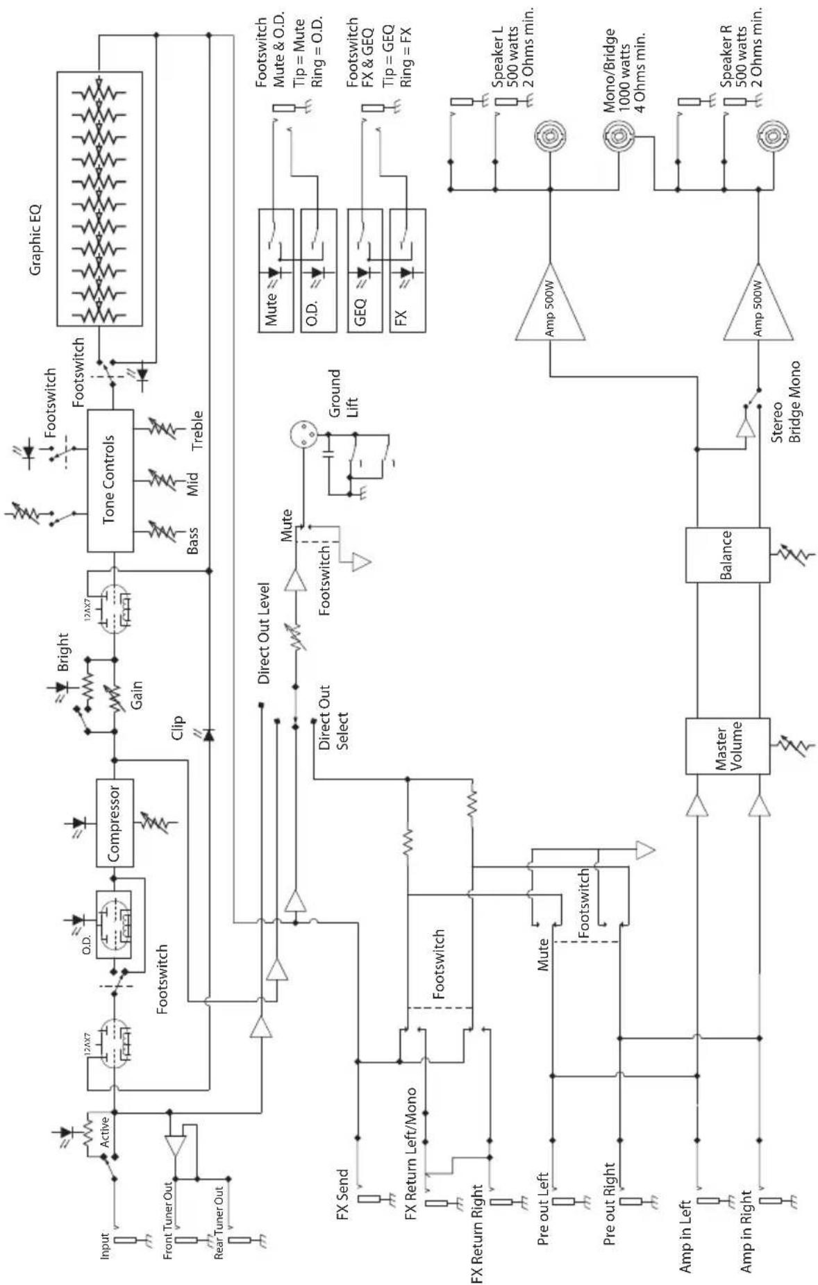
Diagramma a blocchi

flowchart
graph TD
A["Input"] --> B["Active"]
B --> C["12AX7"]
C --> D["O.D."]
D --> E["Compressor"]
E --> F["12AX7"]
F --> G["Bright"]
G --> H["Tone Controls"]
H --> I["Footswitch"]
I --> J["Graphic EQ"]
K["Front Tuner Out"] --> L["Rear Tuner Out"]
L --> M["Ground"]
N["FX Return Left/Mono"] --> O["FX Return Right"]
P["Pre out Left"] --> Q["Mute"]
R["Pre out Right"] --> S["Footswitch"]
T["Amp in Left"] --> U["Amp in Right"]
V["Amp in Right"] --> W["Amp in Left"]
X["Master Volume"] --> Y["Balance"]
Z["Stereo Bridge Mono"] --> AA["Amp 500W"]
AB["Direct Out Level"] --> AC["Mute"]
AD["Direct Out Select"] --> AE["Footswitch"]
AF["Ground Lift"] --> AG["Mute"]
AH["Speaker L 500 watts 2 Ohms min."] --> AI["Amp 500W"]
AJ["Mono/Bridge 1000 watts 4 Ohms min."] --> AK["Amp 500W"]
AL["Speaker R 500 watts 2 Ohms min."] --> AM["Amp 500W"]
AN["Footswitch Mute & O.D. Tip = Mute Ring = O.D."] --> AO["Mute"]
AP["Footswitch FX & GEQ Tip = GEQ Ring = FX"] --> AQ["Mute"]
AR["GEQ"] --> AS["O.D."]
AT["FX"] --> AU["FX"]
Notes
Hartke
45 Gilpin Avenue
Hauppauge, New York 11788-8816
Phone: 1-800-3-SAMSON (1-800-372-6766)
Fax: 631-784-2201
www.hartke.com
ManualeFacile