Kilo - Empfänger Hartke - Kostenlose Bedienungsanleitung
Finden Sie kostenlos die Bedienungsanleitung des Geräts Kilo Hartke als PDF.
Benutzerfragen zu Kilo Hartke
0 Frage zu diesem Gerät. Beantworten Sie die, die Sie kennen, oder stellen Sie Ihre eigene.
Eine neue Frage zu diesem Gerät stellen
Laden Sie die Anleitung für Ihr Empfänger kostenlos im PDF-Format! Finden Sie Ihr Handbuch Kilo - Hartke und nehmen Sie Ihr elektronisches Gerät wieder in die Hand. Auf dieser Seite sind alle Dokumente veröffentlicht, die für die Verwendung Ihres Geräts notwendig sind. Kilo von der Marke Hartke.
BEDIENUNGSANLEITUNG Kilo Hartke
Vorderseitige Regler....44
Rückseite....47
Kilo einrichten und einsetzen. 50
Geeignete Boxen wählen. 52
Über Kompressoren....53
Über Equalizer 54
Kilo EQ-Einstellungsvorschläge. 55
Technische Daten 56
Blockdiagramm. 57
Einleitung
Herzlichen Glückwunsch zum Kauf Ihres neuen Hartke Kilo Bassverstärkers! Obwohl Sie wahrscheinlich ungern Handbücher lesen, sollten Sie zunächst diese Seiten durchgehen, damit Sie verstehen, wie eine Reihe neuartiger Funktionen implementiert wurden. (Es geht schnell und tut nicht weh!)
Der Hartke Kilo verleiht der Bassverstärkung eine neue Qualität. Er liefert 500 Watt Leistung an 2 Ohm pro Seite im Stereomodus und massive 1000 Watt an 4 Ohm im gebrückten Monomodus. Zur Klanggestaltung verfügt der Kilo über einen Class-A Vollröhrenpreamp und logisch angeordnete Klangregler sowie einen klassischen Tone Stack 3-Band-EQ mit Hartkes variabler Shape-Schaltung. Zudem ist der Kilo mit einem grafischen 10-Band-EQ sowie wählbaren Deep und Brite EQ-Kurven ausgestattet. Für "dreckige" Sounds ist eine variable Overdrive-Röhrenschaltung und zur Dynamiksteuerung ein schneller und effektiver Kompressor verfügbar.
Das Kilo Amptop lässt sich über 6,35 mm und Speakon® Ausgangsbuchsen mit externen Boxen verbinden. Er ist zudem mit einem Arsenal an Anschlüssen und Signal-routing-Funktionen ausgerüstet, inklusive schaltbare Direktausgangsoptionen, stereo Effekt-Loops, vorder- und rückseitige Tuner-Ausgänge und Fußschalterbuchsen zur Fernbedienung der Funktionen Mute, Overdrive, EFX Send und Graphic EQ.
Ihr Kilo ist für alle Gelegenheiten die ideale Wahl — von Aufnahmestudios über kleine Clubs bis zu riesigen Stadien. Auf den folgenden Seiten finden Sie detaillierte Beschreibungen der Funktionen Ihres Hartke Kilo Bassverstärkers sowie schrittweise Anleitungen für die Einrichtung und Anwendung plus umfassende technische Daten.
Wenn Sie den Kilo in des USA erworben haben, sollten Sie auch die beiliegende Garan tie karte ausgefüllt an uns zurücksenden, damit Sie online technischen Support erhalten und wir Ihnen zukünftig aktuelle Informationen über dieses und andere Samson-Produkte zukommen lassen können. Bei sorgsamer Behandlung wird Ihr Kilo viele Jahre störungsfrei funktionieren. Die Seriennummer Ihres Geräts sollten Sie vorsorg lich in der Zeile unten eintragen.
Seriennummer: ____
Kaufdatum: ____
Falls Ihr Gerät einmal gewartet werden muss, benötigen Sie vor der Rücksendung an Samson eine Return Authorization-Nummer (RA/Rücksendeberechtigungsnummer). Ohne diese Nummer wird das Gerät nicht angenommen. Rufen Sie bitte Samson unter 1-800-3SAMSON (1-800-372-6766) an, um vor der Rücksendung eine RA-Nummer zu erhalten. Bewahren Sie das Verpackungsmaterial auf und schicken Sie das Gerät möglichst im Originalkarton und der Originalverpackung zurück. Wenn Sie Ihren Kilo nicht in den USA gekauft haben, setzen Sie sich bei Fragen zu Garantie und Wartung bitte mit Ihrem lokalen Vertrieb in Verbindung. Besuchen Sie auch unsere Website (www.samsontech.com), um Informationen über unsere komplette Produktpalette zu erhalten.
Features

Der Hartke Kilo Bass-Amp bietet klassische Sounds, erweiterte Flexibilität und ein Höchstmaß an Leistung in Kombination mit hochmodernen Konzepten der Bassverstärkertechnik. Zu seinen beispiellosen Features zählen:
- Stereo-Endstufen mit 500 Watt Leistung pro Seite an 2 Ohm sowie immense 1000 Watt an 4 Ohm im gebrückten Monomodus.
• Class-A Vollröhren (3 x 12AX7) Hochspannungs-Vorverstärkerschaltung für exzellente Soundqualität. - Klassischer 3-Band Tone Stack Equalizer mit variabler Shape-Regelung ermöglicht ein breites Klangspektrum für Bassinstrumente.
- Wählbare Deep und Brite EQ-Kurven bieten zusätzliche Kontrolle über die Gestaltung des Basssounds.
- Variabler Kompressor verleiht dem Basssound einen massiven Punch und glättet Pegelunterschiede zwischen Tönen.
- Grafischer Constant-Q 10-Band Equalizer zur visuellen Steuerung der Klangfarben Ihres Instruments. Plus unabhängiger Gesamtpegelregler. Voreingestellte EQ-Kurven via vorderseitigem Schalter und Fußschalter abrufbar.
- Variabler Röhren-Overdrive mit vielfältigen Klangoptionen – von subtiler Wärme bis totalem Fuzz.
- Mehrere Direktausgabeoptionen mit Pegelregler erlauben mehrere Abgriffe des Audios im Signalweg zur Weiterleitung an den Direktausgang.
- Parallele Speakon® und 6,35 mm 1/4" Ausgänge für den Anschluss von Boxen.
- Stereo Effekt-Loop Send- und Return-Buchsen zum Einschleifen professioneller externer Effektprozessoren. Signale können ohne Unterbrechung der Performance via vorderseitigem Schalter und Fußschalter zu den Effekten geleitet werden.
- Separate Preamp Out- und Amplifier In-Buchsen für den linken und rechten Kanal für zusätzliches Signalrouting und Betreiben weiterer Verstärker und Zusatzboxen.
- Robustes Rack-Chassis mit 3 HE sowie eine massive Druckguss-Vorderfront und ergonomische Tragegriffe machen den Kilo absolut tourtauglich.
Vorderseitige Regler

text_image
Hartke KILO 1 3 5 8 11 13 20 22 2624151719 ACTRIC OUTPUT TURBLES 2 4 6 9 12 141618 7 10 DIRECT OUT VOLUME SELECT RAIL OUT 1000 WATT BASS AMPLIFIER 2000 WATT BASS AMPLIFIER 21 2325- INPUT – Schließen Sie hier Ihren E-Bass über ein standard unsymmetrisches Instrumentenkabel mit 6,35 mm Stecker an.
- TUNER-Ausgang – Verbinden Sie diese Buchse über ein 6,35 mm TRS-Kabel mit einem elektronischen Tuner. Der TUNER-Ausgang ist auch bei gedrückter MUTE-Taste weiterhin aktiv, damit Sie Ihr Instrument lautlos stimmen können. Man kann diese Buchse auch als Line-Pegel Direktausgang verwenden.
- ACTIVE-Taste – Drücken Sie diese grüne, hinterleuchtete Taste, um die Eingangsempfindlichkeit um 15 dB zu bedämpfen und an die höherpegeligen Ausgangssignale von E-Bässen mit integrierter aktiver Elektronik anzupassen.
- OVERDRIVE – Bei gedrückter O.D.-Taste (siehe 5) können Sie mit diesem Regler den Anteil an Obertönen und die Übersteuerung des Eingangssignals einstellen. Durch langsames Drehen dieses Reglers lassen sich schrittweise subtile Röhrenwärme, fetziger Crunch und schließlich totaler Fuzz erzeugen.
- O.D.-Taste – Drücken Sie diese grüne hinterleuchtete Taste, um den OVERDRIVE-Regler zu aktivieren. Man kann den Regler auch über einen Fußschalter ein/ausschalten (bei angeschlossenem Fußschalter ist die vorderseitige Taste deaktiviert).
- COMPRESSOR – Dieser Regler bestimmt den Threshold-Pegel und somit die Kompressionsstärke. Mit dem Kompressor können Sie den generellen Dynamikbereich Ihrer Performance kontrollieren, indem Sie plötzliche Pegelspitzen begrenzen und das Sustain des Instruments erhöhen. Bei völliger Linksdrehung des Reglers wird keine Kompression angewandt. Je weiter man den Regler nach rechts dreht, desto mehr Kompression wirkt auf das Signal. Weitere Infos finden Sie im Abschnitt "Über Kompressoren" auf Seite 17 dieses Handbuchs.
- Compressor LED – Zeigt den Status der Kompressionsschaltung visuell an. Diese rote LED leuchtet, wenn das Eingangssignal den Schwellenwert überschreitet und die Kompressorschaltung aktiviert.
Vorderseitige Regler
- MUTE-Taste – Wenn Sie diese orangefarbene hinterleuchtete Taste drücken, werden alle Ausgänge mit Ausnahme der vorder- und rückseitigen TUNER-Ausgänge stummgeschaltet. Man kann die Muting-Funktion auch via Fußschalter steuern (bei angeschlossenem Fußschalter ist die vorderseitige Taste deaktiviert).
- GAIN – Dieser Regler steuert die Verstärkung der Preamp-Röhrenstufe. Die Peak LED (siehe 10) leuchtet, wenn das Eingangssignal die Preamp-Stufe übersteuert und unerwünschte Verzerrungen erzeugt. Drehen Sie den GAIN-Regler zurück, bis die Peak LED nur gelegentlich leuchtet.
- Peak LED – Diese rote LED leuchtet, wenn im Preamp-Signalweg Übersteuerungen auftreten. Wenn die Peak LED konstant leuchtet, drehen Sie den GAIN-Regler zurück, bis die Peak LED nur gelegentlich blinkt.
- BRITE-Taste – Drücken Sie diese grüne hinterleuchtete Taste, um die Höhen um 6 dB zu verstärken.
- SHAPE – Die Shape-Schaltung wendet eine voreingestellte EQ-Kurve – je nach Einstellung mit leichter Verstärkung der Bässe, Bedämpfung der Mitten oder leichter Verstärkung der Höhen – auf das Signal an. Der SHAPE-Regler bestimmt die mittlere Cut-Frequenz der Shape-Schaltung.
- SHAPE-Taste – Drücken Sie diese grüne hinterleuchtete Taste, um die Shape-Schaltung (siehe 12) zu aktivieren. Für mehr Flexibilität kann man die SHAPE-Funktion auch mit einem Fußschalter aktivieren/deaktivieren (bei angeschlossenem Fußschalter ist die vorderseitige Taste deaktiviert).
- BASS – Als Teil des passiven Tone Stack EQs kann man mit diesem Regler den Bassfrequenzgang steuern.
- DEEP-Taste – Drücken Sie diese grüne hinterleuchtete Taste, um den Bassfrequenz gang des Signals zu verstärken.
- MID – Als Teil des passiven Tone Stack EQs kann man mit diesem Regler den Mittenfrequenzgang steuern.
- EFX-Taste – Drücken Sie diese grüne hinterleuchtete Taste, um das Signal zur rück seitigen EFFECTS SEND-Buchse zu leiten und das von Ihren externen Effekten kommende Signal global ein- und auszuschalten und den Sound noch besser zu kontrollieren. Man kann die EFX-Taste auch mit einem Fußschalter aktivieren/deaktivieren (bei angeschlossenem Fußschalter ist die vorderseitige Taste deaktiviert).
- TREBLE – Als Teil des passiven Tone Stack EQs kann man mit diesem Regler den Höhenfrequenzgang steuern.
- GEQ-Taste – Drücken Sie diese grüne hinterleuchtete Taste, um den grafischen EQ zu aktivieren. Bei deaktivierter Taste wird die Schaltung umgangen. Auf diese Weise können Sie mit den Slidern des grafischen EQs eine spezielle Equalizerkurve einrichten und diese dann mit nur einem Tastendruck aktivieren. Man kann die GEQ-Taste auch mit einem Fußschalter aktivieren/deaktivieren (bei angeschlossenem Fußschalter ist die vorderseitige Taste deaktiviert).
Vorderseitige Regler
- DIRECT OUT – Regelt den Signalpegel an der DIRECT OUTPUT-Buchse.
- Direct Out SELECT – Mit dieser Taste wählen Sie die Stelle, an der in der Signal-kette das DIRECT OUTPUT-Signal abgegriffen wird. Der Abgriff kann direkt am Eingang, nach dem Kompressor, nach dem grafischen EQ oder nach dem Effekt-Return erfolgen. So können Sie entscheiden, welcher Signaltyp zur Saal-PA geleitet wird.
- VOLUME – Dies ist der Gesamtpegelregler. Für einen optimalen Geräuschspannungsabstand sollten Sie den Pegelregler Ihres Basses möglichst weit oder ganz aufdrehen und mit VOLUME den Amp auf den gewünschten Pegel einstellen.
- BALANCE – Dieser Regler steuert den Pegelunterschied zwischen linkem und rechtem Verstärker. Bei Verwendung unterschiedlicher Boxen (z. B. eine 115 und eine 410) können Sie eine Box etwas stärker als die andere ansteuern, um Ihren Sound abzugleichen. In der Mitteposition (12 Uhr) liefern beide Amp-Kanäle die gleiche Leistung. Der BALANCE-Regler ist wirkungslos, wenn der Kilo im gebrückten Modus betrieben wird.
- Graphic EQ LEVEL – Bei aktivierter GEQ-Taste (siehe 19) steuern Sie mit diesem Slider den Ausgangspegel des grafischen EQ. Man kann dadurch das Signal für ein Solo verstärken oder durch den Klangwechsel bedingte Pegeländerungen kompensieren.
- Graphic EQ – Mit diesen Slidern können Sie den Frequenzgang des Systems "zeichnen", indem Sie zehn unterschiedliche Constant-Q Frequenzbereiche (30Hz, 64Hz, 125Hz, 250Hz, 500Hz, 1kHz, 2kHz, 3kHz, 5kHz und 8kHz) um bis zu 12 dB verstärken oder bedämpfen und damit das Hauptausgangssignal des Kilo bearbeiten. In der rastenden Mitteposition eines Sliders wird der gewählte Frequenzbereich weder verstärkt noch bedämpft (linearer Verlauf). Schieben Sie den Slider nach oben, um den gewählten Frequenzbereich zu verstärken, oder nach unten, um ihn zu bedämpfen.
- POWER-Taste – Zum Ein/Ausschalten des Kilo. Bei eingeschaltetem Kilo leuchtet die integrierte Netzanzeige.
Rückseite

text_image
1 4 8 10111217 SPEAKER OUTPUTS LEFT SPEAKER RIGHT SPEAKER FOOTS SWITCH MUTE- OVERDRIVE EO EFX EFFECTS LOOP RETURN RETURN SEND LEFT/MONO RIGHT MONO PREAMP OUT LEFT RIGHT POWER AMP IN LEFT RIGHT DIRECT OUT NORMAL END LIFT Hartke KILO®/N382 www.hartke.com DELAIDS AND SENSIFIEDS IN THE UNITED STATES CE N382 TUNER OUT 151619 AC LINE IN 2 3 6 7 9 1351418- Spannungswahlschalter – Zum Einstellen der Betriebsspannung des Kilo. Stellen Sie sicher, dass der Schalter auf die in Ihrem Land übliche Spannung eingestellt ist.
- Netzanschluss – Schließen Sie hier das mitgelieferte standard 3-Pol IEC-Netzkabel an. Entfernen Sie nicht den Erdungspol des Netzsteckers.
- Sicherung – Hier sitzt die Sicherung Ihres Verstärkers. Verwenden Sie als Ersatz nur Sicherungen mit korrektem Nennwert (15 A für 115 VAC und 8 A für 230 VAC).
- LEFT SPEAKER AUSGÄNGE – Hier schließen Sie Boxen an den linken Verstärkerausgang an. Es sind parallel verdrahtete 6,35 mm und Speakon® Ausgänge verfügbar. Verwenden Sie möglichst immer die Speakon® Buchse. Die Gesamtimpedanz aller angeschlossenen Boxen darf nicht weniger als 2 Ohm betragen.
- RIGHT SPEAKER AUSGÄNGE – Hier schließen Sie Boxen an den rechten Verstärkerausgang an. Es sind parallel verdrahtete 6,35 mm und Speakon® Ausgänge verfügbar. Verwenden Sie möglichst immer die Speakon® Buchse. Die Gesamt-impedanz aller angeschlossenen Boxen darf nicht weniger als 2 Ohm betragen.
- MONO BRIDGE AUSGANG – Schließen Sie hier ein Kabel mit Speakon® Stecker an, wenn Sie den Kilo im gebrückten Modus betreiben. Die Gesamtimpedanz der an den Ausgang angeschlossenen Boxen darf nicht weniger als 4 Ohm betragen.
- STEREO/MONO BRIDGE-Schalter – Damit stellen Sie den Amp für den Betrieb im Stereo- oder Mono Bridge-Modus ein.
- MUTE+OVERDRIVE FOOTSWITCH – Verbinden Sie diese Buchse über ein 6,35 mm TRS Kabel (Spitze = MUTE, Ring = OVERDRIVE) mit einem 2-Tasten Fußschalter, um die MUTE- und OVERDRIVE-Wahltasten zu aktivieren/deaktivieren. Bei angeschlossenem Fußschalter sind die vorderseitigen Tasten deaktiviert.
Rückseite
- EQ+EFX FOOTSWITCH – Verbinden Sie diese Buchse über ein 6,35 mm TRS Kabel (Spitze = EQ, Ring = EFX) mit einem 2-Tasten Fußschalter, um die GEQ- und EFX-Wahltasten zu aktivieren/deaktivieren. Bei angeschlossenem Fußschalter sind die vorderseitigen Tasten deaktiviert.
- EFFECTS RETURN LEFT/MONO – Über diese unsymmetrische 6,35 mm Buchse können Sie niederohmige (600 Ohm) Signale von einem professionellen externen Effektprozessor zum linken Verstärker zurückführen. Im Mono Bridge-Modus speist diese Buchse den Endstufeneingang.
- EFFECTS RETURN RIGHT – Über diese unsymmetrische 6,35 mm Buchse können Sie niederohmige (600 Ohm) Signale von einem professionellen externen Effektprozessor zum rechten Verstärker zurückführen. Im Mono Bridge-Modus ist diese Buchse inaktiv.
- EFFECTS SEND MONO – Über diese unsymmetrische 6,35 mm Buchse leiten Sie niederohmige (100 Ohm) Signale zu einem professionellen externen Effektprozessor, z. B. Reverb, Echo, Chorus, Flanger oder Harmonizer. Der Ausgangspegel des Signals beträgt etwa 0 dB bis +4 dB. Es ist post-EQ und post-compression geschaltet und wird nicht vom Master VOLUME-Regler beeinflusst. Über die EFFECTS SEND-Buchse kann man Signale auch zu einem externen Mischpult oder Verstärker mit einer Eingangsempfindlichkeit von +4 dB leiten.
- PREAMP OUT LEFT – An dieser Ausgangsbuchse liegt das linke Preamp-Signal (hinter dem Effekt-Return) an. Man kann es über ein standard 6,35 mm Instrumentenkabel zu externen Endstufen, Mischpulten oder anderen Line-Pegel-Geräten weiterleiten.
- PREAMP OUT RIGHT – An dieser Ausgangsbuchse liegt das rechte Preamp-Signal (hinter dem Effekt-Return) an. Man kann es über ein standard 6,35 mm Instrumentenkabel zu externen Endstufen, Mischpulten oder anderen Line-Pegel-Geräten weiterleiten.
- POWER AMP IN LEFT – Dieser Line-Pegel-Eingang ist direkt mit der linken internen Endstufe verbunden. An ihn kann man externe Preamps oder CD/MP3 Player über standard 6,35 mm Instrumentenkabel anschließen. Wenn man ein Kabel an die POWER AMP IN-Buchse anschließt, wird der interne Signalweg unterbrochen. Im Mono Bridge-Modus werden die POWER AMP IN LEFT- und POWER AMP IN RIGHT-Buchsen zu einem Monosignal summiert und an den Endstufeneingang weitergeleitet.
- POWER AMP IN RIGHT – Dieser Line-Pegel-Eingang ist direkt mit der rechten internen Endstufe verbunden. An ihn kann man externe Preamps oder CD/MP3 Player über standard 6,35 mm Instrumentenkabel anschließen. Wenn man ein Kabel an die POWER AMP IN-Buchse anschließt, wird der interne Signalweg unterbrochen. Im Mono Bridge-Modus werden die POWER AMP IN LEFT- und POWER AMP IN RIGHT-Buchsen zu einem Monosignal summiert und an den Endstufeneingang weitergeleitet.
Rückseite
- DIRECT OUT GROUND LIFT-Schalter – Bei gedrückter Taste ("GND LIFT" Position) wird Pol 1 vom Chassis getrennt. Verwenden Sie diese Option nur bei Erdungsschleifen oder Netzbrummen. Ansonsten lassen Sie die Taste gelöst ("NORMAL").
- DIRECT OUT-Buchse – Über diese elektronisch symmetrische XLR-Buchse können Sie ein Signal vom Kilo abgreifen und zu einem Mikrofoneingang des PA-Haupt-mischpults oder einem externen Verstärker leiten. Der vorderseitige DIRECT OUT-Regler steuert den Signalpegel der Buchse. Über die DIRECT OUT-Buchse kann man auch Signale zu einem externen Verstärker mit -10 dB Eingangsempfind lichkeit leiten.
- TUNER OUT-Buchse – Verbinden Sie diese Buchse über ein 6,35 mm TRS-Kabel mit einem elektronischen Tuner. Der TUNER-Ausgang ist auch bei gedrückter MUTE-Taste weiterhin aktiv, damit Sie Ihr Instrument lautlos stimmen können. Man kann diese Buchse auch als Line-Pegel Direktausgang verwenden.
Kilo einrichten und einsetzen
Ihr Hartke Kilo Bassverstärker lässt sich in wenigen Minuten mühelos einrichten.
- Entfernen Sie das gesamte Verpackungsmaterial (bewahren Sie es vorsorglich für zukünftige Wartungsarbeiten auf) und legen Sie den Standort des Amps fest. Um Überhitzung zu vermeiden, blockieren Sie nicht die Oberseite und Seitenwände des Geräts und ermöglichen Sie eine ausreichende Belüftung um das ganze Gerät herum.
- Verkabeln Sie dann die Bassbox(en) mit den Speakon® oder unsymmetrischen 6,35 mm Boxenausgängen auf der Geräterückseite. Man sollte Verstärker immer nur mit angeschlossenen Boxen einschalten. Man kann Bassboxen mit geeigneten Nennwerten und einer Mindestgesamtimpedanz von 2 Ohm (also 2 Ohm oder höher) pro Seite im Stereomodus oder einer Mindestgesamtimpedanz von 4 Ohm im Mono Bridge-Modus betreiben. Um eine korrekte Phasenkorrelation bei der Verwendung der 6,35 mm Ausgänge sicherzustellen, sollte die Spitze der Boxenbuchse des Verstärkers mit dem "+" (heiß) Eingang der Box und der Schirm der Boxenbuchse des Verstärkers mit dem "-" (Erdung) Eingang der Box verbunden werden. Bei Verwendung der Speakon® Ausgänge sollte der +1 Ausgang mit dem "+" (heiß) Eingang der Box und der -1 Ausgang mit dem "-" (Erdung) Eingang der Box verbunden werden.
- Schließen Sie dann den 3-Pol Netzstecker an eine geerdete Netzsteckdose an. Schalten Sie den Verstärker aber noch nicht ein.
- Schließen Sie Ihren Bass über ein standard Instrumentenkabel an die vorderseitige INPUT-Buchse des Kilo an. (Wenn Sie einen Bass mit aktiver Elektronik spielen, drücken Sie die ACTIVE-Taste, um zu verhindern, dass der Preamp übersteuert.) Stellen Sie den vorderseitigen VOLUME-Regler auf "0" (ganz nach links) und den GAIN-Regler auf "5" (12 Uhr) ein. Drehen Sie den COMPRESSOR-Regler nach links auf "0" und stellen Sie die BASS-, MID- und TREBLE-Regler auf "5" ein.
- Drücken Sie die vorderseitige Power-Taste, um den Amp einzuschalten.
- Drehen Sie den Ausgangspegel Ihres Basses ganz auf. Drehen Sie dann beim Spie len den Master VOLUME-Regler des Kilo langsam auf, bis die gewünschte Laut stärke erreicht ist. Wenn Sie auch bei niedrigem Master VOLUME-Pegel bereits Verzerrungen wahrnehmen, drehen Sie den GAIN-Regler oder den Ausgangspegel Ihres Basses zurück. Wenn das Problem bestehen bleibt, ist eventuell das Kabel defekt.
- Wenn Sie einen geeigneten GAIN- und Master VOLUME-Pegel gefunden haben, stel len Sie als nächstes den 3-Band-EQ wunschgemäß ein. Weitere Infos finden Sie im Abschnitt "Über Equalizer" auf Seite 18.
- Experimentieren Sie dann mit dem grafischen EQ des Kilo. Stellen Sie zunächst jeden der zehn Slider auf die rastende Mitteposition ("0") ein. Drücken Sie dann die GEQ-Taste (Taste leuchtet grün), um den grafischen EQ zu aktivieren. Bewegen Sie dann beim Bassspielen die einzelnen Slider. Wenn Sie eine Einstellung finden, die zu Ihrem Instrument und Spielstil passt, notieren Sie sich vorsorglich die Werte.
Kilo einrichten und einsetzen
- Probieren Sie jetzt die Kompressionsschaltung des Kilo aus, indem Sie diese mit einer Rechtsdrehung des COMPRESSOR-Reglers aktivieren. Je weiter Sie den Regler drehen, desto stärker wird das Eingangssignal des Basses komprimiert. Die Spitzenpegel (z. B. Slappings und Pulls) klingen zunehmend "gepresst" im Vergleich zu den niedrigeren Pegeln der normalen Spielweise. Insgesamt verringert sich der Dynamikbereich und die Signalpegel werden über den ganzen Tonhöhenbereich des Instruments angeglichen. Die Compressor LED leuchtet rot, wenn Kompression angewandt wird.
- Um einen externen Effektprozessor zu verwenden, schalten Sie den Verstärker aus und verbinden die EFFECTS SEND-Buchse des Kilo über ein standard Audio kabel mit dem Eingang Ihres Effektprozessors. Verbinden Sie die EFFECTS RETURN LEFT/MONO-Buchse über ein zweites Audiokabel mit dem Ausgang Ihres Effekt pro zessors. Bei einem Stereoeffekt verbinden Sie den linken Ausgang des Effekt pro zessors mit dem EFFECTS RETURN LEFT/MONO-Eingang und den rechten Pro zes sorausgang mit dem EFFECTS RETURN RIGHT-Eingang. Schalten Sie den Amp dann wieder ein und stellen Sie beim Basspielen die Regler des externen Effekt pro zessors ein. Optimale Ergebnisse erzielen Sie, indem Sie die Eingangs- und Ausgangsver stärkung aller angeschlossenen Effektprozessoren auf 0 dB (Unity Gain) setzen, damit sich die Pegel weder erhöhen noch verringern, wenn man die Effekte ein- und ausschaltet.
Geeignete Boxen wählen
Bei der Wahl einer Box für den Einsatz mit dem Hartke Kilo sind viele Spezifikationen zu berücksichtigen (Impedanz, Belastbarkeit, Frequenzgang etc). Während die meisten Spezifikationen leicht verständlich sind, gibt die Impedanz vielen Leuten Rätsel auf. Generell ist die Impedanz der Strom, der bei einer bestimmten Spannung durch einen Lautsprecher fließt. Die Maßeinheit ist Ohm. Die tatsächliche Impedanz eines Lautsprechers ist nicht bei allen Frequenzen gleich. Zur Vereinfachung verwenden wir den Begriff "Nominalimpedanz", der die Impedanz bezeichnet, die ein Lautsprecher dem Verstärker bei einer Referenzfrequenz entgegensetzt.
Eine typische Box besitzt eine Nennimpedanz von 4, 8 oder 16 Ohm. Je niedriger die Impedanz, desto mehr Leistung entwickelt der jeweilige Verstärker. Beispiel: Eine 4 Ohm Box zieht mehr Leistung von Ihrem Verstärker als eine 8 Ohm Box. Wenn man eine Box mit einer niedrigeren Impedanz als die nominale Ausgangsleistung des Verstärkers anschließt, kann der Amp überhitzen und die Endstufensektion beschädigen. Sie sollten daher wissen, wie man mehrere Boxen sicher anschließt, ohne sie oder den Verstärker auf diese Weise zu beschädigen.
Als allgemeine Regel werden die Boxenausgänge des Amps und die Boxeneingänge als "parallele" Anschlüsse betrachtet, für die die oben beschriebenen Regeln gelten. Schließt man Boxen parallel an, verringert sich die Impedanz. Die Formel zur Berechnung der Gesamtimpedanz Ihres Boxensystems lautet:
$$ 1 / R _ {t} = 1 / R _ {1} + 1 / R _ {2} + 1 / R _ {3} + \dots 1 / R _ {n}. \text { Wobei "R" für die Impedanz einer Box steht. } $$
Wenn alle Boxen die gleiche Impedanz besitzen, ist die Gesamtimpedanz gleich der Impedanz einer Einzelbox geteilt durch die Anzahl an Boxen. Beispiel: Wenn man zwei 4 Ohm Boxen parallel anschließt, ergibt sich eine Gesamtimpedanz von 4 geteilt durch 2, also 2 Ohm. Beim Parallelanschluss von Boxen an den Verstärker sollte man vorsichtig sein. Die Impedanz kann schnell unter die sichere Grenze fallen. Dies gilt besonders, wenn man Boxen parallel an einen gebrückten Amp anschließt.

Typische Impedanzberechnungen
$$ 1 6 \Omega + 1 6 \Omega = 8 \Omega $$
$$ 8 \Omega + 1 6 \Omega = 5, 3 \Omega $$
$$ 8 \Omega + 8 \Omega = 4 \Omega $$
$$ 8 \Omega + 1 6 \Omega + 1 6 \Omega = 4 \Omega $$
$$ 1 6 \Omega + 1 6 \Omega + 1 6 \Omega + 1 6 \Omega = 4 \Omega $$
$$ 4 \Omega + 8 \Omega = 2, 7 \Omega $$
$$ 4 \Omega + 4 \Omega = 2 \Omega $$

Der Hartke Kilo verfügt über zwei unabhängige Verstärker mit je 500 Watt, an die man Boxen mit einer Mindestimpedanz von 2 Ohm anschließen kann. Man kann die Amps brücken, damit sie 1000 Watt Leistung an eine Boxenlast von mindestens 4 Ohm liefern. Stellen Sie bei Ihrer Boxenauswahl sicher, dass sie der Ausgangsleistung des Amps entsprechen oder diese übertreffen, um die Lautsprecher nicht zu beschädigen.
Über Kompressoren
Der Dynamikbereich eines Klangs ist der Unterschied zwischen seinen höchsten und niedrigsten Lautstärkepegeln. Beispiel: Wenn Sie Ihren Bass spielen, werden Sie feststellen, dass manche Töne (etwa jene auf den oberen Bünden der tiefsten Saite) bedeutend lauter als andere sind. Die Funktion der Kompressionsschaltung im Kilo Bassverstärker ist es, den Dynamikbereich insgesamt zu verringern, indem sie automatisch den Pegel der lautesten gespielten Töne reduziert und an den Pegel der leiser gespielten Töne angleicht. Das Ergebnis ist ein ausgewogener "runder" Sound.
Der vorderseitige COMPRESSOR-Regler bestimmt die Stärke der Kompression (Verringerung der Spitzenpegel) durch Anheben/Absenken des Schwellenwerts. Dieser Threshold ist die Grenze, oberhalb derer Kompression angewandt wird. Je weiter man den COMPRESSOR-Regler nach rechts dreht, desto weiter sinkt der Schwellenwert. Das Kompressionsverhältnis ist auf circa 2:1 voreingestellt und verringert alle eingehenden Signalpegel über dem Threshold um die Hälfte.

text_image
COMPRESSOR 4 5 6 3 7 2 8 1 9 0 10Die Kompressionsschaltung des Kilo folgt dem Eingangssignal und
passt das Kompressionsverhältnis nach unten an, wenn Sie Töne mit schneller Attack spielen, um den Klang nicht zu "pressen". Dies ist beim Spielen von Staccato-Passagen sehr nützlich, da alle Töne mit gleicher Lautstärke erklingen, auch wenn das Signal über dem Schwellenwert liegt.
Die vorderseitige Kompressions LED zeigt an, wann das Audiosignal den Threshold-Pegel überschreitet und die Kompressorschaltung aktiviert. Bei erloschener LED wird keine Kompression angewandt. Bei rot leuchtender LED wird das eingehende Signal komprimiert.
Kompression bietet drei Hauptnutzen. Erstens "glättet" sie – wie oben beschrieben – die auf dem Bass gespielten Töne auf praktisch identische Pegel. Zweitens verleiht sie dem Sound mehr "Punch". Da die Pegel annähernd gleich sind, kann man härter spielen, ohne dass die lautesten Töne verzerren. Drittens schützt sie Ihre Lautsprecher vor Beschädigungen durch kurze (transiente) hohe Ausgangspegel, die normalerweise durch Slapping, Fingerpopping oder andere Spieltechniken verursacht würden.
Ob Sie Kompression mit Ihrem Kilo einsetzen, ist eine Frage des persönlichen Geschmacks und Spielstils. Experimentieren Sie mit diesem Effekt. Wenn Sie normalerweise mit niedrigen Pegeln spielen, wird die Kompressorschaltung auch bei aufgedrehtem COMPRESSOR-Regler keine hörbare Wirkung zeigen. Wenn Sie keine Kompression benötigen, schalten Sie sie aus.
Über Equalizer
Der Hartke Kilo Bassverstärker gibt Ihnen mittels EQ-Bearbeitung eine enorme Kontrolle über die Klangformung Ihres Basses. Um dessen Funktionsweise zu verstehen, sollten Sie wissen, dass jeder natürliche Klang aus einem breiten Spektrum von Tonhöhen (Frequenzen) besteht, die immer auf einzigartige Weise kombiniert sind. Diese Mischung verleiht jedem Klang seine eigene prägnante Farbe.
Die erste Sektion der Kilo EQ-Regler besteht aus einem 3-Band Tone Stack Röhrenequalizer. Der Tone Stack EQ besitzt eine feste Bandbreite ohne Frequenzregelung. Er unterscheidet sich etwas von den normalen Boost & Cut HiFi Bass- und Höhenreglern, da er keine theoretische "lineare" Einstellung besitzt. Wenn die drei Regler (BASS, MID und TREBLE) in der Mitte (12 Uhr) stehen, ist der Frequenzgang auf eine EQ-Kurve voreingestellt, die auf E-Bässe zugeschnitten ist. Da die BASS- und MID-Regler interaktiv sind, verschiebt sich die Mittefrequenz des BASS-Reglers, wenn man den MID-Regler auf- oder zurückdreht. Der TREBLE-Regler ist von den BASS- und MID-Reglern unabhängig, damit man die Höhen ohne Auswirkungen auf die Bässe verstärken kann. Experimentieren Sie mit den EQ-Reglern und Ihrem speziellen Bass, um den optimalen Sound zu finden.

Zusätzlich zu den drei EQ-Reglern verfügt der Kilo auch über BRITE- und DEEP-Schalter. Die BRITE-Taste verstärkt den hohen Frequenzgang insgesamt. Sie wirkt zusammen mit dem GAIN-Regler (ähnlich der Loudness-Taste einer Stereoanlage). Wenn man das GAIN erhöht, verringert sich die Gesamtverstärkung. Steht GAIN auf "10" (ganz rechts), ist die BRITE-Taste wirkungslos. Die DEEP-Taste verschiebt die Position der tiefen Frequenzen und Mittenabsenkung, um die Tiefbässe ("Booty") des Basses zu betonen. Die SHAPE-Taste und der Regler wenden ein regelbares Kerbfilter (Scoop) auf den gewählten Frequenzbereich an, damit man die Wirkung der EQ-Kurve anpassen kann, die Ihren speziellen E-Bass am besten ergänzt. Eine Rechtsdrehung des SHAPE-Reglers wendet das Kerbfilter auf höhere Frequenzen an, eine Linksdrehung wirkt entsprechend mehr auf tiefere Frequenzen.

text_image
BRITE GAIN SHAPE DEEP BASSDer grafische 10-Band Constant-Q Equalizer verfügt über zehn Slider, die jeweils einem schmalen Frequenzband entsprechen. So können Sie den gewünschten Fre quenzgang Ihres Systems "zeichnen". Steht ein Schieberegler in der (rastenden) Mitte ("0"), ist er wir kungslos. Schiebt man ihn über die Mitte hoch (in Richtung "+12"), wird der spezielle Frequenzbereich verstärkt. Schiebt man ihn über die Mitte nach unten (in Richtung "-12"), wird der Frequenzbereich bedämpft. Normalerweise sollte man zuerst den 3-Band-EQ einstellen und danach das "Feintuning" mit dem grafischen EQ vornehmen.

text_image
1000 WATT BASS AMPLIFIER 12VOL 35Hz 40Hz 125Hz 250Hz 350Hz 450Hz 550Hz 650Hz 750Hz 850Hz 950Hz 1050Hz 1150Hz 1250Hz 1350Hz 1450Hz 1550Hz 1650Hz 1750Hz 1850Hz 1950Hz 2050Hz 2150Hz 2250Hz 2350Hz 2450Hz 2550Hz 2650Hz 2750Hz 2850Hz 2950Hz 3050Hz 3150Hz 3250Hz 3350Hz 3450Hz 3550Hz 3650Hz 3750Hz 3850Hz 3950Hz 4050Hz +12 +12 +12 +12 +12 +12 +12 +12 +12 +12 +12 +12 +12 +12 +12 +12 +12 +12 +12 +12 +12 +12 +12 +12 +12 +14 +14 +14 +14 +14 +14 +14 +14 +14 +14 +14 +14 +14 +14 +14 +14 +14 +14 +14 +14 +14 +14 +14 +14 +14 +16 +16 +16 +16 +16 +16 +16 +16 +16 +16 +16 +16 +16 +16 +16 +16 +16 +16 +16 +16 +16 +16 +16 +16 +16 +18 +18 +18 +18 +18 +18 +18 +18 +18 +18 +18 +18 +18 +18 +18 +18 +18 +18 +18 +18 +18 +18In vielen Fällen sollte man sich bei der EQ-Bearbeitung zuerst überlegen, welche Frequenz bereiche zu bedämpfen sind, bevor man sich mit einer eventuellen Verstärkung befasst. Die Verstärkung eines Frequenzbereichs hebt auch den Signalpegel insgesamt an. Besonders eine zu starke Tieffrequenzverstärkung mittels EQ kann Über lastungs verzerrungen verursachen oder sogar Lautsprecher beschädigen. Wenn Sie die Bässe via EQ verstärken, sollten Sie immer den Kompressor einschalten, um wenigsten eine Beschädigung von Lautsprechern zu verhindern.
Kilo EQ-Einstellungsvorschläge
Da der Hartke Kilo so viele Feintuning-Optionen für Ihren Basssound bietet, sind Sie bei der ersten Inbetriebnahme vielleicht etwas verunsichert. Keine Panik! Obwohl es keine "richtige" oder "falsche" Klanggestaltung gibt, möchten wir Ihnen einige Voreinstellungen anbieten, die Ihnen bei der Suche nach Ihrem optimalen Sound helfen können.
Diese Einstellungen müssen wahrscheinlich noch etwas angepasst werden, da jeder Sound auch vom speziellen Instrument, Saitentyp und Spielstil abhängt. Die klanglichen Differenzen kann man mit dem grafischen EQ gut ausgleichen.
Wenn Sie eine wirklich gute EQ-Einstellung für Ihr spezielles Instrument oder einen Song gefunden haben, notieren Sie die Reglerwerte (so etwas vergisst man schnell wieder)!
Harmonic Rock

text_image
OK OUTRIVE COMPRESSOR GAIN SHAPE DEEP EFFECTS FREQ OVERDRIVE COMPRESSOR GAIN SHAPE BASS MID TREBLEMotown

Eingangsempfindlichkeit 100 k Ohm, 20 mV
Vorverstärkerröhren 3 x 12AX7
Nennausgangsleistung 1000 Watt mono-gebrückt @ 4 Ohm
750 Watt mono-gebrückt @ 8 Ohm
2 x 500 Watt @ 2 Ohm
Geräuschspannungsabstand circa 78 dB
Equalizer
Passive Klangregler BASS, MID und TREBLE
Grafischer EQ ±12 dB, mittig rastend
Send-Ausgangspegel 0 dBm
Return-Eingangspegel 0 dBm
Abmessungen 482 mm x 460 mm x 132 mm
19" × 18" × 5,25"
Gewicht 18 kg
40 lbs
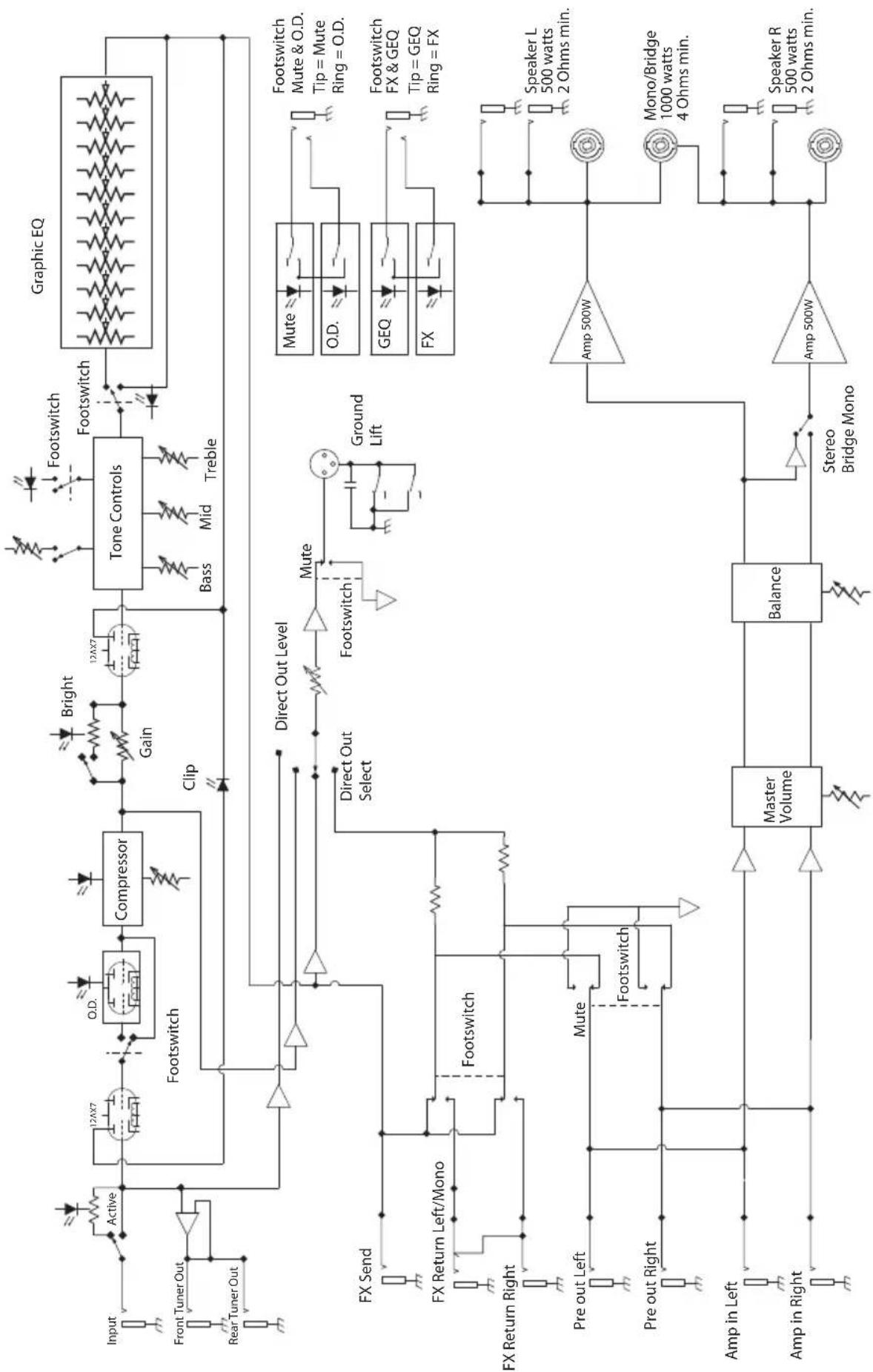
Blockdiagramm

flowchart
graph TD
A["Input"] --> B["Active"]
B --> C["12AX7"]
C --> D["O.D."]
D --> E["Compressor"]
E --> F["12AX7"]
F --> G["Bright"]
G --> H["Tone Controls"]
H --> I["Footswitch"]
I --> J["Graphic EQ"]
K["Front Tuner Out"] --> L["Antenna"]
M["Rear Tuner Out"] --> N["Antenna"]
O["FX Send"] --> P["FX Return Left/Mono"]
Q["FX Return Right"] --> R["Pre out Left"]
S["Amp in Left"] --> T["Amp in Right"]
U["Amp in Right"] --> V["Amp in Left"]
W["Master Volume"] --> X["Balance"]
Y["Stereo Bridge Mono"] --> Z["Amp 500W"]
AA["Mute"] --> AB["Mute"]
AC["Ground Lift"] --> AD["Mute"]
AE["Direct Out Select"] --> AF["Direct Out Level"]
AG["Footswitch"] --> AH["Footswitch"]
AI["Clip"] --> AJ["Clip"]
AK["Bass"] --> AL["Bass"]
AM["Mid"] --> AN["Mid"]
AO["Treble"] --> AP["Treble"]
AQ["Mute & O.D. Tip = Mute Ring = O.D."] --> AR["Footswitch Mute & O.D. Tip = Mute Ring = O.D."]
AS["GEQ Tip = GEQ Ring = FX"] --> AT["Footswitch FX & GEQ Tip = GEQ Ring = FX"]
AU["Speaker L 500 watts 2 Ohms min."] --> AV["Speaker L 500 watts 2 Ohms min."]
AW["Mono/Bridge 1000 watts 4 Ohms min."] --> AX["Speaker R 500 watts 2 Ohms min."]
Índice
Introducción. 60
Características 61
Panel frontal....62
Panel trasero 65
EinfachAnleitung