Lumina 48 XLc - Cabine de bronzage Hapro - Free user manual and instructions
Find the device manual for free Lumina 48 XLc Hapro in PDF.
User questions about Lumina 48 XLc Hapro
0 question about this device. Answer the ones you know or ask your own.
Ask a new question about this device
Download the instructions for your Cabine de bronzage in PDF format for free! Find your manual Lumina 48 XLc - Hapro and take your electronic device back in hand. On this page are published all the documents necessary for the use of your device. Lumina 48 XLc by Hapro.
USER MANUAL Lumina 48 XLc Hapro
Owner's manual
Anleitung
Handolding
Mode d'emploi
Instru xioni per I'uso
Modode empleo
lumin

48XL
48 XL INTENSIVE
48 XLc
48 XLc INTENSIVE
lumina
Owner's manual
Anleitung 7
▶ Handleiding 13
Mode d'emploi 19
Instruzioni per I'uso 25
Modode empleo 31
W a r n i n g!
Before obtaining access to terminals, all supply circuits must be disconnected
▶ Contents
Warranty policy 2
Read this first 3
10 Golden rules for sensible tanning in the tanning unit 4
Users instructions
- Removing the acryl panels 5
-Operation 6
Tanning tables 37
Line-up / Dimensions 38
Assembly tanning unit 39
Technical data 47
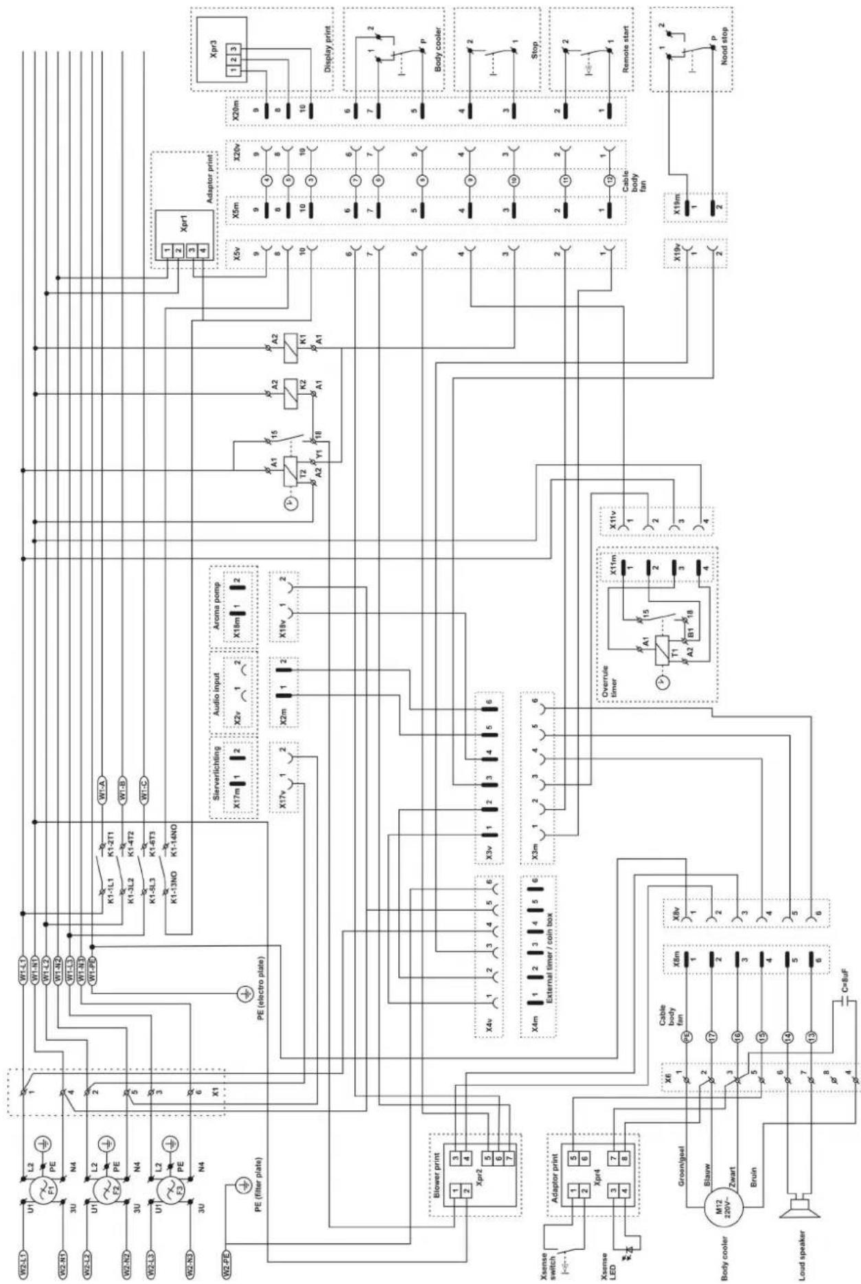
Electrical diagrams 48
Spare part list 53
Warranty
We would like to congratulate you on the purchase of your Lumina tanning unit and thank you for placing your trust in us.
Our tanning units are manufactured with the greatest attention and are of excellent quality. Every Lumina is manufactured to meet the international IEC/EN standards and carries the Kema seal of approval. We provide a manufacturer's warranty of 1 year.
The guarantee commences from the date of purchase. Within the period under guarantee we will repair free of charge, any malfunction resulting from faulty materials or manufacturing. For work to be carried out under the guarantee you should contact your dealer.
In order to make a claim under the terms of this guarantee, you must be able to produce the original invoice or receipt bearing the date of purchase. The type and serial number of the appliance should also be indicated.
The warranty is subordinate to the national regulations according to the warranty determination of products.
» Not uncovered underthis warranty :
- Units which have the type, serial number and/or other identification labels removed, damaged or altered.
- Lamps, starters and acrylic sheets.
- Damage due to purchaser abuse, neglect, transport, improper use or improper maintenance.
- Damage due to use of accessories not originally supplied by Hapro or inferior accessories.
- Damage due to installation, repair or assembly not done by Hapro authorised personnel.
- Damage due to fire, lightning, earth-quakes or other natural disasters.
Read this first
1 Contact your authorised Hapro dealer immediately if this unit does not function as outlined in this manual.
2 Do not operate this unit in a moist or humid space.
3 Always make sure the fuses can carry the load. This unit has to be protected by ground fault circuit interrupter (GFCI) of 0.03A. If the appliance is not connected by means of a plug, an installation device or an all-pole working switch will need to be fitted.
4 Always disconnect the power to the unit at the wall breaker when servicing or cleaning the in-side construction of the cabine. Maintenance for which the procedure is not described in this manual should only be done by a qualified electrician. Never clean the electrical components with fluids.
5 When installing the equipment, keep in mind the prescribed minimum distances as described in the "Dimensions / Placement" chapter.
6 If the equipment is being placed in a cubicle, there should be enough space between the walls and the equipment, preferably the minimum amount as indicated in the "Assembly of Tanning Equipment". This has to do with the air circulation surrounding the equipment.
7 Avoid having the acrylic sheets come into contact with sharp objects.
8 This unit may not be operated if:
the user is not wearing protective uv-goggles
- the canopy acrylic sheet is not installed
The acryl panel is not present in the tanning unit.
the temperature inside the cabin is 30^ or higher
The Lumina should in all cases be connected to an external timer.
9 Exchanging lamps and starters; remove the lamp by turning this a quarter turn to the left. Remove the starters by turning these a quarter turn to the left. Placement of lamps and starters in opposite order.
10 Replace the acrylic panels every 1200 operating hours for optimum effectiveness of the unit.
11 Replace, for optimum effectiveness, the low-pressure lamps as stipulated by the manufacturer. Replace only by the same type of lamp.
12 Check the environment regulations of your respective state with regard to the proper manner in which the lamps are to be disposed of.
13 Note: only a special acrylic cleaner may be used to clean the acrylic sheet. Never use cleaners that contain alcohol, as these can damage the acrylic plate.
14 The UV-type of the tanning unit is indicated on the specificationsticker.
15 Ultraviolet radiation from the sun or UV appliances can cause skin or eye damage. These biological effects depend upon the quality and quantity of the radiation as well as the skin and eye sensitivity of the individual.
16 The skin may develop sunburn after an excessive exposure. Excessively repeated exposures to ultraviolet radiation from the sun or UV appliances may lead to premature ageing of het skin as well as increased risk of development of the skin tumours.
17 The unprotected eye may develop surface inflammation and in some cases, after a cataract operation for example, damage may occur to the retina after excessive exposure. Cataracts may develop after many repeated exposures.
18 If the supply cord is damaged, it must be replaced by the manufacturer or its service agent or a similarly qualified person in order to avoid a hazard.
Note:
Please consult enclosed tanning schedule for advised tanning times.
Repairs may only be carried out by qualified personnel. Always disconnect the main power at the circuit breaker before servicing or repairing the unit.
10 Golden rules for sensible tanning
These rules are in accordance with the European regulations concerning safe use of tanning equipment. We advise you to inform your clients about these rules.
Before starting to tan first carefully read through the tanning instructions set out in this booklet and follow all of the recommendations.
2 Restrict sunbathing on a tanning unit to people older than 15 years with skin type 2-6. Children younger than 15 year and people with skin type 1 have skins that are highly sensitive to ultraviolet light.
3 Make sure that upon commencing a series of tanning sessions your customers have a rest day following their first tanning session. If there is no sign of any undesirable skin reaction they can then continue with the series of sessions.
4 Make sure that your customers do not tan more than once a day. This applies to tanning on the sunappliance and tanning in natural sunlight. The skin does not make a distinction between the two either. Taking exposure to natural sunlight into account, keep the maximum number of sessions on the sunappliance to approximately 50 sessions a year.
5 Some medicines and beauty products contain substances which can cause certain undesirable reactions when combined with exposure to UV radiation. Other substances may also sometimes have a similar effect. Below you will find a list of substances which can react when combined with exposure to UV radiation:
- Sulphonamide - in various medicines including antibiotics
Tetracyclines - in antibiotics, antiacne preparations
- Nalidexine acid - in medication for infection of the urinary passages
- Chlorothiazide - in diuretics
- Sulphonylurea - in diabetic medication
- Phenothiazines - anti-stress medication
- Triacetyldiphenylisatine - in laxatives
Psoralenes - in tanning accelerators
Cyclamates-in sweeteners
- Para-aminobenzoic acid (PABA) - in sun protection creams/oils
- Musk ambrette, musk oil - in perfumes
- Bleaching agents - in washing powders/liquids
- Eosine - in colourings
- Halogenated salicylamide - in antifungal substances
6 When combined with exposure to ultraviolet light, cosmetic products - perfumes and make-up, can cause the skin to react. So take care to ensure that your skin is clean before tanning. Some products penetrate deep into the skin. Advise your customers to ensure that their skin is clean when tanning. Recommend that they clean their skin thoroughly a few hours before each tanning session, or better still, recommend that they wear no make-up at all the day before. Also advise your customers to remove any jewellery before tanning.
7 Make sure that your customers do not use cream or oil that contains a sun block or self-tanning lotion when using the tanning equipment. These products contain substances which influence tanning times and thus make the prescribed times unreliable. Also make sure that your customers do not use tanning pills in combination with a series of tanning sessions or exposure to natural sunlight. The combination of tanning pills and UV light can increase the possibility of skin irritation and sunburn.
8 If the skin is red and taut a short time after the tanning session it is likely to be sunburnt. Wait for these symptoms to disappear before tanning again, revise the tanning plan and reduce the length of the individual tanning sessions for the customer in question. If tanning gives rise to undesirable reactions that you cannot explain, stop the series of tanning sessions and advise your customer to see their doctor if the symptoms do not disappear within a short space of time.
9 Make sure that your customers always wear protective goggles to protect their eyes - even if you may have seen pictures of people tanning without using these goggles. UV light which directly enters the eyes can cause eye disorders (snow blindness, actinic conjunctivitis or cataracts).
10 Reduce the tanning time by 20% during the first 50 hours that the (new) sunoppliance is in use. During these first 50 hours the tubes do not emit the normal 100% energy but 120% energy. After the first 50 hours the tubes will emit the normal capacity of between 95% to 100% .
If your customers are using medication, ask them to consult their doctor before embarking on a series of tanning sessions.
Removing the acrylic panels

Loosen the two rapid-action connectors.

Remove the acryl panel.

When replacing the acryl panel, place it behind the lip.

Loosen the six screws.

Remove the aluminium profiles.

Remove the acryl panel.

Read the hour counter.

Remove the lamps to replace the Xsens flacon.

When fitting the acryl panel, place it between the lips.
1
display of the operating panel (minutes, elapsed)
2
Starting the tanning unit when using a remote timer with quick start function.
3
Increasing or decreasing the air flow to the body. Adjustable in two stages.
4
Turning off the tanning unit.

Achtung!
Alignment / Dimensions 38
Tanningtable

Warning!: Allow at least 48 hours between the first two exposures.
Warning! UV-type 4 may only be used following medical advice.
lumina
Line-up dimensions
Assembly tanning unit
Montage Bräunungsgerät
Montage bruiningsapparaat
Assemblage de I'unité de bronzege
Assemlaggio dell'unità abbronzante
Montaje de la unidad de bronceado



Turn the column around in the box. Then unscrew the 10 bolts [M6 x 12] of the VSA plates and remove the profile (1). Loosen the 4 VSA plate plugs and remove the VSA plates.
D
Place the column on the base and attach this with 4 rings and 4 bolts [M8]. Replace the VSA plates in order (number 1 on the left). Attach the profile with the corresponding bolts. Then connect the plugs of the electric plate to the corresponding VSA plates.
D
(optional) Attach the tray of the Xsens module to the lowest electric plate, with 2 spring rings and 2 bolts [M4 x 10]. Put the Xsens module in the tray.
Connect the plug of the Xsens module, note: match the colors. Connect the discharge tube to the ball of the Xsens module.
(optionell)
Connect the plugs of the emergency stop and the decorative lamp. See the image. Note; match the colors.
Click the hinge rods into place onto the bearing heads of the spring.

Place the metal plate on the base and hold this in place with 4 sunk bolts [M6 x 25].

Position the blower hood on the column and attach this with 4 bolts [M6 x 55] and 4 rings. Connect 2 plugs to the left of the electric plate. Note: match the colors.

If the doors do not hang equally (see example 1) the doors can be adjusted (see example 3) by turning the excenters (see example 2).
D
Click the 2 hinge rods onto the baring heads on the bottom of the right and left doors.
D
Connect the plugs of the left cable to VSA plates 1 and 2 and to the electric plate. Connect the plugs of the right cable to VSA plates 3 and 4 and to the electric plate. Note: match the colors. Make sure that the wiring is at all times free from sharp edges.
D
Connect the plug of the blower hood to the operating panel (1). Connect the plugs of the panel to the electric plate (2). Note: match the colors. Mount the panel onto the column with 4 rings and 4 bolts [M6 x 20].
D
Loosen the bolts of the blower hood a little bit to slip the cover plates to the left and right between the blower hood and the column. Make sure that the rounded edge of the cover plates is always on the side of the door. No tighten the blower hood bolts again. Slip the Xsens tube into the hole of the blower hood.
D
Always check the type of voltage that is available before connecting the appliance to the mains. Different connections according to fig. 2, 3, and 4 (factory finished connection).
GB Pull the coin operating device cable through clasp B. And then connect the cable as in fig. 1. Then tighten the clasp.
(optional) Pull the audio cable through clasp C and connect this. Then tighten the clasp.
GB Fit the acrylic plate to the panel using the two aluminium retaining profiles.
D Montieren Sie die Akrylplatte mithilfe der beiden Alu- Abschlussstreifen auf das Paneel.
NL Monteer de acrylplaat op het paneel d.m.v. de twee aluminium sluitprofielen.
Montez la plaque en acrylique sur le panneau au moyen des deux profils en aluminium.
Montare la lostra di acrlico sul pannello servendosi dei due profili di chiusura in alluminio
Monte la plancha acrlica sobre el panel por medio de los dos per files de cierre de aluminio.

GB When fitting the acryl panel, place it between the lips.
D Bei der Montage die Acrylplatte zwischen den Lippen anbringen.
Nl bij het monteren van de acrylploat, deze tussen de lipies plaatsen
F Lors du montage de la plaque acrylique, placez celle-ci entre les petits rebords.
Per montare il pannello acrilico, inserirlo dioetro I labbri.
E Cuando vuelva a montar la placacrilica, coloquela entre las lenguetas.


GB No position the synthetic hood and attach this on the side with 2 bolts [M6 x 20].
Bringen Sie dann die Kunststoffhabe an und schrauben Sie diese an der Seite mit 2 Inbusschrauben fest [M6 x 20].
Plaats hierna de kunststoffkap en schroef deze vast aan de zijkant met 2 inbusbouijes [M6 x 20].
Placez ensuite le bouchon en plastique et vissez-le sur le cote à l'aise de 2 boulons à six pans creux [M6 x 20].
Montare quandil copercchio in plastico e avvitarlo di lato con 2 viti esagonali a testa concava. [M6x20].
A continuación, colocque la tapa sintética y atornillela al lateral con 2 tornillos de hexágono interior [M6 x 20].

GB
Partially screw the 2 bolts [M6 x 20] into the upper hinge arms. Connect the plug of the rear plate to the electric plate and position the rear plate over the already mounted bolts. Screw 2 bolts [M6 x 20] into the lower hinge arms, 2 bolts [M6 x 20] into the mains filter plate, and 2 bolts [M6 x 20] into the left and right cover plates. Then tighten all bolts.

Electro and filter plate
Electrical diagrams leftdoor


Electrical diagrams rightdoor

Electrical diagrams column
Electrical diagrams capacitors


Article number
Articlel nummer
- Sticker Luming 11835
- Air diffuser 11049
- Sticker Xsens button 10265
- Button with LED Xsens 10382
- Acrylicsheet panel "frosted" 09968
- Plastic Cover for door Orange 11355 Plastic Cover for door Meteorblack 11120
Plastic Cover for door Midnightblue 11119 Plastic Cover for door Warmsilver 11118 - Door-rubber 10257
- Sticker 48V XLC-Intensive 10649
9.Rod 10305
0.Showlight floor (optional) "Tld" 10605
1.Endcover 11058 - Cover for floor 09953
- Aluminium side profile 09963
- Acrylicsheet door "frosted" 09974
- Switch (start) .01212
Switch (fan) 10547
Switch (stop) .01207 - Display-sticker 09972
- Grid for Loudspeaker 11051
- Loudspeaker 10 watt 11050
9.Endcover .06374 -
Cover for bodyblower 10910
-
Aufkleber Lumina 11835
- Luftverteiler 11049
- Aufkleber Xsens-Taste 10265
- Taste mit LED Xsens 10382
- Acrylgasplatte "matt" 09968
- Kunststoffabdeckung für Tur Orange 11355
Kunststoffabdeckung für Tur Meteorblack 11120
Kunststoffabdeckung für Tur Midnightblue 11119
Kunststoffabdeckung für Tur Wormsilver 11118 - Turgummi 10257
- Aufkleber 48V XLC-Intensiv 10649
- Stab 10305
- Lampe Boden (optional) 11086
- Endobdeckung 11058
- Abdeckung fur den Boden 09953
- Aluminium-Seitenprofil 09963
- Acrylgasplatte "mat" 09974
5.Schalter(Start) 01212 Schalter(Lufter) 10547 Schalter(Stopp) 01207 - Anzeigeaufkleber 09972
- Gitter fur Laatsprecher 11051
- Laufsprecher 10 Watt 11050
9.Endobdeckung 06374 - Abdeckung für Gebäse 10910


























Article number
Articlel nummer
- Lampholder / ignitor 02213
33.Showlight frame (optional) 11086 - Connector block powersupply .08491
35.Veder .09960 - Ballast 160 watt .07565
- Adjustable feet 09956
- Mainfilter 16 Amp. .05929
- Lampholder 02205
- Ballast 100 watt .01612
- Connector 10 pins female 11056
- Mainfilter 20 Amp. 11053
- Ignitorholder 02222
- Grid for fan .00631
- Bodyblowerfan 10395
- Tool 09552
- Fan 01830
- Rubber profile for acrylics .09017
- Capacitor for bodyblowerfan 02376
- Gosspring 50 N 11061
- Quick acting closure 08955
- Xsens print 10424
- Hourcounter 01463
54.Print display 10422 -
Air diffuser 11049
-
Lampenfassung / Zündvorrichtung 02213
- Lampe Rahmen (optional) 11086
- Klemmenleiste Stromversorgung 08491
35.Veder .09960 - Vorschaltgerät 160 Watt .07565
- Einstellbare Fübe 09956
- Hauptfilter 16 Amp. .05929
- Lampenfassung 02205
- Vorschaltgerät 100 Watt 01612
- Stecker, 10 Pins, Female 11056
- Hauptfilter 20 Amp. 11053
- Fassung fur die Zündvorrichtung 02222
- Gitter fur den Lufter 00631
- Geblieselufter 10395
- Werkkzeug .09552
- Lüfter 01830
- Gummiprofile fur Acryle 09017
- Kondensator für Geblüselüfter 02376
- Gosfeder 50 N 11061
- Schnellverschluss 08955
- Xsens Aufdruck 10424
- Stundenzahler 01463
54.Druckanzeige 1022 - Luftverteiler 11049
EasyManual