SI 18 TU - Water pump DIMPLEX - Free user manual and instructions
Find the device manual for free SI 18 TU DIMPLEX in PDF.
Frequently Asked Questions - SI 18 TU DIMPLEX
Questions des utilisateurs sur SI 18 TU DIMPLEX
0 question sur cet appareil. Repondez a celles que vous connaissez ou posez la votre.
Poser une nouvelle question sur cet appareil
Download the instructions for your Water pump in PDF format for free! Find your manual SI 18 TU - DIMPLEX and take your electronic device back in hand. On this page are published all the documents necessary for the use of your device. SI 18 TU by DIMPLEX.
USER MANUAL SI 18 TU DIMPLEX
Brine-to-Water Heat Pump for Indoor Installation
DC dimplex
Installation and Operating Instructions
1 Please Read Immediately EN-2
1.1 Important Information EN-2
1.2 Intended Use EN-2
1.3 Legal Regulations and Directives EN-2
1.4 Energy-Efficient Use of the Heat Pump EN-2
2 Purpose of the Heat Pump EN-3
2.1 Application EN-3
2.2 Operating Principle EN-3
3 Basic Device EN-3
4 Accessories EN-4
4.1 Brine Circuit Manifold EN-4
4.2 Remote control EN-4
4.3 Building management technology.. EN-4
5 Transport. EN-4
6 Set-up EN-5
6.1 General Information EN-5
6.2 Acoustic Emissions EN-5
7 Installation EN-5
7.1 General Information EN-5
7.2 Heating System Connection EN-5
7.3 Heat Source Connection. EN-6
7.4 Temperature sensor EN-6
7.5 Electrical connection EN-7
8 Commissioning EN-8
8.1 General Information EN-8
8.2 Preparation EN-8
8.3 Start-up Procedure EN-8
9 Maintenance and Cleaning EN-9
9.1 Maintenance EN-9
9.2 Cleaning the Heating System EN-9
9.3 Cleaning the Heat Source System EN-9
10 Faults / Trouble-Shooting. EN-9
11 Decommissioning / Disposal EN-9
12 Device Information EN-10
Anhang / Appendix / Annexes A-I
Maßbilder / Dimension Drawings / Schémas cotés A-II
Diagramme / Diagrams / Diagrammes A-IV
Stromlaufpläne / Circuit Diagrams / Schémas électriques A-X
Hydraulisches Einbindungsschema / Hydraulic integration diagram /
Scheme d'intégration hydraulique. A-XVII
Konformitätserklung / Declaration of Conformity / Déclaration de conformité. A-XIX
1 Please Read Immediately
1.1 Important Information
ATTENTION!
When operating or maintaining a heat pump, the legal requirements of the country where the heat pump is operated apply. Depending on the refrigerant quantity, the heat pump must be inspected for leaks at regular intervals by a certified technician, and these inspections must be recorded.
ATTENTION!
If the heat pump or circulating pump is controlled externally, an flow rate switch is required to prevent the compressor from being switched on when there is no volume flow.
ATTENTION!
The heat pump is not secured to the wooden pallet.
ATTENTION!
The heat pump must not be tilted more than 45^ (in any direction).
ATTENTION!
Do not use the holes in the panel assemblies for lifting the device!
ATTENTION!
Flush the heating system prior to connecting the heat pump.
ATTENTION!
The maximum test pressure in the heating circuit and the brine circuit is 6.0 bar (ii). This value must not be exceeded.
ATTENTION!
The supplied dirt trap must be inserted in the heat source inlet of the heat pump to protect the evaporator against the ingress of impurities.
ATTENTION!
The brine solution must contain at least a 25% concentration of a monoethylene glycol or propylene glycol-based antifreeze, which must be mixed before filling.
ATTENTION!
Ensure that there is a clockwise rotating field: With incorrect wiring the starting of the heat pump is prevented. A corresponding warning is indicated on the display of the heat pump manager (adjust wiring).
ATTENTION!
It is not permitted to connect more than one electronically regulated circulating pump via a relay output.
ATTENTION!
The heat pump must be started up in accordance with the installation and operating instructions of the heat pump manager.
ATTENTION!
Any work on the heat pump may only be performed by authorised and qualified after-sales service technicians.
ATTENTION!
Disconnect all electrical circuits from the power source prior to opening the device.
1.2 Intended Use
This device is only intended for use as specified by the manufacturer. Any other use beyond that intended by the manufacturer is prohibited. This requires the user to abide by the relevant project planning documents. Please refrain from tampering with or altering the device.
1.3 Legal Regulations and Directives
This heat pump is designed for use in a domestic environment according to Article 1, Paragraph 2 k) of EC directive 2006/42/EC (machinery directive) and is thus subject to the requirements of EC directive 2006/95/EC (low-voltage directive). It is thus also intended for use by non-professionals for heating shops, offices and other similar working environments, in agricultural establishments and in hotels, guest houses and similar / other residential buildings.
This heat pump conforms to all relevant DIN/VDE regulations and EU directives. Refer to the EC Declaration of Conformity in the appendix for details.
The heat pump must be connected to the power supply in compliance with all relevant VDE, EN and IEC standards. Any further connection requirements stipulated by local utility companies must also be observed.
The heat pump is to be connected to the heat source system and the heating system in accordance with all applicable regulations.
Persons, especially children, who are not capable of operating the device safely due to their physical, sensory or mental abilities or their inexperience or lack of knowledge, must not operate this device without supervision or instruction by the person in charge.
Children must be supervised to ensure that they do not play with the device.
ATTENTION!
When operating or maintaining a heat pump, the legal requirements of the country where the heat pump is operated apply. Depending on the refrigerant quantity, the heat pump must be inspected for leaks at regular intervals by a certified technician, and these inspections must be recorded.
1.4 Energy-Efficient Use of the Heat Pump
By operating this heat pump you are helping to protect our environment. Both the heating system and the heat source must be properly designed and dimensioned to ensure efficient operation. It is particularly important to keep water flow temperatures as low as possible. All connected energy consumers should therefore be suitable for low flow temperatures. Raising the heating water temperature by 1K corresponds to an increase in energy consumption of approx.
2.5%. Low-temperature heating systems with flow temperatures between 30^ and 50^ are particularly well-suited for energy-efficient operation.
2 Purpose of the Heat Pump
2.1 Application
The brine-to-water heat pump is to be used exclusively for the heating of heating water. It can be used in new or previously existing heating systems. A mixture of water and antifreeze (brine) is used as the heat transfer medium in the heat source system. Borehole heat exchangers, ground heat collectors or similar systems can be used as the heat source system.
2.2 Operating Principle
The heat generated by the sun, wind and rain is stored in the ground. This heat stored in the ground is collected at a low temperature by the brine circulating in the ground collector, ground coil or similar device. A circulating pump then conveys the "heated" brine to the evaporator of the heat pump. There the heat is given off to the refrigerant in the refrigerating cycle. This cools the brine so that it can once again absorb thermal energy in the brine circuit.
The refrigerant is drawn in by the electrically driven compressor, compressed and "pumped" to a higher temperature level. The electrical power needed to run the compressor is not lost in this process. Most of it is absorbed by the refrigerant.
Subsequently, the refrigerant is passed through the condenser where it transfers its heat energy to the heating water. Depending on the set operating point (thermostat setting), the heating water is thus heated up to a max. of 62^ .
3 Basic Device
The basic device consists of a ready-to-use heat pump for indoor installation, complete with sheet metal casing, control panel and integrated manager. The refrigerant circuit is hermetically sealed. It contains the Kyoto protocol approved refrigerant R410A with a GWP value of 1975. It is CFC-free, does not deplete ozone and is non-flammable.
All components required for the operation of the heat pump are located on the control panel. An external temperature sensor including fixing accessories and a dirt trap are supplied with the heat pump. The supply for the load current and the control voltage must be installed by the customer.
The supply lead of the brine circulating pump (to be provided by the customer) must be connected to the control panel. If required, a motor protection device and/or contactor must be provided here.
The customer must provide both the heat source system and the brine circuit manifold.

1) Liquifier
2) Control panel
3) Evaporator
4) Compressor
5) Filter dryer
6)Economizer
7) Expansion valve
4 Accessories
4.1 Brine Circuit Manifold
The brine circuit manifold merges the individual collector loops of the heat source system into a single main pipe which is connected to the heat pump. Integrated ball valves allow the individual brine circuits to be shut off for de-aeration purposes.

4.2 Remote control
A remote control adds convenience and is available as a special accessory. Operation and menu navigation are identical to those of the heat pump manager. Connection takes place via an interface (special accessories) with RJ 12 Western plug..
NOTE
In the case of heating controllers with a removable operating element, this can also be used directly as a remote control.
4.3 Building management technology
The heat pump manager can be connected to a building management system network via supplementation of the relevant interface plug-in card. The supplementary installation instructions of the interface card must be consulted regarding the exact connection and parameterisation of the interface.
The following network connections can be made on the heat pump manager:
Modbus
EIB, KNX
Ethernet
ATTENTION!
If the heat pump or circulating pump is controlled externally, an flow rate switch is required to prevent the compressor from being switched on when there is no volume flow.
5 Transport
A lift truck is suited for transporting the unit on a level surface. Carrying straps may be used if the heat pump needs to be transported on an uneven surface or carried up or down stairs. These straps can be passed directly underneath the wooden pallet.
ATTENTION!
The heat pump is not secured to the wooden pallet.

ATTENTION!
The heat pump must not be tilted more than 45^ (in any direction).
Use the holes provided in the sides of the frame to lift the unit without the pallet. The side panel assemblies must be removed for this purpose. Any commercially available length of pipe can be used as a carrying aid.
ATTENTION!
Do not use the holes in the panel assemblies for lifting the device!
6 Set - u p
6.1 General Information
The brine-to-water heat pump must be installed in a frost-free, dry room on an even, smooth and horizontal surface. The entire frame should lie directly on the floor to ensure an adequate soundproof seal. If supporting feet are used, the heat pump must be installed horizontally. In this case, the specified sound level can be up to 3 dB(A) higher, and additional sound insulation measures may be necessary.
The heat pump must be installed so that maintenance work can be carried out without hindrance. This can be ensured by maintaining a clearance of approx. 1m in front of and on each side of the heat pump.

Neither frost nor temperatures higher than 35^ must occur in the installation location at any time of the year.
6.2 Acoustic Emissions
The heat pump operates silently due to efficient sound insulation. Internal insulation measures should be carried out to prevent vibrations from being transmitted to the foundation or to the heating system.
7 Installation
7.1 General Information
The following connections need to be established on the heat pump:
Flow and return of the brine (heat source system)
Flow and return flow of the heating system
Temperature sensor
Voltage supply
7.2 Heating System Connection
ATTENTION!
Flush the heating system prior to connecting the heat pump.
Before connecting the heating water system to the heat pump, the heating system must be flushed to remove any impurities, residue from sealants, etc. Any accumulation of deposits in the liquifier could cause the heat pump to completely break down.
Once the heating system has been installed, it must be filled, deaerated and pressure-tested.
ATTENTION!
The maximum test pressure in the heating circuit and the brine circuit is 6.0 bar (ii). This value must not be exceeded.
Consideration must be given to the following when filling the system:
Untreated filling water and make-up water must be of drinking water quality (colourless, clear, free from sediments)
Filling water and make-up water must be pre-filtered (pore size max. 5 m
Scale formation in hot water heating systems cannot be completely avoided, but in systems with flow temperatures below 60^ the problem can be disregarded.
With medium and high-temperature heat pumps, temperatures above 60^ can be reached.
The following standard values should therefore be adhered to concerning the filling water and make-up water (according to VDI 2035 Sheet 1):
| Total heat output in [kW] | Total alkaline earths in mol/m3and/or mmol/l | Total hardness in °dH |
| up to 200 | ≤ 2.0 ≤ 11.2 | |
| 200 to 600 | ≤ 1.5 ≤ 8.4 | |
| > 600 < 0.02 < 0.11 | ||
Minimum heating water flow rate
The minimum heating water flow rate through the heat pump must be assured in all operating states of the heating system. This can be accomplished, for example, by installing either a dual differential pressureless manifold or an overflow valve. The procedure for adjusting an overflow valve is described in the Chapter Start-Up.
NOTE
The use of an overflow valve is only recommended for panel heating and a max. heating water flow of 1.3m^3 /h System faults may result if this is not observed.
The antifreeze function of the heat pump manager is active whenever the heat pump manager and the heat circulating pumps are ready for operation. If the heat pump is taken out of service or in the event of a power failure, the system has to be drained. The heating circuit should be operated with a suitable antifreeze if heat pump systems are implemented in buildings where a power failure can not be detected (holiday home).
7.3 Heat Source Connection
The following procedure must be observed when connecting the heat source:
Connect the brine pipe to the heat pump flow and return. The hydraulic integration diagram must be adhered to.
ATTENTION!
The supplied dirt trap must be inserted in the heat source inlet of the heat pump to protect the evaporator against the ingress of impurities.
The brine liquid must be produced prior to charging the system. The liquid must have an antifreeze concentration of at least 25% to ensure frost protection down to -14^ .
Only monoethylene glycol or propylene glycol-based antifreeze may be used.
The heat source system must be de-aerated and checked for leaks.
ATTENTION!
The brine solution must contain at least a 25% concentration of a monoethylene glycol or propylene glycol-based antifreeze, which must be mixed before filling.
NOTE
If necessary, the operating range can be extended to a brine inlet temperature of -10^ . In this case, the minimum brine concentration must be adjusted to 30% . (Freezing temperature -17^ )
ATTENTION!
The maximum test pressure in the heating circuit and the brine circuit is 6.0 bar (ii). This value must not be exceeded.
NOTE
A suitable de-aerator (micro bubble air separator) must be installed in the heat source circuit by the customer.
7.4 Temperature sensor
The following temperature sensors are already installed or must be installed additionally:
External temperature sensor (R1) supplied (NTC-2)
Return temperature heating circuit (R2) installed (NTC-10)
Return temperature primary circuit (R24) installed (NTC-10)
Flow temperature heating circuit (R9) installed (NTC-10)
Flow temperature primary circuit (R6) installed) (NTC-10)
7.4.1 Sensor characteristic curves
| Temperature in °C | -20 | -15 | -10 | -5 | 0 | 5 | 10 | ||
| NTC-2 in kΩ 14. | 6 11.4 | 9.7.1 | 6 4.5 | 7 | |||||
| NTC-10 in kΩ | 67.7 | 53.4 | 42.3 | 33.9 | 27.3 | 22.1 | 18.0 | ||
| 15 | 20 | 25 | 30 | 35 | 40 | 45 | 50 | 55 | 60 |
| 2.9 2 | 4 2.0 1 | 7 1.4 1 | 1 1.0 0 | 8 0.7 0.6 | |||||
| 14.9 | 12.1 | 10.0 | 8.4 | 7.0 | 5.9 | 5.0 | 4.2 | 3.6 | 3.1 |
The temperature sensors to be connected to the heat pump manager must correspond to the sensor characteristic curve illustrated in Fig.7.1 on pag. 6. The only exception is the external temperature sensor included in the scope of supply of the heat pump (see Fig.7.2 on pag. 6)


Fig. 7.1: Sensor characteristic curve NTC 10
Fig. 7.2: Sensor characteristic curve, standardised NTC-2 according to DIN 44574 External temperature sensor
7.4.2 Mounting the external temperature sensor
The temperature sensor must be mounted in such a way that all weather conditions are taken into consideration and the measured value is not falsified.
On the external wall of a heated room used as living space, if possible on the north or north-west side of the building
- Do not install in a "sheltered position" (e.g. in a wall niche or under a balcony)
Not in the vicinity of windows, doors, exhaust air vents, external lighting or heat pumps
Not to be exposed to direct sunlight at any time of year
Sensor lead: Max. length 40 m; min. core cross-section 0.75mm^2 ; external diameter of the cable 4-8 mm.
7.4.3 Installing the strap-on sensor
It is only necessary to mount the strap-on sensors if they are included in the scope of supply of the heat pump but have not yet been installed.
The strap-on sensors can be fitted as pipe-mounted sensors or installed in the immersion sleeve of the compact manifold.
Mounting as a pipe-mounted sensor
Remove paint, rust and scale from heating pipe.
Coat the cleaned surface with heat transfer compound (apply sparingly).
- Attach the sensor with a hose clip (tighten firmly, as loose sensors can cause malfunctions) and thermally insulate.

7.4.4 Hydraulic distribution system
The compact manifold and the dual differential pressureless manifold function as an interface between the heat pump, the heating distribution system, the buffer tank and, in some cases, even the hot water cylinder. A compact system is used to simplify the installation process, so that a lot of different components do not have to be installed individually. Further information can be found in the relevant installation instructions.
Compact manifold
The return sensor can remain in the heat pump, or should be installed in the immersion sleeve. The remaining empty space between the sensor and the immersion sleeve must be filled completely with heat transfer compound.
dual differential pressureless manifold
In order for the heating circuit pumps of the generator and consumer circuits to supply the flow to the return sensor, this must be installed in the immersion sleeve of the dual differential pressureless manifold.
7.5 Electrical connection
7.5.1 General
All electrical connection work must be carried out by a trained electrician or a specialist for the specified tasks in accordance with the
installation and operating instructions,
country-specific installation regulations (e.g. VDE 0100),
- technical connection conditions of the energy suppliers and supply grid operators (e.g. TAB) and
local conditions.
To ensure that the frost protection function of the heat pump works properly, the heat pump manager must remain connected to the power supply and the flow must be maintained through the heat pump at all times.
The switching contacts of the output relay are interference-suppressed. Therefore, depending on the internal resistance of the measuring instrument, a voltage can also be measured when the contacts are open. However, this will be much lower than the line voltage.
Extra-low voltage is connected to controller terminals N1-J1 to N1-J11; N1-J19; N1-J20; N1-J23 to N1-J26 and terminal strip X3; X5.1. If, due to a wiring error, the line voltage is mistakenly connected to these terminals, the heat pump manager will be destroyed
7.5.2 Electrical installation
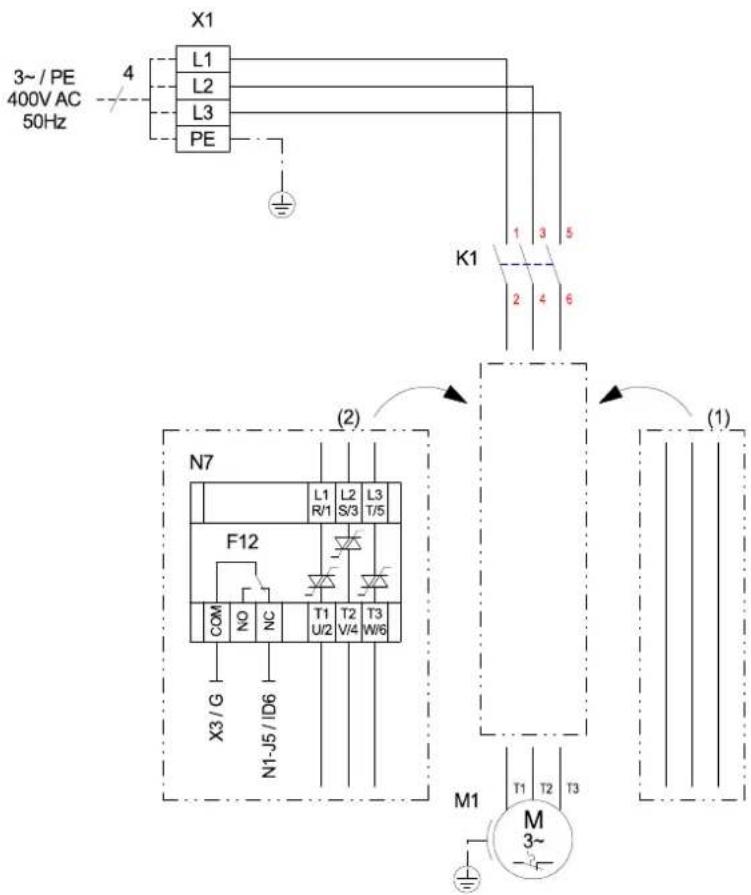
1) The supply electric cable for the output section of the heat pump (up to 4-core) is fed from the electricity meter of the heat pump via the utility blocking contactor (if required) into the heat pump Connection of the mains cable to the control panel of the heat pump via terminal X1: L1/L2/L3/PE.
An all-pole disconnecting device with a contact gap of at least 3mm (e.g. utility blocking contactor or power contactor) and an all-pole circuit breaker with common tripping for all external conductors must be installed in the power supply for the heat pump (tripping current and characteristic in compliance with the device information).
ATTENTION!
Ensure that there is a clockwise rotating field: With incorrect wiring the starting of the heat pump is prevented. A corresponding warning is indicated on the display of the heat pump manager (adjust wiring).
2) The three-core electric supply cable for the heat pump manager (heating controller N1) is fed into the heat pump.
Connection of the control line to the control panel of the heat pump via terminal X2: L/N/PE.
Details on the power consumption of the heat pump are listed on both the product information sheet and the type plate.
The (L / N / PE 230V,50Hz) supply cable for the heat pump manager must have a constant voltage. For this reason, it should be tapped upstream from the utility blocking contactor or be connected to the household current, as important protection functions could otherwise be lost during a utility block.
3) The utility blocking contactor (K22) with 3 main contacts (1/ 3/5 // 2/4/6) and an auxiliary contact (NO contact 13/14) should be dimensioned according to the heat pump output and must be supplied by the customer. The NO contact of the utility blocking contactor (13/14) is looped from terminal strip X3/G to connector terminal X3/A1. CAUTION! Extra-low voltage!
4) The contactor (K20) for the immersion heater (E10) of mono energy systems (HG2) should be dimensioned according to the radiator output and must be supplied by the customer. It is controlled (230 V AC) by the heat pump manager via terminals X2/N and X2/K20.
5) The contactor (K21) for the flange heater (E9) in the hot water cylinder should be dimensioned according to the radiator output and must be supplied by the customer. It is controlled (230 V AC) by the heat pump manager via terminals X2/N and X2/K21.
6) The contactors mentioned above in points 3, 4 and 5 are installed in the electrical distribution system. The mains cable for the installed pipe heater must be laid and secured in accordance with the valid standards and regulations.
7) All installed electric cables must have permanent wiring.
8) The heat circulating pump (M13) is connected to terminals X2/N and X2/M13.
9) The DHW loading pump (M18) is connected to terminals X2/ N and X2/M18.
10) The brine or well pump (M11) is connected to terminalsX2/N and X2/M11 and PE.
11) The return flow sensor is integrated into the heat pumps and is connected to the heat pump manager via the control line. The return flow sensor must be installed in the immersion sleeve in the manifold only when a dual differential pressureless manifold is used. The single-core wires are then connected to terminals X3/GND and X3/ R2.1. Bridge A-R2 (situated between X3/B2 and X3/1 when delivered) must then be moved to terminals X3/1 and X3/2.
12) The external sensor (R1) is connected to terminals X3/GND and X3/R1.
13) The domestic hot water sensor (R3) is included with the domestic hot water cylinder and is connected to terminals X3/ GND and X3/R3.
7.5.3 Connecting an electronically regulated circulating pump
Electronically regulated circulating pumps have high starting currents, which may shorten the service life of the heat pump manager. For this reason, a coupling relay is installed or must be installed between the output of the heat pump manager and the electronically regulated circulating pump. This is not necessary if the permissible operating current of 2 A and a maximum starting current of 12 A are not exceeded in the electronically regulated circulating pump or if express approval has been issued by the pump manufacturer.
ATTENTION!
It is not permitted to connect more than one electronically regulated circulating pump via a relay output.
8 Commissioning
8.1 General Information
To ensure that start-up is performed correctly, it should only be carried out by an after-sales service technician authorised by the manufacturer. These measures can also include an additional warranty under certain conditions (see Warranty).
8.2 Preparation
The following items need to be checked prior to start-up:
The heat pump must be fully connected, as described in Chapter 7.
The heat source system and the heating circuit must have been filled and checked.
The dirt trap must be inserted in the brine inlet of the heat pump.
All valves that could impair proper flow in the brine and heating circuits must be open.
The heat pump manager must be adapted to the heating system in accordance with the controller's operating instructions.
8.3 Start-up Procedure
The heat pump is started up via the heat pump manager.
ATTENTION!
The heat pump must be started up in accordance with the installation and operating instructions of the heat pump manager.
If an overflow valve is fitted to assure the minimum heating water flow rate, the valve must be set in accordance with the requirements of the respective heating system. Incorrect adjustment can lead to faulty operation and increased energy consumption. We recommend carrying out the following procedure to correctly adjust the overflow valve:
Close all of the heating circuits that may also be closed during operation (depending on the type of heat pump usage) so that the most unfavourable operating state - with respect to the water flow rate - is achieved. This normally means the heating circuits of the rooms on the south and west sides of the building. At least one heating circuit must remain open (e.g. bathroom).
The overflow valve should be opened far enough to produce the maximum temperature spread between the heating flow and return flow listed in the table below for the current heat source temperature. The temperature spread should be measured as close as possible to the heat pump. The heating element of mono energy systems should be disconnected during start-up.
| Heat source temperature From To | Max. temperature spread between heating flow and return flow |
| -5 °C 0 °C 10 K | |
| 1 °C 5 °C 11 K | |
| 6 °C 9 °C 12 K | |
| 10 °C 14 °C 13 K | |
| 15 °C 20 °C 14 K | |
| 21 °C 25 °C 15 K |
9 Maintenance and Cleaning
9.1 Maintenance
To prevent faults due to sediment in the heat exchangers, care must be taken to ensure that no impurities can enter either the heat source system or the heating system. In the event that operating malfunctions due to contamination occur nevertheless, the system should be cleaned as described below.
9.2 Cleaning the Heating System
The ingress of oxygen into the heating water circuit may result in the formation of oxidation products (rust), particularly if steel components are used. This oxygen enters the heating system via the valves, the circulating pumps and/or plastic pipes. It is therefore essential - in particular with respect to the piping of underfloor heating systems - that only diffusion-proof materials are used.
i NOTE
We recommend the installation of a suitable corrosion protection system to prevent the formation of deposits (e.g. rust) in the condenser of the heat pump.
Residue from lubricants and sealants may also contaminate the heating water.
In the case of severe contamination leading to a reduction in the performance of the liquifier in the heat pump, the system must be cleaned by a heating technician.
Based on current information, we recommend using a 5% phosphoric acid solution for cleaning purposes. However, if cleaning needs to be performed more frequently, a 5% formic acid solution should be used.
In either case, the cleaning fluid should be at room temperature. We recommend flushing the heat exchanger in the direction opposite to the normal flow direction.
To prevent acidic cleaning agents from entering the heating system circuit, we recommend connecting the flushing device directly to the flow and return flow of the liquifier. It is important that the system be thoroughly flushed using appropriate neutralising agents to prevent any damage from being caused by cleaning agent residue remaining in the system.
Acids must be used with great care and all relevant regulations of the employers' liability insurance associations must be adhered to.
The manufacturer's instructions regarding cleaning agent must be complied with at all times.
9.3 Cleaning the Heat Source System
ATTENTION!
The supplied dirt trap must be inserted in the heat source inlet of the heat pump to protect the evaporator against the ingress of impurities.
The filter sieve of the dirt trap should be cleaned one day after start-up. Further checks must be set according to the level of dirt.If no more signs of contamination are evident, the filter can be removed to reduce pressure drops.
10 Faults / Troubleshooting
This heat pump is a quality product and is designed for trouble-free operation. In the event that a fault should occur, it will be indicated on the heat pump manager display. Simply consult the Faults and Trouble-Shooting page in the operating instructions of the heat pump manager.
If you cannot correct the fault yourself, please contact your after-sales service technician.
ATTENTION!
Any work on the heat pump may only be performed by authorised and qualified after-sales service technicians.
ATTENTION!
Disconnect all electrical circuits from the power source prior to opening the device.
11 Decommissioning / Disposal
Before removing the heat pump, disconnect it from the power source and close all valves. The deinstallation of the heat pump must be performed by technical personnel. Observe all environmentally-relevant requirements regarding the recovery, recycling and disposal of materials and components in accordance with all applicable standards. Particular attention should be paid to the proper disposal of refrigerants and refrigeration oils.
12 Device Information
| 1 Type and order code | SI 6TU SI 8TU SI | 11TU | |||
| 2 D e s i g n | |||||
| 2.1 Model Universal Universal Universal | |||||
| 2.2 controller Intern Intern Intern | |||||
| 2.3 Thermal energy metering Integreated Integreated Integreated | |||||
| 2.4 Installation location / degree of protection according to EN 60 529 | Indoors / IP 21 | Indoors / IP 21 | Indoors / IP 21 | ||
| 2.5 Performance levels | 1 | 1 | 1 | ||
| 3 Operating limits | |||||
| 3.1 Heating water flow 1 °C | 20 to 62 ± | 20 to 62 ±2 | 20 to 62 ±2 | ||
| 3.2 Brine (heat source) °C Antifreeze Minimum brine concentration (-13 °C freezing temperature)1 | -51to +252 Monoethyleneglycol 25%1 | ||||
| 4 Performance data / flow rate 3 | |||||
| 4.1 Heating water flow rate at internal pressure differential max. (EN14511) m3/h / Pa minimal m3/h / Pa | 1,05 / 5300 | 1,4 / 7700 | 1,9 / 10500 | ||
| 0,55 / 1500 | 0,7 / 1900 | 0,9 / 2400 | |||
| 4.2 Heat output / COP at B-5 / W45 kW / --- | EN 14511 | EN 14511 | EN 14511 | ||
| at B0 / W55 kW / --- | 5,0 / 3,1 | 6,5 / 3,2 | 9,1 / 3,2 | ||
| at B0 / W45 kW / --- | 5,5 / 2,8 | 7,2 / 2,8 | 10,0 / 2,9 | ||
| at B0 / W35 kW / --- | 5,8 / 3,6 | 7,5 / 3,6 | 10,4 / 3,7 | ||
| 4.3 Sound power level to EN 12102 4 dB(A) | 6,1 / 4,7 | 8,1 / 4,8 | 10,9 / 4,9 | ||
| 4.4 Sound pressure level at a distance of 1 m 45 dB(A) | 46 | 46 | 47 | ||
| 4.5 Brine flow with internal pressure differential heat source m3/h / Pa | 34 | 34 | 35 | ||
| 5 Dimensions, connections and weight | |||||
| 5.1 Device dimensions without connections 6 H x W x L cm | 845 x 650 x 565 | 845 x 650 x 565 | 845 x 650 x 565 | ||
| 5.2 Device connections for heating system Inches | G 1 1/4" AG7 | ||||
| 5.3 Device connections for heat source Inches | G 1 1/4" AG7 | ||||
| 5.4 Weight of the transportable unit(s) incl. packaging kg | 119 | 128 | 134 | ||
| 5.5 Refrigerant; total filling weight type / kg | R410A / 2,5 | R410A / 2,9 | R410A / 3,3 | ||
| 5.6 Lubricant; total filling quantity type / litres | Polyolester (POE) / 0,7 | Polyolester (POE) / 1,2 | Polyolester (POE) / 1,2 | ||
| 6 Electrical connection | |||||
| 6.1 Supply voltage; fuse protection V/A | 3~/PE 400V (50Hz) / C10A | ||||
| 6.2 Control voltage; fuse protection V/A | 1~/N / PE 230V (50Hz) / C13A | ||||
| 6.3 Nominal power consumption B0 / W35 / max. power consumption 3 KW | 1,30 / 2,6 | 1,67 / 3,2 | 2,22 / 4,3 | ||
| 6.4 Starting current with soft starter A | 28 (without soft starter) | 17 | 20 | ||
| 6.5 Nominal current B0 / W35 / cos φ A / --- | 2,35 / 0,8 | 3,01 / 0,8 | 4,01 / 0,8 | ||
| 7 Complies with the European safety regulations | 8 | 8 | 8 | ||
| 8 Additional model features | |||||
| 8.1 Heating water in device protected against freezing 9 | Yes | Yes | Yes | ||
| 8.2 Max. operating overpressure (heat source/heat sink) bar | 3,0 | 3,0 | 3,0 | ||
- If necessary, the operating range can be extended to a brine inlet temperature of -10^ . In this case, the minimum brine concentration must be adjusted to 30% . (Freezing temperature -17^ ). At brine inlet temperatures of -10^ to -5^ , flow temperature rising from 55^ to 62^ .
- Operation is possible at brine inlet temperatures of up to +35^ . At brine inlet temperatures of +25^ to +35^ , flow temperature falling from 62^ to 55^ .
- These data indicate the size and capacity of the system according to EN 14511. For an analysis of the economic and energy efficiency of the system, the bivalence point and controller should be taken into consideration. The specified values have the following meaning, e.g. B0/W35: Heat source temperature 0^ and heating water flow temperature 55^ . These specifications can only be achieved with clean heat exchangers. Information on maintenance, start-up and operation can be found in the respective sections of the installation and operating instructions.
- The specified sound levels apply if the supporting feet (available as an option) are not used. If the supporting feet are used, the level can increase by up to 3db (A).
- The specified sound pressure level corresponds to the operating noise of the heat pump in heating operation with a flow temperature of 35^ . The specified sound pressure level represents the free sound area level. The measured value can deviate by up to 16 dB(A), depending on the installation location.
- Note that additional space is required for pipe connections, operation and maintenance.
- Flat-sealing
- See CE declaration of conformity
- The heat circulating pump and the heat pump manager must always be ready for operation.
| 1 Type and order code | SI 14TU SI 18TU | |||
| 2 D e s i g n | ||||
| 2.1 Model Universal Universal | ||||
| 2.2 controller Intern Intern | ||||
| 2.3 Thermal energy metering Integreated Integreated | ||||
| 2.4 Installation location / degree of protection according to EN 60 529 | Indoors / IP 21 | Indoors / IP 21 | ||
| 2.5 Performance levels 1 1 | ||||
| 3 Operating limits | ||||
| 3.1 Heating water flow 1 °C | 20 to 62 ±2 | 20 bis 62 ±2 | ||
| 3.2 Brine (heat source) °C Antifreeze Minimum brine concentration (-13 °C freezing temperature)1 | -51 to +252 Monoethyleneglycol 25 %1 | -51 to +252 Monoethylenglykol 25 %1 | ||
| 4 Performance data / flow rate 3 | ||||
| 4.1 Heating water flow rate at internal pressure differential max. (EN14511) minimal m3/h / Pa | 2,4 / 10700 1,2 / 2700 | 3,0 / 18000 1,5 / 4500 | ||
| 4.2 Heat output / COP at B-5 / W45 kW / --- | EN 14511 11,5 / 3,3 | EN 14511 14,9 / 3,2 | ||
| at B0 / W55 kW / --- | 12,8 / 3,0 | 16,5 / 2,9 | ||
| at B0 / W45 kW / --- | 13,3 / 3,8 | 17,0 / 3,6 | ||
| at B0 / W35 kW / --- | 13,9 / 5,0 | 17,5 / 4,7 | ||
| 4.3 Sound power level to EN 12102 4 dB(A) | 47 | 50 | ||
| 4.4 Sound pressure level at a distance of 1 m 4 5 dB(A) | 35 | 38 | ||
| 4.5 Brine flow with internal pressure differential heat source m3/h / Pa | 3,4 / 14000 | 4,3 / 21500 | ||
| 5 Dimensions, connections and weight | ||||
| 5.1 Device dimensions without connections 6 H x W x L cm | 845 x 650 x 565 | 845 x 650 x 665 | ||
| 5.2 Device connections for heating system Inches | G 1 1/4" AG7 | G 1 1/4" AG7 | ||
| 5.3 Device connections for heat source Inches | G 1 1/4" AG7 | G 1 1/2" AG7 | ||
| 5.4 Weight of the transportable unit(s) incl. packaging kg | 140 | 163 | ||
| 5.5 Refrigerant; total filling weight type / kg | R410A / 4,4 | R410A / 5,2 | ||
| 5.6 Lubricant; total filling quantity type / litres | Polyolester (POE) / 1,2 | Polyolester (POE) / 1,9 | ||
| 6 Electrical connection | ||||
| 6.1 Supply voltage; fuse protection V/A | 3- / PE 400V (50Hz) / C13A | 3- / PE 400V (50Hz) / C16A | ||
| 6.2 Control voltage; fuse protection V/A | 1- / N / PE 230V (50Hz) / C13A | 1- / N / PE 230V (50Hz) / C13A | ||
| 6.3 Nominal power consumption B0 / W35 / max. power consumption 3 kW | 2,78 / 5,4 | 3,72 / 7,2 | ||
| 6.4 Starting current with soft starter A | 23 | 28 | ||
| 6.5 Nominal current B0 / W35 / cos φ A / --- | 5,02 / 0,8 | 6,71 / 0,8 | ||
| 7 Complies with the European safety regulations | 8 | 8 | ||
| 8 Additional model features | ||||
| 8.1 Heating water in device protected against freezing 9 | Yes | ja | ||
| 8.2 Max. operating overpressure (heat source/heat sink) bar | 3,0 | 3,0 | ||
- If necessary, the operating range can be extended to a brine inlet temperature of -10^ . In this case, the minimum brine concentration must be adjusted to 30% . (Freezing temperature -17^ ). At brine inlet temperatures of -10^ to -5^ , flow temperature rising from 55^ to 62^ .
- Operation is possible at brine inlet temperatures of up to +35^ . At brine inlet temperatures of +25^ to +35^ , flow temperature falling from 62^ to 55^ .
- These data indicate the size and capacity of the system according to EN 14511. For an analysis of the economic and energy efficiency of the system, the bivalence point and controller should be taken into consideration. The specified values have the following meaning, e.g. B0/W35: Heat source temperature 0^ and heating water flow temperature 55^ . These specifications can only be achieved with clean heat exchangers. Information on maintenance, start-up and operation can be found in the respective sections of the installation and operating instructions.
- The specified sound levels apply if the supporting feet (available as an option) are not used. If the supporting feet are used, the level can increase by up to 3db (A).
- The specified sound pressure level corresponds to the operating noise of the heat pump in heating operation with a flow temperature of 35^ . The specified sound pressure level represents the free sound area level. The measured value can deviate by up to 16 dB(A), depending on the installation location.
- Note that additional space is required for pipe connections, operation and maintenance.
- Flat-sealing
- See CE declaration of conformity
- The heat circulating pump and the heat pump manager must always be ready for operation.
Table des matieres
3.3 Last / Load / Charge

3.4 Anschlussplan / Connection Plan / Schéma de connexion

3.5 Anschlussplan / Connection Plan / Schéma de connexion

3.6 Legende / Legend / Légerde
hereby certifies that the following device(s) complies/comply with the applicable EU directives. This certification loses its validity if the device(s) is/are modified.
Designation: Heat pumps
Low voltage directive 2006/95/EC
EMC directive 2004/108/EC
Pressure equipment directive 97/23/EC
Directives CEE
Directive Basse Tension 2006/95/CE
Directive CEM 2004/108/CE
Directive Equipement Sous Pression
97/23/CE
Angewandte Normen
EN 60335-1+A11+A1+A12+Corr.+A2
EN 60335-1/A13
EN 60335-2-40+A11+A12+A1+Corr.+A2
EN 55014-1
EN 55014-2+A1
EN 61000-3-2
EN 61000-3-3+A1:2001+A2
EN 378-1, EN 378-2+A1, EN 378-3, EN 378-4
EN 14511-1, EN 14511-2, EN 14511-3+EN 14511-3/AC, EN 14511-4
DIN 8901
BGR 500 (D), SVTI (CH)
Applied standards
Conformity assessment procedure
according to pressure equipment
directive:
Module A
Normes appliquées
EC declaration of conformity issued
on.
Marquage CE:
2011
EasyManual