Top 85 - Kaffeemaschine La San Marco - Kostenlose Bedienungsanleitung
Finden Sie kostenlos die Bedienungsanleitung des Geräts Top 85 La San Marco als PDF.
Laden Sie die Anleitung für Ihr Kaffeemaschine kostenlos im PDF-Format! Finden Sie Ihr Handbuch Top 85 - La San Marco und nehmen Sie Ihr elektronisches Gerät wieder in die Hand. Auf dieser Seite sind alle Dokumente veröffentlicht, die für die Verwendung Ihres Geräts notwendig sind. Top 85 von der Marke La San Marco.
BEDIENUNGSANLEITUNG Top 85 La San Marco
DE-BEDIENUNG UND WARTUNG
La San Marco

BEDIENUNG UND WARTUNG TOP 85
Übersetzung der Original-Anweisungen
Inhaltsverzeichnis
1. Einführung. pag. 114
1.1 Nachschlagen im Handbuch . . . . . . . . . . . . . . . . . . . . . . . . . . . . . . . . . . . . . . . . . . . . . . . .
1.2 Empfehlungen . pag.114
1.2.1 Installation - Dringende Empfehlungen.. pag.114
1.2.2 Gebrauch - Dringende Empfehlungen . pag.114
1.2.3 Wartung - Empfehlungen . pag.115
1.3 Gebrauch der Kaffeemaschine . pag.115
1.4 Technical characteristics.. .pag.116
2. Beschreibung der Kaffeemaschine . pag.117
2.1 Allgemeiner Wasseranschlussplan. pag.118
2.2 Legende zum Wasseranschlussplan: pag.119
3.1 Standardausstattung . pag.120
3.2 Vorbereitung des Wassernetzes . pag.120
3.3 Wasserenthärter (Optional) .pag.120
3.4 Installation der Hydraulikanlage.. .pag.121
3.5 Abfluss.. .pag.121
3.6 Elektrischer anschluss. pag.121
3.7 Aequipotentialklemmeanschluss . pag.122
4. Inbetriebnahme pag.123
4.1 Einfüllen von Wasser in den Kessel. pag. 123
5. Einstellungen.. pag.123
5.1 Einstellung des Wasserfulstandsfuhlers im Kessel. pag.124
5.2 Eichung Ausgabedruck Pumpe . . . . . . . . . . . . . . . . . . . . . . . . . . . . . . . . . . . . . . . . . . . . . . .
5.3 Einstellung des Dampfdrucks im Kessel . pag.124
5.4 Aeinstellung der Temperatur der Ausgabevorrichtungen. . . . . . . . . . . . . . . . . . . . . . . . . . . . . . . . . . . . . . . . . . . . . . . . . . . . . . .
5.5 Ergänzende Hinweise zu den Modellen TOP 85 DTC (Dual Temperature Control) pag.125
6. Hinweise zum Betrieb pag.125
6.1 Ausgabe von Espresso-Kaffee. pag.126
6.2 Dampfentnahme . 126
6.3 Entnahme von heissem Wasser. pag.127
6.4 Automatisches Reinigungssystem. pag.127
6.5 Tassenwärmer (Optional) . pag.127
7. Verwendung Bildschirmtastatur .pag.128
8. Programmierung . pag.129
8.1 Menüzugriff . . . . . . . . . . . . . . . . . . . . . . . . . . . . . . . . . . . . . . . . . . . . . . .
8.2 Programmierung Dosierung. pag.129
8.3 Programmierung Kesseltemperatur. pag.130
8.4 Programmierung Datum/Uhrzeit . . . . . . . . . . . . . . . . . . . . . . . . . . . . . . . . . . . . . . . . . . . . . . . . . . . .
8.5 Programmierung automatische Ein-/Ausschaltung. pag.131
8.6Programmierung Ruhetag .pag.132
8.7 Programmierung Beleuchtung Tassenebene LED RGB. . . . . . . . . . . . . . . . . . . . . . . . . . . . . . . . . . . . . . . . . . . . . . . . . . . . . . . . . . .
9. Auslesen Zähler. pag.133
9.1 Ablesen Zähler Gesamtliter . pag.133
9.2 Ablesen Zähler Gesamtkaffees . pag.133
9.3 Ablesen Zähler Kaffee Einzeldosierungen und Gesamtdosierungen. . . . . . . . . . . . . . . . . . . . . . . . . . . . . . . . . . . . . .
10. Programmierung Kundendienstebene.. pag.134
10.1 Bildschirm Softwareanzeigee. pag.134
10.2 AufgieBer . pag.134
10.3 Bildschirm Sprachauswahl . pag.134
10.4 Bildschirm Displayanzeige.. .pag.135
10.5 Bildschirm Einstellung Kundendienstnummer pag.135
10.6 Bildschirm Aktivierung Dosierungsänderung. pag.135
10.7 Bildschirm Aktivierung Dauerabgabe. pag.136
10.8 Bildschirm Aktivierung Beleuchtung Tassenebene LED RGB . . . . . . . . . . . . . . . . . . . . . . . . . . . . . . . . . . . . . . . . . . . . . . . . . . . . . . .
10.9 Bildschirm Aktivierung VoraufgieBen . . . . . . . . . . . . . . . . . . . . . . . . . . . . . . . . . . . . . . . . . . . . . . .
10.10 Aktivierung Voraufgieben Einzeldosierungen. pag.137
10.12 Bildschirm Anzeige Filterwechsel Enthärter. pag.138
10.13 Bildschirm Abweichung Dosierung . pag.138
10.14 Einstellung unterer Grenzwert Zähleralarm . pag.138
10.15 Bildschirm Wasserzahler . pag.139
10.16 Bildschirm Zurücksetzen auf Werkseinstellung . pag.139
11. Alarmanzeige.. .pag.139
11.1 Bildschirm Defekt Zähler . pag.139
11.2 Bildschirm Austausch Enthärterfilter . pag.139
11.3 Bildschirm Anzeige Kundendienst. pag.140
11.4 Bildschirm Alarmanzeige Wasserstand Kessel . . . . . . . . . . . . . . . . . . . . . . . . . . . . . . . . . . . . . . . . . . . . .
11.5 Bildschirm Alarmanzeige Kesseltemperatur . . . . . . . . . . . . . . . . . . . . . . . . . . . . . . . . . . . . . . . . . . . . . . .
11.6 Bildschirm Anzeige Prüfung Mahlen/Dosierung pag.141
11.7 Bildschirm Anzeige möglicher Wasserverlust . . . . . . . . . . . . . . . . . . . . . . . . . . . . . . . . . . . . . . . . . . . . . . . . . . . . . . . .
11.8 Alarm Volumenzahler .pag.141
11.9 Alarm Füllstandsautomatik pag.141
11.10 Alarm Maximaler Wasserstand im Kessel . . . . . . . . . . . . . . . . . . . . . . . . . . . . . . . . . . . . . . . . . . . . . . . . .
11.11 Alarm Temperaturfuhler . pag.142
12. Normale Wartung . pag.142
12.1 Reinigung der Ausgabevorrichtungen und der Filtrinheit. pag.142
12.2 Reinigung von Schale und Tassenabstellrost . . . . . . . . . . . . . . . . . . . . . . . . . . . . . . . . . . . . . . . . . . . . . . . . . . . . . . . . .
12.3 Reinigung der Dampfspritze . pag.143
12.4 Wechseln des Wassers im Kessel . . . . . . . . . . . . . . . . . . . . . . . . . . . . . . . . . . . . . . . . . . . . . .
13. Stillstandszeiten.. pag.143
14. Sicherheitsvorrichtungen.. pag.144
14.1 Sicherheitsthermostat mit Manueller Rückstellung . . . . . . . . . . . . . . . . . . . . . . . . . . . . . . . . . . . . . . . . . . . . . . . . . .
14.2 Sicherheitsventil. pag.144
15. Hinweise für den Benutzer pag.144
16. Allgemeine Garantiebedingungen . pag.144
17. Konformitätserklarung C€ . . . . . . . . . . . . . . . . . . . . . . . . . . . . . . . . . . . . . . . . . . . . . . . .
18. Probleme und Lösungen . pag.146
1. Einführung

- Lesen Sie vor dem Gebrauch des Gerätes sorgfältig alle in thisem Handbuch aufgeführten Hinweise.
1.1 Nachschlagen im Handbuch

Das vorliegende Handbuch enthalt alle Informationen, die zu Installation, Gebrauch und Wartung der Kaffeemaschine notwendig sind.
Dieses Handbuch ist integraler Bestandteil der Maschine, es muss immer vollständig beim Gerät aufbewahrt werden.
1.2 Empfehlungen

Die Maschine nicht in Betrieb setzen und keine normalen Wartungsarbeiten ausfuhren, bevordies Handbuch nicht genau durchgelesen wurde. La San Marco S.p.A. besteht sich nach eigenem Ermessen jederzeit das Recht auf technische Änderungen an der Maschine ohne vorherige Ankündigung vor.
1.2.1 Installation - Dringende Empfehlungen
Die Installation muss durch zugelassenes technisches Fachpersonal der Firma La San Marco S.p.A. ausgeführrt werden
- These Maschine darf nur an Orten installiert werden, an denen ihre Verwendung und Wartung geschultem Personal vorbehalten sind.
Die Kaffeemaschine wird dem Kunden in einer speziellen Verpackung gefelert. Die Verpackung enthalt: Maschine einschließlich Zubehor, Bedienungshandbuch und Konformitätserklarung. Verpackung öffnen und die Kaffeemaschine und ihre Teile auf Beschädigungen untersuchen; im Zweifelsfall das Gerät nicht in Betriebnehmen und sich an den Hersteller wenden.
Die Verpackung sorgfältig mit allen ihren Teilen für eine allfällig spätere Beförderung der Maschine aufbewahren.
Die Maschine muss perfekt eben und mindestens 800mm über dem Boden auf einer fur ihr Gewicht ausreichend tragfahigen Unterlage aufgestellt werden, mit genugend freiem Raum rund um die Maschine, um die während ihrem Betrieb erzeugte Wärme ableiten zu konnen.
Die Vorrichtung muss mit der vorgesehen Schlauchkupplung und unter Einhaltung der eve anwendbaren nationalen Normen an das ortliche Wassernetz angeschlüssen werden. Zudem muss das Gerät mit einem geeigneten „Rückflusssschutz" installiert werden, um mit den eventuell anwe nationalen und lokalen Normen konform zu sein.
Das Gerat nur mit dem im Lieferumfang der Maschine befindlichen Zubehor an das Wassernetz anschlieben.
- Installieren Sie das Gerät nicht in Räumen, wo eine Reinigung mit Wasserstrahlen vorgesehen. Tauschen Sie das Gerät zur Reinigung nicht in Wasser.
- Zur Sicherheit gegen Gefahren durch elektrischen Strom, muss die Maschine entfernt von Spulen, Wasserwannen, Aquarien, Wasserhahnen, feuchten oder von Spritzwasser betroffenen Zonen aufgestellt werden.
- Da die Maschine Wärme erzeugt, muss sie in einem ausreichend belufteten Raum aufgestellt werden, um die Zerstreuung der Wärme zu erfolglichen.
- Maschine nicht in der Höhe von direkten Wärmequellen aufstellen.
- Bevor das Gerät an das Stromnetz angeschlossen wird ist Sicherzustellen, ob die Spannun Stromanschlusses von der in den technischen Daten und auf dem Typenschild an der Maschine angegebenen abweicht. Soltte die Spannung abweichen, darf das Gerät nicht angeschlossen werden, da dies gefährlich sein kann und das Gerät beschädigt werden können.
- Der Anschluss muss gemäß den im Installationsland geltenden Vorschriften ausgeführrt werden.
1.2.2 Gebrauch - Dringende Empfehlungen
Die Maschine darst erst eingeschaltet werden, nach dem sie an die Wasserversorgung angeschlossen wurde.
- Der Wasserabsperrhahn muss stets geöffnet sein, wenn die Maschine eingeschaltet ist. Vom Benutzer ist dies entsprechend zu kontrollieren. Die Maschine wurde für die Ausgabe von Kaffee Espresso, HeiBwasser (Bereitung von Tee und sonstigen Getränen) und Wasserdampf (Erwärung von Flüssigkeiten) entwickelt und konstruiert. Jeder Gebrauch der Maschine, der von der Beschreibung in this dem abweicht, ist unsachgemäß und darauf unzulässig.Der Hersteller lehnt jeder Haftung fur Schaden ab, die durch unsachgemäßen Gebrauch der Geräte entstehen.
- Das Gerätarf nur von einer verantwortungsbewussten, erwachsenen Person bedient werden, die darüber den Regel nach gesundem Menschenverstand alle im Land der Aufstellung ge Sicherheitsvorschriften einhalten muss. Für einen korrekten und sicheren Gebrauch sind durch
Benutzer außer dem alle orschriften zur Verhütung von Unfallen und sonstigen Verordnungen im Rahmen von Arbeitsmedizin und -hygiene zu beachten, die im Land des Benutzers gelten.
- Dieses Gerätarf nicht von Personen (Kinder inbegriffen) mit herabgesetzten körperlichen, Sinnlichen oder geistigen Fähigkeiten oder denen die nötige Erfahrung oder Sachkennnis fehlt, benutzt werden, es sei dann sie werden beim Gebrauch des Gerätes überwacht oder erhalten die notwendige Unterweisung von einer für ihre Sicherheit verantwortlichen Person. Kinder muss beaufsichtigt werden, um sicher-zustellen, dass sie nicht mit dem Gerät speien.Kinder unter 8 Jahren dürfen die Maschine keinesfalls benutzen, warten oder reinigen.
Zur Reinigung das Gerät nicht in Wasser tauchen. - Nur leere Tassen auf der dazu vorgesehenen Flache abstellen.
Die in Betrieb stehende Maschine darf nicht abgedeckt werden, um den erforderlichen Luftumlauf zu gewährleisten. - Ein Betrieb der Maschine mit ausgebauten fixen und/oder beweglichen Schutzabdeckungen oder bei ausgeschalteten Sicherheitseinrichtungen ist streng verboten; die Sicherheitseinrichtungen der Maschine)dürfen weder entfernt noch verändert werden.
- Zur Reinigung keine Produkte verwenden, die Alkohol, Benzin oder sonstige Lösungsmittel enthalten; zur Reinigung Wasser und neutrale Reiniger einsetzen.
Zur Reinigung des Gehäuses genugt ein feuchtes Tuch oder ein Schwamm; keine Scheuermittel verwenden, die das Gehäuse beschädigen konnten. Für die Reinigung der Ausgabegruppen, FiltrEinheit, Roste und - Für eine bessere Produktqualität muss bei der tätiglichen Inbetriebnahme des Geräts das heiße Wasser im Heizkessel und das Wasser in den Leitungen erneuert werden. Wir die Maschine während des Tages für mehrere Stunden außer Betrieb genommen, sollte das Wasser ebenfalls gewechselt werden; dazu Wasser über den Heißwasserhahn und die Kaffee-Ausgabegruppen laufen setzen.
1.2.3 Wartung - Empfehlungen
Die gewissenhafte Einhaltung der in thisem Handbuch beschrieben, regelmäßigen Wartungsarbeiten ist sowohl für den sicheren Betrieb als auch zur Erhaltung der Leistungsfähigkeit der Maschine notwendig.
- Der Gebrauch des Geräts und die normalen und außergewöhnlichen Wartungsarbeiten sind dem entsprechenden Personal vorbehalten, das vom Kunden auf dessen Verantwortung damit betraut werden.
Die planmäßige Wartung oder etwaige Reparaturen dürfen nur von zugelassenem und qualifi. Personal ausgeführrt werden.
- Bevor Arbeiten zur regelmäßigen Wartung oder Reinigung der Maschine ausgeführrt werden, unbedingt den Netzstecker aus der Doseziehen, oder falls dies nicht möglich ist, den allpoligen Schalter vor der Maschine ausschalten.
Das Gerat darf nicht mit einem Wasserstrahl gereinigt werden.
- Ein beschädigtes Stromkabelarf nur von zugelassenem und qualifiziertem Personal ausgewechselt werden.
- Der einwandfrei Zustand der Sicherheitseinrichtungen muss erhalten bleiben; dazu für die Ausführung der regelmäßigen Wartung durch autorisiertes Personal La San Marco sorgen.
Die heiben Teile der Maschine (Ausgabegruppen, Kessel, Rohrleitungen etc.) konnen Verbrenn verursachen. Bei Wartungsoder Reinigungsrarbeiten im Bereich der Kaffeeausgabe sind dahe Handschuhe, Schurzen, etc. zu tragen.
- Bei etwaigen Störungen oder defekten Bauteilen der Kaffeemaschine einen autorisierten Kundendienst einschalten und den Einbau von Originalersatzteilen La San Marco S.p.A. verlangen; der Einsatz anderen als Originalersatzteilen führt zum Verfall er Konformitätserkräungen und der Garantie, die mit der Maschine geleifert werden.
Eigenmachtige Änderungen an der Maschine und/oder Nichteinhaltung der ordentlichen Wartung entbinden den Hersteller von jeder Haftung für allfällige Schäden und führen zum Verfall Konformitätserklarungen und der Garantie.
- Es ist streng verboten, Eingriffe am Gerät durchzuführen, zu denen man nicht berechtigt Informationen, Ersatzteile oder Zubehör kontaktieren Sieitte den Hersteller.
- Solfte die Maschine im Freien oder in Räumen aufgestellt werden, in denen die Temperatur unter 0^ sinken kann, muss der Kreislauf der Wärmetauscher unbedingt entleert und die Wasserzufuhr zur Maschine unterbrochen werden. Über die Gruppen solange Wasser ablaufen setzen bis nur noch Dampf austritt.
Das Unterlassen these Vorgangs kann die Wärmetauscher durch das Einfrieren ihres unbrauchbar machen.
- Soll die Maschine außer Gebrauch genommen und abgebaut werden, wenden Sie sich bit Lieferanten oder eine befugte Firma für die Entsorgung von festem Stadtmull. Die Maschine muss vorschriftsmäßig entsorgt werden.
1.3 Gebrauch der Kaffeemaschine
Umgebungstemperatur: 5÷ 45^ C (Wasserkreislauf bei Frostgefahr entleeren)
Druck des Wassernetzes: 80 ÷ 900kPa (0,8÷9,0 bar)
Wasserhärte: zwischen einschließlich 5^ f und 9^ f
Vom Gerät abgegebener Gerauschpegel: Der bewertete Schaldruckpegel A liegt bei normalen Gebrauchsbedingungen des Geräts unter 70 db(A).
Das Gerät muss an ein öffentliches Stromnetz mit Niederspannung mit einer Nennspannung von 230 V Leiter-Nullleiter (oder 400V Leiter-Leiter) und einer maximalen Netzimpedanz von Zmax = 0,03 Ω für die Modelle TOP 85 3N (dreiphasig) und Zmax = 0,04 Ω für die Modelle TOP 85 1N (einphasig) angeschlossen sein.
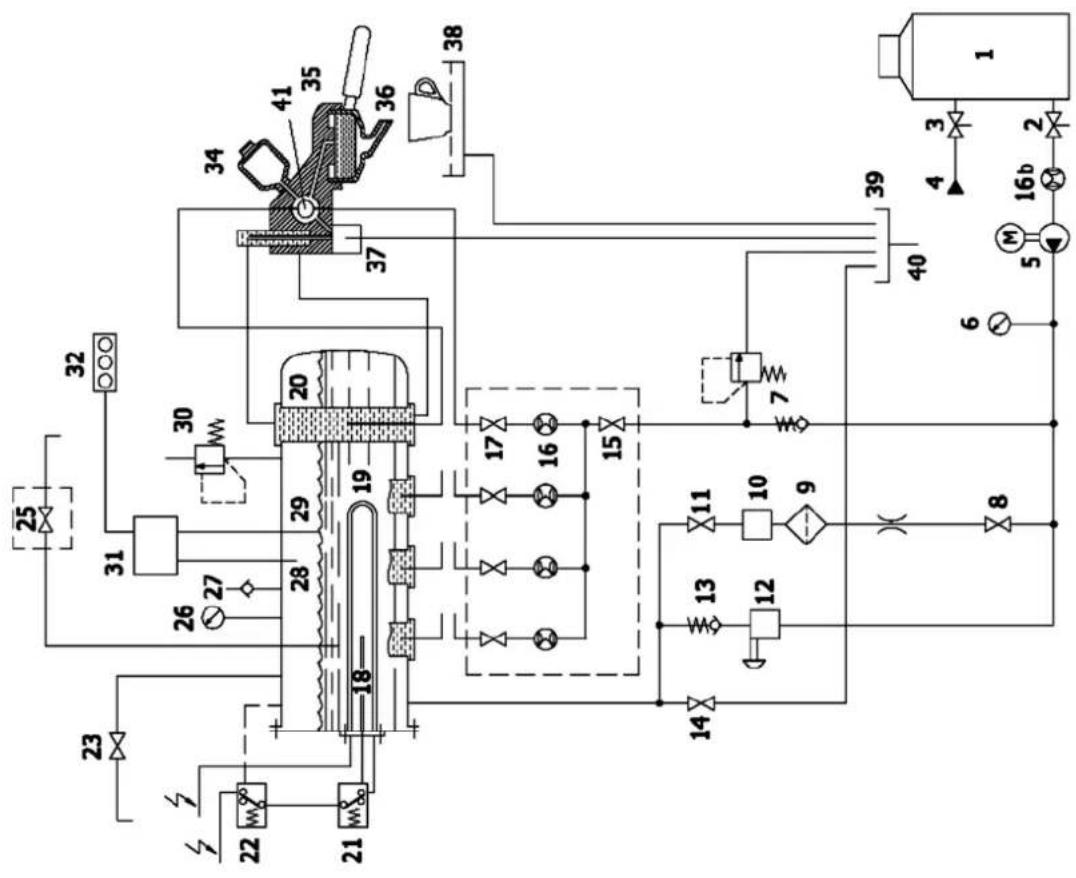
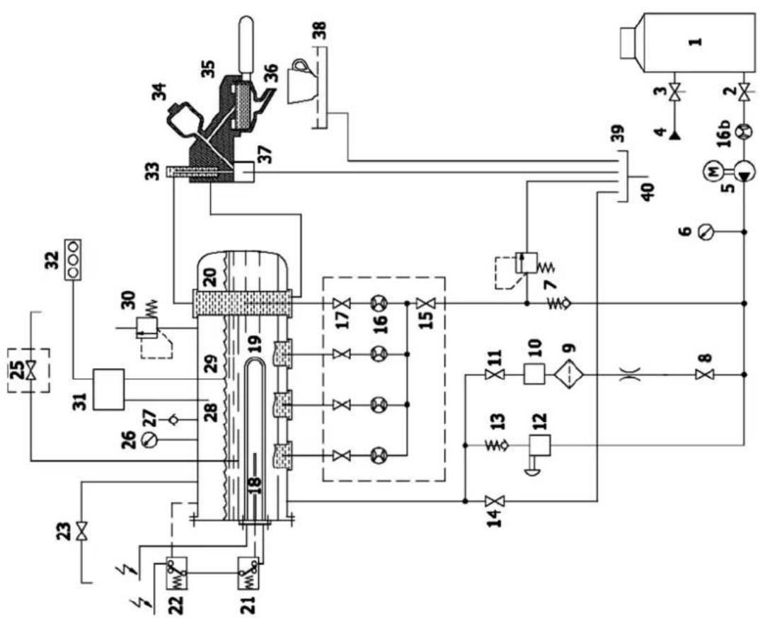
2. Beschreibung der Kaffeemaschine
Hinweis: Die in dieser Beschreibung verwendeten Begriffe werden auch auf den folgenden Seiten gebraucht.

LEGENDA:
1) Hauptschalter
2) Kontrollleuche des Hauptschalters
3) Druckmesser mit doppelter Skala
4) Schalter für Tassenwärmer (optional)
5) Ausgabevorrichtung für Espresso-Kaffee
6) Filtereinheit mit Griff
7) Tastatur der Ausgabevorrichtung
8) Bedienfeld Heisswasserbruhen
9) HeiBwasserspritze
10) Hebel des Dampfentnahmeventils
(11) Ummantelung zum Schutz vor Verbrennungen
12) Dampfspritze
13)
14) Schale mit Tassenabstellrost
15) Elektronischer Füllstandsmesser
16) Obere Tassenabstellschale
17) Display mit Tastatur für die Programmierung
2.1 Allgemeiner Wasseranschlussplan


Modelle TOP 85 Modelle TOP 85 DTC
2.2 Legende zum Wasseranschlussplan:
1) Wasserenthärter
2) Auslassventil des Wasserenthärters
3) Einlassventil des Wasserenthärters
4) Wasserzufuhr
5)Pumpe und Elektromotor
6) Druckmesser (Druckskala für Pumpe)
7) Rückschlag- und Sicherheitsventil
8) Ventil fur Fullstandsautomatik
9) Filter
10) Magnetventil der Füllstandautomatik
11) Ventil fur Fullstandsautomatik
12) Handventil Wasserzulauf Kessel
13) Ruckschlagventil
14) Ventil zum Ablassen von Wasser aus dem Kessel
15) Ventilblock Volumenzahler
16) Volumenzahler Kaffee
16b) Volumenzahler Warmwasser (optional)
17) Wärmetauscherventil
18) Fuhler des Sicherheitsthermostats
19) Heizwiderstand
20) Wärmetauscher
21) Sicherheitsthermostat
22) Temperaturfuhler
23) Dampfentnahmeventil
24
25) Magnetventil Heisswasserentnahme
26) Manometer
27) Ventil zum Schutz vor Unterdruck
28) Fuhler fur maximalen Fuldstand
29) Fullstandsfuhler
30) Sicherheitsventil Kessel
(31) Elektronisches Steuergel
32) Elektronische Füllstandanzeige
33) Temperatureinstellung Abgabegruppe (nicht verfügbar für die Modelle TOP 85 Version DTC)
341 Aufauevowichtung
3. Installation

Die Installation muss durch zugelassenes technisches Fachpersonal der Firma LA SAN MARCO SPA ausgeführrt werden.
Die Kaffeemaschine wird dem Kunden in einer speziellen Verpackung gefelert. Die Verpackung enthalt: die Kaffeemaschine und ihr Zubehör, das Handbuch und die Konformitätserklärung. Prufen Sie nach dem Entfernen der Verpackung die Universehrheit der Kaffeemaschine und ihrer Komponenten. Benutzen Sie im Zweifelsfall das Gerät nicht und wenden Sie sich an La San Marco S.p.A.
Die Verpackung muss sorgfältig und vollständig für einen zukünftigen Transport des Gerätes aufbewahrt werden.
Die Maschine muss auf einer vollkommen ebenen, für ihr Gewicht ausreichend tragfähigen Unterlage aufgestellt werden. Rund um die Maschine muss genugend freier Raum verbleiben, um die beim Betrieb entstehende Wärme abführten zu konnen.
Zum Schutz vor Gefahren auf Grund des elektrischen Strom muss die Maschine fern von Spulen, Wannen, Aquarien, Wasserhahnen, Nassbereichen oder möglichen Wasserspritzern aufgestellt werden.
- Das Gerät muss, da es Wärme entwickelt, in einem ausreichend belufteten Raum aufgestellt werden, um die Wärmedissipation zu gewährleisten. Halten Sie das Gerät von direkten Wärmequellen fern.
- Prufen Sie, ob die Spannung des Stromanschlusses von der in den technischen Daten und auf dem Typenschild an der Maschine angegebenen abweicht. Sollte die Spannung abweichen, damit das Gerät nicht angeschlossen werden, da dies gefährlich sein kann und das Gerät beschädigt werden können.
- Wird die Spannung zu finden, anders zu sein, nicht die Maschine, da dies gefährlich werden konnte, nicht anschlieben und konnten das Gerät beschädigen.
3.1 Standardausstattung
Zur Espresso-Kaffeemaschine gehört eine Reihe von Zubehör (in der Verpackung der Maschine):
- Filtereinheit mit Filterfeststellring
- Filter für Filtrereinheit (einfache und doppelte Dosierungen)
- Blind-Filterhalterung für die Reinigung der Maschine
-AusgieBeR fur Filtereinheit (einfache und doppelte Dosierungen) - Kaffeestopfer für gemahlenen Kaffee
- Gummischlauch mit Ummantelung aus Stahlgeflecht für den Wasseranschluss (Wassernetz - Wasserenthärter)
Gummischlauch mit Stahlspirale fur Brauchwasserabfluss - Nippel 3/8" zum Anschluss an das Wassernetz
- Bürste zur Reinigung der Ausgabevorrichtungen
3.2 Vorbereitung des Wassernetzes
ZUFUHR
Führer Sie den Zufuhrschlauch des Wassernetzes (Mindestdurchmesser 3/8'' ) bis unter die Maschine und montieren Sie ein Absperventil (vorzugsweise ein Kugelventil 3/8'' ), das ein schneles Öffnen und Schlieben ermöglich. ABFLUSS
Das Gerät muss an die Wasserleitung durch eine geeignete Kupplung verbunden werden in Übereinstimmung mit nationalen Standards, wenn diese anwendbar sind.
Sehen Sie auf Fußbodenhöhe einen inspektionierbaren Schacht vor, der an das Abwassernetz angeschlossen ist und den Abflusssschlauch des Gerätes aufnehmen kann. Der Abflusssschlauch muss so angeordnet werden, dass der Abfluss ungehindert und ohne Möglichkeit einer Verstopfung während des Gerätebetriebs erfolgen kann.
3.3 Wasserenthärter (Optional)

Der Wasserenthärter zur Entkalkung des Leitungswassers kann je nach Kundenwunsch manuell oder automatisch betrieben werden.

Vor dem Anschluss des Wasserenthärters an die Kaffeemaschine wird empfohlen, die enthaltenen Harze nach den Angaben in der mit dem Gerat gelieferten Betriebsanleitung zu reinigen.
Hinweis:
Der Wasserenthärter ist für den einwandfrei Betrieb der Espresso-Kaffeemachine unerlässlich. Wirv vom Kunden keine Wasserentkalkung vorgesehen, sollte eine solche eingebaut werden, um die volle Leistungsfähigkeit und lange Lebensdauer der Bauteile der Espresso-Kaffeemachine zu gewährleisten.
3.4 Installation der Hydraulikanlage
EINGEBAUTE PUMPE (OPTIONAL)
- Verwenden Sie den Schlauch a (900 mm, dem Gerät beiliegend), um das Abspperrventil der Wassernetzes mit dem Einlassventil 1 des Wasserenthärters zu verbinden (Abbildung 3).
- Verbinden Sie den Schlauch b der Ansaugleitung der eingebauten Pumpe mit dem Ventil 2 des Wasserhärters (Abbildung 4).


EXTERNE PUMPE
- Verwenden Sie den Schlauch a (900 mm, dem Gerat beiliegend), um das Abspperrventil der Wassernetzes mit dem Einlassventil 1 des Wasserenthärters zu verbinden (Abbildung 5).
- Verbinden Sie den Schlauch c (600 mm, der externen Pumpe beiliegend) der Ansaugleitung der Pumper mit dem Ventil 2 des Wasserenthärters (Abbildung 6-7).
- Verbinden Sie den Schlauch d (der Hydraulikanlage der Kaffeemaschine) mit dem Pumpenvorlauf (Abbildung 7).



Abbildung 5 Abbildung 6 Abbildung 7
3.5 Abfluss
Schlieben den Abflussschlauch an die Kaffeesatzlade an und verbinden Sieihn mit dem Ablaufschrift der Abwasserleitung.
3.6 Elektrischer anschluss

Hinweise für den korrekten elektrischen Anschluss der Espresso-Kaffeemaschine:
-
Prufen Sie vor dem Anschluss des Gerätes an das Stromnetz, ob die Daten auf dem Typenschild mit denen der elektrischen Verteileranlage übereinstimmen.
-
Der Anschluss muss gemäß den im Installationsland geltenden Vorschriften ausgeführrt werden.
Die vom KundenVBorbereitete,elektrische Anlage muss den geltenden Vorschriften entsprechen.Der Stromanschluss muss uber eine funktionsfahige Erdung verfugen.Die Firma SAN MARCO SPA leht jeder Haftung ab, wenn die gesetzlichen Vorschriften nicht eingehalten wurden. Eine fehlerhafte Installation kann zu Personen- oder Sachschaenen fuhren, fur die der Hersteller nicht haftbar gemacht werden kann. -
Für den elektrischen Anschluss muss ein allpoliger Hauptschalter vor der Stromversorgungsanlage des Gerätes installiert werden, der entsprechend der elektrischen Daten auf dem Typenschild der Maschine (Leistung und Spannung) auszulegen ist. Der allpolige Schalter muss eine Kontaktweite von mindestens 3 mm für die Abschaltung der Stromzufahr aufweisen.
- Ist der Einsatz von Adaptern, Mehrfachsteckdosen und Verlängerungskabeln notwendig, dürfen ausschließlich Produkte verwendet werden, die den geltenden Sicherheitsvorschriften entsprechen.
Um eine Überhitzung des Stromkabels zu vermeiden, wird empfohlen, es in seiner ganzen Länge auszulegen.
Schlieben Sie das Stromversorgungskabel der Kaffeemaschine gemäß dem beiliegenden Schaltplan an das Stromnetz an:
| NUR FÜR MODELLE TOP 85 SPRINT | 230V EINPHASIG BLAU SCHWARZ GRAU BRAUN GE / GR | 2 WIDERSTÄNE SCHWARZ GRAU BRAUN GE / GR |
| 400V-3N DREIPHASIG BLAU SCHWARZ GRAU BRAUN GE / GR | 3 WIDERSTÄNE SCHWARZ GRAU BRAUN GE / GR | |
| 230V-3 DREIPHASIG L3 BLAU SCHWARZ GRAU BRAUN GE / GR | 3 WIDERSTÄNE SCHWARZ GRAU BRAUN GE / GR | |
| ÜBRIGE MODELLE HINWEISE * Die Stromaufnahme der Heizwiderstände kann auf 2/3 reduziert werden, wenn einer der beiden SCHWARZEN Drähte entfern't wird. | 230V EINPHASIG* 400V-3N DREIPHASIG BLAU SCHWARZ GRAU BRAUN GE / GR | 3 WIDERSTÄNE BLAU SCHWARZ GRAU BRAUN GE / GR |
| 230V-3 DREIPHASIG L3 BLAU SCHWARZ GRAU BRAUN GE / GR | 3 WIDERSTÄNE BLAU SCHWARZ GRAU BRAUN GE / GR |
3.7 Aequipotentialklemmeanschluss

Die Espressomaschine ist mit einer Gleichpotentialklemme ausgeruestet, die unterhalb der Schale sowie der unteren Tassenablage eingebaut ist. Die Klemme wird durch das Gleichpotentialsymbol auf der Nebenseite identifiziert. Schlieben nur die Kabel mit Durchmesser von 2,5mm bis 6mm und mit anschlussoesen Kabelschuhen fuer die Schraube M8 an.

Die Gleichpotentialklemmeanschluss muss nur durch das berechtigte LA SAN MARCO Fachpersonal durchgefuhrt werden.

Um die Klemmeanschluss durchzufuhren, ruecken die andere Schale weg. Auf der Rahmen-Linkeseite gibt es die mit dem bezeichneten Gleichpotentialsymbol Schraubklemme, um das Kabel von 2,5 mm bis 6 mm mit anschlussoesen Kabelschuhen fuer die Schraube M8 zu verbinden.
4. Inbetriebnahme

Die Inbetriebnahme der Kaffeemaschine muss durch befugtes technisches Fachpersonal der Firma LA SAN MARCO SPA ausgeführrt werden.
- Nach Herstellung des Strom- und Wasseranschlusses wird empfohlen, die Espresso-Kaffeemaschine unter genauer Einhaltung der folgenden Vorgehensweise in Betrieb zu setzen, um das Gerät nicht zu beschädigen.
4.1 Einfüllen von Wasser in den Kessel
1) Prüfen Sie, ob sich der Hauptschalter des Gerätes in der Position 0 (Null) befindet.
2) Entfernen Sie die Schale mit dem Tassenabstellrost und prufen Sie:
a) Das Ablassventil des Kessels a muss geschlossen sein (Abbildung 8).
b) Die Ventile der Füllstandsautomatik b-c müssen offen sein (Abbildung 8).
c) Die Ventile der Volumenzahler e-d müssen offen sein (Abbildung 10).

Abbildung 8 Abbildubg 9 Abbildungd0

3) Offnen Sie das Abspperrventil des Wassernetzes.
4) Senken Sie den Hebel eines Dampfventils, damit die Luft beim Füllen des Kessels entweichen kann.
5) Bringen Sie die Schale und den Tassenabstellrost wieder an.
6) Drehen Sie den Kugelgriff des Hauptschalters in die Position 1, so dass das automatische Füllen des Kessels mit Wasser beginnnt. Wenn das Wasser den Fülstandsfühler erreicht, und es leuchtet die blaue LED "OK" des elektronischen Fülstandsmessers auf.
Anmerkung:
wenn der Heizkessel mit Wasser gefüllt wird, kann die geforderte Zeit von 200 Sekunden übersritten werden, danach spricht der Alarm Füllstandsautomatik an (siehe Kapitel Alarmsichtanzeige). Sollte das der Fall sein, den Hauptschalter auf die Stellung 0 (null) drehen und dann wieder auf 1 stellen, um erneut die automatische Kesselfüllung vorzunehmen (wie unter Punkt 6 beschrieben).
Um das Auslösen des vorgenommen Alarms der Füllstandsautomatik.zu vermeiden, genugt es, die automatische Heizkessel-Befüllung mit der manuellen Befülltaste f zu beschleunigen (Abbildung 8).

Der Hauptschalter kann in zwei Positionen gedreht werden (1 und 2). In Position 1 werden die elektronische Füllstandsautomatik zum Füssen des Kessels gestartet und die Heizwiderstände abgeschickt. In Position 2 werden die Heizwiderstände zur Erwärung des Wassers eingeschaltet. Schalten Sie die Kaffeemaschine nie mit dem Hauptschalter in Position 2 ein (die elektrischen Widerstände müssen zum Betrieb stets im Wasser eingetaucht sein).
5. Einstellungen

Eventuelle Einstellungen der Kaffeemaschine müssen durch zugelassenes Fachpersonal der Firma LA SAN MARCO ausgeführrt werden.
5.1 Einstellung des Wasserfüllstandsfühlers im Kessel
Der Füllstandsfühler ist üblicherweise bei allen Modellen der Serie TOP 85 auf eine Standardposition eingestellt. Kundenwunsch kann die Wassermenge im Kessel jedoch erhöht bzw. verringert werden, indem der Fühler, wie in der Abbildung gezeigt, eingestellt wird.

5.2 Eichung Ausgabedruck Pumpe
a) Wenn der Kessel gefüllt ist, Hauptschalter auf Position 2 stellen (die Widerstände beginnen das Wasser aufzuheizen).
b) Die Taste für kontinuierliche Ausgabe bei Maschinen mit manueller Dosierung oder die Taste bei elektronischen Maschinen mit automatischer Dosierung betätigen, sodaß das Wasser aus der der betätigten Taste zugeordneten Gruppe austritt.
c) Auf der unteren Skala des Manometers den Wert des Wasserdruckes ablesen. Der optimale Eichdruck beträgt 9 bar.
Die Einstellung des Druckes auf den gewünschten Wert erzielt man durch Einwirken auf die Schraube der Pumpe, wobei durch Einschrauben der Druck

erhöht und durch Ausschrauben der Druck vermindert wird. Wie in der folgenden Abbildung angegeben, bestehen je nach Modell der Pumpe, mit der die Maschine ausgestattet ist, drei verschiedene Arten der Einstellung dieser Schrauben:
- es wird nur die Schraube eingestellt
- die Schraube wird eingestellt und mit der Mutter blockiert
- die zum Schutz vorgesehene Blindmutter abschrauben und die Schraube einstellen.
5.3 Einstellung des Dampfdrucks im Kessel
Der Dampfdruck im Kessel kann auf der oberen Gradskala des Druckmessers B abgelesen werden (Abbildung 13). Dieunte Gradskala des Druckmessers zeigt dagegen den Betriebsdruck der Pumpe an. Um den Druck des gesattigten Wasser-Dampf-Gemischs im Inneren des Kessels zu ändern, muss die Temperatur, wie in Kapitel Programmierung erklart, geändert werden.

Abbildung 13
5.4 Aeinstellung der Temperatur der Ausgabevorrichtungen
Bei den Modellen TOP 85 (außer den Modellen TOP 85 DTC) kann die Temperatur für die Ausgabe des Espresso-Kaffees unter Beibehaltung des Drucks im Kessel eingestellt werden. Oben an der Ausgabevorrichtung befindet sich ein Ventil (Flussmengenwandler), der den von den WärmetauschernCOMM Wasserfluss regelt. Im Kopf der Abgabegruppe befindet sich ein Ventil (Durchflussregler), der den Zufluss von heiBem Wasser aus den Wärmetauschern regelt. Auf theseves Ventil kann von oben zugegriffen werden, indem die obere Abdeckung der Gruppen durch Entfernen der 2 Schrauben entftern wird (Abbildung 14), Über jeder Gruppe sind vier nummerierte Kerben (2-3-4-5) in Hohe der einzelnen Abgabegruppen angebracht (Abbildung 15). Das Ventil befindet sich normalerweise bei Nummer 3 (Standardeinstellung durch die Firma LA SAN MARCO SPA). Wenn die Ausgabetemperatur geändert werden soll, muss das Ventil (Flussmengenwandler) der Ausgabevorrichtung betägt werden. Drehen Sie, um die Temperatur zu erhöhen, das Ventil in Richtung
der hohenen Werte, bzw. entgegengesetzt, um die Temperatur zu verringern.

5.5 Ergänzende Hinweise zu den Modellen TOP 85 DTC (Dual Temperature Control)
Das Kühlsystem der Modelle 100 DTC TOUCH hat die Aufgabe, die Stabilität der Temperatur des zur Ausgabe des Espresso-Kaffees verwendeten Wasser zu gewährleisten. Dieses System verwendet eine besondere Ausgabevorbriortung, bei der das vom WassernetzCOMMende Kaltwasser durch eine Leitung innerhalb einer Ausgleichskammer flieBt. Das vom Wärmetauscher des KesselsCOMMende HeiBwasser durchquert die Ausgabevorbriortung und umspuft bzw die Kuhlleitung, wodurch es an Wärme verliert.

6. hinweise zum Betrieb

Während der Ausgabe von Espresso-Kaffee, Tee oder Dampf kann ein versehentlicher Hautkontakt mit den ausgegebenen Substanzen zu Verbrennungen führen.
Jede Abgabegruppe besitzt eine Tastengruppe mit founc Taten (vier fur die programmierten Dosierungen und eine fur manuelle Dosierungen. Wahrend der Abgabe wird darüber hinaus auf dem Display ein Balkendiagram angezeigt, das die Kaffeemenge (Füllung) simuliert, die Abgabedauer in Sekunden wird ebenfalls auf dem
Display angezeigt.
Hinweis:
Prufen Sie, ob die Ausgabe in der Tasse wie gewünscht erfolgt ist. Sollte dies nicht korrekt erfolgt sein, siehe im Kapitel "PROBLEME UND LÖSUNGEN".
6.1 Ausgabe von Espresso-Kaffee
1) Entfernen Sie die Filtrereinheit von der Ausgabevorrichtung abnehmer und fullen Sie sie mit einer Dosis (Filtrereinheit mit einem Ausgieber) oder zwei Dosen gemahlenem Kaffee (Filtrereinheit mit zwei Ausgiebern). Pressen Sie den gemahlenen Kaffee mit dem Kaffeestopfer leicht ein und hängen Sie die Filtrereinheit wieder in die Ausgabevorrichtung ein.
2) Stellen Sie eine oder zwei Tassen unter den Ausgießer. Die Abgabe ist immer aktiviert und hängt nicht von der Kesseltemperatur oder dem Wasserstand im Kessel ab, außer bei Höchststand im Kessel (in diesen Fall ist keine Abgabe möglich). Nach Anbringen des Filterhalters an der Gruppe, einen der fünf Tasten der betreffenden Gruppe drücken:
| Einzeldosierung kurz programmiert | |
| Einzeldosierung lang programmiert | |
| Doppeldosierung kurz programmiert | |
| Einzeldosierung lang programmiert | |
| Dauerabgabe manuell |

Abgabe programmierte Dosierung
Die LED neben der Taste der gewährten Dosierung blinkt für die gesamte Dauer der Kaffeeabgabe, die andere Tasten leuchten dauerhaft. Nach Ende der Abgabe keht die gewährte Taste zum Dauerleuchten darüber. Soll die programmierte Abgabe vor der vorgesehenen Menge abgebrochen werden, die Taste erneut drücken.
Kaffeeausgabe im Modus START-STOP
Durch Drücken eine der Dauerabgabe-Tasten blinkt die entsprechende LED der gewählten Taste für die gesamte Dauer der Kaffeeabgabe, die anderen Tasten leuchten während der Abgabe dauerhaft.
Um die Dauerabgabe abzubrechen, durch Drucken der Taste STOP die Abgabe stoppen.
Die Dauerabgabe wird automatisch abgebrochen (ohne Drücken von Stopp), wenn die maximale Produktmenge von zirka 0,5 Litern erreicht wurde.
Anmerkung:
Die Dosierung ermitteligt die gleichzeitige Kaffeeabgabe aller Gruppen, die fur die Dosierung vorgehen sind.
Jede Gruppe hat einen Druckkopf-Abgabe mit fuf Tasten (vier fur die programmierten Dosen und eine fur manuelle Dosen. Ausgestellt ist auch ein Balkendiagramm, das (simuliert Füllung) die Menge an Kaffee, wenn Sie Kaffee
6.2 Dampfentnahme
Ein zum Aufschäumen von Milch oder zum Erwärmen anderer Flüssigkeiten verwendbarer Dampfstrahl tritt aus der Dampfspritze aus, wenn wie folgt vorgegangen wird: durch Heben oder Senken des Hebels wird der maximale Durchfluss erzielt (der Hebel arretiert in der maximalen Position. Zum Unterbrenchen des Dampfstrahs muss der Hebel wieder in die Ausgangsstellung gebracht werden). Bei seitlichem Verschieben des Hebels wird ein reduzierter Dampfluss bewirkt (der Hebel arretiert nicht und keht beim Loslassen in die ursprüngliche Position zurück).

Der Einsatz der Dampfspritze erfordert Vorsicht. Ein direkter Hautkontakt mit der Dampfspritze oder dem Wasserdampfstrahl kann Verbrennungen verursachen. Fassen Sie die Ummantelung zum Schutz vor Verbrennungen an, um die Position der Dampfspritze zuändern. Richten Sie den Wasserdampfstrahl nicht auf Personen bzw. Gegenstände, die nicht mit dem in der vorliegenden Bedienungsanleitung vorgesehenen Gebrauch zu tun haben.
Hinweis:
Entleeren Sie vor Benutzung der Dampfspritze eventuelles Kondenswasser, das sich in ihrem Inneren gebildet hat, in die Schale. Reinigen Sie die Dampfspritze nach dem Gebrauch sorgfältig mit einem feuchten Tuch und entleeren Sie etwaige Rückstände in die Schale.
6.3 Entnahme von heissem Wasser
Drücken Sie die Taste 8, um heisses Wasser aus dem Boiler zur Zubereitung von Tee, Kamillentee etc. zu entnahmen.
Das Bedienfeld hat 3 Tasten (zwei Tasten für programmiertes Brühen und eine Taste für manuelles Brühen). Auf dem Display wird während des Bruhvorgangs ein Lichtbalken angezeigt, der die Menge des heissen Wasser (das eingefüllt wird) simuliert, die Dauer des Bruhvorgangs wird immer in Sekunden auf dem Display angezeigt.
Stellen Sie eine Tasse unter den Auslauf und drücken Sie eine der oben genannten Tasten.
| Programmiertes Brühen kurz | |
| Programmiertes Brühen lang | |
| Manuelles Brühen |
PROGRAMMERTES BRUHEN
Wenn Sie eine der beiden Tasten drücken, blinking die LED des gewährten Programms während des gesamten Brühvorgangs, die anderen Tasten leuchten dauerhaft. Am Ende des Brühvorgangs leuchtet auch die Taste des gewährten Programms wieder dauerhaft.
Durch erneutes Drücken der Taste des gewählten Programms können Sie diese beenden, bevor die vorgesehene Wassermenge erreicht wird.
BRUHEN IM START-STOP MODUS
Wenn Sie die Taste für Dauerbrühen drücken, blinking die zugehörige LED während dem gesamten Brühvorgang, die anderen Tasten leucht den dauerhaft.
Sie konnen den Dauerbrühbetrieb beenden, indem Sie die Taste davon erneut drucken.
Der Dauerbruhbetrieb stoppt nach 40 Sekunden automatisch (wenn er nicht vorher schon beendet wurde).
6.4 Automatisches Reinigungssystem
Das automatische Reinigungssystem erhögt die Reinigung von den Kaffeeauslaufgruppen. Setzten Sie den Filterhalter mit Blindfilter in die Brühgruppe ein. Um den Waschzyklus zu starten, drücken Sie die Dauerlauftaste und gleichzeitig bis 2 Sekunden auch die Einzeldosistaste. Die zwei Tasten blinken und der Zyklus startet automatisch. Am Ende des Waschgangs Funktioniert die Brühgruppe wieder wie üblich. Wiederholen Sie den Zyklus auf allen anderen Gruppen in der gleichen Weise.
6.5 Tassenwärmer (Optional)
Der Tassenwärmer dient zur Verständung der Erhütung der oberen Tassenabstellfläche (durch Verwendung eines Heizwiderstands). Verwenden Sie den entsprechenden Schalter, um den Tassenwärmer ein- oder auszuschalten. Der Heizwiderstand verfügt über ein Betriebsthermostat, das die Temperatur der Tassenabstellfläche steuert.
7. Verwendung Bildschirmtastatur

MENU: um auf Programmierung/Ablesen/Anderung zuzugreifen
ESC: um die Seiten Programmierung/Ablesen/Änderung zu verlassen
NEXT: um von einem Bildschirm auf den{nachsten zu wechseln
OK: um die Auswahl oder Änderung zu bestätigten
Ausbwaltasten
- / + : Tasten zum Erhöhen oder Vermindern eines programmierbaren Werts oder zur Aktivierung und Deaktivierung einer Funktion
| Bildschirm 1 Anfangsbildschirm. Sym | Nach dem Einschalten der Maschine für 10 Sekunden sightbar. |
| Bildschirm 2 120°C - HH:MM LA SAN MARCO | Bildschirm Maschine betriebsbereit. Dies ist die Anzeige, die normalerweise auf dem Display sightbar ist, wenn keine Abgaben erfolgen und man sich nicht im Menu zur Programmierung befindet. Auf dem Display werden Kesseltemperatur, Uhrzeit und, je nach Auswahl auf Bildschirm 19 ein Schriftzug, beispielsweise ein Name oder Tag und Datum angezeigt. Wenn die Heizwiderstände des Kessels sich aufheizen, erscheint das Bild - Auf diesen Bildschirm kann immer jeder Dosierungsoperation durch-geführt werden. |
| Bildschirm 3 (Benutzer) Bildschirm 3-2 (Techniker) G1 000 G2 000 | Bildschirm Maschine während Ausgabe. Drückt man eine Dosierungstaste erscheidt auf dem Bildschirm das Symbol der gewährten Tasse. Drückt man während der Abgabe die Taste▶gelangt man zur Anzeige mit Angabe von Gruppe, Fülllbalken und Sekunden der Abga-bedauer. Drückt man während der Abgabe die Taste▶gelangt man zur Anzeige, bei der nur die Tassen dargestellt werden. Am Ende der Abgabe bleibt die letzte gewährte Anzeige eingestellt. War die Abgabezeigt gegenüber der Programmierung zu kurz oder zu lang, wird nach Abgabeende Bildschirm 42 mit der Anzeige Prü-fung Mahlen/Dosierung angezeigt. Nach einem Sekunden kehrt die Maschine zu Bildschirm 2 Maschine bereit darüber. |
8. Programmierung
8.1 Menüzugriff
Bildschirm 4 Bildschirm Mehüzugriff Programmierung/Zähler/Kundendienst.

Man wechselt zu diesen Bildschirm, indem die Taste MENU für mindestens 5 Sekunden gedrückt wird.
Wenn der Bildschirm erscheint, blinkt das Symbol für das Ablesen der Zähler (das in der Mitte)
Mit den Tasten ; kann eines der drei Symbole ausgewählt werden:

Programmierung Benutzerebene.
Auslesen Zähler.
Programmierung Kundendienstebene. Um auf die Benutzerprogrammierung zuzugreifen, die Taste OK drücken.
Um auf das Auslesen Zähler zuzugreifen, die Taste OK drucken.
Um auf die Kundendienstprogrammierun zuzugreifen, die vorgesehene Tastenkombination (OK und+) für mindestens 5 Sekunden drücken.
Wurde nach 30 Sekunden kein SYMBOL gewählt, kehr die Maschine automatisch zum Bildschirm Maschine bereit (Bildschirm 2) zurück. Druckt man die Taste ESC kehr man zum Bildschirm Maschine bereit (Bildschirm 2) zurück.
8.2 Programmierung Dosierung
Bildschirm 5 Bildschirm Prbgrammierung Dosierung.
DOSIS WAHLEN ANGEPASST WERDEN
Wird dieser Bildschirm angezeigt, kann man die Programmierung der Dosierung fur jeder einzine Taste jeder einzelnen Gruppe ausführren. Wählt man eine der Tasten, kommt man zum Bildschirm 6 und die gewährte Taste beginnt zu blinken. Auf NEXT drücken, um zu Bildschirm 7 zu gelangen. Werde nach 30 Sekunden keine Taste ausgewählt, kehr man automatisch zum Bildschirm Maschine bereit (Bildschirm 2) zurück. Druckt man die Taste ESC kehr man zum Bildschirm Maschine bereit (Bildschirm 2) zurück.
Bildschirm 6 Bildschirm Programmierung Dosis ausgewählte Taste.

Die gewähltte Taste beginnt zu blinken und es erscheint der Bildschirm mit Angabe der Gruppe, zu der die Taste gehört, der Tasse mit Angabe der Kaffeedosierung (einzeln oder doppelt, kurz oder lang) und der eingestillten Dosierung in ml (cc).
Über diesen Bildschirm kann die Dosierung durch einfaches Erhöhen oder Vermindern über die Tasten + und - erfolgen.
Oder die Dosierung kann durch Selfbsternen programmiert werden. In diesen Fall die gewählte blinkende Taste drücken, es erfolgt eine normale Abgabe. Wir die Taste erneut gedrückt, wird die Dosierung in ml auf dem Display angezeigt, der programmierte Wert blinkt weiterhin. Auf OK drucken, um den Wert zu speichern und zu Bildschirm 5 zurückzukehren.
Nach der Änderung leuchtet die programmierte Taste nicht mehr, damit man weiß, welche Dosierungen bei diesen Zugriff auf die Programmierzeiten bereits geändert wurden.
Wurde nach 30 Sekunden keine Taste ausgewählt, kehrt man automatisch zum Bildschirm Auswahl Dosierung (Bildschirm 5) zurück, ohne die Änderung zu speichern.
Drückt man die Taste ESC kehrt man zum Bildschirm Auswahl Dosingierung (Bildschirm 5) zurück, ohne die Änderung zu speichern.
Schemata 7

Bildschirm Programmierung Dosierung für andere Gruppen kOPEREN.
Mit den Tasten ; kann eine der Gruppen der Maschine G2, (G3 und G4, falls vorhanden) ausgewählt werden.
Durch Drücken auf OK werden alle an Gruppe 1 programmierten Dosierungen auch für die gewährte Gruppe übernommen.
Das Kopieren ist auch möglich durch Drücken der Taste Dauerabgabe an der Gruppe, für die die Dosierungen der Gruppe 1 übernommen werden sollen.
Drückt man die Taste OK oder die Taste Dauerabgabe der zu programmierenden Gruppe, werden die Werte kopiert und man keht zum Bildschirm 4 darüber.
Natuürlich ist es immer möglich, in einem nachfolgenden Schritt die einzelnen Dosierungen der verschiedenen Gruppen mit dem Verfahren der vorherigen Bildschirme durchzuführen.
Auf NEXT drucken, um zum nachsten Bildschirm zu gelangen.
Wurde nach 30 Sekunden die Taste OK nicht gedrückt, kehrt man automatisch zum Bildschirm Maschine bereit (Bildschirm 2) zurück. Druckt man die Taste ESC kehrt man zum Bildschirm Maschine bereit (Bildschirm 2) zurück.
8.3 Programmierung Kesseltemperatur
Bildschirm 8 Bildschirm Programmierung Kesseltemperatur.

Mit diesen Bildschirm kann die Temperatur des Kessels eingestellt und die Ablesung auf ^ C oder ^ gestellt werden.
Durch Drücken von stellt man die Temperatur auf ^ C
Durch Drucken von stellt man die Temperatur auf ^ F
Durch Drücken von + erhöht man den Temperaturwert in 1er Schritten (°C oder °F).
Durch Drücken von - vermindert man den Temperaturwert in 1er Schritten (°C oder °F).
Der einstellbare Wert geht von mindestens 80^ (176°F) bis hochstens 128^ (262°F).
Werkseinstellung: 120^ (248^) . Ok drücken, um die Änderung zu bestätigen. Auf NEXT drücken, um zum nachsten Bildschirm zu gelangen. Werde nach 30 Sekunden die Taste NEXT nicht gedrückt, kehr man automatisch zum Bildschirm Maschine bereit (Bildschirm 2) zurück. Druckt man die Taste ESC kehr man zum Bildschirm Maschine bereit (Bildschirm 2) zurück.
8.4 Programmierung Datum/Uhrzeit
Bildschirm 9 Bildschirm Programmierung Datum/Uhrzeit.
UHRZEIT - DATUM 15:04 FRE 05.04.13
Mit diesen Bildschirm konnen Datum und Uhrzeit eingestellt werden.
Beim Zugriff auf diesen Bildschirm blinkt die Stunde, durch Drücken der Tasten / verändert man die Auswahl. Nachdem einzustellende Wert ausgewählt wurde (von links nach rechts Stunde, Minutes, Wochentag, Tag, Monat und Jahr) wird der Wert durch Drucken von + / - geändert.
Ok drucken, um die Änderung zu bestätigen. Auf NEXT drucken, um zum nachsten Bildschirm zu gelangen. Werde nach 30 Sekunden die Taste NEXT nicht gedrückt, kehr man automatisch zum Bildschirm Maschine bereit (Bildschirm 2) zurück. Druckt man die Taste ESC kehr man zum Bildschirm Maschine bereit (Bildschirm 2) zurück.
8.5 Programmierung automatische Ein-/Ausschaltung
Bildschirm 10a

Bildschirm 10b

Bildschirm Programmierung automatische Einschaltung AUTO ON. Auf diesen Bildschirm kann die tägliche automatische Einschaltung der Maschine eingestellt und aktiviert/deaktiviert werden. Durch Drücken der Tasten / wird die Auswahl verändert. Wird das Symbol UHR gewählt, wird die Funktion AUTO ON mit + / - aktiviert oder deaktiviert, bei Deaktivierung (DURCHGESTRICHE-NES UHRSYMBOL) erscheintstatt Stunden und Minuten -- --, bei Aktivierung kann mit den Tasten / zwischen Stunden und Minuten gewechselt werden, um mit den Tasten + / - die gewünschte Uhrzeit für das Einschalten auszuwahlen.
HINWEIS: Werde die Einschaltung deaktiviert, werden automatisch auch Ausschaltung und Ruhetag deaktiviert.
Ok drucken, um die Änderung zu bestätigten. Auf NEXT drucken, um zum nachsten Bildschirm zu gelangen. Werde nach 30 Sekunden die Taste NEXT nicht gedrückt, kehr man automatisch zum Bildschirm Maschine bereit (Bildschirm 2) zurück. Druckt man die Taste ESC kehr man zum Bildschirm Maschine bereit (Bildschirm 2) zurück.
Bildschirm 11a

Bildschirm 11b

Bildschirm Programmierung automatische Ausschaltung AUTO OFF.
Auf thisem Bildschirm kann die tägliche automatische Ausschaltung der Maschine eingestellt und aktiviert/deaktiviert werden. Durch Drücken der Taten / wird die Auswahr verändert. Wird das Symbol UHR gewählt, wird die Funktion AUTO ON mit + / - aktiviert oder deaktiviert, bei Deaktivierung (DURCHGESTRICHE-NES UHRSYMBOL) erscheintstatt Stunden und Minuten -- --, bei Aktivierung kann mit den Taten / zwischen Stunden und Minuten gewechselt werden, um mit den Taten + / - die gewünschte Uhrzeit für das Ausschalten auszuwahlen.
HINWEIS: Werde die Einschaltung deaktiviert, werden automatisch auch Ausschaltung und Ruhetag deaktiviert.
Ok drucken, um die Änderung zu bestätigen. Auf NEXT drucken, um zum nachsten Bildschirm zu gelangen. Werde nach 30 Sekunden die Taste NEXT nicht gedrückt, kehr man automatisch zum Bildschirm Maschine bereit (Bildschirm 2) zurück. Druckt man die Taste ESC kehr man zum Bildschirm Maschine bereit (Bildschirm 2) zurück.
8.6 Programmierung Ruhetag
Bildschirm 12 Bildschirm Programmierung Ruhetag.
RUEHTAGSON
Auf diesen Bildschirm kann der wöchentliche Ruhetag, an dem die Maschine nicht eingeschaltet wird, eingestellt und aktiviert/deaktiert werden.
Durch Drucken der Tasten + / - wird der Ruhetag in der Abfolge MO, DI, MI, DO, FR, SA, SO, OFF eingestellt.
Wird OFF eingestellt, ist die Funktion nicht aktiviert.
Ok drücken, um die Änderung zu bestätigten.
Auf NEXT drücken, um zum{nachsten Bildschirm zu gelangen.
HINWEIS: Ist die Maschine am Ruhetag ausgeschelt, kann sie jederzeit durch Drucken der Taste OK für 5 Sekunden eingeschaltet werden. Die Taste OK erneut drucken, um sie wieder auszuschalten.
Wurde nach 30 Sekunden die Taste NEXT nicht gedrückt, kehrt man automatisch zum Bildschirm Maschine bereit (Bildschirm 2) zurück.
Drückt man die Taste ESC kehrt man zum Bildschirm Maschine bereit (Bildschirm 2) zurück.
8.7 Programmierung Beleuchtung Tassenebene LED RGB
Bildschirm 13 a

LED OFF
Bildschirm 13 b

LED WEISS
Bildschirm Programmierung Beleuchtung Tassenebene LED RGB. Auf diesen Bildschirm kann die Färebung der Beleuchtung LED RGB für die Tassenebene eingestellt und aktiviert/deaktiviert werden.
Nach Auswahl des Symbols LAMPE kann die Funktion Beleuchtung Tassenebene mit + / - aktiviert oder deaktiviert werden, bei Deaktivierung (DURCHGESTRICHENES LAMPENSYMBOL) erscheintstatt der Farbe OFF, bei Aktivierung kann mit den Tasten auf die einzustellende Farbe gegangen werden, und mit den Tasten + / - die gewünschte Farbe der LED aus weiß, blau, rot und grün ausgewählt werden.
Werkseinstellung: WEISS
Ok drücken, um die Änderung zu bestätigten.
NEXT drücken, um zum nachsten Bildschirm (Nr. 5) überzugehen und die Abfolge der Bildschirme Benutzerprogrammierung wieder aufzunehmen.
Wurde nach 30 Sekunden die Taste NEXT nicht gedrückt, kehrt man automatisch zum Bildschirm Maschine bereit (Bildschirm 2) zurück. Druckt man die Taste ESC kehrt man zum Bildschirm Maschine bereit (Bildschirm 2) zurück.
9. Auslesen Zähler
9.1 Ablesen Zähler Gesamtliter
Bildschirm 14 a
GESAMTLITER
100000
Bildschirm 14 b
TELWEISE LITER
100000
Bildschirm 14 c
ANDERN FILTER
INNERT 500 LITER
Bildschirm Ablesen Zähler Gesamtliter.
Der erstige Bildschirm der Zähler gezigt die Gesamtmenge in Litern an, die von der Maschine aufgenommen wurden. Diese Bildschirme werden nicht angezeigt, wenn der Wasserzahler in Bildschirm 43 nicht aktiviert wurde.
Durch Drücken der Tasten / wird zwischen der Anzeige der drei Bildschirme gewechselt.
Nur bei der Anzeige von Bildschirm 14b kann für mindestens 5 Sekunden die Taste OK gedrückt werden, um den Teilzahler wieder auf null zu stellen.
Auf NEXT drucken, um zum nachsten Bildschirm zu gelangen.
Wurde nach 30 Sekunden keine Taste ausgewählt, kehr man automatisch zum Bildschirm Maschine bereit (Bildschirm 2) zurück.
Drückt man die Taste ESC kehrt man zum Bildschirm Maschine bereit (Bildschirm 2) zurück.
9.2 Ablesen Zähler Gesamtkaffees
Bildschirm 15 a
GESAMT KAFFEE
100000
Bildschirm 15 b
TELWEISE KAFFEE
100000
Bildschirm Ablesen Zähler Gesamtkaffees.
Der zweite Bildschirm der Zähler zeigt die Gesamtanzahl der von der Maschine gemachten Kaffees an.
Durch Drücken der Tasten / wird zwischen der Anzeige der drei Bildschirme gewechset, die die Gesamt- und Teilanzahl der Kaffees der Maschine und jeder einzelnen Gruppe anzeigen.
Nur wenn eine der Bildschirme der Teilzahler für die Kaffees der einzelnen Gruppen angezeigt wird, kann durch Drücken der Taste OK für mindestens 5 Sekunden der Teilzahler für jeder einzelnige Gruppe wieder auf null gestellt werden.
Auf NEXT drucken, um zum nachsten Bildschirm zu gelangen.
Wurde nach 30 Sekunden keine Taste ausgewählt, kehrt man automatisch zum Bildschirm Maschine bereit (Bildschirm 2) zurück.
Drückt man die Taste ESC kehrt man zum Bildschirm Maschine bereit (Bildschirm 2) zurück.
9.3 Ablesen Zähler Kaffee Einzeldosierungen und Gesamtdosierungen
Bildschirm 16 a
KAFFEE-EINZELDOSEN
DOSEN
Bildschirm 16 b


GES 100000
TEL 100000
Bildschirm Zähler Kaffee Einzeldosierungen und Gesamtdosierungen.
Auf dem dritten Bildschirm der Zähler kann die Anzahl der Gesamt- und Teildosierungen für jeder Dosierung bezüglich einer beliebigen Gruppe angezeigt werden.
Der Anfangsbildschirm zeigt die Gesamt- und Teilanzahl der kurzen Einzeldosierungen der ersten Gruppe an.
Mit den Tasten / kann die Abfolge der verschiedene Dosierungen angezeigt werden, oder es kann durch Drücken der entsprechenden Taste direkt der Zustand einer beliebigen Dosierung angezeigt werden.
Bei der Anzeige von einem der Bildschirme 16b kann für mindestens 5 Sekunden die Taste OK gedrückt werden, um den Teilzahler wieder auf null zu stellen.
Auf NEXT drucken, um zum nachsten Bildschirm zu gelangen.
Wurde nach 30 Sekunden keine Taste ausgewählt, kehr man automatisch zum Bildschirm Maschine bereit (Bildschirm 2) zurück.
Drückt man die Taste ESC kehrt man zum Bildschirm Maschine bereit (Bildschirm 2) zurück.
10. Programmierung Kundendienstebene
10.1 Bildschirm Softwareanzeigee
Bildschirm 17 Bildschirm Programmierung Kundendienstebene Versionsanzeige.

Auf der ersten Bildschirm zur Programmierung auf Kundendienstebe- ne befindet sich die Versionsanzeige des Programms.
Durch Auswahl des linken Symbols über die Tasten / kann gewählt werden, welche Maschine der drei möglichen 2G, 3G oder 4G verwendet wird. Zum Bestätigten OK drucken.
Durch Auswahl des rechten Symbols über die Tastes / und Drücken der Taste OK kann auf den Bildschirm 44 zugegriffen werden, von der aus der Maschine für jeder Gruppe mitgeteilt werden kann, wenn kein Aufgießer vorhanden ist.
Auf NEXT drucken, um zum nachsten Bildschirm zu gelangen.
Wurde nach 30 Sekunden keine Taste ausgewählt, kehr man automatisch zum Bildschirm Maschine bereit (Bildschirm 2) zurück.
Drückt man die Taste ESC kehrt man zum Bildschirm Maschine bereit (Bildschirm 2) zurück.
10.2 AufgieBeR
Bildschirm 44 Bildschirm Programmierung Kundendienstebene AufgieBeR.

Über diesen Bildschirm für die Programmierung auf Kundendienstebene kann der Maschine mitgeteilt werden, dass an einer oder mehreren Gruppen kein AufgieBe angerbrachte wurde.
Die Gruppe mit den Tasten / auswahlen - dann kommt man zu einem blinkenden NEIN und mit der Taste + zu einem blinkenden JA. Durch Drücken der Taste OK wird die Änderung bestätigt und der Wert gespeichert.
Werkseinstellung:JA
Wurde nach 30 Sekunden keine Taste ausgewählt, kehrt man automatisch zum Bildschirm Maschine bereit (Bildschirm 17) zurück.
Drückt man die Taste ESC kehrt man zum Bildschirm Maschine bereit (Bildschirm 17) zurück.
10.3 Bildschirm Sprachauswahl
Bildschirm 18 Bildschirm Programmierung Kundendienstebene Sprache.

Auf thisem Bildschirm zur Programmierung auf Kundendienstebene kann die eingestellte Sprache ausgewählt werden.
Mit den Tasten / die Sprache auswahlen und durch Drucken von OK bestätigten.
Die eingestellte Sprache wird unterstrichen, die zu ändernde blinkt. Werkseinstellung: ITALIENISCH
Auf NEXT drucken, um zum{nachsten Bildschirm zu gelangen.
Wurde nach 30 Sekunden keine Taste ausgewählt, kehrt man automatisch zum Bildschirm Maschine bereit (Bildschirm 2) zurück.
Drückt man die Taste ESC kehrt man zum Bildschirm Maschine bereit (Bildschirm 2) zurück.
10.4 Bildschirm Displayanzeige
Bildschirm 19 a
ON-SCREEN-MELDUNG
NAME DATUM
Bildschirm 19 b
NUTZERNAME
LA SAN MARCO
Bildschirm Programmierung Kundendienstebene Displayanzeige.
Auf thisem Bildschirm zur Programmierung auf Kundendienstebe- nene kann der Benutzername oder die Mochigkeit zur Datumsanzeige auf Bildschirm 2 der Maschine in Betriebszustand IDLE-ON gewählt werden.
Mit den Tasten / zwischen NAME und DATUM wahlen. Druckt man die Taste OK auf DATUM in Bildschirm 2, wird das eingestellte Datum angezeigt, zum Beispiel FR 12.04.2013.
Wird NAME gewählt, erscheint der Bildschirm 19b, auf dem der auf Bildschirm 2 anzuzeigende Benutzername geändert werden kann.
Mit den Tasten / wechseln und den Buchstaben oder das Symbol mit den Tasten + / - auswahlen.
Werkseinstellung: LA SAN MARCO
Auf NEXT drucken, um zum nachsten Bildschirm zu gelangen.
Wurde nach 30 Sekunden keine Taste ausgewählt, kehrt man automatisch zum Bildschirm Maschine bereit (Bildschirm 2) zurück.
Drückt man die Taste ESC kehrt man zum Bildschirm Maschine bereit (Bildschirm 2) zurück.
10.5 Bildschirm Einstellung Kundendienstnummer
Bildschirm 20 Bildschirm
TELEFON- SERVICE
xxxxxx
Programmierung Kundendienstebene Kundendienstnummer.
Auf diesen Bildschirm zur Programmierung auf Kundendienstebene kann die Kundendienstnummer eingegeben werden.
Mit den Tasten / wechseln und die Nummer mit den Tasten + / -ändern.
Werkseinstellung:XXXXXXXXXX
Ok drücken, um die Änderung zu bestätigten.
Auf NEXT drucken, um zum nachsten Bildschirm zu gelangen.
Wurde nach 30 Sekunden keine Taste ausgewählt, kehr man automatisch zum Bildschirm Maschine bereit (Bildschirm 2) zurück.
Drückt man die Taste ESC kehrt man zum Bildschirm Maschine bereit (Bildschirm 2) zurück.
10.6 Bildschirm Aktivierung Dosierungsänderung
Bildschirm 21
PROG. KAFFEEMENGE
AKTIVIER
Bildschirm Programmierung Kundendienstebene Aktivierung Dosierungsänderung.
Auf dieser Bildschirm zur Programmierung auf Kundendienstebe- nene kann die Möglichkeit zur Einstellung der Dosierung aktiviert oder deaktiviert werden.
Mit den Tasten + / - die Möglichkeit zur Programmierung der Dosierung aktivieren oder deaktivieren. Ok drücken, um die Änderung zu bestätigen.
Werkseinstellung: AKTIVIER
Auf NEXT drucken, um zum nachsten Bildschirm zu gelangen.
Wurde nach 30 Sekunden keine Taste ausgewählt, kehrt man automatisch zum Bildschirm Maschine bereit (Bildschirm 2) zurück.
Drückt man die Taste ESC kehrt man zum Bildschirm Maschine bereit (Bildschirm 2) zurück.
10.7 Bildschirm Aktivierung Dauerabgabe
Bildschirm 22
CONTINUOS DOSE AKTIVIERT
Bildschirm Programmierung Kundendienstebene Aktivierung Dauerabgabe.
Auf dieser Bildschirm zur Programmierung auf Kundendienstebene kann die Möglichkeit zur Dauerabgabe der Gruppen aktiviert oder deaktiviert werden.
Mit den Tasten + / - die Möglichkeit zur Dauerabgabe aktivieren oder deaktivieren. Ok drücken, um die Änderung zu bestätigten.
Werkseinstellung: AKTIVIER
Auf NEXT drucken, um zum nachsten Bildschirm zu gelangen.
Wurde nach 30 Sekunden keine Taste ausgewählt, kehrt man automatisch zum Bildschirm Maschine bereit (Bildschirm 2) zurück.
Drückt man die Taste ESC kehrt man zum Bildschirm Maschine bereit (Bildschirm 2) zurück.
10.8 Bildschirm Aktivierung Beleuchtung Tassenebene LED RGB
Bildschirm 23 a

LED DEAKTIV
Bildschirm 23 b

LED AKTIVIER
Bildschirm Programmierung Kundendienstebene Aktivierung Beleuchtung Tassenebene LED RGB.
Auf diesen Bildschirm zur Programmierung auf Kundendienstebe- nene kann die Beleuchtung der Tassenebene aktiviert oder deaktiviert werden.
Mit den Tasten + / - die Beleuchtung der Tassenebene aktivieren oder deaktivieren. Ok drücken, um die Änderung zu bestätigten.
Werkseinstellung: AKTIVIER
Auf NEXT drucken, um zum nachsten Bildschirm zu gelangen.
Wurde nach 30 Sekunden keine Taste ausgewählt, kehrt man automatisch zum Bildschirm Maschine bereit (Bildschirm 2) zurück.
Drückt man die Taste ESC kehrt man zum Bildschirm Maschine bereit (Bildschirm 2) zurück.
10.9 Bildschirm Aktivierung Voraufgießen
Bildschirm 24 a

VORBRUHEN
AKTIVIER
Bildschirm 24 b

VORBRUHEN
DEAKTIV
Bildschirm 25
VORBRUHEN
GRUPPE WAHLEN
Bildschirm Programmierung Kundendienstebene Aktivierung VoraufgieBen.
Auf diesen Bildschirm zur Programmierung auf Kundendienstebene kann das Voraufgieben aktiviert oder deaktiviert werden.
Mit den Tasten + / - das Voraufgieben aktivieren oder deaktivieren. Ok drücken, um die Änderung zu bestätigen.
Werkseinstellung: DEAKTIVIER
NEXT drucken, um zum nachsten Bildschirm überzugehen, wenn das VoraufgieBen aktiviert ist, ist das VoraufgieBen nicht aktiviert, wird der Bildschirm 27 angezeigt.
Wurde nach 30 Sekunden keine Taste ausgewählt, kehr man automatisch zum Bildschirm Maschine bereit (Bildschirm 2) zurück.
Drückt man die Taste ESC kehrt man zum Bildschirm Maschine bereit zurück.
Bildschirm Programmierung Kundendienstebene Einstellung Voraufgieben.
Wird dieser Bildschirm angezeigt, kann man die Programmierung des Voraufgiebens für alle Tasten jeder einzelnen Gruppe ausführten.
Alle Tasten leuchten, wird eine der Tasten ausgewählt (beispelsweise die Taste lange Einzeldosierung der Gruppe 1), gelangt man zum Bildschirm 26.
Auf NEXT drücken, um zu Bildschirm 27 zu gelangen.
Wurde nach 30 Sekunden keine Taste ausgewählt, kehr man automatisch zum Bildschirm Maschine bereit (Bildschirm 2) zurück.
Drückt man die Taste ESC kehrt man zum Bildschirm Maschine bereit (Bildschirm 2) zurück.
10.10 Aktivierung Voraufgießen Einzeldosierungen
Bildschirm 26 Bildschirm Programmierung Voraufgieben Einzeldosierungen.

Nachdem die Gruppe im vorherigen Bildschirm oder in dieserm Bildschirm ausgewählt wurde, beginnnt die Gruppe zu blinken und es erscheidet der Bildschirm mit der Anzeige der Gruppe und den eingestellen Werten tON und tOFF.
Auf diesen Bildschirm konnen die vorgesehenen Grenzwerte eingebehen werden, sowohl für den Wert tON als auch für den Wert tOFF, durch einfaches Erhöhen oder Vermindern über die Tasten + und - mit Schrittweite 0,1 Sekunden, nach dem diese mit den Tasten < / > ausgewählten wurden.
Zum Speichern des Werts und zum Zurückkehren zum Bildschirm 25 auf OK drücken, oder eine andere Taste einer anderen Gruppe drücken, um zur Anzeige der Einstellung des Voraufgiebens für diese Gruppe zu gelangen.
Wird bei tON der Wert 0 Sekunden eingegeben, wird das Voraufgießen für alle Tasten der gewährten Gruppe deaktiviert.
Auf NEXT drucken, um zum nachsten Bildschirm zu gelangen.
Wurde nach 30 Sekunden keine Taste ausgewählt, kehrt man automatisch zum Bildschirm Auswahl Voraufgieben (Bildschirm 25) zurück, ohne die Änderung zu speichern.
Drückt man die Taste ESC kehrt man zum Bildschirm Auswahl Dosierung (Bildschirm 24) zurück, ohne die Änderung zu speichern.

10.11 Bildschirm Zyklusanzahl Kundendiensteingriff
Bildschirm 27 Bildschirm Programmierung Kundendienstebene Zyklusanzahl
Kundendiensteingriff.
Auf dieser Bildschirm der Programmierung auf Kundendienstebene kann die Anzahl der Zyklen eingestellt werden, nach denen auf dem Bildschirm ein Kundendiensteingriff angezeigt wird.
Die Anzahl mit den Tasten + / - vom Wert 0 bis 100000 mit der Schrittweite 1000ändern. Ist der eingestellte Wert 0, wird die Anzeige deaktiviert.
Werkseinstellung: 0 (Funktion deaktiviert)
Auf NEXT drucken, um zum nachsten Bildschirm zu gelangen.
Wurde nach 30 Sekunden keine Taste ausgewählt, kehr man automatisch zum Bildschirm Maschine bereit (Bildschirm 2) zurück.
Drückt man die Taste ESC kehrt man zum Bildschirm Maschine bereit (Bildschirm 2) zurück.

10.12 Bildschirm Anzeige Filterwechsel Enthärter
Bildschirm 28 Bildschirm
Programmierung Kundendienstebene Einstellung Anzeige Filterwechsel Enthärter.
ANDERN
10000 LITER
Auf thisem Bildschirm der Programmierung auf Kundendienstebene kann die Anzahl der Liter eingestellt werden, nach denen auf dem Bildschirm die Notwendigkeit zum Wechsel des Enthärterfilters angezeigt wird.
Dieser Bildschirm wird nicht angezeigt, wenn der Wasserzahler in Bildschirm 43 nicht aktiviert wurde.
Die Anzahl mit den Tasten + / - vom Wert 0 bis 15000 mit der Schrittweite 100 ändern. Ist der eingestellte Wert 0, wird die Anzeige deaktiviert.
Werkseinstellung: 0 (Funktion deaktiviert)
Auf NEXT drucken, um zum nachsten Bildschirm zu gelangen.
Wurde nach 30 Sekunden keine Taste ausgewählt, kehr man automatisch zum Bildschirm Maschine bereit (Bildschirm 2) zusück.
Drückt man die Taste ESC kehrt man zum Bildschirm Maschine bereit (Bildschirm 2) zurück.
10.13 Bildschirm Abweichung Dosierung
Bildschirm 40 Bildschirm
Programmierung Kundendienstebene Abweichung Dosierung.
ABWEICHUNG DOSE 30%
Auf dem folgenden Bildschirm wird der Parameter der Abweichung der Dosierung bei Programmierung durch Selfsternen eingestellt.
Den Wert mit den Tasten + / - vom Wert 0 bis 70 mit der Schrittweite 1ändern.
Werkseinstellung: 60%
Die Anzeige kann deaktiviert werden, indem die Taste + gedrück wird, bis OFF entscheid.
Ok drücken, um die Änderung zu bestätigten.
Auf NEXT drucken, um zum nachsten Bildschirm zu gelangen.
Wurde nach 30 Sekunden keine Taste ausgewählt, kehr man automatisch zum Bildschirm Maschine bereit (Bildschirm 2) zurück.
Drückt man die Taste ESC kehrt man zum Bildschirm Maschine bereit (Bildschirm 2) zurück.
10.14 Einstellung unterer Grenzwert Zähleralarm
Bildschirm 41 Bildschirm
Programmierung unterer Grenzwert Zähleralarm.
VOLUMENZAHLERSLIMIT 0.5 ml/s
Auf dem folgenden Bildschirm wird der Parameter für den unteren Grenzwert der Menge in ml pro Sekunde für alle Zähler programmiert, bei denen der Zahleralarm ausgelöst wird.
Die Anzahl mit den Tasten + / - vom Wert 0,1 bis 1 mit der Schrittweite 0,1ändern.
Werkseinstellung: 0,5
Auf NEXT drucken, um zum{nachsten Bildschirm zu gelangen (29).
Wurde nach 30 Sekunden keine Taste ausgewählt, kehr man automatisch zum Bildschirm Maschine bereit (Bildschirm 2) zurück.
Drückt man die Taste ESC kehrt man zum Bildschirm Maschine bereit (Bildschirm 2) zurück.
10.15 Bildschirm Wasserzahler
Bildschirm 43 Bildschirm Programmierung Kundendienstebene Wasserzahler.

Auf thisem Bildschirm zur Programmierung auf Kundendienstebene kann der Maschine mitgeteilt werden, ob ein Volumenzahler für den Wasserzulauf der Maschine installiert ist.
Mit der Taste - gelamt man zu einem blinkenden NEIN und mit der Taste+ zu einem blinkenden JA.
Durch Drücken der Taste OK wird die Änderung bestätigt und der Wert gespeichert.
Werkseinstellung: NEIN
Wurde nach 30 Sekunden keine Taste ausgewählt, kehrt man automatisch zum Bildschirm Maschine bereit (Bildschirm 17) zurück.
Drückt man die Taste ESC kehrt man zum Bildschirm Maschine bereit (Bildschirm 17) zurück.
10.16 Bildschirm Zurücksetzen auf Werkseinstellung
Bildschirm 29 Bildschirm Zurücksetzen auf Werkseinstellung.

Auf dieser Bildschirm können alle eingestelltten Parameter gelöscht und auf Werkseinstellung zurückgesetzt werden.
Mit den Tasten / von NEIN auf JA und umgekehrt wechseln.
Drückt man bei der Einstellung JA für mindestens 5 Sekunden auf OK, um das Zurücksetzen zu bestägten, erscheint auf dem Display Bildschirm 30.
NEXT drücken, um zum nachsten Bildschirm (Nr. 17) überzugehen und die Abfolge der Bildschirme Programmierung Kundendienstebene wieder aufzunehmen.
Drückt man die Taste ESC kehrt man zum Bildschirm Maschine bereit (Bildschirm 2) zurück.
Bildschirm 30

Bildschirm Zurücksetzen auf Werkseinstellung durchgefuhrt.
Dieser Bildschirm zeigt an, dass das Zurücksetzen auf Werkseinstellungen durchgeführt wurde.
Drückt man die Taste ESC kehrt man zum Bildschirm Maschine bereit (Bildschirm 2) zurück.
11. Alarmanzeige
11.1 Bildschirm Defekt Zähler
Bildschirm 31 Bildschirm Anzeige Defekt Zähler.

Dieser Bildschirm zeigt eine Fehlfunktion von einem Impulszahler an der Maschine an.
Die Gruppe, an der der Defekt auftritt, wird angezeigt.
11.2 Bildschirm Austausch Enthärterfilter
Bildschirm 32 Bildschirm Anzeige Filterwechsel Enthärter.

Dieser Bildschirm zeigt an, dass der Enthärterfilter der Maschine ausgewechselt werden muss und erscheint, wenn der in Bildschirm 28 eingestellte Wert erreicht oder übersritten wurde.
Dieser Bildschirm wird nicht angezeigt, wenn der Wasserzahler in Bildschirm 43 nicht aktiviert wurde.
Der Hinweis wird nach jeder Abgabe für 5 Sekunden angezeigt, verhindert die Möglichkeit weiterer Abgaben jedoch nicht.
Um die Anzeige zu löschen und den entsprechenden Zähler wieder auf 0 zu stellen, die Tasten + / - für mindestens 2 Sekunden gleichzeitig drücken.
Nach dem Nullstellen wird Bildschirm 33 angezeigt.
Bildschirm 33
ENTKALKER FILTERS NULLSTELLUNG
Bildschirm Nullstellung Anzeige Filterwechsel Enthärter.
Dieser Bildschirm zeigt an, dass der Alarm zum Filterwechsel des Enthärters gelöscht wurde.
Dieser Bildschirm wird nicht angezeigt, wenn der Wasserzahler in Bildschirm 43 nicht aktiviert wurde.
Drückt man die Taste ESC kehrt man zum Bildschirm Maschine bereit (Bildschirm 2) zurück.
11.3 Bildschirm Anzeige Kundendienst
Bildschirm 34 Bildschirm Arzeige Kundendienstkontrolle notwendig.
EMPFOHLENE WARTUNG
Dieser Bildschirm zeigt an, dass die Maschine vom Kundendienst kontrolliert werden muss und erscheint, wenn der in Bildschirm 27 eingestellte Wert erreicht oder übersritten wurde.
Der Hinweis wird nach jeder Abgabe für 5 Sekunden angezeigt, verhindert die Möglichkeit weiterer Abgaben jedoch nicht.
Um die Anzeige zu löschen und den entsprechenden Zähler wieder auf 0 zu stellen, die Tasten / für mindestens 2 Sekunden gleichzeitig drücken.
Nach dem Nullstellen wird Bildschirm 35 angezeigt.
Bildschirm 35
Bildschirm Löschen Anzeige Kundendienstkontrolle notwendig.
WARTUNG
Dieser Bildschirm zeigt an, dass der Alarm zur Kundendienstkontrolle gelöscht wurde.
NULLstellUNG
Drückt man die Taste ESC kehrt man zum Bildschirm Maschine bereit (Bildschirm 2) zurück.
11.4 Bildschirm Alarmanzeige Wasserstand Kessel
Bildschirm 36 Bildschirm Alarmanzeige niedriger Wasserstand Kessel.
NIEDRIGEN ASSERSTAN
Dieser Bildschirm zeigt an, dass der Wasserstand im Kessel zu niedrig ist.
Die Anzeige verschwindet erst, wenn der richtige Wasserstand wieder erreicht wurde.
Bildschirm 37
Bildschirm Alarmanzeige Überlauf Wasserstand Kessel.
HOHER WASSERSTAND
Dieser Bildschirm zeigt an, dass der Wasserstand im Kessel zu hoch ist. Die Anzeige verschwindet erst, wenn der richtige Wasserstand wieder erreicht wurde.
11.5 Bildschirm Alarmanzeige Kesseltemperatur
Bildschirm 38 Bildschirm Abarmanzeige Kesseltemperatur.
ALARM
KESSELTEMPERATUR
Hat der Temperaturfuhler im Kessel einen Kurzschluss oder die Temperatur übersteigt für mehr als 5 zusammenhängende Sekunden die Schwelle von 140^ , wird die Alarmanzeige ausgelost, es blinken alle LED der Tasten und Bildschirm 38 wird angezeigt.
Alle Hauptfunktionen der Dosierung werden unterbunden. Die Tastaturien werden deaktiviert und alle Stellglieder können ihre Funktion nicht mehr ausführten.
Der Alarm verschwindet, wenn die Temperatur wieder annehmbare Werte erreicht.
Die Anzeige wird gelöscht, wenn die Maschine ausgeschaltet wird (OFF).
Bildschirm 39 Bildschirm Alarmanzeige hohe Kesseltemperatur.
ALARM TEMPERATURFÜHLER
Ist der Temperaturfuhler des Kessels 5 Sekunden abgeklemmt oder unterbrochen, wird der Alarm ausgelöst, es blinken alle LED der Ta- statur und Bildschirm 39 wird angezeigt.
Alle Hauptfunktionen der Dosierung werden unterbunden. Die Tastaturien werden deaktiviert und alle Stellglieder konnen ihre Funktion nicht mehr ausführten.
Der Alarm verschwindet, wenn der Temperaturfuhler wieder angeschlossen ist.
11.6 Bildschirm Anzeige Prüfung Mahlen/Dosierung
Bildschirm 42 Bildschirm Anzeige Prüfung Mahlen/Dosierung.
UBERPRUFEN G2 MAHLVORGANG/DOSIS
Nach jeder Abgabe wird das Verhältnis zwischen abgegebener Menge und Abgabezeigt geprüft, liegt diese außerhalb des festgelegten Bereichs des Parameters in Bildschirm 40, erscheint auf dem Display MAHLEN/DOSIERUNG PRÜFEN, darauf wird auch die Gruppe angegeben, an der der Fehler auftritt.
Die Anzeige verschwindet nach 5 Sekunden.
Bildschirm 45
UBERPRUFEN WASSERZAHLER
Bildschirm Anzeige Prüfung Wasserzahler.
Erscheint, wenn der Zähler bei oder nach einer Abgabe oder einer automatischen Füllung kein den Impuls erhalt.
Dieser Bildschirm wird nicht angezeigt, wenn der Wasserzahler in Bildschirm 43 nicht aktiviert wurde.
Dieser Alarm blockiert nicht, er ist nur eine Anzeige, die nach jeder Abgabe und jeder automatischen Fällung erscheint.
Sie verschwindet nach 5 Sekunden.
11.7 Bildschirm Anzeige möglicher Wasserverlust
Bildschirm 46 Bildschirm Anzeige möglicher Wasserverlust.
UBERPRUFEN WASSERVERLUST
Prüft, ob der Zähler mindesten 5 Sekunden einen Impuls erhält, wenn keine Abgabe oder automatische Befüllung erfolgt.
Dieser Bildschirm wird nicht angezeigt, wenn der Wasserzahler in Bildschirm 43 nicht aktiviert wurde.
Die Anzeige verschwindet nach 10 Sekunden und erscheint nach einer Minute erneut, außer es gab Abgaben oder automatische Befüllungen, in thisum Fall erscheint die Anzeige erst nach Abschluss der Abgabe oder der automatischen Befüllung.
11.8 Alarm Volumenzahler
Bei den Modellen TOP 85, die alle eine Leiste mit sechs LED haben, beginnen die bereits eingeschalteten Led zu blinken, wenn ein Fehlen der Impulse des Volumenzahlers für 5 Sekunden auftritt und zeigen damit die Störung an. Wenn bei Auftreten der Störung noch keine der LED eingeschalten ist, blinkt nur die LED der Taste starker Kaffee der betroffenen Gruppe.
Wenn fur 45 aufeinander folgende Sekunden keine Impulse des Volumenzahlers festgestellt werden, wird die aktuelle Dosierung automatisch unterbrochen. Auf dem Display erscheint die Aufschrift : ALARM ZÄHLER GX
Hinweis:
Prufen Sie, ob die Ausgabe in der Tasse wie gewündt erfolgt ist. Sollte dies nicht korrekt erfolgt sein, siehe im Kapitel "PROBLEME UND LÖSUNGEN".
11.9 Alarm Fullstandsautomatik
Liegt der Wasserstand im Kessel unter dem normalen Niveau und kann durch die Pumpe dieser Füllstand innerhalb 150 Sekunden nicht wieder hergestellt werden, unterbricht die elektronische Steuerung des Gerätes die automatische Nachfüllung und zeigt die Störung durch gleichzeitiges Blinken der Taste "Kaffee doppelstark" aller Ausgabevorrichtungen, der Taste "Tee groß" und der ersten Led der elektronischen Füllstandsanseige an.
Hinweis:
Auf dem Display erscheint die Aufschrift: NIEDRIGER WASSERSTAND KESSEL. Ist das Einfüllen des Wassers im Kessel nicht richtig erfolgt, siehe im Kapitel "PROBLEME UND LÖSUNGEN".
11.10 Alarm Maximaler Wasserstand im Kessel
Befindet sich der Wasserstand im Kessel oberhalb des Sicherheitsniveauaus unterbricht das elektronische Steuergehäuse die automatische Nachfüllung und zeigt die Störung durch das gleichzeitige Blinken der Ausgabetasten sowie der drei Led der elektronischen Füllstandsanzeige an.
Hinweis:
Wen der Alarm fur maximalen Fuldstand im Kessel ausgelost wird, siehe im Kapitel "PROBLEME UND LÖSUNGEN".
11.11 Alarm Temperaturfuhler
Hat der Temperaturfuhler einen Kurzschluss, erscheid auf dem Display die Aufschrift: TEMPERATURALARM KESSEL.
Ist der Temperaturfuhler dagegen defekt oder nicht richtig angeschlossen, erscheint auf dem Display die Aufschrift: ALARM TEMPERATUREFUHLER
12. Normale Wartung

-
Zur Ausführung der gewöhnlichen Wartung dürfen keine Verkleidungen oder festen Schutzvorrichtungen vom Gerät abgenommen werden.
-
Verwenden Sie keine aggressiven Reinigungsmittel (Alkohol, Benzin oder Lösungsmittel) oder Scheuermittel zur Reinigung der Kaffeemaschine, sondern nur Wasser und neutrale Reinigungsmittel.
Hinweis:
Durch die täglichen Reinigungserbeiten wird das Gerät Funktionstüchtig erhalten und die Sicherheit des Benutzers und aller sonstigen Personen gewährleistet.
12.1 Reinigung der Ausgabevorrichtungen und der Filtrereinheit
1) Lassen Sie den Filterhalter aus der Gruppe Abgabe, entfern den Kaffeesatz und Filterwechsel das mit der Blindfilter (ohne Löscher) mit der Maschine gefelwert.
2) Vor der Reinigung des Gerätes auf dem Schutzglas wie auf dem Foto montiert.

Hinweis: Der Filter wird in der Tasse Druck eingesetzt wird, um genug Kraft auf den Seiten zu entfernen und dann Herausziehen. Den Sprengring in der Filterhalter nicht entfernen.
3 ) Reinigen Sie die mit der Gruppe Zentrale , wo Sie den Filterhalter legen mitgelieferten Bürste .
4) Stellen Sie die Tasse in der Gruppe und drücken Sie die Taste ganz ohne Docking kontinuierliche Lieferung.
5) Lassen Sie das Wasser zum Überlauf aus dem Filterhalter ( auf diese Weise können die Abgabegruppe-reinigen ) abtropfen halten.

Die Ausgabe von Wasser aus der Vorrichtung kann bei versehentlichem Hautkontakt zu Verbrennungen führen.
6) Stopen Sie die Wasserversorgung und verriegeln Sie die Schüssel in der Gruppe.
7) Starten Sie die kontinuierliche und stoppt dann nach ein paar Sekunden und wiederholen Sie dies ein paar Mal (so dass Sie den Ablaufkanal und das Magnetventil der Abgabeinheit) zu reinigen.
8) Reinigen Sie den Filter gebohr und steckte es wieder in die Tasse. Versorgung Wasser für ein paar Sekunden, um den Filter zu reinigen, die Tasse Tullen.
9) Wiederholen Sie den Vorgang für alle Gruppen Abgabe.
Hinweis:
Für eine wirksame Reinigung der Ausgabevorrichtungen und der Filtereinheiten können handelsübliche Spezialreiniger verwendet werden.
12.2 Reinigung von Schale und Tassenabstellrost
Derunte Tassenabstellrost 5 muss stets sauber gehalten werden. Wahlend des normalen Gebrauchs der Maschine genugt es,ihn mit einem Schwamm oder einem feuchten Tuch zu reinigen. Nach einem Arbeitstag müssen die Schale und der Rost auch auf den Innenflächen gereinigt werden. Verwenden Sie dazu heiBes Wasser und ein neutrales Reinigungsmittel.
12.3 Reinigung der Dampfspritze
Reinigen Sie die Dampfspritze am Ende des Arbeitsstages mit einem Schwamm oder einem feuchten Tuch, um Spuren von Milch und anderen Rückständen zu reinigen, die beim normalen Gerätebetrieb unvermeidbar sind. Öffnen Sie das Dampfventil und richten Sie die Spritze in die Schale, um etwaige Rückstände zu entfern, die sich in der Spritze angesammelt haben.
12.4 Wechseln des Wassers im Kessel
Gehen Sie, um das Wasser im Kessel zu wechseln, wie folgt vor:
1) Schalten Sie die Spannung am Gerät durch Umstellen des Hauptschalters auf Position 0 (Null) ab.
2) Entfernen Sie die Schale mit Tassenabstellrost und öffnen Sie das Ablassventil des Kessels.
3) Öffnen Sie ein Dampfentnahmeventil, um den Wasseraustritt bis zum Ende des Vorgangs zu erreichtern.
4) Schlieben Sie, wenn kein Wasser mehr aus dem Kessel austritt, das Ablassventil und das Dampfentnahmeventil.
5) Füllen Sie gemäß der Anleitungen im Abschnitt "Einfüllen von Wasser in den Kessel" das Gerät mit Wasser.
6) Für eine bessere Produktqualität wird geraten, beim täglichen Anlaufen der Maschine das Wasser im Kessel und in den Rohrleitungen der Wasserzirkulation auszutauschen.
13. Stillstandszeiten
Wenn das Gerät über einen längeren Zeitraum ungenutzt bleibt (wöchentlicher Ruhetag, Betriebsurlaub, usw.) müssen folgende Vorkehrungen getroffen werden:
1) Drehen Sie den Hauptschalter in die Position 0 (Null) und trennen Sie gegebenenfalls das Stromversorgungskabel bzw. den Hauptschalter vom Stromnetz.
2) SchlieBen Sie das Absperrventil des Wassernetzes.
3) Entleeren Sie, wenn die Außentemperatur unter 5^ absiken können, den Wasserkreislauf des Gerätes vollständig.
4) Reinigen Sie alle Komponenten des Gerätes wie im Abschnitt "Gewöhnliche Wartung" beschrieben.
5) Decken Sie das Gerät eventuell ab.
14. Sicherheitsvorrichtungen
14.1 Sicherheitsthermostat mit Manueller Rückstellung
Der Sicherheitsthermostat befindet sich neben dem elektronischen Steuergehäuse. Er ist zugänglich, wenn die linke Seitenwand des Gerätes abgenommen wird. Der innerhalb der Heizwiderstände befindliche Thermo-. statfuhlter unterbricht die Stromversorgung bei jedem ungewöhnlichen Temperaturanstieg. Die Widerstände erwarten das Wasser im Kessel nicht länger und das Gerät kann nicht richtig benutzt werden. Das Eingreifen eines Technikers des Kundendienstes der Firma LA SAN MARCO SPA ist notwendig.

Die Rückstellung des Sicherheitsthermostats muss vom zugelassenen Kundendiensttechniker der Firma LA SAN MARCO SPA ausgeführrt werden, der zuvor die Ursache beseitigen muss, die zur Störabschaltung der Kaffeemaschine geführt hat.
14.2 Sicherheitsventil
Das Sicherheitsventil ist oben am Kessel im Bereich der Dampfzone montiert. Es spricht an, wenn im Kessel der Druck erheblich ansteigt. Das Ventil erlaubt ein wiederholtes Absenken des Dampfrducks durch Ablassen von Dampf nach außen (Auslösing bei 1,9 bar). Der Wasserdampf wird bei Auslösing des Ventils zurückgehalten und über das Gerätegehause zerstreut, um eine Gefährung von ausgesetzten Personen zu vermeiden.

Schalten Sie bei einer Auslösung des Sicherheitsventils das Gerät aus und verständigen Sie sofort den zugelassenen Kundendienst der Firma LA SAN MARCO SPA.
15. Hinweise für den Benutzer

Gemäl3 der Europäischen Richtlinie 2012/19/EU über elektrischen Abfall (WEEE) wird zur Kenntnisnahme für die Benutzer innerhalb der Europäischen Gemeinschaft folgenden erklart.
- Das Symbol des durchgestruichenen Müllcontainers auf dem Gerät oderseiner Verpackung bedeutet, dass diesen Produkt bei seiner Unbrauchbarkeit nicht mit dem Hausmüll, sondern getrennt gesammelt werden muss.
- Die Sammelstelle der getrennten Müllbeseitigung sorgt für die Weitergabe des Altgerätes an die Wiederverwertung, Behandlung und umweltfreundliche Entsorgung undträgt damit zum Vermeiden negativer Auswirkungen auf Umwelt und Gesundheit und zur Wiederverwertung des Materials, aus dem sich das Gerät zusammensetzt, bei.
Gemäß der Europäischen Richtlinie 2012/19/EU hat die gesetzeswidrige Entsorgung des Produkts durch den Benutzer, die Anwendung der von der örtlich geltenden, gesetzlichen Regelung vorgesehenen Strafmaßnahmen zur Folge.
16. Allgemeine Garantiebedingungen
- Die Dauer der Garantie beträgt 12 Monate ab der Ausstellung des Kaufbelegs.
- Unter Garantie wird der kostenlose Ersatz derjenigen Teile der Maschine verstanden, die von der La San Marco S.p.A. aufgrund eines Produktionsfehlers als defekt erachtet werden. Die Garantie gilt ausschließlich für Originalteile und verfällt, sobald für Bauteile als auch nicht originale Teile verwendet wurden. Die Garantie gilt ausschließlich für Originalteile und verfällt, sobald für Bauteile als auch für die Maschine selbst nicht originale Teile verwendet wurden.
-
Die Garantie gilt weder für Austausch- noch für Reparaturarbeiten, die auf eine normale Abnutzung durch die Verwendung der Geräte, auf Verschleiß oder auf Zwischenfälle aufgrund von Fahrlösigkeit oder Nachlösigkeit beim Gebrauch zurückzuführten sind.
-
Elektroteile sowie alle Teile, die einen Defekt aufgrund von Transportschäden, falscher Installation und schlechter Wartung durch nicht autorisiertes Personal, durch die fehlende oder unangemessene Verwendung von Enthärte- oder Filtersystemen für einlaufendes Wasser, durch die unsachgemäß oder vom Verwendungszweck abweichende Verwendung der Maschine oder sare auf Umstände, die nicht auf Produktionsfehler zurückzuführen sind, aufweisen, sind nicht in der Garantie inbegriffen.
- Darüber hinaus sind auch die Arbeiten und die technischen Maßnahmen betreffend die Installation der Maschine sowie diejenigen Teile, die einer normalen Abnutzung unterliegen, und auch gewöhnliche Gebrauchsgüter nicht durch die Garantie abgedeckt.
- Die Teile fallen nur dann in die Garantie, wenn sie vollständig mit all ihren Teilen zurückgegeben werden, an denen keine Änderungen vorgenommen wurden und die Informationen zu ihrer Herstellung nicht gefloßucht, entfernt oder unleserlich gemacht wurden.
- Der Umtausch der Maschine sowie die Veränderung der Garantie nach der Behebung einer Störung ist ausgeschlossen. Die Reparatur, die Änderung oder der Austausch von Teilen während des Garantiezeitraums führt nicht dazu, dass sich der Garantiezeitraum der Produkte verlangert. Alle Handlungen und Beschwerden betreffend die Garantie, insbesondere jene, die direkte oder indirekte Personen- oder Sachschäden, die von den zurückgegebenen Produkten abweichen, sowie die Rückerstattung eines eventuellen Einkommensverlustes betreffen, sind ausgeschlossen.
- Die La San Marco S.p.A. übernimmt keine Haftung für eventuelle Schäden, die direkt oder indirecte infolge der Nichteinhaltung aller in der dem Gerät beiliegenden Bedienungs- und Wartungsanleitung angeführten Vorschriften und insbesondere der Warnhinweise zu Installation, Verwendung und Wartung der Maschine an Personen, Tieren oder Gegenständen entstehen.
- Die Garantie betrifft den kostenlosten Ersatz defekter Teile mit entsprechendem kostenlosten Versand der Ersatzteile an den Käufer; die Arbeiten sind in der Garantie nicht inbegriffen. Der Versand der defekten Teile an den Hersteller gehen zu Lasten des Käufers.
- Jedes zurückgegebene Teil, das in Garantie ersetzt werden soll, muss, damit es akzeptiert wird, mit dem Kunden abgestimmt und von der Handelsabteilung der La San Marco genehmigt werden.
- Die La San Marco S.p.A. übernimmt keine Haftung für eventuelle Schäden, die direkt oder indirectt durch die unsachgemäß Verwendung der Maschine, durch die falsche Installation und/oder durch die schlechte Wartung entstehen. Davon ausgenommen sind explizite gesetzliche Vorschriften.
- Die La San Marco S.p.A. ist nicht für Garantiebedingungen, die von denohen erwahnten Garantiebedingungen abweichen und von Importeuren/Händlern an ihre Kunden ausgehändigt wurden, verantwortlich. Darüber hinaus umfasst die Garantie der La San Marco S.p.A. keinen Arbeitsaufwand, keine Reisespeisen und keine Zusatzkosten für die Reparatur oder den Austausch defekter Teile der Maschine.
- Wenn sich nach der Überprüfung durch die La San Marco S.p.A. Herausstellen sollte, dass der zusückgesendete Teil keinen Defekt aufweist, werden dem Kunden eventuell für die Verwaltung, die technische Kontrolle und für Tests entstandene Kosten in Rechnung gestellt. Darüber hinausträgt der Kunde die Kosten für die Rücksendsung des Materials.
17. Konformitätserklung (€
Der Hersteller:
La San Marco S.p.A.

34072 Gradisca d'Isonzo (GO) Italien - Via Padre e Figlio Venuti, 10
Telefon (+39) 0481 967111 - Fax (+39) 0481 960166 - http://www.lasanmarco.com
erklart eigenverantwortlich dass die ESPRESSO KAFFEEMASCHINEN (identifiziert durch die data auf dem typenschild des gerätes identifiziert wird) den folgenden europäischen richtlinien: 2006/42/EC; 2014/35/EU; 20014/30/EU, EU-Richtlinie Nr. 1935/2004, 2012/19/EU, 2011/65/EU
Für die Feststellung der Konformität mit besagten richtlinien wurden folgende harmonisierte normen angewendet: EN ISO 12100, EN 60335-1, EN 60335-2-75.
AUTORISIERTE PERSON ZUR ERSTELLUNG
DER TECHNISCHEN UTERLAGEN
Ing. Roberto Nocera
18. Probleme und Lösungen
| STörung URSACHE Lösung | |||
| 1. | • Der Kessel ist mit Wasser gefüllt, das über das Sicherheitsventil austritt. | • Eine der Kesselablassleitungen oder ein Leitungskreis der Ausgabevorrichtung ist und nicht. | • Leitungskreis der Füllstandsautomatik, manuelle Einfülltaste und Wärmetauscher des Kessels prüfen. • Abgenutzte oder beschädigte Teile austauschen, um undichte Stellen auszuschreiben. |
| 2. | • Das Sicherheitsventil wird mit Dampfaustritt ausgelöst. | • Defekt in der elektrischen Anlage (Heizwiderstand wird immer gespeist). • Druckanstieg im Kessel (das Sicherheitsventil wird bei 1.9÷2.5 bar ausgelöst). | • Verkabelung zur Speisung von Heizwiderstand und Druckwächter prüfen. |
| 3. | • Die Maschine wurde korrekt gestartet, aber das Wasser im Kessel erwartt sich nicht. | • Heizwiderstand defekt oder nicht gespeist. • Hauptschalter auf Position 1 gedreht. | • Prüfen, ob der Heizwiderstand über das Stromnetz gespeist wird. • Prüfen, ob der Sicherheitsthermostat des Heizwiderstands ausgelöst wurde bzw. dessen richtige Funktionswirse überprüften. • Der Hauptschalter muss auf Position 2 gedreht sein. |
| 4. | • Aus einer Ausgabevorrichtung tritt kein Wasser aus. | • Kaffee zu fein gemahlen oder Dosierung für den verwendeten Filter zu hoch. • Wasserkreislauf verstopft. • Magnetventil defekt. | • Mahlstarke und/oder Kaffeidosierung verändern. • Prüfen, ob der Einspritzer, die obere Umlaufleitung, das Ventil der Ausgabevorrichtung (Flussmengenwandler), die Düse und das Magnetventil der Ausgabevorrichtung nicht verstopft sind. • Bei Maschinen mit elektronischer Dosierung, den Volumenzähler und seine Ventile kontrollieren. • Das Magnetventil der Ausgabevorrichtung, seine Verkabelung und die Sicherung im elektronischen Steuergehäuse kontrollieren. |
| 5. | • Die programmierten Kaffeemengen sind nicht konstant oder variieren bei verschiedenen Ausgabevorrichtungen. | • Störung des elektronischen Steuergehäuses oder der Volumenzähler. • Leckstelle am Magnetventil der Ausgabevorrichtung. • Düsen verstopft. | • Dosierungen separat für jeder Ausgabegruppe programmieren. Bleibt die Störung bestehen, den Volumenzähler der betreffenden Ausgabevorrichtung austauschen. • Das Magnetventil der Ausgabevorrichtung austauschen. • Die Düsen prüfen. |
| 6. | • Die Dosierungen der Ausgabevorrichtung 1 können nicht programmiert und für die anderen Ausgabevorrichtungen kopiert werden. | • Störung oder Defekt des Volumenzählers der Ausgabevorrichtung 1. | • Die Verkabelung des Steuergehäuses und der Volumenzähler überprüften. • Den Volumenzähler austauschen. |
| STÖRUNG URSAChE IÖSUNG | |||
| 7. | • Alarm Volumenzähler. | • Volumenzähler blockiert oder defekt. • Verkabelung defekt. | • Volumenzähler austauschen. • Die Verkabelung und ihre Anschlüsse, das Steuergehäuse und die Sicherungen kontrollieren. |
| 8. | • Alarm Füllstandsautomatik. | • Wasserleitungskreis der Füllstandsautomatik ohne Wasser. • Hauptventil des Wassernetzes geschlossen. • Magnetventil der Füllstandsautomatik defekt. | • Wasserleitungskreis der Füllstandsautomatik kontrollieren. • Prüfen, ob das Absperventil des Wassernetzes geöffnet ist. • Das Magnetventil der Füllstandsautomatik austauschen. |
| 9. | • Alarm “Überlauf” • Funktionstörung im Leitungskreis der Füllstandsautomatik. • Leckstelle der Taste zum manuellen Einfüssen von Wasser. • Leckstelle an den Wärmetauschern. | • Wasserleitungskreis der Füllstandsautomatik. • Leckstelle der Taste zum manuellen Einfüssen von Wasser. • Leckstelle an den Wärmetauschern. | • Wasserleitungskreis der Füllstandsautomatik kontrollieren. |
| 10. | • Die Maschine ist eingeschaltet, der Hauptschalter liegt auf Position 1 oder 2 und die Kontrollleuche ist eingeschaltet, jedoch Funktioniert die Elektronik nicht. | • Die Verkabelung des elektronischen Steuergehäuses ist defekt. • Das elektronische Steuergehäuse ist defekt. | • Verkabelung, Steuergehäuse und seine Komponenten prüfen. • Das elektronische Steuergehäuse austauschen. |
| 11. | • Das Gerät gibt Wasser aus einer Ausgabevorrichtung aus, aber es wurde keine Dosierung gewählt. | • Das Magnetventil und/oder die Pumpe werden ständig gespeist. | • Das Relais des Steuergehäuses wird ständig gespeist. • Das elektronische Steuergehäuse austauschen. |
| 12. | • Eine Ausgabevorrichtung gibt ständig Wasser aus. | • Stromkreis der Ausgabevorrichtung ist falsch angeschlossen. | • Anschluss kontrollieren und korrigieren (siehe Schaltplan). |
| 13. | • Aus der Dampfspritte tritt Dampf in keinen Mengen oder als Wassertropfen aus. | • Ventil muss eingestellt werden. • Dichtung des Ventils abgenutzt. | • Das Ventil einstellen. • Die Dichtung austauschen. |
| 14. | • Aus dem Auslauf treten Tröpfchen. | • Leckstelle am Magnetventil. | • Überprüfen Sie das Magnetventil und ersetzen es bei Bedarf. |
| 15. | • Nach der Kaffeeausgabe ist ein Pfeifton zu hören. | • Störung am Expansionsventil. • Pumpendruck zu hoch. | • Das Expansionsventil kontrollieren und gegebenenfalls austauschen. Das Ventil auf 12 bar eichen. • Den Betriebsdruck der Pumpe kontrollieren. Die Pumpe auf 9 bar eichen. |
| 16. | • Die Filtrineinheit besteht sich von selbst von der Ausgabevorrichtung. | • Die Dichtung unter der Filtrineinheit ist abgenutzt. | • Die Dichtung austauschen. • Die Ausgabevorrichtung und die Filtrineinheit reinigen. |
| 17. | • Während der Ausgabe tropt der Kaffee zum Teil aus dem Rand der Filtrineinheit. | • Die Dichtung unter der Filtrineinheit ist abgenutzt. | • Die Dichtung austauschen. • Die Ausgabevorrichtung und die Filtrineinheit reinigen. |
| STÖRUNG URSACHE IösUNG | |||
| 18. | Wasseraustritt aus dem Ablauf des Magnetventils der Ausgabevorrichtung. | Magnetventil der Ausgabevorrichtung defekt.Wasseraustritt im Kühlsystem der Ausgabevorrichtung. | Das Magnetventil der Ausgabevorrichtung kontrollieren.Schaft des Magnetventils kontrollieren und reinigen.Das Magnetventil austauschen.Den Kühlschlauch und die zugehöriger Dichtkolen der Ausgabevorrichtungprüfen (TOP 85 DTC). |
| 19. | Kaffee zu hell (Kaffee fließt rasch aus dem Ausgießer). | Kaffee zu grob gemahlen.Zu weniger gestopft.Dosierung zu gering.Wassertemperatur unter 90°C.PumpendruckHigher als 9 bar.Dusenfilter der Ausgabevorrichtung verstopft.Filteröffnungen ausgeweitet (Filtereinheit). | Kaffee feiner mahlen.Fester stopfen.Dosierung erhöhen.Das Ventil (Flussmengenwandler) der Ausgabevorrichtung auf eine höhere Zahl einstellen oder den Druck im Kessel erhöhen.Pumpendruck reduzieren.Uberprüfen und mit Blindfilter reinigen oder austauschen.Filter kontrollieren und austauschen. |
| 20. | Kaffee zu dunkel (Kaffee tritt tropfenweise aus dem Ausgießer aus). | Kaffee zu fein gemalien.Zu fest gestopft.Dosierung zu hoch.Temperatur zu hoch.Pumpendruck unter 9 bar.Dusenfilter der Ausgabevorrichtung verstopft.Filteröffnungen verstopft (Filtereinheit). | Kaffee grober mahlen.Weniger fest stopfen.Dosierung reduzieren.Das Ventil (Flussmengenwandler) der Ausgabevorrichtung auf eine niedrigere Zahl einstellen oder den Druck im Kessel verringn.Mumpendruck erhöhen.Uberprüfen und mit Blindfilter reinigen oder austauschen.Filter kontrollieren und austauschen. |
| 21. | Kaffeesatz in der Tasse. | Kaffee zu fein gemalien.Mahlsteine der Dosiermühle abgenutzt.PumpendruckHigher als 9 bar.Dusenfilter der Ausgabevorrichtung verstopft.Filteröffnungen erweitert (Filtereinheit). | Kaffee grober mahlen.Mahlsteine austauschen.Pumpendruck reduzieren.Uberprüfen und mit Blindfilter reinigen oder austauschen.Filter kontrollieren und austauschen. |
| 22. | Kaffee in der Tasse mit weniger Schaum (tritt strahlweise aus dem Ausgießer aus). | Dusenfilter der Ausgabevorrichtung verstopft. | Überprüfen und mit Blindfilter reinigen oder austauschen. |
| 23 | Kaffee in der Tasse bleibt nicht cremig (verschwindet nach wichtigen Sekunden). | Kaffee wegen verstopftem Filter zu lange aufgegliessen.Kaffee wegen verstopftem Dusenfilter zu kurz aufgegliessen.Wassertemperatur zu hoch. | Filter reinigen oder austauschen.Dusenfilter reinigen oder austauschen.Temperatur im Kessel reduzieren.Das Ventil (Flussmengenwandler) der Ausgabevorrichtung einstellen. |
| 24. | Vorhandsein von Überlagerungen im Kaffeesatz (beim Betrachten in der Filtrereinheit). | Dusenfilter teilweise verstopft. | Dusenfilter reinigen oder austauschen. |
Hinweis:
Kann das Problem auf die beschriebene Weise nicht behoben werden oder ist eine andere Störung aufgetreten, wenden Sie sichitte an den zugelassenen Kundendienst der Firma LA SAN MARCO SPA.


EinfachAnleitung