EXR 1542 - Digitaler Decoder KATHREIN - Kostenlose Bedienungsanleitung
Finden Sie kostenlos die Bedienungsanleitung des Geräts EXR 1542 KATHREIN als PDF.
Laden Sie die Anleitung für Ihr Digitaler Decoder kostenlos im PDF-Format! Finden Sie Ihr Handbuch EXR 1542 - KATHREIN und nehmen Sie Ihr elektronisches Gerät wieder in die Hand. Auf dieser Seite sind alle Dokumente veröffentlicht, die für die Verwendung Ihres Geräts notwendig sind. EXR 1542 von der Marke KATHREIN.
BEDIENUNGSANLEITUNG EXR 1542 KATHREIN
Kaskaderfähige Einkabel-Multischalter zur Verteilung von digitalen Sat-ZF-Signalen (4 Sat-Ebenen; einschließlich HDTV) und terrestrischen Signalen zur Versorgung von 2 x 4 Receiver in Einfamilien-Haushalten
Keine Einschränkung in der Programmvielfalt - es wird das komplette Programmangebot von einem Satellten übertragen
Unabhängige Wahlmöglichkeit horizontal/vertical, Low-/High-Band und Transponder-Wahl von jedem Receiver aus
Die Umschaltung horizontal/vertical, Low-/High-Band und die Transponder-Wahl erfolgt im Multischalter, gesteuert vom Receiver mit einem speziellen SCR-Einkabel-Befehlssatz gemäß EN 50494
Fur die Transponder-Wahl sind spezielle Tuner-Bausteine, sogenannte SCR (Satellite Channel Router), zur Umsetzung auf die Teilnehmer-Frequenzen im Einkabel-Multischalter integriert
Jedem Receiver ist eine Teilnehmer-Frequency fest zugeordnet (ein Twin-Receiver benötigt zwei Teilnehmer-Frequenzen)
Entspricht dem SCR-Einkabel-Standard nach EN 50494, d. h. alle Bauteile eines Einkabel-Systems, die dieser Norm entsprechen, können in einer Sat-Anlage verbaut werden
Empfang des terrestrischen Bereiches auch bei ausgeschalteten Sat-Receiver möglich
Einkabel-Multischalter EXR 2542 und Durchschieff-Multischalter EXR 2558 können beliebig gemischt werden. Es können bis zu 8 Multischalter kaskadiert werden
Fur die Innenmontage
CCCA


EXR 1542
Einkabel-Multischalter für zwei Einkabel-Anschlüsse für je vier Receiver, mit integriertem Netzteil für die LNB-Versorgung
Niedrige Leistungsaufnahme durch hocheffi-zientes, kurzschlussfestes Schaltnetzteil und Stromsparkonzept (der Einkabel-Multischalter wird von den angeschlossenen Receiver versorgt und mit dem Ausschalten der Receiver abgeschaltet)
LNB-Fernspeisung über den Eingang horizontal low. Alle anderen Eingänge sind spannungsfrei
EXR 2542
Einkabel-Multischalter Durchgang zur Anlagenerweiterung um zwei Einkabel-Anschluse für je vier Receiver
Technische Daten
| Typ EXR 1542 EXR 2542 | ||||||
| Bestell-Nr. 20510038 20510039 | ||||||
| Teilnehmeranschlüsse 2 x 4 2 x 4 | ||||||
| Eingänge 1 x terrestrisch 4 x Sat-ZF 1 x terrestrisch 4 x Sat-ZF | Sat-ZF | |||||
| Frequenzbereich MHz 5-862 950-2150 5-862 950-2150 | ||||||
| Durchgangsdämpfung dB - | 2,5 | 2,0 | ||||
| Anschlussdämpfung (terrestrisch) | dB | 5 | - | 11 | - | |
| Verständigung zum Teilnehmeranschluss (SAT)1 | dB | - | 0 → 4 | - | 0 → 4 | |
| Entkopplung horiz./vert. | dB | - | 30 | - | 30 | |
| Entkopplung Stamm | dB | - | - | - | 40 | |
| Betriebspegel | dBμV | - | 85 | - | 85 | |
| Teilnehmer-Frequency/SCR-Adresse | Receiver 1 | MHz | 1284/0 | 1284/0 | ||
| Receiver 2 | 1400/1 | 1400/1 | ||||
| Receiver 3 | 1516/2 | 1516/2 | ||||
| Receiver 4 | 1632/3 | 1632/3 | ||||
| Zul. Versorgungsspannung am Teilnehmer-Ausgang | V | 12-14 | 12-14 | |||
| Max. Stromaufnahme Multischalter @ 14 V pro Anschluss | mA | 130 | 130 | |||
| Eingangsnennspannung | V~ | 230 (47-63 Hz) | - | |||
| Zul. Eingangsspanningsbereich | V | 198-253 | ||||
| Eingangsnennleistung (mit 0-/150-/800-mA-Last) | W | 1,7/4,7/18 | - | |||
| Spannung sekundär (Eingang horiz. low) | V_ | 18 | - | |||
| Max. Fernspeisestrom 2) | mA_ | 800 | - | |||
| Max. zul. Fernspeisestrom pro Stamm | mA_ | - | 1000 | |||
| Schutzklasse/Schutzart | II (schutzsoliert)/IP 30 | IP 30 | ||||
| Zulässige Umgebungstemperatur | °C | - 20 bis + 55 | - 20 bis + 55 | |||
| Anschlüsse | F-Connectoren | F-Connectoren | ||||
| Abmessungen | mm 215 x 148 x 42,5 | 159 x 148 x 42,5 | ||||
| Verpackungs-Einheit/Gewicht | St./kg | 1 (10)/0,6 | 1 (10)/0,5 | |||
1) Frequenzabhängige Dämpfung/Verstärkung (Preemphase); zusätzlich SCR 0 -1 dB SCR 3 + 2 dB
2) Uber Eingang horizontal low
SCR-Einkabel-Befehle für verschiedene Programme
| Programm | BBC | EINS EXTRA | PRO 7 | QVC |
| Sat-ZF-Ebene | Vertikal low | Horizontal low | Horizontal high | Vertikal high |
| 1847 MHz | 994 MHz | 1945 MHz | 1952 MHz | |
| E0 10 5A ... ... | E0 10 5A ... ... | E0 10 5A ... ... | E0 10 5A ... ... | |
| SCR 0 (1284 MHz) | 01 B1 | 08 DB | 0D CA | 05 CB |
| SCR 1 (1400 MHz) | 21 CE | 28 F8 | 2D E7 | 25 E8 |
| SCR 2 (1516 MHz) | 41 EB | 49 15 | 4E 04 | 46 05 |
| SCR 3 (1632 MHz) | 62 08 | 69 32 | 6E 21 | 66 22 |
Stand: DEZ 2010
Für die angegebenen Programme gilt: SR-FEC 22000-5/6
Montage- und Sicherheitshinweise

Die beschriebenen Geräte dnen ausschließlich der Installation von Satelliten-Empfangsanlagen.
- Jegliche anderweitige Nutzung oder die Nichtbeachtung these Anwendungshinweises hat den Verlust der Gewährleistung bzw. Garantie zur Folge.
Die Geräe durren nur in trockenen Innenaumen montiert werden. Nicht auf oder an leicht entzündlichen Materialien montieren.
Die Geräte sind mit einer Potenzial-Ausgleichsleitung (Cu, mindestens 4mm^2 ) zu verstehen.
Die Sicherheitsbestimmungen der jeweils aktuellen Normen EN 60728-11 und EN 60065 sind zu beachten.
Befestigungsmittel: Holzschrauben, max 4.5 mm
- Verbindungsstecker: HF-Stecker 75 Ω (Serie F) nach EN 61169-24.
- Nicht benutzte HF-Anschlusses sind mit 75-Ω-Widerständen (z. B. EMK 03) abzuschreiben.

Stromfuhrendes Gerat EXR 1542
- Nicht öffnen oder am Gerät manipulieren!
- Bei Arbeitsen an der Anlage immer Netzstecker aus der Steckdoseziehen!
- Auf ausreichenden Abstand achten! Nach allen Seiten mind. 5 cm!
Das Gerat darf nicht an der Decke montiert werden! - Für die Geräteentwärung muss frei Luftzirkulation möglich sein. Überhitzungsgefahr!
Zulässige Umgebungstemperatur -20 bis +55^
Achtung:
- Auf das Netzgerät dürfen keine mit Flüssigkeit gefüllten Gegenstände gestellt werden.
- Das Netzgerätarf nicht Tropf- oder Spritzwasser ausgesetzt sein.
- Der Netzstecker muss ohne Schwierigkeiten zugänglich und benutzbar sein.
Das Gerät kann nur durch Ziehen des Netzsteckers vom Netz getrennt werden.

- Bei größere Durchmesser des Kabel-Innenleiters als 1,2 mm bzw. Grat konnen die Gerätebuchsen zerstört werden.

Hinweise
- Es ist entsprechendes darauf auf zu achtenden, dass jeder am Ausgang des Multischalters zur Verfugung stehende Frequenz nur einmal belegt wird, da sich die Receiver sonst gegenseitig stären.
Die Zuordnung der Frenzen geschieht im Einstellmenu des Receivers. - Je nach Typ kann dies manuell oder automatisch erfolgen.

- Es wird empfohlen, die Steckdosen mit den kürzeren Anschlusslängen den hoheren Freqenzen zuzuordnen.
- Per Definition ist das System so ausgelegt, dass Einkabelgeräte mit 14 V DC versorgt werden.
Zum Übertragen der DiSEqC™-ähnlichen Steuersignale wird die Versorgung kurzzeitig auf 18 V DC geschäftet. Dauerhaft angelegte 18 V wurden das System blockieren. Aus thisem Grunde empfehl't sich die Verwendung der Steckdosen ESU 33/34, die mit einer elektronischen Abschaltung versehen sind.
Angeschlossene Receiver mussen fur Einkabelbetrieb nach EN 50494 ausgelegt sein.
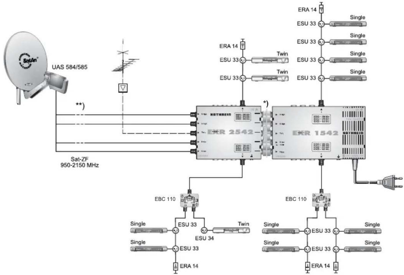
Anlagenbeispel (Symbolische Darstellung)

4 Anschluse pro Wohneinheit
^ 念 EMU 250 (5fach-Steckverbinder), BN 20510044 optional erhältlich. Nicht im Lieferumfang von EXR 1542/2542 enthalten
**)Überspannungsschutz KAZ 11/KAZ 12
Mögliche Fehlerursachen und deren Behebung
| Problem Mögliche Ursache | Fehlerbehebung | |
| Multischalter schaltet nicht | Kein oder falsches Steuer-signal vom Receiver | Auf kurzschlussfrei Verbindung vom Receiver zum Multischalter achten. Menu-Einstellungen des Receivers (Einkabelmodus!) prüfen. Betriebsspannung am Receiver-Ausgangarf nicht länger als 14 V sein |
| Multischalter schaltet, aber kein zugehöriges Bild | Falsche Einkabel-Frequency | Menü-Einstellungen aller angeschlossenen Receiver prüfen. Auf eindeutige Frequenzvergabe achten |

Elektronische Geräte gehören nichtinden Hausmüll, sondern müssen-gemäß Richtlinie 2002/96/EGDESEURO-PÄISCHEN PARLAMENTS UND DES RATES vom 27. Januar 2003 über Elektro- und Elektronik-Altgeräte fachgerecht entsorgt werden.itte geben Sie thises Gerat am Ende seiner Verwendung zur Entsorgung an den damit vorgesehenen öffentlichen Sammelstellen ab.
EinfachAnleitung