MR6000 - Autoradio VDO DAYTON - Kostenlose Bedienungsanleitung
Finden Sie kostenlos die Bedienungsanleitung des Geräts MR6000 VDO DAYTON als PDF.
Benutzerfragen zu MR6000 VDO DAYTON
0 Frage zu diesem Gerät. Beantworten Sie die, die Sie kennen, oder stellen Sie Ihre eigene.
Eine neue Frage zu diesem Gerät stellen
Laden Sie die Anleitung für Ihr Autoradio kostenlos im PDF-Format! Finden Sie Ihr Handbuch MR6000 - VDO DAYTON und nehmen Sie Ihr elektronisches Gerät wieder in die Hand. Auf dieser Seite sind alle Dokumente veröffentlicht, die für die Verwendung Ihres Geräts notwendig sind. MR6000 von der Marke VDO DAYTON.
BEDIENUNGSANLEITUNG MR6000 VDO DAYTON
Bedienungs- und Einbauanleitung
Benutzen Sie das System nur, wenn die Sicherheit es zuläbt. Es ist wichtiger, auf den Verkehr zu achten und die Höhe am Lenkrad zu halten.
Aufgrund sich ständig ändernder Verkehrsführungen kann leider keine 100 %ige Genauigkeit unter allen Umständen gewährleistet werden.
Belangrijk!
Bedienungsanleitung 91
Abbildungen
Einbauanleitung 123
Garantieleistung und Service
Gebruiksaanwijzing
Afbeeldingen
Inbouwaanwijzing
Garantie en service
Istruzioni d'uso 175
Figure
Instruzioni per il montaggio Pagina 207
Garanzia e servizio
Instrucciones de manejo Pagina 217
llustraciones Pagina 3
Manual de instalación Págrina 249
Garantía y servicios专业技术 Págrina 343
Bruksanvising Sidan 259
Bilder Sidan 3
Monteringsanvisning Sidan 291
Garantiātaganden och service Sidan 343
Betjeningsvejledning Side 301
Illustrationer Side 3
Monteringsvejledning Side 333
Garanti og service Side 343
Dear customer,
- Den Vorgang in Schritt 4 wiederholen, um den Titel einzugeben.
-
Nach der Eingabe die Eingabetaste in der Mitte des JOYSTICK länger als 2 Sekunden gedrückt halten, um den Titel zu speichern und den Eingabemodus zu verlassen.
-
Während des Suchlaufes, der Festsenderanspielung, aut. Speicherung (TUNER, TV), Titelanspielung, Wiederhoffunktion oder Zufallswiedergabe (CD-Wechsler) können Titel nicht eingebehen werden. Vor der Eingabe von Titeln die se Funktionen stoppen.
Anzeige der Titelliste
Nach Aufrufen der Titelliste konnen CDs oder Sender über diese Listewgewählt werden.
- Wahrend das Gerät auf Radio, CD-Wechsler-oder TV-Betrieb geschelt ist, die TITLE-Ta-ste 19 drücken. Die Titelliste wird angezeigt. Wahrend der Anzeige der Titelliste konnen folgende Funktionen ausgeführrt werden.
TUNER: Senderkurzel (bei RDS-Stationen) oder Frenz der Festsender 1 bis 6 wird angezeigt.
CD-Wechsler: Die Titel der CDs 1 bis 6 werden angezeigt. Falls sich keine CD im Wechsler befindet, wird "--------" angezeigt.
TV: Titel/Kürzel der unter den Festsender-tasten 1 bis 6 abgespeicherten Kanäle
- Den JOYSTICK 21 nach oben oder unter drükken, um zwischen 1 bis 6 zu wahren. Dann die Eingabetaste in der Mitte des JOYSTICK drücken, um den gewährten Sender bzw. die CD wiederzugeben.
-
Die TITLE-Taste erneut drucken, um zum Standard-Display zurückzukehren.
-
Wahrend des Suchlaufs, der Festsenderanspielung, aut. Speicherung (TUNER, TV), Titelanspielung, Wiederholfkution oder Zufallswiedergabe (CD-Wechsler) kann die Titelnamenliste nicht abgerufen werden. Vor der Eingabe von Titeln diese Funktionen stoppen.
Einstellung für Mobilfunkunterbrechung
Wenn these Gerat und Ihr Mobiltelefon mit einem separat erhältlichen Kabel verbunden werden, konnen Sie ihre Telefonanrufe über die Fahrzeuglautsprecher horen.
-
Die werkseitige Ausgangseinstellung ist "OFF".
-
Die ADJ-Taste 13 drucken, um das Einstell-mentation aufzurufen.
- Den JOYSTICK ② nach oben oder unter drükken, um "TEL SW", "ON", "OFF" oder "MUTE" zu wahren, die in der Menüleiste aufgelistet sind.
OFF:
Das Gerät setzen auch während der Benutzung des Mobiltelefons den Normalbetrieb fort.
Hinweis:
- Wenn OFF eingestellt wurde, das Mobiltelefon vom Kabel trennen oder ausschalten.
ON:
Sie können ihre Telefonanrufe über die Lautsprecher horen, die an diesen Gerät angehssen sind.
- Falls Telefongesprüche über die Lautprecher des Fahrzeugs wiedergegeben werden, kann die Lautstärke über die VOL-Taste ② eingestellt werden.
MUTE:
Während eines Telefonanrufes wird die Wiedergabe des Gerätes stummgeschaltet.
- Danach den JOYSTICK zur Wahl nach rechts oder links drucken. AnschlieBend die Eingabetaste in der Mitte des JOYSTICK drucken, um die Einstellung zu speichern.
- Die ADJ-Taste erneut drücken, um zum Standard-Display zurückzukehren.
Einstellung des FahrzeuglautsprecherAusgangs für das Mobiltelefon
- Die werkseitige Ausgangseinstellung ist "RIGHT" (Rechts).
-
Für Ausgabe der Telefonanrufe die Mobilfunkunterbuchung auf "ON" einstehen.
-
Die ADJ-Taste 16 drucken, um das Einstell-mentation aufzurufen.
- Den JOYSTICK ③ nach oben oder unter drüken, um "TEL SP" zu wahren. In der Menüleiste wird "LEFT" und "RIGHT" angezeigt.
RIGHT:
Telefonanrufe werden über den rechten, and.
deses Gerat angeschlossenen Lautsprecher.
wiedergegeben.
LEFT:
Telefonanrufe werden über den linken, an\ deses Gerät angeschlossenen Laufsprecher\ wiedergegeben.
- Den JOYSTICK zur Wahl der gewünschten Betriebsart nach rechts oder links drucken. AnschlieBend die Eingabetaste in der Mitte des JOYSTICK drucken, um sie aufzurufen.
- Die ADJ-Taste erneut drucken, um zum Standard-Display zurückzukehren.
7. FEHLERSUCHE
| Störung | Ursache | Behebung | |
| Allgemein | Einschalten des Gerätes nicht möglich (kein Ton). | Sicherung durchgebrannt. | Gegen eine neue Sicherung mit gleicher Amperezahl ausstauschen. Soltte die Sicherung erneut durchbrennen, dann wenden Sie sichitte an einen autorisierten VDO Dayton Handler. |
| Falsche Verdraught. | Überprüfen Sie alle Kabelverbindungen (siehe Einbauan-leitung) oder wenden Sie sich an ihren VDO Dayton Handler. | ||
| Keine Reaktion bei Tastenbetätigung. Anzeige nicht korrekt. | Störung beim Mikroprozessor. | Das Gerätausschalten und dann die Freigabetaste ⑥ zur Entfernung des abnehmbaren Bedienteil betätigten. Die RESET-Taste mit einem dūnnen Gegenstand (z.B. Böriklammer) für ca. 2 Sekunden drücken. RESET-Taste | |
| Die Anschlüsse des Bedienteils oder des Gerätes sind verschmutzt. | Anschlußleiste mit einem weichen Tuch sauberwischen, das mit Reinigungslalkohol angefeucht ist. | ||
| Fernbedienung Funktioniert nicht. | Display ist nicht ausgefahren. | Die Fernbedienung funktioniert nur bei ausgefahrenem Display. | |
| Sonnenlicht fällt direkt auf das Infrarot-Empfangsauge ② des LCD-Displays. | Bei direktem Einfall von grelem Sonnenlicht direkt in das IR-Empfangsauge ist die Funktion der Fernbedienung u. U. beeinträchtigt. | ||
| Batterien der Fernbedienung fehlen oder sind entladen. | Die Batterien der Fernbedienung überprüften oder die Fernbedienung in die Halterung steken. | ||
| TV | Keine Bildwiedergabe | Handbremse ist nicht angezogen. | Sicherstellen, daß die Handbremse angezogen ist. |
| Bild ist zu dunkel. | Helligkeit ist zu niedrig eingestellt. | Helligkeitseinstellung korrigieren. | |
| Widrige Betriebsbedingungen. | Temperatur im Fahrzeug beträgt 0°C oder weniger. Innenraum beheizen (auf ca. 25°C) und erneut prüfen. | ||
| Scheinwerfer sind eingeschaltet. | Das Display wird bei Dunkelheit d. h. beim Einschalten der Scheinwerfer etwas abgedunkelt, um Blenden zu vermeiden. (Daher bei zu dunklem Display prüfen, ob Scheinwerfer eingeschaltet sind.) | ||
| Displayfarben zu schwach oder mangelhaft. | Farbeinstellung ist falsch. | Sicherstellen, daß COL (Farbe) und HUE (Farbwert) korrekt eingestellt sind. | |
| Bei Anschluß eines Videorekorders kommt es zu Bildverzerrung. | NTSC/PAL-Einstellung falsch | Die NTSC/PAL-Umschaltung auf den Videorekorder einstellen. | |
| N | Beim Fernsehempfang kommt es zu Bildverzerrung. | Schlechte Empfangsbedingung | Die Empfangssignale werden durch Berge, Gebäude usw. reflktiert. Erneut an einem Ort mit eigenen Empfangs-bedingungen prüfen. |
| Schatten- oder Geisterbilder beim Fernsehempfang. | Schlechte Empfangsbedingung | Durch Reflexion der Signale an Bergen oder Gebäuden kann Mehrwegeempfang resultieren. Nach Ortswechsel oder Ändern der Ausrichtung erneut prüfen. | |
| Streifen oder Punkte beim Fernsehempfang. | Störfrequenzen | Fahrzeuge, Straβenbahnen, Stromleitungen, Neonschilder usw. können den Fernsehempfang stären. Nach Ortswechsel erneut prüfen. | |
| Rote, grüne und blaue Punkte im Bild. | Einzelne Pixel im LCD nicht aktiviert. | Kein Defekt, sondern typisch für Flüssigkrystaldisplays (LCD). (Die Displays werden mit äußert prazisen Technologien hergestellt. Im allgemeinen sind normalerweise 99,99% aller Bildpunkte (Pixel) aktiviert und nur 0,01% fallen aus.) |
8. FEHLERANZEIGEN
Wenn ein Fehler auftritt, erscheint eine der folgenden Anzeigen. Zur Behebung der Störung jeweils die unter beschriebene Maßnahme ausführten.
| Fehleranzeige | Ursache | Behebung | |
| CD-Wechsler | ERROR 2 | Eine CD im CD-Wechsler wurde nicht geladen. | Defekt beim Mechanismus des CD-Wechslers.itte wenden Sie sich an einen autorisierten VDO Dayton Händler. |
| ERROR 3 | Eine CD im CD-Wechsler kann aufgrund von Kratzern, usw. nicht wiedergegeben werden. | Gegen eine CD austauschen, die nicht zerkratzt oder verformt ist. | |
| ERROR 6 | Eine CD im CD-Wechsler wurde verkehrt herum eingelegt und kann nicht wiedergegeben werden. | Die CD Herausnehmen und korrekt einlagen. |
Wenn eine andere Fehleranzeige als die oben aufgeführten erscheidt, die RESET-Taste bei heruntergebnkapptem Bedienteil betätigten. Soltte die Störung dann immer noch nicht behoben sein, wenden Sie sich an einen autorisierten VDO Dayton Handler oder rufen Sie unseren VDO Dayton Customer Help Desk unter folgender Telefonnummer an:

06441/370-674

0800-208686

056-418 19 22
9. TECHNISCHE DATEN
UKW-Tuner
Frequenzbereich:
87,5 MHz bis 108 MHz (0,05 MHz Schritte)
MW-Tuner
Frequenzbereich:
MW: 531 kHz bis 1602 kHz (9 kHz Schritte)
LW: 153 kHz bis 279 kHz (3 kHz Schritte)
Verträker
Nennleistung (Sinus):
17 W ∞ 4 (20 Hz bis 20 kHz, 1% Klirr, 4 Ω)
Musikleistung: 40W 4 (EIAJ)
Lautsprecherimpedanz: 4 (4 bis 8
Eingänge
RGB-Eingang:
Video signal: 0,7 ± 0,2 Vs-s (Eingangsimpedanz 75 Ω)
Synchronousignal: 0,3 (+0,9/-0,1) Vs-s (Eingangsimpedanz 75 Ω)
Videoeingang:
1,0± 0,2 Vs-s (Eingangsimpedanz 75)
Videobuchse: Mini-DIN (8 Pin)
LCD-Bildschirm
Bildschirmgroße:
142 mm Breite x 78 mm Höhe (6,5-Zoll Wide Screen)
Bildwiedergabe: Übertragungs-TN-LCD
Anzeigeart: TFT-Aktivmatrix (Dunnfilmtransi
Bildpunkte:
280800 (1200 x 234)
Allgemeines
Spannungsversorgung:
14,4 V Gleichspannung (10,8 bis 15,6 V)
Erdung:
Minus an Masse
Leistungsaufnahme:
4,0 A (1 W)
Ausgangsstrom für Automatik-Antenne:
max. 500mA
Geräteabmessungen:
178 (B) x 50 (H) x 157 (T) mm
Gewicht:
1,7 kg

Hauptgerat

Einheit: mm
Hinweise:
- Technische Daten nach EIAJ-Norm
- Das Recht zu Änderungen an technischen Daten und Design ohne Vorankündigung bleibt vorbehalten.
Inhalt
- EHE SIE MIT DEM EINBAU BEGINNEN 123
- VERPACKUNGsinhalt 123
- ALLGEMEINE VORSICHTSMASSNAHMEN 124
- VORSICHTSMASSNAHMEN FÜR INSTALLATION 124
- EINBAU DES HAUPTGERÄTES 125
- AUSBAU DES HAUPTGERÄTES 126
- VORSICHTSMASSNAHMEN FÜR VERDRAHTUNG 127
- KABELVERBINDUNGEN 128
- BEISPIELSYSTEME 130
1. EHE SIE MIT DEM EINBAU BEGINNEN
- Dieses Gerat ist ausschließlich für die Benutzung in Fahrzeugen mit einer 12-Volt-Anlage und Minus an Masse vorgesehen.
- These Anleitungen sorgfältig durchlesen.
- Vor Einbaubeginn unbedingt den Minuspol der Batterie abklemmen, um Kurzschlusage während des Einbau zu verhindern (Abbildung 1).

Abbildung 1
2.VERPACKUNGsinhalt
1 Hauptgerät
2 Anleitungen
Bedienungs- & Einbauanleitung
3 Anschlußkabel
(Stromversorgung und Laufsprecher)
4 Beutel fur Zubehor des Hauptgerats (Nr.1)
Senkschraube (M5× 8) 4
Sechskantschraube (M5× 8) . 5
5 Beutel für Zubehör des Hauptgeräts (Nr. 2)
Hakenplatte 2
Kabelklemme
Abstandhalter
Spezialschraube
6 Universal-Montagerahmen
7 AuBere Abdeckung
8 Etui für Bedienteil
3. ALLGEMEINE VORSICHTSMASSNAHMEN
-
Nicht das Gehäuse öffnen. Darin befinden sich keine Teile, die vom Benutzer gewartet werden konnen. Wenn während des Einbaus ein Gegenstand in das Gerät fällt, dann wenden Sie sichitte an ihren VDO Dayton Hand-ler.
-
Für die Reinigung des Gehäuses ein weiches, trockenes Tuch benutzen. Niemals ein grobes Tuch, Verdünner, Benzin, Alkohol, usw. verwenden. Bei starker Verschmutzung den Schmutz vorsichtig mit einem mit etwas kaltem oder warmem Wasser angefeuchteten weichen Tuch abwischen.
- Vor Einbaubeginn alle erforderlichen Teile und Werkzeuge für das Hauptgerät vorbereiten.
- Dieses Modell ist mit einem ausfahrbaren LCD-Bildschirm ausgestattet, der nach vorn aus dem Gerät geschoben wird. Überprüfen Sie daher vor dem Einbau, ob genug Freiraum zum Armaturenbrett und zum Ganghebel vorhanden ist (Abbildung 2). Bei einigen Fahrzeugtypen konnte der LCD-Bildschirm das Armaturenbrett oder den Gangschatthebel berühren. In thisem Fall darauf das Gerät nicht eingebaut werden.

Gangschalteberol (darauf achten, daß er nicht den LCD-Bildschirm berührt)

Abbildung 2
Gangschaltebel
- Das Gerät innerhalb 30^ der horizontalen Ebene einbauen. (Abbildung 3)

Abbildung 3
-
Wenn Einbauarbeiten, wie z.B. Bohren von Lochern, an der Fahrzeugkarosserie vorgenommen werden müssen, dann wenden Sie sichittevorher an ihren Autohandler.
-
Für den Einbau die mitgelieferten Schrauben verwenden. Die Verwendung anderer Schrauben konnte Beschädigungen verursachen (Abbildung 4).


Abbildung 4
- Das Hauptgerät besitzt Befestigungsschraubenlocher für den VDO Dayton Einbausatz (_eC^ -Markierungen, Abbildung 5).

Abbildung 5
Universal-Montagerahmen
- Den Universal-Montagerahmen in das Armaturenbrett einführen, mit einem Schraubenzieher die einzelnen Blechlaschen des Universal-Montagerahmens nachinnen biegen und wie in Abbildung 6 gezeigt sichern.
- Wie in Abschnitt 8 gezeigt verdrahten.
- Das Hauptgerät in den Universal-Montagerahmen einschieben, bis es einrastet.
- Die äußeren Verzierungsleisten so anbringen, daß alle Haken verriegelt sind.
Hinweise:
1) Für einige Fahrzeugtypen sind spezielle Bausätze für den ordnungsgemäßen Einbau erforderlich. Wenden Sie sichitte für Einzelheiten an ihren VDO Dayton Handler.
2) Um zu verhindern, daß sich das Hauptgerät lockert, die vorderen Blechlaschen gut sichern.

Ausschnittabmessungen der Konsole
Abbildung 6
6. AUSBAU DES HAUPTERÄTES
- Wenn die Rückseite des Hauptgerätes entsprechend des Verfahrens in Abbildung 6 gesichert wurde, die Spezialschraube losen.
- Die äußere Verzierungsleiste abnehmer.
- Die Hakenplatte zwischen der Feder und dem Universal-Montagerahmen einfahren, die Lasche (B) der Feder in das Loch (A) der Ha
kenplatte einpassen und das Hauptgerät mittels der Hakenplatte Herausziehen. (Die rechte und linke Kante der Hakenplatte einführen, Abbildung 7.)
Hinweis: Die Hakenplatte aufbewahren. Ohne das Losen der Hakenplatte kann das Hauptgerät nicht entfernt werden.

Abbildung 7
7. VORSICHTSMASSNAHMEN FÜR VERDRAHTUNG
- Vor der Verdrahtung unbedingt die Spannungsvorsorgung abschalten (Minuspol der Batterie abklemmen).
- Be der Verlegung der Kabel besonderss sorgfältig vorgehen.
Die Kabel nicht in der Höhe des Motors, des Auspuffrohrs, usw. verlegen. Wärme konnte die Kabel beschädigen.
- Wenn die Sicherung durchbrennt, überprüfen, ob die Verdrahtung korrekt ist.
Ist sie einwandfrei, die Sicherung gegen eine neue mit der gleichen Amperezahl austauschen. - Zum Wechsel die Sicherung (15 A) aus der Rückseite des Geräts ziehen und durch eine neue ersetzen (Abbildung 8).

Rückansicht des Hauptgerats
Abbildung 8
- Wenn das Schwarze Massekabel (A7) nicht über den ISO-Steckverbinder an die Fahrzeugstromversorgung angeschlossen wird, muß es an einem geeigneten Massepunkt (blankes Metall) des Fahrzeugs safer befestigt werden (Abbildung 9).
Massekabel nicht direkt an den Minuspol der Fahrzeugbatterie anschließen!
Wenn die Masseverbindung des Geräte unzureichend ist, konnte es ausfallen oder es konnen Störgeräutsche (Brummen, Pfeifen) entstehen.
A VORSICHT
Nach dem Anschluß das Kabel mit einer Klemme oder Isolierband zum Schutz befestigen.


| PIN-Nr. | Kabelfarbe | Anschluß |
| Stecker A, Stromversorgung | ||
| A1 | braun | Eingang für Telefon-Stummschaltung |
| A2 | - | Nicht belegt |
| A3 | - | Nicht belegt |
| A4 | rot | + 12 V permanent (Dauerplus), muß für 15 A Stromaufnahme geeignet sein! |
| A5 | blau/weiß | Schaltausgang für Automatikantenne (max. 300 mA) |
| A6 | orange/weiß | Eingang für Beleuchtung (z.B. vom Abblendlicht) |
| A7 | gelb | + 12 V geschalte (über Zündschloß) |
| A8 | schwarz | Masse (ohne fahrzeugseitigen ISO-Anschluß an geeigneten Massepunkt an der Karosserie) |
| Stecker B, Lautsprecher | ||
| B1 | violett | Phase hinten rechts (HR +) |
| B2 | violett/schwarz | Rückleitung hinten rechts (HR -) |
| B3 | grau | Phase vorne rechts (VR +) |
| B4 | grau/schwarz | Rückleitung vorne rechts (VR -) |
| B5 | weiß | Phase vorne links (VL +) |
| B6 | weiß/schwarz | Rückleitung vorne links (VL -) |
| B7 | grün | Phase hinten links (HL +) |
| B8 | grün/schwarz | Rückleitung hinten links (HL -) |
Zubehöranschluß
- Anschluß einer Rückfahrkamera für das Fahrzeug
Die Rückfahrkamera für das Fahrzeug kann an den Systemerweiterungs anschluß des Haupt-geräts angeschlossen werden.
Zu Einzelheiten siehe Einbauanleitung der Rückfahrkamera.
Hinweise:
- Für die Verbindung des Hauptgeräts und der Rückfahrkamera ist eine als Zubehör erhältliche Stromversorgung erforderlich.
- Bei Betrieb einer CCD-Kamera kann das Navigationssystem nicht verwendet werden.
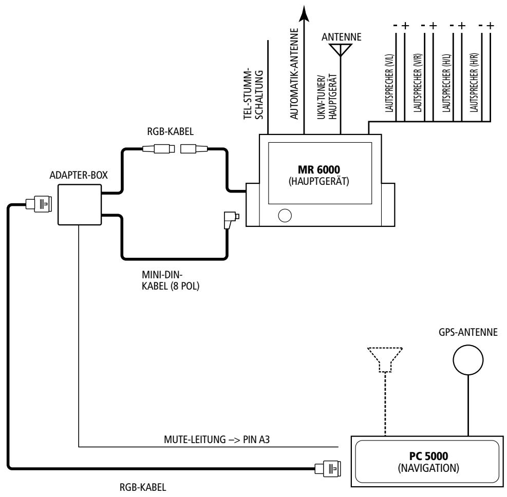
- Anschluß an das Navigationssystem
Für den Anschluß eines VDO Dayton Navigationssystems ist die Systemerweiterungsbuchse (CCD/NAVI) und die RGB-Buchse des Hauptgeräts vorgesehen.
Bei Anschluß eines Navigationssystems kann keine CCD-Kamera angeschlossen werden.
- Anschluß an ein Mobiltelefon
Wenn die darauf vorgesehene Leitung des Mobiltelefons an die Leitung fur Telefonstummschaltung (A1) angeschlossen wird, ist die Tonstummschaltung bei Benutzung des Mobiltelefons verfügbar.
Einzelheiten zur Einstellung der Telefonstummschaltung für das Mobiltelefon finden Sie auf Seite 118.
- TV-Tuner
Der TV-Tuner wird über die BUS-Buchse und die gelbe Cinchbuchse angeschlossen. Einzelheiten zum Anschluß des TV-Tuners finden Sie in der Bedienungsanleitung des TV-Tuners.
■ Beispiesystem 1

Kompositbild-Videoquellen über die 8-Pin Mini-DIN-Videobuchse anschließen. RGB-Bildquellen über die 8-Pin DIN-RGB-Buchse anschließen.
Zur korrekten Konfiguration des Geräte-Eingangs siehe Seite 116.
* Bei Anschluß eines Navigationssystems kann keine CCD-Kamera angeschlossen werden.

Geachte klant,
- VOORZICHTSMAATREGELEN 135
WAARSCHUWING 135
GEBRUIKERSINFORMATIE 135
2.AANDUIDING 136
- VOORZICHTSMAATREGELEN 142
Automatisch opslaan - AS 148
Vaste zender-weergave - SCN 148
RDS 149
RDS (Radio Data System) 149
AF-functie 149
- FOUTEN WEERGEVEN 163
- TECHNISCHE GEGEVENS 164
1. VOORZICHTSMAATREGELEN

WAARSCHUWING
5. VOORZICHTSMAATREGELEN
Automatisch opslaan - AS
17 W ∞ 4 (20 Hz till 20 kHz, 1% Klirr, 4 Ω)
Musikeffekt 40 W × 4 (EIAJ)
Impedans hoge talare: 4 Ω (4 till 8 Ω)
Ingångar
RGB-ingang:
Video signal: 0,7± 0,2 Vs-s
(ingangsimpedans 75Ω)
Synkronsignal: 0,3 (+0,9/-0,1) Vs-s
(ingangsimpedans 75Ω)
Videoingang
1,0± 0,2 Vs-s (ingangsimpedans 75
Videoanslutting Mini-DIN (8 pin)
LCD-bildskärm
Bildskarmstorlek:
Bildatergivning: Overfürings-TN-LCD
Indikeringstyp: TFT-aktivmatris
Tunnfilmtransistor)
Bildpunkter:
280800 (1200 x 234)
Allmänt
Driftspanning:
14,4 V likspanning (10,8 till 15,6 V)
Jordning:
Minus till jord
Effektforbrukning:
4,0 A (1 W)
Utgangsström für automat-antenn:
max. 500mA
Apparattt:
178 mm (bredd) x 50 mm (höjd) x 157 mm
(djup)
Vikt:
1,7 kg

Huvudapparat

Enhet: mm
Anvisiningar:
REG-funktion (regionalprogram) 317
REG-funktion (regionalprogram)
Musikeffekt: 40 W ∞ 4 (EIAJ)
Hjttalerimpedans: 4 Ω (4 til 8 Ω)
Indgange
RGB-indgang:
Video signal: 0,7± 0,2 Vs-s (indgangsimpedans 75Ω)
Synkroniseringssignal: 0,3 (+0,9/-0,1) Vs-s (indgangsimpedans 75 Ω)
Videoindgang:
1,0± 0,2 Vs-s (indgangsimpedans 75)
Videobosning: Mini-DIN (8 ben)
LCD-skaerm
Skaermstørrelse:
Belgien & Niederlande & Luxemburg
Ohre VDO Garantie
Sehr geehrter Kunde,
VDO leistet Garantie zu den nachfolgenden Bedingungen.
Innerhalb der Garantiezeit von 24 Monaten ab Kaufdatum werden alle Konsumgüter der Marke VDO, die in Ländern gekauft worden sind wo VDO officielle Wiederverkäuser hat, in diesen Ländern ohne Lohn- und Materialkostenberechnung repariert, wenn dies möglich ist.
These Garantie gilt uneingeschrankt der nationale Gesetzung be die im Lande der Anschaffung ggf. auf dem Gebiet der Garantiepflicht von VDO und ihren Geschäftsverbindungen den Kunden gegenüber zustriftt.
Voraussetzung fur die Erbringung der Garantieleistung ist die Vorlage des Kaufbeiges, auf dem das Kaufdatum, der Name des Handlers und die Geräte, Typen- und Seriennummer vermerkst sind.
Von der VDO Garantie ausgeschlossen sind:
- Fehler, die durch nicht bestimmungsgemähen Gebrauch sowie infolge Nichtbeachtung der Bedeutungsanleitung entstanden sind.
Die VDO Garantie entfällt auBerdem,
- wenn Eingriffe oder Änderungen an dem Gerät von Personen vorgenommen worden sind, die hierzu nicht befug sind,
- wenn die Typen- oder Seriennummer auf dem Gerät verändert, beseitigt oder unlesserlich gemacht worden ist,
- bei Schäden durch äußere Einwirkung wie Blitz, Wasser, Feuer und weitere, oder durch unsachgemäße Behandlung.
- wenn am Gerät Modifikationen oder Anpassungen vorgenommen werden müssen, um den Einsatz in einem anderen Land als für das es entwickelt, produziert und/oder zugelassen wurde zu erhöglich, respektive für Schäden, die aus oben genommen Anpassungen und Modifikationen entstanden sind.
Wenn Ihr VDO Markengerät nicht ordnungsgemäß Funktioniert, wenden Sie sich bereits an ihren VDO Fachhändler oder an eine autorisierte VDO Service-Annheimstelle.
Zur Vermeidungunnottigen Aufwands empfehlen wir Ihnen vor dem Aufsuchen einer VDO Service-Stelle, die Bedienungsanleitung his Geserates sorgfältig zu lessen.
Für den Fall, daß Sie weitere Fragen haben, richten Sie dieseitte an:
Sehr geehrte Kundin, sehr geehrter Kunde,
Sie haben sich für den Kauf eines Gerätes von VDO entschieden. Wir danken Ihn für Ihr Vertrauen. Unsere Mitarbeiter haben alles daran gesetzt, Ihn hervorragende Qualität zu halten.
Gleichwohl kann es in Einzifällen einmal Grund zu Beanstandungen geben. Deshalb bietet VDO Ihnen nach ihrer Wahl - zusätzlich zu ihren Gewährleistungsansprüchen gegenüber ihm Verkäufe - Garantie zu den nachfolgenden Bedingungen:
Innerhalb einer Garantiezeit von 24 Monaten ab
Kaufdatum werden alle Produkte von VDO, die in Ländern gekauft worden sind in denen VDO autorisierte Wiederverkäuser hat, in diesen Ländern ohne Lohn-und Materialkostenberechnung repariert.
Voraussetzung für die Erbringung der Garantieleistung ist ein von uns anerkanter garantiepflichtiger Mangel sowie die Vorlage des Kaufbeiges, auf dem das Kaufdatum und der Name des Handlers sowie die Typen-und Seriennummer des Gerätes vermerkt sind. Von der VDO Garantie ausgeschlossen sind:
- Fehler, die durch nicht bestimmungsgemäßen Gebrauch sowie infolge Nichtbechtung der Gebrauchsanweisung entstanden sind.
Die VDO Garantie entfällt auBerdem,
- wenn die o.g. Dokumente geändert oder unlesbar gemacht worden sind,
- wenn Eingriffe oder Änderungen am Gerät vorgenommen worden sind,
- wenn die Typen- oder Seriennnummer auf dem Gerät verändert, beseitigt oder unileserlich gemacht worden ist,
- bei AuBeneinwirkungen (Blitz, Feuer, Wasser u.a.).
Durch die Inanspruchnahme der Garantieurkunde wird die Garantiezeit weiter verlangert noch wird eine neue Garantiefrist für das Produkt in Kraft gesetz.
Wenn Sie die Garantieleistung nutzen wollen, wenden Sie sich bereits an ihren VDO Handler oder an eine von VDO autorisierte Werkstatt / Annahmestelle.
In Himr Interesse bitten wir Sie, die Bedienungsanleitung His Gerates sorgfältig zu lessen, um unmörtige Beanstandungen zu vermeiden.
Falls Sie weitere Fragen haben, wenden Sie sichitte an:
VDO Car Communication
Customer Desk
Philipsstraße 1
35573 Wetzlar
Tel.: 06441/370-674
Fax: 06441/370-690
H yyyunon oac PHILIPS (VDO)
Ayanté Katavaawnti
Sehr geehrte Kundin, Sehr geehrter Kunde,
Sie haben sich für den Kauf eines Gerätes von VDO entschieden. Wir danken Ihnen für Ihr Vertrauen. Unsere Mitarbeiter haben alles daran gesetzt, ihren hervorragende Qualität zu halten.
Gleichwohl kann es in Einzifällen einmal Grund zu Beanstandungen geben. Deshalb betiet VDO Ihnen nach ihrer Wahl - zusätz zu ihren Gewährleistungsansprüchen gegenüber ihm Verkauf - Garantie zu den nachfolgenden Bedingungen:
Innerhalb der Garantiezeit von 24 Monaten ab Kaufdatum werden alle Produkte von VDO, die in Ländern gekauft worden sind in denen VDO autorisierte Wie-derverkäufer hat, in diesen Ländern ohne Lohn- und Materialkostenberechnung repariert.
Voraussetzung für die Erbringung der Garantieleistigung ist ein von uns anerkannten garantiepflichtiger Mangel sowie die Vorlage des Kaufbeleges, auf dem das Kaufdatum und der Name des Handlers sowie die Typen-und Seriennummer des Gerätes vermerkt sind.
Von der VDO Garantie ausgeschlossen sind:
- Fehler, die durch nicht bestimmungsgemähen Gebrauch sowie infolge Nichtbeartung der Gebrauchsanweisung entwickelten sind.
Die VDO Garantie entfällt auBerdem,
- wenn die o.g. Dokumente geändert oder unlesbar gemacht worden sind,
- wenn Eingriffe oder Änderungen am Gerät vorgenommen worden sind,
- wenn die Typen- oder Seriennnummer auf dem Gerät verändert, beseitigt oder unileserlich gemacht worden ist,
- bei Außeneinwirkungen (Blitz, Feuer, Wasser u.a.).
Durch die Inanspruchnahme der Garantieurkunde wird die Garantiezeit weder verlangert noch wird eine neue Garantiefrist für das Produkt in Kraft gesetzt.
Wenn Sie die Garantieleistung nutzen wollen, wenden Sie sich膑 an ihren VDO Handler oder an eine von VDO autorisierte Werkstatt / Annahmestelle.
In Himm Interesse bitten wir Sie, die Bedienungsanleitung Ihres Gerates sorgfaltig zu lessen, um unnottige Beanstandungen zu vermeiden.
Falls Sie weitere Fragen haben, richten Sie dieseitte an:
VDO Car Communication
Kundeninformation:
Tel. 0800 20 86 86
Fax (01) 60101 1811
Triesterstraße 64
1100 Wien
A Sua Garantia VDO
Estimado Cuestione
Sehr geehrter Kunde,
Wir beglükwünschen Sie zum Kauf these VDO-Products.
VDO siehe eine 24 monatige Garantie vor. Diese umfaß Kostenloses Reparieren oder Erseten defekter Teile in dem Land, in dem VDO autorisierte Wiederverkäufer hat. Dies für alle, unter Serviceverpflichtung stehenden Konsumgüterprodukte mit der Marke VDO, welche in diesen Ländern verkauf werden.
These Garantie bestägt die Verantwortung der nationa- lden VDO Organisation zusammen mit den Handelspartnern gegenüber den Konsumten.
Die oben erwähnten Garantieleistungen gelten für eine Dauer von 24 Monaten ab Verkaufsdatum, sofern das Produkt gemäß Bedienungsanleitung und seinem Verwendungszweck entsprechend eingesetzt wurde.
Für den Garantieanspruch ist das Vorzeigen der Originalrechnung oder der Kassenguittung, mit Verkaufsdatum, dem Namen des Handlers, der Typen- und Seriennummer erforderlich.
Es besteht kein VDO-Garantieanspruch, wenn
- die Dokumente in irgendener Weise abgeändert oder unleserlich gemacht wurden
- die Typen- oder Seriennummer der Produkte abgeändert, gelöscht, entfern oder unleserlich gemacht wurde
- Eingriffe durch unberechtigte Stellen oder Personen ausgeführten wurden
- Schäden durch äußere Einwirkung wie Blitz, Wasser, Feuer und weitere oder durch unsachgemäß Behandlung entstanden sind
- am Gerat Modifikationen oder Anpassungen vorgenommen werden,Müssen,um den Einsatz in einem anderen Land als fur das es entwickelt und produziert und/oder zugelassen wurde zu ermögenslich, respektive fur Schaden, die aus oben genommen Anpassungen und Modifikationen entstanden sind.
Um die Vorzüge Ihres Gerätes optimal nutzen zu kon- nen und um unnötie Umtriebe zu vermeiden, empfehlen wir Ihnen, die Bedienungsanleitungen sorgfältig zu studieren.
Wenn Ihr VDO-Gerät nicht zufriedenstellend faktioniert oder einen Defekt aufweisen solte, Kontaktieren Sieitte ihren VDO-Händler.
Bitte richten Sie alle weiteren Fragen an Ihr "VDO Info Center":
VDO Car Communication AG
Haerdlistr.17
CH-8957 Spreitenbach
Tel. Nr. 056/418 1920
Fax Nr. 056/418 1930
CH-8957 Spreitenbach
Tel.no.056/4181920
Fax no. 056/418 1930
Garanzia VDO
Egregio cliente
CH 8957 Spreitenbach
Tel.no.056/4181920
Fax no. 056/418 1930
VDO-Takuu
Arvoisa asiakas!
EinfachAnleitung