G52-75991XR - Laptop MSI - Kostenlose Bedienungsanleitung
Finden Sie kostenlos die Bedienungsanleitung des Geräts G52-75991XR MSI als PDF.
Laden Sie die Anleitung für Ihr Laptop kostenlos im PDF-Format! Finden Sie Ihr Handbuch G52-75991XR - MSI und nehmen Sie Ihr elektronisches Gerät wieder in die Hand. Auf dieser Seite sind alle Dokumente veröffentlicht, die für die Verwendung Ihres Geräts notwendig sind. G52-75991XR von der Marke MSI.
BEDIENUNGSANLEITUNG G52-75991XR MSI
Hinweis von MSl zur Erhaltung und Schutz unserer Umwelt
Gemäß der Richtlinie 2002/96/EG über Elektro- und Elektronik-Altgeräte)dürfen Elek-tro- und Elektronik-Altgeräte nicht mehr alsCOMMUNALE Abfälle entsorgt werden. MSI hat europaweit verschiedene Sammel- und Recyclingunternehmen beauftragt, die in die Europäische Union in Verkehr gebrachten Produkte, am Ende seines Lebenszyklus zurückzunehmen.itte entsorgen Sie theseS Produkt zum gegebenen Zeitpunkt ausschiesslich an einer lokalen Altgerätesammelstelle in ihrer Nare.
FRANÇAIS
- AMD® Phenom™ II Serie, Athlon™ II Serie und Sempron™ Serie Prozessor für Sockel AM3. (Weitere CPU Informationen finden Sie unter http://www.msi.com/index.php?func=cpuform2)
HyperTransport
HyperTransport™ 3.0, Unterstützung bis zu 5,2 GT/s
Chipsatz
North-Bridge: AMD® RX780 Chipsatz
South-Bridge: AMD® SB710 Chipsat
Speicher
DDR3 1600 (OC) / 1333 / 1066 / 800 DRAM (gesamt max.16GB)
4 DDR3 DIMMs, unterstützt die Modus Dual-Kanal ( OC= Übertaktung, weitere Informationen zu kompatiblen Speichermodulen finden Sie unter http://www.msi.com/index.php?func=testreport)
LAN
- Unterstützung Gb LAN (10/100/1000) über Realtek® RTL8111E
IEEE 1394
Onboard Chip über VIA® VT6308P
- Unterstützung 1 IEEE 1394 Anschluss (Rückplatte) & 1 IEEE 1394 Stiftleiste
Audio
- HD-Audio-Codec wird von Realtek® ALC892/ ALC887 (optional) integriert
8-Kanal Audio-Ausgang mit „Jack Sensing"
SATA
6 SATA 3Gb/s (SATA1~6) Anschlüsse über AMD® SB710
2 SATA 6Gb/s (SATA7~8) Anschlüsse über Marvell® 88SE9128 (für 870A-G55)
- Unterstützung Hotplug & asynchrone Benachrichtigung
Wichtig
Achtung: Wenn Sie "PCI Express x4/x1 Slot" als [x4] unter "Integrated Peripherals" im BIOS eingestehen, kann die SATA 6 Gb/s Anschlüsse (SATA7~8) und den PCIE x1-Steckplatz deaktivieren.
USB 3.0
2 USB 3.0 Anschlüsse über NEC uPD720200F1
RAID
SATA1~6 Anschlüsse unterstützen die Modi RAID 0/1/10 über AMD® SB710
SATA7~8 Anschlüsse unterstützen die Modi RAID 0/1 über Marvell® 88SE9128 (für 870A-G55)
Diskette
1 Disketten Anschluss
- Untersitzt 1 Diskettenlaufwerk mit 360KB, 720KB, 1,2MB, 1,44MB und 2,88MB
Anschlüsse
Hintere Ein-/ und Ausgänge
- 1 PS/2 Tastaturanschluss
- 1 PS/2 Mausanschluss
- 1 CMOS leeren-Taste
- 1 koaxialer S/PDIF-Ausgang
- 1 optischer S/PDIF-Ausgang
- 6 USB 2.0 Anschlüsse
- 1 USB 3.0 Anschluss
- 1 IEEE 1394 Anschluss
- 1 LAN Anschluss
- 6 Audiobuchsen
On-Board
- 2 USB 2.0 Stifleisten
- 1 USB 3.0 Stiftleiste
- 1 IEEE 1394 Stiftleiste
- 1 Gehäusekontaktschalter
- 1 S/PDIF-Ausgang Stiftleiste
- 1 Audio Stiftleiste für Gehäuse Audio Ein-/Ausgänge
- 1 Serienne Stiftleiste
- 1 TPM Stiftleiste
- 1 CD Stiftleiste für Audio Eingang
- 1 OC Genie Taste
Stockplatz
2 PCIE x16-Steckplatze
- PCI_E2 Unterstützung die Geschwindigkeit bis zu PCIE x16, PCI_E3 unterstützen die Geschwindigkeit bis zu PCIE x4
- Unterstützung die ATI CrossFireX™ Technologie
1PCIEx1-Steckplatz
3 PCI-Steckplätze, unterstützen 3,3V/5V PCI Bus Interface
Wichtig
Achtung: Wenn Sie "PCI Express x4/x1 Slot" als [x4] unter "Integrated Peripherals" im BIOS eingestehen, kann die SATA 6 Gb/s Anschlüsse (SATA7~8) und den PCIE x1-Steckplatz deaktivieren.
Form Faktor
ATX (22,5 cm × 30,5 cm)
Montage
6 Montagebohrungen
- Wenn Sie für Bestellungen von Zubehör Teilenummern bereits, finden Sie diese auf unserer Produktseite unter http://www.msi.com/index.php
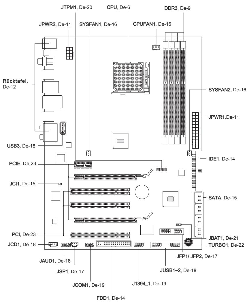
Koponenten-Übersicht

Schraubenlocher
Wenn Sie das Mainboard zu installieren, müssen Sie das Mainboard in das Chassis in der korrekten Richtung setzen. Die Standorte von Schraubenlochern auf dem Mainboard sind wie nachfolgend gezeigt.



Schaubenlocher
Verweisen Sie das obige Bild, um Abstandshalter in den entsprechenden Orten auf Chassis installmenten und dann Schraube durch das Mainboard Schraubenlocher in den Abstandshalten.
Wichtig
- Zur Verhütung von Schäden auf dem Mainboard, jeglichen Kontakt zwischen dem Mainboard Stromkreis und dem Chassis oder unnötige Abstandshalter montiert auf dem Chassis ist verboten.
-itte stellen Sie sicherrasskeine metallischen Komponenten auf dem Mainboard ausgesetzt ist oder innerhalb des Chassis, Kurzschluss des Mainboards verursachen kann.
CPU (Prozessor)
Wenn Sie die CPU einbauen, stellen Sieitte sicher, dass Sie auf der CPU einen Kuhler anbringen, um Überhitzung zu vermeiden. Verfugen Sie über keinen Kuhler, setzen Sie sichitte mit Ihr hemr Handler in Verbindung, um einen solchen zu erwerben und zu installieren. Um die neuesten Informationen zu Unterstützung Prozessoren zu erhalten, besuchen Sieitte http://www.msi.com/index.php?func=cpuform2
Wichtig
Überhitzung
Überhütung beschädigt die CPU und das System nachhaltig. Stellen Sie stets eine korrekte Funktionseise des CPU Kühlers sicher, um die CPU vor Überhütung zu schätzen. Überprüfen Sie eine gleichmäßige Schicht der thermischen Paste (oderthermischen Klebeandes) zwischen der CPU und dem Kühblech anwenden, um Wärmeableitung zu erhöhen.
CPU Wechsel
Stellen Sie vor einem Wechsel des Prozessors stets richer, dass das ATX Netzteil ausgeschaltet und der Netzstecker gezogen ist, um die Unverkehrheit der CPU zu gewährleisten.
Übertakten
Dieses Motherboard wurde so entworfen, dass es Übertakten unterstützen. Stellen Sie jedochitte)sicher,dass die betroffenen Komponenten mit den abweichenden Einstellungen während des Übertaktens zurecht kommt.Von jedem Versuch des Betriebes außerhalb der Produktspezifikationen kann nur abgeraten werden.Wir übernehmer keinerlei Garantie fur die Schaden und Risiken, die aus unzulässigem oder Bet rieb jensei ts der Produktspezifikationen resultieren.
Die Obserseite der AM3 CPU
Vergessen Sie nicht, etwas Siliziumwärmeleitpaste auf die CPU auf zugen, um eine Ableitung der Hitze zu erzielen.

der goldenen Pfeil
CPU & Kühler Einbau
Wenn Sie die CPU einbauen, stellen Sieitte sicher, dass Sie auf der CPU einen Kuhler anbringen, um Überhitzung zu vermeiden. Vergessen Sie nicht, etwas Siliziumwärmeleitpaste auf die CPU aufzutragen, bevor Sie den Prozessorkuhler installieren, um eine Ableitung der Hitze zu erzielen.
Folgen Sie den Schritten unter, um die CPU und den Kühler ordnungsgemäß zu installieren. Ein fehlerhafter Einbau führt zu Schäden an der CPU und dem Mainboard.
- Ziehen Sie den Hebels leicht seitlich vom Sockel weg, haben Sie ihn danach bis zu einem Winkel von ca. 90^ an.

- Ist die CPU korrekt installiert, sollen den die Pins an der Unterseite vollständig versenkt und nicht mehr sightbar sein. Beachten Sieitte, dass jeder Abweichung von der richtigen Vorgehensweise beim Einbau Ihr Mainboard dauerhaft beschädigten kann.

- Machen Sie den goldenen Pfeil auf der CPU ausfindig. Die CPU passt nur in der korrekten Ausrichtung. Setzen Sie die CPU in den Sockel.

- Drucken Sie die CPU fest in den Sockel und drucken Sie den Hebels wieder nach unter bis in seine Ursprungsstellung. Da die CPU während des Schliebens des Hebels dazu neigt, sich zu bewegen, sichern Sie dieseitte während des Vorgangs durch permanenten Fingerdruck von oben, um Sicherzustellen, dass die CPU richtig und vollständig im Sockel sitzt.

- Setzen Sie den Kühler auf die Kühlerhalterung und hacken Sie zuerst ein Ende des Kühlers an dem Modul fest.

- Drücken Sie den Sicherungshebel.

- Dann drücken Sie das andere Ende des Bügels herunter, um den Kühler auf der Kühlerhalterung zu fixieren. Anschließlich ziehen Sie den Sicherungshebel an der Seite fest.

- Verbinden Sie das Stromkabel des CPU Lufters mit dem Anschluss auf dem Mainboard.

Wichtig
- Die Fotos des Mainboard in thisem Abschnitt dieren nur Demonstrationszwecken im Zusammenhang mit dem Kühlereinbau für Sockel AM3 CPU. Die Erscheinung Ihres Mainboards kann in Abhängigkeit vom Modell abweichen.
- Es besteht Verletzungsgefahr, wenn Sie den Sicherungshaken vom Sicherungsbolzen trennen. Sobald der Sicherungshaken gelöst wird, schnellt der Sicherungshaken(sofort darüber.
Speicher
These DIMM-Steckpläte nehmen Arbeitsspeichermodule auf. Die neusten Informationen überCompatible Bauteile finden Sie unter http://www.msi.com/index.php?func=testreport

Populationsregeln fur Dual-Channel-Speicher
Im Dual -Channel-Modus konnen Arbeitsspeichermodule Daten über zwei Datenbusleitungen gleichzeitig senden und empfangen. Durch Aktivierung des Dual-Channel-Modus wird die Leistung Ihr's Systems verbessert.itte beachten Sie die folgenden Abbildungen zur Veranschaulichung der Populationsregeln im Dual-Channel-Modus.



Wichtig
- DDR3 und DDR2 können nicht unterinander getauscht werden und der Standard DDR3 ist nicht abwärtskompatibel. Installieren Sie DDR3 Speichermodule stets in DDR3 DIMM Slots.
- Stellen Sie im Zweikanalbetriebitte sichere, dass Sie Module des gleichen Typus und identischer Speicherdichte in den DIMM Slots underschiedlicher Kanäle verwenden.
- Um einen sicheren Systemstart zu gewährleisten, bestücken Sie immer DIMM1 zu-erst.
- Aufgrund der Chipszusatzcensatzung wird nur eine Systemdichte bis 15+GB (nicht volle 16GB) erkannt, wenn jeder DIMM Slot mit einem 4GB Speichermodul besetzt wird.
Vorgehensweise beim Einbau von Speicher Modulen
- Die Speichermodulen haben nur eine Kerbe in der Mitte des Moduls. Sie passen nur in einer Richtung in den Sockel.
- Stecken Sie das Arbeitsspeichermodul senkrecht in den DIMM-Steckplatz ein. Drücken Sie anschließend das Arbeitsspeichermodul nach unten, bis die Kontakte site richtig tief in dem DIMM-Steckplatz sitszt. Der Kunststoffbürger an jedem Ende des DIMM-Steckplatzes Schnappt automatisch ein, wenn das Arbeitsspeichermodul richtig eingesetzt ist.
- Prüfen Sie von Hand, ob das Arbeitsspeichermodul von den seitlichen Bügeln am DIMM-Steckplatz richtig gehalten wird.



Wichtig
Die goldenen Kontakte sind kaum zu sehen, wenn das Arbeitsspeichermodul richtig im DIMM-Steckplatz sitzt.
Stromversorgung
ATX 24-poliger Stromanschluss: JPWR1
Mit diesen Anschluss verbinden Sie den ATX 24-poligen Anschluss des Netzteils. Achten Sie bei dem Verbinden des ATX 24-poligen Stromanschlusses darauf, dass der Anschluss des Netzteils richtig auf den Anschluss an der Hauptplatine ausgerichtet ist. Drücken Sie dann den Anschluss des Netzteils fest nach unten, um eine richtige Verbindung zu gewährleisten.
Sie können auch den 20-poligen ATX-Stromanschluss des Netzteils verwenden. In this sem Fall muss eine Ecke des 20-poligen ATX-Stromanschlusses des Netzteils auf den Pol 1 bzw. Pol 13 des Anschlusses an der Hauptplatine ausgerichtet werden.

ATX 8-poliger Stromanschluss: JPWR2
Dieser 12V Stromanschluss wird verwendet, um die CPU mit Strom zu versorgen.

Wichtig
- Stellen Sie sicher, dass diese Anschlüsse mit den wichtigen Anschlüssen des Netzteils verbunden werden, um einen stabilen Betrieb der Hauptplatine sicherzustellen.
Rücktafel

Maus/Tastatur
Die Standard PS/2® Maus/Tastatur Stecker Mini DIN ist für eine PS/2® Maus/Tastatur.
CMOS leeren-Taste
Der CMOS Speicher wird über eine Betterie mit Strom versotgt, damit die Daten nach Abschalten des PC-systems erhalten bleiben. Weiterhin sind Informationen für den Start des Systems in dem Speicher hinterlegt. Sollen Sie Fehlermeldungen während des Startvorganges erhalten, kann ein Zurücksetzen des CMOS Speichers in den ursprünglichen Werkszustand halten. Drücken Sie dazu leicht den Schalter.
Wichtig
Stellen Sie sichere, dass das System ausgeschelt ist, bover Sie den CMOS Speicher in den Werkszustand zurücksetzen.
Nachdem es diesen Taster zu den klare CMOS Daten in einem Leistung-Auszustand (G3) betätig hat, startet das System automatisch.
Koaxialer S/PDIF-Ausgang
Dieser S/PDIF (Sony & Philips Digital Interconnect Format) Ausgang dient als digitale Schnittstelle zur Audioausgabezur den externen Laufsprechern durch ein Koaxialkabel.
> Optischer S/PDIF-Ausgang
Dieser S/PDIF (Sony & Philips Digital Interconnect Format) Ausgang dient als digitale Schnittstelle zur Audioausgabezur den externen Lautsprechern durch ein optischen Fasernkabel.
USB 2.0 Anschluss
Dieser USB (Universal Serial Bus) Anschluss zum direkten Anschluss von USB-Geräten, wie etwa Tastatur, Maus oder weiterer USB-kompatibler Geräte. Unterstützung Datentransferraten bis 480Mbit/s (Hi-Speed).
IEEE 1394 Anschluss (optional)
Das IEEE 1394 Anschluss auf der wichtere Anschlusspanel zu den Vorrichtungen IEEE1394.
USB 3.0 Anschluss
USB 3.0 Anschluss ist abwärtskompatibel mit USB 2.0-Geräten. Unterstützung Datentransferraten bis 5 Gbit/s (SuperSpeed).
Wichtig
Wenn Sie ein USB 3.0 Gerät verwenden möchten, müssen Sie das USB 3.0 Kabel verwenden, um an das USB 3.0 Anschluss anzuschreiben.
LAN
Die Standard RJ-45 Buchse ist für Anschlus zum an ein Lokales Netzwerk (Local Area Network - LAN). Hier kann ein Netzwerkkabel angeschlossen werden.

| LED | Farbe | LED Status | Zustand |
| Links | Gelb | Aus | Keine Verbindung mit dem LAN. |
| An (Dauerleuchten) | Verbindung mit dem LAN. | ||
| An (heller & pulsierend) | Der Computer kommuniziert mit einem anderen Rechner im LAN. | ||
| Rechts | Grün | Aus | Gewährte Datenrate 10 MBit/s. |
| An | Gewährte Datenrate 100 MBit/s. | ||
| Orange | An | Gewährte Datenrate 1000 MBit/s. |
Audioanschlussse
These Audioanschluss dienen zur Verbindung mit Audiogeräten. Durch die Farben erkennen Sie die entsprechenden Funktionen der Audioanschluss.
Line-In (Blau) - Der Anschluss "Line In" kann einen externen CD-Player, Tape-player oder ein sonstiges Audiogerät aufnahmen.
Line-Out (Grün) - An den Anschluss "Line Out" können Sie Laufsprecher oder Kopfhörer anschließen.
Mikrofon (Rosa) - Der Anschluss "Mic" nimmt ein Mikrofon auf.
RS-Out (Schwarz) - Dieser Anschluss nimmt die hinteren Surround-Lautsprecher im 4/5,1/7,1-Kanalmodus auf.
CS-Out (Orange) - Dieser Anschluss nimmt die mittleren oder Subwoofer-Lautsprecher im 5,1/7,1-Kanalmodus auf.
SS-Out (Grau) - Dieser Anschluss nimmt die beidenigen Surround-Lautsprecher im 7,1-Kanalmodus auf.
Anschlüssen
Anschluss des Diskettenlaufwerks: FDD1
An thisem Anschluss unterstützen ein Diskettenlaufwerke mit 360KB, 720KB, 1,2MB, 1,44MB oder 2,88MB Kapazität.

* Das MB-Layout in dieser Abbildung haben nur Orientierungscharakter.
IDE Anschluss: IDE1
An thisem Anschluss konnen IDE Festplatten, optische Laufwerke und andere Geräte betrieben werden.

* Das MB-Layout in dieser Abbildung haben nur Orientierungscharakter.
Wichtig
Verbinden Sie zwei IDE Laufwerke über ein Kabel, müssen Sie das zweite Laufwerk im Slave-Modus konfigurieren, indem Sie entsprechend den Jumper setzen. Entnehmen Sieitte die Anweisungen zum Setzen des Jumpers der Dokumentation der IDE Geräte, die der Festplattenhersteller zur Verfügung staatlt.
Serial ATA Anschluss: SATA1~8
Der Anschluss ist eine Hochgeschwindigkeitsschnittstelle der Serial ATA. Pro Anschluss kann ein S-ATA Gerät angeschlossen werden.

* Das MB-Layout in dieser Abbildung haben nur Orientierungscharakter.

SATA7/ SATA8 (6Gb/s)
werden durch Marvell® 88SE9128 (optional)
unterstutz
SATA1~6 (3Gb/s)
werden durch AMD® SB710 unterstützen
Wichtig
-itte falten Sie das Serial ATA Kabel nicht in einem Winkel von 90 Grad, da dies zu Datenverlusten während der Datenübertragung fuhrt.
- Achtung: Wenn Sie "PCI Express x4/x1 Slot" als [x4] unter "Integrated Peripherals" im BIOS einstellen, kann die SATA 6 Gb/s Anschlüsse (SATA7~8) und den PCIE x1-Steckplatz deaktivieren.
Gehäusekontaktanschluss: JCI1
Dieser Anschluss wird mit einem Kontaktschalter verbunden. Wir das Gehäuse geöffnet, wird der Schalter geschlossen und das System zeitnet dies auf und gibt auf dem Bildschirm eine Warnung aus. Um die Warnmeldung zu löschen, muss das BIOS aufgerufen und die Aufzeinung gelöscht werden.

Stromanschlüsse für Lüfter: CPUFAN1, SYSFAN1~2
Die Anschlüsse unterstützen aktive Systemlufter mit +12V . Wenn Sie den Anschluss herstellen, sollen den Sie immer darauf auf achten, dass der rote Draht der positive Pol ist, und mit +12V verbunden werden sollen. Der schwarze Draht ist der Erdkontakt und sollen mit GND verbunden werden. Ist Ihr Mainboard mit einem Chipsatz zur Überwachung der Systemhardware versehen, dann brauchen Sie einen speziellen Lüfter mit Tacho, um die Vorteile der Steuerung des CPU Lüften zu nutzen.


Wichtig
-itte informieren Sie sich auf der officiellen Website vom Prozessor uber empfohlene CPU Kuhler oder Fragen Sie ihren Handlcer nach einem geeigneten Lufter.
- CPUFAN1 unterstützt die Lüfterkontrolle. Sie können das Utility Control Center installieren, welche automatisch die Geschwindigkeiten des CPUFAN in Abhängigkeit von der CPUFAN Temperaturen steuert.
- CPUFAN1 kann die Lüfter/Kühlkörper mit drei- und vierpoligen Steckern Unterstützung.
Audioanschluss des Frontpanels: JAUD1
Dieser Anschluss erhögt den Anschluss von Audioein und -ausgangen eines Frontpanels. Der Anschluss entspricht den Richtlinien des "Intel® Front Panel I/O Connectivity Design Guide".

These Anschlusses sind für das Frontpanel. Sie dieren zum Anschluss der Schalter und LEDs des Frontpanels. JFP1 erfüllt die Anforderungen des "Intel® Front Panel I/O Connectivity Design Guide".


S/PDIF-Ausgang JSP1
Die SPDIF (Sony & Philips Digital Interconnect Format) Schnittstelle wird für die Übertragung digitaler Audiodaten verwendet.

USB Vorderanschluss: JUSB1 / JUSB2 / USB3
Dieser Anschluss entspricht den Richtlinien des Intel® I/O Connectivity Design Guide. Er ist bestens geeignet, Hochgeschwindigkeits- USB- Peripheriegeräte anzuschlieben, wie z.B. USB Festplattenlaufwerke, Digitalk cameras, MP3-Player, Drucker, Modem und ähnliches.

USB 2.0 Slotblech (optional)

USB 3.0 Anschluss: USB3
Wichtig
-itte beachten Sie,dass Sie die mit VCC (Stromfuhrende Leitung) und GND (Erdleitung) bezeichneten Pins korrekt verbinden müssen, ansonsten kann es zu Schadenkommen.
- Wenn Sie ein USB 3.0 Gerät verwenden möhen, müssen Sie das USB 3.0 Kabel verwenden, um an das USB 3.0 Anschluss anzuschreiben.
CD-Eingang: JCD1
Dieser Anschluss wird für externen Audioeingang zur Verfügung gestellt.

IEEE 1394 Anschluss: J1394_1
Mit diesen Anschluss verbinden Sie ein optionales IEEE 1394-Slotblech, das den Anschluss eines IEEE 1394-Gerätes ermöglich.

Serieller Anschluss: JCOM1
Es handelt sich um eine 16550A Kommunikationsschnittstelle, die 16 Bytes FIFOs sendet/empfängt. Hier{lsst sich eine serielle Maus oder andere serielle Geräte direkt anschließen.

TPM Modul Anschluss: JTPM1
Dieser Anschluss wird für das optionale TPM Modul (Trusted Platform Module) verwendt. Weitere Informationen über den Einsatz des optionalen TPM Modules entnehmen Sieitte dem TPM Plattform Handbuch.


Steckbrücke
Stockbrücke zur CMOS- Lösung: JBAT1
Der Onboard CMOS Speicher (RAM) wird über eine zusätzliche Betterie mit Strom versorgt, um die Daten der Systemkonfiguration zu speichern. Er ermöglicht es dem Betriebssystem, mit jedem Einschalten automatisch hochzufahren. Wenn Sie die Systemkonfigurationlöschen wollen, müssen Sie die Steckbrücke für kurze Zeit umsetzen (Löschen Daten).

1

1

1
JBAT1
Halten Daten
Löschen Daten
Wichtig
Wenn das System ausgeschaltet ist, können Sie die Steckbrücke auf den Pol 2 und 3 stecken, um die Daten im CMOS zulösen. Stecken Sie anschließend die Steckbrücke auf den Pol 1 und 2 darüber. Versuchen Sie niemals die Daten im CMOS zulösen, wenn das System eingeschaltet ist. Die Hauptplatine kann dadurch beschädigen.
Tasten
Dieser Abschnitt beschreibt, wie man die Funktionen des Motherboards durch den Gebrauch der Tasteändert.
OC Genie Taste: TURBO1
- Bitte installmenten Sie DDR3 1333 und größter Speicher und rüsten Sie bessere Kühlkopper/ Kühler mit OC Genie Funktion aus.
- Wir garantieren nicht der OC Genie Übertaktungs-Bereich und die Beschädigungen oder die Gefahren, die durch das OC Genie Übertaktungsverhalten verursacht werden.
- Sie können die OC Genie Funktion in der BIOS-Einstellung sperren. Und wir schlagen Sie vor, um die OC Genie Konfiguration zu Übertaktungsprofil im BIOS für die zukunftigen Verwenden zu speichern.
- Der Verbrauch von OC Genie ist an ihrer eigenen Gefahr. Übertaktung wird nie durch MSI garantiert.
Steckplatz
PCIE (Peripheral Component Interconnect Express) Steckplatz
Der PCIE-Steckplatz unterstützt eine Erweiterungskarte mit der PCIE-Schnittstelle.

PCI (Peripheral Component Interconnect) Steckplatz
Der PCI-Steckplatz kann LAN-Karten, SCSI-Karten, USB-Karten und sonstige Zusatzkarten aufnehmen, die mit den PCI-Spezifikationen konform sind.

32-Bit PCI Steckplatz
Wichtig
Achten Sie darauf, dass Sie zuerst das Netzkabel aus der Steckdose Herausziehen, bevor Sie eine Erweiterungskarte installieren oder entfernen. Denken Sieitte auch daran die Dokumentation der Erweiterungskarte zu lessen, um notwendige Hardware-oder Softwareinstallungen fur die Erweiterungskarte wie z.B. Jumper-, Schalter- oder BIOS-Einstellungen vorzunehmen.
PCI-Unterbrechungsanforderungs-Routing
Eine IRQ (Interrupt Request; Unterbrechungsanforderung)-Leitung ist eine Hardwareleitung, über die ein Gerät Unterbrechungssignale zu dem Mikroprozessor schicken kann. Die PCI IRQ-Pole werden in der Regel mit dem PCI-Bus-Polen wie folgt verbunden:
| Folge1 | Folge2 | Folge3 | Folge4 | |
| PCI Steckplatz1 | INT E# | INT F# | INT G# | INT H# |
| PCI Steckplatz2 | INT F# | INT G# | INT H# | INT E# |
| PCI Steckplatz3 | INT G# | INT H# | INT E# | INT F# |
LED Statusdikatoren

CPU Phase LEDs
These LEDs zeigen den gegenüber CPU Power-Modus an. Lesen Sie die folgenden Anweisungen.

Leuchtet

| CPU befindet sich in der Phase 1 des Power-Modus. | |
| CPU befindet sich in der Phase 4 des Power-Modus. |
BIOS Setup
Dieses Kapitel enthalt Informationen über das BIOS Setup und ermöglicht es Ihnen, Ihr System optimal auf ihre Anforderungen einzustellen. Notwendigkeit zum Aufruf des BIOS besteht, wenn:
Während des Bootvorgangs des Systems eine Fehlermeldung erscheidt und Sie zum Aufruf des BIOS SETUP aufgefordert werden.
- Sie die Werkseinstellungen zugunsten individueller Einstellungen ändern wolle.
Wichtig
- Die Menüpunkte jeder BIOS Kategorie, die in diesen Kapitel beschreiben wird, werden permanent auf den neusten Stand gebracht, um die Systemleistung zu verbessern. Aus diesen Grunde kann die Beschreibung gingefugig von der aktuellsten Version des BIOS abweichen und sollte dementsprechend ledigious als Anhaltspunkt dienen.
- Wahlrend des Hochfahrens, wird die BIOS Version in der ersten Zeile nach dem Hochzahlen des Speichers angezeigt, üblicherweise im Format dieser Beispies:
A7599AMS V25.X 071010 wobei:
Die erstige Stellen den BIOS-Hersteller bezeichnet, damit gilt A = AMI , W = AWARD , und P = PHOENIX .
2te - 5te Stelle bezeichnete die Modelnummer.
6te Stelle beziehen den Chipszhersteller, A = AMD , I = Intel , V = VIA , N = Nvidia , U = ULi .
7te - 8te Stelle beziehen sich auf den Kunden, MS=alle Standardkunden.
V25.X bezieht sich auf die BIOS Version.
071010 bezeichnet das Datum der Veröffentlichung des BIOS.
Aufruf des BIOS Settings
Nach dem Einsatz beginnt der Computer den POST (Power On Self Test -Selbstüberprüfung nach Anschalten). Sobald die Meldung unter entscheid, drücken Sie die Taste ) um das Setup aufzurufen.
(ENTF drücken, um das Einstellungenprogramm zu öffnen)
Wenn die Nachricht verschwindet, bevor Sie reagieren und Sie möchten immer noch ins Setup, starten Sie das System neu, indem Sie es erst AUS- und danach wieder ANSCHALTEN, oder die "RESET"-Taste am Gehäuse betätigten. Sie können das System außer dem neu starten, indem Sie gleichzeitig die Tasten ).
Hilfe finden
Nach dem Start des Setup Menü erscheint zuerst das Hauptmenu.
Hauptmenü
Das Hauptmenu listet Funktionen auf, die Sie ändern konnen. Sie konnen die Steuertasten ( ) verwenden, um einen Menüpunkt auszuwahlen. Die Online-Beschreibung des hervorgehobenen Menüpunktes erscheidt am unteren Bildschirmrand.
Bildschirmrand
Wenn Sie an der linken Seite bestimmter Felder ein Dreieckssymbol finden (wie rechts dargestellt), bedeuted dies, dass Sie über das entsprchende Feld ein Untermenü mit zusätzlichen Optionen aufrufen konnen. Durch die Steuertasten ( ) können Sie ein Feld hervorheben und durch Drücken der Eingabetaste
Allgemeine Hilfe
Das BIOS Setup verfügbar über eine Allgemeine Hilfe (General Help). Sie können diese aus jedem Menu einzach durch Drücken der Taste
Das Hauptmenu
Nachdem Sie das BIOS CMOS Setup Utility, aufgerufen haben, erscheidt das Hauptmenü. Es weist zehn Setup- Funktionen und zwei Arten das Menu zu verlassen auf. Verwenden Sie die Pfeiltasten, um im Menu zu navigieren und drücken Sie die Eingabetaste (
Standard CMOS Features
In diesen Menu können Sie die Basiskonfiguration Ihres Systems anpassen, so z.B. Uhrzeit, Datum usw.
Verwenden Sie diesen Menüpunkt, um weitergehende Einstellungen an Ihr System vorzunehmen.
Verwenden Sie diesen Menu, um die Einstellungen für in das Board integrierte Peripheriegeräte vorzunehmen.
Power Management Setup
Verwenden Sie diesen Menu, um die Einstellungen für die Stromsparfunktionen vorzunehmen.
H/W Monitor
Dieser Eintrag zeigt den generellen Systemstatus.
Green Power
Verwenden Sie diesen Menu um Einstellungen der Stromversorgung vorzunehmen.
Verwenden Sie diesen Menu, um das Kennwort für das BIOS einzugeben.
Cell Menu
Hier können Sie Einstellungen zu Frenzen/Spannungen und Übertaktung vornehmen.
M-Flash
In diesen Menu können Sie das BIOS vom Speicher-Antrieb abtasten/ aufblinken (nur FAT/FAT32 Format).
Abspeichern/ laden die Einstellungen im/ vom CMOS für BIOS.
>Load Fail-Safe Defaults
Hier können Sie die BIOS-Werkseinstellungen für stabile Systemleistung laden.
> Load Optimized Defaults
In thisem Menu können Sie die BIOS-Voreinstel lungen laden, die der Mainboardhersteller zur Erzielung der besten Systemleistung vorgibt.
Save & Exit Setup
Abspeichern der BIOS-Änderungen im CMOS und verlassen des BIOS.
Exit Without Saving
Verlassen des BIOS' ohne Speicherung, vorgenommene Änderungen verfallen.
Wenn Sie das BIOS Dienstprogramm öffnen, folgen Sie den unterstehenden Anweisungen.
- Laden der optimalen Voreinstellung : Verwenden Sie die Steuerschlüssel ( ) , um dem Laden der optimalen Voreinstellung zu wahlen und drücken Sie auf
. Dann entscheidt die folgende Meldung:

Drücken Sie auf [OK] und
- Die Datum/Zeit Einstellung : Wahlen Sie die "Standard-CMOS Features" vor und drücken Sie
um das Standard-CMOS Features-Menu zu wahren. Passen Sie nun die Felder Datum" und Zeit" an.

- Abspeichern u. Beenden der Einstellung: Verwenden Sie die Steuerschlüssel (↑ ↓), um dem Abspeichern u. Beenden der Einstellungen zu wahlen und drücken Sie auf
. Es erscheint folgende Meldung:

Drücken Sie auf [OK] und
Wichtig
Die Konfiguration oben dieren nur generellen Zwecken. Wenn Sie detailierte BIOS-Einstellungen benötigen, dann sehen Sieitte das Handbuch in Englischer Sprache auf der MSI Website ein.
- Cell Menu Introduction: Das Menu ist für den weiteren Benutzer, der die Hauptplatine übertakten * 嗯

Wichtig
Nur wenn Sie mit dem Chipsatz vertraut sind, können Sie die Einstellung ändern.
Zeigt die derzeitige Frequenz der CPU/ des Speichers & die Geschwindigkeit des CPU-NBs. Nur Anzeige.
CPU Specifications
Drücken Sie die Eingabetaste
Drücken Sie die Eingabetaste < Enter>, um das Untermenü aufzurufen. Das Untermenü zeigt die Technologien des installierten CPUs.
CPU Feature
Drucken Sie die Eingabetaste < Enter>, um das Untermenü aufzurufen.
AMD Cool'n'Quiet
Die Cool'n'Quiet-Technologie kann die CPU-Geschwindigkeit und den Stromverbrauch effizient und dynamisch herabsetzen.
Wichtig
Für eine einwandfrei Funktion von Cool'n'Quiet muss folgende Vorgehensweise unbedingt sichergestellt werden:
- BIOS Setup ausführren und wahren Cell Menu aus Unter Cell Menu setzen Sie AMD
Cool'n'Quiet, auf "Enabled".
- Öffnen Sie Windows und wahlen Sie [Start] -> [Ein tellungen] -> [Systemsteuerung] -> [Energieoptionen]. Gehen Sie zu Eigenschaften von Energieoptionen (Power Options Properties), und wahlen Sie Minimaler Energieverbrauch (Minimal Power Management) under Energieschemas (Power schemes).
C1E Support
Während des Leerlaufs aktiviert die Funktion, um die Stromaufnahmelesen. Nicht alle Prozessor unterstützt Enhanced Halt Stand (C1E).
SVM Support
These Option aktiviert oder deaktiviert das SVM.
AMD Cool'n'Quiet
Die Cool'n'Quiet-Technologie kann die CPU-Geschwindigkeit und den Stromverbrauch effizient und dynamisch herabsetzen.
C1E Support
Während des Leerlaufs aktiviert die Funktion, um die Stromaufnahmelesen. Nicht alle Prozessor unterstützt Enhanced Halt Stand (C1E).
Hier konnen Sie die CPU FSB Frequenz verändern (in MHz).
OC Stepping
OC Stepping ist aktiviert, nachdem Sie die Frenquenz der Übertaktung im "Adjust CPU FSB Frequency (MHz)" einstellt. Die folgenden Einzelteile erschinen und das System kann Schritt für Schritt übertaken nach System Laden des Betriebssystems oben.
Hier kann den Angangs-FSB-Takt angegeben. Das system bootet mit dem Angangs-FSB-Takt, und übertakt vom Angangs-FSB-Takt zu eingestallenten FSB-Takt, die im "Adjust CPU FSB Frequency (MHz)" Schritt für Schritt einsetzen.
OC Step
Stellt wieviele Schritte für das niedrige FSB-Takt Übertaktung ein.
OC Step Count Timer
Stellt die Pufferzeit für jeder Schritt ein.
Adjust CPU Ratio
Hier können Sie die CPU-Taktmultiplikator (Ratio) angegeben. Dies können Sie nur benutzen, wenn der Prozessor die Funktion unterstützt.
Zeigt die verstellte Frequenz der CPU. Nur Anzeige.
Adjust CPU-NB Ratio
Hier können Sie die CPU-NB-Taktmultiplikator (Ratio) angegeben.
Zeigt die verstelle Frequenz der CPU-NB. Nur Anzeige.
Unlock CPU Core
Hier können Sie den CPU-Kern freischalten.itte beachten Sie dazu die nachfolgend beschriebenen Verfahren beziehen, um die CPU-Kern im BIOS-Setup freizuschalten.

Wichtig
-
These CPU-Kern freigeschaltet Verhalten hangt von der Fähigkeit / Eigenschaft CPU, und es ist nicht garantiert.
-
Hangen Sie von der Eigenschaft CPU, sobald Sie instabil Szenario erhalten,itte wieder die Standardeinstellungen fur die System.
-
Sie können die Kernzahlen in die Registerkarte Leistung des Windows Task-Manager prüfen.
Hier können Sie übertakten. Lautet die Einstellung auf [Enabled], kann eine hohren CPU-Ratio angegeben, nur wenn der Prozessor diese Funktion stützt.
CPU Core Control
Gesteuert werden dei Anzahl der CPU-Kerne.
OC Genie Lite
Die Einstellung [Enabled] erlaubt das System, maximaler FSB-Takt zu erkennen und automatisch zu übertakten. Wenn die Übertaktung nicht ausgeführrt werden kann, konnen Sie bei niedriger FSB-Takt für erfolgliche Übertaktung versuchen.
MEMORY-Z
Drucken Sie die Eingabetaste < Enter>, um das Untermenü aufzurufen.
> DIMM1~4 Memory SPD Information
Drücken Sie die Eingabetaste < Enter>, um das Untermenü aufzurufen. Das Untermenü zeigt die Informationen des installierten Speichers an.
Advance DRAM Configuration
Drucken Sie die Eingabetaste < Enter>, um das Untermenü aufzurufen.
DRAM Timing Mode
Dieses kann alles DRAM Timing automatisch auffangen.
DRAM Drive Strength
Hier konnen Sie die Signalstarke des Speicherdatenbuses beherrschen. Die Erhöhung der Antrieb Starke des Speicherbuses kann die Stabilität während der Übertaktung erhöhen werden.
DRAM Advance Control
Dieses kann alles erweiterten DRAM Timing automatisch auffangen. Wenn DRAM Timing auf [DCT 0], [DCT 1] oder [Both] ([beide]) einstellt, fängt einiges erscheident und auswählbar auf.
1T/2TMemory Timing
Legt die SDRAM Kommandorate fest. Die Einstellung [1T] lasst den SDRAM Signal Kontroller mit einem 1T (Taktzyklus) laufen. Bei [2T] lauft er mit zwei Zyklen.
DCT Unganged Mode
Im Unganged Modus, ein logisches DIMM irgend ein 128-Bit DIMM.
Bank Interleaving
Bank Interleaving ist ein wichtiger Parameter für das Verbessern von Übertaktung Fähigkeit des Speichers. Es{lssst System mehrfache Bänke gleichzeitig zugänglich machen.
Power Down Enable
Es ist eine energiesparende Technologie des Speichers. Wenn das System nicht auf den Speicher über einen Zeitraum von Zeit zugreift, verringgert es automatisch die Stromversorgung des Speichers.
MemClk Tristate C3/ATLVID
These Einstellung erlaubt Ihnen, das MemClk Tristating während C3 und ATLVID zu aktivieren/ deaktivieren.
FSB/DRAM Ratio
Können Sie hier den FSB/Speicher des Ratios anpassen.
Gibt der verstellt Frequenz des DDR Speicher. Nur Anzeige.
HT Link Control
Drucken Sie die Eingabetaste < Enter>, um das Untermenü aufzurufen.
Setzt die Bandbreite des Hyper-Transport Links fest. Mit der Einstellung [Auto], erkennt das System die HT Link Bandbreite automatisch.
HT Link Speed
Gibt die Betriebsfrequenz des Taktgebers des Hypertransport Links vor. Mit der Einstellung [Auto], erkennt das System die HT Link Geschwindigkeit automatisch.
Gibt der verstellt Frequenz des HT-Links. Nur Anzeige.
Gestattet die Wahl der PCI-E Frequenz (in MHz).
Auto Disable DRAM/PCI Frequency
Lautet die Einstellung auf [Enabled] (eingescheltet), deaktiviert das System die Taktung leerer PCI Sockel, um die Elektromagnetische Störstrahlung (EMI) zu minimieren.
These Option bietet Ihnen an, die Spannung des CPU, des Speichers und des Chips anzupassen.
Spread Spectrum
Pulsiert der Taktgenerator des Motherboards, erzeugen die Extremwerte (Spitzen) der Pulse EMI (Elektromagnetische Interferenzen). Die Spread Spectrum Funktion reduziert die erzeugten EMI, indem die Pulse so moduliert werden, das die Pulsspitzen zu flacheren Kurven reduziert werden.
Wichtig
- Sollten Sie keine Probleme mit Interferenzen haben, belassen Sie es bei der Einstellung [Disabled] (ausgeschaltet), um bestmögliche Systemstabilität und -leistung zu gewährleisten. Stellt für sie EMI ein Problem dar, wahren Sie die gewünschte Bandbreite zur Reduktion der EMI.
- Je größter Spread Spectrum Wert ist,esto größer nimmt der EMI ab,und das System wird weniger stabil.itte befragen Sie ihren lokalen EMI Regelung zum meist passend Spread Spectrum Wert.
- Denken Sie daran Spread Spectrum zu deaktivieren, wenn Sie übertakten, da)sogaereleiche Schwankung eine vorübergehende Taktsteigerung erzeugen kann, diegerade ausreichen mag, um ihren übertakteten Prozessor zum einfrierten zu bringen.
Software-Information
Die im Mainboard-Paket enthaltene DVD enthalt alle notwendigen Treiber. Um die Installation automatisch laufen zu setzen, klichen Sie einfach den Treiber oder Utility und folgen Sie dem Pop-Up Schirm, um die Installation durchzufahren. Der Treibergebrauchs-DVD enthalt:
- Treibermenü - das Treibermenü zeigt die vorhandenen Treiber. Aktivieren Sie den gewünschten Treiber.
- Gebrauchsmenu - das Gebrauchsmenu zeigt die Software-Anwendungen der die Mainboard Unterstützungen.
Wichtig
Besuchen Sieitte die MSI Website,um die neuesten Treiber und BIOS fur bessere System Leistung zu erhalten.

François
870A-G55/
870U-G55 Séries
EinfachAnleitung