G52-75991XR - Ordinateur portable MSI - Notice d'utilisation et mode d'emploi gratuit
Retrouvez gratuitement la notice de l'appareil G52-75991XR MSI au format PDF.
| Intitulé | Détails |
|---|---|
| Type de produit | Ordinateur portable gamer |
| Processeur | Intel Core i7-11800H |
| Carte graphique | NVIDIA GeForce RTX 3060 |
| RAM | 16 Go DDR4 |
| Stockage | 1 To SSD NVMe |
| Écran | 15,6 pouces Full HD (1920 x 1080) |
| Taux de rafraîchissement | 144 Hz |
| Système d'exploitation | Windows 10 Home |
| Alimentation électrique | 180 W |
| Dimensions approximatives | 358 x 248 x 23 mm |
| Poids | 2,3 kg |
| Connectivité | Wi-Fi 6, Bluetooth 5.1 |
| Ports disponibles | USB Type-C, USB 3.2, HDMI, Ethernet |
| Type de batterie | Lithium-ion |
| Autonomie de la batterie | Environ 6 heures |
| Entretien et nettoyage | Nettoyage régulier des ventilateurs et des grilles d'aération |
| Pièces détachées et réparabilité | Réparabilité moyenne, pièces disponibles auprès du fabricant |
| Sécurité | Protection contre les surcharges et les courts-circuits |
| Garantie | 2 ans |
FOIRE AUX QUESTIONS - G52-75991XR MSI
Téléchargez la notice de votre Ordinateur portable au format PDF gratuitement ! Retrouvez votre notice G52-75991XR - MSI et reprennez votre appareil électronique en main. Sur cette page sont publiés tous les documents nécessaires à l'utilisation de votre appareil G52-75991XR de la marque MSI.
MODE D'EMPLOI G52-75991XR MSI
En tant qu'écologiste et afin de protégerr l'environnement, MSI tient à rappeler ceci...
Au sujet de la directive européenne (EU) relative aux déchets des équipements électriques et électroniques, directive 2002/96/EC, prenant effet le 13 août 2005, que les produits électriques et électroniques ne peuvent être déposés dans les décharges ou tout simplement mis à la poubelle. Les fabricants de ces équipements seront obligés de recueillir certains produits en fin de vie. MSI prendra en compte cette exigence relative au retour des produits en fin de vie au sein de la communauté européenne. Par conséquent vous pouvez returner localement ces matériels dans les points de collecte.
Comme sans précédent akTbHbIe deiCTBnI NO 3aunTe OkpykaUoIe cpebl, nO3Tomy HAnOMHaem Bam, YTO....
B cootbETcbn C dIpeKTHBOEbponeckoro Co03a (EC) no npedeTbpaueHIO 3aqr3HeHNOkpykaUoee cpeDbI NcNObIb3OBAHHbIM 3JIeKTPnuyeCKM IN 3JIeKTPoHHbIM o6OpyDobAHnEM (dIpeKTHBa WEEE 2002/96/EC), BcTynaIoSeB v cnly 13 aBycTa 2005 rOda, n3dEINNA, OTHOscAunCeK K 3JIeKTPnuyeCKOMY I3JIeKTPoHHOMy o6OpyDobAHnIO, He moryt paccMaTpnbATbcra KaK 6blTOBO MyCOP, PO3Tomy npOn3BOJNTeIN BblwepeuNCleHnORO 3JIeKTPoHHORO o6OpyDobAHnIA O63aHbI npHNMaTb erO dI pynepa6OTKn IO OKOHauHn Cpoka cnjxkbI. MSI o63ayetc4 co6HnOaTb Tpe6OBaHnIO npInMePy npOduKynn, npOdaHNo IOD mapKo MSI na Teppntopn EC, B nepepa6OTKn IO OKOHauHn Cpoka cnjxkbI. Bbl moKeTe BePhytB 3TN n3dEINBA CpeZmaIIN3npOBaHHble nyHKTb II pInema.
■ AMD® Phenom™ II séries, Athlon™ II séries et Sempron™ séries processeurs dans le paquet AM3.
(Pour plus d'information sur le CPU, veuillez visiter http://www.msi.com/index.php?func=cpuform2)
HyperTransport™ 3.0, supporte jusqu'à 5.2 GT/s
Jeu de puces
North Bridge : puces AMD® RX780 South Bridge : puces AMD® SB710
Mémoire supportée
DDR3 1600 MHz (OC)/ 1333/ 1066/ 800 DRAM (total 16GB Max) 4 DDR3 DIMMs, supporte le mode double-canaux ( OC= overclocking, pour plus d'information sur les composants compatibles, veuillez visiter)
http://www.msi.com/index.php?func=testreport)
Supporte Gb LAN (10/100/1000) par Realtek® RTL8111E
IEEE 1394
Puce intégrée par VIA VT6308P Supporte 1 port IEEE 1394 (panneau arrière) et 1 connecteur IEEE 1394
Audio
- HD audio codec intégré par Realtek® ALC892/ ALC887 (en option) 8-canaux audio flexibles avec détection de prise
- 6 ports SATA 3Gb/s (SATA1~6) par AMD® SB710 2 ports SATA 6Gb/s (SATA7~8) par Marvell® 88SE9128 (pour 870A-G55) Supporte la déconnexion à chaud et la notification asynchrone
Important
Veuillez noter que la configuration de "PCI Express x4/x1 Slot" à [x4] sous "Integrated Peripherals" dans le BIOS désactive les ports SATA 6 Gb/s (SATA7~8) et l'emplacement PCIE x1 (PCI_E1).
USB 3.0
2 ports USB 3.0 par NEC uPD720200F1
SATA1~6 ports supportent le mode RAID 0/1/10 par AMD® SB710 SATA7~8 ports supportent le mode RAID 0/1 par Marvell® 88SE9128 (pour 870A-G55)
Disquette
1 port de disquette Supporte 1 FDD avec 360KB, 720KB, 1.2MB, 1.44MB et 2.88MB
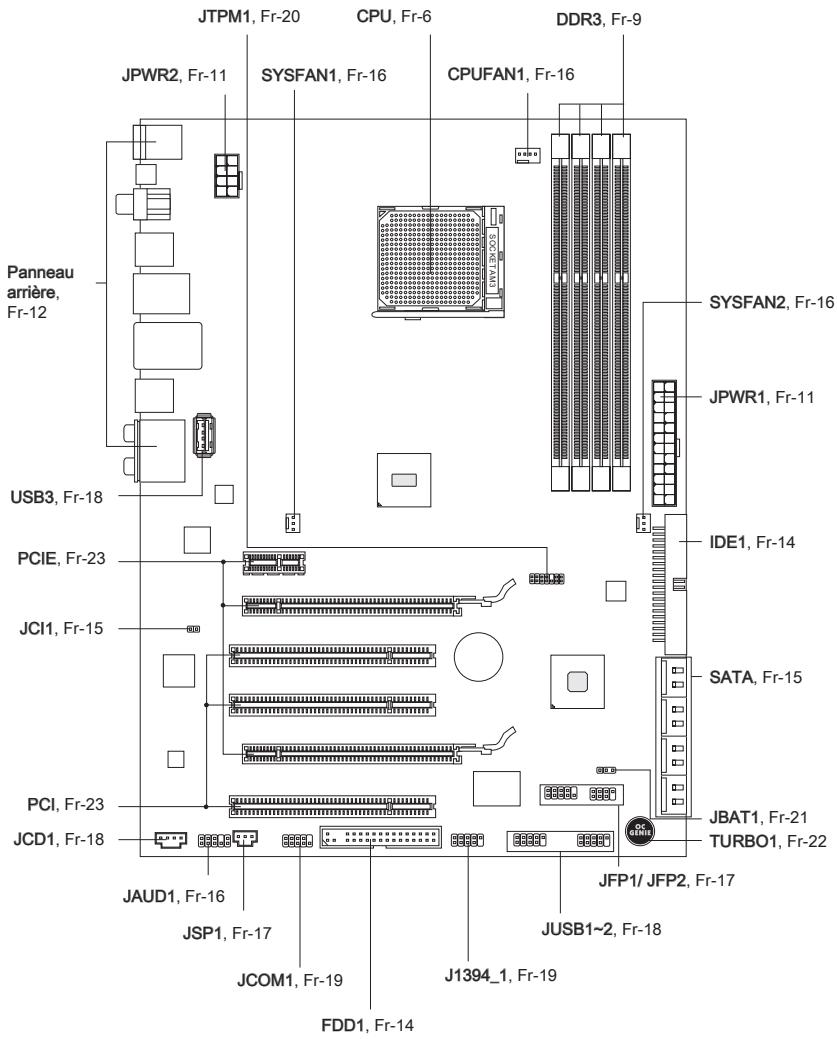
Connecteurs
Panneau arrête
- 1 port clavier PS/2
- 1 port souris PS/2
- 1 bouton d'effacement CMOS
- 1 port S/PDIF-Out Coaxial
- 1 port S/PDIF-Out Optique
- 6 ports USB 2.0
- 1 port USB 3.0
- 1 port IEEE 1394
- 1 port LAN
- 6 ports audio flexibles
Connecteurs intégrés
- 2 connecteurs USB 2.0
- 1 connecteur USB 3.0 - 1 connecteur IEEE 1394
- 1 connecteur Châssis Intrusion
- 1 connecteur S/PDIF-Out
- 1 connecteur audio avant
- 1 connecteur de port sérial
- 1 connecteur du Module TPM
- 1 connecteur CD-In
- 1 bouton OC Genie
Emplacements
2 emplacements PCIE x16
- PCI_E2 supporte jusqu'à la vitesse PCIE x16, PCI_E3 supporte jusqu'à la vitesse PCIE x4
- Supporte la ATI CrossFireX™ Technologie
1 emplacement PCIE x1, 3 emplacements PCI, supporte l'interface bus PCI 3.3V/5V
Important
Veuillez noter que la configuration de "PCI Express x4/x1 Slot" à [x4] sous "Integrated Peripherals" dans le BIOS désactive les ports SATA 6 Gb/s (SATA7~8) et l'emplacement PCIE x1 (PCI_E1).
Dimension
ATX (22.5cm × 30.5cm)
Montage
6 trous de montage
- Si vous désirez acheter des accessoires et vous avez besoin de numéros des pièces, vous pouvez chercher sur la page website et trouver les détails sur notre adresse ci-dessous http://www.msi.com/index.php

Trous taraudés
Quand vous installez la carte mère, il faut déposer la carte dans le châssis en bonne position. La situation des trous taraudés est montrée dans la figure ci-dessous.


Veuillez vous référer à la figure pour installer le support dans une position appropriée sur le châssis et puis de fixer la carte à travers les trous taraudés sur le support.
Important
- Pour prévenir les endommages à la carte mère, il est interdit de mettre toute sorte de contact entre le circuit et le chassin ou de mettre un support inutile sur le chassin.
- Veuillez vous assurer qu'il n'y a pas de composant en métal mis dans la carte ou le chassin qui entraînerait un court-circuit à la carte mère.
Processeur : CPU
Quand vous installez le CPU, veuillez vous assurer d'installer un ventilateur pour éviter la surchauffe. Si vous n'en avez pas, contactez votre revendeur pour en acheter et installez-les avant d'allumer votre ordinateur.
Pour plus d'informations sur le CPU, veuillez visiter http://www.msi.com/index.php?func=cpuform2
Surchauffe
La surchauffe endommage sérieusement l'unité centrale et le système. Assurez-vous toujours que le ventilateur de refroidissement fonctionne correctement pour protéger l'unité centrale contre la surchauffe. Assurez-vous d'appliquer une couche d'enduit thermique (ou film thermique) entre l'unité centrale et le dissipateur thermique pour améliorer la dissipation de la chaleur.
Remplacement de l'unité centrale
Lorsque vous remplacez l'unité centrale, commencez toujours par couper l'alimentation électrique de l'ATX ou par débrancher le cordon d'alimentation de la prise mise à la terre pour garantir la sécurité de l'unité centrale.
Cette carte mère supporte l'overclocking. Néanmoins, veuillez vous assurer que vos composants soient capables de tolérer ces configurations anormales lors d'overclocking. Tout envie d'opérer au-dessus des spécifications du produit n'est pas recommandé. Nous ne garantissons pas les dommages et risques causés par les opérations insuffisantes ou au-dessus des spécifications du produit.
Introduction du AM3 CPU
La surface du CPU. N'oubliez pas d'appliquer une couche d'enduit thermique pour améliorer la dissipation de la chaleur.
La flèché d'or
Installation du CPU et son ventilateur
Quand vous installez le CPU, assurez-vous que le CPU soit équipé d'un ventilateur de refroidissement attaché sur le dessus pour éviter la surchauffe. Néanmoins, n'oubliez pas d'appliquer une couche d'enduit thermique sur le CPU avant d'installer le ventilateur pour une meilleure dissipation de chaleur.
Suivez les instructions suivantes pour installer le CPU et son ventilateur correctement. Une faute d'installation peut endommager votre CPU et la carte mère.
- Enlevez le levier de côté de la douille et assurez-vous de lever le levier jusqu'à 90 degrés.

- Si le CPU est correctement installé, les pins doivent s'intégrer complètement dans la douille et sont invisibles. Veuillez noter que toute violence ou une fausse installation peut endommager votre carte mère en permanence.

- Trouvez la flèche d'or du CPU et mettez-la comme montré dans l'image. Le CPU ne s'installe que dans la position correcte.

- Appuyez sur le CPU fermement dans la douille et fermez le levier. Puisque le CPU a une tendance de bouger lors de la fermeture du levier, il faut fermer le levier en appuyant sur le CPU pour qu'il soit complètement et correctement installé dans la douille.

- Déposez l'ensemble du ventilateur sur le mécanisme de détention. Accrochez un côté du clip d'abord.

- Fixez le levier.

- Puis appuyez sur l'autre coté du clip pour fixer l'ensemble du ventilateur sur le mécanisme de détention. Localisez le levier de fixation et levez-le.

- Attachez le câble du ventilateur de CPU au connecteur sur la carte mère.

Important
- Les photos de la carte mère montrées dans cette partie ne sont que pour une démonstration. L'apparence de votre carte mère peut varier selon le modèle que vous achetez.
- Quand vous déconnectez le Crochet de Sécurité du verrou fixé, il faut garder un œil sur vos doigts, parce qu’une fois le Crochet de Sécurité est déconnecté du verrou, le levier fixé jaillira immédiatement.
Mémoire
Ces slots DIMM sont destinés à installer les modules de mémoire. Pour plus d'informations sur les composants compatibles, veuillez visiter http://www.msi.com/index.php?func=testreport
DDR3
240-pin, 1.5V

Règle de population en mode double-canals
En mode double-canaux, les modules de mémoire peuvent transmettre et recevoir les données avec simultanément deux lignes omnibus de données. L'activation du mode double-canaux peut améliorer les performances du système. Veuillez vous reporter aux illustrations suivantes pour connaître les règles de population en mode double-canaux.
(2)

Important
- Les modules de mémoire DDR3 ne sont pas interchangeables par DDR2 et vice versa. Vous devez toujours installer les modules de mémoire DDR3 dans les slots DDR3 DIMM.
- En mode double canaux, assurez-vous que vous installez les modules de mémoire du même type et de la même densité dans les slots DIMM de canaux différents.
- Pour lancer avec succès votre système, insérez tout d'abord les modules de mémoire dans le DIMM1.
- A cause du développement de la ressource des puces, la densité du système sera détectée seulement jusqu'à 15+GB (non 16GB plein) quand chaque DIMM est installé avec un module de mémoire de 4GB.
Installation des modules de mémoire
- Le module de mémoire possède une seule encoche en son centre et ne s'adaptera que s'il est orienté de la manière convenable.
- Insérez le module de mémoire à la verticale dans le slot du DIMM. Poussez-le ensuite jusqu’à l’extrémité de l’encoche du module de mémoire, soit profondément inséré dans le slot du DIMM. Les clips en plastique situés de chaque côté du module vont se fermer automatiquement.
- Vérifiez manuellement si la barrette mémoire a été verrouillée en place par les clips du slot DIMM sur les côtés.



Important
Vous pourriez à peine voir l'extrémité dorée si le module de mémoire est correctement inséré dans le slot du DIMM.
Connecteur d'alimentation ATX 24-pin : JPWR1
Ce connecteur vous permet de connecter l'alimentation ATX 24-pin. Pour cela, assurez-vous que la prise d'alimentation est bien positionnée dans le bon sens et que les broches soient alignées. Enforcez alors la prise dans le connecteur.
Vous pouvez aussi utiliser une alimentation 20-pin selon vos besoins. Veuillez brancher votre alimentation d'énergie avec le pin 1 et le pin 13 si vous pouvez utiliser l'alimentation ATX 20-pin.

Connecteur d'alimentation ATX 8-pin : JPWR2
Ce connecteur d'alimentation sert à fournir de l'alimentation de 12V au CPU.

Important
- Veuillez vous assurer que tous les connecteurs sont connectés aux correctes alimentations ATX pour garantir une opération stable de la carte mère.

▶ Souris/clavier
Le standard connecteur de souris/clavier DIN de PS/2 est pour une souris ou un clavier de PS/2.
Bouton d'effacement CMOS
Il y a un CMOS RAM intégré, qui possède un bloc d'alimentation alimenté par une batterie externe, destiné à conserver les données de configuration du système. Avec le CMOS RAM, le système peut lancer automatiquement le système d'exploitation chaque fois qu'il est allumé. Si vous souhaitez effacer la configuration du système, utilisez ce bouton pour effacer les données. Appuyez sur le bouton pour effacer les données.
Important
Veuillez vous assurer d'éteindre le système avant d'effacer les données CMOS.
Après avoir appuyé ce bouton pour effacer les données CMOS au statut étant (G3), le système se réinitialise automatiquement.
Ce connecteur est utilisé pour relier l'interface S/PDIF (Sony et Philips Digital Interconnect Format) de la transmission audio numérique à un haut-parleur externe via un câble coaxial.
S/PDIF-Out optique
Ce connecteur est utilisé pour relier l'interface S/PDIF (Sony et Philips Digital Interconnect Format) de la transmission audio numérique à un haut-parleur externe via un câble de fibre optique.
>Port usb 2.0
Le port USB (Universal Serial Bus) sert à brancher des périphériques USB tels que le clavier, la souris, ou d'autres périphériques compatibles USB. Supporte la transmission de données jusqu'à 480Mbit/s (Hi-Speed).
Port IEEE 1394 (en option)
Le port IEEE1394 sur le panneau arrêté fournit une connexion aux péripériques IEEE1394.
>Port USB 3.0
Le port USB 3.0 est inférieur-compatible avec les périphériques USB 2.0. Il supporte le taux de transfert jusqu'à 5 Gbit/s (Super-Vitesse).
Important
Si vous voulez appliquer un périphérique USB 3.0, il faut utiliser un cable USB 3.0 pour connecter au port USB 3.0.
La prise standard RJ-45 LAN sert à la connexion au réseau local (Local Area Network (LAN)). Vous pouvez y relier un câble de réseau.
Jaune

—Vert/Orange
| LED | Couleur | LED Statut | Condition |
| Gaugue | Jaune | Eteinte | La connexion au réseau LAN n'est pas établie. |
| Allumée (Stable) | La connexion au réseau LAN est établie. | ||
| Allumée (plus brillant et clignotante) | L'ordinateur communique avec un autre ordinateur sur le réseau local LAN. | ||
| Droite | Vert | Eteinte | Un débit de 10 Mbits/sec est sélectionné. |
| Allumée | Un débit de 100 Mbits/sec est sélectionné. | ||
| Orange | Allumée | Un débit de 1000 Mbits/sec est sélectionné. |
Ports audio
Ces connecteurs audio servent pour les périphériques audio. Vous pouvez différencier la couleur des prises audio pour obtenir divers effets sonores.
Ligne-In (Bleu) - Ligne In est utilisé pour un appareil de CD externe, cassette ou d'autres périphériques. Ligne-Out (Vert) - Ligne Out est destiné aux haut-parleurs ou aux casques d'écoute. - Mic (Rose) - Mic est un connecteur pour les microphones. RS-Out (Noir) - Rear-Surround Out en mode de canal 4/5.1/7.1. CS-Out (Orange) - Center/ Subwoofer Out en mode de canal 5.1/ 7.1. SS-Out (Gris) - Side-Surround Out en mode de canal 7.1.
Connecteurs
Ce connecteur supporte le lecteur de disquette de 360 KB, 720 KB, 1.2 MB, 1.44 MB ou 2.88 MB.
* Le schéma de carte mère dans la figure n'est qu'à titre de référence.
Connecteur IDE : IDE1
Ce connecteur supporte les lecteurs de disque dur IDE, lecteurs optiques de disque et d'autres périphériques IDE.
Le schéma de carte mère dans la figure n'est qu'à titre de référence.
Important
Si vous installez deux périphériques IDE sur le même câble, vous devez configurer les périphériques séparément en mode master / slave par les cavaliers de configuration. Référez-vous aux documentation des périphériques IDE offertes par votre vendeur pour les instructions de configuration des cavaliers.
Connecteur sérique ATA : sata1~8
Ce connecteur est un port d'interface de série ATA haut débit. Chaque connecteur peut être relié à un appareil de série ATA.
* Le schéma de carte mère dans la figure n'est qu'à titre de référence.

SATA7/SATA8 (6Gb/s)
SATA7_8 supportés par Marvell® 88SE9128 (en option)
SATA1~6 (3Gb/s)
Supported par AMD® SB710
Important
- Veuillez ne pas plier le câble de série ATA. Autrement, des pertes de données pourraient se produire pendant la transmission.
- Veuillez noter que la configuration de "PCI Express x4/x1 Slot" à [x4] sous "Integrated Peripherals" dans le BIOS déactive les ports SATA 6 Gb/s (SATA7~8) à l'emplacement PCIE x1 (PCI_E1).
Connecteur châssis intrusion : JCI1
Ce connecteur est connecté à un câble châssis intrusion switch. Si le châssis est ouvert, le switch en informera le système, qui enregistrera ce statut et affichera un écran d'alerte. Pour effacer ce message d'alerte, vous devez entrer dans le BIOS et désactiver l'alerte.

Connecteur d'alimentation du ventilateur: CPUFAN1, SYSFAN1~2
Les connecteurs de courant du ventilateur supportent le ventilateur de refroidissement du système avec +12V. Lors du branchement des fils aux connecteurs, faites toujours en sorte que le fil rouge soit le fil positif devant être relié au connecteur +12V ; et que le fil noir soit le fil de mise à la terre devant être relié au connecteur de mise à la terre GND. Si la carte mère est équipée d'un jeu de puce intégré pour moniteur de matériel de système, vous devrez utiliser un ventilateur spécial pourvu d'un capteur de vitesse afin de contrôler le ventilateur de l'unité centrale.


Important
- Veuillez vous référer aux ventilateurs de CPU recommendés sur le site officiel du processeur ou consulter votre revendeur pour un ventilateur de CPU approprié.
- CPUFAN1 supporte le contrôle Smart fan. Vous pouvez installer l'unité Control Center qui contrôle automatiquement la vitesse du ventilateur de CPU selon sa température actuelle.
- Le connecteur d'alimentation du ventilateur du CPU avec 3 ou 4 pins sont tous disponibles pour CPUsFAN1.
Connecteur audio panneau avant : JAUD1
Ce connecteur vous permet de connecter un audio sur le panneau avant. Il est conforme au guide de conception de la connectivité Entrée/sortie du panneau avant Intel®.

Connecteur panneau avant : JFP1, JFP2
Ce connecteur est fourni pour la connexion électrique aux interrupteurs et LEDs du panneau avant. Le JFP1 est conforme au guide de conception de la connectivité Entrée/sortie du panneau avant Intel®.


Connecteur s/pdif-out : JSP1
Ce connecteur sert à connecter l'interface S/PDIF (Sony & Philips Digital Interconnect Format) pour une transmission audio numérique.

Connecteur USB avant : JUSB1 / JUSB2 / USB3
Ce connecteur est conforme au guide de conception de la connectivité Entrée/sortie du panneau avant Intel®, il est idéal pour relier les périphériques d'interface USB à haut débit tels les disques durs externes, les appareils photo numériques, les lecteurs MP3, les imprimantes, les modems et les appareils similaires.
Support USB 2.0 (en option)
Connecteur USB 3.0 : USB3
Important
- Notez que les pins de VCC (Connexion virtuelle) et GND (terre) doivent être branchés correctement afin d'éviter tout dommage possible.
- Si vous voulez appliquer un périphérique USB 3.0, il faut utiliser un cable USB 3.0 pour connecter au port USB 3.0.
Connecteur cd-in : JCD1
Ce connecteur est fourni pour un audio externe d'entrée.

Connecteur IEEE1394: J1394_1
Ce connecteur vous permet de relier un appareil IEEE1394 via un support en option IEEE1394.

Connecteur de port serial : JCOM1
Le port serial est un port de communications de haute vitesse de 16550A, qui envoie/reçoit 16 bytes FIFOs. Vous pouvez attacher un périphérique série.

Connecteur du module TPM : JTPM1
Ce connecteur est relié au TPM (Trusted Platform Module) Module (en option). Veuillez vous référer au manuel de TPM plate-forme (en option) de sécurité pour plus de détails et d'utilisations.


Cavalier d'effacement CMOS : JBAT1
Il y a un CMOS RAM intégré, qui possède un bloc d'alimentation alimenté par une batterie externe, destiné à conserver les données de configuration du système. Avec le CMOS RAM, le système peut lancer automatiquement le système d'exploitation chaque fois qu'il est allumé. Si vous souhaitez effacer la configuration du système, réglez le cavalier pour effacer les données.

JBAT1

Conserver les données

Effacer les données
Important
Voupez effacer le CMOS en raccourcissant 2-3 pins quand le système est éteint. Retournez ensuite en position 1-2 pins. Évitez d'effacer le CMOS pendant que le système est allumé; cela endommagerait la carte mère.
Bouton
Cette section vous explique comment changer la fonction de votre carte mère avec l'utilisation du bouton OC Genie.
Bouton OC genie : TURBO1
Ce bouton sert à auto-overclocker pour le système. Appuyez sur ce bouton pour activer la fonction OC Genie lorsque le système est au statut éteint, néanmoins, le bouton s'allume et se verrouille. Ensuite, le système détectera automatiquement les valeurs optimales pour overclocker après l'initialisation du système. Pour désactiver la fonction OC Genie, veuillez appuyer sur le bouton encore après éteindre le système, néanmoins, le bouton s'éteint et se déverrouille, et le système conserve le défaut pour la prochaine initialisation.

Important
- Veuillez installer une mémoire de DDR3 1333 et supérieure et meilleur équipements pour la dissipation de la chaleur avec la fonction OC Genie.
- Nous ne garantissons pas la gamme et les dommages ou risques causés par le comportement d'overclocking OC Genie.
- Vous pouvez désactiver la fonction OC Genie dans le réglage du BIOS. Et nous vous proposons de conserver la configuration d'OC Genie au profil d'overclocking dans le BIOS pour s'en servir dans l'avenir.
- L'utilisation d'OC Genie est un risque pour vous. L'overclocking n'est jamais garanti par MSI.
Emplacements
L'emplacement PCIE supporte la carte d'extension d'Interface PCIE.

L'emplacement PCI supporte la carte LAN, la carte SCSI, la carte USB et d'autres cartes ajoutées qui sont compatibles avec les spécifications de PCI.

Emplacement 32-bit PCI
Important
Lorsque vous ajoutez ou retirez une carte d'extension, assurez-vous que le PC n'est pas relié au secteur. Lisez la documentation pour faire les configurations nécessaires du matériel ou du logiciel de la carte d'extension, tels que cavaliers, interrupteurs ou la configuration du BIOS.
Chemins de revendication d'interruption de PCI
IRQ est l'abréviation de "interrupt request line". Les IRQ sont des lignes de matériel sur lesquelles les périphériques peuvent émettre des signaux d'interruption au microprocesseur. Les pins de PCI IRQ sont typiquement connectés aux pins de bus PCI comme suivant :
| Ordre1 | Ordre2 | Ordre3 | Ordre4 | |
| PCI emplacement 1 | INT E# | INT F# | INT G# | INT H# |
| PCI emplacement 2 | INT F# | INT G# | INT H# | INT E# |
| PCI emplacement 3 | INT G# | INT H# | INT E# | INT F# |

LED de phase CPU
Ces LEDs indiquent le mode actuel de phase d'alimentation CPU. Suivez les instructions ci-dessous pour le dire.

Allumé

Eteint
| CPU est au mode d'alimentation de phase 1. | |
| CPU est au mode d'alimentation de phase 4. |
Réglage BIOS
Ce chapitre donne des informations concernant le programme de réglage de BIOS et vous permet de configurer le système pour obtenir des performances d'utilisation optimales. Vous aurez peut-être besoin de lancer le programme de réglage quand :
- Un message d'erreur apparaît sur l'écran pendant le démarrage du système, qui vous demande de lancer BIOS SETUP (Réglage).
- Vous souhaitez changer les réglages par défaut des fonctions personnalisées.
Important
- Les objets situés sous chaque catégorie BIOS décrits dans ce chapitre sont en cours de mise à jour continue pour améliorer les performances du système. C'est pourquoi il est possible que la description soit légèrement différente du BIOS le plus récent, et ne doit servir que comme référence.
- Au redémarrage, la première ligne qui apparait après le compte de la mémoire est la version BIOS. Elle est généralement sous la forme :
A7599AMS V25. X 071010 ou :
Le 1er caractère se rapporte au fabricant du BIOS : A = AMI, W = AWARD, et P = PHOENIX.
Les caractères de 2ème à 5ème se rapportent au numéro de module.
Le 6ème caractère se rapporte au jeu de puce: I = Intel, N = NVIDIA, A = AMD et V = VIA.
Les caractères de 7ème à 8ème se rapportent au client : MS = all standard customers (tous les clients standard).
V25. X se rapporte à la version de BIOS.
071010 se rapporte à la date à laquelle est sortie ce BIOS.
Réglages d'entrée
Allumez l'ordinateur et le système lancera le processus POST (Test automatique d'allumage). Lorsque le message ci-dessous apparaît à l'écran, appuyez sur la touche pour entrer dans les réglages.
Si le message disparaît avant que vous ne répondiez et que vous souhaitez encore entrer dans Setup (Réglages), redémarrez le système en OFF (éteignant) puis en ON (rallumant) en appuyant sur le bouton RESET (Réinitialiser). Vous pouvez également redémarrer le système en appuyant simultanément sur les touches,, et.
Obtenir de l'aide
Après être entré dans le menu de Réglage, le premier menu que vous verrez apparaître sera le menu principal.
Menu principal
Le menu principal établit la liste des fonctions de réglage que vous pouvez modifier. Vous pouvez utiliser les touches de flèche (↑↓) pour sélectionner l'objet. La description en ligne des fonctions de réglages illuminées est affichée au bas de l'écran.
Sous-menu
Si vous voyez un symbole de pointeur droit (comme indiqué sur la vue de droite) apparaître sur la gauche de certains champs, cela signifie qu'un sous-menu peut être lancé à partir de ce champ. Un sous-menu contient des options supplémentaires pour un paramètre de champ. Vous pouvez utiliser les touches de flèche (↑ ↓) pour illuminer le champ puis appuyez sur pour faire apparaître le sous-menu. Vous pourrez alors utiliser les touches de commande pour saisir des valeurs et vous déplacer d'un champ à un autre à l'intérieur d'un sous-menu. Si vous souhaitez revenir au menu principal, appuyez juste sur.
Aide générale < f1>
Le programme de réglages BIOS fournit un écran d'aide générale. Vous pouvez faire sortir cet écran à partir de n'importe quel menu en appuyant simplement sur <F1>. L'écran d'aide donne une liste des touches appropriées à utiliser et les sélections possibles pour l'objet illuminé. Appuyez sur <Esc> pour quitter l'écran d'aide.
Menu principal
Une fois entrée dans l'unité de réglages BIOS CMOS, le menu principal apparait sur l'écran. Le Menu Principal vous permet de sélectionner parmi les fonctions et les choix de sorties. Utilisez les touches de flèche pour sélectionner parmi les objets et appuyez sur pour accepter ou entrer dans le sous-menu.
Utilisez ce menu pour les configurations du système de base, tels que l'heure, la date.
Fonctions BIOS avancées
Utilisez ce menu pour régler les objets des fonctions améliorées spéciales.
Péripériques intégrés
Utilisez ce menu pour définir vos réglages des périphériques intégrés.
Power Management Setup (Réglages de la gestion de l'énergie)
Utilisez ce menu pour définir vos réglages de la gestion de l’énergie.
H/W Monitor (Moniteur H/W)
Cette entrée indique l'état de santé de votre PC.
Green Power (Alimentation verte)
Utilisez ce menu pour spécifier la phase d'alimentation.
BIOS Setting Password (Mot de passe de réglage BIOS)
Utilisez ce menu pour régler le mot de passe du BIOS.
Menu Cellulaire
Utilisez ce menu pour définir vos réglages du contrôle de la fréquence/voltage et de l'overclocking.
M-Flash Utilisez ce menu pour/ flash le BIOS du lecteur de stockage (FAT/ FAT32 format uniquement). Overclocking Profile (Profil d'overclocking) Utilisez ce menu pour conserver/ charger vos réglages à/ de CMOS pour le BIOS.
Load Fail-Safe Defaults (Défauts de sécurité de chargement intégré)
Utilisez ce menu pour charger les valeurs par défaut régies par le vendeur de BIOS afin de garantir la stabilité des performances du système.
Load Optimized Defaults (Chargement des réglages par défaut optimisés)
Utilisez ce menu pour charger les valeurs par défaut régées par le fabricant de la carte mère spécifique pour obtenir des performances optimales de la carte mère.
Save & Exit Setup (Sauvegarder et quitter les réglages)
Sauvegardez les changements apportés au CMOS puis quittez les réglages.
Quitter sans sauvegarder
Abandonnez tous les changements et quittez les réglages.
Quand vous entrez dans l'unité de réglages BIOS, suivez les procédures suivantes pour l'utilisation générale.
- Load Optimized Defaults (Chargement des réglages par défaut optimisés) : Utilisez les touches de contrôle ( ) afin de sélectionner le domaine Load Optimized Defaults et appuyez sur. Le message suivant apparait :

Choisir [Ok] et appuyer sur Enter chargera les valeurs par défaut pour une performance de système optimal.
- Setup Date/ Time (Réglage de l'heure et de la date): Choisissez Standard CMOS Features et appuyez sur afin d'entrer dans le menu Standard CMOS Features. Ajustez la date et l'heure.

- Sauvegarder et quitter les réglages: Utilisez les touches de contrôle ( ) afin de surligner le domaine de Sauvegarder et quitter les réglages et appuyez sur, le message suivant apparait:

Choisir [Ok] et appuyer sur Enter afin de sauvegarder les configurations et quitter l'unité de réglages du BIOS.
Important
Les configurations précédentes ne sont que pour l'utilisation générale. Si vous avez besoin de réglages détaillés du BIOS, veuillez vous référer au manuel de l'édition anglaise sur le site internet de MSI.
- Menu Cell Introduction (Introduction du Menu Cell) : Ce menu est pour des utilisations avancées destinées à overlocker la carte mère.

Important
Ne changez pas ces réglages sauf si vous connaissiez bien ces puces.
Ces articles montrent les fréquences actuelles du CPU, de la mémoire et du CPU-NB. Lecture uniquement.
CPU Specifications
Appuyez sur pour entrer dans le sous-menu. Ce sous-menu montre l'information du CPU installé.
Appuyez sur pour entrer dans le sous-menu. Ce sous-menu montre les technologies que le CPU installé supporte. Lecture uniquement.
CPU Feature
Appuyez sur pour entrer dans le sous-menu.
AMD Cool'n'Quiet
Cette Technologie Cool'n'Quiet peut effectivement et dynamiquement diminuer la vitesse du CPU et la consommation d'alimentation.
Important
Afin d'assurer que la fonction Cool'n'Quiet est activée et qu'elle marchera correctement, il est nécessaire de confirmer doublement que :
- Fonctionnez les réglages du BIOS, CHOISSEZ Cell Menu. Sous Cell Menu, trouvez AMD Cool'n'Quiet, mettez celui-la "Enabled".
- choisissez Minimal Power Management sous Power schemes.
C1E Support
Activer cet article pour indiquer la consommation d'alimentation du CPU lors de l'arrêt. Pas tous les processeurs supportent Enhanced Halt state (C1E).
SVM Support
Cet article sert à activer/désactiver SVM.
AMD Cool'n'Quiet
Cette Technologie Cool'n'Quiet peut effectivement et dynamiquement diminuer la vitesse du CPU et la consommation d'alimentation.
C1E Support
Activer cet article pour indiquer la consommation d'alimentation du CPU lors de l'arrêt. Pas tous les processeurs supportent Enhanced Halt state (C1E).
Cet article vous permet de choisir la fréquence horloge du FSB du CPU (en MHz).
OC Stepping
Cet article est activé après que vous régliez la fréquence d'overclocking dans le "Adjust CPU FSB Frequency (MHz)". Et les articles suivants apparaissent. Cet article aide le système d'overlocker étape par étape après l'initialisation du système.
Start OC Stepping From (MHz)
Cet article sert à régler l'horloge de FSB initial. Le système démarre avec l'horloge de FSB initial, et commence à overlocker de l'horloge de FSB initial jusqu'à celui que vous réglez dans le "Adjust CPU FSB Frequency (MHz)" étape par étape.
OC Step
Cet article règle la quantité d'étapes pour l'overclocking d'horloge de FSB.
OC Step Count Timer
Cet article sert à régler le buffer time pour chaque étape.
Ajuster le ratio du CPU
Cet article sert à ajuster le multiplicateur d'horloge du CPU (ratio). Il est disponible seulement quand le processeur supporte cette fonction.
Cet article sert à ajuster le ratio du CPU-NB.
Il montre la fréquence ajustée du CPU NB. Lecture uniquement.
Cet article sert à déverrouiller le cœur du CPU. Veuillez vous référer aux procédures ci-dessous pour le déverrouiller dans le réglage BIOS.

Important
- Le comportement du cœur de processeur déverrouillé dépend des capacités et caractéristiques du processeur; il n'est pas garanti.
- Si jamais le système semble instable, à cause des caractéristiques du processeur éventuellement, veuillez récapituler les configurations par défaut au système.
- Vous pouvez aussi vérifier le nombre des cœurs dans la table de performance du Gestionnaire des tâches de Windows.
Cet article sert à overlocker. La mise en [Enabled] vous permet de régler le Ratio CPU plus haut. Il est seulement disponible lorsque le processeur supporte la fonction.
Cet article vous permet de choisir le nombre de puces actives du processeur.
OC Genie lite
La mise en [Enabled] de cet article permet au système de détecter l'horloge du FSB maximum et d'overlocker automatiquement. Si l'overclocking échoue, vous pouvez essayer une horloge du FSB moins haute pour y réussir.
Memory-z
Appuyez sur pour entrer dans le sous-menu.
DIMM1~4 Mémoire SPD Information
Appuyez sur pour entrer dans le sous-menu. Le sous-menu affiche les informations de la mémoire installée.
Appuyez sur pour entrer dans le sous-menu.
DRAM Timing Mode Ce domaine est capable de détecter automatiquement tout le DRAM timing. DRAM Drive Strength
Cette fonction vous permet de contrôler la puissance de signal du bus de données de mémoire. L'augmentation de puissance du bus de mémoire peut augmenter la stabilité pendant l'overclocking. DRAM Advance Control
Ce domaine possède la capacité de détecter automatiquement les DRAM timing avancés. Si vous le mettez en [DCT 0], [DCT 1] ou [Auto], des domaines apparaissent et à CHOISIR.
1T/2T Memory Timing
Cet article contrôle le taux d'ordre de SDRAM. La sélection en [1T] fait fonctionner en taux de 1T (T=cycles d'horloge) au contrôleur des signaux du SDRAM. La sélection en [2T] fait fonctionner en taux de 2T au contrôleur des signaux du SDRAM.
DCT Unganged Mode Cette fonction sert à intégrer deux 64-bit DCTs dans un interface de 128-bit. Bank Interleaving
Bank Interleaving est un paramètre important pour améliorer la capacité d'overclocking de la mémoire. Il permet au système d'accéder à multiples banques simultanément. Power Down Enable
C'est une technologie pour économiser de l'énergie pour la mémoire. Lorsque le système n'accède pas à la mémoire pour un certain temps, il réduira automatiquement l'alimentation de la mémoire.
MemClk Tristate C3/ATLVID
MemClk Tristate C3/ATLVID
Ce réglage vous permet d'activer/désactiver le MemClk Tristate pendant C3 et ATLVID.
Cet article vous permet de choisir le ratio du FSB/DRAM.
Il montre la fréquence ajustée de la mémoire. Lecture uniquement.
HT Link Control
Appuyez sur pour entrer dans le sous-menu.
Ces articles vous permettent de régler la largeur du Hyper-Transport Link. Mis en [Auto], le système détectera automatiquement la largeur HT link.
HT Link Speed
Cet article vous permet de régler la vitesse du Hyper-Transport Link. Mise en [Auto], le système détecte automatiquement la vitesse du HT Link.
Il montre la fréquence ajustée du HT Link. Lecture uniquement.
Ce Domaine vous permet de besoin la fréquence PCIE (en MHz).
Auto Disable DRAM/PCI Frequency
Lorsque mis en [Enabled], le système éteindra les horloges des fentes vides de PCI pour réduire au minimum l'interface électromagnétique (EMI).
- CPU VDD Voltage (V) / CPU-NB VDD Voltage (V) / CPU Voltage (V) / CPU-NB Voltage (V) / CPU DDR-PHY Voltage (V) / DRAM Voltage (V) / NB Voltage (V) / NB PCI-E Voltage (V) / SB Voltage (V) / HT Link Voltage (V)
Ces articles servent à ajuster le voltage du CPU, de la mémoire et des puces.
Spread Spectrum
Lorsque le générateur d'horloge de la carte mère fonctionne, les valeurs extrêmes (spikes) créent des interférences électromagnétiques EMI (Electromagnetic Interference). La fonction Spread Spectrum réduit ces interférences en régulant les impulsions pour que les spikes des impulsions sont réduits aux courbes plus plates.
Important
- Si vous n'avez pas de problème d'EMI, laissez l'option sur [Disable], ceci vous permet d'avoir une stabilité du système et des performances optimales. Dans le cas contraire, CHOISSEZ Spread Spectrum pour réduire les EMI.
- Plus la valeur Spread Spectrum est importante, plus les EMI sont réduites, et le système devient moins stable. Pour la valeur Spread Spectrum la plus convenable, veuillez consulter le règlement EMI local.
- N'oubliez pas de désactiver la fonction Spread Spectrum si vous êtes en train de déverrouiller parce que même un battement léger peut causer un accroissement temporaire de la vitesse de l'horloge qui verrouillera votre processeur déverrouillé.
Information de logiciel
Sortez le pilote/Service du DVD, qui est inclus dans le paquet de la carte mère et placez-le dans le DVD-ROM. L'installation va automatiquement se déclencher, cliquez sur le pilote ou sur l'utilisation et suivez le pop-up de l'écran pour accomplir l'installation. Le pilote/Service DVD contient:
- Menu de pilote : Il montre les pilotes disponibles. Installez le pilote si vous le souhaitez pour activer le dispositif.
- Menu de service : Il montre les applications logicielles supportées par la carte mère.
Important
Veuillez consulter le site Web de MSN pour obtenir les derniers pilotes et BIOS pour une meilleure performance du système.

Pycckn
Cepnia 870A-G55/
870U-G55
■Procès copie AmD PhenomTM II, AthlonTM II и SempronTM в Конструкт UBE AM3.
(D�� polyсheni samou Novoiнормаци O CPU, postintе сaHT http://www.msi.com/index.php? func=cpuform2)
HyperTransportTM 3.0, noДержка ckопoctn до 5.2 T/Tc
CebergeMocT: AMD*RX780 IoxHbIMocT: AMD®SB710
DDR3 1600 *(OC)/ 1333/ 1066/ 800 DRAM (16F5 Max) 4 cnoTa DDR3 DIMM, noDepkka 2-x KaHaJIbHoro peKIMMa (* OC=pa3roH, 3a DoOnJInTeIbHoi INΦopMaünei O COBMeCTmblx KOMnHOHeTAX nocetnte caHt http://www.msi.com/index.php?func=testreport)
Port Gb LAN (10/100/1000) sur chipset Realtek® RTL8111E
IEEE 1394
INTerpnpoBaHHbYHnCETVIA VT6308P Поддержка 1 порта IEEE 1394 (на задней панели) & 1 паpтема IEEE 1394
Aydno KoDEK BbICOKOe DeΦHnHcNn Realtek ALC892/ALC887 (onuHOaHbHo) 8-kaHajbHoe ayDIO C rIbKIM nepeHa3HaueHHem pa3beMOB
6 ports SATA 3Γ6/c (SATA1~6) et un contrôleur AMD® SB710 2 ports SATA 6Γδ/c (SATA7~8) et un contrôleur Marvell® 88SE9128 (Дяг 870A-G55) Interface de configuration avancée du périphérique STORAGE
USB 3.0
2 ports USB 3.0 haqinceTe NEC uPD720200F1
SATA1~6 noДeprKINBAHOT peXIMbI RAID 0/1/10 ha YInCeTe AMD® SB710 SATA7~8 noДержИBAOT peЖIMы RAID 0/1 на чincete Marvell® 88SE9128 (дя 870A-G55)
1 Fonctions et maintenance 1 FDD de 360KB, 720KB, 1.2MB, 1.44MB ou 2.88MB
3aDne naHeJI
- 1 PS/2 port USB -1PS/2portUSB
- 1 Khoja c6poca CMOS
- 1 nopT Koaxialhoro S/PDIF-Out
- 1 nopT anneauchéro S/PDIF-Out
- 6 ports USB 2.0
- 1 nopT USB 3.0
- 1 port IEEE 1394
- 1 nopT LAN
- 6 rebobinables avec un ruban non adhésif
Paramètres, utilisables sur l'écran
- 2 paramètres USB 2.0
- 1 port USB 3.0 -1port IEEE 1394 -1port DaTUnKa OTKpbIbAHnK KopnyCa
- 1 port S/PDIF-Out
- 1 pa3bem DISPOSITIF DE SECURITE POUR LA CONNECTION DE 1 pa3bem NOCELOBAITEIRO npota -1pa3bemTPMMoody
- 1 pa3bem CD-In
- 1 Konka OC Genie
2 cnoTa PCIE x16
-PCI_E2 ne supporte pas le slot PCIE x16, PCI_E3 ne supporte pas le slot PCIE x4 -Support technique ATI CrossFireX™
1 cnot PCIE x1 3 cnoTa PCI, noDpeKka INTepeKca PCI uHbI c nTnTaHmE 3.3V/5V
Образуйте BHIHANE Ha to, чу установка ныхкта "PCI Express x4/x1 Slot" [x4] но пунктом "Integrated Peripherals" в BIOS может включать npTI SATA 6 Gbps (SATA7~8) и slot PCIE x1 (PCI_E1).
ATX (22.5 cm × 30.5 cm)
6 operateurs dans KpePiHnIa
Notice Facile