DDLE LCD 18 - Vytápění AEG - Bezplatný návod k obsluze
Najděte návod k zařízení zdarma DDLE LCD 18 AEG ve formátu PDF.
Stáhněte si návod pro váš Vytápění ve formátu PDF zdarma! Najděte svůj návod DDLE LCD 18 - AEG a vezměte svůj elektronický přístroj zpět do rukou. Na této stránce jsou zveřejněny všechny dokumenty potřebné k používání vašeho zařízení. DDLE LCD 18 značky AEG.
NÁVOD K OBSLUZE DDLE LCD 18 AEG
Návod k používání a montáži 59
- Obecné poukyny 60
- Bezpečnost 60
- Popis pristroje 61
- Nastaveni 61
- Čišění, peče a udžržba 61
- Odstraneni problemu 61
INSTALLACE
- Bezpečnost 62
- Popis pristroje 62
- Priprava 62
- Montáz 63
- Uvedeni do provozu 67
- Uvedeni mimo provoz 67
- Odstrańovani poruch 68
- Udrzba. 69
- Technické udaje 69
ZÁRUKA
ZIVOTNI PROSTREDI A RECYKLACE
ZVLÁŠTNIPOKYNI
-
Pristroj smi používat deti od 8 let a osoby se snizenymi fyzickými, senzorickými nebo mentalnimi schopnostmi nebo s nedostatečnými zkušenostmi a znalostmi pouze pod dozorem, nebo poté, co byly poučeny o bezpečném používani pristroje a jsou si vědomy nebezpeci, ktera z jeho používání plynou. Nenechávejte deti, aby si s pristrojem hrály. Čistěni a Údržbu, kterou má povádet uživatel, nesmi povádet samotné deti bez dozoru.
-
Nebezpeci oparení: Armatura muze dosanhout teploty vyssí než 60 °C.
- Prístroj musí byt moźne odpojit od sítové prípojky na všech polech na vzdálenost nejmène 3 mm.
- Upevněte prístroj způsobem popsaným v kapitole „Instalace / Montáž".
- Dodržujte maximálni prípustné tlak (viz kapitola „Technické udaje/Tabulka s technickymi udaji").
-Vypustte pristroj zpusobem podle popusu v kapitole ,Instalace / Udrzba / Vypusteni pristroje".
OBSLUHA
1. ObecnéPokyny
Kapitoly Zvlastni Pokyny a "Obluha"jsou urceny uzivatelum pristroje a instalacnim technikum.
Kapitola,Instalace"je urcena instalačním technikum.

Upozorneni
DriVe, nez Zahajite provoz, si pozome prectete tento nadvod a peclive jeuschoveje.
Připadné predejte námod dalsimu uzivateli.
1.1 BezpečnostníPokyny
1.1.1 Struktura bezpečnostnichPokynu

UVOZUJICI SLOVO - Druh nebezpeci
Zde jsou uvedeny mozné nasledky nedodrzeni bezpečnostnichPokynu.
» Zde jsou uvedena opatreni k odvraceni nebepezeci.
1.1.2 Symboly, druh nebezpeci
| Symbol Druh nèbezpeči | |
| ! | Üraz |
| Üraz elektrickým proudem | |
| Popáléní (popáleni, opařeni) | |
1.1.3 Uvozujici slova
| UVOZUJICI SLOVO | Význam |
| NEBEZPEĆ Poly, jejichž nedodrženi má za následek vázné nebo smrtelné úrazy. | |
| VYSTRAHA Poly, jejichž nedodrženi műze mít za následek vázné nebo smrtelné úrazy. | |
| POZOR Pokyny, jejichž nedodrženi műze mít za následek středné vázné nebo lehké úrazy. |
1.2 Jiné symboly použité v tétodokumentaci

Upozornéni
Obecné poukyny jsou označeny symbolem zobra-zenym vedle.
» Texty upozorneni Čěte pečílive.
| Symbol Význám | |
| ! | Věcné škody (poškození prístroje, následné škody, poškození životniho prostředí) |
| Likvidace prístroje | |
Tento symbol vás yvzývá k určitěmu Jednámí. Potřebné ukony jsou popsány po jegnotlivych krocích.
1.3 Mérné Jednotky

Upozornéni
Pokud není uvedeno jinak, jsou všechny rozměry uvedeny v milimetrech.
2. Bezpečnost
2.1 Použití v souladu s učelem
Přistroj je určen k použití v domácnostech. Mohou jej tedy bezpečné obsluhovat neškoléné osoby. Lze jej používat i mimo domácnosti, např. v drobném prúmyslu,Pokud zpúsob použiti v takovych oblastech odpovída určeni přistroje.
Tlakové zaření slouží k ohrevu pitné vody nebo k doda-tečnému ohrevu predehráté vody. Pristoj muže zásobovat jegno nebo několik odbernych míst.
Jiné pouziti nebo pouziti nad ramec daného rozsahu je považovano za pouziti v Rozporu s urcenim. K pouziti v souladu s urcenim patr také dodrzovani tohoto navodu a navodu k pouzivanemu prislusenstvi.
2.2 Vseobecné bezpečnostní poukyny

POZOR popaleni
Armatura muze za provozu dosahnout teploty vyssi nez 60^
Pokud je vystupni teplova vysshí než 43 °C hrozí nebezpečí opářeni.

POZOR popaleni
Teplota teplé vody se muze za provozu s predehratou vodou, napr. ze solarniho systému, lišit od na-stavené požadované teploty.

VYSTRAHA uraz
Pristroj smeji pouzivat deti od 8 let a osoby se snizenymi fyzickymi, senzorickymi nebo mentalnimi schopnostmi nebo s nedostatkem zkušenosti a znalosti pouze pod dozorem, nebo po poucenio bezpečné použiti pristroje, a poté, co porozuměy nebezpeci, ktera z jeho použiti plynou. Nenechávejte deti, aby si s pristrojem hrály. Čištěni a udrzbu, kterou ma povadét uživotel, nesmi povadét samotné deti bez dozoru.
Pokud pristroj pouzivaji deti nebo osoby s omezenymi telesnymi, senzorickymi nebo duševnimi schopnostmi, doporučujeme trvalé omezení teploty. Omezeni si muzete nechat nastavit autorizovaným servisem.

Vécné skody
Oznaceni CE dokláda, ze prístroj splnuje vsechny základní podmíky:
Smernice o elektrickych zafrizenich nizkého napeti
Smernice o elektromagnetické kompatilité Maximánlí dovoléná impedance sítě je uvedena v kapitole „Technické udaje".
2.4 Kontrolni symbol
Viz typovy stitek na pristroji.
Potvrzeni a osvedceni platna v jegnotlivych zemich: Nemecko
K pristroji je vydano na zaklade mistroh stavebnich
predpisu vseobecne osvedceni stavebniho dozoru jako
potvrzeni o pouzitelnosti z hlediska hlucnosti.
AEG
HOL
DIN 4109
PA-IX 6814/
MPA NRW.
3. Popis pristroje
Elektronicky regulovaný prútokov yhřivač s automatickou upravou vykonu udržuje teplotu vody na vytoku konstantní az na hranici vykonu. Následné se teplota volí na odběrné baterii.
Topny systém
Topny systém s holou spirálou je vybaven plastovym tlakovym plastém. Topny systém je vchodny pro vodu s nizkym i vyssim obsahem vapennych soli, systém je do znacné miny necitivy vuči zanášeni vodnim kamenem. Topny systém zajistuje rychlou a učinnou pripravu teplé vody.

Upozornéni
Pristroj je vybaven zařizenim, které Rozpoznáva, zda je v systému voda. Tim je zabràněno poskozeni topného systému. Pokud se za provozu dostane do pristroje vduch, pistroj vypne na Jednu minutu topny vykon a chrani tak topný systém.
4. Nastaveni
Teplotu teplé vody na yvtoku je mozné nastavovat plynule. Zobrazí se zvolená teplota. Pri teplotách nad 43^ se zmení barva displeje z modré na Červenou jako upozor-něni na nebezpeci oparení.


D0000041982
Otočte nastavovací tlacitko na zvolenou teplotu.

Upozornéni
Pokud pri zcela otevrenem odbernem ventilu a na-stavene maximalni teplote neni dosazeno dostatecné teploty na vytoku,znamena to,ze pristrojem proteká vice vody, nez je schopen topny systém ohrát (pristroj je na hranici vykonu).
» Zmensete mnozstv vody na odberném ventilu.
Doporucene nastaveni pri provozu s termostatickou armaturou
Nastavte teplotu na prifstroji na maximálne teplotu.
Po prierušeni dodávy vody je nutné prístroj opětovne uvest do provozu pomoci nasledujicich krokú, aby nedoslo k poskození topného systému s holou spirálou.
» Odpojte prístroj od napěti vypnutím pojistek.
Otevřete armaturu na dobu jejne minuty, dokud nejsou pristroj a predrazená pripojka studené vody odvizdušné.
» Opět zapnéte napájení ze site.
5. Čišění, peče a udržba
» Nepouzivejte abrazivni cistici prostredky nebo prostredky obsahujici Rozpoustedla. K osetrovani a udrzbe pristroje stacl vlhka textilie.
» Kontrolujte pravidelné armatury. Vodni kamen na vytocích z armatur odstranfte beznymi prostředky k odstraněni vodniho kamene.
6. Odstraněni problemu
| Problém Príčina Odstráněni | ||
| I když je ventil teplé vody zcela otevřen, prístroj se nezapne. | Doslo k výpadku elektrického napájení. | Zkontrolujte pojistky vnitřni instalace. |
| Prútokové množstvi je přilíš nízké. Perlátor v armatuře nebo sprchová hlaví cia zbavte je vodního kamene. | Vycistěte perlátor nebo sprchovou hlavi-ci a zbavte je vodního kamene. | |
| Není dosaženo po-žadované teploty > 45 °C. | Je přerùsen prívod vody. | Odvzdušněte prístroj a privod studenté vody (viz kapitola „Nastvení”). |
| Teplota vystupné stude- | né vody je > 45 °C. | Snižte teplotu vystupné studenté vody. |
Pokud nelze prfcinu odstranit, kontaktujte odbornika. Pro lepsi a rychlejs pomoc mu sdeltce cfslo (c. 000000-0000-00000), ktere je uvedeno na typovem stifiku:

D0000041614
INSTALLACE
7. Bezpečnost
Instalaci, uvedeni do provozu, udrzbu a opravy pristroje smi provadet pouze odbornik.
7.1 Vseobecné bezpečnostíPokyny
Rádnou funkci a spolehlivý provoz lze zaručit pouze v pripadě použítí pvodniho príslušenstvi a originních nahradních dlú určenych pro tento prístroj.

Véché skody
Dodržujte maximalí vystupné teplotu. Pri vysshich teplotach muže dojít k poskození pristroje. Instalaci centránlí termostatické armatury mužete omezit maximalí teplotu pritoku.
72 Predpisy, normy a ustanovi

Upozornéni
Dodžujte všechny národní a mistrí prédpisy a ustanovení.
Kryti IP 25 (ochrana proti strikajici vode) je zaruce no pouze v pripade odborné instalované kabelové pruchodky.
Merny elektricky odpor vody nesmi byt mensi nez hodnota uvedena na typovem stitku. V priadne propojen inekolika vodovodnich siti je nezbytne vzt v uvahu nejnižsik elektricky odpor vody (viz kapitola "Technické udaje / Oblasti pouziti / Převodni tabulka"). Hodnoty mernenho elektrického odporu vody nebo elektrické vodivosti vody zjistite u vašeho dodavatele vody.
8. Popis pristroje
8.1 Rozsah dodávky
Spolu s pristrojem dodavame:
Nastenna zavesna liesta
Svorníky se závitem, šrouby a hmoždinky pro zavěšení na zed
Montázní Šablona
2 dvojite vsuvky (studená voda s uzaviracim ventilem)
Plocha těsněné
Kabelova pruchodka (elektrické privodni vedeni na-hore / dole)
Srouby / hmozdinky k pripevneni zadni steny v priapde montaze na vodovodni pripojku na stenu
8.2 Príslušenstvī
Armatura
ADEo 70 WD - tlaková armatura koupacích van
Montázní príslušenstvi
Univerzální montážní rám
Instalačni sada pro prěsazení potrubí
Tato potrubni instalacn sada s koleny je nezbytna,Pokud chcete mit pristroj umisteny proti vodovodni pripojce se svislym presazenim o 90 mm smerem dolu.
Potrubni instalacni sada k vymene plynového ohrivace vody
Potrubni instalacni sada je nutna,Pokud stavajici instalace obsahuje pripojky plynového ohřivače vody (pripojka studené vody vlevo a pripojka teplé vody vpravo).
Zátežové relé (LR 1-A)
Zátežové relé k instalaci do elektrorozvodného systému umožnju prioritni spinání prutokového ohřivače pri soucasném provozu napr. elektrických zarizení k ohřevu zásobníku.
ZTA 3/4 - centrólni termostatická armatura
Termostatica armatura k centralinmu predrazenemu smesovani vody, napfiklad u prutokovoho ohrivace se solarnim systemem.
9. Priprava
9.1 Misto montáze

Vécnéskody
Pristroj smi byt instalovan pouze v mistrasti chränene prd mrazem.
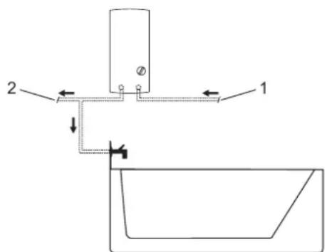
Pristoj montujte ve svisle poloze v blizkosti odberného mista.
Pristroj je vhdný k montáži pod a nad umyvadlo.
Montáž pod umyvadlo

26.02.02_1345
1 Privod studene vody
2 Vytok teplé vody
Montáž nad umyvadlo

26_02_02_1344
1 Privod studené vody
2 Vytok teplé vody

Upozorněni
» Namontujte pristroj na stenu. Stena musi mit dostatecnou nosnost.
Pojistny ventil nenf nutny.
Dukladně vaplachnéte vodovodní vedení.
Zkontrolujte, zda je dosaženo objemového prutoku (viz kapitolu „Technické udaje / Tabulka udajū“, zapnutí) k zapnutí prístroje. Neni-li dosaženo objemového prutoku, sejměte omezováč prutoku (viz kapitola „Montáž / Sejmutí omezováč prutoku").
Zvyste tlak ve vodovodu,Pokud neni dosazeno pri plne otevrenem odbernem ventilu potrebneho objemoveho prutoku.
Armatury
Použijte vchodné tlakové armatury. Beztlakové armatury nejsou dovolné.

Upozorneni
Uzaviraci ventil na privodu studente vody se nesmi pouzivat k omezovani prutoku. Slouzi k uzavreni pristroje.
Dovolene materially vodovodniho potrubi
- Privod studene vody:
Zárove zinkovana ocelová trabka, trabka z ušlechtile oceli, meděná trabka nebo plastová trabka
Vystupni potrubi teplé vody:
Trubka z ušlechtile oceli, mědená trabka nebo plastová trabka

Vécné skody
V priapé pouziti plastovych potrubnich systémudodržujte maximálni dovolenou vstupni teplotaamaximalni dovoleny tlak, uvedene v kapitole „Technické udaje / Tabulka udajú".
Flexibilni privodni vedeni vody
» Pri instalaci flexibilnich privodnich vedeni vody zamezte prekrouceni kolen s bajonetovymi spoji v pristroji.
» Upevnéte zadni stenu dole pomoci dodatečnych dvou šroubú.
10. Montáž
10.1 Standardni montáž
Elektrická prípojka nahore, instalace ve stěné (pod omftkou)
Vodovodni pripojka instalaci ve stene (pod omitkou)
DDLE LCD 18/21/24: Přikon 21 kW, prědnostavený Dalí smoznosti montáže viz kapitola „Alternativné postupy montáže":
Elektrická prípojka pod omítkou dole
- Elektrická prípojka na zdi
Pripojen zatezového relé
Montaz pod umyvadlo - pripojky vody nahore
Vodovodni instalace na zdi
Provoz s predehratouvodou
Omezovač teploty

Otevreni pristroje

D0000041615

» Otevřete prístroj odkovánim pojistky.

26_02_02_0762

» Demontujte zadni stenu zatlačením obou pojistnych háčkú a stáhněte spodníd líz zadni stěny dopředu.
Prijrava privodniho kabelu

26_02_02_0887
Montáz nastenného zavésu
26_02_02_0972
» Vyznačte pomoci montážní šablony vrtané otvory.
V pripadé montáze s vodovodnimi pripojkami primo na zdi musite navic oznacit upevnovaci otvory ve spodní Časti šablony.
» Vyvrtejte otvory a upevnete zavešovac konzolu na zed pomoci 2 sroubu a 2 hmoždinek (srouby a hmoždinky jsou současti dodávy).
» Namontujte prilozené svorníky se závitem.
» Namontujte konzolu na zed.

Montáž kabelové pruchodky
26_02_02_0950
» Namontujte kabelovou pruchodku. Je-li pruñez pri- pojovaciho kabelu >6mm^2 musite otvor v kabelové pruchodce zvětsit.
Věcné škody Veskeré vodovodni pripojky a instalace provádejte podle predpisu.

26_02_02_0948
Utesnete a naśroubujte dvojitou vsuvku.
Vécné škody Uzaviraci ventil na privodu studente vody se nesmi použivat k omezovani prútoku.
Připrava zadní stěny
Vécné škody
Pokud bye ste nedopatřenim yvlomili do zadni stěny
nesprávný otvor, musite použit novou zadni stěnu.

D0000041893
» Vylomte pruchodku kabelu na zadni strane. V priapde potreby odstrahte pilnikem ostre hrany.

Montáz pristroje
D0000041894
» Zasunte zadni stenu pres svornik se zavitem a kabelovou pruchodku. Zatahnete kabelovou pruchodku pomoci klest na haccich do zadni steny, dokud oba hacky slysiteln nezaklapnou.
» Odstraţe z vodovodnich prípojek ochranná transportní vička.
» Pevně pritlačte zadní stěnu a zajistěte upevnovací páčku otočením doprava o 90°.

D0000041925
Vécné skody Z duvodu funkce pristroje musite instalovat sitko.
» Zkontrolujte pri vymene pristroje, zda je k dispozici sitko (viz kapitola „Udržba").
Sejmuti / vymena omezovace prutoku

Upozorneni Pouzijete-li armatury st temostatem, nesmi se omezova prutoku sejmout.

26_02_02_0771
1 Plastová tvarová podložka
2 Omezova prutoku
Sejmete omezovač prutoku a opět nasadte plastovou tvarovku.
DDLE LCD 18/21/24: Vymena omezovace prutoku
Pokud vyberete príkon 24 kW, vyměnte vestavěný omezováč prútoku (bílé barvy) za dodaný omezováč prútoku (oranžové barvy, upevněny na trabce studenté vody).
Pripojeni privodu elektrické energia

VYSTRAHA elektricky proud
Veskeré elektrická zapojeni a instalace provadějte podle predpisu.

VYSTRAHA elektricky proud
Pripojka k elektrické siti smi byt provedena pouze\ jako pevná pripojka v kombinaci s vyjmatalnou kabelovou vsuvkou. Pristroj musi byt mozné odpojit od sit'ove pripojky na vsech polech na vzdalenost nejmene 3 mm.

VYSTRAHA elektricky proud
Pamatujte, ze pristroj musi byt pripojen k ochrannému vodiči.

Vecne skody
Dodržujte udaje uvedene na typovem stitku. Uvedene napeti se musi shodovat se sitovym napetim.
» Pripoje elektricky privodni kabel k sitové svorkovnici (viz kapitolu „Technické udaje / Schéma elektrického zapojeni").
DDLE LCD 18/21/24: Změna zapojeni kódovaciho konektoru
Přistroj je pri dodáni nastaven na 21 kW. Pokud si prějete prěstavit jiny príkon, musité provést následujíci kroky:

D0000047341
Montáz spodni casti zadni stěny

2602021348
» Namontujte spodni dil zadni steny do zadni steny a zajistete jej.
» Vyrovnejte namontovany pristroj povolenim upevnovaci packy, vyrovnejte elektrickou pripojku a zadni stenu a opet utahne t e upevnovaci packy. Pokud zadni stena pristroje nepiléha, mužete pristroj dole upevnit dvěma dalšimi srouby.
10.2 Alternatively montáze

» Namontujte kabelovou pruchodku.

Vécné skody
Pokud bye stevedopatrenim ylomili do zadni steny
nesprávný otvor, musite použit novou zadni stenu.
» Vylomte pruchodku kabelu na zadni strane. V priapde potreby odstrahte pilnikem ostre hrany.
» Premiste tigrodn sfoovou svorku v pistroj shora dolu.
Zasunte zadni stenu pres svornik se zavitem a kabelovou pruchodku. Zatahnete kabelovou pruchodku pomoci klesti na haccich do zadni steny, dokud oba hacky slysitelné nezaklapnou.
» Pevně pritlacte zadní stěnu a zajistěte upevnováci páčku otočením dopravá o 90^ .
Upozornéni
Při toto zpúsobu pripojeni se měni kryti pristroje.
Provedezmenu na typovem stitku. Preskrtnete udaj IP 25 a ozna cate krizkem policek OP 24.K tomuto ucelu pouzijte propisku.

Vécné skody
Pokud bye stevedopatrenim vylomili do zadni steny
nesprávný otvor, musite použit novou zadni stenu.
» Cîste vyřízněte nebo prorazte potřebnou pruchodku v zadni stěné pristroje (umistěné viz kapitola „Technické udaje / Rozměry a prípojky"). V prípadě potřeby odstrante pilnikem ostre hrany.
» Ved'te elektricky privodni kabel kabelovou pruchodkou a pripojte jej k sitove svorkovnici.
10.2.3 Pripojeni zátěžového relé
Zataezeve rele pouziveje v kombinaci s jinymi elektrickymi pristroji v elektrickem rozvodu, napriklad s elektrickymi akumulacnimi ohrivaci. Kvypnuti zateze dochazpi provozu prutokoveho ohrivace.
Vécné skody
Pripojte fazi, ktera spina zatezovrele, k oznacene svorce sit'ove svorkovnice v pristroji (viz kapitolu "Technické udaje / Schema elektrického zapojeni").
Montáz pristroje pod umyvadlo s vodovodnimi pripojkami nahoře lze provest pomoci dalsí sady trubek k montáži pristroju pod umyvadlo. Pečlive yvlomte otvory pro vodovodni potrubí v zadní stěné a namontujte sadu potrubí.
10.2.5 Vodovodni instalace na zdi
Upozornéni
Při tomto zpúsobu pripojeni se měni kryti prístroje.
» Provedte zmenu na typovem stitku. Prśkrtnete udaj IP 25 a označte křízkem polícko IP 24. K to-muto učelu použijte propisku.

26_02_02_0765
» Namontujte vodovodni zatku s těsněním tak, aby doslo k uzavěřné prívodu pod omitkou.
» Namontujte vchodnou tlakovou armaturu.

2602021006
» Zatlačte spodni dil zadni stěny do horniho dilu zadni stěny.
» Prśróubujte privodni trabky k pristroji.
» Upevněte zadni stěnu dole pomoci dodatečných dvou šroubú.
Vécné skody
Pokud bye ste nedopatrenim ylomili do zadni steny nespravy otvor, musite pouzit novou zadni stenu.
Provedte ciste ylomeni pruchozich otvoru ve viku pristroje. V priadé potreby odstraţe pilnikem ostre hrany.
» Nasadte spodni dil zadni steny pod pripojovaci trubky armatury a zajistetejej.
» Prśroubujte privodni trabky k pristroji.
10.2.6 Provoz s predehratou vodou
Instalaci centrálni termostaticke armatury muzete omezit maximálni teplotu prítoku.
10.2.7 Omezovač teploty

POZOR popaleni
Za provozu s predehratou vodou mohou byt nastaveny omezovač teploty nebo ochrana prd oparenim neucinne.
V takovém pripadé omezte teplotu na prédrazené centralí termostaticke armature.
Omezeni teploty na vinitn i strane vika pristroje lze na-stavit na 43^

D0000041912
» Nastavte omezeni teploy na 43^
Po aktivaci omezeni teploty lze volit jizjen teploty mezi 30 a 43^
10.3 Dokončeni montáže
» Otevřete uzaviraci ventil ve dvojiţe vsuvce nebo na privodu studené vody.
11. Uvedeni do provozu

VYSTRAHA elektricky proud
Uvedeni do provozu smi provadet pouze specializovany odbornik pri dodrzeni bezpečnostnich prédipisu.
11.1 První uvedeni do provozu

on



on
D0000041981
» Otevře t e užavře t několíkrát všechny pripojene odberné ventilí, dokud nebudou rozvodná sít a pristroj odvizdušné.
» Provedte kontrolu tésnosti.
Aktivujte bezpečnostní omezovac tlaku pevným stisknutím resetovacího tlacitka (pristroj je dodán s deaktivovaným bezpečnostím omezováčem tlaku).
»Zasunte zastrcku kabelu regulatoru do elektronického systému.
» Namontujte viko pristroje a dbejte, aby se slysitelné zajistilo. Ovefte usazení vlka pristroje.
» Zapněte napájeni ze siteš.
» Zkontrolujte funkci pristroje.
Pridani pristroje
» Vysvětlete uživoteli funkci pristroje aseznamte ho se zpúsobem jeho uzivani.
» Upozorněte uživatele na možná rizika, predevšim na nebezpeči oparení.
» Predejte tento námod.
11.2 Opétovné uvedeni do provozu
Odvzdušněte prístroj a privod studenté vody (viz kapitola "Nastaven").
Viz kapitola „Prvotni uvedeni do provozu".
12. Uvedeni mimo provoz
» Odpojte přístroj na všech polech od sítě.
» Vypust'te vodu z pristroje (viz kapitolu „Udrzbα").
13. Odstrańovani poruch

VYSTRAHA elektricky proud Pokud chcete provest kontrolu pristroje, musi byt pristroj pripojen k sitovemu napeti.
Možnosti zobrazení informaci na diagnostické listě (LED)
1 Diagnostická lista
| Porucha/stav diagnostické kontrl-ky LED | Príčina Šdstranění | |
| Prútok je pržilis nízký. Sítko v pristroji je znečistěné. Vycistěte sítko. | ||
| Nelze dosáhnout požadované teploty. Vypadek jederne fáze. Zkontrolujte pojistky vinitří instalace. | ||
| Ohřev se nezapíná. Ve vodě je zjišťen vžduch a vypne krátkodobě topný vykon. | Prístroi se za minutu opět zapne. | |
| Žádná tepla voda, indikátory nesvítí. | Vypnuly pojistky. | Zkontrolujte pojistky vinitří instalace. |
| Bezpečnostní omezovac tlaku provedl vypnutí. | Odstraťe príčinu závady (např. vadné tlakové pro-plachovaci zařizení). | |
| Chraťe topný systémůpřed prehrátím otevřénímventilu v odbermém mistrě za pristrojem na Jednu minutu. Z topného systému tak bude vypustěn tlak a dojde k ochlazení. | ||
| Aktivujte bezpečnostní omezovac tlaku prí hydrau-lickém tlaku stisknutím tlacítka reset (viz kapitola „První uvedeni do provozù"). | ||
| Závada elektronického systému. | Zkontrolujte elektroniku, v prípadě potřeby proved-te vyměnu. | |
| Kontrolу: bliká zelená nebo svítí | Závada elektronického systému. | Zkontrolujte elektroniku, v prípadě potřeby proved-te vyměnu. |
| Žádná tepla voda prí prútoku > 2,5 l/min. | Snímač prútoku DFE není nasazen. | Nasadte znovu konektor snímače prútoku. |
| Konektor snímače prútoku je vadné. | Zkontrolujte snímač prútoku a v prípadě potřeby jej vyměnte. | |
| Kontrolу: svítí Žlutá, bliká zelenáŽádná tepla voda prí prútoku > 2,5 l/min. | Byl aktivován bezpečnostní omezovac teploty nebo došlo k prěrušeni. | Zkontrolujte bezpečnostní omezovac teploty a v prí-padě potřeby jej vyměnte. |
| Topný systém je vadné. | Zmeřte odpor topného systému a v prípadě potřeby odpor vyměnte. | |
| Závada elektronického systému. | Zkontrolujte elektroniku, v prípadě potřeby proved-te vyměnu. | |
| Kontrolу: Žlutá svítí, zelená blíká | Snímač na vystupu je stažený nebo došlo k prětr-ženi vedeni. | Nasadte snímač na vystupu a v prípadě potřeby jej vyměnte. |
| Kontrolу: Červená svítí, zelená blíká | Snímač studenté vody je vadné. | Zkontrolujte elektroniku, v prípadě potřeby proved-te vyměnu. |
| Žádná tepla vodaNeni dosaženo požadované teploty >45 °C. | Teplota príváděné studenté vody je vyší než 45 °C. | Snižte teplotu studenté vody, príváděné do prístroje. |
| Kontrolу: Červená svítí, zelená blíká | Snímač na vystupu je vadné (zkrat). | Zkontrolujte snímač na vystupu a v prípadě potřeby jej vyměnte. |
14. Udržba

VYSTRAHA elektricky proud Pri vsech cinnostech odpojte pristroj na vsech polech od site.
Vypusteni pristroje
Vodu z pristroje muzete vypustit z duvodu udrzby nebo ochrany prd zamrzutim.

VYSTRAHA popaleni Pri vypousteni pristroje muze vytekat horka voda.
Uzavrète uzaviraci ventil ve dvojiţe vsuvce nebo na privodu studené vody.
» Otevřete vsechny odbérné ventily.
» Odpojte od pristroje vodovodni prípojky.
» Demontovany pristroj skladujte tak, aby byl chränen prd mrazem. Pripadne zbytky vody v pristroji mohou zmrznout a zpusobit skody.

Vycisteni sitka
V pripadé znečistěni očistěte sítko ve šroubeni prípojky studené vody. Uzavřeute uzaviraci ventil v privodu studené vody, než sítko vyjmete, očistěte a opět namontujete.
15. Technické udaje
| b02 Kabelová pruchodka I | ||
| c01 Prífvod studené vody Vnějsí zámít G 1/2 A | ||
| c06 Výtok teplé vody | Vnějsí zámít | G 1/2 A |
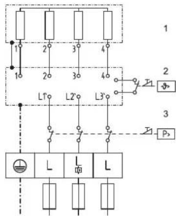
15.2 Schéma elektrického zapojeni

3/PE 380-415V
85_02_02_0005
1 Topná tělesa
2 Bezpečnostní omezováč teploty
3 Bezpečnostní omezovac tlaku
1 Rídici obvod stykace 2. prístroje (například elektricky akumulačni ohřivač).
2 Rídicikontakt, ktery se otevře po zapnuti prutokového ohřivač.
15.3 Vykon teplé vody
Vykon tepé vody závisi na napétísite, príkouna prístroje a teploté pritoku studené vody. Jmenovite napétia jmenovity vykon majdete na typovem stitku (viz kapitola „Ostranovani problemu").
15.4 Oblast použiti / Převodní tabulka
Merny elektricky odpor a merna elektricka vodivost (viz kapitola „Tabulka s technickymi udaji").
| Udaj podle normy pri 15 °C | 20 °C | 25 °C | ||||||
| Odpor ρ | Vodivost σ | Odpor ρ | Vodivost σ | Odpor ρ | Vodivost σ | |||
| ≥ Ωcm | mS/m | μS/cm | ≥ Ωcm | mS/m | μS/cm | ≥ Ωcm | mS/m | μS/cm |
| 900 | 111 | 1111 | 800 | 125 | 1250 | 735 | 136 | 1361 |
| 1000 | 100 | 1000 | 890 | 112 | 1124 | 815 | 123 | 1227 |
| 1100 | 91 | 909 | 970 | 103 | 1031 | 895 | 112 | 1117 |
| 1200 | 83 | 833 | 1070 | 93 | 935 | 985 | 102 | 1015 |
| 1300 | 77 | 769 | 1175 | 85 | 851 | 1072 | 93 | 933 |
15.5 Ztraty tlaku
Armatury
| Tlakova ztráta armatur pri objemovém prútoku 10 l/min | ||
| Páková baterie cca | MPa | 0,04 - 0,08 |
| Armatura s termostatem cca | MPa | 0,03 - 0,05 |
| Ruční sprcha cca | MPa | 0,03 - 0,15 |
Dimenzováni potrubní site
K vypoctu dimenzovani potrubni sife je pro pifrstroj doporučena tlaková ztrata 0,1 MPa.
V pripadé poruchy muze v instalaci krátkodobé vzniknout zatižení maximalné 95°C pfi tlaku 1,2 MPa.
15.7 Udaje ke spotbrebé energie
Udaje o vyrobku odpovidaj nafrzenim EU ke smernici o ekodesignu vyrobku v souvislosti se spotbrebou energie (ErP).
| DDLE LCD 18 DDLE LCD 18/21/24 DDLE LCD 27 | ||||
| 222392 222394 222395 | ||||
| Výrobce AEG Haustechnik AEG Haustechnik AEG Haustechnik | ||||
| Zátěžový profil | S | S | S | |
| Třida energetické Účinnosti | A | A | A | |
| Ročné spotřeba proudu | kWh | 477 | 477 | 481 |
| Energetická Účinnost | % | 39 | 39 | 39 |
| Nastavení teploty u vyrobce | °C | 60 | 60 | 60 |
| Hladina akustického vykonu | dB(A) | 15 | 15 | 15 |
| Zvělástní pouky k měfení Účinnosti | žádné | Informace na Pmax. | žádné | |
15.8 Tabulka udaju
| DDLE LCD 18 | DDLE LCD 18/21/24 | DDLE LCD 27 | |||||||
| 222392 222394 222395 | |||||||||
| Elektrotechnické udaje | |||||||||
| Jmenovité napěti | V | 380 | 400 | 415 | 380 | 400 | 415 | 380 | 400 |
| Jmenovitý vykon | kW | 16,2 | 18 | 19,4 | 16,2/19/21,7 | 18/21/24 | 19,4/22,6/25,8 | 24,4 | 27 |
| Jmenovitý proud | A | 24,7 | 26 | 27 | 27,6/29,5/33,3 | 29/31/35 | 30,1/32,2/36,3 | 37,1 | 39 |
| Jištěni | A | 25 | 25 | 32 | 32/32/35 | 32/32/35 | 32/32/35 | 40 | 40 |
| Fáze | 3/PE | 3/PE | 3/PE | ||||||
| Frekvence | Hz | 50/60 | 50/60 | 50/- | 50/60 | 50/60 | 50/- | 50/60 | 50/60 |
| Specifický odpor σ15 ≥ (pří Østudné ≤25 °C) | Ω cm | 900 | 900 | 1000 | 900 | 900 | 1000 | 900 | 900 |
| Specifická vodivost σ15 ≤ (pří Østudné ≤25 °C) | μS/cm | 1111 | 1111 | 1000 | 1111 | 1111 | 1000 | 1111 | 1111 |
| Měrný odpor ρ15 ≥ (pří Østudné ≤45°C) | Ω cm | 1200 | 1200 | 1300 | 1200 | 1200 | 1300 | 1200 | 1200 |
| Měrná vodivost σ15 ≤ (pří Østudné ≤45 °C) | μS/cm | 830 | 830 | 770 | 830 | 830 | 770 | 830 | 830 |
| Max. impedance sitě prí 50 Hz | Ω | 0,379 | 0,360 | 0,347 | 0,284 | 0,270 | 0,260 | 0,254 | 0,241 |
| Meze použitelnosti | |||||||||
| Max. dovolený tlak | MPa | 1 | 1 | 1 | |||||
| Max. teplota prětoku pro dodatečný ohřev | °C | 45 | 45 | 45 | |||||
| Hodnoty | |||||||||
| Max. povolená vystupné teplota vody | °C | 65 | 65 | 65 | |||||
| Zap. | l/min | >2,5 | >2,5 | >2,5 | |||||
| Ömezení průtoku prí | l/min | 8 | 8 / 8 / 9 | 9 | |||||
| Výkon teplé vody | l/min | 9,4 | 9,4/11,0/12,6 | 14,2 | |||||
| Δθ prí výkonu teplé vody | K | 26 | 26 | 26 | |||||
| Udaje o hydraulickém systému | |||||||||
| Jmenovitý objem | I | 0,4 | 0,4 | 0,4 | |||||
| Provedení | |||||||||
| Nastavení teploty | °C | 30-60 | 30-60 | 30-60 | |||||
| Topný systém tepelný zdroj | holá spirálva | holá spirálva | holá spirálva | ||||||
| Barva | bīlá | bīlá | bīlá | ||||||
| Elektrické kryti (IP) | IP25 | IP25 | IP25 | ||||||
| Rozměry | |||||||||
| Výška | mm | 485 | 485 | 485 | |||||
| Sīřka | mm | 226 | 226 | 226 | |||||
| Hloubka | mm | 93 | 93 | 93 | |||||
| Hmotnesti | |||||||||
| Hmotnost | kg | 3,6 | 3,6 | 3,6 | |||||
Záruka
Pro pristroje nabyte mimo uzemi Nemecka neplati zaručni podmíky poskytované našimi firmami v Nemecko. V zemich, ve kterych některá z nasich dceirinych společnosti distribuujne naše vyrobky, poskytuje zaruku jenom tato dceirina společnost. Takovou zaruku lze poskytnout pouze tehdy,Pokud dceirina společnost vydala vlastné zaručni podmíky. Jinak nelze zaruku poskytnout.
Na priestroje zakoupene v zemich, ve kterych nejsou nase yrobky distribuovany zdnou z dceirinych spolecnosti, neposkytujeme zdnou zaruku. Pripadne zaruky zavazne prislibene dovozcem zustavaji proto nedotcenie.
Zivotni prostreia recyklace
Pomozte nám chránit nase zivotni prostředí. Materialy po použítí zlikvidujte v souladu s platnymi narodnimi prédpisy.
SnadnýManuál