DDLE LCD 18 - Heizung AEG - Kostenlose Bedienungsanleitung
Finden Sie kostenlos die Bedienungsanleitung des Geräts DDLE LCD 18 AEG als PDF.
Laden Sie die Anleitung für Ihr Heizung kostenlos im PDF-Format! Finden Sie Ihr Handbuch DDLE LCD 18 - AEG und nehmen Sie Ihr elektronisches Gerät wieder in die Hand. Auf dieser Seite sind alle Dokumente veröffentlicht, die für die Verwendung Ihres Geräts notwendig sind. DDLE LCD 18 von der Marke AEG.
BEDIENUNGSANLEITUNG DDLE LCD 18 AEG
Elektronisch geregelter Durchlauferhitzer
Bedienung und Installation 2
- Allgemeine Hinweise 3
- Sicherheit 3
- Gerätebeschreibung 4
- Einstellungen 4
- Reinigung, Pflege und Wartung 4
- Problembehebung 4
INSTALLATION
- Sicherheit 5
- Gerätebeschreibung 5
- Vorbereitungen 5
- Montage 6
- Inbetriebnahme 10
- Außerbetriebnahme 10
- Störungsbehebung 10
- Wartung 11
KUNDENDIENST UND GARANTIE
UMWELT UND RECYCLING
BESONDEREHINWEISE
-
Das Gerät kann von Kindern ab 8 Jahren sowie von Personen mit verringigen physischen, sensorischen oder mentalen Fähigkeiten oder Mangel an Erfahrung und Wissen benutzt werden, wenn sie beaufsichtigt werden oder bezüglich des sicheren Gebrauchs des Geräts unterwiesen wurden und die daraus resultierenden Gefahren verstehen haben. Kinder dürfen nicht mit dem Gerät speilen. Reinigung und Benutzer-Wartung dürfen nicht von Kindern ohne Beaufsichtigung durchgeführt werden.
-
Verbrühungsgefahr: Die Armatur kann eine Temperatur von über 60^ annehmen.
-
Das Gerät muss über eine Trennstrecke von mindestens 3 mm allpolig vom Netzanschluss getrennt werden konnen.
-
Befestigen Sie das Gerät wie in Kapitel „Installation / Montage" beschrieben.
-
Beachten Sie den maximal zulässigen Druck (siehe Kapitel „Technische Daten / Datentabelle).
- Entleeren Sie das Gerät wie in Kapitel „Installation / Wartung / Gerät entleeren“ beschrieben.
BEDIENUNG
1. Allgemeine Hinweise
Die Kapitel „Besondere Hinweise" und „Bedienung" richten sich an den Gerätebenutzer und den Fachhandwerker. Das Kapitel „Installation" richtet sich an den Fachhandwerker.

Hinweis
Lesen Sie diese Anleitung vor dem Gebrauch sorgfältig durch und bewahren Sie sie auf.
Geben Sie die Anleitung gegebenenfalls an einen nachfolgenden Benutzer weiter.
1.1 Sicherheitshinweise
1.1.1 Aufbau von Sicherheitschinweisen

SIGNALWORT Art der Gefahr
Hier stehen mögliche Folgen bei Nichtbeachtung des Sicherheitschinweises.
Hier stehen Maßnahmen zur Abwehr der Gefahr.
1.1.2 Symbole, Art der Gefahr
| Symbol Art der | Gefahr |
| ! | Verletzung |
| Stromschlag | |
| Verbrennung (Verbrennung, Verbrühung) |
1.1.3 Signalworte
| SIGNALWORT | Bedeutung |
| GEFAHR | Hinweise, deren Nichtbeachtung schwere Verletzun-gen oder Tod zur Folge haben. |
| WARNUNG | Hinweise, deren Nichtbeachtung schwere Verletzun-gen oder Tod zur Folge haben kann. |
| VORSICHT Hinweise, deren Nichtbeachtung zu mittelschweren oder leichten Verletzungen führen kann. | |
1.2 Andere Markierungen in dieser Dokumentation

Hinweis
Allgemeine Hinweise werden mit dem bereitsgebenheiten Symbol gekennzeichnet.
Lesen Sie die Hinweistexte sorqfällt durch.
| Symbol Bedeutung | |
| ! | Sachschaden (Geräte-, Folge-, Umweltschaden) |
| Geräteentsorgung | |
» Dieses Symbol zeigt Ichnen, dass Sie etwas tun müssen. Die erforderlichen Handlungen werden Schritt für Schritt beschreiben.
1.3 Maßeinheiten

Hinweis Wenn nicht anders angegeben, sind alle Maße in Millimeter.
2. Sicherheit
2.1 Bestimmungsgemäß Verwendung
Das Gerät ist für den Einsatz im häuslichen Umfeld vorgenommen. Es kann von nicht eingewiesenen Personen sich berdient werden. In nicht häslicher Umgebung, z. B. im Kleingewerbe, kann das Gerät ebenfalls verwendet werden, sofern die Benutzung in gleicher Weise erfolgt. Das Druckgerät dient zur Erwärung von Trinkwasser oder zur Nacherwärung von vorgewärmtem Wasser. Das Gerät kann ein oder mehrere Entnahmestellen versorgen.
Eine andere oder darüber hinausgehende Benutzung gilt als nicht bestimmungsgemäß. Zum bestimmungsgemäßen Gebrauch gehört auch das Beachten dieser Anleitung sowie der Anleitungen für eingesetztes Zubehör.
2.2 Allgemeine Sicherheitshinweise

VORSICHT Verbrennung Die Armatur kann während des Betriebs eine Temperatur von über 60^ annehmen. Bei Auslauftemperaturen großer 43^ besteht Verbruhungsgefahr.

VORSICHT Verbrennung Die Warmwassertemperatur kann bei Betrieb mit vorgewärmtem Wasser, z. B. einer Solaranlage, von der eingestilten Solltemperatur abweichen.

WARNING Verletzung Das Gerät kann von Kindern ab 8 Jahren sowie von Personen mit verringerten physischen, sensorischen oder mentalen Fähigkeiten oder Mangel an Erfahrung und Wissen benutzt werden, wenn sie beaufsichtigt werden oder bezüglich des sicheren Gebrauchs des Gerats unterwiesen wurden und die darauf resultierenden Gefahren verstanden haben. Kinder dürfen nicht mit dem Gerät speien. Reinigung und Benutzer-Wartung dürfen nicht von Kindern ohne Beaufsichtigung durchgeführt werden.
Falls Kinder oder Personen mit eingeschränkten körperslichen, sensorischen oder geistigen Fähigkeiten das Gerät benutzen, empfehlen wir eine dauerhafte Temperaturbegrenzung. Die Begrenzung konnen Sie vom Fachhandwerker einstehen setzen.

Sachschaden
Das Gerät und die Armatur sind vom Nutzer vor Frost zu schützen.
2.3 CE-Kennzeichnung
Die CE-Kennzeichnung beegt, dass das Gerät alle grundlegenden Anforderungen erfüllt:
Niederspannungsrichtlinie
- Richtlinie über die elektromagnetische Verträgekeit
Die maximal zulässige Netzimpedanz ist im Kapitel „Technische Daten" angegeben.
2.4 Prüfzeichen
Siehe Typenschild am Gerät.
Landesspezifische Zulassungen und Zeugnisse: Deutschland
Für das Gerät ist auf Grund der Landesbauordnungen ein allgemeines bauaufsichtliches Prüfzeugnis zum Nachweis der Verwendbarkeit hinsichtlich des Gerauschverhaltens erteilt.

3. Gerätebeschreibung
Der elektronisch geregelte Durchlauferhitzer mit automatischer Leistungsanpassung hält die Auslauftemperatur bis zur Leistungsgrenze konstant. Danach wird die Temperatur über die Entnahmearmatur gewählt.
Heizsystem
Das Blankdraht-Heizsystem hat einen druckfosten Kunststoffmantel. Das Heizsystem ist für kalkarme und kalkhaltige Wässer geeignet, es ist gegen Verkalkung weltgehend unempfindlich. Das Heizsystem sorgt für einechnelle und effiziente Warmwasserversorgung.

Hinweis
Das Gerät ist mit einer Luftferkennung ausgestattet, die eine Beschädigung des Heizsystems weltgehend verhindert. Gelangt während des Betriebes Luft in das Gerät, schaltet das Gerät die Heizleistung für eine Minute aus und schützt somit das Heizsystem.
4. Einstellungen
Sie konnen die Warmwasser-Auslauftemperatur stufenlose einstellen. Die gewählte Temperatur wird angezeigt. Bei Temperaturen über 43^ wechselt die Farbe der Anzeige von Blau auf Rot, um eine Verbruhlgefasst anzuzeigen.


» Drehen Sie den Einstellknopf auf die gewünschte Temperatur.

Hinweis
Wird bei voll geöffnetem Entnahmeventil und maximaler Temperatureinstellung keine ausreichen-nde Auslauftemperatur erreicht, flieBt mehr Wasser durch das Gerat, als das Heizsystem erwumen kann (Gerät an der Leistungsgrenze).
》 Reduzieren Sie die Wassermenge am Entnahmeventil.
Einstellungsempfehlung bei Betrieb mit einer Thermostatatur
Stellen Sie die Temperatur am Gerät auf maximale Temperatur ein.
Nach Unterbrechung der Wasserversorgung

Sachschaden
Nach Unterbrechung der Wasserversorgung muss das Gerät mit folgenden Schritten wieder in Betrieb genommen werden, damit das Blankdraht-Heizsystem nicht zerstört wird.
» Schalten Sie das Gerät spannungsfrei, indem Sie die Sicherungen ausschalten.
» Öffnen Sie die Armatur eine Minute lang, bis das Gerät und die vorgeschaltete Kaltwasser-Zulauf-leitung luftfrei sind.
» Schalten Sie die Netzspannung wieder ein.
5. Reinigung, Pflege und Wartung
» Verwenden Sie keine scheuernden oder anlösenden Reinigungsmittel. Zur Pflege und Reinigung des Gerätes genugt ein feuchtes Tuch.
» Kontrollieren Sie regelmäßige die Armaturen. Kalk an den Armaturauslaufen konnen Sie mit handelsüblichen Entkalkungsmitteln entfern.
6. Problembehebung
| Problem Ursache Behebung | ||
| Das Gerät schaltet..., voll geöffnetem Warmwasserventil nicht ein. | Es liegt keine Span-nung an. | Prüfen Sie die Sicherungen in der Hausin-stallation. |
| Die Durchflussmen-ge ist zu gering. Der Strahlregler in der Armatur oder der Duschkopf ist verkalkt oder verschmutzt. | Reinigen und / oder entkalken Sie den Strahlregler oder den Duschkopf. | |
| Wunschtemperatur > 45 °C wird nicht erreicht. | Die Wasserversor-gung ist unterbrochen. | Entlüften Sie das Gerät und die Kalt- Wasserzulaufleitung (siehe Kapitel „Einstel-lungen"). |
| Die Kaltwasserzu- | lauftemperatur ist > 45 °C. | Verringern Sie die Kaltwasserzulauftem- peratur. |
Konnen Sie die Ursache nicht beheben, rufen Sie den Fachhandwerker. Zur besseren und schnellenen Hilfe teilen Sie ihm die Nummer vom Typenschild mit (000000-0000-00000):

INSTALLATION
7. Sicherheit
Die Installation, Inbetriebnahme sowie Wartung und Reparatur des Gerätesarf nur von einem Fachhandwerker durchgeführt werden.
7.1 Allgemeine Sicherheitshinweise
Wir gewährleisten eine einwandfrei Funktion und Betriebssicherheit nur, wenn das für das Gerät bestimme Original-Zubehör und die originalen Ersatzteile verwendet werden.

Sachschaden
Beachten Sie die maximale Zulauftemperatur. Bei hohenen Temperaturen kann das Gerät beschädigt werden. Mit dem Einbau einer Zentral-Thermostatatur können Sie die maximale Zulauftemperatur begrenzen.
7.2 Vorschriften, Normen und Bestimmungen

Hinweis
Beachten Sie alle nationalen und regionalen Vorschriften und Bestimmungen.
Die Schutzart IP 25 (strahlwassergeschützt) ist nur mit sachgemäß montierter Kabeltülle gewährleistet.
- Der spezifische elektrische Widerstand des Wassers darf nicht kleiner sein als auf dem Typenschild angegeben. Bei einem Wasser-Verbundnetz ist der niedrigste elektrische Widerstand des Wassers zu berücksichtigten (siehe Kapitel „Technischen Daten / Einsatzbereiche / Umrechnungstabelle"). Den spezifischen elektrischen Widerstand oder die elektrische Leitfähigkeit des Wassers erfahren Sie bei ihrem Wasserversorgungs-Unternehmen.
8. Gerätebeschreibung
8.1 Lieferumfang
Mit dem Gerät werden gefleert:
Wandaufhängung
Gewindebolzen, Schrauben und Dubel für die Wandaufhängung
Montageschablone
2 Doppelnippel (Kaltwasser mit Absperrventil)
Flachdichtungen
Kabeltülle (elektrische Zuleitung offen / unter)
Schrauben/Dubel fur Rückwandbefestigung bei Aufputz-Wasseranschluss
8.2 Zubehör
Armatur
ADEo 70 WD - Badewannen-Druckarmatur
Montage-Zubehör
Rohrbausatz-Untertischmontage UT 104, Anschlisse: Aufputz, G 3/8, oben. Wasseranschlüsse mit 12 mm Quetschverschraubung.
Universal-Montagerahmen
Montagerahmen mit elektrischen Anschlüssen.
Rohrbausatz-Untertischgeräte
Der Bausatz für Untertischmontage ist notwendig, wenn Sie die Wasseranschlüsse (G % A) oberhalb des Gerätes benötigen.
Rohrbausatz-Versatzmontage
Der Rohrbausatz mit Rohrbögen ist notwendig, wenn Sie eine senkrechte Verschiebung des Gerätes gegenüber dem Wasseranschluss um 90 mm nach unten benötigen.
Rohrbausatz-Gas-Wasserheizer-Austausch
Der Rohrbausatz ist notwendig, wenn die vorhandene Installation Gas-Wasserheizer-Anschlüsse (Kaltwasser-Anschluss links und Warmwasser-Anschluss rechts) enthalt.
Lastabwurfrelais (LR 1-A)
Das Lastabwurfrelais für den Einbau in der Elektroverteilung ermöglicht eine Vorrangschaltung des Durchlaufer-hitzers bei gleichzeitigem Betrieb von z. B. Elektro-Speicherheizgeräten.
ZTA 3/4 - Zentral-Thermostatatur
Thermostatatur für zentrale Vormischung, zum Beispiel eines Durchlauferhitzers mit einer Solaranlage.
9. Vorbereitungen
9.1 Montageort

Sachschaden
Die Installation des Gerätesarf nur im frostfrei. Raum erfolgen.
» Montieren Sie das Gerät senkrecht und in der Nähere der Entnahmestelle.
Das Gerät ist für eine Untertisch- und Übertischmontage geeignet.
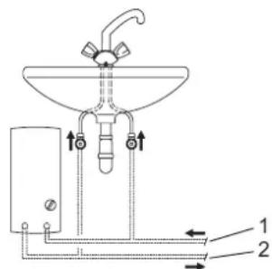
Untertischmontage

26_02_02_1345
1 Kaltwasser Zulauf
2 Warmwasser Auslauf
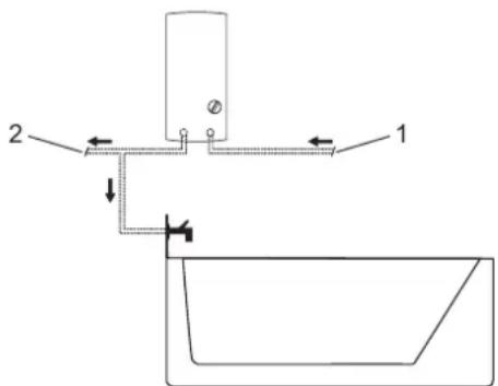
Übertischmontage

26_02_02_1344
1 Kaltwasser Zulauf
2 Warmwasser Auslauf

Hinweis
» Montieren Sie das Gerät an die Wand. Die Wand muss ausreichend tragfähig sein.
9.2 Wasserinstallation
Ein Sicherheitsventil ist nicht erforderlich.
» Spülen Sie die Wasserleitung gut durch.
» Stellen Sie sicher, dass der Volumenstrom (siehe Kapitel „Technische Daten / Datentabelle“, Ein) zum Einsatz den Gerätes erreicht wird. Wird der Volumenstrom nicht erreicht, entnehmer Sie den Durchflussmengenbegrenzer (siehe Kapitel „Montage/ Durchflussmengenbegrenzer entnehmer".
» Erhöhen Sie den Wasserleitungsdruck, falls der benötigte Volumenstrom bei voll geöffnetem Entnahmeventil nicht erreicht wird.
Armaturen
Verwenden Sie geeignete Druckarmaturen. Offene Armaturen sind nicht zulässig.

Hinweis
Das Abspersventil im Kaltwasserzulauf dürfen Sie nicht zum Drosseln des Durchflusses verwenden. Es dient zur Absperrung des Gerätes.
Zugelassene Werkstoffe der Wasserleitungen
Kaltwasser-Zulaufleitung: feuerverzinktes Stahlrohr, Edelstahlrohr, Kupferrohr oder Kunststoffrohr
Warmwasser-Auslaufleitung: Edelstahlrohr, Kupferrohr oder Kunststoffrohr

Sachschaden
Beim Einsatz von Kunststoff-Rohrsystemen beachten Sie die maximale Zulauftemperatur und den maximal zulässigen Druck (siehe Kapitel „Technische Daten / Datentabelle").
Flexible Wasser-Anschlussleitungen
Verhindern Sie bei der Installation mit flexiblen Wasser-Anschlussleitungen ein Verdrehen der Rohrbögen mit Bajonett-Verbindungen im Gerät.
» Befestigen Sie die Rückwand unter mit zwei zusätzlichen Schrauben.
10. Montage
10.1 Standard-Montage
Elektranschluss oben, Unterputz-Installation
Wasseranschluss Unterputz-Installation
DDLE LCD 18/21/24: Anschlussleistung 21 kW voreingestellt
Weitere Montagemöglichkeiten siehe Kapitel „Montage-Alternative“:
Elektraoanschluss Unterputz unten
Elektraoanschluss Aufputz
Anschluss eines Lastabwurfrelais
Untertischmontage Wasseranschlüsse - offen
Wasserinstallation Aufputz
- Betrieb mit vorgewärmtem Wasser
- Temperaturbegrenzung

Gerätöffnen

D0000041615
》Offnen Sie das Gerät, indem Sie den Rastverschluss entriegeln.


26 02 02 0762
» Trennen Sie die Rückwand, indem Sie die beiden Rasthaken drucken und das Rückwandunterteil nach vorn abziehen.

NetzanschlusskabelVBorbereiten

2602020887
Wandaufhängung montieren
26 02 02 0972
» Zeichnen Sie die Bohrlocher mit der Montageschablone an. Bei der Montage mit Aufputz liegenden Wasseranschlüssen müssen Sie zusammen die Befestigungslöcher im unteren Teil der Schablone anziehnen.
Bohren Sie die Löcher und befestigen Sie die Wandaufhängung mit 2 Schrauben und 2 Dubeln (Schrauben und Dubel gehoren zum Lieferumfang).
» Montieren Sie den beiliegenden Gewindebolzen.
» Montieren Sie die Wandaufhängung.

Kabeltülle montieren
26_02_02_0950
» Montieren Sie die Kabeltüle. Bei einem Anschluss-kabel >6mm^2 ⇒n Sie das Loch in der Kabeltüle vergroßern.
Wasseranschluss herstellen

Sachschaden
Führer Sie alle Wasseranschluss- und Installationsarbeiten nach Vorschrift aus.

26_02_02_0948
» Dichten und schrauben Sie die Doppelnippel ein.

Sachschaden
Das Absperrentil im Kaltwasserzulauf dürfen Sie nicht zum Drosseln des Durchflusses verwenden.
RückwandVBoreiten

Sachschaden
Sollten Sie versehentlich ein falsches Loch in die Rückwand brechen, müssen Sie eine neue Rückwand verwenden.

D0000041893
» Brechen Sie die Sollbruchstelle für die Kabeltülle in der Rückwand aus. Entgraten Sie gegebenenfalls scharfe Kanten mit einer Feile.

Gerat montieren
D0000041894
» Stecken Sie die Rückwand über den Gewindebolzen und die Kabeltülle. Ziehen Sie die Kabeltülle mithilfe einer Zange an den Rasthaken in die Rückwand, bis beide Rasthaken hörbar einrasten.
Entfernen Sie die Transportschutzstopfen aus den Wasseranschlüssen.
» Drücken Sie die Rückwand fest an und verriegeln Sie den Befestigungsknebel durch eine Rechtsdrehung um 90^ .

D0000041925
» Schrauben Sie die Wasseranschlussrohre mit den Flachdichtungen auf die Doppelnippel.

Sachschaden
Für die Funktion des Gerätes muss das Sieb eingebaut sein.
Prufen Sie beim Geräteauschauch, ob das Sieb vorhanden ist (siehe Kapitel „Wartung").
Durchflussmengenbegrenzer entnehmen / tauschen

Hinweis
Wenn Sie eine Thermostatatur verwenden, daß der Durchflussmengenbegrenzer nicht entnommen werden.

1 Kunststoffformscheibe
2 Durchflussmengenbegrenzer
» Entnahmen Sie den Durchflussmengenbegrenzer und setzen Sie die Kunststoffformscheibe wieder ein.
DDLE LCD 18/21/24: Durchflussmengenbegrenzer tauschen
Bei gewähler 24 kW - Anschlussleistung ersetzen Sie den eingebauten Durchflussmengenbegrenzer (Farbe weiß) durch den mitgelieferten Durchflussmengenbegrenzer (orange, am Kaltwasserrohr befestigt).
Elektranschluss herstellen

WARNING Stromschlag
Führer Sie alle elektrischen Anschluss- und Installationsarbeiten nach Vorschrift aus.

WARNING Stromschlag
Der Anschluss an das Stromnetz ist nur als fester Anschluss in Verbindung mit der herausnehmbarren Kabeltülle erlaubt. Das Gerät muss über eine Trennstrecke von mindestens 3 mm allpolig vom Netzanschluss getrennt werden können.

WARNING Stromschlag
Achten Sie darauf, dass das Gerät an den Schutzleiter angeschlossen ist.

Sachschaden
Beachten Sie das Typenschild. Die angegebene Spannung muss mit der Netzspannung übereinstimmen.
» Schließen Sie das Elektroanschlusskabel an die Netzanschlussklemme an (siehe Kapitel „Technische Daten / Elektroschaltplan").
DDLE LCD 18/21/24: Codierstecker umstecken
Das Gerät ist bei Lieferung auf 21 kW gesteckt. Bei Umstellung auf eine andere Anschlussleistung mussen Sie folgende Schritte vornehmen:

D0000047341
» Stecken Sie den Codierstecker entsprechend der gewählten Anschlussleistung um (wählbare Anschlussleistung und Absicherung des Gerätes siehe Kapitel „Technische Daten / Datentabelle").
» Kreuzen Sie die gewährte Anschlussleistung auf dem Typenschild an. Verwenden Sie dazu einen Kugelschreiber.
Rückwandunterteil montieren

26_02_02_1348
» Montieren Sie das Rückwandunterteil in die Rückwand und rasten Sie das Rückwandunterteil ein.
Richten Sie das montierte Gerät aus, indem Sie den Befestigungsknebel lösen, den Elektroanschluss und die Rückwand ausrichten und den Befestigungsknebel wieder festdrehen. Liegt die Geräterückwand nicht an, konnen Sie das Gerät unter mit zwei zusätzlichen Schrauben befestigen.
10.2 Montage-Alternativen
10.2.1 Elektroanschluss Unterputz unter

26_02_02_0767
» Montieren Sie die Kabeltülle.

Sachschaden
Sollten Sie versehentlich ein falsches Loch in die Rückwand brechen, müssen Sie eine neue Rückwand verwenden.
Brechen Sie die Solbluchstelle für die Kabeltüle in der Rückwand aus. Entgraten Sie gegebenenfalls scharfe Kanten mit einer Feile.
Versetzen Sie die Netzanschlussklemme im Gerät von oben nach unten.
Stecken Sie die Rückwand über den Gewindebolzen und die Kabeltülle. Ziehen Sie die Kabeltülle mithilfe einer Zange an den Rasthaken in die Rückwand, bis beide Rasthaken hörbar einrasten.
Drücken Sie die Rückwand fest an und verriegeln Sie den Befestigungsknebel durch eine Rechtsdrehung um 90^ .
10.2.2 Elektroanschluss Aufputz

Hinweis
Bei dieser Anschlussartändert sich die Schutzart des Gerätes.
Andern Sie das Typenschild. Streichen Sie die Angabe IP 25 durch und kreuzen Sie das Kästchen IP 24 an. Verwenden Sie dazu einen Kugelschreiber.

Sachschaden
Sollten Sie versehentlich ein falsches Loch in die Rückwand brechen, müssen Sie eine neue Rückwand verwenden.
Schneiden oder brechen Sie die benöttige Durchführung in der Rückwand sauber hers aus (Positionen siehe Kapitel, Technische Daten / Maße und Anschlüsse). Entgraten Sie gegebenenfalls scharfe Kanten mit einer Feile.
» Führer Sie das Elektroanschlusskabel durch die Kabeltülle und schreiben theses an die Netzanschlussklemme an.
10.2.3 Anschluss eines Lastabwurfrelais
Setzen Sie ein Lastabwurfrelais in Kombination mit anderen Elektrogeräten, z. B. Elektrospeicherheizgeräten, in der Elektroverteilung ein. Der Lastabwurf erfolgt bei Betrieb des Durchlauferhitzers.

Sachschaden
Schlieben Sie die Phase, die das Lastabwurfrelais schaltet, an die gekennzeichne Klemme der Netzanschlussklemme im Gerät an (siehe Kapitel „Technische Daten / Elektroschaltplan").
10.2.4 Untertischmontage Wasseranschlüsse - offen
Eine Untertisch-Gerätemontage mit obenliegenden Wasseranschlüssen lassst sich mit dem zusätzlichen Rohrbausatz-Untertischgeräte durchführren. Durchführungssöffnungen in der Rückwand für die Wasserrohre sauber ausbrechen und Rohrsatz montieren.
10.2.5 Wasserinstallation Aufputz

Hinweis
Bei dieser Anschlussartändert sich die Schutzart des Gerätes.
» Andern Sie das Typenschild. Streichen Sie die Angabe IP 25 durch und kreuzen Sie das Kästchen IP 24 an. Verwenden Sie dazu einen Kugelschreiber.

26_02_02_0765
» Montieren Sie Wasserstopfen mit Dichtungen, um den Unterputzanschluss zu verschiedenen.
» Montieren Sie eine geeignete Druckarmatur.

26_02_02_1006
Rasten Sie das Rückwand-Unterteil in das Rückwand-Oberteil ein.
» Verschrauben Sie die Anschlussrohre mit dem Gerät.
» Befestigen Sie die Rückwand unter mit zwei zusätzlichen Schrauben.

Sachschaden
Sollten Sie versehentlich ein falsches Loch in die Rückwand brechen, müssen Sie eine neue Rückwand verwenden.
» Brechen Sie die Durchführungen in der Gerätekappesauber aus. Entgraten Sie gegebenenfalls scharfeKanten mit einer Feile.
» Schieben Sie das Rückwandunterteil unter die Anschlussrohe der Armatur und rarten Sie das Rückwandunterteil ein.
» Verschrauben Sie die Anschlussrohre mit dem Gerät.
10.2.6 Betrieb mit vorgewärmtem Wasser
Mit dem Einbau einer Zentral-Thermostatatur wird die maximale Zulauftemperatur begrenzt.
10.2.7 Temperaturbegrenzung

VORSICHT Verbrennung
Bei Betrieb mit vorgewärmtem Wasser kann die ein-gestellte Temperaturbegrenzung bzw. der Verbrühschutz unwirksam sein.
In thisem Fall begrenzen Sie die Temperatur an einer vorgeschalteten Zentral-Thermostatarma-tur.
Sie konnen die Temperaturbegrenzung in der Inneseite der Gerätekappe auf 43^ einstellen.

D0000041912
» Schalten Sie die Temperaturbegrenzung auf 43^ . Nach dem Aktivieren der Temperaturbegrenzung setzen sich nur noch Temperaturen zwischen 30 und 43^ während.
10.3 Montage abschreiben
» Offnen Sie das Absperrentil im Doppelnippel oder in der Kaltwasserzulaufleitung.
11. Inbetriebnahme

WARNING Stromschlag Die Inbetriebnahmearf nur durch einen Fachhandwerker unter der Beachtung der Sicherheitsvorschriften erfolgen.
11.1 Erstinbetriebnahme




D0000041981
» Offnen und schlieben Sie mehrfach alle angeschlossenen Entnahmeventile, bis das Leitungsnetz und das Gerät luftfrei sind.
» Führn Sie eine Dichttheitskontrolle durch.
» Aktivieren Sie den Sicherheitsdruckbegrenzer, indem Sie die Rücksetztaste fest eindrücken (das Gerät wird mit deaktiviertem Sicherheitsdruckbegrenzer ausgeliefert).
» Stecken Sie den Stecker vom Temperatureinstellerkabel auf die Elektronik.
» Montieren Sie die Gerätekappe, bis diese hörbar einrastet. Prufen Sie den Sitz der Gerätekappe.
» Schalten Sie die Netzspannung ein.
» Prufen Sie die Arbeitsweise des Gerätes.
Übergabe des Gerätes
» Erklaren Sie dem Benutzer die Funktion des Gerätes und machen Sieihn mit dem Gebrauch des Gerätes vertraut.
» Weisen Sie den Benutzer auf mögliche Gefahren hin, speziell die Verbrühungsgefahr.
Übergeben Sie diese Anleitung.
11.2 Wiederinbetriebnahme
Entlüften Sie das Gerät und die Kaltwasserzulaufleitung (siehe Kapitel „Einstellungen").
Siehe Kapitel „Erstinbetriebnahme".
12. Außerbetriebnahme
Trennen Sie das Gerat allpolig vom Netzanschluss.
》Entleeren Sie das Gerät (siehe Kapitel „Wartung"
13. Störungsbehebung

WARNING Stromschlag Um das Gerat prufen zu konnen, muss die Netzspannung am Gerat anliegen.
Anzeigemöglichkeiten der Diagnoseampel (LED)

rot leuchtet bei Störung
gelb leuchtet bei Heizbetrieb
grün blinkt: Gerät am Netzanschluss

1 Diagnoseampel
D0000041794
| Störung / Anzeige LED-Diagnose-ampel | Ursache Behebung | |
| Der Durchfluss ist zu gering. Das Sieb im | Gerät ist verschmutzt. Reinigen Sie das Sieb. | |
| Die Solltemperatur wird nicht erreicht. | Eine Phase fehl. | Prüfen Sie die Sicherung in der Hausinstallation. |
| Die Heizung schaltet nicht ein. Luft wirdim Wasser erkannt und schaltet die Heiz-leistung kurzzeitig ab. | Das Gerät Goes nach einer Minute wieder in Betrieb. | |
| kein warmes Wasser und keine Ampel-anzeige. | Die Sicherung hat ausgelöst. Prüfen Sie die Sicherung in der Hausinstallation. | |
| Der Sicherheitsdruckbegrenzer hat ausgeschelt. | Beseitigen Sie die Fehlerursache (z. B. ein defekter Druckspürler). | |
| Schützen Sie das Heizsystem vor Überhitzung,indem Sie ein dem Gerät nachgeschaltetes Ent-nahmeventil eine Minute öffnen. Dadurch wird das Heizsystem druckentlastet und abgekühlt. | ||
| Aktivieren Sie den Sicherheitsdruckbegrenzer bei Fließdruck, indem Sie die Rücksetztaste drucken(siehe Kapitel „Erstinbetriebnahme"). | ||
| Die Elektronik ist defect. Prüfen Sie die Elektronik und tauschen Sie die Elektronik ggf. aus. | ||
| Ampelanzeige: grün blinkt oder Dau-erlicht | Die Elektronik ist defect. Prüfen Sie die Elektronik und tauschen Sie die Elektronik ggf. aus. | |
| kein warmes Wasser bei Durchfluss>2,5 l/min. | Die Durchflusserfassung DFE ist nicht aufgesteckt. | Stcken Sie den Stecker der Durchflusserfassungwieder auf. |
| Der Stecker der Durchflusserfassung ist defect. | Kontrollieren Sie die Durchflusserfassung und tauschen Sie die Durchflusserfassung ggf. aus. | |
| Ampelanzeige: gelb Dauerlicht, grünblinkkein warmes Wasser bei Durchfluss>2,5 l/min.Das Heizsystem ist defect. Messen Sie | Der Sicherheitstemperaturbegrenzer hat ausgelöstoder ist unterbrochen. | Kontrollieren Sie den Sicherheitstemperaturbegren-zer und tauschen Sie den Sicherheitstemperaturbegrenzer ggf. aus. |
| den Widerstand des Heizsystems und | tauschen Sie den Widerstand ggf. aus. | |
| Die Elektronik ist defect. Prüfen Sie die Elektronik und tauschen Sie die Elektronik ggf. aus. | ||
| Ampelanzeige: gelb Dauerlicht, grünblink | Der Auslauffuhrer ist abgezogen oder ein Leitungs-bruch liegt vor. | Steken Sie den Auslauffuhrer auf und tauschen Sie den Auslauffuhrer ggf. aus. |
| Ampelanzeige: rot Dauerlicht, grünblink | Der Kaltwasser-Sensor ist defect. | Prüfen Sie die Elektronik und tauschen Sie die Elektronik ggf. aus. |
| kein warmes WasserWunschtemperatur >45 °C wird nichterreicht. | Die Kaltwasserzulauftemperatur ist höher als45 °C. | Verringern Sie die Kaltwasserzulauftemperaturzum Gerät. |
| Ampelanzeige: rot Dauerlicht, grünblink | Der Auslauffuhrer ist defect (Kurzschluss). | Prüfen Sie den Auslauffuhrer und tauschen Sie den Auslauffuhrer ggf. aus. |
14. Wartung

WARNING Stromschlag Trennen Sie bei allen Arbeiten das Gerät allpolig vom Netzanschluss.
Gerat entleeren
Das Gerät konnen Sie für Wartungsarbeiten oder zum Schutz vor Frost entleeren.

WARNING Verbrennung Beim Entleeren des Gerätes kann heiges Wasser austreten.
» Schließen Sie das Absperrventil im Doppelnippel oder in der Kaltwasserzulaufleitung.
» Öffnen Sie alle Entnahmeventile.
Losen Sie die Wasseranschlüsse vom Gerät.
Lagern Sie ein demontiertes Gerät frostfrei, da sich Restwasser im Gerät befindet, das gefrierten und Schäden verursachen kann.
Sieb reinigen

26_02_02_0949
Reinigen Sie bei Verschmutzung das Sieb im Kaltwasser-Schraubanschluss. Schließen Sie das Absperrventil in der Kaltwasserzulaufleitung, bevor Sie das Sieb ausbauen, reinigen und wieder einbauen.
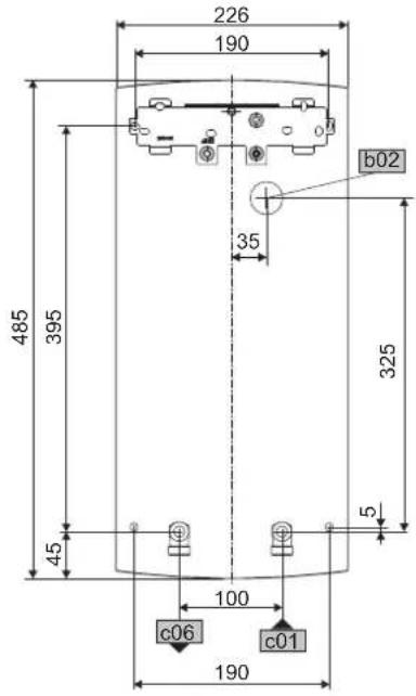
14.1 Technische Daten Maße und Anschlüsse


| b02 Durchführung elektrische Leitungen I | ||
| c01 Kaltwasser Zulauf Außengewinde G 1/2 | A | |
| c06 Warmwasser Auslauf Außengewinde G | 1/2 A |
Alternative Anschlussmöglichkeiten

0000019778
| b02 | Durchführung elektrische Leitungen I |
| b03 | Durchführung elektrische Leitungen II |
| b04 | Durchführung elektrische Leitungen III |
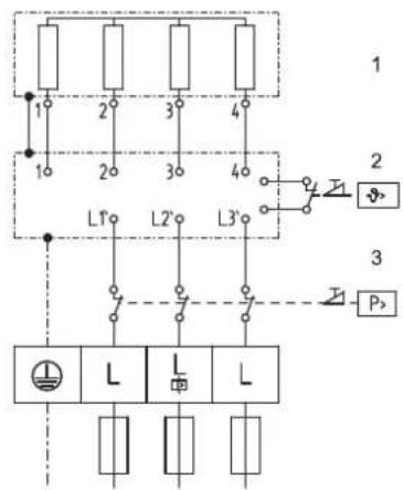
14.2 Elektroschaltplan
3/PE 380-415V

8 8
1 Beheizung
2 Sicherheitstemperaturbegrenzer
3 Sicherheitsdruckbegrenzer
Lastabwurfrelais LR 1-A

85.02.02 0003
1 Steuerleitung zum Schaltschutz des 2. Gerätes (z. B. Elektrospeicherheizgerät).
2 Steuerkontakt öffnet beim Einsatzen des Durchlauferhitzers.
14.3 Warmwasserleistung
Die Warmwasserleistung ist abhängig von der anliegenden Netzspannung, der Anschlussleistung des Gerätes und der Kaltwasser-Zulauftemperatur. Die Nennspannung und die Nennleistung entnehmer Sie dem Typenschild (siehe „Kapitel „Problembehbung").
14.4 Einsatzbereiche / Umrechnungstabelle
Spezifischer elektrischer Widerstand und spezifische elektrische Leitfähigkeit (siehe Kapitel „Datentabelle").
| Normangabe bei 15 °C | 20 °C | 25 °C | ||||||
| Wider-stand ρ | Leitfähigkeit σ | Wider-stand ρ | Leitfähigkeit σ | Wider-stand ρ | Leitfähigkeit σ | |||
| Ωcm | mS/m | μS/cm | Ωcm | mS/m | μS/cm | Ωcm | mS/m | μS/cm |
| 900 | 111 | 1111 | 800 | 125 | 1250 | 735 | 136 | 1361 |
| 1000 | 100 | 1000 | 890 | 112 | 1124 | 815 | 123 | 1227 |
| 1100 | 91 | 909 | 970 | 103 | 1031 | 895 | 112 | 1117 |
| 1200 | 83 | 833 | 1070 | 93 | 935 | 985 | 102 | 1015 |
| 1300 | 77 | 769 | 1175 | 85 | 851 | 1072 | 93 | 933 |
14.5 Druckverluste
Armaturen
| Druckverlust der Armaturen bei Volumenstrom 10 l/min | ||
| Einhandmischer, ca. | MPa | 0,04 - 0,08 |
| Thermostatarmatur, ca. | MPa | 0,03 - 0,05 |
| Handbrause, ca. | MPa | 0,03 - 0,15 |
Rohrnetz-Dimensionierungen
Zur Berechnung der Rohrnetz-Dimensionierungen wird für das Gerät ein Druckverlust von 0,1 MPa empfohlen.
14.6 Störfallbedingungen
Im Störfall konnen in der Installation kurzfristig Belastungen von maximal 95^ bei einem Druck von 1,2 MPa aufreten.
14.7 Angaben zum Energieverbrauch
Die Produktdaten entsprechen den EU-Verordnungen zur Richtlinie für umweltgerechte Gestaltung energieverbrauchsrelevanter Produkte (ErP).
| DDLE LCD 18 DDLE LCD 18/21/24 DDLE LCD 27 | ||||
| 222392 222394 222395 | ||||
| Hersteller AEG Haustechnik AEG Haustechnik | AEG Haustechnik | |||
| Lastprofil | S | S | S | |
| Energieeffizienzklasse | A | A | A | |
| Jährlicher Stromverbrauch | kWh | 477 | 477 | 481 |
| Energetischer Wirkungsgrad | % | 39 | 39 | 39 |
| Temperatureinstellung ab Werk | °C | 60 | 60 | 60 |
| Schallleistungspegel | dB(A) | 15 | 15 | 15 |
| Besondere Hinweise zur Effizienzmessung | keine | Angaben bei Pmax. | keine | |
14.8 Datentabelle
| DDLE LCD 18 | DDLE LCD 18/21/24 | DDLE LCD 27 | |||||||
| 222392 222394 222395 | |||||||||
| Elektrische Daten | |||||||||
| Nennspannung | V | 380 | 400 | 415 | 380 | 400 | 415 | 380 | 400 |
| Nenneleistung | kW | 16,2 | 18 | 19,4 | 16,2/19/21,7 | 18/21/24 | 19,4/22,6/25,8 | 24,4 | 27 |
| Nennstrom | A | 24,7 | 26 | 27 | 27,6/29,5/33,3 | 29/31/35 | 30,1/32,2/36,3 | 37,1 | 39 |
| Absicherung | A | 25 | 25 | 32 | 32/32/35 | 32/32/35 | 32/32/35 | 40 | 40 |
| Phasen | 3/PE | 3/PE | 3/PE | ||||||
| Frequenz | Hz | 50/60 | 50/60 | 50/- | 50/60 | 50/60 | 50/- | 50/60 | 50/60 |
| Spezifischer Widerstand ρ15≥ (bei ∅kalt ≤25°C) | Ω cm | 900 | 900 | 1000 | 900 | 900 | 1000 | 900 | 900 |
| Spezifische Leitfähigkeit σ15≤ (bei ∅kalt ≤25°C) | μS/cm | 1111 | 1111 | 1000 | 1111 | 1111 | 1000 | 1111 | 1111 |
| Spezifischer Widerstand ρ15≥ (bei ∅kalt ≤45°C) | Ω cm | 1200 | 1200 | 1300 | 1200 | 1200 | 1300 | 1200 | 1200 |
| Spezifische Leitfähigkeit σ15≤ (bei ∅kalt ≤45°C) | μS/cm | 830 | 830 | 770 | 830 | 830 | 770 | 830 | 830 |
| Max. Netzimpedanz bei 50Hz | Ω | 0,379 | 0,360 | 0,347 | 0,284 | 0,270 | 0,260 | 0,254 | 0,241 |
| Einsatzgrenzen | |||||||||
| Max. zulässiger Druck | MPa | 1 | 1 | 1 | |||||
| Max. Zulauftemperatur für Nacherwärfung | °C | 45 | 45 | 45 | |||||
| Werte | |||||||||
| Max. zulässige Zulauftemperatur | °C | 65 | 65 | 65 | |||||
| Ein | l/min | >2,5 | >2,5 | >2,5 | |||||
| Volumenstrom-Begrenzung bei | l/min | 8 | 8 / 8 / 9 | 9 | |||||
| Warmwasserdarbietung | l/min | 9,4 | 9,4/11,0/12,6 | 14,2 | |||||
| Δθ bei Darbietung | K | 26 | 26 | 26 | |||||
| Hydraulische Daten | |||||||||
| Nenninhalt | I | 0.4 | 0.4 | 0.4 | |||||
| Ausführungen | |||||||||
| Temperatureinstellung | °C | 30-60 | 30-60 | 30-60 | |||||
| Heizsystem Wärmeerzeuger | Blankdraht | Blankdraht | Blankdraht | ||||||
| Farbe | weiß | weiß | weiß | ||||||
| Schutzart (IP) | IP25 | IP25 | IP25 | ||||||
| Dimensionen | |||||||||
| Höhe | mm | 485 | 485 | 485 | |||||
| Breite | mm | 226 | 226 | 226 | |||||
| Tiefe | mm | 93 | 93 | 93 | |||||
| Gewichtete | |||||||||
| Gewicht | kg | 3,6 | 3,6 | 3,6 | |||||
Erreichbarkeit
Sollte einmal eine Störung an einem unserer Produkte auftreten, stehen wir Ihnen natürlich mit Rat und Tat zur Seite.
AEG Haustechnik | Kundendienst | Fürstenberger Straße 77 | 37603 Holzmaden
Tel. 05531 702-111 | Fax 05531 702-95890 | info@eht-haustechnik.de
Weitere Anschriften sind auf der letzten Seite aufgeführt.
Unseren Kundendienst erreichen Sie Telefonisch rund um die Uhr, auch an Samstagen und Sonstagen sowie an Feiertagen. Kundendiensteinsätze erfolgen während unserer Geschäftszeiten (von 7.30 bis 16.30 Uhr, freiags bis 14.00 Uhr). Als Sonderepservice bieten wir Kundendiensteinsätze bis 22 Uhr. Für diesen Sonderepservice sowie Kundendiensteinsätze an Sams-, Sonn- und Feiertagen werden hochere Preiserechnet.
Garantiebedingungen
These Garantiebedingungen regeln zusätzliche Garantieleistungen von uns gegenüber dem Endkunden. Sie treten neben die gesetzlichen Gewährleistungsansprüche des Kunden. Die gesetzlichen Gewährleistungsansprüche gegenüber den sonstigen Vertrags-partnern sind nicht berührt.
These Garantiebedingungen gelten nur für solche Geräte, die vom Endkunden in der Bundesrepublik Deutschland als Neugeräte erworben werden. Ein Garantievertrag kommt nicht zustande, soweit der Endkunde ein gebrauchtes Gerät oder ein neuen Gerät seiner seits von einem anderen Endkunden erworbt.
Inhalt und Umfang der Garantie
Die Garantieleistung wird erbracht, wenn an unseren Geräten ein Herstellungs- und/oder Materialfehler innerhalb der Garantiedauer auftritt. Die Garantie umfasst jedoch keine Leistungen für solche Geräte, an denen Fehler, Schäden oder Mängel aufgrund von Verkalkung, chemischer oder elektronchemischer Einwirkung, fehlerhafter Aufstellung bzw. Installation sowie unsachgemäßer Einregulierung, Bedienung oder unsachgemäßer Inanspruchnahme bzw. Verwendung auftreten. Ebenso ausgeschlossen sind Leistungen aufgrund mangelhafter oder unterlassener Wartung, Witterungseinfüssen oder sonstigen Naturerscheinungen. Die Garantie er-lisch, wenn am Gerät Reparaturen, Eingriffe oder Abänderungen durch nicht von uns autorisierte Personen vorgenommen wurden. Die Garantieleistung umfasst die sorgfältige Prüfung des Gerätes, wobei zunachst ermittelt wird, ob ein Garantieanspruch besteht. Im Garantiefall entscheiden allein wir, auf welche Art der Fehler behoben wird. Es steht uns frei, eine Reparatur des Gerätes aus-führen zu halten oder selbst auszuführen. Etwaige ausgewechselte Teile werden unser Eigentum. Für die Dauer und Reichweite der Garantie übernahmen wirSAMTliche Material- und Montagekosten.
Soweit der Kunde wegen des Garantiefalles aufgrund gesetzlicher Gewährleistungsansprüche gegen andere Vertragspartner Leistungen erhalten hat, entfällt eine Leistungspflicht von uns. Soweit eine Garantieleistung erbracht wird, übernehmen wir keine Haftung für die Beschädigung eines Gerätes durch Diebstahl, Feuer, Aufruhr o. ä. Ursachen.
Über die vorstehend zugesagten Garantieleistungen hinausgehend kann der Endkunde nach dieser Garantie keine Ansprüche wegen mittelbarer Schäden oder Folgeschäden, die durch das Gerät verursacht werden, insbesondere auf Ersatz außerhalb des Gerätes entwickelter Schäden, geltend machen. Gesetzliche Ansprüche des Kunden uns gegenüber oder gegenüber Dritten bleiben unberührt.
Garantiedauer
Fur im privaten Haushalt eingesetzte Geräte beträgt die Garantiedauer 24 Monate; im übrigen (z. B. bei einem Einsatz der Geräte in Gewerbe-, Handwerks- oder Industriebetrieben) beträgt die Garantiedauer 12 Monate. Die Garantiedauer beginnnt für jedem Gerät mit der Übergabe des Gerätes an den Kunden, der das Gerät zum ersten Mal einsetzt. Garantieleistungen führen nicht zu einer Veränderung der Garantiedauer. Durch die erbrachte Garantieleistung wird keine neue Garantiedauer in Gang gesetzt. Dies gilt für alle erbrachten Garantieleistungen, insbesondere für etwa eigeneingegebute Ersatzteile oder für die Ersatzlieferung eines neuen Gerätes.
Inanspruchnahme der Garantie
Garantieansprüche sind vor Ablauf der Garantiedauer, innerhalb von zwei Wochen, nach dem der Mangel erkannt wurde, bei uns anzumelden. Dabei müssen Angaben zum Fehler, zum Gerät und zum Zeitpunkt der Feststellung gemacht werden. Als Garantienachweis ist die Rechnung oder ein sonstiger datierter Kaufnachweis beizufügen. Fehlen die vorgenannten Angaben oder Unterlagen, besteht kein Garantieanspruch.
Garantie für in Deutschland erworbene, jeder außerhalb Deutschlands eingesetzte Geräte
Wir sind nicht verpflichtet, Garantieleistungen außerhalb der Bundesrepublik Deutschland zu erbringen. Bei Störungen eines im Ausland eingesetzten Gerätes ist这点es gegebenenfalls auf Gefahr und Kosten des Kunden an den Kundendienst in Deutschland zu senden. Die Rücksendung erfolgt ebenfalls auf Gefahr und Kosten des Kunden. Etwaige gesetzliche Ansprüche des Kunden uns gegenüber oder gegenüber Dritten bleiben auch in thisem Fall unberührt.
Außerhalb Deutschlands erworbene Geräte
Für außerhalb Deutschlands erworbene Geräte gilt diese Garantie nicht. Es gelten die jeweiligen gesetzlichen Vorschriften und gegebenenfalls die Lieferbedingungen der Ländergesellschaft bzw. des Importeurs.
Entsorgung von Transport- und Verkaufsverpackungsmaterial
Damit Ihr Gerät unbeschädigt bei Ohnen ankommt, haben wir es sorgfältig verpackt.itte halten Sie, die Umwelt zu schützen und entsorgen Sie das Verpackungsmaterial des Gerätes sachgerecht. Wir beteilig den uns gemeinsam mit dem Großhandel und dem Fachhandwerk / Fachhandel in Deutschland an einem wirksamen Rücknahme- und Entsorgungskonzept für die umweltschonende Aufarbeitung der Verpackungen.
Überlassen Sie die Transportverpackung dem Fachhandwerker beziehungsweise dem Fachhandel.
Entsorgen Sie Verkaufsverpackungen über eines der Dualen Systeme in Deutschland.
Entsorgung von Altgeräten in Deutschland

Geräteentsorgung
Die mit diesen Symbol gekennzeichneten Geräte dürfen nicht mit dem Hausmüll entsorgt werden.
Als Hersteller sorgen wir im Rahmen der Produktverantwortung für eine umweltgerechte Behandlung und Verwertung der Altgeräte. Weitere Informationen zur Sammlung und Entsorgung erhalten Sie über ihre Kommune oder ihren Fachhandwerker / Fachhandlör.
Bereits bei der Entwicklung neuer Geräte achten wir auf eine hohe Recyclingfähigkeit der Materialien.
Über das Rücknahmesystem werden hohe Recyclingquoten der Materialien erreicht, um Deponien und die Umwelt zu entlasten. Damit leisten wir gemeinsam einen wichtigen Beitrag zum Umweltschutz.
Entsorgung außerhalb Deutschlands
Entsorgen Sie these Gerät fach- und sachgerecht nach den örtlich geltenden Vorschriften und Gesetzen.
SPECIAL INFORMATION
OPERATION
8. Description de l'ordinateil
8.1 Furniture
VOORZICHTIG verbranding
VOORZICHTIG verbranding
VOORZICHTIG verbranding
12. Buitendienststellung
13. Usuwanie usterek

Adressen und Kontakte
Vertriebszentrale
EHT Haustechnik GmbH
Markenvertrieb AEG
Gutenstetter Straße 10
90449 Nurnberg
info@eht-haustechnik.de
www.aeg-haustechnik.de
Tel. 0911 9656-250
Fax 0911 9656-444
Kundendienstzentrale
Holzminden
Fürstenberger Str. 77
37603 Holzminden
Briefanschrift
37601 Holzminden
Der Kundendienst und Ersatzteilverkauf
ist in der Zeit von
Montag bis Donnerstag
von 7.15 bis 18.00 Uhr und
Freitag von 7.15 bis 17.00 Uhr,
auch unter den nachfolgenden Telefon- bzw.
Telefaxnummern erreichbar:
Kundendienst
Tel. 0911 9656-56015
Fax 0911 9656-56890
kundendienst@eht-haustechnik.de
Ersatzteilverkauf
Tel. 0911 9656-56030
Fax 0911 9656-56800
ersatzteile@eht-haustechnik.de
info@eht-haustechnik.de
www.aeg-haustechnik.de
EHT Haustechnik

International
Australia
STIEBEL ELTRON Australia Pty. Ltd.
6 Prohasky Street
Port Melbourne VIC 3207
Tel. 03 9645-1833
Fax 039645-4366
Austria
STIEBEL ELTRON Ges.m.b.H.
EferdingerStr.73
4600 Wels
Tel. 07242 47367-0
Fax 07242 47367-42
Belgium
STIEBEL ELTRON bvba/sprl
t Hofveld 6 - D1
1702 Groot-Biiggaarden
Tel. 02 42322-22
Fax 0242322-12
Czech Republic
STIEBEL ELTRON spel. s r.o.
K Hajum 946
155 00 Praha 5 - Stodulky
Tel. 251116-111
Fax 235512-122
Hungary
STIEBEL ELTRON Kft.
Gyaru.2
2040 Budaörs
Tel. 01 250-6055
Fax 01368-8097
Netherlands
STIEBEL ELTRON Nederland B.V.
Daviottenweg 36
5222 BH 's-Hertogenbosch
Tel. 073 623-0000
Fax 073623-1141
Poland
STIEBEL ELTRON Polska Sp. z O.O.
ul. Dzialkowa 2
02-234 Warsz
Tel. 022 60920-30
Fax 022 60920-29
Russia
STIEBEL ELTRON LLC RUSSIA
EinfachAnleitung