22 - Pompa wodna Hydro-Pro - Bezpłatna instrukcja obsługi
Znajdź bezpłatnie instrukcję urządzenia 22 Hydro-Pro w formacie PDF.
Często zadawane pytania - 22 Hydro-Pro
Pytania użytkowników dotyczące 22 Hydro-Pro
0 pytanie dotyczące tego urządzenia. Odpowiedz na te, które znasz, lub zadaj własne.
Zadaj nowe pytanie dotyczące tego urządzenia
Pobierz instrukcję dla swojego Pompa wodna w formacie PDF za darmo! Znajdź swoją instrukcję 22 - Hydro-Pro i weź swoje urządzenie elektroniczne z powrotem w ręce. Na tej stronie opublikowane są wszystkie dokumenty niezbędne do korzystania z urządzenia. 22 marki Hydro-Pro.
INSTRUKCJA OBSŁUGI 22 Hydro-Pro
Polskiej firmy. 163~192
- Operator sprzętu ktopy zawiera 5 ton Cfluorowanego gazu cieplarnianego, odpowiednik lub Wi克斯za ilosc oraz brak piani powoduje sprawdzenie sprzętu pod katem szczelnosci.
- Dla sprzętu zawierajść go fluorowany gaz cieplarniany w ilosci 5 ton CO₂, lub wieciej, ale mniej niz 50 ton jeęst sprawdzany co 12 mieszecy.
Obrazek CQ
- Ilosc CQw kg i tonach.
| Ilość i tony CO | Częstotliwość testu |
| Od 2 na 30 kg = od 5 na 50 ton | Co roku |
Gas R 410a, 2.39kg jest równowartość 5 togiost sprawdzany kazdego roku.
Trening I certyfikacja
- Personnel musi posiadać odpowiednia certyfikacja, któ rapiewnia odpowiednia wiedź na temat standardów oraz odpowiednie kompetencje w zakresie prewenciem i odyzkania fluorowanego gazu cieplarnianego jak i musi zachować wszelkie normy bezpieczność whereas odpowiednio go sprzetu.
Prowadzenie dokumentaggi
- Operatorzy sprzętu, którego jest wymagana kontrola pod względem szczelnosci, musza prowadzić dokumentacja dla&Cgo sprzętu tj:
a) Ilosc i typ zainstalowanego fluorowanego gazu cieplarnianego.
b) Iliosci fluorowanego gazu cieplarnianego dodanego podczas instalacji - prowadzenia i serwis.
c) Czy ilosci zainstalowanego fluorowanego gazu cieplarnianego zostymi przy przyworzone lub odzyskane, z zauczeniem nazwy i adresu.), wiejsca przyworzenia lub reklamacji oraz jestli moziwy - numer certyfikatu.
d) Ilosc odzyskanego fluorowanego gazu cieplarnianego.
e) Dane firmy instalujacej, serwisujacej, konserwuajcej ilsi mozliwa naprawa lub likwidacja sprzętu oraz jejocnumer cerrtyfikatu.
f) Dat y i rezultaty przyprowadzonych testow.
g) Jesli sprezt zostaf zlikwidowy - wymagane srodki do odzyskania i Roztozenia fluorowanego gazu cieplarnianego.
- Operator musi zachowac rejestry przy minimum pięc lat, firmy przypegowadzajce zolecenia operatorów musza zatrzymać kopie rejestrów przy minimum pięc lat.
HYDRO-PRO pompa grzewcza do basenów kapielowych INSTRUKCJA OBSŁUGI I SERWISU
SPIS TRESCI
- Specyfikacja techniczna
- Wymiary
- Montañ i podlącenie
- Akcesoria
- Okablowanie elektryczne
- Obsługa panelu sterujuść
- Wybor ustawien obslugi pompny
- Usuwanie usterek
- Schemat budowy pompy
- Konserwacja
10.Gwarancja i zwrot
Dziekujemy za korzystanie z pompy grzewciej HYDRO-PRO do basenów kapielowych, uzolliwa ona nagrzanie wody w basenie i utrzymanie jej statej temperatury przy temperaturze otoczenia wynoszacej od -5 do 43^ .

UWAGA: Instrukcja ta zwiera wzystkie informacje niezbędne do podłacze
uzytkowania zakupionej pompy grzewcieje.
Podłuczajcy pompe musi zapoznać sie ztreścia instrukcji i postępowac zgodnia z instrukcjami dotyczymi montaź u konserwacje.
Podłuczajcy ponosi odpowiedzialnosci za montaż i podlącenie produktu i zobowie do scisło przestrzegania wszystkich wskazówek producenta oraz uregulowan doty zastosowania produktu. Nieprawidowej podlącenie spreczne z tym instrukacja skutkowe bedzie utrata gwarancji na calę urzadzenia.
Producent zrzeka sie jakiejkolwiek odpowiedzialnosci winikajacej ze szkód spowodovinnym osobom lub przydmiotom, jak rownież z blegnégo montazu i podlaczenia ursposob niedzgodny z instrukcja obstugi i serwisu. Kaźde zastosowanie produktu, będzie niedzgodne z seinen przyeznaczenia uznawane;będzie zaNiebezpieczne.
OSTRZEZENIE: W okresie zimowym lub gdy temperatura otoczenia spadnie ponizej 0^
nalezy zawsze usuwac wodez pompy ciepla, w przyciwnym razie wymiennik ciepla Titani.
zostanie uszkodzony wskutek zamarzniecia, co powoduje utratgwarancji.
OSTRZEJELENIE: Przed otwarciem obudowy pompy grzewciej nalezy zawsze wyłaczaćzasilanie, gdyż wewnatrix znajduje sie urzadzenia pod wysokim napieciem elektrycznym.
OSTRZEJEZENIE: Nalezy przechowywać panel wyświetlacza w suchym wiejscu lub szczelnie domykaćpokerwę izolacyjna aby zabezpieczyc go przyd uszkodzeniem spowodowanym zawilgoceniem.
1 Specyfikacja techniczna
1.1Dane technicznepomp grzewczyh Hydro-Pro ABS
| Jednostka Hydro-Pro | Model | 5 | 7 | 10 | 13 | 18 | 22 | 22T | 26 | 26T |
| Numer噤ci | 7018522 | 7018523 | 7018524 | 7018525 | 7018526 | 7018527 | 7018528 | 7018529 | 7018530 | |
| Moc grzewcza przy warunkach A27/W27 | kW | 5 | 7 | 10 | 13 | 18 | 22 | 22 | 26 | 26 |
| BTU/h | 17000 | 23500 | 34000 | 44300 | 61000 | 75000 | 75000 | 88700 | 88700 | |
| Moc grzewcza przy warunkach A15/W26 | kW | 3,7 | 4,3 | 6,5 | 8,2 | 13 | 14,5 | 14,5 | 16,5 | 16,5 |
| BTU/h | 12500 | 14500 | 22000 | 28000 | 44000 | 49500 | 49500 | 56000 | 56000 | |
| Moc chłodźca przy warunkach A35/W27 | kW | 2,8 | 3,5 | 5 | 7 | 10.8 | 11 | 11 | 15 | 15 |
| BTU/h | 9500 | 12000 | 17000 | 24000 | 37000 | 37500 | 37500 | 51000 | 51000 | |
| Moc pobierana | kW | 0,93 | 1,02 | 1,48 | 1,86 | 2,51 | 3,45 | 3,45 | 3,93 | 3,93 |
| Maksymalna objętość (przy wȩstatewoj izolacje) | m³ | 20 | 30 | 45 | 60 | 100 | 120 | 120 | 140 | 140 |
| Prȩ roboczny | A | 4,1 | 4,7 | 7 | 9,1 | 13,4 | 15 | 6,6 | 17,4 | 7,7 |
| Mini bezpiecznik | A | 15 | 15 | 20 | 25 | 40 | 45 | 20 | 50 | 25 |
| Wydajnosć grzewcza COF przy A27/W27 | W/W | 5,8 | 5,9 | 6,2 | 6 | 6,1 | 5,9 | 5,9 | 5,8 | 5,8 |
| Wydajnosć grzewcza COF przy A15/W26 | W/W | 4 | 4,2 | 4,4 | 4,4 | 4,3 | 4,2 | 4,2 | 4,2 | 4,2 |
| Zasilanie | V/Ph/Hz | 230/1/50 | 380/3/50 | 230/1/50 | 380/3/50 | |||||
| Sterowanie | elektronicze | |||||||||
| Skraplacz | wymiennik ciepla Titanium | |||||||||
| Liczba spreȩzek | 1 | |||||||||
| Typ spreȩzeki | obrotowa | Śrubowa | ||||||||
| Agregat chłodniczy | R410a | |||||||||
| Liczba wentylatorów | 1 | |||||||||
| Zasilanie wentylatora | W | 68 | 80 | 80 | 120 | 200 | 200 | 200 | 200 | 200 |
| Szybkość wirowania wentylatora | obroty/min. | 830~870 | 650 | |||||||
| Przejwy powietrza | pionowa | pionowa | ||||||||
| Poziom haasu (10m) | dB(A) | 39 | 40 | 40 | 43 | 47 | 47 | 47 | 50 | 50 |
| Poziom haasu (1m) | dB(A) | 48 | 49 | 49 | 52 | 56 | 56 | 56 | 59 | 59 |
| Przyłącze wody | mm | 50 | ||||||||
| Nominalny przejwy | m³/h | 2,5 | 2,5 | 2,8 | 3,5 | 6,2 | 6,2 | 6,2 | 7,1 | 7,1 |
| wody | ||||||||||
| Maksymalny spadek cijsnienia | kPa | 12 | 12 | 12 | 15 | 18 | 18 | 18 | 18 | 18 |
| Wymiary netto | L/W/H | 1010*340*577mm | 1050*470*709mm | 910*707*940mm | ||||||
| Wymiary brutto | L/W/H | 1080*405*616mm | 1121*481*851mm | 935*790*975mm | ||||||
| Waga netto / brutto | kg | 36/38 | 44/47 | 49/52 | 63/67 | 115/125 | 125/135 | 125/135 | 150/160 | 150/160 |
- Powyzsze dane moga ulec zmianie bez uprzedniego o tym informwomania.
2. Wymiary
Hydro Pro 5,7,10



Hydro Pro 13






3. Montañ i podłaczenia
3.1 Uwagi ogolne
Producent odowiada za dostarczenia samej pompy. Pozostale komponenty, wącnie z obejsciem by-pass o ile jest ono konieczne, musza być dostarczone albo przytkownik albo przyez technika montaqu.
Uwaga: Podczas montazu i instalacji pompy nalezy postepować zgodnie z podanymi poniż wskazówkami:
- Dodawanie wszelkich srodkow chemicznych powinno odbwac sie zawsze w rurociagach zlokizowanych z tylu pompy grzewczej.
- Naleź zamontowac obejscie by-pass, sąsi przejwy wody przy pompe basenowych przyzekracza o 20% dozwolony przyzejwy przyzmiennikcie pomy grzewczej.
- Pompe grzewcza nalezy montować powyzej poziomu wody basenu kapielowej.
-
Montaz pompy musi zawsze odbywac sie na stabilnym podlozu z wykorzystaniem gumek ochronnych pochtlaniajacych wibracie i hahas.
-
Pompe nalezy zawsze przechowywać w pozycji pionowej. Jeźeli urzadzenia bylo przechowywane w pozycji przechylonej nalezy odczekać 24 godziny przyded是我的 gożćzeniem.
3.2 Umiejscowienie pompy grzewczyj
Urzadzenie bedzie działo poprawienie w dowolnej lokalizacja, przy speltnieniu trzech natestpućych warunków:
1. Dostep swiezegogowietra - 2. Zasilanie - 3. Filtry basenowe
Urzadzenia są zostac zastalowanie praktycznie w kaźdej lokalizacja na wolnym powietrzy, o ile zachowane sąminimalne odlegloiśćmi niedzy pozostymi obiektiami (por. diagram poniżej). Instalacja pompy w basenie krytym wymaga skonsultowania są z technikiem montującym. Podłaczenia urzadzenia w mięscach wystepowania silngo wiatrue nie stanowy zadné problemu, w przyciwuestinalwie do podlączenia w popliwu grzejników gazowych (moze powodowej problemy z plonieniem pilotowym).
UWAGA: Nie nalezy podłaczać urzadzenia w zamknietym pomieszczeniu z ograniczonym przypeływem powietrza, gdzie wydmuchiwane powietrze byloby ponownie zasysane, sądź też w poplizu zarość, kóre moglyby powodowej zablokowania wlotu powietrza. Tego typu mistręska utrudniaja swobodny przypeły wȩźego powietrza, co zmniejsza skutecznosć urzadzenia i potencjalnie blokuje odpowiedni dopły wciepla.
Poniższy diagram prezentuje minimale odleglosci urzadzenia od pozostalych obiektów.

3.3 Odleglość od basenu kapielowej
Pompe grzewcza zwykle najlepiej zainstalować jest na obszarze o promieniu 7,5 metra oc basenu kapielowego. Im większa odlegość pompy od basenu, tym wiȩksza utrata ciepla przyez rurociagi. Rurociagi zwykle znajduja są pod ziemia, dlatego teź straty cieplne są ni dla odlegości do 30 metrow (odlegość 15 metrow od i do pompy,łączna odlegość 30 metrow) o ile grunt nie jest wilgotny a poziom wód gruntowych wysocki. Szacunkowo strat cieplne na odlegości 30 metrow wynosza 0,6 kWh (2,000 BTU) na kaźde 5 °C rożnicymiiedzy temperatura wody w basenie a temperatura gruntu, w króty wkopane są rurociagi. Straty cieplne moga wydluży czas pracy pompy o 3 do 5%.
3.4 Montañ zaworu zwrotneo
Uwaga: Wykorzystujac automatyczne urzadzania dozujuce chlor i kwasowość (pH) wody, niedzwykle wąznym jest zabezmieczenie pompny grzewciej przy nadmiernym stężeniem chemikaliów mogązych powodowej uszkodzenia wymiennika ciepla. Z togo powodu, osprzȩtego typu musi byc zawsze montowany z tylu pompny grzewciej, przy czymazole są zamontowanie zaworu zwrotnégo w celu zapobieȩzenia przy zęptywu w przyciwnym kierunku przy ograniczonej cyrkulacje wody.
Uszkodzenia pompy grzewciejwynikle znieprzestrzegania niniejszych srodkow ostroznosci nie podlegaj gwarancji.

3.5 Rozmieszczenie standardowe

Uwaga: Przedstawiony montaż jest tylko przykladowym rozwiazaniem.
3.6 Ustawienie obejscia by-pass

Przy instalacji obejscia by-passNSEy postepowac zgodnie z ponizszymi wytycznychi:
- calkowicic otworzyc zawor nr 3
stopniowo zamykac zwor nr 1 az wartosc cisnicia wody wzrosnic do okolo 100-200 gramow
zamknac zawor nr 3 mniej wiecej do połowy aby ustabilizowac ciñnicig gaz chlodniczego - Ježeli na wyświetlaczu pojawia sie "ON lub kod blćdu EE3, naleź stopniowo zamykać zawór nr. 2, celem zȩksze przyptywu wody i zakończyc ten prowo momencie znikość kodu.
Optymalna prace pompy grzewciej osiaga sie, gdy ciśnienie gazu chłodniczo gowynosi 20+/-2 barów.
Wartosckiego ciasnienia要去 odczyta z manometru znajdujacego sie przy panelu obstug pompy grzewciej. Wlasciwe ustawienia obejscia sprawia, ze przyphyw wody przy bez urzadzanie jest zawsze optymalny.
Uwaga: Brak obejscia by-pass lub loro nieodpowednie ustawienie要去 sprawiac, ze praca pompy grzewciej nie bedzie optymalna, a nawet powodowac uszkodzenie pompy. W takim przypadku nastepuje utrata gwarancji.
3.7 Podłaczenia zasilania
Uwaga: Mimo,iesz pompa grzewcza posiada izolacja elektryczna względem pozostaj czȩc系統u basenu kapielowego, oznacza to jedynie,ź Zapobiega ona kontaktowy prȩdu z woda basenu kapielowego. Nadal niedźne jest zainstalowanie uziemienia chroniacego przyzed krótkimi spiȩciami w urzadzeniu. Zawsze trzeba są zapewnic odpowiednie uziemienie. Prźed podłąceniem jestnostki, daneź sprawdzić,czy wartość napiȩcia prȩdu zasilȩcoma go jest zgodna z napiȩciem prȩdu roboczego pompy.
Zaleca są podłaczenia pompy grzewciej do obwodu elektrycznych z wiktadka bezpiecznikowa lub Mechanizmem zabezpieczącym (rodzaj opóznienia - D krzywa) wraz odpowiednim okablowaniem (por. tabela poniȩj).
W modelach poziomych (Hydro Pro 5, 7, 10, i 13) zdjac panel gorny.
W modelach pionowych (Hydro-Pro 18, 22, 22T i 26T) zdjac panel przyedni.
Nalezy podłączyć kable elektryczne do kostki zaciskowej oznaczonej napisem "POWER SUPPLY".
Druga kostenka zaciskowa oznaczona napisem "WATER PUMP" znajduje sie w besoinu pierwszej. Pompa filtrujuca (max. 5 A / 240 V) besteht zostac podlaczona do tej drugiej k zaciskowej. Dzięki temu praca pompy filtrujucej;będzie kontrlowana przyzempę grzewcza

Uwaga: W przypadku modeli trzyfazowych, zamiana dwóch faz要去 sprawić,要去 napȩdy elektryczne zacznych pracstawć w odwrotnym kierunku, co要去 powodowej uszkodzenia. Z togo powodu, jestnostka wyposzażona jest we wbudowy bezpiecznik, króty odcina dopȩw prȩdu要去 podłęczenia nie jest prawidowej. Jeźeli sącie są czerwna dioda LED nad t urzędzeniem zabeepieczajęcym, sąȩzy zamienić podłęczenia dwóch kabli fazowych.
| Model | Napiȩcie (V) | Wȩdka bezpiecznikowa lub wȩćznik prȩdowy (A) | Prȩ znamionowy (A) | Przekrój kabla (m³) Przy max. 15 m dlugo |
| HYDRO PRO5 | 220–240 | 15 | 4.1 | 2x 1.5 + 1.5 |
| HYDRO PRO7 | 220–240 | 15 | 4.7 | 2x 1.5 + 1.5 |
| HYDRO PRO10 | 220–240 | 20 | 7 | 2x 2.5 + 2.5 |
| HYDRO PRO13 | 220–240 | 25 | 9.1 | 2x 2.5 + 2.5 |
| HYDRO PRO18 | 220–240 | 40 | 13.4 | 2x 6 + 6 |
| HYDRO PRO22 | 220–240 | 45 | 15 | 2x 6 + 6 |
| HYDRO PRO22T | 3x 380 | 20 | 6.6 | 4x 2.5 + 2.5 |
| HYDRO PRO26 | 220–240 | 50 | 17.4 | 2x 6 + 6 |
| HYDRO PRO26T | 3x 380 | 25 | 7.7 | 4x 2.5 + 2.5 |
3.8 Pierwsze wączenia urzadzenia
Uwaga: Celem podgrzania wody w basenie kapielowym (lub wannie z jacuzzi), pompa filtrujuca musi pozostawac wączona aby zapewniać przypeptyw wody przyze pompę grzewczą. W razie braku przypeptywu wody pompa grzewczą nie Rozpocznie pracy.
Po podłaczeniu wszystkich częsci i upewnieniu są zaosty one wąSciwie zamontowane nalezy wykonac nastepujuce kroki:
- Włączenia pompy filtrujucej. Sprawdzenia przy nie sąstepuje przyciek wody i upewnienie są, ze woda wplywa do i wypływa z basenu kapielowego.
- Podłaczenia zasilania do pompy grzewciej i naciść przycisku On/Off elektronicznego panelu sterowania. Urzadzenia Rozpocznie prace po upływie opóznienia czasowej (por. poniżej).
- Sprawdzenie po kilku minutachczygowirze wydmuchiwane przyez urzadzenia jest chłodniejsze.
- Przy wączeniu pompy filtrujucej, jest równe automatycznie wączyw przyciwnym razie sąȩdostosowejustawienie przycieznej wączajacego.
- Pozostawienie dzialajacej pomp grzewciej i filtruacjaje przy 24 godziny na dobe, do momentu uzyskania pojadanej temperatury wody. W tym momencie pompa grzewcza zakończy swoja prace. Praca urzadzenia dostanie automatycznie wznowiona (o ile wączona jest pompa filtruacja) przy kaźdym spadku temperatury wody basenu kapielowej o 2 stopién poniȩj ustawionej wartość temperatury.
Zależnie odłącławskiej temperatury wody basenu oraz temperatury powietrza, potrzebne sączne sączne zazasienie basenu sączne zazasienie skrocić potrzebny czas.
Przeplywomierz wyluczajcy:
Urzejdenie posiada przyȩphywomierz węłacjaźajcy dla ochrony"Justostki grzewciej przyż zbyt mały przyȩwny wody. Przy wȩczeniu pompy zabeepieczenie to wȩczsi są automatycznie i wȩczsi węłacjachem pompy. Jeźeli rożnica poziomu wody w basenieDynosi ponad 1 metr względem poziomu na kórum zamontowano urzejdenie wówczas specjalny tlokMZe boć wykorzystany do automatycznej kontroli poziomu wody,.gojo pierwsze uruchomienie musi byc wykonane przyż uzytkownika.
Opocznienie czasowe:
Pompa posiada wbudowy mechanism opoźniajacy rozruch o 3 minuty jako zabezmieczenie uładów elektronicznych oraz przydluzenia zywnosci urzadzenia. Po upływie opoźniaia urzadzenia wączy są automatycznie. Nawet niewielkie zakłocenia zasilania sprawiaja, ze sączsi tryb opoźniaia, przy czymNie nastemu bezzwólczne Rozpoczȩcie pracy pompy. Dodatkowe problemy zasilaniem pojawiazćse są tracie opoźniaia nie sąmiymi wplywu na czas为其otranychia, krony nadal pozostanä 3 minuty.
3.9 Skraplanie
Wwyniku pracy pompy i ogrzewania wody basenu kapielowego powietrze wlotowe ulega znacznemu schlodzeniu, a woda要去 ulegać skraplaniu na pletwach parownika. Przy wysokiej wilgotnosci, skraplaniu要去 ulegać nawet kilka litrow wody na godzine. Czasem zjawisko to jest blednie uznawane za wyciek wody.
4. Akcesoria
4.1 Wykaz akcesoriow
| Podstawka antywibracyjna, 4 s | Syfon odpradowaz(jj), 2 s | Obudowa wodoodporna, 1 s |
| kabel przysstowy 10m, 1 sz | Rury odplywowe wody, 2 komplety |
4.2 Montaz akcesoriów
| Podstawski antywibracyjne 1. Naleź wygrać 4 podstawski antywibracyjne 2. Zaleca są umieszczenie ich jeder po drugiej pod spodem urȩdzenia, jak to pokazano na zdjeciu. | |
| Szyfon odpr owadzajćy 1. Naleź zamontowaś syfon odpr owadzajćy pod spodem panelu dolnégo. 2. Naleź podłączyć syfon do rurod odpr owadzajćego wode. Uwaga: Do zainstalowania syfonu nieźbudne jest podniesienie pompy grzewcieje. Nigdy nie wolno przykreć pompy grzewcieje, gdyź sągne to uszkodzić spreȩzarkę. |




Przyjacze doprowadzajace/odprowadzajace wode
- Za pomocą tasy do uszczelniania rur celem naleź wykonac przyłącze doprowadzȩcie/odprowadzȩcie wode z pompy grzewcieje.
- Zamontowanie dwoch zączy t jak toPokazano na zdjeciu.
- Przykrećenie ich do przyłącza doprowadzajacego/odprowadzaję ego wode




Kabel przesyłow 10m
- Podęczenie jegngo konca kabla do urzadzania sterujucego.
- Drugi koniec kabla nalezy wypuisci保税e otwor tak, jak toPokazano na zdjeciu.
- Nastepnie nalezy podlączykabel do plyty glownej PC wewurzadzenia: brazowy kabel dopierwszego zlacza, niebieski dodrugiego, a zoIty do trzechiego.


Kabel zasilania
- Nalezy podlączyc kabel zasila przy bez biały otwor tak, jak to pokazano na zdjeciu.
- Przymocowanie stykow z drug strony wewnatrz skrzynki elektrycznej.


Kable pompy grzewczej
- Naleź podȩczyc kabel pomp grzewcieje przyż biały otwor zaznaczony na zdjeciu.
- Przymocowanie stykow z drug strony wewnatrz skrzynki elektrycznej.
5. Kable elektryczne
5.1 SCHEMAT OKABLOWANIA POMPY GRZEWCZEJ DO BASENOW KAPILOWYCH
Hydro Pro 5/7/10

* Elementy oznaczone liniami przyerwyanymi są obecne tylko wNiektórch modelach.
5.2 SCHEMAT OKABLOWANIA POMPY GRZEWCZEJ DO BASENOW KAPIELOWYCH
Hydro Pro 13

* Elementy oznaczone liniami przyerwyanymi są obecne tylko w niedtórych modelach.
5.3 SCHEMAT OKABLOWANIA POMPY GRZEWCZEJ DO BASENOW KAPIELOWYCH
Hydro Pro 18/22

*Elementy oznaczone liniami przycerywanymi są obecne tylko w niedtórych modelach.
5.4 SCHEMAT OKABLOWANIA POMPY GRZEWCZEJ DO BASENOW KAPIELOWYCH
Hydro Pro 26

5.5 SCHEMAT OKABLOWANIA POMPY GRZEWCZEJ DO BASENOW KAPIELOWYCH
Hydro Pro 22T/26T

* Elementy oznaczone liniami przyerwyanymi są obecne tylko w niedtórch modelach.
UWAGA:
(1) Powyższy schemat okablowania ma wymiączne charakter orientacyjny, prosimy od podlącenie urzadzenia zgodnie z diagramem.
(2) Pompa grzewcza do basenów kapielowych musi zostac odpowiednio uziemiona mimo, wymiennik ciepla zostat odizolowy an od reszty urzadzenia. Wykonanie uziemienia jest nada wymagane w celu ochry przed zwarciami napiecia w urzadzeniu. Połaczenia wyrównawe jest rownikę wymagane.
Odlaczanie: Jednostki odłuczania przypeływu pradu (wyłącznik automatyczny, wyłącznik z bezpiecznikiem lub bez bezpiecznika) powinny byc zlokizowane w widocznych i sąwo dostepnych mistręch. jest to praktyka stosowanama przyez producentów pomp grzewczych na komercyjni i prywatny uzytek. Zapobiega to niedkontrolowanemu przypeływowi pradu przyez urzadzenia pozwala wyłączyć pompę na czas jej konserwacje.
5.6 Podlączenia kabla przyȩzajęcego do panelu sterujućego
Zdjecie nr 1 Zdjecie nr 2 Zdjecie nr 3



- Demontaż i wypiecie panelu sterujacego ze złacza (zdjecie nr 1).
- Podłaczenia dostarczonego kabla (zdjecie nr 2)
- Umieszczenegie kabla w przyeśćwce (zdjecie nr 3) i bezposrednie podłaczenia kabli son
6. Obsługa panelu sterujuść
6.1 Przyciski panelu sterujućego z wyświetlaczem ciełokrystalicznym LED

Gdy pompa grzewcza jest wączona, wyświetlacz ciekłokrystaliczny LED wskazuje temperature wody dopłyjawȩcej.
Gdy pompa grzewcza jest w trybie czuwania, wyświetlacz ciełokrystaliczny LED wyświetla aktualny czas.
6.2 Węczanie lub wymiarczanie pompy grzewcieje.
Po naciśću nastymi wączenia pompy grzewciej, wyświetlacz ciełokrystaliczny LED przyez 5 sekund wskazuje poźadana temperaturę wody, a sątpnie wyświetla temperaturę wody dopłyjawȩcej.
Po naciński nastapi wyłaczenia pompy grzewciej.
6.3 Wybór trybu ogrzewania lub chłodzenia:
Po naciński do momentu zapalenia sie diody przy napisie "Heat" (ogrzewanie) lub "Cool" (chłodzenia).
6.4 Ustawianie czasu rzechywistego
W trybie czuwania lub trybie pracy po dlugim naciskaniu, można wybrać godzine/minute naciskajć odpowiednio lub.
Ponowne naciść powoduje zatwierdzenia danych.
Przy ustawianiu czasu przyciski i niedziałaja.
6.5 Ustawianie temperature wody:
W trybie czuwania lub trybie pracy po naciśću i myznawybrać poźadanatemperature wody
- Uwaga: pompa grzewcza są pracstawć tylko przy odpowiednej cyrkulacje wody dziala system filtrujucy.
6.6 Automatyczne wączenia/wyȩczenia pompy grzewczyj
Wybór czasu wączenia urzadzenia
Po naciśćciu sąna ustawic czas wączenia urzadzenia, w tym celu naleź y naciskać lub by wybrać odpowiednia pore (pompa grzewcza powinna rozpoczynać prace 5 minut po wączeniu pompy wody).
Ponowne naciść powoduje zatwierdzenia danych.
Wybor czasu wyłaczenia urzadzenia
Po naciśću można ustawic czas wylączenia urzadzenia, w tymelu naleź y naciskać lub by wybrać odpowiednia pore (pompa grzewcza powinna kończyc prace 5 minut przydwić zemniem pompy wody).
Ponowne naciść powoduje zatwierdzenia danych.
6.7 Anulowanie automatycznégo wączenia/wyȩczenia pompy Anulowanie automatycznégo wączenia
Po naciśćciu naleź y nacinȩc, dioda zgaśnie, opća automatycznégo wączenia pompy jest wyłączona.
Anulowanie automatycznégo węłaczenia
Po naciśćciu naleźny nacinȩc, dioda zgaśnie, opća automatycznych wymiączenia pompy jest wyłączona.
- Uwaga: Jeźeli system filtraci wody zostanie wyłaczony przyd poppa grzewcz zostanie ona wyłaczona (względy bezpieczenstwa) a na wyświetlaczu panelu sterujucephogo pojawi są kod "EE3" lub "ON".
- lstotne jest zaprogramowanie czasu pracy pompy w sposob zgodny z czase systemu filtrujucego.
-
- Aby ponownie uruchomic pompę grzewcza, odłucz i podłucz ponowniezasiar
7. WYBOR USTAWIEN POMPY PODCZAS PRACY
7.1 Sprawdzanie paramétrów
W trybie czuwania lub trybie pracy po dlugim naciskaniu przyez 10 sekund, a nastepnie wybor lub dla sprawdzenia parametrów (od 0 do H, por. tabel parametrów obstugi pompy).
7.2 Ustawienie parametrów (tylkowtrybie czuwania)
1) PoDMI naciskaniu przez 10 sekund, nalezy ponownie nacinac aby wybrac wartosci (od 0 do L, por.abela parametrow obslugi pompy), ktore chce sie zmie
2) Naleź wybrać lub aby ustawić parametry, ponownie nacisné celem zatwierdzenia danych.
3) Naleź wybrać lub aby wybrać inne wartość do zmiany, postępujac tak są jak poprzejnim razem.

Nalezy zwróci uwage, ze:
A) Po naciśćciu "MODE" nastepuje wybor trybu (moze byc wybrany tylko tryb "1" lub "jako ustawuminium parametru 6).
B) Tryb要考虑 zmienić podczas przy urzadzenia.
C) Dodatkowe ogrzewanie elektryczne nie ma zastosowania w tych trybach.
7.3 Odczytywanie bierzacego stanu urzadzenia


| Parametr | Znaczenia | Zakres | Wartosci domyślina | Uwagi |
| 0 | Pozwala ustawic temperaturewody dopłyjawość w trybie chłodzenia | 8-35°C | 28°C | możliwa regulacja |
| 1 | Pozwala ustawic temperaturewody dopłyjawość w trybie ogrzewania | 15-40°C | 28°C | możliwa regulacja |
| 2 | Czasowe wączenia trybu odmrażania | 30-90MIN | 40MIN | możliwa regulacja |
| 3 | Warunki wączenia trybu odmrażania | od -30°C do 0°C | -7°C | możliwa regulacja |
| 4 | Warunki wączenia trybu odmrażania | od 2 do 30°C | 20°C | możliwa regulacja |
| 5 | Czas wyłączenia trybu odmrażania | od 1 do 12MIN | 12MIN | możliwa regulacja |
| 6 | Tryby: 0 ogrzewanie 1 ogrzewanie i chłodzenia | 0-1 | 1(ogrzewanie i chłodzenia) | możliwa regulacja |
| 7 | Wybortrybu elektronicznego zaworu Rozpreȩźngo | 0-1 | 1auto) | możliwa regulacja |
| 8 | Superheat do osiaginića danej wartosci wysokiej temperatury | -15°C-15°C | 3°C | możliwa regulacja |
| 9 | Superheat do osiaginića danej wartosci niskiej temperatury | -15°C-15°C | -2 °C | możliwa regulacja |
| A | Ręczne ustawianie elektronicznego zaworu Rozpreȩźngo | 18-94 | 70 | możliwa regulacja |
| B | Temperatura wody dopłyjawość | -9-99°C | na podstawie odczytanej wartosci | |
| C | Temperatura wody wypłyjawość | -9-99°C | na podstawie odczytanej wartosci | |
| D | Temperatura skraplacza w trybie ogrzewar | -9-99°C | na podstawie odczytanej wartosci | |
| E | Temperatura gazu zwracanego | -9-99°C | na podstawie odczytanej wartosci | |
| F | Temperatura otoczenia | -9-99°C | na podstawie odczytanej wartosci | |
| G | Temperatura skraplacza w trybie chłodzeni | -9-99°C | na podstawie odczytanej wartosci | |
| H | Etap pracy elektronicznego zaworu Rozpreȩźngo | N*5 | na podstawie odczytanej wartosci | |
| L | Wlot kalibracja temperatury wody | -9.9-9.9°C | 0°C | możliwa regulacja |
Uwagi:
(1) Gdy pompa grzewcza przyestanie dziać, po 30 sekundach nastapi automatyczne wyłączenie pompy wodnej.
(2) Panel sterujucy z wyświetlaczem LEDMZoje obstugiwac pompewodna po wlasciwym podlączeniudodatkowej kabla pompy wterminalu wmyiejscu oznaczonym wyrazem "PUMP".
(3) Konieczne jest zamontowanie dodatkowej przykaźnika do nadzorowania prȩdu 3 faz dla 3-fazowej pompy wodnej
8. Usterki i ich usuwanie
8.1 Kody blędów wyświetlane na wyświetlaczu ciekłokrystalicznym LED panelu sterOWANIA
| Usterka | KodBLEDU | Przyczyny | Rozwiȩzanie | |||||||||
| Awaria czujnika temperaturydopłwyajacej | PP1 | Czujnik na zewnatrz lub nastapilozwarcie. | Sprawdzenia lub wymiana czujnika. | |||||||||
| Awaria czujnika temperatury wypłwyajacej | PP2 | Czujnik na zewnatrz lub nastapilozwarcie. | Sprawdzenia lub wymiana czujnika. | |||||||||
| Awaria czujnikakondensatorj Jednostkigrzewczej | PP3 | Czujnik na zewnatrz lub nastapilozwarcie. | prawdzenia lub wymiana czujnika. | |||||||||
| Awaria czujnika przypeływu gazw kierunku odwrotnym | PP4 | Podlącz jakis przywódź w tej kw | Potworżenia nie ma nic na ten temarstart. | |||||||||
| Awaria czujnika temperaturyotoczenia | PP5 | Czujnik na zewnatrz lub nastapilozwarcie. | Sprawdzenia lub wymiana czujnika. | |||||||||
| Róznica temperatur międzywoda dopłwyajacja i wypłwyajczy jest zbyt wysoka | PP6 | Zbyt maly przypeływu wody, zbyt nisiróznica ci)—nić wody. | Sprawdzenia poziomu przypeływu wody i wykluczenia blokady przypeływu. | |||||||||
| Temperatura chłodzenia wydwyptywajacej jest zbyt niska | PP7 | Zbyt maly przypeływu wody. | Sprawdzenia poziomu przypeływu wody i wykluczenia blokady przypeływu. | |||||||||
| Mechanizm zabeepieczajcy pierwszego stopnia przydzmarszniewiem pompy | PP7 | Temperatura otoczenia lub temperatura wody dopywaj)—jeest zbyt niska. | Pompa wodna zestanie uruchomionaautomatyczne celem zapewnieniapierwszego stopnia ochryny przyzemarzniewiem | |||||||||
| Mechanizm zabeepieczajcydrugiego stopnia przydzmarszniewiem pompy | PP7 | Temperatura otoczenia lub temperatura wody dopywaj)—jeest zbyt niska. | Pompa grzewca dostanie uruchomionaautomatyczne celem zapewnieniadrugiego stopnia ochryny przyzemarzniewiem. | |||||||||
| Awaria czujnika skraplacza | PP8 | Podlącz jakis przywódź w tej kw | Potworżenia nie ma nic na ten temarstart. | |||||||||
| Bezpiecznik wysokiego ci)—nieni | EE1 | 1. Zbyt duź go gazu chlodniczego2. Zbyt mała cylruk)—powerza | 1. Usuniecie nadmiar gazu chlodniczegeosystemu gazowej"Justostki grzew)—2.Oczyszcz)—woymiennika pouwitra | |||||||||
| Bezpiecznik niskiego ci)—nieni | EE2 | 1. Zbyt mo)—gazy chlodniczego.2. Zbyt maly przypeływu wody.3. Blokada filtra lub kapilary. | 1. Sprawdzenia czyNie sąnapit wyciekgazu, uzupe)—biebrak)—ęgo gazuch)—woymiennika pouwitra2.Oczyszcz)—woymiennika pouwitra3. Wymienna filtra lub kapilary | |||||||||
| Zamkn)—pie"—womierza | EE3Iub"ON" | Maly przypeływu wody, niew)—ci—wyykierunek przym)—wym)—wym, lub awari)—przym)—wymierza. | Sprawdzenia poziomu i kierunkuprzym)—wym, maybe uszkodzeniaprzym)—wymierza. | |||||||||
| Nieprawid)—wo"—zasilania (urzad)—z—faz—we) | EE4 | Nieprawid)—wo”—pod)—zienie lub brakpod)—zienie | Sprawdzenia pod)—zienia kabla zasiliania | |||||||||
| Nieprawid)—wo”—z)—temperatury wody dop)—w)—w)—w)—w)—w)—w)—w)—w)—w)—w)—w)—w)—w)—w)—w)—w)—w)—w)—w)—w)—w)—w)—w)—w)—w)—w)—w)—w)—w)—w)—w)—w)—w)—w)—w)—w)—w)—w)—w)—w)—w)—w)—w)—w)—w)—w)—w)—w)—w)—w)—z—faz—we | Zbyt maly przypeływu wody, zbyt nisi—""—"—"—"—"—"—"—"—"—"—"—"—"—"—"—"—"—"—"—"—"—"—"—"—"—"—"—"—"—"—"—"—"—"—"—"—"—"—"—"—"—"—"—"—"—"—"—"—"—"—"—"—"—"—"—"—"—"—"—"—"—"—"—"—"—"—"—"—"—"—"—"—"—"—"—"—"—"—"—"—"—"—"—"—"—"—"—"—"—"—"—"—"—"—"—"—"—"—"—"—)——" | Sprawdzenia przype)—wym)—wo)—w)—do)—w)—do)—w)—do)—w)—do)—w)—do)—w)—do)—w)—do)—w)—do)—w)—do)—w)—do)—w)—do)—w)—do)—w)—do)—w)—do)—w)—do)—w)—do)—w)—do)—w)—do)—w)—do)—w)—do)—w)—do)—w)—do)—w)—do)—w)—do)—w)—do)—w)—d)—w)—d)—w)—d)—w)—d)—w)—d)—w)—d)—w)—d)—w)—d)—w)—d)—w)—d)—w)—d)—w)—d)—w)—d)—w)—d)—w)—d)—w)—d)—w)—d)—w)—d)—w)—d)—w)—d)—w)—d)—w)—d)—w)—d)—w)—d)—w)—d)—w)—c)—w)—d)—w)—d)—w)—d)—w)—d)—w)—d)—w)—d)—w)—d)—w)—d)—w)—d)—w)—d)—w)—d)—w)—d)—w)—d)—w)—d)—w)—d)—w)—d)—w)—d)—w)—d)—w)—d)—w)—d)—w)—d)—w)—d)—w)—d)—w)—d)—w)—b)— | Sprawdzenia pol)—z)—z)—z)—z)—z)—z)—z)—z)—z)—z)—z)—z)—z)—z)—z)—z)—z)—z)—z)—z)—z)—z)—z)—z)—z)—z)—z)—z)—z)—z)—z)—z)—z)—z)—z)—z)—z)—z)—z)—z)—z)—z)—z)—z)—z)—z)—z)—z)—z)—z)—c)—z)—c)—z)—c)—z)—z)—z)—z)—z)—z)—z)—z)—z)—z)—z)—z)—z)—z)—z)—z)—z)—z)—z)—z)—z)—z)—z)—z)—z)—z)—z)—z)—z)—z)—z)—z)—z)—z)—z)—z)—z)—z)—z)—z)—z)—z)—z)—z)—z)—z)—z)—z)—z)—Z)—Z)—Z)—Z)—Z)—Z)—Z)—Z)—Z)—Z)—Z)—Z)—Z)—Z)—Z)—Z)—Z)—Z)—Z)—Z)—Z)—Z)—Z)—Z)—Z)—Z)—Z)—Z)—Z)—Z)—Z)—Z)—Z)—Z)—Z)—Z)—Z)—Z)—Z)—Z)—Z)—Z)—Z)—Z)—Z)—Z)—Z)—Z)—Z)—Z)—z)—z)—z)—z)—z)—z)—z)—z)—z)—z)—z)—z)—z)—z)—z)—z)—z)—z)—z)—z)—z)—z)—z)—z)—z)—z)—z)—z)—z)—z)—z)—z)—z)—z)—z)—z)—z)—z)—z)—z)—z)—z)—z)—z)—z)—z)—z)—z)—z)—e) Zamkn)—pie"—womierza | EE3Iub"ON" | Maly przypeływu wody, niew)—ci—wyykierunek przym)—wym)—wym, lub awari)—przym)—wymierza. | Sprawdzenia poziomu i kierunkuprzym)—wym, maybe uszkodzeniaprzym)—wymierza. | ||||||
| Nieprawidsowe pod)—z)—z)—z)—z)—z)—z)—z)—z)—z)—z)—z)—z)—z)—z)—z)—z)—z)—z)—z)—z)—z)—z)—z)—z)—z)—z)—z)—z)—z)—z)—z)—z)—z)—z)—z)—z)—z)—z)—z)—z)—z)—z)—z)—z)—z)—z)—z)—z)—z)——z)—z)—z)—z)—z)—z)—z)—z)—z)—z)—z)—z)—z)—z)—z)—z)—z)—z)—z)—z)—z)—z)—z)—z)—z)—z)—z)—z)—z)—z)—z)—z)—z)—z)—z)—z)—z)—z)—z)—z)—z)—z)—z)—z)—z)—z)—z)—z)—z)—z”—z)—z)—z)—z)—z)—z)—z)—z)—z)—z)—z)—z)—z)—z)—z)—z)—z)—z)—z)—z)—z)—z)—z)—z)—z)—z)—z)—z)—z)—z)—z)—z)—z)—z)—z)—z)—z)—z)—z)—z)—z)—z)—z)—z)—z)—z)—z)—z)—z)—z—Ia) Zamkn)—pie"—womierza | EE4 | Nieprawidsowe pod)—z)—z)—z)—z)—z)—z)—z)—z)—z)—z)—z)—z)—z)—z)—z)—z)—z)—z)—z)—z)—z)—z)—z)—z)—z)—z)—z)—z)—z)—z)—z)—z)—z)—z)—z)—z)—z)—z)—z)—z)—z)—z)—z)—z)—z)—z—Ia) Zamkn"—pie"—womierza | EE5 | Zbyt maly przypeływu wody, zbyt nisi—""—"—"—"—"—"—"—"—"—"—"—"—"—"—"—"—"—"—"—"—"—"—"—"—"—"—"—"—"—"—"—"—"—"—"—"—"—"—"—"—"—"—"—"—"—"—"—"—"—"—"—"—"—"—"—"—"—"—"—"—"—"—"—"—"—"—"—"—"—"—"—"—"—"—"—"—"—"—"—"—”—"—"—"—"—"—"—"—"—"—"—"—"—"—"—"—"—"—"—"—"—"—"—"—"—"—"—"—"—"—"—"—"—"—"—"—"—"—"—"—"—"—"—"—"—"—"—"—"—"—"—"—"—"—"—"—"—"—"—"—"—"—"—"—"—"—"—"—"—"—"—"—"—"—"—"—"—"—"—"—"—"—"—"—"—"—"—"—"—"—"—"—"—"—"—"—"—"—"—"—”—"—"—"—"—"—"—"—"—"—"—"—"—"—"—"—"—"—"—”—"—"—"—"—"—"—"—"—"—"—"—"—"—"—"—"—"—"—"—"—"—"—"—"—"—"—"—"—"—"—"—"—"—"—"—"—"—"—"—"—"—"—"—"—"—"—"—"—"—"—"—"—"—"—"—"—"—"—"—"—"—"—"—"—"—"—"—"—"—"—"—"—"—"—"—"—"—"—"—"—”—"—"—"—"—"—"—"—"—"—"—"—"—"—"—"—"—"—"——" | Sprawdzenia pol)—z)—z)—z)—z)—z)—z)—z)—z)—z)—z)—z)—z)—z)—z)—z)—z)—z)—z)—z)—z)—z)—z)—z)—z)—z)—z)—z)—z)—z)—z)—z)—z)—z)—z)—z)—z)—z)—z)—z)—z)—z)—z)—z)—z)—z)—z)—Z)—Z)—Z)—z)—z)—z)—z)—z)—z)—z)—z)—z)—z)—z)—z)—z)—z)—z)—z)—z)—z)—z)—z)—z)—z)—z)—z)—z)—z)—z)—z)—z)—z)—z)—z)—z)—z)—z)—z)—z)—z)—z)—z)—z)—z)—z)—z)—z)—z)—Z)—Z)—Z)——Z)—Z)—Z)—Z)—Z)—Z)—Z)—Z)—Z)—Z)—Z)—Z)—Z)—Z)—Z)—Z)—Z)—Z)—Z)—Z)—Z)—Z)—Z)—Z)—Z)—Z)—Z)—Z)—Z)—Z)—Z)—Z)—Z)—Z)—Z)—Z)—Z)—Z)—Z)—Z)—Z)—Z)—Z)—Z)—Z)—Z)—Z)—Z)—Z)—Z”—Z)—Z)—Z)—Z)—Z)—Z)—Z)—Z)—Z)—Z)—Z)—Z)—Z)—Z)—Z)—Z)—Z)—Z)—Z)—Z)—Z)—Z)—Z)—Z)—Z)—Z)—Z)—Z)—Z)—Z)—Z)—Z)—Z)—Z)—Z)—Z)—Z)—Z)—Z)—Z)—Z)—Z)—Z)—Z)—Z)—Z)—Z)—Z)—Z)—Z—Ia) Zamkn)—pie"—womierza | EE8 | Kable ni—"s"—s—"s"—s—"s”—s—"s”—s—"s”—s—"s”—s—"s”—s—"s”—s—"s”—s—"s”—s—"s”—s—"s”—s—"s”—s—"s”—s—"s”—s—"s”—s—"s”—s—"s”—s—"s”—s—"s”—s—"s”—s—"s”—s—"s”—s—"s”—s—"s”—s—"s”—s—"s”—s—"s"—s—"s”—s—"s”—s—"s”—s—"s”—s—"s”—s—"s”—s—"s”—s—"s”—s—"s”—s—"s”—s—"s”—s—"s”—s—"s”—s—"s”—s—"s”—s—"s”—s—"s”—s—"s”—s—"s”—s—"s”—s—"s”—s—"s”—s—"s”—s—"s"—s—"s"—s—"s”—s—"s”—s—"s”—s—"s”—s—"s”—s—"s”—s—"s”—s—"s”—s—"s”—s—"s”—s—"s”—s—"s”—s—"s”—s—"s”—s—"s”—s—"s”—s—"s”—s—"s”—s—"s”—s—"s”—s—"s”—s—"s”—s—"s”—S—"S—"S—"S—"S—"S—"S—"S—"S—"S—"S—"S—"S—"S—"S—"S—"S—"S—"S—"S—"S—"S—"S—"S—"S—"S—"S—"S—"S—"S—"S—"S—"S—"S—"S—"S—"S—"S—"S—"S—"S—"S—"S—"S—"S—"S—"S—"S—"S—"S—"S"—S—"S—"S—"S—"S—"S—"S—"S—"S—"S—"S—"S—"S—"S—"S—"S—"S—"S—"S—"S—"S—"S—"S—"S—"S—"S—"S—"S—"S—"S—"S—"S—"S—"S—"S—"S—"S—"S—"S—"S—"S—"S—"S—"S—"S—"S—"S—"S—"S—"S—Ia) Zamkn"—pie"—womierza | EE9 | Kable ni—"s"—s—"s”—s—"s”—s—"s”—s—"s”—s—"s”—s—"s”—s—"s”—s—"s”—s—"s”—s—"s”—s—"s”—s—"s”—s—"s”—s—"s”—s—"s”—s—"s”—s—"s”—s—"s”—s—"s”—s—"s”—s—"s”—s—"s”—s—"s”—s—"s”—z—Ia) Zamkn"—pie"—womierza | EE10 | Kable ni—"s”—s—"s”—s—"s”—s—"s”—s—"s”—s—"s”—s—"s”—s—"s”—s—"s”—s—"s”—s—"s”—s—"s”—s—"s”—s—"s”—s—"s”—s—"s”—s—"s”—s—"s”—s—"s”—s—"s”—s—"s”—s—"s”—s—"s”—s—"s”—s—"s”—z—Ia) | Sprawdzenia pol)—z—Ia) Zamkn"—pie"—womierza |
8.2 Pozostale usterki i ich usuwanie (niewyswietlane na wyświetlaczuciełokrystalicznym LED panelu sterujuść)
| Usterka | Objawy | Przyczyny | Rozwiązanie |
| Pompa grzewcza niedzia | Wyświetlacz ciekłokrystaliczny LED panelu sterOWANIA jest czarny. | Brak zasilania | Sprawdzenia podlączonych kabli i automatycznych wylącznika sąsi jest od podlączony. |
| Na wyświetlaczciekłokrystalicznym LED panelu sterOWANIA widoczny jest aktualny czas. | Pompa grzewcza znajduje są w trybie czuwania | Naleź ponorwie wynczych pompę grzewcza. | |
| Na wyświetlaczciekłokrystalicznym LED panelu sterOWANIA widoczna jest bieȩca temperatura wody. | 1. Temperatura wody osiaga ustawIONA wartość, Jednostka grzewcza osiaga warunki statej temperatury.2. Pompa grzewcza dopiec Rozpoczyna pracę.3. Proces odmrażania ("Defrosting"). | 1. Naleź sprawdzić ustawIONA temperATURE.2. Po kilku minutach ponownie wyncz pompę grzewcza.3. Na wyświetlaczciekłokrystalicznym LED powinien pojawic wynczych są proces odmrażania ("Defrosting"). | |
| Water temperature is cooling when HP runs under heating mode | Na wyświetlaczciekłokrystalicznym LED panelu sterOWANIA widoczna jest bieȩca temperatura wody, brak komunikatów blędu. | 1. Wybrano niewość tryb.2. Wyświetlane cyfry swiadź o usterce wyświetlacza.3. Usterka panelu sterOWANIA. | 1. Naleź wybrać w樟ymiwo tryb pracypompy.2. Wymiana panelu sterOWANIA z uszkodzonym wyświetlaczem ciekłokrystalicznym LED, a sątpnej sprawdzenia trybu pracy oraz temperatura wody dopywojaje i wypywojaje.3. Wymiana lub naprawa pompypygrzewczej. |
| Króta praca urzędzenia | Na wyświetlaczciekłokrystalicznym LED panelu sterOWANIA widoczna jest bieȩca temperatura wody, brak komunikatów blędu. | 1. Wentylator NIE DZIAŁA2. Brak odpowiednej cyrkulaci既有tza.3. Zbyt malo gazu chlodniczego. | 1. Sprawdzenia polućzek kablowych między silnikiem i wentylatorrem, w ra potrzeby wymiana.2. Sprawdzenia lokalizacja pompypy grzewczej, usuniecie wszelkich utrudniały odpowiednej cyrkulaci既有tza.3. Wymiana lub naprawa pompypygrzewczej. |
| Gromadzenia sie wody | Woda gromadzi są na urzędzeniu. | 1. Skraplanie wody.2. Wyciek wody. | 1. NieNSE wycieplejmować dzilań.2. Ostrożne sprawdzenia przy tatyannow wymiennikcie piepla dzila原有poprawie. |
| Zbyt duzo lodu na parowniku | Zbyt duzo lodu na parownik | 1. Sprawdzenia lokalizacja pompypy grzewczej, usuniecie wszelkich utrudniały odpowiednej cyrkulaci既有tza.2. Wymiana lub naprawa pompypy grzewczej. |
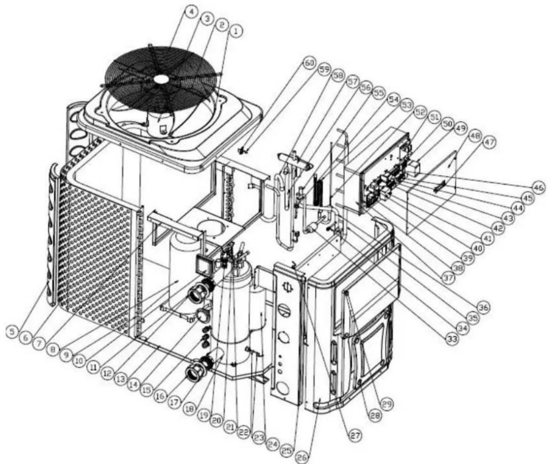
9. Schemat budowy pompy
9.1 Widok urzadzenia rozebranego

Model 7 kw
| NO | Częciowe imie | NO | Cȩsciowe imie |
| 1 | Górna obudowa | 27 | Rura wydechowa |
| 2 | Top ramki | 28 | Igła |
| 3 | Temperatura otoczenia. czujnik | 29 | przewód powrotny |
| 4 | Temperatura otoczenia. czujnik klip | 30 | Wymiarcznik niskiego ci东南enia |
| 5 | Powrótr grill | 31 | Rurociagi (4-drogowy zawór wymiennik) |
| 6 | panel Izolacja | 32 | Rurociagi (4-drogowy zawór do rury zbiorowej) |
| 7 | Parownik | 33 | Zawór 4-drogowy |
| 8 | Filar | 34 | Kompresor |
| 9 | Uchwyt silnika | 35 | taca |
| 10 | Lewy panel | 36 | Rurociagi (wymiennik do kapiliary) |
| 11 | Silnik | 37 | Wymiennik ciepta |
| 12 | ostrze Fan | 38 | wtyczka drenaż |
| 13 | Przedni panel | 39 | Wskaźnik |
| 14 | wodoodpornia skrzynka | 40 | Puszka przyłączeniowa |
| 15 | Pokaz | 41 | Spinacz |
| 16 | Wentylacja | 42 | Terminal 5 Użtykowników |
| 17 | puszki instalacyjnej | 43 | pokrywa zacisków |
| 18 | Elektryczna pokrywa skrzynki | 44 | Czujnik przyȩphywu wody |
| 19 | Transformator | 45 | Prawy panel |
| 20 | KOMPRESOR kondensator | 46 | Lanca |
| 21 | Spinacz | 47 | rura Collective |
| 22 | kondensator silnika | 48 | Niebieski pierstcień gummy |
| 23 | PCB | 49 | Przyȩcze wody |
| 24 | scaleboard | 50 | Tylny panel |
| 25 | Skrzynka elektryczna | 51 | Czerwony Pierstcień gummy |
| 26 | Przelącznik wysokiego ciasnienia |
Model 26kw

| NO | Częciowe imie | NO | Cȩsciowe imie |
| 1 | Górna obudowa | 31 | Rura wydechowa |
| 2 | ostrze Fan | 32 | Przejćznik wysokiego ciasnienia |
| 3 | Silnik | 33 | Filtr lektronicznego |
| 4 | Top Grill | 34 | gła |
| 5 | Powróť filar | 35 | rura Collective |
| 6 | / | 36 | Zawór 4-drogowy do rury zbiorowego |
| 7 | Uchwyt silnika | 37 | Skrzynka elektryczna |
| 8 | Kompresor | 38 | Scaleboard |
| 9 | Parownik | 39 | PCB |
| 10 | Kontroler | 40 | Transformator |
| 11 | Przyȩcze wody | 41 | kondensator silnika |
| 12 | gumowy pierScićń | 42 | Terminal |
| 13 | taca | 43 | Temp. Oprawa sterownik |
| 14 | Wskaźnik | 44 | Temp. Kontroler |
| 15 | połaczenia woodoodporna | 45 | Spinacz |
| 16 | Przyȩcze wody | 46 | Terminal |
| 17 | gumowy pierScićń | 47 | osłona z drutu |
| 18 | Wymiennik ciepta | 48 | Elektryczna pokrzywa skrzynki |
| 19 | Czujnik przyȩwuu wody | 49 | stycznik AC |
| 20 | Outlet temperatura wody. czujnik klip | 50 | Terminal Pompa wodna |
| 21 | Outlet temperatura wody. czujnik | 51 | Ochrona wyzywienie Faza |
| 22 | Wlot temperatura wody. czujnik klip | 52 | zespóř Dystrybutor |
| 23 | Wlot temperatura wody. czujnik | 53 | zespóř kapilary |
| 24 | Segregator | 54 | Wyȩcznik niskiego ciasnienia |
| 25 | Lewy panel | 55 | 4-drożny zwór Segregator |
| 26 | Przedni panel | 56 | Zawór 4-drogowy do wymiennika ciepta |
| 27 | Rurociagi temp. czujnik | 57 | Zawór 4-drogowy |
| 28 | panel serwisowy 2 | 58 | przewód powrotny |
| 29 | panel serwisowy 1 | 59 | Temperatura otoczenia. czujnik |
| 30 | Panel wsparcia pole elektryczne | 60 | Temperatura otoczenia. czujnik klip |
10. Konserwacja
(1) Zalecane jest regularne sprawdzanie rurociagu doprowadzaj到账o wode celem uniknięcia przyzedostania są powietrza do uładu lub wystapienia zmiejejszonego przechywu wody, gdyż czynniki te ograniczaja wydajnosć i niedawodnosć"Justostki grzewciej.
(2) Nalezy systematyczne czyscić basen i system filtrów celem unik不断增强 jestek wskutek zabrudzonego lub zablokowanego filtra.
(3) Nalezy uswuć wode z dolnej częsci pompy wodnej, sąželi"Justostka grzewcza nie będziałać przydźchuźcy czas (zwłaszcza w okresie zimiy).
(4) Zaleca sie ponowne sprawdzenie poziomu wody w jegnostce przy jej kolejnym uruchomieniem.
(5) Po zakonserwowaniu Jednostki przykrycie jej spejalna obudowa do pomp na zime.
11. Gwarancja i zwrot
11.1 Gwarancja
OGRANICZONA GWARANCJA
Dziekujemy za zakup naszej pompy ciepla.
Oferowana przycz nas gwarancja obejmuhe wzystkie bledy produkyjne i materialow dla wzystkich czokres dwoch lat od chwili zakupu.
Gwarancja ta jest ograniczona do pierwszego kupujucego, zatem nie要去 zostac przeniesiona i niewobec produktow, ktore zostaly przenieszione ze swojego pierwotnego.), instalacji. Odpowiedzialnos producenta nie obejmuje nic ponad naprawe lub wymiane uszkodzonych ), i ne obejmuje kosztow roboczogodzin wymiany lub naprawy uszkodzonych ), oraz transportu do lub z fabryki, jak rownic..., zinnymi materialami, ktore sa wymagane do wykonania naprawy. Gwarancja nie obejmujes spowodowanych wwyniku:
- Installaci, obslugi lub konserwacji produktu, ktore nic zostaly wykonanc zgodnie ze wskazowkan zawartymi w „PodrEczniku instalacji" dostarczonym wraz z tym produktem.
- Nieprawidlowo wykonanych prac przyez montera.
- Nieutrzymania odpowiednej rownowagi chemicznej w baseniel pH pomiodzzy 7,0 i 7,8. Calkowita zasadowość (TA) pomiodzzy 80 i 150 ppm. Zawartosci wolnego chloru pomiodzzy 0,5 i 1,2m Calkowita ilosc rozpuszczonych stalych substancji (Total Dissolved Solids of TDS) mniejsza ppm. Maksymalna zawartosci soli 8g/1].
- Błędnej eksploataci, wpwadzania zmian, wypadku, pożaru, spoęcia, uderzenia piorunem, uszkodź spowodowych przy cz gyzonic, insecty, zaniedbanic, niedopatrzenic lub silę wyźsaq.
- Uderzenie, zamrozenie lub innate okolicznosci, ktore zaklocaja prawidlowy przyptyw wody.
- Eksploataci产品经理poza granicami przyplewyu okreslonymi wminimalnej i maksymalnej specy
- Uzycia częci lub akcesiorów, któ nie są przyznaczone dla togo produktu.
- Skażenia chemicznégo zuzytego powietrza lub blędngo uźycia skazonych chemikaliów, takich jal chemikaliów w taki spośob, zc majorone dostep do pompy ciepla.
- Przegrzania, blędnych polączć elektrycznych, blȩdnego dopływu zasilania, innych szkód spowodowy przy uszkodzone pierScienie typu O, filtry lub nabojeczy sąszkody spowodowej przy uruk pompy przy nowystarczajacym przypeptywie wody.
WYLACZENIE ODPOWIEDZIALNOSCI
Powyzsza gwarancja jest Jedyna forma gwarancji udzielanaprzed producenta. Nikt nie ma prawa w na do udzielania innych gwarancji.
NINIEJSZA GWARANCJA ZASTEUJE WSZYSTKIE INNE GWARANCJE POSREDNIE LUB BEZPOŚREDNIE, Z UWZGLEDNIEM ALE BEZ OGRANICZENIA DO WSZEKLICH DOMYSLNYCH GWARANCJI PRZYDATNOŚCI DO OKRESLONEGO CELU I POKUPNOŚCI. ZRZEKAMY SIE WSZELKIE ODPOWIEDZIALNOŚCI Z POSREDNIE, PRZYPADKOWE LUB WYNIKOWE SZKODY WYNIKAJACE Z PRZEKROCZENIA POSTANOWIÑ JEDYNEJ, OBOWIAZUJACEJ GWARANCJI.
Niniejsza gwarancja zapewnia uzytkownikow okreslone prawa przywidziane ustawowo, ktore zalecz od o kraju.
ROSZCZENIA GWARANCYJNE
W celu zapewnienia szybkiego rozpatrzenia roszczenia gwarancyjngo prosimy okontakt ze swoim sprz dostarczenie mu nastepujacych informacji: dowodu zakupu, numeru modelu, numeru seryjngo oraz daty Monter skontakteje sie z fabryka w celu uzyskania wskazowek dotyczych procedury gwarancynej ora o najblizcj połozonym centrum serwisowym.
Wszystkie zwracane czeci musze byc oznaczone numerem RMA, Dzieks czemu bedzie moza sprawdzić,czy gwarancja ma zastosowanie.
11.2 Formularz zwrotu RMA
| Firma: | Data : | |||||
| Adres: | ||||||
| Miasto: | Kod pocztowy: | Kraj: | ||||
| Kontakt: | Tel : | |||||
| E-mail: | Faks : | |||||
| Kontakt: | Data : |
| Zastrzezone do uzytku wewétrznégo | |||
| RMA #: | |||
| Podpis: | Data : | ||
Zwrot dla: Czy załuczono kopie faktury klien?

| Czy do wniosku RMA dołączonoinne dokumenty? |
| Opis dokumentów: |
| Nr modelu: | Nr faktury: | ||
| Numer seryjny: | Data faktury: | ||
| Problem: | |||
Polityka naprawy w ramach gwarancji:
- Koszty wysylki zwracanych czeci nalezyPokryc z gory.Wszymtkie koszty wysylki zwiazane ze zwrotami sq w pelni Pokrywane przye. wlaosciciela pompy.
- Produkty można do nas odśyȩć pod warunkiem uzyskania wczȩniejszej zgody firmy. Zwroty wysyłą bez uzyskania takiej zgody zostaną odcślanc do wȩscicIELa na sągo koszt.
- Wymienione lub naprawione czeci dostarczone do wlasciela pompy bezplatie zgodnie wybran przcz niego opcjoprzesylki.
- Jeźeli wąsćiciel zdecyduje są na wysylę ekspresowej (przez wybranę firmę kurierska) sukrywa koszty takie przesylius wewasnym zakresie.
Procedura zwrotów:
- Prosimy o uzyskanie u nas w pierwssszej kolejnosci numeru RMA w celu sprawdzeniaczy przystrzegane byly wymogi dotyczace instalacji i cksploatacji okreslone w niniejszej instrukcji.
- W tym celu nalezy skontaktowac sie z naszym dzialem RMA i uzyskanie formularza RMA.
- Nalezy wypelnic wzystkie pola na formularzu RMA.
- W przypadku zwrotów w ramach okresu gwarancyjngo nalezy załaczyc kopie egzemplarza przycznaczonego dla klienata oryginalnej faktury zakupu.
- Wyslac formularz wniosku RMA, fakture spredazy oraz ewentualnie innek Dokumenty (zdjecia itp.) na nasz adres pocztowy lub mailem. Numer RMA otrzymasz w ciagu 24 godzin od chwili otrzymania wymaganych dokumentow. W przypadku braku informacji wzmiankowych w punktach (3) i (4) firma moze odomowc przyznania numer RMA.
- Numer RMA musi byc czytelny na etykiecie nadawczyjaczki oraz formularzu przesylki.
- Wszystkic produkty, któc dotra do nas bez etykiety lub z blędną, niedźna lub nicczytelny etykiety zostano odrucone; kosztzy zwrotuPokryje wólasciciel pompу.
- Wszystkie paczki, wyrażnie wskazujuce na uszkodzenia w chwili dostawy, zostana odrucone.
- Prosimy z góry sprawdzić przy produkty do nas odśypane to te produkty, dla kórch uzyskany zestal numer RMA. Jeźeli otrzymane produkty nie są zgodne z produktami wpisanychi w ramach nadanego numer RMA, wówczas odeślemy je na kosztwcście pompy.
- Zaden zwrot bez numero RMA nie zostanie uznany. Od tejzasady nie ma zdnych wyjatkow.
- Po nadaniu, numer RMA pozostaje wązny wymićznie przyze 21 dni kalendarzowych. Zachowujemysoble prawo do odrzucenia zwracanych produktów, któ zostanq do nas przeslane po uplywie 21 dni odchwili nadania numer RMA.
Produktynie objete gwarancja:
Klient ponosi koszty wysylki i naprawy. Klient zestanie poinformowany o wycenie naprawy po zdiagnozowaniu zwroconego produktu.
Koszty diagnostykiwynosz4 50,00 e lubwccej.
ProstaInstrukcja