545 II - Scie HUSQVARNA - Notice d'utilisation et mode d'emploi gratuit
Retrouvez gratuitement la notice de l'appareil 545 II HUSQVARNA au format PDF.
| Caractéristiques techniques | Scie à chaîne Husqvarna 545 II, moteur 50.1 cm³, puissance 2.6 kW, longueur de guide 15 pouces (38 cm). |
|---|---|
| Utilisation | Idéale pour les travaux d'abattage, d'élagage et de coupe de bois de chauffage. |
| Maintenance et réparation | Entretien régulier recommandé, y compris le nettoyage du filtre à air, la vérification de la chaîne et l'affûtage. |
| Sécurité | Équipée d'un frein de chaîne, d'un protège-main et d'un système anti-vibration pour une utilisation sécurisée. |
| Informations générales | Poids de 4.9 kg, niveau de bruit 114 dB(A), garantie de 2 ans pour un usage domestique. |
FOIRE AUX QUESTIONS - 545 II HUSQVARNA
Questions des utilisateurs sur 545 II HUSQVARNA
0 question sur cet appareil. Repondez a celles que vous connaissez ou posez la votre.
Poser une nouvelle question sur cet appareil
Téléchargez la notice de votre Scie au format PDF gratuitement ! Retrouvez votre notice 545 II - HUSQVARNA et reprennez votre appareil électronique en main. Sur cette page sont publiés tous les documents nécessaires à l'utilisation de votre appareil 545 II de la marque HUSQVARNA.
MODE D'EMPLOI 545 II HUSQVARNA
Manuel d'utilisation 41-79
Transport et stockage 74
Sécurité 43
Caractéristiques techniques. 74
Montage. 48
Accessoires 76
Utilisation. 49
Déclaration de conformité CE. 79
Entretien 61
Dépannage. 73
Utilisation prévue
Ce produit est conçu pour scier dans le bois.
Nous travaillons en permanence à l'amélioration de votre sécurité et de votre efficacité pendant l'utilisation. Pour davantage d'informations, contactez notre atelier d'entretien.
Remarque: La législation nationale peut imposer des limites à l'utilisation du produit.
Description du produit
Les HUSQVARNA 545 Mark II, 545G Mark II, 550 XP Mark II, 550 XPG Mark II sont des modèles de tronçonneuses équipées d'un moteur à combustion.
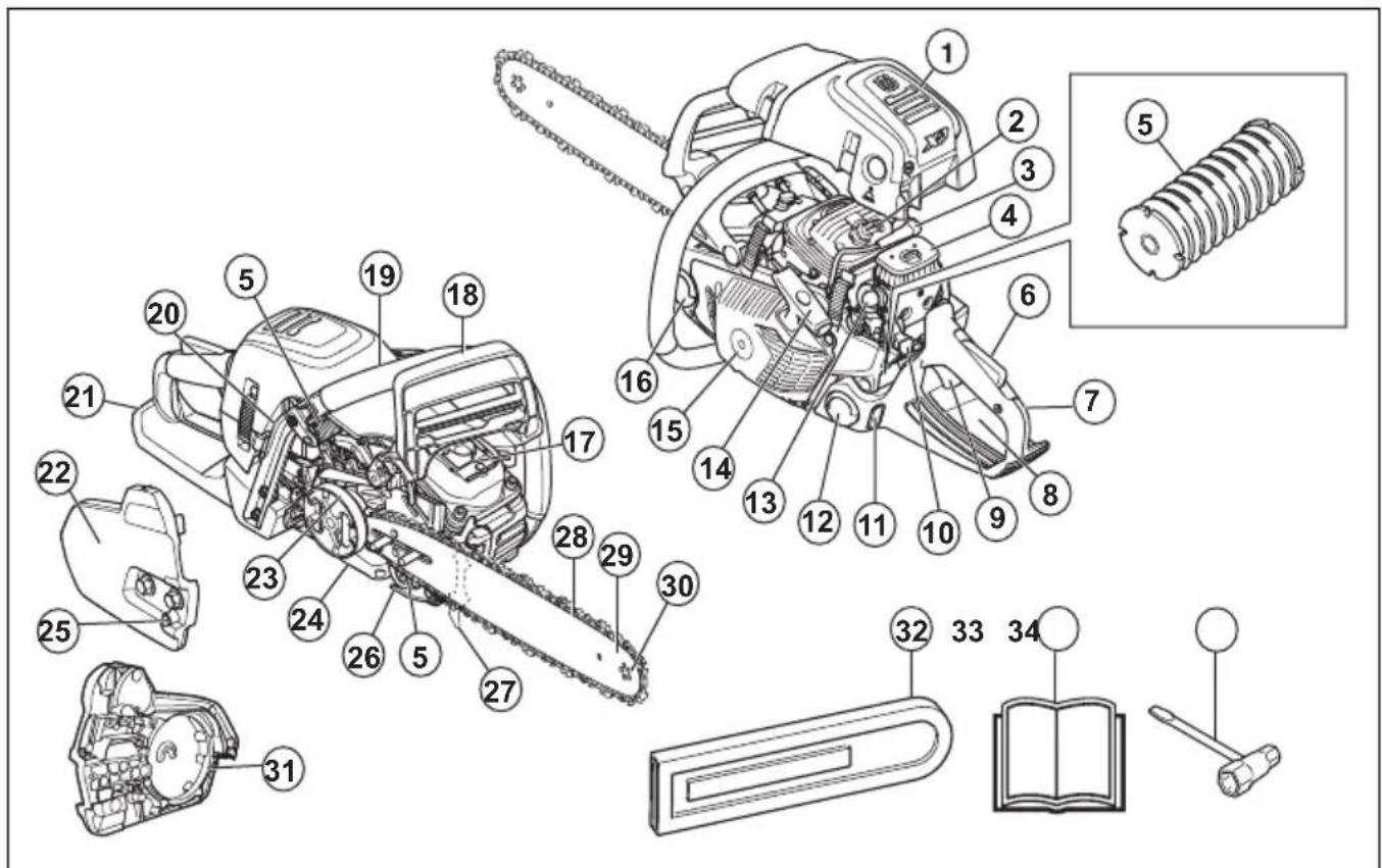
Aperçu du produit

- Capot de cylindre
- Bougie
- Chapeau de bougie
- Filtre à air
- Système anti-vibrations, 3 éléments
- Blocage de la gachette d'accélération
- Poignée arrête
- Autocollant d'information et d'avertissement
- Gachette d'accélération
- Interrupteur marche/arrêt
- Fenêtre de niveau de carburant
- Réservoir de carburant
- Poire de la pompe à carburant
- Poignée du câble du démarreur
- Corps du lanceur
- Réservoir d'huile pour chaîne
- Silencieux
- Frein de chaîne avec arceau protecteur
- Poignée avant
- Interrupteur de poignées chauffantes (545G Mark II, 550 XPG Mark II)
- Protection de la main droite
- Carter d'embrayage
- Tambour d'embrayage
- Vis de réglage de la pompe à huile
- Vis pour le réglage de la pompe à huile
- Attrape-chaine
- Patin d'ébranchage
- Chaine
- Guide-chaine
- Pignon avant
- Bande de frein
- Fourreau du guide-chaine
- Manuel de l'opérateur
- Clé mixte
Symboles concernant le produit

Arrêtez la machine.

Soyez prudent et utilisez le produit correctement. Ce produit peut causer des blessures graves, voire mortelles, à l'opérateur ou à d'autres personnes.

Lisez le manuel d'utilisation et assurez-vous de bien comprendre les instructions avant d'utiliser ce produit.

Portez toujours un casque de protection, des protège-oreilles et des protections pour les yeux homologuées.

Utilisez vos 2 mains pour manipuler le produit.

Ne laissez pas le nez du guide-chaine toucher un objet.

N'utilisez jamais le produit d'une seule main.

Avertissement! Un rebond peut se produire lorsque le nez du guide-chaine entre en contact avec un objet. Il se produit une réaction inverse et très rapide qui déplace le guide-chaine vers le haut et en direction de l'opérateur. Peut causer de graves blessures.

Ce produit est conforme aux directives CE en vigueur.

Émissions sonores dans l'environnement selon la directive européenne 2000/14/CE et la législation de la Nouvelle-Galles du Sud « Protection of the Environment Operations (Noise Control) Regulation 2017 ». L'étiquette de la machine et le chapitre Caractéristiques techniques contiennent des données sur les émissions sonores.

Frein de chaîne, serré (droite). Frein de chaîne, desserré (gauche).

Starter.

Poire de la pompe à carburant.

Réglage de la pompe à huile.

Carburant.

Huile de chaîne.

Ce symbole sur votre produit indique qu'il est équipé de poignées chauffantes.
Remarque : les autres symboles/autocollants présents sur le produit concernent des exigences de certification spécifiques à certains marchés.
Définitions de sécurité
Des avertissements, des recommandations et des remarques sont utilisés pour souligner des parties spécialement importantes du manuel.

AVERTISSEMENT: Symbole utilisé en cas de risque de blessures ou de mort pour l'opérateur ou les personnes à proximité si les instructions du manuel ne sont pas respectées.

REMARQUE: Symbole utilisé en cas de risque de dommages pour le produit, d'autres matériaux ou les environnements si les instructions du manuel ne sont pas respectées.
Remarque: Symbole utilisé pour donner des informations supplémentaires pour une situation donnée.
Instructions générales de sécurité

AVERTISSEMENT: Lisez les instructions qui suivent avant d'utiliser le produit.
- Une tronçonneuse utilisée de manière erronée ou négligente peut être un outil dangereux pouvant occasionner des blessures graves, voir mortelles. Il importe donc de lire attentivement et de bien assimiler le contenu de ce manuel d'utilisation.
- Ne modifiez jamais le produit sans l'autorisation du fabricant. N'utilisez pas un produit qui semble avoir été modifié par un tiers et utilisez uniquement des accessoires recommandés pour ce produit. Des modifications non autorisées et l'emploi d'accessoires non homologués peuvent provoquer des accidents graves, voire mortels, à l'utilisateur ou d'autres personnes.
- L'intérieur du silencieux contient des produits chimiques pouvant être cancérigènes. Évitez tout contact avec ces éléments si le silencieux est endommagé.
- Une inhalation prolongée des gaz d'échéppement du moteur, du brouillard d'huile de chaîne et des copeaux peut constituer un danger pour la santé.
- Ce produit génère un champ électromagnétique durant son fonctionnement. Ce champ peut, dans certaines circonstances, perturber le fonctionnement d'implants médicaux actifs ou passifs. Pour réduire le risque de blessures graves ou mortelles, les personnes portant des implants médicaux doivent consulter leur médecin et le fabricant de leur implant avant d'utiliser cet appareil.
- Les informations contenues dans ce manuel d'utilisation ne remplacent pas l'expérience et le savoir-faire d'un professionnel. En cas de doute ou de difficulté quant à l'utilisation de la machine, consultez un spécialiste. Contactez votre atelier d'entretien ou un utilisateur de tronconnière expérimenté. L'utilisateur doit éviter d'utiliser la machine s'il ne se sent pas suffisamment qualifié pour le travail à effectuer!
Consignes de sécurité pour le fonctionnement

AVERTISSEMENT: Lisez les instructions avant d'utiliser le produit.
- Avant d'utiliser ce produit, il convient de comprendre le phénomène de rebond et de savoir comment l'éviter. Reportez-vous à la section Informations sur le rebond à la page 51 pour connaître les instructions.
- N'utilise jamais un produit qui n'est pas en parfait état de marche.
- N'utilise jamais un produit représentant des dommages visibles sur le capuchon de bougie et sur le câble d'allumage. Des étincelles pourraient être générées et provoquer un incendie.
- N'utilisez jamais le produit si vous êtes fatigué, avez consommé de l'alcool ou pris des médicaments susceptibles d'affecter votre vue, votre jugement ou la maîtrise de votre corps.
- N'utilisez pas le produit par mauvais temps : brouillard épais, pluie diluvienne, vent violent, grand froid, etc. Travailler par mauvais temps est cause de
fatigue et peut même être dangereux : sol glissant, direction de chute d'arbre modifiée, etc.
- Ne démarrez jamais un produit si le guide-chaine, la chaîne et tous les capots ne sont pas correctement montés. Reportez-vous à la section Montage à la page 48 pour connaître les instructions. Si ni le guide-chaine ni la chaîne ne sont fixés au produit, l'embrayage peut se détacher et causer des blessures graves.

- Ne mettez jamais le produit en marche à l'intérieur. Les gaz d'échappement du moteur sont nocifs.
- Les gaz d'échappement du moteur sont très chauds et peuvent contenir des étincelles pouvant provoquer un incendie. Ne démarrez jamais l'appareil à proximité de matériaux inflammables! Assurez-vous que la zone de travail est bien dégagée et qu'aucune personne et aucune animal ne risquent d'entrer en contact avec l'équipement de coupe, ou d'altérer le contrôle que vous avez du produit.
- Ne laissez jamais des enfants utiliser le produit ou s'en approcher. Le produit est équipé d'un interrupteur marche/arrêt à détente et peut être démarré par une activation à faible vitesse et de faible puissance de la poignée du lanceur; dans certaines circonstances, de jeunes enfants peuvent produire la force nécessaire au démarrage du produit. Ceci peut entraîner un risque de graves blessures corporelles. Retirez donc le chapeau de bougie lorsque le produit n'est pas sous surveillance.
- Afin de conserver le contrôle du produit, maintenez toujours une position stable. Ne travaillez jamais sur une échelle, dans un arbre ou sur tout autre support ne garantissant pas une bonne sécurité.

- Par manque d'attention, la zone de rebond d'une buse du guide peut buter sur une souche, un rondin, une
branche ou un arbre voisin et occasionner un rebond.

- N'utilisez jamais le produit en ne le tenant que d'une main. Il n'est pas possible de contrôler correctement ce produit d'une seule main. Tenez toujours le produit à deux mains. Tenez la main droite sur la poignée arrière et la main gauche sur la poignée avant. Tous les utilisateurs, droitiers et gauchers, doivent la tenir ainsi. Saisissez fermement la poignée du produit avec les pouces et les autres doigts. Une prise solide réduit les risques de rebond et aide à mieux contrôler le produit. Ne pas lâcher les poignées!

- N'utilisez jamais le produit au-dessus de la hauteur des épaules.

N'utilisez jamais le produit sans avoir la possibilité d'appeler à l'aide en cas d'accident. - Avant de déplacer votre produit, coupez le moteur et bloquez la chaîne avec le frein de chaîne. Transportez le produit en orientant le guide-châne et la chaîne vers l'arrière. Pour un transport plus long, remettez le fourreau du guide-châne. - Quand vous posez le produit par terre, bloquez la chaîne avec le frein de chaîne et vérifiez bien le produit. Coupez toujours le moteur en cas de « stationnement » prolongé. - Des copeaux se coincent parfois dans le carter de l'embrayage, ce qui bloque la chaîne. Arrêtez toujours le moteur avant de procéder au nettoyage.
- Faire tourner un moteur dans un local fermé ou mal aéré peut causer la mort par empoisonnement au monoxyde de carbone.
- Les gaz d'échappement du moteur sont très chauds et peuvent contenir des étincelles pouvant provoquer un incendie. Ne démarrez pas le produit dans un local clos ou à proximité de matériaux inflammables.
- Utilisez le frein de chaîne comme un frein de stationnement lorsque vous démarrez le produit et lorsque vous le déplacez sur de courtes distances. Portez toujours le produit par la poignée avant. Cela réduit le risque que vous ou une personne à proximité soyez blessé par la chaîne.
- Une exposition excessive aux vibrations peut entraîner des troubles circulatoires ou nerveux chez les personnes sujettes à des troubles cardiovasculaires. Consultez un médecin en cas de symptômes liés à une exposition excessive aux vibrations. De tels symptômes peuvent être : engourdissement, perte de sensibilité, chatouillements, picotements, douleur, faiblesse musculaire, décoloration ou modification épidermique. Ces symptômes affectent généralement les doigts, les mains ou les poignets. Ces symptômes peuvent être accentués par le froid.
- Il est impossible de prévoir toutes les situations que vous pouvez rencontrer lorsqu vous utilisez ce produit. Soyez toujours prudent et utilisez votre bon sens. Évitez les situations que vous n'êtes pas sur de maîtriser. Si, après avoir lu ces instructions, vous n'êtes toujours pas sûr de la procédure à suivre, demandez conseil à un expert avant de poursuivre. N'hésitez pas à prendre contact avec votre revendeur ou avec Husqvarna si vous avez des questions sur l'utilisation du produit. Nous sommes à votre disposition et vous conseillerons avec plaisir pour vous aider à utiliser votre produit en toute sécurité et de façon efficace. N'hésitez pas à suivre une formation sur l'utilisation des tronçonneuses. Notre revendeur, votre établissement de formation forestière et votre bibliothèque peuvent vous renseigner sur le matériel de formation et les cours disponibles.

Équipement de protection individuelle

AVERTISSEMENT: Lisez les instructions qui suivent avant d'utiliser le produit.

- La plupart des accidents surviennent quand la chaîne de la tronçonneuse touche l'opérateur. Utilisez impérativement un équipement de protection individuel homologué pendant le fonctionnement. L'équipement de protection individuel ne protège pas complètement des blessures, mais il diminue la gravité des blessures en cas d'accident. Contactez votre atelier d'entretien pour obtenir des recommandations sur l'équipement à utiliser.
- Portez des vêtements près du corps qui n'entravent toutefois pas vos mouvements. Vérifiez régulièrement l'état de votre équipement de protection individuel.
- Utilisez un casque de protection homologué.
- Utilisez des protège-oreilles agréés. Une exposition prolongée au bruit risque de causer des lésions auditives permanentes.
- Utilisez des lunettes de protection ou une visière faciale pour vous protégger d'une éventuelle projection d'objets. Le produit peut projeter des objets tels que des copeaux de bois, des petits morceaux de bois, etc., avec une force importante. Il peut en résulter des blessures graves, surtout au niveau des yeux.
- Utilisez des gants de protection anti-chaîne.
- Utilisez des pantalons de protection anti-châine.
- Utilisez des bottes de protection anti-chaine avec embout acier et semelle antidérapante.
- Prévoyez toujours une trousse de premiers secours.
- Risque d'étincelles. Veillez à toujours disposer de dispositifs extincteurs et d'une pelle pour prévenir les yeux de Forêt.
Dispositifs de sécurité sur le produit

AVERTISSEMENT: Lisez les instructions qui suivent avant d'utiliser le produit.
- N'utilisez pas un produit avec des dispositifs de sécurité défectueux.
- Contrôlez les dispositifs de sécurité régulièrement. Reportez-vous à la section Entretien et contrôle des dispositifs de sécurité du produit à la page 63.
- Si les dispositifs de sécurité sont défectueux, parlez-en à votre atelier d'entretien HUSQVARNA.
Frein de chaîne avec ariceau protecteur
Votre produit est équipé d'un frein de chaîne qui arrête la chaîne en cas de rebond. Le frein de chaîne réduit le risque d'accident, mais seul l'utilisateur peut les prévenir.
Le frein de chaîne (A) est serré manuellement (de la main gauche) ou automatiquement, par la fonction d'inertie. Poussez la protection anti-rebond (B) vers l'avant pour serrer le frein de chaîne manuellement.

Tirez la protection anti-rebond vers l'arrière pour desserrer le frein de chaîne.

Blocage de la gachette d'accélération
Le blocage de la gachette d'accélération empêche toute activation accidentelle de cette dernière. Placez-vous main dans la poignée et appuyez sur le blocage de la gachette d'accélération (A) pour libérer la gachette (B). Relâchez la poignée pour remettre la gachette d'accélération et son blocage en position initiale. Cette fonction bloque la gachette d'accélération au régime de ralenti.

Attrape-chaine
L'attrape-chaine attrape la chaîne si elle casse ou déraille. Une chaîne correctement tendue et un entretien
approprié de la chaîne et du guide-chaine diminuent le risque d'accident.

Protection de la main droite
La protection de la main droite est une protection pour votre main sur la poignée arrière. La protection de la main droite vous protège si la chaîne se casse ou déraille. La protection de la main droite vous protège également des branches ou des brindilles.

Système anti-vibrations
Le système anti-vibrations réduit les vibrations dans les poignées. Les dispositifs anti-vibrations agissent comme une séparation entre le corps du produit et les poignées.
Reportez-vous à la section Aperçu du produit à la page 41 pour connaître l'emplacement du système anti-vibrations sur votre produit.
Interrupteur marche/arrêt
Utilisez l'interrupteur marche/arrêt pour arrêter le moteur.


AVERTISSEMENT: Le bouton marche/arrêt revient automatiquement à la position marche. Afin d'éviter tout démarrage accidentel, retirez le capuchon de la bougie d'allumage lors du montage ou de l'entretien du produit.

Silencieux

AVERTISSEMENT: Le silencieux devient très chaud pendant/après utilisation et au régime de ralenti. Il existe un risque d'incendie, rundout lorsqu'you utilisez le produit à proximate de matériaiaux inflammables et/ou de vapeurs.

AVERTISSEMENT: n'utilisez jamais un produit dont le silencieux est absent ou defectueux. Un silencieux en mauvais état peut augmenter le niveau sonore et le risque d'incendie. Gardez des dispositifs extincteurs à proximité. N'utilisez pas un produit sans une grille antiflamme ou avec une grille antiflamme cassée si vous devez-disposer d'une grille antiflamme dans votre région.
Le silencieux est conçu pour réduire au maximum le niveau sonore et rejeter les gaz d'échappement loin de l'utilisateur. Dans les régions chaudes et sèches, le risque d'incendie est élevé. Respectez les réglementations locales ainsi que les instructions d'entretien.

Sécurité carburant

AVERTISSEMENT: Lisez les instructions avant d'utiliser le produit.
- Veillez à une bonne aération lors du remplissage et du mélange de carburant (essence et huile deux temps). Le carburant et les vapeurs de carburant sont très inflammables et peuvent causer des blessures graves en cas d'inhalation ou de contact avec la peau. Il convient donc d'observer la plus grande prudence lors de la manipulation du carburant et de veiller à disposer d'une bonne aération.
- Observez la plus grande prudence en manipulant le carburant et l'huile de chaîne. Pensez au risque d'explosion, d'incendie ou d'empoisonnement.
- Ne fumez jamais ni ne placez d'objet chaud à proximité du carburant.
- Arrêtez le moteur et laissez-le refroidir pendant quelques minutes avant de faire le plein.
- Ouvrez le bouchon du réservoir lentement pour laisser échapper la pression pouvant régner dans le réservoir.
- Serrer soigneusement le bouchon du réservoir après le remplissage.
- Ne jamais effectuer le remplissage de la machine lorsque le moteur tourne.
- Positionnez toujours le produit à au moins 3 m (10 pi) de la zone et de la source du replissage avant de le mettre en marche.

Après le remplissage, il existe quelques situations où vous ne devez jamais démarrer le produit :
- Si du carburant ou de l'huile de chaîne ont été répandus sur le produit. Essuyez soignement toute trace et laissez les restes d'essence s'évaporer.
- Si vous avez renversé du carburant sur vous ou sur vos vêtements. Changez de vêtements et lavez les parties du corps qui ont été en contact avec le carburant. Utilisez de l'eau et du savon.
- En cas de fuite de carburant. Vérifiez régulièrement que le réservoir de carburant, le bouchon du réservoir et les conduites de carburant ne fuient pas.
Consignes de sécurité pour l'entretien

AVERTISSEMENT: Lisez les instructions qui suivent avant d'effectuer l'entretien du produit.
- Effectuez uniquement les travaux de maintenance et d'entretien décrits dans ce manuel d'utilisation. Laissez le personnel d'entretien professionnel effectuer tous les autres travaux d'entretien et de réparation.
- Effectuez régulièrement les contrôles de sécurité et appliquez les instructions de maintenance et d'entretien indiquées dans ce manuel. Une maintenance régulière augmente la durée de vie utile du produit et réduit le risque d'accident. Reportez-vous à la section Entretien à la page 61 pour connaître les instructions.
- Si les contrôles de sécurité décrits dans ce manuel d'utilisation ne sont pas approuvés après que vous avez effectué les travaux de maintenance, contactez votre atelier d'entretien. Nous garantissons la disponibilité d'un service de réparation et d'entretien professionnel pour votre produit.
Consignes de sécurité relatives à l'équipement de coupe

AVERTISSEMENT: Lisez les instructions qui suivent avant d'utiliser le produit.
- Utilisez uniquement des combinaisons guide-chaine/chaine et des équipements d'affutage homologues. Reportez-vous à la section Equipement et angles d'affutage à la page 77 pour connaître les instructions.
- Portez des gants de protection lorsque vous utilisez ou procédez à la maintenance de la chaîne. Une chaîne immobile peut également provoquer des blessures.
- Veillez à ce que les dents de coupe restent correctement affûtées. Respectez les instructions et utilisez la jauge de profondeur recommandée. Une chaine endommagée ou mal affûtée augmente le risque d'accident.

- Veillez à travailler avec un réglage de jauge de profondeur correct. Respectez les instructions et utilisez le réglage de jauge de profondeur recommandé. Un réglage de jauge de profondeur trop important augmente le risque de rebond.

- Vérifiez que la chaine de sciage est bien tendue. Si la chaine n'est pas bien plaquée contre le guide-chaine, elle peut dérailler. Une mauvaise tension de la chaine augmente l'usure du guide-chaine, de la chaine et du pignon d'entrainment. Reportez-vous à la section Pour régler la tension de la chaine à la page 69.


- Entretenez régulièrement l'équipement de coupe et veillez à ce qu'il reste correctement lubrifié. Si la chaine n'est pas correctement lubrifiée, le risque d'usure du guide-chaine, de la chaine et du pignon d'entrainment augmente.

Montage

AVERTISSEMENT: Assurez-vous de lire et de comprendre le chapitre dédié à la sécurité avant de monter l'appareil.
Pour monter le guide-chaine et la chaîne de sciage
- Déplacez la protection de la poignée avant vers l'arrière pour desserrer le frein de chaîne.
- Retirez les écrous du guide-chaine et le carter de l'embrayage.
Remarque: si le carter d'embrayage est difficile à retirer, serrez l'écrou du guide-châne, serrez le frein de châne, puis desserrez-le. Vous entendez un click lorsqu'il est desserré correctement.
- Montez le guide-chaine sur les boulons de guide-chaine. Déplacez le guide-chaine dans sa position la plus en arrière possible.
- Installez la chaîne correctement autour du pignon d'entraînement et placez-la dans la rainure du guide-chaîne.

AVERTISSEMENT: Portez toujours des gants de protection lorsque vous montez la chaîne.
- Assurez-vous que le bord tranchant des dispositifs de coupe est dirigé vers l'avant sur le dessus du guide-chaine.

- Alignez l'orifice avec le guide-chaine grâce à la goupille de réglage de la chaîne, puis installez le carter d'embrayage.

- Serrez les écrous du guide à la main.
- Serrez la chaîne. Reportez-vous à la section Pour régler la tension de la chaîne à la page 69 pour connaître les instructions.
- Serrez les écrous du guide.
Remarque : certains modèles ne possèdent qu'un seul écrou de guide-chaine.
Utilisation

AVERTISSEMENT: Assurez-vous de lire et de comprendre le chapitre dédié à la sécurité avant d'utiliser l'appareil.
Pour effectuer un contrôle du fonctionnement avant d'utiliser le produit
- Vérifiez que le frein de chaîne fonctionne correctement et qu'il n'est pas endommagé.
- Vérifiez que la protection de la main droite n'est pas endommagée.
- Vérifiez que le blocage de l'accélération fonctionne correctement et qu'il n'est pas endommagé.
- Vérifiez que l'interrupteur marche/arrêt fonctionne correctement et qu'il n'est pas endommagé.
- Vérifiez qu'il n'y a pas d'huile sur les poignées.
- Vérifiez que le système anti-vibrations fonctionne correctement et qu'il n'est pas endommagé.
- Vérifiez que le silencieux est bien fixé et qu'il n'est pas endommagé.
- Vérifiez que toutes les pièces sont bien fixées et qu'elles ne sont pas endommagées ou manquantes.
- Vérifiez que l'attrape-chaine est fixé correctement.
- Effectuez un contrôle de la tension de la chaîne.

Carburant
Ce produit est équipé d'un moteur à deux temps.

REMARQUE: L'utilisation d'un type de carburant inadéquat peut endommager le moteur. Utilisez un mélange d'essence et d'huile deux temps.
Carburant prémélange
- Utilisez Husqvarna un carburant alkylate premélange pour des performances optimales et une plus longue durée de vie du moteur. Ce carburant contient des produits chimiques moins dangereux par rapport au carburant normal, ce qui réduit la quantité de gaz d'échappement dangereux. Ce carburant génère une faible quantité de résidus, ce qui permet de garder les composants du moteur propres plus longtemps.
Essence
Utilisez une essence sans plomb de bonne qualité avec un maximum de 10% d'éthanol.

REMARQUE: n'utilisez pas d'essence avec un indice d'octane inférieur à 90 RON/87 AKI. L'utilisation d'une essence d'un indice d'octane inférieur peut entraîner des cognements, et donc endommager le moteur.
Huile deux temps
- Pour un résultat et un fonctionnement optimaux, utilisez de l'huile deux temps Husqvarna.
- Si l'huile deux temps Husqvarna n'est pas disponible, utilisez une huile deux temps de haute qualité pour moteurs refroidis à l'air. Contactez votre atelier d'entretien pour sélectionner l'huile appropriée.

REMARQUE: N'utilisez pas d'huile deux temps pour les moteurs hors-bord refroidis par eau (huile outboard). N'utilisez pas d'huile pour moteurs à quatre temps.
Pour mélanger l'essence et l'huile deux temps
| Essence, en litres Huile deux | temps, en litres |
| 2 % (50:1) | |
| 5 0,10 | |
| 10 0,20 | |
| 15 0,30 |
20 0,40
REMARQUE: lorsque vous mélangez de faibles quantités de carburant, de petites erreurs peuvent influer considérablement sur le rapport de mélange. Mesurez soigneusement la quantité d'huile et assurez-vous que vous obtenez le mélange correct.



- Remplissez la moitié de la quantité d'essence dans un récipient propre et adapté pour l'essence.
- Ajoutez la quantité totale d'huile.
- Mélangez en secouant le mélange de carburant.
- Ajoutez le reste de l'essence dans le récipient.
- Mélangez avec précaution en secouant le récipient.

REMARQUE: Ne mélangez jamais plus d'un mois de carburant à chaque fois.
Pour remplir le réservoir de carburant

AVERTISSEMENT: Respectez la procédure suivante pour toute sécurité.
- Arrêtez le moteur et laissez-le refroidir.
- Essuyez le pourtour du bouchon du réservoir de carburant.

- Secouez le conteneur et assurez-vous que le carburant est complètement mélangé.
- Déposez lentement le couvercle du réservoir de carburant pour relâcher la pression.
- Remplissez le réservoir de carburant.

REMARQUE: Assurez-vous qu'il n'y a pas de trop de carburant dans le réservoir de carburant. Le carburant se dilate lorsqu'il devient chaud.
- Serrez soigneusement le bouchon du réservoir de carburant.
- Nettoyez tout déversement de carburant sur et autour du produit.
- Positionnez le produit à au moins 3 m/10 pi de la zone et de la source du remplissage avant de démarrer le moteur.
Remarque: Pour connaître l'emplacement du réservoir de carburant sur votre produit, reportez-vous à la section Aperçu du produit à la page 41.
Pour effectuer un rodage
- Au cours des 10 premières heures de fonctionnement, ne faites pas tourner le produit à bas régime sans charge sur des périodes prolongées.
Pour utiliser l'huile de chaîne appropriée

AVERTISSEMENT: n'utilise pas de l'huile usagée, susceptible de provoquer des blessures graves et de nuire gravement à l'environnement. L'huile usagée peut aussi endommager la pompe à huile, le guidechaine et la chaîne.

AVERTISSEMENT: la chaîne peut ralentir si l'équipement de coupe n'est pas suffisamment lubrifié. Risque de blessures graves, voire mortelles, pour l'opérateur.

AVERTISSEMENT: ce produit doit normalement utiliser tout le carburant avant d'être à court d'huile de chaîne. Pour que cette fonction soit opérationnelle, utilisez l'huile de chaîne appropriée. Adressez-vous à votre atelier d'entretien lorsque vous sélectionnez votre huile de chaîne.
- Utilisez de l'huile de chaîne Husqvarna pour optimiser la durée de vie de la chaîne et éviter de nuire à l'environnement. Si l'huile de chaîne Husqvarna n'est pas disponible, nous vous recommandons d'utiliser une huile de chaîne ordinaire.
- Utilisez une huile de chaîne qui adhère bien à la chaîne.
- Utilisez une huile de chaîne dont la viscosité est adaptée à la température de l'air.

REMARQUE: si l'huile est trop fluide, le réservoir d'huile se vide avant le réservoir de carburant. À des
températures inférieures à 0 °C (32 °F), certaines huiles de chaîne s'épaississent trop, ce qui peut endommager les composants de la pompe à huile.
- Utilisez les équipements de coupe recommandés. Reportez-vous à la section Accessoires à la page 76.
- Retirez le bouchon du réservoir d'huile de chaîne.
- Remplissez le réservoir d'huile de chaîne avec de l'huile de chaîne.
- Serrez bien le bouchon.

Remarque: Pour connaître l'emplacement du réservoir d'huile de chaîne sur votre produit, reportez-vous à la section Aperçu du produit à la page 41.
Informations sur le rebond

AVERTISSEMENT: un rebond peut causer des blessures graves, voire mortelles, à l'opérateur ou à d'autres personnes. Afin de réduire ce risque, vous devez connaître les causes du rebond et savoir comment les éviter.
Un rebond se produit lorsque la zone de rebond du guide-chaine touche un objet quelconque. Un rebond peut être soudain et fort et projeter le produit vers l'opérateur.

Le rebond se produit toujours dans le plan du guide-chaine. Généralement, le produit est projeté contre l'opérateur, mais il peut aussi se déplacer dans une autre direction. C'est la façon dont vous utilisez le
produit au moment du rebond qui détermine le sens du déplacement.

Un rayon du nez de guide-chaine plus petit diminue la force du rebond.
Utilisez une chaîne à faible rebond pour réduire les effets de rebond. Ne laissiez la zone de rebond entre en contact avec chaque objet.

AVERTISSEMENT: aucune chaine ne permet d’empêcher complètement le rebond. Respectez toujours les instructions.
Questions fréquentes concernant le rebond
- Ma main serre-t-elle toujours le frein de chaîne en cas de rebond ?
Non. Il est nécessaire d'appliquer une certaine force pour pousser la protection anti-rebond vers l'avant. Si vous n'appliquez pas la force nécessaire, le frein de chaîne ne sera pas serré. Vous devez également tenir les poignées du produit à deux mains pendant le travail afin qu'elles restent stables. En cas de rebond, il est possible que le frein de chaîne ne parvienne pas à arrêter la chaîne avant qu'elle ne vous touche. De plus, certaines situations vous empêchent de toucher la protection anti-rebond pour serrer le frein de chaîne.
- La fonction d'inertie serre-t-elle toujours le frein de chaîne en cas de rebond ?
Non. Premièrement, le frein de chaîne doit fonctionner correctement. Reportez-vous à la section Entretien et contrôle des dispositifs de sécurité du produit à la page 63 pour des instructions de contrôle du frein de chaîne. Nous vous recommandons de procéder à ce contrôle avant chaque utilisation du produit. Ensuite, la force du rebond doit également être suffisamment élevée pour serrer le frein de chaîne. Si le frein de chaîne est trop sensible, il peut se serrer lorsque vous utilisez le produit pour des travaux difficiles.
- Le frein de chaîne me protège-t-il toujours des blessures en cas de rebond ?
Non. Le frein de chaîne doit fonctionner correctement pour offrir une protection. Le frein de chaîne doit également être serré en cas de rebond pour arrêter la chaîne. Si vous vous trouvez à proximité du guide-chaîne, il est possible que le frein
de chaîne n'ait pas le temps d’arrêter la chaîne avant qu’elle ne vous touche.

AVERTISSEMENT: Vous seul, en ayant la bonne méthode de travail, pouvez empêcher les rebonds.
Pour préparer le démarrage avec un moteur froid

AVERTISSEMENT: Pour réduire le risque de blessures, le frein de chaîne doit être serré au démarrage du produit.
- Déplacez la protection anti-rebond vers l'avant pour serrer le frein de chaîne.

- Tirez l'interrupteur marche/arrêt (A) vers vous puis vers le haut pour le mettre en position de démarriage.
- Appuyez environ 6 fois sur la poire de la pompe à carburant (B) ou jusqu'à ce qu'elle commence à se remplir de carburant. Il n'est pas nécessaire de remplir entièrement la poire de la pompe à carburant.

- Passez à la section "Pour démarrer le produit" à la page 53 pour avoir des instructions supplémentaires.
Pour préparer le démarrage avec un moteur chaud

AVERTISSEMENT: Pour réduire le risque de blessures, le frein de chaîne doit être serré au démarrage du produit.
- Déplacez la protection anti-rebond vers l'avant pour serrer le frein de chaîne.

- Tirez l'interrupteur marche/arrêt (A) vers vous puis vers le haut pour le mettre en position de démarriage.
- Appuyez environ 6 fois sur la poire de la pompe à carburant (B) ou jusqu'à ce qu'elle commence à se remplir de carburant. Il n'est pas nécessaire de remplir entièrement la poire de la pompe à carburant.
- Appuyez sur l'interrupteur marche/arrêt (C) pour régler le ralenti accéléré.


- Passez à la section Pour démarrer le produit à la page 53 pour avoir des instructions supplémentaires.
Pour démarrer le produit

AVERTISSEMENT: veillez à garder vos pieds dans une position stable lorsque vous démarrez le produit.

AVERTISSEMENT: si la chaîne tourne au régime de ralenti, parlez-en à votre atelier d'entretien et n'utilisez pas le produit.
- Placez le produit au sol.
- Tenez la poignée avant de la main gauche.
- Placez le pied droit dans le repose-pied sur la poignée arrière.
- Tirez lentement la poignée du câble du démarreur avec la main droite jusqu'à sentir une résistance.

AVERTISSEMENT: N'enroulez pas le câble du démarreur autour de votre main.
- Tirez la poignée du câble du démarreur avec force.


REMARQUE: ne tirez pas complètement sur le cable du démarreur et ne lâchez pas la poignée du cable du démarreur. Cela peut endommager le produit.
Si vous démarrez votre produit avec un moteur froid, tirez la poignée du câble du démarreur jusqu'à ce que le moteur démarre.
Remarque : vous savez que le moteur démarre lorsque vous entendez un « soufflement »
b) Désengagez le starter.
- Tirez la poignée du câble du démarreur jusqu'à ce que le moteur démarre.
- Desserrez rapidement le blocage de la gachette d'accélération pour placer le produit au régime de ralenti.

- Déplacez la protection de la poignée avant vers l'arrière pour desserrer le frein de chaîne.

- Utilisez l'appareil.
Pour arrêter le produit
- Appuyez sur le bouton de marche/arrêt pour arrêter le moteur.

Méthode tirée et méthode poussée
Vous pouvez couper le bois avec le produit dans 2 positions différentes.
- La méthode tirée consiste à couper à l'aide de la partie inférieure du guide-chaine. La chaine est tirée à travers l'arbre pendant la coupe. Dans cette position, vous avez un meilleur contrôle du produit et du positionnement de la zone de rebond.

- La méthode poussée consiste à couper à l'aide de la partie supérieure du guide-chaine. La chaine pousse le produit vers l'opérateur.


AVERTISSEMENT: si la chaine se coince dans le tronc, le produit peut être repoussé vers vous. Maintenez fermement le produit et assurez-vous que la zone de rebond du guide-chaine ne touche pas l'arbre et ne provoque pas un rebond.

Pour utiliser la technique de coupe

AVERTISSEMENT: Utilisez le produit à plein régime pour couper et remettez-le au régime de ralenti après chaque coupe.

REMARQUE: le moteur risque d'être endommagé s'il tourne trop longtemps à plein régime sans charge.
- Placez le tronc sur un chevalet ou un coulisseau.


AVERTISSEMENT: Ne coupez pas des troncs empilés. Cela augmente le risque de rebond et peut causer des blessures graves, voire mortelles.
- Retirez les morceaux sciés de la zone de travail.

AVERTISSEMENT: Couper des morceaux dans la zone de coupe augmente le risque de rebond et de perte d'équilibre.
Pour utiliser le patin d'ébranchage
- Insérez le patin d'ébranchage dans le tronc de l'arbre.
- Faites tourner le produit à plein régime et faites-le pivoter. Maintenez le patin d'ébranchage contre le tronc. Cette procédure facilite l'application de la force nécessaire pour couper le tronc.

Coupe d'un tronc au sol
- Coupe le tronc avec la méthode tirée. Utilisez la puissance maximum tout en restant attentif aux accidents soudains.


AVERTISSEMENT: Vérifiez que la chaîne ne touche pas le sol lorsque vous terminez le trait de coupe.
- Coupez environ 13 dans le tronc, puis arrêtez-vous. Retournez le tronc et coupez depuis l'autre côté.

Coupe d'un tronc soutenu à une extrémité

AVERTISSEMENT: Vérifiez que le tronc ne se casse pas pendant la coupe. Respectez les instructions ci-dessous.

- Coupez avec la méthode poussée jusqu'à environ 13 du tronc.
- Coupe le tronc avec la méthode tirée jusqu'à ce que les deux traits de coupe se rejoignent.

Coupe d'un tronc soutenu aux deux extrémités

AVERTISSEMENT: Vérifiez que la chaîne ne se coince pas dans le tronc pendant la coupe. Respectez les instructions ci-dessous.

- Coupez avec la méthode tirée jusqu'à environ 13 du tronc.
- Coupez la partie restante du tronc avec la méthode poussée pour terminer la coupe.


AVERTISSEMENT: Arrêtez le moteur si la chaîne se coince dans le tronc. Utilisez un levier pour écarter l'entaille et dégager le produit. Ne tirez pas sur le produit pour le dégager. Cela peut provoquer des blessures lorsque le produit se dégage subitement.
Pour utiliser la technique d'élagage
Remarque: Pour les branches épaissies, utilisez la technique de coupe. Reportez-vous à la section Pour utiliser la technique de coupe à la page 54.

AVERTISSEMENT: Il y a un risque d'accident élevé lorsque vous utilisez la technique d'élagage. Reportez-vous à la section Informations sur le rebond à la page 51 pour savoir comment éviter le rebond.

AVERTISSEMENT: Coupez les branches une à une. Faites attention lorsque vous retirez des petites branches et ne coupez pas d'arbustes ni de nombreuses petites branches simultanément. De petites branches peuvent se coincer dans la chaîne et empêcher une utilisation sûre du produit.
Remarque: Coupez les branches une par une si nécessaire.

- Retirez les branches sur le côté droit du tronc.
a) Maintenez le guide-chaine sur le côté droit du tronc et maintenez le corps du produit contre le tronc. b) Sélectionnez la technique de coupe applicable pour la tension dans la branche.


AVERTISSEMENT: Si vous n'êtes pas sûr de comment couper la branche, consultez un opérateur de tronçonneuse professionnel avant de continuer.
- Retirez les branches au-dessus du tronc.
a) Conservez le produit sur le tronc et laissez le guide-chaine se déplacer le long du tronc.
b) Coupez avec la méthode poussée.

- Retirez les branches sur le côté gauche du tronc.
Sélectionnez la technique de coupe applicable pour la tension dans la branche.


AVERTISSEMENT: Si vous n'êtes pas sûr de comment couper la branche, consultez un opérateur de tronçonneuse professionnel avant de continuer.
Reportez-vous à Pour couper un arbre ou une branche sous tension à la page 60 pour savoir comment couper des branches qui sont sous tension.
Utilisation de la technique d'abattage

AVERTISSEMENT: Vous devez avoir de l'expérience pour abattre un arbre. Si possible, participez à une formation sur l'utilisation d'une tronçonneuse. Consultez un utilisateur expérimenté pour en savoir plus.
Maintien d'une distance de sécurité
- Assurez-vous que les personnes à proximité conservent une distance de sécurité d'au moins 2 fois et demie la hauteur de l'arbre.

- Veillez à ce que personne ne se trouve dans cette zone dangereuse avant et pendant l'abattage.

Calcul du sens de chute
- Étudiez le sens dans lequel l'arbre doit tomber. L'objectif est de l'abattre dans une position où vous pourrez l'élaguer facilement et couper le tronc sans problème. Il est également important que vous puissiez être solidement campé sur vos pieds et évoluer en toute sécurité.

AVERTISSEMENT: En cas de danger ou s'il n'est pas possible d'abattre l'arbre dans son sens de chute naturel, abattez l'arbre dans un autre sens.
- Étudiez le sens de chute naturel de l'arbre. Par exemple, l'inclinaison et la courbure de l'arbre, la direction du vent, l'emplacement des branches et le poids de la neige influent sur le sens de chute.
- Vérifiez s'il y a des obstacles, comme d'autres arbres, des lignes électriques, des routes et/ou des bâtiments à proximité.
- Recherche des signes de dommages ou de pourriture eventuels.

AVERTISSEMENT: Si le tronc est pourri, l'arbre risque de tomber avant que vous ayez terminé la coupe.
- Assurez-vous que l'arbre ne compte aucune branche endommagée ou morte susceptible de se casser et de vous heurter pendant l'abattage.
- Ne laissez pas l'arbre tomber sur un autre arbre encore debout. Décocher un arbre qui coïncide avec


AVERTISSEMENT: Lors des opérations d'abattage délicates, ôtez vos protège-oreilles dès que le sciage est terminé. Il est important d'entendre les sons et les signaux d'avertissement.
Émondage des branches basses et préparation de votre retraite
Coupez toutes les branches à partir de la hauteur d'épaule, puis vers le bas.
- Coupez en utilisant la méthode tirée de haut en bas. Veillez à ce que l'arbre se situe entre vous et le produit.

- Retirez les broussailles de la zone de travail autour de l'arbre. Retirez tous les matériaux découpés de la zone de travail.
- Contrôlez la zone en étant attentif aux obstacles tels que des pierres, des branches et des troughs. Vous devez
- Zone dangereuse
- Voie de retraite
- Sens de chute

Pour abattre un arbre
Husqvarna vous recommande d'effectuer des encoches directionnelles, puis d'utiliser la méthode du coin de sécurité lorsque vous abattez un arbre. La méthode du coin de sécurité permet de créer une bonne charnière et de contrôler le sens d'abattage.

AVERTISSEMENT: N'abattez pas d'arbre dont le diamètre est plus de deux fois supérieur à la longueur du guide-chaine. Pour cela, vous devez suivre une formation spéciale.
La charnière
La procédure la plus importante pendant l'abattage est de réaliser une bonne charnière. Avec une bonne charnière, vous pouvez contrôler le sens d'abattage et vous assurer que la procédure d'abattage est sûre.
L'épaisseur de la charnière doit être égale ou supérieure à 10 % du diamètre de l'arbre.

AVERTISSEMENT: Si la charnière est incorrecte ou trop mince, vous n'aurez aucun contrôle sur le sens de la chute.

Pour effectuer l'entaille directionnelle
- Effectuez des entailles directionnelles sur 14 du diamètre de l'arbre. Mesurez un angle de 45° - 70° entre l'entaille supérieure et l'entaille inférieure.

a) Réalisez la coupe directionnelle supérieure. Alignez le repère du sens de chute (1) sur le produit avec le sens de chute de l'arbre (2). Restez derrière le produit et gardez l'arbre à votre gauche. Utilisez la méthode tirée. b) Réalisez la coupe directionnelle inférieure. Assurez-vous que l'extrémité de l'entaille inférieure se trouve au même point que l'extrémité de l'entaille supérieure.

- Assurez-vous que l'entaille inférieure est horizontale et à un angle de par rapport au sens de la chute.
Pour utiliser la méthode du coin de sécurité
La coupe d'abattage doit être effectuée légèrement au-dessus de l'entaille directionnelle.


AVERTISSEMENT: Soyez prudent lorsque vous coupez avec le nez du guide-chaine. Commencez par couper avec la partie inférieure de l'extrémité du guide-chaine tout en effectuant un sciage en plongée dans le tronc.

- Si la longueur de coupe effective est plus longue que le diamètre de l'arbre, suivez les étapes (a-d).
a) Effectuez un sciage en plongée dans le tronc pour terminer la largeur de la charnière.

b) Coupez avec la méthode tirée jusqu'à ce qu'il reste environ 13 du tronc. c) Tirez le guide-chaine de 5-10 cm/2-4 po vers l'arrière. d) Coupez à travers le restant du tronc pour obtenir un coin de sécurité large de 5-10 cm/2-4 po.

- Si la longueur de coupe effective est plus courte que le diamètre de l'arbre, suivez les étapes (a-d).
a) Effectuez un sciage en plongée dans le tronc. Il doit s'étendre sur 3/5 du diamètre de l'arbre. b) Coupez le reste du tronc en utilisant la méthode tirée.

c) Coupez droit dans le tronc de l'autre côté de l'arbre pour terminer la charnière. d) Coupez avec la méthode poussée, jusqu'à ce qu'il ne reste que 1/3 du tronc, pour obtenir le coin de sécurité.

- Placez une cale dans l'entaille directement depuis l'arrière.

- Coupez l'angle pour que l'arbre tombe. Remarque : Si l'arbre ne tombe pas, frappez la cale jusqu'à ce qu'il tombe.
- Lorsque l'arbre commence à tomber, utilisez la voie de retraite pour vous en éloigner. Éloignez-vous de l'arbre d'au moins 5 m/15 pi.
Dégagement d'un arbre bloqué

AVERTISSEMENT: Décocher un arbre coincé dans un autre peut s'avérer très dangereux et présente un risque élevé d'accident. Restez hors de la zone de danger et n'essayez pas d'abattre un arbre coincé dans un autre arbre.

La procédure la plus sûre consiste à utiliser l'un des treuils suivants :
Monte sur tracteur

- Mobile
incorrecte ou si vous ne coupez pas correctement.

Pour couper un arbre ou une branche sous tension
- Déterminez le côté de l'arbre ou de la branche qui est en tension.
- Déterminez le point de tension maximale.

- Étudiez la procédure la plus sûre pour relâcher la tension.
Remarque: Dans certains cas, la seule procédure sans danger est d'utiliser un treuil et non votre produit.
- Veillez à rester dans une position dans laquelle l'arbre ou la branche ne peut pas vous heurter lorsque la tension est relâchée.

- Faites une ou plusieurs coupes de profondeur suffisante pour réduire la tension. Coupez au niveau ou à proximité du point de tension maximale. Faites en sorte que l'arbre ou la branche se brise au niveau du point de tension maximale.


AVERTISSEMENT: Ne coupez jamais en deux un arbre ou une branche en tension!

AVERTISSEMENT: Soyez très prudent lorsque vous coupez un arbre qui est en tension. L'arbre risque de se déplacer rapidement avant ou après la coupe. Cela peut occasionner des blessures graves si vous êtes dans une position
- Pour couper un arbre/une branche, effectuez 2 à 3 coupes, espacées de 2,5 cm (1 po) et d'une profondeur de 5 cm (2 po).

- Continuez à approfondir les entailles dans l'arbre jusqu'à ce que l'arbre/la branche plie et que la tension soit relâchée.

- Coupe l'arbre/la branche depuis le côté opposé à la courbe, une fois la tension relâchée.
Pour utiliser le produit par temps froid

REMARQUE: Des problèmes de fonctionnement peuvent se produire par temps froid et neigeux. Risque de moteur trop froid ou de givre sur le filtre à air et le carburateur.
- Couvrez une partie de la prise d'air sur le démarreur. Cela permet d'augmenter la température du moteur.
- Un capot d'hiver est disponible en cas de températures inférieures à -5 °C (23 °F) ou par temps neigeux. Montez le capot d'hiver sur le corps du lanceur. Le capot d'hiver diminue le débit d'air frais et empêche la neige de pénétrer dans la zone du carburateur.

Remarque : Numéro d'article du capot d'hiver : 595 96 76-01

REMARQUE: Retirez le capot d'hiver si la température augmente au-dessus de -5 °C/23 °F. Risque de surchauffe et d'endommagement du moteur.
Poncées chauffantes (545G mark II, 550XPG mark II)
Le produit est équipé de poignées avant et arrière chauffantes. Les serpents de chauffage électrique sont alimentés par un générateur.
Appuyez sur le côté flèche de l'interrupteur pour activer la fonction. Appuyez sur l'autre côté de l'interrupteur pour désactiver la fonction.

Chauffage électrique du carburateur (545G mark II, 550XPG mark II)
Le réglage du chauffage du carburateur se fait électriquement par le biais d'un thermostat. Cela permet de maintenir la bonne température du carburateur et d'éviter la formation de glace à l'intérieur de celui-ci.
Entretien

AVERTISSEMENT: assurez-vous de lire et de comprendre le chapitre sur la sécurité avant de procéder à l'entretien du produit.
Calendrier de maintenance
| Entretien quotidien Entretien hebdomad | daire Entretien mensuel | |
| Nettoyez les pièces externes du produit et assurez-vous qu'il n'y a pas d'huile sur les poignées. | Nettoyez le système de refroidissement. Reportez-vous à la section Pour nettoyer le circuit de refroidissement à la page 72. | Contrôlez la bande de frein. Reportez-vous à la section Pour contrôler la bande de frein à la page 63. |
| Contrôlez la gâchette d'accélération et son blocage. Reportez-vous à la section Pour contrôler la gâchette d'accélération et son blocage à la page 63. | Contrôlez le démarreur, le cable du démarreur et le ressort de rappel. | Contrôlez le centre de l'embrayage, le tambour d'embrayage et le ressort d'embrayage. |
| Assurez-vous que les/dispositifs anti-vibrations ne sont pas endommagés. | Lubrifiez le roulement à aiguilles. Reportez-vous à la section Pour lubrifier le roulement à aiguilles à la page 70. | Nettoyez la bougie. Reportez-vous à la section Pour contrôler la bougie d'allumage à la page 67. |
| Nettoyez et inspectez le frein de châte. Reportez-vous à la section Pour contrôler la gâchette d'accélération et son blocage à la page 63Pour vérifier la protection anti-re-bond et l'activation du frein de la châte à la page 63. | Éliminez les Bavures éventuelles sur les côtés du guide-châte. Reportez-vous à la section Pour contrôler le guide-châte à la page 71. | Nettoyez les pièces externes du carburateur. |
| Entretien quotidien Entretien hebdoma | daire Entretien mensuel | |
| Contrôlez le capteur de chaîne. Re- portez-vous à la section Pour contrôle- ler l'attrape-châne à la page 64. | Nettoyer ou remplacer la grille anti- flamme du silencieux. | Contrôlez le filtré à carburant et le tuyau à carburant. Remplacez si né- cessaire. |
| Tournez le guide-châne, contrôlez l'orifice de lubrification et nettoyez la rainure du guide-châne. Reportez-vous à la section Pour contrôle le guide-châne à la page 71. | Nettoyez la zone du carburateur. Vérifiez tous les cables et toutes les connexions. | |
| Assurez-vous que le guide-châne et la chaîne sont suffisamment lubriifiés. | Nettoyez ou remplacez le filtré à air. Reportez-vous à la section Pour nettoyer le filtré à air à la page 66. | Videz le réservoir de carburant. |
| Effectuez un contrôle de la chaîne. Reportez-vous à la section Pour in-spector l'équipment de coupe à la page 71. | Nettoyez l'intersiste des ailettes du cylindre. | Videz le réservoir d'huile. |
| Affütez la chaîne et contrôlez la tension de la chaîne. Reportez-vous à la section Pour affüter la chaîne de sciage à la page 67. | ||
| Contrôlez le pignon d'entrainmente de la chaîne. Reportez-vous à la section Pour contrôle le rim à la page 70. | ||
| Nettoyez la prise d'air du démarreur. | ||
| Assurez-vous que les vis et les écrous sont serrés. | ||
| Contrôlez l'interrupteur d'arrêt. Reportez-vous à la section Pour contrôle- ler l'interrupteur marche/arrêt à la pa- ge 64. | ||
| Vérifiez qu'il n'y a pas de fuite de car- burant du moteur, du réservoir ou des conduites de carburant. | ||
| Vérifiez que la chaîne de sciage ne tourne pas lorsque le moteur est au régime de ralenti. | ||
| Assurez-vous que la protection de la main droite n'est pas endommagée. | ||
| Assurez-vous que le silencieux est correctement fixé, qu'il n'est pas en- dommagé et qu'aucune de ses piè- ces n'est manquante. | ||
Pour contrôler la bande de frein
- À l'aide d'une brosse, nettoyez le frein de chaîne et le tambour d'embrayage (copeaux, résine, saletés). La saleté et l'usure peuvent nuire au bon fonctionnement du frein.

- Contrôlez la bande de frein. La bande de frein doit mesurer 0,6 mm/0,024 po d'épaisseur minimum à son point le plus usé.
Pour vérifier la protection anti-rebond et l'activation du frein de la chaîne
- Vérifiez que la protection anti-rebond est intacte et ne laisse apparaître aucun défaut apparent, comme des fissures.
- Assurez-vous que la protection de la poignée avant se déplace librement et qu'elle est bien fixée au carter d'embrayage.

- Tenez le produit avec les 2 mains au-dessus de la souche ou d’une autre surface stable.

AVERTISSEMENT: Le moteur doit être éteint.
- Lâchez la poignée avant et laissez le nez du guide-chaine tomber sur la souche.


- Assurez-vous que le frein de chaîne s'engage lorsque le guide-chaine heurte la souche.
Pour contrôler le frein de chaîne
- Faites démarrer le produit. Reportez-vous à la section Pour démarrer le produit à la page 52 pour connaître les instructions.

AVERTISSEMENT: Vérifiez que la chaîne ne touche pas le sol ni tout autre objet.
- Tenez fermement le produit.
- Faites tourner le produit à plein régime et inclinez le poignet gauche contre la protection de la poignée avant pour serrer le frein de chaîne. La chaîne doit s'arrêter immédiatement.


AVERTISSEMENT: Ne lâchez pas la poignée avant.
Pour contrôler la gachette d'accélération et son blocage
- Assurez-vous que la gachette d'accélération et son blocage se déplacent librement et que le ressort de rappel fonctionne correctement.

- Appuyez sur le blocage de la gachette d'accélération et assurez-vous qu'il retourne à sa position initiale lorsque vous le relâchez.

- Vérifiez que la gachette d'accélération est bloquée en position de ralenti lorsqu'elle est déverrouillée.

- Démarrez le produit et faites-le fonctionner à plein régime.
- Lâchez la gâchette d'accélération et vérifiez que la chaîne s'arrête et reste immobile.

AVERTISSEMENT: Si la chaîne tourne lorsque la gâchette d'accélération est en position de ralenti, contactez notre atelier d'entretien.
Pour contrôler l'attrape-châne
- Assurez-vous que l'attrape-chaine n'est pas endommagé.
- Assurez-vous que l'attrape-chaine est stable et bien fixé au corps du produit.

Pour contrôler la protection de la main droite
- Vérifiez que la protection de la main droite est intacte et ne laisse apparaître aucun defaulted, comme des fissures.

Pour contrôler le système anti-vibrations
- Assurez-vous que les dispositifs anti-vibrations ne sont pas fissurés ni déformés.
- Assurez-vous que les dispositifs anti-vibrations sont fixés correctement sur le moteur et les poignées.
Reportez-vous à la section Aperçu du produit à la page 41 pour connaître l'emplacement du système anti-vibrations sur votre produit.
Pour contrôler l'interrupteur marche/arrêt
- Démarrez le moteur.
- Appuyez sur l'interrupteur marche/arrêt pour le mettre en position d'arrêt. Le moteur doit s'arrêter.

Pour contrôler le silencieux

AVERTISSEMENT: N'utilisez pas un produit dont le silencieux est defectueux ou en mauvais état.

AVERTISSEMENT: N'utilisez pas le produit si la grille antiflamme sur le silencieux est manquante ou defectueuse.
- Vérifiez si le silencieux présente des dommages et des défauts.
- Assurez-vous que le silencieux est correctement fixé à l'appareil.

- Si votre produit est équipé d'une grille antiflamme spéciale, nettoyez-la une fois par semaine.

- Si la grille antiflamme est endommagée, remplacez-la.

REMARQUE: Si la grille antiflamme est obstruée, le produit peut surchauffer, entraînant des déteriorations au niveau du cylindre et du piston.
Autotunetm
Votre produit est doté de la fonction AutoTune™ qui règle le carburateur automatiquement, ce qui assure le meilleur réglage possible. AutoTune™ permet au moteur de s'adapter aux conditions climatiques, à l'altitude, à l'essence et au type d'huile deux temps.

REMARQUE: Si AutoTune™ ne fonctionne pas correctement, signalez-le à votre atelier d'entretien. Le produit se règle correctement après quelques ravitaillements en carburant.
Pour remplacer un câble de démarreur rompu ou usé
- Desserrez les vis du corps du lanceur
- Déposez le corps du lanceur.

- Dévissez le câble du démarreur sur environ 30 cm/12 po et placez-le dans l'encoche de la poulie.

- Laissez tourner lentement la poulie vers l'arrière pour libérer le ressort de rappel.

- 545 Mark II, 545G Mark II: Déposez la vis centrale (A), le manchon (B) et le ressort (C).

AVERTISSEMENT: Observez la plus grande prudence lorsque vous remplacez le ressort de rappel ou le câble du démarreur. Le ressort de rappel est tendu lorsqu'il s'enroule dans le corps du lanceur. Si vous ne faites pas attention, il pourrait s'éjecter et provoquer des blessures. Utilisez des lunettes et des gants de protection.
- Retirez le câble de démarreur usé de la poignée et de la poulie.
- Attachez un nouveau câble de démarreur à la poulie. Enroulez le câble du démarreur autour de la poulie d'environ 3 tours.
- Passez le câble du démarreur à travers le trou du boîtier du démarreur et de la poignée du câble du démarreur.
- Faites un nœud robuste à l'extrémité du câble du démarreur.
- 545 Mark II, 545G Mark II: Montez le ressort (C), le manchon (B) et la vis centrale (A).

Pour serrer le ressort de rappel
- Placez le câble du démarreur dans l'encoche de la poulie.
- Faites tourner la poulie du démarreur d'environ 2 tours dans le sens des aiguilles d'une montre.
- Placez votre pouce sur la poulie.
- Tirez la poignée du câble du démarreur et sortez complètement le câble du démarreur.
- Déplacez votre pouce et libérez le cable du démarreur.
- Assurez-vous que vous pouvez tourner la poulie de 12 tour une fois que le câble du démarreur est complètement déployé.

Pour assembler le boîtier du démarreurs sur le produit
- Dévissez le câble du démarreur, puis placez le démarreur contre le carter moteur.
- Lâchez le câble du démarreur lentement pour permettre aux cliquets de s'enclencher dans la poulie.
- Serrez les vis de maintien du lanceur.

Pour nettoyer le filtre à air
Nettoyez la saleté et la poussière du filtre à air régulièrement. Cela permet d'éviter un dysfonctionnement du carburateur, des problèmes de démarrage, une perte de puissance du moteur, l'usure des pièces du moteur et l'augmentation de la consommation de carburant.
- Retirez le capot de cylindre et le filtre à air.
- Brossez ou secouez le filtre à air pour le nettoyer. Utilisez un détergent et de l'eau pour le nettoyer complètement.
Remarque: un filtre à air ayant servi longtemps ne peut pas être complètement nettoyé. Remplacez le filtre à air régulièrement et remplacez toujours un filtre à air défectueux.
- Fixez le filtre à air et veillez à assurer une bonne étanchéité entre le filtre à air et son support.

Remarque: en raison des différentes conditions de travail, météorologiques ou saisonnières, votre produit peut être utilisé avec différents types de filtre à air. Pour davantage d'informations, contactez votre atelier d'entretien.
Pour contrôler la bougie d'allumage

REMARQUE: Utilisez la bougie recommandée. Reportez-vous à la section Caractéristiques techniques à la page 74. Une bougie inappropriée peut endommager le produit.
- Si le produit n'est pas facile à démarrer ou à utiliser ou s'il ne fonctionne pas correctement au régime de ralenti, vérifie que la bougie ne contient pas de matériaux indésirables. Afin de réduire le risque de matériaux indésirables présents sur les électrodes de la bougie, procédez comme suit :
a) assurez-vous que le mélange de carburant est correct : b) assurez-vous que le filtre à air est propre.
- Nettoyez la bougie si elle est sale.
- Vérifiez que l'écartement des électrodes est de 0,5 mm/0.020 po.

- Remplacez la bougie une fois par mois ou plus fréquemment, si nécessaire.
Pour affûter la chaîne de sciage
Informations relatives au guide-chaine et à la chaîne

AVERTISSEMENT: Portez des gants de protection lorsque vous utilisez ou procédez à la maintenance de la chaîne. Une chaîne immobile peut également provoquer des blessures.
Remplacez un guide-chaine ou une chaîne usée ou endommagée par la combinaison guide-chaine/chaîne recommandée par Husqvarna. Cela est nécessaire pour maintenir les fonctions de sécurité du produit. Reportez-vous à la section Accessoires à la page 76 pour une liste des combinaisons guide-chaine et chaîne de rechange recommandées.
- Longueur de guide, po/cm. En général, vous trouverez la longueur de guide sur l'extrémité arrêtée du guide-chaine.

- Nombre de dents par pignon (T).

- Pas de chaîne, pouces. La distance entre les maillons entraineurs de la chaîne doit correspondre à la distance entre les dents sur le pignon de nez du guide-chaine et le pignon d'entrainement.

- Nombre de mailons entraineurs (pce). Le nombre de mailons entraineurs est déterminé par le type de guide-chaine.

Largeur de la rainure du guide-chaine, pouces/mm. La largeur de rainure du guide-chaine doit être identique à la largeur des mailons entraîneurs de la chaîne.

- Trou de graissage de chaîne et trou du tenseur de chaîne. Le guide-chaîne doit être aligné avec ce produit.

Jauge du mailon entraîneur, mm/pour.

Informations générales relatives à l'affutage des dispositifs de coupe
N'utilisez jamais une chaîne dont les dents sont émoussées. Si la chaîne est émoussée, vous nevez appliquer plus de pression pour pousser le guide-chaîne dans le bois. Si la chaîne est très émoussée, vous ne produisez pas de copeaux de bois, mais de la sciure.
Une chaîne affutée avance dans le bois et crée des copeaux de bois long et écais.
La dent de coupe (A) et la jauge de profondeur (B) constituent l'objet coupant de la chaîne et sont appelées « dispositif de coupe ». La différence de hauteur entre ces deux éléments correspond à la profondeur de coupe (réglage de la jauge de profondeur).

Lorsque vous affuitez un dispositif de coupe, pensez aux éléments suivants :
L'angle d'affutage.

L'angle d'impact.

- La position de la lime.

Le diamètre de la lime ronde.

Il est difficile d'affuter correctement une chaîne sans équipement adapté. Utilisez la jauge de profondeur HUSQVARNA. Elle vous aidera à préserver des performances de coupe maximales et un risque de rebond minimal.

AVERTISSEMENT: la force du rebond augmente beaucoup si vous ne respectez pas les instructions d'affutage.
Remarque: reportez-vous à la section Pour affuter les dispositifs de coupe à la page 68 pour plus d'informations sur l'affutage de la chaîne.
Pour affuter les dispositifs de coupe
- Utilisez une lime ronde et une jauge de profondeur pour affuter les dents de coupe.

Remarque: reportez-vous à la section Equipement et angles d'affutage à la page 77 pour plus d'informations sur la jauge de profondeur recommandée par HUSQVARNA pour votre chaîne.
- Appliquez laJAuge de profondeur correctement sur la dent. Reportez-vous aux instructions fournies avec la jauge de profondeur.
- Déplacez la jauge de la face interne de la dent de coupe à la face externe. Réduisez la pression lorsque vous utilise la méthode tirée.

- Retirez le matériel d'un côté de toutes les dents de coupe.
- Retournez le produit et retirez le matériel du côté opposé.
- Assurez-vous que toutes les dents de coupe sont de la même longueur.
Informations générales sur le réglage de la jauge de profondeur
Le réglage de la jauge de profondeur (C) diminue lors de l'affutage de la dent de coupe (A). Afin de préserver des performances de coupe optimales, vous devez retirer le matériel d'affutage de la jauge de profondeur (B) pour sélectionner le réglage de la jauge de profondeur recommandé. Voir Equipement et angles d'affutage à la page 77 pour des instructions sur la méthode de réglage correct de la jauge de profondeur pour votre chaîne.


AVERTISSEMENT: Le risque de rebond augmente si le réglage de la jauge de profondeur est trop important!
Pour régler la jauge de profondeur
Avant d'ajuster le réglage de la jauge de profondeur ou d'affuter les dispositifs de coupe, reportez-vous à la section Pour affuter les dispositifs de coupe à la page 68 pour obtenir des instructions. Nous recommandons de
régler la jauge de profondeur tous les trois affutages des dents de coupe.
Nous vous recommandons d'utiliser notre gabarit d'affutage pour garantir l'épaisseur souhaitée et le bon angle pour la jauge de profondeur.

- Pour le réglage de la jauge de profondeur, utilisez une lime plate et un gabarit d'affutage. Utilisez uniquement le gabarit d'affutage HUSQVARNA pour obtenir l'épaisseur souhaitée et le bon angle pour la jauge de profondeur.
- Placez le gabarit d'affutage sur la chaîne.
Remarque: Consultez l'emballage du gabarit d'affutage pour plus d'informations sur son utilisation. 3. Utilisez une lime plate pour rattraper la partie de la jauge de profondeur qui dépasse du gabarit d'affutage.

Pour régler la tension de la chaîne

AVERTISSEMENT: une chaine dont la tension est inappropriée peut se désolidariser du guide-chaine et provoquer des blessures graves, voire mortelles.
Une chaine s'allège lorsque vous l'utilisez. Réglez la chaine régulièrement.
- Desserrer les écrous du guide-chaine fixant le carter d'embrayage/frein de chaine. Utilisez une clé.

Remarque : certains modèles ne possèdent qu'un seul écrou de guide-chaine.
- Resserrez les écrous du guide-chaine à fond manuellement.
- Soulevez l'avant du guide-chaine et tournez la vis de réglage de la tension de chaine. Utilisez une clé.
- Serrez la chaîne jusqu'à ce qu'elle soit bien plaquée contre le guide-chaine, mais qu'elle puisse quand même se déplacer facilement.

- Serrez les écrous du guide-châne à l'aide de la clé et soulevez en même temps l'extrémité avant du guide-châne.
- Assurez-vous que la chaîne peut tourner manuellement sans problème et ne pend pas du guide-châne.

Remarque: Reportez-vous à la section Aperçu du produit à la page 41 pour connaître l'emplacement de la vis de serrage de la chaîne sur votre produit.
Pour contrôler la lubrification de la chaîne de sciage
- Démarrer le produit et faites-le tourner aux 3 / 4 de sa vitesse. Maintenez le guide-chaine à environ 20 cm/ 8 po au-dessus d'une surface de couleur claire.
- Si la lubrification de la chaîne est correcte, vous verrez une ligne d'huile claire sur la surface au bout de 1 minute.

- Si la lubrification de la chaîne ne fait pas correctement son effet, contrôlez le guide-chaine. Reportez-vous à la section Pour contrôler le guide-chaine à la page 71 pour connaître les instructions. Adressez-vous à votre atelier d'entretien si les mesures d'entretien ne suffisent pas.
Pour contrôler le rime
Le tambour d'embrayage est doté d'un rim qui peut être remplacé.

- Assurez-vous que le rim n'est pas usé. Remplacez si nécessaire.
- Remplacez le rim en même temps que la chaîne.
Pour lubrifier le roulement à aiguilles
- Tirez la protection anti-rebond vers l'arrière pour desserrer le frein de chaîne.
- Desserrer les écrous du guide-chaine et retirez le carter d'embrayage.
Remarque: certains modèles ne possèdent qu'un seul écrou de guide-chaîne.
- Placez le produit sur une surface stable, le tambour d'embrayage vers le haut.
- Lubrifiez le roulement à aiguilles à l'aide d'un pistolet à graisse. Utilisez de l'huile moteur ou une graisse pour roulement de haute qualité.

Pour inspecter l'équipement de coupe
- Assurez-vous que les rivets et les maillons ne sont pas fissurés et qu'aucun des rivets n'est desserré. Remplacez-les si nécessaire.

- Vérifiez que la chaîne peut être courbée facilement. Remplacez la chaîne si elle est rigide.
- Comparez la chaîne à une chaîne neuve pour déterminer si les rivets et les maillons sont usés.
- Remplacez la chaîne lorsque la partie la plus longue de la dent de coupe est inférieure à 4 mm/0,16 po. Remplacez également la chaîne en cas de fissures sur les dispositifs de coupe.

Pour contrôler le guide-chaine
- Assurez-vous que la conduite d'huile n'est pas obstruée. Nettoyez-la si nécessaire.

- Contrôlez l'absence de bavures sur les bords du guide-chaine. Retirez les bavures avec une lime.

3. Nettoyez la rainure du guide-chaine.

- Examinez l'usure de la rainure du guide-chaine. Remplacez le guide-chaine si nécessaire.

- Vérifiez si le nez du guide-chaine est rugueux ou très usé.

- Vérifiez que le pignon du nez du guide-chaine tourne librement et que l'orifice de lubrification situé à cet endroit n'est pas obstrué. Nettoyez-le et lubrifiez-le si nécessaire.

- Retournez le guide-chaine tous les jours pour prolonger sa durée de vie.

Pour effectuer l'entretien du réservoir de carburant et du réservoir d'huile de chaîne
- Vidangez et nettoyez le réservoir de carburant et le réservoir d'huile de chaîne régulièrement.
- Remplacez le filtre à carburant une fois par an ou plus fréquemment, si nécessaire.

REMARQUE: Des impuretés dans les réservoirs sont causes de mauvais fonctionnement.
Pour régler le débit d'huile de chaîne

AVERTISSEMENT: Arrêtez le moteur avant d'effectuer tout réglage de la pompe à huile.
- Tournez la vis de réglage de la pompe à huile. Utilisez un tournevis ou une clé mixte.
a) Tournez la vis de réglage dans le sens des aiguilles d'une montre pour réduire le débit d'huile de chaîne. b) Tournez la vis de réglage dans le sens contraire des aiguilles d'une montre pour augmenter le débit d'huile de chaîne.

Paramètres recommandés pour la pompe à huile
- Longueur du guide-chaîne: 38-46 cm/15-18 po: Débit moyen
- Longueur du guide-chaine : 50-71 cm/20-28 po : Débit maximum
Système de nettoyage d'air
AirlnjectionTM est un système de nettoyage de l'air centrifuge qui enlève la poussière et la saleté avant que les particules ne se coincent dans le filtre à air. AirlnjectionTM allonge la durée de vie du filtre à air et du moteur.

Pour nettoyer le circuit de refroidissement
Le circuit de refroidissement maintient une température basse dans le moteur. Le système de refroidissement comprend la prise d'air du lanceur (A), les cliquets du volant (B), les ailettes de refroidissement du cylindre (C), la conduite de refroidissement (D) et le capot de cylindre (E).

- Nettoyez le circuit de refroidissement avec une brosse une fois par semaine ou plus fréquemment si nécessaire.
- Assurez-vous que le système de refroidissement n'est pas encrassé ou colmaté.

REMARQUE: un circuit de refroidissement sale ou colmaté peut provoquer la surchauffe du produit, ce qui peut endommager ce dernier.
Dépannage
Le moteur ne démarre pas
| Pièce du produit à examiner Cause possible Action | |
| Cliqueurs du lanceur Les cliquets du démarreursont bloqués. | Réglez ou remplacez les cliquets du démarreur. |
| Nettoyez le pourtour des cliquets. | |
| Contactez un atelier de service ap-rès-vente agréé. | |
| Réserveur de carburant Mauvais type de carburant. Vidangez le réservoir de carburant et replisssez-le avec le carburant qui convient. | Carburant et replisssez-le avec le carburant qui convient. |
| Si vous avez essayé de demarrer le produit, contactez votre atelier d'ent-retien. Si vous n'avoz pas essayé de demarrer le produit, vidangez le réservoir de carburant. | |
| Allumage, pas d'étinçelle La bougie d'allumage est sale ou hu-mide. | Assurez-vous que la bougie est sè-che et propre. |
| L'écartement des electrodes est in-correct. | |
| Nettoyez la bougie. Assurez-vous que l'écartement des electrodes et de la bougie est correct, et que le ty-pe de bougie correspond au type re-commandé ou équivalent. | |
| Reportez-vous à la section Caracté-ristiques techniques à la page 74 pour connaître l'écartement correct des electrodes. | |
| Bougie et cylindre La bougie d'allumage est desserrée. Serrez la bougie d'allumage. | |
| Le moteur est noyé en raison de dé-marrages répétés à plainégime ap-rès l'allumage. | |
| Retirez et nettoyez la bougie. Placez le produit sur le côte en positionnant le trou de bougie loin de vous. Tirez la poignée du cable du démarrure entre 6 et 8 fois. Montez la bougie et demarrez le produit. Reportez-vous à la section Pour démarrer le produit à la page 52. | |
Le moteur démarre, puis s'arrête à nouveau
| Pièce du produit à examiner | Cause possible Action | |
| Réservoir de carburant Mauvais type de carburant. Vidangez le réservoir de carburant et replisssez-le avec le carburant qui convient. | ||
| Piece du produit à examiner Cause possible Action | |
| Carburateur Le régime de ralenti n'est pas cor-rect. | Contactez votre atelier d'entretien. |
| Filtre à air Filtre à air bouché. Nettoyez ou remplacez le filtre à air. | |
| Filtre à carburant Filtre à carburant bouché. Remplacez le filtre à carburant. |
Transport et stockage
- Pour le stocker et transporter le produit et le carburant, assurez-vous qu'il n'y a pas de fuite ou de vapeurs. Les étincelles ou les flammes nues produites par exemple par des appareils électriques ou chaudières peuvent provoquer un incendie.
- Utilisez uniquement des récipients homologues pour le transport et le stockage de carburant.
- Videz les réservoirs de carburant et d'huile de chaîne avant tout transport ou avant le remisage pour une période prolongée. Mettez le carburant et l'huile de chaîne au rebut dans une déchetterie appropriée.
- Utilisez la protection de transport du produit pour éviter les blessures et les dégâts causés au produit. Une chaîne immobile peut également provoquer des blessures graves.
- Retirez le capuchon de la bougie et serrez le frein de chaîne.
Fixez le produit pour le transporter.
Pour préparer votre produit pour un entreposage à long terme
- Démontez et nettoyez la chaîne ainsi que la rainure du guide-chaîne.

REMARQUE: si la chaîne et le guide-chaine ne sont pas nettoyés, ils risquent devenir rigides ou de s'obstruer.
- Fixez la protection de transport.
- Nettoyez le produit. Reportez-vous à la section Calendrier de maintenance à la page 61 pour connaître les instructions.
- Effectuez un entretien complet du produit.
Caractéristiques techniques
\section*{Caractéristiques techniques}
| Husqvarna 545 Mark II | Husqvarna 545G Mark II | Husqvarna 550 XP Mark II | Husqvarna 550 XPG Mark II | |
| Mateur | ||||
| Cylindrée, cm3 | 50,1 50,1 50,1 50,1 | |||
| Régime de ralentit, tr/min | 2 800 2 800 2 800 2 800 | 00 | ||
| Puisance moteur maximale selon ISO 7293, kW/ch/tr/min | 2,7/3,6 à 9 900 2,7/3,6 | à 9 900 3,0/4,0 à 10 20 | 0 3,0/4,0 à 10 200 | |
| Système d'allumage5 | ||||
| Bougie NGK CMR6H | NGK CMR6H NGK CMR6H | NGK CMR6H | NGK CMR6H | |
| Écartement des electrodes, mm | 0,5 0,5 0,5 0,5 | |||
| Système de graissage/de carburant | ||||
| Capacité du réservoir de carburant, litres/cm3 | 0,53/530 0,53/530 0,5 | 3/530 0,53/530 | ||
| Capacité du réservoir d'huile, litre/cm3 | 0,32/320 0,32/320 0,3 | 2/320 0,32/320 | ||
| Type de pompé à huile | Régiable Régiable Régiable Régiable | |||
| Poids | ||||
| Poids, kg 5,3 5,5 5,3 5 | 5 | |||
| Émissions sonores6 | ||||
| Niveau de puissance sonore mesurédB (A) | 114 114 115 115 | |||
| Niveau de puissance sonore, garanti LwadB(A) | 116 116 117 117 | |||
| Niveauux sonores7 | ||||
| Niveau de pression sonore équivalent au niveau de l'oreille de l'utilisateur, dB(A) | 106 106 107 107 | |||
| Niveau de vibration équivalents, a hveq8 | ||||
| Poinnée avant, m/s2 | 3,6 3,6 3,3 | 3,3 | ||
| Poinnée arrière, m/s2 | 4,1 4,1 4,9 | 4,9 | ||
| Chaîne/guide-châne | ||||
| Type de roue d'entraînement/nombre de dents | Rim/7 Rim/7 Rim/7 Rim/7 Rim/7 | |||
| Vitesse de la chaîne à 133 % du régime du moteur maximum, m/s. | 25,4 25,4 26,1 26,1 | |||
Équipement de coupe commandé
La sécurité des modèles de tronçonneuses Husqvarna 545 Mark II, 545G Mark II, 550 XP Mark II, 550 XPG Mark II a été évaluée conformément à EN ISO 11681-1:2011 (machines pour les travaux forestiers - exigences en matière de sécurité et tests pour les tronçonneuses portatives) ; ces modèles répondent aux exigences en matière de sécurité lorsqu'ils sont équipés des combinaisons de guide-châne et de chaînes décrites ci-dessous.
Chaîne à faible rebond
Une chaîne de tronçonneuse conçue pour un faible rebond, conforme à l'exigence de faible rebond requis par la norme ANSI B175.1-2012.
Rebord et rayon du nez du guidechaine
Pour les guides avec nez de pignon, le rayon du nez est déterminé par le nombre de dents, par ex. 10T. Pour les guides-chains solides, le rayon du nez est déterminé par la dimension du rayon du nez. Pour une longueur de guide-chain donnée, vous pouvez utiliser un guide-chain doté d'un rayon de nez inférieur à celui indiqué.
Remarque: La longueur de coupe effective mesure généralement 1 po de moins que la longueur de guide-chaine nominale.
| Équipment de coupe approuvé - 545 Mark II et 545G Mark II | ||||||
| Guide-châîne Châîne | ||||||
| Longueur,cm/po | Pas, po Jauge,mm/po Rayon max. dunez | Type Combinaisons guide-châîne et châîne | Faible rebond | |||
| 13/33 0,325 0,050/1,3 11T Husqvarna | SP33G | 56 Oui | ||||
| 15/38 64 | ||||||
| 16/41 66 | ||||||
| 18/46 72 | ||||||
| 20/50 80 | ||||||
| 13/33 0,325 0,058/1,5 11T Husqvarna | H25 | 56 Oui | ||||
| 15/38 64 | ||||||
| 16/41 12T 66 | ||||||
| 18/46 72 | ||||||
| 20/50 80 | ||||||
| Équipement de coupe approuvé - 550 XP Mark II et 550 XPG Mark II | ||||||
| Guide-châîne Châîne | ||||||
| Longueur,cm/po | Pas, po Jauge, | mm/po Rayon max. du nez | Type Combinaisons | guide-châîne et châîne | Faible rebond | |
| 13/33 0,325 0,050/1,3 11T Husqvarna | SP33G | 56 Oui | ||||
| 15/38 64 | ||||||
| 16/41 66 | ||||||
| 18/46 72 | ||||||
| 20/50 80 | ||||||
| 13/33 0,325 0,058/1,5 11T Husqvarna | H25 | 56 Oui | ||||
| 15/38 64 | ||||||
| 16/41 12T 66 | ||||||
| 18/46 72 | ||||||
| 20/50 80 | ||||||
| 13/33 0,325 0,058/1,5 11T Husqvarna | H21 | 56 | ||||
| 15/38 64 | ||||||
| 16/41 12T 66 | ||||||
| 18/46 72 | ||||||
| 20/50 80 | ||||||
Pixel est une combinaison de chaîne et de guide-chaîne plus légère qui permet une utilisation plus efficace grâce à des coupes étroites. Les chaînes et guide-chaînes doivent également être de type Pixel pour bénéficier de ces avantages. L'équipement de coupe Pixel arbore ce symbole.

Équipement et angles d'affutage
Utilisez une jauge de profondeur Husqvarna pour affuter la chaîne. Une jauge de profondeur Husqvarna vous permet de vous assurer que vous avez les bons angles d'affutage. Les références sont indiquées dans le tableau ci-dessous.
Si vous ne savez pas comment identifier le type de chaîne de votre produit, visitez www.husqvarna.com pour obtenir plus d'informations.
| 10 | 20 | 30 | 40 | 50 | |
| SP33G | 84-89/80/3/16 po81-09 60° | 586 93 84-04 | 0,025 po/0,65 mm | 30° | 80° |
| H25 505 69 | |||||
| H21 505 69 |
Déclaration de conformité CE
Husqvarna AB, SE-561 82 Huskvarna, Suède, tél.: +46-36-146500, déclarons, sous notre seule responsabilité, que les tronçonneuses pour services forestiers Husqvarna 545 Mark II, 545G Mark II, 550 XP Mark II et 550 XPG Mark II à partir des numéros de série de l'année de fabrication 2018 et ultérieurement (l'année est clairement indiquée sur la plaque d'identification et suivie d'un numéro de série) sont conformes aux dispositions des DIRECTIVES DU CONSEIL :
du 17 mai 2006 « relative aux machines » 2006/42/CE. - du 26 février 2014 « relative à la compatibilité électromagnétique » 2014/30/UE. - du 8 mai 2000 « émissions sonores dans l'environnement » 2000/14/CE. - du 8 juin 2011 « relative à la limitation de l'utilisation de certaines substances dangereuses au sein d'équipements électriques et électroniques » 2011/65/UE.
Les normes harmonisées suivantes ont été appliquées : EN ISO 12100:2010, EN ISO 14982:2009, EN ISO 11681-1:2011, EN 50581:2012.
L'organisme notifié: 0404, RISE SMP Svensk Maskinprovning AB, Box 7035, SE-750 07 Uppsala, Sweden, a procédé aux tests de type CE conformément à l'article 12, point 3b de la directive relative aux machines (2006/42/CE). Les certificats des examens de type CE, conformément à l'annexe VI, portent les numéros: 0404/18/2514 - 545 Mark II, 0404/18/2514 - 545G Mark II, 550 XP Mark II et 550 XPG Mark II.
De plus, 0404, RISE SMP Svensk Maskinprovning AB, Box 7035, SE-750 07 Uppsala, Sweden a confirmé la conformité avec l'annexe V de la Directive du Conseil du 8 mai 2000 « relative aux émissions sonores dans l'environnement » 2000/14/CE. Les certificats ont les numéros : 01/161/112 - 545 Mark II, 545G Mark II, 01/161/113 - 550 XP Mark II, 550 XPG Mark II.
Pour toute information relative aux émissions sonores, veuillez consulter la section Caractéristiques techniques à la page 74.
La tronçonneuse LIVRE est conforme à l'exemplaire qui a été soumis au test de type CE.
Huskvarna, 2018-08-15
Per Gustafsson, Directeur du développement (Représentant autorisé de et responsable de la documentation technique.)
Inleiding. 80
Veiligheid. 82
Montage. 87
Werkling. 88
Onderhoud. 99
Problèmes à résoudre. 110
Transport en stockage. 111
Instructions d'origine
Notice Facile