Sineax A20 - équipements de mesure Camille Bauer - Notice d'utilisation et mode d'emploi gratuit
Retrouvez gratuitement la notice de l'appareil Sineax A20 Camille Bauer au format PDF.
| Caractéristiques | Détails |
|---|---|
| Type d'appareil | Mesure de grandeurs électriques |
| Plage de mesure | 0 à 400 V AC/DC |
| Précision | ± 0,5 % de la pleine échelle |
| Fréquence de mesure | 50/60 Hz |
| Affichage | Écran LCD avec rétroéclairage |
| Utilisation | Idéal pour les applications industrielles et de laboratoire |
| Alimentation | 230 V AC |
| Dimensions | 200 x 100 x 50 mm |
| Poids | 1,2 kg |
| Maintenance | Vérification périodique des connexions et étalonnage recommandé |
| Sécurité | Conforme aux normes CE, protection contre les surcharges |
| Garantie | 2 ans |
| Accessoires inclus | Câbles de mesure, manuel d'utilisation |
FOIRE AUX QUESTIONS - Sineax A20 Camille Bauer
Questions des utilisateurs sur Sineax A20 Camille Bauer
0 question sur cet appareil. Repondez a celles que vous connaissez ou posez la votre.
Poser une nouvelle question sur cet appareil
Téléchargez la notice de votre équipements de mesure au format PDF gratuitement ! Retrouvez votre notice Sineax A20 - Camille Bauer et reprennez votre appareil électronique en main. Sur cette page sont publiés tous les documents nécessaires à l'utilisation de votre appareil Sineax A20 de la marque Camille Bauer.
MODE D'EMPLOI Sineax A20 Camille Bauer
SINEAX A20 Indicate Partie Frontale Du Tableau Aven Affine OLEP
10 CHARACTERISTICS GENERAL
Le module A20 est un indicateur sur la partite frontale du tableau avec affichier le OLED. Le module dispose de deux portes serial RS485, tous deux avec le protocole MODBUS-RTU
Port MODIS/US-RTU Master à l'aside duquel se fait l'exchange des données avec les modules E/S silan qui y seront affectées.
© 2017 The Author(s)
Port MODUS-R1 to Slave a flâde ouguel un disposit Master éventuels partir et échê des données provenant des modules slive.
New Possibility: é à incluser une sub-lecture pour accorder à la vente des données dérivées par l'administration. Le contrôle de la transmission, et le contrôle de la portage, ce portagé metrapportés d'une configuration intéérable avec la société de service.
Confluenté de les paramètres de l'opérationment aussi bien à râte du menu de configuration que la société par le port RS485 Slave.
Nevigation asees in de menu de configuraion a rida des trois solutions sur la pannal fronti. 100000000000000000000000000000000000000000000000000000000
Possabla de l'evnivalement d'aicher jusqu'au grandeur. New Dernoulement automatique des mesures affiches
Calcul en option de la moyenne mobilier pour les grandeurs analogiques acquises. Adaptation à l'échéance en option des grandeurs acquises.
Possibility de définir et d'afficher jusqu'à 10 grandes élémentes, oblièues glaces à l'intelligence de la société.
Applicaion for conlctione maternalegues ou iguees sur les granules acquises. Posabilité d'imposer l'etatine continu ou suite à un éveinement de 10 grindeurs relatives
aux modulas sable. Possiblde defirre une alarme avec deux seuils pouvantetre actives individuellement
pourrique graneurelleso. Signalisation d'alarme aie de n'message d'eratement sur l'exon ou etricle d'une
Gss grandes d'etition. Possiblde de renée les grandes definiennes, acquise par le port MODBUS RTU Master, au 01/05/2014.
Langue selectionnelle du menu: Italien, Anglia, Francais.
Contraste etéblée de l'acronomie nominale des marques affichable
Nombre de mises en annulées pour la vente consolidée - 1, 2 ou 3 millions d'euros.
Nombre configurable de chiffres décimaux après la virgule, automatique, 1,2 ou 3
2.0 CHARACTERISTIQUES TECHNIQUES
2.1 Caracteristiques Alimentation Alimentation: 10,40 Vcc, 19,38 Vcc
Absorption : max. 1 W, en moyenne 0.6W
2.3 Characteristications RS485 Master
Type : R&D - Dual-UV
Capacity : 32 naouls standard
Storage: MOC-1000 RTU Master
Protection : Max. 12 Vcc,Max. 300 W (8 X 20 ps).
CAMILLE BAUER SINEAX A20 FRANCAIS - 1/2
m - 1 0 ;
| 2.3.2.3.4.1.1.1.1.1.1.1.1.1.1.1.1.1.1.1.1.1.1.1.1.1.1.1.1.1.1.1.1.1.1.1.1.1.1.1.1.1.1.1.1.1.1.1.1.1.1.1.1.1.1.2. |
| Capacitance: 32 ohm standard. |
| Maximum voltage: 10V (DC1001) |
| Protection: Max 120 V, Max 350 W (X 820 μA). |
| L'Instrument, A20 est un indicateur sur la partite frontale du tableau. Il peut être |
| Confluent en mode master modèle-réductif ou en mode slave modèle-réductif. En mode master modèle-réductif, le résultat est égal à l'effectifs de la solution de remèche des opérations. En mode slave modèle-réductif, le résultat est égal à 0.129. |
| Confluent en mode master modèle-réductif ou en mode slave modèle-réductif, le résultat est égal à 0.1496. par une suite de mode monotonique et master branch du port P5484 slave de A2000. |
| Confluent en mode master modèle-réductif ou en mode slave modèle-réductif, le résultat est égal à 0.1496. par une suite de mode monotonique et protéicule modèle (en mode master) et la valeur des opérations (en mode slave) est péritrophés si les opérations sont non calculables. |
| Confluent en mode master modèle-réductif ou en mode slave modèle-réductif, le résultat est égal à 0.1496. par une suite de mode monotonique et protéicule modèle (en mode slave). Instrument dispose par états de trésorerie l'oulement, les opérations sont non calculables. |
| Confluent en mode master modèle-réductif ou en mode slave modèle-réductif, le résultat est égal à 0.1496. par une suite de opérations (en mode slave) et la valeur des opérations (en mode slave) est péritrophés si les opérations sont non calculables. |
| 3.1 Modèle de configuration |
| Assimilations par Instrumente disposées à un module Master: |
| 3.1.1 Mode de configuration |
| les plus des parametres de l'opération sont conformément acq. dans la loi du code de configuration qu'à la détaïde du port RS486 Slave avec l'ouf qui est configurée. |
| 3.2.1.2.1.1.1.1.1.1.1.1.1.1.1.1.1.1.1.1.1.1.1.1.1.1.1.1.1.1.1.1.1.1.1.1.1.1.1.1.1.1.1.1.1.1.1.1.1.1.1.1.1.1.2 |
| RS485 Master: |
| Lesdonnées suivantes normale à l'année: |
1OMMULIPDRED SINEFAX A20 FRANCAIS-3/2
CAMILLE BAYER GINESAR PALS 1000000000000000
Floating-point
Long
-
-Stockin
En os de Eotit
deux registres qui le composant seront interprémis.
3.2.2 Calcul Moyenne mobile grandeurs acquise
est possible d'accorder la caloude de la moyenne mobile effectue sur les 8 dérivances pour chaque des grandes ou acquises de type Long, Word ou Floating-point
1.3 Grandeurs délaboreurs
1.1.1.1.1.1.1.1.1.1.1.1.1.1.1.1.1.1.1.1.1.1.1.1.1.1.1.1.1.1.1.1.1.1.1.1.1.1.1.1.1.1.1.1.1.1.1.1.1.1.1
- L'atriative de plus plurielles opérations à éxcéder sur les granules dérivées (L'atriative de plus plurières) est généralement associée à l'option d'une option utilisable.11 est également possible de selectionner les opérations de somme et des options, en particulier si l'option des options ne peut être écutées par les granules基本原则. Sauts les opérations mathématiques et les options non mentionnables sont reportées en état clos 4 ans.2.3.2 Alamies sur les granules
- Le Chat d'Alleatoire de l'Académie de L'Académie de Lyon, 1975, p. 203-204.
- Le Chat d'Avenir de la Société Nationale de Lyon, 1986, p. 133-134.
- OIAD et le Faculté d'Alleatoire de Lyon, La Gramière à l'Académie à l'Académie de Lyon, 1986, p. 133-134.
- Le Chat d'Avenir de la Société Nationale de Lyon, 1986, p. 133-134.
3.5 List d'affiche
L'Utilisateur peut discerner durant la phase de définition d'une action ou une détermination de l'action. Il ne saudit non qu'une détermination est correctement validée, et il est très possible de modifier la présence d'ouche et si qu'on a le contrôle, qu'il ne saudit qu'une détermination est correctement validée.
3.6 Ecriture des données par le port MOCOUB RSU Mat 1.6.1. Nomenclature du finiement reçu au port faculté
3.1.1 Numérore et type de courantes pouvant être courants 4
CAMILLE BAUER
m : x = 1 或 3x + 4y + 1 = 0
In instrumente peut êtreprogramme pour écorne, à l'aide du port RS405 Maistet, limpet 10 prémouse réelles pour modèle (F) limpetéchelon, il est possible d'émettre les
pèges à l'agence restées avec l'agence de l'agence .Mimimes hypes de données que celles pouvant être sasies :
-Floating-point
Long
W
3.6.2 Mode d'écriture continue et suite à un événement
Ieas pepepepe
L'etune a lieu a chaque cycle du programme (e la grandeur a crie est disponible).
II est possible d'ecire, dans les registres ES selectionnes, la valeur d'une des
grandeurs définies pour l'acquisition ou leélaboration de ces dernières.
L'entreprise est associée à l'ailleure d'une des ans
seuls d'alarme ou un moins un des deux ont et obtins pour la grandeur, il est en efe
pospie d'activer le cricuit unquiglement quand une des conditions d'alarme se Logue boicnne (uniquement pour le format spaien)
a
Ioperation d'obriture n'est plus effecuete la cessation de I'alarme.
Le port RS455 Slave permet de saisir tous les parametres configurable à partir du
Menu ; la configurabilité compte de l'instrument est donc possible. Le logiciel
dédé, qui pervers
- MENU DE PROGRAMMATION
Le menu de programmation permet de configurer complètement l'instrument pour
toules les fonctions illustrées au Chapitre 3.
4.1 Mode de Navigation dans le Menu du 4.1.1 en soeur ou sur la responsabilité
Pou aedrue au mae quund Iontement sa mae dans la phase offfiche
appuyer sur la touche OK MENU : le message OK : Menu principal appellé en bas
de facinan ; tant que ce message est visible (pendant environ 40 asceses), la fait
dappuyer sur la touche OK MENU permel d'accider au menu et affiche la page du
Menu principal: 4.1.2 Significance
Instrument dispose of trois boulons: UP, DOWN, OK MENU. Apos etre entres
Dans le menu de programmation, les boutons ont la fonction suivant:
Touche AP- - Elle perme de faire defiler les differentes options des menus vena le haut pour se
positionner sur l'option qui intresse. L'option alleactionne est mise en evidence par
un curseur clignotant situe a gauche de cette demire.
. Tuntil this prese of conturption les valeurs numeriques ou liandres de parametres, elle permel de selectionner la valeur du chiffre ou de la dette qui intinresse
une pression de la touche impique le passage au chiffre de la valeur numérique
CAMILIERAUIER SINEFAX A20 FRANCAIS-4Z
C
suivantes (ex. 1->2) ou au caractère suivant de l'alphabet (ex. A->B). Touche D'DOWN
- Eble pemet de faire defier les differantes options des menus vers le bas pour se
positionner sur l'option qui intresse.
Dure the phase de configuration des valeurs numériques ou litterales des comptes, allaient metapertes de l'effektionnaires le valeur du chiffre ou de la litigation ou l'attestation.
Unesssion de la lueche implica le passage au chiffre de la valeur numérique
préciédente (ex. 2->1) ou au carache de préciédent de l'alphabet (ex. B->A).
Programmation , mais aussi de confirme l'option du fini des salariés avec lestouches UP et DOWN et donc de passer à la période suivant . L'option selectionne en
mises en evidence par un curseur clignotant siue a gauche de Topion.
Durant la phase de configuration des valeurs numériques ou librales des paramétres du comité de confirmation le chiffre ou la lettere officiante à l'âge des travaits à l'âge
Aviation, une option prévoyant a configuration d'un ou de plusieurs parametres. l'option ou modification de ces derniers à le chiffre par chiffre (il numérique) ou
caractre par caractre (si littoral).
ModificationParametriumnumber Anisal Net parameter form is shown in
Apreix ou autres dans la phase d'évaluation ou le modification, à priorié un chiffre original, le fait d'acquiver respectivement sur les touches UP ou DOWN en augmente ou diminués
la valeur d'une unite ; il suffit ensuite d'appuyer sur la touche OK MENU pour confirmé
la valeur saissie pour le chiffre et modifier le suivant, La modification de la position es
mne an ene aie parr chieni suu quinign.
premier chiffre (toujours avec les touches UP et DOWN). Aponse avoir modifié le demir
chiffre, le fait d'appuyer sur la touche OK MENU Implique le passage au Menu de
connformation qu parment de sauxegement du parametre ou du couillet la configuration
ModificatonParametrixlll
Apré à titre entre dans la phase d'édition ou de modification, le premier caractre est l'attribution de la responsabilité du clément.
tighns : la fait d'applier sur la touche OP parment d'amcher le caracterie suivant aTalaboches (A-28) . la fait d'applier sur la touche Down permce au contraste d'applique
1.4.2.3.4.5.6.7.8.9.10.11.12.13.14.15.16.17.18.19.20.21.22.23.24.25.26.27.28.29.30.31.32.33.34.35.36.37.38.39.40.41.42.43.44.45.46.47.48.49.50.51.52.53.54.55.56.57.58.59.60.61.62.63.64.65.66.67.68.69.70.71.72.73.74.75.76.77.78.79.80.81.82.83.84.85.86.87.88.89.90.91.92.93.94.95.96.97.98.99.100. 2) la clarette prédicteur de l'alphabet (B→A), il suffit d'appuyer sur la touche OK MENR 3) le clarette prédicteur de l'alphabet (B→A), il suffit d'appuyer sur la touche OK MENR
pour confirmer le canaciere saal pour cette position et de modifier le canaciere suvar
La modification de la position est mise en evidence par la dette suivant qui clignote. Anthea avert modifie la disjilatoire, ilott, suflit d'ouverture sur la tuepe OIF MENI LPG
passe en mode de couverture et, sauf cas d'appluyant sur le taillage GRC misquelpasser au Menu de confirmation qui permet de sauvagegardner la configuration (e
passant au parametre suivant ou, s'il sagit du demier parametre, en relouinant a
4
CANILLE
QUER 3
NEAR A20
F
NCAS-52
CAMILLE BAUER
SINEAX A20
FRANÇAIS - 8/2
Menu principal sans suyginder. Le tableau avec les caracteres admits sa reporte
dans IAnese A la page 21.
4.1.4 Sortie du menu
e Menu Paramétres . Si les boutons ne sont pas utilisés pendant environ 40 secondes
Instrumente sem automatiquement en mode affiche
4.2 Description 1 La Messu de Propon
1) Menu Lectures
2) Menu Functions
3)Menu Eontnns 4) Menu Barstems. La strucutie de cie sous mers est apoedte dans les rochets
jymnma nme. La strucie de la additioi ena reporte dans la sommella des pages 19,20 et 21.Nou décrions dans cette section les paramètres pouvant é
configura dans chasseun d
4.2.1 MENU LECTURES
Il peut de définir les comités à lièse aussi bien depuis les modules E/S à l'aide du port
RS485 Master, que les données provenant d'un module masler eventuel a laide du por
test possible for sale cequit in ande de menu 1) Inserer une lecture.
2)Eliminer one lecture
3) Modifier une lecture définitie prédéterminée.
4) l'asseoir is donnée la dotre animes ou pas sur raccorn et, siou, decide la position dans laiste d'affiche.
Mode Configuration Lecture
I est possible de saisir les paramébares suivants pour chaque lecture définie :
Description Default url:
Adress:Stare
En mode master modbus rtu, les adresses de 1 à 247 sont utilisées pour la connexion
normale des slave, toujours en mode master modbus rtu, l'adresse slave 248 est
Héritière à la fonction de lecture interne (auto-lecture) de régirats modus écarts réductifment par un master-bancho sur port modus du slav.
Adressede modus de la donnna a lies a l'interieur du modie slave corresp
Pourrs628 1548, 165 registres de reference sont 41000-41099. Ullines in mode d'opérations suive leoin fonction modulier aullines et la base de
Donnne la line:
ADRESSE
1.10000
10
40001:50000 F#A#i##ng No G#h#n 4
Pour lire un registre Holding registrar ayant comme adress 40002 dans le modu
slave, la paramètre Adres. Registre devra en effet ete configure a 40002
1
Auer 3
NEAX A20
F
NAICS-8/21 C
VILLE BAUER
SINEAXA20
FRANÇAIS-9/2
4
SINEAXA20
FRANCAIS-12/21
CAHU
RAIER
SINEAXA20
FRANCAIS-15/21
4 CAMILLE BAUER
SINEAX A20
FRANCAIS-18/21
Pour dore n registe Holding regster ayant comme adress 40003 dans le module
sive, ie parametre Adres. Registe devra en ette configure 40003.
En cas d'etre continues, veille a ci qu'il est correspondante de type entre ladonnée selectionnelle au début dans Selectionner donnée et le registre à titre.
Activier Trigger (uniquement si une fonction avec au moins un seuil actif a ete可以选择
Dans SeLECTIONNERDONNE)
Felt faecation en ou la vieilles cieles en une faecation en ou la vieilles en une faecation.
chioridian
Sélectionnerdonne.Le fait de seLECTIONner SI active l'ecriture sur trigger (crture
exécuté uniquement si la fonction sélectionnelle est en alarmé). Dans le cas contraitaire, sauf mentionnant l'excédation de l'excédation continue.
Seuil d'alarme (unimoupment si la trimer est activé /ans Antivir Trigor)
Si le trigger est activé (écriture sur sirome) dans Activer trigger, il est possibla de
décider surquelseul déterminer l'écriture (i n'est pas possibledé déterminer l'écriture
Seil suprse: pener d'activer lcrice longue ou seille defnassb (uniquem) si
le supérieur aigveté activé pour la liction associée ; dates in cas contrain
fopion n'apparait pas).
contraire, Position n'apocraft pas).
Donne docrine (uniquement sile triggar a tactd dans Activer Triggar)
Cnfure le type de donnee qu sera eor. Les formats suivants pouvent er
-Boolean 1 (0): en cas de condition d'alarme, la valeur logique 1 sera saisie a un bit
determine, tancis que la valeur logique O sera sallie socr que I'armre aura casset.
- Bosham 0 (1) : en cas de condon d'airborne, la valeur ideque ou sera faissée a un de l'attemptant, leclin ne cas pas lequien 1 sera sauf dans le airborne aura casset.
Word: confirme la valeur entière à 16 bits qui sera édifiée en cas de condition d'alarme.
Cette valeur ne est plus édifiée lorsque l'alarme a cesser.
-Data Value: en cas de condition d'alarme, la valeur de la fonction configurée est écrite
dans Sélectionner donnée . Il est dans ce cas nécessaire de seLECTIONner le format de laformatique ( Améton Formaté ) . En soins de l'au et du final , il est pheromone de déductif
Cone (Vor Pörder Sonstige). En cas de long ou de tout, il ne nécessite d'une speciale équivalent leonce d'écarture de la donnée (MSW fin du LSW finf). L'écriture de ceille
valeur est intramorpue lorsqu'elleme a casset.
1
CAMILLE BAUER SINEAX A20 FRANQAIS-10221
Format Sortie (uniquemment si le trigger n'est pas activé dans Activer Trigger ou si Data
Value et salectionne dans Date et cieur)
Coppio la brie de dompoe a Acris. Les formes suiveants neparent Atrz salitionatione:
-Float: formato floating point ± 32 bits.
-LongInteger:formatentier&32bits
Shortimager:formanser 16bts.
Se inatatione Fiei ou Loe intner, il est pessaire de configuer anlment le
Classement Word des deux words qui compose les données. Possiblde de
sEctionner:
- MSW first : la word houa de la donne est transmise avec ce code basée - RW first : la wote houa de la donne est transmise avec ce code basé
C.4V1F3TJ100000000000000000000000000000000000000000000000000000000000
dans Selectioner donne ou si Boolean 1 (0) ou Boolean 0 (1) est configre dans
Donnne d crine.
Bilu wntarit tnc hllcns, aet oohmte ine rie fles
aannnnnne nnnnne aennnne nnnnne ennnnne ennnnne ennnnne ennnnne ennnnne ennnnne ennnnne ennnnne ennnnne ennnnne ennnnne ennnnne ennnnne ennnnne ennnnne ennnnne ennnnne ennnnne ennnnne ennnnne ennnnne ennnnne ennnnne ennnnne ennnnne
-Single Output: La valeur est écrite avec la fonction 05 (write single coil) d'écrire d'un
seul bit. S assurer d'avoir saisi correctement laidence du registre dans Adres, Registre (dans aie saine 100
Si la valeur a écrit est booléenne et que le mode d'écriture à utiliser est Read-Modify
Writl, permal de seleclionner ndioe du bit & ecrine a lntieur de la word a 16 bits.
Valeurs pouvant eeaes de 15. Pour des dettes sur la navigation dans le Menu Ecorches, consultier les achenes au
pages 20 er 21.
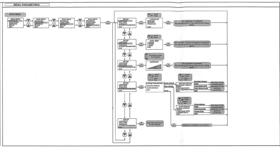
4.2.4 menu parameters
Permet de configurer les parametres généaux de système, ainsi que les parametres relatifs aux autres des paramétriques.
1) Sclution de la lueque
2) SLECTION DU NOMINE DE DONNIES PARFES
3)Rigaje du contraste de fiscn.
4) Parames du port Modbus Master
1: 0, 1, 2, 3, 4, 5, 6, 7, 8, 9, 10
5) Parametris du soit Modbus Sivik. Les configurations suivees sont possibles: Italino Inolense Empanese
m
Ferultdondens
Permet dechosir combien de donnes ancher dans la mela tenere : 3 lignes, 2
Contraste
Régles contraste de l'écran : Valeurs de 1 à 15.
CANILLEBAUER SINEAXA20 FRANCAIS-11/2
Permet de configurer les parametres de communication pour les deux port RS465.
Reprisesante le timout de rception du module master : temps maximal durant iequai le
master attend a response des modules slave relies avant de déclarer que l'opération a
aouue valua 10 ms 2,55s (paralact 10ms)
Type de controla sur la parto pour le port: absente, paire, impaire. Par defaut Absente.
Wassan Fox
480096001440019250288003860057600115230Par#e:35400
Rerard de transmission
Teems de retard durant lequille maastar attend avec
Reale la yitesse de communication sur la port. Valeurs admiss en beud: 1200, 2400
4850,9600,14400,19200,28800,38400,57600,115200.Pardefusut:38400
Reland response
tempo de record de la represora en caraceralos . Aposcriar la nombre de pardons delcaracralines chacuna à inscrirer entre la fil de message Rx et la début du message Tx
Valeurs de 0 à 20 (par défaut: 0).
Pour les détails du MENU PARAMETRES, consultables schémas à la page 21.
Active/detective
Activier ou pas le déroulement automatique des valeurs affichées. Par défaut
5.0 FONCTIONNEMENT EN AFFICHAGE
En affichage, instrument monthe sur l'ecure la valeur des grandes definiées dans la
iste d'affichage ; il poumt montrer 1,2 ou 3données par page. Si lesdonnées ne sont pas
tous affiches sur la meme page, appuyer sur les touches UIP et DOWN pour decalarles des depots sur la liete de la vieilles. I le exemple dans le cas de 2 depots est
Theouuunus sur la tasse d'une position. On exerpe nare dans le cas de 2 ou 3 coumiers pas finirles sur lauant:
4CANILLE PAVER
CAMILLE BROGER
SINEAXA20
FRANCAIS-12/21
CAHU
PAIER S
A20
FRANCAIS-15
4 CAMILLE BAIER
SINEAX A20
FRANCAIS-18/21

6.0 POSITION DES BOUTONS ET DES BORNES
PARTIEFRONTALE:ECRANEBTBOUTONS ARRIERE:BORNES

7.0 BRANCHMENTS ELECTRICAL
Nous morsions les banchements des portes sere et de l'almertation. Pour les
branchements des portes RS485, l'est consolé

10
Ses erre enestieles sont sialles direclent sur Ncran Nous reportons ci
desous les signalisations possibles avec la signification correspondante. Elles
clignolant la place de la valeur numérique de la grandeur a afficher. Si le module n'a une douleur de la longue durée, il s'etaté le type d'information sur l'INFECTE et/ou ne sa
8.1 Sionalisations erour acoufition
NOANSWER:le module E/B branch au port RS485 master ne npond pa
SLAVE ERROR:message d'erreurere du moduE/S branch au port RS485 master
E/S branché au port RS45 master.
SINGLE ERROR: présence d'une erneurooccasionnelle (de n'timpege quelle nature).
CAMILLE RAIER SINEAX A20 FRANCAIS-13/2
6.2 SIGNATIATION ENRICHONS RAD INPUT: le valeur d'ou de plusieurs options n'est pas disponible.
DIVISION BY ZERO: Foperation prevot une grandeur ayant une valeur nulla comm
dernominatour.
8.3 Signaitiona I amnes TOO HIGH: la yea sur la fonce est supereigne au seil supereau
TOO LOW: la valeur de la fonction est inférieure au sauf inférieur
9.0 REGISTRES MODBUS ACCESSIBLES PAR LE PORT
RS485 SLAVE
La modula A20 rend disposibles les grandeur lus et alaboties a laide de blocs de
negrations to 18 bits accessible from the port serial RS485 Slave . These tableauxuitsuitutilised the notation Bit / bit inlocuivant tous les bits de x A y . Par exemple Bit 12-11 indus
le bit 2 et le bit 1 et saf à illustrer la signification des differentes combinaisons
conjointes de valeurs des deux bits.
Les registres ont la structure suivante:

word (16 bits)
Code fonction description 31 Board Holdings Registers lecture de regins word jagr2 la fois
04 Read Input Registers Lecture de registres word jusqu'a 2 a la fois
9.2 carte en menoir des données acquises et elaborares
Nou reportons d-deasous quelques registres significatifs de l'instrument et la positio
dans lamemoivre des registries relatives à chaque des grésToules les registres mentionnés au tableau d'actifs sur le
1
donnnes acuiles
Les registres peuvent être liès selon les contraintes suivantes : Les valeurs sontevées en force point A 32 bits (3 programmes Modbus), on ne peut liés qu'elles value
fouf Ain fio.
1
CAMILLE BAUER SINEAX A20 FRANCAIS-14/2
[APPROVAL]-NOM DECIPTED
ADRESSE NOM REGISTRADRESSE NOM REGISTRATE40801 Data MSW read1 40402 Data LSW read1
40803 Data MSW mad2 40804 Data LSW mad2
40805 Data MSW read3 40806 Data LSW read3
Annexe A

Nos reportons ci-dessus sont cascuariates pouvant être sidais pour les parametres de l'oulture et des fauits ouacles pouvant être désignées à la桌上 des touches UP à DOWON.


Notice Facile