Logano plus GB102S 1630 - Chaudière de chauffage central BUDERUS - Notice d'utilisation et mode d'emploi gratuit
Retrouvez gratuitement la notice de l'appareil Logano plus GB102S 1630 BUDERUS au format PDF.
| Caractéristiques | Détails |
|---|---|
| Type de chaudière | Chaudière à gaz à condensation |
| Puissance nominale | 1630 kW |
| Rendement énergétique | Jusqu'à 109% |
| Dimensions (L x H x P) | 800 x 1400 x 600 mm |
| Poids | 250 kg |
| Type de combustible | Gaz naturel ou propane |
| Système de contrôle | Régulation électronique |
| Utilisation | Chauffage central pour habitations et bâtiments |
| Entretien | Contrôle annuel recommandé par un professionnel |
| Émissions de CO2 | Faibles émissions grâce à la technologie de condensation |
| Sécurité | Équipée de dispositifs de sécurité intégrés (soupape de sécurité, détecteur de monoxyde de carbone) |
| Garantie | 2 ans sur les pièces |
| Normes | Conforme aux normes européennes en matière de sécurité et d'efficacité énergétique |
FOIRE AUX QUESTIONS - Logano plus GB102S 1630 BUDERUS
Questions des utilisateurs sur Logano plus GB102S 1630 BUDERUS
0 question sur cet appareil. Repondez a celles que vous connaissez ou posez la votre.
Poser une nouvelle question sur cet appareil
Téléchargez la notice de votre Chaudière de chauffage central au format PDF gratuitement ! Retrouvez votre notice Logano plus GB102S 1630 - BUDERUS et reprennez votre appareil électronique en main. Sur cette page sont publiés tous les documents nécessaires à l'utilisation de votre appareil Logano plus GB102S 1630 de la marque BUDERUS.
MODE D'EMPLOI Logano plus GB102S 1630 BUDERUS
Notice d'installation et d'entretien pour le professionnel Logano plus
GB102-16/30/42
GB102S-16/30
Lire attentivement avant l'installation et la maintenance.
Table des matieres
1 Légende des symboles et mesures de sécurité 3
1.1 Explication des symboles 3
1.2 Legislation et reglements 4
2 Informations sur I'appareil 4
2.1 Informations generales 4
2.2 Utilisation prévue 4
2.3 Déclaration de conformité 4
2.4 Plaque technique du modele 4
2.5Vue d'ensemble des modeles 4
2.5.1 Alimentation electrique 5
2.5.2 Alimentation en gaz 5
2.6 Dimensions et description 5
2.7 Description du produit Logano plus GB102-16/30/42 . 6
2.8 Schema de connexion Logano plus GB102 7
2.9 Caracteristiques techniques Logano plus GB102 .8
2.10 Type de gaz et type d'installation
2.11 Reduction de puissance thermique liée à l'altitude.... 9
2.12 Description du produit Logano plus GB102S-16/30. 11
2.13 Schéma de connexion Logano plus GB102S 12
2.14 Caracteristiques techniques Logano plus GB102S .. 13
3Reglements 16
3.1 Reglements nationaux spécifiques 16
3.2 Autorisations et notifications 16
3.3 Qualité de l'eau de chauffage 16
3.4 Raccordement à l'air de combustion et aux systèmes d'évacuation des gaz brûlés 16
3.5 Fonctionnement dependant de I'air ambient 16
3.6 Systèmes d'évacuation des gaz brulés de type Bxx . 16
3.7 Systèmes d'évacuation des gaz brulés de type Cxx . 17
3.8 Qualité de l'air de combustion 17
3.9 Mise au rebut 17
3.10 Inspection, entretien et maintenance 17
4.1 Nettoyage des circuits primaries 17
4.2 Raccordements hydrauliques 17
4.2.1 Raccordement depart etretour 18
4.2.2 Vase d'expansion et vanne de vidange 18
4.3 Système et conduites hydrauliques 18
4.4 Ecoulement des condensats 18
4.4.1 Pour retirer le siphon de condensats 18
4.5 Emplacement de la chaudiere et dégagements 19
4.5.1 Installation 19
4.5.2 Dégagements d'installation et d'entretien: 19
5 Installation 19
5.1 Deballage de la chaudiere 19
5.2 Exigences chaufferie 20
5.2.1 Installation des pieds de mise a niveau 20
5.2.2 Emplacement de I'appareil 20
5.3 Montage de la chaudiere et de l'ouverture de la conduite d'évacuation des fumées 21
5.4 Options de conduite d'évacuation des fumées 22
6 Installation electrique 23
6.1 Installation électric 23
7 Mise en service 24
7.1 Verifications avant la mise en service 24
7.2 Remplissage du système et contrôle d'étanchéité 24
7.3 Traitement de I'eau 25
7.4 Mise en service 25
7.5 Verification de la pression d'entrée de gaz 26
7.5.1 Mesure de la pression d'entrée 26
7.5.2 Verification du taux de gaz 27
7.6 Terminer la mise en service 27
7.7 Lieste de contrôle mise en service 28
8 Désinfection thermique 29
8.1 Proceder à une désinfection thermique 29
8.2 Effectuer une désinfection thermique pour les chaudières avec ballon d'eau chaude 29
9 Fonctionnement de l'installation 30
9.1Vue d'ensemble des commandes 30
9.2 Ecran 30
9.3 Interrupteur Marche / Arret de l'appareil 30
9.4 Mode chauffage 31
9.4.1 Mode chauffage Marche / Arret 31
9.4.2 Regler la températe de départ maximum 31
9.5 Reglage de I'ECS 32
9.5.1 ECS Marche / Arret 32
9.5.2 Reglage de la températe ECS 32
9.6 Reglage apparem de commande 32
9.7 Mode ete Marche / Arret 33
9.8 Reglage protection hors gel 33
10 Entretien et pieces de rechange 33
10.1 Inspection et entretien 33
10.2 Fonction entretien 34
10.2.1 Sélection des menus de service 34
10.2.2 Sélection du menu Information 34
10.2.3 Selection du menu 1 35
10.2.4 Sélection du menu 2 35
10.2.5 Sélection du menu 3 37
10.2.6 Sélection du menu test 38
10.2.7 Regler la chaudiere sur puissance maximum 38
10.3 Adaptateur de la conduite d'évacuation des fumées . 38
10.4 Inspection d'entretien - Acces aux composants 39
10.4.1 Panneau de commande - Position d'entretien 39
10.5 Verification de la pression d'entrée de gaz 39
10.6 Mesure de pression de ventilateur 39
10.7 Analyse du gaz brule 40
10.8 Regler le rapport air/gaz 41
10.9 Nettoyage de I'echangeur thermique 42
10.10 LiSTE de controle de I'inspection et I'entretien 44
10.11 Travaux d'entretien, si nécessaire 46
11 Pièces de rechange 47
11.1 Pièces de rechange 47
11.1.1 Acces aux composants 47
11.1.2 Moduleventilateur 48
11.1.3 Sondes 49
11.1.4 Pourrirerle siphonde condensats 49
11.1.5 Bloc gaz 49
11.1.6 Echangeur thermique principal 50
12 Recherche de defaulted et diagnostics 51
12.1 Codes d'etat et défauts 51
12.2 Elimination des defaults 51
12.3 Menus d'information et de service 51
12.3.1 Sélection du menu Information 52
12.3.2 Sélection des menus de service 53
12.3.3 Selection du menu 1. 54
12.3.4 Menu 2 - Paramétres chaudière 54
12.3.5 Réinitialiser les réglages usine 56
12.3.6 Menu 3 - Limites maximum & minimum de la chaudière 57
12.3.7 Utilisation du menu test 57
12.4 Codes défaut 60
1 Légende des symboles et mesures de sécurité
1.1 Explication des symboles
Avertissements

1 Les avertissements sont indiqués dans le texte par un ou deux triangle de signalisation.
2 En outre, les mots de signalement caractérisent le type et l'importance des conséquences eventuelles si les mea
3 sures nécessaires pour éviter le danger ne sont pas respectées.
Les mots de signalement suivants sont définis et peuvent être utilisés dans leprésent document :
- AVIS signale le risque de dégats matériels.
- PRUDENCE signale le risque d'accidents corporels légers à moyens.
- AVERTISSEMENT signale le risque d'accidents corporels graves à mortels.
DANGER signale la survenue d'accidents mortels en cas de non respect.
Fonctionnement de l'installation :
Cette installation peut être utilisée par des enfants à partir de 8 ans et par des personnes avec des capacité physiques, sensorielles ou mentales réduites ou des personnes maquant d'expérience et de connaissance si ceux-ci ont été surveillés ou informés de l'utilisation en toute sécurité de l'installation et s'ils comprend les risques encourus. Il est interdit aux enfants de jourer avec l'installation. Le nettoyage et l'entretien utiliser ne doit pas être effectué par des enfants sans surveillance.
Informations importantes

Les informations importantes ne concernant pas de situations à risques pour l'homme ou le matériel sont signalées par le symbole ci-contre.
Autres symboles
Tab. 1
| Symbole Définition | |
| ► | É t a p e à |
| → Renvoi à un autre passage dans le document | |
| • | É n u m é r |
| - Énumération (deuxieme niveau) | |
Symboles utilisés dans ce manuel
Tab. 2
| Eau chaude sanitaire | |
| Chauffage central | |
| Ballon d'eau chaude sanitaire | |
| Alimentation domestique d'eau froide | |
| Alimentation en gaz |
Veuillez dire attentivement cette notice avant de commencer l'installation.
Tab. 3 Utilisation des abréviations dans ce manuel
| Ø | D i a m e |
| ≤ Inférieur ou égal | |
| ≥ Supérieur ou égal | |
| < Inférieur | |
| > | S u p é |
| NG | Gaz naturel |
| GPL | Gaz de pétrole liquéfié |
| CC | Chauffage central |
| ECS | Eau chaude sanitaire |
| EFD | Eau froide domestique |
| SPD | Soupape différentielle |
| CTN | Coefficient de température négatif (capteur) |
| IP | Indice de protection |
| RCD | Interrupteur à courant différentiel résiduel |
| TRV | Vanne thermostatique de radiateur |
| ECV | Valve de réglage d'urgence |
Cette notice d'installation et d'entretien s'adresse à l'installateur de l'installation de chauffage.
Lire les notices d'installation et d'entretien (appareil, régulation, etc...) avant l'installateur les conserver.
Respecter les consignes de sécurité et d'advertissement.
Comportement en cas d'odeur de gaz
Il existe un risque d'explosion en cas de fuite de gaz. En cas d'odeur de gaz, respecter les règes de comportement suivantes!
Eviter la formation de flammes ou d'étincelles :
- Ne pas fumer, ne pas utiliser de briquet ou d'allumettes.
-
Ne pas actionner d'interrupteur électrique, ne pas débrancher de connecteur.
-
Ne pas téléphoner ou actionner de sonnette.
-
Verrouiller l'arrivée de gaz sur la vanne d'arrêt principale ou sur le compteur de gaz.
Ouvrir portes et fenêtres.
Avertir tous les habitants et quitter le bathtub.
Empécher l'accès de tierces personnes au bâtiment.
Appeler les pompiers, la police et le fournisseur de gaz depuis un poste situé à l'extérieur duBATIMENT!
Risques en cas d'odeur de fumée
Mettre I'appareil hors tension.o
n
Ouvrir portes et fenêtres.
Informer un installerateur ou un service après-vente agreé.
En cas d'installation de type B :
Risque d'emploiement par fumées en cas d'alimentation en air de combustion insuffisante
Assurer l'alimentation en air de combustion.
Ne pas obturer ni diminuer les orifices d'aération sur les portes, fenétres et murs.
Assurer également une alimentation suffisante en air de combustion pour les appeareils installés ultérieurement, par ex. les ventilateurs d'évacuation d'air ainsi que les ventilateurs de cuisine et climatiseurs avec évacuation de l'air vers l'extérieur.
En cas d'alimentation insuffisante en air de combustion, ne pasmettre l'appareil en marche.
Dégats dus à une erreur d'utilisation
Les erreurs de commande peuvent entrainer des dommages personnels et/ou matériels.
S'assurer que les enfants ne jouent pas avec l'appareil et ne l'utilisent pas sans surveillance.
S'assurer que les utilisateurs savent utiliser l'appareil de manière conforme.
Combustion et matérielux corrosifs
L'air dans le local d'installation doit être exempt de substances inflammables ou chimiques agressives.
- Ne pas utiliser ou entreprises des matières facilement inflammables ou explosives (papier, essence, diluants, peintures, etc.) à proximé de l'appareil.
Ne pas utiliser ou stocker de substances activatrices de corrosion (diluants, colles, déterments chlorés, etc.) à proximé de l'appareil.
Ajustement et modification
Les systèmes d'évacuation des fumées ne doivent pas être modifiées autrement que de la manière décrite dans la notice de montage. Toute utilisation non conforme de l'appareil, de la conduite d'évacuation des fumées, des accessoires ou systèmes associés invalide la garantie. Le fabricant n'endosse aucune responsabilité découlant de telles actions, hors droits réglementaires.
Entretien
Conseiller à l'utilisateur de faire entrenir le système chaque année par un technicien compétent référencé. Il convient d'utiliser des pieces de rechange approuviées pour permettre de maintainir l'économie, la sécurité et la fiabilité de l'appareil.
1.2 Législation et reglements
Règlements d'installation
L'appareil doit être installé par une personne compétente conformément à la législation et aux règlements en vigueur au moment de l'installation, en accordant une attention particulière à toute clause ou à tout règlementédICTEparlesautoritéslocales.
2 Informations sur l'appareil
2.1 Informations generales
\section*{Caracteristiques de chaudière et liste de contrôle}
- Pré-câblée et tuyauterie pré-raccordée
- Cadre-support interieur en acier galvanisé
- Système de commande Buderus EMS
- Allumage automatique
- Electrodes directs d'allumage de brûleur
Protection hors gel integree
Dispositif de diagnostic de recherche de defaulted intégré
·Blocegazautomattiquea variation - Ventilateur d'air de combustion avec régulateur de vitesse
- Capteur et commande de température chauffage central
- Capteur de surchauffe gaz brûlé
Tab. 4 Lot annexe de documentation - liste de contrôle
| Liste de contrôle - lot annexe de documentation : | Q'té. | |
| 1 Manuel d'installation, de mise en service et d'entretien 1 | ||
| Notice d'utilisation 1 | ||
Tab. 5 Lot annexe d'installation - liste de contrôle
| Liste de contrôle - lot annexe d'installation : Qté. | ||
| 2 | Tuyau d'évacuation SPD | 1 |
| 3 | Pieds de nivellement | 4 |

Fig. 1 Emballage standard
2.2 Utilisation prévue
Ces apparèils doivent uniquement être utilisés au sein de systèmes de chauffage central à l'eau chaude en circuit fermé.
Toute autre utilisation est considérée non conforme. Tout dommage du à une utilisation non conforme est exclue de la garantie.
L'utilisation commerciale ou industrielle de l'appareil pour la production de chaleur industrielle est interdite.
Utiliser uniquement du gaz d'origine fourni pas un fournisseur officiel de gaz.
S'assurer que l'appareil fonctionne dans les limites indiquées sur l'éti-quette signalétique et les paramètres indiqués dans le present manuel.
2.3 Déclaration de conformité
Ce produit, par sa conception et sont fonctionnement, est conforme aux Directives Européennes et aux exigences nationales supplémentaires.
La conformité est attestée par le marquage CE.
Il est possible de demander la déclaration de conformité de ce produit. Pour ce faire, adresser votre demande à l'adresse indiquée au dos du manuel.
Les appareils sont conformes aux exigences pour les chaudières gaz à condensation en matière de règlements sur les économies d'énergie.
Les appareils sont testés selon EN 677.
2.4 Plaque technique du modele
L'autocollant technique du modele contient des informations sur les performances de l'appareil, les données d'enregistrement et le numero de série.
2.5 Vue d'ensemble des modèles
La chaudière 'systeme' Logano plus GB102S dispose d'une pompe de circulation intégrée et d'une vanne d'inversion intégrée pour diriger le chauffage vers les radiateurs ou vers un ballon d'eau chaude à chauffage indirect. En combinaison avec le ballon d'eau chaude, le kit d'eau chaude sanitaire doit être prévu comme accessoire obligatoire.
L'appareil de chauffage 'système' est intégré à un système fermé sous pression maintenu per un vase d'expansion.
La chaudière standard Logano plus GB102 est destinée à l'utilisation dans un système de chauffage central existant équipé ou non d'unallon d'eau chaude.
Le système de chauffage doit être équipé respectivement d'une pompe de charge ECS pour l'alimentation du gallon et d'une pompe CC pour le circuit de chauffage.
Buderus
2.5.1 Alimentation électriche
- Alimentation: 230V - 50Hz
- Fusible externe 3A à « action rapide »
L'appareil doit être relié à la terre - IPX4D
- Le câblage entre l'appareil et l'alimentation électrique doit être conforme aux reglementations IEE les plus récentes concernant le câblage d'appareils fixes
- Aucun système raccorde à l'appareil ne doit avoir une alimentation électrique séparée
2.5.2 Alimentation en gaz
- Les chaudières au gaz naturel (NG) doit être raccordé à un compteur régulé.
Le Gaz de Petrole Liquefiede (GPL) doitetre raccordéa un régulateur. - Installation et connexion de l'alimentation en gaz de la chaudière doit être conforme aux règlements nationaux et locaux.
- Les dimensions du tube d'alimentation en gaz ne doivent en aucune cas être inférieures à DN20.
Le compteur ou le régulateur et les travaux de tuyauterie menant au compteur peuvent être vérifiés par le fournisseur de gaz. Ceci permet de vérifier que l'équipement fonctionné correctement et peut supporter le départ de gaz et les exigences de pression, en plus de la demande à partir de n'importe quel autre apparéil raccordé.
2.6 Dimensions et description



Fig. 2 Dimensions et raccordements (en mm)
Logano plus GB102-16/30/42 :
[1]Départ d'eau chaude (1")
[2] Gaz (3/4")
[3*] Non utilisese sur la Logano plus GB102
[4] Retour d'eau chaude (1")
[5] Sortie de condensat
[6] Conduite d'évacuation de fumées 80/125
Logano plus GB102S-16/30 :
[1] Chauffage central et département d'eau chaude (1")
[2] Gaz (3/4")
[3*] Retour ECS (1") (seulement si le kit de vanne d'inversion en option est monté)
[4] Retour chauffage (1")
[5] Sortie de condensat
[6] Conduite d'évacuation de fumées 80/125
2.7 Description du produit Logano plus GB102-16/30/42

Fig. 3 Logano plus GB102 - composants principaux
Legendede la fig.3:
[1] Adaptateur concentrique des fumées
[2]Interrupteur Marche / Arret
[3] Affichage
[4] Manometre
[5] Support de la plaque de protection de la chambre de combustion x 4
[6] Electrode de contrôle
[7] Module électrode
[8] Sonde de température de départ
[9] Sonde de température de sécurité
[10] Couvercle d'inspection échangeur thermique
[11] Réservoir à condensats
[12] Soupape différentielle
[13] Robinet de vidange
[14] Siphon de condensats
[15] Bloc gaz
[16] Thermostat de surchauffe des fumées
[17] Tubes d'alimentation en air (chaudieres 30 et 42 kW uniquement)
[18] Purgeur manuel
[19] Mélangeur
[20] Générateur d'étincelles
[21] Ventilateur
[22] Capot,chambre de combustion
Buderus
2.8 Schéma de connexion Logano plus GB102

Fig. 4
[1] Bloc de raccordement des bornes de l'appareil
[2] Alimentation secteur
[3] Module de régulation de chaleur (HCM)
[4] Générateur d'étincelles
[5] Electrodes d'étincelle
[6] Electrode de contrôle
[7] Thermostat limite haute
[8] Sonde de température de départ
[9] Thermostat de surchauffe des fumées
[10] Bloc gaz
[11] Ventilateur
2.9 Caracteristiques techniques Logano plus GB102

Toutes les caractéristiques techniques enumeratedes dans le tableau ci-dessous se refèrent à un apparéil testé à une altitude zéro. Les puissances thermiques de sortie diminuent avec l'altitude, voir les fig. 5 et 6 pour le pourcentage de réduction de la puissance thermique de sortie selon l'altitude
Tab. 6 Caracteristiques techniques GB102
| DESCRIPTION Unités Gaz naturel Propane | ||||||||||
| 16 kW | 30 kW | 42 kW | 16 kW | 30 kW | 42 kW | |||||
| Chauffage central G20 G25 G20 G25 G20 G25 G31 G31 | G31 | |||||||||
| Entrée/Sortie | ||||||||||
| Puisance thermique nominale max. nette 50/30 °C | kW | 17,0 | 13,9 | 31,7 | 26,0 | 39,8 | 32,6 | 15,8 | 31,7 | 41,0 |
| Puisance thermique nominale max. nette 80/60 °C | kW | 15,3 | 12,6 | 30,1 | 24,7 | 38,1 | 31,2 | 14,6 | 30,1 | 38,4 |
| Charge thermique nominale max. nette | kW | 16.0 | 13.1 | 30,9 | 25,3 | 39.0 | 32,0 | 16,0 | 30,9 | 39,0 |
| Puisance thermique nominale min. nette 50/30 °C | kW | 3.8 | 3,1 | 8,0 | 6,6 | 10,1 | 8,3 | 6,4 | 11,5 | 13,5 |
| Puisance thermique nominale min. nette 80/60 °C | kW | 3.5 | 2,9 | 7,0 | 5,6 | 9,4 | 7,7 | 5,7 | 10,2 | 12,5 |
| Charge thermique nominale min. nette | kW | 3,7 | 3,1 | 8,0 | 6,6 | 10,3 | 8,4 | 6,3 | 10,8 | 13,5 |
| Température de départ max. | °C | 82 | ||||||||
| Pression de service maximum autorisé | bar | 3 | ||||||||
| Débit de gaz - à 10 minutes max. de l'allumage | ||||||||||
| Gaz naturel G20 | m3/h | 1,66 | 3,28 | 4,05 | ||||||
| Gaz naturel G25 | m3/h | 1,54 | 3,17 | 3,92 | ||||||
| Gaz propane G31 | kg/h | 0,61 | 1,27 | 1,65 | ||||||
| Pression de l'alimentation en gaz | ||||||||||
| Gaz naturel G20 | mbar | 20 | 20 | 20 | ||||||
| Gaz naturel G25 | mbar | 25 | 25 | 25 | ||||||
| Gaz Propane G31 | mbar | 37 | 37 | 37 | ||||||
| Conduite d'évacuation des fumées | ||||||||||
| Temp. du gaz brûlé 80/60 °C, charge nominale min. | °C | 67/55 | 67/55 | 67/55 | 67/55 | 77/55 | 77/55 | 67/55 | 67/55 | 77/55 |
| Temp. du gaz brûlé 40/30 °C, charge nominale min. | °C | 43/25 | 43/25 | 43/25 | 43/25 | 43/25 | 43/25 | 43/25 | 43/22 | 43/25 |
| Niveau de CO2 à puissance thermique nominale max. | % | 9,4 | 7,4 | 9,4 | 7,4 | 9,5 | 7,5 | 10,8 | 10,8 | 10,9 |
| Niveau de CO2 à puissance thermique nominale min. | % | 8,6 | 6,9 | 8,6 | 6,9 | 9,4 | 7,4 | 10,4 | 10,4 | 10,8 |
| Classification NOx | Classe | 5 | ||||||||
| Débit des gaz brûlés | ||||||||||
| Maximum | g/s | 6,8 | 6,8 | 13,3 | 13,3 | 17,2 | 17,2 | 6,7 | 12,8 | 16,2 |
| Minimum | g/s | 1.7 | 1.7 | 3.4 | 3.4 | 4.1 | 4.1 | 2,6 | 6,2 | 7,9 |
| Condensat | ||||||||||
| Vitesse max. de condensation | I/h | 3,7 | ||||||||
| Valeur pH, approx. | 4,8 | |||||||||
| Installation électrique | ||||||||||
| Tension de l'alimentation électrique | CA...V | 230 | ||||||||
| Fréquence | Hz | 50 | ||||||||
| Puissance absorbée max. (sans externe pompé) | W | 28 | 28 | 48 | 48 | 68 | 68 | 27 | 48 | 66 |
| Données générales | ||||||||||
| Indice de protection de l'installation | IP | X4D | ||||||||
| Températures d'ambiance admissible | °C | -20 to +50 | ||||||||
| Capacité d'eau nominale de l'appareil | I | 3,75 | ||||||||
| Poids (sans emballage) | kg | 52 | ||||||||
2.10 Type de gaz et type d'installation
Tab. 7 Type de gaz et d'installations par pays
| Pays | Pression nominale de gaz (mbar) | Catégorie de gaz | Réglage d'usine(famille de gaz, groupe de gaz et test de gaz) | Réglage d'usinen pression nominale de gaz (mbar) | Type d'installationGaz naturel GPI | ||
| Autriche AT 20 | $0 Cat I | 2H 3P | G20 20 B | 23, B23P, B33, C13X,C33X, C43X, C53X, C63X,C83X, C93X | |||
| France | FR | 20 | 37 | Cat II 2E SI 3P | G20 20 | ||
| Italie | IT | 20 | 37 | Cat II 2H 3B/P | G20 20 | ||
| RépubliqueTchéque | CZ | 20 | 37 | Cat II 2H 3B/P | G20 20 | ||
| Russia | RU | 13 37 | Cat II | 2H 3B/P | G20 20 | ||
| Pologne | PO | 20 | 37 | Cat II 2H 3P | G20 20 | ||
| Belgique | BE | 20/25 | Cat II 2E | G20/G25 | 20 B | 23, B33, C13X, C33X,C43X, C53X, C83X, C93X | |
| Belgique | BE | 37 | Cat II 3P | G31 37 | |||
Tab. 8 Tester les informations sur le gaz avec le code et le groupe de gaz (EN 437)
| Indice de Wobbe (WS) (15C) du groupe de gaz | Groupe de gaz |
| 12,5 à 15,2 kWh/m3 | Gaz naturel 2H |
| 11,4 à 15,2 kWh/m3 | Gaz naturel 2E |
| 9,5 à 12,5 kWh/m3 | Gaz naturel 2LL |
| 20,2 à 24,3 kWh/m3 | GPL 3B/P |
| 20,2 à 21,4 kWh/m3 | GPL 3P |
2.11 Reduction de puissance thermique liée à l'altitude
Le graphique dans la fig. 5 ci-dessous est valable pour toutes les tailles de chaudière au gaz naturel, le graphique dans la fig. 6 ci-dessous à toutes les tailles de chaudière au GPL.
La puissance thermique des chaudières indiquées dans les tabl. 6 et 9
dont réduites en fonction de l'altitude de l'installation, voir les graphiques ci-dessous pour le taux de diminution de la puissance thermique.
Diminution de la puissance thermique des chaudières au gaz naturel liée à l'altitude

Fig. 5 Diminution de la puissance thermique liée à l'altitude pour gaz naturel
[1] Pourcentage de puissance thermique selon l'altitude
[2] Pourcentage estimé de puissance thermique selon l'altitude
[A] Altitude en metres
[kW (%)] Pourcentage de puissance thermique kilowatt

Diminution de la puissance thermique des chaudières au GPL liée à l'altitude
Fig. 6 Reduction de puissance thermique liée à l'altitude pour le GPL
Perte de charge dans le système contre départ système

Fig. 7
[Δp mbar]Perte de charge en millibars
[V/I/h] Volume d'eau recirculée en litres par heures
2.12 Description du produit Logano plus GB102S-16/30

Fig. 8 Logano plus GB102S - composants principaux
Legendede la fig.8:
[1] Connecteur conduite d'évacuation des fumées
[2]Interrupteur Marche / Arret
[3] Affichage
[4] Manometre
[5] Support de la plaque de protection de la chambre de combustion x 4
[6] Electrode de contrôle
[7] Module electrode
[8] Sonde de température de départ
[9] Thermostat limite haute
[10] Couvercle d'inspection échangeur thermique
[11] Réservoir à condensats
[12] Purgeur automatique
[13] Groupe vanne d'inversion
[14]Pompe
[15] Robinet de vidange
[16] Soupape différentielle
[17] Siphon de condensats
[18] Bloc gaz
[19] Thermostat de surchauffe des fumées
[20] Tubes d'alimentation en air (chaudiere 30kW uniquely)
[21] Purgeur manuel
[22]Melangeur
[23] Générateur d'étincelles
[24] Conduite d'évacuation des fumées
[25] Ventilateur
[26] Capot chambre de combustion
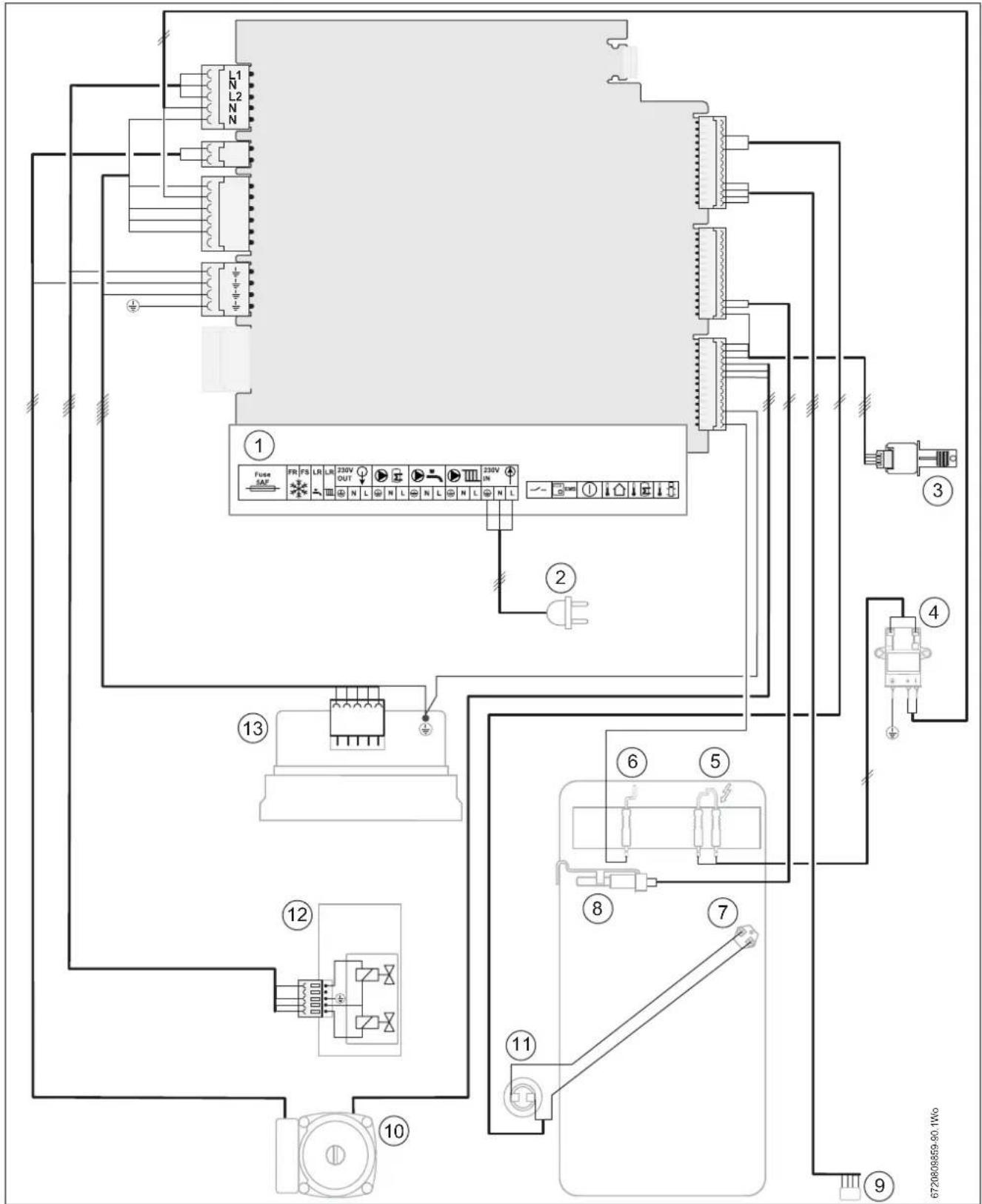
2.13 Schéma de connexion Logano plus GB102S

Fig. 9
[1] Bloc de raccordement des bornes de l'appareil
[2] Raccord alimentation électriche sector
[3] Module de régulation de chaleur (HCM)
[4] Générateur d'étincelles
[5] Electrodes d'etincelle
[6] Electrode de contrôle
[7] Thermostat limite haute
[8] Sonde de température de départ
[9] Raccordement vanne d'inversion
[10] Pompe
[11] Thermostat de surchauffe des fumées
[12] Bloc gaz
[13] Ventilateur
2.14 Caracteristiques techniques Logano plus GB102S

Toutes les caractéristiques techniques énumérées dans le tableau ci-dessous se refère à un apparéil testé à une altitude zéro. Les puissances thermiques de sortie diminuent avec l'altitude, voir les figures 5 et 6 pour le pourcentage de réduction de la puissance thermique de sortie selon l'altitude
Tab. 9 Caracteristiques techniques GB102S
| DESCRIPTION Unités Gaz naturel Propane | |||||||
| 16 kW | 30 kW | 16 kW | 30 kW | ||||
| Chauffage central G20 G25 G20 G25 G31 G31 | |||||||
| Entrée/Sortie | |||||||
| Puisance thermique nominale max. nette 50/30 °C | kW | 17,0 | 13,9 | 31,7 | 26,0 | 15,8 | 31,7 |
| Puisance thermique nominale max. nette 80/60 °C | kW | 15,3 | 12,6 | 30,1 | 24,7 | 14,6 | 30,1 |
| Charge thermique nominale max. nette | kW | 16,0 | 13,1 | 30,9 | 25,3 | 16,0 | 30,9 |
| Puisance thermique nominale min. nette 50/30 °C | kW | 3,8 | 3,1 | 8,0 | 6,6 | 6,4 | 11,5 |
| Puisance thermique nominale min. nette 80/60 °C | kW | 3,5 | 2,9 | 7,0 | 5,6 | 5,7 | 10,2 |
| Charge thermique nominale min. nette | kW | 3,7 | 3,1 | 8,0 | 6,6 | 6,3 | 10,8 |
| Température de départ max, | °C | 82 | |||||
| Pression de service max. autorisée | bar | 3 | |||||
| Débit de gaz - à 10 minutes max. de l'allumage | |||||||
| Gaz naturel G20 | m3/h | 1,66 | 3,28 | ||||
| Gaz naturel G25 | m3/h | 1,54 | 3,17 | ||||
| Gaz propane G31 | kg/h | 0,61 | 1,27 | ||||
| Pression de l'alimentation en gaz | |||||||
| Gaz naturel G20 | mbar | 20 | 20 | ||||
| Gaz naturel G25 | mbar 25 | 25 | |||||
| Gaz propane G31 | mbar | 37 | 37 | ||||
| Conduite d'évacuation des fumées | |||||||
| Temp. du gaz brûlé 80/60 °C, charge nominale min. | °C | 67/55 | |||||
| Temp. du gaz brûlé 40/30 °C, charge nominale min. | °C | 43/25 | |||||
| Niveau de CO2 à puissance thermique nominale max. | % | 9,4 | 7,4 | 9,4 | 7,4 | 10,8 | 10.8 |
| Niveau de CO2 à puissance thermique nominale min. | % | 8,6 | 6,9 | 8,6 | 6,9 | 10,4 | 10.4 |
| Classification NOx | Classe | 5 | |||||
| Débit des gaz brûlés | |||||||
| Maximum | g/s | 6,8 | 6,8 | 13,3 | 13,3 | 6,7 | 12.8 |
| Minimum | g/s | 1,7 | 1,7 | 3,4 | 3,4 | 2,6 | 6,2 |
| Condensat | |||||||
| Vitesse max. de condensation | I/h | 3,7 | |||||
| Valeur pH, approx. | 4,8 | ||||||
| Installation électrique | |||||||
| Tension de l'alimentation électrique | CA...V | 230 | |||||
| Fréquence | Hz | 50 | |||||
| Puisance absorbée maxi (inclus pompé) | W | 97 | 97 | 116 | 116 | 95 | 116 |
| Données générales | |||||||
| Indice de protection de l'installation | IP | X4D | |||||
| Températures d'ambiance admissible | °C | -20 to +50 | |||||
| Capacité d'eau nominale de l'appareil | I | 3,75 | |||||
| Poids (sans emballage) | kg | 54 | |||||
Hauteur manometrique de la pompe en cas débit

Fig. 10
[APH] Hauteur manometrique disponible
[FR] Debit
[1]Données actuelles
[2]Données extrapolées
Les données ci-dessous satisfont aux exigences des règlements N°811/2013, N°812/2013, N°813/2013 et N°814/2013 en complément de la directive 2010/30/UE.
| Données du produit | Symbole | Unité | 7731600006 | 7731600007 | 7731600008 | 7731600009 | 7731600010 |
| Type de produit - - oui oui oui oui oui | |||||||
| Chaudière à condensation - - non non non non | non non | ||||||
| Chaudière basse température - - non non non non | non non non | ||||||
| Chaudière de type B1 | - - non non non non non | ||||||
| Dispositif de chauffage des locaux par cogénération | - | - | |||||
| Dispositif de chauffage mixte | - - non non non non non | ||||||
| Puisance thermique nominale P | rated | kW | 16 | 30 | 39 | 16 | 30 |
| Efficacité énergétique saisonnière pour le chauffage des locaux | ηs | % | 93 | 93 | 92 | 93 | 93 |
| Classe d'efficacité énergétique | - | - | A | A | A | a | a |
| Puisance utile | |||||||
| À la puissance thermique nominale et en régime haute température 1) | P4 | kW | 15,3 | 30,1 | 38,1 | 15,3 | 30,1 |
| À 30 % de la puissance thermique nominale et en régime basse température 2) | P1 | kW | 5,3 | 10,0 | 12,6 | 5,3 | 10,0 |
| Rendement utile | |||||||
| À la puissance thermique nominale et en régime haute température 1) | η4 | % | 88,2 | 88,2 | 88,2 | 88,2 | 88,2 |
| À 30 % de la puissance thermique nominale et en régime basse température 2) | η1 | % | 98,9 | 97,6 | 97,0 | 98,9 | 97,6 |
| Consommation d'électricité auxiliaire | |||||||
| À pleine charge | elmax | kW | 0,028 | 0,047 | 0,067 | 0,028 | 0,047 |
| À charge partielle | elmin | kW | 0,015 | 0,015 | 0,016 | 0,015 | 0,015 |
| En mode veille | PSB | kW | 0,0016 | 0,0016 | 0,0016 | 0,0016 | 0,0016 |
| Autres caractéristiques | |||||||
| Pertes thermiques en régime stabilisé | Pstby | kW | 0,059 | 0,059 | 0,059 | 0,076 | 0,076 |
| Consommation d'électricité du brûleur d'allumage | Pign | kW | 0,000 | 0,000 | 0,000 | 0,000 | 0,000 |
| Émission d'oxydes d'azote | NOx | mg/kWh | 23 | 34 | 54 | 23 | 34 |
| Niveau de puissance acoustique, à l'intérieur | LWA | dB(A) | 47,9 | 54,9 | 52,6 | 47,9 | 54,9 |
Tab. 10 Données du produit relative à la consommation énergétique
1) Par régime haute température, on entend une température de return de 60^ à l'entrée du dispositif de chauffage et une température de 80^ à la sortie du dispositif de chauffage.
2) Par basse température, on entend une température de return de 30^ à l'entrée du dispositif de chauffage pour les chaudières à condensation, de 37^ pour les chaudières basses températures et de 50^ pour les autres dispositifs de chauffage.
| 3 | R | è | g | I | e | m | e | n |
La chaudière est donc pour fonctionner conformément aux exigences ci-dessous :
EN677,EN483,EN15502
·EN437
- Directive 2009/142/CE Appareils à gaz
- Directive rendement 92/42/CEE
- Directive CEM 2004/108/CE
- Directive basse tension 2006/95/CE
3.1 Règlements nationaux spécifiques
Pour l'installation et le fonctionnement, veuillez vous reférer aux normes et règlements nationaux spécifiques. Les plus importants sont :
- Les normes et règlements locaux pour le placement de l'appareil
- Les normes et règlements locaux pour l'arrivée de l'air de combustion, la ventilation et le raccordement à un système d'évacuation du gaz brûlé
- Les règlements concernant le raccordement à une alimentation électrique secteur
- Les règlements du fournisseur de gaz pour le raccordement d'un appeareil au gaz au réseau de distribution local
- Les normes et règlements pour les équipements de sécurité sur les systèmes de chauffage à l'eau
Belgique

AVIS: Il est interdirit de régler les appareils!
La chaudière est régée en usine pour fonctionner avec du gaz naturel (G20/G25) I2E(S) de façon à ce que l'appareil puisse fonctionner dans les deux régions sans qu'aucun réglage ni aucune modification de pieces ne soient nécessaires.
C'est seulement lorsqu'une pièce du bloc gaz est doit être replacée qu'il est parfois nécessaire de régler la configuration du gaz.
Ces réglages peuvent uniquement être effectuels par un technicien/agree et My Service.
Belgique; Decret Royal
Ce produit est conforme aux exigences du Decret Royal du
17/07/2009 (valeur CO à 100% puissance brûleur < 110 mg/kWh et Nox < 70 mg/kWh). Voir également la déclaration de conformité.
- NBND 51-003 - Installations interieures alimentées en gaz naturel et placement des appareils d'utilisation - Dispositions générales
- NBN D 51-004 - Installations alimentées en gaz combustible plus léger que l'air distribué par canalisations - Installations particulières
- NBN B 61-002 - Chaudières de chauffage central dont la puissance nominale est inférieure à 70kW - Prescriptions concernant leur espace d'installation, leur amende d'air et leur évacuation de fumée
3.2 Autorisations et notifications
- L'installation d'une chaudière au gaz doit être notificationée au fournisseur de gaz et faire l'objet d'une autorisation de sa part.
- Veuillez prendre en compte que les règlements locaux peuvent nécessiter l'autorisation d'un tiers lors du raccordement à un système d'évacuation du gaz brûlé ou d'un écoulement du condensat dans le système local d'égouts
- Si nécessaire, informer le représentant local (par ex. ramoneur) avant l'installation de la chaudière
3.3 Qualité de l'eau de chauffage
Utiliser de l'eau potable lors du remplissage et de l'appoint du système de chauffage.
Ls qualite de I'eau est un facteur important pour I'augmentation de I'efficacite, de la securite, de la fiabilité et de la disponibilité de votre systeme de chauffage.
De l'eau inadaptée ou contaminée peut entrainer des problèmes ou des dommages au niveau de l'échangeur thermique et de l'alimentation en eau causés par ex. par des dépôts de boue, de corrosion ou de calcaire.
Proceder selon les étapes suivantes :
Rincer entiement le systeme avant le replissage
L'eau de puits ou de source ne convient pas pour le replissage
Prendre en compte le volume total de calcaire introduit dans le système de chauffage sur sa durée de vie, à travers l'eau de replissage et d'appoint, et le protégé des dommages en conséquence
Pour les systèmes avec un volume ≥ 50 litres/kW (c'est-à-dire lors de l'utilisation de ballons-tampon) l'eau doit être traitée. Une solution autorisée est la désalinisation complète de l'eau de replissage et d'appoint, pour atteindre une conductivité de ≤ 10 μsiemens/cm (= 10 μS/cm).
Il est possible d'installer un moyen de séparation des systèmes (c'est-à-dire un échéateur thermique à plaques) directement après la chaudière au lieu de la solution de traitement de l'eau.
Veuillez prendre contact avec le fabricant de l'appareil pour plus d'inhibiteurs et d'anti-gels. Toujours se reférer aux recommandations du fabricant pour le remplissage et l'entretien en continu lors de l'utilisation de ces solutions.
3.4 Raccordement à l'air de combustion et aux systèmes d'évacuation des gaz brûlés
- Toujours se référer à la dernière version des normes et règlements locaux applicables De plus amples informations concernant l'arrivée de l'air de combustion et le raccordement des systèmes d'évacuation des gaz brûlés se trouvent à partir du chapitre 3.6.
- Se référer également à la documentation fournie avec le système d'évacuation des gaz brûlés.
3.5 Fonctionnement dépendant de l'air ambiant
La chaudière peut être utilisée en mode « étanche air ambient »si un fonctionnement dépendant de l'air ambiant n'est pas nécessaire ou possible.
Prévoir une ventilation suffisante de la chaufferie lors du fonctionnement de l'appareil en mode dépendant de l'air ambient
Ne pas obstruer ou bloquer aucune des ouvertures de ventilation
Les ouvertures de ventilation doivent toujours etre dégagées
3.6 Systèmes d'évacuation des gaz brûlés de type B
XX

DANGER: Danger de mort par empoisonnement aux gaz brûlés. Une arrivée de l'air de combustion insuffisante peut provoquer une fuite de gaz brûlé.
Assurer l'arrivee de I'air de combustion.
Les trappes d'arrivée et d'extraction dans les portes, fenétres et murs ne doivent pas être fermées ou leur taille réduite.
Assurer une arrivée de l'air de combustion suffisante, également avec les équipements installés postérieurement: c'est-à-dire les ventilateurs d'extractions de cuisine les climatiseurs extrayant l'air vers l'extérieur.
Ne pas faire fonctionner l'appareil si I'avriee de I'air de combustion est insuffisante.
Les systèmes d'évacuation du gaz brûlé de type B évacuant l'air de combustion de la chaufferie. Le gaz brûlé quitte l'appareil par le système d'évacuation du gaz brûlé. Des règlements spéciaux s'appliquent pour les installations de ce type - veilles à y conformer. Il convient de veiller à un volume suffisant d'air de combustion.
3.7 Systemes d'évacuation des gaz brûlés de type C xx
Avec les systèmes d'évacuation des gaz brûlés de type C, la chaudière est alimentée en air comburant à partir de l'extérieur de la maison. L'évacuation des gaz brûlés est effectuee par le haut. Le carenage de la chaudière est étanche au gaz et fait partie de l'amnée d'air de combustion.
Pour les chaudières à ventouse, la porte de la chaudière doit imperativement être fermée lorsque cette-ci est en service.
- Se référer à la notice d'installation du système d'évacuation du gaz brûlé lors de l'installation de l'appareil
3.8 Qualité de l'air de combustion
Pour évier la corrosion, l'air de combustion doit être exempt de substances agressives (halogenure d'hydrogène, chlores et fluor).

AVIS: De l'air de combustion contamine et de l'air contamine autour de l'appareil peuvent endommager la chaudiere!
Ne jamais faire fonctionner la chaudière dans un environnement chimiquement agressif et poussiereux, par ex. installation de peinture par pulverisation, de coiffure ou d'agriculture.
Ne jamais faire fonctionner la chaudiere dans des endroits ou sont stockés ou utilisés du trichloréthane, halogénéure d'hydrogène et autres substances chimiques agressives. Ces substances peuvent être contenues dans des vaporisateurs, différentes colles, primaires et substances de nettoyage. Dans ce cas, toujours installer la chaufferie de manière étanché dans une pierce hermetiquement étanché de l'usine avec une ventilation directe vers l'extérieur.
3.9 Mise au rebut
Faire eliminer toute partie du système de chauffage par un site agréé
3.10 Inspection, entretien et maintenance
Le système de chauffage doit être entretenu régulierement pour les raisons suivantes :
- Pour atteindre et maintainir une haute efficacité et une basse consommation de combustiblePour assure la sécurité du fonctionnement pourmaintenir la propre de la combustion et des émissions basses
Intervalles d'entretien

AVIS: Endommagement du système du à un nettoyage et un entretien manquants ou insuffisants.
Faire inspector le système de chauffage au moins annuellement par un technicien de chauffage agreé
Effectuer l'entretien lorsqunecessary. Effectuer toute réparation immédiatement pour éviter tout dommage au système
4 Pre-installation
4.1 Nettoyage des circuits primaires

AVIS: Avant l'installation
Il convient de dire toutes les sections suivantes concernant la pré-installation et de se conformer aux exigences avant de commencer les installations de chaudière ou de conduite d'évacuation des fumées.

PRUDENCE : ALIMENTATION ELECTRIQUE SECTEUR
ISOLER LES ALIMENTATIONS ELECTRIQUES SECTEUR AVANT DE COMMENCER LE TRAVAIL ET RESPECTER TOUTES LES MESURES DE SECURITE APPLICABLES.

AVIS:Protégé le chaudière
Des débris du système peuvent endommager la chaudière et réduire l'efficacité. Le non-respect des directives pour l'utilisation du traitement de l'eau avec l'appareil rend caduque la garantie.

AVERTISSEMENT: Agents d'étanchéité
L'ajout d'agents d'étanchéité à l'eau du système n'est pas autorisée,eci peut provoquer des problèmes de dépôts dans l'échéateur thermique.
AVIS:Dommages matériels dus a des raccordements qui fuiert:
S'assurer que les tubes sont installés sans contraintes mécaniques sur les raccords de l'appareil
- Remettre à neuf les joints d'étanchéité lorsque vous desserrez ou retirez les joints de raccordement
Verifiez les joints et raccordements à la recherche de signes d'endommagement
Nous conseillons d'installer un filtr de ligne dans le retour système pour proteger le système de chauffage
Monter des vannes isolantes avant et après le filtre de ligne pour permettre l'entretien
4.2.1 Raccordement depart et retard

Monter des vannes isolantes sur le départ et le return pour permettre l'entretien de l'appareil

Fig. 11 Dimensions et raccordements (en mm)
Logano plus GB102-16/30/42 :
[1] Départ d'eau chaude (1")
[2] Gaz (3/4")
[3*] Logano plus GB102S uniquement (1")
[4] Retour d'eau chaude (1")
[5] Sortie de condensat
Logano plus GB102S-16/30 :
[1] Chauffage central et départ d'eau chaude (1")
[2] Gaz (3/4")
[3*] Retour ECS (1") (seullement si le kit de vanne d'inversion en option est monté)
[4] Retour chauffage (1")
[5] Sortie de condensat
4.2.2 Vase d'expansion et vanne de vidange
Raccorder un vase d'expansion
EN 12828 nécessite un vase d'expansion installé avec la chaudière.
Installer un vase d'expansion sur le retour de la pompe
Remplir et vidanger les raccords
EN 1717 nécessite le replissage du système de chauffage avec de l'eau potable uniquement par un raccord fixe entre l'alimentation en eau et le circuit de chauffage.
Fixer un robinet de vidange exter sur le retour de l'appareil
4.3 Système et conduites hydrauliques
Système primaire et conduites synthétiques
- Toute tuyauterie en plastique doit partager une barrière polymère et une conduite en acier ou en cuivre de 600mm de longueur (minimum), raccordée à la chaudière.
- La tuyautorie en plastique utilisée pour le chauffage au sol doit être correctement contrôle avec une vanne de melange thermostatique limitant la température des circuits à environ 50^ . La tuyautorie entre la chaudière et la vanne melangeuse doit être en cuivre.
Système primaire/raccordements/vannes
-
Ne pas utiliser des tubes ou des radiateurs galvanisés.
-
L'ensemble des raccordements du système, les robinets et les vannes de mélange doivent pouvoir supporter une pression de 3 bars.
- Des robinets de vidange sont requis sur tous les points les plus bas du système.
- Des purgeurs sont requis sur tous les points les plus hauts du système.
Remplissage des circuits primaires étanches
- Le point de replissage doit être situé à un point bas et ne doit jamais être un raccordement direct à l'alimentation en eau potable.
4.4 Ecoulement des condensats

DANGER: Danger de mort par empoisonnement par échéappement de gaz brûlés. Le gaz brûlé peut s'échapper sir le siphon de condensats n'est pas rempli d'eau ou si les raccords ne sont pas entierment étanches.
Remplir les siphon d'eau

AVIS: Conseils supplémentaires pour la vidange du condensat
Tout condensat dans l'appareil et le système d'évacuation des gaz brûlés doit être purgé de manière adaptée (le système d'évacuation des gaz brûlés doit avoir une pente suffisante vers l'appareil)
Se conformer aux normes spécifiques nationales lors du raccordement du condensat au système d'égouts
Se conformer aux règlements locaux

Des systèmes de neutralisation du condensat sont disponibles comme accessoire.
S'assurer que le siphon de condensats contient au moins 250 ml d'eau propre avant de faire fonctionner la chaudière.
Si la conduite d'évacuation des fumées n'a pas encore été montée, l'eau peut être versée dans le tuyau de fumées interieur. Si la conduite d'évacuation des fumées a déjà été montée, le siphon de condensats devra être retire et rempli.
4.4.1 Pour-retirer le siphon de condensats
Detacher le serre-tuyau [1]
Retirer la vis retenant le siphon [2]
Tirer le siphon vers le bas pour le retirer de la chaudiere
Verser 250 ml d'eau propre dans le haut du siphon
Remonter le siphon sur la chaudiere

Fig. 12 Siphon de condensats
Installer des systèmes de neutralisation de condensat (accessoire en option) conformément à la notice d'installation
S'assurer que la tuyaauterie de condensat quitte l'appareil en descendant vers le point de vidange
Raccorder au système d'égouts sur la base de normes et règlements nationaux et locaux
4.5 Emplacement de la chaudiere et dégagements
4.5.1 Installation
- Cette chaudière convient uniquement à une installation interieure dans une propriété, à un emplacement adapté sur une surface fixe, rigide et non combustible de taille au moins équivalente et capable de supporter le poids de la chaudière.
- La chaudiere ne convient pas pour une installation exterieure, à la condition qu'une protection adaptée soit disponible.
4.5.2 Dégagements d'installation et d'entretien :
Les dimensions ci-dessous sont l'espace minimum nécessaire pour l'installation, l'entretien et les travaux de maintenance sur la chaudière uniquement.

Fig. 13 Dégagements pour l'installation
[1] 1900 mm
[2] 2500mm
[3]2000mm
[4] 70mm


AVIS:Démarrage de la chaudière
Il convient de dire et de respecter toutes les sections préalables concernant la pré-installation avant de démarrer l'installation de la chaudière ou de la conduite d'évacuation des fumées.
5.1 Deballage de la chaudière

AVIS: Manipulation de la chaudière
La méthode appropriée de manipulation d'objets lourds doit être strictement respectée en toutes circonstances.
Attention à ne pas endommager les panneaux ou le fond de la chaudière.
La chaudière peut contenir de l'eau à la suite des tests en usine
Stocker la chaudiere dans un lieu sec avant l'installation
Déballage :
- Detacher les attaches fixant le carton
Lors de l'utilisation d'un outil pointu, il convient de faire attention à ne pas percer le carton ou provoquer des blessures. - Avant de retarder le carton, il convient d'ouvoir les rabats et de retarder les éléments accessoires (A, B & C) afin de lesmettrede cote.
- Le carton peut maintainer etre retire de la chaudiere.
Retirer le sachet plastique qui protège la surface de la chaudiere et le placer à une distance sure de l'espace de travail.
Directives generales concernant la manipulation :
- Ne pas soulever un poids excessif, ou demander de l'aide.
Lors du levage, plier les genoux, maintainir le dos croit et les pieds écartsés.
Ne pas lever et tourner en meme temps. Lever et porter les objets pres du corps - Porter des vêtements de protection et des gants pour les protégger de tout rebord coupant

Fig. 14 Déballage
[A] Lot annexe de documentation
[B] Conduite d'élimination PRV
[C] Pieds de mise à niveau x 4
5.2 Exigences chaufferie

DANGER: Éléments explosifs et inflammables
Ne pas stocker de matieres inflammables (papier, rideaux, vetements, primaires, peinture,...) a proximite de la chaudiere

AVIS: Détérioration de l'appareil en présence d'air de combustion contaminé
- Ne pas utiliser de dispositifs de nettoyage contenant du chlore ou d'halogenure d'hydrogène (c'est-à-dire vaporisateurs, primaires, produits de nettoyage, peinture et colle)
- Ne pas stocker ou utiliser ces substances dans la chaufferie
Eviter l'accumulation de poussière

AVIS: Dommages dus à la surface.
Des températures ambiantes excessives peuvent endommager le système de chauffage.
S'assurer que la tempereature ambiente est située entre -20^ +50^

AVIS: Détérioration de l'appareil en cas de gel
Monter la chaudiere dans une piece à l'abri du gel
5.2.1 Installation des pieds de mise à niveau

PRUDENCE: Danger de basculement
La chaudière bascule si elle est inclinée à plus de 45^
Veiliez a ne pas incliner la chaudiere a plus de 40^
- Une attention toute particulière à l'inclinaison doit être portée lors de l'installation des pieds de mise à niveau. Idealement, deux personnes seront nécessaires pour procéder à cette installation.

AVIS: Détérioration de la chaudière
Ne couche pas la chaudiere pour installer les pieds de mise a niveau
Visser un ecrou de mise à niveau sur la tige filtée de chaque pied
Visser la tige filEtée sous le fond de la chaudiere, a chaque coin, comme illustre en fig. 15
Ajuster les pieds à la même hauteur environ
- Mettre la chaudiere à niveau en suivant les instructions générées en section 5.2.2

Fig. 15 Installation des pieds
5.2.2 Emplacement de I'appareil
La chaudière doit être mise à niveau. Ceci permet de s'assurer que l'air peut s'échapper de l'échangeur thermique et que le condensat se purge librement.

AVIS: Dommages causés par une portance insuffisante du sol de la chaufferie ou un sol inadapté
S'assurer que I'emplacement au sol est adapté à l'installation d'une chaudière et peut porter le « poids net » de l'appareil.

AVIS: Dommages dus à une contrainte mécanique sur les raccordements hydrauliques et de gaz brûlé lors du réglage de la position de l'appareil.
Ne pas appliquer de contrainte aux raccords lors du réglage de la chaudière
Placer la chaudière sur son emplacement final
Relacher les écrous de freinage sur les pieds de la chaudière
Regler les pieds de la chaudiere jusqu'à ce que la chaudiere soit à niveau verticalément et horizontallyment, le vérifier à l'aide d'un niveau à bulle
Fixer en position à l'aide des écrous de freinage

Fig. 16 Mise à niveau de la chaudière
5.3 Montage de la chaudière et de l'ouverture de la conduite d'évacuation des fumées
Sécurité
Toutes les mesures de sécurité appropriées doivent être mises en place. Il convient le cas échéant de porter des vêtements, chaussures, gants et lunettes de sécurité.

PRUDENCE: Isoler l'alimentation principale de gaz avant de commencer le travail et respecter toutes les mesures de sécurité applicables.
Passage de tuyaux derrière la chaudiere
- La chaudière doit être place à au moins 70 mm de la paroi arrêté chaudière (pas de la plinthe) pour permettre un espace suffisant pour acceder à la tuyauterie.
- Ne pas croiser un tuyau par-dessus l'autre.

Fig. 17 Dimensions et raccordements (en mm)
Logano plus GB102S :
[1] Départ chauffage et ECS (1")
[2] Gaz (3 / 4^ )
[3^+] Logano plus GB102S-retour ECS (1") (seulement si le kit de vanne d'inversion en option est monté) Logano plus GB102-non utilise
[4] Retour chauffage (1")
[5] Sortie de condensat
Raccordements de gaz

DANGER: Danger de mort dus à l'explosion de gaz inflammables
Les travaux sur des composants en contact avec le gaz doivent uniquement etre effectués par une personne competente et autorise.
Se conformer aux normes et reglements nationaux et locaux
Utiliser uniquement des methodes autorises pour l'execution de raccords etanches au gaz

Présence possible d'eau excédante due aux essais réalisés en Usine.
Ouverture de conduite d'évacuation des fumées

Toutes les sections de conduite d'évacuation des fumées horizontales doivent partager une pente de 52 mm par mètre pour s'assurer que le condensat s'écoule vers la chaudière pour une élimination sure par le tube d'écoulement du condensat.
5.4 Options de conduite d'évacuation des fumées

PRUDENCE: Systemes d'évacuation des fumées non accessibles:
Lorsqu'un système d'évacuation des fumées n'est pas accessible, il convient de prévoir un entretien et une révision.
- Les vides contenant les fumées dissimulées doivent disposer d'au moins une trappe d'inspection de plus de 300mm^2
Les joints des conduites d'évacuation des fumées dans le vide ne doivent pas mesurer plus de 1,5 mètre depuis le bord de la trappe d'inspection.
- Les trappes d'inspection doivent se couver au niveau des changements de direction.
- SiILA n'est pas possible, les coudes doivent etre visibles dans les deux sens.

AVIS: Longueurs réelles des conduites d'évacuation des fumées :
chaque coude 90 utilise est équivalent à 2 mètres de conduite d'évacuation droite
chaque coude 45 utilise est équivalent à 1 mètre de conduite d'évacuation droite
| 80/125 Longueur maximale | |
| totale L'évacuationdes gaz brûlés (mm)T | |
| 1 C onduite d'évacuation des fuméeshorizontal de haut niveau | 11 000 |
| 2 C onduite d'évacuation des fumées hori-zontale de haut niveau avec 2 coudes 90 | 9 000 |
| 3 C onduite d'évacuation des fumées hori-zontale de haut niveau avec 3 coudes 90 | 7 000 |
| 4 Module de conduite d'évacuation desfumées verticalé équilibrée | 15 000 |
| 5 C onduite d'évacuation des fumées verticale équilibrée avec 2 coudes de 90 | 11 000 |
| 6 C onduite d'évacuation des fumées verticale équilibrée avec 2 coudes de 45 | 13 000 |
Tab. 11 Options de conduite d'évacuation des fumées

Fig. 18 Options de conduite d'évacuation des fumées
Buderus
6 Installation électrique

DANGER: Risque d'incendie provoqué par les parties chaudes de la chaudière. Les composants chauds de la chaudière peuvent endommager les cables électriques.
S'assurer que tous les cables electriques sont placés dans des chemins de cable adaptés et à l'écart des composants chauds de la chaudière

Faire passer les cables de raccordement séparément des cables pilotes.
Les interférences dus aux câbles de raccordement peuvent provoquer des erreurs parasites des câbles pilotes, s'assurer que l'écart entre ces câbles est d'au moins 300 mm.
6.1 Installation électrique

DANGER: Risque d'electrocution!
- Avant d'intervenir sur le circuit electrique, couper l'alimentation en courant (230 V CA) (fusible, interrupteur LS) et la securiser contre toute reactivation accidentelle.

Respecter les mesures de sécurité conformément au règlement général sur les installations électriques (RGIE).
Tous les travaux electriques doivent etre effectués par une personne competente et autorise
Tous les travaux doivent etre conformes aux normes et reglements specifiques nationaux et locaux
Le sectionneur doit partager une séparation de contact de 3 mm minimum entre les pôles. Aucun système raccordé à la chaudière ne doit avoir une alimentation électrique séparée.
Fusible externe 3 A
Lors du dénudage des fils, s'assurer que les brins de cuivre ne tombent pas dans le boitier de commande.
Accès aux raccords électriques :
Retirer le panneau avant de la chaudière pour acceder aux raccords électriques.
- Ecarter les angles supérieurs du panneau avant du boitier jusqu'à ce que les loqueteaux à billes soient libérés.
Retirer le panneau des consoles inférieures et leMETRE de cote de maniere sure.

Fig. 19 Accès aux raccords électriques
Accès aux raccords électriques :
L'accès à tous les raccords de câblage se font par la trappe d'accès d'installation sur la partie inférieure de l'avant du panneau de commande. Pour l'installationaucenaccésauxautrespartiesdeplatine de commande n'est nécessaire.
- Desserrer les trois vis sur le capot de raccordement et retarder le capot.

Fig. 20
[1] Raccordements de tension reseau
[2] Raccordements de basse tension
[3] Passe-fils

Fig. 21 Raccordements de tension reseau
Tab. 12 Légende de la figure 21
| Bornier de tension réseau |
| 1 Thermostat de gel externe |
| 2 Entre vives commutées 230 V CA |
| 3 Sortie réseau 230 V CA |
| 4 Pompe de charge ECS |
| 5 Pompe de bouclage |
| 6 Pompe de chauffage CC |
| 7 Alimentation réseau chaudière 230 V CA |

Fig. 22 Raccordements de basse tension
Tab. 13 Légende de la figure 22
| Bornierasse tension | |
| 8 Entrée pour demande de chaleur externe | |
| 9 Raccords de bus EMS | |
| 10 Contact de verrouillage externe (fourni avec lien monté en usine) | |
| 11 Raccordement pour sonde de température extérieure | |
| 12 Raccordement pour sonde de ballon ECS (CTN) | |
| 13 Raccordement pour sonde de température de départ externe, par ex. sonde de collecteur |
Serre-cable pour salle-fils
Detacher le serre-cable [1].
Couper l'entrée de cable conique [2] pour l'adapter à la section du cable.

Fig. 23 Entrée de cable
- Desserrer la vis de fixation du cable [3].
Passer le cable [4] à travers le serre-cable en s'assurant que la longueur de cable est largement suffisante pour atteindre les raccords.
Serrer la vis de fixation du cable pour le fixer et replacer le serre-cable dans le panneau de commande.
7 Mise en service
7.1 Verifications avant la mise en service

PRUDENCE:ISOLER LES ALIMENTATIONS ELECTRIQUES SECTEUR AVANT DE COMMENCER LE TRAVAIL ET RESPECTER TOUTES LES MESURES DE SECURITE APPLICABLES.
- Verifier que les raccordements à l'arrière de la chaudière sont correctement raccordés avec l'installation;
1 - département CC (1")
2-Entrée gaz (3 / 4^ )
3^* - Retour ECS (1")
Logano plus GB102S avec kit vanne d'inversion en option uniquement
4- Retour CC (1")
5 - Raccordement condensat

Fig. 24 Verifications avant la mise en service
- Verifier la fermeture de tous les points de vidange du système et de la chaudière.
- Verifier que le type de gaz spécifique sur la plaque d'identification correspond à celui de l'alimentation en gaz.
Allumer l'alimentation en gaz principale et purger celle-ci vers la chaudière tout en s'assurant de bien ventiler la pièce.
Vérifier l'étanchéité de l'alimentation en gaz.
4. Vérifier que la conduite d'évacuation des fumées est correctement montée et que tous les raccordements sont friables.
5. Vérifier que la tuyauterie de condensat est correctement montée et raccordée.
6. Monter l'habillage sur les clips inférieurs et le fixer avec des loqueteaux à billes.

AVIS: Si la chaudière n'est pas mise en service immédiatement, fermer l'alimentation en gaz et procéder à une isolation électrique de la chaudière après avoir effectué tous les travaux de vérification et de rectification.
7.2 Remplissage du système et contrôle d'étanchéité

AVIS: Dommages du à une entrée d'air dans le système
L'appareil est adapté uniquement pour l'installation et le fonctionnement dans des systèmes de chaufage à pompe, étanches et sous pression selon EN12828.
Ne pas racorder à des systèmes à fonctionnement par gravité ou ouverts
Vérifier l'étanchéité du système de chauffage pour exclure tout problème lors de la mise en service et du fonctionnement.
Assurer une bonne ventilation et l'ouverture complète de toutes les vannes d'isolement dans les circuits de chauffage et de toutes les vannes de régulation de la température des radiateurs
Ouvrir tous les purgeurs automatiques

PRUDENCE: Risque pour la santé par eau potable contaminée:
Se conformer aux normes et reglements spécifiques nationaux pour éviter la contamination de l'eau potable
En Europe, se conformer également à EN 1717

AVIS:Dommages matériels dus à la surpression lors des tests de pression!
Les dispositifs de pression, de commande et de sécurité peuvent etre endommages par supression.
Avec le replissage du système, effectuer une mesure de pression de la pression de décharge de la soupape de sécurité

AVIS: Dommages dus à des fissures dues au chic thermique!
Des fissures peuvent se former lors de l'appoint d'un système de chauffage chaud avec de l'eau potable froide. La chaudière peut commencer à fouir.
Ne remplir ou faire l'appoint du système que lorsqu'il est froid (température de départ maximum 40°C)
Se conformer aux exigences concernant la qualite de I'eau

Disposer d'un raccordement fixe entre l'alimentation en eau potable et le point de replissage conformément à la norme EN 1717. Monter le dispositif de sécurité adapté.
Ouvrir toutes les vannes du système et des radiateurs.
Mettre en marche de robinet d'arrêt principal de l'eau.
Système étanche
- Surveiller le manomètre sur le panneau de commande de l'appareil
- Remplir le système lentement au moyen du lien de remplissage externe
- Regler la pression entre 1 et 1,5 bars de pression.

1.

2.

3.
Fig. 25 Réglage de la pression système
Fermer la vanne de replissage externe
Vérifier l'étanchéité de la tuyauterie et des raccordements et rectifier si nécessaire
Purger tous les radiateurs, desserrer ensuite.
Si la pression de test diminue à la suite de la purge d'air :
Faire l'appoint au moyen d'eau potable froide
Completer la mesure de pression selon les exigencies locales
Une fois la mesure de pression effectuee et l'absence de fuites constatée:
Regler la pression de service correcte
7.3 Traitement del l'eau

AVIS: L'utilisation d'un traitement d'eau peut affecter les performances de la chaudière à condensation. Il est donc conseilé de désir acvec précaution la concentra-tion correcte et le degré de protection.
Le non-respect des directives pour l'utilisation du traitement de l'eau avec l'appareil invalider la garantie de l'appareil.

AVIS:
La qualite de I'eau du systeme doit etre controlee regulierement. Pour de plus amples renseignements, veuillez contacter le fabricant de I'appareil.
L'ajout d'agents d'étanchéité à l'eau du système n'est pas recommandé, ici pouvant provoquer des problèmes de dépôts dans l'échangeur thermique.
7.4 Mise en service

Fig. 26
[1] Interrupteur Marche / Arrêt principal
[2] Port de diagnostic (techniciens d'entretien uniquement)
[3] Bouton ECS
[4] Bouton Chauffage
[5] Affichage
[6] Bouton Moins
[7] Bouton Plus
[8] Bouton OK
[9] Bouton Retour
[10] Manometre
[11] Bouton Entretien
[12] Bouton Reset
[13] Bouton Mode Eté / Hiver

AVIS: Ne jamais faise fonctionner l'appareil lorsque celui-ci ou le système est vide ou dépressurisé.
Mise en marche / arrêt de l'installation :
-
Mentre en marche l'alimentation électrique secteur.
Metre en marche toute commande externe.
Regler les commandes TRV au maximum.
Régler leprogrammateur ou l'horloge, si montés, sur Marche continue et lethermostat à la température maximum. -
Mettre en marche l'appareil à l'aide de l'interrupteur Marche / Arrêt sur le panneau de commande.
L'écran s'allume et affiche initialement la température de l'appareil.

Le programme de remplissage de siphon de condensats démarre à chaque mise en marche de l'appareil. L'appareil fonctionne à puissance minimum pendant environ 15 minutes pour replir le siphon de condensats. Le symbole signote en blanc pour la durée d'activité du programme.

Fig. 27 Interrupteur principal d'alimentation
Régler la chaudière sur puissance maximum
- Appuyer sur le bouton en mode ramonage, écran affiche le température de départ actuelle et le pourcentage de puissance thermique clignote sur l'écran alphanumérique. Le symbole brûleur s'affiche à l'écran. Appuyer sur le bouton + ou - jusqu'à que le pourcentage de puissance thermique nécessaire est affché. Au départ, régler la puissance thermique sur 100%.

Fig. 28 Fonctionnement de la chaudière
- Si la chaudière ne s'allume pas, appuyer sur le bouton reset jusqu'à affichage de la ligne reset sur les écrons texte. L'appareil se remet en marche et la température de départ est affichée.
- Appuyer sur le bouton àout moment pour revenir au fonctionnement normal.

La chaudiere ne fonctionnera à puissance maximum que pendant 30 minutes avant de commuter en fonctionnement normal.
7.5 Vérification de la pression d'entrée de gaz Belgique

AVIS: Il est interdir de regler les appareils!
La chaudière est régée en usine pour fonctionner avec du gaz naturel (G20/G25) I2E(S) de façon à ce que l'appareil puisse fonctionner dans les deux régions sans qu'aucun réglage ni aucune modification de pieces ne soient nécessaires.
C'est seulement lorsqu'une piece du bloc gaz est doit être remplacée qu'il est parfois nécessaire de régler la configuration du gaz. Ces réglages peuvent uniquement être effectuels par un technicien agréé et My Service.

DANGER: du à l'explosion de gaz inflammables.
Contraler l'etanchéité des buses de mesure utilisés.
Respecter les normes et prescriptions spécifiques locales en vigueur.
7.5.1 Mesure de la pression d'entrée
Retirer le panneau avant figure 19
Retirer le capot de la chambre de combustion.
La pression d'entrée de l'appareil doit etre verifiée selon la procedure suivante:

Fig. 29 Point de mesure d'entrée
Fermer la vanne d'isolement de gaz.
- Desserrer la vis dans le point de mesure de la pression d'entrée et raccorder un manomètre.
Ouvrir la vanne d'isolement de gaz.
Mesurer la pression avec la chaudiere a puissance maximum.
Vérifier que la pression de service de l'alimentation en gaz est conforme aux valeurs indiquées aux tab. 14.

S'assurer que la pression d'entrée est satisfaisante lorsque tous les autres appareils au gaz fonctionnement.
Tab. 14 Plage pression gaz
| Type de gaz min. | pression (mbar) max. | pression (mbar) |
| G20 17 | 25 | |
| G25 22 | 30 | |
| G31 25 | 45 |
Pression gaz dans le système
Si la pression de gaz de votre type de gaz est inférieure au minimum present dans le tableau 14, cela peut indiquer un problème avec la tuyauterie ou les raccordements au sein du système.

AVIS: Ne pas continuer la mise en service tant que la pression correcte du gaz n'est pas atteinte.
Si la pression est satisfaisante, appuyer sur le bouton la chaudiere se remettra en fonctionnement normal.
Si la chaudiere reste en mode « ramonage», la commande reprend le fonctionnement normal au bout de 30 minutes.
- Resserrer de manière étanche la vis sur le point de mesure de pression du gaz d'entrée.
7.5.2 Verification du taux de gaz
Le taux de gaz doit être mesuré au niveau du compteur de gaz après 10 minutes de fonctionnement à pleine puissance. Voir la section caractéristiques techniques au début de ce manuel.
Lorsqu'un compteur de gaz n'est pas disponible (par ex. G.P.L.) le CO / CO_2 doit être vérifié au niveau des unités indiquées à la section « Réglage du rapport air/gaz »
- Si la pression et le taux de gaz sont satisfaitsants, appuyer sur le bouton et la chaudière se remettra en fonctionnement normal.
- Si la chaudière reste en mode « ramonage», la commande reprendé le fonctionnement normal au bout de 30 minutes.
Fermer la vanne d'isolement de gaz.
Retirer le manometre.
- Resserrer de manière étanche la vis sur le point de mesure de pression du gaz d'entrée.
Ouvrir la vanne d'isolement de gaz.
S'assurer de l'absence de fuites.
Monter l'habillage extérieur.
7.6 Terminer la mise en service

Lors de la mise en service, compléter toutes les sections de la liste de contrôle mise en service concernées.
- Monter et fixer le couvercle de la chambre de combustion interne à l'aide des quatre vis retirees préalablement.
- Placer les fentes inférieures du panneau avant sur les vis inférieures et bloquer les loqueteaux à bille dans les récepteurs de chaque panneau létral.
LIVRAISON A L'UTILISATEUR :
Completer la liste de contrôle mise en service fournie.
- Mettre en place les commandes et montré à l'utilisateur comment faire fonctionner toutes les commandes indiquées dans la notice utilisé.
Si nécessaire, envisigner au client comment re-pressuriser le système.
Si l'appareil est inutilisé et confronté à des conditions de gel, montré au client les mesures nécessaires pour éviter l'endommagement de la chaudière, du système et du bathtub. Si l'appareil ne fonctionne pas, isoler la chaudière et vidanger le système et la chaudière.
7.7 List de contrôle mise en service
Avec la mise en service, confirmer les travaux, noter les valeurs, signer et dater.
Tab. 15 LiSTE de controle mise en service
| Mise en service | Page U | Unité Valeur | Commentaires | ||
| 1 Remplir l'installation de chauffage et vérifier l'absence de fuites | ☐ | ||||
| 2 Enregistrer les valeurs du gazIndice de WobbePouvoir calorifique supérieur | kWh/m3 | ||||
| 3 Chercher d'eventuelles fuites de gaz sur l'alimentation en gaz | ☐ | ||||
| Purger l'alimentation en gaz | ☐ | ||||
| 4 Pressuriser le système de chauffage et enregistrer la valeur bar | |||||
| 5 Vérifier les conduites d'alimentation/extraction et les raccordements des conduites d'évacuation des fumées | ☐ | ||||
| 6 Vérifier que l'installation est complète | ☐ | ||||
| 7 Régier le type de gaz, si nécessaire (non applicable à la Belgique) | |||||
| 8 Mettre en service le brûleur et les commandes | ☐ | ||||
| 9 Mesurer et enregistrer la pression de raccordement du gaz | mbar | ||||
| 10 Mesurer les valeurs des fumées pleine | charge | pleine charge | |||
| - Pression des fumées Pa | |||||
| - Température des fumées (brute) tA | °C | ||||
| - Température ambiente tL | °C | ||||
| - Température des fumées (nette) tA-tL | °C | ||||
| - Teneur en oxygène ou dioxyde de carbone Vol. % | |||||
| - Pertes de fumées qA | % | ||||
| - Teneur en CO (sans air) ppm | |||||
| - Teneur en oxygène ou dioxyde de carbone de l'arrivée d'air frais dans une,chambre étanche | Vol. % | ||||
| 11 Chercher d'eventuelles fuites lors du fonctionnement | ☐ | ||||
| 12 Tests fonctionnels | |||||
| Mesurer le courant d'ionisation | |||||
| 13 Montage des panneaux d'habillage | ☐ | ||||
| 14 Insuivre l'opérateur et remetre la documentation | ☐ | ||||
| 15 Installation correcte par un installeragré | Signature | ||||
| 16 Opérateur | Signature | ||||
8 Désinfection thermique
8.1 Proceder à une désinfection thermique
Généralités
Pour éviter une contamination bacteriienne du système d'eau chaude par Legionella, il est recommendé de procéder à une désinfection thermique après une longue période à l'arrêt.
Certains systèmes de contrôle disposant d'un intervalle de tempsprogramme pour proceder à la désinfection thermique, se réferer à la notice d'utilisation de votre système de commande.
Le désinfection thermique traite le système d'eau chaude en entier, y compris les points d'extraction.
Pour la protection contre les legionnelles, tener compte de la fiche de travail DVGW W551.

AVERTISSEMENT:Risque de brulure
L'eau chaude peut provoquer des brûlures graves
Proceder à la désinfection thermique en dehors des heures normales d'utilisation de l'eau chaude.
8.2 Effectuer une désinfection thermique pour les chaudières avec ballon d'eau chaude
Désinfection thermique par commande externe (par ex. module de commande RC300)
La désinfection thermique est effectuee dans ce cas au moyen de la commande externe, se referrer à la notice d'utilisation de la commande
Fermer tous les robinets d'eau chaude.
Prévenir les habitants du risque de brûlle.
Régler toute autre pompé pour un fonctionnement en continu.
- Activer la désinfection thermique à température maximum à l'aide de la commande.
Attendre que la températe maximum soit atteinte.
Faire fonctionner chaque robinet d'eau chaude pour au moins 3 minutes à 70^ , en commençant par celui qui est le plus proche de la chaudière et en s'éloignant progressivement de celle-ci
Regler à nouveau la pompe de circulation et le système de commande sur fonctionnement normal.
Désinfection thermique par commande intégrée
La désinfection thermique est effectuee par la commande integree et demarre et s'arrete manuellement.
Fermer tous les robinets d'eau chaude
Prevenir les habitants du risque de brûture
Régler toute autre pompé pour un fonctionnement en continu
- Activer la désinfection thermique au moyen de la fonction de service 2.9L voir tabl. 19 à la page 35
Attendre que la température maximum soit atteinte
Faire fonctionner chaque robinet d'eau chaude pour au moins 3 minutes à 70^ , en commencerant par le robinet le plus proche de la chaudière et en s'éloignant progressivement de cette-ci
Regler a nouveau l'autre pompe de circulation sur fonctionnement normal
La désinfection thermique est terminée lorsqu'el'eau a été maintainue à 70°C pendant 60 minutes
Pour interrompre la désinfection thermique
Arreter et remetre en marche l'appareil.
L'appareil se remet en fonctionnement normal et la température de départ est affichée.

Le tirage de l'eau chaude à un débit trop élevé peut signifier que la température nécessaire ne peut pas être atteinte.
- Ne tirer que le volume d'eau que l'appareil peut fournir en continu à la température de désinfection de 70^ .
9 Fonctionnement de l'installation
Ce manuel ne s'applique qu'aux apparèils cités sur la couverture. Selon le système de commande monté, certaines fonctions peuvent être différentes.
Les systèmes de commande en option suivants peuvent être utilisés : - EMS programmeur à montage externe

Pour de plus amples informations, se référer au manuel de la commande ou du programmeur en question.
9.1 Vue d'ensemble des commandes

Fig. 30
[1] Interrupteur Marche / Arret principal
[2] Port de diagnostic (techniciens d'entretien uniquement)
[3] Bouton ECS
[4] Bouton Chauffage
[5] Affichage
[6] Bouton Moins
[7] Bouton Plus
[8] Bouton OK
[9] Bouton Retour
[10] Manometre
[11] Bouton Entretien
[12] Bouton Reset
[13] Bouton Mode Eté / Hiver

9.2 Ecran
Fig. 31 Symboles d'affichage
[1] Mode ECS Arrêt
[2] Mode ECS Marche
[3] Mode Solaire
[4] Compensation météorologique (capteur externe nécessaire)
[5] Mode Ramonage
[6] Alerte défaut
[7]Mode service
[6 + 7] Mode entretien
[8] Bruleur Marche
[9] Unités de température °C
[10] Confirmation
[11] Défilament haut ou bas dans les sous-menus
[12] Affichage alphanumerique (par ex. tempéature)
[13] Affichage xy
[14] Mode chauffage Arret
[15] Mode chauffage Marche
9.3 Interrupteur Marche / Arrêt de l'appareil
Interrupteur initial Marche
Mettre en marche au niveau de l'interrupteur principal de I'appareil. L'écran s'allume et affiche initialement la température de l'appareil.

Fig. 32 Interrupteur principal d'alimentation

Le programme de replissage de siphon de condensats démarre à chaque mise en marche de l'appareil. L'appareil fonctionne à puissance minimum pendant environ 15 minutes pour replir le siphon de condensats. Le symbole clignote en blanc pour la durée d'activité du programme.
Arrêt de l'installation
Pour arreter : utiliser l'interrupteur Marche / Arrêt principal de l'appareil sur le panneau de commande. L'écran s'efface.
Si I'appareil doit etre mis aI'arret pour une durée prolongee:verifier I'antigel ( Section 9.8).

La commande dispose d'une protection antiblocage de la pompe pour les longues période d'inactivite, la pompe fonctionne periodically pour eviter qu'elle se bloque. Si la commande est arrêtée, cette fonction est désactivée.
9.4 Mode chauffage
9.4.1 Mode chauffage Marche / Arret
Appuyer sur le bouton mode chauffage au亜ieurs reprises jusqu'à ce que l'écran affiche le symbole du symbole mode chauffage arrêt du note.

Fig. 33 Affichage chauffage
Appuyer pour le bouton + ou le bouton - pour selectionner mode chauffage Marche ou Arret :
-
- chauffage Marche
- = mapechauffageArret

AVIS: Risque de gel du système
Lorsque le chauffage est à l'arrêt, seuil l'appareil est protégé du gel.
Vérifier l'antigel s'il y a un risque de gel ( Page 33).

Il n'y aura pas de chauffage si le mode chauffage est à l'arrêt.
Appuyer sur le bouton ok pour enregistrer le réglage. Le symbole de coche vera brievement affiche.

Fig. 34 Affichage mode chauffage
Le symbole chauffage est affiché lorsqu'il y a une demande de chauffage.
9.4.2 Regler la température de départ maximum
La température de départ maximum peut être régée entre 30^ et 82^^1) . La température de départ actuelle s'affiche.

Pour le chauffage au sol, veuillez respecter la températe de départ maximum.
Lorsqu'en mode chauffage :
Appuyer sur le bouton. L'écran affiche la tempéature de départ maximum clignotante et le symbole mode chauffage affché.

Fig. 35 Température de départ maximum
Appuyer sur le bouton + ou - pour régler la température de départ maximum.
Tab. 16 Températures de départ maximum
| Température de départ (env.) | Exemple |
| 50 °C | Au sol |
| 75 °C | Radiateurs |
| 82 °C | Convection |
- Appuyer sur ok pour enregistrer le réglage.
Le symbole de coche est brièvement affché pour confirmer que le réglage a été enregistré.

Fig. 36 Reglage de la tempéature de départ maximum
9.5 Reglage de l'ECS
9.5.1 ECS Marche / Arret
Appuyer sur le bouton à plusieurs reprises jusqu'à ce que l'écran affiche le symbole ou le symbole clignant est affché.

Fig. 37 Affichage ECS
Appuyer sur le bouton + ou - pour régler l'utilisation souhaïée d'eau chaude :


Il n'yaura pas d'eau chaude si le mode ECS est à l'arrêt.
Appuyer sur ok pour enregistrer le réglage. Le symbole de coche est brièvement affché pour confirmer que le réglage a été enregistré.

Fig. 38 Réglage mode Eco
Le symbole ECS est affché lorsqu'il y a une demande d'eau chaude sanitaire.
Mode ECS ou Eco?
Mode ECS
Si la température dans le gallon d'eau chaude sanitaire baisse de plus de 5 K (°C) en-dessous de la température régée, le gallon d'eau chaude sanitaire est réchauffé à la température régée. La commande commute à nouveau en mode chauffage.
Mode Eco
Si la température dans le gallon d'eau chaude sanitaire baisse de plus de 10 K (°C) en dessous de la température régée, le gallon d'eau chaude sanitaire est rechauffé à la température régée. La commande commute à nouveau en mode chauffage.
9.5.2 Réglage de la température ECS
Mode ECS ou Eco, ( page 32).
Appuyer sur le bouton
La tempéature ECS réglée clignote.

Fig. 39
Appuyer sur le bouton + ou - pour selectionner la temperture ECS réglée entre 40 et 60^
- Appuyer sur le bouton ok pour enregistrer le réglage.
Le symbole de coche est brièvement affché pour confirmer que le réglage a été enregistré.
Fig. 40

Il est conseilé de régler la température à 55^ au minimum afin de prévenir les contaminations bacteriennes comme les légionelles.
9.6 Réglage appareil de commande
Certaines des fonctions décrites dans ce chapitre changent lorsqu'elles sont connectées à un autre appeaire de commande (par ex. RC300):
- Communication avec l'appareil de commande et le régulateur de base
- Réglage des paramètres

Notice apparéil de commande
La notice vous montre comment :
Regler le mode et la courbe de chauffage en utilisant le retour d'une sonde de température extérieure.
Regler la températe ambiente.
Chauffer de maniere économique et economiser de l'énergie.
9.7 Modeé Marche / Arret
En mode eté, le chauffage est à l'arrêt mais l'alimentation électrique de l'appareil et le système de régulation sont maintaines et le mode ECS est en marche.

AVIS: Risque de gel. En mode este seuIes les dispositifs de protection hors gel sont actifs.
Protection hors gel ( page33).
Interrupteur mode eté
Appuyer sur le bouton les yeurs reprises jusqu'à ce que l'écran affiche le symbole d'otant.

Fig. 41
Appuyer sur le bouton ok pour enregistrer le réglage.
Le symbole de coche est brièvement affché pour confirmer le réglage.

Fig. 42
Réglage mode éte/hiver :
Appuyer sur le bouton /plopleurs reprises jusqu'ac que l'écran affiche le symbole dnotant.
- Appuyer sur le bouton ok pour enregistrer le réglage.
Le symbole de coche est brievement affché pour confirmer le réglage.
Pour de plus amples informations, se référer au manuel du système de commande.
9.8 Reglage protection hors gel
Protection hors gel système de chauffage :
Régler le mode chauffage sur Arrêt (→ section 9.4.2).
Protection hors gel du ballon :
Meme lorsque le mode ECS est à l'arrêt, le ballon est protégé des dommages dus au gel.
Régler le mode ECS sur Arrêt (→ section 9.5.1).
10 Entretien et pièces de rechange

PRUDENCE : Alimentations principales :
Couper l'alimentation en gaz et isoler l'alimentation électrique secteur avant de commencer le travail sur l'appareil et respecter toutes les mesures de sécurité applicables.

PRUDENCE : Remplacement de composants :
Aprese le remplacement d'un composant dédié au gaz, lorsqu'un joint ou un joint dd'etanchéité a été déplace ou remplace, vérifier l'etanchéité au gaz à l'aide d'un analyseur de gaz/sniffer.
Aprese le montage, effectuer également les verifications suivantes: pression de ventilateur à la section 10.6, analyse des gaz brûlés à la section 10.7.

AVIS:Travaux d'entretien
- Les travaux d'entretien doivent être effectuels par un technicien compétent, par ex. du personnel de l'entreprise d'utilité ou d'autre qualification valide.

AVIS:ANALYSEUR CO/CO2
- Les travaux d'entretien ne doivent pas etre tentes s'il n'y a pas d'analyseur CO / CO_2 calibre ou de manometre disponible.

DANGER: Explosion!
Fermer le robinet de gaz avant d'effectuer des travaux sur des composants contenant du gaz.
Contrcler après les travaux l'etanchete de tous les composants contenant du gaz.

DANGER: Sile siphon n'est pas remplid'eau, les fumées peuvent s'échapper!
N'interrompre le programme de replissage du siphon que durant les travaux de maintenance.
- Remetre imperativement en service le programme de replissage du siphon une fois les travaux de maintenance terminés.
10.1 Inspection et entretien

AVIS: Tous les travaux d'entretien doivent etre effectues par des techniciens competents et references.

Apre's l'entretien, renseigner le carnet d'intervalles de maintenance.
Un entretien ne doit PAS etre execute s'il n'y a PAS d'analyseur CO / CO_2
- Pour assurer le maintien du fonctionnement efficace de l'appareil il doit être vérifié à intervalles réguliers.
- La fréquence des entretiens dépendra des conditions particulières d'installation et d'utilisation, cependant, un entretien annuel est recommandé.
L'etendue de l'entretien nécessaire pour l'appareil est déterminée par l'etat de service de l'appareil lors du contrôle par des techniciens entièrement qualifiés.
Inspection
- Vérifier que la borne de raccordement et le recouvrement des bornes, si ils sont montés, sont dégagés et non endommages.
- Si l'appareil est dans un compartment et une armoire, vérifier que l'espace de service spécifique autour de l'appareil est dégagé.
- Vérifier tous les joints et raccordements du système et replacer tout raccordement représentant un signe de fuite. Remplir et re-presuriser si nécessaire comme décrit dans le chapitre Mise en service.
- Faire fonctionner l'appareil et noter toute irregularite. Rappeler la derniere erreur enregistree par la commande, Fonction de service '6A'. Se referrer à Recherche d'erreurs sur la page pour les procédures de rectification.
10.2 Fonction entretien
Le menu Entretien propose des fonctions d'entretien pour modifier et tester de nombreuses fonctions de l'appareil.
Le menu Entretien comporte cinq sous-menus :
- menu Info pour le lecture des valeurs
- menu 1, pour le réglage des fonctions d'entretien de premier niveau
- menu 2, pour le réglage des fonctions d'entretien de second niveau
·menu 3, pour le réglage des fonctions d'entretien de troisisième niveau - menu Test pour le réglage manuel des fonctions de l'appareil à des fins de test

Fig. 43
[1] Symbole de mode, Chauffage ou ECS
[2] Ecran alphanumeric
[3] Symbole entretien
[4] Bouton Plus (défilament vers le haut)
[5] Bouton OK (confirmer la seLECTION, enregistrer la valeur)
[6] Bouton Retour (quitter la fonction d'entretien sans sauegarder)
[7] Bouton Moins (défilament vers le bas)
[8] Indicateurs de fonction défilament
[9] Bouton Entretien
[10] Ligne de texte
10.2.1 Sélection des menus de service
La description peut être trouvée au début de chaque section consacrée aux différents menus.
Pour acceder aux différents menus voir :
Info menu (voir section 10.2.2)
Menu 1 (voir section 10.2.3)
▶ Menu 2 (voir section 10.2.4)
Menu 3 (voir section 10.2.5)
Menu Test (voir section 10.2.6)
Appuyer sur le bouton + ou - pour un défilament dans l'espace menu.

L'affichage d'une combinaison de flèches vers le haut et vers le bas signifient qu'il est possible de faire défiler le menu vers le haut et vers le bas. Une double flèche vers le haut ou vers le bas signifie que le défilament dans le menu n'est possible que vers le haut ou vers le bas.
La ligne de texte [10] affiche la fonction de service et l'écran alphonémé-rique [2] affiche la valeur de cette fonction d'entretien.
Réglage de la valeur :
- Appuyer sur le bouton OK, dans la fonction d'entretien, pour changer la valeur.
La valeur clignote sur l'écran alphanumeric.
Appuyer sur le bouton + ou - pour selectionner la valeur souhaitee.
Appuyer à nouveau sur le bouton ok pour enregistrer le réglage.
Lorsque la valeur modifiée a été correctement enregistrée, une coche est affichée brièvement à l'écran.
La commande quitte automatiquement le niveau d'entretien après 15 minutes d'inactivité.
10.2.2 Sélection du menu Information
Le menu Information est un menu « lecture seule ». Les informations concernant la chaudière sont affichées ici, certaines des valeurs sont mises à jour en temps réel pour signaler l'état actuel de la chaudière.
Le rétroéclairage du menu s'éteint après 30 secondes d'inactivité et tous les menus se réinitialisent après deux minutes d'inactivité et l'écran returne à l'affichage de fonctionnement normal.
Les doubles flèches vers le haut ou vers le bas indiquent que le menu ne peut défilier que vers le haut ou le bas, une combinaison de flèches vers le haut et vers le bas indique une position dans le menu où le défilament est possible à la fois vers le haut et vers le bas.
Pour entrer dans le menu Information :
Appuyer sur le bouton
Appuyer sur le bouton + ou - pour un défilament dans le menu Information
Tab. 17 Menu Information
| Fonctions entretien | Commentaires | |
| i01 E | at de service actuel | chaque fonctionnement et mode de la chaudière a un code d' état de chaudière associé. Le code d' état de chaudière est affché sur l'écran sous forme de numéro à trois chiffres. Se référer au tableau des codes d' état à la page 51 |
| i02 C | ode de fonctionnement pour laforthèrence erreur | Ceci peut être vu lors du fonctionnement normal. Affiche le dernier code de diagnostique avec le code d' état de la chaudière. |
| i03 C | chauffage partagé maximum | Réglage de la fonction d'entretien 2.1A |
| i04 P | uissance partagée maximum (eau chaude) | Réglage de la fonction d'entretien 2.1b |
| i07 T | température de départ | La température d'alimentation actuelle nécessaire du système de commande |
| i08 | Courant d'ionisation | Lorsque le brûleur fonctionne : • ≥ 2 micro Ampères = OK • < 2 micro Ampère = défectueux Avec brûleur éteint : • < 2 micro Ampères = OK • ≥ 2 micro Ampère = défectueux |
| i09 Témpérature au niveau de la sonde de température de départ | Ceci est la température réelle de l'éché-geur thermique principal affichée en temps réel. | |
| i11 Température sur la sonde de température eau chaude | La température actuelle de départ ECS. | |
| i12 ECS consigne de tem-pérature | seulument si un gallon d'eau chaude est équipée | |
| i13 Température au niveau de la sonde de température du gallon | seulument avec gallon raccordé | |
| i15 Température extérieure actuelle | Uniquement affichée lorsqu'un système de capteur externe de température est raccordé. | |
| i17 Chauffage actuel | Affichage en % de la puissance ther-mique nominale maximum en mode chauffage | |
| i18 Vitesse actuelle du ventilateur | Affichage en tours par seconde (Hz) | |
| i20 Version logicielle de la carte circuit imprimé 1 | Version de logiciel propriétaire pour la carte de commande principale. | |
| i21 Version logicielle de la carte circuit imprimé 2 | Version de logiciel propriétaire pour la carte de commande d'affichage frontal | |
| i22 Numéro clé de codage | Les derniers trois chiffres de la clé de codage (HCM) sont affichés | |
| i23 Version clé de codage |
Tab. 17 Menu Information
10.2.3 Sélection du menu 1
Pour afficher une fonction entretien dans ce menu :
Appuyer sur le bouton et sur le bouton ok simultanément jusqu'à affichage de la ligne de texte Menu 1.
Appuyer sur le bouton ok pour confirmer votre sélection.
Appuyer sur le bouton + ou - pour un défilament dans le menu.
| Fonction entretien Réglages possibles | |
| 1.W1 Compensation météorologique 0 = marche | 1 = arrêt |
| 1.W2 Compensation météorologique, point A @ -10 °C | °C (Valeur par défaut 90 °C) |
| 1.W3 Compensation météorologique, point B @ 20 °C | °C (Valeur par défaut 20 °C) |
| 1.W4 Compensation météorologique, point de commutation automatique Hiver/Étée | °C (Valeur par défaut 16 °C) |
| 1.W5 Protection antigel du système 0 = marche | 1 = arrêt |
| 1.W6 Température de protection antigel du système | °C (Valeur par défaut 5 °C) |
| 1.7d Ouvrir l'entrée de la sonde du shunt 0 = Aucun, | 1 = au niveau de la chaudière, |
| 2 = au niveau du module | |
Tab. 18 Menu 1
10.2.4 Sélection du menu 2
Pour afficher une fonction entretien dans ce menu :
Appuyer sur le bouton et sur le bouton ok simultanément jusqu'à affichage de la ligne de texte Menu 1.
- Sélectionner le menu 2 avec le bouton+.
Appuyer sur le bouton ok pour confirmer votre selection.
Appuyer sur le bouton + ou - pour un défilament dans le menu.
| Fonction entretien | Réglages possibles | |
| 2.1 A | Puisance thermique maximum | Certaines fournisseurs de gaz nécessités un prix de base basé sur la performance.La puisance peut être limitée entre la puisance nominale minimum et la puisance nominale maximum pour des exigences spécifiques de chaufage.Lé réglage d'origine est la puisance nominale maximum.Régler la puisance en kW.Comperer le débit de gaz auxdonnées du tabl. 6 et 9. En cas de variations, corriger le réglage. |
| 2.1B | Performance maximum ECS | La puisance peut être limitée entre la puisance nominale minimum et la puisance nominale maximum pour des exigences spécifiques de chaufage.Lé réglage d'origine est la puisance ECS maximum.Régler la puisance en kW.Comperer le débit de gaz auxdonnées du tabl. 6 et 9. En cas de variations, corriger le réglage. |
| 2.1E | Pompe mode économique d'énergie | La pompe est automatiquement ajustée par le système de commande.4: ON - les systèmes de chauffage à compensation météorologique diminuents le régime de la pompe. La pompe est uniquement en marche quand elle est nécessaire.5: OFF - la commande de température de départ contrôle la pompe.Lorsque de la chaleur est nécessaire, la pompe et le brûleur sont mis en marche.Lé réglage d'origine est 5 |
| 2.2 A | Temps de verrouillage de pompe pour une vanne d'inversion à 3 voies externe | La pompe interne est verrouillée jusqu'à ce que la vanne d'inversion a trois voies externe a atteint sa position de fin de course.Plage de réglage : 0 - 6 × 10 secondes.Lé réglage d'origine est 0 (secondes). |
| 2.2C | Mode purge de air | Ce réglage peut être sélectionné pour purger le système et la chaudière de l'air.0 = Arrêt,1 = auto2 = marche en continu.Le réglage d'origine est 1Tant que la fonction de purge est activée, l'odore clignote. |
Tab. 19 Menu 2
Buderus
| Fonction entretien Réglages possibles | ||
| 2.2d Désinfection thermique | Cette fonction d'entretien permet le chiffage de l'eau à 70 °C. Le chiffage n'est effectué que lorsque l'eau est soutirée. Les régles possibles sont :0 : la désinfection thermique est inactive | |
| 2.2H Système d'eau chaude sanitaire | Lors du raccordement de la sonde de température du gallon à la chaudière, cette fonction doit être activée.Les régles possibles sont :0 : pas de gallon d'eau chaude raccordé8 :allon d'eau chaude raccordéLe réglage d'origine est:0 pour régulière8 pour le système | |
| 2.2J | Prioritéallon | Réglages possibles :0:- Prioritéallon ; le gallon d'eau chaude est chauffé d'abord à température puis la chaudière commute en mode chauffage1:- Lorsque le gallon nécessite de la chaleur, la chaudière alterne entre le chiffage et l'eau chaude toutes les dix minutes.Le réglage d'origine est 0 |
| 2.3B Intervalle de temps pour la mise hors service et la remise en service du brûleur | En cas de raccordement d'un système de régulation en fonction de la tempé-rature extérieure, aucun réglage n'est nécessaire sur l'appareil. Le système de régulation optimise ce réglage.Lé cycle déterminé le temps d'attente minimum entre l'arrêt et la remise en marche du brûleur.La plage de réglage: 3 à 45 minutesLe réglage d'origine est 10 minutes. | |
| 2.3CTemporisation hysté-rèse température de départ (tolerance négative unique-ment) | Ceci règla la baisse de température avant redémarrage du brûleur, 6 K est la valeur d'origine.Useition conjointement avec le temps de temporisation.Lors du raccordement à un système de commande à compensation météorologique, il n'y a pas de réglage nécessaire de l'unité.Lé système de commande optimise ce réglage.L'intervalle de température déterminé la baisse nécessaire de la température de départ en-dessous de la tempéra-ture souhaitée avant que cette baisse ne soit interprétée comme demandede chaleur.II peut être règla par increments de 1 K.L'intervalle de température peut être règla de 0 à 30 K.Lé réglage d'origine est 6 K. | |
Tab. 19 Menu 2
| Fonction entretien Réglages possibles | ||
| 2.4F Proprogramme de remplissage de siphon | Le programme de replissage de siphon garantit que le siphon de condensat est rempli après l'installation ou après que la chaudière a été arrêtée.Le programme de replissage de siphon est activé lorsque :· l'appareil est sous tension· le brûleur n'a pas fonctionné pendant les 28 derniers jours au moins· lorsque la chaudière est commutée du mode étabé au mode hiver à la prochaine demande de chaleur.Le programme de replissage de siphon resté en marche pour 15 minutes à basse puissance.Les régles possibles sont :· 1 : programme de replissage de siphon à faible puissance· 0 : le programme de replissage de siphon est arrêté (pour entretien uniquement)Le réglage d'origine est 1L'icône signote lorsque le programme de replissage de siphon est actif.► Commuter sur 1 après la fonction de service entretien. | |
| 2.5F | Rappel d'entretien | Lorsque cette fonction est paramétrée dans le système de commande, ce service n'est pas affchéé.Les régles possibles sont :· 0 : inactive· 1 - 72, 1 jusqu'à 72 mois peuvent être régés et après l'écoulement de cette période, l'écran affiche qu'un entretien est nécessaire.Le réglage d'origine est 0 |
| 2.7B Vanne à 3 voies en position moyenne | Après avoir enregistré la valeur 1, la vanne à 3 voies se déplace vers la position centrale.La vidange complète de l'eau du système peut être assurée autorisant le retrait de l'échangeur de chaleur.Après 15 minutes, la valeur est automatiquement remise à 0.La position moyenne de la vanne à 3 voies n'est pas affichée. |
Tab. 19 Menu 2
| Fonction entretien Réglages possibles | ||
| 2.7E Fonction séchage de chape | Cette fonction ne fournit que de la cha-leur pour le séchage de dalle, l'appareil ne fonctionne pas comme une chaudière de chauffage central, aucune autre réglage n'est possible : 0 : arrêt 1 :chauffage seulement sur l'appareil ou réglage de commande, c'est-à-dire toutes les autres exigences de chaleur sont verrouillées.Lé réglage d'origine est 0Tant que la fonction séchage de dalle est active, la ligne de texte affiche 7E | |
| 2.9F Temps de salarié de la pompe CC | Le temps de salarié de la pompe CC commence à la fin de la demande de chaleur.Les réglages possibles sont :· 0 to 60 : temps de suivi en minutes (incréments d'1 minute)· 24H : Temps de suivi 24 heures.Lé réglage d'origine est 3 minutes. | |
| 2.9L Désinfection thermique ballon d'eau chaude | Cette fonction permet le chauffage du ballon d'eau chaude à 75 °C.Les réglages possibles sont :· 0 : la désinfection thermique est inactive· 1 : désinfection thermique activeLe réglage d'origine est 0 (inactif).La désinfection thermique n'est pas affichée.L'eau est maintainue à 75 °C pour 35 minutes afin de compléter la désin-fection thermique. | |
| 2.CE Démarrage de la pompe de circulation | Active uniquement si la pompe de circulation est activée (fonction de service 2.CL).Cette fonction de service permet de régler la fréquence de démarrage de la pompe de circulation par heures pour 3 minutes. Les réglages possibles sont : 1 : 3 minutes marche, 57 minutes arrêt. 2 : 3 minutes marche, 27 minutes arrêt. 3 : 3 minutes marche, 17 minutes arrêt. 4 : 3 minutes marche, 12 minutes arrêt. 5 : 3 minutes marche, 9 minutes arrêt. 6 : 3 minutes marche, 7 minutes arrêt. 7 : marche en continu. Le réglage d'origine est 2 | |
| 2.CL | Pompe de chauffage | Cette fonction de service active une pompe de circulation connectée.Les réglages possibles sont :· 0 : pompé de circulation inactive· 1 : pompé de circulation activeLe réglage d'origine est 0 |
Tab. 19 Menu 2
10.2.5 Sélection du menu 3
Pour afficher une fonction entretien dans ce menu :
Appuyer sur le bouton et sur le bouton ok simultanément jusqu'à affichage de la ligne de texte Menu 1.
Selectionner le menu 3 avec le bouton+.
Appuyer sur le bouton et sur le bouton ok simultanement jusqu'à affichage de la première fonction de service 3.xx. dans la ligne de texte.
Appuyer sur le bouton + ou - pour un défilament dans le menu.
| Fonction entretien Réglages possibles | ||
| 3.1 A Limité supérieure de puissance de chaufage maximum pour 2.1A | Cette fonction de service permet au technicien d'entretien d'effectuer le réglage pour la limite maximum de puissance de chauffage (fonction de service 2.1A). Le réglage d'origine est la puissance nominale maximum. | |
| 3.1B La Limité supérieure de la puissance de chauffage maximum (eau chaude) pour 2.1B | Cette fonction de service permet au technicien d'entretien d'effectuer le réglage pour la limite maximum de chauffage (eau chaude, fonction de service 2.1B). Le réglage d'origine est la puissance ECS maximum. | |
| 3.2B Limité supérieure de température de départ | La température de départ maximum peut être régée entre 30 °C et 82 °C. Elle limite le réglage au niveau de fonctionnement. Réglage d'origine : 82 °C | |
| 3.3B Puissance thermique minimum nominale (chauffage et eau chaude) | La puissance de chauffage et de chauffage d'eau chaude peut être régée comme un pourcentage, sur toute valeur entre la puissance nominale minimum et maximum. Le réglage d'origine est la puissance nominale minimum (chauffage et eau chaude), selon l'appareil. | |
Tab. 20 Menu 3
10.2.6 Sélection du menu test
Pour afficher une fonction entretien dans ce menu :
Appuyer sur le bouton et sur le bouton ok simultanément jusqu'à affichage de la ligne de texte Menu 1.
Selectionner le menu test avec le bouton +.
Appuyer sur le bouton ok pour confirmer toute seLECTION.
Appuyer sur le bouton + ou - pour un défilament dans le menu.
| Fonctions entretien Régliages possibles | ||
| t01 Test | d'allumageVérification de l'étincelle d'allumage | L'allumage fournir des étincelles sans alimentation en gaz pour 2 minutes au maximum, sinon il existe un risque de dommages au niveau du transformateur d'allumage.L'étincelle sera audible si l'allumage fonctionne correctement.Les régliages possibles sont :0:Arrêt1:Marche ; le réglage d'origine est 0 |
| t02 Test | de ventilateurVérification du fon-citionnement du ventilateur | Le ventilateur fonctionnera sans alimentation en gaz ou allumage.Les régliages possibles sont :0:Arrêt1:Marche - le réglage d'origine est 0 |
| t03 Test | de pompé.Vérification du fon-citionnement de la pompé.(pompés interne et externe) | Le pompé fonctionnera pour 45 secondes maximum. Si la pompé est OK, alors on entendra la pompé.Les régliages possibles sont :0:Arrêt po mpe1:Pompe en marche - le réglage d'origine est 0 |
| t04 Vérification de la vanne d'inversion à 3 voies interne | Les régliages possibles sont :·0:Arrêt·1:Marche = ECS - Le réglage d'origine est 0 | |
Tab. 21 Menu test
10.2.7 Regler la chaudiere sur puissance maximum
- Appuyer sur le bouton /en même temps que sur le bouton
Pour entrer dans le « mode ramonage», l'écran affiche le tempé-rature de départ actuelle et le pourcentage de puissance thermique clignote sur l'écran alphanumérique. Le symbole brûleur s'affiche à l'écran.
Appuyer sur le bouton + ou - jusqu'à que le pourcentage de puissance thermique nécessaire est affchéé. Au départ, régler la puissance thermique sur 100 %.

Fig. 44 Fonctionnement de la chaudière
-
Si la chaudière ne s'allume pas, appuyer sur le bouton reset jusqu'à affichage de la ligne reset sur les écrans texte. L'appareil se remet en marche et la température de départ est affichée.
-
Appuyer sur le bouton à l'bout moment pour revenir au fonctionnement normal.

La chaudiere ne fonctionnera a puissance maximum que pendant 30 minutes avant de commuter en fonctionnement normal.
10.3 Adaptateur de la conduite d'évacuation des fumées
L'adaptateur du système d'évacuation des fumées et de la performance de la chaudière peuvent être au moyen des points de mesure d'évacuation des fumées.

Fig. 45 Tourelle d'évacuation des fumées
[1] Buse de mesure des fumées
[2] Point de mesure d'entrée d'air
Avec le boitier de la chaudière monté et la chaudière fonctionnant à puissance maximum (se référer à la section « Réglage de la chaudière au maximum »).
Insérer la sonde d'analyse dans le point de mesure d'entree d'air [2].
S'assurer que la sondeatteigne le centre de I'entree d'air,ajusterle cone sur la sonde de sorte qu'il rende etanche le point de mesure et positionne correctement I'extrémité de la sonde.
Permettre a la mesure de se stabiliser et vérifier que:
- O_2 est supérieur ou égal à 20,6 %.
CO2 est inférieur a 0,2%
Si les mesures se situes en-dehors de ces limites, ceci indique qu'il y a un problème avec le système d'évacuation des fumées ou le circuit de combustion, par ex. des joints absents ou déplacés

Fig. 46 Test d'intégrité de la conduite d'évacuation des fumées
10.4 Inspection d'entretien - Acces aux composants
Retirer le panneau avant de la chaudière pour acceder aux composants.
- Ecarter les angles supérieurs du panneau avant du boitier jusqu'à ce que les loqueteaux à billes soient libérés.
Retirer le panneau des consoles inférieures et le mettre de cote de maniere sure.
Descendre le panneau de commande en position d'entretien.
Retirer les quatre boulons fixés sur le couvercle de la chambre de combustion et enlever le couvercle pour pouvoir acceder aux composants.

Fig. 47 Accès aux composants
10.4.1 Panneau de commande - Position d'entretien
Pour abaisser le panneau de commande en position d'entretien,-retirer une vis supérieure [1] de chaque cote de I'équerre, desserrer les vis inférieures légerement et pivoter l'armoire vers l'avant. le panneau de commande est retenue à environ 100^

Fig. 48 Panneau de commande en position d'entretien
10.5 Verification de la pression d'entrée de gaz

AVIS: Pression d'entrée de gaz
S'assurer que la pression de gaz est satisfaisante lorsque tous les autres apparèils au gaz fonctionnement.
Ne pas continuer les autres tests tant que la pression correcte du gaz n'a pas ou etre atteinte.
Se référer à la section 7.5 et vérifier que les pressions de service du gaz dans le système correspondent aux chiffres ci-dessous:
Tab. 22
| Type de gaz | Minimum pression (mbar) | Maximum pression (mbar) |
| G20 17 25 | ||
| G25 22 30 | ||
| G31 25 45 |
10.6 Mesure de pression de ventilateur
Retirer la bonde du point de mesure de pression du ventilateur

Fig. 49 Point de mesure de pression et capot du ventilateur
Raccorder un manomètre au point de mesure de pression du ventilateur, (1).
Regler la chaudiere sur puissance maximum.
Avec la mesure, remetre en place le capot du point de mesure.

Fig. 50 Mesure de pression de commande de ventilateur

AVIS: Mesure de pression de ventilateur
La chaudiere doit fonctionner a puissance maximum pour la mesure de pression.
Avec le tube d'entrée d'air de combustion monté et la chaudière fonctionnant à puissance maximum, mesurer la pression de ventilateur :
La mesure de pression affichée sera négative, se référer au diagramme dans la fig. 51 ci-dessous.

Fig. 51 Résultats de pression de commande de ventilateur
Si le résultat de la mesure manometrique se situe dans la partie blanche du diagramme, l'échangeur de chaleur/le circuit d'évacuation de fumée/le siphon ne nécessite pas d'intervention.
Si le résultat de la mesure manometrique se situe dans la parie noire du diagramme, effectuer les vérifications suivantes:
- Vérifier l'absence de blocage du siphon.
- Verifier l'absence de restrictions dans le circuit d'évacuation de fumées.
- Nettoyer l'échangeur thermique avec un outil de nettoyage adaptable, se référer à la section - Nettoyage de l'échangeur thermique.
Vérifier à nouveau les résultats de pression de ventilateur.
Si la chaudière, après avoir complété les vérifications ci-dessus, ne réussit pas le test de pression, contactez My Service pour vous faire conseiller.
Après que les mesures aient eté effectuees,eteindre la chaudiere.
Retirer letube d'entree d'air de combustion.
Déconnecter le manomètre et remettre en place le couvercle du point de mesure.
Remetre en place le tube d'entree d'air de combustion.
10.7 Analyse du gaz brûlé

AVIS: Test de combustion
Les tests de combustion doivent etre effectués par une personne competente. Le test ne doit etre tenté que si la personne effectuant le test de combustion est équipé d'un dispositif d'analyse de combustion calibre conforme à la norme BS 7927 et si elle est compétente pour les utiliser.
"Vou avez 15 minutes pour mesurer des valeurs ou d'effectuer des réglages. Àprous, la chaudière commute en fonctionnement normal.

AVIS: Pression d'entree de gaz
S'assurer que la pression d'entrée du gaz a ete verifiee et qu'elle est satisfaisante, se referer a la section 7.5.
Belgique

AVIS: Il est interdir de regler les appareils!
La chaudière est reglee en usine pour fonctionner avec du gaz naturel (G20/G25) I2E(S) de façon a ce que l'appareil puisse fonctionner dans les deux régions sans qu'aucun réglage ni aucune modification de pieces ne soient nécessaires.
C'est seulement lorsqu'une piece du bloc gaz est doit être remplacée qu'il est parfois nécessaire de régler la configuration du gaz. Ces réglages peuvent uniquement être effectuels par un technicien/agree et My Service.
Test de combustion
Raccorder l'appareil électronique de mesure des fumées au point d'échantillonnage de gaz brûlé (1) comme indiqué dans la figure ci-dessous.
S'assurer que la sondeatteigne le centre de la conduited'évacuation du gaz brulé,ajusterle cone sur la sonde de sorte qu'il rendetanche le point de mesure et positionne correctement l'extrémite de la sonde.

Fig. 52 Tourelle d'évacuation des fumées
[1] Point de mesure de gaz brûlé
[2] Point de mesure d'entrée d'air
Appuyer sur le bouton /en prime temps que sur le bouton
Pour entrer dans le « mode ramonage», écran affiche le température de départ actuelle et le pourcentage de puissance thermique clignote sur l'écran alphanumérique. Le symbole brûleur s'affiche à l'écran.
Appuyer sur le bouton + ou - jusqu'à que le pourcentage de puissance thermique nécessaire est affiché. Au départ, régler la puissance thermique sur 100%.
-La chaudiere augmentera sa puissance au maximum dans environ 30 à 35 secondes.
Faire fonctionner la chaudiere à puissance maximum pendant au moins 10 minutes.
Vérifier les mesures de CO/CO _2 en les comparant aux informations dans le tabl. 23.

Fig. 53
Vérifier que le taux de CO est inférieur à 200ppm.
Regler la chaudiere a puissance minimum.
-La chaudiere metre environ 30 à 35 secondes pour diminuer sa puissance au minimum.
- Permettre à la chaudière de se stabiliser à la puissance minimum.
Vérifier les mesures de CO/CO en les comparant aux informations dans le tabl. 23.
Vérifier que le taux de CO est inférieur à 200 ppm.
Regler a nouveau la chaudiere sur puissance maximum et vérifier a nouveau CO / CO_2
-La chaudiere augmentera sa puissance au maximum dans environ 30 à 35 secondes.
- Permettre à la chaudière de se stabiliser à la puissance maximum.
Si le résultat est correcte, appuyer sur le bouton et la chaudiere se remettra en fonctionnement normal.
Assembler à nouveau et monter le boîtier de la chaudière.

AVIS: CO_2 Minimum
La mesure minimum de CO 2 doit être inférieure d'au moins 0,1 que la mesure maximum de CO_2
| TYPE DE GAZ | Réglage CO2max | Réglage CO2min |
| G20 Gaz naturel (42kW) | 9.5 (+0.4/ -0.0) | 9.4 (+0.4/ -0.0) |
| G20 Gaz naturel (16 & 32kW) | 9.4 (+0.4/ -0.0) | 8.6 (+0.4/ -0.0) |
| G25 Gaz naturel (42kW) | 7.6 (+0.4/ -0.0) | 7.5 (+0.4/ -0.0) |
| G25 Gaz naturel (16 & 32kW) | 7.5 (+0.4/ -0.0) | 6.9 (+0.4/ -0.0) |
| G31 LPG (42kW) | 10.9 (+0.4/ -0.0) | 10.8 (+0.4/ -0.0) |
| G31 LPG (16 & 32kW) | 10.8 (+0.4/ -0.0) | 10.5 (+0.4/ -0.0) |
| CO - < 200 ppm (0.002 ratio) | ||
Tab. 23 Réglage CO/CO 2
10.8 Regler le rapport air/gaz
Si la valeur maximum ou minimum de CO_2 est incorrecte, le bloc gaz peut etre ajusté comme suit:
Regler la chaudiere sur puissance maximum

La commande reprendra le fonctionnement normal au bout de 15 minutes ou appuyer sur le bouton.
Retirer le capot anti-poussiere en plastique [1]
- Al'aide d'un tournevis plat, ajuster le réglage maximum de CO₂ [2] en consultant le tabl. 23, tourner dans le sens des aiguilles d'une montre pour réduire le réglage ou dans le sens inverse des aiguilles d'une montre pour l'augmenter.

Le CO_2 doit être mesuré 10 minutes après avoir reglé la chaudière à puissance maximum
Regler la chaudiere a puissance minimale
Mesurer la valeur CO2. Celle-ci doit correspondre à la valeur indiquée pour la puissance minimale dans le tabl. 23
- Si ce n'est pas le cas, restirer le capuchon anti-poussière en laiton [3] du réglage minimum
- À l'aide d'une clé à six pans creux de 4 mm, ajuster le réglage minimum [4] sur le bloc gaz jusqu'à ce que la valeur soit correcte, tournier dans le sens des aiguilles d'une montre pour augmenter le réglage et dans le sens inverse des aiguilles d'une montre pour le diminuer
Régler à nouveau la chaudière sur la puissance maximale et vérifier la valeur de CO_2
Si celle-ci est correcte, remetre la chaudiere en fonctionnement normal
Retirer l'appareil electronique de mesure des fumées du point de mesure de gaz brûlé
Remplacer le bouchon du point de mesure de gaz brûlé
Remetre en place le couvercle anti-poussiere en laiton [3] sur le réglage minimum [4]
- Remetre en place un nouveau capot anti-poussière en plastique [1] sur le réglage maximum [2]

Fig.54 Reglage CO 2
[2] Reglage de maximum
[4] Réglage de minimum
Si le CO_2 est toujours hors de la plage de tolérance, vérifier :
la pression d'entrée du gaz
le débit du gaz
la pression du ventilateur
la conduite d'évacuation des fumées et l'entrée d'air, ainsi que tous les blocages possibles dans l'évacuation du condensat
d'eventuels blocages ou fuites dans les circuits de gaz
que l'injecteur est propre
l'etat du bruleur
Après que toutes les vérifications aient été effectuees, si le CO_2 est toujours en-dehors de la plaque de tolerance, il convient de replacer le bloc gaz.
10.9 Nettoyage de I'échangeur thermique

AVERTISSEMENT:Nettoyage de la trappe d'acces
- Ne pas-retirer le couvercle à moins qu'un nouveau joint soit disponible pour le montage.

AVIS:Aprs avoir effectue I'entretien de I'appareil, il convient de verifierie le CO / CO_2 et regle dans les limites indiquees a la section « RAPPORT AIR/GAS »
Si I'échangeur thermique doit être nettoyé :
Un kit d'accessoires (N° 840) spécialement concu pour le nettoyage de l'échangeur thermique est disponible. Si nécessaire, le commander à l'aide de la reférence 7 719 001 996.
- Retirer le couvercle de la trappe de nettoyage [1], le joint [2] et la plaque métallique qui la maintient [3], le cas échéant.
- Dévisser le bouchon du siphon de condensat et placer un récipient adaptable en-dessous.
- Detacher tout dépôt present dans l'échangeur thermique de haut en bas à l'aide de la lame de nettoyage [4].
Nettoyer I'echangeur thermique de haut en bas à l'aide de la Brosse [5]. - Remetre en place le couvercle de la trappe de « nettoyage » dans l'ordre inverse en utilisant un nouveau joint [2], serrer les vis manuellement puis utiliser une clé de serrage pour serrer d'un demi-tour supplémentaire.
Reposer le bouchon du trappe.
Avec le montage, vérifier que les niveaux de CO/CO 2 sont conformes aux niveaux indiqués à la section « Réglage du rapport air/gaz »

Fig. 55 Nettoyage de I'échangeur thermique
[1] Couvercle d'inspection
[2] Joint de couvercle d'inspection
[3] Plaque arrière
[4]Lame de nettoyage
[5] Brosse de nettoyage
Pour nettoyer le bruleur

AVERTISSEMENT: Brûleur
- Ne pas-retirer le bruleur à moins qu'un nouveau joint soit disponible pour le montage.
Vérifier que la chaudière soit complètement isolée de l'alimentation en gaz.
1. Retirer les épingle [1], les écrous à créèaux [2] et les ressorts [3] des goujons filetés.
- Dévisser etsterolles deuxécrou hexagonaux [4]maintenant le ventilateur.
Retirer I'ecrou [5] du goujon filet e arriere [6]. Retirer la tete du bruleur [7].
2. Retirer le bruleur et nettoyer les composants.
Ne pas utiliser de Brosse métallique.

Fig. 56
[1] Epingles
[2] Ecrous à créneaux
[3] Rondelles / ressorts
[4] Ecrous à tête hexagonale
[5] Ecrou arrière
[6] Pièce d'écartement
Montage du couvercle du bruleur

AVIS:Joint du bruleur
Toujours remplacer le joint du bruleur avec un nouveau joint lorsqu'il a eté déplaced.
Monter le bruleur dans l'ordre inverse en utilisant un nouveau joint [8].
Insérer le couvercle du bruleur sous le boulon de maintainien arriré et serrer.
Monter les rondelles / le ressort [3] et l'écrou à créneaux [2], se référer à la fig. 57, sur les goujons filétés [11] pour fixer le couvercle du brûleur sur l'échéateur thermique.
à l'aide d'une clé de serrage de 10 mm, serrer les écrous à créèaux [2] jusqu'à ce que le couvercle du brûleur touche l'échangeur de chaleur.
Les écrous ne tourneront plus à ce moment, ne pas serrer excessivement.
Si nécessaire, desserrer légarement les écrous jusqu'à ce que l'alésage pour l'épingle [1] soit visible.
Insérer les epinges [1] et fixer.
- Àprous le montage, vérifier que les niveaux de CO/CO 2 sont conformes aux niveaux indiqués à la section « Réglage du rapport air/gaz ».

Fig. 57 Retirer le bruleur
[1] Epingle
[2] Ecrous à créneaux
[3] Rondelles / ressorts
[5] Ecrou arriere
[6] Pièce d'écartement et rondelle
[71] Tete du bruleur
[8] Joint
[9] Goujon fileté arrière
[10] Brûleur
[11] Goujons filetés avant
Uniquement pour les systèmes étanches :
Câblage électrique
Vérifier l'absence de dommages matériels sur le cablage électrique et replacer tout cable endommage.
Pour vérifier le clapet de l'alimentation du ventilateur
Se référer à la page 48 pour comment acceder à l'alimentation du ventilateur.
Avec précaution, retirer le clapet du tube d'alimentation du ventilateur et vérifier l'absence d'encrassement et de fissures, nettoyer ou replacer le cas échéant.
Proceder avec précaution lors du montage du clapet, les clapets doivent s'ouvir vers le haut dans le tube d'alimentation du ventilateur.
- Àprous le montage, vérifier que les niveaux de CO/CO₂ sont conformes aux niveaux indiqués à la section « Réglage du rapport air/gaz ».
Pour nettoyer le siphon de condensats
Se référer à la fig. 65 à la page 49 pour retarder le siphon
Retirer le tube de condensats [1]
Retirer la vis retenant le siphon [2]
Tirer le siphon vers le bas pour le retirer de la chaudiere
Retirer le bouchon du bas [3] et vidanger le condensat puis rincer
10.10 Liste de contrôle de l'inspection et l'entretien
Egalement conserve les données de contrôle et d'entretien comme master copy.
Signer et dater le rapport de contrôle terminé.
Tab. 24 LiSTE de controle et de service
| Inspection et entretien | Page | Pleine charge | Charge partielle | Pleine charge | Charge partielle | |
| 1 Contrôle visuel et fonctionnel du système de chauffage général | ||||||
| 2 | Vérifier les composants au contact du gaz et de l'eau, afin de détecter : | |||||
| - des fuites | ||||||
| - une corrosion visible | ||||||
| - des signes de vieillissement | ||||||
| 3 | Vérifier la pression de l'eau dans le système de chauffage | |||||
| Noter la pression d'air sur le vase d'expansion (consulter les instructions du fabricant) | ||||||
| Pression de service | ||||||
| 4 Vérifier la contamination éventuelle sur le brûleur et l'échangeur thermique (pour cela, éteindre le système de chauffage) | ||||||
| 5 | - Vérifier le siphon de condensats (pour cela, éteindre le système de chauffage) | |||||
| 6 - Vérifier le système d'ionisation et d'allumage (pour cela, éteindre le système de chauffage) | ||||||
| 7 Vérifier la pression de l'alimentation en gaz | ||||||
| 8 Vérifier les conduites (alimentation/extraction), les raccordements des conduites d'évacuation des fumées et l'écoulement des fumées | ||||||
| 9 Enregistrer les lectures : | ||||||
| - Pression des fumées | ||||||
| - Température des fumées (brute) \(t_A\) | ||||||
| - Température ambiente \(t_L\) | ||||||
| - Température des fumées (nette) \(t_A - t_L\) | ||||||
| - Teneur en oxygène ou dioxyde carbone | ||||||
| - Pertes de fumées \(q_A\) | ||||||
| - Teneur en CO (sans air) | ||||||
| 10 Tester les fonctions | ||||||
| - Vérifier le courant d'ionisation | ||||||
| 11 | Chercher d'éventuelles fuites lors du fonctionnement | |||||
| 12 Vérifier les régles du contrôleur (consulter la documentation appropriée) | ||||||
| 13 Effectuer les vérifications finale | ||||||
| Confirmer que l'injection est correcte :Cachet/Date/Signature de l'entreprise |

Si lors du contrôle, un état qui nécessite un entretien est consté, ces travaux doivent être effectuels comme requis.
| Pleine charge | Charge partielle Pleine | charge | Charge partielle Pleine | charge | Charge partielle Pleine | charge | Charge partielle | |
| 1 | □ | □ | □ | |||||
| 2 | ||||||||
| □ | □ | □ | ||||||
| □ □ | □ | |||||||
| □ | □ | □ | ||||||
| 3 | □ | □ | ||||||
| 4 | ||||||||
| 5 | ||||||||
| 6 | ||||||||
| 7 | ||||||||
| 8 | □ | □ | ||||||
| 9 | ||||||||
| 10 | ||||||||
| 11 | □ | □ | ||||||
| 12 | □ | □ | ||||||
| 13 | □ | □ | ||||||
Tab. 25 LiSTE de controle et de service, suit
10 Entretien et pièces de rechange
10.11 Travaux d'entretien, sinécessaire
Tab. 26
| Page Date Date | ||||
| 1 Éteindre le système de chauffage | ||||
| 2 Nettoyer le brûleur et l'échangeur thermique | ||||
| 3 Remplacer le joint du brûleur | ||||
| 4 Remplacer l'allumage/l'ionisation | c | |||
| 5 Nettoyer le siphon de condensats | ||||
| 6 Vérifier les fonctions | ||||
| Confirmer que l'inspection est correcte :Cachet/Date/Signature de l'entreprise | ||||
Tab. 27 Demand dependent maintenance
| Date Date Date Date | |||||||
| 1 | ☐ | ☐ | ☐ | ||||
| 2 | ☐ | ☐ | ☐ | ☐ | |||
| 3 | ☐ | ☐ | ☐ | ||||
| 4 | ☐ | ☐ | ☐ | ☐ | |||
| 5 | ☐ | ☐ | ☐ | ||||
| 6 | ☐ | ☐ | ☐ | ☐ | |||
| Confirmer que l'inspection est correcte :Cachet/Date/Signature de l'entreprise | |||||||
11 Pièces de rechange
11.1 Pièces de rechange

PRUDENCE : Alimentations principales :
Couper l'alimentation en gaz et isoler l'alimentation électrique secteur avant de commencer tout travail et respecter toutes les mesures de sécurité applicables.
Vidanger si nécessaire la chaudiere / le système et proteger tout équipement electrique des infiltrations d'eau lors du remplacement de composants.

AVIS:Joints
Remetre en place tout composant ayant ete demontede l'appareil dans Iordre inverse du demontage eten utilisant des nouveaux joints / joints toriques /produits d'etanchete / pate thermoconductrice sinecessaire.
Tout joint torique ou autre joint qui semble endomagé doit être remplace. Toujours vérifier que les raccordements électriques sont correctement effectués et que toutes les vis sont serrées.

AVIS: REMPLACEMENT DE COMPOSANTS
Toujours verifier I'etancceite au gaz le case ecceant et effectuer les essais de fonctionnement indiques dans la section mise en service.

AVS:Entretien
Tous les travaux d'entretien doivent etre effectues par un technicien competent et referece.
Aprese le montage, il convient de vérifier la combustion au moyen de la procedure indiquée à la section «Réglage du rapport air/gaz ». La mesure ou le réglage du rapport de gaz ne doit être tentés que si la personne effectuant le test de combustion est équipé d'un dispositif d'analyse de combustion calibre et si elle est compétente pour les utiliser.
Vidange de l'appareil :
Fermer les robinets d'arrêt de départ et de return du chauffage système - externes à la chaudière.
A l'aide d'un tuyau adapté, attacher une extrémité au robinet de vidange et placer l'autre extrémité du tuyau dans un point d'écoulement extérieur.
Ouvrir entierement le robinet de vidange sur le coude de return de la chaudière.
Fermer le robinet de vidange lorsque l'écoulement de l'appareil s'arrête puis retirer le tuyau.

Un petit volume d'eau peut rester dans certains composants même après la vidange de l'appareil. Protégér tout composant électrique lors du retrait de composants des circuits d'eau.
11.1.1 Accès aux composants
Retirer le panneau avant de la chaudière pour acceder aux composants.
- Ecarter les angles supérieurs du panneau avant du boitier jusqu'à ce que les loqueteaux à billes soient libérés.
Retirer le panneau des deux consoles inférieures et le metre de cote de maniere sure.
Descendre le panneau de commande en position d'entretien.
Retirer les quatre boulons fixés sur le couvercle de la chambre de combustion et enlever le couvercle pour pouvoir acceder aux composants.

Fig. 58 Accès aux composants
Accès au panneau de commande
Pour abaisser le panneau de commande en position d'entretien, retirer une vis [1] de chaque cote de l'équerre, desserrer les vis inférieures légèrement et pivoter le panneau vers l'avant. le panneau de commande est retenue à environ 100^ par l'équerre.

Fig. 59 Panneau de commande en position d'entretien
Fusible
11 Pièces de rechange
Desserrer les trois vis [1] fixant le capot d'installation.
Le fusible de rechange [2] est situé à l'intérieur du coin droit du capot.
Le support de fusible [3] est situé dans le coin supérieur gauche du bornier.

Fig. 60
AccesPCB
Detacher les capots [1] et [2].
Deconnecter tous les raccords électriques de la commande.
Retirer les vis [3] de fixation du panneau arrêté de la commande et le retarder.
Avec le montage, vérifier que les niveaux de CO/CO 2 sont conformes aux niveaux indiqués à la section « Réglage du rapport air/gaz »

Fig. 61
11.1.2 Module ventilateur
Se référer à la fig. 62
Sur tous les modèles, à l'exception des versions à 16 kW, les tuyaux d'entrée d'air doivent être démontés
Retirer les tubes d'entrée d'air de la chambre de mélange, tirer vers le bas pour détacher et les retarder.
Detacher le raccord de tube inférieur sur le tube gaz [1].
Pousser le tube [6] dans le module mélangeur [5] jusqu'à ce que le tube dépasse le raccord de vanne.
Tirer le tube [6] vers soi, en s'éloignant du bloc gaz et glisser le tube hors du module mélangeur.
Deconnecter la phase et la terre du ventilateur. Le connecteur de terre dispose d'une fixation de sécurité.
Retirer les vis de fixation [2] maintainant le ventilateur sur le couvercle du bruleur [3].
Retirer le ventilateur [4] et le module melangeur [5].
Faire pivoter le module mélangeur [5] pour le détacher du module ventilateur [4].
ÀpRES le montage, vérifier que les niveaux de CO/CO 2 sont conformes aux niveaux indiqués à la section «Réglage du rapport air/gaz »

Fig. 62 Demontage du ventilateur - exemple version 42 kW
Clapet:
Se référer à la fig. 63
Sur tous les modèles, à l'exception des versions à 16 kW, les tuyaux d'entrée d'air doivent être démontés :
Retirer les tubes d'entrée d'air de la chambre de mélange, tirer vers le bas pour détacher et les retarder.
Detacher le raccord de tube inférieur sur le tube gaz [1].
Pousser le tube [6] dans le module mélangeur [5] jusqu'à ce que le tube dépasse le raccord de vanne.
Tirer le tube [6] vers soi, en s'éloignant du bloc gaz et glisser le tube hors du module melangeur.
Faire pivoter le module melangeur [5] pour le detacher du module ventilateur [4].
Retirer le clapet [7] du module ventilateur [4] et le replacer.

S'assurer que le clapet est correctement monté avec le clapet en caoutchouc vers le haut.
Après le montage, vérifier que les niveaux de CO/CO 2 sont conformes aux niveaux indiqués à la section «Réglage du rapport air/gaz »

Fig. 63 Demontage du clapet
11.1.3 Sondes
Vérifier que l'appareil est isolé du courant.
Sonde de température de départ [1]:
Retirer le connecteur.
Detacher I'epingle de la sonde et retirer la sonde.
Appliquer de la pate thermoconductrice à la sonde de rechange.
Liminateur de température de sécurité [2]:
Demonter les connecteurs.
Devisser la sonde.
Liminateur de température de la conduite d'évacuation des fumées [3]:
Retirer le connecteur.
A l'aide d'un petit tournevis pour bornier, detacher la sonde et la gaine du boitier en plastique. Veiller à ne pas endommager le boitier en plastique.
![BUDERUS Logano plus GB102S 1630 - Liminateur de température de la conduite d'évacuation des fumées [3]: - 1](/content/2026/02/415811/images/39947cda904cd61fdd01bcd519a70ca50a8d83f73585146049d71d19a31a5a5e.jpg)
Fig. 64 Sondes
11.1.4 Pourrirerlesiphondecondensats
Detacher les serre-tuyau [1]
Retirer la vis retenant le siphon [2]
Tirer le siphon vers le bas pour le retarder de la chaudiere
Retirer le bouchon [3] et vidanger le condensat dans un recipient adaptable

Fig. 65 Siphon de condensats
11.1.5 Bloc gaz
Vérifier que le robinet de gaz est fermé.
Retirer les tubes d'entrée d'air le cas échéant, tirer vers le bas pour détacher du module mélangeur et les retarder.
Detacher l'unité sur le haut du bloc gaz [1], à l'intérieur du boitier interne.
Pousser le tube dans le module melangeur jusqu'à ce que le tube dépasse le raccord de vanne.
Tirer le tube vers soi, en s'eloignant du bloc gaz et glisser le tube hors du module melangeur.
Detacher les raccords solenoides [2] sur le cote du bloc gaz.
Detacher l'unité d'entrée du gaz [3] au niveau de la vanne d'entrée à l'intérieur du boitier interne.
Retirer le bloc gaz.
Transférer le module de tubes d'entrée au nouveau bloc gaz.
Introduire l'extrémité du tube de gaz dans le module melangeur.
Placer le bas du bloc gaz sur l'unité d'entrée de gaz et serrer.
- Remetre en place les tubes d'entrée d'air, si nécessaire, les pousser vers le haut dans le module melangeur.
Raccorder à nouveau le connecteur solenoïde sur le (:é du bloc gaz.
Vérifier l'étanchéité au gaz lorsque le nouveau bloc gaz a été monté.
Vérifier à nouveau la performance de combustion.
Avec le montage, vérifier que les niveaux de CO/CO 2 sont conformes aux niveaux indiqués à la section « Réglage du rapport air/gaz »

Fig. 66 Bloc gaz
11.1.6 Echangeur thermique principal
Module electrode :
Eteindre l'interrupteur principal.
Isoler l'appareil de I'alimentation en tension.
Descendre le panneau de commande en position d'entretien, se reférer à la section 10.4.1.
Dévisser les quatre vis pour détacher la porte du boitier interne.
Retirer les fils des electrodes.
- Dévisser les deux vis de fixation [2] et retarder le module electrode [1] comprenant le joint [3] et l'écran thermique [4].
- Remplacer et raccorder à nouveau le module tout en veillant à monter correctement le regard d'inspection.
Àprous le montage, vérifier que les niveaux de CO/CO 2 sont conformes aux niveaux indiqués à la section «Réglage du rapport air/gaz »
Brûleur :

AVERTISSEMENT:Bruleur
Ne pas-retirer le bruleur a moins qu'un nouveau joint soit disponible pour le montage.
Vérifier que le robinet de gaz est fermé et que l'interrupteur principal se situe en position Arrêt.
Isoler l'appareil de l'alimentation en tension.
Retirer les épingles, les écrous à créèaux et les ressorts [5] des goujons filétés [6].
- Dévisser etsterolles deuxécrou hexagonaux [7]maintenant le ventilateur.
Retirer I'ecrou et la rondelle [8] du goujon filte arriere [9].
Retirer la plaque du capot du bruleur [10].
Retirer le bruleur [11].
Monter le nouveau brûleur dans l'ordre inverse.
Remplacer le joint du bruleur [12] avec un nouveau joint.
Se référer à la section « Montage du couvercle du brûleur » à la page 43.
Avec le montage, vérifier que les niveaux de CO / CO_2 sont conformes aux niveaux indiqués à la section «Réglage du rapport air/gaz »
Echangeur thermique principal :
Isoler l'appareil de l'alimentation en tension.
Fermer toutes les vannes d'isolement.
Vidanger l'appareil.
- Descendre le panneau de commande en position d'entretien, se référer à la section 10.4.1.
Retirer la portedu boitier interne.
Retirer le module ventilateur, le tube de melange de gaz, se reférer à la section 11.1.2.
Detacher et retirer les capteurs raccordes à l'échangeur thermique, se référer à la section 11.1.3.
Retirer le siphon de condensats, se référer à la section 11.1.4.
Retirer le coude et les tube internes d'évacuation des fumées [13] du faisard de la chaudière. - Déconnecter la goupille de fixation du tube de return [14] à la base de l'échangeur thermique de la chaudière et déconnecter le tuyau.
Retirer I'ecrou plastique [15] de la base du boitier interne. - Déconnecter le tube de départ [16] au niveau la fixation de l'échéateur thermique de la chaudière.
Retirer l'échangeur thermique de la base du boitier interne.
S'assurer que la pate thermoconductrice est appliquée aux sondes lors du montage.
Vérifier les joints et remplaçer si nécessaire.
Avec le montage, vérifier que les niveaux de CO/CO 2 sont conformes aux niveaux indiqués à la section « Réglage du rapport air/gaz »

Fig. 67 Echangeur thermique principal

Fig. 68
12 Recherche de défaut et diagnostics
12.1 Codes d'etat et défauts
Le régulateur surveille tous les composants de sécurité, de régulation et de commande.
Chaque état de service de l'appareil se traduit par un code d'état unique, chaque défaut par un code de défaut.
Une élimination détaillée des défauts est possible à l'aide des tableaux ci-dessous.
Les affichages de fonctionnement et de défaut sont affichés comme suit :
- Codes d'etat, ceux-ci affichent les états de service pendant le fonctionnement normal
-Les codes d'etat peuvent etre les pendant le fonctionnement a I'aide du menu info (fonction de service i01)
- Les défauts de blocage causent un arrêt-temporaire de l'appareil. L'appareil redémarre dés que le défaut de blocage a été retire ou rectifié.
L'affichage des defaults de blocage apparaissent avec code d'erreur et code d'etat sur I'écran.
-
Les défauts de verrouillage sont des erreurs système qui provoquent un arrêt de l'appareil. L'appareil ne redémarre qu'après une intervention manuelle ou une réinitialisation.
-
Les défauts de verrouillage clignotent avec code d'erreur et code d'etat sur l'écran.

Fig. 69
[1] Code de défaut alphanumeric
[2] Fonction menu de service
[3] Code état / cause
12.2 Elimination des défauts

DANGER: Explosion!
Couper l'alimentation en gaz avant de faire des travaux sur les composants liés au gaz.
Avec avoir remplace les composants et joints gaz, vérifier l'étanchéité au gaz à l'aide d'un sniffer/analyseur de gaz.

DANGER: Empoissonnement!
Vérifier l'étanchéité au gaz des composants gaz et évacuation des fumées à l'aide d'un sniffer/analyseur de gaz.

DANGER: Choc électricité!
Avant les travaux sur les composants électriques du système, déconnecter le réseau électrique (230 V CA) et le sécuriser contre la reconnexion accidentelle.

AVERTISSEMENT: Brûlure!
L'eau chaude peut provoquer des brûlures graves.
Vidanger l'appareil avant les travaux sur les pièces porteuses d'eau.

AVIS: Fuite d'eau
L'eau peut endommager la commande.
Protégé des fuites d'eau en recouvrant la commande.
12.3 Menus d'information et de service
Codes d'etat
Lors du fonctionnement normal de la chaudière, les différents codes d'etat peuvent ettre affiches en appuyant sur le bouton
Le premier écran du menu Information affiche le code d'etat actuel, ici changera lorsque la chaudière passé à travers les différents modes et séquences.
Il ne s'agit pas toujours de defaults, mais seulement de fournir des informations concernant l'état actuel de la chaudière.
| Codes d'état | Codes défaut | |
| 200 Le | système | CC est en cours de chauffage |
| 201 Le | système | ECS est en cours de chauffage |
| 202 0A | Mode te | temporisation |
| 203 OH | Veille s | système |
| 204 0Y | Atente | système, température de départ primaire au-dessus du point fixe |
| 205 OP | Atente | d'arrivée d'air |
| 208 -A | Mode test | activé car interrupteur ramonage |
| 210 1C | Thermostat des fumées activé | |
| 211 1L | connexion défectueuse dans le contrôleur | |
| 212 2P | La température de sécurité ou de départ augmente trop rapidement | |
| 214 3L | Ventilateur ne fonctionne pas | |
| 215 3Y | Le venti | atteur fonctionne trop vite |
| 216 3P | Le venti | atteur fonctionne trop lentement |
| 217 3C | Pas d'entrée d'air après la période déterminée | |
| 218 4A | Température de départ trop élevé | |
| 219 4F | Température de sonde de sécurité trop élevé | |
| 220 4L | Court-circuit Sonde de sécurité ou >130 °C | |
| 221 4P | Sonde de sécurité déconnectée | |
| 222 4U | Court-circuit Sonde de départ | |
| 223 4Y | Sonde de départ déconnectée | |
| 224 4C | Connexion défectueuse dans le contrôleur | |
| 225 4E | La différence entre les sondes de départ et de sécurité dépasse la limite (bi-sondes uniquement) | |
| 227 6A | Pas de courant d'onisation après allumage | |
| 228 6C | Courant d'onisation détecté avant démarrage du brûleur | |
| 229 6L | Perte du signal d'onisation durant le fonctionnement | |
| 230 6Y | Signal d'onisation hors limites | |
| 231 7C | Défaut de tension réseau - coupure du courant électrique | |
| 232 8Y | Interrupteur de coupure externe activé | |
| 233 9U | Problème HCM | |
| 234 9L | Bobine du bloc gaz déconnectée | |
| 237 9H | Défucteurs KIM/UBA | |
| 238 9L | Erreur bloc gaz | |
| 239 9P | Défectueux KIM/UBA | |
| 242 à 256 | E1/EA/EH/EC/EF | Erreur interne Buderus, appeler votre installerateur |
| 258 & 259 | EH/EL | Erreur interne Buderus, appeler votre installerateur |
| 260 2F | Pas d'augmentation de température après démarrage du brûleur | |
| 261 | 7L | Erreur de temporisation première sécurité |
| 262 & 263 | EH/EY | Erreur interne Buderus, appeler votre installerateur |
| 264 3A | Entrée d'air arrêtée pendant le fonctionnement | |
| 265 0E | Mode veille force à cause de limite de transfert d'énergie | |
| 266 | 2L | Pas de variation de pression détectée après commutation des pompes |
| 267 9H | Erreur i | interne Buderus, appeler votre installerateur |
| Codes d'état | Codes défaut | |
| 268 5H | Mode de test composant | |
| 269 6P | Dispositif d'allumage activé trop longtemps | |
| 270 0U | Mode mise en marche | |
| 271 2F | La différence de température entre les sondes de départ et de sécurité dépasse la limite | |
| 272 9H | Erreur interne | |
| 273 3F | Entrée d'air présente pendant les dernières 24 heures | |
| 276 0Y | Température de départ dépasse 95° | |
| 277 0Y | Température de sonde de sécurité dépasse 95° | |
| 278 4E | Éché du test de sonde | |
| 279 EL | Erreur interne Buderus, appeler votre installer | |
| 280 7L | Erreur de temps de recyclage | |
| 281 2Y | Pompe bloquée ou tourne dans l'air | |
| 282 2Y | Pas de retour de la pompe | |
| 283 0C | Démarrage brûleur | |
| 284 0L | Bloc(s) gaz ouvert, premier temps de sécurité démarré | |
| 287 EP | Connexion défectueuse dans le contrôleur | |
| 290 EL | Erreur interne | |
| 305 0A | Mode temporisation | |
| 306 6C | Ionisation détectée après arrêt brûleur | |
| 307 2Y | Pompe bloquée | |
| 308 2Y | Pompe tourne dans l'air | |
| 328 7H | Erreur interne | |
| 329 | CE | Pas de variation de pression détectée après commutation des pompes |
| 338 2F | Un trop grand nombre de démarrages courts du brûleur sans confirmation du départ d'eau | |
| 341 | 2P | CC : températures d'alimentation et / ou de retard augmentent trop rapidement |
| 342 2P | ECS : la température d'alimentation augmente trop rapidement | |
| 345 | 2F | Les températures d'alimentation et / ou de retard ne varient pas après le démarrage du brûleur |
| 350 4U | Court-circuit donc de départ 351 « E2» donc de départ déconnectée | |
| 364 8U | Bloc gaz | EV2 test d'étanchéité aux fuites |
| 365 8U | Bloc gaz | EV1 éché test d'étanchéité aux fuites |
| 800 A1 | Sonde extérieure défectueuse | |
| 808 A1 | Sonde au chaude sanitaire défectueuse | |
| 810 A1 | L'eau chaude sanitaire reste froide |
12.3.1 Sélection du menu Information
Le menu Information est un menu « lecture seule ». Les informations concernant la chaudière sont affichées ici, certaines des valeurs sont mises à jour en temps réel pour signaler l'état actuel de la chaudière.
Tous les menus s'éteignent automatiquement après deux minutes et l'écran revient à l'affichage de fonctionnement normal, le rétroéclairage de l'écran s'éteint après 30 secondes d'inactivité supplémentaires.
Les doubles flèches vers le haut ou vers le bas indiquent que le menu ne peut défilier que vers le haut ou le bas, une combinaison de flèches vers le haut et vers le bas indique une position dans le menu où le défilament est possible à la fois vers le haut et vers le bas.
Pour entrer dans le menu Information :
-
Appuyer sur le bouton pour entrer dans le menu Information.
-
Un code d'etat de la chaudiere à trois caractères sera affiché à côte du numéro du menu Information. Se référer au tableau des codes d'etat à la page 51 pour une description des codes d'etat de la chaudiere.
- Appuyer sur le bouton plus ou moins pour un défilament dans les points menu.
Appuyer sur le bouton a nouveau pour sortir du menu Information.

Fig. 70 Accès au menu Information
Tab. 28 Menu Information
| Fonctions entretien | Commentaires | |
| i01 Eta t de service actuel Cha | que fonctionnement et mode de la chaudière a un code d'etat de chaudière associé. Le code d'etat de chaudière est affché sur l'écran sous forme de numéro à trois chiffres. Se référer au tableau des codes d'etat à la page 51 | |
| i02 Code de fonctionnement pour la dernière erreur | Ceci peut être vu lors du fonctionnement normal. Affiche le dernier code de diagnostique avec le code d'etat de la chau-diere. | |
| i03 Chauffage partagé maximum | Réglage de la fonction d'entretien 2.1A | |
| i04 Puissance partagée maximum (eau chaude) | Réglage de la fonction d'entretien 2.1b | |
| i07 Température de départ | Fourniture température de consigne | |
| i08 Courant d'ionisation | Lorsque le brûleur fonctionne :• ≥ 2 micro Ampères = OK• < 2 micro Ampère = défectueux Avec brûleur éteint :• < 2 micro Ampères = OK• ≥ 2 micro Ampère = défectueux | |
Tab. 28 Menu Information
| Fonctions entretien | Commentaires | |
| i09 T | Température au niveau de la sonde de température de départ | Ceci est la température réelle de l'éché-geur thermique principal affichée en temps réel. |
| i12 | Température ECS | Seulement si un gallon d'eau chaude est équipée |
| i13 T | Température au niveau de la sonde de température du gallon | seulément avec gallon raccordé |
| i15 T | Température extérieure actuelle | Uniquement affichée lorsqu'un système de capteur externe de température est raccordé. |
| i17 C | Chauffage actuel Affichage | en % de la puissance thermique nominale maximum en mode chauffage 1) |
| i18 V | Vitesse actuelle du ventilateur | Affichage en tours par seconde (Hz) |
| i20 V | Version logicielle de la carte circuit imprimé 1 | Version de logiciel propriétaire pour la carte de commande principale. |
| i21 V | Version logicielle de la carte circuit imprimé 2 | Version de logiciel propriétaire pour la carte de commande d'affichage frontal |
| i22 M | Nombre clé de codage | Les derniers trois chiffres de la clé de codage (HCM) sont affichés |
| i23 V | Version clé de codage |
1) Lors du chiffage de l'eau, des valeurs supérieures à 100% sont affichées dans le menu 1
12.3.2 Sélection des menus de service
- Appuyer sur le bouton et ok et les maintainir enfoncés pour une seconde, l'écran affichera le menu 1.
Les doubles flèches vers le haut ou vers le bas indiquent que le menu ne peut défilier que vers le haut ou le bas, une combinaison de flèches vers le haut et vers le bas indique une position dans le menu où le défilament est possible à la fois vers le haut et vers le bas. - Appuyer sur le bouton plus ou moins sur la droite de l'écran pour défilier dans les points menu.

Fig. 71 Sélection menu entretien
12.3.3 Sélection du menu 1
Pour afficher une fonction entretien dans ce menu :
Appuyer sur le bouton et sur le bouton ok simultanément jusqu'à affichage de la ligne de texte Menu 1.
Appuyer sur le bouton ok pour confirmer votre selection.
Appuyer sur le bouton + ou - pour un défilament dans le menu.
Tab. 29 Menu 1
| Fonction entretien Réglages possibles | |
| 1.W1 Compensation météorologique 0 = marche | 1 = arrêt |
| 1.W2 Compensation météorologique, point A @ -10 °C | °C (Valeur par défaut 90 °C) |
| 1.W3 Compensation météorologique, point B @ 20 °C | °C (Valeur par défaut 20 °C) |
| 1.W4 Compensation météorologique, point de commutation automatique Hiver/Étée | °C (Valeur par défaut 16 °C) |
| 1.W5 Protection antigel du système 0 = marche | 1 = arrêt |
| 1.W6 Température de protection antigel du système | °C (Valeur par défaut 5 °C) |
| 1.7d Ouvrir l'entrée de la sonde du shunt 0 = Aucun, | 1 = au niveau de la chaudière, |
| 2 = au niveau du module | |
12.3.4 Menu 2 - Paramètres chaudière
- Sélectionner le menu 2 à l'aide des boutons plus et moins.
- Appuyer sur le bouton ok et le maintainir enforcé pour une seconde pour entrer dans le menu 2.
Ce menu affiche la liste des paramètres de chaudière pouvant être modifiée dans ce menu.
Pour modifier le réglage, Sélectionner l'option de menu souhaïée (se référer au tabl. 30) puis appuyer sur le bouton ok, l'option va clignoter.
Régler les paramètres à l'aide des boutons flèche plus et moins puis appuyer sur ok pour confirmer.
Le symbole s'affichera pendant trois secondes pour confirmer la mise a jour de la nouvelle valeur.
Sile réglage est confirmé, il convient d'enregistrer la valeur sauvegardé dans la case vide à côté du réglage correspondant dans le tabl. 30.
Le même procédé est utilisé pour régler tous les menus 1, 2, 3 et Test.

Fig. 72 Sélection menu 2
Tab. 30 Menu 2
| Fonction entretien Réglages possibles | ||
| 2.1 A puissance thermique maximum | Certain fournisseurs de gaz nécessite un prix de base basé sur la performance.La puissance peut être limitée entre la puissance nominale minimum et la puissance nominale maximum pour des exigences spécifiques de chaufage.Le réglage d'origine est la puissance nominale maximum.Régler la puissance en kW.Comperer le débit de gaz auxdonnées du tabl. 6 et 9. En cas de variations, corriger le réglage. | |
| 2.1B Peformance maximum ECS | La puissance peut être limitée entre la puissance nominale minimum et la puissance nominale maximum pour des exigences spécifiques de chaufage.Le réglage d'origine est la puissance ECS maximum.Régler la puissance en kW.Comperer le débit de gaz auxdonnées du tabl. 6 et 9. En cas de variations, corriger le réglage. | |
| 2.1E Pompe mode économique d'énergie | La pompé est automatiquement ajus-tee par le système de commande.4: ON - les systèmes de chauffage à compensation météorologique diminuents le régime de la pompe. La pompé est uniquement en marche quand elle est nécessaire.5: OFF - la commande de tempora-ture de départ contrôle la pompe.Lorsque de la chaleur est nécess-saire, la pompé et le brûleur sont mis en marche.Le réglage d'origine est 5 | |
| 2.2 A Temps de verrouil-lage de pompé pour une vanne d'inver-sion à 3 voies externe | La pompé interne est verrouillée jusqu'à ce que la vanne d'inversion a trois voies externe a atteint sa position de fin de course.Plage de réglage : 0 - 6 × 10 secondes. Le réglage d'origine est 0 (secondes). | |
| 2.2C Mode purgege d'air Ce régla | ge peut être sélectionné pour purger le système et la chaudière de l'air.0 = Arrêt,1 = auto2 = marche en continuLe réglage d'origine est 1Tant que la fonction de purgege est acti-vee, l'odore scignote. | |
Tab. 30 Menu 2
| Fonction entretien Réglages possibles | |||
| 2.2d Désinfection thermique | Cette fonction d'entretien permet le chiffage de l'eau à 70 °C. Le chiffage n'est effectué que lorsque l'eau est soutirée. Les régles possibles sont : • 0 : la désinfection thermique est inactive | ||
| 2.2H Système d'eau chaude sanitaire | Lors du raccordement de la sonde de température du gallon à la chaudière, cette fonction doit être activée. Les régles possibles sont : • 0 : pas de gallon d'eau chaude raccordé • 8 :allon d'eau chaude raccordé Le réglage d'origine est: 0 pour régulière 8 pour le système | ||
| 2.2J | Priorité ballon | Réglages possibles : • 0 : - Priorité ballon ; le gallon d'eau chaude est chiffué d'abord à température puis la chaudière commute en mode chiffage • 1 : - Lorsque le gallon nécessite de la chaleur, la chaudière alterne entre le chiffage et l'eau chaude toutes les dix minutes. Le réglage d'origine est 0 | |
| 2.3B Intervalle de temps pour la mise hors service et la remise en service du brûleur | En cas de raccordement d'un système de régulation en fonction de la tempé-rature extérieure, aucun réglage n'est nécessaire sur l'appareil. Le système de régulation optimise ce réglage. Le cycle déterminé le temps d'attente minimum entre l'accrit et la remise en marche du brûleur. La plage de réglage: 3 à 45 minutes Le réglage d'origine est 10 minutes. | ||
| 2.3CTemporisation hysté-rese température de départ (tolerance négative unique-ment) | Ceci règla la baisse de température avant redémarrage du brûleur, 6 K est la valeur d'origine. Utilisation conjointement avec le temps de temporisation. Lors du raccordement à un système de commande à compensation météorologique, il n'y a pas de réglage nécessaire de l'unité. Le système de commande optimise ce réglage. L'intervalle de température déterminée la baisse nécessaire de la température de départ en-dessous de la tempéra-ture souhaiée avant que cette baisse ne soit interprêtée comme demande de chaleur. Il peut être régle par increments de 1 K. L'intervalle de température peut être régle de 0 à 30 K. Le réglage d'origine est 6 K. | ||
| Fonction entretien Réglages possibles | |
| 2.4F Programme de remplissage de siphon | Le programme de remplissage de siphon garantit que le siphon de condensat est rempli après l'installation ou après que la chaudière a été arrêtée.Le programme de remplissage de siphon est activé lorsque :· l'appareil est sous tension· le brûleur n'a pas fonctionné pendant les 28 derniers jours au moins· lorsque la chaudière est commutée du mode étabé au mode hiver à la prochaine demande de chaleur.Le programme de remplissage de siphon resté en marche pour 15 minutes à basse puissance.Les réglages possibles sont :· 1 : programme de remplissage de siphon à faible puissance· 0 : le programme de remplissage de siphon est arrêté (pour entretien uniquement)Le réglage d'origine est 1L'icone signote lorsque le programme de remplissage de siphon est actif.► Commuter sur 1 après la fonction de service entretien. |
| 2.5F Rappel d'entretien Lorsque | Le programme de remplissage de siphon est paramétrée dans le système de commande, ce service n'est pas affchéé.Les réglages possibles sont :· 0 : inactive· 1 - 72, 1 jusqu'à 72 mois peuvent être régliés et après l'écoulement de cette période, l'écran affiche qu'un entretien est nécessaire.Le réglage d'origine est 0 |
| 2.7B Vanne à 3 voies en position moyenne | Après avoir enregistré la valeur 1, la vanne à 3 voies se déplace vers la position centrale.La vidange complète de l'eau du système peut être assurée autorisant le retrait de l'échangeur de chaleur.Après 15 minutes, la valeur est automatiquement remise à 0.La position moyenne de la vanne à 3 voies n'est pas affichée. |
Tab. 30 Menu 2
| Fonction entretien Réglages possibles | ||
| 2.7E Fo | hction séchage de chape | Cette fonction ne fournit que de la cha-leur pour le séchage de dalle, l'appareil ne fonctionne pas comme une chau-dière de chauffage central, aucune autre réglage n'est possible : 0 : arrêt 1 :chauffage seulement sur l'appareil ou réglage de commande, c'est-à-dire toutes les autres exigences de chaleur sont verrouillées.Lé réglage d'origine est 0Tant que la fonction séchage de dalle est active, la ligne de texte affiche 7E |
| 2.9F Tems | pés de délié de la pompe CC | Le temps de délié de la pompe CC commence à la fin de la demande de chaleur.Les réglages possibles sont :· 0 to 60 : temps de suivi en minutes (incréments d'1 minute)· 24H : Temps de suivi 24 heures.Lé réglage d'origine est 3 minutes. |
| 2.9L Désinfection thermique ballon d'eau chaude | Cette fonction permet le chauffage du ballon d'eau chaude à 75 °C.Les réglages possibles sont :· 0 : la désinfection thermique est inactive· 1 : désinfection thermique activeLe réglage d'origine est 0 (inactif).La désinfection thermique n'est pas affichée.L'eau est maintainue à 75 °C pour 35 minutes afin de compléter la désin-fection thermique. | |
| 2.CE Démarrage de la pompe de circulation | Active uniquement si la pompe de circulation est activée (fonction de service 2.CL).Cette fonction de service permet de régler la fréquence de démarrage de la pompe de circulation par heures pour 3 minutes. Les réglages possibles sont : 1 : 3 minutes marche, 57 minutes arrêt. 2 : 3 minutes marche, 27 minutes arrêt.3 : 3 minutes marche, 17 minutes arrêt. 4 : 3 minutes marche, 12 minutes arrêt. 5 : 3 minutes marche, 9 minutes arrêt. 6 : 3 minutes marche, 7 minutes arrêt. 7 : marche en continu. Le réglage d'origine est 2 | |
| 2.CL Pompe de chauffage Cette | fonction de service active une pompe de circulation connectée.Les réglages possibles sont :· 0 : pompé de circulation inactive· 1 : pompé de circulation activeLe réglage d'origine est 0 | |
Tab. 30 Menu 2
12.3.5 Réinitialiser les réglages usine
Pour réinitialiser une ou toutes les modifications effectues au menu 2 sur les réglages d'origine d'usine :

AVIS:Menu 3
Aucune modification effectue dans le menu 3 n'est reinitialisee par ces actions.
- Appuyer sur les boutons ok et plus et les maintainir enfoncés au moins cinq secondes. L'écran affichera alors le code 8E avec le symbole de la clé.
- Appuyer sur le bouton reset et l'écran affichera « Reset » avec le symbole de la coche pendant trois secondes.
Après trois secondes, l'écran reviendra à l'affichage de fonctionnement normal.

Fig. 73 Sequence Reset
12.3.6 Menu 3 - Limits maximum & minimum de la chaudiere
Ce menu affiche les limites maximum et minimum de la chaudiere.
Celles-ci peuvent etre regles dans ce menu.
La chaudière revient aux réglages enregistrés dans le menu 3 après une coupure de courant.
Le menu 3 ne peut pas faire l'objet d'une réinitialisation aux paramètres d'usine.
- Sélectionner le menu 3 à l'aide des boutons de défilament plus et moins.
- Appuyer sur le bouton et sur le bouton ok simultanement au moins 5 secondes pour enter dans le menu 3.
Pour modifier le réglage, Sélectionner l'option de menu souhaitée (se référer au tabl. 31) à l'aide des boutons plus et moins, puis appuyer sur le bouton ok, l'option va clignoter.
Régler les paramètres à l'aide des boutons flèche plus et moins puis appuyer sur ok pour confirmer.
Le symbole affichera pendant trois secondes pour confirmer la mise a jour de la nouvelle valeur.

Fig. 74 Sélection menu 3
Tab. 31 Menu 3
| Fonction entretien Réglages possibles | ||
| 3.1 A Limité supérieure de puissance de chiffage maximum pour 2.1A | Cette fonction de service permet au technicien d'entretien d'effectuer le réglage pour la limite maximum de puissance de chiffage (fonction de service 2.1A). Le réglage d'origine est la puissance nominale maximum. | |
| 3.1B La Limité supérieure de la puissance de chiffage maximum (eau chaude) pour 2.1B | Cette fonction de service permet au technicien d'entretien d'effectuer le réglage pour la limite maximum de chiffage (eau chaude, fonction de service 2.1B). Le réglage d'origine est la puissance ECS maximum. | |
| 3.2B Limité supérieure de température de départ | La température de départ maximum peut être régée entre 30 °C et 82 °C. Elle limite le réglage au niveau de fonctionnement. Réglage d'origine : 82 °C | |
| 3.3B Puissance thermique minimum nominale (chauffage et eau chaude) | La puissance de chiffage et de chiffage d'eau chaude peut être régée comme un pourcentage, sur toute valeur entre la puissance nominale minimum et maximum. Le réglage d'origine est la puissance nominale minimum (chauffage et eau chaude), selon l'appareil. | |
12.3.7 Utilisation du menu test
Ce menu permet le test de fonctionnalité des composants en mode Marche/Arrêt. Chaque test dure 45 secondes.
- Sélectionner le menu TEST à l'aide des boutons plus et moins.
- Appuyer sur le bouton ok et le maintainir enforcé pour une seconde pour entrer dans le menu TEST.

Fig. 75 Sélection du menu test
Sélection du composant à tester
Se référer au tabl. 32 et utiliser les boutons plus et moins pour faire défilier les différentes options de test.

Fig. 76 Faire defiler les différentes options de test
Test du composant
Sélectionner un composant à tester.
Appuyer sur le bouton ok, la valeur O clignote.
Utiliser le bouton plus pour faire apparaitre un 1 qui clignote.
Appuyer sur ok pour confirmer la modification, la valeur 1 s'arrête de clignoter et un cera affiche pour 3 secondes.
Le test dure 30 ou 45 secondes à moins que la valeur soit remise à 0 avant l'écoulement du début, le test peutmettre 10 secondes à démarrer.

Fig. 77 Test du composant
Réinitialisation du composant de test
Après la fin du test :
Appuyer sur le bouton ok, la valeur 1 clignote.
Appuyer sur le bouton avec la flèche moins, la valeur devient un 0 clignotant.
Appuyer sur ok pour confirmer la modification, sera affiché pour 3 secondes.

Fig. 78 Réinitialisation du test
Tab. 32 Menu test
| Test | Noter que le composant sélectionné peutmettre10 secondes à réagir après la pression sur le bouton. | |
| t1 Test | d'allumage.Vérification de l'étincelle d'allumage. | L'allumage fera des étincelles pen-dant un maximum de 30 secondes.L'éttincelle sera audible si l'allumage fonctionne correctement. |
| t2 Test | de ventilateur.Vérification du fonction- nement de base du venti-lateur. | Le ventilateur fonctionnera pour un maximum de 30 secondes. Si le ven-tilateur est OK, alors on entendra le ventilateur fonctionner. |
| t3 Test | de pompé Vérification du fonction- nement de base de la pompé. | Le pompé fonctionnera pour 45 secondes maximum. Si la pompé est OK, alors on entendra la pompé. |
| t4 Test | de vanne à trois voies.Test de fonctionnement de la vanne d'inversion. | Lorsque la valeur 1 est SéLECTIONNée au moyen du menu test, la vanne d'inversion se place en position ECS.Lorsque la valeur 0 est SéLECTIONNée, la vanne d'inversion se place en posi-tion CC. |
| t6 Test | d'oscillateur d'ioni-sation.Teste le circuit de détec-tion de flamme. | Le circuit d'ionisation est en marche.Une tension CA d'environ 150 Volts peut être mesurée entre la sonde d'ionisation et la terre. |
12.4 Codes défaut
Si un défaut apparait sur cette chaudière (ou sur le système), la chaudière se mettra dans un état de verrouillage ou de blocage et les informations du code de défaut seront créées conformément aux informations de cette section.
| Erreur provouant un verrouillage | L'écran de la chaudière affichera un triangle d'ajretissement et un code de défaut clignotants. L'écran affichera en même temps un code de cause (statique). Une intervention manuelle est nécessaire suite à la suppression du défaut : ► Appuyer sur le bouton reset frontal de la chaudière |
| Erreur provouant un blocage | La chaudière s'arrête de fonctionner sans afficher de données de défaut. Le code de cause, dans le menu Information, est affchéé en appuyant sur le bouton clé/retour. Lorsque le défaut associé est éliminé, par ex. attendre qu'un module refroidisse, le problème est également éliminé automatiquement. Dans certains cas, une erreur provouant un blocage dispose d'un délambda défini avant de.devenir un problème provouant un verrouillage. |
| Code d'erreur Code alphas | hanumérique indiquant le groupe de défaut |
| Code de cause | Nombre à trois chiffres. Lors d'une erreur provouant un blocage (ou lors du fonctionnement normal) il n'est pas affchéé mais on y accede dans le menu Information au moyen du bouton clé/retour. Lors d'une erreur provouant un verrouillage, le code de cause clignote sur l'écran. |
Tab. 33
Erreurs provoquant un verrouillage
| Codes défaut | Codes de cause | Description | Déverrouillage | Cause possible |
| 9U 233 | HCM (Modèle de régulation de chaleur/Heat Control Module) | Bouton Reset Problème avec la clé de codage | ||
| E1 | 257 | Erreur interne | Remplacer la platine de commande. | |
| 3Y 215 | Problème ventilateur Bouton Reset Le ventilateur fonctionné trop vite | |||
| 3P | 216 | Problème ventilateur | Bouton Reset | Le ventilateur fonctionné trop lentement |
| 3L | 214 Problème ventilateur Bouton Reset Ventilateur ne fonctionné pas | |||
| 3C 217 | Pas d'entrez d'air après une période déterminée | Bouton Reset Ventilateur ne fonctionné pas ou arrivée bouchée | ||
| 4U | 222 | Court-circuit de la sonde de départ | Bouton Reset | Court-circuit ou endommagement sonde de départ. |
| 4Y | 223 | Circuit ouvert sonde de départ | Bouton Reset | Sonde de départ déconnectée ou endommagée. |
| 4A 218 | Température de départ trop élevée Bouton Reset Surchauffe sonde de départ primaire | |||
| 332 La température de la sonde de départ primaire dépassé 110°C | Bouton Reset Surchauffe sonde de départ primaire | |||
| 4F 219 | Température de sonde de sécurité trop élevée | Bouton Reset L'échangeur thermique principal surchauffe.Température maximum 105 °C° | ||
| 4L | 220 | Court-circuit de la sonde de sécurité | Bouton Reset | La sonde de température maximum sur l'échangeur thermique principal est en panne. |
| 4P | 221 | Circuit ouvert sonde de sécurité | Bouton Reset | La sonde de température maximum sur l'échangeur thermique principal n'est pas reconnaue. |
| 4C 224 | Thermostat de température maximum activé | Bouton Reset Surchauffe thermostat de gaz brûlé | ||
| 6A | 227 | Pas de flâme détectée après allumage | Bouton Reset | Échec de quatre tentatives d'allumage. La chaudière attend 30 secondes avant une nouvelle tentative. |
| 6L | 229 | Perte du signal de flâme durant le fonctionnement | Bouton Reset Une flamme existante est étente.Ceci peut être causé par :• de l'humidité dans leuisard, due à unuisard / un siphon de condensats bouché.• un vent fort dans la conduite d'évacuation des fumées. | |
| 9L | 234 | Erreur bloc gaz | Bouton Reset | Bobine du bloc gaz déconnectée |
| 7L | 261 | Erreur de synchronisation de l'allumage | Bouton Reset | Pas de flâme formée dans les 4 premières secondes du temps d'allumage. |
| 9H 237 | Erreur interne Appeler votre service technique téléphonique | |||
| 9L | 238 | |||
| 3P | 239 | |||
| E1 242 | 257 | |||
| EH | 262 | |||
| EY | 263 | |||
| E4 267 | ||||
| 9H 272 | ||||
| EL | 279 | |||
| EL | 290 | |||
Tab. 34 Lieste des defaults provoquant un verrouillage et des codes de cause
Buderus
Tab. 34 Lieste des defaults provoquant un verrouillage et des codes de cause
| Codes défaut | Codes de cause | Description | Déverrouillage | Cause possible |
| 4E 278 | Echec du test de sonde Bouton Reset Lors de la mise en marche toutes | en marche toutes | es sondes de sécurité sont vérifiées.Echec de la vérification. | |
| 7L | 280 | Erreur de temps de recyclage | Bouton Reset | Après l'arrêt du brûleur, le mode recyclage purge le gaz de l'échangeur thermique avant de tenter une nouvelle combustion. Le logiciel dis-pose de 3,1 secondes pour intervenir avant que la chaudière n'entre dans cet état de défault. |
| 2F 338 | Un trop grand nombre de démarrages courts du brûleur sans confirmation | Bouton Reset Il y a une erreur où la pompe ne détecte pas d'eau. | ||
| 6C | 228 | Erreur de flâme | Bouton Reset | Fausse flamme. Flamme détectée avant le démarrage du brûleur. |
| 7H 328 | Erreur interne Remplacer la platine de commande | |||
| 6C | 306 | Erreur de fausse flâme | Bouton Reset | Flamme détectée après arrêt brûleur |
| 7C 231 | Erreur alimentation secteur Bouton Reset Coupure de courant électric. | |||
| 3A 364 | Bloc gaz EV2 éché ctest d'étanchéité aux fuites | Bouton Reset Fuite du bloc gaz. | ||
| OE 365 | Bloc gaz EV1 éché ctest d'étanchéité aux fuites | Bouton Reset Fuite du bloc gaz. |
Erreurs provoquant un blocage
Tab. 35 Codes d'erreur provoquant un blocage
| Code d'erreur | Code de cause | Description Cause possible | |
| 2Y | 281 | Pompe bloquée ou tourne dans l'air | Peu ou pas d'eau dans le système. |
| 3A | 264 | Entrée d'air arrêtée pendant le fonctionnement | Le ventilateur s'est arrêté. |
| 3F | 273 | Entrée d'air présente pendant les dernières 24 heures | Le ventilateur a fonctionné en marche continue pendant les dernières 24 heures. |
| 2F | 271 | La différence de température entre les sondes de départ et de sécurité dépasse la limite | La différence entre les températures du départ primaire et de la sonde de sécurité sur l'échangeur thermique primaire ne doit pas dépasser 15°C. |
| 4C | 224 | Thermostat MAX activé | Surchauffe thermostat de gaz brûlé. |
| 0Y | 276 | La température de départ dépasse 95°C | Surchauffe primaire - la chaudière attend la baisse de la température, sinon une erreur provoquant le verrouillage se met en place. |
| 0Y | 277 | La température de sécurité dépasse 95°C | Surchauffe de la sonde de sécurité de l'échangeur thermique principal - la chaudière attend la baisse de la température, sinon l'erreur 219 provoquant le verrouillage se met en place. |
| 0Y | 285 | La température de départ dépasse 95°C | La chaudière arrêté le brûleur et attend un eventuel refroidissement. Si au bout de 2 secondes la température a augmenté, la chaudière affichera l'érreur de verrouillage 286. |
| 6A | 227 | Pas de courant d'ionisation après allumage | Pas de détention de flamme. La chaudière bloque pendant 5 tentatives avant l'erreur de verrouillage. |
| 2U | 349 | Chauffage central, détction d'ébullition. Delta T important malgré charge minimum du brûleur. | La chaudière fonctionné à puissance minimum du brûleur et il y a une différence supérieure à 18 °C entre les températures de départ et de retard. |
| Pas de code | 260 | Pas d'augmentation de température après démarrage du brûleur | Sonde déconnectée ou pas de teneur d'eau. |
Fabrikant
Bosch Thermotechnology n.v./s.a.
Buderus
Kontichsesteenweg 60
2630 Aartselaar
Tel. Installateur: 0032 78 050 783
Tel. Particulier: 0032 70 246 071
Fax:003216400406
www.buderus.be
info@buderus.be
Notice Facile