22T - Pompe à eau Hydro-Pro - Notice d'utilisation et mode d'emploi gratuit
Retrouvez gratuitement la notice de l'appareil 22T Hydro-Pro au format PDF.
| Caractéristiques techniques | Débit maximal : 22 m³/h, Pression maximale : 4 bar, Puissance : 2,2 kW, Tension : 230V, Fréquence : 50Hz |
|---|---|
| Utilisation | Idéale pour l'irrigation, le drainage et l'approvisionnement en eau potable. |
| Maintenance et réparation | Vérifier régulièrement les joints et les filtres, nettoyer les impuretés, lubrifier les pièces mobiles. |
| Sécurité | Utiliser des gants lors de la manipulation, ne pas immerger la pompe, respecter les instructions du fabricant. |
| Informations générales | Poids : 25 kg, Dimensions : 60 x 40 x 40 cm, Garantie : 2 ans. |
FOIRE AUX QUESTIONS - 22T Hydro-Pro
Questions des utilisateurs sur 22T Hydro-Pro
0 question sur cet appareil. Repondez a celles que vous connaissez ou posez la votre.
Poser une nouvelle question sur cet appareil
Téléchargez la notice de votre Pompe à eau au format PDF gratuitement ! Retrouvez votre notice 22T - Hydro-Pro et reprennez votre appareil électronique en main. Sur cette page sont publiés tous les documents nécessaires à l'utilisation de votre appareil 22T de la marque Hydro-Pro.
MODE D'EMPLOI 22T Hydro-Pro
Manuel français. 40~70
Règlement (UE) n° 517/2014 du 16/04/14 relatif aux gaz à effet de serre fluorés et abrogeant le règlement (CE) n° 842/2006
Contrôles d'étanchéité
- Les exploitants d'équipements qui contiennent des gaz à effet de serre fluorés dans des quantités supérieures ou égales à 5 tonnes équivalent COVeillent à ce que ces équipements fassent l'objet de contrôle d'étanchéité.
- Au 1 janvier 2017 les contrôle d'étanchéité sont à effectuer au moins tous les douze mois, pour les équipements dans des quantités supérieures ou égales à 5 tonnes équivalent m² inférieures à 50 tonnes équivalent₂CO
Tableau des équivalences CO
- Charge en kg et Tonnes équivalent.CO
| Charge et Tonnes équivalent CO2 | Fréquence du contrôle |
| De 2 à 30 kg de charge soit de 5 à 50 Tonnes | Tous les ans |
Pour le Gaz R 410a, 2.39kg équivalences à 5 tonnes de CO2 donc devoir de vérifier tous les ans.
- L'exploitant veille à ce que le personnel concerné ait obtenu la certification nécessaire, qui implique une connaissance appropriée des règlements et des normes applicables ainsi que la compétence nécessaire en termes de prévention d'émission, de récapération des gaz à effet de serre fluorés, de manipulation sans danger pour les contrôles détanchéité de l'équipement.
Tenue de registres
- Les exploitants d'équipements qui doivent faire l'objet d'un contrôle d'étanchéité établissant et tiennent à jour, pour chaque piece de ces équipements, des registres dans lesquels ils consignent les informations suivantes :
a) La quantité et le type de gaz à effet de serre fluorés installées;
b) Les quantités de gaz ajoutées pendant l'installation, la maintenance ou l'entretien ou à cause d'une fuite;
c) La quantité de gaz installés qui a été eventulement recyclée ou régénéraee, y compris le nom et l'adresse de l'installation de recyclage ou de régénération et, le cas échéant, le numero de certificat;
d) La quantité de gaz récapurée;
e) L'identité de l'entreprise qui a assure l'installation, l'entretien, la maintenance et, le cas échéant, la réparation ou la mise hors service de l'équipment, y compris, le cas échéant, le numéro de son certificat;
f) Les dates et les résultats des contrôleles effectuels;
g) Si I'équipement a été mis hors service, les mesures prises pour récapuerer et éliminer les gaz.
- Les exploitants conservent les registres visés audit paragraphe pendant au moins cinq ans, les entreprises exécutant les activités pour le compte des exploitants conservent des copies des registres visés au paragraphe 1 pendant au moins cinq ans.
Pompe à chaleur de Piscine HYDRO-PRO Notice d'installation et d'utilisation
INDEX
- Spécifications
- Dimension
- Installation et connection
- Accessoires
- Câblage électrique
- Mise en service initiale de l'unité
- Paramétrage
- Guide de dépannage
- Schéma éclaté
- Entretien
11.Garantie et renvoi
Nous vous remercions d'avoir besoin la pompé à chaleur de piscine HYDRO-PRO pour chauffer l'eau de votre piscine, elle va chauffer l'eau de votre piscine et la dévelopir à température constante lorsque la température ambiente est de -5 à 43^ .

ATTENTION : Ce manuel contient toutes les informations nécessaires à
l'utilisation et à l'installation de votre pompe à chaleur.
L'installateur doit dire le manuel et suivre attentivement les instructions d'utilisation en œuvre et de sécurité du produit.
L'installateur est responsable de l'installation de l'appareil et du respect des instur fabricant et de la reglementation en vigueur. Le non-respect de ce manuel implique l'exclusion de toute garantie.
Le fabricant decline toute responsabilité des dommages occasionnés aux personn objects et des erreurs dues à l'installation dans de mauvaises conditions.
Toute utilisation à des fins non conformes à celles qui sont à l'origine de sa considérée comme dangereuse.

ALERTE
- Vous doivent evacuer l'eau de pompe à chaleur, pour empêcher des dommages de gel cours des saisons d'hiver ou pendant une longue période d'inactivité.
- Coupez le cable alimentaire lesque vous voulez ouvrir le cabinet.
- Bien protégez le contrôleur de l'humidité avec la couverture d'isolation. L'installé dans endroits ajustats.
1. Caracteristiques techniques
1.1 Pompe à chaleur de Piscine Hydro-Pro ABS
| Hydro-Pro | Modèle | 5 | 7 | 10 | 13 | 18 | 22 | 22T | 26 | 26T |
| Part number | 7018522 | 7018523 | 7018524 | 7018525 | 7018526 | 7018527 | 7018528 | 7018529 | 7018530 | |
| Puisance de chauffageAir27/Eau27 | kW | 5 | 7 | 10 | 13 | 18 | 22 | 22 | 26 | 26 |
| BTU/h | 17000 | 23500 | 34000 | 44300 | 61000 | 75000 | 75000 | 88700 | 88700 | |
| Puisance de chauffageAir15/Eau26 | kW | 3,7 | 4,3 | 6,5 | 8,2 | 13 | 14,5 | 14,5 | 16,5 | 16,5 |
| BTU/h | 12500 | 14500 | 22000 | 28000 | 44000 | 49500 | 49500 | 56000 | 56000 | |
| Performances derefroidissement Air35/Eau27 | kW | 2,8 | 3,5 | 5 | 7 | 10.8 | 11 | 11 | 15 | 15 |
| BTU/h | 9500 | 12000 | 17000 | 24000 | 37000 | 37500 | 37500 | 51000 | 51000 | |
| Consommation | kW | 0,93 | 1,02 | 1,48 | 1,86 | 2,51 | 3,45 | 3,45 | 3,93 | 3,93 |
| Volume Maximum (bonneinsulation) | m3 | 20 | 30 | 45 | 60 | 100 | 120 | 120 | 140 | 140 |
| Courant Nominal | A | 4,1 | 4,7 | 7 | 9,1 | 13,4 | 15 | 6,6 | 17,4 | 7,7 |
| Mini fusible | A | 15 | 15 | 20 | 25 | 40 | 45 | 20 | 50 | 25 |
| COP en air 27/eau27 | W/W | 5,8 | 5,9 | 6,2 | 6 | 6,1 | 5,9 | 5,9 | 5,8 | 5,8 |
| COP en air 15/eau26 | W/W | 4 | 4,2 | 4,4 | 4,4 | 4,3 | 4,2 | 4,2 | 4,2 | 4,2 |
| Alimentation électrique | V/Ph/Hz | 230/1/50 | 380/3/50 | 230/1/50 | 380/3/50 | |||||
| Contrôleur | Electronique | |||||||||
| Condenseur | Titanium heat exchanger | |||||||||
| Quantité de comprésseur | 1 | |||||||||
| Type de comprésseur | Rotary | Scroll | ||||||||
| Gaz | R410a | |||||||||
| Quantité de ventilateur | 1 | |||||||||
| Alimentation de ventilateur | W | 68 | 80 | 80 | 120 | 200 | 200 | 200 | 200 | 200 |
| Vitesse de ventilateur | RPM | 830~870 | 650 | |||||||
| Circulation d'Air | Horizontal | Vertical | ||||||||
| Niveau de brut à 10m | dB(A) | 39 | 40 | 40 | 43 | 47 | 47 | 47 | 50 | 50 |
| Niveau de brut à 1m | dB(A) | 48 | 49 | 49 | 52 | 56 | 56 | 56 | 59 | 59 |
| Diamètre entrée-sortie | mm | 50 | ||||||||
| Débit d'eau conseilé | m3/h | 2,5 | 2,5 | 2,8 | 3,5 | 6,2 | 6,2 | 6,2 | 7,1 | 7,1 |
| Perte de pression max. | kPa | 12 | 12 | 12 | 15 | 18 | 18 | 18 | 18 | 18 |
| Dimension nette | L/W/H | 1010*340*577mm | 1050*470*709mm | 910*707*940mm | ||||||
| Dimension d'emballage | L/W/H | 1080*405*616mm | 1121*481*851mm | 935*790*975mm | ||||||
| Poids net / Poids brut | Kg | 36/38 | 44/47 | 49/52 | 63/67 | 115/125 | 125/135 | 125/135 | 150/160 | 150/160 |
- Les données ci-dessus sont sujettes à modification sans préavis.
2. Dimension
Hydro Pro 5,7,10



Hydro Pro 13



Modèle 18, 22, 22T, 26, 26T



3. Installation et connection
3.1 Note
Seule la pompe à chaleur est fournie. Tous les autres éléments, y compris un by-pass ont besoin, devraient être fournies par l'utiliseur ou l'instantiateur.
Attention :
Pendant l'installation, lisez s'il vous plait les notices ci-dessous :
-
Tous les Tuyaux avec liquide chemique, doivent etre installés en aval de la pompe à chaleur piscine.
-
Installez un by-pass losque le flux d'eau de la pompe à chaleur piscine est 20% sup au flux supportable par l'échangeur de chaleur de la pompe à chaleur.
-
Installez la pompe à chaleur piscine plus haut de niveau d'eau de la piscine.
-
Toujours mettez la pompe à chaleur piscine sur une base solide et utilisez les patins caoutchouc fournis pour éviter la vibration et le bruit.
-
Toujours laissez la pompe à chaleur piscine verticale. Si la machine a été tenue à un autre attende au moins 24 heures avant de démarrer la pompe à chaleur.
3.2 Location de la pompe à chaleur piscine
L'appareil peut etre instalé presque n'importe ou à l'extérieur, a condition que les trois facteurs soient satisfaits :
1. Une bonne ventilation - 2. Une alimentation électrique stable et fiable - 3. Un système d'eau recyclée
L'unité peut être installé en pratique n'importe quel endroit à l'extérieur à condition que l'distances minimales montrées dans le schéma (ci-dessous) soient conformées. Pour les piscines interieures, demandez votre installer pour bien installer. L'installation dans un endroit ventieux ne produit pas du tout un problème, sauf qu'il y a un rechauffeur de g. le même endroit (problème à cause une flamme).
ATTENTION: L'unité ne doit pas être installée dans une zone où la ventilation d'air est limitee
ou les emplacements qui ne peuvent pas fournir de façon continue de l'air, s'assurer qu l'entrée d'air ne puisse jamais être obstruée. Les feuilles et autres débris peuvent se col sur l'évaporateur, ce qui réduit son efficacité et affectera sa durée de vie.
L'illustration ci-dessous montre la distance minimale requise de chaque cote de la pompe chaleur de piscine.


3.3 Distance de la piscine
En règle générale, il est recommandé d'installer la pompe à chaleur de piscine à côte d'ac piscine, moins de 7.5 mètres de distance. Si elle est installée trop loin, la tuyauterie peut entrainer une perte de chaleur plus grande. En raison que les tuyaux sont principalement sous-sol, la perte de chaleur n'est pas beaucoup dans une distance 30 m (15m de et à l'appareil, 30 m totalement), sauf que la terre soit humide ou le niveau de l'eau souterrà soit élevé. Une estimation approximative de la perte de chaleur par 30 m est 0.6 kw/h (BTU) pour chaque 5^ de l'écart d'entre la température de l'eau dans la piscine et de la température du sol entourant le tuyau. Cela augmente la durée de fonctionnement de 3% 5% .
3.4 Installation du clapet de non-retour
Note: Si l'équipement de dosage automatique pour le chlore et l'acidité (pH) est utilisé, i essentiel de protégger la pompe à chaleur contre les produits chimiques à concentration ti élevée qui pourrait corroder l'échangeur thermique. Pour cette raison, ce type d'équipement doit être installé en aval de la pompe à chaleur. Il est recommendé d'insta un clapet de non-retour pour empêcher un écoulement inverse en l'absence de circulation d'eau.
Dommages due à négliger cette instruction ne sont pas couverts par la garantie.

3.5 Arrangement typique

Note: Cet arrangement est seulement un exemple illustratif.
3.6 Ajustement du by-pass

Ajustez le by-pass selon les procédures suivantes :
Ouvrez complètement toutes les valves
Fermez doucement valve 1 jusqu'à que la pression d'eau augmente approximativement de 100 g à 200 g.
- Fermez valve 3 approximativement moitié, pour ajuster la pression du dans le système du refroidissement
Si le contrôleur s'affiche 《ON》 ou 《EE3》,fermez petit a petit le va pour augmenter le debit d'eau et arrêtez losque le code d'erreur se disparaître.
La pompe à chaleur est performante lesque la pression du gaz de refroidissement est d 22 ± 2 bar.
Cette donnée de pression peut être lue sur le manomètre à cote du contrôleur. Dans ce condition le flux d'eau à travers la pompe à chaleur est aussi optimal.
Note: Fonctionnement sans un by-pass ou avec un by-pass dans l'installation incorrecte peut entrainer un fonctionnement sous-optimal de la pompe à chaleur et probabilité endommager la pompe à chaleur et ce cas ne couvert pas dans la garantie.
3.7 Raccordement electrique
Note : Bien que la pompe à chaleur est électriquement isolé du reste du système piscine, cela empêche que l'écoulement de courant électrique vers ou de l'eau de l piscine. Mise à la terre est toujours nécessaire pour la protection contre les courts-circuits à l'intérieur de l'appareil. Toutjours assurez une bonne connexion de terre.
Avant de brancher l'appareil, vérifie que la tension d'alimentation correspond à la tension fonctionnement de la pompe à chaleur.
Il est recommandé de raccorder la pompe à chaleur à un circuit avec son propre fusible disjoncteur(type lent; courbe D) et utiliser le cablage ajust( voir le tableau en dessous Pour les modèles horizontally (Hydro Pro 5, 7, 10 and13): retirez le panneau en haut. Pour les modèles verticaux (Hydro-Pro 18, 22, 22T and 26T): retirez la piece de panne frontale.
Connectez les fils électriques au bornier marqué ‘ POWER SUPPLY ’
Un autre bornier marqué 'WATER PUMP ' est juste à côté du premier bornier. La pompe eau (max. 5 A / 240 V) peut être connectée sur le 'WATER PUMP'. Cela permet le fonctionnement de la pompe à eau soit contrôle par la pompe à chaleur.

Note: Dans le cas des modèles triphasés, invser ser deux phases pourrait entrainer que le moteurs électriques fonctionne dans le sens inverse, ce qui va entrainer des dommages. Pour cette raison, il y a une device protective équipée pour interrompre le circuit si la connexion n'est pas correcte.
Si la LED rouge s'allume au-dessus de cette device de sécurité, vous devriez permuter connexions de deux fils de phase.
| Modèle | Voltage (V) | Fusible ou disjoncteur ( | Courant nominal (A | Diamètre du fil rhm(avec max. 15 m de longu |
| HYDRO PRO5 | 220-240 | 15 | 4.1 | 2x 1.5 + 1.5 |
| HYDRO PRO7 | 220-240 | 15 | 4.7 | 2x 1.5 + 1.5 |
| HYDRO PRO10 | 220-240 | 20 | 7 | 2x 2.5 + 2.5 |
| HYDRO PRO13 | 220-240 | 25 | 9.1 | 2x 2.5 + 2.5 |
| HYDRO PRO18 | 220-240 | 40 | 13.4 | 2x 6 + 6 |
| HYDRO PRO22 | 220-240 | 45 | 15 | 2x 6 + 6 |
| HYDRO PRO22T | 3x 380 | 20 | 6.6 | 4x 2.5 + 2.5 |
| HYDRO PRO26 | 220-240 | 50 | 17.4 | 2x 6 + 6 |
| HYDRO PRO26T | 3x 380 | 25 | 7.7 | 4x 2.5 + 2.5 |
3.8 Mise en service initiale de l'unité
Note: Veuillez assurez-vous que la pompe à eau fonctionne en circulation avec un ajustat de débit d'eau.
Une fois que toutes les connexions après l'installation est terminée, veuilles suivre ces étapes:
(1) Allumez Your ftre de la pompe, verifiez les fuites d'eau et le debit de la piscine
(2) Activez l'alimentation électrique de l'appareil, puis appuyez sur la touche ON / OFF d contrôleur de fil, il devrait commencer à fonctionner dans quelques secondes.
(3) ÀpRES avoir fonctionné pendant quelques minutes, assurez-vous que la ventilation de I par le cote (en haut) de l'unité est plus froide.
(4) Lorsque vous désactivez le filtr de la pompe, l'unité doit également être désactivée automatiquement, sinon, veuilles réglez le commutateur de débit.
(5) Laissez l'unité et la pompe de piscine fonctionner 24 heures par jour jusqu'à ce queatteigne la température souhaïée. Lorsque la température atteint la valeur fixée, l'unitéthermopompe va arrêté, lorsque la température de la piscine descend'plula quempeva redémarrer (aussi longtemps que la pompe à eau fonctionne).
En fonction de la température initiale de l'eau dans la piscine et la température de l'air, pourrait prendre plusieurs jours pour chauffer l'eau à la température souhaïée.
Une belle couverture de piscine piscine peut réduire considérablement la durée requise.
Commutateur de début d'eau:
Il est équipé d'un détector de débit pour assure que l'unité thermopompe fonctionne avec débit d'eau suffisant. Il se mettra en marche lorsque la pompe de la piscine fonctionne s'éteint lorsque la pompe s'arrête. Si le niveau d'eau de la piscine est supérieur ou infé de 1 m vis-à-vis de bouton d'ajustement automatique de la pompe à chaleur, votre concessionnaire aurait besoin d'ajuster sa mise en service initiale.
Temporise:
L'unité thermopompe doit être équipée d'une protection de redémarrage temporisée de 3 minutes intégrée transistorisé. Le contrôle de la temporisation est une partie intégrante du circuit de commande, il peut éliminer le cyclisme de redémarrage et le Bavardage de contacteur.
La fonction de temporisation permet de redémarrer automatiquement l'appareil thermopompé d'environ 3 minutes après chaque interruption du circuit de commande. Meme une brève interruption de courant peut activer le redémarrage de 3 minutes transistorisé et empêche que l'appareil soit redémarré jusqu'à ce que le compte à rebours de 3 minutes soit tern
3.9 Condensation
L'air aspiré dans la pompe à chaleur est fortement refroidi par le fonctionnement de la pompe à chaleur pour chauffer l'eau de la piscine, ce qui peut provoquer la condensation sur les ailettes l'évaporateur. Le montant de la condensation peut être autant que plusieurs litres par heures à un humidité relative élevé. Ceci est parfois considérées à tort comme une fuite d'eau.
4. Accessoires
4.1 List d'accessoires
| Patin caoutchouc anti-vibration, 4 | Connecteur d'évacuation, 2 pc | Boîte de contrôle, 1 |
| Fil du signal, 10m | Tuyaux de drainage de l'eau 2pcs |
4.2 Installation d'accessoires
| Patin caoutchouc anti-vibration 1. Prenez les patins caoutchoucs 2. Déposez-les un par un sous pieds de la machine. | |
| Connecteur d'évacuation 1. Installez le connecteur d'évacuation sous la machine. 2. Connectez un tuyau d'eau po évacuer l'eau. Note: Inclinez la pompe à chaleur comme la photo montre. Ne pas mettez à l'envers la pompe à chaleur, sinon il va endommager comprisseur. |




Connecteurs d'admission et desortie d'eau
- Utilisez la bande à coller pou installer les
Connecteurs d'admission et desorting d'eau dans la pompe à chaleur. - Installez les joints comme la photo montre
- Vissez-les sur l'entrée et la so d'eau




Fil du signal
- Prende z fil du signal, connectez avec le contrôleur.
- Enfilez l'autre cote à travers bouche comme la photo montre.
- Ensuite fixez les fils dans la carte electrique : fil bruner-joint ; fil blue --em2joint ; fil jaune eme joint.


Cable alimentaire
- Connectez le cable alimentaire travers de la bouche comme la photo montre.
- Fixez les fils dans la carte électrique.


Câble de la pompe à eau
- Connectez le cable de la poreau à travers de la bouche marpar une flèche rouge.
- Fixez les fils dans la carte électrique comme la photo montre
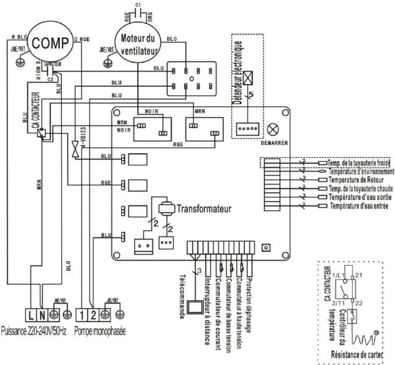
5. Câblage Electrique
5.1 SCHEMA DE CABLAGE DE LA POMPE A CHALEUR DE PISCINE
Hydro Pro 5/7/10

- Les parties en pointillés ne sont utilisées que dans certains modèles
5.2 SCHEMA DE CABLAGE DE POMPE À CHALEUR DE PISCINE
Hydro Pro 13

- Les parties en pointillés ne sont utilisées que dans certains modèles
5.3 SCHEMA DE CABLAGE DE LA POMPE A CHALEUR DE PISCINE
Hydro Pro 18/22

* Les parties en pointillés ne sont utilisées que dans certains modèles
5.4 SCHEMA DE CABLAGE DE LA POMPE A CHALEUR DE PISCINE
Hydro Pro 26

* Les parties en pointillés ne sont utilisées que dans certains modèles
5.5 SCHEMA DE CABLAGE DE LA POMPE A CHALEUR DE PISCINE
Hydro Pro 22T/26T

* Les parties en pointillés ne sont utilisées que dans certains modèles
NOTE:
(1) Le schéma de câblage électrique ci-dessus est seulement pour votre réseau, veille utiliser le schéma de câblage affché sur la machine.
(2) La pompe à chaleur de piscine doit être bien raccordée au fil de terre, bien que l'échangeur de chaleur d'appareil soit électriquement isolé du reste de l'unité. La mise à terre de l'unité est toujours nécessaire pour vous protégger contre les courts-circuits à l'intérieur de l'unité. La fixation à un support stable est également nécessaire.
Interruption : Un moyen d'interruption (disjoncteur, interrupteur à fusibles ou sans fuseible) doit être en vue et facilement accessible de l'unité. C'est une pratique courante pour les pompes à chaleur résidentielles et commerciales. Il permet la mise hors tension à distance l'équipement sans surveillance et permet aussi de couper l'alimentation à l'unité alors que l'appareil est en réparation.
5.6 INSTALLATION DE LA COMMANDE DEPORTEE
Photo (1) Photo (2) Photo (3)



- Demontage du tableau de commande et degrafage du connecteur (photo 1).
- Mise en place du cable fourni (photo 2)
- Passer le cable par le presse étoupe (photo 3) et connecter les fils directement
6. Paramétrage
6.1 Les fonctions du tableau de commande LED

Lorsque la pompe à chaleur est en cours de fonctionnement, l'écran LED affichera la température d'arrivée d'eau.
Lorsque la pompe à chaleur est arrêtée, le contrôleur à LED affichera l'heure.
6.2 Demarrer ou arreter la pompe à chaleur
Appuyez sur pour demarrer la pompe à chaleur.
Appuyez sur pour arreter la pompe à chaleur.
6.3 Choisir Mode de chauffage ou de refroidissement
Appuyez pour sélectionner « Heat » pour chauffage ou « Cool » pour refroidissement.
6.4 Réglage de l'heure:
Appuyez sur pour programme l'heure, et appuyez sur et pour régler l'heure
Après appuyez sur à nouveau pour enregistrer les nouvelles données.
En moment du réglage de l'heure, et ne sont pas disponibles.
6.5 Réglage de la température d'eau :
Appuyez sur et pour selectionner la tempereature souhaitee.
NOTE: Attention la pompe à chaleur ne fonctionne que si le système de filtration
6.6 Mode automatique
Programmation de l'heure de démarriage
Appuyez sur pour programmer l'heure de démarriage, ensuite appuyez sur et
pour régler l'heure de démarriage. (l'appareil démarre 5 minutes après la pompe à ea Appuyez sur a nouveau pour enregistrer les données.
Programmation de l'heure d'arrêt
Appuyez sur pour programmer l'heure d'arrêt, ensuite appuyez sur et pour régler l'heure de démarrage. (l'appareil s'arrête 5 minutes avant la pompe à eau)
Appuyez sur à nouveau pour enregistrer les données.
6.7 Désactiver le mode automatique
Désactiver le démarrage automatique
Appuyez sur puis, s'eteint et le démarrage automatique est désacté.
Désactiver l'arrêt automatique
Appuyez sur puis , s'eteint et Tarrêt automatique est désacté.
-
NOTE: Dans le cas où le système de filtration se coupe avant la pompe à se mettra automatiquement en sécurité et affichera une erreur EE3 ou ON perm - Il est impératif de bien programmer la pompe à chaleur suivant les heures d'fonctionnement de la filtration.
-
Pour relancer la pompe à chaleur, il faudra disjoncter et réenclencher l'alimen électrique.
7. Paramétrage
7.1 Comment vérifier les paramètres.
En mode de voir ou de fonctionnement, appuyez longtemps sur pour 10 secondes, ensuite appuyez sur ou afin de vérifier les paramètres (de 0 à H, voir les illustrations en dessous).
7.2 Comment ajuster les paramètres( peut ajuster seulement en mode de fonctionnement).
1) Appuyez sur pour 10 secondes, ensuite appuyez encore une fois pour sélectionner les paramètres.
2) Appuyez ou pour ajuster les paramètres, appuyez encore une fois pour enregistrer les nouvelles valeurs.
3) Appuyez ensuite ou pour selectionner un autre paramètre que vous voulez ajuster, et repêzez 2) en dessus.




Veuilleznoter:
A) Appuyez "MODE" pourCHOISIR la mode ("1" ou "2" dans le parametre 6)
B) le Mode peut être changé lors de fonctionnement.
C) Chauffage auxiliaire electrique n'est pas applicable ici.
7.3 Comment savoir les états actuels

| Paramètre | Signification | Amplitude | Défaut | Remarques |
| 0 | Pour régler la température de l'eau d'arrivée en mode de refroidissement | 8-35°C | 28°C | Réglable |
| 1 | Pour régler la température de l'eau d'arrivée en mode de chauffage | 15-40°C | 28°C | Réglable |
| 2 | Entrée en période de dégivrage. | 30-90Minutes | 40Minutes | Réglable |
| 3 | Conditions d'entrée la fonction de dégivrage. | -30°C à 0°C | -7°C | Réglable |
| 4 | Conditions de sortie de la fonction dégivrage. | 2 à 30°C | 20°C | Réglable |
| 5 | Temps pour sortir du dégivrage | 1 à 12 minutes | 12 minutes | Réglable |
| 6 | Mode: 0 Chauffage1 Chauffage et Refroidissement | 0-1 | 1(Cauffage et Refroidissement) | Réglable |
| 7 | Mode de sélection du détendeur électronique | 0-1 | 1(automatique) | Réglable |
| 8 | La cible de chauffage pour la surchauffe | -15°C-15°C | 3°C | Réglable |
| 9 | La cible de refroidissement pour la surchauffe | -15°C-15°C | -2 °C | Réglable |
| A | Les mesures d'ajustement manuel de détendeur électronique | 18-94 | 70 | Réglable |
| B | Température de l'eau arrivée | -9-99°C | Essai exact par valeur | |
| C | Température de l'eau sortie | -9-99°C | Essai exact par valeur | |
| D | Température du condenseur en mod de chauffage | -9-99°C | Essai exact par valeur | |
| E | Température de retour du gaz | -9-99°C | Essai exact par valeur | |
| F | La température ambiente | -9-99°C | Essai exact par valeur | |
| G | Température du condenseur en mod refroidissement | -9-99°C | Essai exact par valeur | |
| H | Les mesures réelles de détendeur électronique | N*5 | Essai exact par valeur | |
| L | Calibrage pour la température d'eau entrée | -9.9-9.9°C | 0°C | Réglable |
Remarques:
(1) Lorsque la pompe à chaleur arrêté de fonctionner pendant 30 secondes, la pompe à s'arrête automatiquement
(2) Le contrôle à LED peut faire fonctionner la pompe à eau une fois que le cable supplémentaire est correctement connecté au dispositif de la pompe sur le terminal "PUM
(3) Il est nécessaire demettre un dispositif de transfert des 3-phases supplémentaire pc pompe à eau Triphasée.
8. Guide de dépannage
8.1 Code d'erreur affichée sur le tableau de commande
| Dysfonctionnement | Code d'erreur | Raison | Solution |
| Défaillance du capteur de température d'eau arrivée | PP1 | Le capteur est en circuit ouve ou en court-circuit | Vérifiez ou remplacez le capteur |
| Défaillance du capteur de température d'eau sortie | PP2 | Le capteur est en circuit ouve ou en court-circuit | Vérifiez ou remplacez le capteur |
| Défaillance du capteur de condenseur de chauffage | PP3 | Le capteur est en circuit ouve ou en court-circuit | Vérifiez ou remplacez le capteur |
| Défaillance du capteur de gaz retour | PP4 | Connectez un peu de fil à tc sur ce point | Vérifiez qu'il n'y a rien sur ce point redémarrage |
| Défaillance du capteur de température ambiente | PP5 | Le capteur est en circuit ouve ou en court-circuit | Vérifiez ou remplacez le capteur |
| La différence de température er eau arrivée et eau sortie est t importante | PP6 | Débit d'eau ne suffit pas, la différence de pression d'eau et trop faible | Vérifiez le volume de débit d'eau o eau est bloquée ou pas |
| La température de refroidissement de l'eau sortie est trop faible | PP7 | Débit d'eau ne suffit pas | Vérifiez le volume de débit d'eau o le système d'eau est bloqué ou pas |
| Protection antigel du premier niveau en hiver | PP7 | La température ambiente ou la température d'eau arrivée est trop faible | Pompe à eau se lancera automatiquement pour l'antigel du premier niveau |
| Protection antigel du second niveau en hiver | PP7 | La température ambiente ou la température d'eau arrivée est trop faible | Pompe à eau se lancera automatiquement pour l'antigel du second niveau |
| Défaillance du capteur de condenseur de refroidissement | PP8 | Connectez un peu de fil à tc sur ce point | Vérifiez qu'il n'y a rien sur ce point redémarrage |
| Protection haute pression | EE1 | 1. Trop de réfrigérant2. Pas assez de débit d'air | 1. Déchargez le réfrigérant redondar du système de gaz de la pompe à chaleur2. Nettoyez l'échangeur d'air |
| Protection basse pression | EE2 | 1. Réfrigérant ne suffit pas2. Le débit d'eau n'est pas suffisant3. Filtre ou capillaire bloqué | 1. Vérifiez s'il y a des fuites de g re-remplissez le réfrigérant2. Nettoyez l'échangeur d'air3. Remplacez le filtre ou le capillair |
| Défaillance de l'interrupteur de débit | EE3 ou ON | Peu d'eau, pas d'eau ou sen d'écoulement mal | Vérifiez le volume de débit d'eau e sens d'écoulement, sinon le l'interrupteur de débit serait endommagé. |
| Mauvaise connexion de l'alimentation (pour unité de 3 phases) | EE4 | Mauvaise connexion ou l'absence de connexion | Vérifiez la connexion du cable d'alimentation |
| Dysfonctionnement de la différence température entre eau arrivée et eau sortie | EE5 | Débit d'eau ne suffit pas, la différence de pression d'eau et trop faible | Vérifiez le volume de débit d'eau o le système d'eau est bloqué ou pas |
| Défaillance de communication | EE8 | Connexion du fil n'est pas bo | Vérifiez la connexion du fil |
8.2 Autres dysfonctionnements et Solutions (Pas affché sur le contrôleur de fil de LED)
| Dysfonctionnementets | Observations | Raisons | Solution |
| Pompe àchaleur nonfonctionne pas | Aucun affichage sur le contrôleur à LED | Pas d'alimentation | Vérifiez le disjoncteur du cable e circuit soit connecté |
| Contrôleur à LEDaffiche le temps réée | Pompe à chaleur en état de veille | Démarrez la pompe à chaleur. | |
| Contrôleur à LEDaffiche la température réelle de l'eau. | 1. Température de l'eau atteint presque la valeur fixée, pompe à chaleur et en état à température constante.2. Pompe à chaleur commence juste à fonctionner3. En état de dégivrage | 1. Vérifiez le réglage de tempéra de l'eau.2. Démarrez de la pompe à ch après quelques minutes.3. Contrôleur à LED doit affiche "Dégivrage" | |
| Températurede l'eau estrefroidit lorsquela pompe àchaleurfonctionnésous le modede chauffage | Contrôleur à LEDaffiche la température réelle de l'eau etaucen code d'erreur ne s'affiche | 1. Choix du mauvais mo2. Les chiffres montrent des défaillances.3. Défaillance du contrôle | 1. Réglez le mode à la bonne fonction2. Remplacez le contrôleur à LED en panne, puis vérifie l'état après avoir changé le mode de fonctionnement, vérifie la température d'eau d'arrivée et de sortie3. Remplacez ou réparez l'unité pompe à chaleur |
| Fonctionnemert court | Contrôleur à LEDaffiche la température réelle de l'eau,aucen code d'erreur ne s'affiche | 1. Ventilateur ne fonctionpas2. La ventilation d'air n'estpas suffisante3. Réfrigérant ne suffit pas | 1. Vérifiez les connexions des cables entre le moteur et le ventilateur, le cas échéant, il doit être remplace.2. Vérifiez l'emplacement de l'unité de pompe à chaleur, et éliminez tous les obstacles pour faire bon ventilation.3. Remplacez ou réparer l'unité de la pompe à chaleur |
| Taches d'eau | Les taches d'eau su la pompe à chaleur | 1. Protection.2. Infiltration d'eau. | 1. Aucune action.2. Vérifiez l'échangeur de chaleur titane avec soin, si il y a une t |
| Trop de glaceauresurl'évaporateur | Trop de glace sur l'évaporateur. | 1. Vérifiez l'emplacement de l'unité de pompe à chaleur, et éliminez tous les obstacles2. Remplacez ou réparez l'unité la pompe à chaleur |
9. Schéma eclaté et entretien
9.1 Schéma eclaté

Modèle 7 kw
| NO | Nom de la pièce | NO | Nom de la pièce |
| 1 | Le couvercle supérieur | 27 | Tuyau d'échéppement |
| 2 | Cadre supérieur | 28 | Aiguille |
| 3 | Température ambiente capteur | 29 | Tuyau de retour |
| 4 | Température ambiente clip de capteur | 30 | Interrupteur basse pression |
| 5 | Grille arrière | 31 | Tuyauterie (Vanne 4 voies à échangeur) |
| 6 | Panneau d'isolement | 32 | Tuyauterie (vanne à 4 voies vers tuyau collecti |
| 7 | Évaporateur | 33 | Vanne 4 voies |
| 8 | Pilier | 34 | Compresseur |
| 9 | Moteur | 35 | Bac de base |
| 10 | Panneau gauche | 36 | Tuyauterie (échangeur capillaire) |
| 11 | Moteur | 37 | Échangeur de chaleur |
| 12 | Lame de soufflante | 38 | Bouchon de vidange |
| 13 | Panneau avant | 39 | Jauge |
| 14 | Boîte étanche | 40 | Boîte à bornes |
| 15 | Afficher | 41 | Agrafe |
| 16 | Ventilation | 42 | Borne 5 places |
| 17 | Boîtier de câblage | 43 | Couvercle de borne |
| 18 | Couvercle de boîte électrique | 44 | Commutateur de début d'eau |
| 19 | Transformateur | 45 | Panneau droit |
| 20 | Compresseur condensateur | 46 | Tuyau de distribution |
| 21 | Agrafe | 47 | Collective pipe |
| 22 | Condensateur moteur | 48 | Bague en caoutchouc bleu |
| 23 | PCB | 49 | Raccordement eau |
| 24 | échelle | 50 | Panneau arrêté |
| 25 | Boîte électrique | 51 | Bague en caoutchouc rouge |
| 26 | Interrupteur haute pression |
Model 26kw

| NO | Nom de la pièce | NO | Nom de la pièce |
| 1 | Le couvercle supérieur | 31 | Tuyau d'échévement |
| 2 | Lame de soufflante | 32 | Interrupteur haute pression |
| 3 | Moteur | 33 | Ensemble de filtré |
| 4 | Gril supérieur | 34 | Aiguille |
| 5 | Pilier arrêté | 35 | Collective pipe |
| 6 | / | 36 | Vanne 4 voies pour conduite collective |
| 7 | Moteur | 37 | Boîte électrique |
| 8 | Compresseur | 38 | Planche à découvert |
| 9 | Évaporateur | 39 | PCB |
| 10 | Manette | 40 | Transformateur |
| 11 | Raccordement eau | 41 | Condensateur moteur |
| 12 | anneau de caoutchouc | 42 | Terminal |
| 13 | Bac de base | 43 | Temp. Contrôleur |
| 14 | Jauge | 44 | Temp. manette |
| 15 | Raccordement étanche | 45 | Agrafe |
| 16 | Raccordement eau | 46 | Terminal |
| 17 | anneau de caoutchouc | 47 | Couvercle de fil |
| 18 | Échangeur de chaleur | 48 | Couvercle de boîte électrique |
| 19 | Commutateur de débit d'eau | 49 | Contacteur CA |
| 20 | Température d'eau de sortie Clip de capteur | 50 | Borne de pompé à eau |
| 21 | Température d'eau de sortie capteur | 51 | Panneau de protection de phase |
| 22 | Température de l'eau d'entrée Clip de capteur | 52 | Ensemble distributeur |
| 23 | Température de l'eau d'entrée capteur | 53 | Assemblage capillaire |
| 24 | Segregateur | 54 | Interrupteur basse pression |
| 25 | Panneau gauche | 55 | Vanne 4 voies pour ségrégateur |
| 26 | Panneau avant | 56 | Vanne 4 voies à échangeur de chaleur |
| 27 | Tuyauterie temp. capteur | 57 | Vanne 4 voies |
| 28 | Tableau de service 2 | 58 | Tuyau de retour |
| 29 | Tableau de service 1 | 59 | Température ambiente capteur |
| 30 | Panneau de support électrique | 60 | Température ambiente Clip de capteur |
10. Entretien
(1) Vous doivent vérifier le circuit d'eau régulierement pour éviter l'air entrant dans le circ de la présence de faible début d'eau, car cela réduirait les performances et la fiabilité de la pompe à chaleur.
(2) Nettoyez votre piscine et le système de filtration régulierement.
(3) Vous doivent évacuer l'eau de pompe à chaleur, pour empêcher des dommages de 1/2 cours des saisons d'hiver ou pendant une longue période d'inactivité.
(4) Remplir entiement le système avec de l'eau avant de faire fonctionner l'unité à nouveau.
(5) ÀpRES la mise en hivernage, il est recommendé de couvrir la pompe à chaleur avec bache adaptée.
(6) Lorsque l'unité est en cours de fonctionnement, il y aura un peu d'eau de condens déchargé en dessous,
11. Garantie et renvoi
11.1 Garantie
GARANTIE LIMITEE
Merci d'avoir achete notre pompé à chaleur.
n main d'oeuvre et cc, durant une pereiode de deux ans a partir de la date de l'achat au detail.
Cette garantie est limitée au premier acheteur au détail, n'est pas transférable et ne s'applique que qui ont été déplacés de leur site d'installation original. La responsabilité de manufacturer se liè réparation ou au remplacement de la piece défectueuse et ne couvre ni la main d'oeuvre pour l réinstallation de la piece défectueuse, ni le transport vers ou depuis l'usine, ni d'autres matériaux pour effectuer la réparation. Cette garantie ne couvre pas les erreurs ou dysfonctionnements résultat suivantes :
- Installation, utilisation ou entretien incorrectly du produit par rapport à ce qui est stipulé « Manuel d'installation & instructions » fourni avec le produit.
- Le travail effectué par tout installateur du produit.
- Le fait de ne pas maintainir un équilibre chimique ajustat dans la piscine (pH. entre 7,0 et 7,8. Taux d'alcalinité (TA) entre 80 et 150 ppm. Chlore libre entre 0,5 et 1,2 mg/l. Teneur et Dissous Totaux (SDT) inférieur à 1200 ppm. Taux salin maximum de 8 g/l)
- La mauvaise utilisation, l'alteration, les accidents, les incendies, les inondations, la foudre, rongeurs, les insectes, la negligence ou les cas de force majeure.
- L'entartrage, le gel ou les autres conditions pouvant generations une mauvaise circulation de
- L'utilisation du produit en combinaison avec des débits hydrauliques dépassant les limites maximales publiées.
- L'utilisation de pieces ou d'accessoires n'était pas d'origine en combinaison avec le produit
- La contamination chimique de l'air de combustion ou l'utilisation incorrecte de produits d'esinfectants, comme p.ex. l'introduction de produits chimiques désinfectants avant l'unité de chauffage et le tuyau de nettoyage ou via le système d'écumage.
- La surchauffe, les mauvais raccordements électriques, l'alimentation électrique inadéquate, le dommages collatéraux causés pas un dysfonctionnement des joints toriques, des filtres à te diatomées ou des éléments des cartouches, ou des dégats causés par l'utilisation de la pô quantité d'eau insuffisante.
LIMITATION DE LA RESPONSABILITÉ
Ceci est la seule garantie octroyee par le Fabricant. Personen n'a l'autorisation de donner d'autre notre nom.
CETTE GARANTIE REMPLACE TOUTES LES AUTRES GARANTIES, EXPLICITES OU IMPLICITES, Y COMPRIS, MAIS NE SE LIMITANT PAS À Toute GARANTIE IMPLIC D'APTITUDE À UN BUT PARTICULIER ET DE QUALITE MARCHANDE. NOUS DÉCLIN EXCLUONS EXPLICITEMENT Toute RESPONSABILITÉ POUR DES DÉGATS INDIRECTS ACCESSOIRES, OU PUNITIFS SUITE À LA VIOLATION DE Toute GARANTIE EXPLIC IMPLICITE.
Cette garantie vous confère des droits légaux spécifique, pouvant varier d'un pays à l'autre. FAIRE VALOIR LA GARANTIE
Pour que vous garantie soit rapidement prise en considération, contactez notre revendeur et fournir informations suivantes: preuve d'achat, numero du modele, numero de série et date de l'installer L'installateur contactera l'usinc afin d'obtenir des instructions concernant la maniere dont il faut le garantie et de déterminer l'endetroit où se trouve le service de réparation le plus proche.
Toutes les pieces returnées doivent être accompaniesées d'un Numéro d'Autorisation de Retour d'Article afin de pouvoir être évaluées dans le cadre de cette garantie.
11.2 Formulaire de demande d'autorisation de retard d'article (ARA)
| Nom du contact | Date: |
| Usage interne | |||
| ARA #: | |||
| Émise par: | Date: | ||
Retour pour : Copie de la facture du client jointe ?

| Autres documents joints à la demande d'ARA ? | |
| Description des documents: | |
| N° du modèle | Facture n°: | ||
| N° de séri | Facture datée | ||
| Problème: | |||
Politique concernant la réparation sous garantie :
- Les retours doivent etre envoyes franco de port. Tous les frais des retours sont a touvre charge.
- Nous avons besoin d'une autorisation provisoire pour tous les retours de produits. Des produits pour lesquels une autorisation de return n'a pas eté émise au préalable vous seront renvoyés à vos frais.
- Nous réparerons ou remplanera les produits et vous les renverra gratuitement via un transporteur de choix.
- Si vous optez pour un transporter express (de votrechoix), les frais de transport seront à vous ci Procedure de retard :
- Avant de nous appeler pour obtenir un numéro d'ARA, vérifie si vous avez correctement suivis le d'installation et d'utilisation repris dans le manuel de l'utilisateur.
- Appelez notre département ARA et demandez-y un-formulaire de demande d'ARA.
-
Veillez à avoir replli TOUS les champs du formulaire de demande d'ARA.
-
Pour des retours pendant la durée de validité de la garantie, vous devez ajouter une copie de la originale du client.
- Envoyez le formulaire de demande d'ARA, la facture et les autres documents (photos, etc.) par fax e-mail. Le numéro d'ARA vous sera fourni dans les 24 heures après que nous avons reçu les docés adéquats. Nous pouvons refuser de fournir un numéro d'ARA si les informations mentionnées aux prete et 4 n'ont pas été fournies.
- Le numero d'ARA doit être bien lisible sur l'étiquette du colis et sur les documents de trans
- Tous les produits non étiquétés ou disposant d'une étiquette erronée ou illisible seront refusés et re l'expéditeur aux frais de ce dernier.
- Tous les colis qui sont visiblement endommagés au moment de la livraison à nous seront refusés en l'etat.
- Vérifiez que les produits renvoyés à nous sont bien les mêmes que ceux pour lesquels le numéro fourni. Si les produits ne correspondent pas à ceux inscrits sous le numéro d'ARA fourni, Nous re tous les produits à l'expéditeur aux frais de ce dernier.
- Nous n'accepterons aucun retard non accompagné d'un numero d'ARA, sans exception.
- Le numero d'ARA n'est valide que durant 21 jours civils après sa date de remise. Nous nous réservons le droit de refuser des produits returnés au-delà de 21 jours à partir de la date à le numero d'ARA a été fourni.
Produits n'étant plus sous garantie :
Les clients doivent assumer tous les frais de réparation et de transport. L'estimation des frais réparation sera communiquée après qu'un diagnostic ait été effectué pour les produits retournés Les frais de diagnostic s'élevent à minimum 50,00 €.
Doornhoek 4205 - 5465 TG Veghel - Pays-Bas
P.O. Box 430 - 5460 AK Veghel
Pays-Bas
T: +31-413747300
www.megagrouptrade.com -info@megagrouptrade.com
Notice Facile