22T - Wasserpumpe Hydro-Pro - Kostenlose Bedienungsanleitung
Finden Sie kostenlos die Bedienungsanleitung des Geräts 22T Hydro-Pro als PDF.
Häufig gestellte Fragen - 22T Hydro-Pro
Benutzerfragen zu 22T Hydro-Pro
0 Frage zu diesem Gerät. Beantworten Sie die, die Sie kennen, oder stellen Sie Ihre eigene.
Eine neue Frage zu diesem Gerät stellen
Laden Sie die Anleitung für Ihr Wasserpumpe kostenlos im PDF-Format! Finden Sie Ihr Handbuch 22T - Hydro-Pro und nehmen Sie Ihr elektronisches Gerät wieder in die Hand. Auf dieser Seite sind alle Dokumente veröffentlicht, die für die Verwendung Ihres Geräts notwendig sind. 22T von der Marke Hydro-Pro.
BEDIENUNGSANLEITUNG 22T Hydro-Pro
Bedienungsanleitung Deutsch. 102~132
HHCTpyKcHnHa pycckOM. 133~162
Training en certificateie
Verordnung (EU) Nr. 517/2014 vom 16/04/14 über fluorierte Treibhausgase und die Verordnung (EG) zur Aufhebung Nr. 842/2006
Dichteitsprüfung
- Die Betreiber von den Geräte, die die fluorierte Treibhausgase in Mengen von 5 Tonnen oder mehr enthalten und nicht in Schäumen enthalten, müssen sicherstellen, dass das Gerät auf Dichtheit überprüft wird.
- Für die Geräte, die fluorierte Treibhausgase in Mengen von 5 Tonnen 5 Tonnen-equivalent oder mehr enthalten aber weniger als 50 Tonnen CO2-Äquivalent enthalten: mindestens alle 12 Monate.
Bild der Gleichwertigkeit CO
- Belastung von CO2 in kg und Tonnen.
| Belastung und Tonnen von CO2 | Häufigkeit der Prüfung |
| Von 2 bei 30 kg Belastung = von 5 bei 50 Ton | Jedes Jahr |
In Bezug auf die Gaz R410a, 2,39 kg in Höhe von 5 Tonnen CO2, Engagement für die Überprüfung jeder Jahr. Ausbildung und Zertifizierung
- Die Betreiber der betreffenden Anwendung sollen damit Sorge tragen, dass die zuständige Person die erforderliche Zertifizierung erlangt hat, die die angemessene Kenntnisse der geltenden Vorschriften und Normen sowie die notwendige Kompetenz in Bezug auf die Emissionsvermeidung und - verwertung von fluorierten Treibhausgasen und der Handhabungssicherheit der betreffenden Typen und große der Ausrüstung beinhaltet.
Aufbewährung der Aufzeichnungen
- Die Betreiber von den Geräte, die auf Dichtheit überprüft werden müssen, müssen für jeder Gerät, das die folgenden Angaben enthalt, Aufzeichnungen erstellen und verwalten:
a) Die Menge und Art der installierten fluorierten Treibhausgase;
b) Die Mengen an fluorierten Treibhausgasen, die während der Installation, Wartung oder Service oder aufgrund von Leckagen hinzugeführten werden;
c) Ob die Mengen der installierten fluorierten Treibhausgase wiederverwandt oder zusückgefordert wurden, einschließlich der Name und Anschrift der Wiederverwendung oder Rückgewinnungsanlage und gegebenenfalls der Bescheinigungsummer;
d) Die Menge der fluorierten Treibhausgase wiederhergestellt wird;
e) Die Identität des Unternehmens, das die Ausrüstung installiert, gewartet und gegebenenfalls repariert oder außer Betrieb hat, gegebenenfalls einschließlich der Nummer des Zertifikats;
f) Datum und Ergebnisse der Prüfung durchgeführt werden;
g) Wenn das Gerät außer Betrieb hat, wurden die Maßnahmen zur Rückgewinnung und Beseitigung der fluorierten Treibhausgase getroffen.
2. Die Betreiber bewahrendie Aufzeichnungen für mindestens fünf Jahre lang auf, wobei die Unternehmen, die die Tätigkeiten für die Betreiber ausfuhren, die Aufzeichnungen für mindestens fünf Jahre lang aufbewahrens soll.
n OTMeHЯIoUe ee noJoxeHne (EU) No 842/2006
IpoBepka yTeuKn
1.Оператови, coьржацero foTOpnoBaHbIX napнКOBbIX ra3OB 3KBnBaIeHTHO nII 6OJIe 5 ToHH CO2, n He coepKNTcB nEN dOJIHHa rapaHTnpoBaTb, yTo obOpyoBaHne npOBepaETcHa hAIInue yTeueK.
2. Дя оборудованя, КOTOPoe COДержNT ΦТОрсОДерЖашпе napнIKOBbie ra3bl эКВиВалentа Ил 6Олe5 TOHH CO2, Ho MeHee 50 ToHH эКВиВалentHa CO2: no KpaHne Mepe, KaJdbie 12 Mecaць.
PncyHOK 3KBnBaIeHTa CO2
- Harpy3ka B K R N o6bem B ToHHax CO2
| Société: | Date: | |||||
| Adresse: | ||||||
| Ville: | Code postal: | Pays: | ||||
| Contact: | Tél.: | |||||
| E-mail: | Fax: | |||||
1.1 Technische gegevens Hydro-Pro warmtepompen ABS
| Apparaat Hydro-Pro | Modellen | 5 | 7 | 10 | 13 | 18 | 22 | 22T | 26 | 26T |
| Onder deelname | 7018522 | 7018523 | 7018524 | 7018525 | 7018526 | 7018527 | 7018528 | 7018529 | 7018530 | |
| Verwarming capacititeit A27/W27 | kW | 5 | 7 | 10 | 13 | 18 | 22 | 22 | 26 | 26 |
| BTU/h | 17000 | 23500 | 34000 | 44300 | 61000 | 75000 | 75000 | 88700 | 88700 | |
| Verwarming capacititeit A15/W26 | kW | 3,7 | 4,3 | 6,5 | 8,2 | 13 | 14,5 | 14,5 | 16,5 | 16,5 |
| BTU/h | 12500 | 14500 | 22000 | 28000 | 44000 | 49500 | 49500 | 56000 | 56000 | |
| Koel capacititeit A35/W27 | kW | 2,8 | 3,5 | 5 | 7 | 10.8 | 11 | 11 | 15 | 15 |
| BTU/h | 9500 | 12000 | 17000 | 24000 | 37000 | 37500 | 37500 | 51000 | 51000 | |
| Stroom gebruik | kW | 0,93 | 1,02 | 1,48 | 1,86 | 2,51 | 3,45 | 3,45 | 3,93 | 3,93 |
| Maximum hoeveelheid (goede isolatie) | m³ | 20 | 30 | 45 | 60 | 100 | 120 | 120 | 140 | 140 |
| Werk stroom | A | 4,1 | 4,7 | 7 | 9,1 | 13,4 | 15 | 6,6 | 17,4 | 7,7 |
| Mini zekering | A | 15 | 15 | 20 | 25 | 40 | 45 | 20 | 50 | 25 |
| COP bij A27/W27 | W/W | 5,8 | 5,9 | 6,2 | 6 | 6,1 | 5,9 | 5,9 | 5,8 | 5,8 |
| COP bij A15/W26 | W/W | 4 | 4,2 | 4,4 | 4,4 | 4,3 | 4,2 | 4,2 | 4,2 | 4,2 |
| Stroom spanning | V/Ph/Hz | 230/1/50 | 380/3/50 | 230/1/50 | 380/3/50 | |||||
| Besturing | Elektronisch | |||||||||
| Condensator | Titanium warmtewisselaar | |||||||||
| Compressorhoeveelheid | 1 | |||||||||
| Compressor type | Roterend | Rollend | ||||||||
| Koeling | R410a | |||||||||
| Ventilator hoeveelheid | 1 | |||||||||
| Ventilator stroom gebruik | W | 68 | 80 | 80 | 120 | 200 | 200 | 200 | 200 | 200 |
| Ventilator snelheid | RPM | 830~870 | 650 | |||||||
| Luchtdebiet | Horizontal | Vertical | ||||||||
| Geluidiveau (10m) | dB(A) | 39 | 40 | 40 | 43 | 47 | 47 | 47 | 50 | 50 |
| Geluidiveau (1m) | dB(A) | 48 | 49 | 49 | 52 | 56 | 56 | 56 | 59 | 59 |
| Water verbinding | mm | 50 | ||||||||
| Nominaal water laag | m³/h | 2,5 | 2,5 | 2,8 | 3,5 | 6,2 | 6,2 | 6,2 | 7,1 | 7,1 |
| Maximum drukverlies | kPa | 12 | 12 | 12 | 15 | 18 | 18 | 18 | 18 | 18 |
| Netto afmetingen | L/W/H | 1010*340*577mm | 1050*470*709mm | 910*707*940mm | ||||||
| Transport afmetingen | L/W/H | 1080*405*616mm | 1121*481*851mm | 935*790*975mm | ||||||
| Netto / trans gewicht | Kg | 36/38 | 44/47 | 49/52 | 63/67 | 115/125 | 125/135 | 125/135 | 150/160 | 150/160 |
3.7 Elektrische verbinding
5. Elektrische bedrading
5.1 ZWEMBAD WARMTEPOMP BEDRADING SCHEMA
Hydro Pro 5/7/10

HYDRO-PRO swimmbecken-wärmpumpe Benutzer- und Wartungshandbuch
INDEX
- Technische Daten
- Ausmaße
- Einbau und Anschluss
- Zubehör
- Verkabelung
- Display-Bedienung
- Einstellung der Laufdaten
- Fehlerbehebung
- Explosionszeichnung und Wartung
- Wartung
- Gewährleistung und RMA
Danke dass Sie HYDRO-PRO für das Beheizen ihres Schwimmbeckens benutzen. Es wird ihr Poolwasser aufheizen und auf einer konstanten Temperatur halten, wenn die Außentemperatur zwischen -5 und 43^ liegt.

1. ACHTUNG: Dieses Handbuch beinhaltet alle Informationen die fur die Benuil die Installation ihrer Wärmpumpe erforderlich sind.
Der Installateur muss das Handbuch gründlich durchlesen und den Anweisungen st folgen, sowohl bei der Implementierung als auch bei der Wartung.
Der Installateur ist verantwortlich für die Installation des Produkts und sollene allen Anweisungen des Herstellers sowie allen Vorschriften in den Anwendungen folgen. Inkorekte Installation gegen die Anweisungen des Handbuchs macht die Garantie Der Hersteller leht eine Verantwortung ab fur Schaden die durch Menschen, Obje Fehler die auf Nichtbefolgung von Anweisungen im Handbuch beruhen. Jede Nutzoder Herstellung nicht vorgesehen war wird als gefährlich eingestuft.
WARNING:itte leeren Sie das Wasser in der Wärmpumpe im Winter oder wenn die Temperatur unter 0^ sinkt, sonst wird der Titanium-Wechsler durch Frost beschädigt. In thisem Fall ist die Garantie richtig.
WARNING:itte schalten Sie immer die Stromversorgung aus, wenn sie die Kabine offen wollen um ins Innere der Wärmepumpe vorzudringen, da drinnen Hochspannung herscht.
WARNING:itte bewahren Sie den Kontrolldisplay an einem trockenen Ort, oder schlieSe. Sie die Isolationsabdeckung sorgfaltig, um es vor Beschadigung durch Nasse zu schutzen.
1. Technische Daten
1.1 Technische Daten der Hydro-Pro Wärmepumpe ABS
| Hydro-Pro Einheit | Modell | 5 | 7 | 10 | 13 | 18 | 22 | 22T | 26 | 26T |
| Bauteilnummer | 7018522 | 7018523 | 7018524 | 7018525 | 7018526 | 7018527 | 7018528 | 7018529 | 7018530 | |
| Heizkapazität A27/W27 | kW | 5 | 7 | 10 | 13 | 18 | 22 | 22 | 26 | 26 |
| BTU/h | 17000 | 23500 | 34000 | 44300 | 61000 | 75000 | 75000 | 88700 | 88700 | |
| Heizkapazität A15/W26 | kW | 3,7 | 4,3 | 6,5 | 8,2 | 13 | 14,5 | 14,5 | 16,5 | 16,5 |
| BTU/h | 12500 | 14500 | 22000 | 28000 | 44000 | 49500 | 49500 | 56000 | 56000 | |
| Kühlkapazität A35/W27 | kW | 2,8 | 3,5 | 5 | 7 | 10.8 | 11 | 11 | 15 | 15 |
| BTU/h | 9500 | 12000 | 17000 | 24000 | 37000 | 37500 | 37500 | 51000 | 51000 | |
| Leistungsaufnahme | kW | 0,93 | 1,02 | 1,48 | 1,86 | 2,51 | 3,45 | 3,45 | 3,93 | 3,93 |
| Maximalvolumen (Gute Isolation) | m³ | 20 | 30 | 45 | 60 | 100 | 120 | 120 | 140 | 140 |
| Betriebsstrom | A | 4,1 | 4,7 | 7 | 9,1 | 13,4 | 15 | 6,6 | 17,4 | 7,7 |
| Mini -Sicherung | A | 15 | 15 | 20 | 25 | 40 | 45 | 20 | 50 | 25 |
| COP at A27/W27 | W/W | 5,8 | 5,9 | 6,2 | 6 | 6,1 | 5,9 | 5,9 | 5,8 | 5,8 |
| COP at A15/W26 | W/W | 4 | 4,2 | 4,4 | 4,4 | 4,3 | 4,2 | 4,2 | 4,2 | 4,2 |
| Stromversorgung | V/Ph/Hz | 230/1/50 | 380/3/50 | 230/1/50 | 380/3/50 | |||||
| Regler | Elektronik | |||||||||
| Kondensator | Titanium-Wärmetauscher | |||||||||
| Anzahl der Kompressoren | 1 | |||||||||
| Kompressor-Typ | rottierend | Scrollend | ||||||||
| Kühler | R410a | |||||||||
| Anzahl der Ventilatoren | 1 | |||||||||
| Leistungsaufnahme des Ventilators | W | 68 | 80 | 80 | 120 | 200 | 200 | 200 | 200 | 200 |
| Lüftergeschwindigkeit | RPM | 830~870 | 650 | |||||||
| Luftzirkulation | horizontal | vertical | ||||||||
| Geräuschpegel (10m) | dB(A) | 39 | 40 | 40 | 43 | 47 | 47 | 47 | 50 | 50 |
| Geräuschpegel (1m) | dB(A) | 48 | 49 | 49 | 52 | 56 | 56 | 56 | 59 | 59 |
| Wasserverbindung | mm | 50 | ||||||||
| Nominaler Wasserverlust | m³/h | 2,5 | 2,5 | 2,8 | 3,5 | 6,2 | 6,2 | 6,2 | 7,1 | 7,1 |
| Maximaler Druckverlust | kPa | 12 | 12 | 12 | 15 | 18 | 18 | 18 | 18 | 18 |
| Gesamtausmaße | L/W/H | 1010*340*577mm | 1050*470*709mm | 910*707*940mm | ||||||
| Verpackungsmaße | L/W/H | 1080*405*616mm | 1121*481*851mm | 935*790*975mm | ||||||
| Nettogewicht / Verpackungsgewicht | Kg | 36/38 | 44/47 | 49/52 | 63/67 | 115/125 | 125/135 | 125/135 | 150/160 | 150/160 |
- Obrige Daten können ohne vorherige Ankündigung geändert werden
2. Ausmaße
Hydro Pro 5,7,10



Hydro Pro 13



3. Installation und Anschluss
3.1 Anmerkungen
Die Fabrik liefert nur die Wärmepumpe. Alle anderen Komponenten, einschließlich eines Bypasses wenn nötig, müssen durch den Benutzer oder den Installateur gestellt werden.
Achtung:
Bitte halten Sie beim Installieren der Wärmpumpe folgende Regel ein:
- Jeder Zusatz von Chemikalien muss in der Rohrleitung stromabwärts der Wärmepumpe staatfinden.
- Installieren Sie eine Bypass, wenn der Wasserfluss aus der Schwimmbadpumpe mehr als 20% greater ist als der maximal zulässige Durchfluss durch den Wärmetauscher der Wärmpumpe ist. Installieren Sie die Wasserpumpe über dem Wasserspiegel.
-
Stellen Sie die Wärmepumpe immer auf ein solides Fundament und bringen Sie die mitgelieferten Gummilager an um Vibrationen und Larm zu vermeiden.
-
Die Wärmepumpe sollte immer lotrecht gehalten werden. Wenn das Gerät in einem Winkel gehalten wurde, warten Sie mindestens 24 Stunden bevor Sie sie verwender
3.2 Positionierung der Wärmpumpe
Die Einheit wird an jeder gewünschten Position richtig arbeiten, solange die folgenden dre Elemente vorhanden sind:
1. Frische Luft - 2. Elektrizität - 3. Schwimmbecken-filter
Die Einheit kann praktisch an jedem Standort im Außenbereich installiert werden, solange angegebenen Mindestabstände zu anderen Objekten eingehalten werden (siehe Zeichnung unter).itte konsultieren Sie fur die Installation an einem Indoor-pool einen Installateur. D Installation an einem windigen Ort bereitet, anders als bei einem Gas-Heizer keinerlei Probleme.
ACKTUNG: Installieren Sie die Einheit niemals in einem geschlossenen Raum mit begrenztem Luftvolumen, wo die von der Einheit ausgestoßene Luft wiederverwendet wird, oder nahe an Strauchern, die den Lufteinzug blockieren konnten. Solche Positionen beeinträchtigen die kontinuierliche Zufuhr von Frischluft, was die Effizienz reduziert, und möglichwerweise auch die Wärmeabgabe befindert.
Für die minimalen Maße siehe Zeichnung unter:


3.3 Abstand zu ihrem Schwimmbecken
Die Wärmepumpe wird in der Regel in einem Umkreis Gebiet, das sich 7,5 m vom Schwimmbecken erstreckt installiert. Je größter der Abstand zum Pool,esto größter ist de Wärmeverlust in den Röhren.Da die Röhren meist unterirdisch installiert werden ist der Wärmeverlust gering fur Abstände bis zu 30~m (15 m von und zur Pumpe, 30 m insgesofern der Boden nass und der Grundwasser spiegel hoch ist. Eine grobe Schatzung des Wärmeverlustes pro 30 m ergibt 0,6 kWh (2.000 BTU) fur jeder 5^ Differenz zwischen Wassertemperatur im Pool und der Temperatur des Bodens rund um das Rohr. Dies erhe die Betriebszeit um 3 bis 5 %
3.4 Installation des Sperrventils
Hinweis: Wenn ein automatisches Dosiergerät für den Chlor und Sauregehalt (pH) verwend wird, ist es wichtig, die Wärmpumpe vor zu hohen chemischen Koncentrationen, die den Wärmetauscher korrodieren konnten, zu schützen. Aus thisem Grund müssen Geräte diese Art stets in der Rohrleitung auf der stromabwärtingen Seite der Wärmpumpe montiert werden und es wird empfohlen, ein Rückschlagventil zu installieren, um eine Rückströmung in der Abwesenheit von Wasserzirkulation zu verhindern.
Schaden an der Wärmpumpe, die durch Nichtbeachten dieser Vorschrift entstehen, werden nicht durch die Garantie gedeckt.

3.5 Typische Anordnung

Anmerkung: These Anordnung ist nur ein illustratives Beispiel.
3.6 Einstellen des Bypasses

Verwenden Sie das folgende Verfahren, ur den Bypass einzustellen:
- Offnen Sie alle drei Ventile bis zum Anschlag
Schlieben Sie langsam Ventil 1 bis der Wasserdruck auf bis zu etwa 100 bis 200 g steigt.
Schlieben Sie Ventil 3 etwa auf dem halben Weg, um den Gasdruck im Kühlsystem auszugleichen. - Wenn das Display "ON" oder den Fehlercode EE3 zeigt, dann schreiben Ventil 2 Schritt für Schritt, um den Wasserfluss zu erhöhen, und horen Si auf, wenn der Fehlercode verschwindet
Die Wärmepumpe arbeitet optimal wenn der Kühlgasdruck beibai liegt.
Dieser Druck kann auf dem Manometer geben dem Wärmepumpen-Bedienfeld abgelesen werden. Unter diesen Bedingungen ist auch der Wasserfluss durch die Einheit optimal.
Hinweis: Der Betrieb ohne Bypass oder mit unsachgemäßen Bypass Einstellungen kann zu suboptimalem Betrieb oder gar Beschädigung der Wärmpumpe führen, was die Garantie null und nichtig machen wurde.
3.7 Stromanschluss
Hinweis: Obwohl die Wärmepumpe elektrisch vom Rest des Schwimmbades isoliert ist verhindert das nur den Fluss von elektrischem Strom an oder aus dem Wasser in Pool. Erdung ist weiterhin zum Schutz gegen Kurzschlüsse im Inneren des Gerätes erforderlich. Sorgen Sie immer für eine gut geerdete Verbindung.
Bevor Sie das Gerät anschlieben, stellen Sie sicher dass die vorliegende Spannung mit der Betriebsspannung der Wärmepumpe übereinstimmt.
Es wird empfohlen, die Wärmpumpe an einen Stromkreis mit eigener Sicherung oder ein Schutzschalter (langsamer Typ, Curve D) und ausreichende Verkabelung anzuschreiben (siehe Tabelle unten). Für das horizontale Modell (Hydro Pro 5, 7, 10, und 13): Entferne das obere Bedienfeld.
Für verticale Modelle (Hydro-Pro 18, 22, 22T und 26T): Entfern den Sie die Frontplatte. Verbinden Sie die Stromkabel mit der als "POWER SUPPLY" markierten Klemmleiste. Eine zweite Klemmleiste welche mit 'WATER PUMP' markiert ist, befindet sich darüber ersten. Die Filterpumper (max. 5 A / 240 V) kann mit der zweiten Klemmleiste verbunden werden. Das erlaubt es die Filterpumper durch die Wärmepumper zu kontrollieren.

Anmerkung: Im Fall des Drei-Phasen-Modells, konnen zwei vertauschte Phasen dazu führer dass der Motor in die umgekehrte Richtung lauft, was zu einem Maschinenschaden führer kann. Aus thisem Grund hat das Gerät eine integrierte Schutzeinrichtung, die den Stromk unterbricht, wenn die Verbindung nicht korrekt ist. Wenn die rote LED-Lampe oberhalb die Sicherheitseinrichtung leuchtet, müssen Sie die Anschlüsse von zwei der Phasenleiter vertauschen.
| Modell | Spannung (V) | Sicherungs- oder Trennschalter (A) | Nennstrom (A) | Kabeldurchmesser mm2 (mit max. 15 m lang |
| HYDRO PRO5 | 220–240 | 15 | 4.1 | 2x 1.5 + 1.5 |
| HYDRO PRO7 | 220–240 | 15 | 4.7 | 2x 1.5 + 1.5 |
| HYDRO PRO10 | 220–240 | 20 | 7 | 2x 2.5 + 2.5 |
| HYDRO PRO13 | 220–240 | 25 | 9.1 | 2x 2.5 + 2.5 |
| HYDRO PRO18 | 220–240 | 40 | 13.4 | 2x 6 + 6 |
| HYDRO PRO22 | 220–240 | 45 | 15 | 2x 6 + 6 |
| HYDRO PRO22T | 3x 380 | 20 | 6.6 | 4x 2.5 + 2.5 |
| HYDRO PRO26 | 220–240 | 50 | 17.4 | 2x 6 + 6 |
| HYDRO PRO26T | 3x 380 | 25 | 7.7 | 4x 2.5 + 2.5 |
3.8 Erstinbetriebnahme
Hinweis: Um das Wasser im Becken (oder Whirlpool) zu erwärmen, muss die Filterpumpe aktiviert werden, damit das Wasser durch die Wärmpumpe zirkulieren kann. Die Wärmpumpe wird nicht starten wenn das Wasser nicht zirkuliert.
Nachdem alle Verbindungen hergestellt und geprüft sind, führen Sie die folgenden Schritte durch:
- Schalten Sie die Filterpumper aus. Prufen Sie ob es ein Leck gibt, und stellen Sie sindass das Wasser vom und zum Schwimmbecken flieBt.
- Schlieben Sie die Wärmpumpe an ein Stromnetz an und betätigten Sie die On/Off Ta auf dem Bedienfeld. Das Gerät startet dann nach einer bestimmten Verzögerungszeit.
- Überprüfen Sie nach ein paar Minuten ob die herausströmende Luft schon kühler ist.
- Bei Ausschalten der Pumpe, sollte das Gerät auch automatisch ausschalten, wenn nicht dann schalten Sie den Störungswächter an.
- Lassen Sie die Wärmepumpe und die Filterpumpe 24 Stunden am Tag laufen, bis die gewünschte Wassertemperatur erreicht ist. Die Wärmepumpe wird dann automatisch ausgeschaltet. Wenn die Wassertemperatur 2 Grad unter die gewünschte Temperatur sinkt, wird sie automatisch wieder eingeschaltet.
Je nach Ausgangstemperatur des Wassers im Schwimmbad und der Lufttemperatur, kann mehrere Tage dauern das Wasser auf die gewünschte Temperatur zu erwärmen. Eine gut Schwimmbadabdeckung könnte die erforderliche Zeit drastisch reduzieren.
Strömungswächter:
Er soll{sicherstellen dass das HP Gerat mit einer ausreichenden Durchflussrate lauft. Er eingeschaltet, wenn die Pool-Pumpe lauft und schaltet sich automatisch wieder aus, wenn die Pumpe abgeschaltet wird. Wenn das Wasser im Pool hoher als 1 m über oder unter Wärmepumpe steht, sollte ihr Handler alles nochinmal neu einstellen.
Zeitverzögerung - Die Wärmepumpe hat eine eingebaute 3-Minuten-Anlaufverzögerung, um die Schaltung zu schützen und übermögen Verschleiß der Kontakte zu vermeiden. Das Gerät startet automatisch neu, nachdem diese Zeitspanne abgelaufen ist. Selfst ein kurzer Stromausfall lost these Zeitverzögerung aus, und verhindern so, dass das Gerät nach eine Neustart sofort wieder lauft. Zusätzliche Stromunterbrechungen während dieser Verzögerung haben keinen Einfluss auf die 3-Minuten Dauer der Verzögerung.
3.9 Kondensation
Die Luft die in die Wärmpumpe gezogen wird ist stark durch den Betrieb der Wärmpu zur Erwärung des Beckenwassers abgekühlt, was zu Kondensation an den Rippen des Verdampfers führen können. Die Menge an Kondensationsprodukt kann bei relativ hoher Luftfeuchtigkeit mehrere Liter pro Stunde betragen. Daraus wird oft fällschlicherweise auf das Vorhandsein von Wasserlecks geschlossen.
4. Zubehör
4.1 Zubehörliste
| Vibrationsdämpfer, 4 Stück | Entwässerungsdüse, 2 Stück | Wasserdichte Box, 1 pc |
| 10M Signalkabel, 1 pc | Wasserabflussrohre, 2 pcs |
4.2 Installation des Zubehörns
| Vibrationsdämpfer 1. Nehmen Sie 4 Vibrationsdämpf heraus 2. Legen Sie einen nach dem anderen wie im Bild gezeichnet unter Maschine. | |
| Entwässerungsdüse 1. Installieren Sie die Entwässerungsdüse unter dem unteren Bedienfeld. 2. Verbinden Sie sie mit einem Wasserschlauch, um das Wasser abzuleiten. Note: Heben Sie die Pumpe an die Düse zu installieren. Überdreh Sie die Wärmpumpe niemals, da könnte den Kompressor beschädigen. |

Verbindung von Wasser Ein- un Austritt
- Verwenden Sie das Dichtband, den Wasser-ein-und-Auslass an die Wärmepumpe anzuschreiben.
- Schließen Sie die zwei Glieder in der Abbildung gezeigt an.
- Drehen Sie sie in den Wasser-Ein-Auslass

10M Signalkabel
- Nehmen Sie eine Seite des 1 Signalkabels und verbinden Sie es mit der Steuereinheit.
- Die andere Seite muss durch Loch gezogen werden, wie das Bild zeigt.
- Dann verbinden Sie es mit de PC-Board im Inneren der Maschin Erst das Braune, dann das blaue und zuletzt das gelbe.

Verkabelung
- Legen Sie das Stromkabel dur das weiß Loch, wie im Bild gez 2. Befestigen Sie die andere Seite den Anschlüssen in der elektrische Box.

Verkabelung der Wasserpumper
- Legen Sie das Wasserpumpenkabel durch das weiß Loch, wie markiert.
- Befestigen Sie die andere Seite den Anschlüssen in der elektrische Box.
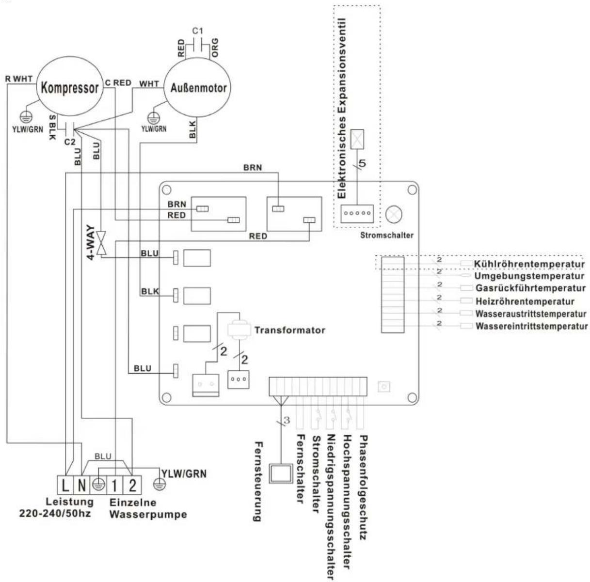
5. Elektrische Verkabelung
5.1 VERKABELUNGSDIAGRAMM DER SCHWIMMBECKEN-WÄRMEPUMPE
Hydro Pro 5/7/10

Der mit durchbrochenen Linien eingerahmtte Teil findet nur in manchen Modellen Verwendung.
5.2 VERKABELUNGSDIAGRAMM DER SCHWIMMBECKEN-WÄRMEPUMPE
Hydro Pro 13

Der mit durchbrochenen Linien eingerahmte Teil findet nur in manchen Modellen Verwendung.
5.3 VERKABELUNGSDIAGRAMM DER SCHWIMMBECKEN-WÄRMEPUMPE
Hydro Pro 18/22

Der mit durchbrochenen Linien eingerahmte Teil findet nur in manchen Modellen Verwendung.
5.4 VERKABELUNGSDIAGRAMM DER SCHWIMMBECKEN-WÄRMEPUMPE
Hydro Pro 26

* Der mit durchbrochenen Linien eingerahmte Teil findet nur in manchen Modellen Verwendung.
5.5 VERKABELUNGSDIAGRAMM DER SCHWIMMBECKEN-WÄRMEPUMPE
Hydro Pro 22T/26T

Der mit durchbrochenen Linien eingerahmte Teil findet nur in manchen Modellen Verwendung.
HINWEIS:
(1) Der Schaltplan dient nur zu ihrer Referenz
(2) Die Schwimmbecken-Wärmpumpe muss gut geerdet sein, auch wenn der Wärmwechsler vom Rest der Einheit elektrisch isoliert ist. Die Erdung ist davon wichtig um Sie vor Kurzschlüssen im Inneren des Gerätes zu schützen. Verkleben ist ebenfalls erforderlich.
Unterbrecher: Ein Unterbrecher (d.h. ein circuit breaker, fused or un-fused switch) sollte i Sichteite und vom Gerät aus leicht erreichen positioniert werden..Das ist bei komerziell und hauslichen Wärmpumpen so üblich. Es schützt davor unbeaufsichtigte Einheiten mit Strom zu versorgen, und erlaubt die Einheit auszuschalten wärend sie verwendet wird.
5.6 Installation des Displays
Foto (1) Foto (2) Foto (3)



- Demontage der Steuerung und des Steckers
- Installation des mitgelieferten Kabels (Foto 2)
- Führn Sie das Kabel durch die Steckbuchse (Foto 3) und verbinden Sie die Anschlus
6. Display Operationen
6.1 Die Tasten der LED Kabelsteuerung

Wenn die Wärmepumpe lauft, dann zeigt der LED Bildschirm die Wassereintrittstemperatur.
Wenn die Wärmepumpe auf Standby ist, dann zeigt der LED Bildschirm die Realzeit
6.2 Starten oder Stoppen Sie die Wärmpumpe
Drücken Sie um die Wärmpumpe zu starten. Der LED Bildschirm zeigt die gewünschte Wassertemperatur für 5 Sekunden, und dann die Wassereintrittstemperatur.
Drucken Sie um die Wärmepumpe zu deaktivieren.
6.3 Auswahl des Heiz- oder Kuhlmodus:
Drucken Sie bis "heat" oder "Cool" aufleuchtet.
6.4 Einstellen der Realzeit
im Bereitschafts oder Betriebsmodus halten Sie, dann drücken Sie oder um Stunden/Minuten einzustellen.
Dann drücken Sie erneut um neue Daten zu speichern.
Wenn Sie die Zeit einstellen kann und nicht arbeiten.
6.5 Wassertemperatureinstellung:
Drücken Sie auf Standby, oder im Betriebsmodus und um die gewünschte Wassertemperatur einzustellen.
- Achtung: Die Pumpe kann nur dann arbeiten, wenn das Wasserzirkulations-Filtersystem arbeitet.
6.6 Automatisches Aktivieren und Deaktivieren der Wärmpumper
Einstellen der Aktivierungszeit für die Einheit
Drücken Sie um eine Zeit für das Starten der Einheit zu wahlen, dann drücken Sie oder um die Zeit einzustellen (Setzen Sie die Startzeit 5 Minuten nach der Wasserpumpe).
Drücken Sie erneut um die neuen Einstellungen zu speichern.
Einstellen der Deaktivierungszeit für die Einheit
Drücken Sie um die Zeit für die Deaktivierung festzulegen, dann drücken Sie oder um die Zeit einzustellen (setzen Sie die Zeit 5 Minuten vor der Wasserpumpe). Drücken Sie erneut um die neuen Einstellungen zu speichern.
6.7 Widerrufen Sie den automatischen Start/Stop Widerrufen des automatischen Starts
Drücken Sie, und dann, erlischt und der automatische Start ist deaktiviert.
- Achtung: Wenn das Wasserfiltersystem vor der Wärmpumpe stoppt, dann scha die Einheit aus (Sicherheitsvorkehrung) und der Code EE3 oder ON erschienen a Bildschirm
- Es ist wichtig die Wärmepumpe so zu programmieren dass sie synchron zum Wasserfiltersystem lauft.
- Um die Wärmepumpe zu reaktivieren, schalten Sie die Stromversorgung aus ur ein.
7. Einstellung der betriebsdaten
7.1 Wie sie die Parameter überprüfen
Halten Sie im Bereitschafts- oder im Betriebsmodus die Taste für 10 Sekunden gedrückt, und drücken Sie dann oder um die Parameter zu überprüfen (von 0 bis H, siehe Betriebsparametertabelle).
7.2 Einstellung der Parameter (Können nur im Bereitschaftsmodus eingestellt werden)
1) Halten Sie für 10 Sekunden gedrück, drücken Sie dann nochmal um die Daten zu wahlen (von 0 bis L, siehe Betriebsparameteretabelle) die sie einstellen sollen.
2) Dann drücken Sie oder um die Parameter einzustellen, drücken Sie
anschließlich erneut um die neuen Einstellungen zu speichern.
3) Dann drücken Sie oder um andere Daten auszuwahlen die sie Einstellen sollen, und wiederholen Sie die obrige Prozedur.




Nehmen Sieitte zur Kenntnis:
A) Drücken Sie "MODE" um den Modus zu wahlen (Der Modus wechseln nur für "1" ode bei Parameter 6)
B) Der Modus kann wärend des Betriebs gewechselt werden.
C) Zusätzliches elektrisches Heizen ist in diesen Moden nicht möglich.
7.3 Den aktuellen Status abrufen

| Parameter | Bedeutung | Bereich | Voreinstellung | Bemerkung |
| 0 | Einstellung der Eintrittswassertemperatur - Kühlmodus | 8-35°C | 28°C | Einstellbar |
| 1 | Einstellung der Eintrittswassertemperatur - Heizmodus | 15-40°C | 28°C | Einstellbar |
| 2 | Eintritt in die Auftauphase | 30-90 MIN | 40MIN | Einstellbar |
| 3 | Bedingungen zum Eintritt in die Auftauphase | -30°C bis 0°C | -7°C | Einstellbar |
| 4 | Bedingungen zum Austritt aus der Auftauphase | 2 bis 30°C | 20°C | Einstellbar |
| 5 | Zeit zum Austritt aus der Auftauphase | 1 to 12 MIN | 12 MIN | Einstellbar |
| 6 | Modus: 0 heizen 1 heizen und kühlen | 0-1 | 1 (heizen und kühlen) | Einstellbar |
| 7 | Modusausbahl für elektronisches Expansionsventil | 0-1 | 1 (auto) | Einstellbar |
| 8 | Überhitzungsschwelle für zu erhitzendes Objekt | -15°C-15°C | 3°C | Einstellbar |
| 9 | Überhitzungsschwelle für zu kühlendes Objekt | -15°C-15°C | -2 °C | Einstellbar |
| A | Schritte bei der manuellen Einstellung des elektronischen Expansionsventils | 18-94 | 70 | Einstellbar |
| B | Wassereintrittstemperatur | -9-99°C | Exakte Prüfung nach Wert | |
| C | Wasseraustrittstemperatur | -9-99°C | Exakte Prüfung nach Wert | |
| D | Kondensiertemperatur bei Heizmodus | -9-99°C | Exakte Prüfung nach Wert | |
| E | Gas-Rücklauftemperatur | -9-99°C | Exakte Prüfung nach Wert | |
| F | Außentemperatur | -9-99°C | Exakte Prüfung nach Wert | |
| G | Kondenstemperatur bei Kühlmodus | -9-99°C | Exakte Prüfung nach Wert | |
| H | Tatsächliche Schritte beim elektronischen Expansionsventil | N*5 | Exakte Prüfung nach Wert | |
| L | Wassereintrittstemperatur Kalibrierung | -9.9-9.9°C | 0°C | Einstellbar |
Bemerkungen:
(1) Wenn der HP nach 30 Sekunden stoppt, schaltet sich die Wasserpumpe auch automatisch ab.
(2) Die LED-Kabel-Steuerung kann die Wasserpumpe kontrollieren, sofern ein zusätzliches Kabel sachgemäß an der mit "PUMP" markierten Position der Pumpenvorrichtung angeschlossen wurde.
(3) Es ist unerlässlich eine zusetzliche 3-Phasen-Transfervorrichtung für 3-phasen-Wasserpumpen anzubringen.
8. Fehlerbehebung
8.1 Fehlercodeanzeige auf einer LED-Kabelsteuerung
| Fehlfunktion | Fehlercode | Ursache | Lösungsweg |
| Fehlfunktion beim Sensor für die Wassereintritts-temperatur | PP1 | Drahtbruch oder Kurzschluss | Überprüfen oder wechseln Si den Sensor |
| Fehlfunktion beim Sensor für die Wasseraustritts-temperatur | PP2 | Drahtbruch oder Kurzschluss | Überprüfen oder wechseln Si den Sensor |
| Fehler beim Sensor für dHeizkondensator | PP3 | Drahtbruch oder Kurzschluss | Überprüfen oder wechseln Si den Sensor |
| Fehler beim Sensor für dGasrücklauf | PP4 | Schließen Sie einige Draht zu Unrecht in thisem Punkt | Bestätigen Sie gibt es nichts dieserm Punkt, Neustart |
| Fehler beim Sensor für dUmgebungstemperatur | PP5 | Drahtbruch oder Kurzschluss | Überprüfen oder wechseln Si den Sensor |
| Temperaturdifferenz beim Wasserein- und Auslass is zu groß | PP6 | Wasserdurchflussmenge ist zu gering, Druckdifferenz zu gering | Überprüfen Sie die Wasserdurchflussmenge und schauen Sie nach ob das Wasser gestaut ist |
| Die Austrittstemperatur des Kühlwassers ist zu niedrig | PP7 | Wasserdurchflussmenge ist zu gering | Überprüfen Sie die Wasserdurchflussmenge und schauen Sie nach ob das Wasser gestaut ist |
| Frostschutz ersten Grades versagt im Winter | PP7 | Umgebungstemperatur oder Wassereintrittstemperatur ist zu niedrig | Die Wasserpumpe wird automatisch für Frostschutz ersten Grades laufen |
| Frostschutz zweiten Grade versagt im Winter | PP7 | Umgebungstemperatur oder Wassereintrittstemperatur ist zu niedrig | Die Wärmerpumpe wird automatisch für Frostschutz zweiten Grades laufen |
| Fehler beim Sensor für dKühlkondensator | PP8 | Schließen Sie einige Draht zu Unrecht in thisem Punkt | Bestätigen Sie gibt es nichts dieserm Punkt, Neustart |
| Ausfall des Hochdruckschutz | EE1 | 1. Zu viel Kühlmittel2. Luftzirkulation is nicht genug | 1. Entfernen Sie überflüssige Kühlmittel aus der HP-Gasanlage2. Reinigen Sie den Luft-Wärmetausche |
| Ausfall des Unterdruckschutz | EE2 | 1. Zu weniger Kühlmittel2. Wasserflussmenge ist nicht genug3. Filter oder Kapilare verstopft | 1. Check if there is any ga leakage ,re-fill the refrigerant2. Clean the air exchanger3. Replace the filter or capillary |
| Strömungswächter ist nicht eingeschaltet | EE3 oder "ON" | Geringe Wasserflussmenge, falsche Flussrichtung, oder Ausfall des Strömungswächters | Überprüfen Sie ob der Wasserfluss genug ist, und i die richtige Richtung besteht Ansonsten konnte der Strömungswächter defekt sein |
| Stromzufuhrverbindungen falsch (für 3-Phasen-Einheiten) | EE4 | Falsche Verbindungen oder keine Verbindungen | Überprüfen Sie die Verbindungen der Stromkabel |
| Fehlfunktion bei der Wasserein- und Austrittstemperatur | EE5 | Wasserflussmenge ist nicht genug, die Wasserdruckdifferenz ist zu gering | Überprüfen Sie die Wasserdurchflussmenge und schauen Sie nach ob das Wasser gestaut ist |
| Kommunikationsfehler | EE8 | Die Kabelverbindung ist nicht gut | Überprüfen Sie die Kabelverbindung |
8.2 Andere Fehlfunktionen und ihre Lösung (werden nicht auf der LED-Kabelsteuerun angezeigt)
| Fehlfunktion | Anzeichen | Ursachen | Lösung |
| Wärmpumpe lauft nicht | LED-Kabelsteuerung hat keine Anzeige | Keine Stromzufahr | Überprüfen Sie ob Kabel und Schutzschalter verbunden sind |
| LED-Kabelsteuerung zeigt die aktuelle Zeit an. | Wärmpumpe im Bereitschaftsmodus | Starten Sie die Wärmpumpe. | |
| LED-Kabelsteuerung zeigt die aktuelle Wassertemperatur an. | 1. Wassertemperatur erreicht den vorgesehenen Wert, HP ist auf konstantem Temperaturniveau2. Wärmpumpe hat erst zu arbeiten angefangen3. Im Auftaumodus | 1. Überprüfen Sie die Wassertemperaturinstellungen.2. Starten Sie die Wärmpump nach ein paar Minuten.3. LED-Kabelsteuerung soll “Defrosting” anzeigen. | |
| Die Wassertemperatur sinkt wenn HP in Heizmodus lauft | LED-Kabelsteuerung zeigt die aktuelle Wassertemperatur an und kein Fehlercode wird angezeigt | 1. Der falsche Modus wurde ausgewähl.2. Die Eingangsdaten sind falsch3. Steuerung ist defek | 1. Stellen Sie den Modus rich ein2. Ersetzen Sie die defekte LED-Kabelsteuerung, und überprüfen Sie den Status nach dem Sie in den Betriebsmodus übergegangenen sind, schließlich überprüften Sie die Wassereintrits- und Austrittstemperatur.3. Ersetzen oder Reparieren S die Heipumpeneinheit |
| Kurze Laufzeiten | LED-Bildschirm zeigt aktuelle Wassertemperatur an, kein Fehlercode wird angezeigt. | 1. Ventilator lauft nicht2. Luftzirkulation ist nicht ausreichend.3. Unzureichende Kühlmittel. | 1. Überprüfen Sie die Kabelverbindungen zwischen dem Motor und dem Ventilator Wenn notiert sollen den Sie ersetzt werden.2. Überprüfen Sie die Position der Wärmpumpeneinheit, und entfern den Sie alle Hindernisse um eine optimale Luftzirkulatior zu erreichen.3. Ersetzen oder reparieren Sie die Wärmpumpeneinheit. |
| Wasserflecken | Wasserflecken auf der Wärmpumpeneinheit | 1. Beton.2. Wasserlecke. | 1. Nichts tun.2. Überprüfen Sie den Luft-Wärmewechsle auf Defekte |
| Zu viel Eis am Verdampfer | Zu viel Eis am Verdampf | 1. Überprüfen Sie die Position der Wärmpumpeneinheit, und entfern den Sie alle Hindernisse, um eine optimale Luftzirkulatior zu erreichen.2. Ersetzen oder reparieren Si die Wärmpumpeneinheit. |
9. Explosionszeichnung und Wartung
9. 1 Explosionszeichnung
Modell 7 kw

| NO | Teilname | NO | Teilname |
| 1 | Obere Abdeckung | 27 | Auspuff |
| 2 | Oberer Rahmen | 28 | Nadel |
| 3 | Umgebungstemparatur. Sensor | 29 | Rücklaufleitung |
| 4 | Umgebungstemparatur. Sensor-Klemme | 30 | Niederdruckschalter |
| 5 | Rückgrill | 31 | Rohrleitung (4-Wege-Ventil zum Wärmetauscher) |
| 6 | Isolierverkleidung | 32 | Rohrleitung (4-Wege-Ventil zum Sammelrohr) |
| 7 | Verdampfer | 33 | 4-Wege-Ventil |
| 8 | Säule | 34 | Kompressor |
| 9 | Motorbefestigung | 35 | Grundplatte |
| 10 | Linkes Bedienfeld | 36 | Rohrleitung (Austauscher zur Kapillare) |
| 11 | Motor | 37 | Wärmetauscher |
| 12 | Ventilatorflügel | 38 | Ablaufstopfen |
| 13 | Frontblende | 39 | Spur |
| 14 | Wasserdichte Box | 40 | Klemmenkasten |
| 15 | Anzeigen | 41 | Clip |
| 16 | Belüftung | 42 | 5-sitziges Terminal |
| 17 | Verdrahtungskasten | 43 | Klemmenabdeckung |
| 18 | Elektrische Kastenabdeckung | 44 | Wasserdurchflussschalter |
| 19 | Transformerator | 45 | Rechte Seite |
| 20 | Verdichter-Kondensator | 46 | Verteilerrohr |
| 21 | Clip | 47 | Sammelrohr |
| 22 | Motor-Kondensator | 48 | Blauer Gummiring |
| 23 | Leiterplatte | 49 | Wasseranschluss |
| 24 | Skala | 50 | Rückwand |
| 25 | Elektrische Box | 51 | Roter Gummiring |
| 26 | Hochdruckschalter |
Model 26kw

| NO | Teilname | NO | Teilname |
| 1 | Obere Abdeckung | 31 | Auspuff |
| 2 | Ventilatorflügel | 32 | Hochdruckschalter |
| 3 | Motor | 33 | Filtereinheit |
| 4 | Oberseite Grill | 34 | Nadel |
| 5 | Rücksäule | 35 | Sammelrohr |
| 6 | / | 36 | 4-Wege-Ventil zum Sammelrohr |
| 7 | Motorbefestigung | 37 | Elektrische Box |
| 8 | Kompressor | 38 | Maßstab |
| 9 | Verdampfer | 39 | Leiterplatte |
| 10 | Regler | 40 | Transformerator |
| 11 | Wasseranschluss | 41 | Motor-Kondensator |
| 12 | Gummi Ring | 42 | Terminal |
| 13 | Grundplatte | 43 | Temp. Controller-Befestigung |
| 14 | Spur | 44 | Temp. Regler |
| 15 | Wasserdichter Anschluss | 45 | Clip |
| 16 | Wasseranschluss | 46 | Terminal |
| 17 | Gummi Ring | 47 | Kabelabdeckung |
| 18 | Wärmetauscher | 48 | Elektrische Kastenabdeckung |
| 19 | Wasserdurchflussschalter | 49 | AC Schütz |
| 20 | Auslaufwassertemp. Sensor-Klemme | 50 | Anschluss Wasserpumpe |
| 21 | Auslaufwassertemp. Sensor | 51 | Schutzleiterplatte |
| 22 | Einlaufwassertemp. Sensor-Klemme | 52 | Verteilerbaugruppe |
| 23 | Einlaufwassertemp. Sensor | 53 | Kapillarenaufbau |
| 24 | Segregator | 54 | Niederdruckschalter |
| 25 | Linkes Bedienfeld | 55 | 4-Wege-Ventil zum Segregator |
| 26 | Frontblende | 56 | 4-Wege-Ventil zum Wärmetauscher |
| 27 | Rohrleitungstemp. Sensor | 57 | 4-Wege-Ventil |
| 28 | Bedienfeld 2 | 58 | Rücklaufleitung |
| 29 | Bedienfeld 1 | 59 | Umgebungstemparatur. Sensor |
| 30 | Elektrische Box Stützplatte | 60 | Umgebungstemparatur. Sensor-Klemme |
10. Wartung
1) Sie sollen den das Wasserzufuhrsystem regelmäßiger überprüfen, um zu vermeiden dass Luft in das System eindringt und geringe Wasserflussmenge verursacht, Denn das wurde di Leistung und Zuverlösigkeit der HP-Einheit reduzieren.
2) Reinigen Sie ihr Becken und Filtersystem regelmäß um Schäden an der Einheit durch verschmutzte Filter zu vermeiden.
3) Sie sollen das Wasser am Boden der Wasserpumpe auslassen, wenn die HP-Einheit langere Zeit unbenutzt bleiben soll (besonders im Winter).
4) Ansonsten sollen überprüfen ob die Einheit mit Wasser gefüllt ist, bevor Sie sie starte
5) Nachdem die Einheit für die Winterseason ausgerüstet wurde, sollte sie mit einer speziellen Winterdecke abgedeckt werden.
6) Wärend die Einheit lauft ist es normal wenn ein weniger Wasser darunter ausläuft.
11. Gewährleistung und RMA (Warenrücksendeugehmigung)
11.1 Gewährleistung
BESCHRANKTE GEWAHRLEISTUNG
Danke fur den Kauf unserer Wärmpumpe.
Wir garantieren für einen Zeitraum von zwei Jahren ab dem Datum des Erwerbs im Einzelhandel, das hinsichtlich Material und Ausführung frei von Herstellungsmängeln sind.
These Gewährleistung beschrankt sich auf den ersten Einzelhandelskafter, ist nicht übertragbar und gilt Produkte, die von ihrem ursprünglichen Einbauort entfernt wurden. Die Haftung des Herstellers besteht no Reparatur oder Austausch der fehlerhaften Teile hinaus und umfasst weder Arbeitskosten fur Ausbau un Einbau des fehlerhaften Teils, noch den Transport zum oder vom Werk oder andere fur die Reparatur Materialien. Die Gewährleistung erstreckt sich nicht auf Ausfälle oder Störungen aufgrund folgender Urs
- Das Produkt wurde nicht ordnungsgemäß montiert, betrieben bzw. gewartet wie in unserer mit mitgelieferten "Einbau- und Bedicnungsanleitung" beschrieben.
- Ausführungsqualität des Installateurs des Produkts.
- Unzureichendes chemisches Gleichgewicht in Ihr dem Pool [pH Wert zwischen 7,0 und 7,8; Gesamtalkalität (TA) zwischen 80 und 150 ppm; freies Chlor zwischen 0,5 und 1,2mg/l; an gelösten Stoffen (TDS) unter 1200 ppm; Salz maximal 8g/l].
- Missbrauchliche Verwendung, Umbau, Unfall, Brand, Überflutung, Blitzschlag, Nager, Insekten, Fahrlösigkeit, oder höhere Gewalt.
- Abblätterungen, Frost, oder andere Bedingungen, die zu unzureichender Wasserzirkulation führen.
- Betrieb des Produkts bei Wasserdurchflussraten außerhalb der angegebenen Mindest- und Höchst
- Verwendung nicht autorisierter Teile oder Zubehörteile in Zusammenhang mit dem Produkt.
- Chemische Verschmutzung der Verbrennungsluft oder unsachgemäß Verwendung von Desinfektionschemikalien wie die Einleitung von Desinfektionschemikalien vor der Heizvorrichtung dem Reinigungsschlauch bzw. durch den Siphon.
- Überhitzung, falsche Verdrahtung, unceignete Elektrizitätsversorgung, Kollateralschaden durch defel O-Ringe, DE-Gitter oder Filterelemente, sowie Schäden aufgrund des Betriebs der Pumpe mit zu Wasser.
HAFTUNGSBESCHRÄNKUNG
Dies ist die einzige Gewährleistung des Herstellers. Keine andere Person ist berechtigt, in unserem Naj. andere Gewährleistung zu geben.
DIES E WEAHRLEISTUNG ERSETZ T ALLE Anderen G WAHRLEISTUNGEN, SOWOH L EXPLIZITE ALS AUCH IMPLIZITE, WIE ZUM BEISPIEL IMPLIZITE G WAHRLEISTUNGEN BEZUGLICH DER EIGNUNG FÜR BESTIMME ZWECKE UND VERKEHRSFÄHIGKEIT. JEDW HAFTUNG FÜR FOLGESCHÄDEN, BEILAUFIG ENTSTANDENE SCHÄDEN, INDIREKTE SCHÄD SOWIE STRAFZUSCHLAGE ZUM SCHADENERSATZ BEIM BRUCH EINER EXPLIZITEN ODEI IMPLIZITEN G WAHRLEISTUNG WIRD AUSDRUCKLICH ABGELEHNT UND AUSGESCHLOSSI Durch diese Gewahrleistung erhalten Sie bestimmte Rechtsansprüche, die von Land zu Land unterschiedl konnen.
GEWÄHRLEISTUNGSANSPRÜCHE
Für eine rasche Berücksichtigung der Gewährleistung wenden Sie sichitte an ihren Handler und gebe Informationen an: Kaufnachweis, Modellnummer, Seriennummer und Datum des Einbaus. Der Installateur mit dem Werk in Verbindung und erhalten dann Anweisungen bezuglich der Ansprüche bzw. Angaben z nachstgelegen den Servicezentrale.
Für alle zurückgeschickten Teilc ist eine RMA-Nummer (Rücksendenummer) erforderlich, damit sie gemäß den Bedingungen dieser Gewährleistung untersucht werden konnen.
11.2 RMA Antragsformular
| Firma: | Datum: | |||||
| Adressc: | ||||||
| Ort: | PLZ: | Land: | ||||
| Ansprechpartner: | Tel.: | |||||
| E-Mail: | Fax: | |||||
| Ansprechpartner: | Datum: |
| Interne Verwendung | |||
| RMA-Nummer: | |||
| Ausgestellt von: | Datum: | ||
Rücksendung wegen: Kopie der Kundenrechnung beigelegt?

| Andere Unterlagen dem RMA-Antrag beigelegt? ☐ | |
| Beschreibung der Unterlagen: | |
| Modell Nr. | Rechnung Nr.: | ||
| Seriennr.: | Rechnungsdatum: | ||
| Problem: | |||
Richtlinien zur Gewährleistungsreparatur:
- Rücksendungen sind "Fracht vorausbezahlt" zu senden. Alle Rücksendungsgebühren sind von Ohnen zu tragen.
- Für die Rückgabe von Produkten ist eine vorherige Genchmigung erforderlich. Nicht für die Rückgabe genchmig Produkte werden ihren auf ihre Kosten zurückgeschickt.
- Wir reparieren oder ersetzen die Produkte und versenden alle Produkte kostenlos mit einem Beforderungsunternehmen unserer Wahl.
- Auf ihren Wunsch und ihre Kosten ist auch ein Versand per Eilboten möglich.
Rückgabeverfahren:
-
Vor der Anforderung ciner RMA-Nummer prufen Sieitte noch einmal, ob Sie die Einbau- und Bedienungsanle in Ihr Benutzerhandbuch ordnungsgemäß befolgt haben.
-
Wenden Sie sich an unsere Rücksendabteilung und fordern Sie ein RMA-Antragsformular an.
- Vergewissern Sie sich, dass Sie ALLE Angabenfelder des RMA-Antragsformulars ausgefüllt haben.
- Bei Rücksendungen innerhalb der Gewährleistungsfrist müssen Sie ein Kopie ihrer Originalverkaufsrechnung an ihren Kunden beilegen.
- Schicken Sie uns das RMA-Antragsformular, die Verkaufsrechnung und andere Unterlagen (Bilder, ...) per Fax o E-Mail. Eine RMA-Nummer wird binnen 24 Stunden nach Erhalt der ordnungsgemäBen Dokumente ausgestellt. Wenn die in Punkt (3) und (4) angegebenen Informationen fehlen, kann die Ausstellung einer RMA-Nummer verweigert werden.
- Die RMA-Nummer muss deutlich auf dem Versandschild sowie auf dem Schild der Versandverpackung aufscheinen.
- Produkte ohne Schilder sowie falsch oder unleserlich gekennzeichene Produkte werden nicht angenommen und u zurückgeschickt.
- Alle Verpackungen, die zum Zeitpunkt der Auslieferung an uns beschädigt erschienen, werden "IN DER VORLIEGENDEN FORM" abgelehtn.
- Beite stellen Sie sicher, dass die an uns gesandten Produkte dieselben sind, für die die Nummer ausgestellt wir. Wenn die Produkte nicht mit der vergebenen RMA-Nummer übereinstimmen, schicken wir alle Produkte unfrei darüber.
- Rücksendungen ohne RMA-Nummer werden ausnahmslos nicht angenommen.
- Die RMA-Nummer gilt nur 21 Kalendertage nach der Autorisierung. Wir behalten uns vor, Rücksendungsgegenstände nach einem Zeitraum von 21 Tagen ab Ausstellung der RMA-Nummer nicht anzunehmen.
Produkte außerhalb der Gewährleistung:
Der Kundeträgt die Versand- und Reparaturkosten. Nach einer Diagnose der retournierten Produkte wird eine Schätzung der Reparaturkosten erstellt.
Die Diagnosegebühr beträgt mind. € 50,00.
HYDRO-PRO TenuoBn Hacoc nIpaBaTeNbHoro 6accenHa
HCTPYKZIy IIO IIPIMEHEHIO N OBCJYXINBAHIO
yKA3ATEJIb
- Cnueuufkaun
- Pa3Mepbl
- YcTaHOBka n noDcoeINHeHnA
4.Пинадлжнoctn - ΘлектponpoBoДka
- OnepaunpepynTOpHoro nncnne
- 3anyck yCTaHOBOUHbIX daHHbIX
- YcTaPaHeHne HEnoJaDoK
9.Поюрбная Диаграма
10.O6cIyKbAHne
11.Гаразия n BO3ВраT
Бларм Bac 3a Ипльбоване HYDRO-PRO TeppoBorO Hacoca Дя пьвтьног Бассейна ДЯ OToПЕнь Baшero Бассeyн, on BydET HarpeBaTb Body B Baшem Бассey и РдерхиВаТь NOCTОУНу TemпepaTypy, р尼 TemпepaType Okpyжюцero Bo3dyxa ot -5 do 43 °C

BHHMAHNE:Данhoe pykoBoDCTBO coepKNT BcI Heo6xOdmyIu HΦopMaunIoo 060Jb3OBaHn n yctahOBKn Baawero tenloBoro Hacoca.
YcTaHOBzIK DoJKeH npOHTaTb IHCTpyKzIO H BHNMaTeIbHO CNeIDOBaTb IHCTpyKzIaM npPeaIN3aUHn N 06CnyXuBaHnn.
YcTaHOBUnK OTBeueaET 3a yCtAHOBky npOdykTa n DoJKeH CneIOBaTb BCEM INHCTpyKUma3aBOda-n3rOToBHTeJI N npaBnIam npImHeHry. HenpaBnIbHaay yCtAHOBka 6e3 pyKOBoDCTBaNoDpa3yMeBaet NCKIQUeHne BCsKoR rapaHTnn.
ПюИЗВODИТЕЛь He HeceT HnKakOu OTBETCTBeHHOCr 3a yUeP6, npuHHeHbI JIOdbMn, OБи n ɪЗ-3-a OʌnɪbOK, CBraHaHbIX C yCTaHOBkO BHe dAHHOrO pykoBODCTBa. JIo6oe NcNoJIb3OBAH COOTBETCTBnI N3HaayalbHomy npIMeHEnHIO bYedT paccMatpNbATbcr KaK onaCHOe.
IPEyPExEHE: Ioxayncta, Bcerda CnBaTe Body n3 TeNIOBOro Hacoca B 3mHee Bpemr nn KOrda Tempepatya OkpykaOuSei cpebl onyckaetc Hnke O C, B npOTNBHom Cnyae, TtahOBbI TeNlOo6MeHHNK 6ydt NobpeXDeH n3-3a 3amopaxnBaHnra, YTO He 6ydet BO3MeaTbcra rapaHTnei.
IPEyPExKDEHNE: Ioxayncta, Bcerda BbIKnOuaTe 3neKTponTaHne, ecn Bby xOTnte, OTkpblbOTcEK C TeNIOBbIM HAcOCOM, BHyTpN BbICOKoe HanpJxHne 3NeKTpnueCTBa.
IPEyPExEHE: Ioxayncta, depknte peryIaTOpHbI DnCJIeB CyxOM MeCTe, JJIx Je 3akpbBaTe erO KpbIshKoN N3OJauCIN DnA 3aUNTbI OT NOBpeXDeHn BLnXHOCTn.
1 CnueuKauu
1.1 TexHnueckne daHHbIe TeNIOBbIX Hacocob Hydro-Pro ABS
| Устroyстvo Hydro-Pro | Модаль | 5 | 7 | 10 | 13 | 18 | 22 | 22T | 26 | 26T |
| Номер детали | 7018522 | 7018523 | 7018524 | 7018525 | 7018526 | 7018527 | 7018528 | 7018529 | 7018530 | |
| Hаревателлай способноctrь A27/W27 | κВт | 5 | 7 | 10 | 13 | 18 | 22 | 22 | 26 | 26 |
| БТ/ч | 17000 | 23500 | 34000 | 44300 | 61000 | 75000 | 75000 | 88700 | 88700 | |
| Hаревателлай способноctrь A15/W26 | κВт | 3,7 | 4,3 | 6,5 | 8,2 | 13 | 14,5 | 14,5 | 16,5 | 16,5 |
| БТ/ч | 12500 | 14500 | 22000 | 28000 | 44000 | 49500 | 49500 | 56000 | 56000 | |
| Охлajдacoшaj способноctrь A35/W27 | κВт | 2,8 | 3,5 | 5 | 7 | 10.8 | 11 | 11 | 15 | 15 |
| БТ/ч | 9500 | 12000 | 17000 | 24000 | 37000 | 37500 | 37500 | 51000 | 51000 | |
| Вховая мошноctrь | κВт | 0,93 | 1,02 | 1,48 | 1,86 | 2,51 | 3,45 | 3,45 | 3,93 | 3,93 |
| Марсималый объем (хорочая полajся) | m³ | 20 | 30 | 45 | 60 | 100 | 120 | 120 | 140 | 140 |
| Равочий тok | A | 4,1 | 4,7 | 7 | 9,1 | 13,4 | 15 | 6,6 | 17,4 | 7,7 |
| Мини превханител | A | 15 | 15 | 20 | 25 | 40 | 45 | 20 | 50 | 25 |
| КПД (рA27/W27 | ВТ/BТ | 5,8 | 5,9 | 6,2 | 6 | 6,1 | 5,9 | 5,9 | 5,8 | 5,8 |
| КПД (р A 15/W26 | ВТ/BТ | 4 | 4,2 | 4,4 | 4,4 | 4,3 | 4,2 | 4,2 | 4,2 | 4,2 |
| Злекторитуниeme | B/Ф/Гц | 230/1/50 | 380/3/50 | 230/1/50 | 380/3/50 | |||||
| Perулайlor | Злекторитуниeme | |||||||||
| Кондесатор | Титановский.теллобшеник | |||||||||
| Колочь (КOMPбс contempor otherwise | 1 | |||||||||
| Ти (КOMPбс contempor otherwise | Врашиатelli (н-н-н-н-н-н-н-н-н-н-н-н-н-н-н-н-н-н-н-н-н-н-н-н-н-н-н-н-н-н-н-н-н-н-н-н-н-н-н-н-н-н-н-н-н-н-н-н-н-н-н/-н-н-н-н-н-н-н-н-н-н-н-н-н-н-н-н-н-н-н-н-н-н-н-н-н-н-н-н-н-н-н-н-н-н-н-н-н-н-н-н-н-н-н-н-н-н-н-н-н-n-n-n-n-n-n-n-n-n-n-n-n-n-n-n-n-n-n-n-n-n-n-n-n-n-n-n-n-n-n-n-n-n-n-n-n-n-n-n-n-n-n-n-n-n-n-n-n-n-n-n-n-n-n-n-n-n-n-n-n-n-n-n-n-n-n-n-n-n-n-n-n-n-n-n-n-n-n-n-n-n-n-n-n-n-n-n-n-n-n-n-n-n-n-n-n-n-n-n-n-N-n-n-n-n-n-n-n-n-n-n-n-n-n-n-n-n-n-n-n-n-n-n-n-n-n-n-n-n-n-n-n-n-n-n-n-n-n-n-n-n-n-n-n-n-n-n-n-n-n-rn-n-n-n-n-n-n-n-n-n-n-n-n-n-n-n-n-n-n-n-n-n-n-n-n-n-n-n-n-n-n-n-n-n-n-n-n-n-n-n-n-n-n-n-n-n-n-n-n-$n- Слков (Сошко(Сошко (Сошко(Сошко (Сошко(Сошко (Сошко(Сошко (Сошко(Сошко (Сошко(Сошко (Сошко(Сошко (Сошко(Сошко (Сошко(Сошко (Сошко(Сошко (Сошко(Сошко (Сошко(Сошко (Сошко(Сошко (Сошко(Сошко (Сошко(Сошко (Сошко(Сошко (Сошко(Сошко (Сошко(Сошко (Сошко(Сошко (Сошко(Сошко (Сошкоn-n-n-n-n-n-n-n-n-n-n-n-n-n-n-n-n-n-n-n-n-n-n-n-n-n-n-n-n-n-n-n-n-n-n-n-n-n-n-n-n-n-n-n-n-n-n-n-n-Nn-n-n-n-n-n-n-n-n-n-n-n-n-n-n-n-n-n-n-n-n-n-n-n-n-n-n-n-n-n-n-n-n-n-n-n-n-n-n-n-n-n-n-n-n-n-n-n-n-n -n - n -n - n -n - n -n - n -n - n -n - n -n - n -n - n -n - n -n - n -n - n -n - n -n - n -n - n -n - n -n - n -n - $n - Армату (trуобожв (trуобожв (truobожв (truobожв (truobожв (truobожв (truobожв (truobожв (truobожв (truobожв (truobожв (truobожв (truobожв (truobожв (truobожв (truobожв (truobожв (truobожв (truobожв (TRU- Слков (Сошко(Сошко (Сошко(Сошко (Сошко(Сошко (Сошко(Сошко (Сошко(Сошко (Сошко(Сошко (Сошко(Сошко (Сошко(Сошко (Сошко(Сошко (Сошко(Сошко(Сошко(Сошко(Сошко(Сошко(Сошко(Сошко(Сошко(Сошко(Сошко(Сошко(Сошко(Сошко(Сошко(Сошко(Сошко(Сошко(Сошко(Сошко(Сошко(Сошко(Сошко(Сошко(Сошко(Сошко(Сошко(Сошко(Сошко(Сошко(Сошко(Сошко(Сошко(Сошко(Сошко(Сошко(Сошко(Сошко(Сошко(Сошко (Сошко(Сошко(Сошко(Сошко(Сошко(Сошко(Сошко(Сошко(Сошко(Сошко(Сошко(Сошко(Сошко(Сошко(Сошко(Сошко(Сошко(Сошко(Сошко(Сошко(Сошко(Сошко(Сошко(Сошко(Сошко(Сошко(Сошко(Сошко(Сошко(Сошко(Сошко(Сошко(Сошко(Сошко(Сошко(Сошко(Сошко(Сошко(Сошко(Сошко (Сошко(Сошко(Сошко(Сошко(Сошко(Сошко(Сошко(Сошко(Сошко(Сошко(Сошко(Сошко(Сошко(Сошко(Сошко(Сошко(Сошко(Сошко (Сошко(Сошко(Сошко(Сошко(Сошко(Сошко(Сошко(Сошко(Сошко(Сошко(Сошко(Сошко(Сошко(Сошко(Сошко(Сошко(Сошко(Сошко(Сошко(Сошко (Сошко(Сошко (Сошко(Сошко(Сошко(Сошко(Сошко(Сошко(Сошко(Сошко(Сошко(Сошко(Сошко(Сошко(Сошко(Сошко(Сошко(Сошко(Сошко(Сошко (Сошко(Сошко(Сошко(Сошко(Сошко(Сошко(Сошко(Сошко(Сошko(Сошко(Сошко(Сошко(Сошко(Сошко(Сошко(Сошко(Сошко(Сошко(Сошко(Сошко(Сошко(Сошко(Сошко(Сошко(Сошко(Сошко(Сошко(Сошко(Сошko(Сошко(Сошko(Сошko(Сошko(Сошko(Сошko(Сошko(Сошko(Сошko(Сошko(Сошko(Сошko(Сошko(Сошko(Сошko(Сошko(Сошko(Сошko(Сошko(Сошko(Сошko(Сошко(Сошko(Сошko(Сошko(Сошko(Сошko(Сошko(Сошko(Сошko(Сошko(Сошko(Сошko(Сошko(Сошko(Сошko(Сошko(Сошko(Сошko(Сошко(Сошko(Сошко(Сошko(Сошko(Сошko(Сошko(Сошko(Сошko(Сошko(Сошko(Сошko(Сошko(Сошko(Сошko(Сошko(Сошko(Сошko(Сошko(Сошко(Сошko(Сошko(Сошко(Сошko(Сошko(Сошko(Сошko(Сошko(Сошko(Сошko(Сошko(Сошko(Сошko(Сошko(Сошko(Сошko(Сошko(Сошko(Сошko(Сошко(Сошко(Сошko(Сошko(Сошko(Сошko(Сошko(Сошko(Сошko(Сошko(Сошko(Сошko(Сошko(Сошko(Сошko(Сошko(Сошko(Сошko(Сошko(Сошko(Сошко(Сошко(Сошko(Сошко(Сошko(Сошko(Сошko(Сошko(Сошko(Сошko(Сошko(Сошko(Сошko(Сошko(Сошko(Сошko(Сошko(Сошko(Сошko(Сошко(Сошko(Сошko(Сошko(Сошко(Сошko(Сошko(Сошko(Сошko(Сошko(Сошko(Сошko(Сошko(Сошko(Сошko(Сошko(Сошko(Сошko(Сошko(Сошko(Сошко(Сошko(Сошко(Сошko(Сошко(Сошko(Сошko(Сошko(Сошko(Сошko(Сошko(Сошko(Сошko(Сошko(Сошko(Сошko(Сошko(Сошko(Сошko(Сошko(Сошко(Сошко(Сошko(Сошko(Сошко(Сошko(Сошko(Сошko(Сошko(Сошko(Сошko(Сошko(Сошko(Сошko(Сошko(Сошko(Сошko(Сошko(Сошko(Сошko(Сошко(Сошко(Сошко(Сошko(Сошko(Сошko(Сошko(Сошko(Сошko(Сошko(Сошko(Сошko(Сошko(Сошko(Сошko(Сошko(Сошko(Сошko(Сошko(Сошko(Сошко(Сошко(Сошко(Сошko(Сошко(Сошko(Сошko(Сошko(Сошko(Сошko(Сошko(Сошko(Сошko(Сошko(Сошko(Сошko(Сошko(Сошko(Сошko(Сошко(Сошko(Сошko(Сошko(Сошko(Сошко(Сошko(Сошko(Сошko(Сошko(Сошko(Сошko(Сошko(Сошko(Сошko(Сошko(Сошko(Сошko(Сошko(Сошko(Сошко(Сошko(Сошko(Сошко(Сошko(Сошко(Сошko(Сошko(Сошko(Сошko(Сошko(Сошko(Сошko(Сошko(Сошko(Сошko(Сошko(Сошko(Сошko(Сошko(Сошко(Сошko(Сошко(Сошko(Сошko(Сошко(Сошko(Сошko(Сошko(Сошko(Сошko(Сошko(Сошko(Сошko(Сошko(Сошko(Сошko(Сошko(Сошko(Сошko(Сошко(Сошko(Сошко(Сошко(Сошko(Сошko(Сошko(Сошko(Сошko(Сошko(Сошko(Сошko(Сошko(Сошko(Сошko(Сошko(Сошko(Сошko(Сошko(Сошko(Сошко(Сошko(Сошко(Сошко(Сошko(Сошко(Сошko(Сошko(Сошko(Сошko(Сошko(Сошko(Сошko(Сошko(Сошko(Сошko(Сошko(Сошko(Сошko(Сошko(Сошко(Сошко(Сошko(Сошko(Сошko(Сошко(Сошko(Сошko(Сошko(Сошko(Сошko(Сошko(Сошko(Сошko(Сошko(Сошko(Сошko(Сошko(Сошko(Сошko(Сошко(Сошко(Сошko(Сошко(Сошko(Сошко(Сошko(Сошko(Сошko(Сошko(Сошko(Сошko(Сошko(Сошko(Сошko(Сошko(Сошko(Сошko(Сошko(Сошko(Сошко(Сошко(Сошко(Сошko(Сошko(Сошко(Сошko(Сошko(Сошko(Сошko(Сошko(Сошko(Сошko(Сошko(Сошko(Сошko(Сошko(Сошko(Сошko(Сошko(Сошко(Сошко(Сошко(Сошко(Сошko(Сошko(Сошko(Сошko(Сошko(Сошko(Сошko(Сошko(Сошko(Сошko(Сошko(Сошko(Сошko(Сошko(Сошko(Сошko(Сошко(Сошко(Сошко(Сошко(Сошко(Сошко(Сошко(Сошко(Сошко(Сошко(Сошко(Сошко(Сошко(Сошко(Сошко(Сошко(Сошко(Сошко(Сошko(Сошko(Сошko(Сошko(Сошko(Сошko(Сошko(Сошko(Сошko(Сошko(Сошko(Сошko(Сошko(Сошko(Сошko(Сошко(Сошko(Сошko(Сошко(Сошко(Сошko(Сошko(Сошko(Сошko(Сошko(Сошko(Сошko(Сошko(Сошko(Сошko(Сошko(Сошko(Сошko(Сошko(Сошko(Сошко(Сошko(Сошко(Сошко(Сошко(Сошko(Сошko(Сошko(Сошko(Сошko(Сошko(Сошko(Сошko(Сошko(Сошko(COSOEEEEEEEEEEEEEEEEEEEEEEEEEEEEEEEEEEEEEEEEEEEEEEEEEEEEEEEEEEEEEEEEEEEEEEEEEEEEEEEEEEEEEEEEEEEEEEEEEEEE$ | |||||||||
| Номиналын НИЗSHA Точа ВODы | M³/ч | 2,5 | 2,5 | 2,8 | 3,5 | 6,2 | 6,2 | 6,2 | 7,1 | 7,1 |
| Мakсималын посту Давлий | КПа | 12 | 12 | 12 | 15 | 18 | 18 | 18 | 18 | 18 |
| Размеры.netTO | Д/Ш/B | 1010*340*577mm | 1050*470*709mm | 910*707*940mm | ||||||
| Рazмеры в уразовке | Д/Ш/B | 1080*405*616mm | 1121*481*851mm | 935*790*975mm | ||||||
| Вес netTO / Вес в уразове | Кг | 36/38 | 44/47 | 49/52 | 63/67 | 115/125 | 125/135 | 125/135 | 150/160 | 150/160 |
* BbIe yonmhytble daHHble Moryt 6bItb n3MeHeHb6e3 npedBapntelbHoro yBeDomneHn.
2. Pa3mepbI
Hydro Pro 5,7,10



Hydro Pro 13



MoeB18,22,22T,26T



3. YctaHObKa n noDcoeDnHeHn
3.1 Птумейанья
3aBOD cam noCTaBnEeT TEnNoBoH HAcOC. DpyrHe KOMNoHEtbl, BKJIouaer nepenycKHO KnapanB Cnyae Heo6xOdImocTn, OJXHbI ObecneuBaTbcra NOJb3OBaTeJeM NIM MOHTaXHHKOM.
BHHMaHHe:
PoxaIyIcTa, BbINOJIHraTe CJeDyIOUne DeIcTBn npu yCTaHOBKe TENIOBOrO HAcoca:
- JIb6bIe Do6aBHeHn XmMuecknx BeuectB OJXHbI OcyuieCTBnTbcR B Tpy6ax, paCNoIOKeHHbIX BHN3 OT TeNIOBOrO HAcoca.
- YctaHOBIne nepENyCKHoi Knaan, ecnno NOTOK BOdy n3 Hacoc a 6accseHa 60nee ha 20% Bblwe DOnyCTUMoro NOTOKA Upe3 TEnJIOOBMeHHK TEnJIOBOrO HACoca.
- YctaHOBInTe TEnIOBOH HAcOC BbIe yPOBnY NOBepXHOCTN 6accenHa.
-
Bcerda yctaHaBnBaIte TepNoBoH HAcOC Ha TBepyIO OCHOBY n IcNoJb3yIte NoCTaBJaEMbIe amOpTn3npUoJIne KAYyKn, YTO6bl N36ExaTb Bn6paunn n Wyma.
-
Bcerda Depxnte TnIOBOH HAcOC B Bepxhem NIOXHeHH. Ecnn npnbop yctaHOBneH DnaRohbHom NIOXHeHH, NIOXdTe, No KpaHHe Mepe, 24 Yaca do NaHauana NCNoIb3OBAHnra TnIOBOrO HaCocA.
3.2 MectopacnoJoxeHne TeNIOBOrHaCoca
UcTpoIcTBo 6yTeT pa6oTaTb npaBnJIbHo, B IIO6OM MeCTe, pni HAIInuN Tpex ycNoBn:
1. CBexn BO3dyx - 2. ΘneKtpnueCTBO - 3. ΦnIbTpbl
ПлаваTeльнобасьна
Pnp6op moKet 6bIy ycTaHOBJIeH npaKTnueckn B JIObOM OTKpbITOM MecTe npn Co6JIoDeHmMHNMaJIbHOrO pacCTOJHnI Do dpyRnx OObEeTOB. (cM. pncyHok HnKe). IoxKaIyIcTa, o6paTntEcB K yCTHOBUNK yIraYHOBKn KpbIToro 6accSeHa. YCTaHOBka B BeTpehOM MeCtOnOJIOXeHn He npedCTaBnIeT HnKaOKI npo6JeMbI, B OTJIuHne OT CHTyaUIN C ra3OBbIM HarpeBaTeJem (B TOM YIcNe npo6JeMbI KOHTpOJIbHOr ROpeJKN).
BHIMAHNE: HnKoIa He cTabe Tnp6op B 3amKnHyToe npocTaHCTBO C orpaHnueHHbIM O6beMOM Bo3dyxa,
rDe BbIbIxAeMbI BO3dYX IcNoIb3yEtC NOBTOpHO, NIO pAdom C KcyTapHnKaMn, KOtOpBe MOrTy 6NOKIpOBA Tb
BO3dyx. 3TN MeCTa Me7aHOT HnpepbIBHomy NtOKy CBexero BO3dyxa, YTO npINBOoNT K CHIXeHNIO
EinfachAnleitung