22T - Waterpomp Hydro-Pro - Gratis gebruiksaanwijzing en handleiding
Vind de handleiding van het apparaat gratis 22T Hydro-Pro in PDF-formaat.
Veelgestelde vragen - 22T Hydro-Pro
Gebruikersvragen over 22T Hydro-Pro
0 vraag over dit apparaat. Beantwoord die u kent of stel uw eigen vraag.
Stel een nieuwe vraag over dit apparaat
Download de handleiding voor uw Waterpomp in PDF-formaat gratis! Vind uw handleiding 22T - Hydro-Pro en neem uw elektronisch apparaat weer in handen. Op deze pagina staan alle documenten die nodig zijn voor het gebruik van uw apparaat. 22T van het merk Hydro-Pro.
GEBRUIKSAANWIJZING 22T Hydro-Pro
Nederlandse handleiding. 71~101
Verordening (EU) nr. 517/2014 van het Europees Parlement en de Raad van 16 april 2014 betreffende gefluoreerde broeikasgassen en tot intrekking van Verordening (EC) nr. 842/2006
Controle op lekkages
- Exploitanten van apparatuur die gefluoreerde broeikasgassen in hoeveelheden van 5 ton CO2, zichde anteal ofeer bevatten en Niet verpakt in het isolatieschuim dragen er zorg voor dat de apparatuur worden gecontroleerd oplekken.
- Voor apparatuur die gefluoreerde broeikasgassen in hoeveelheden van 5 ton CO2 zichde aantal ofeer bevatten, maar minder dan 50 ton CO2-equivalent: tenminste)iedge 12 maanden.
Beeld van de Coequivalent
- Lading in kg en Ton van hoeveelheid CO
| Lading en Ton van hoeveelheid £0 | Testfrequentie |
| Van 2 tot 30 kg lading = van 5 tot 50 Ton | leder一年多 |
Met betrekking tot Gaz R 410a, 2.39kg met de hoeveelheid 5 pto@ijding aan Jaarlijkese controle.
- De exploitant van de betreffende toepassing zal er voor zorg dragen dat het betrokken personeel de nodige certificering hebben verkreten, hetgeen inhoudt voldoende kennis van de geldende voorschriften en norm te bezitten, alsmede de nodige deskundigheid in emissiepreventie en terugwinning van gefluoreerde broeikasgassen en hanteren van de veiligheid van de betreffende type en de omvang van de apparatuur.
Registrarie
- Exploitanten van apparatuur die verplicht zich op lekkage te controlleren, zullen registers aanmaken en bijhonden voor elk deel van dergelijkke apparatuur dat de volgende informatie bevat:
a) De hoeveelheid en het type van de geinstalleerde gefluoreerde broeikasgassen;
b) De hoeveelheden gefluoreerde broeikasgassen toegevoegdijdens het installereren, onderhoud of de service of als gevolg van lekkage;
c) Of de hoeveelheden van de geinstalleerde gefluoreerde broeikasgassen zijn gerecycleerd of teruggewonnen, inclusief de naam en het adres van de recycling- of terugwinningsinstallatie en waar van toepassing het certificaatnummer;
d) De hoeveelheid teruggewonnen gefluoreerde broeikasgassen
e) De identiteit van de onderneming die de installmentie, reparatie, onderhoud uitvoert en voor zover van toepassing raparties of verwijdering van apparatuur voor+zijn rekening neemt, inclusief, in voorkomend geval, het nummer van haar certificaat;
f) De data en de résultats van de verrichte controles;
g) Indien de apparatuur buitengebruik werden gesteld, de genomen maatregelen voor het terugwinnen en afvoeren van de gefluoreerde broeikasgassen.
2. De exploitant zal de administratie gedurende tenminste vrij一年多 bewaren, de ondernemingen die de werkzaamheden voor de exploitanten uitvoeren,要去en tenminste vrij一年多 kopieën van de registers bijhonden.
HYDRO-PRO Zwembad warmtepomp Gebruik en Onderhoud gebruiksaanwijzing
INDEX
- Specificities
- Afmetingen
- Installatie en aansluiting
- Accessoires
- Elektrisch schema
- Scherm controlediedening
- Werkende data instelling
- Problemen
- Open geklapt diagram
10.Onderhoud
11.Garantie en terugzending
Dank u voor het gebruiken van de HYDRO-PRO zwembad warmtepomp voor uw zwemba verwarming, het zal uw zwembadwater verwarmen en het op een constante temperatuur honden wonneer de omgevingstemperatuur -5 tot 43^ is.

LET OP: Deze gebruiksaanwijzing bevat alle benodigde informatatie voor het
gebruik en de installmentie van uw warmtepomp.
De installmenter要去 de gebruiksaanwijzing lezen en de instructies zorgvuldig volgeplaatsing en onderhoud.
De installmenteur is verantwoordelijk voor de installmentie van het product en要去 alle opvolgen van de fabrikant en de regels in toepassing. Verkeerde installmentie Niet vo gebruiksaanwijzing heeft uitsluiting van de gehele garantie tot gevolg.
De fabrikant verwerpt elke verantwoordelijkheid voor de schade veroorzaakt door de mensen, objecten en of de fouten wegens de installmentie die Niet de aanwijzing va gebruiksaanwijzing volgen. Elk gebruik zonder bevestigbing bij het begin van de fab beschouwd worden als gevaarlijk.
WAARSCHUWING: Verwijder alstublieft algid het water in de warmtepomp tijdens de wintertijd of wonneer de omgevingstemperatuur daalt beneden 0^ , of anders za de titani wisselaar beschadigd raken of bevriezen, in dit geval, zal uw garantie eindigen.
WAARSCHUWING: Sluit alstublieft.altijd de stroom af als u de kast wilt openen om de warmtepomp binnen te bereiken, odomat er een hoog voltage stroom aanwezig is.
WAARSCHUWING: P Houdt alstublieft het scherm van de besturing in een droge omgevi of sluit de isolatie bedekking goed om het scherm van de besturing te beschemen tege beschadiging door vochtigheid.
1. Specifications
- Bovenstaande gegevens zijn onderhevig aan modificatie zonder opgave.
2. Afmeting Dimension
Hydro Pro 5,7,10



Hydro Pro 13



3. Installatie en aansluiting
3.1 Opmerkingen
De fabriek levert alleen de warmtepomp. Alle andere componenten, inclusief een bypass wanneer nodig,要去en geleverd worden door de gebruiker of de installmenter.
Attentie:
Volg alstublieft de volgende regels wanner u de warmtepomp installeert:
- Elke toevoeging van chemicaliën要去plaatsvinden in de buizen gelokaliseerd na d warmtepomp.
- Installee een bypass als de afstand van de water toevoer van de zwembadpompmeer dan 20% groter is dan de toegestane toevoer door de warmtewisselaar of dewarmtepomp.
- Installee de warmtepomp boven het wateriveau van het zwembad.
- Plaats de warmtepomp algid op een vaste ondergrond en gebruik de bijgevoegde demping rubbers om vibratie en geluid te vermijden.
- Houdt de hele warmtepomp algtdrecht. Als het apparaat in een diagonale positie gehonden, wacht tenminste 24 uren met het starten van de warmtepomp.
3.2 Warmtepomp plaatsing
Het apparaat zaal goed werken in elke gewenste locatie zolang de volgende drie onderdel aanwezig zich:
1. Frisse lucht - 2. Elektriciteit - 3. Zwembadfilters
Het apparaat mag worden geinstalleer in virtuelel elke buiten locatie zolang als de gespecifieerde minimumafstanden met andere objecten worden aangehouden (zie tekening hieronder). Raadpleeg alstublieft uw installeur voor installmentie met een zwembad binnenshuis. Installatie in een locatie met veel wind is helemaal geen probleem, wel in c situatie met een gasverwarming (inclusief waakvlam problemen).
ATTENTIE: Installee het apparaat nooit in een afgesloten ruimte met een gelimiteerde luchthoeveelheid in waarde lustcht uitgestoten door het apparaat weehergebruikt worden, of nabij bosschage dat de luchtinlaat kan blokken. Zulke locaties verhinderen de continuuz levering van frisse lustcht, wat resulteert in een gereduceerde efficiencie en möglichk voldoe warmte afgithe tegengaat.
Zie de tekening hieronder voor minimum afstanden.


3.3 Afstand van uw zwembad
De warmtepomp worden normala geinstalleerd binnen een bereik van 7.5 meter van het zwembad. Hoe groter de afstand van het zwembad, hoe groter het warmteverlies in de buizen. Als de buizen meestal ondergronds zijn, is het warmteverlies laag op afstanden t m (15 m van en maar de pomp; 30 m in totaal) tenzij de grond na het is of het gro Hoog is. Een ruwe schatting van het warmteverlies per 30 m 0.6 kWh (2,000 BTU) voor 5^ verschilussen de watertemperatuur in het zwembad en de temperatuur van de gra die de muis omringd. Dit verhoegt de werklijk met 3% tot 5% .
Opmerking: als een automatisch dosering apparaat voor chloor en zour (pH) gezruikt wo is het belangrijk om de warmtepomp te beschermen gegen excessief hoche chemische concentraties die de warmtewisselaar+kunnen latent corroderen. Om deze reden,要去en apparaten van deze soort algtd bevestigd worden aan de buizen na de warmtepomp, en
wordt aanbevolen om een controleklep te installeren om terugvloeien van het water te voorkomen in het geval van afwezigheid van water circulatie.
Schade aan de warmtepomp veroorzaakt door nalatigheid van deze instructie is nicht gede door de garantie.

3.5 Typische opstelling

Opmerking: Deze opstelling is alleen een illustratief voorbeeld.
3.6 Instellen van bypass
Optimale werking van de warmtepomp gebeurt wanner de koel gaszurbar22s.

Gebruik de volgende procedure om bypass bij te stellen:
- Open de drie kleppen voledig
- Sluit klep 1 langzaam tot de waterdruk is verhoogd met onceveer 100 to 200 g
- Sluit klep 3 onceveer halverwege om de gasdruk bij te stellen in het koelsysteme
- Als het scherm "AAN" aangeeft of fout code EE3, sluit stap voor sta 2, om de water toevoer te verhoge stop wanner de code verdwijnt.
Deze druk kan afgelezen worden van de drukmeter naast het contropaneel van de warmtepomp. Onder deze condities is de water doorstroming door het apparatus dan ook optimaal.
Opmerking: Werking zonder een bypass of met een onjuiste bypass instelling kan resulteren in sub-optimale warmtepomp werking en möglichk de warmtepomp beschadigen, wat de garantie ont geldig maakt.
Opmerking: Alhoewel de warmtepomp elektrisch geisoleerd is van de rest van het zwembadsystem, voorkomt dat alleen de doorvoer van elektrische stroom maar of v het water in het zwembad. A Harding is nog steeds nodig voor bescherming gegen kortsluiting in het apparaat. Zorg.altijd voor een goede aarding verbinding.
Voor het aansluiten van het apparaat, verifieer dat het stroomvoltage overeenkomt met het werk voltage van de warmtepomp.
Het worden aanbevolen om de warmtepomp te verbinden met een circuit met een eigenerzekering of circuit onderbreker (langzaam type; graad D) en om goede bedrading te gebruiken (zie tabel hieronder).
Voor horizontale modellen (Hydro Pro 5, 7, 10, en 13): verwijder het bovenste paneel. Voor verticale modellen (Hydro-Pro 18, 22, 22T en 26T): verwijder het voorpaneel.
Verbindt de elektrische draden met het terminalblok gemarkeeerd ' POWER SUPPLY'. Een tweede terminalblok gemarkeeerd 'WATER PUMP' is gelokaliseerd naast de eerste. [filterpomp (max. 5 A / 240 V) kan hier met het tweede terminalblok verbonden worden. zorgtervoordat de filterpomp verwerking gecontroleerd wordt door de warmtepomp.

Opmerking: In het geval van 3-fase modellen, kan verwisseling van twee fases veroorzakte dat de elektrische motoren in de tegengestelde richting draaien, wat tot schade kan leide Om deze reden, heeft het apparaat een ingebouwde bescherming die het circuit verbreekd de verbinding Niet correct is. Als de rode LED boven dit veiligheidsapparaat oplicht, moed de verbindingen van twee van de fasedraden verwisselen.
| Model | Voltage (V) | Zekering of circuit onderbreking | Nominale stroom (A | Draad diameter mm (met max. 15 m leng |
| HYDRO PRO5 | 220–240 | 15 | 4.1 | 2x 1.5 + 1.5 |
| HYDRO PRO7 | 220–240 | 15 | 4.7 | 2x 1.5 + 1.5 |
| HYDRO PRO10 | 220–240 | 20 | 7 | 2x 2.5 + 2.5 |
| HYDRO PRO13 | 220–240 | 25 | 9.1 | 2x 2.5 + 2.5 |
| HYDRO PRO18 | 220–240 | 40 | 13.4 | 2x 6 + 6 |
| HYDRO PRO22 | 220–240 | 45 | 15 | 2x 6 + 6 |
| HYDRO PRO22T | 3x 380 | 20 | 6.6 | 4x 2.5 + 2.5 |
| HYDRO PRO26 | 220–240 | 50 | 17.4 | 2x 6 + 6 |
| HYDRO PRO26T | 3x 380 | 25 | 7.7 | 4x 2.5 + 2.5 |
3.8 Initiiel Werking
Opmerking: Om het water in het zwembad (of hete kuip) te verwarmen, moet de filterpomp draaien om ervoor voor te zorgen dat het water circuleert door de warmtepomp. De warmtepomp zal nicht opstarten als het water Niet circuleert.
Nadat alle verbindingen gemaakt zich en gecontroleerd, voer dan de volgende procedure u
- Zet de filterpomp aan. Controller op lekkage en verifieer dat het water stroomt van eenaar het zwembad.
- Sluit de stroom aan de waterpomp aan en druk op de aan/uit knop op het elektronische contropaneel. Het apparaat zou opstarten nadat deijdvertraging voor bij (zie onder).
- Na een pauar minuten, controller of de lucht die uit het apparaat komt koeler is.
- Wanner de filterpomp uitgezet worden, moet het apparaat ook automatisch afslaan, wanner nicht, stel dan de doorvoer schakelaar bij.
- Laat de warmtepomp en de filterpomp 24 uren per dag lopen totdat de gewenste watertemperatuur is bereikt. De warmtepomp za op dit punt stoppen. Hierna, za het automatisch herstarten (zolang als de filterpomp loopt) wonneer de watertemperatuur va het zwembad 2 graad daalt onder de ingestelde temperatuur. Allow the heat pump and the filter pump to run 24 hours a day until the desired water temperature is reached
Afhankelijk van de initiele temperatuur van het water in het zwembad en de luchttemperaten kan het verschidene dagen duren om het water te verwarmen tot de gewenste temperaten. Een goede zwembad afdekking kan de benodigde lenghte van tijd dramatisch inkorten.
Water doorvoer schakelaar:
Het is uitgerust met een doorvoer schakelaar om het HP apparaat ervoor te beschermen het draait met een voldoende water doorvoer snugheid. Het za aangaan wanner de zwembadpomp loopt en LAST het stoppen wanner de pomp stocht. Als het oppervlak van zwembad water hoger is dan 1 meter boven of beneden de automatische instelknop van waterpomp, heeft u uw dealer nodig om de initièle opstart bij te stellen.
Tijdvertraging - De warmtepomp heeft een ingebouwde 3-minuten opstart vertraging om h circuit te beschermen en excessief contact verval te voorkomen. Het apparaat za automatisch herstarten nadat deze tijdvertraging afloodt. Zelfs een korte stroomonderbreking za deze tijdvertraging starten en voorkomen dat het apparaat onmiddelijk herstart. Meer de stroomonderbrekingenijdens deze vertragingperiode hebben geen efect op de 3-minuten periode van de vertraging.
3.9 Condensatie
De lustcht aangetrokken door de warmtepomp wordst sterk gekoeld door de werking van de warmtepomp om het water van het zwembad te verwarmen, wat condensatie kanveroorzaken op de bladen van de verdamper. De hoeveelheid condensatie kan zoveel+zij als verscheidene liters per uuur bij hoge relativieve vochtigheid. Dit is soms foufief beschou als een water lekkage.
4. Accessoires
4.1 Accessoire lijst
| Anti-vibratie basis, 4 stuks | Aftap buis, 2 stuks | Watervaste kist, 1 stuk |
| 10M Signaal draad, 1 stul | Water drainagebuizen, 2 p# |
4.2 Accessores installment
| Anti-vibratie rubbers 1. Neem de 4 anti-vibratie rubber 2. Plaatst ze een voor een once de bodem van de machine zoa hetplaatje. | |
| Aftap buis 1. Installeerde aftap buis onder bodempaneel 2. Verbindt het met een water om het water af te tappen. Opmerking: Til de warmtepomp om de buis te installeren. Til de warmtepomp nooit te ver op, he kan de compressor beschaden. |

Water invoer &uitvoer verbinding
- Gebruik de buis tape om de water invoer &uitvoer verbinding op de warmtepomp te verblinker 2.Installerer de twee verbindig zoals op het plaatje getoond 3.Schroef ze op de water &verbinding

10M Signaal draad
- Neem een kant van het 10M
signaal draad, om te verbinden
de bediening. - De andere zijde door het ga
getrokken worden, zoals het pla
laat zien. - Verbindt het dan met het PC
bord in de machine: de bruine
draad --- eerste verbinding; de
blauwe draad --- tweede
verbinding; de gele draad --- de
verbinding.

KabelBedrading
-
Verbind de stroomverbinding draad door het witte gat zoals plaatje LASTZien.
-
Bevestig de andere ziche op verbindingen in de elektrische doos.

WaterpompBedrading
- Verbind de waterpomp draad door het witte gemarkeerde gat 2. Bevestig de andere zijde op verbindingen in de elektrische doos.
- De stippelijn deel worden alleen gebruikt bij sommige modellen
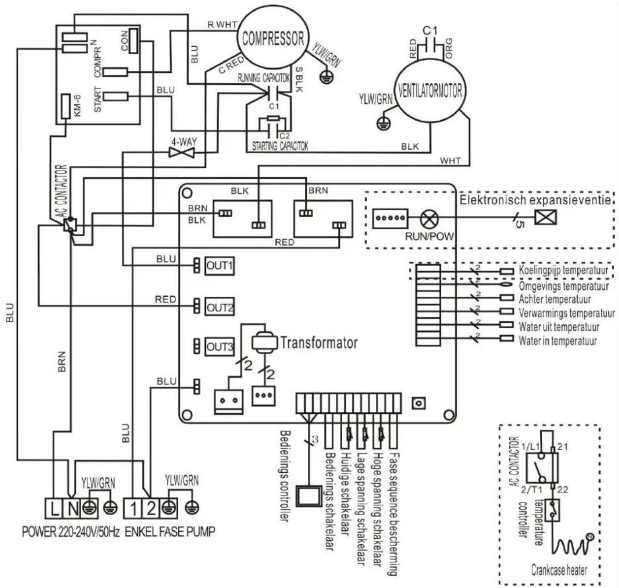
5.2 ZWEMBAD WARMTEPOMP BEDRADING SCHEMA
Hydro Pro 13

* De stippelijn deel worden alleen gebruikt bij sommige modellen
5.3 ZWEMBAD WARMTEPOMP BEDRADING SCHEMA
Hydro Pro 18/22

- De stippelijk deel worden alleen gezebruikt bij sommige modellen
5.4 ZWEMBAD WARMTEPOMP BEDRADING SCHEMA
Hydro Pro 26

* De stippellijn deel worden alleen gezebruikt bij sommige modellen
5.5 ZWEMBAD WARMTEPOMP BEDRADING SCHEMA
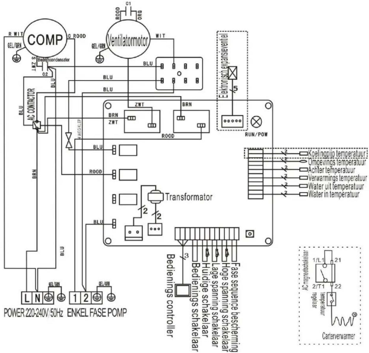
Hydro Pro 22T/26T

* De stippellijn deel worden alleen gebruikt bij sommige modellen
OPMERKING:
(1) Bovenstaande elektrisch bedrading schema is alleen ter referentie, onderwerp alstublieft de machine volgens het bedrangingschema.
(2) De zwembad warmtepomp moet ook verbonden worden met een aarding draad, alhoede warmtewisselaar van het apparaat elektrisch geisoleerd is van de rest van het appara Het aarden van het apparaat is nog steeds nodig om u te beschemen gegen kortsluiting het apparaat. Verbinding is ook nodig.
Afsluiting: Een afsluiting betekent (circuit onderbreken, gezekerde of nicht-gezekerde schakelaar)要去 geplaatst worden binnen het zich en of direct bereikbaar vanaf het apparaat. Dit is normaal gebruik op commerciele en residentiele warmtepompen. Het voorkomt het op afstand aan zetten van het apparaat en staat het afsluiten van de stro het apparaat toe terwijl het apparaat worden nagekeken.
5.6 Installatie van de schermbediening
Foto (1) Foto (2) Foto (3)



- Verwijdering en ofplaatsing van het bediening worden van de connector (photo 1)
- Installatie van de geleverde kabel (photo 2)
- Om de kabel door te voeren met het doorvoerpakket (photo 3) en beiden direct te vert
6. Scherm bediening systeem
6.1 De knoppen van de LED draad bediening

Wanner de warmtepomp aan is, toont het LED scherm de invoer watertemperatuur.
Wanner de warmtepomp op stand-by staat, toont het LED scherm de母公司 tijd.
6.2 Start of stop de warmtepomp.
Druk op om het warmtepomp apparaat te starten, het LED scherm toont de gewenste watertemperatuur voor 5 seconden, dan toont het de invoer watertemperatuur.
Druk op om het waterpomp apparaat stop te zetten.
Druk op zodat het "verwarming" of "koeling" lampje aan is.
6.4 Instelling van dechteijd
Op stand-by of werkende mode, druk lang op , druk dan op of om de uren/minute in te stellen.
Druk dan op nogmaals onder gegevens op te slaan.
Wanner u de tijd instelt, en kunnen nicht werken.
6.5 Watertemperatuur instelling:
Op stand-by of werkende mode, druk op en om de gewenste watertemperatuur in te stellen.
Opmerking ; de warmtepomp kan alleen werken als het water circulatie/filtratie sy draait.
6.6 Automatisch starten/stuppen van de warmtepomp
Om deijd in te stellen om het apparatusat te starten
Druk op om dearend in te stellen om het apparaat te starten, druk dan op of om de tijd bij te stellen (stel de tijd in te starten 5 minuten na de waterpomp).
Druk nogmaals op om de(AP) neue gegevens op te slaan.
Om de hijd in te stellen om het apparaat te stoppen
Druk op om dearend in te stellen om te stoppen met werken, druk dan op of om de tijd bij te stellen (stel de tijd in om te stoppen 5 minuten voor de waterpomp).
Druk nogmaals op om de(AP) neue gegevens op te slaan.
6.7 Uitschakelen van de automatische start/stop
Om de automatische starter uit te schakelen
Druk op, dan druk op, lampje uit en de automatische starter is uit.
Om de automatische starter in te schakelen
Druk op, dan druk op, lampje aan en de automatische starter is aan.
Opmerking ; Als het water filteren systeme wordt gestopt voor de warmtepomp, apparaat uitgaan (veiligheids maatregel) en de code EE3 of AAN verschijnt op o bediening.
- Het is belangrijk om de warmtepomp te programmeren tezamen met hetijdprogramma van het waterfiltratie system.
- Om de waterpomp te herstarten, schakel het UIT en zet de elektrische stroomvoorziening wee aan om het apparaat te herstarten.
7. Werking gegevens instelling
7.1 Hoe de parameters te controleren
Op stand-by of werkende mode, druk lang op voor 10 seconden, druk dan op of om de parameters te controleren (van O tot H, zie bediening parameter tabel).
7.2 Hoe de parameters bij te stellen (Kan alleen bijgesteld worden op standby mode)
1) Druk lang op voor 10 seconden, druk dan nogmaals op om de gegevens te selecteren (van O tot L, die bediening parameter tabel) die u bij wilt stellen.
2) Druk dan op of om de parameters bij de stellen, druk dan nogmaals op om de neue gegevens op te slaan.
3) Druk dan op of Kies de andere gegevens die u bij wilt stellen, herhaal de bovenstaande handelingen.


Merk alstublieft graag op:
A) Druk op "MODE" om de modus te kiezen (Mode kan alleen veranderd worden voor of "2" instelling van parameter 6)
B) Modus kan tijdens het werkken veranderd worden
C) Buitenstaander elektrische verwarming is nicht toepasbaar voor deze modes.
7.3 Hoe de huidige status te weten te komen

| Parameter | Betekent | Bereik | Standaard | Opmerkingen |
| 0 | Om de ingaande watertemperatuur in te stellen onder koeling mode | 8-35°C | 28°C | Verstelhaar |
| 1 | Om de ingaande watertemperatuur in te stellen onder verwarming mode | 15-40°C | 28°C | Verstelhaar |
| 2 | Opgave voor ontdooiingijdperiode | 30-90MIN | 40MIN | Verstelhaar |
| 3 | Termen van toegang ontdooiing functie | -30°Cto0°C | -7°C | Verstelhaar |
| 4 | Termen van uitgang ontdooiing | 2 to 30 | 20°C | Verstelhaar |
| 5 | Tijd van uitgang ontdooiing | 1 to 12MIN | 12MIN | Verstelhaar |
| 6 | Mode: 0 verwarming 1 verwarming en koeling | 0-1 | 1(verbarming en koeling) | Verstelhaar |
| 7 | Modekeuze van elektronische expansieklep | 0-1 | 1auto) | Verstelhaar |
| 8 | Oververhitting voor de verwarming van doelgroep | -15°C-15°C | 3°C | Verstelhaar |
| 9 | Oververhitting voor de koeling van doelgroep | -15°C-15°C | -2 °C | Verstelhaar |
| A | Handmatige aanpassing stappen van elektronische expansieklep | 18-94 | 70 | Verstelhaar |
| B | Inlaat watertemperatuur | -9-99°C | Exact onderzoek door de waarde | |
| C | Uitlaat watertemperatuur | -9-99°C | Exact onderzoek door de waarde | |
| D | Condensator temperatuur onder verwarming's mode | -9-99°C | Exact onderzoek door de waarde | |
| E | Gas terugkeer temperatuur | -9-99°C | Exact ander zoekt doo de waarde | |
| F | Omgevingstemperatuur | -9-99°C | Exact testing by value | |
| G | Condensator temperatuur onder koeling mode | -9-99°C | Exact onderzoek door de waarde | |
| H | Daadwerkelijkste stappen van elektronische expansieklep | N*5 | Exact onderzoek door de waarde | |
| L | Inlaat temperatuur van het wat kalibratie | -9.9-9.9°C | 0°C | Verstelhaar |
Opmerkingen:
(1) Wanner de HP stop met werken in 30 seconden, za de waterpomp automatisch uitschakelen
(2) LED draadregelaar kan de waterpomp accuraat bedieren na te zich verbonden door ε extra kabel aan het pomp apparaat in de positie van de “POMP” terminal.
(3) Het is nodig om een extra 3-fasen overdraging apparaat voor de 3-fasen waterpomp te sluiten.
8. Problemen
8.1 Fout code scherm op LED draad bediening
| Storing | Fout code | Reden | Oplossing |
| Inlaat watertemperatuur sensor foult | PP1 | De sensor is open of kortsluit | Controller of verander de sensor |
| Uitlaat watertemperatuur sensor foult | PP2 | De sensor is open of kortsluit | Controller of verander de sensor |
| Verwarming condensator sensor foult | PP3 | De sensor is open of kortsluit | Controller of verander de sensor |
| Gas terugkeer sensor fo | PP4 | Sluit enkele draad ten onrecht op dit punt | Bevestigen dat er niets op dit punt restart |
| Omgeving temperatuur sensor foult | PP5 | De sensor is open of kortsluit | Controller of verander de sensor |
| Temperatuurverschil tussen water in en uit hoog | PP6 | Waterstroom Niet genoeg, water drukverschil is te laag | Controller de waterstroom hoeveelheid of water vastgelopen is Niet |
| Koeling uitlaat watertemperatuur is te laag | PP7 | Waterstroom volume is Niet genoeg | Controller de waterstroom hoeveelheid of water vastgelopen is Niet |
| Eerste graad antivirus beschaming in de winte | PP7 | Omgevingstemperatuur van water inlaat is te laag | Waterpomp worden automaticisch aangezet voor eerste graad antivirusies |
| Tweede graad antivirus beschaming in de wente r | PP7 | Omgevingstemperatuur van water inlaat is te laag | Warmtepomp za beginnen met verwarmen voor tweede graad antivirusies |
| Koeling condensator sensor foult | PP8 | Sluit enkele draad ten onrecht op dit punt | Bevestigen dat er niets op dit punt restart |
| Hoge druk beschaming | EE1 | 1. Koelmiddel is te veel2. Luchtstroom is Niet genoeg | 1. Loos overtollig koelmiddel van H gas systeme2. Reinig de luchtwarmtewisselaar |
| Laren druk beschaming | EE2 | 1. Koelmiddel is Niet genoeg2. Waterstroom is Niet genoeg3. Filter geblokkeerd of capilla geblokkeerd | 1. Controller of er enige gaslekkag is, hervul het koelmiddel2. Reinig de luchtwarmtewisselaar3. Vervang het filter of capillair |
| Stroom doorvoer schakelaar gesloten | EE3 or "ON" | Lage waterstroom, verkeerde stroomrichting, of stroom doorvoer schakelaar foult. | Controller of er genoeg waterstroor is en doorstroming in de juiste rich of anders is de stroom doorvoer schakelaar stuk. |
| Stroomverbindingen verkeerd (voor 3-fasen apparaat) | EE4 | Verkeerde verbinding of gebreak aan verbinding | Controller de verbinding van de stroom kabel |
| Inlaat en uitlaat watertemperatuur verschil | EE5 | Waterstroom hoeveelheid is niengenoeg, waterdruk verschil is laag | Controllerde water stroomhoeveelheid, of het watersystem is geblokkeerd of Niet |
| Communicatie foult | EE8 | Draadverbinding is Niet goed | Controller de draadverbinding |
8.2 Andere fouten en oplossingen (Geen verschijning op LED draad controller)
| Storingen | Observering | Redenen | Oplossing |
| Warmtepomp werkt nicht | LED draad controller geen verschijning. | Geen stroomvoorziening | Check cable and circuit breaker if it is connected |
| LED draad controller toen de actueleijd. | Warmtepomp in stand-by status | Startup heat pump to run. | |
| LED draad controller toen de actuele watertemperatuur. | 1. Watertemperatuur bereihte ingestelde waarde HP onder constante temperatuur status. 2. Warmtepomp begint ne te lopen. 3. Onder ontdooien. | 1. Controller watertemperatuur instelling. 2. Start warmtepomp na een paar minutes. 3. LED draadcontroller moe vertonen "ontdooien". | |
| Watertemperatuur koelt wanner HP loopt onder verwarming's mode | LED draad controller vertoont actuèle watertemperatuur en er verschijnt geen fout code | 1. Verkeerde modus geselecteerd. 2. Cijfers tonen tekortkomingen. 3. Controller defect. | 1. Stel de goede modus i 2. Vervang de defecte LED draad controller, en controller dan de status n het veranderen van de werkende modus, controller de water inlaat en uitlaattemperatuur. 3. Vervangen of repareer h warmthepomp apparaat |
| Korte looptijd | LED toont actuèle watertemperatuur, er verschijnt geen fout code | 1. Ventilator draaait NIET. 2. Luchtventilator hij is ni genoeg. 3. Niet genoeg koelmiddel | 1. Controller de kabelverbindingenussen de motor en ventilator, wanne nodig,要去 het vervoen worden. 2. Controllerlocatie van het warmthepomp apparaat, en eliminerer alle obstakels om een goede luchtventilatie möglich te makeen. 3. Vervang of repareer het warmthepomp apparaat. |
| Water vlekken | Water vlekken op warmthepomp apparaat. | 1. Betonneren. 2. Water lekkage. | 1. Geen actie. 2. Controller de titanium warmthewisselaar zorgvuldig of het defect is. |
| Te veel ijss op overdamper | Te veel ijss op deverdamper. | 1. Controller de locatie va het warmtepomp apparaat, en elimineeer alle obstakels om een goede lucht ventilatie möglich te maker 2. Vervang of repareer het warmtepomp apparaat. |
9. Open geklapt diagram en onderhoud
9.1 Open geklapt diagram
Model 7 kw

| NO | Part Name | NO | Part Name |
| 1 | bovenklep | 27 | Uitlaat |
| 2 | bovenframe | 28 | Naald |
| 3 | Ambient temp. sensor | 29 | retourleiding |
| 4 | Ambient temp. sensor clip | 30 | Lagedrukschakelaar |
| 5 | Terug grill | 31 | Piping (4-weg klep maar wisselaar) |
| 6 | isolatie panel | 32 | Piping (4-weg klep maar collectieve pipe) |
| 7 | Verdamper | 33 | 4-weg ventiel |
| 8 | Pijler | 34 | Compressor |
| 9 | motor competitieprogramma | 35 | bodemplaat |
| 10 | linkerpaneel | 36 | Piping (wisselaar capillaire) |
| 11 | Motor | 37 | Warmtewisselaar |
| 12 | ventilatorblad | 38 | drainage plug |
| 13 | Voorpaneel | 39 | peilen |
| 14 | waterdichte doos | 40 | Aansluitkast |
| 15 | tonen | 41 | Klem |
| 16 | Ventilatie | 42 | 5-zits terminal |
| 17 | bedrading box | 43 | klemmendeksel |
| 18 | Elektrische deksel | 44 | Stromingsschakelaar |
| 19 | Transformer | 45 | rechts paneel |
| 20 | compressor condensator | 46 | verdeelpijp |
| 21 | Klem | 47 | collectieve pijp |
| 22 | motor condensator | 48 | Blauwe rubberen ring |
| 23 | PCB | 49 | wateraansluiting |
| 24 | scaleboard | 50 | Achterpaneel |
| 25 | elektrische doos | 51 | Rode rubberen ring |
| 26 | Hoge drukschakelaar |
Model 26kw

| NO | Part Name | NO | Part Name |
| 1 | bovenklep | 31 | Uitlaat |
| 2 | ventilatorblad | 32 | Hoge drukschakelaar |
| 3 | Motor | 33 | Filter tage |
| 4 | Top grill | 34 | Naald |
| 5 | rugpijler | 35 | collectieve pijp |
| 6 | / | 36 | 4-weg klep maar collectieve pipe |
| 7 | motor competitieprogramma | 37 | elektrische doos |
| 8 | Compressor | 38 | scaleboard |
| 9 | Verdamper | 39 | PCB |
| 10 | controleur | 40 | Transformerator |
| 11 | wateraansluiting | 41 | motor condensator |
| 12 | rubberen ring | 42 | Terminal |
| 13 | bodemplaat | 43 | Temp. controller armatuur |
| 14 | peilen | 44 | Temp. contrôleur |
| 15 | waterdichte verbinding | 45 | Klem |
| 16 | wateraansluiting | 46 | Terminal |
| 17 | rubberen ring | 47 | Wire deksel |
| 18 | Warmtewisselaar | 48 | Elektrische deksel |
| 19 | Stromingsschakelaar | 49 | AC schakelaar |
| 20 | Uitlaat water temp. sensor clip | 50 | Waterpomp terminal |
| 21 | Uitlaat water temp. sensor | 51 | Fase bescherming board |
| 22 | Inlet water temp. sensor clip | 52 | distributeur assemblage |
| 23 | Inlet water temp. sensor | 53 | capillaire assemblage |
| 24 | segregator | 54 | Lagedrukschakelaar |
| 25 | linkerpaneel | 55 | 4-weg klep maar segregator |
| 26 | Voorpaneel | 56 | 4-weg klep maar warmtewisselaar |
| 27 | Piping temp. sensor | 57 | 4-weg ventiel |
| 28 | Dienst panel 2 | 58 | retourleiding |
| 29 | Dienst panel 1 | 59 | Ambient temp. sensor |
| 30 | Elektrische doos steunpaneel | 60 | Ambient temp. sensor clip |
10. Onderhoud
(1) U moet het water voorziening systeme regelmatig controeren om te voorkomen dat lu het systeme binnentreedt en lage water doorvoer voorkomen, waarhat het de prestaties en betrouwbaarheid van het HP apparaat kan verminderen.
(2) Reinig uw zwembaden en filter systeme regelmatig om schade aan het apparaat te vermijden als een resultaat van een vuil of verstopt filter.
(3) U moet het water van de bodem van de waterpomp aftappen als het apparaat nicht gebruikt voor een langereperiode (specialtijdens het winterseizoen).
(4) In omgekeerde manier, moet u controlleden dat het apparaat volledig met water gevuld voordat u het apparaat weeopnieuw opstart.
(5) Nadat het apparaat gereedgemaakt is voor het winterseizoen, is het better om het te beschermen met een speciale winter verwarming pomp.
(6) Wanner het apparaat werk, is er de geheleijd een Klein water verlies onder het apparaat.
11. Garantie en terugzending
11.1 Garantie
BEPERKTE WAARBORG
Wij danken u voor de aankoop van onsze warmtepomp.
Deze waarborg dekt fabricage- en materiaalfouten voor alle onderdelen gedurende tweeaar vanaf aankoopdatum.
Deze waarborg is beperkt tot de eerste aankoper in hetkleinhandelscircuit, is Niet overdraagbae toepassing op producten die uit hun oorspronkelijke installmenteplaats verwijderd werden. De aansprak van de fabrikant reikt Niet verder dan de herstellung of verranging van defecte onderdelen en om Kosten voor gepresteerde uren om het defecte onderdeel te verwijderen en te herinstalleren of te aan de fabriek, noch de kosten verbonden aan andere materiailen die nodig+zijn om de herstellung. Deze waarborg dekt geen defecten die te wijten zich aan de volgende oorzaken:
- De installatie, de bcdicening of het onderhoud van het product werd nicht uitgevoerd volgen van de "Installatie & Instructie Handleiding" geleverd bij dit product.
- Gebrekkig werk aan het product verricht door een installateur.
- Het nicht handhaven van het juiste chemische evenwicht in het zwembad [pH tussen 7,0 en 7,8. Totale Alkaliniteit (TA) tussen 80 en 150 ppm. Gehalte aan vrij chloor tussen 0,5 en 1,2mg hoeveelheid opgeloste vaste stoffen (Total Dissolved Solids of TDS) minder dan 1200 p Zoutgehalte maximum 8g / l ].
- Verkeerd gebruik, modificatie, ongeval, brand, overstroming, blikkeminslag, knaagdieren, insect nalatigheid, verwaarlozing of force majeure (overmacht).
- Aanslag, bevriezing of andere omstandigheden die een correcte doorstroming van het water belemmeren.
- Het product bedieren bij een debiet dat buiten de gepublicicerde minimum- en maximumsp ligt.
- Gebruik van onderdelen of accessoires die nicht voor dit product vervaardigd werden.
- Chemische contaminatie van de verbruike lucht of verkeerd gebruik van ontsmetternde chen zoals het toevoegen van ontsmetternde chemicalien doorheen de aftschuimer of in de leidingo Voor de warmtepomp en de reinigingslang bevinden.
- Oververhitting, verkeerde elektrische verbindingen, verkeerde stroomtoevoer, nevenschade te w defecte O-ringen, diatomeeenfilters of patronen of schade voroorzaakt door het in werkingspomp in aanwezigheid van onvoldoende water.
AANSPRAKELIJKHEIDSBEPERKING
Dit is de enige waarborg gegeven door de fabrikant. Niemand heeft hetrecht om andere waarbor,onne naam.
DEZE WAARBORG VERVANGT ALLE ANDERE UITDRUKKELIJK GEGEVEN OF IMPLICIT WAARBORGEN, MET INBEGRIP VAN MAAR ZICH NIET BEPERKEND TOT ELKE IMPIWAARBORG VAN GESCHIKTHEID VOOR EEN BEPAALD DOEL EN VERKOOPBAARHEI WIJZEN UITDRUKKELIJK ELKE AANSPRAKELIJKHEID VAN DE HAND VOOR INDIRETCOEVALLIGE OF RESULTTERENDE SCHADE OF SCHADE MET EEN PUNITIEF KARAKT HET RESULTTAAT IS VAN DE OVERTREDING VAN EEN UITDRUKKELIJK GEGEVEN O IMPLICITE WAARBORG.
Deze waarborg geeft u specifieke wettelijk rechten, die naargelang het land konnen variieren.
AANSPRAAK MAKEN OP UW WAARBORG
Om een snelle behandeling van uw aanspraak op waarborg te bekomen, contacteel u uw verdeler hem de volgende informatie: aankoopbewijs, modelnummer, serialnummer en installmentdatum. De insta de fabriek contacteren voor het verkrijgen van aanwijzingen met betrekking tot de procedure volge aanspraak kan gemaatk worden op de waarborg en om te weten te komen waar zich het dichtst center bevindt.
Alle geretourneerde onderdelen要去en een RMA-nummer dragen zodate kan onderzocht worden of de waarborg crop van tocpassing is.
11.2 RMA-aanvraagformulier
| Bedrijf: | Datum: | |||||
| Adres: | ||||||
| Stad: | Postcode: | Land: | ||||
| Contact: | Tel: | |||||
| E-mail: | Fax: | |||||
| Contact: | Datum: |
| Voorbehonden voor intern gezruik | |||
| RMA #: | |||
| Toegekend door: | Datum: | ||
Retour voor: Kopie van klantenfactuur
toegevoegd?
| RMA-aanvraag vergezeld van andere documenten? | |
| Beschrijving van de documenten | |
| Model nr.: | Factuur nr.: | ||
| Serienummer: | Factuurdatum: | ||
| Probleem: | |||
Beleid voor herstelling onder waarborg:
- Verzendingskosten voor retourzendingen dienen vooraf vereffend teijken. Alle verzendingskosten verbonden aan een retourzending zichn volledig te uwen lasting.
- Producten können enkelaar ons terug gezonden worden mits voorafgaande toestemming van het bedrijf. Retourzendingen waarvoort het bedrijf geen toestemming heegt geveen zullenaar u terug gezonden worden; de kosten voor deze verzending zich volledig te uwen laste.
- Wij zullen de producten verrangen of herstellen en ze u allemaal gratis bezorgen via de door u gekozen verzendingsdienst.
- Indien u expresverzending verkiest (via een door u gekozen verzendingsdienst) zullen de verzendingskosten te uwen LASTe zich.
Retourprocedure:
- Gelieve alvorens bij ons een RMA-nummer aan te vragen te controlleren of u de installmente- en gebruiksrichtlijnen uit de handleiding goed hebt nageleefd.
- Bel once RMA-affedling op en vraag een RMA-aanvraagformulier aan.
- Zorg ervoor dat ALLE velden op het RMA-aanvraagformulier volledig zich ingevuld.
- Voor retourzendingen binnen de waarborgperiode dient u een kopie toe te voegen van het exemplaar bestemd voor de klant van uw originele verkoopsfactuur.
- Zend het RMA-aanvraagformulier, de verkoopsfactuur en eventuele andere documenten (photo's enz.) maar ons of bezorg het via e-mail. Een RMA-nummer zal u binnen 24 eer na ontvangst van de benodigde documenten worden toegeteend. Bij ontstentenis van de informatie vermeld bij punten (3) en (4), kan men weigeren om u een RMA-nummer toe te kennen.
- Het RMA-nummer dient goed leesbaar op het verzendingssetiket van het pakket en de op verzendingsformulieren aangeduid te worden.
- Alle producten die ons zonder etiket of met een verkeerd, onvolledig of onleesbaar etiket bereiken zullen geweigerd worden; terugzendingskosten zullen te uwen lastinge zich.
- Alle pakketten die bij levering aan ons met het blote oog waarneembare beschadigingen vertonen zullen zichondermeer geweigerd worden.
- Gelieve vooraf te controleren of de producten die u maar ons gaat verzenden bezelfde producten zich als deze waarvoor een RMA-nummer ward verstrekt. Indien de ontvangen producten Niet overeenkomen met de producten die ingeschreven werden onder het tocgekende RMA-nummer, zullen wij dcze allemaal te uwen Laste terugzenden.
- Geen enkele retourzending zonder RMA-nummer za aanvaard worden. Hierop worden absolutiert geen uitzonderingen togetstaan.
- Een RMA-nummer blijft slechts 21 kalenderdagen na+zijn toekenning geldig. We behouden ons hetrecht voor om geretourneerde producten te weigeren die meer dan 21 dagena de toekenningsdatum van het RMA-nummer werden ontvangen.
Producten die nicht (meer) door de waarborg gedekt worden:
De klant draagt de verzendings- en herstellingskosten. De geraamde herstellingskosten zullen worden_mccgedecld na diagnosestelling voor de geretourneerde producten.
De Kosten voor een diagnose bedragen 50,00 € ofmeer.
Doornhoek 4205 - 5465 TG Veghel - Nederland
P.O. Box 430 - 5460 AK Veghel - Nederland
T: +31-413747300
www.megagrouptrade.com -info@megagrouptrade.com
SimpelGids