YS1045 - Amplificateur de guitare TRAYNOR - Notice d'utilisation et mode d'emploi gratuit
Retrouvez gratuitement la notice de l'appareil YS1045 TRAYNOR au format PDF.
| Type de produit | Amplificateur de guitare |
| Caractéristiques techniques principales | Amplification à lampes, 45 Watts, 2 canaux |
| Alimentation électrique | 220-240 V, 50-60 Hz |
| Dimensions approximatives | 60 x 30 x 40 cm |
| Poids | 18 kg |
| Compatibilités | Compatible avec la plupart des guitares électriques |
| Type de batterie | Non applicable (amplificateur secteur) |
| Tension | Sortie à 8 Ohms |
| Puissance | 45 Watts RMS |
| Fonctions principales | Réglage de gain, égaliseur 3 bandes, reverb intégrée |
| Entretien et nettoyage | Nettoyer avec un chiffon doux, éviter l'humidité |
| Pièces détachées et réparabilité | Disponibilité des pièces chez le fabricant, réparabilité modérée |
| Sécurité | Utiliser sur une surface stable, éviter les surcharges électriques |
| Informations générales utiles | Garantie de 2 ans, support technique disponible |
FOIRE AUX QUESTIONS - YS1045 TRAYNOR
Questions des utilisateurs sur YS1045 TRAYNOR
0 question sur cet appareil. Repondez a celles que vous connaissez ou posez la votre.
Poser une nouvelle question sur cet appareil
Téléchargez la notice de votre Amplificateur de guitare au format PDF gratuitement ! Retrouvez votre notice YS1045 - TRAYNOR et reprennez votre appareil électronique en main. Sur cette page sont publiés tous les documents nécessaires à l'utilisation de votre appareil YS1045 de la marque TRAYNOR.
MODE D'EMPLOI YS1045 TRAYNOR
Ce symbole d'éclair avec tête de flèche dans un triangle équilatéral est prévu pour alerter l'utilisateur de la présence d'un « voltage dangereux » non-isolé à proximité de l'enceinte du produit qui pourrait être d'ampleur suffisante pourprésenter un risque dechoque électrique.

CAUTION AVIS
RISK OF ELECTRIC SHOCK DO NOT OPEN
RISQUE DE CHOC ELECTRIQUE NE PAS OUVRIR


Le point d'exclamation à l'intérieur d'un triangle équilatéral est prévu pour alerter l'utilisé de la présence d'instructions importantes dans la littérature accompagnant l'appareil en ce qui concerne l'opération et la maintenance de cet apparéil.
FOLLOW ALL INSTRUCTIONS
Instructions relatives au risque de feu, chocolélectrique, ou blessures aux personnes
AVIS: AFIN DE REDUIRE LES RISQUE DE CHOC ELECTRIQUE, N'ENLEVEZ PAS LE COUVERT (OU LE PANNEAU ARRIERÉ) NE CONTIENT AUCUNE PIECE
REPARABLE PAR L'UTILISATEUR.
CONSULTEZ UN TECHNICIEN QUALIFIE POUR L'ENTRETIENT
Veuillez Lire le Manuel: Il contient des informations qui devraient etes comprises avant I'opération de votre apparéil. Conservez. Gardez S.V.P. ces instructions pour consultations ultérieures et observerz tous les avertissements.
Nettoyez seulement avec le tissu sec.
Emballage: Conservez la boite au cas ou l'appareil avait etre returner pour réparation.
Avertissement: Pour réduire le risque de feu ou la décharge électrique, n'exposez pas cet apparéil à la pluie ou à l'humidité. N'utilisez pas cet apparéil pres de l'eau!
Attention: Lors de l'utilisation de produits électrique, assurez-vous d'adhérer à des précautions de bases incluant celle qui suivent:
Alimentation
L'appareil ne doit être branché qu'à une source d'alimentation correspondant au voltage spécifique dans le manuel ou tel qu'indiqué sur l'appareil. Cet appar收集 est équipé d'une prise d'alimentation polarisée. Ne pas utiliser cet appar收集 avec un cordon de raccordement à moins qu'il soit possible d'insérer complètement les trois lames. Des précautions doivent étres prises afin d'éviter que le système de mise à la terre de l'appareil ne soit désengageé.
Risque
Ne pas placer cet appareil sur un chariot, un support, un trèpied ou une table instables. L'appareil pourrait tomber et blesser quelqu'un ou subir des dommages importants. Utiliser seulement un chariot, un support, un trèpied ou une table recommends par le fabricant ou vendus avec le produit. SUIVE les instructions du fabricant pour installer l'appareil et utiliser les accessoires recommandés par le fabricant.
Il convient de ne pas placer sur l'appareil de sources de flammes nues, telles que des bougies allumées.
L'appeil ne doit pas être exposé à des égouttements d'eau ou des éclaboussures et qu'aucun object rempli de liquide tel que des vases ne doit être placé sur l'appareil.
Assurez que lappareil est fourni de la propre ventilation. Ne proceded pas à l'installation prés de source de chaleur tels que radiateurs, registre de chaleur, fours ou autres apparèils (incluant les amplificateurs) qui produit de la chaleur.
Les dispositifs marqués d'une symbole "d'éclair" sont des parties dangereuses au toucher et que les cablages extérieurs connectés à ces dispositifs de connection extérieure doivent être effectifs par un opérateur formé ou en utilisant des cordons déjà préparés.
Cordon d'Alimentation
Ne pas enlever le dispositif de sécurité sur la prise polarisée ou la prise avec tige de mise à la masse du cordon d'alimentation. Une prise polarisée dispose de deux lames dont une plus large que l'autre. Une prise avec tige de mise à la masse dispose de deux lames en plus d'une troisième tige qui connecte à la masse. La lame plus large ou la tige de mise à la masse est prévu pour votre sécurité. La prise murale est désuète si elle n'est pas conscience pour accepter ce type de prise avec dispositif de sécurité. Dans ce cas, contactez un electricien pour faire remplaçer la prise murale. Évitez d'endommager le cordon d'alimentation. N'UTILISEZ PAS L'APPAREIL si le cordon d'alimentation est endommagé.
Débranche cet apparéil durant les orages ou si inutilisé pendant de longues périodes.
Service
Consultez un technician qualifié pour l'entretien de votre apparéil.


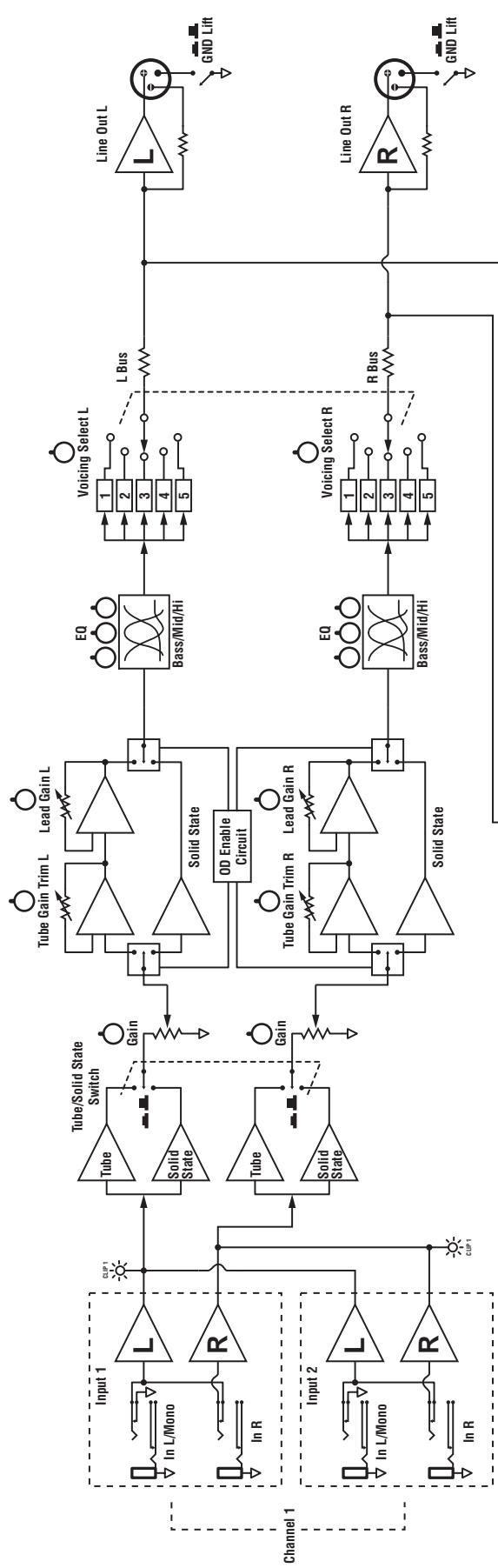
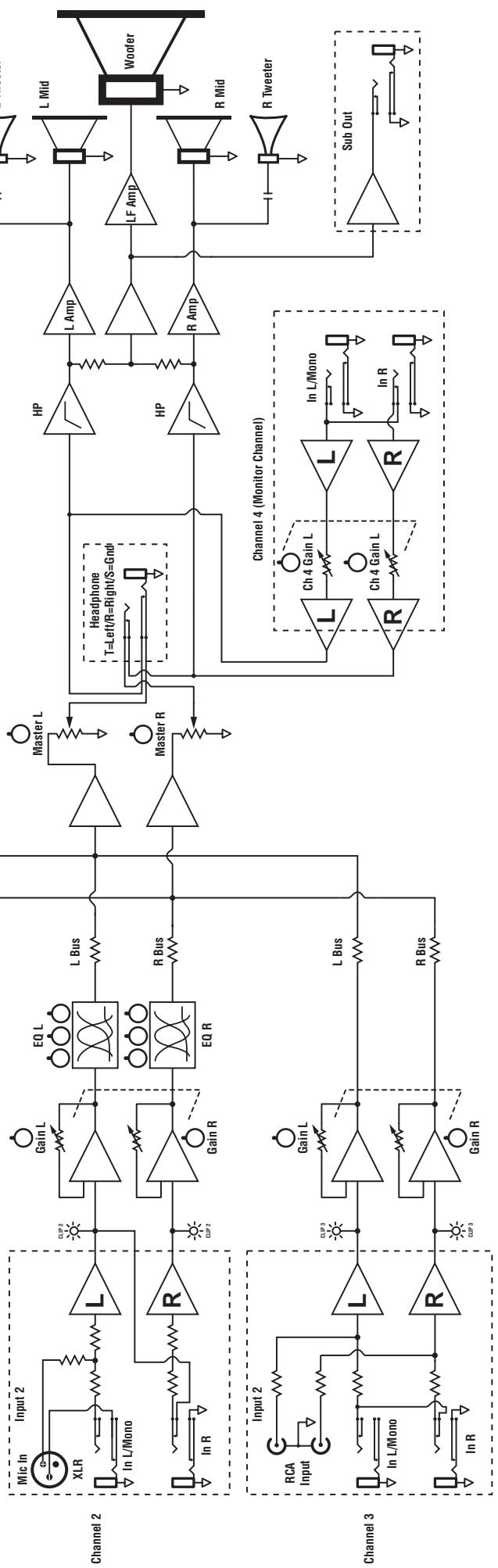
Traynor Keymaster K4
Le Traynor K4 est un amplificateur combo stéreo pour clavier qui est très polyvalent. Il a été conçu pour couvrir une gamme étendue du spectre sonore. Des caractéristiques simples pourtant robustes résultat en une sonorité merveilleuse et en un appeareil qui s'adapte facilement au besoin des musiciens en studio et en concert. Le Traynor K4 vous offre le contrôle total de votre vision- avec une quantité minimum de manipulation.
Le Traynor K4 est constitué de trois amplificateurs intégrés, offrant ainsi assez de puissance pour alimenter une opération stéreo veritable et un subwoofer intégral mono. Une paire d' amplificateur 50 watts entraînant les canaux de gauche et droite, livrant les fréquences medianes et aiguès par l'entremise d'un ensemble de haut-parleurs 4.5-pouces, drivers pour medianaes de 30 watts et une paire de drivers 2.5 pouces à compression de 20 watts (avec pavillons). Un amplificateur pour fréquences graves de 200 watts entraîne un woofer dynamique de 12 pouces de 200 watts.
Une paire de lampes 12AX7 apportent une sonorité classique aux entrées stéreo du canal 1. Ces lampes de préamplificateur offrent une sonorité chaude tout en adoucissant les harmoniques stridentes (souvent associées avec plusieurs claviers numériques modernes). La compression naturelle des lampes 12AX7 offre le type de dynamique第二节 qui ne peut être émulé avec la majorité des stations de travail numériques (DAWs) courament disponible. La chaleur et le caractère des synthétiseurs et des orgues classiques sont aussi réservés.
Le canal 1 offe en plus un controle Tube Overdrive, pour ces qu it aiment une sonorite plus ruguese. Sel on le niveau selectionne, suaon s peut s'enrober de la chaleur d'une nuance vintage - ou bruler avec l'agression d'un son overdrive. Utilisez cette caractéristique pour ajouter du corps a un son de clavier stérile, ou pour re-crier authentiquement I'mage d'un timbre classique de la sonorite à lampe. Un commutateur au pied à loquet simple, comme notre AFS-1, peut etre utilisé pour engager la caractéristique Lead/Overdrive. Quand un commutateur au pied est connecté, le selecteur du panneau avant est hors service. Un controle additionnel sur la tonalite est obtenu a I'aide de I'egalisateur a trois bandes et avec le selecteur de preréglage « voisiner » a 5 positions (By-pass, Studio, Live, Piano, Organ). Pour les situations ou une sonorite claire est preferee, un commutateur achemine le signal alternativement entre soit le préamplificateur a lampe ou le préamplificateur a semi-conducteur (contournant la lampe sur le circuit d'entrée).
Le canal 2 est équipé d'un contrôle de gain et d'un égalisateur à 3 bandes. On y retrouve une paire d'entrées symétriques 1/4-pouce PBM et une prise XLR individuel (pour opération mono seulement avec microphone).
Le canal 3 est aussi équipé d'un contrôle de gain indépendant pour ajuster le niveau pour la paire stéreo de prises symétriques 1/4-pouce PBM et le niveau des prises d'entrées stéreo RCA. Les trois canaux sont équipés d'une DEL d'échéage pour le niveau d'entrée (offrant ainsi une façon simple de garder un œil sur le niveau) et un contrôle de volume.
Les entrées et le contrôle de gain du canal 4 se retrouvent sur le panneau arrière. Ce canal auxiliaire offre une entrée additionnelle pour l'utilisation d'une plage « click » externe, pour le return du mélange de batterie, ou même un feed microphone de la console principale (ou console des retours). Ces entrées peuvent même être utilisées pour les retours de deux sources différentes. Le signal est acheminé directement à l'amplificateur de puissance, contournant entièrement le volume principal et les sorties lignes.


Caracteristiques
Panneau Avant
1 Un contrôle Master Volume est situé sur le panneau avant avec le commutateur et la DEL d'alimentation.
Contrôles du Panneau Avant Pour le Canal 1
② Deux paires paralleles de prise d'entrée PBM symétriques 1/4-pouce pour opération mono ou stéroide
③ contrôleurs de Gain, Bass, Mid, Treble avec augmentation/coupure de 15db
(4) Sélecteur voicing à 5 positions (Bypass, Studio, Live, Piano, Organ)
5 Suggesteur d'entrée Tube/Solid State
Contrôle Lead Nivaux
⑦ Contrôle Overdrive Trim (Employer pour préréglage a instrument simple seulement)
⑧ Commutateur Lead Bypass
DEL déprétaq d'entree
Contrôles du Panneau Avant Pour le Canal 2
Paires paralleles de prise XLR symétriques (mono seulement, pour utilisement avec microphones) et stéreo symétriques 1/4-inch PBM entrées opération pour mono ou stéreo
Gain, Bass, Mid, Treble contrôles
12 Entrée d'écrétage DEL
Contrôles Du Panneau Avant Pour Canal 3
13 Contrôle De Gain
Paire Parallele De Prise RCA Asymétrique et entrée stéréo symétriques 1/4-pouce PBM pour opération mono ou stéréo
DEL déprétagd'Entrée

Panneau Arrière
Entrée Monitor du Canal 4
Le canal 4 a été ajouté comme extra pour fin de monitoring. Le signal ne se mélange pas avec le signal du bus principal stéreo et par conséquent la sortie ligne n'est pas affectée. Cette entrée est équipée de son propre contrôle de niveau d'entrée. Les entrées de gauche et droite peuvent être utilisées pour deux sources de monitoring séparées et les signaux sont acheminés directement aux amplificateurs, contournant le volume principal.
Contrôles Pour le Canal 4 du Panneau Arrière:
16 contrôle de Gain
⑰ entrées Stéréo symétriques 1/4-pouce PBM pour opération mono ou stéréo
Sortie Subwoofer
L'appareil est équipé d'une prise de sortie PBM 1/4-pouce pour subwoofer. Ce signal mono n'est aucunement filtré, il peut donc être utilisé pour alimenter un subwoofer amplifié, une enceinte active éloignée ou n'importe quel autre apparéil nécessitant un signal mono pleine gamme.
Sorties Ligne Stéreo Symétriques XLR
19 Ces prises sont utilisées pour connecter directement à une console de mixage ou pour le raccordement direct pour l'enregistrement. Les prises de sortie ligne sont pré contrôle Master, l'augmentation ou la réduction du niveau de contrôle Master n'aura aucun effet sur le niveau de la prise de sortie Ligne.
Découpleur de Mise à la Masse
Le commutateur de découvertage de mise à la masse est situé à côté des prises XLR. Il découvert la tige de masse (tige 1) de la Sortie Ligne symétriques lorsque enforcé. Ce commutateur peut être utilisé pour réduire le bourdonnement créé par un mauvais circuit de mise à la masse.
Prise Pour Commutateur au Pied
② lorsqu'utilise en conjunction avec un commutateur au pied à bouton unique à verrouillage, comme notre AFS-1, le mode Tube Overdrive peut être activé ou désactiver à volonté.
Prise Pour Casque d'Écoute
L'appareil est aussi équipé d'une prise pour casque d'écoute 14 pouce qui est situé sur le panneau arrêté. Lorsqu'une fiche y est insérée, le signal à la sortie de l'amplificateur de puissance est coupé, le signal de sortie de monitoring du canal 4 n'est pas affecté par cette prise.
Système de Refroidissement
Deux ventilateurs de 3 pouces refroidissent le Traynor K4, Les ventilateurs commencent leur opération à une vitesse réduite, mais ils sont capables d'ajuster le taux de circulation d'air selon le degré de travail accomplit par les amplificateurs. L'entrée d'aération est située sur le dessus de l'enceinte et les sorties d'aération sont situées à l'avant et à l'arrière de l'amplificateur.
Attention: La bouche d'aération du dessus ne doit pas être obstruée. On doit permettre à l'air d'entrée dans les amplificateurs. Les bouches d'aération à l'avant et à l'arrière permettent à l'air chaud de sortir de l'appareil.
| Type | Amplificateur pour clavier |
| Puisance nominale de l'enceinte (Watts) | 300 |
| Configuration de haut-parleur- Graves (Dimension / Puisance) | 12-pouces/200-watts |
| Configuration de haut-parleur- Aiguës (Dimension / Puisance) | 2x4.5-pouces/50-watts / 2x2.5-pouces/50-watts |
| Réponse en Fréquence (Hz +/-3dB) | 20 - 20k |
| Canaux d'entrées | 4 |
| Canal 1 - entrées | 2 paires de prises Stéréo 1/4-pouces PBM |
| Canal 1 - contrôleles | Gain, EQ à 3 bandes, réglage de tonalité à 5 positions, |
| Canal 1 - sélecteurs | Lead/Overdrive, sélecteur d'entrée Tube/semi-conducteurs |
| Canal 2 - entrées | Paire de prises Stéréo 1/4-pouce PBM, mono XLR |
| Canal 2 - contrôleles | Gain, EQ à 3 bandes |
| Canal 3 - entrées | Paire de prises Stéréo 1/4-pouce PBM, stéréo RCA |
| Canal 3 - contrôleles | Gain |
| Canal 4 - entrées | Paire de prises Stéréo symétriques1/4-pouce PBM |
| Canal 4 - contrôleles | Gain |
| Contrôle Master Volume | Oui |
| Sensibilité d'entrée (mV) | C.1/2 - 500mV / C. 3 - 250mV |
| Sortie Ligne (type / configuration) | Stéréo XLR (Post EQ, Pré Master), Coupure de |
| Sensibilité - Sortie Ligne (Vrms) | 1Vrms |
| DEL indicatrices | Alimentation, Écrêtage, Lead/OD |
| Protection | Thermique |
| Prise pour Casque d'Écoute | Oui (Arrière) |
| Autres caractéristiques | Sortie 1/4-ipouce non-filtré additionné en un signal mono |
| Dimensions (PLH, pouces) | 15.5 / 23.3 / 19.6 |
| Dimensions (PLH, cm) | 39.4 / 59 / 50 |
| Poids (livres / kg) | 50 / 22.7 |

MODEL TYPE:YS1045
Block Diagram for Keymaster K4
DESIGNED & MANUFACTURED BY YORKVILLE SOUND


SERVICE BULLETIN
Remplacement des Lampes Pour le Préamplificateur K4
Les deux lampes 12AX7A/7025A sont à l'intérieur du chassin. Pourzheimer le chassin de I'enceinte suivez les instructions ci-dessous.
- Débranche toutes les connexions. Assurez-vous que le K4 est débranché du circuit CA et débranche tous les autres cables incluant les instruments.
- Assurez-vous aussi de débrancher le connecteur du haut-parleur, etsteroler ensuite le chassin de l'enceinte.
a) Enlevez les cinq boulons du dessus et desserrer les vis de la plaque d'event qui tiennent le chassin à l'enceinte; cela vous permettra de pousser le chassin vers
l'avant d'environ 2 pouces jusqu'à ce que les connexions du cable de raccordement pour haut-parleur à l'arrière gauche soient visibles.
b) Débranchez le connecteur en prenatal note de l'orientation du joint de verrouillage pour raccorder correctement le connecteur une fois les lampes changées. Continuez ensuite de pousser le chassinis vers l'avant jusqu'à ce qu'il soit sortie de l'enceinte.

Speaker Connection
Si en le sortant par l'avant, le chàssis se trouve Coincé sur le vinyle de l'enceinte, renversez le processus et poussez-le vers l'arrière de l'enceinte. Vous trouvez peut-être préféable d'insérer de minces bandes de plastique comme cale entre le chàssis et le cabinet pour réduire les chances d'accrochage.
-
Une fois le chassin enlevé, à l'aide d'un petit tournevis de type Phillips, enlevez les 20 vis utilisées pour fixer le couvercle au chassin. Les lampes sont situées pres du devant du chassin sur le côté gauche (vue du devant). Elles tiennent en place à l'aide d'une fixation qui doit être dévisée et enlevée avant que vous puissiez tirer les 12AX7/7025 de leur douille. Enlevez les vis des fixations et tirez les fixations vers le haut. Procedez au remplacement des deux lampes 12AX7A/7025A.
-
Réinstallé les fixations et le couvercle du chassin à l'aide des vis fournies.
- Glissez avec prudence le chassin dans l'enceinte en gardant les fils de haut-parleur accessibles; n'oubliez pas de reconnectcer les fils de haut-parleur avant de glisser l'appareil jusqu'à sa position finale.
- Réinstallé les gros boulons et reisserrez les vis de la plaque d'event.
REAL Gear.
REAL People.
Canada
Voice: (905) 837-8481
Fax: (905) 837-8746
U.S.A.
La garantie illimitée de deux ans de ce produit est transférable. Il n'est pas nécessaire de faire enregistrer votre nom auprès de Yorkville Sound ou de votre détaillant. Si, pour une raison quelconque, ce produit devient défectieux durant les deux années qui suivant la date d'achat initial, returnez-le simplement à votre détaillant Traynor avec la preuve d'achat original et il sera réparé gratuitement.
Les frais de port et de manutention ainsi que les dommages indirects ou dommages causés par désastres naturels, extréme humidité ou mauvaise installation ne sont pas couverts par cette garantie. Cette garantie ne couvre pas les produits consommables tels que lampes ou les piles. Les produits consommables ne sont garantie que pour 90 jours suivant la date d'achat. Voir votre détaillant Yorkville pour plus de détails. Cette garantie n'est valide qu'au Canada et aux États Unis d'Amérique.
REAL Gear.
REAL People.
Canada U.S.A.
Notice Facile