CENTRALE DOUBLE FLUX CAD HR MURAL - Ventilation UNELVENT - Notice d'utilisation et mode d'emploi gratuit
Retrouvez gratuitement la notice de l'appareil CENTRALE DOUBLE FLUX CAD HR MURAL UNELVENT au format PDF.
| Intitulé | Détails |
|---|---|
| Type de produit | Centrale double flux |
| Modèle | CAD HR MURAL |
| Alimentation électrique | 230 V / 50 Hz |
| Dimensions approximatives | 600 x 400 x 300 mm |
| Poids | 25 kg |
| Débit d'air | Jusqu'à 300 m³/h |
| Type de filtre | Filtres à air G4 et F7 |
| Fonctions principales | Récupération de chaleur, ventilation contrôlée |
| Niveau sonore | 35 dB(A) à vitesse minimale |
| Entretien et nettoyage | Filtres remplaçables, nettoyage des bouches d'aération recommandé tous les 6 mois |
| Pièces détachées et réparabilité | Disponibilité des pièces détachées assurée |
| Normes de sécurité | Conforme aux normes CE |
| Garantie | 2 ans |
| Compatibilités | Compatible avec les systèmes de chauffage et de climatisation standards |
FOIRE AUX QUESTIONS - CENTRALE DOUBLE FLUX CAD HR MURAL UNELVENT
Questions des utilisateurs sur CENTRALE DOUBLE FLUX CAD HR MURAL UNELVENT
0 question sur cet appareil. Repondez a celles que vous connaissez ou posez la votre.
Poser une nouvelle question sur cet appareil
Téléchargez la notice de votre Ventilation au format PDF gratuitement ! Retrouvez votre notice CENTRALE DOUBLE FLUX CAD HR MURAL - UNELVENT et reprennez votre appareil électronique en main. Sur cette page sont publiés tous les documents nécessaires à l'utilisation de votre appareil CENTRALE DOUBLE FLUX CAD HR MURAL de la marque UNELVENT.
MODE D'EMPLOI CENTRALE DOUBLE FLUX CAD HR MURAL UNELVENT
Texte de prescription
à telécharger sur
www.unelvent.com


Les plus
- Echangeur haut rendement jusqu'à 92%
- Débits de 200 à 1200 m3/h
- Isolation double peau
- Moteur basse consommation
- Régulation TAC avec commande déportée prête à brancher
Gamme
4 puissances :
450, 600, 800 et 1200 m3/h
- Versions : Intérieure : VI ou Extérieure : VE
- Montage : Horizontal ou vertical
(voir tableau ci-dessous)
Applications
- Ventilation double flux avec récapération des calories dans les locaux tertiaires
- Montage horizontal ou vertical
- Installation en intérieur ou extérieur
- Compatible avec les systèmes Ajustair et GéoVentilation (Puits Canadien/Provençal)

Locaux tertiaux

VENTILATION SYSTEM

- Caracteristiques techniques
Construction
- Caisson à structure en profilé aluminium extrudé anodisé
- Panneau double peau épaisseur 15mm
- Ventilateur double ouies à action
- Bac de récapération des condensats avec purgege Ø 20 mm
- Accès aux filtrés et à l'échangeur par la face principale grâce à un panneau amovible
- Raccordement des gains : en ligne
- IP 44 - Mise à terre obligatoire
- Régulation TAC avec commande déportée intégrée
Moteur
- Basse consommation, à courant continu, monophasé 230V-50Hz
Echangeur
- A contre-courant haut rendement efficacité jusqu'à 92% réalisé en aluminium
Filtre
G4 à l'extraction et à l'introduction d'air. Facilitation accessibles par la face principale
By pass
- 50% - gestion automatique
- Livre avec 3 sondes montées/câblées pour la gestion automatique du by-pass et de la protection antigel
Codification et prix
| Référence | Code | Installation | Montage | Débit (m3/h) | Tension (V) | Puisance totale Extraction pulsion (W) | Intensité absorbée maxi (A) | Poids (Kg) | |
| horizontal | Vertical | ||||||||
| CAD HR MURAL 450 VI | 240 080 | Intérieur | Oui | Oui | 450 | 230 | 500 | 2,9 | 76 |
| CAD HR MURAL 450 VE | 240 272 | Extérieur | Non | Oui | 450 | 230 | 500 | 2,9 | 93 |
| CAD HR MURAL 600 VI | 240 094 | Intérieur | Oui | Oui | 600 | 230 | 500 | 3,1 | 100 |
| CAD HR MURAL 600 VE | 240 083 | Extérieur | Non | Oui | 600 | 230 | 500 | 3,1 | 115 |
| CAD HR MURAL 800 VI | 240 087 | Intérieur | Oui | Oui | 800 | 230 | 1200 | 3,5 | 119 |
| CAD HR MURAL 800 VE | 240 273 | Extérieur | Non | Oui | 800 | 230 | 1200 | 3,5 | 133 |
| CAD HR MURAL 1200 VI | 240 164 | Intérieur | Oui | Oui | 1200 | 230 | 1200 | 5,2 | 172 |
| CAD HR MURAL 1200 VE | 240 274 | Extérieur | Non | Oui | 1200 | 230 | 1200 | 5,2 | 190 |
CENTRALES DOUBLE FLUX HAUT RENDEMENT 92%
Série CAD HR MURAL
■ REGULATION TAC prête à brancher
- Régulation complète permettant 3 modes de fonctionnement
- Le fonctionnement du ventilateur d'extraction est asservi au ventilateur de souffrage. Son débit correspond à une pourcentage du début de ventilateur de pulsion (généralement 100%)
- Régulation programmable et pilotage depuis la commande déportée

Commande déportée (RC)
-
La commande déportede permutation :
-
De saisir tous les paramètres de fonctionnement
- De contrôle les vitesses ventilateurs
-
De visualiser l'ensemble des paramètres et les alarmes
-
Raccordement à réaliser par l'installateur (longueur maxi 1000 m)
Commande déportée IP20. Pour un montage extérieur, il faut prévoir un boîtier étanche
Mode LS - Débit variable
Variation de la vitesse des ventilateurs par signal 0-10V
Valeur de consigne de début en fonction d'un signal 0-10V issu
d'une sonde extérieure (CO2, température, hygrométrie...)
- Pour une installation monozone, nécessitant une adaptation de la ventilation en fonction de l'occupation
Variation automatique de la vitesse des ventilateurs pour maintenir une pression constante
- Débit automatiquement modulé afin de maintainir une valeur de pression constante mesurée par une sonde externe (voir accessoires)
- Pour une installation de ventilation multizone, associées à une modulation des débits terminale
Mode CA - Débit constant
Vitesses des ventilateurs définies selon un débit précis
- 3 consignes maxi de débits constants, saisie des valeurs avec lecture sur afficheur
- Commutation entre les différentes consignes réalisée manuellement depuis la commande déportée ou automatiquement par horloge (non fournie) ou détention de présence
- Pour une installation nécessitant la maitrise d'un ou plusieurs débits précis
- Caracteristiques techniques de l'échangeur
Fonctionnement de l'échangeur en hiver
- L'air extrait traverse à contre-courant et cède la majeure partie de sa chaleur à l'air neuf insuffle : Economie d'énergie, pas ou peu besoin de batterie post-chauffage

1 - Interrupteur général pour alimentation en puissance des ventilateurs et de la régulation
2 - Boitier de raccordement centralisé du circuit (pré-câblé en usine)
3 - Ventilateur de pulsion
4 - Ventilateur d'extraction
5 - Echangeur de chaleur Air/Air
6-By-pass
7 - Bac de condensats et tuyau d'évacuation
Fonctionnement de l'échangeur en été
- Dans le cas de locaux climatisés, l'air extrait plus frais traverse l'échéateur et refroidit l'air neuf insufflé
Free Cooling - By-pass
- Le By-pass permet de court-circuiter partiellement (50%) l'échangeur pour réduire l'échange thermique
- Il s'utilise lorsque l'on souhaite diminuer la température ambiente alors que la température de l'air extérieur est plus BASSE, on parle de free cooling
Courbes aérauliques

CENTRALES DOUBLE FLUX HAUT RENDEMENT 92%
Série CAD HR MURAL
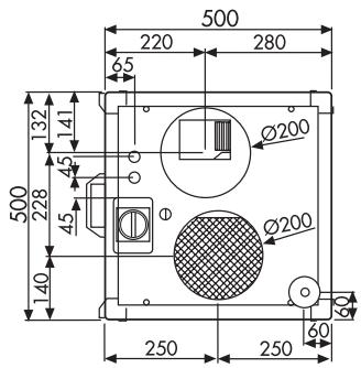
Dimensions (mm)

Air neuf

Air insuffle

Air extrait

Air rejeté

CAD HR MURAL 450 VI




CAD HR MURAL 450 VE



CAD HR MURAL 600 VI



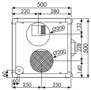
CENTRALES DOUBLE FLUX HAUT RENDEMENT 92%
Série CAD HR MURAL
Dimensions (mm)

Air neuf

Air insuffle

Air extrait

Air rejeté

CAD HR MURAL 600 VE



CAD HR MURAL 800 VI




CAD HR MURAL 800 VE


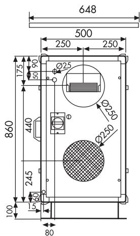
CENTRALES DOUBLE FLUX HAUT RENDEMENT 92%
Série CAD HR MURAL

Dimensions (mm)


CENTRALES DOUBLE FLUX HAUT RENDEMENT 92%
Série CAD HR MURAL
Accessoires

- Filtre de rechange G4 plat
| Type | Référence | Code |
| 450 | FG4 HRM 450 | 970 149 |
| 600 | FG4 HRM 600/800 | 970 150 |
| 800 | FG4 HRM 600/800 | 970 150 |
| 1200 | FG4 HRM 1200 | 970 151 |

- Manchette couple - M1
| Type | Référence | Code |
| 450 | MSF 200 | 975 616 |
| 600 | MSF 250 | 975 617 |
| 800 | MSF 315 | 975 618 |
| 1200 | MSF 355 | 975 619 |
Accessoires électriques

- Sonde CO2
| Référence | Code | Désignation |
| SCO2-010A | 700 078 | Mesure d'ambiance avec afficheur |
| SCO2-010G | 700 076 | Mesure en gaine |

- Sonde d'hygrométrie
| Référence | Code | Désignation |
| SHUR-010 | 700 073 | Hygrométrie 0-10V 0-100% HR montage mural |

- Câteur de présence
| Récédence | Code | Désignation |
| CPFL-S | 705 001 | Montage plafond en saillie |
| CPFL-E | 705 002 | Pontage encastré faux-plafond |

- Batterie électrique
| Référence | Code | Désignation |
| MBE-R 200/30B | 620 111 | Mono 230V - Ø 200 - 3 kW |
| MBE-R 250/60T | 620 114 | Tri 400V - Ø 250 - 6 kW |
| MBE-R 315/90T | 620 117 | Tri 400V - Ø 315 - 9 kW |
| MBE-R 315/120T | 620 118 | Tri 400V - Ø 315 - 12 kW |
Accessoires spécifiques pour les versions extérieures : nous consulter
Toiture
Volet de supression au refoulement
- Auvent pare-pluie à l'aspiration d'air neuf
- Socle
- Filtre de rechange F7 plat
| Type | Référence | Code |
| 450 | FF7 HRM 450 | 970 152 |
| 600 | FF7 HRM 600/800 | 970 153 |
| 800 | FF7 HRM 600/800 | 970 153 |
| 1200 | FF7 HRM 1200 | 970 154 |
- Plénum de raccordement circulaire air neuf extrait
| Type | Référence | Code |
| 1200 | HRMZ 01 1200 nu | 970 144 |
| 1200 | HRMZ 01 1200 isolé | 970 132 |
- Sonde de température
| Référence | Code | Désignation |
| STEM-010 | 700 074 | Temp. d'ambiance 0-10V 0-50°C |
| STEM-010A | 700 075 | Temp. d'ambiance afficheur 0-10V 0-50°C |
- Sonde de pression différentielle
| Référence | Code | Désignation |
| SPRD-010A | 700 080 | Sonde pression afficheur 0-10V 0-1000 Pa |
| SPRD-010B | 700 077 | Sonde pression en boitier 0,5-4,5V 0-800 Pa |
Notice Facile