PROFESSIONAL 1092 CONTINENTAL INDUCTION - Inductie FALCON - Gratis gebruiksaanwijzing en handleiding
Vind de handleiding van het apparaat gratis PROFESSIONAL 1092 CONTINENTAL INDUCTION FALCON in PDF-formaat.
Gebruikersvragen over PROFESSIONAL 1092 CONTINENTAL INDUCTION FALCON
0 vraag over dit apparaat. Beantwoord die u kent of stel uw eigen vraag.
Stel een nieuwe vraag over dit apparaat
Download de handleiding voor uw Inductie in PDF-formaat gratis! Vind uw handleiding PROFESSIONAL 1092 CONTINENTAL INDUCTION - FALCON en neem uw elektronisch apparaat weer in handen. Op deze pagina staan alle documenten die nodig zijn voor het gebruik van uw apparaat. PROFESSIONAL 1092 CONTINENTAL INDUCTION van het merk FALCON.
GEBRUIKSAANWIJZING PROFESSIONAL 1092 CONTINENTAL INDUCTION FALCON
Gebruikershandleiding en installment- en onderhoudsinstructies
François
| Veiligheid vooralles | 28 |
| Kookplaatbranders | 29 |
| Middenring wok | 30 |
| De grill | 31 |
| De ovens | 32 |
| Opslag | 35 |
| Het fornuis schoonmaken | 35 |
| Het fornuis verplaatsen | 37 |
| Problemen oplossen | 39 |
| Algemene veiligheidsvoorschriften | 40 |
| Onderhoud en reserveonderdelen | 42 |
| Installatie | 43 |
| Ombouwen | 43 |
| Onderhoud | 47 |
| Schakelschema | 52 |
| Technische gegevens | 53 |
Veiligkeit voor alles
Toegankelijke delen worden bij gebruik heet. Houdjonge kinderen uit de buurt om te voorkomen datze zich verbranden.
Net als mensen heeft ook uw fornuis behoefte aan schone, frisse lucht. De vlammen van de branders goven gassen,但它 en vocht af. Zorg ervoor dat de keuken goed geventileerd is: houd bestaande ventilatiegaten open of installeer een aangedreven afzuigkap die de dampen maar buiten toe afvoert. Indien u gedurende langeijd meerere branders van het fornuis tegelijk gebruikt, dient u een raam open te zetten of een ventilator aan te zetten. Meer informatie vindt u in de Aanwijzingen voor de installmentie.
Indien u nog nooit een gasfornuis hebt gebruikt,\ wordt u aangeraden allereerst het gedeelte\ 'Algemene veiligheidsvoorschriften 'te lezen.
Hieronder volgt een aantal algemene richtlijnen voor het veilig gebruik van het gasfornuis.
Gas en elektriciteit aan
Controller of gasvoeding en de stroomvoeding aangesloten en ingeschakeld zich. Het fornuis gebruikt stroom.
Vreemde geuren
De eerste keer dat u het fornuis gebruikt, geeft het wellicht een lichte geur af. Dit verdwijnt na korteijd.
Voordat u het fornuis voor het eerst gebruikt, dient u het een uu r lang op 200^ voor te verwarmen om eventuele productiegeuren te verdrijven.
Laat de grill 30 minutes lopen met de grillpan helemaalaarachterenopzijnplaatsgeduwd en de grilldeur open.
Zorg dat er voldoende buitenlucht de kamer in komt, door bijvoorbeeld de ramen te openen of de afzuigkap aan te zetten.
Kookplaatbranders
De tekening onder elke knop geeft aan welke brander met die knop bediend wordt. Er is een vonkontstekingsystem dat werkt als de knop ingedrukt worden. Elke brander is tevens uitgerust met een veiligheidsmechanisme dat de gastroevoer LAST stoppen als de vlam dooft.
Druk een knop in en draai\ deze maar het symbol\ voir de grote vlam ()。
Houd de knop ingedrukt zodate het gas een paar seconden door de brander kan stromen. De gesontsteking moet dan vonken afgeven en het gas aansteken.

Als de brander uitgaat wanner u de knop loslaat, hebt u Niet lang genoeg gewacht. Draai de knop maar de uitstand en wacht een minuut. Probeer het dan nogmaals maar houd de knop deze keer ieets langer ingedrukt.
U=kunt de hoogte van de vlam met behulp van de knop afregelen.

Dekleine vlam markeert de'lage stand'. Draai de knop daar naartoe als de inhoud van de pan aan de kook is.

Zorg dat de vlammen onder de pan blijven. Met een deksel op de pan worden de inhoud sneller aan de kook gebracht.

Gebruik geen paffen of ketels met een holle onderkant of met een uitstekende onderrand.

Het gebruik van sudderhulpmiddelen zoals matten van asbest of maas worden AFGERADEN. Dergelijk hulpmiddelen belemmeren de werkking van de branden en tasten wellicht de pannenroosters aan.

Gebruik geen onstabiele en verrormde pannen die makkelijk konnen kantelen, en gebruik geen pannen met een heelkleine diameter, zoals melkpannetjes, of pannetjes voor het pocheren van 1 ei.
Minimale panmaten
De aanbevolen minimumdiameter voor pannen is 120mm voor de buitenste branders en 160 mm. voor de middelste brander.
Als de bedieningsknop voor de kookplaat ingedrukt worden, worden er vonden afgegeven bij elke kookplaat. Dit is normaal.
Als na het aansteken de vlam van een kookplaatbrander uitgaat, draai deze dan uit en LAST de brander een minuut uit voordat u deze weer aansteekt.
U kunt de branderkop verwijderen voor het schoonmaken, zie 'Het fornuis schoonmaken'.
U要去 het fornuisoppervlak rond de kookplaatbranders zo snel möglichk afvegen als u gemorst hebt. Probeer dit te doeen als de kookplaat nog warm is.
Opmerking:
het gebruik van aluminium pannen kan metalen markeringen op het pannenrooster tot bevolg hebben. Dit heeft geen bevolgen voor de duurzaamheid van het email en u kunt het reinigen met een geschikt metaalpoetsmiddel.
Nederlandsls
Middenring wok
De wokring is gemaakt voor op de middelste brander. De ring past op geen enkele andere branderpaffenrooster.

U moet de ring zoplaatsen dat de uitsparingen in de ring precies op de uitstekende branderroosters zitten.

Wokken zijn er in een groot,aantal vormen en maten. Het is van belang dat de wok stevig staat. Als de wok te groot of te Klein is, kan deze nicht goed ondersteund worden door de ring. Om de wok goed te laten verwarmen, moet deze zich op de brander staan. Daarom bevelen wij aan dat u de wokring Niet gebruikt voor een wok met platte bodem.
Als u de ring plaatst, controller dan ofdezegood geplaatst is op de steunvingers van hetpannenrooster.
Zorg dat de ring stabiel staat en dat de wok nicht scheef op de ring staat.

De stellage worden erg heetijdens gebruik,aaS deze lang afkoelen voordat u hem oppakt.
Koken met de wok
U kunt een wok gebruiken voor vrij traditionele methodesuit de oosterse keuken:
roerbakken
aanbakken
■ frituren
stomen
smoren
Roerbakken is de bekendste en populairest methode uit de oosterse keuken geworden. Bij dit—helemaal handmatige proces wordt telkens één ingredient per keer toegevoegd. Door de relatief snelle bereidingstijd blijven kleur en voedingswaarden behouden en blijft het etenlekker knapperig.
Bij de andere vier kookmethoden voor de wok hoeft u Niet telkens te roeren. Voor deze methoden hebt u een stevigere onderkant nodig omdat er erg heet water of olie in de wok zit. Met de wokring hebt u een grotere stabiliteit bij deze kookmethodes, maar wees voorzichtig.
De Glide-Out™ grill
Voorzichtig: Tijdens gelebruik van de grill worden sommige van de onderdelen die binnen bereik zijn weltlicht heet. Houdjonge kinderen uit de buurt.
Voordat u de grill voor het eerst gebruikt,要去 ervoor zorgen dat al het verpakkingsmaterial is verwijderd. Om eventuele productiegeuren te verdrijven, dient u de grill 30 minutes te lately lopen met de grillpan hebEMAalaarachteren op+zijnplaats geduwd en de grilldeur open.
Zorg dat er voldoende buitenlucht de kamer in komt, door bijvoorbeeld de ramen te openen of de afzuigkap aan te zetten. We raden aan dat mensen met ademhalingsproblemen of een allergie de ruimte tijdens deze actie even verlaten.
De grill gebruiken.
Open de grilldeur en haal het grillpandraagstel waar voren met de hendel.

De grillpan worden zeer heet wanner de grill aan staat. Raak de pan of onderzetter uitsluitend aan als u er zeker van bent dat hij afgekoeld is.
Nadat u het eten op het grillrooster hebt geplaatst, schuift u het grilldraagstel de grillkamer in. Zorg dat u het helemaal maar binnen schuift.


Voor de Beste resultaten dient u de grillpan 2 minutes voor te verwarmen. Nadat u het eten op het grillpanrooster hebt geplaatst, schuift u het grilldraagstel maar binnen. Pas de hitte aan door aan de knop te draaien.
Zorg dat het grilldraagstel hebEMAal maar binnen is geschoven.
Doe in geen geval de grilldeur zich terwijl de grill aanstaat.
U mag de grill alleen kortstondig aanlaten als de grillpan maar voren getrokken is.
Het grillpanrooster kan op vier verschillende grillhoogtes geplaatst worden door voor- en achechterkant en boven- en onderkant te wisselen.




De grillpan en het grillpandraagstel kennen gemakkelijk verwijderd worden voor reiniging. Zie het onderdeel 'Het fornuis schoonmaken' in deze handleiding.
Nederlandsls
De ovens
Het fornuis wordt hettijdens gebruik. Zorg ervoor dat u de verhittingselementen in de oven nicht aanraakt.
Voordat u de ovens voor het eerst gebruikt, dient u ze een uu r lang op 200^ voor te verwarmen om eventuele productiegeuren te verdrijven. Zorg dat er voldoende buitenlucht de kamer in komt, door bijvoorbeeld de ramen te openen of de afzuigkap aan te zetten.
De linkeroven

De linkeroven is een multifunctionele oven. Naast de ovenventilator en het ventilatorelement is de oven uitgerust met twee extra verhittingselementen, eentje zichtaar bovenin de oven en de andere onder de ovenbodem. Pas op dat u het bovenelement en de elementdeflector Niet aanraakt als u etenswaar in de oven zet ofuit de oven verwijdert. Voor meer informatie over.Deze oven raadpleegt u het deel Multifunctionele oven'.


De multifunctionele oven heeft twee knoppen, een functieselectieknop en een temperatuurinstelknop.

Draai de
functieselectieknop
richting bakfungtie.

Draai de temperatuurknop voor de ovenrichting degewenste temperatuur.

Het ovenlampje gaat branden en dooft pas als de oven de ingestelde temperatuur bereikt heeft. Vervolgens gaat het lampjeijdens het bakken aan en uit.
De rechter oven

De ventilator in de rechtteroven circuleert de hete lucht continu, hetgeen leidt tot sneller en gelijkmatiger bakken.
De aanbevolen baktemperatuur voor een heteluchtoven is over het algemeen lager dan voor een conventionele oven.

De bediening voor de rechtter oven zit op de rechterkant van het bedieningspaneel.

Draai de temperatuurknop voor de ovenrichting degewenste temperatuur.

Het ovenlampje gaat branden en dooft pas als de oven de ingestelde temperatuur bereikt heeft. Vervolgens gaat het lampjeijdens het bakken aan en uit.
Functies multifunctionele ovens
De multifunctionele oven kan op vele manieren gebruikt worden. We raden u aan het bakproces goed in de gaten te honden totdat u vertrouwd bent met elke functie. Vergeet nicht dat nicht alle functies geschikt+zijn voor elk soort voedsel.

Ontdooien
Met deze functie worden er door de ventilator alleen koude lucht gecirculeerd. Er kommt geen hitte aan te pas. Hierdoor konnen keine gerechten als toetjes, taarten en stukken vlees, vis en gezogelte ontdooid worden.
Op deze manier ontdooien is sneller en zo können vliegen er nicht bij. Stukken vlees, vis en gezogelte dieren op een rek boven een plank geplaatst te worden om de druppels op te vangen. Niet vergeten het rek en de plank te reinigen na het ontdooien.
Houd de ovendeur dicht tijdens het ontdooien.
Hele kippen of huge stukken vlees dieren nicht op\ deze manier ontdooid te worden. Dit kurz u beter\ in de koelkast doeon.
Gebruik de oven Niet om voedsel te ontdooien als de oven warm is of als de oven ernaat heet is.
Controller of het zuivelproduct, het vlees of het gezogelte helemaal gaar is voordat u het bakt.

Heteluchtoven
Bij deze functie worden de ventilator en het verhittingselement eromheen gebruikt. Er worden een gelijkmatige把它 geleverd door de hele oven, zodate u grote hoeveelheden snel kunt bakken.
Het bakken in een heteluchtoven is vooral geschikt voor het bakken op verschillende roovers tegelijkkertijd. Het is een goede, veelzijdige functie. Wellicht is het nodig de temperatuur met ongeveer 10^ te verlagen, vergeleken met hoe u deze recepten in een conventionele oven bakte.
Als u de oven wilt voorverwarmen, moet u wachtent tot het ovenlampje uit is voordat u het voedsel in de oven plaatst.

Heteluchtgrillen in de oven
Bij deze functie worden de ventilator gezruikt met het bovenelement aan. Zo worden een meer gelijkmatige, minder intense hitte geleverd dan in een conventionele grill. Voor het Beste resultaat plaatst u het te grillen voedsel op een rooster boven een bakplaat diekleiner要去en dan een conventionele grillpan. Zo zorgt u voor een betere luchtcirculatie. Deze manier is ideaal voor het grillen van dikke stukken vlees of vis, odomat de circulerende lustch de intensiteit van de hitte in de grill vermindert. De ovendeur要去 gesloten blijvenijdens het grillen, zodat u energia bespaart. U zult ook merken dat u het voedsel Niet zo erg
in de gaten hoeft te houden en minder hoeft te draaien dan bij het normale grillen. Voor het bakken要去 u voorverwarmen bij deze functie.

Heteluchtoven
Bij deze functie worden er door de ventilator lucht gecirculeerd die verhit worden door de elementen boven- en onderin de oven. Door de combinatie van hetelucht en conventioneel bakken (hitte van onder en boven) is deze functie ideaal voor het bakken van grote gerechten die goed.gaar要去en worden, zoals grote stukken vlees. Het is ook möglichk om op twee roovers tegelijkkertijd te bakken. Dan要去en de tweegerechten omgewisseld worden tijdens het bakken,want bij deze functie is het bovenin heter dan onderin.
Dit is een snelle, intensieve manier van bakken; houd het bakproces goed in de gaten tot u vertrouwd bent met deze functie.

Conventionele oven (hitte van boven en onder)
Bij deze functie worden de hitte van de bovenste en onderste elementen gecombineerd. Deze functie is vooral geschikt voor het bakken van vlees en deeggerechten, cakes en koekjes. Het op het bovenste rooster gebakken voedsel za sneller bruinen en krokant worden dan op het onderste rooster, want het is bovenin de oven heter dan onderin, net als bij de functie 'heteluchtoven'. Zo要去 u ook de te bakken gerechten omwisselen voor gelijkmatig bakken. Dit betekent dat u voedsel waar verschillende temperatures voor nodig+zijn, tegelijkkertijd(Intkunt Bakken,umatu een koeler gebied onder in de oven hebt en een heter gebied bovenin.

Bruiningsection
Bij deze functie worden alleen het element boven in de oven gezebruikt. Het is een handige functie voor het bruinen of afwerken van pastagerechten, groenten in saus en lasagne, waar het te bruinen gerecht al heet is voordat overgeschakeld worden hier het bovenelement.

Onderhitte
Bij deze functie worden alleen het onderste element gezruikt. Zo worden uw pizza en de bodem van uw hartige taart krokant, en zo kunt u ook de bodem van zo'n taart voorbakken op een laag rooster. Het is ook een gematigde warmte, ideaal voor langzaam bakken van stoofschotels in het
Nederlandsls
midden van de oven, of voor het verwarmen van borden.
De functies voor het bruinen en de onderhitte zichn handige extra's in uw oven, waarmee u de flexibilititeit krijgt om uw gerechten perfect af te werken. In het gebruik zult u snel merken hoe u deze functieskestunt combineren om uw kookvaardigheid te vergroten.
Beide ovens
Voordat u de ovens voor het eerst gebruikt, dient u ze een uu r lang op 200^ voor te verwarmen om eventuele productiegeuren te verdrijven. Zorg dat er voldoende buitenlucht de kamer in komt, door bijvoorbeeld de ramen te openen of de afzuigkap aan te zetten.
Vergeet zich dat alle fornuizen anders zijn. De temperatuur in uw nieuwe Falcon ovens können andersং dan die van uw vorige fornuis.
Duw de ovenrekken.altijd helemaal tot achefterin de oven.
Bakplaten, vleespannen, en dergelijkme要去en midden op de ovenrekken geplaatst worden. Zet de platen en schotels Niet gegen de zichkanten van de oven aan, anders kan het gerecht te hard bruinen.
Voor gelijkmatig bruinen worden een maximale maat bakplaat aanbevolen van 340 bij 340 mm. voor de hoofdoven en 230 bij 320 mm. voor de grote oven.
Bij het bereiden van gerechten met een hoog vochtgehalte komt soms veel stoom vrij als u de ovendeur opentrekt. Ga Niet te zich bij de oven staan als u de deur opentrekt en LAST de stoom wegtrekken.
Zet de deur Niet langer open danoodzakelijk is als de oven aanstaat, anders worden de knappen weltlicht heet.
Laat.altijd een beetje ruimte tussen de gerechten opdezelfderekken;zo kan de hitte er vrijelijk omheen circuleren.
De 'Cook & Clean' bekledingsspanelen (zie 'Het fornuis schoonmaken') werken better als vetspetters vermeden worden. Bij het braden van vlees dient u het vlees af te dekken.
Indien u groenten aan het hare vet van een braadstuk gaat toevoegen, moet u de groente goeduitdrogen of van een dunne laag kookolie voorzien om spetterst te vermiijden.
Er komt voldoende但它 uit de oven tijdens het bakken om borden te verwarmen in de grill.
Als u de onderkant van een hartige taart wilt bruinen, verwarm dan een bakplaat 15 Minutes voor voordat u het gerecht in het midden van deplaatplaatst.
Als gerechtenijdens het bakken konnen gaan koken en druppen,plaats deze dan op een bakplaat.
Stoom
Bij het bereiden van gerechten met een hoog watergehalte (bijv. ovenfriet) verschijnt wellicht eenkleine hoeveelheid stoom bij de opening aan deachterkant van de kookplaat. Dit is heel normalaal.
De ovenrekken
Er+zijn 4standaard ovenrekken en 1laagrek.

A Standaardrek B Laagrek
Met uitzondering van de bovenste positie in de linker multifunctionele oven, waar alleen het lage rek in past,+kunnen allerekken op alle posities geplaatst worden. De ovenrekken worden tegenengehouden als zeaar voren worden getrokken, maar kunnen eenvoudig verwijderd en weer teruggeplaatst worden.
Derekkenmogenietdirectbovenelkaarwordenaangebrachte.Bijhetbakkenopmeerdanénrekmoetaltijdminstenseendglijderwordenvrijgelaten.Plaatsbakplaten,cakevormenofoverschotelsaltijd midden op hetovenrek.Voor de besteresultatentomoeutdeovenvoorverwarmen tothetindicatielichtje van de ovenuitgaat.



U staat het rek waar door het zo te houden dat de voorkantiets opgetild is en dechterkant van het rek op de zijgeleiders rust. Druk het rek maar dechterkant van de oven en LAST dan de voorkant zakken zodate op de zijgeleiders rust.
Opslag
In de lade onderinkest u ovenplaten en ander kookgerei opslaan.
Het kan er erg warm worden, dus berg er niets in op dat kan smelten of vlam kan vatten.
U=kunt de lade in+zijn geheel verwijderen om deze bijv. schoon te make.
Verwijderen van de lade
Trek de lade waar voren. Licht de uiteinden van de plastic clipjes op (aan beiden kanten) zodat de lade loskomt van de zijrails en trek tegelijkkertijd de lade waar voren en weg van de zijrails.

Druk voor de veriligheid de loopprails van de lade uit de weg.
De lade waar terugplaatsen
U staat de lade waar in het fornuis door de zijrails helemaal uit te trekken.

Plaats de lade voorzichtig weer:tussen de rails en
laat hem op de zijrails rusten.

Aan beiden kanten houdt u de voorkant van de lade vast en trekt u de zijrail waar voren zodat de klemmetjes in hun positie klikken zodat de lade vastzit in de zijrails.
Het fornuis schoonmaken
Voordat u grondig.gaat reinigen, moet u eerst de stroomtoevoeraar het fornuis aflsuiten.Denk eraan dat u het na afloop wee aansluit.
Gebruik in geen geval verfafbijtmiddelen, soda, bijtmiddelen, biologische poeders, bleek, bleekmiddelen met chloor, ruwe schuurmiddelen of zout. Meng geen verschillende schoonmaakmiddelen door elkaar - dit leidt wellicht tot gevaarlijke reacties.
Indien u het fornuis wilt verplaatsen om te kunnen schoonmaken, raadpleeg dan het gedeelte 'Het fornuis verplaatsen'.
Alle delen van het fornuis konnen met warm zoepwater worden schoongemaakt. Pas城县 op dat het zeepwater Niet bij het fornuis maar binnen sijpelt.
Roestvrijstalen kookplaat
Haal alle potten en pannen van de kookplaat af. Verwijder de pannenroosters op de getroffenplaats en leg ze voorzichtig in een gootsteenbak met warm zoepwater. Veeg de kookplaat schoon.
Vermijd het gebruik van schuurmiddelen, onder andere schuimreinigers, op oppervlakken van geborsteld roestvrij staal. Gebruik voor de beste resultaten een vloeibaar reinigingsmiddel.
Met koud water afspoelen en grondig drogen met een schone, zachte doek. Zorg ervoor dat alle onderdelen droog� voordat ze worden teruggeplaatst.
Kookplaatbranders
U=kunt de branderkoppen en-kappen verwijderen om ze schoon te make. Zorg ervoor dat ze goed droog+zijn voordat u ze wee aanbrengt.
Nederlandsls


Als u de branderkopplaatst, zorg dan datdezegood in+zijn voet zit.

brandervoet van kookplaat
onderkant van branderkop
Onderop de branderkop ziet u twee pitten;DEXE passen in de twee inkepingen in de brandervoet.

Stel vast dat de branderpooerten Niet zich geblokkeerd. Als deze verstopt zich, können hardnekkige deeltjes met een stukje zekeringdraad worden verwijderd.
Glide-Out™ grill
Voordat u bepaalde onderdelen van de grill verwijderd voor schoonmaken moet u ervoor zorgen dat ze zijn afgekoeld.
De grillpan dient met warm zeepwater te worden afgewassen. Indien de grillpan voor vlees of voor ander aankoekend eten is gebruikt, dient u de grillpan direct na gebruik enkele Minutes in de week te zetten in de gootsteen. Gebruik een nylon borstel om hardnekig vuil van de pan te verwijderen. U kurz de grillpan ook in de vaatwasser reinigen.
U verwijdert de steun voor de grillpan door deze waar voren te trekken.

U verwijdert het grilldraagstel door het op te tillen zodat de voorste roller vrij is van de zijarm.

De steun zit aan de zijrails vast met twee klemmen aan elke kant.
De zijarmenkestu ook verwijderen voor reiniging. Druk ze helemaal terug en til ze dan op van de rollers op de zijkanten van de grillkamer.
U staat de grillonderdelen weir terug door de zicharmen aan de rollers op de zijkanten van de grillkamer te haken.

Voor beiden kanten ondersteunt u de zijrail met uwene hand en tilt u de steun met uw andere hand van de zijklemmen af.
De aan de schuifrail bevestigde planta要去 hinterin zitten richting de zichwand van de kamer.
U staat het draagstel weeop de zijarmen dooreerst de zijarmen terug de grillkamer in te drukkenvoordat u dechterste rollers weeop de zijarmenlaat grijpen, en het dan maar achteren te schuiven.
Bedieningspaneel en ovendeuren
Gebruik voor de Beste resultaten wasvloeistof.
Gebruik voor het schoonmaken van het bedieningspaneel en de bedieningsknoppen een zachte, in warm zeepwater gedrenkte enuitgewrongen doek. Pas waar bij wel op dat het water Niet bij het fornuis maar binnen sijpelt. Neem het oppervlak af met een schone, vochtige doeken poets het droog met een droge doek. Maak de ovendeuren alleen schoon met een zachte, in warm zeepwater gedrenkte enuitgewrongen doek.
Reiniging van koperen onderdelen
Er worden naturulijk koper+zonder deklaag gebruikt voor een authenteke afwerking. Mettertijd kan er glansverlies optreden.
Om de glans waar terug te krijgen, moet u deze onderdelen reinigen met een geschikt metaalpoetsmiddel. Hardnekkige vlekken op de aluminium branderringen kut u verwijderen met een soortgelijk reinigingsmaterial. Zo krijgt u ook waarop waar een glans.
Oven
De inschuifrichels voor derekken aan de zijkanten van de oven konnen verwijderd worden voor reiniging.


U staat de+zijrichels wee daroor erst het lipje onderop de richel in de gleuf van de locatiebeugel in de zichwand van de oven teplaatsen.
Daarna staat u de bovenkanten van de zijarmen in de gaten boenin.
De panelen van de bijwanden van de oven zitten vast en{kunneniet verwijderd worden.Ze
hebben een deklaag van special email dat deels zelfreinigend is.
De laag beschermt de bekleding Niet volledig gegen krassen maar beperkt de handmatige reiniging wel tot een minimum.
De 'Cook & Clean' panelen werken better bij temperaturen boven de 200^ . Als u voornamelijk met lagere temperaturen bakt, verwijder dan af en toe de inschuifrichels en veeg de panelen af met een pluisvrije doek en een heet sopje. De panelen要去en daarna afgedroogd worden en de oven要去en een ur lang op 200^ verwarmd worden. Zo zorgt u ervoor dat de 'Cook & Clean' panelen goed blijven werken.
Gebruik geen staalwol (of andere stoffen die wellicht krassen op het oppervlak make). Gebruik geen ovenreinigingsdoekjes.
Het fornuis verplaatsen
Sluit de stroom af.
Het fornuis is zwaar en dient wellicht door twee mensen te worden opgetild. Het fornuis is voorzien van een wieltje aan de voorkant en twee aan de achterkant. Daarnaast heeft hij aan de voorkant twee stelvoeten die maar beneden+kennen worden gedraaid.
Het voorste wieltje kan maar beneden worden gedraaid om te helpen bij het verplaatsen van het fornuis. Het niveleerwerktuig voor dit wieltje bevindt zich in hetvak van de opsglade.
Om de lade te verwijderen, trekt u hem waar voren.
Til de uiteinden van de plastic clipjes (aan weerszijden) op om de grendeltjes waarmee de lade aan de schuifrails vastzit los te zetten en trek tegelijkkertijd de lade waar voren en van deschuifrails af. Omwille van de veiligheid dient u de schuifrails van de lade weeer aan de kant te duwen.

Het kan+zijn dat de installmenter het niveleerwerktuig Niet in de lade heeft achtergelaten.Indien u het niveleerwerktuig Niet kunt vinden, dient u contact op te nemen met de installmenter.De contactgegevens van de installmenter zich als het goed is opgeschreven in het gedeelte
Nederlandss
'Installatie' van de handleiding. Breng het werktuig aan zoals is afgebeeld.
Draai hetNVelleerwerktuig twee volle slagen (180^) met de klok mee. Het hoort stroef te+zijn. Naarmate het wieltje zakt,komt de voorkant van de oven ie's omhoog.
Doe de deur van de grill en de rechteroven open zodate u goed kunt vasthouden aan de onderkant van het bedieningspaneel terwijl u de oven verplaatst.
Houd de ovenijdens het verplaatsen Niet vast aan de handrail, deurhendels of bedieningsknoppen.
Verplaats de oven stukje bij stukje en contrôleer telkens of de gasslang Niet is blijven haken. Zorgijdens het verplaatsen van het fornuis telkens dat de stroomkabel en de gasleiding voldoende speling hebben.
Indien het fornuis van een stabiliteitsketting voorzien is, dient u deze los te koppelen terwijl u het fornuis er voorzichtiguit trekt.
Als u het fornuis teruggeplaatst hebt, dient u het niveleerwerktuig gegen de klok in te draaien om het te lately zakken. Dit isCCCCCC. Het voorkomt dat het fornuis wegrolt tijdens gebruik.
De lade waar terugplaatsen
U staat de lade waar in het fornuis door de zijrails helemaal uit te trekken.

Plaats de lade voorzichtig weer:tussen derails en.
laat hem op de zijrails rusten.

Aan beiden kanten houdt u de voorkant van de lade vast en trekt u de zijrail waar voren zodat de klemmetjes in hun positie klikken zodat de lade vastzit in de zijrails.
Problemen oplossen
Bij het koken van voedselproducten met een hoog watergehalte (bijv. ovenfriet), komt er wat stoomuit de opening aan de achterkant. Wees voorzichtig als u de ovendeur opentrekt, aangezien er soms veel stoom vrijkomt. Ga Niet te zich bij de oven staan en LAST de stoom wegtrekken.
De ovenventilator maakt geluid
De toon van de ovenventilator verandert soms naarmate de oven opwarmt – dat is heel normal.
De knappen worden heet als ik de oven of de grill gekruik. Kan ik dit voorkomen?
Ja, de knappen worden heet door de hitte die uit de oven of de grill opstijgt. Doe de ovendeur zicht. Zorg datijdens het grillen de grillpan—helemaal maar binnen gedrukt is.
Indien er een probleem is met de installment, en de oorspronkelijke installeur kan het nicht komen repareren, wie betaalt de kosten dan?
U betaalt de kosten. Onderhoudsbedrijven rekenen voor hetrechtzetten van het werk van de oorspronkelijke installmenter. Het is in uw voordeel om de oorspronkelijke installmenter in te schakelen.
Aardlekschakelaars met stroomsturing
Indien het fornuis is voorzien van een aardlekschakelaar (RCD) met een gevoeligheid van 30 milliampere, is het möglichk dat de schakelaar omslaat wanner het fornuis geluktijdig met andere huishoudelijk apparaten worden gezruikt. In dergelijk gevallen dient de stroomkring van het fornuis wellicht te worden voorzien van een schakelaar van 100mA . Dit werk dient uitsluitend door een bevoegt elektricien te worden verricht.
Het eten kookt te langzaam, te snel of brandt aan
De baktijden van deze oven wijken weltlicht af van uw vorige oven. U(Int)kunt de temperatuur waar wens aanpassen om de gewenste resultaten te bereiken.Probeer eens op een andere temperatuur te bakken.
Het eten worden nicht gelijkmatig waar in de oven
Gebruik geen schaal ofplaat die groter is dan 340 bij 340~mm
Indien u een groot gerecht bereidt, moet u het tijdens het koken omdraaien.
Indien u tweerekken gebruikt, dient u voor voldoende:tussenruimte te zorgen, zodat de warmte goed kan circuleren. Plaats de bakplaat altijd op het midden van het ovenrek.
Controller of de deurafdichting beschadigd is en of de deurgrendel dusdanig is ingesteld dat de deur stevig gegen de afdichting aan worden gehonden.
Indien u een kom met water op het ovenrekplaatst, dient deze waterpas te staan. (Indien het bijvoorbeeld achteraan dieper is, dient u deachterkant van het fornuis omhoog te brengen of de voorkant te lately zakken.) Indien het fornuis Niet waterpas staat, dient u de leverancier te raadplegen om het te lately bijstellen.
De oventemperatuur stijgt naarmate het fornuis veroudert
Indien het Niet helpt of slechts tijdelijk helpt als u de ovenknop lager zet, hebt u wellicht een neue thermostat nodig. Dethermostat dient door een onderhoudstechnicus te worden geinstallerd.
De grill werkt nicht goed
Gebruikt u de met het fornuis bijgeleverde pan en treeft? Wordt de pan gebruikt op het grilldraagstel en Niet op de bodem van het compartment? Is de grillplaat hebemaal tot aan de aanslag teruggeduwd?
De kookplaatontsteking of kookplaatbranders storen
Is de stroom aangesloten?
Zit er vuil op de ontstekingselektrode of de sleuven van de branders?
Zijn de branderkappen goed aangebracht?
Kookplaatbranders gaan nicht aan
Als slechts een of alle kookplaatbranders Niet aan wilen, controller dan of ze weer correct geplaatst zich na het afvegen of verwijderen voor reiniging.
Controleer of de gastoevoer in orde is. U kurz dit doeon door te controleren of uw andere gasapparaten goed werken.
Geven de branders vonken af als u de bedieningsknop indrukt? Zo nee, controller dan of de stroomtoevoer in orde is.
Algemene veiligheidsvoorschriften
Dit fornuis dient door een bevoegd persoon te worden geinstalleerd in overeenstemming met de aanwijzingen voor de installmente. De installmentie dient aan de relevante voorschriften alsmede de vereisten van hetplaatselijke energiebedrijf te voldoen.
Indien u gas ruikt
Geen stroomschakelaars aan- of uitzetten Niet roken
Geen open vuur gebruiken
Het gas Niet uitzetten bij de meter of cilinder
Doe de deuren en ramen open om het gas te soften ontsnappen
Bel het gasbedrijf
Dit fornuis is uitsluitend bedoeld voor huishoudelijk gebruik. Indien het voor andere doeleinden worden gebruikt, maakt dit eventuele garantie- of aansprakelijkkeidsclaims wellicht onteldig.
Bij het gebruik van een gasfornuis komt er warmte en vocht vrij in de ruimte waarin het fornuis gebruikt worden. Zorg ervoor dat de keuken goed geventileerd is: houd bestaande ventilatiegaten open of installerer een Mechanische ventilator (mechanische afzuigkap).
Bij langdurig intensief gebruik is wellicht meer ventilatie nodig,zet dan bijvoorbeeld een raam open. Gebruik eventueel aangebrachte luchtverversers of afzuigkappen.
Het fornuis mag uitsluitend worden gerepareerd door een bevoegd onderhoudstechnicus en er mogen uitsluitend goedgekeurde reserveonderdelen worden gebruikt. Vraag de installmenteur om u de bedieningsschakelaar van het fornuis te latent zien. Markeer de schakelaar zodat u hem makkelijk kurz vinden. Voordat er met schoonmaken of onderhoudswerk worden begonnen, dient u het fornuis algijd eerst te latent afkoelen en de stroom af te sluiten, tenzij deze handleidingiets anders aangeeft.
Alle onderdelen van het fornuis hunnen heet worden en blijven na het koken eenijd heet.
Wees voorzichtig bij het aanraken van het fornuis om brandwonden te voorkomen. Zorg ervoor dat
Nederlandsls
de knoppen.altijd in de uit-stand staan en dat het fornuis afgekoeld is voordat u het reinigt.
Gebruik droge ovenwanten indien möglich. Bij gebruik van vochtige wantenkest u zich aan de stoom branden als u een heet oppervlak anraakt. Bedien het fornuis Niet met natte handen.
Gebruik geen handdoeken of andere dikke doeken inplaats van een ovenwant. Dergelijkde doeken kuren vlam vatten indien ze met een heet oppervlak in aanraking komen.
Wees voorzichtig bij het schoonmaken. Indien u een natte spons of doek gebruikt om gemorste resten van een heet oppervlak af te vegen, dient u op te passen dat u zich Niet aan de stoom brandt. Sommige schoonmaakmiddelen veroorzaken schadelijke dampen wanner ze met hete oppervlakken in aanraking komen.
Gebruik geen onstabiele steelpannen en LAST de steel nooit aan de voorkant van de kookplaatuitsteken.
Zorg ervoor dat baby's, peuters enjonge kinderen te allenijd euit de buurt van het fornuis blijven. Laat kinderen Niet op het fornuis zitten of staan. Leer ze om Niet met de knappen of andere delen van het fornuis te spelen.
Berg voorwerpen die voor kinderen interessant zijn Niet op in kasten boven het fornuis; klimmen op het fornuis kan tot ernstige verwondingen leiden.
Maak uitsluitend de in deze handleiding vermelde onderdelen schoon.
Omwille van de hygiène en de veiligheid dient het fornuis te allen tijde schoon te worden gehonden, aangezien vet en andere resten vlam können vatten.
Zorg ervoor dat het fornuis op een veilige afstand van brandbare wandbekleding en gordijnen endergelijke staat.
Gebruik geen spuitbussen in de buurt van het fornuis terwijl het fornuis aanstaat.
Bewaar en gebruik geen brandbare stoffen en ontvlambare vloeistoffen in de buurt van het fornuis.
Probeer vetbranden nicht met water te doven. Pak brandende pannen nooit op. Draai de bedieningsknoppenuit. Doof de vlammen door de pan volledig af te dekken met een deksel van de juiste maat of met een bakplaat. Gebruik een universeel poeder- of schuimblusapparaat, indien beschikbaar.
Laat de kookplaat nooit zonder toezicht aanstaan op een hoge temperatuur. Overkokende pannen kunnen rook veroorzaken en gemorst vet kan vlam vatten.
Draag geen loszittende of -hangende kleding tijdens gebruik van het fornuis. Wees voorzichtig als u ietsuit kasten boven de kookplaat pact. Brandbare stoffen hunnen vlam vatten indien zemet een heet oppervlak in aanraking komen en kunnen ernstige brandwonden veroorzaken.
Pas op bij het verwarmen van vet en olie, aangeziendeze vlam+kunnen vatten als ze te heet worden.
Gebruik een frituurthermometer, indien möglichk, om te voorkomen dat het vet boven het rookpunt worden verhit.
Laat frituurpannen nooit zonder toezicht aanstaan. Verwarm vet alkijd langzaam en onder toezicht. Frituurpannen dienen slechts voor een derde vol vet te zitten. Indien u te veel vet in de pan doet, kan de pan overstromen wonneer u er eten bij doet. Indien u verschillende soorten olie of vet combineert bij het frituren, dient u de olie te vermengen voordat u het verhit, of, in het geval van vet, terwijl het smelt.
Het voedsel dat u gaat frituren dient zo droog mogelijk teijken. De rijp op diepvriesproducten of het vocht op verse voedselproducten können het hete vet doein bruisen en overstromen. Wanneer u op hoge of gemiddelde temperaturen frituurt, dient u het vet goed in de gaten te houden zodat het nicht overstroomt of oververhit. Probeer nooit om pannen met heet het vet te verplaatsen, vooral geen frituurpannen. Wacht tot het vet is afgekoeld.
Terwijl de grill aanstaat, dient u de bovenkant van het rookkanaal (de sleuf aan de achterkant van het fornuis) Niet te gebruiken om borden of schalen opte warmen, theedoeken te drogen of boter zacht te makesen.
Bij gebruik van elektrische apparaten in de buurt van het fornuis dient u op te passen dat het snoer van het fornuis Niet in aanraking komt met de kookplaat.
Pas op dat er geen water bij het fornuis waar binnen sijpelt.
Alleen schalen van bepaalde soorten glas, glaskeramiek, aardewerk en andere verglaasdeschalen ofkommen zicht voor gebruik op de kookplaat; andere soorten+kennen breken alsgevolg van de plotselinge temperatuurverandering.
Laat niemand op het fornuis klimmen of staan, of eraan hangen.
Dek derekken, debekleding en het bovenpaneel van de oven Niet af met aluminiumfolie.
Verwarm in geen geval ongeopende voedselcontainers. De drukopbouw kan de container doeon stukbarsten, hetgeen letsel kanveroorzaken.
Het fornuis isuitsluitend bedoeld voor het bereiden van voedsel en mag Niet voor andere doeleinden worden gezruikt.
De oven mag NIET gezebruikt worden voor het verwarmen van de keuken. Zo verspilt u brandstof en de bedieningsknoppen kunnen oververhitten.
Laat de ovendeur NIET langer danoodzakelijk openstaan terwijl de oven aanstaat.
De specificatie van dit fornuis dient nicht te worden gewijzigd.
Dit fornuis is zwaar, wees voorzichtig bij het tillen.
Zorg ervoor dat de bedieningsknoppen in de uitstand staan als het fornuis nicht in gebruik is.
Onderhoud en reserveonderdelen
Vul de onderstaande gegevens over het fornuis in en bewaar ze op een veilige plaats voor het geval u ze in de toekomst nodig hebt. Deze gegevens helpen ons om uw fornuis nauwkeurig te identificeren, zodate we u better konnen helpen. Als u de gegevens nu invult, scheelt datijd en ongemak mocht er zich later een probleem met het fornuis voordoen. Bovendien kan het nuttig+zijn samen met deze folder de aankoopbon te bewaren. Het kan�zDat u om de bon gesvaagd worden als er iemand langskomt in verband met de garantie.
| Gassoort: Dual Fuel (twee soften brandstof) |
| Naam fornuis en kleur*: Falcon 1092 DL |
| Serienummer fornuis*: |
| Naam en adres winkelier: |
| Datum aankoop: |
| Naam en adres installateur: |
| Datum installment: |
- Deze gegevens staan op het gegevensplaatje van het fornuis aangegeven.
In geval van problemen
In het onwaarschijnlijke geval dat er zich een probleem voordoet met het fornuis, dient u eerst de rest van dit boekje te raadplegen, met name het gedeelte 'Problemen oplossen', om te controleren of u het fornuis op de juiste manier gebruikt.
Nederlandsls
Indien u nog steeds problemen hebt, neem dan contact op met de winkel.
Let op
Indien de garantieperiode van het fornuis.
verstreken is, brengt once onderhoudsleverancier u.
wellicht voorrijkosten in rekening.
Indien u een technicus oproept en de storing valt nicht onder de verantwoordelijkheid van de fabrikant, is onsze onderhoudsleverancier gerechtigd u hiervoort te latent betalen.
Indien u er nicht bent op de afgesproken vrijd,kest u waar voor moeten betalen.
Buiten de garantie
Wij bevelen aan once fornuizen gedurende de gebruiksduur regelmatig te onderhouden om de Beste resultaten en efficiente te verkrijgen.
Het onderhoudswerk dient uitsluitend door technisch bedreven en daartoe bevoegd personeel te worden verricht.
Reserveonderdelen
Voor de Beste resultaten en een veilige werkig dwellen uitsluitend originele reserveonderdelen te worden gebruikt. Gebruik geen opgeknapte of Nietgoedgekeurde gasregelingsonderdelen. Raadpleeg de winkelier.
Installatie
Dit fornuis is uitsluitend bedoeld voor huishoudelijk gebruik. Indien het voor andere doeleinden worden gezruikt, maakt dit eventuele garantie- of aansprakelijkkeidsclaims wellicht onteldig.
Controleer vór de installmentie of het fornuis geschikt is voor uw gassoort en voedingsspanning. Zie het gevevensplaatje van het fornuis.
Controleer het gevegensplaatje om te bepalen voor welk soort gas het fornuis geschikt is.
Ombouwen
Het fornuis is geleverd als:
G 20 20millibar
Met het fornuis worden een ombouwset bijgeleverd zodate het kan worden omgebouwd voor gezruik met andere gassoorten. Indien het fornuis dient te worden omgebouwd voor gezruik met een andere gassoort, raden we aan dit vórór de installmentie te doeon. Zie de ombouwinstructies die bij de ombouwset meegeleverd worden. Na ombouwing van het fornuis要去 u de gasombouwsticker op de juiste plek op het geevensplaatje plakken. Zo worden aangegeven voor welk soort gas het fornuis nu geschikt is.
Veiligheidsvoorschriften/-vereisten
Het fornuis dient door een bevoegd persoon te worden geinstalleerd. De installmentie dient overeen te komen met de relevante voorschriften alsmede de vereisten van hetplaatselijke energiebedrijf. Lees de gebruiksaanwijzing voordat u het fornuis installeert of gebruikt.
Het is in uw eigen belang en in het belang van de veiligheid om alle gasapparaten door bevoegd personeel teCTXen installeren. Indien het fornuis verkeerd wordt aangesloten, maakt dit eventuele garantie- of aansprakelijkkeidsclaims wellicht ongeldig, en kunt u verwolgld worden.
Controleer vór de installmentie of het fornuis geschikt is voor uw gassoort en voedingsspanning. Kijk op het gevevensplaatje.
Installer het fornuis in een goed geventileerde ruimte.
Ventilatie
Het fornuis is nicht op een afvoerinrichting voor verbrandingsproducten aangesloten. Het dient in overeenstemming met de huidige installmentvereisten te worden geinstalleerd en aangesloten. Er dient met name aandacht te worden besteed aan de relevante voorschriften met betrekking tot de ventilatie.
Deplaatselijke voorschriften betreffende ventilatie dienen te worden nagekomen, maar enkel als minimum: alle kamers要去en voorzijen zijn van een raam dat open kan of iets soortgelijks, en sommige kamers要去en tevens van een permanent ventilatiekanaal�zoekien, afgezien van het raam. Het fornuis dient Niet te worden geinstalleer in zit-slaapkamers met een volume van onder 20m^3 . Indien het fornuis in een kamer met een volume van onder 5m^3 worden geinstallerd, is een
ventilatiekanaal met een effectief oppervlak van 100cm^2 vereist; indien het worden geinstalleerd in een kamer met een volume van 5m^3t / m 10m^3 , is een ventilatiekanaal met een effectief oppervlak van 50cm^2 vereist; en kamers met een volume van boven 11m^3 vereisen geen ventilatiekanaal. Indien de kamer beschter is voorzien van een buitendeur, is een ventilatiekanaal Nietoodzakelijk, zelfs indien het volume tussen 5m^3 en 10m^3 ligt. Indien er in de kamer tevens andere apparaten staan die gas verbruiken, is wellichteerventilatie vereist.
Het fornuisplaatsen
Het fornuis mag in een keulen of open keulen worden geinstalleerd, maar NIET in kamers met een bad of douche.
OPMERKING:
Een fornuis dat geschikt is voor LPG mag Niet worden geinstalleerd in een kamer of interne ruimte onder grondiveau, Zoals bijvoorbeeld een kelder.
Het fornuisplaatsen
Op de afbeeldingen zijn de vereiste minimumafstanden:tussen het fornuis en de aangrenzende oppervlakken aangegeven.
Het fornuis dient nicht te worden geinstalleerd op een voetstuk.


*Openingsbreedte deur - voor hendels ismeer nodig, zie hieronder.
De rand van de kookplaat dient op gelijke hoogte of boven eventuele naastgelegen Werkbladen te zitten. Boven het niveau van de kookplaat dient:tussen de
zijkanten van het fornuis en eventuele naastgelegen verticale oppervlakken een:tussenruimte van ten minste 75~mm te worden gelaten.
Bij Niet-brandbare oppervlakken (bijvoorbeeld ongeverfd metaal of keramische tegels) is de minimumafstand 25mm .
Tussen de bovenkant van de kookplaat en eventuele brandbare horizontale oppervlakken erboven dient een tussenruimte van ten minste 800~mm . te worden gelaten.

Afzuigkappen dienen in overeenstemming met de aanwijzingen van de betreffende fabrikant te worden geinstalleerd.
Oppervlakken van meubels en muren aan de zich- en城县kant van het fornuis moeten bestand+zijn tegen但它te, spatten en stoom.Vooral bepalde soorten keukenmeubels van vinyl of laminaaat zijnslecht tegen但它en verkleuring bestand. Wij kannen geen aansprakelijkheid aanvaarden voor schade dieveroorzaakt worden door normal gebruik van het fornuis aan materiaal dat delamineert of verkleurt bij temperaturen van minder dan 65^ boven de kamertemperatuur.
Omwille van de veiligheid mag direct après het fornuis geen gordijn worden opgehangen.
We bevelen aanCUSden kasteen eenuusruimte van 1115 mm.te latenzodat u het fornuis kunt verplaatsen. Bouw het fornuis Niet hebemaal in; het moet maybek lijven het fornuis te verwijderen voor reiniging en onderhoud.
Het fornuis uitpakken
Verwijder de verpakking van het fornuis pas wanner het vlak voor deplaats staat waar het worden geinstalleer (tenzij het met de verpakking Niet door de deur past).
Waterpas stellen
Plaats een luchtbelwaterpas op een van de rekken van een oven om te controeren of het fornuis waterpas staat.
Zet het fornuis op de bestemde plaats neer. Pas waar bij op dat het Niet wordt verdraaid in de ruimte:tussen de keukenkasten, aangezien dit het fornuis of de kasten kan beschadigen.
De wieltjes konnen worden afgesteld om het fornuis waterpas te stellen. Om het fornuis aan de achterkant in de hoogte te verstellen, dient u de stelmoeren aan de voorste hoeken aan de onderkant van het fornuis af te stellen met behulp van het bijgeleverde niveleerwerktuig.
Nederlandsls

Stel de hoogte van het voorste wieltje af om het fornuis waterpas te stellen. Draai hem met de klok mee om het fornuis omhoog te brengen of gegen de klok in om het fornuis te lately zakken.
Als u tevreden bent dat het fornuis op de juiste hoogte staat en waterpas is, dient u het voorste wieltje eén slag te draaien om de voorkant van het fornuis ieits op te tillen. Schroef de voorste voeten aan beneden tot ze de vloer raken. Draai het voorste wieltje gegen de klok in om het fornuis omhoog te brengen zodate de voorkant van het fornuis op de voeten steunt, Niet op het voorste wieltje. Dit voorkomt dat het fornuis per ongeluk wegroltijdens gelebruik.
Laat het nivelleerwerktuig in de opsglade zitten, zodate klant het kan gebruiken macht hij/zij het fornuis wollen verplaatsen.
Breng de lade waar aan op de schuifrails en duw hem\ aar binnen.
Ombouwing voor LPG
Als het fornuis omgebouwd要去 worden voor LPG, doe dat dan op dit moment. Zie de instructies bij de ombouwset.
Aansluiten op het gas
Klem
Indien het fornuis op een flexibele gasleiding worden aangesloten, dient een klem te worden gezruikt. Deklem dient te worden bevestigd aan het gebouw en dient los te koppelen zich zodateh fornuis kan wordenuitgetrokken voor reiniging en onderhoudsdoeleinden.
Buigzame gasslang
Tussen de gastoevoer en de verbindingslang dient een gasafsluiter te worden aangebracht. De buigzame slang (niet bijgeleverd) dient aan de relevante normen te voldoen. Neem in geval van twijfel contact op met de leverancier.

Zicht van achteren
A positie voor koppelstuk gastroevoer
B gasinlaat fornuis
De inlataansluiting op het fornuis is ISO 7-1 intern. Als u een ISO 228-1 aansluiting nodig hebt, zit er een ISO 7-1 tot ISO 228-1 aansluiting in de ombouwset. Breng geschikte kit voor het afdachten van de koppeling aan op het ISO 7-1 eind.

Draai het koppelstuk met de hand goed aan in de inlaat van het fornuis. Draai met behulp van twee geschikte gereedschappen, een op de inlaat van het fornuis omervoorte zorgen dat deze vast worden gehonden, en een op het koppelstuk, het koppelstuk aan in de inlaat van het fornuis.
Minimumkoppel 15 Nm.
Maximumkoppel 20 Nm.
Sluit de slang aan op het koppelstuk.
De slang dient dusdanig te worden aangesloten dat zowel de in- als de uitlaataansluiting verticaal is, zodat de slang in de vom van een U maar beneden hangt.
Daar het fornuis in de hoogte verstelbaar is en elke aansluiting anders is,+kunnen we geen nauwkeurige afmetingen gehen. Idealiter bevindt de toevoeraansluiting van het huis zich in het gearceerde deel in de afbeelding van de achterkant van het fornuis ('A'in de afbeelding). Eventueel kunt u ook vanaf de zijkant aansluten.
Controleer na het aansluiten van het gas aan de hand van een drukproof of het fornuis gasdicht is. Gebruik geen afwasmiddel om op gaslekken te controleren – het kan corrosie veroorzaken. Gebruik producten die specialaal bedoeld zijn voor lekdetectie.
De gasdruk kan gemeten worden op het drukmeetpunt op het gasaansluitblok. Draai de gasleiding open en steek een van de kookplaatbranders aan.
Zet de brander op de juiste wijze waar in elkaar.
Aansluiten op de elektriciteit
Het fornuis dient door een bevoegd elektricien te worden aangesloten in overeenstemming met de relevante voorschriften alsmede de vereisten van hetplaatselijke energiebedrijf.
Het fornuis dient te worden aangesloten op de juiste stroomvoeding, zoals op het spanningslabel van het fornuis vermeld is. Het fornuis dient te worden aangesloten via een geschikte regeleenheid voor het fornuis, bestaande uit een tweepolige schakelaar met een:tussenruimte van ten minste 3mm tussen de polen. Het fornuis mag Niet op een normalaal, huishoudelijk stopcontact worden aangesloten.
De totale elektrische belasting van het fornuis bedraagt ongeveer 7,2 kW. De elektriciteitskabel dient aan deze belasting en aan deplaatselijkke vereisten te voldoen.
U=knt de afschemkast van het aansluitpunt op het中断paneel verwijderen om bij de netaansluiting te komen.
Sluit de elektriciteitskabel aan op de juiste aansluitpunten voor de betreffende soort stroomvoeding.



230VAC 50Hz

Controller of de aansluitingen goed vastzitten en of de schroeven van de aansluitpunten goed vastzitten.
Zet de elektriciteitskabel vast met de kabelklem.
Kookplaat
Controleer de branders één voor één. Het fornuis is voorzien van een veiligheidsmechanisme dat de gastoevoer maar de brander uitschakelt indien de vlamuitgaat. Er is ook een vonkontstekingssystem dat werkt als de knop worden ingedrukt.
Voor elke brander moet u de knop indrukken endezraaienaar het symbol voor de groe vlam().
De ontsteker要去 dan gaan vonken en het gas aansteken. Houd de knop ingedrukt zodat het gas een pau seconden door de brander kan stromen.
Als de brander uitgaat wanner u de knop loslaat, hebt u Niet lang genoeg gewacht. Draai de knop maar de uitstand en wacht een minuut. Probeer het dan nogmaals maar houd de knop.Deze keer ieits langer ingedrukt.
Grill
Doe de grilldeur open. Draai de grillknop aan en controllerer of de grill warm worden.
Ovencontrol
Zet de ovens aan en controllerer of ze warm worden. Zet de ovensuit.
Deplint monteren
Verwijder de drie schroeven langs de onderkant vooraan van het fornuis. Houd de plint op+zijn plek en bevestig de drie schroeven wee.
Controller of de overdeur goed isuitgelijnd
Het onderste scharnier van de deur kan ingesteld worden zodate u de hoek van de deur=kunt wijzigen.
Maak de bevestigingsschroeven van het onderste scharnier van de deur los en verplaats het scharnier waar de juiste positie met behulp van de inkeping en een platte schroevendraaier.
Draai de scharnierschroeven weean.
Effect van instelling scharnier – overdreten om duidelijk aan te上去en


Middelijn van scharnierpen
3N ac 230/400V 50Hz 人
Onderhoud - waarschuwing
Sluit elektriciteits- en gastoevoer maar fornuis af voordat u onderhoud gaat plegen. Controleer na afloop of het fornuis veilig is.

Ovendeur voor de duidelijkheid wegelaten
Klantenzorg
Leg aan de gebruiker uit hoe het fornuis werkst en geef hem/haar deze gebruiksaanwijzing.
Dank u.
Onderhoud
Bij onderhoud aan of verranging van gasdragende onderdelen moet u de gastoevoer afluien voordat u hieraan begint.
Controleer na het onderhoud of het fornuis gasdicht is Gebruik geen afwasmiddel om op gaslekken te controleren – het kan corrosie veroorzaken. Gebruik producten die special bedoeld zijn voor lekdetectie.
Gebruik geen opgeknapte of Niet-goedgekeurde gasregelingsonderdelen.
Schakel de stroom uit voordat u aan het onderhoud begun, vooral als u een van de volgende dingen verwijdert: bedieningspaneel, lijpanelen, kookplaatbak of elektrische onderdelen of beschermingen.
Voordat u de elektriciteit waar aansluit,要去 u controlenen of het fornuis elektrisch veilig is.
Opmerking - Verwijzingen maar linker- en rechtteroven zich gezien vanaf de voorkant van het fornuis.
1 De kookplaat verwijdersen
Schakel de stroom maar het fornuisuit. Trek het fornuis maar voren zodate u overal goed bij kunt.
a) Verwijder de pannenroosters, kookplaat-accessoires en branderkoppen.
b) Verwijder de koperen venturi in het midden van elke brandervoet op de kookplaat.
c) Verwijder de voet van de kookplaat en ontkoppel de vonkontstekingskabel van de vonkelektrode.
d) Til de kookplaat op van het fornuis.
e) Plaats werden terug in omgekeerde volgorde.
2 Het bedieningspaneel verwijderen
Schakel de stroomaar het fornuisuit.
a) Verwijder de accessoires voor pannenroosters/ kookplaat en de branderkappen.
b) Draai de koperen venturi in het midden van elke brander los.
c) Verwijder de bedieningsknoppen van alle kranen.
d) Open de deuren van de grill en de rechteroven. Verwijder 3 bevestigingsmiddelen boven/voor en 3 bevestigingsmiddelen onder op het bedieningspaneel.
e) Trek het bedieningspaneel waar voren. Verwijder de aansluitingen van de achterkant van de drie neons. Ontkoppel de aardleiding en til het paneel van het fornuis af.
f) Herplaats alle onderdelen in omgekeerde volgorde.
g) Raadpleeg het bedradingsschema als u de bedrading weever verbindt.
3 Verwijden van een paneel aan de buitenkant
Schakel de stroom maar het fornuisuit.
a) Verwijder het bedieningspaneel zoals vermeld in deel 2.
Onderhoud - waarschuwing
Sluit elektriciteits- en gastoevoer maar fornuis af voordat u onderhoud gaat plegen. Controleer na afloop of het fornuis veilig is.
b) Verwijder de borgschoef aan de bovenste voorrand en de twee bevestigingen aan dechterkant van het lijpaneel. Verwijder de onderste borgschoef onder derand in de voorste hoek van het paneel.
c) Verwijder het paneel door het van de eenheid af te trekken. Ondervindt u moeilijkheden, dan is het wellicht nodig de twee dichtstbijzijnde branders en koperen venturi's los te draaien, zoals vermeld in deel 1.
d) Herplaats de onderdelen in omgekeerde volgorde.
Zorg dat beiden venturi's goed vastzitten.
4 Verwijdersen van een oven of grill neon
Schakel de stroomaar het fornuisuit.
a) Verwijder het bedieningspaneel zoals vermeld in deel 2.
b) Verwijder de betreffende neonaansluiting en draai de moer los waarmee de neon aan het bedieningspaneel vastzit.
c) Herplaats de onderdelen in omgekeerde volgorde.
Zorg ervoor dat de verrangingsneon goed werkt.
5 Verwijdersen van eenthermostat
Schakel de stroomaar het apparaat UIT.
a) Verwijder de kookplaat volgens de instructies in deel 2.
b) Verwijder het bedieningspaneel zoals vermeld in deel 2.
c) Open de betreffende ovendeur en verwijder de ovenrekken.
Rechter oven
Verwijder de twee bevestigingen waarmee de thermostatatampulbescherming vastzit. Haal de thermostatatampuluit de klemmetjes in het中断paneel van de oven.
Linker oven
Verwijder de twee schroeven waarmee dethermostaatampul vastzit aan de ovenventilatorafdekking aan de achterkant van de oven.Trek de eenheid maar voren zodat u bij de achterkant van het fornuis kurz.Verwijder beide afschemkasten door de bevestigingschroeven te verwijderen en Licht deze op.Zorg dat de thermostaatcapillair los komt van de oven.
d) Maak de bedrading los van de thermostat en verwijder de twee bevestigingen die de bediening aan de montageplaat vasthouden.
e) Plaats de verwanging enplaats de onderdelen waar terug in omgekeerde volgorde. Zorg ervoor dat de ampul aan de achterkant van de oven vastgeklemd zit, centraalussen de klemmetjes. Controller of the thermostat goed werkt.
6 Verwijdersen van een grillbediening
Schakel de stroomaar het fornuisuit.
a) Verwijder de kookplaat volgens de instructies in deel 1.
b) Verwijder het bedieningspaneel zoals vermeld in deel 2.
c) Maak de bedrading van de bediening los. Maak de bevestigingen los waarmee de eenheid aan de montageplaat vastzit.
d) Plaats de neue eenheid en herplaats in omgekeerde volgorde. ControllerDat de neue eenheid goed werkt.
7 Verwijderen van een afslagthermostat voor de oven
Schakel de stroomaar het fornuisuit.
a) Trek het fornuis maar voren zodate u bij de afdekking kunt. Verwijder de afdekschroeven en til de afdekking op.
b) De bediening bevindt zich op de aardplaat naast de ovenenelementaansluitingen.
c) Maak dethermostaatbedrading los.Maak de bevestigingen los waarmee dethermostaat aan de aardplaat vastzit en verwijder dethermostaat.
d) Bevestig de neue bediening en plaats wee terug in omgekeerde volgorde.
8 Verwijdersen van een kookplaatkraan
a) Verwijder de kookplaat volgens de instructies in deel 1.
b) Verwijder het bedieningspaneel zoals vermeld in deel 2.
c) Maak de veiligheidsmechanismekabel (FSD-kabel) los van dechterkant van de kraan. Maak de compressiebevestiging los aan dechterkant van de kraan. Verwijder de bevestigingen waarmee de kraan aan de gasrail vastzit. Maak de bedrading van de ontstekingsschakelaar los.
d) Verwijder de kraan. Verwijder de pakkingdichting en gooi deze weg. Plaats neue pakkingdichting op verwangingskraan.
e) Herplaats in omgeekerde volgorde. Controller of het fornuis gasdicht is. Controller de ontsteking van de kookplaat.
9 Een ontstekingsschakelaar verwisselen
Verwissel de gaskraan volgens de instructies in deel 8.
10 Verwijdersen van een branderinjector van een kookplaat
a) Verwijder de kookplaat volgens de instructies in deel 1.
b) Verwijder de injectorrechtstreeks van de branderkap.
c) Plaats de juiste injector.
d) Herplaats in omgekeerde volgorde. Controller of het fornuis gasdicht is.
11 Verwijdersen van een vonkelektrode van een kookplaatbrander
a) Verwijder de pannenroosters, kookplaat-accessoires en branderkoppen.
b) Maak de voetventuri los en verwijder de voet van de kookplaat. De ontstekingsdraad worden nu door het gat voor de elektrode getrokken.
c) Ontkoppel de vonkelektrode van de ontstekingsdraad. Opmerking
Zorg ervoor dat de ontstekingsdraad Niet terug in het gat valt.
d) Maak de vonkelektrode los van de voet door de veerklem en veer te verwijderen.
e) Bevestig de neue elektrode aan de brandervoet. Zorg ervoor dat de veer en klem op de juisteplaats zitten.
f) Herplaats in omgekeerde volgorde en controllerer de ontsteking.
12 Verwijdersen van een kookplaatbrander
a) Verwijder de pannenroosters, kookplaat-accessoires en branderkoppen.
b) Verwijder de kookplaat volgens de instructies in deel 1.
c) Maak de compressiebevestiging los waarmee de brander op de gasleiding is aangesloten.
d) Verwijder de moer waarmee de brander aan het steunkanaal zit.
e) Verwijder de bevestigingen waarmee het steunkanaal aan het chassis zit. Haal het kanaal van het toestel af.
f) Verwijder de brander van het fornuis.
g) Plaats werdentering in omgeekerde volgorde. Stel vast dat er geen gaslekkage is en dat de brander goed werkt.
13 Verwijdersen van de ovendeur
a) Open de ovendeur.
b) Ondersteun de deur en verwijder de twee schroeven waarmee de bovenste scharnier aan het voorste frame van de eenheid vastzit.
c) Verwijder de deur van het onderste scharnier door deze een beetje op te tillen enaar buiten te bewegen.
d) Herplaats in omgekeerde volgorde.
14 Verwijdersen van de grilldeur
a) Verwijder de pannenroosters, kookplaat-accessoires en branderkoppen.
b) Verwijder de kookplaat volgens de instructies in deel 1.
c) Verwijder het bedieningspaneel zoals vermeld in deel 2.
d) Verwijder linker ijpaneel zoals beschreiben in deel 3.
e) Verwijder de plint (3 schroeven).
f) Verwijder de verticale afdekking in het midden tussen de ovens (5 schroeven).
g) Verwijder de 2 verzonken schroeven (1 aan elke kant) waarmee de scharnierarmen aan de voorkant van de grillkamer zitten.
Opmerking
De scharnierarmen van de deuren hebben springveren. Verwijder de grilldeur voorzichtig en bewaar de pakkingen.
h) Herplaats in omgekeerde volgorde. Zorg dat de pakking bevestigd worden:tussen de scharnierarm en de voorkant van de grillkamer. Controller de werkinq van de deur.
15 Verwijden van het buitenste deurpaneel van de oven
a) Open de ovendeur.
b) Verwijder twee schroeven 'A' en twee schroeven 'B'uit de deur.
c) Verwijder het buitenste deurpaneel.
d) Maak de moeren los waarmee de hendel aan het deurpaneel zit. Bevestig de hendel aan het neue deurpaneel.
e) Plaats het neue paneel op de binnenste deur van de oven. Zorg dat de deurisolatie op de goede plaats zit.
f) Herplaats in omgekeerde volgorde.

16 Verwijdersen van de deurklink
a) Verwijder het buitenste deurpaneel van de oven zoals beschreiben in deel 15.
b) Verwijder de bevestigingen waarmee de klink aan het binnenste deurpaneel vastzit.
c) Plaats de verwangingsklink en herplaats in omgekeerde volgorde.
d) Controller of de deur goed werkt.
17 Verwijdersen van de afdichting van de ovendeur

a) Open de ovendeur. De afldichting worden op+zijnplaats gehouden doorkleine haakjes aan de achterkant.Trek vanuit de hoek de afldichting diagonalweg van het midden van de deur tot die haak los is.
b) Laat de volgende haak opdezelfde manier loskomen, en ga zo door. Gebruik kracht als de haken stijf zich want de oude afdichting worden toch wegegooid.
c) Bij hetplaatsen van een neue afdichting plaatst u de afdichtingsaanhechtig aan de onderkant. Haak de neue afdichting in een van de hoekgaten in de deur en ga verder de deur rond, haak na haak vastklemmend.
18 De grendelhouser van de ovendeur afstellen
a) Open de ovendeur en draai de borgmoer aan de onderkant van de houder los.
b) Stel de houder maar binnen of buiten af tot de gewenste deurwerking bereikt is.
c) Draai de borgmoer wee vast.
Onderhoud - waarschuwing
Sluit elektriciteits- en gastoevoer maar fornuis af voordat u onderhoud gaat plegen. Controleer na afloop of het fornuis veilig is.
19 Verwijdersen van de vonkgenerator van de kookplaat
Schakel de stroomaar het fornuisuit.
a) Trek het fornuis waar voren zodate u bij de afterschemkasten kunt aan de achterkant van het fornuis. Verwijder de bevestigingen waarmee de kast vastzit enlicht deze op.
b) Maak de klemaansluitingen los en onthoud goed hoe deze zaten.
c) Maak de bevestigingen los waarmee de vonkgenerator vastzit en verwijder de eenheid.
20 Verwijderen van de elektrodekabels van de kookplaat
Schakel de stroomaar het fornuisuit.
Trek de eenheid waar voren zodat u bij de achechterkant van het fornuis=kunt.
a) Verwijder de pannenroosters, kookplaat-accessoires en branderkoppen.
b) Verwijder de kookplaat volgens de instructies in deel 1.
c) Verwijder de afterschermkast en maak alle HV-kabels los bij de generator.
d) Verwijder het onderste achterpaneel en maak de kabel los bij de elektrode.
e) Trek de samengebundelde HV-kabels omhoog via dechterste staander.
f) Trek de juiste kabel uit de bundel en duw de neuekabel erin.
g) Plaats de kabels waar terug in deijkenste staander.
h) Sluit de kabels waar aan op de generator en de ovenenelektrode.
j) Herplaats in omgekeerde volgorde en controllerer de ontsteking.
21 Verwijdersen van binnenste hinterwand van oven
a) Open de ovendeur. Voor de linkeroven schroeft u de 2 bevestigingschroeven van dethermostaatampul los. Verwijder de bevestigingen waarnee het achterste binnenpaneel vastzit aan dechterkant van de oven.
b) Haal het verwijderbare paneel weg.
c) Herplaats in omgeekerde volgorde. Zorg ervoor dat de bevestigingsschroeven goed vastzitten.
22 Verwijdersen van een ovenventilator
Schakel de stroomaar het fornuisuit.
a) Trek de eenheid waar voren zodate u bij de afterschemkasten=kunt aan de achterkant van het fornuis. Verwijder de bevestigingen waarmee de kast vastzit enlicht deze op.
b) Verwijder de bedrading van de ventilator en onthoud goed hoe deze zat.
c) Verwijder de binnenste achechterkant zoals beschreiben in deel 21.
d) Houd de ventilatorschoepen vast en maak de middelste moer (linkshangig) los, alsmede de koperen sluitringetjes, de ventilatorschoep en de veerring.
e) Maak de bevestigingen los waarmee de ventilator vastzit en verwijder们都 uit dechterkant van het gat.
f) Plaats de neueventilator en herplaats in omgekeerde volgorde. Controller of de oven goed werkt.
23 Verwijdersen van een ovenventilatorelement
Schakel de stroom maar het fornuis UIT.
a) Verwijder de binnenste anschterwand van de oven (zie 21).
b) Verwijder de 2 schroeven van de bovenkant van het element en 1 van de onderkant van het element in de oven.
c) Til het element er voorzichtiguit, maar de aan het element bevestigde klemmen los en onthoud hun posities. Wanner de draden Niet op deze manier losgemaakt kunnen worden, trek het fornuis dan maar voren om bij de achterkant te kunnen komen, verwijder de schroeven waarmee de elektrische kap is vastgezet op dechterplaat en verwijder de kap en maak de klemmen los van de achterkant.
d) Bevestig het neue element enplaats dit wee in omgekeerde volgorde.
e) Controller of de oven goed werkt.
24 Verwijdersen van de boven- en onderelementen van de linkeroven
Schakel de stroomaar het fornuisuit.
Onderelement
a) Trek de eenheid waar voren zodate u bij de afterschermkasten=kunt aan de achterkant van de eenheid.Verwijder de bevestigingen waarmee de kast vastzit enlicht deze op.
b) Maak de klemaansluitingen los, onthoud goed hoe deze zaten.
c) Verwijder de bevestigingen waarmee de onderste elementkast vastzit.
d) Maak de klemaansluitingen los, onthoud goed hoe deze zaten.
e) Verwijder de steunbevestigingen van het onderste element.
f) Verwijder de beugelbevestigingen van het element en trek het element eruit.
g) Vervang het element en herplaats in omgekeerde volgorde.
Bovenelement
a) Open de linker ovendeur en maak de bevestigingen los waarmee het hitteschild vastzit.
b) Verwijder de beugelbevestigingen van het boven element en haal het eruit.
c) Vervang het element en herplaats in omgekeerde volgorde. Controller of de oven goed werkt.
25 Verwijdersen van een grillelement
Schakel de stroomaar het fornuisuit.
a) Trek het grilldraagstel waar voren en til de grillpan uit het draagstel. Til het grilldraagstel zo op dat de voorste roller vrij is van de zijarm. Schuif het draagstel waar voren op dechterste roller totdat u het van de zijarm af kunt tillen.
Onderhoud - waarschuwing
Sluit elektriciteits- en gastoevoer maar fornuis af voordat u onderhoud gaat plegen. Controleer na afloop of het fornuis veilig is.
b) Verwijder de@emailen voorplaat vanuit het grillcompartiment van het grilldak, 2 schroeven en sluitringen. Verwijder 2 schroeven en sluitringen waarmee de voorsteun van het grillelement vastzit.
c) Verwijder de schroeven uit de grilleelementen. Til de elementen er voorziglicht uit; maak de kabels van de elementaansluitpunten los en onthoud goed hoe ze zaten.
d) Als u de kabels op deze manier nicht los kurz make, sluit dan de gastoevoer af. Verwijder de lade - maar de voorste roller zakken. Trek het fornuis�ak voren en maak de gasslang los. Trek het fornuis zoveraar voren dat u bij de achterkant kurz.
e) Verwijder de bevestigingen waarmee dechterafschemming vastzit en til deze op. Maak de aansluitpunten los van deijkenkant.
Bevestig de neue elementen en herplaats de onderdelen in omgekeerde volgorde. Controller de werkking van de grill.
26 Hoek van ovendeur instellen
Het onderste scharnier van de deur kan ingesteld worden zodate u de hoek van de deur=kunt wijzigen.
Maak de bevestigingschroeven van het onderste scharnier van de deur los en verplaats het scharnier maar de juiste positie met behulp van de inkeping en een platte schroevendraaier.
Draai de scharnierschroeven wee aan.
Effect van instelling scharnier – overdreten om duidelijk aan tegeven



Ovendeur voor de duidelijkheid wegelaten
Onderhoud - waarschuwing
Sluit elektriciteits- en gastoevoer maar fornuis af voordat u onderhoud gaat plegen. Controleer na afloop of het fornuis veilig is.
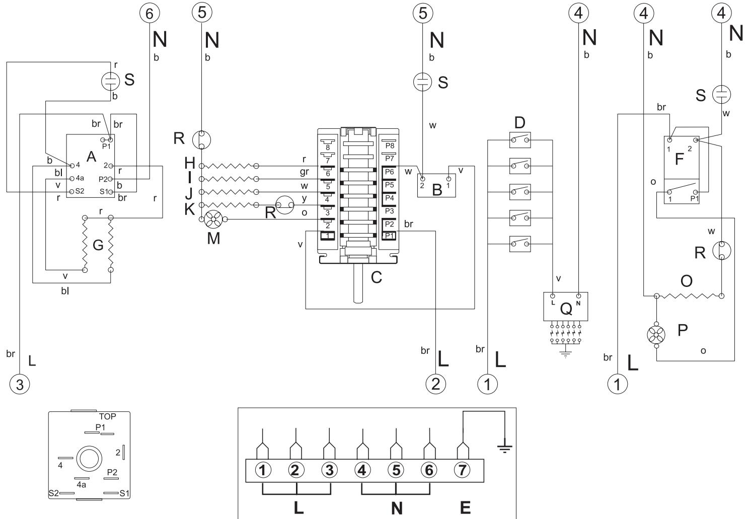
Schakelschema

De verbindingen in het schakelschema zijn voor driefase en eenfase. Nominale waarden zijn van toepassing op 230 V 50 Hz.
Legendascakelschema
A Energieregelaar grill
B Thermostat linker multifunctionele oven
C Functiebediening multifunctionele oven
D Schakelaars bedieningskraan kookplaat
F Thermostat rechteroven
G Grillelementen
H Onderelement multifunctionele oven
I Bovenelement multifunctionele oven (buitensteaar)
J Bruiningselement multifunctionele oven (binnenste paar)
K Ventilatorelement multifunctionele oven
M Ventilator multifunctionele oven
O Element rechter heteluchttoven
P Ventilatorrechteroven
Q Ontsteking generator
R Stroomonderbroker
S Neon
Kleurcode
b Blauw
bl Zwart
br Bruin
o Oranje
Rood
Violet
W Wit
y Geel
SimpelGids