PROFESSIONAL 1092 CONTINENTAL INDUCTION - Induction FALCON - Notice d'utilisation et mode d'emploi gratuit
Retrouvez gratuitement la notice de l'appareil PROFESSIONAL 1092 CONTINENTAL INDUCTION FALCON au format PDF.
| Type d'appareil | Chaudière mixte / dual fuel |
| Combustible | Gaz et fioul |
| Puissance thermique | Non précisé |
| Type de chauffage | Central |
| Installation | Murale ou au sol |
| Contrôle de température | Thermostat intégré |
| Mode de fonctionnement | Automatique |
| Type d'allumage | Électronique |
| Émissions | Conforme aux normes en vigueur |
| Dimensions | Non précisé |
| Poids | Non précisé |
| Maintenance | Facile d'accès |
| Sécurité | Dispositifs de sécurité intégrés |
| Garantie | Non précisé |
| Utilisation | Résidentielle et commerciale |
FOIRE AUX QUESTIONS - PROFESSIONAL 1092 CONTINENTAL INDUCTION FALCON
Questions des utilisateurs sur PROFESSIONAL 1092 CONTINENTAL INDUCTION FALCON
0 question sur cet appareil. Repondez a celles que vous connaissez ou posez la votre.
Poser une nouvelle question sur cet appareil
Téléchargez la notice de votre Induction au format PDF gratuitement ! Retrouvez votre notice PROFESSIONAL 1092 CONTINENTAL INDUCTION - FALCON et reprennez votre appareil électronique en main. Sur cette page sont publiés tous les documents nécessaires à l'utilisation de votre appareil PROFESSIONAL 1092 CONTINENTAL INDUCTION de la marque FALCON.
MODE D'EMPLOI PROFESSIONAL 1092 CONTINENTAL INDUCTION FALCON
Guide de l'utilisateur et instructions d'installation et d'entretien
1092 Dual Fuel Deluxe
211 GEO T DL
| Sécurité avant tout | 2 |
| Brûleurs de table de cuisson | 3 |
| Brûleur Wok central | 4 |
| Gril | 5 |
| Fours | 6 |
| Rangement | 9 |
| Nettoyage de la cusinière | 10 |
| Déplacement de la cusinière | 12 |
| Dépannage | 12 |
| Consignes générales de sécurité | 14 |
| Entretien et pieces de rechange | 16 |
| Installation | 17 |
| Modification | 17 |
| NOTA : | 17 |
| Entretien | 21 |
| Schéma de câblage | 26 |
| Fiche technique | 27 |
Sécurité avant tout
Les composants accessibles deviendront chauds pendant l'utilisation. Eloignez les enfants de la cuisine pour prévenir le risque de brûlures et d'ébouillantage.
Tout comme vous, votre cuisinière a besoin d'air frais. Les flammes des brûleurs produit des gaz de combustion, de la chaleur et de l'humidité. Veillez à ce que la cuisine soit bien ventilée : laissez les ouvertures de ventilation naturelle ouvertes ou installez une hotte aspirante à évacuation extérieure. En cas d'utilisation simultanée de plusieurs brûleurs ou d'utilisation prolongée de la cuisinière, ouvrez une fenêtre ou mettez en marche une hotte aspirante. Pour des informations plus détaillées, reportez-vous aux Instructions d'installation.
Si vous n'avoz jamais utilisé de cuisinière à gaz, nous vous conseillons de dire les « Consignes générales de sécurité »
Nous y donnons des conseils de base en vue d'une utilisation sure d'une cuisine à gaz.
Alimentation en gaz et électricité
Vérifiez que l'alimentation en gaz est en marche et que l'alimentation électrique de la cuisine est raccordée et en marche. La cuisine a besoin d'électricité.
Odeur de neuf
Une légère odeur de neuf peut se dégager lors de la première utilisation de la cusinière. Elle disparaître rapidement à l'utilisation.
Avant d'utiliser l'appareil pour la première fois, réglez les jours sur 200^ et faites-les marcher pendant une heures afin d'éliminer l'odeur du neuf.
Tournez le bouton de commande du grill et laissez en marche pendant 30 minutes avec la l'échefrite bien insérée jusqu'àu fond, portedu grill ouverte.
Veillez à ce que la piece soit bien aérée, en ouvrant les fenêtres, par exemple, ou en mettant la hotte en marche.
Brûleurs de table de cuisson
Le schéma au-dessous de chaque bouton indique le brûleur associé à ce bouton. En appuyant sur le bouton, le brûleur est mis en marche par le biais d'un système d'allumage par étincelle. Chaque brûleur est également doté d'un dispositif de sécurité spécial qui coupe l'alimentation en gaz en cas d'extinction de la flamme.
Appuyez sur un bouton et mettez-le sur le symbole grande flamme (A).
Continuez d'appuyer sur le bouton pour permettre l'avivée du gaz dans le brûleur pendant quelques secondes. Le système d'allumage produit uneétincelle et allume le gaz.

Si le brûleur s'éteint lorsque vous relâchez le bouton de commande, le dispositif de sécurité n'a pas été enclenché. Mettez le bouton de commande sur la position Arrêt [Off] et attendez une minute avant d'essayer de nouveau, en appuyant sur le bouton pendant un peu plus longtemps.
Tournez le bouton pour régler la hauteur de flamme.

Le symbole petite flamme indique la « position minimum ». Tournez le bouton vers celle-ci lorsqu'un plat est parvenu à ébullition.

Veillez à ce que les flames ne dépassent pas des recipients de cuisson. Utilisez un couvercle sur les recipients de cuisson pour porter à ébullition plus rapidement.

N'utilise pas de casseroles ou marmites à fond concave ou à fond à rebord incurve vers le bas.

L'utilisation de dispositifs de mijotage, de type plaques d'amiate ou plaques métalliques, est DECONSEILLEE. Ces dispositifs diminuérer les performances de la cuisine et risquènt d'endommager les grilles de la table de cuisson.

N'utilise pas de recipients de cuisson instables ou déformés susceptibles de se renverser, ni de recipients de cuisson à fond de très petit diamètre (casseroles à lait, pocheuses individuelles, etc.).
Diamètres minimum des récipients de cuisson
Il est recommendé d'utiliser des recipients de diamètre minimum de 120 mm pour les brûleurs extérieurs et 160 mm pour le brûleur central.
Lorsque vous appuyez sur un bouton de la table de cuisson, une étincelle se produit à chaque brûleur, ce qui est tout à fait normal.
Si la flamme d'un brûleur de la table de cuisson s'éteint aussitôt après son allumage, éteignez le brûleur et attende une minute avant de rallumer.
Vous pouvez-retirer la tete du bruleur pour le nettoyer.Reportez-vous a «Nettoyage de la cuisineire»
En cas de débordement, essuyezès que possible la surface située autour des brûleurs de la table de cuisson. Essayez d'essuyer la substance renversée pendant que la table est encore chaude.
Remarque :
Les récipiens en aluminium peuvent laisser des traces de métal au niveau des grilles de la table de cuisson. Ces traces sont sans incidence sur la durabilité de l'émail et l'emploi d'un nettoyant pour métaux permettra de les supprimer.
François
Brûleur Wok central
Le brûleur Wok est donc pour être placé sur le brûleur central. Il n'est pas donc pour être placé sur les autres grilles.

Il doit être placé de sorte que les découvertes du brûleur reposent directement sur les grilles de brûleur saillantes.

Les Woks peuvent avoir des tailles et des formes très variees. Il est important que le Wok soit posé de manière stable. Toutefois, si le Wok est trop grand ou trop petit, il ne sera pas bien maintainu en place par le bruleur. Pour chauffer de façon adequate, le Wok doit se trouver pret du bruleur. Pour cette raison, nous vous recommendons d'utiliser le bruleur Wok avec un Wok à fond plat.
Lors de la pose du brûleur, vérifie qu'il repose bien sur les barres de la grille.
Assurez-vous qu'il est stable et que le Wok est placé à niveau sur le brûleur.

Le support spécial deviendra très chaud pendant l'utilisation - attendez suffisamment longtemps pour le laisser refroidir avant de le retirer.
Cuisine au Wok
Le Wok permet de faire appel à 5 méthodes de cuisson traditionnelle orientale :-
Friture rapide à feu vif
Aliments sautés
Aliments frits
Cuisson à la vapeur
Aliments braisés
La technique de la friture rapide à feu vif est à présent la méthode de cuisine orientale typique la plus populaire. Ce procédé de manipulation continue du Wok nécessite l'addition individuelle de chaque ingrédient, le temps de préparation très rapide permettant aux alimentés de conserver leur couleur et leur valeur nutritive tout en restant croquants.
Les 4 autres méthodes de cuisson au Wok ne nécessitant pas de remuer constamment les alimentés. Ces techniques exigent d'utiliser un support très stable car le Wok contient généralement de l'eau ou de l'huile à une température très élevée. Si vous recourez à ces méthodes de cuisson, le brûleur Wok permettra d'obtenir une meilleure stabilité, mais restez vigilant.
ATTENTION : Des composants accessibles risquent devenir chauds pendant l'utilisation du grill. Eloignez les enfants de la cuisineire.
Avant la première utilisation du grill, assurez-vous qu'il ne reste aucun matériel d'emballage, puis, pour eliminer l'odeur de neuf, allumez le grill et faites-le marcher pendant 30 minutes, avec la l'echefrite bien en place, et en laissant la porte du grill ouverte.
Veillez à ce que la pièce soit bien ventilée, en ouvrant les fenêtres, par exemple, ou en mettant la hotte en marche. Il est recommendé aux personnes souffrant de problèmes respiratoires ou d'allergies de quitter la pièce pendant ce temps.
Utilisation du gril.
Ouvrez la porte du grill et tirez le support de la l'echefrite vers l'avant au moyen de la poignée.

La lèchefrite devient très chaude lorsque le grill est en marche. Ne touche pas la lèchefrite ou le support à moins d'être sur qu'ils ont refroidi.
Après avoir placé les alimentés sur grille, faites glisser le support du grill dans l'enceinte de grill. Vérifiez qu'il est bien inséré.
| Le grille a deux éléments qui permettent deCHAuffer la totalité de la l'échérite ou seulement la partie droite de cette-ci. | |
| Pour chauffer toute cette surface, tournez le bouton dans le sens horsaire jusqu'à la position 3. |

Tournez-le en sens anti-horaire pour chauffer la partie droite.
Levoyant au néon au-dessus du sélecteur s'allumera.
Pour obtenir lesassageurs résultats possibles, préchauffez pendant 2 minutes avec la l'echefrite en place. Avec avoir placé les alimentes sur la grille de la l'echefrite, insérez le support de grill. Tournez le bouton de commande pour régler le grill.
Vérifiez que le support de grill est bien inséré.
Ne fermez jamais la porte du grill lorsque celui-ci est en marche.
Ne laissez jamais le grill en marche pendant plus de quelques instantsi si la l'echefrite depasse de la cuisineire.
La grille de la lèchefrite peut être réglée sur quatre positions de grill selon qu'elle est posée vers l'avant ou vers l'arrière et returnée de haut en bas.




La lèchefrite et le support sont amovibles pour faciliter le nettoyage. Reportez-vous à la section 'Nettoyage de la cuisine' des générées instructions.
François
Fours
L'appareil devient chaud lorsqu'il est en marche.
Veillez à éviter de toucher les éléments chauffants qui se trouvent à l'intérieur du four.
Avant d'utiliser l'appareil pour la première fois, réglez les jours sur 200^ et faites-les marcher pendant une heures afin d'éliminer l'odeur du neuf. Veillez à ce que la piece soit bien aérée, en ouvrant les fenêtres, par exemple, ou en mettant la hotte en marche.
Four gauche

Le four gauche est un four multifonctions. Outre le ventilateur de four et l'objet du ventilateur, le four est doté de deux éléments chauffants supplémentaires, l'un visible dans la voûte, et l'autre sous la sole. Veillez à ne pas toucher l'objet supérieur et le déflecteur de l'objet lors de l'insertion ou du retrait des plats dans le four. Pour un complément d'informations au sujet de ce four, veuillez vous reporter à la section « Four multifonctions »


Le four multifonctions est doté de deux commandes, un sélecteur de fonction et un bouton de réglage de température.

Tournez le sélecteur de fonction pour leMETTE sur une fonction de cuisson.

Tournez le bouton de réglage de température du four pour lemettre sur latempérature requise.

Levoyant du four s'allumera jusqu'à ce que le fouratteigne la température requise. Il s'allumera et s'éteindrapendantla cuisson.
Four droit

Le ventilateur dans le four droit brasse l'air chaud continuellement, assurant ainsi une cuisson plus rapide et plus uniforme.
En général, les températures de cuisson recommandées pour un four ventilé sont plus basses que celles pour un four conventionnel.

Le bouton de commande du four croit est à droite du panneau de commande.

Tournez le bouton de réglage de température du four pour lemettre sur la température requise.

Levoyant du four s'allumera jusqu'à ce que le fouratteigne la température requise. Il s'allumera et s'éteindrapendant la cuisson.
Fonctions du four multifonctions
Le four multifonctions permet de nombreuses utilisations variees. Nous vous conseillons de bien surveiller la cuisson jusqu'à ce que vous soyez familiarisé avec chaque fonction. N'oubliez pas : toutes les fonctions ne convennent pas à tous les types d'aliments.

Décongélation
Avec cette fonction, le ventilateur du four brasse uniquement de l'air froid. Il n'y a pas de chaleur. Cette fonction permet de décongeler des alimentés, en petites quantités, par exemple des desserts, gâteaux à la crème, morceaux de viande, poisson et volaille.
Ce type de décongélation accélère le processus de décongélation et protège les alimentés des mouches. Placez les morceaux de viande, poisson et volaille sur une grille, au-dessus d'une plaque prévue pour l'égouttement. N'oubliez pas de nettoyer la grille et la plaque après décongélation.
La porte du four doit être fermée pendant la décongélation.
Des alimentés plus volumineux, tels que des poulets entiers et des rôts, ne doivent pas être décongelés de cette façon. Nous vous conseillons de les décongeler au réfrigérateur.
Ne décongelez pas des alimentés dans un four tiède ou à côté d'un four en marche ou encore chaud.
Vérifiez que les alimentes à base de produits laitiers, la viande et la volaille sont complètement décongelés avant de les cuire.

Four ventilé
Cette fonction commande le ventilateur et l'élement chauffant autour de celui-ci. Une chaleur uniforme est produit partout dans le four, ce qui permet la cuisson rapide de grandes quantités d'aliments.
La cuisson par four ventilé est particulièrement utile pour la cuisson simultanée d'aliments sur plusieurs grilles et est une excellente fonction « polyvalente ». Vous devrez peut-être diminuer la température de 10^ environ pour des plats que vous aviez l'habitude de cuire dans un four conventionnel.
Si vous souhaitez préchauffer le four, attendez que levoyant s'éteigne avant demettre le plat au four.

Cuisson au four avec le grill ventilé
Cette fonction commande le ventilateur pendant que l'élement chauffant supérieur est en marche. On obtient ainsi une chaleur plus uniforme, moins intense que celle d'un grill conventionnel. Pour obtenir les membresurs résultats possibles, placez les alimentents à griller sur une grille sur un plat à roir qui doit être plus petit qu'une l'échérite de grill conventionnel. Ceci assure une(Meilleure) circulation de l'air. Ce type de cuisson est idéal pour
les morceaux de viande ou de poisson écais, car la circulation de l'air diminue l'intensité de la chaleur du grill. La porte du four doit être fermée pendant la cuisson au grill pour éviter un gaspillage d'énergie. Vous constaterez que vous devrez moins surveiller et tourner les alimentés cuits de cette façon. Ce type de cuisson nécessite un préchauffage du four.

Four ventilé mixte
- Cette fonction commande le ventilateur et brasse l'air chauffé par les éléments chauffants de la voûte et de la sole du four. Cette fonction, qui combine la cuisson ventilée et la cuisson conventionnelle (chaleur supérieure et inférieure), est un moyen de cuisson idéal pour les alimentés volumineux (gros roti, par exemple) pour lesquels une cuisson complète est très importante. On peut également faire cuire des plats simultanément sur deux grilles, mais les plats devront être intervertis pendant la cuisson, car, avec cette fonction, la chaleur est plus intense dans la voûte du four qu'au niveau de la sole.
Ce mode de cuisson est intensif et rapide; surveillez les alimentés cuits de la sorte jusqu'à ce que vous soyez familiarisé avec cette fonction.

Four conventionnel (chaleur de voûte et de sole)
Cette fonction combine la chaleur fournie par les éléments supérieur et inférieurs. Elle est particulièrement utile pour la cuisson d'aliments rôts et des pâtes à tartes, gâteaux et biscuits. Les alimentés cuits sur la grille supérieur gratineront et doreront plusrapidement queCeux placés sur la grille inférieure car la chaleur est plus intense dans la voûte du four qu'au niveau de la sole, comme dans le cas de la fonction « Four ventilé mixte ».Des alimentéssemblables cuits de la sorté devront être intervertis pour cuire uniformément. Cette fonction permet donc de cuire des alimentés nécessitant des températures de cuisson différentes, en utilisant la partie moins chaude dans la partie inférieure du four et la partie plus chaude dans la partie supérieure du four.

Elément gratineur
Cette fonction utilise uniquement l'objet situé dans la voute du four. C'est une fonction utile pour gratiner ou finir des Gratis de pâtes, des légumes en sauce et des lasagnes, le plat à gratiner étant déjà chaud avant la mise en marche de l'objet supérieur.
François

Chaleur inférieure
- Cette fonction utilise uniquement l'élement inférieur. Elle permettra de dorer le fond de votre pizza ou de votre quiche ou de terminer la cuisson d'un fond de tarte sur une grille inférieure. C'est également une chaleur douce, parfaite pour le mijotage de plats placés au milieu du four ou pour réchauffer des assiettes.
Les fonctions Elément gratineur et Chaleur inférieure sont des adjonctions utiles à votre four et vous permettent de finir vos plats à la perfection. Vous constaterezrapidement que leur utilisation contribue àétendre vos compétencesculinaires.
Four gauche et four droit
Avant d'utiliser l'appareil pour la première fois, réglez les jours sur 200^ et faites-les marcher pendant une heures afin d'éliminer l'odeur du neuf. Veillez à ce que la piece soit bien aérée, en ouvrant les fenêtres, par exemple, ou en mettant la hotte en marche.
N'oubliez pas : toutes les cusinières sont différentes - les températures de vos nouveaux jours Falcon peuvent être différentes de celles de votre ancienne cusinière.
Veillez à ce que les grilles soient toujours insérées à fond dans le four.
Placez les plaques de cuisson, moules à viande, etc., à niveau, au centre des grilles du four. Eloignez les plaques et les plats de cuisson des bords du four, afin de ne pas trop dorer les alimentés.
Pour dorer un plat uniformément, il est recommandé d'utiliser une plaque de cuisson de dimensions maximales de 340mm x 340mm.
La cuisson d'aliments à haute teneur en eau peut produit une « bouffée de vapeur » à l'ouverture de la porte du four. Lorsque vous ouvrez la porte du four, reculez-vous et attendez que la vapeur se soit dissipée.
Lorsque le four est en marche, ne laissez pas la porte du four ouverte plus longtemps que nécessaire, afin de prévenir une surchauffe des boutons de

Laissez toujours un doigt de largeur entre des plats placés sur une grille de four, pour faciliter la circulation de chaleur autour des plats.
Les panneaux internes autonettoyants (voir la section « Nettoyage de la cuisine ») sont plus efficaces lorsqu'on évite les projections grasses. Couvrez la viande pendant la cuisson.
Pour réduire les projections grasses lorsque vous ajoute des légumes dans laGRAisse chaude autour d'un roti, séchez soigneusement les légumes ou enduisez-les d'un peu d'huile à friture.
Le four produit assez de chaleur pendant la cuisson pour réchauffer des assiettes placées dans l'enceinte du gril.
Si vous souhaitez dorer un fond de tarte, préchauffez une plaque de cuisson pendant 15 minutes avant de placer le plat au centre de la plaque.
Placez les plats susceptibles de bouillir et déborderpendant la cuisson sur une plaque de cuisson.
Vapeur
Pendant la cuisson d'aliments à haute teneur en eau (frites surgelées, par exemple) un peu de vapeur peut être visible à la grille à l'arrière du chauffe-plats. Ceci est tout à fait normal.
Grilles du four
La cuisine est comme 4 grilles de four standard et 1 grille abaisable.

AGrille standard BGrille abaissable
Les grilles peuvent être montées dans toutes les positions proposées, sauf dans le cas de la position supérieure dans le four multifonction gauche qui ne convient qu'à la grille abaissable. Les grilles de four sont retenues par des butées lorsqu'elles sont rassorties de la cusinière mais il est facile de les retirerpuis de les remettre en place.
Ne placez pas une grille directement sur une autre grille. Si vous utilisez plusieurs grilles, laissez toujours au minimum un espace de glissiere entre chaque grille. Placez les plaques de cuisson, les moules à gâteaux individuels et les plats à cuire au centre de la grille. Pour obtenir les autres résultats, prechauffez le four jusqu'à l'extinction duvoyant du four.
| 1 | Pour-retirer une grille, vérifiez d'abord qu'elle est bien insérée jusqu'àu fond, afin que la butée d'accêt soit alignée sur le rebord coudé de la grille. |
| 2 | Soulevez l'avant de la grille pour la faire passer au-dessus de la butée. |
| 3 | Tirez la grille vers l'avant. |
Pour replacer la grille, tenez-la de façon à la surélever légèrement à l'avant, et placez la partie arrrière sur les glissières laterales. Insérez la grille jusqu'àu fond du four, puis abaissez l'avant de la grille pour la faire reposer sur les glissières laterales.
Rangement
Le tiroir inférieur permet le rangement des plaques de cuisson et autres ustensiles de cuisine.
Il peut devenir très chaud ; n'y rangez pas d'objets susceptibles de fondre ou de s'enflammer.
Le tiroir peut être retire de la cuisinière à des fins de nettoyage, etc.

Soulevez l'extrémité des clips de fixation en plastique (un de chaque côte) pour défaire les dispositifs de maintain du tiroir sur les glissières laterales, tout en tirant le tiroir vers l'avant, en l'éloignant des glissières laterales. Dans un but de sécurité, repoussez les glissières du tiroir.
Remise en place du tiroir
Tirez pour sorting les glissières laterales. Replacez le tiroir sur les glissières laterales, puis poussez à fond pour le remettre en place, en veillant à ce qu'il soit à niveau. Les dispositifs de maintainien doivent s'enclencher pourmaintenir le tiroir sur les glissières laterales.

François
Nettoyage de la cusinière
Avant un nettoyage complet, mettez la cuisinière hors tension. N'oubliez pas de remettre sous tension lorsque le nettoyage est terminé.
N'utilisez jamais de solvants pour peinture, de cristaux de soude, de nettoyants caustiques, de poudres biologiques, d'eau de Javel, de nettoyants chlorés, de produits abrasifs à gros grain ou de sel. Ne mélangez pas plusieurs produits nettoyants, car ils risquent de réagir entre eux et d'avoir des effets nocifs.
Si vous désirez déplacer votre cuisinière pour la nettoyer, veuillez dire la section « Déplacement de la cuisinière »
Toutes les parties de la cusinière peuvent être lavées à l'eau savonneuse chaude, mais veillez à prévenir toute infiltration d'eau dans l'appareil.
Table de cuisson en acier inoxydable
Retirez les recipiens de la table de cuisson. Enlevez les grilles de brûleur de l'endroit où s'est produit le débordement et placez-les avec précaution dans l'évier, dans de l'eau savonneuse chaude. Essuyez tout débris qui se trouverait sur la table de cuisson.
N'utilisez pas de produits nettoyants abrasifs, y compris des produits nettoyants semi-liquides, sur les surfaces en acier inoxydable. Pour obtenir les salariés résultats possibles, utilisez un produit détergeant liquide.
Rincez à l'eau froide et séchez soigneusement avec un chiffon doux propre. Vérifiéz que toutes les pièces sont sèches avant de les remettre en place.
Brûleurs de table de cuisson
Les têtes et chapeaux de brûleurs sont amovibles pour faciliter le nettoyage. Vérifiez qu'ils sont absolument secs avant de les remettre en place.

Lorsque you reposez un chapeau de brûleur,
veillez à le placer correctement dans son socle.

socle du bruleur de table de cuisson
partie inférieure du chapeau du brûleur
Si vous regardez la partie inférieure du chapeau du brûleur, vous verrez deux petits « ergots » qui s'inséreront dans les deux encoches dans le socle du brûleur.

Assurez-vous que les orifices de brûleur ne sont pas bloqués. En cas d'obstruction des orifices, retirez les particules tenaces à l'aide d'un bout de fusible.
Avant dePTRirer des composants du gril pour les nettoyer,assurez-vous qu'ils ont refroidi.
Lavez la lèchefrite et la grille à l'eau savonneuse chaude. ÀpRES les grillades de viandes ou d'aliments salissants, faites tremper dans l'évier, pendant quelques minutes, immédiatement après la cuisson. Les taches tenaces sur la grille peuvent être enlevées à l'aide d'une Brosse en nylon. La lèchefrite peut aussi être lavée au lave-vaiselle.
Pour-retirer le support de la l'echefrite, tirez la l'echefrite vers l'avant. Soulevez la l'echefrite du support.

Pour-retirer le support du gril,levez-le afin de libérer le galet avant du bras lateral.

l'aide du galet arrrière, faites glisser le support vers l'avant jusqu'à ce qu'il soit possible de le lever et de le retirer du bras léral.
Le support est maintainu sur les glissieres laterales par deux clips de chaque cote.

Pour chaque côté, soutenez la glissière latérale d'une main et, de l'autre, souveze le support pour le dégager des clips lateraux.
Pour remettre les parties du grill en place, commencez par accrocher les bras lateraux sur les galets au niveau des cots de l'enceinte du grill.
La plaque fixée à la glissière latérale doit se couver au fond, face à la paroi latérale de l'enceinte.

Pour remettre plus facilement le support en place sur les bras lateraux, commencez par pousser les bras lateraux dans l'enceinte du grill avant d'engager les galets arrriere sur les bras lateraux et d'insérer a nouveau le support pour le repositionner.
Panneau de commande et portes des fours
Les mêleurs résultats s'obtiennent avec des détergents liquides.
Le panneau et les boutons de commande doivent être nettoyés uniquement avec un chiffon doux imbibé d'eau savonneuse chaude. Veiliez à prévenir toute infiltration d'eau dans l'appareil. Essuyez avec un chiffon humide propre, puis lustrez à l'aide d'un chiffon sec. Les portes des jours doivent être nettoyées uniquement avec un chiffon doux imbibé d'eau savonneuse chaude.
Nettoyage des composants en cuivre
Un revêtement de cuivre naturel non enduit qui risque de ternir avec le temps donne un aspect authentique à l'appareil.
Pour redonner son aspect lustré à la cuisine, nettoyez ces zones à l'aide d'un nettoyant spécial méaux. Les tâches tenaces sur les brûleurs en aluminium peuvent être enlevées à l'aide d'un produit similaire. Ce qui permettra également de redonner à l'appareil son aspect lustré.
Four
Les supports de grille des parois laterales peuvent être retirés pour permettre leur nettoyage.


Pour remetre le support latéral en place, placez d'abord la fixation de la partie inférieure du support dans la rainure du support de fixation qui se trouve dans la paroi du four.
Placez ensuite le haut des bras latéraux dans les orifices situés en haut.
Les panneaux des parois du four sont fixes et ne peuvent être retirees. Ils sont dotés d'un revêtement émailé qui est partiellement autonettoyant.
François
Ceci n'empêche pas complètement la formation de taches sur le revêtement, mais réduit le nettoyage manuel nécessaire.
Le nettoyage automatique des panneaux est plus efficace à une température supérieure à 200^ . Si, en général, vous utilisez le four à des températures inférieures, retirez occasionnellement les supports de grille et essuyez les panneaux avec un chiffon non pelucheurs imbibé d'eau savonneuse chaude. Séchez et replacez les panneaux dans le four chauffé à 200^ pendant environ une heures. Ceci assurera un bon fonctionnement des panneaux autonettoyants.
N'utilisez pas de paille de fer (ou tout autre matérieliau susceptible de rayer la surface). N'utilisez pas de tampons de nettoyage pour fours.
Déplacement de la cusinière
Mettez la cuisine hors tension.
La cusinière est lourde, deux personnes seront peut-être nécessaires pour la déplacer. La cusinière est équipée d'un galet avant et de deux galets arrrière. Elle a également deux supports de mise à niveau, vissables, situés à l'avant.
Le galet avant, concu pour le déplacement de la cuisine, peut être abaissé. L'outil de mise à niveau utilisable avec ce galet se trouve normalement dans l'enceinte du tiroir de rangement. Si vous ne trouvez pas l'outil de mise à niveau, contactez votre installerateur. Reportez-vous à la Section «Installation» des générantes instructions, où l'insealleur doit avoir inscrit ses coordonnées.
Pour retirer le tiroir, tirez vers l'avant.
Soulevez l'extrémité des clips de fixation en plastique (un de chaque côte) pour défaire les dispositifs de maintien du tiroir sur les glissières laterales, tout en tirant le tiroir vers l'avant, en l'éloignant des glissières laterales. Dans un but de sécurité, repoussez les glissières du tiroir.
Placez l'outil comme indiqué.

Effectuez deux tours complets (180°) en sens horaire avec l'outil de mise à niveau. L'outil sera difficile à tourner. L'avant du four se soulèvera légèrement pendant la descente du galet.
Ouvrez la porte du gril et la porte du four croit afin d'avoir une bonne prise sur la partie inférieure du panneau de commande pour déplacer la cusinière.
N'utilisez pas la barre ornamentale, les poignées de portes ou les boutons de commande pour déplacer la cuisine.

Vérifiez que le tuyau de gaz et le cable électrique sont assez longs pour permettre le déplacement de la cusinière vers l'avant.
Si la cusinière est dotée d'une chaine stabilisatrice, défaites-la pour pouvoir manœuvrer la cusinière.
Lorsque vous remettez la cusinière en place, remontez les galets en tournant l'outil de mise à niveau en sens anti-horaire. Ceci est important. Cela préviendra le risque de mouvement accidentel de la cusinière pendant son utilisation.
Remise en place du tiroir
Tirez pour sorting les glissières laterales. Replacez le tiroir sur les glissières laterales, puis poussez à fond pour le remettre en place, en veillant à ce qu'il soit à niveau. Les dispositifs de maintainien doivent s'enclencher pourmaintenir le tiroir sur les glissières laterales.
Dépannage
De la vapeur s'échappe du four
Pendant la cuisson d'aliments à haute teneur en eau (frites surgelées, par exemple) un peu de vapeur peut être visible à la grille arrrière. Faites attention en ouvrant la porte du four, une bouffée de vapeur peut s'échapper momentarily à l'ouverture du four. Reculez-vous et attendez que la vapeur se soit dissipée.
Le ventilateur du four est bruyant
Le bruit du ventilateur peut changer pendant le chiffage du four - ceci est tout à fait normal.
Les boutons de commande deviennent chauds lorsque j'utilise le four ou le grill; comment faire pour empêcher cela?
Ceci est dû à la chaleur provenant du four ou du grill. Ne laissez pas la porte du four ouverte. Lorsque vous utilisez le grill, vérifie que la l'échefrite du grill est bien insérée jusqu'à fond.
En cas de problème concernant l'installation, si mon installer d'origine ne peut pasvenir résoudre le problème, à qui incombentles frais ?
C'est à vous qu'incombent ces frais. Les sociétés d'entretien factureront leurs interventions si elles réparent une installation effectuee par votre installer d'origine. Il est de votre intérêt de contacter votre installer d'origine.
Disjoncteurs-detecteurs de fuites de terre commandés par injection de courant
Lorsque l'installation de la cusinière est protégée par un dispositif pour courant résiduel (DCR) d'une sensibilité de 30 milliampères, l'utilisation combinée de votre cusinière et d'autres apparèils domestiques peut occasionnellement cause des disjonctionsfortuées.Dans ce cas, il est utile de protéger le circuit de la cusinière avec un dispositif de 100mA .Cette intervention doit être effectuee par un électricien qualifié.
Les alimentés cuisent trop lentement, trop rapidement, ou brûlent
Les temps de cuisson peuvent être différents de ceux de votre ancien four. En fonction des goûts de chacun, les températures devront peut-être être modifiées dans un sens ou dans l'autre, pour obtenir les résultats que vous recherchez. Essayez une cuisson à une autre température.
La cuisson au four n'est pas uniforme
Veillez à utiliser une plaque de cuisson ne dépassant pas 340mm x 340mm.
Dans le cas de la cuisson d'un grand plat, vous devrez peut-être le tourner pendant la cuisson.
Si vous utilisez deux grilles, vérifie qu'il y a assez de place pour permettre à la chaleur de circuler. Lorsque vous inserez une plaque de cuisson dans le four, voirlez à la placer bien au centre de la grille.
Vérifiez que le joint d'étanchéité de la porte n'est pas endommagé et que le loquet de porte est régle de façon à ce que la porte soit bien appuyée contre le joint.
Un réseau d'eau place sur la grille doit avoir une profondeur uniforme. (S'il est plus profund à
l'arrière, par exemple, l'arrête de la cusinière doit être levé ou l'avant de la cusinière abaisse). Si la cusinière n'est pas à niveau, demandez à votre fournisseur de lamettre à niveau.
Avec le temps, la température du four de la cuisinière devient plus chaude
Si le fait demettre le bouton de réglage sur une température inférieure n'a pas eu d'effet ou a eu un effettemporaire, vous devrez peut'être remplacer le thermostat. Cette intervention doit être effectuee par un spécialiste de l'entretien.
Le grill ne cuit pas correctement
Utilisez-vous la lèchefrite et la grille fournies avec la cuisine ? Utilisez-vous la lèchefrite sur le support de grill et non pas directement sur la surface inférieure de l'enceinte du grill ? La lèchefrite est-elle insérée à fond jusqu'à la butée arrête ?
Défaillance de l'allumage ou des brûleurs de table de cuisson
L'appareil est-il sous tension?
Les encoches du générateur d'étincelles (électrode d'allumage) ou du brûleur sont-elles obstruées par des débris?
Les chapeaux des brûleurs sont-ils placés correctement?
Les brûleurs de la table de cuisson ne s'allument pas
Si un des brûleurs ou tous les brûleurs de la table de cuisson ne s'allument pas, vérifie que les composants ont été remis en place correctement après leur essuyage ou retrait à des fins de nettoyage.
Vérifiez que l'alimentation en gaz n'est pas défectueuse. Pour ce faire, vérifie le fonctionnement de vos autres apparèils à gaz.
Les brûleurs produit-ils une étincelle lorsque vous appuyez sur le bouton de commande ?
Dans le cas contraire, vérifie si l'appareil est sous tension.
François
Consignes générales de sécurité
Cet apparéil doit être installé par une personne compétente, conformément aux instructions d'installation. L'installation doit être conforme aux réglementations applicables, ainsi qu'aux prescriptions de la Compagnie d'électricité locale.
Si vous sentez une odeur de gaz
N'actionnezaucuninterrupteurelectrique,ni pour allumer,ni pour eteindre.
Ne fumez pas.
N'utilisez pas de flammes hues.
Coupez le gaz au compteur ou au niveau de la bouteille de gaz.
Ouvrez portes et fenêtres pour evacuer le gaz.
Appelez votre fournisseur de gaz.
Cette cusinière est donc uniquement pour un usage domestique. Toute autre utilisation n'engage ni la responsabilité, ni la garantie du fabricant.
L'utilisation d'un apparéil de cuisson à gaz produit de la chaleur et de l'humidité dans la piece contenant l' apparéil. Veillez à ce que la cuisine soit bien ventilée : laissez les ouvertures de ventilation naturelle ouvertes ou installez un dispositif de ventilation mécanique, (hotte d'extraction mécanique).
Une utilisation intensive prolongée peut nécessiter une ventilation supplémentaire, par exemple l'ouverture d'une fenêtre. Utilisez des extracteurs ou des hottes aspirantes dans la mesure du possible.
La cusinière doit faire l'objet d'un entretien effectué par un technicien d'entretien qualifié, lequel doit utiliser uniquement des pieces de rechange approuvées. Demandez à l'installateur de vous indiquer l'emplacement du commutateur de commande de la cusinière. Notez cet emplacement à des fins de référence. Laissez toujours la cusinière refroidir et mettez-la hors tension avant de la nettoyer ou d'effectuer une intervention d'entretien, sauf indication contraire dans les Presents instructions.
Toutes les parties de la cusinière deviennent chaudes lorsque l'appareil est en marche et resteront chaudes même lorsque la cuisson est terminée.
Prenez garde lorsqu vous touche la cusinière; pour limiter les risques de brûlure, vérifie toujours que les commandes sont sur ARRET (OFF) et que la cusinière a refroidi avant de la nettoyer.
Au besoin, utilisez des gants de cuisine secs – l'emploi de gants humides risque de causeur des brûlures dues à la vapeur lors du contact avec une surface chaude. Ne faites jamais fonctionner la cusinière avec des mains mouillées.
N'utilisez pas de torchon ou autre chiffon épais à la place d'un gant de cuisine. Ils risquent de s'enflammer au contact d'une surface chaude.
Nettoyez avec précaution. Si vous utilisez une éponce ou un chiffon humide pour essuyer des taches sur une surface chaude, prenez garde aux brûlures par la vapeur. Certains produits nettoyants peuvent produces vapeurs nocives au contact d'une surface chaude.
N'utilisez pas de casseroles instables et tournez les manches vers l'intérieur de la table de cuisson.
Ne laissez jamais les bébés, les tout-petits et les jeunes enfants s'approcher de la cusinière. Ne les laissez jamais s'asseoir ni monter sur une partie de la cusinière. Apprenez-leur à ne pas jouer avec les commandes ou avec une partie quelconque de la cusinière.
Ne rangez jamais dans des placards au-dessus d'une cusinière quoi que ce soit susceptible d'attirer l'attention des enfants - des enfants grimpant sur une cusinière pour atteindre des objets risquent de se blesser gravement.
Nettoyez uniquement les pieces indiquées dans les prsentes instructions.
Pour des raisons d'hygiene et de sécurité, la cusinière doit toujours être propre, afin de prévenir le risque d'incendie causé par l'accumulation de graisse et autres particules alimentaires.
Veillez à ce que les revêtements muraux inflammables, ridesaux, etc. soient toujours suffisamment éloignés de la cuisineire.
N'utilisez pas d'aerosols à proximé de la cuisinière lorsque celle-ci est en marche.
N'entreposez pas de matériaux combustibles ou de liquides inflammables à proximé de la cusinière.
N'utilisez pas d'eau pour eteindre les incendies dus à laGRAisse. Ne soulevez jamais un reçipient de cuisson qui a pris feu. Eteignez la cuisineire. Etouffez un reçipient qui a pris feu, sur un plan de travail, en le recouvrant complètement avec un couvercle de taille appropriée ou une plaque de
cuisson. Si possible, utilisez un extincteur à poudre chimique ou à mousse de type polyvalent.
Ne laissiez jamais la cusinière en marche sans surveillance si les brûleurs de la table de cuisson sont régles sur hauteures températures. Le débordement des recipients de cuisson peut produit de la fumée et des taches de gras qui risquent de s'enflammer.
Ne portez pas de vêtements amples ou flottants lorsque vous utilisez la cuisineire. Prenez garde lorsque vous essayez d'atteindre des objets dans des placards situés au-dessus de la table de cuisson. Des matériaux inflammbables risquent de s'enflammer au contact d'une surface chaude et de provoquer des brûlures graves.
Faites très attention lors du chauffage des graisses et des huiles car celles-ci risquent de s'enflammer en cas de surchauffe.
Si possible, utilisez un thermomètre à bain de friture pour prévenir une surchauffe de l'huile audela du point de fumée.
Ne laisssez jamais une friteuse sans surveillance. Faites toujours chauffer l'huile lentement, en la surveillant. Les friteuses ne doivent être remplies qu'à un tiers de leur capacité. Une friteuse trop pleine peut déborder lorsqu'on y plonge des alimentés. Si vous utilisez un mélange d'huile et de graisse pour la friture, mélangez-les avant de chauffer, ou pendant la fonte des graisses.
Les alimentés à frire doivent être le plus sec possible. La présence de cristaux de glace sur des alimentés congelez ou d'humidité sur des alimentés frais peut provoquer une ébullition et un débordement de l'huile. Surveillez attentivement pour prévenir les débordements et la surchauffe pendant la friture à haute ou moyenne température. N'essayez jamais de déplacer un réseau de cuisson contenant de l'huile chaude, en particulier une friteuse. Attendez que l'huile ait refroidi.
Lorsque le grill est en marche, ne vous servez pas de la grille d'évacuation (la grille le long de la partie arrrière de la cusinière) pour réchauffer des assiettes ou des plats, sécher des torchons ou ramollir du beurre.
Si vous utilisez un apparéil électrique à proximité de la table de cuisson, veillez à ce que le cordon de l' apparéil n'entre pas en contact avec la table de cuisson.
Veilles à prévenir toute infiltration d'eau dans la cuisine.
Seuls certains types de bénépants en verre, vitrocérément, terre cuite ou autres bénépants émailés peuvent être utilisés sur la table de cuisson ; les autres risquent de se briser en raison du changement soudain de température.
N'autorisez personne à grimper, se tenerABOUT ou s'accrocher sur ou à une partie de la cuisineire.
Ne recouvre pas les grilles, les panneaux internes ou la voûte du four de papier aluminium.
Ne chauffez jamais des recipients alimentaires qui n'ont pas ete ouverts. La pression accumulée a l'intérieur du recipient peut le faire eclater et blesser l'utilisateur.
La cuisine est concise uniquement pour la cuisson domestique et ne doit pas etre utiliser a d'autres fins.
N'UTILISEZ PAS le four pour chauffer la cuisine. Non seulement c'est un gaspillage d'énergie, mais il peut y avoir surchauffe des boutons de commande.
Lorsque le four est en marche, NE LAISSEZ PAS la portedou four ouverte plus longtemps qu neccessaire.
Les caractéristiques techniques de cette cuisinière ne doivent pas être modifiées.
Cet apparéil est lourd; prenez garde lorsque vous le déplacez.
Lorsque la cusinière n'est pas utilisé, vérifie que les boutons de commande sont sur la position Arrêt (Off).
François
Entretien et pieces de rechange
Veuillez replir la fiche technique ci-dessous et la conserver à des fins de référence ultérieure – cette information nous permettra d'identifier exactement votre cuisinière et de mieux répondre à vos besoin. Cette fiche vous fera gagner du temps et vous sera très utile plus tard en cas de problème concernant votre cuisinière. Nous vous conseillons également de conserver votre reçu d'achat avec la présente brochure. Vous devrez peut-êtreprésenter ce reçu pour valider une visite sur place dans le cadre de la garantie.
| Type de combustible : Mixte |
| Nom et couleur de l'appareil* : Falcon 1092 DL |
| Numéro de série de l'appareil* : |
| Nom et adresse du détaillant : |
| Date d'achat : |
| Nom et adresse de l'installateur : |
| Date d'installation : |
- Cette information figure sur le badge technique de l'appareil.
En cas de problème
Dans le cas peu probable où vous auriez un problème avec votre cuisinière, veuilles d'abord lire le reste de la présente brochure, en particulier la section de dépannage, pour vérifier que l'appareil est utilisé correctement.
Si le problème persiste, contactez votre fournisseur.
Remarque
Si vous appeareil n'est plus couvert par la garantie, notre fournisseur de services d'entretien peut vous facturer cette visite.
Si vous doivent appeller à un technicien d'entretien et si le défaut n'est pas la responsabilité du fabricant, notre fournisseur de services d'entretien se réserves le droit de facturer son intervention.
Les rendez-vous non respectés par le client peuvent être facturés.
Après la période de garantie
Nous recommendons un entretien périodique de nos apparèilspendant toute leur vie utile afin de garantir des performances et une efficacité optimes.
Les travaux d'entretien doivent être effectués uniquement par des personnes techniquempompétentes et qualifiées.
Pièces de rechange
Pour garantir une performance optimale et sure, nous recommendons l'utilisation exclusive de pieces d'origine. N'utilise pas de commandes de gaz remises à neuf ou non autorisées. Contactez votre fournisseur.
Installation
Cette cuisine est concise uniquement pour un usage domestique. Toute autre utilisation n'engage ni la responsabilité, ni la garantie du fabricant.
Avant l'installation, vérifie que la cusinière convient au type de gaz et à la tension d'alimentation électrique. Reportez-vous au badge technique de la cusinière.
Vérifiez le type de gaz prévu pour votre cuisinière sur le badge technique.
Modification
Cet apparéil est de catégorie : -
G 20 20millibars
CAT II2E3+
Un kit de modification permettant l'utilisation d'autres gaz est fourni avec la cusinière. Si la cusinière doit être modifiée pour fonctionner avec un autre gaz, nous recommendons d'effectuer cette modification avant l'installation. Reportez-vous aux Instructions de modification fournies avec le kit de modification. ÀpRES avoir modifiée l'appareil, veuillez apposer l'étiquette de modification sur la partie indiquée du badge technique, ceci permettant d'identifier le type d'installation au gaz de la cusinière.
Mesures/Règlements de sécurité
Cet apparéil doit être installé par une personne compétente. L'installation doit être conforme aux réglementations applicables, ainsi qu'aux prescriptions de la compétie d'électricité locale. Lisez les instructions avant d'installer ou d'utiliser cet apparéil.
Dans votre intérêt et par souci de sécurité, légalement, tous les apparèils à gaz doivent être installés par des personnes compétentes. Une installation incorrecte n'engage ni la responsabilité, ni la garantie du fabricant, et peut donner lieu à des poursuites.
Avant l'installation, vérifie que la cuisine convient au type de gaz et à la tension d'alimentation électrique. Reportez-vous au badge technique.
Installez la cusinière dans un endroit bien ventilé.
Ventilation
Cet apparéil n'est pas raccordé à un dispositif d'évacuation des produits de combustion. Il doit être installé et raccordé conformément à la réglementation en vigueur concernant l'installation. Prétez particulièrement attention à la réglementation en vigueur concernant la ventilation.
Respectez la reglementation locale sur la ventilation, mais au minimum :
Toutes les pieces nécessitent une fenêtre ouvrable ou un dispositif équivalent, et certaines pieces nécessitent une mise à l'air libre permanente en plus de la fenêtre ouvrable. La cusinière ne doit pas être installée dans une,chambre-salon de volume inférieur à 20m^3 .En cas d'installation dans une piece de volume inférieur à 5m^3 ,une mise a l'air libre de surface utile de 100~cm^2 est nécessaire; en cas d'installation dans une piece de volume entre 5m^3 et 10m^3 ,une mise a l'air libre de
surface utile de 50~cm^2 est nécessaire; si le volume est supérieur à 11m^3 , aucune mise à l'air permanente n'est nécessaire. Cependant, si la piece a une porte ouvrant directement sur l'extérieur, aucune mise à l'air libre permanente n'est nécessaire, même pour une piece entre 5m^3 et 10m^3 . Si la piece contient d'autres apparueils à combustible, une ventilation supplémentaire peut être nécessaire.
Emplacement de la cuisineire
La cuisine ne peut être installée dans une cuisine/un salon-cuisine, mais PAS dans une piece contenant une baignoire ou une douche.
NOTA :
Un apparéil utilisable avec du gaz de petrole liquéfié (GPL) ne doit pas être installé dans une piece ou un espace interieur souterrain, par exemple dans un sous-sol.
Positionnement de la cusinière
Les schémas indiquent les cotes minimales recommandées entre la cuisine et les surfaces adjacentes.
Ne placez pas la cuisineire sur un support.

*largeur d'ouverture de porte – prévoir davantage d'espace pour les poignées, voir ci-dessous.

Le pourtour de la table de cuisson doit être au niveau ou au-dessus de tout plan de travail adjacent. Au-dessus du niveau de la table de cuisson, laissez un espace de 75 mm entre chaque côté de la cusinière et toute surface verticale adjacent.
François
Pour les surfaces non-combustibles (telles que le métal non peint ou les carrelages), cette cote peut être de 25 mm.

Laissez un espace de 800~mm au minimum entre la partie supérieure de la table de cuisson et une surface horizontally combustible.
Toute hotte de cuisineira doit etre installee conformement aux instructions du fabricant de hotte. Les surfaces des meubles et des murs de chaque cote et a l'arriere de I'appareil doivent etre résistantes à la chaleur,aux éclaboussures et à la vapeur.Certains types de meubles de cuisine en vinyle ou en stratifié sont particulièrement susceptibles aux risques de dommages thermiques et de decoloration.Nous déclinons toute responsabilité pour des dommages resultant d'une utilisation normale de la cuisineira et subis par des materiaux qui se decollent ou se decolorent a des températures de moins de 65^ au-dessus de la température ambiente.
Par mesure de sécurité, ne placez pas de rideaux directement derriere la cuisine.
Nous recommendons de laisser un espace de 1115 mm entre les unités pour permettre le déplacement de la cusinière. La cusinière ne doit pas être totally encastrée. En effet, il doit être possible de la déplacer vers l'avant et vers l'arrière pour la nettoyer et pour y acceder lors des interventions de dépannage.
Déballage de la cusinière
N'enlevez aucun emballage de la cusinière tant que cette-ci n'est pas directement en face de l'emplacement où elle sera installée (sauf si, dans son emballage externe, la cusinière ne peut pas passer par une porte).
Mise à niveau
Nous vous recommendons d'utiliser un niveau à bulle place sur une des grilles de four pour vérifier le niveau.
Placez la cuisine à l'emplacement prévu pour son installation, en veillant à ne pas exercer de force de torsion lorsque vous l'insérez entre les éléments de cuisine, pour ne pas l'endommager ou endommager les éléments.
Les galets réglables permettent la mise à niveau de la cusinière. Pour régler la hauteur de l'arrière de la cusinière, utilisez l'outil de mise à niveau fourni pour tourner les écrous de réglage aux coins avant inférieurs de l'appareil.

Réglez la hauteur du galet avant pourmettre la cuisinière à niveau.Tournez en sens horaire pour lever la cuisinière et en sens anti-horaire pour l'abaisser.

Lorsque la hauteur et le niveau sont corrects, levez l'avant de la cusinière d'un tour du dispositif de réglage du galet avant. Dévissez les supports avant jusqu'à ce qu'ils touchent le sol. Vissez le dispositif de réglage du galet avant en sens anti-horaire pour remonter le galet avant, de sorte que l'avant de la cusinière repose sur les supports, et non pas sur le galet avant, afin de prévenir tout mouvement accidentel de la cusinière.
Laissez l'util de mise à niveau dans le tiroir de rangement pour que le client puisse l'utiliser, s'il le désire, pour déplacer la cuisineire.
Replacez le tiroir après l'avoir inséré sur les glissières laterales.
Conversion GPL
Si vous souhaitez modifier l'appareil en vue de l'utilisation d'un gaz de petrole liquéfié, une modification s'impose. Reportez-vous aux instructions fournies avec le kit de modification.
Raccordement de gaz
Dispositif stabilisateur
Un dispositif stabilisateur doit être monté sur la cuisinière si celle-ci est alimentée en gaz par le biais d'un tuyau flexible. Tout dispositif stabilisateur doit être attaché à la structure de la pierce et doit pouvoir être défait pour permettre le déplacement de la cuisinière à des fins de nettoyage ou d'entretien.
Tuyau flexible de gaz
Un robinet d'isolement de gaz doit être monté entre l'alimentation en gaz et le tuyau flexible de raccordement. Le tuyau flexible (non fourni avec la cusinière) doit être conforme aux normes appropriées. En cas de doute, contactez votre fournisseur.

vuede derriere
A position du raccord d'alimentation en gaz
B admission de gaz de l'appareil
Le raccord d'admission de la cuisinière est de type interne ISO 7-1. Si le raccordement doit être de type ISO 228-1, cherchez le raccord d'adaptation ISO 7-1 en raccord ISO 228-1 dans le kit de modification. Appliquez un produit d'étanchéité pour filtage approprié à l'extrémité ISO 7-1.

Vissez le raccord dans l'admission de la cusinière en serrant à la main. A l'aide de deux outils appropriés, l'un place au niveau de l'admission située sur la cusinière pour veiller à en assurer stabilité et l'autre sur le raccord, vissez le raccord dans l'admission.

Couple minimum 15 Nm.
Couple maximum 20 Nm.
Raccordez le tuyau au raccord.
Montez le tuyau de façon à ce que les raccords d'admission et de sortie soient verticaux et que le tuyau pende en forme de «U».
Il est difficile de donner des cotes précises, étant donné que la hauteur de la cusinière est régliable et que chaque raccordement est différent. Idéalement, le raccord d'alimentation domestique doit être dans la partie ombrée indiquée sur le schéma représentant l'arrière de l'appareil (« A » sur le schéma). Sinon, effectuez le raccordement par le côté.
Lorsque le raccordement est terminé, effectuez un essai de pression pour contrôle l'étanchéité de la cusinière. Lors du contrôle de l'étanchéité, n'utilise pas de liquide détergent pour vaisse, qui risque d'endommager le matériel. Utilisez un produit conçu spécifique pour la détction des fuites.
ATTENTION: N'UTILISEZ PAS DE FLAMME POUR DETECTOR LES FUIITES DE GAZ.
Essai de pression
La pression de gaz peut être mesurée au niveau du point d'essay de pression qui se trouve sur le bloc de raccordement du gaz. Allumez un des brûleurs de la table de cuisson.
François
Remettez en place le chapeau du brûleur, en veillant à le remonter correctement sur le corps du brûleur.
Raccordement électrique
Cette cusinière doit être installée par un électricien qualifié, conformément à la réglementation appropriée et aux prescriptions de la compétie d'électricité locale.
MISE EN GARDE : CET APPAREIL DOIT ETRE MIS A LA TERRE
Remarque
La cusinière doit être raccordée à l'alimentation électrique correcte, indiquée sur l'étiquette de tension sur l'appareil, par le biais d'une unité de commande de cusinière appropriée à interrupteur bipolaire (avec une séparation de contact de 3 mm au minimum entre les pôles). Cette cusinière ne doit pas être raccordée à une prise d'alimentation domestique ordinaire.
La charge électrique totale de cet appeareil est de 7,2 kW environ. Le cable utilisé doit avoir un calibre adapté à la charge et être conforme à toutes les prescriptions locales.
Pour acceder au bornier d'alimentation secteur, retirez le boitier électrique sur le panneau arrêté.
Raccordez les câbles d'alimentation secteur aux bornes correctes pour votre type d'alimentation électrique.



230VAC 50Hz

3N ac
230/400V 50Hz 人
Vérifiez que les connecteurs sont montés correctement et que les vis des bornes sont bien serrées.
Fixez le cable d'alimentation secteur à l'aide du serre-cable.
Table de cuisson
Contrôlez le fonctionnement de chaque brûleur. Un dispositif de sécurité coupe l'alimentation en gaz du brûleur en cas d'extinction de la flamme. En appuyant sur le bouton, le brûleur est mis en marche par le biais d'un système d'allumage par étincelle.
Pour chaque brûleur, appuyez sur le bouton et mettez-le sur le symbole grande flamme (†).
Le système d'allumage produit une étincelle et allume le gaz. Continuez d'appuyer sur le bouton pour permettre l'arrivee du gaz dans le bruleur pendant quelques secondes.
Si le brûleur s'eteint lorsque vous relâchéze le bouton de commande, le dispositif de sécurité n'a pas été enclenché. Mettez le bouton de commande sur la position Arrêt [Off] et attendez une minute avant d'essayer de nouveau, en appuyant sur le bouton pendant un peu plus longtemps.
Gril
Ouvrez la porte de l'enceinte du grill. Tournez le bouton de commande du grill et vérifie que le grill commence à chauffer.
Contrôle des fours
Allumez les fours et vérifie qu'ils commencent à chauffer. Eteignez les fours.
Montage de la plinthe
Déposez les 3 vis le long du bord inférieur avant de la cuisine. Maintenez la plinthe en place et reposez les 3 vis.
Contrôle de l'alignement de la portedu four
La charnière du bas de la porte peut être régée afin de modifier l'angle de la porte.
Desserrez les vis de fixation de la charnière inférieure, et utilisez le cran et un tournevis à lame plate pour régler la position de la charnière.
Resserrez les vis de la charnière.
Effet du réglage de la charnière - exagéré pour plus de clarté.



Ligne centrale de I'axe de charnière.
Omission de la porte du four pour plus de clarté.
Entretien - averissement
Avant toute intervention d'entretien, débranchez les alimentations de gaz et d'électricité. Une fois le travail terminé, effectuez les contrôle des sécurité nécessaires.
Conseils à la clientèle
Veuillez indiquer au client comment faire fonctionner la cuisine et lui remettre les prementes instructions.
Merci.
Entretien
Avant de commencer toute intervention d'entretien ou de remplacement de pieces assurant l'acheminement du gaz, débranchez l'alimentation en gaz.
Contrôlez l'étanchéité de l'appareil une fois l'intervention d'entretien terminée. Lors du contrôle de l'étanchéité, n'utilise pas de liquide détergent pour vaisse, qui risque d'endommager le matériel. Utilisez un produit concu spécifique pour la détction des fuites.
ATTENTION: N'UTILISEZ PAS DE FLAMME POUR DETECTOR LES FUIITES DE GAZ.
N'utilise pas de commandes de gaz remises à neuf ou non autorisées.
Débranchez l'alimentation d'électricité avant toute intervention d'entretien, notamment si vous devez-retirer l'un des éléments suivants : panneau de commande, panneau létral, plaque de cuisson ou tout composant électrique ou boîtier.
Avant de rebrancher l'alimentation électrique, effectuez les contrôles de sécurité nécessaires.
Nota - Les références au four gauche et droit s'appliquent lorsque l'on regarde le four depuis l'avant. AVANT Toute INTERVENTION D'ENTRETIEN SUR UN COMPOSANT ACHEMINANT DU GAZ, COUPEZ LE GAZ.
1 Dépose de la table de cuisson
Débranche l'appareil de l'alimentation électrique. Avancez la cusinière afin de pouvoir y acceder.
a) Retirez les grilles/les accessoires de table de cuisson et les chapeaux de brûleur.
b) Retirez le venturi en cuivre situé au centre de chaque socle de brûleur de la table de cuisson.
c) Retirez le socle de la table de cuisson et débranchez le cable d'allumage de l'électrode d'allumage d'étincelle.
d) Dégagez la table de cuisson de I'appareil.
e) Remontez en procédant dans l'ordre inverse.
2 Dépose du panneau de commande
Débranche l'appareil de l'alimentation électrique.
a) Retirez les grilles/les accessoires de table de cuisson et les chapeaux de brûleur.
b) Desserrez le venturi en cuivre situé au centre de chaque brûleur.
c) Retirez les boutons de commande de tous les robinets.
d) Ouvrez le grin et les portes de four croit. Déposez 3 fixations de la partie supérieure avant et 3 fixations du dessous du panneau de commande.
e) Tirez le panneau de commande vers l'avant. Retirez les raccords de l'arrière des trois néons. Débranchez le cable de terre et soulevez le panneau de l'appareil pour le dégager.
f) Remontez en procedant dans l'ordre inverse.
g) Pour remettre les raccords électriques en place, reportez-vous au schéma de câblage.
Entretien - averissement
Avont toute intervention d'entretien, debranchez les alimentations de gaz et d'électricité. Une fois le travail terminé, effectuez les contrôles de sécurité nécessaires.
3 Dépose d'un panneau létral extérieur
Débranche l'appareil de l'alimentation électrique.
a) Retirez le panneau de commande comme indiqué à la Section 2.
b) Retirez la vis de fixation du bord supérieur avant et les deux fixations situées sur le panneau arrêté ou le panneau létral. Dévissez la vis de fixation inférieure située sous le bord du coin avant du panneau.
c) Retirez le panneau en tirant pour le detacher de l'appareil. En cas de difficultés, il sera peut-être nécessaire de desserrer les deux brûleurs les plus proches et les deux venturis en cuivre, comme indiqué à la Section 1.
d) Remontez en procedant dans l'ordre inverse. Vérifiez que les deux venturis sont serrés à fond.
4 Dépose d'un néon de four ou de grill
Débranche l'appareil de l'alimentation électrique.
a) Retirez le panneau de commande comme indiqué à la Section 2.
b) Retirez le raccord de néon approprié et défaites l'écrou retenant le néon au panneau de commande.
c) Remontez en procedant dans l'ordre inverse. Vérifiez que le nouveau néon fonctionne correctement.
5 Dépose d'un thermostat
Débranche l'appareil de l'alimentation d'électricité.
a) Retirez la table de cuisson, comme indiqué à la Section 2.
b) Retirez le panneau de commande comme indiqué à la Section 3.
c) Ouvrez la porte de four appropriée et retirez les grilles de four.
Four droit
Retirez les deux fixations retenant le couvercle du tube en verre du thermostat. Dégagez le tube en verre du thermostat des clips de retenue sur le panneau arrêté du four.
Four gauche
Retirez les deux vis maintenant le tube en verre du thermostat au couvercle de ventilateur du four situé à l'arrière du four. Avancez la cusinière afin de pouvoir acceder à la partie arrêté. Retirez les deux boîtiers en déposant les vis de fixation avant de les retarder complètement. Sortez le tube capillaire du four.
d) Débranche les fils du thermostat et défaites les deux fixations retenant la commande à la plaque de montage.
e) Posez la piece de rechange et remontez en procedant dans l'ordre inverse. Vérifiez que le tube en verre est solidement fixé à l'arrière du four et qu'il est positionné entre les clips de retenue. Vérifiez que le thermostat fonctionne correctement.
6 Remplacement d'un contrôleur de grill
Débranche l'appareil de l'alimentation électrique.
a) Déposez la table de cuisson, comme indiqué à la Section 1.
b) Retirez le panneau de commande comme indiqué à la Section 2.
c) Débranchez le câblage du contrôleur. Défaites les fixations qui attachent le dispositif à la plaque de montage.
d) Posez la piece de rechange et remontez les pieces en procedant dans l'ordre inverse. Vérifiez que la piece de rechange fonctionne correctement.
7 Dépose du thermostat d'arrêt automatique de four
Débranche l'appareil de l'alimentation électrique.
a) Avancez la cusinière afin de pouvoir acceder au boitier du couvercle. Dévissez et enlevez le boitier.
b) La commande se trouve sur la plaque de terre, à côté des raccords d'éléments du four.
c) Débranchez le câblage du thermostat. Défaites les fixations qui retiennent le thermostat à la plaque de terre et le retarder.
d) Posez la commande de rechange et remontez les pieces en procédant dans l'ordre inverse.
8 Dépose d'un robinet de table de cuisson
a) Déposez la table de cuisson, comme indiqué à la Section 1.
b) Retirez le panneau de commande comme indiqué à la Section 2.
c) Débranche le cable FSD de l'arrière du robinet. Défaites le raccord de compression situé à l'arrière du robinet. Retirez les fixations du robinet sur la conduite de gaz. Débranche le câblage du contacteur d'allumage.
d) Retirez le robinet. Retirez le joint et jetez-le. Placez un joint neuf sur le robinet de rechange.
e) Remontez en procédant dans l'ordre inverse. Contrôlez l'étanchéité de l'appareil. Contrôlez l'allumage de la table de cuisson.
9 Remplacement d'un contacteur d'allumage
Remplacez le robinet de gaz comme indiqué à la Section 8.
10 Dépose d'un injecteur de brûleur de table de cuisson
a) Déposez la table de cuisson, comme indiqué à la Section 1.
b) Retirez l'injecteur directement depuis le corps du brûleur.
c) Placez l'injecteur approprié.
d) Remontez en procedant dans l'ordre inverse. Contrôlez l'étanchéité de l'appareil.
11 Dépose de l'électrode d'allumage d'un brûleur de table de cuisson
a) Retirez les grilles, les accessoires de la table de cuisson et les chapeaux des brûleurs.
b) Défaites le venturi du socle et retirez le socle de la table de cuisson. Tirez le fil d'allumage par l'orifice de dégagement de l'électrode.
c) Détachez l'électrode d'allumage du fil d'allumage. Remarque
Entretien - averissement
Avant toute intervention d'entretien, débranchez les alimentations de gaz et d'électricité. Une fois le travail terminé, effectuez les contrôle des sécurité nécessaires.
Veillez à ce que le fil d'allumage ne retombe pas dans l'orifice de dégagement.
d) Detachez l'électrode d'allumage du socle en déposant le clip de ressort et le ressort.
e) Montez l'électrode de rechange sur le socle du brûleur. Vérifiez que le ressort et le clip sont placés correctement.
f) Remontez en procédant dans l'ordre inverse et vérifie que l'allumage du brûleur fonctionne correctement.
12 Dépose d'un brûleur de la table de cuisson
a) Retirez les grilles, les accessoires de la table de cuisson et les chapeaux des brûleurs.
b) Déposez la table de cuisson, comme indiqué à la Section 1.
c) Défaites le raccord de compression qui raccorde le corps du brûleur au tuyau de gaz.
d) Retirez l'écrou de fixation du corps du brûleur sur la gouttière de support.
e) Retirez les fixations de la gouttière de support sur le chassin. Dégagez la gouttière de l'appareil.
f) Retirez le corps du brûleur de l'appareil.
g) Remontez en procédant dans l'ordre inverse. Contrôlez l'étanchéité de l'appareil et vérifie que le brûleur fonctionne correctement.
13 Dépose de la porte du four
a) Ouvrez la portedu four.
b) Soutenez la porte et retirez les deux vis qui retiennent la charnière supérieure au cadre avant de l'appareil.
c) Retirez la porte de la charnière inférieure en la levant légèrement afin de la dégager de l'appareil.
d) Remontez en procédant dans l'ordre inverse.
14 Dépose de la porte du grill
a) Retirez les grilles, les accessoires de la table de cuisson et les chapeaux des brûleurs.
b) Déposez la table de cuisson, comme indiqué à la Section 1.
c) Retirez le panneau de commande comme indiqué à la Section 2.
d) Retirez le panneau l'etal gauche comme indiqué à la Section 3.
e) Retirez la plinthe (3 vis).
f) Retirez le couvercle vertical central situé entre les fours (5 vis).
g) Retirez les 2 vis à tête noyée (1 de chaque côté) qui retiennent les bras articulés à l'avant de l'enceinte du grill.
Remarque
Les bras de porte articulés sont retenus par dessort.
Procedez avec précaution pour retarder la porte du grill et conservez les joints.
h) Remontez en procédant dans l'ordre inverse. Vérifiez que le joint est monté entre le bras articulé et l'avant de l'enceinte du gril. Contrôlez le fonctionnement de la porte.
15 Déposé du panneau de porte extérieur du four
a) Ouvrez la portedou four.
b) Retirez les deux vis « A » et les deux vis « B » de la porte.
c) Retirez le panneau de porte extérieur.
d) Défaites les écrous fixant la poignée au panneau de porte. Montez la poignée sur le nouveau panneau de porte.
e) Montez le panneau isolant de rechange sur la porte interne du four, en vérifier que l'isolation du four est montée correctement.
f) Remontez en procedant dans l'ordre inverse.

16 Retrait du verrouillage de porte
a) Retirez le panneau de porte extérieur du four, comme indiqué à la section 15.
b) Retirez les fixations retenant l'ensemble de verrouillage au panneau de porte interieur.
c) Posez le verrouillage de rechange et remontez en procédant dans l'ordre inverse.
d) Vérifiéz que la porte fonctionne correctement.
17 Dépose du joint de la porte du four

a) Ouvrez la porte du four. Le joint est maintainu en place par des petits crochets placés sur la face arrière. Depuis le coin, tirez sur le joint dans le sens de la diagonale, en l'éloignant du centre de la porte, jusqu'à ce que ce crochet se défasse.
b) Passez au crochet suivant et défaites-le, ainsi que les suivants, de la même façon. Vous pouvez forcer si les crochets résistant car le joint usage sera mis au rebut.
c) Lors de la pose d'un nouveau joint, positionnez le raccord dans le bas. Accrochez le nouveau joint dans l'un des orifices situés à un angle de la porte et poursuivez l'opération sur tout le tour de façon àmettre chaque crochet en place.
18 Réglage de la gâché du loquet de porte du four
a) Ouvrez la porte du four et desserrez l'écrou de verrouillage au niveau de la partie inférieure de la gâche.
Entretien - averissement
Avant toute intervention d'entretien, débranchez les alimentations de gaz et d'électricité. Une fois le travail terminé, effectuez les contrôle des sécurité nécessaires.
b) Réglez la gâche vers l'intérieur ou l'extérieur, selon le cas, jusqu'à ce que le fonctionnement de la porte soit satisfaisant.
c) Resserrez l'écrou de verrouillage.
19 Dépose du générateur d'étincelle de la table de cuisson
Débranche l'appareil de l'alimentation électrique.
a) Tirez la cusinière vers l'avant pour pouvoir acceder aux boitiers situés à l'arrière de l'appareil. Dévissez et enlevez le boitier.
b) Défaites les branchements de borne, en veillant à noter leurs emplacements.
c) Défaites les fixations du générateur d'étincelle et retirez le générateur.
20 Dépose des fils d'électrode de table de cuisson
Débranche l'appareil de l'alimentation électrique.
Tirez la cusinière vers l'avant pour pouvoir acceder à la partie arrrière.
a) Retirez les grilles, les accessoires de la table de cuisson et les chapeaux des brûleurs.
b) Déposez la table de cuisson, comme indiqué à la Section 1.
c) Retirez le boitant de protection et débranchez tous les fils HT au niveau du générateur d'étincelle.
d) Retirez le panneau arrête inférieur et débranche le fil au niveau de l'electrode.
e) Tirez le faisceau gainé de fils HT et faites-le-sortir par la colonne arrrière.
f) Retirez le fil à remplacer de la gaine et insérez le fil de rechange.
g) Ré-insérez le faisceau dans la colonne arrêté.
h) Rebranche les fils au générateur et à l'électrode du four.
j) Remontez en procédant dans l'ordre inverse et vérifie le fonctionnement de l'allumage.
21 Retrait de la partie arrière interne du four
a) Ouvrez la porte du four. Pour le four de gauche, dévissez les deux vis de fixation du tube en verre du thermostat. Retirez les fixations retenant la partie arrrière interne à l'arrête du four.
b) Soulevez le panneau amovible pour le retirer.
c) Remontez en procedant dans l'ordre inverse. Vérifiez que les fixations sont solidement serrées.
22 Remplacement d'un ventilateur de four
Débranche l'appareil de l'alimentation électrique.
a) Avancez la cusinière afin de pouvoir acceder aux boîtiers situés à l'arrière de l'appareil. Dévissez et enlevez le boîtier.
b) Retirez le câblage du ventilateur ennant note de l'emplacement des branchements.
c) Retirez la partie arrêté interne, comme indiqué à la Section 21.
d) Maintenez les pales du ventilateur et defaites l'écrou central (filetage gauche), les rondelles en cuivre, les pales et le jonc d'arrêt.
e) Défaites les fixations retenant le ventilateur et retirez celui-ci de la cavité.
f) Posez la piece de rechange et remontez les pieces en procédant dans l'ordre inverse. Vérifie que le four fonctionne correctement.
23 Retrait d'un élément du ventilateur de four
Débranche l'appareil de l'alimentation électrique.
a) Retirez la partie arrête interne du four (voir point 21).
b) Déposez 2 vis situées en haut de l'objet et 1 vis se trouvant en bas de l'objet à l'intérieur du four.
c) Sortez les éléments soigneusement, débranchez les cables des bornes des éléments en faisant attention à leur position. S'il n'est pas possible de débrancher les cables de cette façon, tirez la cuisinière vers l'avant afin de pouvoir acceder à l'arrière, retarder les vis maintainant le couvercle électrique à la plaque arrière et débrancher les bornes à l'arrière.
d) Posez le nouvel élément et réassemblez en procédant dans l'ordre inverse.
e) Vérifiéz que le four fonctionne correctement.
24 Retrait des éléments inférieur et supérieur du four gauche
Débranche l'appareil de l'alimentation électrique.
Elément inférieur
a) Avancez la cusinière afin de pouvoir acceder aux boîtiers situés à l'arrière de l'appareil. Dévissez et enlevez le boîtier.
b) Défaites les branchements de borne en veillant à prendre note de leurs emplacements.
c) Retirez les fixations retenant le couvercle d'élément inférieur.
d) Défaites les branchements de borne en veillant à prendre note de leurs emplacements.
e) Retirez les fixations de support d'élément inférieur.
f) Retirez les fixations de support d'élément et enlevez l'élement.
g) Remplacez I'elément et remontez en procedant dans l'ordre inverse.
Elément supérieur
a) Ouvrez la porte de four gauche et defaites les fixations retenant l'écran thermique.
b) Retirez les fixations de support d'élément supérieur et enlevez l'élement.
c) Remplacez l'élément et remontez en procédant dans l'ordre inverse. Vérifiez que le four fonctionne correctement.
25 Dépose d'un élément du grill
Débranche l'appareil de l'alimentation électrique.
a) Tirez le support de grill vers l'avant et soulevez la l'echefrite pour l'enlever du support. Soulevez le support du grill afin de libérer le galet avant du bras latéral. A l'aide du galet arrêté, faites glisser le support vers l'avant jusqu'à ce qu'il soit possible de le lever et de le retireur du bras latéral.
b) Dans l'enceinte du grill, retirez la protection émaillée avant de la voûte du grill, les 2 vis et les rondelles.
Entretien - averissement
Avant toute intervention d'entretien, débranchez les alimentations de gaz et d'électricité. Une fois le travail terminé, effectuez les contrôle des sécurité nécessaires.
Retirez les 2 vis et les rondelles retenant le support avant d'élément du grill.
c) Retirez les vis des éléments du grill. Sortez les éléments soignement; débranche les câbles des bornes des éléments en faisant attention à leur position.
d) S'il s'avere impossible de débrancher les câbles de cette façon, coupez le gaz. Déposez le tiroir et abaissez le galet avant. Tirez la cusinière vers l'avant et débranchez le tuyau de gaz. Avancez suffisamment la cusinière afin de pouvoir acceder à l'arrière.
e) Retireez les fixations retenant le couvercle arrière et soulevez pour le retarder. Débranchez les bornes de l'arrête.
Posez les nouveaux éléments et réassemblez en procédant dans l'ordre inverse. Contrôlez le fonctionnement du grille.
26 Réglage de l'angle de la porte du four
La charnière du bas de la porte peut être régée afin de modifier l'angle de la porte.
Desserrez les vis de fixation de la charnière inférieure, et utilisez le cran et un tournevis à lame plate pour régler la position de la charnière.
Resserrez les vis de la charnière.
Effet du réglage de la charnière - exagéré pour plus de clarté


Ligne centrale de I'axe de charnière.

Omission de la porte du four pour plus de clarté.
François
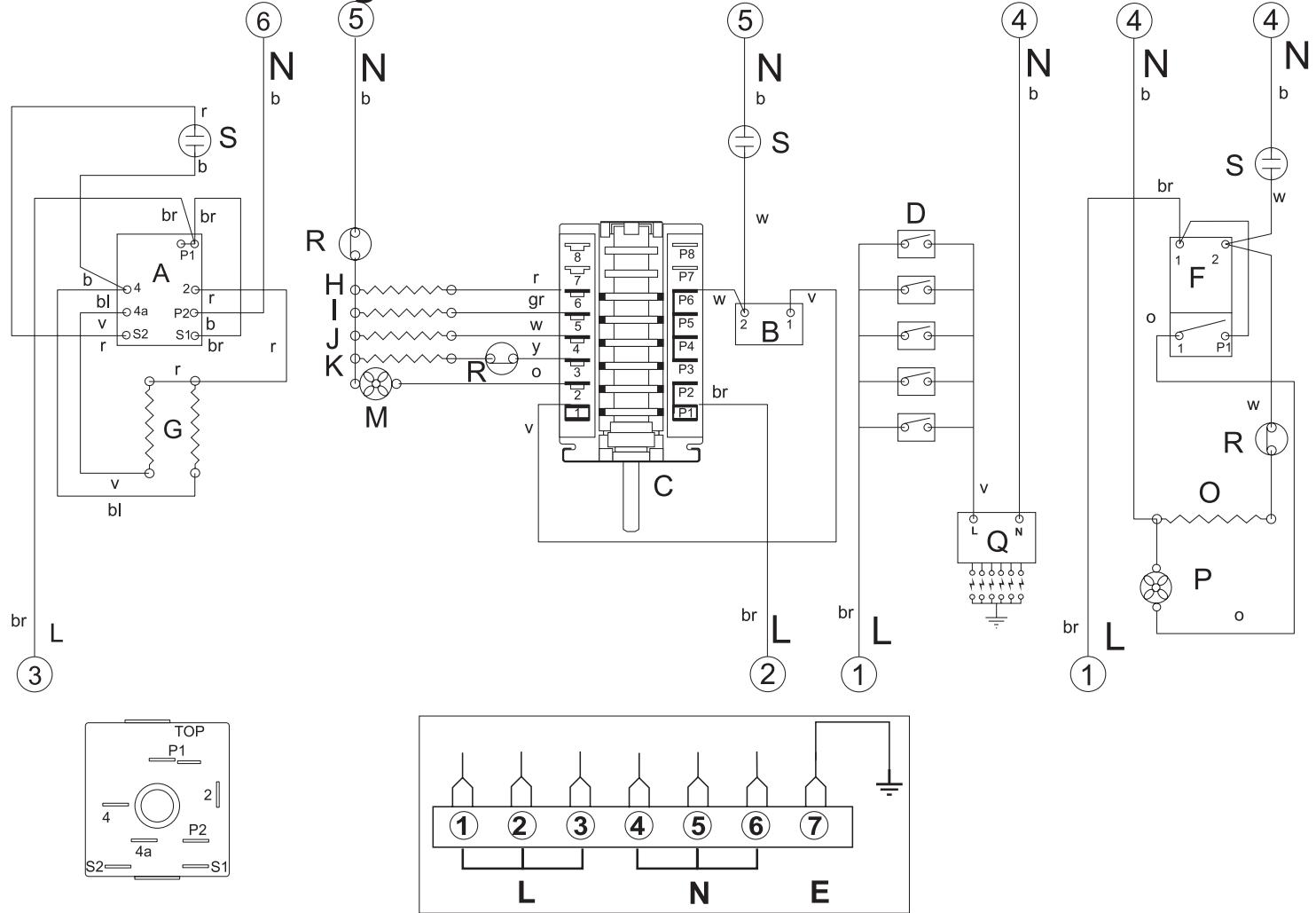
Scheme de câblage

Les raccords indiqués sur le schéma de câblage correspondant à une alimentation triphasée et monophasée. Les capacities nominales sont pour 230 V 50 HZ
Légende du schéma de câblage
A Regulateur de puissance du grill
B Thermostat de four multifonctions gauche
C Commande des fonctions du four multifonctions
D Contacteurs de robinet de commande de table de cuisson
F Thermostat du four droit
G Éléments du grill
H Element de sole du four multifonctions
I Element devoie du four multifonctions (paire exterieure)
J Elément de gratinage du four multifonctions (paire interieure)
K Elément de ventilateur du four multifonctions
M Ventilateur du four multifonctions
O Elément de four ventilé droit
P Ventilateur du four droit
Q Générateur d'allumage
R Protecteur thermique
S Néon
Code couleur
b Bleu
n Noir
br Brun
o Orange
Rouge
Violet
w Blanc
y Jaune
Fiche technique
La cusinière est de catégorie II2E3+
A la livraison, elle est régée sur gaz naturel de type H. Un kit de modification permettant l'utilisation d'autres gaz est fourni.
INSTALLATEUR : Veuillez remetre les Presents instructions à l'utilisateur.
EMPLACEMENT DU BADGE TECHNIQUE: Arrière de la cusinière, badge de répétition du numéro de série sous l'ouverture de la porte du four.
Dimensions
| Hauteur totale | minimum 915mm | maximum 942mm |
| Largeur totale | 1092mm (Reportez-vous à la section « Positionnement de la cisinière ») | |
| Profondeur totale | 660mm (600 mm sans les poignées) | |
| Emplacement prévu pour fixation | Reportez-vous à la section « Positionnement de la cisinière » | |
| Espace minimum au-dessus de la table de cisson | 800mm | |
Branchements
| Gaz: | Electricité |
| Rp 1/2 au niveau du côté arrêté droit | 220 - 240V 50Hz |
Capacités
| Fours | Four multifonctions gauche | Four droit |
| Elément de ventilateur | 2,5 kW | 2,5 kW |
| Elément supérieur | 1,2 kW | |
| Elément gratineur | 1,15 kW | |
| Elément inférieur | 1,0 kW |
| Grid | 2,3 kW |
Charge électrique totale maximum à 230V 7,4 kW (valeur totale approximative complenant l'éclairage de four, le ventilateur du four, etc.)
| Fours | Multifonctions | Convection forée |
| 2.5kW | 2.5kW | |
| Classement selon son efficacité énergétique sur une échelle allant de A (économe) à G (peu économe) | B | A |
| Consommation d'énergie Calculée en charge normalisée | 0.90kWh | 0.85kWh |
| Volume utile (litres) | 62 | 67 |
| Type | Volume moyen | Grand volume |
| Temps de cuisson en charge normale (minutes) | 41 minutes | 38 minutes |
| Surface de cuisson | 1400cm2 | 1400cm2 |
Notice Facile