Orion Acciaio - Padella Cola - Manuale utente e istruzioni gratuiti
Trova gratuitamente il manuale del dispositivo Orion Acciaio Cola in formato PDF.
Domande degli utenti su Orion Acciaio Cola
0 domanda su questo apparecchio. Rispondi a quelle che conosci o fai la tua.
Fai una nuova domanda su questo apparecchio
Scarica le istruzioni per il tuo Padella in formato PDF gratuitamente! Trova il tuo manuale Orion Acciaio - Cola e riprendi in mano il tuo dispositivo elettronico. In questa pagina sono pubblicati tutti i documenti necessari per l'utilizzo del tuo dispositivo. Orion Acciaio del marchio Cola.
MANUALE UTENTE Orion Acciaio Cola
Leggere attentamente le istruzioni prima dell'installazione, utilizzo e manutenzione. Il manuale è parte integrante dell'apparecchio.
Certificato di Garanzia
La presente garanzia convenzione è valida per gli apparetti funzionanti a pellet destinati alla commercializzazione, venduti ed installati sul solo territorio italiano.
La Direttiva Europea 1999/44/CE ha per oggett to taluni aspetti della vendita e delle garanzie dei beni di consumo e regolamento il rapporto tra Venditore finale e Consumatore. La Direttva in oggett o prede che in caso di difetto conformità del prodotto, il Consumatore ha diritto a rivalersi nei confronti del Venditore finale per ottenere il ripnistino sono spese dei difetti manifestatis entro il termine di 24 mesi alla data di conseigna La Ditta COLA Srl, pur non esendo Venditore finale nei confronti del Consumatore, intende comunique supportare le responsabilità del Venditore finale con una propria Garanzia Convenzionale, fornita tramite la propria rete di assistenza tecnica autorizzata alle condizioni riportate di seguito.
OggettodellaGaranziaedurata
Con la presente Garanzia convenzione l'azienda Produttrice garantisce da tutti i difetti di fabbricazione e di funzionamento gli apparechi venduti per 24 mesi alla data di segna, documentata atraverso regolare documento di acquisto, purché avvenuta entro 3 anni alla data di fabbricazione del prodotto.
La messa in servizio del prodotto deve essere effettuata a cura di un Installatore qualificato ed entro 30 giorni alla messa in servizio il Cliente deve richiedere ad un Centro Assistenza autorizzato il primo controllo Gratis e la validazione della Garanzia.
Si precisa che la Garanzia decorre sempre alla data di consegnadocumentata
Sono espressamente esclude dalla presente garanzia convenzionale le parti di nomale usura* (guarnizioni, manopole, vetro, parti in vemiculite-refattario, parti estetiche in metallo o ceramicica-maiolica, braciere, deviaton fiamma-fumo, ecc.).
Eventuali difetti estetici su ceramiche-maioliche o su qualiasi parte a vista in metallo vanno rilevati, pena di decidenza, al momento della segnagla; le segnalazioni effettuate successivamente a tale data sono esclude nella garanzia.
Modalità per far valere la presente Garanzia
In cas di guasto , il Cieente deve richiedere entro il termine di decidenza di 30 giomi l'intervento del Centro Assistenza di zona autorizzato .
I nominativi dei Centri Assistenza autorizzati sono reperibili atraverso il sito internet o il numero Telefonico dell'azienda Produttrice.
I costi di intervento sono a carico dell'azienda Produttrice, fate salve le esclusioni previste e riportate nella presente Garanzia.
Gli interventi in garanzia non modificano la data di decorrenza o la durata della stessa.
Esclusioni
Sono esclude alla presente Garanzia i guasti e gli eventuali danni causati da:
-trasporto non effettuato a cura dell'azienda Produttrice;
inosservanza delle istruzioni e delle avventenze previste dall'azienda Produttrice eriportate sui manuali d'uso e manutenzione a corred del prodotto;
errata installationo inosservanza delle prescnizioni di installmente,previste dall'azienda Produttrice eriportate sui manuali d'uso e manutenzione a corredo del prodotto;
inosservanza di nome e/o dispositionsi previste da leggi e/o regolamenti vigenti, in particolare per assenza o difetto di manutenzione periodica;
- inadequatezza o mancanza delle manutenzioni periodiche inadeguate o mancanti previste sui manuali d'uso e manutenzione a corredo dello prodotto;
anormalita o anomalie di qualsi a genere nll alimentazione degli impianti elettrici, idraulici e/o negli scarichi in cana fumana
impiegodi combustibili non conformi e non riportat sui manuali d'uso e manutenzione
impiego di parti di ricambio non originali COLA
corrosioni da condensa o agressivita dell'acqua causati da inadeguiati trattamenti dell'acqua di alimentazione o dall'errato utilizzo di tratamenti disincrostanti;
-
deterioramento da agenti chimico fisici, gelo, correnti vaganti, fulmini fenomeni atmossfici;
-
trascuratezza, cattivo utilizzato, manomissioni o interventi tecnici effettuali sul prodotto da personale non autonizzato estraneo alla rete dei Centri Assistenza autorizzati;
-
- parti soggette a normale usura di impiego (guamizioni, manopole, vetro, parti in vermiculite-refrattario, parti estetiche in metallo o ceramicà-maiolica, braciere, deviatori fiamma- fumo, ecc.);
eventuali intervenenti di taratura o regolazioni sull'apparecchio per la sostituzione della qualita del pellet o modifica dell'infallazione,
- cause di forza maggiore indipendenti alla volontà e dal controllo dell'azienda Produttrice
Non nientrano nella Garanzia le operazioni ordinane di pulizia e manutenzione, ne eventuale attività e/o operazioni per accederel al prodotto (smontaggio mobili o pareti, allevimento ponteggio o alto).
Responsabilita
Il personale autorizzato dall'azienda Produttrice intervenie a titolo di assistenza tecnica del Cliente; l'Installatore resta comunque l'unico responsabile dell'installazione, il quale deve rispetto le prescnzioni di legge attualmente vigenti e leindicazioni tecniche presenti nei manuali d'uso manutenzione a corredo del prodotto.
Le condizioni di Garanzia convenzione soprælencate sono le una offerte alla Ditta COLA Srl; nessuna terza parte è autorizzata a modificare i termini della presente Garanzia né nlasciare altriverbali o documenti.
Diritti di legge
La presente Garanzia si agginge e non pregiudica i diritti del Consumatore previsti alla Direttiva 1999/44/CE e relativo Decreto legislativo Dlg s 6.09 2005 n°206.
Istruzioni Convalida Primo Controllo Gratisio
Con la presente siamo a comunicarVi l'aggiornamento del primo controllo per la convalida della garanzia su tutti i prodotti a pellet venduti ed installati nel territorio italiano.
Vielenchiamo le operazioni da eseguire ai fini della Convalida in oggetto:
- leggere il Certificato di Garanzia e allegare al manuale d'uso e manutenzione in dotazione alla stufa;
- leggere attentamente il manuale d'uso e manutenzione prima di installare, usare e manutentare la stufa;
- controllare la presenza del bollino adesivo di Convalida Primo Controllo Gratis e conservarlo in luogo sicuro; tale adesivo sare applicato sul rapporto d'intervento del Centro di assistenza autorizzato assieme al bollino siglato con la lettera A verde presente nel Certificato di Controllo in dotazione alla stufa;
- sare installare la stufa da un tecnico qualificato rissettando le norme vigenti locali e nazionali e le prescrizioni presenti nel manuale d'uso e manutenzione;
- chiedere l'intervento di Primo Controllo Gratis to al Centro assistenza di zona autorizzato
- al termine dell'operazione di controllo ed esito positivo il Centro di assistenza provvedra alla compilation completeness in ogni sua parte del rapporto d'intervento in triplice copia e precisamente Produttore, Cliente e Centro di Assistenza; tale documento, nella copia da inviare al Produttore dovrare riportare il bollino di convalida Primo Controllo, il bollino A presente nel Certificato di Controllo della stufa e la firma di accettazione del cliente;
- il Centro di assistenza provvedera ad inviare copia della relazione d'intervento al Produttore con i 2 bollini originali a prova dell'avvenuto intervento.


COLA S.r.l. - Viale del Lavoro - 37040 Arcole (VR) Italy - tel. 045.7635780 - 045.614403 - Fax 045.6144048 e-mail: info@anselmocola.com - on line: www.anselmocola.com - Partita IVA e Codice Fiscale 02990180230 Fax Amministrazione 045.7639029 - Fax Commerciale 045.6144048 - Fax Assistenza 045.7639030
Primo controlo Gratisno
Questa busta contiene:
Certificato di garanzia Istruzioni di convalida primo controllo Gratis o Bollino adesivo di convalida primo controllo Gratis
IT 5-36
La Ditta COLA garantisce i propri prodotti seconde le norme attualmente in vigore, ad esclusione delle parti soggette a normale usura. Per le condizioni di garanzia rivolgersi all'importatore o al rappresentante autorizzato, il quale può integrare il periodo della garanzia obbligatoria con un periodo supplementare a sua totale ed esclusiva responsabilità. La garanzia del prodotto decade per qualsiasi inconvenientile, rottura o incidente dovuto al mancato rispetto o applicazione delle indicazioni contenute nel presente manuale
GB 37-68
1.1 Introduzione
1.2 Comeutilizzareil manuale
1.3 Norme di sicurezza
1.4 Descrizione tecnica
1.5 Combustible e uso consentito
1.6 Accessori in dotazione
1.7 Riferimenti normativi
1.8 Targa di identificazione
1.9 Messa fuori servizio della stufa
1.10 Istruzioni per richiesta di intervento e ricambi
2 TRASPORTO ED INSTALLAZIONE
2.1 Imballo, movimentazione, spedizione e trasporto
2.2 Luogo d'installazione, posizionamento e sicurezza antincendio
2.3 Presa aria
2.4 Scarico fumi di combustione
2.4.1Tipologie di installmente
2.5 Controllo posizione bracere e deviatori
2.6 Collegamento elettrico
2.7 Schema elettrico
2.8 Pronto intervento
3 SICUREZZE DELLA STUFA
3.1 Distanza sicurezza da materiali infiammabili
3.2 Sicurezza scarico fumi
3.3 Sicurezza sovrappressione in camera di combustione
3.4 Surriscaldamento - termostatosicurezza temperatura serbatoio pellet
3.5 Sicurezza contro il ritorno di fiamma sul canale alimentazione pellet
3.6 Dispositivo elettrico di protezione della sovracorrente
3.7 Sicurezza da interruzione di alimentazione elettrica
3.8 Guasto ventilatore fumi
4 USO DELLA STUFA
4.1 Premessa
4.2 Descrizione del pannello comandi
4.3 Accensione
4.3.1 Controllo prima dell'accensione
4.3.2 Fase di avvio
4.4 Fase di lavoro
4.5 Spegnimento stufa
4.6 Menu
4.6.1 menu 01 - regola ventole
4.6.2 menu 02 - set orologio
4.6.3 menu 03 - abilita crono
4.6.4 menu 04 - scegli lingua
4.6.5 menu 05 - modulo stand-by
4.6.6 menu 06 - cicalino
4.6.7 menu 07 - carico iniziale
4.6.8 menu 08 - stato stufa
4.6.9 menu 09 - tarature tecnico
4.7Telecomando
4.7.1 sostituzione batteria
4.8 Termostato -cronotermostato esterno
4.9 Periodo di inattività (fine stagione)
5 PULIZIA DELLA STUFA
5.1 Pulizia braciere
5.2 Pulizia contentitorecene
5.3 Pulizia del vetro e delle fissure circolazione aria
5.4 Pulizia estrattore fumi e camera di combustione
5.5 Pulizia debimetro
5.6 Pulizia delle ceramiche (modelli in ceramica)
5.7 Pulizia raccordo fumi - cannafumaria
6 MANUTENZIONE
6.1 Premessa
6.2 Smontaggio rivestimento versione ceramicica
6.3 Smontaggio rivestimento versione acciaio
6.4 Componenti interni della stufa
6.5 Componente elettrici
7 RICERCA GUASTI
7.1 Gestione degli allarmi
8 ALLEGATI
8.1 Informazioni marcatura CE
1 AVVERTENZE GENERALI
1.1 Introduzione
Gentile Cliente,
Desideriamo innanzi tutto ringraziarLa per la fiducia accordataci acquistando un nostro prodotto. La invitiamo a leggere e seguire attendamente i consigli continuti in quello manuale d'installazione, uso e manutenzione al fine di poter sfruttare al meglio le qualità del prodotto.
Tutti i documenti relativi a certificazioni o dichiarazioni dell'apparecchio in modo particolare la dichiarazione di conformità e la dichiarazione di prestazione sono reperibili attraverso il site web del marchio commerciale.
1.2 Comeutilizzareil manuale
La ditta produttrice si riserva di apportare in qualsiast momento, alla preavviso alcuno, eventuali modifiche tecniche od estetiche ai prodotti.
Le operazioni d'installazione , uso e manutenzione della stufa devono soddisfare i requisiti descritti in quello manuale nonché le leggi e le norme Europee , Nazionali , Regionali , Provinciali e Comunali .
I disegni, le misure, gli schemi ed agli altra configurazione, sono qui riportati solo a scopo esemplificativo.
Il presente manuale costituisce parte integrante del prodotto ; verificare che sua sempre è corredo dell'appareccchio e in caso di vendita , trasferimento ad un'alto proprietario o installato in un'alto luogo assicurarsi della sua presenza in modo che possa essere consultato in qualsiasi momento .
In caso di smarrimento o danneggiamento richiedere copia al Centro di Assistenza Tecnico autorizzato in modo che l'apparecchio abbia sempre a corredo il proprio manuale.
| ! | Questo significato indica la presenza di un messaggio importante a cui prestare particolare attenzione in quanto la mancata osservanza di quanto scritto, può provocare seri danni alla stufa e alle persone |
| Una voce che richiede particolare attenzione è evidenziarata in con il "testo in grassetto" |
1.3 Norme di sicurezza.
- Leggere il manuale d'uso e manutenzione prima di installare , accedere e manutentare la stufa .
- Eseguire l'installatione, il collegamento elettrico, il collaudo e la manutenzione da un tecnico qualificato e/o autorizzato.
- Collegare la stufa ad una canna fumaria a Norma tramite un terminale ispezionabile ; Il collegamento di più apparetcchi cui avvenire solo se viene contemplato delle Norme locali e concessions dall'Organismo di controllo della canna fumaria.
- Collegare la stufa all'aspirazione tramite un tubo o presa d'aria dall'esterno.
- Collegare la stufa ad una presa elettrica a Norma tensione 230 V- 50 Hz .
Verificare che l'impiano elettrico e le prese abbiano la capacité di所提供 rarel assorbimento massimo dell'apparecchio riportata sull'etichetta e sul presente manuale. - Prima di agli manutenzione staccare la spina elettrica alla stufa ed operare solo con stufa fredda.
Non impiegare liquidi o sostanze infiammabili per accendere la stufa o per ravivare la fiamma: a stufa accesa l'accensione del pellet è automatica. - La stufa a pellet deve essere alimentata solo ed esclusivamente con pellet di legna aventi le caratteristiche descripte nel presente manuale.
- La stufa non deve essere usato come inceneritore .
Non chiudere in alcun caso le aperture di ingresso dellaria comburente e uscita fumi .
E' Vietato manipolare sostanze lavorando inflammabili o esplise delle vicinanze della stufa durante il suo funzionamento.
Non rimuovere o modificare la griglia di protezione del serbatoio pellet ed in generale i dispositivi di sicurezza.
E' vietato il funzionamento della stufa con la porta fuoco aperta e/o vetro rovinato o rotto. - Durante il funzionamento il forte calore sviluppato alla combustione del pellet surriscalda le superfici esterne della stufa in particolare porta fuoco, maniglia e tubo scarico fumi .Evitare quindi di entrare in contatto con tali parti senza opportune protezioni.
- Tenere ad opportuna distanza di sicurezza oggetti non resistenti al calore e/o infiammabili.
- Pullire regolarmente il bracciere ad agli accensione o ricarica pellet .
- Pulire regolarmente il condotto e deflettori fumi interno della camera di combustione da personale qualificato .
- Evitare la formazione di fumo ed incombusti in fase di accensione e/o durante il normale funzionamento, l'ecessivo accumulo di pellet incombusto nel braciere deve essere rimioso manually prima di procedere con una nuova accensione.
- Avvertire bambini e ospiti dei pericoli sopra descritti.
- In caso di anomale di funzionamento, la stufa può essere riaccesa solo dopo averere ripristinato la causa del problema.
- Qualsiasi manomissione e/o sostuzione non autorizzata di particolari non originali della stufa cui causare pericolò per l'incolumità dell'utente e solleva il costruttore da agli responsabilità civile e penale.
- Utilizzare solo ricambi originali consigliati dal produttore.

La ditta produttrice non è responsabile di inconvenienti, rotture o incidenti dovuti al mancato rispetto o alla mancata applicazione delle indicazioni soprascritte e contenute nel manuale.
1.4 Descrizione technique
La stufa funzione esclusivamente a pellet e diffonde nell'ambiente un calore sano e sicuro. I sistemi di controllo automatici di cui è dotata garantisco una resa termica ottimale ed una combustione completa, inoltre sono presenti dei sistemi di sicurezza atti a garantire un funzionamento sicuro via per i componenti della stufa via per l'utente.
L'apparecchio installato a norma funziona con qualsiasi condizione climatica esterna e comunque in condizioni critiche (vento forte , gelo , ect.) possono intervenire i sistemi di sicurezza che spengono la stufa .
La stufa mod. ORION ACCIAIO - ORION CERAMICA con potenza nominale di 11 kw garantisce un volume massimo riscaldabile di 251 m3 considerando il coefficiente del fabbisogno energetico dell'edificio pari a 35W/m3.
Esso più variate in funzione dell'isolamento, della tipologia e della zona climatica.
| Tipologia Type | Appareccchio per il riscaldamento domestico, alla acqua, alimentato a pellet di legno Residential space heating appliance without water fired by wood pellets | |
| Marchio commerciale Trademark | COLA ORION ACCIAIO - ORION CERAMICA | |
| Modello - Codice Model - Code | ||
| Combustibile** Fuel | Pellet di legno / Wood pellet UNI EN14961-2 classe A1 | |
| Distanza minima da materiali inflammabili: Dietro - Dx/Sx - Pavimento Minimum distance from combustible materials Rear-Right/left side-floor | mm | 200 - 300 - 0 |
| Potenza termica introddotta* Heating input | kW | 12,2 - 3,85 |
| Potenza termica nominale* Heating output | kW | 11,0 - 3,66 |
| Potenza termica all'acqua* Water heating output | kW | - |
| Potenza termica all'aria* Room heating output | kW | 11,0 - 3,66 |
| Rendimento termico* Efficiency | % | 90,86 - 95,00 |
| Consumo orario ''*' Fuel consumption | kg/h | 2,55 - 0,81 |
| Emissione CO al 13%O2* | % | 0,01 - 0,01 |
| Emission CO at reference 13% | mg/m³ | 160,5 - 79,6 |
| Emissione CnHm al 13% O2* | mg/m³ | 1,5 - 1,4 |
| Emissione CnHm at reference 13% O2 | mg/m³ | 108,8 - 91,4 |
| Emissione NOx al 13% O2* | mg/m³ | 8,2 - / |
| Emissione polveri PP al 13% O2* | mg/m³ | 8,83 - / |
| Emissione dust PP at reference 13% O2 | mg/m³ | - |
| Emissione particolato totale PPBT al 13% O2* | mg/m³ | 8,83 - / |
| Total dust emission PPBT at ref. 13% O2 | mg/m³ | - |
| Temperatura max acqua impostabile Set max temp. | °C | - |
| Pressione max acqua di esercizio Max working pressure | bar | - |
| Capacità acqua caldaia Heating限度 capacity | l | - |
| Capacità serbatolio pellet Pellet stove capacity | kg | 21 |
| Perdite di carico lato acqua ΔT 10K Water resistance ΔT 10K | mbar | - |
| Perdite di carico lato acqua ΔT 20K Water resistance ΔT 20K | mbar | - |
| Temperatura uscita fumi* Fume outlet temperature | °C | 166,3 - 86,7 |
| Portata dei fumi* Flue gas flow | g/s | 7,15 - 2,7 |
| Tiraggio canna fumaria min-max Draught min-max | Pa mbar | 10 - 14 0,10 - 0,14 |
| Diametro tubo scarico fumi Fume outlet pipe | mm | 80 |
| Alimentazione elettrica Electrical power | 230V - 50Hz - 6A | |
| Assorbimento elettrico Rated input power | W | Accensione/Start 420 - Pnom 140 |
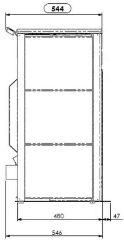
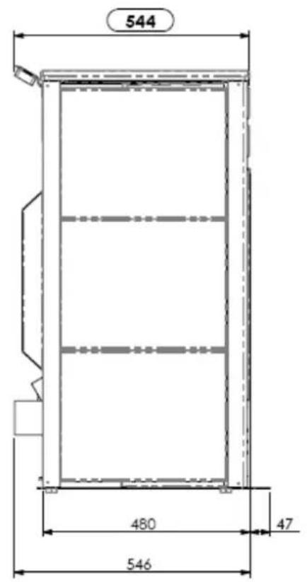
| Dimensioni d'ingombro H x L x P Dimensions H x L x P | mm | 980 x 580 x 546 |
| Peso a vuoto Weight | kg | ORION ACC. 104 - ORION CER. 118 |
- alla Potenza nominale e Potenza ridotta / Nominal output and Reduced output
** Il consumo di pellet cui variate dai tipo di pellet utilizzato / Pellet consumption can vary according to the type of pellets used.
COLA




Ingombri stufa pellet Orion H acciaio
Legenda:
A-Griglie passaggio aria
B-Allacciamento cavo elettrico
C-Aspirazione aria comburente diam. 50mm
D-Allacciamento tubo espulsione fumi diam. 80mm
E-Sportello serbatoio pellet



Ingombri stufa pellet Orion H ceramica

Legenda:
A-Griglie passaggio aria
B-Allacciamento cavo elettrico
C-Aspirazione aria comburente diam. 50mm
D-Allacciamento tubo espulsione fumi diam. 80mm
E-Sportello serbatoio pellet

1.5 Combustibile e uso consentito
Le stufe a pellet funzionano esclusivamente con pellet (pastiglie) di varie essenze di legno conformi alla normativa DIN plus 51731 o UNI CEN/TS 14961 o O-Norm M 7135 ovvero aventi le seguenti caratteristiche:
| Potere calorico | min 4.8 kWh/kg (4180 kcal/kg) |
| -Densità 680-720 kg/m3 | |
| Umidità max 10% del peso | |
| Diametro: 6 +0.5 mm | |
| Percentuale ceneri max 1.5% del peso | |
| Lunghezza: min 6 mm- max 30 mm | |
| Composizione: | 100% legno non trattato dell'industria del legno o post consumo alla aggianta di sostenze leganti e privo di cortecchia conforme alle normative vigenti |
| -Imballo | in sacchi realizzati in materiale ecocompatibile o biologicamente decomponibile o in carta |
Il serbatoio di contentimento del pellet si trovava nella parte posteriore della stufa. Lo sportello di apertura è posizionato nella parte superiore e il caricamento del pellet avviene manualmente solo a stufa spenta ponendo attenzione a non farlo fuoriuscire dal serbatoio.
L'utilizzo di pellet con caratteristiche diverse rispetto a quello testato dal technique durante la 1^ accensione implica una nuova taratura dei parametri di carico pellet della stufa, tale intervento è escluso alla garanzia.

- Immagazzinare il pellet in luogo asciutto e privo di umidità.
- Ai fini di un funzionamento regolare ed efficente non è possibile il caricamento manuale del pellet o altri combustibili nel braciere
- Evitare il caricamento nel serbatoio di combustibili non conformi.
- Evitare il caricamento nel serbatoio di corpi estranei quali contentitori , scatole , sacchetti , metalli etc...
- L'utilizzo di pellet scadenti e non conforme, danneggia e promotte il funzionamento dell'apparecchio facendo decadere la validità della garanzia con esclusione della responsabilità da parte del costruttore.
1.6 Accessori in dotazione
La dotazione è comprensiva di:
Cavo di alimentazione elettrica ;
Manuale d'installazione, uso e manutenzione;
Chiave di aperture - chiusura porta fuoco ;
Telecomando;
1.7 Riferimenti normativi
Norma UNI 10683:2012 : Requisiti di installmente dei generatori di calorie alimentati a legna o altri biocombustibili solidi ;
Norma UNI EN14785:2006 : Requisiti di progettazione , fabbricazione , costruzione , sicurezza e prestazioni , istruzioni e marcature , unitamente ai relativi metodi di prova per le omologazioni degli apparecchi funzionanti a pellet ;
Norma CEI EN 60335-1: Sicurezza degli appearecchi elettrici d'uso domestico e similare - parte1 ;
Norma CEI EN 60335-2-102 : Sicurezza degli appearecchi elettrici d'uso domestico e similare - parte 2 ;
Norma CEI EN 55014-1 :Resistenza elettromagnetica - Requisiti per elettrodomestici, attrezzi elettrici e apparecchi elettrici simili - Parte 1: Emissione di disturbo ;
Norma CEI EN 55014-2 : Resistenza elettromagnetica – Requisiti per elettrodomestici, attrezzi elettrici e appearecchi elettrici simili – Parte 2: Immunità ; Norma famiglia di prodotti ;
Norma CEI EN 61000-3-2 : Limiti per le emissioni di corrente armonica ( Corrente ingresso ≤ 16 A per fase ) ;
Norma CEI EN 61000-3-3 : Limitazione delle fluttuazioni di tensione e del flicker in sistemi di alimentazione in bassa tensione per apparecchiature con corrente nominale ≤ 16A
Norma CEI EN 62233 : Metodi di misura per campi elettromagnetici degli appearecchi elettrici di uso domestico e similari con riferimento all'esposizione umana .
Norme DIN plus 51731 - UNI CEN/TS 14961 - Ö-Norm M 7135 : Norme riguardanti le specifiche e la classificazione del pellet .
1.8 Targa di identificazione
La targa di identificazione è posta sulla superficie interna dello sportello serbatoio pellet o sulla parete posteriore della stufa. Su diessa sono riportati tutti i dati caratteristici relativi alla stufa compresi i dati del costruttore, il numero di matricola, la marcatura CE, il laboratorioi di prova e il numero di riferimento della dichiarazione di prestazione
1.9 Messa fuori servizio della stufa
Nel momento in cui si decide di non utilizzato definitivement la stufa, scollegare l'alimentazione elettrica e scaricare completeness il pellet dal serbatoio. Per provvedere allo smaltimento della stufa, è necessario sigillarla all'interno di un robusto imballo e contattare gli organismi locali preposti per queste operazioni in modo da procedere secondo le norme locali vigenti, oppure riconsegnarla al rivenditore al momento dell'acquisto di una nuova apparecchiatura similare.
1.10 Istruzioni per richiesta di intervento e ricambi
Per richiedere qualsiasi intervento e/o ricambio contattare il proprio rivenditore, importatore di zona o il centro di assistenza autorizzato più vicino, esponendo in modo chiaro i seguenti dati: modello della stufa; numero di serie, data di acquireo, lista dei ricambi e informazioni sulle anomalie o malfunzionamenti riscontrati.

- Gli interventi sui componenti devono essere effettuali da personale autorizzato e/o qualificato.
- Prima di agli'intervento accertarsi che sia disinserito agli collegamento elettrico e che la stufa sia fredda.
- Utilizzare solo ricambi originali.
2 TRASPORTO ED INSTALLAZIONE
2.1 Imballo, movimentazione, spedizione e trasporto
Il sollevamento della stufa completa di imballo più essere effettuato mediante carrello elevatore, inserendo le forche, di adeguata lunghezza, nelle apposite sedi del bancale in legno. E' necessario accertarsi che i dispositivi utilizzati per il sollevamento e il trasporto siano in grado di sostarre il peso della stufa significato sulla targhetta di identificazione e sul presente manuale.
Evitare il passaggio del carico su zone nelle quali la caduta del carico più essere un pericol.
Apriere l'imballo, rimuovere la stufa dal bancale e posizionarla nel luogo prescelto facendo attenzione che sua conformse a quanto previsto.
Si raccomanda di adagiare la stufa sul pavimento con la massima cautela evitando qualsiasi urto e di posizionarla nella zona preposta ; inoltre è indispensable verificare la portata del pavimento in funzione del peso della stufa , in caso contrario consultare un technician specializzato.
Lo smaltimento o il riciclaggio dell'imballo è a cura dell'utente finale in conformità alle norme locali vigenti in materia.
2.2 Luogo d'installazione, posizionamento e sicurezza antincendio
L'ambiente di installatione deve essere sufficientemente ventilato per consentire l'evacuationi di eventuali piccole, perdite di fumo di combustione.
L'apparecchio è idoneo al funzionamento in ambiente domestico con temperatura minima non inferiore a 0^ .
Per evitare il rischio di incendio è necessario proteggere dal calorie e dalle radiazioni del fuoco le strutture circostanti la stufa.
I pavimenti in legno o in qualsiasi materiale inflammabile devono essere opportunamente protetti alla base con pannelli in acciaio o in vetro temperato ; la protezione dovrà ricoprire altre la baseanche una certa area difronte la stufa .
Eventuali travature e tavole in legno poste sopra e attraversate alla canna fumaria devono essere opportunamente protette secondo leindicazioni delle specifiche norme vigenti di installmente.
La distanza minima frontale per la protezione di oggetti infiammabili è di 1,5 m. Le distanze minime di sicurezza da materiali infiammabili devono rispetto la tabella di seguito riportata :

Ogni installmente deve prevedere uno spazio tecnico di manovra di facile accesso per le manutenzioni periodiche. La stufa viene fornita con la sonda ambiente fissatatramite un fascetta sulla parete posteriore della stufa ; si consiglia la rimozione della fascetta e un posizionamento della sonda ideale per la migliorare rilevazione della temperature nel contesto dell'ambiente e della lunghezza del cavo . Per una rilevazione lontana alla stufa si consiglia l'infallazione di un termostato/cronotermostato ambiente - rif. par.4.8.
La stufa è fornita di 4 piedini regolabili per facilitare il posizionamento in presenza di pavimenti non perfettamente planari : per regolare l'altezza inclinare leggermente la stufa e ruotare il piedino interessato al livellamento .

- Non è ammessa l'installazione della stufa nelle camere da fatto, nei bagni e in generale nei locali dove è più installato un'alto appearecchio da riscaldamentorawn un afflusso di aria indipendente.
- In presenza di pavimento in legno installare una base salva-pavimento in conformità alle norme vigenti. Per agli evenienza è consigliabile disporre di idonei dispositivi antincendio.
- E^ vietato il posizionamento della stufa in ambienti con atmosfera esplosiva.
2.3 Presa d'aria
L'attacco di aspirazione o presa d'aria della stufa è collocato posteriormente ed è di sezione circolare con diametro pari a 50 mm. Nel locale dove viene installata la stufa deve Affluire una quantità d'aria almeno pari a quello necessaria alla combustione ; per questo motivo l'aria di combustione deve garantire un flusso d'aria, pulita e priva di elementi inquinanti, per soddisfare una regolare combustione alla massima potenza senza alcun impedimento o ostruzione della sezione di passaggio.
Deve essere aspirata come segue :
dall'ambiente a condizione che in prossimità della stufa si praticata una presa d'aria a parete comunicante con l'esterno di superficie libera minima di 100~cm^2 opportunamente protetta esternamente da una griglia ;
oppure da un collegamento direttamente all'esterno con un appropriato tubo di diametro interno minimo di 50 mm e lunghezza massima di 1.5m provvisto all'estremita di una protezione antivento (curva verso il basso).
L'afflusso dell'aria cui possere ottenuto anche atraverso un locale adiacente a quello d'installazione purché tale flusso possa avvenire liberamente attraverso aperture permanenti comunicanti con l'esterno ; tale locale non pue essere adibito ad autorimessa, magazzino di materiali combustibile o ad attività con pericolo d'incendio.
2.4 Scarico fumi di combustione
Lo scarico fumi cui oessere fatto atraverso un allacciamento ad una canna fumaria tradizionale oppure ad un condotto esterno con tubo isolato o a doppia parete .
I collegamenti di scarico fumi devono garantire un tiraggio minimo di 10 Pa in modo tale che in caso di manzanza temporanea di alimentazione elettrica l'evacuatione fumi venga assicurata .

-Si raccomanda all'installatore di verificare l'efficienza e lo stato della canna fumaria, la rispondenza alle dispositions regole locali, norme nazionali ed europee.
- E necessario utilizzare tubi e raccordi certificati con adeguate guarnizioni che garantiscono la tenuta.
- In caso di incendio spegnere la stufa, chiamare tempestivamente i pompieri ed evitare continui tentativi di spegnimento.
- Pulire almeno una volta all'anno il condotto fumario e il relative raccordo fumi .
2.4.1Tipologie delle installations
Di seguito vengono elencate definizioni e requisiti per realizzare secondo Norma italiana UNI10683 per la corretta installatione di uno scarico fumario:
CAMINO : condotto verticale avento lo scopo di raccogliere ed espellere ad un opportuna altezza dal suolo i prodotti di combustione provenienti da un solo appearecchio e nei casi consentiti più di uno.
Requisiti tecnici CAMINO: - essere a tenuta dei prodotti di combustione, isolato e coibentato in funzione dell'impiego ;
-avere un andamento prevalente verticale con deviazioni dall'asse < 45^
- essere adeguatamente distanziato da materiali infiammabili con intercapedine d'aria o isolante;
- avere sezione interna preferibilmente circolare, costante, libera ed independente;
- è consigliato che il camino sia dotato di camera ispezionabile per la raccolta di materiali solidi
- ed eventuali condense collocato sotto l'imbocco del canale da fumo.

CANALE o RACCORDO da FUMO: condotto o elemento di collegamento tra apparecchio e camino per l'evacuatione dei prodotti della combustione
Requisiti tecnici CANALE : - non deveattraversare locali nel quali è vietata l'installazione di apparecchi da combustione ;
- è vietato l'uso di tubi metallici flessibili o in fibro-cemento ;
- è vietato l'impiego di elementi in contro-pendenza;
- nei tratti orizzontali devono avere andamento con pendenza minima del 3% verso l'alto;
- la lunghezza del tratto orizzontale delve essere minima e non magiore di 3 m ;
- il numero diambi direzione ,enersa il raccordo a T non devese maggiori di 3 ;
- cononio di direzione >90^ usare al max 2 curve con lunghezza in proiezione orizzontale non maggiore di 2 m.
- il canale da fumo deve essere a sezione costante e permettere il recupero della fuliggine.
COMIGNOLO : disposi tivo posto alla sommita del camino atto a facilitare la dispersione in atmosfera dei prodotti della combustione .
Requisiti tecnici COMIGNOLO : - avere sezione equivalente a quella del camino ;
- avere sezione utile non minore del doppio di quella interna del camino ;
- delve impedire la penetrazione di pioggia e di corpi estranei ed in agli condizione atmosferica assicurare lo scarico dei prodotti di combustione ;
- delve garantire un adeguata diluzione dei prodotti ed essere posizionato al di fuori della zona di reflusso;
- delve essere privo di mezzi meccanici di aspirazione.

Lo scarico diretto dei prodotti della combustione deve essere previsto a fatto ed è vietato verso spazi chiusianche a cielo libero.
2.5 Controllo posizione bracci e deviatori
Prima di accendere la stufa è importante controllare che il braciere sia in posizione corretta ovvero alloggi negli apposti incastri. Inoltre controllare che i deviatori fumi siano incastrati nella propria sede. Una posizione errata dei deviatori comporta malfunzionamenti ed unccessivo annerimento del vetro.

Adgni accensione dell'apparecchio controllare la corretta posizione del braciere sul relativo porta braciere.
2.6 Collegamento elettrico
Collegare il cavo di alimentazione elettrica da una parte alla presa posteriore della stufa e dall'altra su una presa elettrica a parete.
La tensione fornita dall'impiano deve corrispondere a quella indicata sulla targhetta di identificazione della stufa, e nel paragrafo relativo ai dati tecnici di quello manuale.
Nel periodo di inutilizzo della stufa è consigliabile togliere il cavo di alimentazione alla stessa.

- Assicurarsi che l'impiano elettrico sa a norma, provvisto della messa a terra e dell'interruttore differenziale secondo le Norme vigenti.
- Il cavo di alimentazione non deve mai toccare il tubo di scarico della stufa.
2.7 Schema elettrico

SCHEMA CONNECTION
2.8 Pronto intervento
Per agli evenienza è consigliabile disporre di idonei dispositivi antincendio.
Se si manifesta un incendio procedere come segue :

- Scollegare immediatamente la presa di corrente.
- Spegnere tramite l'uso di idonei estintori.
- Richiedere l'immediato intervento dei vigili del fuoco.
- Non spagnere il fuoco con l'uso di getti d'acqua.
3 SICUREZZE DELLA STUFA
3.1 Distanza sicurezza da materiali inflammabili
L'apparecchio va collocato ad una distanza minima perimetrale da materiali inflammabili al fine di evitare pericoli di incendio secondo leindicazioni presenti nella tabella tecnica del manuale e riportate nella targa dello stesso.
Porre attenzione alla tipologia del pavimento : per materiali delicati ed inflammabili si raccomanda l'utilizzo di piastre in acciaio o vetro temperato come base di appoggio ( vedere capitolo 2 - Trasporto ed Installazione) . In caso di presenza di oggetti ritenuti particolarmente delicati quali mobili, tendaggi, divani aumento considerevolmente la distanza della stufa .
3.2 Sicurezza scarico fumi
Nel normale funzionamento, la camera di combustione è in depressione garantendo la tenuta da eventuali perdite di fumo nell'ambiente. Nel caso in cui non si raggiunge un dato valore di vuoto o lo scarico di uscita dei fumi è ostruito, il vacuostato capta la mancanza di depressione all'interno della camera di combustione oppure il debimetro rileva l'assenza di flusso d'aria comburette chetramite il controlo elettronico interrompe il funzionamento del motore rotazione coclea avvisando l'utente dell'anomalia con un messaggio sul pannello comandi ' AL 8 MANCA DEPRES ' o ' AL 9 TIRAGGIO INSUF '.
3.3 Sicurezza sovrapressione in camera di combustione
Eventuali e/o improvvisare sovrappensioni dei fumi di combustione all'interno della camera e dei condotti di evacuationie dei fumi vengono scariciatiattraverso I'apertura delle valvole di sicurezza poste sopra lo scambiatore di calore. Durante il normale funzionamento queste valvole sono chiuse dal proprio peso e alla depressione della camera e garantiscano la tenuta contro I'eventuale uscita dei fumi.

Controllare periodicamente la chiusura, lo stato di integrità del dispositivo e il relative funzionamento.
3.4 Surriscaldamento- termostato di sicurezza temperatura serbatoio pellet

Sul convogliatore del pellet è posizionata una sonda di temperatura collegata ad un termostato di sicurezza che in caso di eccessivo riscaldamento >85^ disattiva automaticamente l'alimentazione del pellet.
In tal caso l'estrattore e/o ventilatori continuano a funzionare consentendo il rapido raffreddamento dell'apparecchio. L'anomaliaiene visualizzato sul pannello comandi con il messaggio ' AL 7 SICUREZ TERMICA'. In caso di intervento operare come segue:
Lasciare raffreddare la stufa per almeno 45 minuti.
Ripristinare il termostato premendo il pulsante vicino all'interruttore dietro la stufa svitando precedentamente il coperchietto di protezione (figura a lato).
Riavviare la stufa come da normale avvio.
3.5 Sicurezza contro il ritorno di fiamma sul canale alimentazione pellet
Le soluzioni che impedisco il ritorno di fiamma sono:
depressione in camera di combustione ved. par 3.2.
la forma a sifone del canale di alimentazione pellet.
la sicurezza sulla temperatura del serbatoio ved. par 3.4.
3.6 Dispositivo elettrico di protezione della sovracorrente
L'apparecchio è protetto contro la sovracorrente da fusibile/i da 2A inserti sull'alimentazione dell'interruttore generale della stufa dislocato posteriormente.
3.7 Sicurezza da interruzione di alimentazione elettrica
Per brevi interruzioni di corrente l'apparecchio si riaccende automaticamente.
La mancanza temporanea dell'alimentazione elettrica non limita la sicurezza della stufa e la temperatura del serbatoio non raggiunge valori elevati (< 85^) viste la modesta quantità di pellet in combustione nel braciere.
Tale anomalia puo create una breve fuori uscita di fumi nell'ambiente che non comporta alcun pericolo per la sicurezza.

E' vietato manomettere i dispositivi di sicurezza.
3.8 Guasto ventilatore estrazione fumi
Se per qualsiasi motivo il ventilatore di estrazione fumi si ferma, il controlo elettronico blocca istananeamente la fornitura di pellet visualizzando il messaggio 'AL 4 ASPIRAT-GUASTO'.
4 USO DELLA STUFA
4.1 Premessa
La stufa a pellet presenta il vantage di unire il calore della fiamma del legno, alla comodità della gestione automatica della temperatura con la possibilità di programmare settimanalmente l'accensione e lo spegnimento.
E possibl eseguir il collegamento ad un termostato e/o cronotermostato esterno per la rilevazione della temperatura in un punto diverso da quello in cui è collocata la stufa.
Per un utilizzo sicuro e affidabile è consigliato osservare le seguenti prescrizioni :
- con la prima messa in funzione si possono riscontrare cattivi odori , pertanto si deve provvedere ad una buona aereazione della stanza, soprattutto durante il primo periodo di funzionamento ;
- il caricamento del serbatoio deve essere fatto esclusivamente con pellet, durante tale operazione evitare che il sacco venga aicontatto con le superfici calde della stufa ;
non inseire nel serbatoio nessun altro tipo di combustibile che non sia pellet conforme a quanto prescritto;
- l'apparecchio non deve essere utilizzato come inceneritore di rifiuti;
- la stufa deve funzionare solo ed esclusivamente con la porta fuoco sempre chiusa .
- le guarnizioni della porta fuoco vanno controllate periodicamente per evitare che vi siano infiltrazioni d'aria ;
- per garantire un efficente rendimento termico ed una corretta funzionalità è necessario effettuare la pulizia periodica del bracciere ad agli carico pellet ;
- alla prima accensione è importante non surriscaldare la stufa ma portarla gratamente in temperatura impostando temperature di funzionamentoasse (vedere paragrafo impostazione temperatura) ;
- la stufa durante l'accensione, funzionamento e spegnimento, a causa delle dilatazioni termiche a cui è soggetta, può generate leggeri scricchioli.
4.2 Descrizione del pannello comandi
Il pannello comandi è costituito da un display LCD retroilluminato, dal tasting di accensione/spegnimento 'P4', dal tasting funzione SET/MENU 'P3', dai quattro tasti menu 'P1', 'P2', 'P5', 'P6' e da 6 led indicanti lo stato di funzionamento della stufa.

Il pannello consente l'accensione e lo spegnimento della stufa, la regolazione durante il funzionamento e permette il settaggio dei programmi di gestione e manutenzione.
Sul display sono visualizzate tutte le informazioni sullo stato di funzionamento della stufa.
Per accedere ai menu procedere come segue :
-premereiltastosET‘P3’;
- premere i tasti 'P5', 'P6' per scorrere i vari menu;
- premere su uno dei tasti di incremento/decremeto 'P1', 'P2' per settare il parametro desiderato;
- premere il tasto SET 'P3' per confermare il valore del parametro.
Accedendo al menu è possible ottener i vari tipi di visualizzazione ed effettuire le impostazioni disponibili a seconda del livello di accesso.
Di seguito è riportata la tabella dei comandi e dei relativi messaggi visualizzati in fase di programmazione o impostazione dei parametri operativi:
| pulsante | descrizione | modalità | azione |
| 1 | Incrementa temperatura | PROGRAMMAZIONE | Modifica/incrementa il valore di menu selezionato |
| LAVORO/SPENTO | Incrementa il valore della temperatura del termostato ambiente | ||
| 2 | Decremente temperatura | PROGRAMMAZIONE | Modifica/decrementa il valore di menu selezionato |
| LAVORO/SPENTO | Decremente il valore della temperatura del termostato ambiente | ||
| 3 | Menu | - | Accede al MENU |
| MENU | Accede al successivo livello di sottomenu | ||
| PROGRAMMAZIONE | Imposta valore e passa alla voce di menu successiva | ||
| 4 | ON/OFF sblocco | LAVORO | Premuto per 2 secondi accende o spegne la stufa se è spento a acquesa rispettivamente |
| BLOCCO | Sblocca la stufa e la riporta dello stato spento | ||
| MENUPROGRAMMAZIONE | Si porta al livello di menu superiore, le modifiche effettuate sono memorizzate | ||
| 5 | Decremente potenza | LAVORO/SPENTO | Modifica la potenza resa alla stufa |
| MENU | Passa alla voce di menu successiva | ||
| PROGRAMMAZIONE | Toma alla voce di sottomenu successivo, le modifiche effettuate sono memorizzate | ||
| 6 | Incrementa potenza | LAVORO/SPENTO | Modifica la velocità dello scambiatore |
| MENU | Passa alla voce di menu precedente | ||
| PROGRAMMAZIONE | Passa alla voce di sottomenu precedente, le modifiche effettuate sono memorizzate |
La Figura a bianco descive il significato dei segnalatori di stato sulla parte sinistra del display.
L'attivazione nel display di uno dei segmenti segnala l'attivazione del dispositivo corrispondente secondo l'elenco a fianco.

4.3 Accensione
4.3.1 Controllo prima dell'accensione
Prima di procedere con l'accensione della stufa è necessario verificare i seguenti punti :
- assicurarsi di aver fatto e compreso quanto riportato nel manuale ;
- il serbatoio delve essere carico di pellet ;
- la camera di combustione deve essere pulita ;
- il braciere deve essere complemente libero, pulito da eventuali residui di combustione e posizionato correttamente nella sede del portabracciere ;
- verificare la chiusura ermetica della porta fuoco e del cassetto cenere ;
- verificare il collegamento del cavo elettrico e la commutazione in ON/1 dell'interruttore collocatedo posteriormente alla stufa.

- Alla prima messa in funzione togliere dal focolare della stufa e del vetro tutti i componenti che potrebbero bruciare (istruzioni/etichetta).
- Eventuali accensioni eseguite a seguito di lunghe inattività dell'apparecchio richiedono il ripristino di eventuali resti di pellet giacenti da tempo all'interno del serbatoio in quanto combustibile umido non più idoneo alla combustione e una pulizia completa della camera di combustione.
4.3.2 Fase di avvio
Per accendere la stufa premere il pulsante 'P4' per 3 secondi : sul display comparirà la scritta 'START'. Questa fase è automatica ed è completamente gestita da controllo elettronico sono una alcuna possibilità di intervenire sui parametri .

La stufa esegue in sequenza le fasi di avvio secondo le modalità definite dai parametri che ne gestiscono livelli e tempistica raggiungendo la condizione di lavoro a meno che non insorgono anomalie o allarmi secondo il prospessoo seguente :
| stato | durata | dispositivi | condizioni per passaggio a stato successivo | |||
| accenditore | asp. fumi | coclea | scamb. | |||
| SPENTO | - | OFF | OFF | OFF | OFF | ON/OFF |
| START - PULIZIA IN. | Pr33 | OFF | ON | OFF | OFF | decorso tempo Pr33 |
| PRERISCALDO | Pr34 | ON | ON | OFF | OFF | decorso tempo Pr34 |
| PRECARICA PELLET | Pr40 | ON | ON | ON | OFF | decorso tempo Pr40 |
| ATTESA FIAMMA | Pr41 | ON | ON | OFF | OFF | decorso tempo Pr41 |
| CARICA PELLET | - | ON | ON | ON | OFF | temperatura fumi > Pr13 |
| FUOCO PRESENTE | Pr02 | OFF | ON | ON | ON | decorso tempo Pr02 |
| LAVORO | - | OFF | ON | ON | ON | temperatura ambiente < SET temperatura temperature fumi < Pr14 |
| LAVORO MODULA | - | OFF | ON | ON | ON | temperatura ambiente > SET temperatura temperature fumi > Pr14 |
| PULIZIA BRACIERE | Pr12 | OFF | ON | ON | ON | con cadenza Pr03 |
| LAVORO | - | OFF | ON | ON | ON | ON/OFF per spegnere |
| PULIZIA FINALE | Pr39 (*) | OFF | ON | OFF | - | (*) Pr39 decorre dal momento in cui Tfumi< Pr13 |
Trascorso un certo tempo , se la temperatura fumi non ha raggiunto il valore minimo ammesso la stufa si pone in stato di allarme .

- E^ vietatoutilizzareliquidiinfiammabili per l'accensione.
- In caso di continue mancate accensioni contattare il Centro di Assistenza .
4.4 Fase di lavoro
Conclusa in modo positivo la fase di 'AVVIO', la stufa passa alla modalità 'LAVORO' che rappresenta il normale modo di funzionamento.
L'utente peut regolare la potenza di riscaldamento atraverso i pulsanti 'P5' e 'P6' dal valore massimo di 5 ad un valore minimo di 1.

Oltre alla regolazione della potenza si cui quo quod anche regolare la temperatura ambiente direttamente sul pannello comandi attraverso i pulsanti 'P1' e 'P2': il display visualizza lo stato corrente del SET di temperatura. Per la ventilazione dell'aria calda, la stufa regola automaticamente la velocità in funzione della potenza impostata


- Si raccomanda di controllare il livello del pellet nel serbatoio per evitare che la fiamma si spenga per mancanza di pellet.
- Durante il caricamento del pellet assicurarsi che l'apparecchio sua spento.
- Il coperchio del serbatoio pellet deve rinanere sempre chiuso, va aperto durante solamente durante il caricamento del combustibile.
- I sacchi di pellet devono essere riposti lontano alla stufa almeno 1,5 m .
Quando la temperatura ambiente ha raggiunto il valore impostato oppure la temperatura fumi ha raggiunto il valore massimo settato compare sul pannello di controllo il messaggio 'MODULA F' e la stufa attiva la procedura di modulazione della fiammaenza alcun intervento dell'utente nelle se la temperatura supera i 280^ appeare l'allarme ALLARM HOT FUMI e la stufa attiva la procedura di spegnimento.
Se viene attivata la modalità STAND-BY , la stufa si spegne conun tempo di ritardo dopo aver raggiunto il SET di temperatura .Il

COLA
riavvio avviene dopo che la temperatura ambiente è inferiore ad un certo valore prefissato rispetto alla temperatura ambiente.
Durante la normale operatività nella modalità lavoro, a intervalli prestabiliti viene attivata la modalità 'PULIZIA BRACIERE' per una durata prefissata.

4.5 Spegnimento
Per spegnere la stufa è sufficiente premere sul pulsante 'P4' per circa 2 secondi.
La coclea è immeditamente arrestata e l'estrattore fumi viene portato a velocità elevata facendo apparire sul display la scritta 'PULIZIA BRACIERE'; entrambi i motori di aspirazione fumi e di ventilazione dell'aria resteranno accesi fino a che la temperatura della stufa sare scesa sufficientemente.

Al terminé dell'operazione comparirà sul display nella finestra di dialogo la scritta 'OFF'.
Durante la fase di spegnimento non è possibile riavviare la stufa fino a che la temperatura fumi non è scesa al di fatto, il suo valore prefissato per un tempo prestabilitito, visualizzando sulla finestra di dialogo la scritta 'ATTESA RAFFRED'.
4.6 Menu
Premendo il tasting 'P3' ( SET ) si accede al menu ; quello è suddiviso in varie voci e livelli che permettono di accedere alle impostazioni del controllo elettronico .
Il prosepto segunte sintetizza la struttura del menu con le sole selezioni disponibili per l'utente .
| Livello 1 Livello | 2 | Livello 3 | Livello 4 | Valore |
| 01 - Regola ventole | Selezione valore | |||
| 02 - Set orologio | 01 - giorno Giorno | |||
| 02 - ore Ore | ||||
| 03 - minuti Minuti | ||||
| 04 - giorno Giorno | ||||
| 05 - mese Mese | ||||
| 06 - anno Anno | ||||
| 03 – Set crono | ||||
| 01 – abilita crono | ||||
| 01 – abilita crono on / off | ||||
| 02 – program giorno | ||||
| 01 – crono giorno on / off | ||||
| 02 – start 1 giorno ora | ||||
| 03 – stop 1 giorno ora | ||||
| 04 – start 2 giorno ora | ||||
| 05 – stop 2 giorno ora | ||||
| 03 – program settim | ||||
| 01 – crono settim on / off | ||||
| 02 – start 1 giorno ora | ||||
| 03 – stop 1 giorno ora | ||||
| 04 – lunedi prog 1 on / off | ||||
| 05 – martedi prog 1 on / off | ||||
| 06 – mercoledi prog 1 on / off | ||||
| 07 – Giovedi prog 1 on / off | ||||
| 08 – venerdi prog 1 on / off | ||||
| 09 – sabato prog 1 on / off | ||||
| 10 – domenica prog 1 on / off | ||||
| 11 – start prog 2 ora | ||||
| 12 – stop prog 2 ora | ||||
| 13 – lunedi prog 2 on / off | ||||
| 14 – martedi prog 2 on / off | ||||
| 15 – mercoledi prog 2 on / off | ||||
| 16 – Giovedi prog 2 on / off | ||||
| 17 – venerdi prog 2 on / off | ||||
| 18 – sabato prog 2 on / off | ||||
| 19 – domenica prog 2 on / off | ||||
| 20 – start prog 3 ora | ||||
| 21 – stop prog 3 ora | ||||
| 22 – lunedi prog 3 on / off | ||||
| 23 – martedi prog 3 on / off | ||||
| 24 – mercoledi prog 3 on / off | ||||
| 25 – Giovedi prog 3 on / off | ||||
| 26 – venerdi prog 3 on / off | ||||
| 27 – sabato prog 3 on / off | ||||
| 28 – domenica prog 3 on / off | ||||
| 29 – start prog 4 ora | ||||
| 30 – stop prog 4 ora | ||||
| 31 – lunedi prog 4 on / off | ||||
| 32 – martedi prog 4 on / off | ||||
| 33 – mercoledi prog 4 on / off | ||||
| 34 – Giovedi prog 4 on / off | ||||
| 35 – venerdi prog 4 on / off | ||||
| 36 – sabato prog 4 on / off | ||||
| 37 – domenica prog 4 on / off | ||||
| 04 – program week-end | ||||
| 01 – crono week-end | on / off | |||
| 02 – start 1 | ||||
| 03 – stop 1 | ||||
| 04 – start 2 | ||||
| 05 – stop 2 | ||||
| 04 - Scegli lingua | ||||
| 01 - italiano set | ||||
| 02 - francese set | ||||
| 03 - inglese set | ||||
| 04 - tedesco set | ||||
| 05 - Modo stand-by | on / off | |||
| 06 - Cicalino | on / off | |||
| 07 - Carico iniziale | set | |||
| 08 - Stato stufa | - |
4.6.1 Menu 01 - regola ventole
Le velocità delle ventole dell'aria è automatica e segue la potenza impostata. Se si considera limitare il flusso d'aria calda è possibile impostare manualmente la velocità massima tramite la voce del menu 01, scegliendo un valore da 1 a 5 : ad esempio impostando il valore 3 , i ventilatori aumento automaticamente la velocità , ma ricerca superare la velocità d'impostazione parla 3.
Nella versione canalizzabile il collegamento elettrico viene visualizzato con l'attivazione dei due segmenti/led [ B ].
4.6.2 Menu 02 - set orologio
Prima di operare con la stufa è necessario impostare l'ora e la data corrente affinché si abbia un riferimento per le possibili programmazioni sul crono.
Il controllo elettronico è provvisto di batteria al litio mod. CR2032 da 3 Volt che permette all'orologio interno un autonomia propria; qualora a stufa spenta l'orologio non mantiene l'orario o alla riaccensione viene visualizzato unaserie di zeri è necessario procedere alla sostuzione chiamando un centro di assistenza autorizzato.
4.6.3 Menu 03 - abilita crono
Permette di abilitare e disabilitare tutte le funzioni del cronotermostato; con la selezione ON si attiva la funzione e viene visualizzata il relativo segmento/led [ D ]
Quando viene inserta la programmazione Giornaliera, Settimanale o Week End nella parte superiore del display a destra appare rispettivamente il segmento/led appropriato [C].

Entrando nel sottomenu : PROGRAM GIORNO è possibile abilitare , disabilitare e impostare le funzioni del cronotermostato giornaliero .
E' possibile settare due fase di funzionamento delimitate dagli orari impostati secondo la tabella segunte dove l'impostazione OFF indica all'orologio di ignorare il commando.
| sezione | significato | valori possibili |
| START 1 | ora di attivazione | ora - OFF |
| STOP 1 | ora di disattivazione | ora - OFF |
| START 2 | ora di attivazione | ora - OFF |
| STOP 2 | ora di disattivazione | ora - OFF |

Entrando nel sottomenu : PROGRAM SETTIM è possibile abilitare , disabilitare e impostare le funzioni del cronotermostato settimanale .
Il programmatore settimanale dispone di 4 programmi independenti il cui effetto finale è composto alla combinazione delle 4 programmazioni.
Il programmatore settimanale può essere attivato o disattivato, inoltre, impostando OFF nel Campo orari, l'orologio ignora il dato corrispondente.


Effettuare la programmazione con attenzione evitando di far sovrapporre le ore di attivazione e/o disattivazione nelle stesso giorni in differenti programmi.
| PROGRAMMA 1 | |||
| livello di menu | sezione | significato | valori possibili |
| 03-03-02 | START PROG 1 | ora di attivazione | ora - OFF |
| 03-03-03 | STOP PROG 1 | ora di disattività | ora - OFF |
| 03-03-04 | LUNEDI PROG 1 | gioro di riferimento | on/off |
| 03-03-05 | MARTEDI PROG 1 | on/off | |
| 03-03-06 | MERCOLEDI PROG 1 | on/off | |
| 03-03-07 | GIOVEDI PROG 1 | on/off | |
| 03-03-08 | VENERDI PROG 1 | on/off | |
| 03-03-09 | SABATO PROG 1 | on/off | |
| 03-03-10 | DOMENICA PROG 1 | on/off | |
| PROGRAMMA 2 | |||
| livello di menu | sezione | significato | valori possibili |
| 03-03-11 | START PROG 2 | ora di attivazione | ora - OFF |
| 03-03-12 | STOP PROG 2 | ora di disattività | ora - OFF |
| 03-03-13 | LUNEDI PROG 2 | gioro di riferimento | on/off |
| 03-03-14 | MARTEDI PROG 2 | on/off | |
| 03-03-15 | MERCOLEDI PROG 2 | on/off | |
| 03-03-16 | GIOVEDI PROG 2 | on/off | |
| 03-03-17 | VENERDI PROG 2 | on/off | |
| 03-03-18 | SABATO PROG 2 | on/off | |
| 03-03-19 | DOMENICA PROG 2 | on/off | |
| PROGRAMMA 3 | |||
| livello di menu | sezione | significato | valori possibili |
| 03-03-20 | START PROG 3 | ora di attivazione | ora - OFF |
| 03-03-21 | STOP PROG 3 | ora di disattività | ora - OFF |
| 03-03-22 | LUNEDI PROG 3 | gioro di riferimento | on/off |
| 03-03-23 | MARTEDI PROG 3 | on/off | |
| 03-03-24 | MERCOLEDI PROG 3 | on/off | |
| 03-03-25 | GIOVEDI PROG 3 | on/off | |
| 03-03-26 | VENERDI PROG 3 | on/off | |
| 03-03-27 | SABATO PROG 3 | on/off | |
| 03-03-28 | DOMENICA PROG 3 | on/off | |
| PROGRAMMA 4 | |||
| livello di menu | sezione | significato | valori possibili |
| 03-03-29 | START PROG 4 | ora di attivazione | ora - OFF |
| 03-03-30 | STOP PROG 4 | ora di disattività | ora - OFF |
| 03-03-31 | LUNEDI PROG 4 | gioro di riferimento | on/off |
| 03-03-32 | MARTEDI PROG 4 | on/off | |
| 03-03-33 | MERCOLEDI PROG 4 | on/off | |
| 03-03-34 | GIOVEDI PROG 4 | on/off | |
| 03-03-35 | VENERDI PROG 4 | on/off | |
| 03-03-36 | SABATO PROG 4 | on/off | |
| 03-03-37 | DOMENICA PROG 4 | on/off | |
COLA
Entrando nel sottomenu : PROGRAM WEEK-END è possibile abilitare , disabilitare e impostare le funzioni del cronotermostato nel week-end ( fine settimana : sabato - domenica ).

Attivare la programmazione WEEK-END solamente\
dopo aver disattivato la programmazione settimanale.
Al fine di evitare operazioni di avvio e spegnimento non voluti, attivare un solo programma per volta.
Disattivare il programma giornaliero se si desidera impiegare quello settimanale; con这一点 impostazione è opportuno disattivare il programma week-end.

4.6.4 Menu 04 - scegli lingua
Con esta selezione è possibile selezionare la lingua di dialogo tra quella disponibili inserte nel menu e precisamente :
ITALIANO
FRANCESE
- INGLESE
- TEDESCO

4.6.5 Menu 05 - modo stand-by
Con la selezione ON nella modalità STAND-BY la stufa si spegne automaticamente dopo che la temperature ambiente o la temperature dell'acqua è rimasta superiore al valore di SET per un tempo prefissato. La successiva riaccensione in automatico sarebbe solamente quando la temperature ambiente o dell'acqua scende al di fatto di valore prestabilito inserto nella tabella parametri (default 2^ ). I comandi manuali da pannello camandi o da telecomando sono prioritari rispetto alla programmazione. Con la selezione OFF la stufa non attiva la modalità STAND-BY e funziona normalmente attenuando la funzione MODULAZIONE quando la temperature supera il valore di SET.
4.6.6 Menu 06 - cicalino
Con esta selezione è possibile attivare o disattivare la segnalazione acustica della stufa.
4.6.7 Menu 07 - carico iniziale
L'impostazione del CARICO INIZIALE consente di effettuare, a stufa spenta o fredda, un precarico pellet per un tempo pari a 90 sec. Si avvia con il pulsante P1 e si interrompe con il pulsante P4.

4.6.8 Menu 08 - stato stufa
Con tale selezione è possibile visualizzare lo stato istantaneo della stufa riportando la condizione di funzionamento dei vari dispositivi adessa collegati ; per il monitoraggio sono disponibili diverse pagine poste in successione .
4.6.9 Menu 09 - tarature technique
Tale selezione è riservata al solo technique autorizzato del centro di assistenza COLA.

La modifica dei parametri tecnici sul menu 09 delve essere effettuata da personale autorizzato e competente ; eventuali modifiche fatte in modo casuale possocono provocare gravi danni che escludono da qualiasi responsabilità la ditta COLA .
4.7 Telecomando
Il telecomando funzione con le impostazioni settate nel pannello di commando e consente l'accensione-spegnimento della stufa, la regolazione della potenza e la temperature che si desidera ave.
Essendo un dispositivo che trasmette tramite un diodo ad infrarioso è necessario il punitamento verso l'unità ricevente inserita nel pannello di lavoro.
Il telecomando consente le seguenti operazioni :

L:Led acceso con la pressione di qualsiasi tasting
Tasto P1+P6: Accensione-spegnimento stufa
Tasto P1: Aumento temperatura ambiente
Tasto P6: Aumento livello di potenza
Tasto P5: Diminuzione livello di potenza
Tasto P2: Diminuzione temperatura ambiente

4.7.1 Sostituzione batteria
Il telecommando viene fornito perché la batterie di alimentazione,esso funziona con una batteria posta nella parte inferiore del dispositivo e per il suo inserimento ed eventuale sostituzione è necessario procedere nel modo seguente:
- Aprire il coperchio posto nella parte posteriore del telecomando ;
- Sostituire la batteria modello p23ga da 12V nella sede rispettoando la polarità ;
- Chiudere il telecomando;
- Controllare il regolare funzionamento.

- Tenere il telecomando lontano da fonti di calore dirette e dall'acqua.
- La batteria del telecomando deve essere sostituita e smaltita in modo sicuro rispettoando le norme locali;

4.8 Termostato - cronotermostato esterno
L'apparecchio di seri e controlla la temperatura ambiente tramite un proprio termostato digitale che ha la funzione di rilevare la temperatura atraverso una sonda e di abbassare la potenza quando viene raggiunta la temperatura impostata.
Se si desidera utiliser un termostato esterno rivolgersi ad un technician autorizzato e seguire le seguenti indicazioni :
- spagnere l'apparecchio agenda sull'interruttore generale posto sul lato posteriore e staccare il cavo dall'alimentazione ;
- smontare la pannellatura laterale per accedere al controllo elettronico ;
- con riferimento allo schema elettrico, collegare i due cavi del termostato sui relativi morsetti TERM della schedà ;
- rimontare il tutto e verificare il corretto funzionamento.
Di seguito viene riportata la procedura di impostazione :
- termostato esterno : impostare un SET temperatura para a 7^
- cronotermostat esterno : impostare un SET temperatura pari a 7^ e disabilitaredal menu 03-01 le funzialità crono .
Per ognuna delle impostazioni tutte le funzioni del menu non cambiano e la segnalazione del collegamento avviene con l'accensione del led a segmento sullo barra degli stati nel display.

4.9 Periodo di inattività (fine stagione)
Se la stufa non vieneutilizzata per lunghi periodi, e/o a fine di agli stagione è consigliato operare come segue
- togliere completamente il pellet dal serbatoio;
- scollegare l'alimentazione elettrica e togliere il cavo dall'interruttore ;
- pulire accuramente e, se necessario, sostituire eventuali parti danneggiate da parte di personale qualificato ;
- proteggere la stufa alla polvere con idonea copertura ;
- sistemare in un luogo asciutto sicuro e riparato da agenti atmosferici .
5 PULIZIA DELLA STUFA
E' importante procedere alla pulizia della stufa per garantire un corretto funzionamento ed evitare : annerimento del vetro, cattiva combustione, deposito di cenere ed incombusti nel braciere , minore efficienza termica .
La stufa delve funzionare solo ed esclusivamente con porta fuoco sempre chiusa.
Le guarnizioni porta fuoco devono essere controllate periodicamente per evitare infiltrazioni d'aria ; infatti la camera di combustione ed il condotto di scarico pellet lavorano in depressione nelle con lo scarico fumi in leggera pressione .
Le operazioni di pulizia ordinarie vengono normalmente effettuate dal cliente seguito leindicazioni del manuale越过o le manutenzioni straordinarie, almeno 1 all'anno, devono essere svolte dal Centro Assistenza Tecnico autorizzato.

- Le operazioni di pulizia di tutte le parti vanno eseguite a stufa completeness fredda ed elettricamente scollegata;
- Smaltire i rifiuti della pulizia secondo le norme locali vigenti;
- E' vietato mettere in funzione la stufa priva dei rivestimenti esterni ;
- Evitare la formazione di fumo ed incombusti in fase di accensione e/o durante il normale funzionamento.
Di seguito vengono riassunti gli interventi di controllo e/o manutenzione utili per il corretto utilizzato e funzionamento della stufa.
| Parti / PeriodoTipologia della pulizia | 1 giornopuliziaordinaria | 2-3 giornipuliziaordinaria | 1 mesepuliziaordinaria | 2 - 3 mesipuliziaordinaria | 1 annopulizia straordinaria :effettuata dal CentroAssistenza Tecnico |
| Braciere | ■ | ||||
| Vanocene-cassetto | ■ | ||||
| Vetro | ■ | ||||
| Scambiatore fumi-deviatore | ■ | ■ | |||
| Collettore - estrattore fumi | ■ | ■ | |||
| Guarnizione porta - vetro | ■ | ||||
| Canna - raccordo fumario | ■ |
5.1 Pulizia braciere
Togliere il bracci, ed asportare i residui di genere che si sono depositati nella camera di combustione e nel porta bracci. A tale scopo più essere utilizzato un idoneo aspiratore. Questa operazione dovrà essere eseguita quotidianamente soprattutto in presenza di accumulo di materiale incombusto per assicurare una perfetta condizione di combustione in quanti i fori del bracci permettono il passaggio dell'aria di combustione.

Braciere sporco

Braciere pulito

Porta Braciere pulito

Il bracciere delve appoggiare sul porta bracciere e precisamente sui tutta la fascia anulare alla presentare luci di passaggio aria.
5.2 Pulizia contentitorecene
Direttamente除去 il bracciere - porta bracciere è collocato il contentatorecene. Per procedere alla sua pulizia è necessario aprime la porta fuoco ed aspirare con un idoneo aspiratore lacene presente al suo interno ed eventuali residui di combustione.
Dopo la pulizia, è necessario chiudere lo sportello. La pulizia del contentatore cenere più essere seguita agli 2-3 giorni in funzione dell'utilizzo della stufa.
5.3 Pulizia del vetro e delle fissure circolazione aria
La pulizia del vetro puo essere effettuata con un panno umido utilizzando detergenti specifici non abrasivi. Tra vetro, ferma vetri e porta fuoco sulla parte inferiore e superiore sono state realizzate apposite fessure per la circolazione dell'aria e la pulizia interna del vetro. E' importante Maintainere pulite tali fissure da eventuali depositi di cenere e polvere. Eseguire quindi periodicamente una pulizia lungo tutto il contorno内的o del vetro .
5.4 Pulizia estrattore fumi e della camera di combustione
Almeno una volta all'anno si deve procedere alla pulizia della camera di combustione, rimovendo tutti i residiui di combustione dai deviatori interni, e dal percorso fumi. Per eseguire tale operazione è necessario rimuovere il coperchio ed il frontalino superiore della stufa. Rimuovere lo scambiatore in ghisa svitando le viti che lo fissano e procedere quando alla pulizia dei deviatori e della camera.
Inoltre e importante pulire l'estrattore fumi che si trovava sotto la camera al quale si accede togliendo il cassetto cenere .
Ogni 3-4 mesi pulire le pareti interne (isolanti-refrattari) della camera di combustione con opportune attrezzature (pennelli) ed eventualmente sostituirle in quanto considerate materiali di usura.
La stufa ogni 1800 ore di funzionamento segnala, tramite un messaggio 'SCADENZA SERVICE', la richiesta di manutenzione straordinaria ( non in garanzia ) da parte di personale qualificato , il quale provvede ad una pulizia completa e al ripristino del messaggio .

Eventuali urti o forzature possono danneggiare l'estrattore fumi rendendolo rumoroso durante il funzionamento pertanto si consiglia di far eseguire tale operazione da personale qualificato.
5.5 Pulizia debimetro
All'interno del tubo di aspirazione è installato un debimetro ( misuratore del flusso d'aria comburente ) , il quale periodicamente , agli 3-4 mesi necessità di una pulizia interna con opportune attrezzature ( soffio d'aria compressa o idonei pennelli ) .
5.6 Pulizia delle ceramiche (per modelli in ceramica)
Le ceramiche sono di fabbricazione artigianale e come tali possono presentare delle piccole imperfezioni superficiali sia comme micro puntinature sua como disomogeneita cromatiche . Per la pulizia delle ceramiche si consiglia di usare un panno morbido ed asciutto ; l'utilizzo di eventuali detergenti potrebbe evidenziate le eventuali imperfezioni .
5.7 Pulizia raccordo fumi - canna fumaria
Il raccordo fumi delve essere pulito minimo una volta all'anno o quando se ne presenti la necessità in base all'utilizzo che viene fatto nella stufa e al tipo di INSTALLazione.
L'operazione di pulizia preve de l'aspirazione e la rimozione dei residui su tutti i tratti verticali e orizzontali nonché le curve dall'apparecchio alla canna fumaria .
E consigliato pulire annualmenteanche la canna fumaria per avere la garanzia di una corretta e sicura evacuatione dei fumi .

Per qualsi asi manutenzione e pulizia di fine stagione la ditta COLA consiglia di affidarsi ad un centro di assistenza autorizzato che ,及其他 ad eseguire le operazioni di pulizia verificcheràanche lo stato di usura dei componenti interni alla stufa .
6 MANUTENZIONE
6.1 Premessa
Gli intervenuti sui componenti interni della stufa devono essere effettuali da personale qualificato, rivolgendosi al centro assistenza autorizzato più vicino.

Prima di anni intervento accertarsi che sua disinserita la spina dell'alimentazione elettrica e la stufa sua completeness fredda.
6.2 Smontaggio rivestimento versione ceramica

Legenda:
1-Coperchio di ceramica/frontalino
2-Piastrelle superiori laterali dx-sx
3-Frontalino inferiore in acciaio verniciato
4-Piastrelle laterali
5-Pannello posteriore superiore
6-Pannello posteriore inferiore
7- Staffa irrigidimento piastrella sup.
6.3 Smontaggio rivestimento versione acciaio

Legenda :
1-Coperchio di ceramicica/frontalino
2-Piastrelle superiori laterali dx-sx
3-Frontalino inferiore in acciaio verniciato
4- Pannello laterale in acciaio verniciato
5-Pannello posteriore inferiore
6-Pannello posteriore superiore
7- Staffa irrigidimento piastrella sup.
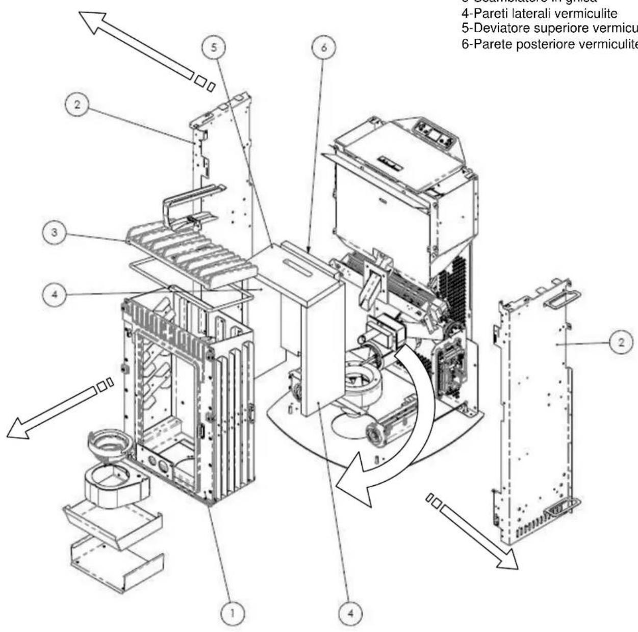
6.4 Componenti interni della stufa

Legenda:
1-Camera di combustione
2-Supporti dx-sx Orion
3-Scambiatore in ghisa
4-Pareti laterali vermiculite
5-Deviatore superiore vermiculite
6-Parete posteriore vermiculite
Vista esplosa della camera di combustione e delle parti collegate rif. stufa ORION H 2011
Rappresentazioni esplose di:
1- Gruppo braciere
2- Gruppo estrattore fumi
3- Gruppo coclea



Legenda :
1-Braciere
2-Portabraciere
3-Guppo tubo aspirazione aria comburente
4-Resistenza elettrica
5-Guarnizione posteriore portabraciere
6-Guarnizione anteriore gruppo aspirazione
Legenda :
1-Voluta estrattore fumi
2-Guarnizione termica
3-Motore estrattore fumi
4-Tubo espulsione fumi
Legenda :
1-Guarnizione serbatoio - convogliatore
2-Flangiaferma motoriduttore
3-Motoriduttore
4-Coclea
5-Guarnizione per scivolo
6-Scivolo caduta pellet
7-Guarnizione camera-convogliatore
8-Convogliatore pellet
6.5 Componente elettrici

Legenda:
1-Scheda elettronica
2-Vacuostato di controllo e sicurezza
3-Termostato sicurezza
4-Interru tlore ON/OFF con fusibili
5-Porta di connessione serial
6-Sonda ambiente
7-Sonda fumi
8-Debimetro
9-Ventilatore tangenziale dx
10-Ventilatore tangenziale sx
11-Ventilatore tangenziale posteriore
12-Pannello di lavoro mod.F047
7 RICERCA GUASTI
7.1 Gestione degli allarmi
La presenza di un allarme si identifica con l'emissione di un segnale acustico (se attivato) e con un messaggio presente sul pannello di controllo.
In caso di allarme spegnere la stufa, risolverve la causa che lo ha provocato e riavviare la stufa secondo la normale procedura illustrata nel presente manuale.
Sotto sono elencati gli allarmi che possono comparire sul pannello di controllo con cause e rimedi :
| ALLARMI - MESSAGGI | |||
| Segnalazione | Anomalia Cause possibili | Rimedi | |
| AL 1BLACK OUT | -La stufa non si avvia. | -Manca l'alimentazioneelettrica durante la fase diaccensione. | -Portare la stufa in OFF premendo il pulsante P4 e ripetere la procedura diaccensione .-Altre operazioni di ripristinodevono essere condotte da un centro di assistenza . |
| AL 2SONDAFUMI | -Avviene nel caso di guasto della sonda di rilevamento della temperature dei fumi .-Viene attivata la procedura di spegnimento . | -La sonda è guasta-La sonda è scollegata alla schedac . | -Le operazioni di ripristinodevono essere condotto da uncentro di assistenza . |
| AL 3HOT FUMI | -Avviene nel caso cui la sonda fumi rilev una temperatura dei fumi superiore a 280°C.-Viene attivata la procedura di spegnimento . | -II ventilatore tangenziale èdifettoso .-Manca l'alimentazione alventilatore tangenziale .-Eccessivo carico pellet . | -Regolare l'afflusso del pellet.-Altre operazioni di ripristinodevono essere condotte da uncentro di assistenza . |
| AL 4ASPIRAT-GUASTO | -Avviene quando il ventilatore di aspirazione fumi è guasto.-Viene attivata la procedura di spegnimento . | -II ventilatore fumi è bloccato.-II sensore controllo velocità èguasto .-Manca l'alimentazioneelettrica al ventilatore fumi . | -Le operazioni di ripristinodevono essere condotte da un centro di assistenza . |
| AL 5MANCATAACCENS | -In fase di accensione non parte la fiamma.-Viene attivata la procedura di spegnimento . | -II serbatoio del pellet è vuoto.-La resistenza elettrica èdifettosa, sporca o fuori alla corretta posizione.-Taratura carico pellet noncorretta . | -Verificare la presenza di pellet nel serbatoio .-Verificare le procedure diaccensione .-Altre operazioni di ripristinodevono essere condotto da un centro di assistenza . |
| AL 6MANCANOPELLET | -Non viene alimentato di pellet il braciere. | -II serbatoio del pellet è vuoto.-Il motoriduttore di carico pelletdeve assestarsi .-Il motoriduttore non carica pellet . | -Verificare la presenza di pellet nel serbatoio .-Regolarle l'affusso del pellet-Altre operazioni di ripristinodevono essere condotto da un centro di assistenza . |
| AL 7SICUREZTERMICA | -Avviene nel caso di intervento del termostato di sicurezza della temperature canale coclea .-Ilsystema viene arrestato. | -II termostato di sicurezza ha rilevato una temperaturasuperiore alla soglia di taratura per un surriscaldamento della parte inferiore del serbatoio,bloccando il funzionamento del motoriduttore . | -Verificare la causa delloccessivo surriscaldamento.-Sbloccare il termostato di sicurezza agenda sul pulsante di ripristino . |
| Segnalazione | Anomalia Cause possibili | Rimedi | |
| AL 8 MANCA DEPRESS | -In fase di lavoro la stufa rileva una pressione inferiore alla soglia di taratura del vacuostato. -Ilsystema viene arrestato. | -La camera di combustione è sporca. -Il condotto fumi è ostruito. -La porta fuoco non è chiusa. -Le valvole anticoccio sono aperte-inceppate. -Il vacuostato è difettoso. | -Verificare la pulizia del condotto fumario e della camera di combustione. -Verificare la chiusura ermetica della porta. -Verificare la chiusura delle valvole anticoccio. -Altre operazioni di ripristino devono essere condotte da un centro di assistenza. |
| AL 9 TIRAGGIO INSUFF | -Compare quando il flusso d'aria comburente è molto una certa soglia. | -La camera di combustione è sporca. -Il condotto fumi è ostruito. -La porta fuoco non è chiusa. -Le valvole anticoccio sono aperte-inceppate. -Il debimetro è difettoso. | -Verificare la pulizia del condotto fumario e della camera di combustione. -Verificare la chiusura ermetica della porta. -Verificare la chiusura delle valvole anticoccio. -Altre operazioni di ripristino devono essere condotte da un centro di assistenza. |
| AL b ERROR TRIAC COC | -Avviene quando il motoriduttore funziona in continuo e più di 60 sec. -Ilsystema viene arrestato. | -Il controllo rileva che il relèkomando motoriduttore è in avaria (contatti incollati). | -Le operazioni di ripristino devono essere condotte da un centro di assistenza. |
| ATTESA RAFFRED | -Avviene riaccendendo subito dopo aver spento la stufa. | -Tentativo di sblocco in fase di spegnimento con la stufacalda in fase di raffreddamento. | -Lo sblocco dell'allarme sareapproxabile solamente aspegnimento ultimato. |
| GUASTO DEBIMET | -Avviene quando il debimetro viene scollegato. | -Il controllo non rileva la quantità d'aria comburette ma non spegne la stufa, esclude solamente le funzioni del debimetro. | -Le operazioni di ripristino devono essere condotte da un centro di assistenza. |
| SCADENZA SERVICE | -Avviene quando la stufa ha superato le 1800 ore di funzionamento dal precedente intervento di manutenzione. | -Avviso di manutenzione straordinaria. | -Le operazioni di pulizia -manutenzione straordinaria e di ripristino devono essere condotte da un centro di assistenza autorizzato. |
La ditta si riserva di apportare in qualsiasi momento, alla preavviso alcuno, eventuali modifiche tecniche od estetiche ai prodotti. I disegni, le misure, gli schemi ed agli other configurazione, sono qui riportati solo a scopo esemplificativo.
8 ALLEGATI
INFORMAZIONI MARCATURA CE
| Tipologia Type | Apparecchio per il riscaldamento domestico, nella acqua, alimentato a pellet di legno Residential space heating appliance without water fired by wood pellets | |
| Marchio commerciale Trademark | COLA | |
| Modello - Codice Model - Code | ORION H ACCIAIO - LA12A00Y | |
| Combustibile ** Fuel | Pellet di legno / Wood pellet UNI EN14961-2 classe A1 | |
| Distanza minima da materiali inflammabili: Dietro - Dx/Sx - Pavimento Minimum distance from combustible materials Rear-Right/left side-floor | mm | 200 - 300 - 0 |
| Potenza termica introdotta* Heating input | kW | 12,2 - 3,85 |
| Potenza termica nominale* Heating output | kW | 11,0 - 3,66 |
| Potenza termica all'acqua* Water heating output | kW | - |
| Potenza termica all'aria* Room heating output | kW | 11,0 - 3,66 |
| Rendimento termico* Efficiency | % | 90,86 - 95,00 |
| Consumo orario*** Fuel consumption | kg/h | 2,55 - 0,81 |
| Emissione CO al 13%O2* | % | 0,01 - 0,01 |
| Emission CO at reference 13% | mg/m3 | 160,5 - 79,6 |
| Emissione CnHm al 13% O2* | mg/m3 | 1,5 - 1,4 |
| Emissione CnHm at reference 13% O2 | mg/m3 | 108,8 - 91,4 |
| Emissione NOx al 13% O2* | mg/m3 | 8,2 - / |
| Emissione NOx at reference 13% O2 | mg/m3 | 8,83 - / |
| Emissione polveri PP al 13% O2* | mg/m3 | - |
| Emissione dust PP at reference 13% O2 | mg/m3 | - |
| Emissione particolato totale PPBT al 13% O2* | mg/m3 | - |
| Total dust emission PPBT at ref. 13% O2 | mg/m3 | - |
| Temperatura max acqua impostabile Set max temp. | °C | - |
| Pressione max acqua di esercizio Max working pressure | bar | - |
| Capacità acqua caldaia Heating chambre capacity | l | - |
| Capacità serbatolio pellet Pellet stove capacity | kg | 21 |
| Perdite di carico lato acqua ΔT 10K | mbar | - |
| Water resistance ΔT 10K | ||
| Perdite di carico lato acqua ΔT 20K | mbar | - |
| Water resistance ΔT 20K | ||
| Temperatura uscita fumi* Fume outlet temperature | °C | 166,3 - 86,7 |
| Portata dei fumi* Flue gas flow | g/s | 7,15 - 2,7 |
| Tiraggio canna fumaria min-max | Pa | 10 - 14 |
| Draught min-max | mbar | 0,10 - 0,14 |
| Diametro tubo scarico fumi | mm | 80 |
| Fume Outlet pipe | ||
| Alimentazione elettrica Electrical power | 230V - 50Hz - 6A | |
| Assorbimento elettrico Rated input power | W | Accensione/Start 420 - Pnom 140 |
| Dimensioni d'ingombro H x L x P | mm | 980 x 580 x 546 |
| Dimensions H x L x P | ||
| Peso a vuoto Weight | kg | 104 |
- alla Potenza nominale e Potenza ridotta / Nominal output and Reduced output
** Il consumo di pellet cui variate dai tipo di pellet utilizzato / Pellet consumption can vary according to the type of pellets used.
INFORMAZIONI MARCATURA CE MARKING INFORMATION
COLA
CE 13
| Tipologia Type | Appareccchio per il riscaldamento domestico, nella acqua, alimentato a pellet di legno Residential space heating appliance without water fired by wood pellets | |
| Marchio commerciale Trademark | COLA | |
| Modello - Codice Model - Code | ORION H CERAMICA - LA12M00Y | |
| Combustibile** Fuel | Pellet di legno / Wood pellet UNI EN14961-2 classe A1 | |
| Distanza minima da materiali infiammabili: Dietro - Dx/Sx - Pavimento Minimum distance from combustible materials Rear-Right/left side-floor | mm | 200 - 300 - 0 |
| Potenza termica introddotta* Heating input | kW | 12,2 - 3,85 |
| Potenza termica nominale* Heating output | kW | 11,0 - 3,66 |
| Potenza termica all'acqua* Water heating output | kW | - |
| Potenza termica all'aria* Room heating output | kW | 11,0 - 3,66 |
| Rendimento termico* Efficiency | % | 90,86 - 95,00 |
| Consumo orario*** Fuel consumption | kg/h | 2,55 - 0,81 |
| Emissione CO al 13%O2* | % | 0,01 - 0,01 |
| Emission CO at reference 13% | mg/m³ | 160,5 - 79,6 |
| Emissione CnHm al 13% O2* | mg/m³ | 1,5 - 1,4 |
| Emissione CnHm at reference 13% O2 | mg/m³ | 108,8 - 91,4 |
| Emissione NOx al 13% O2* | mg/m³ | 8,2 - / |
| Emissione POx at reference 13% O2 | mg/m³ | 8,83 - / |
| Emissione particolato totale PPBT al 13% O2* | mg/m³ | - |
| Total dust emission PPBT at ref. 13% O2 | mg/m³ | - |
| Temperatura max acqua impostabile Set max temp. | °C | - |
| Pressione max acqua di esercizio Max working pressure | bar | - |
| Capacità acqua caldaia Heating chambre capacity | l | - |
| Capacità serbatoio pellet Pellet stove capacity | kg | 21 |
| Perdite di carico lato acqua ΔT 10K Water resistance ΔT 10K | mbar | - |
| Perdite di carico lato acqua ΔT 20K Water resistance ΔT 20K | mbar | - |
| Temperatura uscita fumi* Fume outlet temperature | °C | 166,3 - 86,7 |
| Portata dei fumi* Flue gas flow | g/s | 7,15 - 2,7 |
| Tiraggio canna fumaria min-max Draught min-max | Pa mbar | 10 - 14 0,10 - 0,14 |
| Diametro tubo scarico fumi Fume outlet pipe | mm | 80 |
| Alimentazione elettrica Electrical power | 230V - 50Hz - 2A | |
| Assorbimento elettrico Rated input power | W | Accensione/Start 420 - Pnom 140 |
| Dimensioni d'ingombro H x L x P Dimensions H x L x P | mm | 980 x 509 x 544 |
| Peso a vuoto Weight | kg | 118 |
- alla Potenza nominale e Potenza ridotta / Nominal output and Reduced output
** Il consumo di pellet cui variare dal tipo di pellet utilizzato / Pellet consumption can vary according to the type of pellets used.
1. GENERAL INFORMATION
^a alla Potenza nominale e Potenza ridotta / Nominal output and Reduced output
** Il consumo di pellet cui varie dal tipo di pellet utilizzato / Pellet consumption can vary according to the type of pellets used.
COLA




Orion H steel pellet stove dimensions
Key:
A - Air grilles
B - Power cable connection
C - Combustion air inlet diam. 50 mm
D - Flue pipe connection diam. 80 mm
E-Pellet hopper door



Orion H ceramic pellet stove dimensions

Key:
A - Air grilles
B - Power cable connection
C - Combustion air inlet diam. 50 mm
D - Flue pipe connection diam. 80 mm
E-Pellet hopper door

| Tipologia Type | Appareccchio per il riscaldamento domestico, alla acqua, alimentato a pellet di legno Residential space heating appliance without water fired by wood pellets | |
| Marchio commerciale Trademark | COLA | |
| Modello - Codice Model - Code | ORION H ACCIAIO - LA12A00Y | |
| Combustibile** Fuel | Pellet di legno / Wood pellet UNI EN14961-2 classe A1 | |
| Distanza minima da materiali inflammabili: Dietro - Dx/Sx - Pavimento Minimum distance from combustible materials Rear-Right/left side-floor | mm | 200 - 300 - 0 |
| Potenza termica introddotta* Heating input | kW | 12,2 - 3,85 |
| Potenza termica nominale* Heating output | kW | 11,0 - 3,66 |
| Potenza termica all'acqua* Water heating output | kW | - |
| Potenza termica all'aria* Room heating output | kW | 11,0 - 3,66 |
| Rendimento termico* Efficiency | % | 90,86 - 95,00 |
| Consumo orario*** Fuel consumption | kg/h | 2,55 - 0,81 |
| Emissione CO al 13%O2* | % | 0,01 - 0,01 |
| Emission CO at reference 13% | mg/m³ | 160,5 - 79,6 |
| Emissione CnHm al 13% O2* | mg/m³ | 1,5 - 1,4 |
| Emissione CnHm at reference 13% O2 | mg/m³ | 108,8 - 91,4 |
| Emissione NOx al 13% O2* | mg/m³ | 8,2 - / |
| Emissione polveri PP al 13% O2* | mg/m³ | 8,83 - / |
| Emissione dust PP at reference 13% O2 | mg/m³ | 8,83 - / |
| Emissione particolato totale PPBT al 13% O2* | mg/m³ | 8,83 - / |
| Total dust emission PPBT at ref. 13% O2 | mg/m³ | 8,83 - / |
| Temperatura max acqua impostabile Set max temp. | °C | - |
| Pressione max acqua di esercizio Max working pressure | bar | - |
| Capacità acqua caldaia Heating chambre capacity | l | - |
| Capacità serbatolato pellet Pellet stove capacity | kg | 21 |
| Perdite di carico lato acqua ΔT 10K Water resistance ΔT 10K | mbar | - |
| Perdite di carico lato acqua ΔT 20K Water resistance ΔT 20K | mbar | - |
| Temperatura uscita fumi* Fume outlet temperature | °C | 166,3 - 86,7 |
| Portata del fumi* Flue gas flow | g/s | 7,15 - 2,7 |
| Tiraggio canna fumaria min-max Draught min-max | Pa mbar | 10 - 14 0,10 - 0,14 |
| Diametro tubo scarico fumi Fume outlet pipe | mm | 80 |
| Alimentazione elettrica Electrical power | 230V - 50Hz - 6A | |
| Assorbimento elettrico Rated input power | W | Accensione/Start 420 - Pnom 140 |
| Dimensioni d'ingombro H x L x P Dimensions H x L x P | mm | 980 x 580 x 546 |
| Peso a vuoto Weight | kg | 104 |
- alla Potenza nominale e Potenza ridotta / Nominal output and Reduced output
** Il consumo di pellet cui variate dal tipo di pellet utilizzato / Pellet consumption can vary according to the type of pellets used.
INFORMAZIONI MARCATURA CE CE MARKING INFORMATION
COLA
CE
- alla Potenza nominale e Potenza ridotta / Nominal output and Reduced output ** Il consumo di pellet cui variazate dai tipo di pellet utilizzato / Pellet consumption can vary according to the type of pellets used.
COLA
1. RECOMMANDATIONS GÉNÉRALES
Fax Amministrazione 045.6100317 - Fax Commerciale 045.7639032 - Fax Assistenza 045.7639030 - Fax Log
"direzione e coordinamento della Ferroll spa"
"direzione e coordinamento della Ferroli spa"
"direzione e coordinamento della Ferroli spa"
ManualeFacile