Orion Acciaio - Poêle Cola - Notice d'utilisation et mode d'emploi gratuit
Retrouvez gratuitement la notice de l'appareil Orion Acciaio Cola au format PDF.
| Caractéristiques Techniques | Poêle en acier inoxydable, diamètre 28 cm, compatible tous feux, y compris induction. |
|---|---|
| Utilisation | Idéale pour la cuisson de viandes, légumes et plats mijotés. Convient pour une utilisation quotidienne. |
| Maintenance | Facile à nettoyer, compatible lave-vaisselle. Recommandé de ne pas utiliser d'ustensiles en métal pour préserver le revêtement. |
| Sécurité | Poignée ergonomique et anti-chaleur, évitant les brûlures. Ne pas laisser sans surveillance sur le feu. |
| Informations Générales | Garantie de 2 ans, fabrication européenne, respect des normes de sécurité alimentaire. |
FOIRE AUX QUESTIONS - Orion Acciaio Cola
Questions des utilisateurs sur Orion Acciaio Cola
0 question sur cet appareil. Repondez a celles que vous connaissez ou posez la votre.
Poser une nouvelle question sur cet appareil
Téléchargez la notice de votre Poêle au format PDF gratuitement ! Retrouvez votre notice Orion Acciaio - Cola et reprennez votre appareil électronique en main. Sur cette page sont publiés tous les documents nécessaires à l'utilisation de votre appareil Orion Acciaio de la marque Cola.
MODE D'EMPLOI Orion Acciaio Cola
Stufa a pellet mod - Pellet stove model - Poèle à granulés mod. Pelletofen Modell - Estufa de pellets mod.
ORION H
vers. acciaio e ceramicica / steel and ceramic vers. / acier et ceramique vers. / Ausf. Stahl und Keramik / Vers. acero el ceramicico


Lire attentivement les instructions avant d'installer, d'utiliser et d'entretenir le poèle. Le manuel fait partie intégrante de l'appareil.
La société COLA garantit ses produits selon les normes actuellément en vigueur, à l'exception des parties qui sont soumises à une usure normale. Pour les conditions de garantie, s'adresser à l'importateur ou au représentant autorisé qui pourrait accorder une extension de la durée contractuelle constructeur sous sa propre responsabilité. La garantie déchoit automatiquement et de plein droit pour tous les dommages, ruptures ou incidents causés par l'inobservation ou l'inapplication des instructions continues le present manuel.
DE 101-132
1.1. Introduction
1.2. Comment utiliser ce manuel
1.3. Regles de sécurité
1.4.Description technique
1.5. Combustible et usage prévu
1.6. Accessoires fournis
1.7. Normes de reference
1.8. Plaque d'identification
1.9. Mise hors service du poèle
1.10. Demande d'intervention et de pieces détachées
2. TRANSPORT ET INSTALLATION
2.1. Emballage, manutention, expulsion et transport
2.2. Lieu d'installation, mise en place et sécurité anti-incendie
2.3. Prise d'air
2.4. Evacuation des fumées de combustion
2.4.1. Types d'installations
2.5. Contrôle de la position du brasier et du déflecteur
2.6. Branchement électrique
2.7. Schéma électrique
2.8. Première intervention
3. SECURITE
3.1. Distance de sécurité par rapport aux matériaux combustibles
3.2. Sécurité pour l'évacuation des fumées
3.3. Sécurité en cas de surpression dans la chambre de combustion
3.4. Surchauffe-thermostat de sécurité température réservoir granulés
3.5. Sécurité contre le retour de flamme sur le canal d'alimentation en granulés
3.6. Dispositif électrique de protection contre les surtensions
3.7. Sécurité en cas de coupure de courant
3.8. Dysfunctionnement du ventilateur d'extraction des fumées
4. UTILISATION DU POÉLE
4.1. Introduction
4.2.Description du tableau de commande
4.3. Allumage
4.3.1. Contrôle avant l'allumage
4.3.2. Mise en marche
4.4. Fonctionnement
4.5. Extinction du poèle
4.6. Menu
4.6.1 menu 01 - réglage des ventilateurs
4.6.2 menu 02 - réglage de l'horloge
4.6.3 menu 03 - activation du chrono
4.6.4 menu 04 -CHOIX de la langue
4.6.5 menu 05 - mode veille (stand-by)
4.6.6 menu 06 - alarme sonore (buzzer)
4.6.7 menu 07 - charge mnt initial
4.6.8 menu 08 - état du poèle
4.6.9 menu 09 - réglages du technicien
4.7 Telecommande
4.7.1 Remplacement de la pile
4.8 Thermostat - chronothermostat externe
4.9 Période d'inactivité (fin de saision)
5 NETTOYAGE DU POÉLE
5.1 Nettoyage du brasier
5.2 Nettoyage du cendrier
5.3 Nettoyage de la vitre et des fentes d'aération
5.4 Nettoyage de l'extracteur de fumée et de la chambre de combustion
5.5 Nettoyage du débitmètre
5.6 Nettoyage des ceramiques (modèle en ceramique)
5.7 Nettoyage du conduit de raccordement - conduit de fumée
6. ENTRETIEN
6.1. Introduction
6.2. Dépose de l'habillage céramique
6.3. Dépose de l'habillage acier
6.4. Composants internes du poèle
6.5. Composants électriques
7. RECHERCHE DES PANNES
7.1. Gestion des alarmes
8. ANNEXES
8.1. Informations relatives au marquage CE
1 RECOMMANDATIONS GÉNÉRALES
1.1 Introduction
Cher Client!
Nous vous remercions de la confiance que vous nous avez accorded en achetant ce produit. Nous vous invitons à dire et à suive attentivement les conseils fournis par ce manuel d'installation, d'utilisation et d'entretien pour exploiter au moins les qualités de cet apparéil.
Tous les documents concernant les certifications ou les déclarations de l'appareil, notamment la déclaration CE de conformité et la déclaration des performances, peuvent être consultés sur le site web de la marque commerciale d'appartenance.
1.2 Comment utiliser ce manuel
La société COLA s.r.l. se reserve d'apporter des modifications techniques ou esthétiques à ses produits à n'importe quel moment et sans préavis.
Les opérations d'installation, d'utilisation et d'entretien du poèle doivent satisfaire les exigences de ce manuel, des normes européennes, nationales et locales.
Toutes les configurations, les dessins, les mesures et les schémas sont fournis à titre d'exemple.
Ce manuel constitue une partie intégrante et essentielle du produit; si l'appareil doit être vendu ou transféré à un autre propriété ou s'il doit être installé à un autre endroit, s'assurer que le manuel accompagne l'appareil afin qu'il puisse être consulté ultérieurement à tout moment.
En cas de perte ou de dépréciation de ce manuel, demander une copie de celui-ci au centre d'assistance technique autorisé afin qu'il reste toujours avec l'appareil.
| ! | Ce symbole indique la présence d'un message important auquel prêter une attention particulière car la non observation des instructions peut entraîner de sérieux dommages au poèle et aux personnes |
| Une information nécessitant une attention particulière est mise en évidence par un texte écrit en «caractères gras». |
1.3 Regles de sécurité
Lire attentivement ce manuel avant l'installation, l'utilisation et l'entretien du poèle
Pour l'installation, le branchement électrique, la mise à l'essai et l'entretien, vous adresser à un technicien qualifié et/ou agree.
Raccorder le poèle au conduit de fumée à l'aide d'un terminal qui puisse être inspecté ; le raccordement à plusieurs apparciels peut se faire uniquement dans le respect des normes locales et autorisé par l'organisme de contrôle du conduit de fumée.
Raccorder le poèle, de l'extérieur à la bouche d'aspiration, à l'aide d'un tuyau ou d'une prise d'air.
- Raccorder le poèle à une prise de courant homologuée de 230 V- 50 Hz.
Vérifier que l'installation électrique et les prises soient en mesure de supporter l'absorption maximum de l'appareil figurant sur l'étiquette et sur le manuel.
Avant de proceder aux operations d'entretien, débrancher le poèle et attendre qu'il soit froid.
- Ne pas utiliser de liquides ou substance inflammables pour allumer le poèle ou raviver la flamme : l'embrasement des granulés se fait automatiquement lorsque le poèle est allumé.
Le poèle doit être alimenté exclusivement par des granulés dont les caractéristiques sont décrites dans ce manuel.
- Le poèle à granulés ne doit pas être utilisé comme incinérateur.
- Ne jamais obstruer les bouches d'entrée de l'air comburant et de sortie des fumées.
Il est absolument interdit de manipuler des substances facilement inflammables ou explosives a proximé du poèle pendant son fonctionnement.
- Ne pas déposer ou modifier la grille de protection du réservoir à granulés et, d'une manière générale, les dispositifs de sécurité.
- Éviter le fonctionnement du poèle avec la porte du foyer ouverte et/ou la vitre en mauvais état ou brisée.
- Pendant le fonctionnement, la chaleur dégagée par la combustion des granulés surchauffe les surfaces extérieures du poèle telles que la porte du foyer, la poignée et le tuyau d'évacuation des fumées. Éviter donc d'entrée en contact avec ces parties sans porter des protections déequates.
Toujours tenir a une distance de sécurité suffisante tous les objets sensibles à la chaleur et/ou inflammables.
- Nettoyer régulierement le foyer à chaque allumage ou chargement de granulés.
Faire nettoyer regulierement le conduit et les deflecteurs de fumee a l'intérieur de la chambre de combustion par un technicien qualifie.
- Eviter la formation de fumée ou d'imbrûés pendant l'allumage et/ou le fonctionnement normal, l'accumulation excessive de granulés imbrûés dans le brasier doit être retiree manuellement avant tout allumage.
- Informer les enfants et les visiteurs des dangers décrits ci-dessus.
En cas d'anomalie de fonctionnement, le poèle peut etre rallumé seulement apres avoir rétabli la cause de l'inconvénient.
- Toute modification ou adaptation non prévue et/ou tout remplacement non autorisé de pieces non originales du poèle peut représenter un danger pour les personnes et dégage le constructeur de toute responsabilité civile et pénale.
- N'utiliser que des pieces de rechange d'origine.

La société Cola s.r.l. decline toute responsabilité pour les inconveniens, les ruptures ou les accidents causés par l'inobservation ou l'inapplication des indications contenues dans ce manuel.
Le poèle fonctionne exclusivement à granulés et propage une chaleur saine et rassurante dans la pierce. Les systèmes de contrôle automatiques dont il est pourvu assurent un rendement thermique optimal et une combustion complete. Des systèmes de sécurité garantissant des conditions de sécurité pour l'utilisateur et la fiabilité des composants du poèle.
Si le poèle est installé conformément aux textes réglementaires et règes de l'art en vigueur, il fonctionnera dans n'importe quelles conditions climatiques extérieures, mêmes critiques (vent fort, gel, etc.), car les systèmes de sécurité dont il est équipé arrêtent son fonctionnement (extinction).
Le poèle à bois mod. ORION ACCIAIO - ORION CERAMICA, d'une puissance nominale de 11 kW, peutCHAuffer un volume total de 251 m3, en considérant le coefficient de besoin en énergie de l'édifice équivalent à 35 W/m3, ce dernier pouvant varier en fonction de l'isolement, du type et de la zone climatique qui sont les facteurs importants pour lechioix correct de I'appareil.
| Type Type | Apparés de chauffage domestique, sans eau, nours de granulés de bois Residential space heating appliance without water fired by wood pellets | |
| Marque de commerce Trademark | COLA | |
| Modèle - Code Model - Code | ORION ACCIAIO - ORION CERAMICA | |
| Carburant ** Fuel | Granules de bois / Wood pellet UNI EN14961-2 classe A1 | |
| Distance min des matériaux inflammables: Arrière - Droite / Gauche - Étagne Minimum distance from combustible materials Rear-Right/left side-floor | mm | 200 - 300 - 0 |
| Puisance thermique introduct * Heating input | kW | 12,2 - 3,85 |
| Puisance thermique utile * Water heating output | kW | 11,0 - 3,66 |
| Puisance thermique de production H2O Potenza termica all'acqua | kW | - |
| Puisance thermique pour réchauffer l'air Potenza termica all'aria | kW | 11,0 - 3,66 |
| Rendement thermique* Efficiency | % | 90,86 - 95,00 |
| Consummation horarie */* Fuel consumption | kg/h | 2,55 - 0,81 |
| Emissions CO à 13% O2* Emission CO at reference 13% | % mg/m3 | 0,01 - 0,01 160,5 - 79,6 |
| Emissions CnHm à 13% O2* Emission CnHm at reference 13% O2 | mg/m3 | 1,5 - 1,4 |
| Emissions NOx à 13% O2* Emission NOx at reference 13% O2 | mg/m3 | 108,8 - 91,4 |
| Emissions de poussières PP à 13% O2* Emission dust PP at reference 13% O2 | mg/m3 | 8,2 - / |
| Totale des émissions de particules PPBT à 13% O2* Total dust emission PPBT at ref. 13% O2 | mg/m3 | 8,83 - / |
| Température max de l'eau reglable Set max temp. | °C | - |
| Pression max acqua d'utilisation Max working pressure | bar | - |
| Capacité de la chamme de combustion Heating chamme capacity | I | - |
| Capacité du réservoir à granulès Pellet stove capacity | kg | 21 |
| Perte de charge sur le coté ΔT 10K Water resistance ΔT 10K | % | - |
| Perte de charge sur le coté ΔT 20K Water resistance ΔT 20K | % | - |
| Temperature de fumée* Fume outlet temperature | °C | 166,3 - 86,7 |
| Débit gaz de combustion* Flue gas flow | g/s | 7,15 - 2,7 |
| Tirage fumée min-max Draught min-max | Pa (mbar) | 10 - 14 0,10 - 0,14 |
| Tuyau d'évacuation des fumées Fume Outlet pipe | mm | 80 |
| Alimentazion électrique Electrical power | 230V - 50Hz - 2A | |
| Consummation电量 Rated input power | W | Allumage/Start 420 - Pnom 140 |
| Dimensions H x L x P Dimensions H x L x P | mm | ORION ACC. 104 - ORION CER. 118 |
| Poids Weight | kg | 118 |
a puissance nominale et de faible puissance / Nominal output and Reduced output
** La consommation de granules peut varier selon le type de pellet utilise / Pellet consumption can vary according to the type of pellets used.
COLA




Dimensions du poèle à granulés Orion H acier
Legende :
A - Grilles de passage d'air
B - Connexion du cable électrique
C - Aspiration d'air comburant diam. 50 mm
D - Raccordement tuyau d'évacuation des fumées, diam. 80 mm
E - Couvercle de réservoir à granulés




Dimensions du poèle à granulés Orion H ceramique
Legende:
A - Grilles de passage d'air
B - Connexion du cable electrique
C - Aspiration d'air comburant diam. 50 mm
D - Raccordement tuyau d'évacuation des fumées, diam. 80 mm
E - Couvercle de réservoir à granulés

Pour ouvrir la porte, insérer la poignée.
fournie et tourner en sens anti-horaire.
1.5 Combustible et usage prévu
Les poèles à granulés fonctionnent exclusivement avec des granulés (pastilles) d'essences de bois différentes, conformément à la norme DIN plus 51731 ou UNI CEN/TS 14961 ou Ö-Norm M 7135, ayant les caractéristiques suivantes :
Pouvoir calorifique : min. 4,8 kWh/kg (4180 kcal/kg)
Densité: 680-720 kg/m3
Humidité : max. 10% de son poids
Diametre: 6 + 0,5 ~mm
Taux de cendres : max. 1,5% de son poids
Longueur: min. 6 mm-max. 30 mm
Composition : 100% bois non traité de l'industrie du bois ou post-consommation sans adjonction de substances liantes et sans écorce conforme aux normes en vigueur
Conditionnement : dans des sacs en matériel compatible avec l'environnement ou biodégradable ou en papier
Le réservoir à granulés se trouve à l'arrière du poèle. Le couvercle du réservoir est placé dans la partie supérieure du poèle et le chargement se fait manuellement uniquement poèle eteint en faisant attention a ne pas faire sortir le sac de granulés.
L'utilisation de granulés de bois ayant des caractéristiques différentes de celles des granulés utilisés pour le test lors du premier allumage implique un nouvel ajustement des paramètres de chargement des granulés dans le poèle. Noter que cette intervention n'est pas couverte par la garantie.

- Les granulés doivent être stockés dans un lieu sec et protégé contre l'humidité.
- En vue d'un fonctionnement efficace et régulier du poèle, il n'est pas possible de charger manuellement les granulés ou d'autres combustibles dans le foyer.
- Éviter le chargement de combustibles non conformes dans le réservoir.
- Éviter le chargement de corps étrangers, tels que réciPIents, boites, sachets, metaux etc., dans le réservoir.
- L'utilisation de granulés de qualité médiocre et non conforme déteriore et compromet le bon fonctionnement du poèle, ce qui entraîne l'annulation de la garantie et dégage le constructeur de toute responsabilité.
1.6 Accessoires fournis
La furniture comprehend :
cable d'alimentation electrolyque ;
manuel d'installation, utilisation et entretien ;
cle d'ouverture - de fermeture porte de foyer ;
telecommande.
1.7 Normes de reference
Norme UNI 10683:2012 :
Norme UNI EN14785:2006 :
elle fixe les exigences essentielles concernant l'installation des générateurs de chaleur à bois ou à autres biocombustibles
elle fixe les exigences essentielles relatives à la conception, à la fabrication, à la sécurité, aux performances (rendement et émissions), aux instructions et aux
marquages, ainsi qu'aux méthodes d'essay correspondantes pour les essais de type d'appareils fonctionnant aux granulés de bois ;
Norme CEI EN 60335-1 : Appareils électrodomestiques et analogues - Sécurité - Partie 1 ;
Norme CEI EN 60335-2-102 : Appareils electrodomestiques et analogues - Sécurité - Partie 2 ;
Norme CEI EN 55014-1: Compatibilité electromagnetique - Exigences pour les appareils
électrodomestiques, outillages électriques et apparèils analogues - Partie 1 : Émission ;
Norme CEI EN 55014-2 : Compatibilité electromagnétique - Exigences pour les appareils
électrodomestiques, outillages électriques et apparèils analogues - Partie 2 :Immunité ; Norme famille de produits ;
Norme CEI EN 61000-3-2 : Limites pour les émissions de courant harmonique (courant appelé par les appareils
inéfier ou égal à 16 A par phase) ;
Norme CEI EN 61000-3-3 : Limitation des variations de tension, des fluctuations de tension et du papillotement
Dans les reseaux publics d'alimentationasse tension, pour les matériels ayant un courant assigné inférieur ou égal à 16 A par phase et non soumis à un raccordement conditionnel ;
Norme CEI EN 62233 : Méthodes de mesure des champs électromagnétiques des appareils
electrodomestiques et similaires en relation avec l'exposition humaine.
Normes DIN plus 51731 - UNI CEN/TS 14961 - Ö-Norm M 7135 : Normes relatives aux specifications et à la
1.8 Plaque d'identification
La plaque d'identification est fixée sur le dessous de couvercle du réservoir à granulés ou à l'arrière du poèle. Sur la plaque d'identification sont portées toutes les caractéristiques du poèle, y compris les coordonnées du fabricant, le numero de série (ou de fabrication), le marquage CE, le laboratoire d'essai et le numéro de referencia de la déclaration des performances.
1.9 Mise hors service du poèle
A partir du moment où le poèle n'est définitivement plus utilisé, débrancher l'alimentation électrique et vider complètement le réservoir à granulés. Pour procéder à l'évacuation du poèle, il est nécessaire de prévoir un emballage solide et adapté. Il faut ensuite contacter les organismes locaux afin de connaître les règles et normes en vigueur pour l'évacuation du matériel, ou restituer au revendeur du nouveau produit similaire, l'appareil usageé.
1.10 Instructions en cas de nécessité d'intervention et de piece détachée
Pour toute commande d'intervention et/ou de pieces détachées, contacter son revendeur, le revendeur de zone ou le centre d'assistance agréé le plus proche, en précisant toujours : modèle du poèle, numéro de série, date d'achat, liste des pieces de rechange, les anomalies de fonctionnement constatées.

- Les interventions sur les composants doivent etre effectuees par un personnel agree et/ou qualifie.
- Avant de proceder aux opérations, s'assurer que toutes les connexions électriques sont débranchées et que le poèle est froid.
- N'utiliser que des pieces de rechange d'origine.
2 TRANSPORT ET INSTALLATION
Le poèle peut être soulevé à l'aide d'un chariot élévateur en introduisant les fourches d'une longueur ajustée aux endroits prévus à cet effet sur la palette en bois. S'assurer que la capacité des apparciels utilisés pour le levage et le transport est suffisante pour supporter le poids du poèle indiqué sur la plaque d'identification et dans ce manuel.
Éviter de passer dans des zones où la chute de la charge pourrait représenter un danger.
Ouvrir l'emballage, restirer le poèle de la palette et le poser à l'endetroit choisi en veillant à sa conformité avec la commande.
Il est recommandé de poser delicatement le poèle au sol pour éviter tout chocol eventuel, et de l'installer dans la zone prévue ; s'assurer également que le plancher est assez solide pour supporter le poids du poèle ; dans le cas contraire, consulter un technicien spécialisé.
L'élimination ou le recyclage de l'emballage est à la charge de l'utilisateur final en conformité avec la réglementation locale en vigueur.
2.2 Lieu d'installation, mise en place et sécurité anti-incendie
La piece dans laquelle le poèle est installé doit être suffisamment aérée pour assurer une bonne évacuation en cas de fuite eventuelle de fumée de combustion.
L'appareil peut fonctionner dans une habitation ayant une température minimum de 0^ .
Pour éviter tout risque d'incendie, protéger les structures autour du poële de la chaleur.
Une plaque de sol en acier ou en verre trempe doit etre prevue pour proteger les parquets ou autres planchers en
matiere inflammable (moquette, linoluum, etc.) et doit respecter les distances reglementaires autour du poele.
COLA
Si le conduit de fumée doit traverser des plafonds ou des poutres de bois ou de tout autre matière combustible, celui-ci doit être dûment isolé selon la réglementation encadrant l'installation du poèle à granulés.
La distance minimale de sécurité devant le poèle pour les objets inflammables est de 1,5 m. Les distances minimales de sécurité par rapport aux matériaux combustibles doivent correspondre à l'écart au feu indiqué dans le tableau ci-après :

Chaque installation doit prévoir un espace technique facilement accessible pour effectuer les opérations d'entretien périodiques. Le poèle est doté de 4 pieds régables pour faciliter sa mise en place sur des sols irréguliers. Pour régler la hauteur du pied, incliner le poèle et tourner le pied jusqu'à obtenir la juste hauteur.
Le poèle est fourni avec une sonde d'ambiance fixée par un collier sur la paroi arrêté du poèle.
Nos conseillons son déplacement afin d'améliorer lecture de la température ambiente. La longueur du cable de la sonde, permet de la déplacer et de la positionner plus haut.
Pour optimiser la lecture de la température ambiente, nous conseillons l'installation d'un thermostat ou apparéil d'ambiance - cf. paragraphe 4.8.

Il est interdit d'installer le poèle dans les chambres à coucher, les salles de bain et, d'une manière générale, dans des locaux où est déjà installé un autre apparil de chauffage sans une amende d'air indépendante.
En cas d'installation du poèle sur un parquet (moquette ou linoleum), prévoir une plaque de sol conformément aux prescriptions du DTU en vigueur.
Il est toujours conseillé d'installer des équipements anti-incendie appropriés.
Il est interdit d'insteller le poèle dans des ambiances explosives.
2.3 Prise d'air
Le raccordement d'aspiration ou la prise d'air du poèle se trouve à l'arrière de celui-ci et a une section circulaire de 50 mm de diamètre.
La quantité d'air qui doit afflower dans le local d'installation du poèle doit être au moins égale au début d'air nécessaire à la combustion; par conséquent, l'air de combustion nécessaire à garantir le fonctionnement régulier de l'appareil doit être prélevé :
dans la piece ou le local, a condition qu'il y ait une prise d'air ayant une surface minimum de 100~cm^2 a proximé du poèle et communiquant avec l'extérieur, protégée par une grille extérieure;
directement à l'extérieur par tuyau d'un diamètre interieur minimum de 50 mm et d'une longueur maximale de 1,5 m muni d'un terminal de protection anti-vent (coude orienté vers le bas).
Le flux d'air peut provenir aussi d'un local adjacent à celui d'installation pour autant que cette aménée puisse se faire librement à travers des ouvertures permanentes communiquant avec l'extérieur ; ce local ne peut pas être destiné à être utilisé comme garage ni comme magasin de matérielux combustibles ou pour des activités importante des risques d'incendie.
2.4 Évacuation des fumées de combustion
Les fumées peuvent être evacuées par un conduit de fumée traditionnel ou par un conduit extérieur isolé ou à double paroi.
Les conduits de raccordement doivent garantir un tirage minimum de 10 Pa de maniere à pouvoir assurer l'évacuation des fumées en cas de coupure de courant momentanée.

- Il est recommandé à l'installateur de vérifier l'efficacité et l'état de la cheminée, ainsi que la conformité à la réglementation locale, nationale et européen en viqueur.
- Utiliser impératifement des tuyaux ou conduits et raccords certifiés avec des joints adéquats qui garantissent l'étanchéité.
- En cas d'incendie, eteindre le poele, appeler immediatement les pompiers et eviter toutes tentatives repétées d'extinction du poele.
- Nettoyer au moins une fois par an le conduit de fumée et le conduit de raccordement.
2.4.1 Types dinstallations
Voici quelques définitions et régles d'installation d'un conduit de fumée selon la norme italienne UNI10683 :
CONDUIT DE CHEMINÉE : conduit vertical destiné à collecter et à evacuer à une certaine hauteur du sol les produits de combustion provenant d'un seul apparéil et, dans les cas autorisés, de plusieurs apparéils.
Prescriptions techniques du CONDUIT DE CHEMINEE: - il doit etre étanche, isolé et calorifugé en fonction de l'usage auquel il est destiné ;
- il doit être le plus droit possible avec des dévoiements dont l'angle de ceux-ci avec la verticale doit être < 45^
- respecter une distance de sécurité minimale ("écart de feu") avec les matériaux combustibles de la construction par interposition d'une lame d'air ou doublage avec des matériaux isolants;
- il doit avoir de préférence une section interne circulaire, uniforme sur toute sa hauteur, libre et indépendante ;
- il doit si possible Compter une chambre de visite pour collecter les matieres solides (suies) et les condensats eventuels, située à l'embouchure du conduit de raccordement ou carneau.

CARNEAU ou CONDUIT DE RACCORDEMENT : conduit ou élément de raccordement entre l'appareil et le conduit de fumée, pour l'évacuation des produits de combustion.
Prescriptions techniques du CARNEAU : - il ne doit pas traverser des locaux où l'installation d'appareils de combustion est interdite ;
- l'usage de conduits métalliques flexibles ou en fibrociment est interdit ;
- l'utilisation d'élement à contre-pente est interdite ;
- le(s) troncon(s) horizontal(aux) du conduit doit(doivent) avoir une pente minimale de 3% vers le haut ;
- la longueur du troncon ne doit pas dépasser 3 m minimum ;
- le nombre de dévoiements admis, sans raccord en T, ne doit pas être supérieur à 3 ;
- en cas de dévoiement >90^ , prévoir le montage de 2 coudes maximum d'une allure horizontally ne dépassant pas 2m ;
- le conduit de raccordement doit avoir une section uniforme sur toute la longueur et permettre de recupérer la suite.
SOUCHE DE CHEMINEE (appelee aussi SORTIE DE TOIT) : élément place au sommet du conduit de fumée ou de cheminée (sa partie extérieure) servant à evacuer dans l'atmosphère les produits de combustion.
Prescriptions techniques de la SOUCHE DE CHEMINÉE :
- elle doit avoir une section équivalente à celle du conduit de fumée ;
- elle doit avoir une section utile non inférieure au double de la section interieure du conduit de fumée ;
- elle doit empêcher la pénetration de la pluie, de la neige et/ou d'autres corps étrangers dans le conduit de fumée et garantir en toutes conditions climatiques l'évacuation des produits de combustions (les fumées) ;
- elle doit pouvoir assurer une dilution adequate des produits et etre positionnee en dehors de la zone de reflux ;
- elle ne doit pas composer de moyens mécaniques d'aspiration.

L'évacuation directe des produits de combustion doit être prévue en toiture et reste interdite vers des espaces clos même si à ciel ouvert.
2.5 Contrôle de la position du brasier et du déflecteur
Avant d'allumer le poèle, contrôler que le brasier soit correctement encastré sur son support. Contrôler également que le déflecteur de fumées supérieur soit encastré dans son logement. Une position incorrecte du déflecteur entraîne des anomalies de fonctionnement et un noircissement excessif de la vitre.

Lors de chaque allumage de l'appareil, contrcler la position correcte du brasier sur son support.
2.6 Branchement électrique
Brancher le cable d'alimentation electrique d'une part à la prise arrête du poèle et, d'autre part, à une prise electrique murale.
La tension de l'installation doit correspondre à celle indiquée sur la plaque d'identification du poèle et dans le paragraphe des données techniques de ce manuel.
Pendant la période d'inutilisation du poèle, il est préférible de débrancher son cable d'alimentation.

- S'assurer que l'installation électrique est réalisé avec une connexion de mise à la terre du poèle et un l'interrupteur différentiel conformément aux textes réglementaires et règes de l'art en vigueur.
- Le cable d'alimentation ne doit jamais entraîer en contact avec le conduit d'évacuation des fumées du poèle.
2.7 Schéma électrique

2.8 Première intervention
Il est toujours conseillé d'instructor des équipements anti-incendie appropriés.
En cas d'incendie :

- Débrancher immédiatement le cable d'alimentation du poële.
- Eteindre le feu avec des extincteurs conformes à la reglementation en vigueur.
- Appeler immédiatement les sapeurs-pompiers.
- Ne pas utiliser de jets d'eau pour êtreindre le feu.
3 SECURITE
3.1 Distance de sécurité par rapport aux matériaux combustibles
Installer l'appareil à une distance de sécurité minimale par rapport à tout matériel inflammable, afin d'éviter tout risque d'incendie conformément aux indications générées sur la fiche technique du manuel et sur la plaque de l'appareil.
Faire attention au type de sol : en cas de matériaux délicats et inflammables, il est recommendé d'utiliser des plaques de sol en acier ou en verre trempe comme base d'appui (voir chapitre 2 Transport et Installation). En presence d'objets considérés comme particulièrement délicats, tels que meubles, ridesaux, divans, installer le poèle à une distance plus éloignée de ceux-ci.
3.2 Sécurité pour l'évacuation des fumées
Normalement, la chambre de combustion fonctionne en dépression et garantit l'étanchéité contre toute fuite de gaz dans l'environnement. En cas de valeur de dépression insuffisante ou de conduit de fumée obstrué, le vacuostat de sécurité détecte le manque de dépression à l'intérieur de la chambre de combustion, ou le débitmètre décèle l'absence de flux d'air comburant, et arrête le fonctionnement du moteur de rotation de la vis sans fin par l'intémediaire de l'unité. Le message 'AL8 MANQUE DÉPRESSION' ou 'AL9 TIRAGE INSUFF ' s'affichera alors sur le tableau de commande.
3.3 Sécurité en cas de surpression dans la chambre de combustion
En cas de supression inattendue des fumées de combustion à l'intérieur de la chambe et des conduits d'évacuation, les fumées seront évacuées à travers des soupapes de sutureté installées au-dessus de l'échangeur de chaleur. Durant le fonctionnement normal, ces soupapes restent fermées sous leur propre poids et sous l'effet de la dépression de la chambe de combustion de sorte à garantir l'étanchéité contre l'évacuation eventuelle des fumées.

Contrer regulierement que le dispositif est fermé, qu'il est en bon et qu'il fonctionne correctement.
3.4 Surchauffe-thermostat de sécurité température réservoir granulés

Une sonde de température sur la paroi avant BASSE du réservoir, au-dessus du convoyeur des granulés, reliée à un thermostat de sécurité bloque automatiquement l'arrivée des granulés en cas de surchauffe >85^ . Dans ce cas, l'extracteur et/ou les ventilateurs continu à fonctionner pour refroidir plusrapidement l'appareil. L'anomalie est affichée sur le tableau de commande par le message 'AL 7 SECURITE-THERMIQUE'. En cas d'intervention, procédér comme suit :
Laisser refroidir le poèle pendant au moins 45 minutes.
Réarmer le thermostat en appuyant le bouton proche de l'interrupteur derrière le poèle, en dévissant au préalable le couvercle de protection (figure ci-contre).
Rallumer le poèle normalement.
3.5 Sécurité contre le retour de flamme sur le canal d'alimentation en granulés
Les solutions pour empêcher le retour de flamme sont :
depression dans la chambre de combustion, voir 3.2
La forme en siphon du canal d'alimentation des granulés.
La sécurité sur la température du réservoir, voir § 3.4.
3.6 Dispositif électric de protection contre les surtensions
L'appareil est protégé contre les surtensions par un(des) fusible(s) de 2 A sur l'alimentation de l'interrupteur générale du poèle situé à l'arrière de celui-ci.
3.7 Sécurité en cas de coupure de courant
En cas de micro-coupures de courant, l'appareil se rallume automatiquement.
Une coupure de courant momentanée ne limite pas le niveau de sécurité du poèle et la température du réservoir n'atteint pas des valeurs trop élevées (< 85^) , car la quantité de granulés dans le brasier est réduite.
Cette anomalie peut entrainer une légère fuite de fumées dans la pierce, mais ne comporte aucun risque.

Il est interdit d'intervenir sur les dispositifs de sécurité.
3.8 Dysfonctionnement du ventilateur d'extraction des fumées
Si pour une raison quelconque le ventilateur d'extraction des fumées s'arrête de fonctionner, l'électronique de commande bloque instantanément l'alimentation des granulés et affiche le message 'AL4 ASPIRAT-DEFAILLANT'.
4 UTILISATION DU POÉLE
4.1 Introduction
Le poèle à granulés offre l'avantage de combiner la chaleur de la flamme du bois et la commodité de la gestion automatique de la température, avec la possibilité de programme herbomadairement l'allumage et d'extinction. Il est possible d'effectuer le branchement à un thermostat et/ou chronothermostat externe pour mesurer la température en un endroit différent de celui d'installation du poèle.
Pour une utilisation sure et fiable du poèle, respecter les points suivants :
- il est possible de sentir de mauvaises odeurs lors de la première mise en service. Par conséquent, aérer correctement la piece pendant la première période de fonctionnement ;
- le remplissage du réserve doit se faire exclusivement avec des granulés. Pendant cette opération éviter que le sac entre en contact avec les surfaces chaudes du poèle ;
- ne pas introduire dans le réserve d'autres types de combustible que les granulés conformes aux prescriptions
- ne pas utiliser le poèle comme incinérateur de déchets ;
- la porte du foyer doit toujours être fermée quand le poèle est allumé ;
- les joints de la porte du foyer doivent être contrôlés régulièrement pour éviter toute infiltration d'air ;
- le poèle doit toujours être propre pour garantir un bon fonctionnement et un rendement thermique efficace : nettoyer le brasier à chaque chargement de granulés ;
- il est important au premier allumage de ne pas surchauffer le poèle, mais de le faire monter progressivement en température en programmant des Températures de fonctionnement basses (voir paragraphe programmation des températures);
- pendant l'allumage le fonctionnement et l'extinction, le poèle peut émettre des cliquetis à cause de la dilatation thermique.
4.2 Description du tableau de commande
Le tableau de commande comprend un écran LCD rétro-éclairé, une touche d'allumage/extinction (marche/arrêt) 'P4', une touche de fonction SET/MENU 'P3', quatre touches de menu 'P1', 'P2', 'P5', 'P6' et 6 LED de signalisation de l'état de fonctionnement du poèle.

Le tableau permet l'allumage et l'extinction (la marche/l'arrêt) du poèle, la régulation pendant le fonctionnement et le paramétrage des programmes de gestion et d'entretien.
Sur l'écran sont affichées toutes les informations sur l'état de fonctionnement du poèle.
Pour acceder au menu :
- appuyer sur la touche CONSIGNE (SET) 'P3';
- appuyer plusieurs fois sur les touches P5', 'P6' pour dérouler les menus;
- appuyer sur une des touches d'augmentation/diminution 'P1', 'P2', 'pour ajuster le paramètre désiré';
- appuyer sur la touche CONSIGNE (SET) 'P3' pour confirmer la valeur du paramètre.
Une fois rendre dans le menu, il est possible d'obtenir les différentes options de visualisation et d'effectuer les paramétrages et/ou réglages disponibles suivant le niveau d'accès.
Le tableau ci-après indique les commandes et des messages correspondants affichés pendant la phase de programmation ou préselection des paramètres de fonctionnement :
| Bouton | Description | Modalité | Action |
| 1 | Augmentation de la tempêteure | PROGRAMMATION | Modifie/augmente la valeur de menu sélectionné |
| FONCTIONNEMENT/OFF | Augmente la valeur de la tempêteure du thermostat d'ambiance | ||
| 2 | Diminution de la tempêteure | PROGRAMMATION | Modifie/diminue la valeur de menu sélectionné |
| FONCTIONNEMENT/OFF | Diminue la valeur de la tempêteure du thermostat d'ambiance | ||
| 3 | Réglage/menu | - | Permet d'accéder au menu |
| MENU | Permet d'accéder au niveau du sous-menu suivant | ||
| PROGRAMMATION | Ajuste la valeur et fait passer à l'options de menu suivante | ||
| 4 | ON/OFF déblocage | FONCTIONNEMENT | Allume ou être int le poèle si pressé pendant 2 secondes selon que celui-ci est respectivement étçint ou allumé |
| BLOCAGE | Débloque le poèle et le remet dans son état étçint | ||
| MENUPROGRAMMATION | Se met au niveau de menu supérieur. Les modifications sont mémorisées | ||
| 5 | Diminution de la puissance | FONCTIONNEMENT/OFF | Modifie la puissance rendue du poèle |
| MENU | Fait passer à l'options de menu suivante | ||
| PROGRAMMATION | Reient à l'options de sous-menue suivant. Les modifications sont mémorisées | ||
| 6 | Augmentation de la puissance | FONCTIONNEMENT/OFF | Modifie la vitesse de l'échangeur |
| MENU | Fait passer à l'options de menu précédente | ||
| PROGRAMMATION | Fait passer à l'options de sous-menue précédente. Les modifications sont mémorisées |
La figure ci-contre fournit l'explication des indicateurs d'etat sur la partie gauche de l'écran.
L'activation, à l'écran, d'un des segments signale la mise en service du dispositif correspondant, suivant la liste ci-contre.
4.3 Allumage
4.3.1 Contrôle avant l'allumage
Avant d'allumer le poèle, il faut :
- s'assurer d'avoir bien lu et compris les indications containues dans le manuel ;
- s'assurer que le réserve à granulés est rempli ;
- s'assurer que le,chambre de combustion est propre ;
COLA
- s'assurer que le brasier est totalement libre, propre (sans dépôts) et correctement en place ;
- vérifier la fermetre hermétique de la porte de foyer et du cendrier ;
verifier le branchement du cable electrique et la commutation ON/1 de l'interrupteur monte a l'arriere du poele.

- À la première mise en service, enlever du foyer et de la vitre de foyer toutes les choses qui pouraient brûler (instructions/étiquette).
- Les allumages eventuels après de longues périodes d'inactivité du poèle ne doivent s'effectuer qu'après avoir enlevé les résidus de granulés restés dans le fond du réservoir, car ils ne s'enflammeraient plus (trop humides), et un nettoyage complet de la chambre de combustion.
4.3.2 Mise en marche
Pour allumer le poèle, appuyer sur le bouton 'P4' pendant 3 secondes : sur l'écran apparaitra l'indication 'START'. Cette phase est automatique et est complètement générée par l'électronique de commande. Il n'est pas possible ici d'intervenir sur les paramétres.

Le poèle exécute successivement les phases de mise en route selon les paramétrages définis qui en géront les niveaux et les temps d'exécution, jusqu'à l'obtention du régime normal à moins que ne survient des anomalies ou ne se déclenchent des alarmes, selon le tableau suivant :
| État | Durée | Dispositifs | Conditions pour passer à l'etat suivant | |||
| Allumeur | Asp. fumées | Vis sans fin | Échang. | |||
| ÉTEINT | - | OFF | OFF | OFF | OFF | ON/OFF |
| START - PRÉCHAUF. | Pr33 | OFF | ON | OFF | OFF | Après un laps de temps de Pr33 |
| PRÉCHAUFFAGE | Pr34 | ON | ON | OFF | OFF | Après un laps de temps de Pr34 |
| RECHARGEMENT DES GRANULES | Pr40 | ON | ON | ON | OFF | Après un laps de temps de Pr40 |
| ATTENTE FLAMME | Pr41 | ON | ON | OFF | OFF | Après un laps de temps de Pr41 |
| CHARGEMENT DES GRANULES | - | ON | ON | ON | OFF | Température des fumées Pr02 |
| FEU PRÉSENT | Pr02 | OFF | ON | ON | ON | Après un laps de temps de Pr02 |
| FONCTIONNEMENT | - | OFF | ON | ON | ON | Température ambiente < CONSIGNE température Température des fumées < Pr14 |
| FONCTIONNEMENT MODULE | - | OFF | ON | ON | ON | Température ambiente < CONSIGNE température Température des fumées < Pr14 |
| NETTOYAGE DU BRASIER | Pr12 | OFF | ON | ON | ON | Avec une fréquence Pr03 |
| FONCTIONNEMENT | - | OFF | ON | ON | ON | ON/OFF pour êtreindre |
| NETTOYAGE FINAL | Pr39 (*) | OFF | ON | OFF | - | (*) Pr39 S'écoule à partir du moment où T. fumées, < Pr13 |
Passé un certain temps, si la température des fumées atteint la valeur min. admissible, le poèle se mettra en position d'alarme.

- Il est interdirit d'utiliser des liquides inflammables pour l'allumage du poèle.
- En cas d'allumages manqués répétés, faire appel au SAV.
4.4 Fonctionnement
Après la phase de démarrage réussie, le poèle passé en mode 'FONCTIONNEMENT' qui représenté le régime normal.L'utilisateur peut alors régler la puissance de chauffe par les boutons 'P6' et 'P5', de la valeur max. 5 à la valeur min. 1.

En plus de la régulation de la puissance, il est possible aussi de régler la température ambiente directement sur le tableau de commande par les boutons 'P1' et 'P2': sur l'écran apparaît alors l'état courant de la CONSIGNE (SET) de température.
Pour la ventilation de l'air chaud, le poèle régule automatiquement la vitesse en fonction de la puissance prérégée.


- Il est recommandé de contrôler le niveau des granulés dans la trémie, afin d'éviter que la flamme ne s'étène pour cause de manque de granulés.
- S'assurer que l'appareil est eteint pour effectuer le chargement des granulés.
- Le couvercle de la trémie (réservoir à granulés) doit toujours rester fermé. Il ne dot être ouvert que pour effectuer le chargement des granulés.
- Les sacs de granulés doivent être stockés à une distance d'au moins 1,5 m du poèle.
Lorsque la température des fumées arrive à la température maximum régée sur le tableau de commande, le message “MODULA F” apparait sur l'écran et le poèle active la procédure de modulation de flamme sans l'intervention de l'utilisateur. Si la température des fumées dépasse le 280^ , l'alarme « ALLARM HOT FUMI » apparait alors et le poèle active la procédure d'arrêt.. Si le mode VEILLE (STAND-BY) est activé, le poèle s'eteint à retardement après avoir atteint la CONSIGNE (SET) de température. Le redémarrage ne se produit que lorsque la température ambiente sera inférieure à une certaine valeur prédéfinie par rapport à la température ambiente.

COLA

Pendant le fonctionnement normal, à intervalles prédéfinis, la modalité 'NETTOYAGE BRASIER' pour une durée prédéfinie est activée.
4.5 Extinction
Pour arreter le fonctionnement du poèle, il suffit d'appuyer sur le bouton 'P4' pendant 2 secondes environ. La vis sans fin est immédiatement arrêtée et le fonctionnement de l'extracteur des fumées est amné à une vitesse élevée. Sur l'écran apparaitra alors le message 'NETTOYAGE FINAL'; les deux moteurs d'aspiration des fumées et de ventilation de l'air fonctionneront jusqu'à ce que la température du poèle sera suffisamment BASSE.

Sur l'écran, dans la fenêtre de dialogue, apparaitra l'indication 'OFF' au terme de l'opération. Pendant la phase d'extinction, il n'est pas possible de remettre en marche le poèle jusqu'à ce que la température des fumées n'est pas descendue en dessous d'une valeur prédéterminée pour une durée prédéfinie. Dans la fenêtre de dialogue apparait alors l'indication 'ATTENTE REFROID'.
4.6 Menu
Appuyer sur la touche 'P3' (SET) pour entrer dans le menu qui propose différentes options et différents niveaux permettant d'acceder aux paramétrages de l'électronique de commande.
Le tableau ci-apres résumé la structure du menu avec les seules options disponibles pour l'utilisateur.
| Niveau 1 Niveau | 2 | Niveau 3 | Niveau 4 | Valeur |
| 01 - Réglage desventilateurs | Sélectionner lavaleur | |||
| 02 - réglage de l'horloge | 01 - jour Jour | |||
| 02 - heures Heures | ||||
| 03 - minutes Minutes | ||||
| 04 - jour | Jour | |||
| 05 - mois | Mois | |||
| 06 - année Année | ||||
| Niveau 1 Niveau 2 | Niveau 3 | Niveau 4 | Valeur | |
| 03 - réglage du chrono | ||||
| 01 - activation du chrono | ||||
| 01 - activation du chrono | on / off | |||
| 02 - program jour | ||||
| 01 - chrono jour on / off | ||||
| 02 - start 1 jour heures | ||||
| 03 - stop 1 jour heures | ||||
| 04 - start 2 jour heures | ||||
| 05 - stop 2 jour heures | ||||
| 03 - program semaine | ||||
| 01 - chrono semaine on / off | ||||
| 02 - start 1 jour heures | ||||
| 03 - stop 1 jour heures | ||||
| 04 - lundi prog 1 on / off | ||||
| 05 - mardi prog 1 on / off | ||||
| 06 - mercredi prog 1 on / off | ||||
| 07 - jeudi prog 1 on / off | ||||
| 08 - vendredi prog 1 | on / off | |||
| 09 - samedi prog 1 | on / off | |||
| 10 - dimanche prog 1 | on / off | |||
| 11 - start prog 2 | heure | |||
| 12 - stop prog 2 heures | ||||
| 13 - lundi prog 2 on / off | ||||
| 14 - mardi prog 2 on / off | ||||
| 15 - mercredi prog 2 on / off | ||||
| 16 - jeudi prog 2 on / off | ||||
| 17 - vendredi prog 2 | on / off | |||
| 18 - samedi prog 2 | on / off | |||
| 19 - dimanche prog 2 | on / off | |||
| 20 - start prog 3 | heure | |||
| 21 - stop prog 3 heures | ||||
| 22 - lundi prog 3 on / off | ||||
| 23 - mardi prog 3 on / off | ||||
| 24 - mercredi prog 3 on / off | ||||
| 25 - jeudi prog 3 on / off | ||||
| 26 - vendredi prog 3 | on / off | |||
| 27 - samedi prog 3 | on / off | |||
| 28 - dimanche prog 3 | on / off | |||
| 29 - start prog 4 | heure | |||
| 30 - stop prog 4 heures | ||||
| 31 - lundi prog 4 on / off | ||||
| 32 - mardi prog 4 on / off | ||||
| 33 - mercredi prog 4 on / off | ||||
| 34 - jeudi prog 4 on / off | ||||
| 35 - vendredi prog 4 | on / off | |||
| 36 - samedi prog 4 | on / off | |||
| 37 - dimanche prog 4 | on / off | |||
| 04 - program week-end | ||||
| 01 - chrono week-end | on / off | |||
| 02 - start 1 | ||||
| 03 - stop 1 | ||||
| 04 - start 2 | ||||
| 05 - stop 2 | ||||
| Niveau 1 Niveau 2 | Niveau 3 | Niveau 4 | Valeur | |
| 04 -CHOIX DE LA LANGUE | ||||
| 01 - italien set | ||||
| 02 - français set | ||||
| 03 - anglais set | ||||
| 04 - allemand set | ||||
| 05 - mode veille (stand-by) | on / off | |||
| 06 - alarmé sonore (buzzzer) | on / off | |||
| 07 - chargement initial | set | |||
| 08- État du poège | - | |||
4.6.1 Menu 01 - réglage des ventilateurs
La vitesse des ventilateurs air est automatiquement asservie à la puissance régée. Si l'on souhaite diminuer le flux d'air chaud, il est possible de régler manuellement la vitesse maximum au travers du menu 01, enCHOISSSANT une valeur de 1 à 5 :
Par exemple : En reglant la vitesse 3, les ventilateurs augmenteront automatiquement la vitesse, mais sans dépasser la vitesse imposée « 3 »
Dans la version canalisable le raccordement electrique est visualisable avec l'activation des deux segments/led [B].
4.6.2 Menu 02 - réglage de l'horloge
Le régulateur électronique est équipé d'une batterie lithium mod. CR2032 de 3 Volt qui permet à l'horloge interne, une autonomie propre ; si lorsque le poèle est arrêté, l'horloge ne maintainient pas l'horaire ou au rallumage apparait une série de zéro, il sera nécessaire de procéder à son remplacement en appelant le centre d'assistance/agree.
4.6.3 Menu 03 - activation du chrono
Permet d'activer et de désactiver toutes les fonctions du « Cronotermostato ». Avec la sélection ON, s'activ fonction et apparait sur l'écran le segment/led [D].
Lorsqu'une programmation journaliere, hebdomadaire ou weekend end est inseree, Iecran laisse apparaitre respectivement sur la partie supérieure droite le segment/led approprié [C].
Pour la sélection et la saisie des heures, il faut agir sur six boutons, en suivant les indications du tableau § 4.2.
Aller dans le sous-menu : PROGRAM JOUR, pour activer, désactiver et préseLECTIONner les fonctions du chronothermostat journalier.
Il est possible de régler deux phases de fonctionnement délimités par les horaires prédéfinis selon le tableau suivant où le réglage OFF indique à l'horloge d'ignorer la commande.
| Sélection | Signification | Valeurs possibles |
| START 1 | Heure d'activation | ora - OFF |
| STOP 1 | Heure de désactivation | ora - OFF |
| START 2 | Heure d'activation | ora - OFF |
| STOP 2 | Heure de désactivation | ora - OFF |

Aller dans le sous-menu : PROGRAM SEMAINE, pour activer, désactiver et préselectionner les fonctions du chronothermostat hebdomadaire.
Leprogrammateur hebdomadaire dispose de 4 programmes indépendants qui en final se traduisent par la combinaison des 4 programmes.
Leprogrammateur hebdomadaire peut etre activé ou désactivé et,d'autre,part,enmettant OFF dansle champHoraires, l'horlogeignorera la commande correspondante.

La programmation doit se faire avec grande attention.
Éviter de faire chevaucher les heures d'activation et/ou de désaction dans le même jour au sein de différents programmes.

| PROGRAMME 1 | |||
| Niveau de menu | Sélection | Signification | Valeurs possibles |
| 03-03-02 | START PROG 1 | Heure d'activation | ora - OFF |
| 03-03-03 | STOP PROG 1 | Heure de désactivation | ora - OFF |
| 03-03-04 | LUNEDI PROG 1 | Jour de référence | on/off |
| 03-03-05 | MARTEDI PROG 1 | on/off | |
| 03-03-06 | MERCOLEDI PROG 1 | on/off | |
| 03-03-07 | GIOVEDI PROG 1 | on/off | |
| 03-03-08 | VENERDI PROG 1 | on/off | |
| 03-03-09 | SABATO PROG 1 | on/off | |
| 03-03-10 | DOMENICA PROG 1 | on/off | |
| PROGRAMME 2 | |||
| Niveau de menu | Sélection | Signification | Valeurs possibles |
| 03-03-11 | START PROG 2 | Heure d'activation | ora - OFF |
| 03-03-12 | STOP PROG 2 | Heure de désactivation | ora - OFF |
| 03-03-13 | LUNEDI PROG 2 | Jour de référence | on/off |
| 03-03-14 | MARTEDI PROG 2 | on/off | |
| 03-03-15 | MERCOLEDI PROG 2 | on/off | |
| 03-03-16 | GIOVEDI PROG 2 | on/off | |
| 03-03-17 | VENERDI PROG 2 | on/off | |
| 03-03-18 | SABATO PROG 2 | on/off | |
| 03-03-19 | DOMENICA PROG 2 | on/off | |
| PROGRAMME 3 | |||
| Niveau de menu | Sélection | Signification | Valeurs possibles |
| 03-03-20 | START PROG 3 | Heure d'activation | ora - OFF |
| 03-03-21 | STOP PROG 3 | Heure de désactivation | ora - OFF |
| 03-03-22 | LUNEDI PROG 3 | Jour de référence | on/off |
| 03-03-23 | MARTEDI PROG 3 | on/off | |
| 03-03-24 | MERCOLEDI PROG 3 | on/off | |
| 03-03-25 | GIOVEDI PROG 3 | on/off | |
| 03-03-26 | VENERDI PROG 3 | on/off | |
| 03-03-27 | SABATO PROG 3 | on/off | |
| 03-03-28 | DOMENICA PROG 3 | on/off | |
| PROGRAMME 4 | |||
| Niveau de menu | Sélection | Signification | Valeurs possibles |
| 03-03-29 | START PROG 4 | Heure d'activation | ora - OFF |
| 03-03-30 | STOP PROG 4 | Heure de désactivation | ora - OFF |
| 03-03-31 | LUNEDI PROG 4 | Jour de référence | on/off |
| 03-03-32 | MARTEDI PROG 4 | on/off | |
| 03-03-33 | MERCOLEDI PROG 4 | on/off | |
| 03-03-34 | GIOVEDI PROG 4 | on/off | |
| 03-03-35 | VENERDI PROG 4 | on/off | |
| 03-03-36 | SABATO PROG 4 | on/off | |
| 03-03-37 | DOMENICA PROG 4 | on/off | |
Aller dans le sous-menu : PROGRAM WEEK-END, pour activer, désactiver et préselectionner les fonctions du chronothermostat dans le week-end ( fin de semaine : samedi - dimanche ).

Activier la programmation WEEK-END uniquement après avoir désactifié la programmation hebdomadaire. Pour éviter des mises en marche et des extinctions du poèle non désirées, activer un seul programme à la fois. Désactiver le programme journalier si l'on souhaite utiliser le programme hebdomadaire; il est convient dans ce cas de désactiver le programme week-end.
4.6.4 Menu 04 -CHOIX de la langue
Cette option permet de selectionner la langue de dialogue parmi celles proposées dans le menu, notamment :
-ITALIEN
- FRANCAIS
- ANGLAIS
- ALLEMAND
4.6.5 Menu 05 - mode veille (stand-by)


La selection du mode veille (STAND-BY_ON selection) provoque l'extinction immediate du poèle lorsque la température ambiente ou la température de l'eau reste au-dessus de la température de consigne (SET) pour une durée prédéfinie.
Le rallumage successif en mode automatique ne sera possible que lorsque la temperture ambiente ou la temperture de I'eau descendra en dessous d'une valeur predefinie saisie dans le tableau des parametes (2 °C par défaut).
Les commandes manuelles effectuees en utilisant le tableau de commande ou la telecommande sont prioritaires par rapport a la programmation.
4.6.6 Menu 06 - alarmse sonore (buzzer)
Cette option permet d'activer ou de désactiver une signalisation sonore du poèle.
4.6.7 Menu 07 - chargement initial
La présélection de l'option CHARGE INITIAL permet d'effectuer un pré-chargement de granulés pour une durée de 90 s, le poèle étant étant éteint ou froid. Appuyer sur le bouton P1 pour démarrer le chargement et appuyer sur le bouton P4 pour l'interrompre.

4.6.8 Menu 08 - état du poète
La selection de cette option permet de visualiser l'etat du poele dans l'immédiat, en indiquant la condition de fonctionnement des dispositifs reliés à celui-ci; des écrans sont ensuite successivement proposés pour le monitorage.
4.6.9 Menu 09 - réglages du technicien
La selection de cette option est réservée uniquement au technician agree de l'assistance COLA.

La modification des paramètres techniques du menu 09 doit être effectué par un professionnel agréé et compétent ; les modifications eventuelles faites de manière fortuite peuvent serieusement endommager le poèle et dégage la société COLA de toute responsabilité.
4.7 Telecommande
La télécommande fonctionne avec les présélections ou preréglages du tableau de commande et permet l'allumage et l'extinction du poèle, ainsi que la régulation de la puissance et de la température désirée.
La télécommande transmet par une diode infrarouge et doit donc etre dirigée vers le recepteur situé sur le tableau de commande du poèle.
La télécommande permet d'effectuer les opérations suivantes :

L : LED allumée après l'appui d'une touche quelconque
Touche P1+P6: Allumage-extinction du poèle
Touche P1: Augmentation de la température ambiente
Touche P6: Augmentation du niveau de puissance
Touche P5 : Diminution du niveau de puissance
Touche P2 : Diminution de la température ambiente

4.7.1 Remplacement de la pile
La télécommande fonctionne avec une pile (non fournie) logée dans le compartment à pile situé dans la partie inférieure de la télécommande. Pour la mise en place de la pile et son remplacement eventuel, procédér comme suit :
- Ouvrir le couvercle à l'arrière de la télécommande;
- Remplacer la pile P23GA de 12 V en respectant la polarité ;
- Refermer le couvercle de la télécommande ;
- Contrôler le fonctionnement régulier de la télécommande.

- Tenir la télécommande à l'ecart de toute source de chaleur directe et de l'eau.
- La pile de la télécommande doit être remplacee et eliminee conformementa la reglementation en vigueur en matière de collecte et de traitement des déchets.

4.8 Thermostat - chronothermostat externe
L'appareil de série contrôle la températe ambiente au moyen d'un thermostat numérique dont la fonction est de mesurer la températe à travers une sonde et de diminuer la puissance lorsque la consigne températe est atteinte.
Pour utiliser un thermostat externe, faire appel à un technicien agree et suivre les instructions suivantes :
-
éteindre l'appareil en agissant sur l'interrupteur général place à l'arrière du poële et débrancher le cordon d'alimentation ;
-
démonter les panneaux lateraux (les flancs) pour acceder à l'électronique embarquée;
-
débrancher de la carte électronique les deux fils du thermostat de leurs bornes respectives TERM ;
-
remonter le tout et vérifier le fonctionnement correct de l'appareil.
Voici la procédure de préselection à suivre :
-
thermostat externe : préselectionner une CONSIGNE (SET) température de 7^ :
-
chronothermostat externe: préselectionner une CONSIGNE (SET) température de 7 °C et désactiver dans le menu 03-01 les fonctionnalités chrono.
Pour chaque préselection, les fonctions du menu ne varient pas et la signalisation du raccordement se fait par l'allumage de la LED à segment sur la barre d'etat à l'écran.
4.9 Période d'inactivité (fin de saison)
Si le poèle est destiné à rester inutilisé pour de longues périodes, et/ou à la fin de chaque saison, il est conseilé de procéder comme suit
- vider complètement le réservoir à granulés ;
- couper l'alimentation électrique du poèle ;
COLA
- nettoyer parfaitement et, si nécessaire, replacer les parties eventuellement endommagées par un professionnel qualifié :
- protégé le poèle contre la poussière avec une bache ou housse ou tout autre dispositif d'une efficacité au moins équivalente ;
- stocker le poèle dans un endroit sec et à l'abri des intempérières.
5 NETTOYAGE DU POÉLE
Il est important de nettoyer le poèle pour éviter le noircissement de la vitre de foyer, la mauvaise combustion, le dépôt de cendres et d'imbrûés dans le foyer et la réduction de l'efficacité thermique.
La porte du foyer doit toujours être fermée quand le poèle est allumé.
Les joints des portes de foyer et du cendrier doivent etre controlles regulierement pour eviter toute infiltration d'air en effet, la chambre de combustion et le canal d'évacuation des granules fonctionnent en depression, tandis que les fumées sont evacuées en lagere pression. Les opérations de nettoyage courant doivent etre normalement effectuees par le client, en suivant les indications du manuel. L'entretien extraordinaire est, par contre, effectue par le centre d'assistance agrée au moins une fois par an.

- Les opérations de nettoyage de toutes les parties doivent être faites poèle froid et débranché ;
- Éliminer les déchets du nettoyage conformément à la réglementation locale en vigueur ;
- Il est interdirit d'allumer le poèle s'il est depourvu de son habillage ;
- Éviter la formation de fumée ou d'imbrûés pendant l'allumage et/ou le fonctionnement normal.
Voici le tableau récapitatif des interventions de contrôle et/ou d'entretien utiles pour le fonctionnement correct du poèle.
| Organes ou parties /PériodeOpération | 1 journettoyagecourant | 2-3 joursnettoyagecourant | 1 moisnettoyagecourant | 2 - 3 moisnettoyagecourant | 1 annettoyage extraordinaire:effectué par le centred'assistance |
| Brasier | ■ | ||||
| Cendrier | ■ | ||||
| Vitre | ■ | ||||
| Échangeur fumées-deflecteur | ■ | ■ | |||
| Collecteur -extracteur defumées | ■ | ■ | |||
| Joint de porte - vitre | ■ | ||||
| Conduit de fumée - conduitde raccordement | ■ |
5.1 Nettoyage du brasier
Enlever le brasier et eliminer les résidus de centre qui se sont déposés dans la chambre de combustion et dans le support de brasier. Il est conseilé d'utiliser un aspirateur approprié. Cette opération doit être effectuee tous les jours, surtout en presence de depots d'imbrulés, pour permettre a l'air de combustion de passer a travers les orifices du creuset de sorte a garantir une combustion efficace.

Brasier encrassé

Brasier propre

Support de brasier

Le brasier doit parfaitement plaquer sur tout le périmètre de son support sans laisser aucun interstice pour le passage d'air.
5.2 Nettoyage du cendrier
Le cendrier amovible est situé directement sous l'ensemble brasier et support de brasier. Pour le nettoyage, ouvrir la porte de foyer et aspirer la cendre et tout autre résidu de combustion avec un aspirateur approprié.
A la fin du nettoyage, fermer la porte. Le decendrage doit se faire tous les 2-3 jours en fonction de l'utilisation du poèle.
5.3 Nettoyage de la vitre et des fentes d'aération
Nettoyer la vitre à l'aide d'un chiffon humide et d'un détergent non abrasif.
Des fentes ont ete pratiques entre la vitre, la parclose et la porte de foyer dans la partie inferieure et superieure pour permetre a l'air de circuler sur la surface interieure de la vitre. Il est important de debarrasser les fentes de la poussiere et des cendres en les nettoyant regulierement. Effectuer donc periodiquement un nettoyage interieur sur tout le perimetre de la vitre.
5.4 Nettoyage de l'extracteur de fumées et de la chambre de combustion
Nettoyer au moins une fois par an la chambre de combustion après avoir enlevé le couvercle, en éliminant tous les résidus de combustion des chicanes interieures et du parcours de fumées. Pour cela, enlever le couvercle et la façade supérieur du poèle. Déposer l'échangeur en fonte en desserrant les vis de fixation, puis procéder au nettoyage des chicanes et de la,chambre de combustion.
Il est d'autre part important de nettoyer l'extracteur de fumées qui se trouve sous la chambre et dont l'accès est possible en déposant le cendrier.
Tous les 3-4 mois, nettoyer les parois internes de la chambre de combustion avec des outils (pinceaux) appropriés et remplacer eventuèlement le "matelas" de vermiculite car considéré comme un consommable.
Le poèle signale toutes les 1800 heures de fonctionnement, à travers un message 'ÉCHEANCE ENTRETIEN', la nécessité d'effectuer un entretien extraordinaire (qui n'est pas couvert par la garantie) par un professionnel qualifié qui procédera à un nettoyage complet et à la réinitialisation du message.

Tous chocs ou forçages éventuels peuvent endommager l'extracteur des fumées et rendre son fonctionnement bruyant. Par conséquent, faire effectuer cette opération par un professionnel qualifié.
5.5 Nettoyage du débitmètre
À l'intérieur du tuyau d'aspiration est installé un débitmère (mesureur du débit d'air comburant) qui nécessite tous les 3-4 mois d'un nettoyage des parois internes à l'aide d'un outillage approprié (jet d'air compré ou pinceaux appropriés).
5.6 Nettoyage des céramiques (modèle avec habillage céramique)
Les carreaux céramiques COLA sont fabriqués de manière artisanale et peuvent à ce titreprésenter de petites imperfections superficielles, telles que micro-piñures ou variations chromatiques. Il est conseilé de les nettoyer avec un chiffon doux et sec ; l'utilisation de certains déterments pourraitmettre davantage en évidence les imperfections.
5.7 Nettoyage du conduit de raccordement - conduit de fumée
Le conduit de raccordement doit être nettoyé au moins une fois par an ou toutes les fois que cette est nécessaire en fonction de l'utilisation du poèle et du type d'installation.
Le nettoyage comprend l'aspiration et l'élimination de résidus de combustion dans tous les tronçons verticaux et horizontaux, ainsi que dans les coudes, de l'appareil au conduit de fumée.
Il est également conseilé de nettoyer le conduit de fumée une fois par an, afin de garantir une parfaite évacuation des fumées.

Pour toutes les opérations d'entretien ou de nettoyage de fin de saison, la société COLA recommende de faire appel à un centre d'assistance agrée qui vérifiera par la même occasion l'état d'usure des composants internes du poèle.
6 ENTRETIEN
6.1 Introduction
Les interventions sur les composants du poèle doivent être effectuées par un professionneliel qualifié, en s'adressant au centre d'assistance le plus proche.

Avant toute intervention, s'assurer d'avoir débranché le cordon d'alimentation électrique et que le poèle est froid.
6.2 Dépose de l'habillage céramique

1-Couvercle céramique/façade
2 - Carreaux supérieurs lateraux droit et gauche
3 - Façade inférieure en acier peint
4 - Carreaux lateraux
5 - Panneau arrête supérieur
6 - Panneau arrête inférieur
7-Bride de raidissement carreau sup.
6.3 Dépose de l'habillage acier

Legende:
1-Couvercle ceramique/frontal
2 - Plaques supérieures laterales droite et gauche
3 - Façade inférieure en acier peint
4 - Flanc en acier peint
5 - Panneau arrête inférieur
6 - Panneau arrête supérieur
7-Bride de raidissement carreau sup.
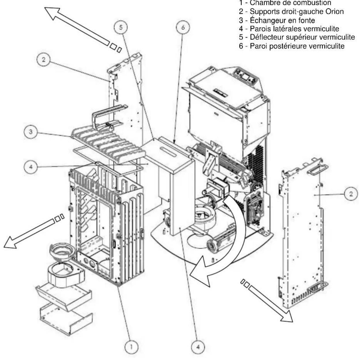
6.4 Composants internes du poèle

Legende:
1-Chambre de combustion
2 - Supports droit-gaughe Orion
3 - Échangeur en fonte
4 - Parois laterales vermiculite
5 - Déflecteur supérieur vermiculite
6 - Paroi postérieure vermiculite
Éclaté de la chambre de combustion et des parties reliées réf. poèle ORION H 2011
Eclatés de :
1 - Groupe brasier
2 - Groupe extracteur des fumées
3 - Groupe vis sans fin



Legende:
1 - Brasier
2 - Support de brasier
3 - Tuyau d'aspiration d'air comburant
4 - Résistance électrique
5 - Joint arrêt de support de brasier
6 - Joint avant du groupe aspiration
Legende:
1 - Volute extracteur de fumées
2 - Joint thermique
3 - Moteur extracteur de fumées
4 - Tuyau d'évacuation des fumées
Legende:
1 - Joint de réservoir-convoyeur
2-Flasque d'arrêt motoréducteur
3-Motoréducteur
4 - Vis sans fin
5 - Joint pour goulotte
6 - Goulotte de granulés
7 - Joint de chambre-convoyeur
8 - Convoyeur de granulés
6.5 Composants électriques

Legende:
1-Carte electronique
2 - Vacuostat de contrôle et sécurité
3 - Thermostat de sécurité
4 - Interrupteur ON-OFF avec fusibles
5-Port série
6 - Sonde de température ambiente
7 - Sonde de température des fumées
8 - Débitmètre
9 - Ventilateur tangentiel droit
10 - Ventilateur tangentiel gauche
11 - Ventilateur tangentiel postérieur
12 - Tableau de commande mod.F047
7 RECHERCHE DES PANNES
7.1 Gestion des alarmes
Les alarmes sont signalées à la fois visuèlement à l'écran (message) et par un signal sonore (si activé). En cas d'alarme, éteindre le poële, éliminer la cause de la panne et remettre en marche le poële en respectant la procédure normale décrite dans ce manuel.
Les alarmes visualisées sur le tableau de commande sont les suivantes :
| ALARMES - MESSAGES | |||
| Signalisation | Anomalie Causes probables | Solutions | |
| AL 1 COUPURE DE COURANT | -Le poèle ne s'allume pas. | -Le courant n'arrive pas au poèle pendant la phase d'allumage. | -Mettre le poèle en position OFF en appuyant sur la touche P4 et répêter la procédure d'allumage.D'autres opérations de rétablissement du fonctionnement normal doivent être effectuees par un centre d'assistance. |
| AL 2 SONDE DE TEMPERATURE DES FUMÉES | -Cette alarmé se déclenché en cas d'anomalies de fonctionnement de la sonde de température des fumées.La procédure d'extinction est activée. | -La sonde est défaillante.La sonde est débranchée de la carte électronique. | -D'autres opérations de rétablissement du fonctionnement normal doivent être effectuees par un centre d'assistance. |
| AL 3 FUMÉES BRULANTES | -Cette alarmé se déclenché dans le cas où la sonde relève une température des fumées supérieure à 280 °C.La procédure d'extinction est activée. | -Le ventilateur tangentiel est défectueux.Levouré tectique n'arrive pas au ventilateur tangentiel.Chargement excessif de granulés. | -Régler l'alimentation des granulés.D'autres opérations de rétablissement du fonctionnement normal doivent être effectuees par un centre d'assistance. |
| AL 4 ASPIRAT- DÉFAILLANT | -Cette alarmé se déclenché lorsque le ventilateur d'aspiration des fumées est défaillant.La procédure d'extinction est activée. | -Le ventilateur des fumées est bloqué.Levapneur de contrôle de l'allure (la vitesse) est défaillant.Levouré tectique n'arrive pas au ventilateur des fumées. | -Les opérations de rétablissement du fonctionnement normal doivent être effectuees par un centre d'assistance. |
| AL 5 ALLUMAGE RATÉ | -La petite flamme ne s'allume pas en phase d'allumage.La procédure d'extinction est activée. | -Le réservoir à granulés est vide.Lé Resistance tectique est défectueuse, encrassée ou n'est pas correctement en place.Réglage du chargement des granulés incorrect. | -Vérifier la présence de granulés dans la trémie.Vérifier les procédures d'allumage.D autres opérations de rétablissement du fonctionnement normal doivent être effectuees par un centre d'assistance. |
| AL 6 ABSENCE DE GRANULES | -Le brasilienest pas alimenté en granulés. | -Le réservoir à granulés est vide.Lé fonctionnement du motoréducteur de chargement des granulés doit se régulariser.Levoréducteur ne charge pas les granulés. | -Vérifier la présence de granulés dans la trémie.Régler l'alimentation des granulés.D autres opérations de rétablissement du fonctionnement normal doivent être effectuees par un centre d'assistance. |
| AL 7 SECURITÉ THERMIQUE | -Cette alarmé se déclenché en cas d'intervention du thermostat de sécurité de la température du canal de la vis sans fin.Le système est arrêté. | -Le thermostat de sécurité a relevé un température supérieure au seuil de réglage à cause de la surchauffe de la partie inférieure du réservoir et a doncbloqué le fonctionnement du motoréducteur. | -Vérifier la cause de l'échauffement excessif.Débloquer le thermostat en agissant sur le bouton de réarmement. |
| Signalisation | Anomalie Causes probables | Solutions | |
| AL 8 ABSENCE DÉPRESSION | -En marche, le poèle relève une pression inférieure au seuil de tarage du vacuostat.-Le système est arrêté. | -La chambre de combustion est encrassée.-Le conduit de fumée est obstrué.-La porte de foyer n'est pas fermée.-Les clapets anti-explosion sont ouverts-coincés.-Le vacuostat est défectueux. | -Vérifier l'état de propretu du conduit de fumée et de la chambre de combustion.-Vérifier la fermeture hermétique de la porte.-Vérifier la fermeture des clapets anti-explosion.-D'autres opérations de rétablissement du fonctionnement normal doivent être effectuees par un centre d'assistance. |
| AL 9 TIRAGE INSUFF | -Cette alarme se déclenché lorsque le flux d'air comburant se situe en dessous d'un certain seuil. | -La,chambre de combustion est encrassée.-Le conduit de fumée est obstrué.-La porte de foyer n'est pas fermée.-Les clapets anti-explosion sont ouverts-coincés.-Le débitmètre est défectueux. | -Vérifier l'état de propretu du conduit de fumée et de la,chambre de combustion.-Vérifier la fermeture hermétique de la porte.-Vérifier la fermeture des clapets anti-explosion.-D'autres opérations de rétablissement du fonctionnement normal doivent être effectuees par un centre d'assistance. |
| AL b ERREUR TRIAC COC | -Cette alarme se déclenché lorsque le motoréducteur fonctionne en continu et pendant plus de 60 s.-Le système est arrêté. | -l'électronique de commande relève que le relais de commande du motoréducteur est défaillant (contacts collés). | -Les opérations de rétablissement du fonctionnement normal doivent être effectuees par un centre d'assistance. |
| ATTENTE REFROID | -Cette alarme se déclenché en rallumant le poèle immidiatement après l'avoir étéint. | -Tentative de déblocage en phase d'extinction avec le poèle chaud en phase de refroidissement. | -L'accuitement de l'alarme ne sera possible qu'une fois le poèle éteint. |
| DéBIMET DÉFAILLANT | -Cette alarme se déclenché lorsque le débitmètre est débranché. | -L'électronique de commande ne relève pas la quantité d'air combustant, mais n'éteint pas le poèle ; elle exclut uniquement les fonctions du débitmètre. | -Les opérations de rétablissement du fonctionnement normal doivent être effectuees par un centre d'assistance. |
| ÉCHEANCE ENTRETIEN | -Cette alarme se déclenché lorsque le poèle a fonctionné plus de 1800 heures après la的最后一ièvre intervention d'entretien. | -Avis d'entretien extraordinaire. | -Les opérations de nettoyage-entretien extraordinaire et de rétablissement du fonctionnement normal doivent être effectuees par un centre d'assistance agréé. |
La société COLA s.r.l. se reserve d'apporter des modifications techniques ou esthétiques à ses produits à n'importequel moment et sans préavis. Toutes les configurations, les dessins, les mesures et les schémas sont fournis à titre d'exemple.
8 ANNEXES
- a puissance nominale et de faible puissance / Nominal output and Reduced output
** La consommation de granulles peut varier selon le type de pellet utilise / Pellet consumption can vary according to the type of pellets used.

COLA s.r.l. - Viale del Lavoro 7/9 - 37040 Arcole (VR) Italy - Tel. 045.7635780 - 045.6144043
Cod. Fisc. - PIVA e Iscr. Reg. Impr. 02990180230 - Capitale Sociale Euro 52,000,00 LV. R.E.A. VR-301021 -
- à puissance nominale et de faible puissance / Nominal output and Reduced output
** La consommation de granules peut varier selon le type de pellet utilise / Pellet consumption can vary according to the type of pellets used.

COLA s.r.l. - Viale del Servizio 799-37040 Arcole (VR) Italy - Tel: 045.7635780 - 045.6144043
Cod. Fis. - P.IVA e Iscr. Reg. Impr. 02990180230 - Capitale Sociale Euro 52,000,00 i.v. R.E.A., VR-301021 - Fax Annimistrazione 045.610031 - Fax Commerciale 045.7639032 - Fax Assistenza 045.7639030 - Fax Log email: info@anseilmocola.com - on line: www.colastufle.com
2.6 Esquema électrique

Notice Facile