Arcos - Televisore SEG - Manuale utente e istruzioni gratuiti
Trova gratuitamente il manuale del dispositivo Arcos SEG in formato PDF.
Questions des utilisateurs sur Arcos SEG
0 question sur cet appareil. Repondez a celles que vous connaissez ou posez la votre.
Poser une nouvelle question sur cet appareil
Scarica le istruzioni per il tuo Televisore in formato PDF gratuitamente! Trova il tuo manuale Arcos - SEG e riprendi in mano il tuo dispositivo elettronico. In questa pagina sono pubblicati tutti i documenti necessari per l'utilizzo del tuo dispositivo. Arcos del marchio SEG.
MANUALE UTENTE Arcos SEG
INFORMAZIONI SULLA SICUREZZA 3
Avviso sulle cuffie 4
Dove installare 4
Schemo LED. 4
Dispositivo e accessori 5
Introduzione 5
Veduta anteriore 5
Telecomando 6
Istruzioni per il telecomando in modalità TV. 6
Istruzioni per il telecomando in modalità DTV/USB 7
Istruzioni per il telecomando in modalità TELETEXT 8
Istallazione delle batterie nel telecomando 9
Collegamento dell'antenna 9
Connessione dell'antenna TV 9
Collegamento di dispositivi esterni 9
Cavo HDMI 9
Cavo SCART 9
Cavo VGA 9
COLLEGAMENTI 11
Collegamento PC 11
Collegamento al PC tramite VGA, HDMI 11
Collgamento all'antenna satellitale 11
Collegamento a un impianto audio 12
Collegamento dellettore DVD 13
Collegamento HDMI 13
Collegamento SCART 13
Collegamento a un impianto audio 13
Collegamento AV 14
Collegamento YPbPr 14
Collegamento USB 14
Configurazione autoinstallazione 15
Accendere/spagnere il tevisore 15
Menu IMPOSTAZIONI TV 16
Fonte del segnale 16
Ricerca automatica 16
MODIFICA PROGRAMMA 18
Informazioni segnale 18
Informazioni CI 18
Spegnimento in assenza di segnale 18
Spegnimento automatico 18
Guida elettronica ai programmi (EPG) 18
Elenco Peferiti 18
Configurazione parabola 18
Impostazioni del menu 23
Menu Imagine 23
Menu SUONO 24
Menu EXTRA 24
Menu OPZIONI 24
Menu BLOCCA 24
Funzioni multimediali 27
Funzionamento base 27
- Foto 28
2.Musica 28
3.Film 28 - Testi 28
GUIDA ALLA RISOLUZIONE DEI PROBLEMI 29
SPECIFICHE TECNICHE 29
Specifiche del teilevisore 29
Montaggio a parete 30
Riciclaggio dei rifiuti elettrici 30
Smaltimento corretto del prodotto 30
Introduzione
Graie per aver acquistato quello teileisore con retroilluminazione LED, progettato e prodotto per offrirvi multi anni di funzionamento alla problema.
Anche se avete già famigliarità con prodotti simili, vi preghiamo di dedicare tempo allalettura di queste istruzioni redatte per garantirvi di ottenerile il meglio dal vostro acquisto.
HDMI
HDMI (High Definition Multimedia Interface) è l'interfaccia digitale di nuova generatione. Al contrario dei collegamenti tradizionali, trasmette segnali digitali audio e video non compressi utilizzando un unico cavo. Questo tevisore supporta l'ingresso video ad alla definizione tramite la presa HDMI sul retro.
La sicurezza è importante
Onde garantire la sicurezza vostra e degli altri, leggete le precauzioni di sicurezza PRIMA di utilizzare il prodotto.
Esclusione della responsabilita
Le illustrazioni del teileisore LED, degli accessori e dei menu presenti su quosto manuale dell'utente potrebbero diferire dal prodotto vero e proprio.
INFORMAZIONI SULLA SICUREZZA
IMPORTANT ISTRUZIONI SULLA SICUREZZA - LEGGERE ATTENTAMENTE PRIMA DELL'uso.
Prestare attenzione alle informazioni di sicurezza poste sul retro del tevisore.

AVERTENZA: ONDE RIDURRE IL RISCHIO DI SCOSSE ELETTRICHE, NON RIMUOVERE LE VITI DEL COPERCHIO; ALL'INTERNO, NON SONO PRESENTI COMPONENTI LA CUI MANUTENZIONE PUO ESSERE SVOLTA DALL'UTENTE: RIVOLGERSI SEMPRE A PERSONALE QUALIFICATO.


Questo symbolo indica che nella documentazione agli al prodotto sono presenti importanti istruzioni per la manutenzione.

Questo symbolo indica tensione pericolosa e rischio di scosse elettriche all'interno dell'unita.
Conservare le istruzioni.
Non usare quello apparecchio vicino all'acqua.
- Eseguire la pulizia esclusivamente con un panno leggermente umido.
Non ostruire le aperture di ventilazione.
Installare secondo quanto indicato alla guida d'avvio rapido e alla guida dell'utente.
- Evitare di calpestare il cavo di alimentazione o di comprimerlo, in particolare in corrispondenza della spina, nelle prese e del punto in cui fuoriesce dall'apparecchio.
- Evitare che il cavo d'alimentazione penda dal bordo di un ravolo.
- Scollegare l'apparechio alla corrente in caso di temporali o se non lo si utilizza per lunghi periodi.

ATTENZIONE! PER RIDURRE IL RISCHIO DINCENDI O DI SCOSSE ELETTRICHE, NON ESPORRE QUESTA APPARECCHIATURA ALLA PIOGGIA O ALL'UMIDITA. L'APPARECCHIO NON DEVE ESSERE ESPOSTO A GOCCE E SPRUZZI. NON COLLOCARE SULL'APPARECCHIO OGGETTI CONTENENTI LIQUIDI.
NOTA: non collocare fiamme libere come ad esempio candele sul tevisore.
NOTA: Quando si visualizza la stessa imagine per più di 2 ore alla interruzione, i contorni di tale immagine possono rimanere visibili sullo schermo, overo un'immagine persistente cui rimanere a video. Lo stesso accade quando si visualizzano per più di 2 ore:
- Lo stesso sfondo
- loghi, videogame, immagini da computer, Televideo
- Contenuti con un rapporto di fornato che non riempè lo schermo (es. il fornato 4:3)
Tali immagini persistenti non costitucono malfunzionamento e non sono coperte alla garanzia del produttore.
Questo dispositivo è stata prodotto in accordo con tutte le attuali normative sulla sicurezza. I seguenti suggerimenti sulla sicurezza sono intesi a salvaguardare gli utenti da utilizzi sproveduti e dai relativi pericoli.
- Sebbene l'apparecchio sia stato prodotto con cura e rigorosamente controllato prima di lasciare la fabbrica, come per tutti i prodotti elettrici è possibile l'insorgere di problemi. In caso di presenza di fumo, di surriscaldamento o di altri fenomeni imprevisti, scollegare immediatamente l'alimentazione.
- Assicurarsi che l'unità sia sufficientemente ventilata! Non collocare mai l'unità vicino o sotto alle tende!
- La spina della corrente viene utilizzata per collegare/scollegare il disposativo dall'alimentazione e delve essere accessibile facilmente.
- Il disposativo va collegato unicamente a un tipo d'alimentazione corrispondente a quantoindicato sull'etichetta sul retro del disposativo. Non collegare il disposativo ad altri tipi d'alimentazione.
- La presa di corrente deve essere prossima all'apparecchio e lavorante accessibile.
- Per prevenire sovraccarichi, non collegare alla stessa presa troppi dispositivi.
Gli apparecchi di Classe 1 devono essere collegati a una presa di corrente dotata di messa a terra. - Tenere lontani i roditori. I roditori, infatti, risultano particolarmente attratti dai fili elettrici.
- Tenere sempre ben salda la spina quando la si estrae dalla presa elettrica. Non tirare il flessibile in quanto potrebbe sovraccaricarsi e provocare un cortocircuito.
- Collocare l'unità in modo da évitare che qualcuno inciamenti sul flessibile.
Non posizionare oggetti pesanti sul flessibile, potrebbero danneggiarlo. - Onde evitare infortuni, fare in modo che il flessibile non sia alla portata dei bambini piccoli.
Non collocare l'unita in prossimità di fonti di calorie. L'alloggiamento e il flessibile potrebbero danneggiarsi a causa del calorie. - Lo schermo è di plastica e potrebbe rompersi se dan-neggiato. Prestare attenzione quando si raccolgono schegge appuntite di plastica onde evitare infortuni.
- Evitare di collocare l'unità su superfici soggete a vibrazioni o scosse.
- Per proteggere l'unità durante un temporale, scollegare il cavo d'alimentazione CA e l'antenna. Avvertenza: non toccare il connettore dell'antenna (RF).
- In caso di assenza prolongata dall'abitazione, scollegare il cavo d'alimentazione CA per ragioni di sicurezza.
- L'unità si scalda durante il funzionamento. Non copire l'unità con coperte o altri oggetti simili onde evitarne il surriscaldamento. Non ostruire i fori di ventilazione. Non posizionare l'unità in prossimità dei termosifoni. Non esporre l'unità alla luce diretta del sole. Se posizionata su uno scaffale, lasciare 5 cm di spazio interno all'intera unità.
- Il teilevisore non deve entrare in contatto con acqua o umidità. NON utilizzare l'apparecchio in luoghi umidi o bagnati come stanze da bagno, cucine piene di vapore o nei pressi di piscine.
Nonutilizzare l'unita in caso di condensa.
- Le riparazioni vanno effettuate unicamente da personale specializzato.
Non aprire l'unità. Tentativi di riparazione da parte di persone non esperte possono risultare pericolosi e provocare il rischio d'incendio.
- La presenza di liquidi all'interno dell'unità può provocare seri danni. Spagnere l'unità, scollegare l'alimentazione e rivolgersi a personale d'assistenza qualificato prima di utilizzato nuovamente l'unità.
- NON rimuovere il coperchio di sicurezza. Non contiene parti utili o riparabili all'interno. Ciò potrebbe renderere nulla la garanzia. Per le riparazioni rivolgersi solo a personale specializzato.
- NON toccare o scuotere lo schermo TV, i circuiti interni potrebbero danneggiarsi. Prestare attenzione al telecomando, non farlo cadere.
- NNon collocare mai oggetti bollenti o fiamme libere,.纳税人 in prossimita del tevisore.
- Le temperature elevate possono squagliare la plastica e provocare incendi.
- Per pulire il teilevisore utilizzare un panno morbido e asciutto. Non utilizzare solventi o liquidi a base di benzina. Rimuovere le macchie ostinate con un panno morbido inumidito con detergente diluito.
Avviso sulle cuffie

La musica ad alto volume più danneggiare irreparabilmente l'udito. Si consiglia quando di non impostare il volume a un livello elevato quando si utilizzato le cuffie, in particolare per lunghi periodi di tempo.
Dove installare
Collocare il tevisore lontano alla luce diretta del sole o forte illuminazione; per la visione si raccomanda un'illuminazione leggera e indiretta. Utilizzare tendo tapparelle per evitare che la luce diretta del sole raggiunga lo schermo. Posizionare il tevisore su una superficie solida, piatta e stabile. In quello modo si eviteranno cadute.
Assicurarsi che il teilevisore sia collocato in una posizione dove non possa essere spinto o entrare a contatto con oggetti, dato che la pressione potrebbe rompere o danneggiare lo schermo. Evitare che piccoli oggetti finiscano nei fori di ventilazione o nelle aperture del cabinet.
Schemo LED
I pannelli LED sono prodotti utilizzando Tecnologia a elevatissimo livello di precisione. Ad agli modo, alcune parti dello schermo potrebbero essere prive di elementi d'imagine o ave macchie luminose. Cio non è indice di malfunzionamento.
Dispositivo e accessori

TV

Telecomando

Batterie per il telecomando

Versare le istruzioni
fissatore sostegno

Guidarapida

Guida per l'utente


Cavo del convertitore per video AV e YPbPr
I materiali di imballaggio non sono glacattoli. Tenere fuori alla portata dei bambini. Le buste di plastica, se,infilate sulla testa, possono provocare soffocamento.
Questo teilevisore è stato progettato per funzionare con qualsiasi antenna DTT, cavo digitale o analogico o antenna satellitare fissa orientata su Astra 19.2E e collegata con un LNB universale.
É possibleutilizzarealtreantennesatellitari e LNB, ma sera necessarioimpostarli.Qestoapparecchioe preimpostato per i suddetti LNB/antenna satellitare fissa e,utilizzato un avvio rapido,Astra 19.2E verrà immediamente sintonizzato sansa dover eseguire alcuna ricerca.
Introduzione

Veduta anteriore

Note sulla televisione digitale: la TV digitale (DVB) è disponibile solamente dove viene trasmesso il digitale terrestre (DVB-T) o un servizio di TV via cavo (DVB-C) compatibile. Rivolgersi al proprio rivenditore per ulteriori informazioni sulla disponibilità di questi servizi. DVB-T costituisce lo standard della televisione digitale terrestre, nelle DVB-C indica quella digitale via cavo. Anche se questo appearecchio tevisivo risulta conforme a tutti gli attuali standard DVB-T e DVB-C, non è possible garantire la compatibilità con futuri segnali del digitale terrestre, DVB-T e DVB-C. Alcuni fornitori dei servizi TV via cavo richiedono il pagamento di una tariffa, la presenza di dispositivi hardware esterni e la sottoscrizione di un abbonamento a tali servizi. Alcune funzioni della TV digitale potrebbero risultare circoscritte a specifiche aree; inoltre, con il DVB-C e con determinati fornitori le prestazioni del dispositivo potrebbero disattendere le attese. Per maggiori informazioni, contattare la nostra Assistenza clienti.
Telecomando
Istruzioni per il telecomando in modalità TV

*A seconda del modello
Istruzioni per il telecomando in modalità DTV/USB

Mute
Questa funzione è disponibile in tutte le modalità.
SOURCE
Nasconde/mostra il menu Sorgente
Pulsante d'accensione
Modalita On/Off Standby
Menu
Mostra/nasconde il menu principale, torna al menu precedente, esce dal menu.
Help
Nasconde/mostra il menu Guida.
Quick start
Nasconde/mostra il menu Avvio rapido.

Tasto rapido per il passaggio alla sorgente ATV. In sequenza: ATV, DVBT-TV, DVBT-Radio, ATV

Tasto rapido per il passaggio alla sorgente DVBS/DVBS2

Tasto rapido per il passaggio alla sorgente DVBC.
▶(Timeshift)*
Riproduzione o停下
Premere per entrare in modalità Timeshift, l'immagine viene messa in pausa e la registrazione inizia dal punto in cui si èMESSO in pausa.

Interrompe la riproduzione o la registrazione*.

Indietro/avanti rapido

In modalità USB capitolo precedente/successivo, o riproduce la scena precedente/successiva dei programmi registrati*, salute di 30 sec.
VOL+/VOL-
Premere per aumentare/diminuire il volume audio.
CH+/CH-
Durante la visione di un canale, serve aambiare canale.
PULSANTI NUMERICI
Premere 0-9 per selezionare direttamente un canale nelle sta guardando la TV. Il canale cambiera dopo 2 secondi
*A seconda del modello

Istruzioni per il telecomando in modalità TELETEXT

Pulsanti colorati
Testo rapido in modalità Aggiornamento e migliorata i collegamenti del testo rapido. Può essere utilizzato per altre funzioni in modalità Hold.
Exit
Chiude la modalità Testi.
[Indice]
Pagina indices (100)
Su/Giu
In modalità Hold selezione Pag +/-
Sinistra/Destra
Mantiene la pagina principale e selezione le sottopagine con i tasti rosso /verde.
OK
Mantiene la pagina ed espande alto / basso / intero, usa TXT per l'aggiornamento.
PULSANTI NUMERICI
Premere i tasti da 0 a 9 per selezionare una pagina di teletext.
C
Premere quello pulsante per visualizzare il testo nascosto (es. le soluzioni dei quiz tevisivi). Premerlo nuovamente per nascondere il testo.
SUB
Visualizza i sottotitoli / pulsante di selezione [puo migliorare o nascondere un menu].
TXT
Testi/Misto/TV (sempre in modalità Aggiornamento)
Istallazione delle batterie nel telecomando
- Rimuovere il coperchio del vano batterie sul retro del telecomando spingendo la linguetta in avanti e tirando verso l'alto.
- Inserire le batterie fornite in dotazione assicurandosi di rispettare la polarità indicata nel vano.
- Chiudere il coperchio del vano batterie.

Collegamento dell'antenna
ATTENZIONE! ASSICURARS I CHE IL TELEVISORE E LE APPARECCHIATURE ACCESSORIE SIANO SCOLLEGATI DALL'ALIMENTAZIONE DI RETE PRIMA DI EFFETTUARE ALCUN COLLEGAMENTO!
Connessione dell'antenna TV
Collegare l'antenna TV all'apposita presa con un connettore coassiale da 75 ohm. Per ottimizzare i risultati, utilizzato un'antenna TV con guadagno elevato, preferibilmente installata sul fatto o sul poggio.
- In aree con poco segnale, acquistare e installare un amplificatore di segnale per migliorare la qualità del l'imagine.
- Se l'antenna deve essere divisa fra due TV, installare uno splitter di segnale a 2 vie (non fornito).
Uso del telecomando
Perutilizzare il telecomando,puntarlo verso il tevisore e premere i pulsanti richiesti. E necessario trovarsi entro 6 metri e a un angolo inferiore a 30 gradi dal centro del tevisore.
NOTA: la luce solare o potenti fonti luminose possono interferire con il segnale del telecomando. In tal caso, allontanare il tevisore alla fonte luminosa.

ATTENZIONE! NON LASCIARE LE BATTERIE NEL TELECOMANDO PER PERIODI PROLUNGATI DATO CHE POTREBBERO SUBIRE PERDITE DI SOSTANZE CORROSIVE E DANNEGGIARE IL TELECOMANDO. VERIFICARLE PERIODICAMENTE E SOSTITUIRLE SE NECESSARIO.

ATTENZIONE! NON UTILIZZARE CONTEMPORANEAMENTE DIVERSI TIPI DI BATTERIE. QUANDO S'INSERISCONO LE BATTERIE, SO-STITUIRE TUTTE NELLO STESSO MOMENT. NON UTILIZZARE ASSIEME BATTERIE NUOVE E VECCHIE.

ATTENZIONE! LE BATTERIE ESAURITE VANNO TRATTATE CON CURA E SMALTITE SECONDO LE NORMATIVE DI SICUREZZA E RICICLAGGIO IN VIGORE NELLA PROPRIA ZONA. NON SMALTIRE MAI LE BATTERIE CON I RIFIUTI GENERICIO NEL FUOCO.

ATTENZIONE! NON ESPORRE MAI LE BATTERIE A FONTI DI CALORE ECESSIVO COME LUCE SOLARE, FUOCO O SIMILI.


Collegamento di dispositivi esterni
Il manuale d'istruzioni illustra la maniera più semplice ed efficace per connettere il teilevisore ad apparecchiature accessory. I diversi metodi sono elencati di seguito.
Cavo HDMI
É possibile connettere il tevisore a un dispositivo compatibiletramite un cavo HDMI. Questo metodofre la migliorere qualita visiva.
Collegare il cavo del dispositivo HDMI alla presa HDMI del teilevisore.
Cavo SCART
E possibile connettere il teilevisore a un dispositivo compatible tramite un cavo SCART. Questa connessione utilizza segnali video component, ossia i contentuti RGB (rosso, verde e blu) del video sono inviati su segnali separati.
Cavo VGA
Il tevisore LED può essere utilizzato come monitor del PC per mezzo di un cavo VGA. è possibile inoltre riproduire l'audio del computertramite il tevisore.
Collegamento di dispositivi esterni (continua)

Collegamento di dispositivi esterni (continua)
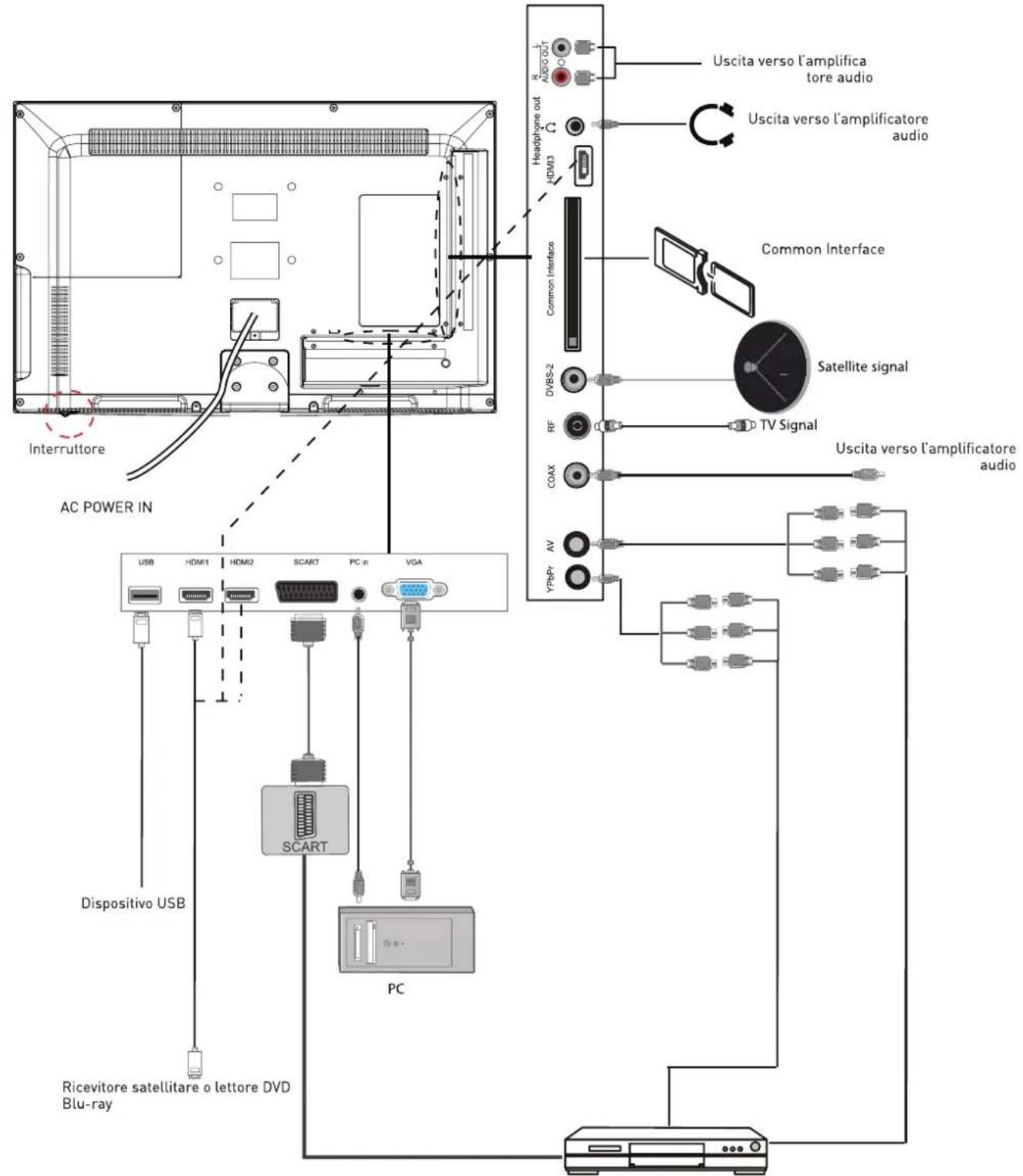
COLLEGAMENTI
| Nome | Descrizione della funzione |
| AC POWER IN | Collegamento all'alimentazione |
| HDMI 1, 2, 3 | Collegamento all'uscita HDMI del let-lore DVD o del ricevitore satellitare. |
| Collegamento SAT LNB | Collegamento con il segnale del satellite |
| VGA (PC IN) | Collegamento all'uscita VGA di un PC per visualizzare immagini dal compu-ter. |
| PC-IN | Entrata audio PC |
| Mini YpbPr | Collegamento all'uscita YPbPr di una periferica. |
| Mini AV | Collegamento all'uscita AV delle peri-feriche. |
| RCA Audio Out | Uscita verso l'amplificatore audio |
| SCART | Collegamento all'entrata/uscita SCART di una periferica. |
| RF | Collegamento al cavo del segnale TV |
| Head phone | Collegamento alla cuffia |
| CI / CI+ | Alloggiamento CI (alloggiamento della scheda pay-per-view) |
| Coax | Uscita verso l'amplificatore audio |
| USB 1 | Riproroduzione di contentuti multime-diali |
Avverenza:
Prima di collegare dispositivi esterni:
- Assicurarsi che i dispositivi siano scollegati dall'alimentazione onde evitare eventuali danni.
Assicurarsi di effettuare il collegamento necessario. - Assicurarsi che i connettori siano fissati in maniera adeguata e corretta prima di collegare i dispositivi all'alimentazione.
Collegamento PC
Dato che a volte i PC sono ancora forniti con monitor CRT "convenzionali", potrebbe essere necessario regolare le impostazioni di visualizzazione della scheda grafica del PC altrimenti le immagini non appariranno correttamente. Accendere il PC (ancora collegato al monitor originale) e selezionare la risoluzione dello schermo e 60Hz come frequenza d'aggiornamento. Specnere il PC e poi collegarlo al teilevisore quando entrambi i dispositivi sono ancora spenti.
Collegamento al PC tramite VGA, HDMI
Utilizzare un cavo PC-VGA (non fornito) per collegare il teilevisore al PC. è possibileancheutilizzare un cavo HDMI per collegarsi al PC (qualora la schedra grafica del PC supporti HDMI).Se si utilizza un cavo HDMI, non è più necessario un ulterioriore cavo per trasmettere l'audio del PC. Se si utilizza un cavo HMDI-DVI, sera invence necessarioutilizzare unalto cavo per l'audio.Connettere tutti i cavi facendo attenzione a non piegare o spezzare i pin dei connettori.
Se siutilizza il cavo VGA
Accendere il tevisore
- Accendere il PC
- Selezionare PC/VGA come fonte d'ingresso
Se si utilizza il cavo HDMI
- Selezionare HDMI come fonte d'ingresso

[Tutti cavi illustrati non sono inclusi]
Collgamento all'antenna satellitale

Collegare il segnale DVB-S/DVB-S2 a SATELLITE LNB sul tevisore. Selezionare la fonte in entrata SATELLITE con il pulsante DVBS/DVBS2 del telecomando.
Note: In caso di mancata ricezione DVBS[S2], controllare l'esistenza di eventuali problemi (come un corto circuito) sul connettore di tipo F, sul cavo LNB, sul multi-switch, ecc. dell'antenna satellitare. Se sono fosse, scollegare il teilevisore dall'antenna. Se necessario, rivolgersi a un tecnico qualificato per risolverve il problema.
Collegamento di videocamere e videoregistratori
Videocamera
- Collegare il cavo AV al teilevisore e alla videocamera.
- Accendere sua la videocamera sua il teilevisore.
- Selezionare la fonte AV/CVBS
- Ora è possibile visualizzare le immagini alla videocamera.
Note: per collegare la videocamera utilizzato altri cavi, consultare il manuale d'istruzioni della videocamera.
Videoregistrarore
- Collegare il cavo Scart al tevisore e al videoregistratore.
- Accendere sua il videoregistrarore sua il tevisore.
- Selezionare la fonte Scart
- Ora è possibile visualizzare le immagini dal videoregistratore.
Nota:
per collegare il videoregistratore utilizzando altri cavi, consultare il manuale d'istruzioni del videoregistratore.

Utilizzare il cavo Scart dell'adattatore

Collegamento a un impianto audio
É possiblere trasmettete il segnale audio del teilevisore a un impianto stereo (A) tramite la presa Scart. Utilizzare un speciale cavo SCART-RCA. (Consultare le istruzioni dell'impianto hi-fi per ulteriori dettagli). Con un amplificatore/decoder surround (B), utilizzare il cavo Scart o lo speciale cavo Scart-RCA.



[Tutti i cavi illustrati non sono inclusi]
Collegamento dellettoreDVD
Collegare unlettore DVDutilizzando un cavo SCART oppureHDMI.[solamente se ildispositivo esterno supportaHDMI].

[Tutti cavi illustrati non sono inclusi]
Se siutilizza il cavo SCART
Accendere it teilevisore
- Accendere illettore DVD
- Selezionare SCART come fonte d'ingresso
Se siutilizzai il cavo HDMI
- Selezionare HDMI come fonte d'ingresso
Collegamento HDMI

Retro del tevisore
Il collegamento HDMI consente di trasmettere tutti i segnali audio/video con un solo cavo. Questi segnali verranno trasmessi in fornato digitale.
Collegamento SCART

DVD o videoregistratore
Collegare un connettore SCART alla periferica video e l'alto al tevisore. Il cavo SCART funziona come un connettore in entrata/uscita. Nel caso in cui il tevisore non selezionasse automaticamente l'entrata SCART, premere il pulsante SOURCE del telecomando e selezionare SCART come fonte del segnale.
Collegamento a un impianto audio
É possible ascoltare l'audio TV su un sistema stereo [A] tramite l'uscita audio analogica Cinch o quella audio digita (coassiale) [B].

[A]

[B]
[Tutti cavi illustrati non sono inclusi]
Utilizzo dell'uscita audio analogica
Impiegare un cavo audio RCA per collegare l'uscita audio analogica del teilevisore alle entrata audio stereo destra e sinistra. [Consultare le istruzioni dell'impiant o hi-fi per ulteriori dettagli]. Quando si effettua il collegamento, prestare attenzione al codice colore dei connettori - rosso con rosso e bianco con bianco.
Utilizzo dell'uscita audio digitale coassiale
In presenza di un amplificatore/decoder audio digitale (B), impiegare un cavo coassiale per collegare l'uscita audio digitale (coassiale) del teilevisore alla relativa entrata audio digitale del dispositivo digitale. (Fare riferimento alle istruzioni dell'impianto audio digitale per i dettagli)
Retro del teilevisore

Collegare l'amplificatore audio all'uscita COAX del teilevisore.

Collegamento AV
Retro del teilevisore

Collegare le prese VIDEO e AUDIO in uscita del DVD/video registraratore alle prese VIDEO del teilevisore per mezzo del cavodadattatore YPbPr di un cavocRCA (non in dotazione). Prestare attenzione ai colori: il video è giallo, l'audio sinistro è bianco e l'audio destro rosso. Premere il pulsante SOURCE del telecomando e selezionare la fonte AV in entrata.
Collegamento YPbPr

Collegare l'uscita YPbPr del DVD/videoeregistratore alla relativa entrata sul tevisore. Collegare le prese audio in uscita del DVD/videoeregistratore alle prese audio in entrata del tevisore per mezzo di due cavi RCA e di quelli dell'adattatore in dotazione.
Prestare attenuationai colori:Yevere, Pbbl, Pr rosso,Audio sinistro bianco e audio destro rosso.Premere il pulsante S0RCE del telecomando e selezionare la fonte YPbPr in entrata.
Collegamento USB
Inserire la chiavetta USB nella relativa porta e selezionare USB come sorgente con il pulsante SOURCE del telecomando. La capacità massima di periferiche di memorizzazione (es. chiavette o dischi rigidi USB) supportata è di 1 TB. Tuttavia, l'apparecchio potrebbe risultare non compatibile con i dispositivi di memorizzazione disponibili.

Questo tevisore èdotato di un alloggiamento Cl+ e supporta i seguenti standard digitali: DVB-T, DVB-S(S2) e DVB-C.
Common Interface
Lo slot Common Interface (Cl + ) e progettato per allogiare il Conditional Access Module (CAM) e la Smart Card per consentire la visione dei programmi della pay TV e servizi aggiuntivi. Rivolgersi al proprio fornitore di TV Pay Per View per ottenere maggiori informazioni sui moduli e gli abbonamenti.
NOTA: i moduli CAM e le smart card sono venduti separamente.
ATTENZIONE! SPEGNERE IL TELEVISORE PRIMA DI INSERIRE IL MODULO NELLO SLOT COMMON INTERFACE E POI INSERIRE LA SMART CARD NEL CAM.

- Accendere il teilevisore e assicurarsi che sia seleziona-ta la fonte "DTV".
- Se viene rilevato il CAM, sul tevisore apparirà il seguente messaggio: "Common Interface Module in-serito", attendere alcuni istanti affinché la smart card venga attivata.
- Selezionare il canale digitale Pay Per View.
- Saranno visualizzate informazioni dettagliate sulla Smart Card in uso
- Premere il pulsante OK per visualizzare il menu smart card. Consultare il manuale d'istruzioni del modulo per dettagli sulle impostazioni.
- Una volta rimioso il modulo, apparirà a video il seguente messaggio: "Common Interface Module rimioso".
Configurazione autoinstallazione
Accendere/spegnere il tevisore
Per accendere il tevisore
Premere il pulsante di accensione sul teilevisore o il pulsante sul telecomando e l'indicatore di standby si illuminerà di verde.
Per spegnere it tevisore
Premere il pulsante di accensione sul tevisore o il pulsante sul telecomando e l'indicatore di standby si illuminerà di rosso.
Quando si accende il teilevisore per la prima volta, compa- rirà il menu d'installazione iniziale:

Utilizzare i tasti sinistro/destro per selezionare la lingua e quelli su/giù per scegliere il tipo di servizio che si considera installare. Pò ossere installato un solo tipo di servizio alla volta, ma è possibile tornare a quello menu per installarne altri premendo il pulsante Quick Start.
ATV (televisione analogica) viene impiegato per i sistemi via cavo analogico.
Il DVB (DTT - Digitale Terrestre, DVB-T) si utilizes in presenza di un'antenna che riceve il segnale da un trasmetti-tore terrestre.
Via Cavo si usa per i sistemi digitali via cavo (DVBC)
Satellite é preimpostato su Astra 19.2E. Richiede un'antenna parabolica con LNB universale. Per installare altri satelliti utiliser il menu Installazione completa del satellite.
Premere OK e apparirà il seguente menu.

Premere il pulsante OK sul telecomando per dare inizio alla procedura di sintonizzazione. Questo過程o trovera tutti I canali ATV e DTV disponibili e li memorizzera.
- Selezionare la modalità a casa e confermare con il tasto OK.
In agli momento è possibile selezionare ulteriori servizi premendo il pulsante Quick Start.

Menu IMPOSTAZIONI TV
Tutte le opzioni a cui si fa riferimento nelle pagine precedenti sono raggiungibiliancheattraverso Menu principale nel menu Impostazioni TV.
Per accedere al servizio desiderato è necessario che il teilevisore si trovi nella modalità corretta, ATV, DVB, Via cavo o Satellite.
Selezionare la fonte del segnale desiderata dal telecomando o dal menu Sorgente.
Fontedel segnale
Premere il pulsante Source sul telecomando o quello TV/AV sul teilevisore per selezionare la fonte del segnale.


Premere per evidenziare la fonte del segnale beside rata. Premere OK per confermare la selezione.
Una volta selezionata la modalità operativa desiderata, premere il pulsante Menu sul telecomando per visualizzazione il menu "Impostazioni TV".
Una volta in modalità corretta, premere il pulsante Menu sul telecomando e accedere al menu Impostazioni TV.
Per selezionare la modalità del teilevisore direttamente dal telecomando utilizzato i tasti delle 3 modalità
Premere il pulsante MENU per visualizzare il menu principale, utilizzato i tasti destro/sinistro per selezionare il menu EINSTELLUNGEN e premere OK o il tastingo giu per accedere al menu. Per tornare al menu principale preme re MENU o il tastingo su.
NOTA: IMPOSTAZIONI TV più essere selezionato solo nelle modalità ATV/DVB/SATELLITE/VIA CAVO, nelle altre modalità è disabilitato.

IMPOSTAZIONI ATV/VIA CAVO

IMPOSTAZIONI DVB/DVB-T

IMPOSTAZIONI SATELLITE/PARABOLA

IMPOSTAZIONI DIGITALE VIA CAVO [DVBC]
Ricerca automatica
Nel menu Ricerca automatica ci sono 3 opzioni da selezioniare: Tipo selezione DVB, Paese e Tipo sintonia.

Premere / per selezionare Tipo selezione DVB, Pae-se e Tipo sintonia e poi OK per avviare la ricerca.
Selezionando ATV+DTV, il primo 50% del procedimento verrà impiegato per la sintonizzazione ATV, nelle se-condo 50% per quella DTV. Durante la sintonizzazione ATV è possibile premere MENU per saltare la sintonizzazione ATV e avviare direttamente quella DTV o premere EXIT per uscire alla sintonizzazione.
Durante la ricerca dei canali verrà visualizzata un'anse prima dei canali già rilevati.

Diversamente da AVVIO RAPIDO, la ricerca sul satellite cearchera i canali su tutto il satellite e necessitera di un po' di tempo.
Inoltre, i canali appariranno nell'ordine in cui si trovano sul satellite e non nell'ordine preimpostato.

La ricerca automatica sostituisce tutti i canali precedenze mercati con quelli frutto della nuova ricerca. Per aggiungere un satellite, operazione possibile se si possede una parabola/un LNB/uno switch adatti, utilizzare il menu d'installazione della parabola.
Sintonizzazione manuale DTV (DVBT)

I canali DTV possono essere sintonizzati manualemente con il menu IMPOSTAZIONI TV. Premere i tasti destro/si-nistro per selezionare il canale che si desidera sintonizzare e poi OK per cercarlo.
Sintonizzazione manuale CADTV (DVB-C)

I canali CADTV possono essere sintonizzati manualemente con il menu IMPOSTAZIONI TV.
Note: Per ulteriori informazioni relativamente ai parametri del canale (frequenza, symbol rate e tipo QAM), rivolgersi all'azienda fornitrice di servizi TV via cavo.
Frequenza
Selezionare Freqenza con i tasti
Symbol(ks/s)
Selectionare Symbol (ks/s) con i tasti
TipQAM
Selezionare Tipo QAM con i tasti
Sintonizzazione manuale ATV (TV analogica via cavo)

I canali ATV possono essere sintonizzati manualemente con il menu IMPOSTAZIONI TV.
Salva su
Premere per cancellare la posizione numerica del canale trovato.
Sistema
Selezionare ilsystema con i tasti
Canale attuale
Mostra il numero del canale attuale; premere i tasti per scegliere il canale da modificare.
Ricerca
Premere per effettuare la ricerca di nuovi canali fra le varie frequenze.
Sintonia fine
In caso di cattiva ricerca, premere per effettuire una regolazione precise della sintonizzazione. Una volta completata la sintonizzazione manuale, premere il pulsante ROSSO per memorizzare i canali trovati.

MODIFICA PROGRAMMA

Utilizzare i tastingi su/giù per selezionare Modifica programma. Premere OK o il tastingo destro per accedere al menu. Utilizzare i tastingi su/giù per spostarsi nel menu.
Elimina
Premere il pulsante ROSSO per eliminare il canale evidenziato e vicino al nome del canale apparirà un cerchio rosso.
Premere nuovamente il pulsante ROSSO per confirmare l'eliminazione.
Premere MENU per tornare al menu principale.
Sposta
Premere per selezionare un canale, poi il pulsante giallo per entrare in modalita Sposta e poi per spostare la posizione del canale; infine, premere ancora il pulsante giallo od OK per confermare.
Premere MENU per tornare al menu principale.
Ignora
Premere per selezionare il canale da ignorare.
Premere il pulsante BLU: vicino al nome del canale apparirà un symbolo e il canale selezionato verrà ignorato quando ci si sposta fra i canali.
Con il canale evidenziato, premere nuovamente il pulsante BLU per disabilitare questa funzione. Premere MENU per tornare al menu principale.
Rinomina (disponibile solo in ATV)
Modifica il nome del canale attuale.
Premere per accedere alla modalita RINOMINA e poi utilizzato i tasti per cancellare il nome. Premere il pulsante verde, poi OK o il pulsante del menu per confermare.
Informazioni segnale
Disponibile solo in modalità DTV, Informazione segnale comprende: canale/rete/modulazione/qualità/potenza.
Informazioni CI
Quando si insertisce il Modulo Cl, alla le Informazioni Cl.
Note: Sono possibili i segui tipi o combinazioni di ricezione: ATV, DVB-C, DVB-S(S2), DVB-T, ATV e DVB-C, ATV e DVB-S(S2), ATV e DVB-T. Non è possibile ricevere contemporaneamente i canali DVB-C, DVB-S(S2) e DVB-T.
Tensione antenna 5V
Abilita o disabilita l'amplificatore antenna 5 V
Guida elettronica ai programmi (EPG)
Premere il pulsante GUIDE del telecomando per aprire l'EPG. Se il canale selezionato supporta questa funzione, l'EPG contiene l'anteprima settimanale (7 giorni) dei programmi. Nel caso in cui siano presenti molte informazioni su un programma, premere e per spostarsi fra le pagne. Il numero massimo di caratteri visualizzabili è limitato.
Elenco Peferiti
Selezionare il canale desiderato e premere il pulsante verde (Fav) per aggiuungerlo all'elenco dei canali preferiti. Per rimuovere un canale dall'elenco Preferiti, selezionarlo e premere il pulsante verde (Fav). L'elenco Preferiti è visualizzabile premendo il pulsante verde (Fav). É possibile create un elenco Preferiti per agli modulo di sintonizzazione.
Configurazione parabola
- Se non si possie de una parabola fissa allineata su Astra 19.2E e dotata di un LNB universale, è necessario consultare quello capitolo.
- Se si possie de una parabola fissa allineate su un diverso satellite o con un LNB differente, è necessario consultare questo capitolo.
- Se si possie de una parabola motorizzata con un rotatore DiSEqC e si desidera sintonizzato più di un satellite, è necessario consultare quello capitolo.
- In caso di switch DiSEqC, è necessario consultare quello capitolo.
Le prime due installazioni possono essere portate a termine da chiunque, a patto che si sappia su quale satellte è allineata la parabola e il tipo di LNB di cui è dotata.
Le installmenti 3 e 4 richiedono un utente esperto o un technician.
Impostare un satellite o un LNB diverso
Selezionare la modalità Satellite, premere MENU, spostarsi in basso sull'opzione Configurazione parabola e premere OK. Apparirà il menu Configurazione parabola satellitare.

Per impostare piu satelliti e LNB (possibile solo con sistemi a LNB, parabole e switch multipli)
Utilizzare i pulsanti per selezionare il satellite su cui è allineata la parabola. Premere OK. Vicino al satellite scelto apparirà una freccia.
Premere per spostarsi nella sezione LNB del menu. Selezionare il tipo e le impostazioni di LNB.
Premere il pulsante Exit e quello per selezionare il secondo satellite.
Utilizzare i pulsanti per selezionare il secondo satellite e per selezionare il satellite su cui è allineata la parabola. Premere OK. Vicino al satellite scelto apparirà una freccia.
Premere per spostarsi nella sezione LNB del menu. Selezionare il tipo e le impostazioni del secondo LNB e le impostazioni dello switch.
Premere i pulsanti Exit e
Premere due volte il tastinge blu per cercare i canali satellitari.
Segue una descrizione accurata della configurazione avanzata della parabola per utilizzato più satelliti con switch e regolatore di posizione DISEqC. Questa operazione deve essere effettuata solo da utenti esperti.
La pagina principale del menu Configurazione parabola*** mostra l'interfaccia principale. Tale interfaccia è formata da Elenco satelliti, Elenco transponder ed Elenco dei parametri di parabola/LNB
Elenco satelliti
Mostra i nomi dei satelliti.
| Satellite | |
| 001 | Ku_HOTBIRD 6,7A,8 |
| 002 | Ku ASTRA 1H,1KR,1L.. |
| 003 | Ku ASTRA 2A,2B,2D |
| 004 | Ku ASTRA 1E,1G,3A |
| 005 | Ku NILESAT 101,10 |
| 006 | Ku_EUTELSAT W3A |
| 007 | Ku_EUTELSAT W1 |
| 008 | Ku_BADR-2,3,4/EURO |
Modifica satellite
No. - L'attuale numero in elenco del satellite selezionato.
Tale numero non può essere modificato.
Nome satellite: Premere il pulsante verde per aprire il menu Modifica illustrato di seguito.
| Modifica | |
| N. | 001 |
| Nome satellite | ASTRA 1H,1KR,1L.. ▷ |
| Direzione longitudine | Est |
| Anglolo longitudine | 019.2 |
| Banda | Ku |
Per apportare modifiche tramite la tastiera a video, pre-mere.
Nel Campo di immissione,utilizzare i tasti e il pulsante OK per selezionare le lettere.
Campo di immissione (tastiera a video)

Espandi: ingrandisce i caratteri
Maiuscole: permette l'uso delle maiuscole. Premere OK per effettuare la selezione.
Indietro: cancella le lettere, premere OK per confermare.
OK: conferma l'impostazione del nome del satellite e torna al menu Modifica.
Annulla: tornadirettamentealmenuModifica.
Direzione longitudinal: serve per determinare la posizione del satellite. Utilizzato il tasto per selezionare Ovest/ Est.
Angolo longitudinal: immettere la longitudine utilizzando i tasti
Banda: selezione della banda. Premere per selezionare.
Menu Elimina satellite
Premere il pulsante GIALLO e apparirà il menu di conferma. Premere OK per eliminare.

Aggiungi satellite
Premere il pulsante ROSSO per visualizzare il menu Aggiungi.
| Aggiungi | |
| N. | 059 |
| Nome satellite | ASTRA 1H,1KR,1L... ▷ |
| Direzione longitudine | Est |
| Anglolo longitudine | 019.2 |
| Banda | Ku |

No: numero di posizione nell'elenco. Questo numero non cui quodesserere modificato manualmente.
Regolare tutte le impostazioni e i parametri in base alle istruzioni del capitolo precedente. Premere OK per salute o EXIT/Cancel.
Al satellite aggiunto verrà assegnata una nuova posizione.
Elenco transponder
Mostra i transponder del satellite selezionato.
| Transponder |
| 001 10723 H 29900 |
| 002 10750 H 15000 |
| 003 10750 H 30000 |
| 004 10775 H 28000 |
| 005 10803 H 3333 |
| 006 10853 H 27500 |
| 007 10892 H 27500 |
| 008 10930 H 27500 |
Menu Modifica transponder
Premere il pulsante VERDE per accedere al menu Modifica transponder.
| Modifica | |
| Transponder | 001 |
| Fr quenza(khz)e | 10744 |
| Symbol(ks/s) | 22000 |
| Polarità | H |
N.Numero di posizione nell'elenco.Non cui essere modificato manualmente.
Frequenza: imposta la frequenza di downlink.
Symbol (ks/s): imposta il Symbol Rate.
Polarità: Impostare la polarità (orizzontale o verticale).
Elimina transponder
Premere il pulsante GIALLO e apparirà il menu di conferma. Premere OK per eliminare.

Aggiungi Transponder
Premere il pulsante ROSSO per accedere al menu Aggiungi transponder.
| Aggiungi | |
| Transponder | 084 |
| Fr quenza(khz)e | 10744 |
| Symbol(ks/s) | 22000 |
| Polarità | H |
N. Non può essere modificato manualmente.
Frequenza: imposta la frequenza di downlink.
Symbol [ks/s]: imposta il Symbol Rate.
Polarità: Impostare la polarità (orizzontale o verticale).
Descrizione dei parametri della parabola
TiploNB:Frequenza LNB
| 013.01 Ku_HOTBIRD 6,7A,8 | |
| Tipo LNB | 05150 |
| Alimentazione LNB | On |
| 22KHz | Auto |
| Toneburst | Nessuna |
| DiSEqC1.0 | Nessuna |
| DiSEqC1.1 | Nessuna |
| Motore | None |
Evidenziare il tipo di LNB e utilizzare i tasti oppure OK per accedere al sottomenu in cui impostare i parametri specifici.
| 013.01 Ku_HOTBIRD 6,7A,8 | |
| Tipo LNB | 05150 |
| 9750/10600 | |
| 9750/10750 | |
| 05150 | |
| 05750 | |
| 09750 | |
| 10600 | |
| 10750 | |
| 013.01 Ku_HOTBIRD 6,7A,8 | |
| TypeLNB | 09750/10750 |
| 11300 | |
| 11475 | |
| User Single | < img src=""> |
| User Dual | |
Alimentazione LNB: Alimentazione delchio di polarizzazione, premere per selezionare On/Off.
| 013.01 Ku_HOTBIRD 6,7A,8 Tipo LNB 09750/10600 | |
| Alimentazione LNB | On |
| 22KHz | Auto |
| Toneburst | Nessuna |
| DiSEqC1.0 | Nessuna |
| DiSEqC1.1 | Nessuna |
| Motore | None |
On: Abilitato alla riscione del programma di polarizzazione orizzontale/vertecale.
Off: Interruzione dell'alimentazione.
22KHz: livello dello switch LO/DS (è necessario che l'utente abbia installato lo switch del segnale satellitare a 22 KHz). Premere per selezionare Auto/On/Off.
| 013.01 Ku_HOTBIRD 6,7A,8 | |
| Tipo LNB | 09750/10600 |
| Alimentazione LNB | On |
| 22KHz | Auto |
| Toneburst | Nessuna |
| DiSEqC1.0 | Nessuna |
| DiSEqC1.1 | Nessuna |
| Motore | None |
Auto: segnale d'impulso emesso automaticamente a 22 KHz per controllare il cambio.
On/Off: switch di controlo manuale.
Tone burst: Switch doppio singolo (è necessario che l'utente abbia installato uno switch Tone burst); premere per selezionare Burst A/Burst B/Niente.
Burst A/Burst B: cambia manualmente il satellite A/B.
DiSEqC1.0: 4 selezione 1 switch ( è necessario che il dispositivo supporti il protocollo DiSEqC 1.0). Premere per selezionare LNB1/LNB2/LNB3/LNB4/Niente.
LNB1/LNB2/LNB3/LNB4: ciascuno corrisponde a un satellite; una volta effettuata la selezione, l'elenco corrispondente apparirà nell'elenco satelliti.
DiSEqC 1.1: 16 selezione 1 switch ( è necessario che il dispositivo supporti il protocollo DiSEqC1 .0) Il dispositivo deve supportare il protocollo DiSEqC 1.1, Maggior controlo 16↑LNB, . Premere ↓ per selezionare LNB1-LNB16/Niente.
LNB 1-LNB 16: ciascuno correponde a un satellite; una volta effettuata la selezione, l'elenco corrispondente apparirà nell'élenco satelliti.
Motore: Controllo della polarità di più satelliti (è necessario che il dispositorio supporti il protocollo DiSEqC1.2 o DiSEqC1.3), tasti destro e sinistro per selezionare DiSEqC1.2/ DiSEqC1.3/Niente.
DiSEqC1.2:Selezione del protocollo DiSEqC1.2
DiSEqC1.3:Selezione del protocollo DiSEqC1.3
Per "DiSEqC1.2" a motore, istruzioni operative:
Premere il pulsante ROSSO per accedere al menu "Imposta limite".
Premere OK per accedere al menu Imposta posizione.
Avanzamento continuo: controllo continuo di est od ovest per spostare l'asse della polarità sulla posizione desiderata.
Avanzamento a passi: controllo di est od ovest con una rotazione a a passi fissi dell'asse di polarizzazione.

Imposta limite ovest: la posizione attuale è impostata sul punto massimo a ovest.
| Imposta limite | ||
| Avanzamento continuo | STOP | |
| Avanzamento a passi | STOP | |
| Imposta limite overst | ||
| Imposta limite est | ||
| Vai a riferimento | ||
| Disabilita limite | ||
Imposta limite est: la posizione attuale è impostata sul punto massimo a est.
Vai a riferimento: torna ai valori predefiniti.
Disabilita limite: elimina l'attuale limite impostato.
| Imposta posizione | ||
| Avanzamento automatico | Δ | STOP |
| Avanzamento continuo | STOP | |
| Avanzamento a passi | STOP | |
| Memorizza posizione | ||
| Vai a posizione | ||
| Vai a riferimento | ||
| Vai a X | ||
Avanzamento automatico: est od ovest del Controllo automatico continuo per spostare l'asse della polarità sulla posizione desiderata.
Avanzamento continuo: controllo manuale continuo di est od ovest per spostare l'asse della polarità sulla posizione desiderata.
Avanzamento a passi: controllo di est od ovest con una rotazione a a passi fissi dell'asse di polarizzazione.
Memorizza posizione: salva l'angolo di rotazione in uso dell'asse della polarità.
Vai a posizione: riporta automaticamente l'angolo della polarità a quello salvato precedentemente.
Vai a riferimento: riporta automaticamente l'angolazione dell'asse di polarità a quello predefinito. Quando il motore è "DiSEqC1.3".
Premere il pulsante ROSSO per accedere a "Imposta limite" e il motore è "DiSEqC1.3" menu "Imposta limite" uguate.
| 013.01 Ku_HOTBIRD 6,7A,8 | |
| Tipo LNB | 09750/10750 |
| Alimentazione LNB | On |
| 22KHz | Auto |
| Toneburst | Nessuna |
| DiSEqC1.0 | Nessuna |
| DiSEqC1.1 | Nessuna |
| Motore | <DiSEqC 1.3> |
Premere il pulsante VERDE per accedere al menu Imposta ubicazione.
| Imposta ubicazione | |
| Ubicazione | Manual |
| Direzione longitudine | Est |
| Angolo longitudine | 000.0 |
| Direzione latitudine | Nord |
| Angolo latitudine | 000.0 |
Ubicazione: selezionare l'area dell'utente o aree simili; se l'utente, quando si trova in queste aree, non è presente nelle impostazioni predefinite delsystema, è possibile selezionare Impostazione manuale personalizzata.
Direzione longitudinal: selezionare l'area dell'utente nella longitudine est o longitudine.
Angolo longitudine: angolo di longitudine. Selezionare l'area dell'utente in cui si trova la longitudine; digitare i valori appropriati per spostare il cursore.
Direzione latitudine: selezionare l'area dell'utente nella latitudine o la latitudine.
Angolo latitudine: selezionare l'area dell'utente in cui si trova la latitudine; digitare i valori appropriati per spostare il cursore.
Premere OK per accedere al menu Imposta posizione.
| Imposta posizione | ||
| Avanzamento automatico | STOP | |
| Avanzamento continuo | STOP | |
| Avanzamento a passi | STOP | |
| Memorizza posizione | ||
| Vai a posizione | ||
| Vai a riferimento | ||
| Vai a X | ||
Avanzamento automatico: est od ovest del Controllo automatico continuo per spostare l'asse della polarità sulla posizione desiderata.
Avanzamento continuo: controllo manuale continuo di est od ovest per spostare l'asse della polarità sulla posizione desiderata.
Avanzamento a passi: controllo di est od ovest con una rotazione a a passi fissi dell'asse di polarizzazione.
Memorizza posizione: salva l'angolo di rotazione in uso dell'asse della polarità.
Vai a posizione: riporta automaticamente l'angolo della polarità a quello salvato precedentemente.
Vai a riferimento: riporta automaticamente l'angolazione dell'asse di polarità a quello predefinito.
Vai a X: area basata sui parametri immessi dall'utente; calcola automaticamente il satellite presente sull'area; controlling che la rotazione dell'asse di polarità si trovi in posizione corretta.
Menu Ricerca
Una volta impostati tutti i parametri, premere il pulsante BLU per sintonizzato il menu Configurazione a cui accedere.
| Ricerca canali | |
| Mod. ricerca | Predefinito |
| Tipo canale | Tutti |
| Tipo servizio | Tutti |
| Polarizzazione | AUTO |
Mod. Ricerca: selezionare Predefinito, Ricerca cieca e Rete.
Predefinito:programma di ricerca predefinito.
Ricerca cieca: Ricerca le impostazioni LNB in tutti i programmi (in Elenco satelliti, premere il pulsante blu e accedere al menu Ricerca, poi alla modalità Ricerca, in Transponder si accede alla ricerca senza alcuna modalità).
Rete: ricerca sulle frequenze di canale note le impostazioni LNB e del satellite selezionate al momento della produzione.
Tipocanale:FTA [gratuiti]oTUTTI[gratuitieapagamento].
Tiposervizio:DTV(DVBTV)oradio(DVBradio)o entrambe (DTV e radio).
Polarizzazione: Polarizzazione LNB: H (orizzontale), V (verticale) e AUTO, a seconda dell'installazione LNB.
Impostazioni del menu

Menu Immagine
Modalità Immagine: scegliere fra Standard, Dinamica, Utente e Tenue.
Note: contrasto, luminosità, colore e nitidezza possono essere regolati con l'opzione Personale nelle impostazioni modalità immagine.
Contrasto: regola la differenza fra le zone più scure e chaque più luminose dell'immagine.
Luminosità: controlling the luminosity of complexissiva dell'imagine.
Colore: regola il colore.
Nitidezza: augmentare quello parametro per vedere i bordi dell'immagine più definiti; diminuirlo per sfumarli.
Tinta: regola il tono [solo in modalità NTSC].
Temperatura colore: scegliere fra Media, Calda, Utente e Freda.
Rosso: regola il colore rosso dell'immagine.
Verde: regola il colore verde dell'imagine.
Blu: regola il colore blu dell'immagine.
Rapporto del formato: scegliere fra Auto, 4:3, 16:9, Zoom1, Zoom2 e Panorama.
Riduz.disturbi: Scegliere tra le modalità di disturbo da interferenza Off, Bassa, Media e Alta.

Menu SU0NO

Modalità audio: consente di scegliere fra: Standard, Musica, Film, Sport e Utente.
Alti (regolabili quando la modalità Suono è impostata su Utente): regola l'intensità relativa dei suoni alti.
Bassi (regolabili quando la modalità Suono è impostata su Utente): regola l'intensità relativa dei suoni bassi.
Bilanciamento: regola il bilanciamento delle uscite audio delle casse sinistra e destra o disattiva il volume della cassa sinistra o destra.
Volume auto: esta funzione regola automaticamente il volume quando il teilevisore è accesso. Viene attivata selezionando "On".
Audio Surround: Selezionando "on"/"off" si attiva/disattiva la funzione audio surround.
Menu EXTRA

Orologio: Impostare manualmente l'orologio in modalita'ATV.
Timer di spegnimento: consente di impostare il timer di spegnimento fra: 10 min, 20 min, 30 min, 60 min, 90 min, 120min, 180min, 240 min e off.
Impostazioni PC (solo modalità PC): premere il pulsante OK per accedere al sottomenu per regolare la posizione orizzontale/verticale, le dimensioni e la fase dell'immagine.
Auto standby: Turno di risparmio energetico standby 4 ore auto ON/OFF.
Per selezionare l'installazione automatica,utilizzare i tasti su/giu per evidenziare l'opzione e poi premere OK.
Menu OPZIONI

Lingua OSD: consente di selezionare la lingua del menu OSD.
Lingua audio (selezionabile sostanto in modalità DTV) imposta la lingua per l'audio. La disponibilità di但这a funzione dipende dal canale sintonizzato.
Lingua sottotitoli (selezionabile soltanto in modalità DTV): imposta la lingua per i sottotitoli. La disponibilità di que-sta funzione dipende dal canale sintonizzato.
Menu Timeout: consente di impostare la durata di visibilità dell'OSD: 5s, 10s, 15s, 20s, 25s, 30s, 35s, 40s.
Paese: il Paese predefinito è la Germania, ma può essere modificato utilizzando la funzione di sintonizzazione automatica.
Ripristina impostazioni: Premere il pulsante OK per ripristinare i valori d'impostazione di fabbrica.
Home mode: Consente di scegliere fra: Max Performance mode, Home mode e Max Economy mode.
Menu BLOCCA

Per accedere al menu Blocca è necessario inserire la password. La password predefinita è 0000. Una volta entrati nel menu, è possibile cancellarla con una personale.

Blocco problema: attiva o disattiva il blocco del problema
Selezionando ON, verranno abilitate e attivate le impostazioni di "Blocco canale", "Guida parentale" e "Impostazioni hotel".

Imposta password: se si è giornà proveduto a cancellare la password, insere nella attuale.
Password vecchia: inserire la password in uso.
Nuova password: inserire la nuova password.
Confermare nuova password: inserire la nuova password.
La funzione Blocco canali cui è essere utilizzata per blocare i canali selezionati. Utilizzare i tasti per selezionare il canale desiderato e premere il pulsante VERDE sul telecomando per bloccarlo. Per sbloccare un canale precedentamente bloccato, selezionario e premere il pulsante VERDE.
Note: per guardare i canali bloccati è necessario insere la password.
La Guida parentale blocca i programmi in base al livello assegnato loro. Questa funzione è disponibile solo per la TV digitale e se supportata dal canale sintonizzato.

Impostazioni hotel: Apre il menu "Impostazioni hotel".
Modalità Hotel
| Impostazioni hotel | |
| Blocco Hotel | Off |
| Blocco canale | Off |
| Imposta sorgente | Off |
| Blocco immabine | Off |
| Blocco lasi | Off |
| Volume Max | 100 |
| Blocco sorgente | |
| Annulla blocco | |
| Esporta database | |
| Importa database | |
| Quick Start Lock | Off |
| Menu Lock | Off |
| Sposta Regola ESET Esci | |
Restringe l'accesso ai menu di sintonizzazione, limita il livello massimo del volume. Blocca i menu Immagine e Segnale.
Blocco Hotel: premere per selezionare "Blocco hotel" e poi premere per scegliere fra le opzioni ON od OFF. Selezionando ON, saranno disponibili le seguenti opzioni, eccetto "Annulla blocco".
Blocco canale: premere per selezionare "Blocco canale" e poi premere per scegliere fra le opzioni ON od OFF. Selezionando ON, nel menu principale non appariranno più le opzioni d'impostazione TV.
Imposta sorgente: premere per selezionare "Imposta sorgente" e poi premere per scegliere fra una fonte del segnale od OFF. Questa funzione consente di impostare la fonte del segnale (DVB/Via cavo/Satellite/ATV/SCART/AV/YPBPR/PC/HDMI1/HDMI2/HDMI3/TUSB) dautilizzare all'accensione del dispositivo. Tale fonte verràutilizzata fino a quando ne verrà selezionata un'altra oquesta funzione verrà disabilitata (OFF).
Blocco imagine: premere per selezionare "Blocco imagine" e poi premere per scegliere fra le opzioni ON od OFF. Selezionando ON, nel menu principale non appariranno più le opzioni del menu Imagine.
Blocco tasti: premere per selezionare "Blocco tasti" e poi premere per scegliere fra le opzioni ON od OFF. Selezionando ON, i tasti, posti sul pannello anteriore, TV/AV/ Menu/CH+/CH-/VOL+/VOL verranno bloccati.
Volume max: premere per selezionare "Volume max" e poi per impostare il volume desiderato. L'audio in uscita non supererà mai il volume massimo impostato.
Blocco sorgente: premere per selezionare "Blocco sorgente" e poi OK per attivare il menu. Premere per spostarsi fra ON od OFF. Tutte le fonti del segnale etichettate ON non saranno più disponibili nel menu di selezione della fonte del segnale.
Annulla blocco: premere per selezionare "Annulla blocco" e poi per attivarlo. Tutte le impostazioni hotel verranno disattivate fino a quando non si abiliterà nuovamente Blocco hotel.
Importa ed esporta database: consente di copiare i menu Immagine, Suono, Opzioni, Blocca e Hotel da un teileso- re all'alto, in modo da formare un gruppo di dispositivi tutti con le stesse impostazioni.

Esportazione delle impostazioni in un file su un dispositivo USB: collegare una chiavetta USB alla porta USB1. Selezionare "Esporta database". Premere il pulsante . Quando l'esportazione sera terminata apparire il messaggio "Esportazione riuscita".
Importazione delle impostazioni in un'alto Arcos-A/B/S SEG: insereire la chiavetta contentente il file nella porta USB1 del nuovo teilevisore. Selezionare "Importa database". Premere il pulsante . Una volta terminata l'operazione, il teilevisore si spegnerà. Quando verrà riacceso, le impostazioni saranno uguali a quella del primo teilevisore.
Blocco avvio rapido: premere per selezionare "Blocco Avvio rapido" e poi premere per scegliere fra le opzioni ON od OFF. Selezionando ON si disabilititera il pulsante QUICK START del telecomando.
Blocco menu: premere per selezionare "Bloccocomu" e poi premere per scegliere fra le opzioni ON od OFF. Selezionando ON, nel menu principale non appariranno più i sottomenu, a eccezione di quello "Blocca".
Funzioni multimediali
Funzionamento base
- Premere SOURCE sul telecomando per visualizzare il menu delle sorgenti d'ingresso, selezionare la sorgente USB tramite i pulsanti e premere OK per accedere al menu Multimedia.


- Inserire il dispositivo USB, apparirà sullo schermo il nome del dispositivo.

3]. Premere / per selezionare i file sul dispositivo USB (FOTO, MUSICA, FILM, TESTO) da visualizzare o riproduire.

Premere / / per selezionare e OK per attivare il file o aprir la cartella. Premere per riproduire i file in modalità a piano schermo. In modalità a piano schermo, premere il pulsante OK per restrare nella parte inferiore dello schermo il menu di opzioni di navigazione oppure premere per ritornare ai file.
1. Foto
Visualizzare le foto

Premere per selezionare un'opzione nel menu e premere OK per attivarla.
Ripetizione: selezionare la modalità di ripetizione tra Ripeti tutto, Ripeti 1, Ripeti nessuno.
Musica: riproduce/mette in pausa la musica di sottofondo scelta.
[ \text{Playlist: visualità a schermo l'elenco di riproduzione e selezione la foto desiderata.} ]
Info: visualizza le informazioni sul file.
Ruota: ruota la foto in senso orario/antiorario.
Zoom avanti/indietro: effettua l'ingrandimento/rimpiccio-limento della fotto.
Sposta vista: sposta la Foto in modalità zoom.
2. Musica
Ascoltare la musica

Premere per selezionare un'opzione nel menu e premere OK per attivarla.
Premere / per selezionare la musica e premere OK per riprodurla.
Ripetizione: selezionare la modalità di ripetizione tra Ripeti tutto, Ripeti 1, Ripeti nessuno.
Ricerca: programmà la riproduzione della musica a partire dal tempo impostato.
Premere OK per visualizzare l'orario impostato e selezionare la posizione con i tasti , impostare l'orarioutilizzando i pulsanti numerici del telecomando, selezionare "OK" e premere OK per la ricerca.
Screensaver: premere il pulsante BLU per accedere alla modalità Screensaver, premere un tasto qualsiasi per uscirne.
3. Film
Guardare un film

Premere per selezionare I'opzione nel menu e pre-mere OK per attivarla.
Ripetizione: selezionare la modalità di ripetizione tra Ripeti tutto, Ripeti 1, Ripeti nessuno.
Imposta A-B: selezione e riproduce la parte preferita del file impostando il punto iniziale (A) e quello finale (B). Premere OK per annullare.
- Playlist: visualizza l'elenco di riproduzione sullo schermo.
Info: visualizza le informazioni sul file del filmato.
Rallentatore: Riproduce i film a rallentatore, premere il pulsante T per annullare e riprendere la riproduzione a velocità normale.
Avanzamento fotogramma: con esta opzione è possibile spostarsi rapidamente all'internalo del film
Ricerca: programmà il film alla posizione temporale impostata.
Zoom avanti/indietro: effettua l'ingrandimento/rimpiccio-limento del film.
Rapp.formato: imposta il rapporto d'aspetto dello schermo.
Sposta vista: Sposta l'area ingrandita dell'imagine.
4. Testi
Visualizzare file di testo

Premere per selezionare un'opzione nel menu e premere OK per attivarla.
Pagina Prec/Succ: passa alla pagina precedente/successiva del testo.
Prec/Succ: passa al file precedente/successivo.
Stop: interrompe l'avanzamento automatico delle pagine.
Musica: riproduce/mette in pausa la musica di sottofondo scelta.
[ \text{Playlist: visualizza l'elenco di riproduzione sullo schermo.} ]
Info: visualizza le informazioni sul file di testo.
GUIDA ALLA RISOLUZIONE DEI PROBLEMI
Per individuare possibili guasti,utilizzare la seguente guida.
| PROBLEMIA | SOLUZIONE |
| Assenza di immagini e suoni | Verificare che il televisore sia connesso correttamente e che sia adeguatamente alimentato. Verificare che l'alimentazione sia accesa. |
| Assenza di immagini | Assicurarsi che il televisore sia acceso. Verificare che i cavi siano fissati corretta-mente. Assicurarsi che le sorgenti antenna o esterne siano collegate. Premere il pulsante SOURCE per cancellare sorgente. Accendere e spegnere il teilevisore. |
| Assenza di audio | Premere il pulsante MUTE e verificare se il volume è azzerato. Cambiare canale e videere se si ripresenta lo stesso problema. Premere il pulsante V+ per aumentare il volume. |
| Assenza di immagini in certi canali | Verificare che il canale corretto sia selezionato. Regolare l'antenna. |
| Assenza di colore in certi canali (immagini in bianco e nero) | Verificare se il problema interessaanche altri canali. Assicurarsi che siano selezionate le corrette impostazioni d'imagine. |
| Disturbi, neve, immagini sfocate. | Verificare che l'antenna sia collegata correttamente. Verificare che l'antenna sia in buone condizioni. Provarare a spostare l'antenna. |
Se nessuno dei suggerimenti dovesse funzionare, provare a spegnere e riaccendere il teilevisore. Se il problema persististe, rivolgersi all'assistenza tecnica.
NOTA: il tevisore deve essere riparato solamente da personale d'assistenza qualificato. Non tentare di rimuovere il pannello posteriore del tevisore in quanto all'interno è presente tensione pericolosa che può provocare incendi o morte.
SPECIFICETECNICHE
Le specifiche del tevisore appena acquistato possono differire delle informazioni presenti nella segunte tabella a causa di innovazioni tecniche.
Specifiche del teilevisore
| Sistema TV | PAL/BG/DK/ I |
| Sistema audio | BG/DK/ I |
| Dimensioni dello schermo | 26 pollici (diagonale) |
| Risoluzione | 1920 x 1080 Pixel (RGB) |
| Ingresso antenna | 75 Ohm (non bilanciati) |
| Potenza audio in uscita | 2 x 5W |
| Requisiti d'alimentazione | AC 100 - 240V 50/60Hz |
| Consumo elettricon | 31W |
| Consumo elettrico in standby | <0.5W |
| Peso | 7.0kg |
Specifiche del telecomando
| Tipo | infrarossi |
| Distanza di controllo | 5m |
| Angolazione di controllo | 30 gradi (orizzontale) |
| Batterie | 2 x 1,5V, AAA |
| Dimensioni | 48 x 193 x 20 mm |
| Peso | 90g (senza batterie) |

Montaggio a parete
- Il supporto delve prima essere rimioso. Posizionare il teilevisore con lo schermo rivolto verso il basso.
- Rimuovere le cinque viti sul retro del teilevisore per sbloccare la parte rimanente del supporto.
- Rimuovere e riporre supporto e viti.
- Utilizzare quattro viti per fissare il tevisore alla staffa.
L'unità è conforme VESA e progettata per il montaggio a parete con kit di montaggio conforme VESA da 100mm x 100mm. Montare l'unità seguendo le istruzioni per la staffa a parete (non fornita)

4 for di montaggio per viti M4 x 12
Riciclaggio dei rifiuti elettrici
Smaltimento corretto del prodotto

Questo symbolo indica che il prodotto non può essere smaltito con i normali rifiuti domestici. Il cliente è responsabile del riciclaggio e della raccolta differenziata di questo tipo di prodotti. Portare il prodotto nei punti di raccolta adeguati affinché sua possibile riciclare i componenti elettrici ed elettronici. Se non si
sa dove portare i propri rifiuti per il riciclaggio, rivolgersi all'ufficio ambiente del comune o all'azienda di raccolta dei rifiuti urbani.

Il simbolo del cestino dei rifiuti con la croce indica che batterie e/o accumulatori vanno raccolti e smaltiti separatamente dai rifiuti domestici.
Hg Cd Pb
Qualora la batteria o l'accumulatore contenga quantità di piombo [Pb], mercury (Hg) e/o cadmium (Cd) superiore a quella definite nella Direttiva sulle batterie (2006/66/CE), alla appariranno i symboli chimici Hg Cd Pb per piombo [Pb], mercury (Hg) e/o cadmium (Cd) appariranno quello al simbolo del cestino.
Partecipando alla raccolta differenziata delle batterie, si assicura il corretto smaltimento di prodotti e batterie eosi si prevengono consequences potenzialmente negative per l'ambiente e la salute umana.
Per maggiori informazioni sulla raccolta e i programmi di riciclaggio disponibili nel proprio Paese, rivolgersi alle autorità locali o al negazio dove avete acquistato il prodotto.
Questo dispositivo è conforme alle direttive europee in materia di sicurezza ed elettricità.

Questo prodotto è conforme ai seguenti regolamenti UE:
EN 55022:2006+A1:2007
EN 55013:2001+A1:2003+A2:2006
EN61000-3-2:2006+A1:2009+A2:2009
EN 61000-3-3:2008
EN55024:1998+A1:2001+A2:2003
EN 55020:2007
Produttore:
Garanzia del produttore
Graie per aver acquistato quello prodotto moderno! Tramite esso, speriamo di poterVi offrire ore e ore d'intrattenimento! La produzione di quello dispositivo avviene con un processo complesso che nei monitoriamo attendamente con costanti controlli di qualità. Qesti controli ci consentono di garantire l'alta qualità dei nostri prodotti. In agli caso, in presenza di malfunzionamenti, offriamo una garanzia della durata di 2 anni alla data d'acquisto, alle seguenti condizioni:
- Questa garanzia non influisce sui diritti di reclamo del cliente nei confronti del venditore Tali diritti non vengono limitati da la garanzia del produttore.
-
Questa garanzia del venditore è valida unicamente per un utilizzo privato del disposito e all'interno della Svizzera.
-
La durata della garanzia è di 2 anni dalla data d'acquisto.
- Durante tale periodo di garanzia offrirre mo un'assistenza gratuite a oura discrezione: sono previsti sa la riparazione del dispositivo sa ilchio con un alto di valore simile. Ci faremo carico dei costi di lavorazione, materiali e trasporto del dispositivo all'interno della Svizzera.
- Nel caso in cui si desiderasse inoltrare un reclamo, contattare prima il nostro numero d'assistenza. Qui un miglioramento Vi comunercherà casa fare per usfuquire del servizio di riparazione del dispositivo.
Épossiblecontattare l'assistenza tecnica al seguente numero
044/5087278
o scriverci all'indirizzo:
Sertronics AG
Fegistrasse 5
- Tenere a portata di mano una prova d'acquisto. Sarà sufficiente accludere al dispositivo la prova d'acquisto al momento della spedizione. Purtroppo, perché una prova d'acquisto non sarebbe esserequire alcun servizio Gratis in garanzia. Nel caso in cui il dispositivo venga spedito perché esta prova, la riparazione avverrà a pagamento. In quello caso, se si dovesse decidere di non far riparare il dispositivo, l'apparecchio verrà restituito al mittente. Inoltre, verrà richiesto il pagamento di una tariffa fissa per il trasporto e ilprevento.
- I componenti sostituite rimarranno presso il nostro centro assistenza e verranno distrutte a notre discrezione.
- La garanzia diventa nulla nel caso in cui il cliente, o terme parti non escludamente autorizzate da moi, apra il disposativo e/o apporti modifiche adesso.
- I seguenti casi non sono coperti alla garanzia:
errata manipolazione
danni meccanici al dispositivo causati da fattori esterni
danni imputabili al trasporto
■ difetti causati da un utilizzo improprio del prodotto
■ errors di utilizzato
utilizzato del dispositivo in ambienti umidi o all'esterno
■ malfunzionamenti di parti e componenti soggetti a usura (es. batterie, batterie ricaricabili, ecc.)
danni imputabili a eventi di forza maggiore, acque, fulmini, sovratensione o ad altre cause al di fuori del nostro controlo
danni causati da utilizzo eccessivo, soprattutto in caso d'impiego diverso da quello privato
dell'inosservanza delle istruzioni di utilizzo dell'apparecchio
se il disponivo non presente difetti tecnici
per errors di pixel compresi nei valori di tolleranza prestabiliti dalso standard ISO 9241-307 (errori di pixel di classe II).
In caso di assenza del numero d'identificazione e/o del numero di serie.
- 1Allo scopo di verificare il reclamo e di garantire la corretta lavorazione, Vi chiediamo di inviarci tutto il contento della confezione, compresi tutti gli accessori. [es. Telecomando, supporto, supporto per il montaggio a parete, cavo A/V, ecc.]
- La garanzia non copre altre responsabilità da parte nostra, in particolare i danni non originati dal dispositivo stesso o eventuali perdite legate alla spedizione del dispositivo malfunzionante per la riparazione (es.osti di trasporto, di manipolazione, ecc.) Le nostre responsabilità legali, in particolare sulla base della normativa in materia di responsabilità del prodotto, non sono esclude ne' subiscono alcuna influenza.
12.12a data di restituzione del prodotto riparato, o dell'eventuale sostituzione di componenti, non estende il periodo di garanzia或者其他 2 anni alla data d'acquiretivo.
Limitazioni di responsabilità
Ai sensi della presente garanzia, in caso di negligenza lieve la responsabilità è limitata all'entità dei danni tipici e prevedibili in base al contratto. Qualora il cliente sa un imprenditore, escludiamo la nostra responsabilità in caso di violazioni semplici di obblighi contrattuali non essenziali dovute a negligenza.
Le suddette limitazioni di responsabilità non riguardano i diritti del cliente per quanto riguarda la responsabilità sul prodotto. Non valgono inoltre in caso di danni fisici, implicazioni sanitarie a moi imputabili odecesso del cliente."
ManualeFacile