KD43XG8096 - Televízió SONY - Ingyenes használati útmutató
Találja meg az eszköz kézikönyvét ingyenesen KD43XG8096 SONY PDF formátumban.
Töltse le az útmutatót a következőhöz Televízió PDF formátumban ingyenesen! Találja meg kézikönyvét KD43XG8096 - SONY és vegye vissza elektronikus eszközét a kezébe. Ezen az oldalon közzé van téve az eszköze használatához szükséges összes dokumentum. KD43XG8096 márka SONY.
HASZNÁLATI ÚTMUTATÓ KD43XG8096 SONY
Szerelési információk a Sony fali konzol (SU-WL450) használatahoz
Támogatott modelelek:
KD-75XG80□□*/65XG81□□*/65XG80□□*/55XG81□□*/
* Az adott típusnévben szereplö „□□" a típusra jellemzǒ számokat és/vagy karaktereket jalöli.
Vásárlóink figyelmébe
Termék-és baleset-biztonsági okokból a Sony azt tanácsolja, hogy a tv-készülék üzembe helyezését
Sony visontelado vagy alvallalkozó Hajtsa végre. Ne kiserelje meg a termek onallo felszerelését.
Sony visonteladok és alvallalkozók figyelmébe
A termek üzembe helyezékor, rendszeres karbantartásakor és vizsgálatakor maradéktalanul
tartson be mindedBiztonsagi oivintézkedest.
A keszülk felszerelése megfelelo szaktudast igenyel, kulönosen a tv-keszülk sulyat tartó fal teherbirásanak megallapítasát illetöen. A keszülk falra rogzítését mindigBizza Sony visonteladora vagy alvállalkozóra, és szereleskor ügyeljen a biztonságra. A Sony nem vällal felelosséget a gondatlan vagy szakszerültlen szerelesból eredő személyi sérülésekér tavy anyagi károkér.
ABiztonsag es a megfelelo felszerelés erdekében kovesse a fali konzol kezelési utmutatojat, a
TV-beallitasi utmutatot es a jelen kezikonyv utasitasait.
Biztonság
Koszönjuk, hovy ezt a keszüléket vásárolta meg.
Vásárlóink figyelmébe
A termek felszerelsehez megfelelo
tapasztalat szukseges. A zerelest a Sony
viszonteladoja vagy szerzodott
alvallkozja végéze, kūlōns
tekintetel a zerelese bizzonságára. A
Sony nem teheto felelossé a helytelen
kezelésból vagy a helytelen szerelésból,
illetve a megadott termektól elteró
termek felszerelseból adó do semmilyen
anyagi kárét vagy szemelyi sérolésert.
Az On törvenyes jogait (ha vannak) ez
nem erinti.
Sony viszonteladok szamara
A termek felszerelsehez megfelelo tapasztalat szukseges. ABiztonsagos munkavegzs erdekuben alapasan olvassa el zet az utmutat. A Sony nem teheto felelosse a helyten kezelés es szereles miatt bekovtekezett semmilyen karert vagy serulésert. Kjeruk, a szerelés befejezese utan ezt az utmutatot adja at a fogyasztonak.
Ez a hasznalati utmutató a termek helyes kezelesét, ilteve a fontos balesetvedelmi intezkedeseket mutatja be. Alaposan olvassa el ezt az utmutató, es hasznalja megfeleloen a termeket. A késobbi hasznalat celjara orizze meg ezt az utmutató.
A Sony termekeinek tervezese aBiztonsag szem elott tartasaval tortenik. A termekek helytehen hasznalata azonban sulyos egesi serulest, aramutest okozhat, a terme feldohet vagy leeshet. Az ilyen balesetak ekerulse erdekuben tartsba a Biztonsagi elorirasokat.
VIGYAZAT
Meghatározott termékek
Ez a fali konzol a megadott tv-keszülékekhez hasznalhato. Tv-keszülékek esetében a hasznalhato fali konzol tipusat kászülék Referencia utmutatója tartalmazza.
Vásárlóink figyelmébe
FIGYELMEZTÉS
A kovetkezōBiztonsági elóirások be nem
tartasa súlyos égési sérlésist, halal't,
aramutest okozhat, a termek pedig
leeshet.
A szerelést erre felhatalmazott vallalkozó vegezze, és a gyerekeket tartsa távol a szereles helyszinétől.
A fali konzol vagy a tv-keszülk helytelen felszerelëse eseten a kõvtekez ßaalseketek kõvtekzehtnete k. A szerelest felhatalmazott vallalkozónak kei vegezie.
A tv-keszulek leeshet, es sulyos serulest, zuzodast vagy torest okozhat.
Ha a fal, amelyre a fali konzolt felszerelik, nem stabil, egyenetlen, vagy nem meroleges a padlozatra, akkor a keszulek leeshet, es szemelyi seriulest vagy anyagi kart okozhat. A falnak legalabba tv-keszulek sulyanak negyszereset kell ebirnia.
(A tv-keszülk sulyat lasd a keszülk Referencia utmutatójaban.)
Ha fali konzol feilerosite nem eleggereos, akkor a keszulek leeshet, es szemelyi serulest vagy anyagi kart okozhat.
A tv-keszülék szállításátés levételet erre felhatalmazott vallalkozó végezze.
Ha a tv-keszülek szállításat vagy levételet
nem felhatalmazott Vallalkozó vegzi, a
keszülék leeshet, és személyi sérúlest vagy
anyagi kart okozhat. Ügyeljen rá, hógy ketto,
vagy tòbb személy (75 húvelykes, vagy annal
nagyöb televizio eseten harom vagy tòbb
személy) szállitsa vagy szerelje le a teviziót.
A tv-keszülk felerösítése utan ne távolítsa el a csavarokat stb.
Ellenkező esetben a tv-keszülék leeshet, és személyi sérlésst vagy anyagi kárt okozhat.
A fali konzolt ne szereljeszt, es az alkatreszeit nevaltoztassa meg.
Ekkor a fali konzol leeshet, es szemelyi sérulést vagy anyagi kart okozhat.
A fali konzolraCsak a megadott keszülkete erösítse fel.
Ez a fali konzolCsak a megadott keszulekekhez hasznalhato.Mas keszulek felorositese seten a keszulek leeshet, eltorhet, es szemelyi serulest vagy anyagi kart okozhat.
A fali konzolraCsak a tv-keszüléket erösítse fel. E Ne rázza a tv-t jobbra/ balra, felfelé/lefelé.
Ilenkez esetben a tv-keszulek leeshet, es szemelyi serulest vagy anyagi kart okozhat.
Ne tamaszkodjon a tv-keszülékre, és ne kapaszkodjon bele.
Ne tamaszkodjon a tv-keszülékre, és ne kapaszdkodjon bele, mert a tv-keszülék Onre eshet, és sulyos serülest okozhat.
VIGYAZAT
Az alabbiBiztonsagi elorasok be nem tartasa szemelyi serulent vagy anyagi kart okozhat.
A keszülék tisztítsa vagy karbantartasa soran ne alkalmazzon tul nagy erőt.
Ne nyomja meg nagy eróvel a tv-készülék felső résztét. Ellenkező esetben a tv-készülék leeshet, és személyi sérulésst vagy anyagi kárt okozhat.
Biztonsági elóirások
Ha a fali konzolra erositet tv-keszuleket hossz ideig hasznalja, akkor a fal anyagatol fuggoen a tv-kszulek mogt vagy felett elszinezodhet a falfelulet, a tapeta levhat.
Ha a fali konzolt leszereli, a csavarfuratok megmaradnak.
- Ne használá j a fali konzolt oyan helyen,
ahol mechanikai rezgésnek lehet kiteve.
A fali konzol felszerelése
Sony viszonteladok szamara
FIGYELMEZTETÉS
A kovetkezó utmutatasokCsak a Sony viszonteladok szamara szolnak. Feltétlenul olvassa e fenti bitzonsagi elorasokat, es a keszulek felszerelse, karbantartasa ellenorzese soran fokozottan ugyeljen abiztonsagra.
A fali konzolt ne szerelje fel oyan helyen, ahol a tv-keszülk sarkai vagy oldalai kiloghatnak a fal sikjából.
A falra fuggeszt o konzolt ne szerelje fel oyan falfelületre, peldául oszlopra, ahol a tv-keszülk sarkai vagy oldalai kiloghatnak a fal sikjából. Ha egy személy vagy târgy a tv-keszülk kiáló sarkába vagy oldalába utközik, az személyi serülest vagy yangi kart okozhat.

A tv-keszüléket ne szerelje légkondiconaIó alá vagy fölé.
Ha a tv-keszuleket hosszü ideig éri a légkontdioncionalból csepgő viz vagy a levegoğáram, az aramütest okozhat, vagy a tv-keszulek helyteplenül mückedh.
Ugyeljen a fali konzol ennek a hasznalati utmutatonak megfelelo, biztansagos falra rogzitésere.
Ha barmelyik csavar laza, vagy kiesik, akkor a fali konzol leeshet, es szemelyi sérulést vagy anyagi kart okozhat. A fal anyaganak megfelelo csvart hasznalja, es az egységet négy vagy tobb 8 mm atmérojú (vagy azzal egyenérétékú) csavarralBiztonsagosan roğztse a falra.

A mellekelt csavarokat
és csatlakozoelemeket
hasznalja,és tartsa be
a hasznalati utmutato
utasításait. Ha mas
alkatrészeket hasznal,
akkor a tv-készülék
leeshet,és személyi
sérulést okozhat, vagy
a tv-készülék
megsérülhet.
A fali konzolt a hasznalati utmutato utasitásainak szigó betartásával, helyesen szerelje össze.
Ha valamelyik csavar laza, vagy kiesik, akkor a tv-keszulek leeshet, es szemelyi sereulest okozhat, vagy megserulhet.
A megfelelo poziciokban erosen huzza meg a csavarokat.
Ennek elmulasztasa eseten a tv-keszulek leeshet, es szemelyi sérulést okozhat, vagy megserülhet.
Ugyeljenarra,hogy felszerelés kozben ne erje utes a tv-keszuleket.
Ha a tv-keszuléket utés éri, akkor leeshet vagy eltörhet. Ez személyi serulést okozhat.
A tv-keszüléket oyan sik falra szerelje fel, amely meröleges a padloźatra.
Ellenkező esetben a tv-keszülék leeshet, és személyi sérülés okozhat.
A tv-keszülék helyes felerösítese után megfeleloen rogzítse a kábeleket.
Ha a kábelek amberbe vagy tárgyakba gabalyodnak, az személyi sérulést okozhat, és a tv-készülek megrongálódhat.
Ugyeljenarra, hogy a halózati kabel vagy a csatlakozókábelek ne csiþödjenek be.
Ha a halózati kabel vagy az összeköto
kábelek a készülék és a fal koze csipodnek,
iltelete eroszakosan meghajlitják vagy
megcsavarják öket, akkor a belső verzetekek
szabadda valhatnak, és rovidzárlat vagy
szakadás következhet be. Ez tuzet vagy
aramütest okozhat.

A fali konzol falra erositéséhz szükségescavarok nincsenekmellekelve.
A fali konzol falra erositéséhez használa j a fal anyaganak és szerkezeténk megfelelo csavarokat.
Tartalomjegyzék
A felszerelés elokészületei 5
Az alkatreszek ellenorzese 5
A felszereléshez megfelelo hely kivalasztasa. 6
Az alap falra szerelése 8
A televiziokeszülk felszerelésenek
előkészítésé
9
KD-75XG80□□ 9
KD-65XG81□/65XG80□ 10
KD-55XG81□□/55XG80□□ 11
KD-49XG81□/49XG80□/43XG81□/43XG80□
A tv-keszülk felszerelése a falra 14
KD-75XG80□□ 14
KD-65XG81□□/65XG80□□/55XG81□□/55XG80□□/49XG81□□/49XG80□□/43XG81□□/43XG80□□
A felszerelés megfeleloségének
ellenörzese. 19
Egyeb informaciok. 19
Muszaki adatok. 19
A televíókészülék falraszerelése
A szerelési utasítások televíókészülékenként elternek.
A tv-keszülk falra szerelesehez használja az SU-WL450 fali konzolt.
Megegyzés
Ha az asztali allvany a tv-keszulékhez van rogzítve, elször valassza le az asztali allványt. Tekintse meg a Beallitasi utmutató, es az asztali allvany levaliasztáshoz kövesse a lépèseket forditott sorrendben.
- Amikor levalasztja az asztali allvanyt a tv-keszulékról vagy rögzítia fali konzol csatlakozóelemeit, az LCD képernyő feluletények védelme érdekében helyezze a tv-keszuléket a képernyőjével lefelé egy stabil, vizszintes munkafelületre, amelyet letakart egy vastag, puha ruhával.
- Az eltavolitott csavarokat biztos helyen, gyermekek elol elzarva taroja.
A felszerelés előkészületei
A felszerelés elott keszítse el o a TV referencia utmutatóját es a beallitási utmutatóját.
- A szereles megkezdese elott keszitsen elo olyaan kereszthornyos (Philips) csavarhuzot, amely illik a csavarokba.
Dontse el, hol helyezkedjen el a tv-keszulék.
Keszitsen elo négy vagy tobb 8 mm atmérojü, es egy 5 mm atmérojü vagy annak megfelelo csavart (nincs mellekelve). A fal anyaganak megfelelo csavarokat valasszon.
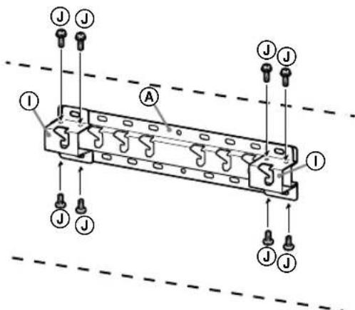
Az alkatrészek Ellenőrzésé
A SU-WL450 modellhez mellekelve
Ellenorizze, hogy minden alkatresz megtalalhato-e.
| A Alap (20) (1) B Tárcsa (2) | |
| ◎ PSW 6x20 (4)◎ PSW 4x20 hüvellyel (2) | |
| ◎ Távtartó (20) (2)◎ Pánt (1) | |
| ◎ Hüvely (20) (M4) (2) | ◎ PSW 4x20 (2) |
| ① Alap illesztőkeret (2) | ◎ PSW 4x10 (8) |
| ◎ Távtartó (60) (2) | PSW 6x50 (2) |
| ◎ Hüvely (M4) (2)◎ PSW 4x50 (2) | |
A felszereléshez megfelelo hely kivalasztása
1 Hatarozza meg a felszerelés helyét.
Győzödjön meg arról, hogy a falon elegendo hely van a tv-készüléknek, illetve hogy a fal legalabb a televíziókészülék sulyanak négyszeresét képes megtartani. A következő tablázat alapján szerelje fel a tv-készüléket a falra. A tv-készülék sulyat lásd a készülék Referencia utmutatójaban.
Normal rogzítés Falhoz közeli rögzítés

Mertékegység: mm
| Típusnév | A képernyő méretei | A képernyő bözeppontjának helyét meghatározó méret | A felszereléshez tartozó hosszérték | |||
| a | b | c | d | e | ||
| Normál rögzítés | Falgöz kõzeli rögzítés | |||||
| KD-75XG80□□ | 1686 | 970 | 202 | 690 | 142 | 100 |
| KD-65XG81□□ | 1463 | 845 | 173 | 597 | 142 | 100 |
| KD-65XG80□□ | 1463 | 845 | 173 | 597 | 142 | 100 |
| KD-55XG81□□ | 1241 | 721 | 95 | 460 | 141 | 100 |
| KD-55XG80□□ | 1241 | 721 | 95 | 460 | 141 | 100 |
| KD-49XG81□□ | 1101 | 645 | -15* | 314 | 119 | |
| KD-49XG80□□ | 1101 | 645 | -15* | 314 | 119 | |
| KD-43XG81□□ | 970 | 570 | 23 | 315 | 119 | |
| KD-43XG80□□ | 970 | 570 | 23 | 315 | 119 | |
- A tartó a képernyő közeppontja alatt van.
Megegyzes
A felszerelestof fuggoen a tablazat adataihoz képest kisebb elteres mutatkozhat.
Ha a tv-keszuleket falra szereli, a tv felso oldala enyhén elore dol.
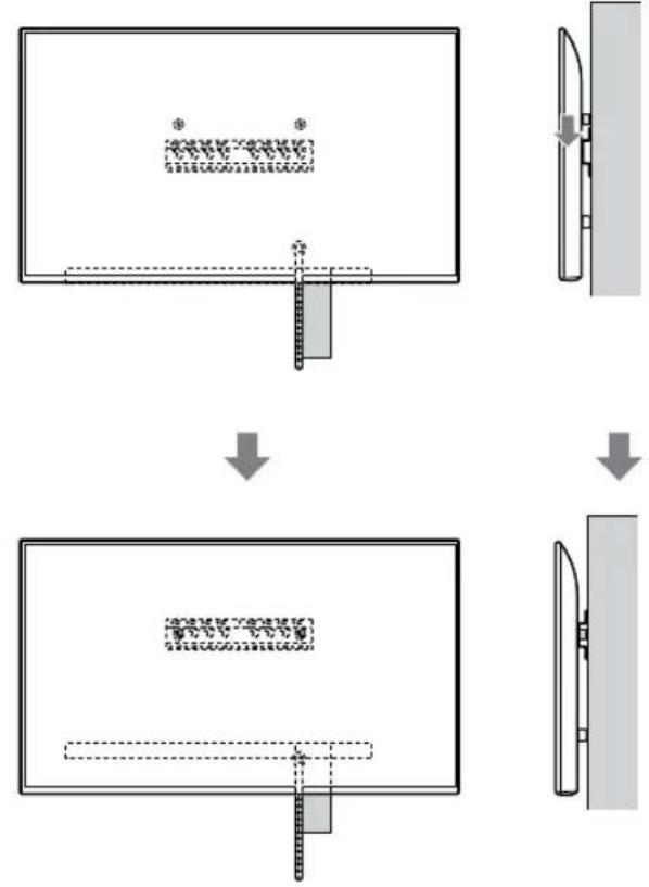
Ugyeljenarra, hogy a televiziokeszülék és a plafon, valamint a fal kiálo részei kozott legalabb az alábbi abrán lathato hely maradjon.
Mertékegység: mm

A megfelelo szellozesBiztositasa, es por vagy szennyezodés felhalmozodasanak megelozese erdekében:
- Ne üzemeltesse a tv-keszüléket fektetve, fejjel lefelé felszerelve, a határa vagy az oldálára fordíva.
-
Ne uzemeltesse a tv-keszüléket polcon, ágyra vagy takaróra helyezeve, illetve szekrenyben.
-
Ne takarja le a tv-keszüléket fuggönnyel vagy hasonlo textiliával, illetve ujsaggal vagy hasonlo anyaggal.
-
Ne szerelje fel a tv-keszuleket az alabbi módon.
Gátolt levegoáramlás.

Megjegyzes
Ha a kábeleket a falban kivánja elvezetni, akkor még a szereles megkezdéselottfurjia ki azükséges lyukat a falon.
Keszitsen egy lyukat a falban valahol az alap (20) A, alap illesztokeret 1 es a tavtarto (20) E, a tavtarto (60) K teruleten kivul ahhoz, hogy elkerulje a kabelek becsipodését.
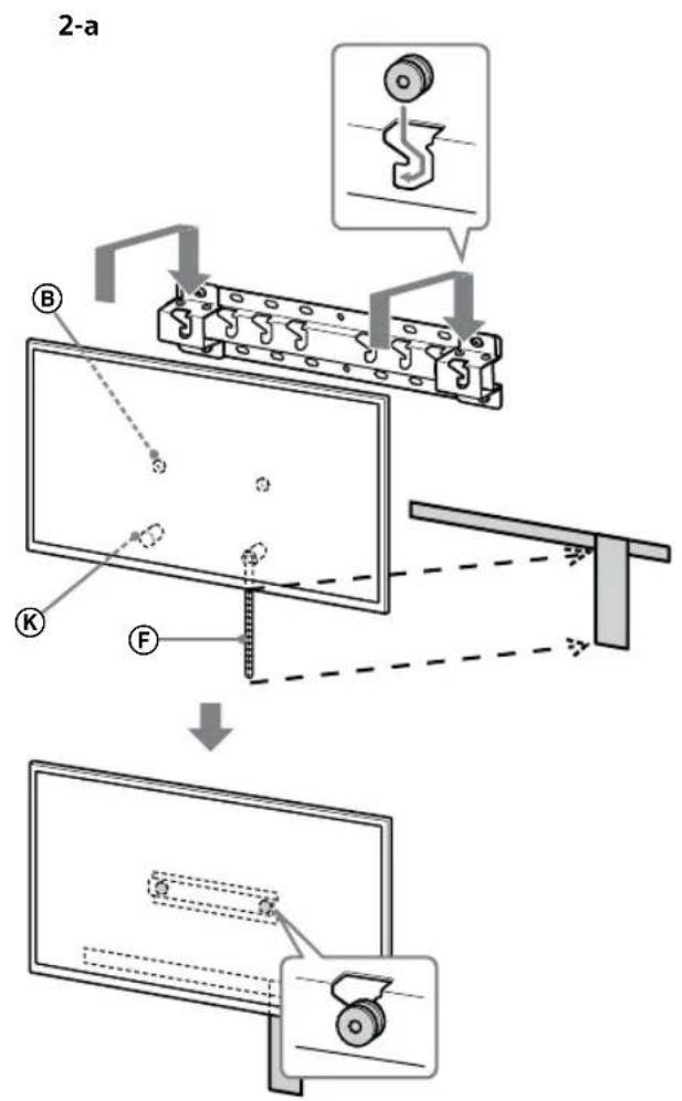
2 Valassza ki a falra valo felszerelés stilusát. A tv hatulja és a fal kozotti ravolság az alábbiak szerint valaszthato ki.
2-a Normál rögzítés
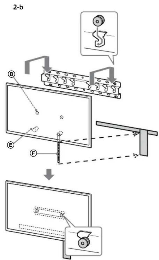
2-b Falhoz kozeli rogzítés
Tekintse meg az 1. lépésben lathato tablázatot.
FIGYELMEZTETES
A 2-b lehtoseg valasztasa eseten a hatulso csatlakozokhoz valo hozzaferes korlatozott.


3 Az alap illesztőkeret
elhelyezésével kapcsolatban
tekintse meg az alábbi
táblázatot. A 2-b lehetőseg
valasztása esétén hagyja ki ezta
a lépást.
| Típusnév Kampól helye | |
| KD-75XG80□□ | |
| KD-65XG81□□ | b |
| KD-65XG80□□ | |
| KD-55XG81□□ | |
| KD-55XG80□□ | |
| KD-49XG81□□ | c |
| KD-49XG80□□ | |
| KD-43XG81□□ | d |
| KD-43XG80□□ | |

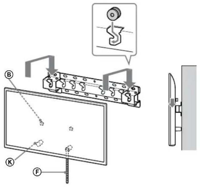
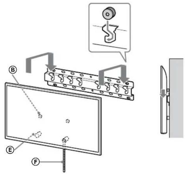
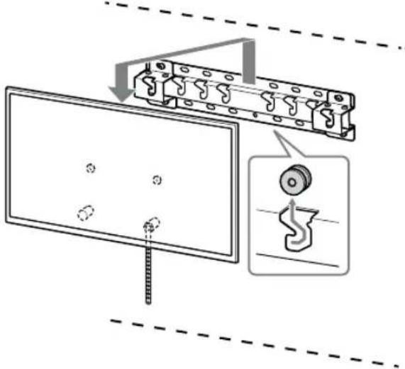
Illessze fel az ① alap
illesztőkeret a ② csavar (PSW 4x10) használatával az (20) ④
alapra, ha a 2-a lehetőseget
választotta.

4 Hatarozza meg a csavarok helyét az alap (20) felszereléséhez.
Tekintse meg a muszaki adatokat az 19. oldalon.
A 2-a lehetoseg valasztasa eseten hasznalja az ① alap illesztokeret furathelyit.
FIGYELMEZTETES
A tevekeszuleket tartofal teherbirasanak akkoranak kell lennie, hogy legalabb a keszulek tomegenek negyszeroset elbirja (A tv-kszulek sulyat lasd a keszulek Referencia utmutatojaban.).
Deritse ki, mekkora a teherbirasa a falnak, amelyre a televiziokeszuléket szerelni kivanja. Szukseg eseten megfeleloen erositse meg a falat.
Az alap falra szerelése
- Használjon négy vagy tòbb 8 mm átmérojú vagy annak megfelelo csavart (nincs mellekelve).
Illesszen négy csavart az ① alap illesztókeret furataihoz és az (20) A alaphoz (csak 2-a).
Vizszintesen szerelje fel az (20) alapot a falra.


A televiziókészülék felszerelésenek elokésztítese
Az allvany felszereléserol lásd a beallitási utmutató.
KD-75XG80□□
1 A felszerelés tervezett helyét jelölje meg a falon.
Hasznaljon maszkoloszalagot, vagy egyeb eszkozt (nincs mellekelve) ahhoz, hogy a televizio helyet bejelolje az alap vagy az alap illesztokeret kozelben. Tajekoztatasul hasznalja a kovetkez to tablazatot.

Mertékegység: mm
| Típusnév | Megjelött hossz | A képernyő bözeppon-tjának helyét meghatáro-zó méret |
| a | b |
KD-75XG80□□1686564150202
2 Csatlakoztassa a fali konzol
csatlakozoelemeit. Ellenorizea
csatlakozoelemeket a 5.
oldalon talalhato, "Az
alkatrészek ellenorzese" cimu
szakasz "A SU-WL450
modellhezmellekelve" részenek
segitségével.
Megjegyzés
Acsavarok hasznalatal val szorosan rogzitse a csatlakozoelemeket.
Elektramos csavarbehajto hasznalata eseten kb 1,5 N-m 15kgf· cm meghuzasi nyomatekot kell beallitani.
A felhasznalt, vagy fel nem hasznalt alkatreszeket bizi t helyen tarolja a kesobbi felhasznalashoz. Orizze meg ezt a kezikonyvet kesobbi hasnalaatra.

Normál rögzítés (2-a)
- A televizio hatuljan talalhato terminalok kozul nephanayat nem lehet hasznalni, ha ezt a rogzitesei stilust hasznalja.


3 Csatlakoztassa a szükséges kabel(eke)t a tv-készülékhez.
Mindenképpen csatlakoztassa a kábeleket, mielott felszereli a televiziokészuleket a falra. A televiziokészulek felszerelése utan már nem tudja csatlakoztatni a kábeleket. Tovabbi részletek a tv-készulékról annak Referencia utmutatójaban talalhatok.
Megegyzés
A kábelek falban valo elvezétésétBizza jovahagyással rendelkezó alvallalkozóra.
Kötegelje a cislatakozókábeleket annak érdekében, hogy ne lépjen rajuk a falra történ felszerelés elott.
4 Valassza le az asztali allvanyt a tv-keszulekról.
- EgyszerreCsak az asztali allvany egyik oldalat tavolitsa el. Fogja meg erosen esARTsa megBiztonsagosan az asztali allvanyt mindket kezevel, mikozben a tobbiek felemelik a televiziot.

Ismételje meg az eložo lépestre, est távolítsa el az asztali allvany masik oldalát.
Megegyzés
Az asztali allvany levalasztasahoz harom vagy tobb szemely szukseges.
- Ugyeljen arra, hogy az asztali allvany televiziórol tortenó levalasztásakor ne alkalmazzon tú nagy eröt, mert az a televizio leeséséhz ezethet, ami személyi serulést vagy a televizio fizikai károsodásat eredményezheti.
Az asztali allvany kezelésekor legyen ovatos annak erdekében, hogy elkerülje a televizio serulését.
A televizio megemelésekor legyen ovatos, mivel az asztali allvany levaliasztasa utan az asztali allvany felborulhat eszemelyi serulest okozhat.
Legyen ovatos, amikor az asztali allvanyt levalasztja a televizirol, nehogy az felboruljon es kart tegyen abban a feluletben, amin a televizio all.
KD-65XG81□□/65XG80□□
1 Csatlakoztassa a fali konzol
csatlakozóelemeit. Ellenőrizze a
csatlakozóelemeket a 5.
oldalon találhato, „Az
alkatrészek ellenőrzésé" című
szakasz „A SU-WL450
modellhez mellekelve" részenek
segítségevel.
Megegyzés
A csavarok hasznalatal val szorosan rogzitse a csatlakozoelemeket.
Elektramos csavarbehajto hasznalata eseten kb 1,5 N-m{15 kgf.cm} meghuzasi nyomateket kell beallitani.
A felhasznait, vagy fel nem hasznalt alkatrzeseketbiztos helyen taroIJA kesobbi felhasznalashoz.Orizze meg ezt a kezikonyvet kesobbi hasznalatra.

Normál rögzítés (2-a)
Falhoz kozeli rogzítés (2-b)
Megegyzés
A televizio hatuljan talalhato terminalok kozul nehanyat nem lehet hasznalni, ha ezt a rogzitese si stilust hasznalja.


2 Csatlakoztassa a szükséges kabel(eke)t a tv-készülékhez.
Mindenéppen csatlakoztassa a kábeleket, mielöft felszereli a televiziókszüléket a falra. A televiziókszülék felszerelèse utan már nem tutja csatlakoztatni a kábeleket. További részletek a tv-készülékról annak Referencia utmutatójaban talalhatok.
Megjegyzes
A kábelek falban valo elvezétésétBizza jovahagyással rendelkezo alvallalkozóra.
Kötegelje a csatlakozókábeleket annak érdekében, hogy ne lépjen rajuk a falra történ felszerelés elott.
3 Valassza le az asztali allvanyt a tv-keszulekrol.
- EgyszerreCsak az asztali allvany egyik oldalat tavolitsa el. Fogja meg erosen es tartsa megBiztonsagosan az asztali allvanyt mindkét kezevel, mikozben a tobbiek felemelik a televiziot.

Ismételje meg az eložo lépestre, est távolitsa el az asztali allvany masik oldalát.
Megjegyzés
Az asztali allvany levalasztasahoz harom vagy tobb szemely szukseges.
- Ugyeljen arra, hogy az asztali allvany televizióróltortenő levalaszásakor ne alkalmazzon tul nagy erö, mert az a televizio leeséhez gezethet, ami személyisérulést vagy a televizio fizikai károsodásateredményezheti.
Az asztali allvany kezelésekor legyen ovatos annak erdekében, hogy elkerülje a televizio sérulését.
A televizio megemelésekor legyen ovatos,mivel az asztali allvany levaliasztasa utan az asztali allvany felborulhat eszemelyi serulest okozhat.
Legyen ovatos, amikor az asztali allvanyt levalaszta a televiziorol, nehogy az felboruljon es kart tegyen abban a feluletben, amin a televizio all.
KD-55XG81□□/55XG80□□
1 Csatlakoztassa a fali konzol csatlakozoelemeit. Ellenőrizable a csatlakozoelemeket a 5. oldalon található, "Az alkatrészek ellenőrzese" című szakasz "A SU-WL450 modellhez mellekelve" részenek segítségevel.
Megegyzés
A csavarok hasznalatal val szorosan rogzitse a csatlakozoelemeket.
Elektramos csavarbehajto hasznalata eseten kb. 1,5 N-m 15kgf· cm meghuzasi nyomatekot kell beallitani.
A felhasznalt, vagy fel nem hasznalt alkatreszeket bizi t helyen tarojla a kesobbi felhasznalashoz. Orizze meg ezt a kezikonyvet kesobbi hasznalatra.

Normál rögzítés (2-a)
Falhoz kozeli rogzítés (2-b)
Megjegyzés
- A televizio hatuljan talalható terminálok kozül néhanyat nem lehet használni, ha ezt a rogzítési stlust használja.


2 Csatlakoztassa a szükséges kabel(eke)t a tv-készülékhez.
Mindenéppen csatlakoztassa a kábeleket, mielótt felszereli a televíozykészüléket a falra. A televíozykészülék felszerelése után mar nem tudja csatlakoztatni a kábeleket. További részletek a tv-készülékról annak Referencia utmutatójaban talalhatók.
Megjegyzés
A kábelek falban valo elvezétésétBizza jovahagyással rendelkezó alvallalkozóra.
Kötegelje a csatlakozókábeleket annak érdekében, hogy ne lépjen rajuk a falra történő felszerelés elott.
3 Valassza le az asztali allvanyt a tv-keszulékról.

Megjegyzés
A televizio megemelésekor legyen ovatos, mivel az asztali allvany levaliasztasa utan az asztali allvany felborulhat eszemelyi serulest okozhat.
Legyen ovatos, amikor az asztali allvanyt levalasztja a televizirol, nehogy az felboruljon es kart tegyen abban a feluletben, amin a televizio all.
KD-49XG81□□/
49XG80□□ / 43XG81□□ /
43XG80□□
1 Valassza le az asztali allvanyt a tv-keszülékról.

Megjegyzés
- Ügyeljen arra, hogy a tv-keszülék alá helyezzen egy puha ruhát, hogy nehogy megserüljön a kijelző felszíne.
A fali konzol felszereléskor ne használá je asztali allványból eltávolított csavarokat. - Uglyeljen arra, hogy az eltavolitott asztali allvanyt es a hozzá tartozó csavarokat biztos helyen, gyermekel elöl elzarva tárolja. Szüksége lesz ezekre, ha a tv-készüléket egy asztalon kivanja használni a jovoben. Az asztali allvány nem vásárolhato meg kulón.
FIGYELMEZTETÉS
Bekapcsolas elott gyrozodjon meg rola, hogy a tv fuggoleges helyzetben van. Ne kapcsolja be a tv-keszuleket, ha az LCD panel lefelé nez, mert a képmegjelenités egenenetlenne valhat.
Ha a tv-keszülk feluletét nyomás vagy utés éri, akkor a tv-keszülk eltörhet vagy megrónálohat.
A tv-keszüléket képernyöjel lefelé helyeze egy stabil és vizszintes felületre úgy, hogy az asztali allvány tulnyuljon a felulet szélén. Ha a tv-keszülék és az asztali allvány talpa ugyanazon a vizszintes felülen talalható, akkor a kijelzo helyzete nem lesz stabil, és ezert megserülhet a tv-keszülék.
- Amikor levalasztja az asztali allványt a tv-keszulekról, két kezzel ésBiztosan tartsa az asztali allványt.
2 Csatlakoztassa a fali konzol csatlakozöelemeit. Ellenőrizable a csatlakozöelemeket a 5. oldalon található, „Az alkatrészek Ellenőrzése" című szakasz „A SU-WL450 modellhez mellekelve" részények segítségevel.
Megjegyzés
Acsavarok hasznalatal val szorosan rogzitse a csatlakozoelemeket.
Elektramos csavarbehajto hasznalata eseten kb 1,5 N-m{15 kgf.cm} meghuzasi nyomatekot kell beallitani.
A felhasznalt, vagy fel nem hasznalt alkatreszeket biziros helyen tarojla a kesobbi felhasznalashoz. Orizze meg ezt a kezikonyvet kesobbi hasnalaatra.
Normál rögzítés (2-a)

- A televizio hatuljan talalhato terminalek kozul nehanyat nem lehet hasznalni, ha ezt a rogzitesei stilust hasznalja.


3 Csatlakoztassa a szükséges kabel(eke)t a tv-készülékhez.
Mindenéppen csatlakoztassa a kábeleket, mielött felszereli a televiziokészüleket a falra. A televiziokészülek felszerelése utan mar nem tudja csatlakoztatni a kábeleket. További részletek a tv-készülekról annak Referencia utmutatójaban talalhatok.
Megegyzés
A kábelek falban valo elvezétésétBizza jovahagyással rendelkezó alvallalkozóra.
Kötegelje a cislatakozókábeleket annak érdekében, hogy ne lépjen rajuk a falra történő felszerelés elott.
A tv-keszülék felszerelése a falra
KD-75XG80□□
1 Emelje meg a televiziót.
Annak a megvalasztahoz, hogy a tarcsak (hol csatlakozzanak az alap, vagy az alap illesztokeret tartojahoz, tekintse at "A felszereléshez megfelelohely kivalasztasa" 3.lepeseben szerepl tablazatot, a(z) 7. oldalon.
Győzódjön meg rola, hogy a televízó帽子ó része hozzaér t az alaphoz vagy az alap illesztőkerethez, amikor a televízió tartja.
Megegyzes
Tartsa mindkét kezzelBiztosan a televiziot es gyozodjon meg rola, hogy a pant F es a televizio alsoresze egy vonalban vannak a maszkoloszalaggal.
A televiziôt harom embar szalitsa és a televizóval szemben álló személy irányítsa a tobbieket a pozión beallitasa kozben.

Kiemelt ovatossagra van szukség a televizio felszerelse kozben, kulonosen annak a szemelynek a reszerol, aki aluról tamasztja meg a televiziôt, mert a keszülk leborulhat, és ez sulyos testi serulést, akár halalt is okozhat.

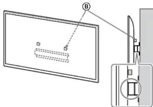
2 Szerelje fel a televiziôt az alapra vagy alap illesztőkeretre.
- Finoman csusztassa le a televiziôt, ésa televizio hatuljan levó tarcsakat (B) akassza az alapba vagy az alap illesztokeretbe, miutan megbizonyosodott a furatok megfelelo alakjáról.
- A televizióksülék falra valo felszerelése után Ellenörizze, hogy a tárcsák (B) szorosan illeszkednek-e az alapba vagy az alap illesztókeretbe.
- Ovatosan engedje el mindkét kezzel, ügyelve arra, hogy a televizio nem esikle.

- Miután a televizióf felszerelte a falra, távolítsa el a maszkolószalagot, vagy egyeb eszköket a falró.




HU
FIGYELMEZTETES
- Üglyeljen rá, hovy kettő, vagy tobb személy (75 húvelykes, vagy annál nagyobb televízió esétén három vagy tobb személy) fogja a televízió szallitás kozben.

3 Teendok a tv-keszulek aljanak elmozdulasa Ellen.
- A laza pantot F rogzitse feszesen a falhoz.


Hasznaljon egy 5 mm atmerojv vagy annak megfelelo csavart (nincs mellekelve).
Megegyzés
- Probálja a tv-keszülk ajat enyhén maga felé huzni annak Ellenörzéshez, hogy azBiztosan nem mozog-e elore. Ha mozgást tapasztal, akkor a rogzítés nem megfelelo, és a pantot Eújra szorosan fel kell erősitési.
KD-65XG81□□/
65XG80□□ / 55XG81□□ /
55XG80□□ / 49XG81□□ /
49XG80□□ / 43XG81□□ /
43XG80□□
1 Emelje meg a televiziót.
Annak a megvalasztasahoz, hogy a tarcsak (hol csatlakozzanak az alap, vagy az alap illesztokeret tartojahoz, tekintse at "A felszerelhesz megfelelohely kivalasztasa" 3.lepseben szerepl tablazatot, a(z) 7. oldalon.
Gyozodjon meg rola, hogy a televizio hatsó része hozzaér t az alaphoz vagy az alap illesztokerethez, amikor a televiziott tartja.

Megegyzes
Tartsa meg két kézzelBiztonságosan a teviziót.
2 Szerelje fel a televiziôt az alapra vagy alap illesztókeretre.
- Finoman csuszatta le a televizió, és a televizio hatuljan levő tárcsákat (B) akassza az alapba vagy az alap illesztőkeretbe, miután megbizonyosodott a furatok megfelelo alakjáról.
- A televizióksülék falra való felszerelése után Ellenörizze, hogy a tárcsák (B) szorosan illeszkednek-e az alapba vagy az alap illesztókeretbe.
- Ovatosan engedje el mindkét kézzel, ügyelve arra, hogy a televizio nem esik le.


2-a

2-b

↓

↓
FIGYELMEZTETES
- Ugyeljen rá, hogy kettó, vagy több személy (75 húvelykes, vagy annal nagyobb televizio esétén három vagy több személy) fogja a televiziôt szallitás kozben.

3 Teendok a tv-keszülek aljanak elmozdulása Ellen.
- A laza pantot F rogzitse feszesen a falhoz.


Hasznaljon egy 5 mm atmerojvagy annak megfelelo csavart (nincs mellekelve).
Megjegyzes
- Probalja a tv-keszulek ajat enyhén maga felé huzni annak Ellenörzéshez, hogy azBiztosan nem mozog-e elore. Ha mozgast tapasztal, akkor a rogzités nem megfelelo, es a pantot F ujra szorosan fel kell erositeni.
A felszerelés megfelelośégének ellenórzese
Ellenorizze a kovetkezoket.
A tárcsák ⑧ szorosan illeszkednek az alapba vagy az alap illesztőkeretbe.
- A halózati kábel és az összekö tó kábelek nem csavarodtak meg vagy csipödTek be.
A pant F feszes es nom laza.
FIGYELMEZTETES
A halozati kabel stb. nem megfelelo elhelyezese rovidzarlat miatt tuzet vagy aramutest okozhat. Ellenorizze a felszerelés megfeloségét.
Egyeb informaciók
A teviziokszülk eltavolitásakor visszaféle Hajtsa vegre az eljárast.

FIGYELMEZTETES
- Ügyeljen rá, hagy kettő, vagy tobb személy (75 húvelykes, vagy annál nagyobb televízó esétén három vagy tobb személy) fogja a televízió leszerelés kozben.
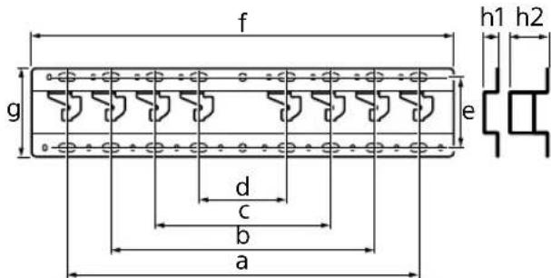
Muszaki adatok

Méretek: (kb.) [mm]
a : 400
b : 300
c : 200
d : 100
e:80
f:480
q : 100
h1:20(2-besétén)
h2:60(2-aeseten)
Suly (csak az alap): (kb.) [kg]
0.8
A forma és a muszaki adatok elózetes bejelentes nélkül megváltozhatnak.
KönnyűKézikönyv