LVF63ITB - Mosogatógépek FAGOR - Ingyenes használati útmutató
Találja meg az eszköz kézikönyvét ingyenesen LVF63ITB FAGOR PDF formátumban.
Gyakran ismételt kérdések - LVF63ITB FAGOR
Töltse le az útmutatót a következőhöz Mosogatógépek PDF formátumban ingyenesen! Találja meg kézikönyvét LVF63ITB - FAGOR és vegye vissza elektronikus eszközét a kezébe. Ezen az oldalon közzé van téve az eszköze használatához szükséges összes dokumentum. LVF63ITB márka FAGOR.
HASZNÁLATI ÚTMUTATÓ LVF63ITB FAGOR
Olvassa el ezt a használa utmutató
Tiszelt Vásárlónk!
Kerjuk, a mosogatoge hasznalata elo gyelmesen olvassa el ezt a hasznala utmutatot, mert segitseget nyujt a grep megfelelo hasznalataban es karbantartasaban.
- Őrìzze meg az utmutatôt, hogy késöbb is használni tudja.
Adja at a mosogatogep kovetkez' tulajdonosanak.
Ez a kezikonyv a "Biztonsagi ovintézkedesek", a "Használa utasfások", a "Teleptés", valamint a "Hibaelhárfás" stb. fejezeteket tartalmazza.
Mieló a szervizhez fordul
A "Hibaelhárítás" című fepezet segít Ölnek, hogynéhény gyakori problémat saját maga megoldjon.
Ha a problemat nem tutja egyedul elhartani, kerjuk, vegye igenybe egy képze szakember segtségét.
MEGJEGYZÉS:
A gyartó folyamatosan fejlesz a terméket, melyen elozetes értesités nélkül modositásokat hajthat végre.
Ezt a használa utastást a gyartótól vagy a megbio forgalmazóól kell megkapnia.
1) Biztonsági informácik. 1
2) Gyors utmutato. 2
3) Használa utmutató 3
Vezérolöpanel 3
A mosogatogép funkciói 3
4) Az elso hasznalatba vete1 elo. 4
-
Vlajyto 4
-
So betoIteSe 5
- Öblitószer-adagoló toltese 5
4.Mosogatoszer 6
5) A mosogatogepekosaranak megtoltese....9
A mosogatógep kosarának hasznalatára vonatkozo tudnivalok... 9
A mosogatogep fels' kosaranak megtoltese.. 10
A mosogatogep also kosaranak megtoltese... 10
6) Mosogatoprogram indfasa 11
Mosogatoprogramok tablazata 11
Bekapcsolás 11
Programmódostás 12
A mosogatóprogramnége utáni teendók...... 12
Amosogatogép apolasa 14
8) Teleptési utmutató. 15
Telepétési elokészítese 15
A diszpanel meretei es felszerelse. 16
Az ajtórgó beállíasa. 18
Kifolyocsevek csatlakoztatasa. 18
A mosogatogep teleptesenek lépesei 19
Elektromos csatlakoztatas. 20
Csatlakoztatas a vihalozathoz 21
Amosogatogeipindasa 22
9) Hibaelhárfasi ppek 23
Mieló a szervizhez fordul 23
Hibakódk. 24
Muszaki jellemzok 25
A kosarak bepakolása az EN50242 szabvány szerint
1. FONTOS BIZTONSÁGI INFORMÁCIO
FIGYELMEZTETÉS!
A mosogatógep használata során vegye gyelembe az alabb felsorolt ovintézkedeseket:
A keszülék házartáson belül, illetve ahhoz hasonlo környezetben hasznalható, pl.:
- uzletek, irodák és egyéb munkahelyek teakonyhájában;
-gazdaságokban;
- hotelekben, motelekben vagy más szállashelyeken a vendégek által;
- panziókban.
A keszüléket 8 év ala glyermekek nem használhatják. Idősebb glyermekek és korlátozozikai, érzékszervi vagy mentális képességekkel rendelkező, illetve a keszülékkel kapcsolatos ismeretekkel és tapasztalaal nem rendelkező személyek csak akkor használhatják, ha felügyelet ala állnak, vagy ha a keszülék biztonságos használatával kapcsolatos utmutatást megkapták, és erk a gép használatával járó kockázatakat. Ne engedje, hogy a keszüléket glyermekei játékszerkényt használják. A sztást és karbantartást glyermekek csak felnő felügyelete melle vegezhek. (Lásd: EN60335-1)
A keszüléket gyermekek vagy korlátozozikai, érzékszervi vagy mentális képességgel rendelkező, illetve a keszülékkel kapcsolatos ismeretekkel és tapasztalaal nem rendelkező személyek nem használhatják, csak ha e tevékenységüket egy, a biztonságukért felelosséget vallaló személy felügyeli és irányítja. (Lásd: IEC60335-1)
- A keszülék kizárólag beltéren, és csak háztartási célokra használható.
- Az esetleges áramütés megelózés érdekében se a készüléket, se a kábelt, se a villásdugót ne merítse vizbe vagy más folyadékba.
- Kérjuk, minded sztasi és karbantartasi muvelet elő húzza ki a gép halóza csatlakozóját.
- A sztáshoz használjon semleges mosogatószerrel benedvesite törlokendőt, majd törölje át a felületeket úraj egy száraz törlokendővel.
FÖ LDELESRE VONATKOZÓ UTASITÁSOK
Ezt a gépet bödelni kell. Hibás műkódés vagy meghibásodás esétén a bödlés csökken az áramütés kockázatát, mivel az elektramos áramot elveze. Ez a készülék böldelt háloza kábelle és böldelt háloza csatlakozóval rendelkezik.
- A halóza csatlakozó t a helyi szabályozásoknak megfeleloentelepîte és foldelt halóza aljzatba kell csatlakoztatni.
- A gép földelőcsatlakozásainak helytelen csatlakoztatása magában hordozza az áramütés kockázatát.
Ha a gép helyes földelésével kapcsolatban kétsegei merülnek fel, kérjen segitséget egy képze szakembertól vagy szervizmunkatárstól.
- Ne módosítsa a készülék csatlakozóját, ha az nem illik a halóza aljzatba.
- Szereltessen fel egy megfelelo haloza aljatot egy szakképze villanyszerelóvel.
- Tilos a mosogatógep kosarára és ajtajára állni, ülni, vagy ezeket rendeltétési céljuktól eltérően használni.
- Ne muködtesse a mosogatógepet, ha annak zárópaneljei nincsenek a helyükön.
- Ovatosan nyissa ki a muködő mosogatógép ajtajat, mert a gép besejéból viz csapódhat ki.
A gép nyito ajtajára los raállni, valamint arra bármilyen nehéz tárgyat tenni. Ellenkező esetben a gép elóredólhet.
- A sztani kívánt edények bepakolásakor:
1) Az éles tárgyakat úgy kell elhelyezni, hogy azok ne sértsek fel az ajtó szigetelését.
2) Figyelmeztétés: A késeket, illetve más szúró vagy éles résszel rendelkező eszközöket hegyükkel lefelé vagy fektete kell a gép kosarába helyezni.
- A mosogatóprogram befejezése után ellenőrizze, hogy a mosogatószer rekesze üres-e.
- Ne tegyen a gépbe muányag tárgyakat, ha azokon nem szerepel a "mosogatógépben szthato" jalóls.
Ha a mu'anyagból keszült tárgyon nincs erre vonatkoź jelolés, Ellenőrize a gyartó vonatkoź ajánlasait.
- Csak automata mosogatógepekhez készült mosogató- és öblítőszereket használjon.
- Soha ne használjon a mosogatógepben szappant, készmosószert vagy ruházathoz készült mosószert.
- A gyermekeket mindig felügyelni kell, hogy ne játszhassanak a készülékkel.
A keszülék ajtajat nem szabad nyitva hagyni, mert az megnöveli a gép felborulásanak kockázatát. Ha a halóza kabel megsérült, a gyártóval, illetve a gyártó hivatalos szervizében (vagy megfeleloen képze szakemberrel) kell kicserétetni, hogy az áramütés veszélye elkerülheto legyen.
- A telepítés során los a háloza kábelt tülzo mertékben meghajlítani vagy kinyújtani.
- Ne módosítsa a gép vezérloegységeit.
- A mosogatógepet új tomlókkel kell a vizvezetékrecsatlakoztatni, használt tomlóket erre a celra nem szabad felhasználni.
- A mosogatógep maximum 12 személyes étkészlet sztására alkalmas.
A maximum bemene viznyomás 1MPa.
A minimum bemene viznyomás 0,04 MPa.
Ártalmatlanítás
- A gép csomagolóanyagait megfelelo módon kell ártalmatlanítani.
- Az összes csomagolóanyag úrahasznosithato.
- A muanyagból keszült részek nemzetközi szabványjelzésekkel vannak jelöve:
PE — polielén, pl. fóliázó csomagolóanyag
PS — poliszrol, pl. párnázat anyaga
POM—polioximelén, pl. muanyagkapcsok
PP - polipropilén, pl. sórtó rekesz
ABS — akrilnitril-butadién-szrol, pl. gezérlopanel

FIGYELMEZTETÉS!
A csomagolóanyag veszélyes lehet a gyermekekre!
A csomagolóanyagot és a készüléket, kérjuk, vigye egy ujrahasznosító közpointba. Ehhez vágja le a halóza kábelt és tegye az ajtó zárszerkezet hasznalhatatlanná.
- A karton csomagolóanyag ujrahasznosito papírból készult, és az úrafeldolgozható papírt gyújtőkonténerben kelli elhelyezni.
A termek megfelelo artilmatlanitásával Ön hozájárul azon -esetlegesen a környezetre és az embari egészségre gyakorolt - káros hatások megelőzéséhez, amelyeket a termek szabálytalan hulladékzelése okozna.
- A selejtezni kivist termek megfelelo hulladekkezelése érdekében, kérjuk, tajekozódjon a helyi önkormányatznál vagy a hulladekkezelésert felelos szolgálatnál.
- ARTALMATLANITÁS: Ne osztályozás nélkūli lakossági hulladékként kezelje a terméket. A terméket a specialis hulladékkezelés érdekében elkūönítve kell ártalmatlanítani.
2. Gyors utmutato
A gép üzemeltetésénék részletes lefááert olvassa el a használa utmutató vonatkoź fejezeit.
| A mosogatógp bekapcsolása | Nyissa ki a gép ajtaját, majd a mosogatógp elinditásához nyomja meg az On/O (Be/Ki) gombot. |
| Tölts fe l a mosogatószer-adagolóf | "A" jelú rekesz: Minden programhoz. "B" jelú rekesz: Csak az elómosást is tartalmazó programokhoz. (Kövesse a használa utasításokat!) |
| Ellenőrizze az öblítószer szintjét | "C" jelú mechanikus kijelző Elektromos kijelző a gezérlópanelen (ha tartožék). |
| Ellenőrizze a regeneráló só szintjét | (Csak vizlágyítvó rendszerrel elláto modelleken) Elektromos kijelző a gezérlópanelen (ha tartožék). Ha (néhéány modell esetében) a gezérlópanelen nincsen jelzőfény, a sou utántoltésénék ideje kiszámithato a mosogatógépbem lefuato programok száma alapján. |
| Pakolja be a sztani kivánt edényetak | Távolítsa el az edényeken található nagyobb ételmaradékokat. Áztassa fel a lábasokba ége ételmaradékot, és csak ezután tegye az edényt a gépbe. Kövesse a kosarak bepakolására vonatkozó utasításokat. |
| Válasszon ki egy mosogatóprogramot | és nyomogassa a programgombot addig, amíg a kivalaszto program fel nem villan. (Lásd a "Használa Útmutató" fejezetet). |
| Kapcsolja be a mosogatógépet | Nyissa ki a vizcsapot, zárja be a gép ajtaját, A gép körülbelül 10 másodperc mulva elindul. |
| Programmódosítás | 1. Egy programválasztást csak akkor lehet módősítani, ha a kivalaszto program csak róvid ideje fut. Hosszabb idó után a mosogatószernár a gépber került és a vizszivayúzás is megkezdóð. Ebben az esetben a mosogatószert üjra kell tölteni. 2. Tartsa lenyomva tobb mint 3 másodperciç a program gombot az elindított program leallitásához. 3. Válassza ki az új programot. 4. Indítsa újra a mosogatógépet. |
| Kifelejte edény hozzáadása. | 1. Nyissa résnyira a mosogatógép ajtaját. 2. A mosogatókar megálása után nyissa ki teljesen az útól. 3. Tegye a gépbe a kifelejte edenyeket. 4. Zárja be a gép ajtaját. A mosogatógép 10 másodperc mulva mülva mülködní kezd. FIGYELMEZTETÉS! Óvatosan nyissa ki a gép ajtaját. A nyito ajtón keresztül forró goz csaphat ki! |
| Program bözen kikapcsolt mosogatógép. | Ha a mosogatógépet a mosogatóprogram bözen kikapcsolja, a visszakapsolás eló, kérjuk, vázasszka ki újra a megszakíto mosogatóprogramot, hogy a gép az erede programot fuassa le. |
| A mosogatógép kikapcsolása | Ha a mosogatóprogram lejárt, a gép 8 alkalommal hangjelzást ad ki, majd megáll. Nyissa ki a gép ajtaját. A gépabet az On/O (Be/Ki) gomb megnyomásával tudja kikapcsolni. |
| Zárja el a vizcsapot és pakolja ki az edényeket. | Figyelmeztétés: a mosogatógép kipakolása eló varjon néhány percet (kb. 15 perc), mert az edények és az evőeszközök a program lejárta utánMeg melegek, ezert törékyebbek. Igy az edények jobban meg is száradnak. A kipakolást az also kosárral kezdje meg. |
3. Használa utmutató
FONTOS:
A mosogatógep teljesitményének jobb kihasznalasa érdekében a gép elso hasznalata elo olvassa el a hasznalautasításokat.
Vezérlopanel

- Bekapcsoló gomb és kijelzo: a keszülék Ki/Be kapcsolásához, valamint az allapot jelzéséhez.
- Program gombok és kijelzők: a mosás program kivalasztásához szükséges gombok megnyomás ához, valamint a kijelő megmutatja Önnek, hogy melyik programot valasztotta ki.
- So es oblitó szer figyelmeztetó fenyek: mutatja, hogy mikor kell ujratölteni a sotárolóvagy az adagolót.
- Extro szarítasi funkció gombok és kijelzo: az extro szarítás kivalasztásához szükséges gombok megnyomásához, valamint a kijelzo megmutatja Ölnek, hovy melyik funkció választotta ki. A kö vetkező funkciók választhatoak: intenszív, altalános, öko, 90 perces programok).
- Fél adag funkció gombok: a fél adag funkciók kivalasztásához. (A fent említett fél adag funkció kizárólag akkor használható ha 6 vagy kevesebb tányér van behelyezve, aminek kösönhetöen csö kken az energia és a vizfogyasztás. Jelen funkció a kovetkező programokkal használható: intensziv, általános, öko, 90 perc)..)
- Késleltétési gomb és kijelzö: mutatja a késleltétés idōtartamát: 3 ora, 6 ora, 9 ora.
A mosogatógep funkciói

Elönlézet
Felső kosár 1.
Belso cso 2.
Also kosar 3.
Sórtó rekesz 4.
Adagoló 5.

Hátulnézet
Pohártó polc 6.
Mosogatókarok 7.
Szuroszerelveny 8.
Befolyócs-csatlakozás 9.
-
Kifolyócső
-
Szabályozó
4. Az elso hasznalatbavetel elo
Mieló a mosogatógep használatba venné:
A. Állítsa be a vizlágyító
B. Tegyen a rekeszbe 1,5 kg sot, majd toltse fel a tartalyt vizzel.
C. Töltse meg az öblitószer-adagolót
D. Toltsön be mosogatoszert
1. Vízlágyító
A vizlagyitot kézzel keblitani a vizkeménység-kapcsoló segitssegével.
A vizlagyfio a gezetekes vizben talalhato asvanyi anyagok es sok eltavolitasara szolgal, amelyek a keszuleket rongalnak, vagy mukodeset hatranyosan befolyasolnak.
Minél többet tartalmaz a viz ezekból az ásványi anyagokból és sókból, annal keményebb.
A vizlagyitot a lakohelyen jellemzovizkemenyseghez kell beallitani. A viz kemenyseget illetoen a helyi vizmuektol kaphat tajekoztatast.
A sofelhasznalás beallitása
A mosogatoge lehetoveszigohy a mukodesehez hasznalt viz kemenysige alapjan allitsa be a felhasnalt so mennyisegt. Ezaltal a sofelhasznalas opmalizalhato es testre szabhato.
Kérjuk, a sofelhasznalás beallitásához kövesse az alábbi lépéseket.
- Ngésa tajat es kapcsolja be a mosogatógep.
- Nyomja le a program gombat tobb mint 5 percig, ami a gép bekapcsolásat kovető 60 masodpercen belül elindfja a vizlágyítás beallitásat. (A so és az öblítószer toltésere gyelmeztető jelzőfeny ebben az üzemmodban időközönként világít).
- A helyi vizkeménységhez megfelelo beallitás kivalasztáshoz nyomja meg a program gombat. Az alábbi beallitási lehetósegek kovek egymást: H3->H4->H5->H6->H1->H2.
- Nyomja meg a kapcsologombot a beallitas befejezeséhez.
| VIZKEMENYSEG | Beállítás kódja | Sófelhasználás (gramm / mosogatóprogram) | |||
| °dH | °fH | °Clarke | mmol/l | ||
| 0-5 | 0-9 | 0-6 | 0-0,94 | H1 | 0 |
| 6-11 | 10-20 | 7-14 | 1,0-2,0 | H2 | 9 |
| 12-17 | 21-30 | 15-21 | 2,1-3,0 | H3 | 12 |
| 18-22 | 31-40 | 22-28 | 3,1-4,0 | H4 | 20 |
| 23-34 | 41-60 | 29-42 | 4,1-6,0 | H5 | 30 |
| 35-55 | 61-98 | 43-69 | 6,1-9,8 | H6 | 60 |
Megjegyzés: 1
1^ = 1.25^ Clarke = 1.78^ fH = 0.178mmol / l
° dH: Német kemenységi fok
° fH: Francia kemenységi fok
Clark: Angol kemenységí fok
Megjegyzes: 2
Gyári beállítás: H3 (EN 50242)
A viz kemenységét illetó tajékoztatasert forduljon a helyi vizmúvekhez.
MEGJEGYZES: Ha az o n altal vásárolt mosogatógep nem használ vizlágyító, hagyja gyelmen kivül ezt a fepezetet.
VIZLÁGYITO
A viz kemenysége lakohelytól fuggoen valtozik. Ha a mosogatogepen kemeny vizet hasznal, az edenyeken lerakodas képzódk.
A gép spécialis vizlágyító rendszerrel muködik, amely olyan sós használ, amely eltávolítja a vizben található ásványi anyagokat és megelőzi a vizkóköpztódest.
2. A so betöltese
MindigCsakmosogatogepekheazajanolsohthasznaljon.
A sotartó rekesz az also kosár ala talalhato, és az alábbiakban leírt modon kell feltölteni:
Figyelem!
-
Csak mosogatógepekhez keszült sósabad használni! A nem mosogatógepez keszült többi só, különösen pedig a konyhasó használata a vizágyfó megrongálódását idezi eló. Amennyiben nem a gépez megfelelo sós használ vizágyításra, a gép ebból fakado sérulésere a gyartó nem vallal garanciát, illetve az okozo kárert nem vonhato felelosségre.
-
A sót mindig egy mosogatóprogram lefuatasa elő tõltse be.
Ezzel megakadályozhatja, hogy a mosogatógép aljan sószechék maradjanak, vagy hogy a kiömlö sós viz hosszabb ideig a gépben alljon, ami korroziot okozhat.


A. Az also kosár eltávoltása után csavarja le, és távoltsa el a sórtó rekesz zárókupakját.
B. Helyezze a tölcsert (tartozek) a nyfasba, és öntson a tartalyba körülbelül 1,5kg sólt.
C. Töltsfel a tartalyt vizzel. Normális jelenség, ha a sóartályból kisebb mennyiségú viz távozik.
D. A tartály feltoltése után szorosan csavarja vissza a zárókupakot az oramutató jrásával megegyező irányba.
E. Miután a tartályt megtöltöe, a só pólására gyelmeztető jerzófény kialszik.
F. A so betöltését kōveteón azonnal indítson el egy mosogatóprogamot (ajánlo egy rovidebb programot lefuatni). Ennek hiányában a sós viz megrongálhatja a szúrorendszert, a szivayút és a mosogatógép más, fontos részeit. Ebben az esetben a garancia érvényét vesz.
MEGJEGYZES:
- A sóartálytCsak akkor kell felttolteni, ha a so alacsony szintjere gyelmezteto jelzofeny a vezrlopanelen vilagitani kezd. A so oldódasanak mertéketól fuggoen a jelzofeny a sóartályfeltoltését kovetoen is vilagithat. Ha (néhany modell esetében) a vezrlopanelen nincsen jelzofeny, a so utantoltésénék ideje kiszamithato a mosogatógepen lefuato programok szama alapjan.
- Ha a gépben a so kiömlö, eltávoltására egy áztatóprogramot vagy egy rövid mosogatóprogramot kell lefuatni.
3. Öblitósser-adagoló toltése
Öblítószer-adagoló
Az öblitószer a mosogatóprogram utolsó fázisaban kerül a vizbe, és azt hivato megakadályozni, hogy az edényeken a mosogatas után vizcsepp- vagy vizkófoltok maradjanak. Emelle elósegí a viz lepergetését, azaz az edenyek hatékonyabb száradasát. Az Öl altal vásárolt mosogatógep folyékony öblitószer használatára tervezték. Az öblitószer-adagoló az ajtó besejében, a mosogatószer-adagoló melle található. Az adagoló megtöltéséhz nyissa ki az adagoló fedelét, majd öntson öblitószert a tartályba, amig a szintjelő teljes mértékben fekete szinúre nem valtozik. Az öblitószer-adagoló urtartalma kb. 110 ml.
Az oblitoszer funkciója
Az oblitoszer az oblités utolsó fázisaban kerul a gépbe és az alapos obltés biztostására, valamint a folt-és cseppképzódes megakadályozására szolgál.
Figyelem!
Csak mosogatogepekhez keszult, markás öblitószert használjon! Az öblitószer-adagolóba soha ne töltsön semmilyen más anyagot (pl. mosogatoge-p-sztószert, folyékony mosószert). Ez megrongálhatja a készüléket.
Mikor kell a gépbe öblitószert tölteni?
Ha a gezelopanelen nem talalhato az oblitoszer szintjenek csokkenesere gyelmeztet o lampa, a folyadek szintjere a fedel melle talalhato, "C" jelufolyadekszintjelzo szinebol kovetkezteth. Amikor az oblitoszer-adagolotartalya tele van, a kijelzo szine fekete. Az oblitoszer csokkenesevel a sotet szin merete is csokken. Soha ne hagyja az oblitoszer szintjet 1 / 4 -es telfeseg alacsokkeni.
Az oblitószer csokkenésével a szintjelzó fekete pont az alábbi abrán lathato módon valtozik.

C (folyadékszintjelzó)
- Tele
3/4
1/2
1/4 - a foltkepzodes megakadalyozasara az adagolot fel kell tolteni
O Ures



1.Az adagoló megnyitásához fordítsa a kapcsolót az "open" (nyito) nyil irányába (balra), majd emelje ki.
2.Öntse az öblitószert az adagolóba. Ügyeljen arra, hogy ne toltse tül.
3.Helyeze vissza a fedelet: igazfsa az "open" (nyito) nyiohoz, majd fordfsa el (jobbra) a zart nyiranyaba.
MEGJEGYZÉs: Törölje le a toltés közben kicsordult öblitószert egy törlokendóvel, hogy a tulzott habképzódest a következő mosogatas ala megelózze. Ne felejtse el bezární az adagoló fedelét, mieló a mosogatógep ajtaját becsukja.
Öblítószer-adagoló beállitása

Az oblitószer-adagoló négy vagy hat pozióba lehet allitani. A kapcsoló elször mindig a 4. allasba kell allitani. Ha foltkepzódest vagy elegtelen szaradast tapasztal, novelje az oblitószer mennyiségot, azaz az adagoló fedelének eltávolítasa utan allitsa a kapcsoló az 5. allasba. Ha az edenyek továbbra sem megfeleloen szaradnak, vagy foltosak maradnak, allitsa a kapcsoló a kovetkezó allásba, amig az edenyek foltmentesek nem lesznek. A javasolt beallitás a kapcsoló 4. allasa. (Gyári beallitás: "4")
MEGJEGYZES:
Növelje az adagolást, ha az edényeken a mosogatas után vícsepp- vagy vízkófoltok láthátok. Csökkentse az adagolást, ha az edényeken fehérscsikok, az üvegedényeken vagy a kések élen pedig kékes Imréteg jelenik meg.
4. Mosogatoszer
A mosogatoszerek kémiai hatóanyagaik révén távolítják el az edenyekre tapadt piszkot, amely a mosogatóvizzel égyú távozik a gépból. A kereskedelmi forgalomban kaphato mosogatoszerek tobbsége alkalmas erre a celra.
Figyelem!
A mosogatoszer megfelelo hasznalata
Csak mosogatogepekhez keszult mosogatzert szabad hasznalni! Tartsa a mosogatzert huvos es szaraz helyen. Ne teye a por allagu mosogatzert a mosogatogepe addig, amig az edenyeket be nem pakolta.
Mosogatoszerek
3 féle mosogatoszer kaphato:
- Fosztáf-és klórtartalmú mosogatoszer
- Foszfaartalmu es klórmentes mosogatoszer
- Fosztáf-és klórmentes mosogatószer
Az ujabb pusu, por allagú mosogatószerek általában nem tartalmaznak foszfátot. Ezek igy nem rendelkeznek a fosztá altalBiztosito vizlágyitó funkcióval. Emia azt javasoljuk, hogy abban az esetben is toltse meg a sóadagolót, ha a viz keménysége csak 6°dH. Ha kemény vizü területeken foszfátmentes mosogatószert használnak, az edenyeken, poharakon es evöeszközökön gyakran fehér foltok jelennek meg. Ebben az esetben a jobb eredmény elérèse érdekében használjon tobb mosogatószert. A klómentes mosogatószerek fehérító hatása alacsony. Emia a makacs elszínezódések nem fognak teljes mertékben eltünni. Ebben az esetben valasszon magasabb hörmséklenmuködǒ mosogatóprogramot.
Mosogatoszer-koncentratumok
Kémiai összetételük alapján a mosogatószerek két alappusba sorolhatók:
- hagyományos, maró komponenseket tartalmazó, lúgos mosogatószerek
- alacsony lugtartalmú, természetes enzimeket tartalmazó, koncentrált mosogatószerek
Mosogatoszer-tableák
A különboző markájú mosogatószer-tableák eltrosebességgel oldónak fel. Emia egyes mosogatószer-tableák a rovid mosogatóprogramok ala nem képesek kifejteni teljes sztóhatásukat. Ezert kérjuk, hogy mosogatószer-tableák használata esétén hosszú mosogatóprogramokat valasszon, hogyBiztositsa a mosogatószer-maradványok teljes eltávolítását.
Mosogatoszer-adagoló
A mosogatoszer-adagolot minded mosogatoprogram elo fel kell tolteni a mosogatoprogram-tablazatban olvashato utasitásoknak megfeleloen. Az On altal vásárolt mosogatógep a hagyományos modellekhez képest kevesebb mosogató- és öblöszert hasznal. A gép normal toltösege eseten altalaban már egy evokanalnyi mosogatoszer legendő. Szennyezebb edenyek mosogatasához azonban tobb mosogatóserre van szükség. A mosogatószert mindig kozvetlenul a mosogatoprogram inditasa elo toltse be a gépbe, kulönben a mosogatószert nedvesség érhe, és igy nem fog megfeleloen feloldódni.
Milyen mennyiségu mosogatószert hasznaljon


MEGJEGYZES:
Ha a fedel zárva van, nyomja meg a kioldógombot. A fedel ekkor felugrik.
- A mosogatoszert mindig kozvetlenul a mosogatoprogram inditasa elo toltse be.
Csak mosogatogepekhez keszult, markas mosogatoszt hasznaljon!
FIGYELMEZTETÉS!
A mosogatógephez használt mosogatoszer maró hatású! Gyermekektől mindig tartsa távol.
A mosogatoszer betoltese
Toltse fel a mosogatoszer-adagolot mosogatoszerrel. A jelzes az adagolasra vonatkozik az alabbiakban bemutatoak szerint:
A. A fó mosogatóprogramhoz való mosogatoszer helye.
B. Az elómosogatáshoz való mosogatoszer helye.
Kérjuk, tartsa be a mosogatoszer csomagolasán feltüntete,
tárolásra és adagolásra vonatkozo gyartói ajánlasokat.
Zárja le a fedelet, és nyomja a helyere.

Ha az edenyek erösen szennyezek, töltsön további mosogatószert az előmosogatárszolgálo mosogatószer-adagolóba. Ez a mosogatószer az előmosogatáfazisaban fej ki hatását.
MEGJEGYZES:
- Az egyes programokhoz szükséges mosogatoszer mennyiségère vonatkozo információ t a 11. oldalon találja.
Kerjuk, vegye gyelembe, hogy az edenyek szennyezettségétól és a viz kemenységétól fuggöen elteresek előfordulhatnak.
Kerjuk, tartsa be a mosogatoszer csomagolasan feltuntete gyartoi ajanolasokat.
5. A mosogatógep kosaranak megtöltese
Ajánlas
Lehetoseg szerint mosogatogepen szthato edenyeket es eveszozket vasaroljon.
Hasznaljon az edenyekhez "kmeletes", semleges hatasu mosogatoszert. Ha tovabbi informaciora van szuksege, forduljon a mosogatoszer gyartojahoz.
Kényesebb edények esétén válassza a legalacsonyabb hómérskletú mosogatóprogramot.
A serulések és károk elkerülse erdekében ne vegye ki a poharakat és az evöeszkökket kozvetlenül a mosogatóprogram befejezese utan.
A következő evöeszközök és edények mosogatógpben való mosogatasra
nem alkalamasak:
- Fa-, szaru-, porcelán- vagy gyöngyház nyelú tárgyak.
Nem hoalmo muanyagbol keszult edenyek
Ragaszto, nem hoaló, ank evöeszközok
Kötoanyaggal préselt evoeszközok és edenyek - 0 n-vagy réztárgyak
- 0 lomkristály
- Acélból keszült, rozsédasodásra Hajlamos tárgyak
Fatalak - Szintekus szalból keszült tárgyak
korlatozoan alkumasak:
- Bizonyos pusu üvegek homályossá valnak, ha túl gyakran sztják öket mosogatógépben
- Az ezust- vagy alminiumreszek a mosogatas ala Hajlamosak elsznezódni
A zománcminták mosogatógepben törtent gyakori mosogatas esétén elhalványulhatnak.
A mosogatógep kosaranak hasznalatára vonatkozo tudnivalók
(A mosogatogép jobb teljesitménye érdekében tartsa be a bepakolársa vonatkozó utmutatasokat.
A kosarak és az evőeszköztartók megjelenése és jellemzői eltérhetnek az Ön által vásárolt modell hasonlós részeitöl.)
Tavolitsa el az edenyeken talalhato nagyobb etelmaradekokat. Aztassa fel az edenyekben leege etelmaradekot. Az edenyeket nem szukséges folyo viz ala leobliteni.
A mosogatni kivant eszkozket a kovetkez'modon helyeze el a mosogatogepen:
- A bogreket, poharakat, fazekakat/labasokat stb. nylasukkal lefelé fordva.
- Yes vagy mélyedesekkel rendelkezó tárgyakat rézsut, hogy a viz lepolyhasson róluk.
- Az összes evöeszközt hegyükkel lefelé, biztanságosan rögzítve kell elhelyezni.
- Minden eszkocz uty kell bepakolni, hovy a mosogatas ala a mosogatokarok forgasat ne akadalyozzak
MEGJEGYZÉS: Nagyon kis méretú tárgyak nem szthatók a mosogatógépben, mert konnyen kieshetnek a kosárból.
- Az ureges tárgyakat, azaz a cséséket, a poharakat, a lábasokat stb. a nylásukkal lefelé tegye be a gépbe, hogy a viz ne gyulhessen össze az uregekben vagy a mélyedesekben.
- Az edényeket és evőszköket nem szabad egymásba tenni vagy egymásra fektetni.
A poharak sérulésének elkerulése érdekében azok nem érhetnek egymáshoz. - A nehezebben szthato, nagy méretú tárgyakat az also kosárban kell elhelyezni.
A felso kosar a kenyesebb es konnyeabb targyak, azaz pl. a poharak, cseszek es bogrek elhelyezesere szolgal.
A hosszú pengével rendelkezo, fuggolegesen elhelyeze kések serulésveszélyt jalenthetnek!
A hosszú és/vagy éles evöeszköket, pl. a késeket a felső kosárban, fektetve kell elhelyezni.
Kerjuk, ne toltse tul a mosogatogepet. Ez a jo stasi eredmemy es az energiafelhasznalas szempontjabol fontos.
A mosogatógekipakolása
Annak megakadályozására, hogy a felső kosárból viz csöpögjön az also kosárba, ajánlo előként az also kosarat kipakolni.
Az edenyek helyes elhelyezese
A felso kosar bepakolasa
A felső kosár a kényesebb és konnyebb tárgyak, azaz pl. (enyhén szennyeze) poharak, csészek, szószos talkák, bogrek, valamint tányerok, kisebb tálak és lapos labasok elhelyezésérszolgál. Az edenyeket és etkészleteket úgy kell elhelyezni, hogy azok a vizsugar hatására ne mozduljanak el.
Az also kosár bepakolása
A nagy és nehezebben szthato edenyeket, pl.
labasokat, fazekakat, fedőket és talakat az alábbi abrán
latható modon, az also kosárban ajánlo elhelyezni. A
talalóedenyeket és a nagy fedőket lehetőleg a kosár
szele korül helyezze el, hogy ne akadályozzák a
mosogatókarok forgását.


Kerjuk, ne feledje:
A fazekakat, taloedenyeket stb. mindig nyfasukkal lefelé kellelhelyezni.
A mély edényeket megdontve kell elhelyezni, hogy a viz kifolyhasson belólük.
■ Az also kosaron két konnyen lehajthato akasztórs talalható, amely lehetové teszi további vagy nagyobb lábasok, fazekak és talak bepakolását.
A felso kosar beaillitasa
A felső kosár magassága a kerekek elterő magasságban levő sinre helyezésével allithato. A hosszú tárgyakat, a tálalo eszközöket, a salatas kanalakat és a késeket a polcra kell helyezni, hogy ne akadályozszák a mosogatókarok forgását.

Az akasztosor visszahajtasa
A lábasok és fazekak jobb elhelyezése érdekében az akasztosor a jobb oldali képen láthato modon lehajthato.

Az also kosár akasztórsoinak modositása
A lábasok és fazekak jobb elhelyezése érdekében az akasztosor a jobb oldali képen lathato modon lehajthato.

Evóeszköztartó kosár
Az evöeszközök nyelükkel felfelé kell a kosáran elhelyezni. Ha a gép oldálso kosárral is rendelkezik, a kanalakat elkülön°FVE, a számukra kialakfo helyre kell tenni. A hosszú eszközök tíszintesen, a felső kosár elejérE, a képen lathato módon kell elhelyezni.
FIGYELMEZTETÉS!
Egy târgy sem lóghat ki a kosár aljan Az éles eszközöket mindig elükkel lefelé helyezze a kosárba.
SajatBiztonsagaesaminosegi sztas erdekuben az evoeszkozoket az alabbiak betartasaval helyezze a gépbe:
Netakarjakegymast.
Nyelukkel lefelé álljanak.
A kěseknek és a szúró evöszkökönek viszont nyelükker felfelé kell allniuk.

6. A mosogatóprogram elindítása
Mosogatóprogramok tablázata
MEGJEGYZÉS: ( ) jelentése: öblitószert kell tölteni az öblitószer-adagolóba.
| Mosogatóprogram | Informação a programválasztáshoz | Mosogatóprogram leírasa | Mosogatószer eló/fó | Időtartam (perc) | Energia (Kwh) | Vf (l) | Öblítőszer |
| Intenzív | Erősen szennyeze edények, normál szennyesegő fazekak, lábasok, tányérok, stb. és rászáradt ételmaradékok | Előmosogatás (50 °C) Mosogatás (60 °C) ß blités ß blités ß blités (°C)70 Szárítás | 5/25g (1 vagy 2 darab) | 170 | 1,6 | 18,5 | ★ |
| Normál | Normál szennyesegő fazekak, tálak, poharak és enyhén szennyeze lábasok | Előmosogatás (45 °C) Mosogatás (55 °C) ß blités ß blités (65 °C) Szárítás | 5/25g (1 vagy 2 darab) | 180 | 1,3 | 15 | ★ |
| Eco (*EN 50242) | Általános program normál szennyesegő terítekekhez. Az energia- és vizfogyasztás szempontjából a leghatékonyabb mosogatóprogram az ilyen edényekhez. | Előmosogatás Mosogatás (45 °C) ß blités (65 °C) Szárítás | 5/25g (1 vagy 2 darab) | 190 | 0,96 | 11,5 | ★ |
| 90 perces program | Normál szennyezesegő edényekhez, gyors mosogatáshoz. | Mosogatás (65 °C) ß blités ß blités (65 °C) Szárítás | 30g (1 darab) | 90 1,35 | 12,5 | ★ | |
| Gyors | Rövidebb mosogatóprogram enyhén szennyeze, száradást nem igénylő edényekhez. | Mosogatás (45 °C) ß blités (°C)50 ß blités (5 °C)5 | 25g | 30 | 0,75 | 11 |
MEGJEGYZES:
*EN 50242: Ez egy tesztprogram Az EN502424 szabváynak megfelelo, összehasonlito tesztre vonatkoź informaciók:
Kapacitas: 12 szemelyes terték
Felső kosár pozíciója: sineken futó felső kerekek
Öblitószer-adagoló beaillás: 6
Fogyasztás kikapcsolva: 0,49 W; Fogyasztás keszelnétben: 0,45 W.
Bekapsolt allapot idotartama: Az aramellatas automakusan kikapcsol a program befejezeset koveto 30 perc letelte utan.
Bekapcsolás
Mosogatóprogram indístása
- Húzza ki az also és a felsó kosarat, pakolja be az edényeket, majd tolja vissza a kosarakat.
Ajánlo elször az also kosarat bepaklni, majd ezt kovetöen a felsót (lásd "A mosogatógep kosaranak megtoltése" fejezetet.) - Tölts be a mosogatoszert (Iásd a "So, mosogatoszer és öblítoszer" fepezet.)
- Csatlakoztassa a háloza csatlakozó t az elektromos hálozathoz. A gép 220-240 VAC/50 HZ tapellátast igényel, a háloza aljzat szükséges specikációja: 10A 250VAC. Ellenőrizse, hagy a vizcsap teljesen ki van nyitva.
- Nyissa ki a gép ajtajat, majd nyomja meg a kapcsológombot. A lámpa vilagfani kezd.
- Nyomja meg a program gombot, A mosogatoprogramok az alabbi sorrendben kovek egymast: Intensive (Intenzv) ->Normal (Normal) ->ECO ->90 Min (90 perces) ->Rapid (Gyors);
A program kivalasztásakor a jelzófeny világitani kezd. Ezután zárja be a gép ajtajat. A mosogatógep muködni kezd.
Programmódosítás
Fontos tudnivalo:
- Egy elindito programotCsak akkor lehet módosítani, ha a kivalaszto mosogatóprogramCsak rovid ideje fut. EgyBizonyos ido eltelte utan a mosogatoszer már a gépbe kerult, vagy a mosogatógep már leeresztee a mosogatóvizet. Ebben az esetben a mosogatoszer-adagolót ujra meg kell tolteni (Iásd a "A mosogatoszer betöltése" feiezet).
- Nyissa ki az ajtó, majd tartsa lenyomva a programgombot 3 masodpercnél hosszabb ideig. A gép készenlé allapotba kerül és 0 n modosithatia a mosogatóprogramot. (lásd "Mosogatóprogram indítása" feijezetet).
MEGJEGYZES:
Ha a mosogatogepet mukodes kozben kinyitja, a gep szuneteltetni fogja az eppen futo programot. A program-jelzofeny abbahagyja a villogast, es a gep percenkent hangjelzest ad addig, amig On be nem zarja a mosogatoge ajtajat. Az ajto bezárasat kovetoen a mosogatogepe 10 masodperc mulva folytatja a programot.
Elfelejte egy edenyt a gépbetenni?
Egy elfelejte edenyt barmikor betehet a mosogatogepe, mielo a mosogatoszer-adagolofedele kinyfik.
- Nyissa résnyire a gép ajtajat.
- A mosogatokar megallasa utan nyissa ki teljesen az ajtot.
- Tegye a gépbe a kifelejte edenyeket.
- Csukja be a gép ajtajat.
- A mosogatogepe 10 masodperc mulva mukodni kezd.
A mosogatóprogramnége után teendok
Ha a mosogatoprogram lejart, a gep 8 masodpercig hangjelzest ad ki, majd megall. Az ON/OFF (KI/BE) gomb megnyomasaval kapcsolja ki a gepet, zarja el a vizcsapot es nyissa ki a mosogatogej ajtajat.
A mosogatógep kipakolása eló varjon néhány percet, mert az edények és evöeszközok a program lejárta után meg melegek, ezert torekenyebbek. Igy az edények jobban meg is száradnak.
A mosogatoge kikapcsolasa
Egy mosogatoprogramCsak akkor jartle,ha a jelzofeny vilagit, de marnem villog.
1 Nyissa ki a gép ajtajat. Kapcsolja ki a gépet ON/OFF (KI/BE) gomb megnyomásával.
2 Zárja el a vizcsapot.
- 0 vatosan nyissa ki a gép ajtajat.
A forro edenyek erzekenyek az utodesre. Emia a mosogatogep kipakolasa elo hagyja az edenyeket kb. 15 percig lehulni.
Nyissa ki a gép ajtajat, hagyja félig kinyitva, majd az edenyek eltávolítasa eló varjon néhány percet. Igy az edenyek lehlnek és alaposabban megszáradnak.
- A mosogatógep kipakolása
Normális jelenség, ha a mosogatógep belseje nedves.
Elszor az also kosarat uritse ki, ezutan a felsot. Igy megelozhe, hogy a felsos kosarbol viz csepegjen az alsokosarban talalhato edenyekre.
FIGYELMEZTETÉS!
A mosogatas ala veszelyes a gép ajtajat kinyitni,
mert forró viz csaphat ki a gépból.
7. Karbantartás és sztás
Szurórendszer
A szuró megakadályozza, hogy nagyobb etelmaradékok vagy tárgyak a szivayú besejébe kerüljenek. A maradékok elzarhatjak a szurôt, igy azokat minded esetben el kell távolítani.
A szúrorendszer egy durva szúróból, egy lapos (fó) szúróból és egy mikroszúróból (nomszúró) áll.

Fó szúró 1
Az ebbe a szuróbe kerult etel-és szennyezódesmaradványokat az also mosogatókar specialis vizsugara szétporlasztja, és a lefolyóba mossa.
Durva szuro 2
A lefolyot eldugitani képes, nagyobb méretu szennyezódéseket, pl. a csontokat vagy az üvegtörmeléket a durva szurô fogja fel. A szuró által össegyüjtö szennyezódések eltávolításához övatosan nyomja össze a szuró felse részlén taláható csapot, és emelje ki a szurôt.
Finom szuro 3
Ez a szuró a mosogatogép also réséból gyüj össze az etel-és szennyezódesmaradványokat és megakadályozza, hogy visszakerüljenek az edenyekre.
Szur'szerelveny
A szuró a mosogatóvíze kerult ételmaradványok hatékony öss眩gyújtésere szolgál és megakadályozza, hogy ezek a szennyezódésk vissakerüljenek a mosogatóvízkörbe.
A legjobb mosogatasi teljestmeny es -eredmeny elereshez a szuroket rendszeresen meg kell sztani. Ennek erdekuben a szurobe kerult nagobb etelmaradvanyokat ajanlo minded mosogatas utan a felkorives szuró es az szurocsesze folyo viz ala torteno atoblitesevel eltavolitani. A szuroszerelveny kiemelsehez huzza a szuroszerelveny nyelét felfelé.
FIGYELMEZTETÉS!
A mosogatogepet soha nem szabad a szurok nelkul mukodtetni.
A szurok nem megfelole vissahelyezese lerontja a mosogatas hatasfokat.

- lépés: Forditsa el a szúrot az oramutató jarásával ellentêtes irányba
- lépés: emelje fel a szúróśszerelvenyt
MEGJEGYZES: Az 1. és 2. lépés sorrendben történő vegrehaltása a szürörendszer kiemelésére szolgál: a 2. és 1. lépés vegrehaltásanak sorrendje pedig a szürörendszer vissahelyzésére való.
Megjegyzések:
- Minden mosogatas utan ellenorizze a szurok allapotat.
- A durva szuró kicsavarásával kiemelhe a szurórendszert. Távolítson el(AP) meg a szuroket folyó viz ala.
MEGJEGYZÉS: A teljes szúróśzerelényt hetente egyszer meg kell sztani.
A szuro sztasa
A durva és a nomszúró sztásához használjon kefét. Állitsa össze a szúróket az utolsó oldalon található abrán látható mádon, majd helyezze vissza a mosogatógépbe, tegye a helyere és nyomja lefelé.
FIGYELMEZTETÉS!
A szurok sztasa soran ne utogesse oket. Ez deformalhatja a szuroket, ami csokkenthe a mosogatogehatasfokat.
A mosogatógep apolása
A verzérlopaneelt egy enyhén nedves törlikendövel szthatja meg.
A sztás után alaposan törölje szárazra.
A gép külsejének sztásához hasznaljon fényésító viaszt.
A mosogatógep egyik részenek sztásaho zse hasznaljon éles tárgyakat, suroló hatásu kendôt vagy maró sztószereket.
Az ajtó sztása
Az ajtóelek környékének sztásáhozCsak puha, meleg vizzel benedvesite törlokendöt használjon. Ne használjon semmilyen spray álagú sztószert, mert igy elkerülhe, hogy az ajtóárba és a gép elektrmos részeibe nedvesség kerüljön.

FIGYELMEZTETÉS!
- Soha ne hasznaljon stó sprayt az ajtópanelek stásához, mert az károsthatja az ajtózárat és a gép elektromos egységeit.
- Surolszereket ésBizonyos pusu papirtórloket nem szabad használni, mert felsérthek a rozsdamentes acelfelületeket, vagy ezeken foltot hagyhatnak.
Ovja a gépeta fagyveszélytól.
Kérjuk, telen tartsa be a fagyvelelemre vonatkozó utasitásokat. Minden mosogatas utan az alábbiak szerint járjon el:
- Valassza le a mosogatogepet az elektromos halozatról.
- Zárja el a vizcsapot, és valassza le a viztömlőt a vizvezetékról.
- Eressze le a vizet a tomlobol es a szelepbol. (A viz összegyüjtéséhez hasznaljon egy edenyt)
- Csatlakoztassa vissza a tomlot a szelepre.
- Távolítsa el a dob alán talalhato szürôt, és egy szivacs segítségevel szárítsa ki a mélyedésben talalhato vizet.
MEGJEGYZES:
Ha a mosogatogep jegesedes mia uzemkeptelenne valik, kjeruk, forduljon a szerviz munkatarsahoz.
A mosogatókarok sztása
A mosogatókarokat rendszeresen sztani kell, mert a kemeny vizben talalhato anyagok eltömîthek a vizszórókat és a csapágyakat.
A felső mosogatókar eltávolításához fogja meg az anyacsavart, fordítsa el az oramutató jarásával megegyező irányba, majd távolítsa el.
Az also mosogatokar eltavolitasahoz huzza ki a mosogatokart felfelé.
Mossa el a karokat meleg, mosogatoszeres vizben, majd egy puha kefevel sztsa meg a szorofejeket. Alaposan öblitse el, majd helyezze vissza öket a helyükre.

A mosogatogep megelelo allapotanak megorzese
- Minden mosogatas után
Minden mosogatas utan zarja el a vizcsapot, es hagyja a gep ajtajt kissy nyitva, hogy a szagk eltavozhassanak.
Húzza ki a háloza csatlakozót.
Tisztás es karbantartás elő mindig húzza ki a háloza csatlakozó t a konnektorból.
- Ne hasznaljon oldószert vagy surolószert
A mosogatógep külsejenek vagy gumiból keszült részeinek sztásához ne alkalmazzon oldószert vagy dörzshatasú sztószereket.
Csak mosószeres vizzel benedvesite törlokendót használjon.
A gép belso felütein képzö dō foltok eltávolitásához használjon egy viz és ecet keveréköbe marto nedves törlokendó vagy specialisan mosogatógepek sztására készült sztószert.
Ha a gépet hosszabb ideig nem használja
Ajánlo az üres mosogatógepen egy mosogatóprogramot lefuatni, majd a háloza csatlakozó t a konnektorból kihúzni, a vizcsapot elzárni és a gép ajtajat résnyire nyitva hagyni. Ezáltal az ajto tomitései hosszabb éleartamuak lesznek, és a gép besejében nem képzödnek kellemetlen szagok.
A keszülk mozgatása
Ha a mosogatogepet el kell mozditania, a muvelet ala probalja meg mindig fuggoleges helyzetben tartani. Ha feltétlenul szukséges, a gépet a határa is fordithatja.
Tömitések
A mosogatógepben képzódo kellemetlen szagokat a tomitésekbe ragadt etelmaradékok okozzák. Ezt megelózhe, ha a tomitéseket rendszeresen letörli egy nedves szivaccsal.
A csovej es elektramos berendezesek telepitését szakembernek kell végaznie.
| Figyelmzetétés | |
| 2 | Áramütés veszély. A mosogatógép telepitése elő valassza le a készüléket a hálóza áramforrásrárol. Ennek elmulasztása áramütét st okozhat. |
- Telepitési elokszítese
A mosogatogepet a már meglevo vizcsap, kifolyó es elektromos csatlakozás kozelében kell elhelyezni. A telepitéshez a mosogatonak azt az oldalát kell valasztani, amely a leginkább megkonnyí a mosogatogep kifolyocövenek csatlakoztatasát.
Megjegyzés: Kérjuk, Ellenőrizse a telepitéshez mellekelt kiegészítőket (diszpanel rögzítőeleme, csavar)
Kérjuk, gyelmesen olvassa a telepitésre vonatkozó utasításokat.
- A konyhabútor és a mosogatógp helyes elhelyezéséhez szükséges méretek illusztrációja.
Az elokszületeket meg azel o el kell vgezni, hogy a mosogatogepet a helyere teszi.
1.A mosogatogep be- es kifolyocse felszerelésenek megkonnyitésere valasszon a mosogatohoz kozel eshelyet. (Iasl 1. abra)
2.Ha a mosogatogepet a konyhaszekreny sarkaban telepi, elegendo helyet kehlBiztositani az ajto nyitasahoz.
(lásd 2. ábra)
[1. ábra]
A butor méreiei: a butorlap alja és a mosogatógep teteje kozotávolság legfeljebb 5 mm lehet. A gép ajtajanak a butor sikjába kell esnie.

[2.ábra]
Minimum távolság nyito ajtónal

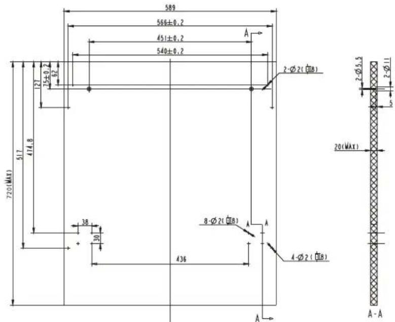
- A diszpanel méretiés felszerelése
1.A diszpanel a 3. abran latho modon alakthato.
[3. ábra]
A diszpanelt az abran
lathato méretek
gyelembe vétével kell
felszerelni.
(Mértékegység: mm)

2.Szerelje fel a rogzitoelemeket a diszpanelre es illessze be oket a mosogatogep ajtajanak kulsejen talalhato vajatokba. Miutan a panelt a gepen a helyere ilesztee, rogzitse a megfelelo csavarok segitssegel (lasd a 4b. abr).
[4a.ábra]
A diszpanel felszerelése

[4a.ábra]
A fa diszpanel felszerelése
-
Távolítsa el a négy ròvid Csavart
-
Illesse be a négy hosszúcsavart

Tavolitsa el a négy rovid csayart
Illessbea néghy hosszcsavart

Az ajtórgó beállitása
A gyárban az ajto helyes zárdásanak megfeleloen allitoak be az ajtórugó. A fa diszpanel felszerelését kovetöen a rugó feszítését uyra be kell allitani. Forditsa el az allitócsavart az acélkabel feszesebbé vagy lazábbá tetelez (Iásd 5. ábra)
Az ajtórgó akkor van megfeleloen beallitva, ha az ajto teljesen nyito allapotban vizszintes marad, de ha ujjaval kissé megemeli, visszaemelkedve bezáródk.
[5. ábra]
Az ajtórgó beallitasa

- Kifolyócsövek csatlakoztatása
Illessze a lefolyotoml oey minimum 40mm atmerojlu lefolyocsoe es vezesse a mosogatoba. Ugyeljenarra, hogy a cso ne Hajoljon el es ne törjön meg. A cso felso resze nem lehet 1000 mm-nel magasabban.
KERJUK, A LEFOLYOCSVET AZ "A", "B" JELU ABRA SzerINT SZERELIE FEL

- A mosogatógep telepitésenek lépései
- Szerelje fel a butorajtot a mosogatogej ajtajanak kullofelere a melleklt rogzitoelemekkel. A rogzitoelemek poziconalasaho haznala j a sablont.
- Állitsa be az ajtórgó feszességot. A jobb és a bal oldali rugó megfesztéséhez fordítsa az imbuszkulcsot az oramutató jarásával megegyező irányba. Ennek elmulasztása a mosogatógép megrongálódását okozhatja. (2. rajz).
- Csatlakoztassa a befolyócsövet a hideg viz verzétékère.
- Csatlakoztassa a kifolyocsovet. Lásd a diagramot (6. ábra)
- Csatlakoztassa a haloza kábelt.
- Helyezze fel az ankondenzációs szalagot a konyhaszekrény munkafelülete ala. Kérjuk, ügyeljenarra, hogy a szalag egy szintbe essen a munkafelület szélevel.
- Tegye a mosogatogepet a helyere (4. rajz)
- Végezze el a mosogatógep szintezését. A gep hatso lába a gep elülso részeról is beallithato a gep talapzatanak közepén talalható imbuszcsavar elforditásával. Ehhez használjon imbuszcsavart (5a. rajz). Az elso láb beallfásáho hazználjon egy lapos csavarhúzó, amellyel addig kell forgatnia a gep elülso lábait, amig a mosogatógep a kivant szintbe nem kerul (5b. rajz)
- A mosogatogepetBiztonsagosan kell e helyere roziteni. Ennek két modja van:
A. Normál munkalap esétén: Illessze a rögzítóelemet az oldásó panelen található vajatba és rögtse a munkalaphoz egy facsavarral (6. rajz).
B. Márvyany vagy granit munkalap esétén: Rögzítse az oldalsó részt csavarral. (7. ábra)

[7. Ábra]
Az edenyek megfelelo elhelyezese es a gep opmalis teljesitménye erdekében a mosogatogepnek vizszintesen kell elhelyezkednie.
- Az szint ellenorzesehez az abran lathato modon helyezzen egy vizszintmrot az ajtora es a kosarsin melle.
- Állísa viszintes helyzetbe a gépet a harom szintezó lab egyenként történő beallitásával.
- Ügyeljen arra, hogy a szintezés során a mosogatógep ne dóljön elore.
[8. ábra]
A labak beallitasa
MEGJEGYZES:
A labak beallitásanak
maximalis magassaga: 50mm

Elettromos csatlakoztatas
Figyelmeztetes
SzemélyesBiztonsága érdekében:
Ehhez a gépvez ne használjon hosszabbíto zsinórt vagy adaptercsatlakozót.
Soha, semmilyen körülmenyek esetén se vágja el vagyszüntesse meg a födelókábelt.
Elektromossági kovetelmenyek
Kérjuk, Ellenorizze a szükséges feszültséget a termek adaablaján, hogy a mosogatógep megfelelo tapellatasra csatlakoztassa. Alkalmazza az eloirt 10 amperesBiztostékot, az ajanlo áramkor-megszaktó, illetve hasznaljon külön a gep szárá fenntarto áramkört.
A hasznalat elo
gondoskodjon
a megfelelo födelésröl
Elektromos csatlakoztatás
Ellenorizze, hogy a keszüléken megjelölt feszültseg és frekvencia megegyezik a hasznalni kivist halózat feszültsegével és frekvenciájával. Csak megfeleloen foldelt halóza aljatba csatlakoztassa a halóza csatlakozot. Ha a hasznalni kivist halóza aljat nem megfelelo a halóza csatlakozó szamára, cserélje ki a halóza aljatot, mintsem hovy adaptert hasznaljon, mert az tulmelegedest és tuzet okozhat.
Csatlakoztatas a vizhalózathoz
Hideg viz csatlakoztatasa

Csatlakoztassa a hideg vizes befolyocsvet egy 3 / 4'' -os kullocsavarmenetes csatlakozohoz es gyozodjon meg arrol, hogy acsatlakoz szorosan illeszkedik a helyere.
Ha a vizhálozat uy vagy azt hosszabb ideig nem használták, folyassa a vizet addig,(amig a gezetékból tiszta viz nem folyik. Ez az ovintézkedés a befolyócső eldugulásanak és ezáltal a mosogatogép megrongálódsanak elkerülse érdekében szükséges.
FIGYELMEZTETÉS!
Kérjuk, hasznalat után zárja el a vizcsapot.
A gép elhelysezé
Helyezze a mosogatógep a kivist helyre. A gép hatso részének a mögö levő falhoz, oldalainak a mellee taláhtó szekényekhez vagy falakhoz kell érnie. A mosogatógep befolyó- és kifolyósvel rendelkezik, melyetak a telepités megkönnyítese érdekében jobb vagy bal oldalra is el lehet helyezni.
Felesleges viz eltavolitasa
Ha a mosogato a padlotol szamfva 1000 mm-nel magasabban talalható, a csöben talalható vizfelesleget nem lehet kozvetlenul a mosogatócsőbe ereszteni. Emia a felesleges vizet egy külso, a mosogatónal alacsonyabb szinten talalható tála b vagy tartályba kell leereszteni.
Kifolyócső
Csatlakoztassa a kifolyocsovet. A szivargasok elkeruluse erdekeken a kifolyocsovet megfeleloen kell felszerelni. Gyzodjon meg arrol, hogy a befolyocso nincsen megtorve vagy osszenyomva.
Hosszabbíto cső
Ha hosszabbíto csóre van szüksége, ügyeljen arra, hogy az a kifolyócsóvel megegyezzen.
Nem lehet hosszabb 4 méternél, Maskülönben a mosogatógep hatásfoka csökkenhet.
Szifoncsatlakozás
Illessze a lefolyótömlôt egy minimum 40mm atmérojú lefolyócsőbe és vezesse a mosogatóba. Ügyeljenarra, hagy a cső ne Hajoljon el és ne törjön meg. A cső felső része nem lehet 1000 mm-nél magasabban.
A mosogatoge inditasa
A mosogatoge indita o a kovetkezoket kell ellenorizni:
1 A mosogatogepzintezese es rogzitese megfelelo.
2 A befolyócs szelepe nyitva van
3 A befolyócs rogzítése szoros, azon szivárgás nem észlehetó.
4 A gezetékek szorosan csatlakoznak.
5 Az aramellatas be van kapcsolva
6 A ki-és a befolyócsövón nincsenek hurkok
7 A mosogatogepbol minded csomagoloanyag es nyomtato anyag el te tavolitva.
Figyelem: A telepés után örizze meg ezta használa utmutató.
Az utmutatoban talalhato informaciok a tobbi felhasznalo szamara is hasznosak.
9. Hibaelhárítás
Mieló a szervizhez fordul
Tekintse meg a kovetkez' oldalakon talalhato abrakat, mert ezek segitségel elkerulhe a szerviz kihvasat.
| ? | Probléma | Lehetséges okok | Teendó |
| A mosogatógep nem indul | Kiége aBiztositék vagy akvalódo a háloza áramkör-megszakító | Cserélíkei k aBiztositékot, vagy indítsa újra a megszakító. Válasszon le(AP)mude más készüléket a mosogatógép által használt áramkörrról. | |
| A készülék nincs bekapcsolva. | Kapcsolja be a mosogatógépet és gondosan zárja be a gép ajtát. Ellenőrize, hagy a háloza csatlakozó megfelelöen illeszkedik a konnektorba. | ||
| A viznyomás alacsony | Ellenőrize, hagy a gép megfelelöen csatlakozik a vizhlózathoz és a vizcsap ki van nyitva. | ||
| A mosogatógép ajtaja nincs megfelelöen bezárva. | Zárja be megfelelöen az ajtó és reteszelje be. | ||
| Müszaki problemák | A vizet nem szivayúzza ki a gép. | A kifolyócsó megtört. | Ellenőrize a kifolyócsövet. |
| A szürő eldugult. | Ellenőrize a durva szüró (Iásd a "A szürő sztása" fejezetet) | ||
| A konyhai mosogató eldugult. | Ellenőrize a mosogató ét győződjön meg arról, hagy a viz megfelelöen folyik let. Ha nem a mosogató lefolyója hibásodo meg, forduljon vizvezéték- vagy mosogatógép-szerelöhz. | ||
| Hab van a dobban | Nem megfelő mosogatóSZer | A haberézló elkerülèse érdekébenCsak specialis, mosogatógépekhez készütt mosogatóSZert használjon. Nyissa ki a mosogatógépet és hagyja a habot elpárologni Ö ntsön a dobba 4 liter hideg vizet. Zárja be és reteszelje le a mosogatógép, majd valesszon ki egy mosogatóprogramot. Elő lópezkt a mosogatógép leeresz a vizet. A leeresztés után nyissa ki a gép ajtajét és ellőrizze, hagy a hab eltünt-e. Ismételje meg a műveletet, ha szükséges. | |
| Kiömlö öblitóSZer | Mindig azonnal törölje fel a kiömlö mosogatóSZert | ||
| Általános pronblémák | A dob foltos | Színezéket tartalmazó mosogatóSZert használt | Ellenőrize, hagy a mosogatóSZer nem tartalmaz színezéket. |
| A gép belső felületén fehé réteg észlehető | A kemény vizben található ásványok | A belső felület megsztlához használjon egy mosogatógépz gyártó mosogatóSZerbe martó szivacsolet és viseljen gumikesztýüt. A haberézlóe érdekébenCsak mosogatógépz gyártó mosogatóSZert használjon. | |
| Az evőeszközok rozsdaftoltosak | Az evőeszközok nem rozsdamentesek. | ||
| Nem fuato le eyg mosogatóprogramot a só betölitése után. Sómaradványok kerültek a gépbe. | A só betölitése után mindig fuassa le üres géppel a gyors mosogatóprogramot Turbo funkció nélkül (ha a gép ilyennel rendelkezik). | ||
| A vizlágyító fedele nem jol záródk. | Ellenőrize a zányelvet, győződlón meg arról, hagy annak záródaşa megfelelő. | ||
| Zaj | Kopogó hangok a gépben. | A mosogatókar hozzütólnek a kosárba helyeze tárgyak valamelyikéHz. | Szakítsa meg a mosogatóprogramot, rendezze àt a mosogatókatk akadályozó tárgyakat. |
| Zörgó hangok a gépben. | A bepakolt evőeszközok mezognak. | Szakítsa meg a programot és rendezze àt az evőeszközoket. | |
| Kopogó hangok ac szövekben | Ezt a szövezéték helyi telepitési;módja vagy a szövek átmérőjekozhatja. | Ez nem befolyásoljá a mosogatógép mühködsét. Ha két ségei vannak, forduljon szakképze vizszerelöhz. |
Hibakódok
| ? | Probléma | Lehetséges okok | Teendő |
| A mosogatáseredménye nemmegfelelő. | Az edények nem szták | Az edényeket nem pakolta be megfelelően. | Lásd "A mosogatógép kosarának megtöltése" fejezetet. |
| A program intenzitása nem megfelelő | Válasszon ki egy intensívebb mosogatás biztosító programot.Lásd a "Mosogatóprogramok tablázata" fejezetet. | ||
| Elégtelen mennyiségúmosogatószer | Használjon tobb mosogatószert, vagy ványtson ésikmosogatószer-márkára | ||
| A mosogatókarok mozgásátvalami akadályozza. | Rendezze át az edényeket oly mádon, hagy a mosogatókarokszabadon foroghassanak. | ||
| A mosogatógép alján azszürózerelvény nem szta vagy nem illeszkedik megfelelően. Ezblokkolhatja a mosogatókarfúvókáját. | Tisztsa meg és/vagy illeszne megfelelően a helyére aszürózerelvényt. Tisztsa meg a mosogatókar fúvókáit. Lásda "A mosogatókarok sztása" fejezetet. | ||
| Az üvegnemű homáyos | Túl suk mosogatószer kerültavíbe. | Ha lágy vizet használ, alkalmazzon kevessebb mosogatószert,és az üvegnemű sztásához valassza a legrövidebbmosogatóprogramot. | |
| Fekete vagy szürke csíkokaz edényeken | Az edényekhez egyaluminiumárgy dörzsölódó. | Használjon enyhe surolószert a csíkok eltávolítására. | |
| Mosogatószer maradt amosogatószer-adagolóban | Az edények blokkolják a mosogatószer-adagolóct. | Pakolja be az edényeket Újra, megfelelő mádon. | |
| Nem megfelelőszáradas. | Az edények nem szárazak | Nem megfelelő bepakolás | Pakolja be a mosogatógépet a javasolt irányok betartásával. |
| Túl kevés öblitószer | Növelje az öblitószer mennyiségét / tõltse meg azöblitószer-adagolóct. | ||
| Az edényeket túl hamar pakoltaki | Ne ürítse ki a mosogatógépet kóvetlenül a mosogatás után.Nyissa résnyire a gép ajtaját, hogy a gőzlétvozhasson. Csakakkor kezdje meg az edények kipakolását, ha azok érintésernár alig melegek. Először az also kosarat ürítse ki. Ezzelmegelőzhe, hogy a felső kosárból viz csepegjen az alsokosárban lévo edénykre. | ||
| Rossz programot választo | Rövid programnól a mosogatási hórmésklet alacsonyabb. Ezamosogatáss hatásfokát is csökken. Válasszon hosszabbmosogatóprogramot. | ||
| Rossz minőségú bevonaalrendelkező evőeszköz | A vizlepergetés rosszabb az ilyen tírgyak esetében. Az ilyenpusu evőeszkök és etkészletek nem szthatókmosogatógépen. |
Ha a keszülék muködese során hiba lép fel, a mosogatóge erre hibakódkkal gyelmeztet.
| Kódkok | Jelentés | Lehetséges okok |
| A Gyors program jelzőfénye gyorsabban villog | Hosszú vizbefolyás | A vizcsap nincsen kinyitva, a viznyomás alacsonyagy a vizfolyás korlátozo. |
| Az ECO program jelzőfénye gyorsabban villog | Túlfolyás | A mosogatógép valamelyik egysége szivárog |
FIGYELMEZTETÉS!
Tulfolyas eseten, mieló a szervizt kihívná, zárja el a vicsapot.
Ha szivargas vagy tultoltes kovetkeztuben viz gyult ossze a gep aljaban, a mosogatogep ujrainditasa elo a vizet el kell tavolitani.

| Magasság: | 815mm |
| Szelesség: | 598 mm |
| Mélység: | 550 mm (zárt ajtókkal) |
| Víznyomás: | 0,04-1,0 MPa |
| Tápegység: | lásd adaábla |
| Kapacitás: | 1 személyes teríték2 |
Muszaki adatlap
Az EU 1059/2010 irányelve előirásainak megfelelo háztartásim mosogatógep:
| Gyártó | FAGOR |
| Típus/leírás | LVF63ITB |
| Kapacitás szabványos ter—iték esétén: | 12 |
| Energiahatékonysúgi besorolás ① | A+ |
| Éves energiafogyasztás ② | 273 kWh |
| Normál mosogatóprogram energiafogyasztása: | 0,96 kWh |
| Energiafogyasztás kikapcsolt állapotban: | 0,45 W |
| Energiafogyasztás bekapcsolt állapotban: | 0,49 W |
| Éves vizfogyasztás ③ | 3220 liter |
| Szárítási hatékonyság ④ | A |
| Normál mosogatóprogram ⑤ | ECO 45 °C |
| Normál mosogatóprogram időtartama: | 190 perc |
| Zajszint: | 49 dB(A) re 1 pW |
| Összeszerelés | Pult alá épithető |
| Beépithető | Igen |
| Magasság: | 81,5 cm |
| Szelesség: | 59,8 cm |
| Mélység (csatlakozásokkal) | 55 cm |
| Energiafogyasztás: | 1760-2100W |
| Névleges feszültseg / frekvencia | 220-240 V~ 50 Hz |
| Víznyomás (áramlási nyomás) | 0,4-10 bar= 0,04-1 MPa |
MEGJEGYZÉS:
- A + + + (legnagyobb hatékonyság) - D (legkisebb hatékonyság)
- A " 802zabvckn hengjefedegszahs zhalot es alacsony aramigenyu program energiafelhasznalasat alapul veve kerult kiszamitasra. A tenyleges energiafelhasznalas fugg a keszulek hasznalatanak a modjatol.
- A "3220" literes vifogyasztás 280 szabvány ciklust alapul veve került kiszámíasra A tenyleges vífelhasznalás fugg a készülék hasznalatának a modjától.
- A (legnagyobb hatékonyság) - G (legkisebb hatékonyság)
- Ez a program normal szennyezesegu teritekekhez megfelelo. Az energia- es vifogyasztas szempontjabol a leghatekonyabb mosogatoprogram az ilyen edenyekhez.
A gép megfele az alábbi euρai szabványoknak és a szällításakor érvényben levő irányelveknek:
LVD 2006/95/EC
EMC2004/108/EC
ErP 2009/125/EC
A fen értekeket a szabványokban meghatározo muködési körulmények során merték. Az eredmények az edenyek minósegétól és szennyezeséguk mertékétól, valamint a viz kemenységétól, a mosogatószer mennyiségétól stb. fuggöen jelentösen elterhetnek.
Ez a használa utmutató az Euρpai Unió szabványainak és szabályainak megfeleloen késztult.

3.Evoeszkoztarto kosar:

1. Evokanalak
Az EN50242 szabvának megfelelo, összehasonlito tesztre vonatkozo informaciok:
Kapacitas: 12szemelyes t
A felső kosár pozíciajá: also poz
Mosogatóprogram: ECO
O blitószer-adagoló beállítás: 6
Vizlagyító beallitás: H3

Nagy talaotlak

Lapostányerok

Mély tányérok

Ovalis tal


2.Also kosar:
FAGOR
CNAgroup
EDESA INDUSTRIAL S.L.
- S fosfátom a chlórom
- S fosfátom a bez chloru
- Bez fosfátu bez chloru
Obyčajne je nový práskový cisaci prostriedok bez fosfátov. Tým neexistuje zmákcovacia funkcia vody fosfátom. V toto pripadé odporučame doplinit' sol do zásobníka soli, aj ke'd' je tvrdost vody len 6°dH. Ak sa používajú cisace prostriedky bez fosfátov v pripadé tvrdej vody, Často sa objavujú biele škrvny na riade a pohároch. V toto pripadé pridajte viac cisaceho prostriedku pre dosiahnue lepsich vysledkov. Čisace prostriedky bez chlóru bielia len malo. Silné a farebné škrvny nebudú úplne odstránene. V toto pripadé zvol'te program s vyssou teplotou.
KönnyűKézikönyv