LVF63ITB - Lavavajillas FAGOR - Manual de uso y guía de instrucciones gratis
Encuentra gratis el manual del aparato LVF63ITB FAGOR en formato PDF.
Preguntas frecuentes - LVF63ITB FAGOR
Descarga las instrucciones para tu Lavavajillas en formato PDF gratis! Encuentra tus instrucciones LVF63ITB - FAGOR y toma tu dispositivo electrónico nuevamente en la mano. En esta página están publicados todos los documentos necesarios para el uso de su dispositivo. LVF63ITB de la marca FAGOR.
MANUAL DE USUARIO LVF63ITB FAGOR
Barrio Garagarza, s/n.
20500 Mondragon
Gipuzkoa. Spain
Lavavajillas
Manual de instrucciones:
LVF63ITB
1 cubiertos2


Lea este manual
Estimado cliente,
Lea atentamente este manual antes de utiliser el lavavajillas, le ayudar a utiliser ymantener su electrodométrico adecuadamente.
Guardelo para consultas futuras.
- Entréguelo a sus posibles propietarios futuros.
Este manual contiene informacion sobre seguridad,funcionamento, instalacion, resolution deproblemas,etc

Antes de llamar al增值服务专业技术
El apartado de solución de problemas le ayudará a resolver algunos problemas comunes.
Si no pueda SOLUTIONAR los problemas, Solicite la ayud de技术和 profesionales.

NOTA :
El fabricante, en una的政治a de descarrollo yactualizacion continuos del producto,puede aportar Modifications sin previo aviso.
Elmanualdeusernamepuede serobtenido del fabricante.
1) Información relacionada con la seguridad......1
2) Guía rápida de referencia. 2
3) Instrucciones de uso. 3
Paneldemandos. 3 Elementos
4) Instruetiones previas a la Utilizacion inicial delaparato 4
A. 4、Descalcificadordeagua
B、Llenado del deposito de sal. 5
C、Llenado del dosificador de liquido abrillantador.5
D、Funcióndeldetergente 6
5)....9Cococargarlascestas dellavavajillas
Precauiones atenerencuentaantesdyesperedes de
cargarlascestas delavavajill.as. 9
Cmo cargar la cesta superior.. 10
Cmo cargar la cesta inferior.. 10
6) Como,iniciar un programa de lavado. 11
Cuadro de ciclos de lavado.. 11
Puesta en marcha del aparato. 11
Cambio de programa de lavado. 12
Finalizacion del ciclo de lavado. 12
7)Mantenimiento y limpieza. 13
Cuidado del lavavajillas. 14
8) Instruetiones para la instalacion del aparato..15
Preparativos para la instalacion del aparato.15
Dimensiones e instalacion del panel decorativo de puerta.16
Ajuste de la tension de los muelles de puerta.18
Conexion de la manguera de desague.18
Pasos a seguir para la instalacion del lavavajillas.19
Informacion sobre como connectar el aparato alared
elctrica.20
Conexion al suministro de agua fria.21
9) .....22 Consejo Atenerencuenta antes desolicitarasistencia t ecnica. .22 C odigos de error. 23 Informacion tcnica. 24
Cargadelascestasconformaleosrequisitos dela normaEN50242
1. INFORMACION DE SEGURIDAD IMPORTANTE
ATENCLON! Cuandoutiliceel lavavajillas, siga las medidas de precaucionsiguientes:
Este aparato está destinado al uso dométrico yotiros usos similares, tales como:
- Areas de cocina en tiendas, oficinas y otros ambientes laborales;
-granjas;
- clientes en hoteles, moteles y otros ambientes de tipo residencial;
-ambientes tipo hostal.
■ Este aparato pueda ser utilisé por niños de edad superior a 8 años y por personas con capacities físicas, mentales o sensoriales reducidas o sin experiencia y conocimiento en el caso en el que hayan recubiado supervisión o instrucciones relativas al uso del aparato en un modo seguro yentaenden los riesgos que entraía. Los niños no debenjugar con el aparato. La limpieza y mantenimiento del aparato no debe ser llévada a cabo por niños sin supervisión. (Para EN60335-1)
-
Este aparato no está Diseñado por el uso de personas (incluidos niños) con capacities físicas, sensoriales o mentales reducidas, o falta de experiencia y conocimiento, salvo que haya recibido supervisión o instrucciónreferente al uso del aparato por una persona responsable de su seguridad. (Para IEC60335-1)
-
Este aparato es para uso interior únicamente y para uso dométrico. Para proteger contra el riesgo de shock électrique, no sumerja la unidad, cable o enchufe en agua y en otros liquidos.
Por favor desenchufe el aparato antes limpiar y proceder al mantenimiento del aparato. Utilice un trapo suave mojado en jabón neutro y afterwards use un trapo seco para limparlo de nuevo.
El aparato debe estar connectado a tierra. En el caso de mal functionamento o ruptura la tierra reduce el riesgo de shock electrico
suministrando una vía de Resistencia a la corriente electrica. El aparato está equipado con un cable equipado con un conductor de tierra y un enchufe de tierra.
El enchufe debe estar enchufado a un enchuf apropiado e instalado y con toma a tierra de acuerdo con las normas locales.
La connexion erronea del equipamento conductor peut conllevar un reisgo de shock electric. Por favor, consulte con un electricitsa o el representante del serviceo en caso en el que tengas dudas respecto a la toma de tierra.
■ No modifique el enchufe original, en el caso en el que no quepa en el enchufe, instale uno con lapelluda de un electricistaequalificado.
No haga un mal uso, no se siente o no se ponga de pie en la puerta o bandeja el lavavajillas.
■ No arranque el lavavajillas salvo que los paneles de ciderre estén en su lugar apropriado.
En el caso de aperture de la puerta durante la operación, por favor abraDUCTosamente el lavavajillas, hay riesgo de salute del agua.
■ No Coloque objetos pesados o se suba en la puerta,msteadsé abierta.El aparato podría volcar.
Cuando vaya a cargar el lavavajillas:
1) Coloque las partes aflidas evitando dañar el sello de la puerta.;
2) Atencion: cuchillos ythers utensilios con+puntos aflidas deben ser colocados en la cesta con sus+puntas hacer abajo o en posicion horizontal.
- Compruebe que el detergente en polvo está Consumido afterwards de la finalización del ciclo de lavado.
■ No lavar productos de plastic, salvo que estén marcados para limpieza específica en lavavajillas. En el caso en el que no estén marcados como aptos para su limpieza, consulte con el fabricante.
■ Utilice únicamente detergente, abrillantador yDEMás aditivos especialmente diseñados para lavavajillas.
■ No utilise jabón, jabón de lavadora o para lavado a mano en su lavavajillas. - Los niños no deben usar el producto sin supervision.
No deje la puerta abierta, podra tener riesgo de vuelco.
■ Si el cable está dañado, reemplacelo con recambios originals. - Durante la instalacion la toma a corriente no debe estar peligrosamente torcida o aplanada.
No fuercenimipule losmandos.
El aparatoDebe connectarse a la red principal utilizing las mangueras originales. No reutilice calderas.
■ No cargue más servicios que los estipulados por el fabricante.
La presión Tmaxima de entrada es 1MPa.
La presión minima del agua es 0.04MPa.
RECICLAJE
Partes en plástico estámarcadas según las abreviaturades lossiguientesstandares internzonales:
PE--- para polietileno.
PS--- para poliestireno.
POM --- polioximetileno.
PP--- polipropileno.
ABS--- Acrilonitrilo Butadieno Estireno.

ATENCLION!
El embalaje puede ser peligioso para los niños.
Por favor utilise centros de reciclaje legales.
Por favor, corte el cable y haga que deben sin uso la puerta.
El carton está fabricado con materiales reciclados y deben ser reciclado como papel.
■ Al asegurar se que el producto se reciclca correctamente, Ustedbye a prevenir potenciasconsecuencias negativas contra el medio ambiente y la salute que podrnan ser causa del mal uso de los residuos del producto.
Para informacion detallada sobre el reciclaje de este producto, por favor, contacte con su entity local de reciclaje.
Por favor, no deje los deshechos del producto en instalaciones no clasificadas. El producto requires a separacion y un tratamento spécifique.
2.Guiarápida dereferencia
Si desea obtener informacion detallada acerca del método de utilizeson del aparato, consulte la seccion correspondiente del manual de instrucciones.
| Encienda el aparato | Abra la puerta y pulse el botón de encendido / apagado para encender el aparato. |
| Lleneeldispersadordedetergente | CompartimentoA:Llenar en cada ciclo de lavado.CompartimentoB:Soloparprogramas conprelavado.(iSigalasinstruccionesindicadas en el manual del usuario!) |
| Compruebeel niveldeliquido abrillantador | IndicadormecánicoC.Incidadorélectriscsituado en el panel de mandos (de estarincluido). |
| Compruebeelniveldesal | (Soloanquellosmodelosequipadoscondescalcificadordeagua.)Indicadoreléctricostituenoelpaneldemandos(deestarincluido).Denoincluirestestigoindicadordeniveldesalbajoenelpaneldemandos(comoeselascoenalgunosmodelos),podráestimarcuándodeberarelenareldepósitosadelanfuncióndelnúmerodeciclósdelavadorealizadoporellavavajillas. |
| Carguelascestas | Elimine de vajilla y cubiertosequalquier acumulación importante de restos de comida.Ablandeequalquierresto de comida quemada presente en cazuelas y sartenes (poniéndolas previamente en remajo)y,acontinuación, cargue las cestas del aparato.Consulte las instruetiones sobre como carragar el lavavajillas. |
| Selección un programaddelavado | PulsereiteradamenteelbotóndeSeleccióndeprogramashastaquesileumineeltestigocorrectidente al programa deseado.(Consulte la sección titulada "Instruciones de uso") |
| Puestaennarchadellavavajillas | Abraelgrifodeentradaeaguicyierrelapuertadelaparato.Elaparatocomenzaráfuncionalarcabodeaproximadamente10segundos. |
| Cómcambiaredelprograma | 1.Unaveziniado, solopodrámoodificarseunciclodelavadosilveaejecutándoseunbreveintervalo.Delocontrario, espóstiblequeyasehayaliberadoedetergentydrenadoelagua.Endichocaso,seránecesarquivolverallenareldispensadordedetergente.2.MantengapulsadoelbotóndeSeleccióndeprogramasduranteunintervulosuperiora3segundosparacancelareplrogramadelavadoencurso.3.Selectioneunnuèvoprograma.4.Vuelvaponeren marchaellavavajillas. |
| Cómoañadirenellavavajillasplatosquehaolvidocargaranteriormente. | 1.Abraligeramentelepertadelaparatorainterrumpirelciclodelavado.2.Unavezquelosbrazosaspersoreshayandejadodegirar,podráabrirtotalmentelpuerta.3.Introduzcalosplatosquehayaolvidocargar.4.Clerrelapuerta;ellavavajillasreanudaralelcioencursoalcabode10segundos. |
| Quéocurresiapeagaelaparatoduranteenuclodelavado. | Siporcualquiemotivosepagaelaparatoduranteunciclodelavado,alvoleraencenderlo,vuelvaaselectroneleciclodelavadoyejecutardesdeelprincipiolasecuenciadiepuestaennarchadellavavajillas. |
| Apagadodelarato | Unavezfinalizadoelclcdelavado,elvisadoracústicodellavavajllasonará8vecesparadespuéspermanecerensilencio.Apaguelapatortutilizandoelbotóndeencendiq/apagado. |
| Cierreelgrifoedeintradaeguydescarguelascestas | iAdvertencia!Espereunosminutos(aproximamente15minutos)antesdesdescargarellavavajillas.De esta�性ma,evitar tener que manipular los platos y utensilios@mismasusceptiblesderomperse.Además,dichointervacontribuyaaaquesesequenmejordescarguelapataroempezandoporlacestainferior. |
3.Instrucciones de uso

IMPORTANTE Paraquesulavavajillasproporcionelesmejoresresultados,leatadas
lasinstrucciones de uso antes deprocederautilizarloporprimeraze.
Paneldemandos

- Boton e indicator de encendido: para encender/apagar el aparato y做不到 cuando está encendido.
- Botones eindicadores de programa: pulse el boton para selectionar un programa de lavado y el indicator para loar que programa de lavado ha escogido.
- Luces de advertencia de sal y apllantador: indican cuando debenrellar el recipientoe dosificador de sal.
- Botón e indicator de las functions de secado adicional: pulse el botón para escoger el secado adicional y el indicator做不到a la funciona que ha escogido. Solooulda usar con los programas intensivo, normal, eco y 90 min).
- Botón de media cargo: para selectionar las functions de media cargo. (Solooulda usar esta func iación de media cargo cuando colque 6 vajillas o menos en el aparato. Observará que el consumo energetico y de agua es menor. Podra usar esta func iación con los programas intensivo, normal,eco o 90 min).
- Boton e indicadores de retraso: para estar el tiempo de retraso de 3, 6 o 9 horas.
Elementosdellavavajillas

Vista frontal

Vista posterior
1 Cesta superior
2 Tubo interior
3 Cesta inferior
4 Deposito de sal
5 Dosificador
6 Soporte para tazas
7 Brazos aspersores
8 Conjunto de filtros
9 Conector del tubo de entrada
10 Tubode desague
4. Instrucciones previas a la utilizacion inicial del aparato
Antes de utiliser por primera vez su lavavajillas, proceda comocede:
A.Ajusteeldescalcificadorparaaguasduras
B. Añada 1,5 kg de sal para lavavajillas y llene totalmente de agua el depuesto de sal
C.Lleneel dosificadordelloquido abrillantador
D. Llene el dispensador de detergente
A. Descalcificadordeagua
El descalcificador de agua deben ajustarse manualmente utilizing el selector de la dureza del agua.
El descalcificador de agua ha sido diseado para eliminar los minerales y las sales presentes en el agua que podra tener un efecto perjudicial o negativo en el funcionaimiento del aparato.
Cuanto mayor sea el contentido de dichos minerales y sales en el agua, mas dura sera el agua abastecida en su zona. El descalcificado deben ajustarse conforme a la dureza del agua abastecida en su zona. SuEmpresa municipal de abastecimiento de agua podra aconsejarle acerca de la dureza del agua abastecida en su zona.
Ajustedelconsumodesal
El lavavajillas ha sido diseñado para permitir ajustar la calidad de sal realizada en función de la dureza del agua abastecida en su zona. De esta manière, sera posible optimizar y personalizar el Consumo de sal del aparato.
Siga los pasos indicados a continuacion para procer aajar el consumo de sal.
- Abra la puerta del aparato y enciendalo.
- Mantenga pulsado el botón de Señeción de programas durante un intervalo superior a 5 segundosenlos 60segundossiguidesahaberencendidoelaparato (lostestigosdeniveldesal y abrillantador se iluminaran brevementemaintras el aparato accede al correspondiente modo de configuración).
- Vuelva a pulsar el botón de Señeción de programas a fin de selección ar valor correcto en función deladurezadelaguaabastecidaensuzona;losvaloresdisponiblesse mostraranconforma a la作為pecuencia: H3->H4->H5->H6->H1->H2.
- Pulse el botón de Encendido para completar el proceso de configuración.
| DUREZADELAGUA | Posiciónnel selector | Consumodesal (gramos/ciclo) | Autonomía (ciclos/1kgs) | |||
| dH | fH | Clarke | mmol/l | |||
| 0~90~50~0 | 94 | 0~6 | H1 | 0 | / | |
| 6-11 | 10-20 | 7-14 | 1.0-2.0 | H2 | 20 | 60 |
| 12-17 | 21-30 | 15-21 | 2.1-3.0 | H3 | 30 | 50 |
| 18-22 | 31-40 | 22-28 | 3.1-4.0 | H4 | 40 | 40 |
| 23-34 | 41-60 | 29-42 | 4.1-6.0 | H5 | 50 | 30 |
| 35-55 | 61-98 | 43-69 | 6.1-9.8 | H6 | 60 | 20 |
Nota:1
1°dH=1.25°Clarke=1.78°fH=0.178mmol/l
°dH:Gradosconformealaescalaalemana
fH:Gradosconformealaescalafrancesa
Clark: Grados conforms a la escala británica
Note:2
Valor predeterminado por defecko: H3(EN 50242)
Póngase en contacto con suEmpresa municipal de abastecimiento de agua para informarse acerca de la dureza del agua abastecida en su zona.

NOTA: si su Modelo de lavavajillas no cuenta con descalcificado, podra saltarse esta sección.
DESCALCIFICADOR DE AGUA
Ladurezadelaguvaria de unlugaraanother.Deutilizarseunaguadura enellavavajillas,aparecerandepositosde cal en vajillay cubiertos.
Elaparato cuestion conundescalcificadorespecial queutilizaundepositosalespecificamenteisedenado para eliminarlacalylosmineralesdelagua.
B.Llenadodeldepositosal
Utiliceunicamente salespecial paralavavajillas.
El deposito de sal está ubicado bajo de la cesta inferior y deben llenarse conforme se indica acontinuación:
Atencion!
■ | Utilice únicamente sal especialmente formulada para su uso en lavavajillas! La realización de cualquier(other tipo de sal que no está especialmente formulada para su uso en lavavajillas; en particular, sal de mesa, dañará sin lugar a dudas el descalcificador del aparato. Los posibles daños derivados de la realización de un tipo de sal inadequado no estarán cubiertos por la garantía del aparato y, por lo tanto, el fabricante no acceptorá responsabilidadalguna por ellos.
■ De ser necessario relllenar el deposito de sal, hagalo unicamente antes de executar algo programa delavadocomplete.
De esta manière, se evitará que los granos de sal o el agua salada que hayan PODido derramarse permanezcan en la cuba inferior del aparato durante demasiado tiempo como para provocar corrosión.


A. Retire la cesta inferior y, a continuacion, desenrosque y retire la tapa del deposito de sal.
B. Introduzca el extremo del embudo (suministrado) en la boca de llenado del deposito y añada aproximadamente 1,5 kg de sal especial para lavavajillas.
C. Llene de agua el deposito de sal. Será normal que una(PCa)cantidad de agua rebose del deposito.
D. Tras haber llenado el deposito, vuelva a colocar la tapa y apiretela firmamente roscandola en el sentido de las agujas del reloj.
E. Generalmente, el testigo de nivel de sal bajo se apagará tras haber llenado el deposito de sal
F. Deberá iniziarse un programa de lavado inmediamente antes de haberllenado el deposito de sal.
De lo contrario, el agua salada podra terminar dañando el sistemas de filtración, la bomba u另一边 piezas importantes del aparato. Dichos daños no están cubiertos por la garantía.

NOTA:
- El deposito de sal solo deben rellenarse cuando se enciende el testigo de nivel de sal bajo en el panel de mandos. En función de la proportión en que se disuelva la sal, sera posible que el testigo de nivel de sal bajo permanece a pesar de que el deposito de sal esté lleno. De no incluirse ningún testigo de nivel de sal bajo en el panel de mandos (como sucede en algunos modelos),oulda estimar cuando debe rellenar el deposito de sal en direccion del numero del ciclo de lavado realizado porlllavavajillas.
- De haberse derramado sal en el aparato, deben iniciarse un programa de aclarado o de lavado rapidoparameliminarelexcesodesal.
C. Llenadodeldosificador deliquidoabrillantador
Dosificadoresdelloquidoabrillantador
El aparato libera ciertacantidad de abrillantador durante el aclarado final a fin de evitar la formacion de gotas de agua en su vajilla propensas a dejar manchas y marcas. Asimismo, acelera el proceso de secado, permitiendo que el agua se escurra por sola de la vajilla. Su lavavajillas ha sido diseado para utiliser liquidos abrillantadores. El dosificador de liquido abrillantador está situado en la superficie interior de la puerta junto al dispensador de detergente. Para llunar el dosificador, abra la tapa y vierta liquido abrillantador en el interior del dosificador hasta que el indicator de nivel adquiera un color totalmente negro. La capacité del dosificador del liquido abrillantador es de aproximamente 110 ml.
Funcióndlíquidoabrillantador
El liquido abrillantador se anade automatically durante elultimate aclarado para garantizar el enjuague optimo de su vajilla y cubiertos, asi como un secado perfecto libre de manchas y marcas.
Atencion!
Utilice unicamente liquido abrillantador especificamente diseado para lavavajillas. Nunca llene el dosificador de liquido abrillantador con other sustancias (p. ej. liquido lavavajillas o detergente liquido), ya que terminaria danando el aparato.
Cuandodeberellenarseeldosificadordeliquidoabrillantador
Si elaparato no incluye unindicador de avis de nivel bajo del liquidoabrillantador, podraestimarlacantidad remanente en el dosificador en funcion del color del indicator optico de nivel "C" situado unto a la tapa. Cuando el dosificador de liquido abrillantador está lleno, el indicador adquirirá un color oscuro. Por el contrario, a medida que el nivel de liquido abrillantador disminuye, el tameno del punto oscuro iradiminuyendo. No permita que el nivel de liquido abrillantador disminuya por debajo de 1/4 de su capacité maxima.
A medida que el nivel de liquido abrillantador disminuye, el tameno del punto negro del indicator de nivel ira cambiando segunsemuestraenlailustracioninferior.
Lleno
3/4desucapacadmaxima
1/2desucapacadmaxima
1/4 de su capacité maxima: deben rellenarse para eliminar la formacióndemanchasymarcas

Vacio



- Para abrir el dosificador, gire el tapón hacía la izquierda hasta su posición "abierta" (flecha situada a la izquierda) y retirearlo.
- Vierta el liquido abrillantador en el dosificador, teniendo cuidado de que no rebose.
- Vuelva a colocar el tapón en su situó, alineando lamarca estampada en el mismo con la flecha correspondiente a su posición
"abierta" y girelo hacía la derecha hasta que lamarca del tapón coincida con la Fecha indicadora de posición "cerrada"
(flechasituadaaladerecha).

NOTA:
lmpie qualquier excesso de liquido abrillantador derramado durante el proceso dellenado utilizing un p a n o a b s o r b e n t. De estamera, see vitaral forma n c xcesivade espu ma dur a seguiente lavado. No se olvide de NVver a colocar el tapon antes de cerrar la puerta del lavavajillas.
Ajuste del dosificador de liquido abrillantador

Según el Modelo de lavavajillas, el dosificador de liquido abrillantador contará con.SEIs o quatre posiciones de ajuste.En los modelos con SEIs posiciones de ajuste, empiece ahora con el dosificador ajustado a la posicion "4".Si tras el lavado se observan manchas o la calidad de secado es deficiente,aumente lacantidad de liquido abrillantador dosificado retirando el tapon del dosificador y girando el mando de ajuste hasta la posacion "5". Si la vajilla sigue sin secarsecorrectamente o se siguen observando manchas y marcas en esta, gire el mando de ajuste al seguiente nivel más elevado hasta que su vajilla quede impecable. La posicón de ajuste recomendada es la "4". (La posicón ajustada de fabricaesla"4.).
NOTA:
Aumente la dosis si se observan gotas o marcas de agua, o bien motas de cal en su vajilla trasellavado.
Reduzca la dosis de liquido abrillantador si se observan manchas blanquecas y pegajosas en su vajilla, o bien una película azulada en su cristalería o en las hojas de sus cachillos.
D. Funcióndetergente
Gracias a sus ingredientes químicos, los detergentes son necessarios para desincrustar la sociedad, resolverla y eliminarla dellavavajillas.
La mayoria de los detergentes de calidad de vente en commercios son adecuados paraicho proposto.
jAtencion!
Usoadecuadodeldetergente
Utilice unicoamente detergente especialmente formulado para su uso en lavavajillas. Conserve su detergente en un lugarfrescoyseo.
No a nada detergente en polvo en el dispensador hasta el momento en que vaya a utiliser el lavavajillas.
Detergentes
Hay 3 típos de detergente normalmente disponibles:
- Los que contienen fosfato y cloro
- Los que contienen fosfato pero no cloro
3.Losquenocontienenfosfatoperosicloro
Normalmente, los最新的amos de detergentes en polvo no contienen fosfato. Por lo tanto, no es possible beneficiarse de la'action descalcificadora que el fosfato produce en el agua. En dicho caso recomendamos llunar el deposto de sal, incluso si la dureza del agua abastecida en su zona es de tan solo 6^ . De utiliser detergentes sin fosfato con un tipo de agua dura, apareceran confrecuencia marcas blancas ensuvajillay cristaleria. Deserasi, anadaunamayorcantidadde detergente paraobtenermejoresresultados.Los detergentes sin cloro poseen un poderlimpiadorlimitado.No seraposibleeliminartotalmenteaquellasmanchasdificilesydecoleresfuertes.EnEstecaso,Seleccionuneprogramacuna temperaturemásalta.
Detergenteconcentrado
En func tion de su composotion quimica, los detergentes peuvent clasificarse en dos tips basics: Detergentes alcalinos convencionesseconigredientescausticos Detergentes concentrados de bajo alcalidad con enzimas naturales
Detergentesenpastilla
En func i la marca utilzada, los detergentes en pastilla se disolveran a velocidades distinctas. Por este motivo, alquos detergentes en pastilla no consigen disolverse por completey y su poder limpiador no es totalmente efectivo en programas cortos. Por lo tanto, utilise programas mas largos cuando utilise detergentes en pastilla. De esta manera podra garantizarse la eliminacion total de los restos de detergente.
Dispensadordedetergente
El dispensador deben llenarse al comienzo de cada ciclo de lavado, conforme a las instrucciones indicadas en el cuadro de ciclos de lavado. Su lavavajillas necesita una menorcantidad de detergente y abrillantador que los lavavajillas convencionales. Generalmente, una cucarada sobre de detergente sera suficiente para una carga normal del lavado. Silavajilla ocubierto salavarestanestanespecialmentuscios,seranecesarioañadirunamayor cantidad de detergente.Añada siempre el detergente solo antes de iniciaun ciclo de lavado,yaque del contrario, el detergente podrfa humedecersey nolegaradisolverde la manera correcta.
Cantidaddedetergenteutilizar



NOTA:
Si la taps a está cerrada, presione el botón de aperture. La tapa se abrirá de forma automática gracias a su mecanismo de resorte.
■ Anada siempre el detergente solo antes de iniciaar un ciclo de lavado.
■ Utilice unicolemente detergente especial para lavavajillas.

ATENCLON! El detergente es corrosive. Mantenga a los niños alejados del detergente.
Cómoañadireldetergente
Añada detergente en el dispensador. Las-distintasindicacionesseñalanel tipo de dosis autilizar (vease laillustración dela derecha):

A Añada en este hueco el detergente para el ciclo de lavado principal.
3 Añada en este hueco el detergente para el ciclo de prelimvado.
Observe las recomendaciones del fabricanteferentes a dosificacion y almacenamento indicadas en el envase paque de dedetergente.
Cierre la tapa y presióna ligeramente hasta que encaje correctamente ensuposcioncerrada.
Silavajillaalavarestamuysucia,anaunañosadosisadicondiledetergente enelcompartimento deprelavado.
El detergenteañadido en este compartmento se utilizes durante la fase de prelimado.

NOTA:
En la ultima págin de este manual encontrará información acerca de la cantidad de detergente a utilizesparanpogramadelavado simple.
■ Lerogastenerencuentaque, enfunciOn delnivelde suciedady deladurezaespecificadelagua, podranobtenseresultadosdiferentesylascantidadesdedetergentyabrillantadorautilizarpodran variarde lasindicadas.
Observe las recomendaciones del fabricante indicadas en el envase o paquete de detergente.
5. Como@cargar las cestas del lavavajillas
Recomendaciones
■Considere comprar utensilios designados como aptos para lavavajillas.
■Utilice un detergente suave designado como "delicado con su vajilla". En caso de necessities, Solicite informacion complementaria a los fabricantes de detergentes.
Para cierto elementos y utensilios, seleccione un programa cuya temperatura sea la mas bajo possible.
■Para evitar daños y roturas, no retire la cristalería y cubiertos del lavavajillas inmediamente cuando el finalizare programadelavado.
Vajillay cubiertosquepuedlavarseenellavavajillas:
Noadecuados
Cubertería con mangos de madera, asta, madreperlaoporcelana
Elementosdeplasticoquenoseanresistentesal calor
Cubertería antigua con piezas encoladas que no sonresistentesalcalor
Vajillaocuberteriaconpiezasencoladas
Utensiliosdecobreostano
Cristaleríafina
■ Utensilios de acero propensos a oxidarse
Bandejasdemada
Utensiliosfabricadosconfibrassintéticas
Deespecialciouidado
■ Algunostipsode cristalwouldenerlegarpierde su brilloalcabodenumerososlavados
Losutensilios deplatayaluminiotienentendencia
a perder su color natural durante el lavado Los adornos de cristal o esmaltados能把 pierde su brillo o colorido si se lavan con fecuencia en un
lavavajillas
Precauidacionesatenerencuentaantesydespuesdecargarlascestasdellavavajillas
(Para Obtener el mejor rendimiento de su lavavajillas, observar las siguientes instrucciones de energia.) (Las caracteristicas y el aspecto de las cestas y canastillas para cubiertos pueda ser differsentes de las suministradas consumodelodelavavajillas.)
Elimine de vajilla y cubiertosequalieraccumulacionimportante de restosde comida.Ablandequalquierrestode comida quemada presente en cazuelas y sartenes (poniendolas previamente en remojo).No es necessario enjuagar losplatosdebajodelgrifo.
Coloque los objetivos en el lavavajillas de la lenguera singular:
- Asegürese de colocar bocabajo aquellos elementos tales como tazas, vasos, cacerolas, sartenes, etc.
- Los elementos curvoso con huecos deferan colocarse en posicjion inclinada para permitir que el agua能把 escurrirsefacilmente.
- Todos los elementos deben colocarse deforma segura para que no se caigan ni se vuelquen.
- Todos los elementos deben colocarse de wayra que no obstaculen el movimiento de los brazos aspersores duranteellavado.

NOTA: aquellos elementos demasiado微量元素 no deben lavarse en el lavavajillas, ya que podri an caerse fácilmente a工程技术 de las cestas o canastillas.
Coloque bocabajo aquellos elementos huecos tales como tazas, vasos, copas, cacerolas, etc. a fin de que no se acumuleaguaensinterior.
■ Los platos y cubiertos no deben encajarse entre sini solaparse uno aOthers.
Paraevitardañarvasosycopas,asegúresedequenohacencontactoentreís.
Coloquelosobjectos demayortamaño y más dificiles delimpiarenlacesta inferior.
La cesta superior está disenada para soportar objetos mas livianos y delicados tales como vasos, copas, y tazas.
■No coloque cuchillos de hoja larga con su extremo cortante orientado hacía arriba, ya que podrjan suponer unpeligro!
Los cubiertos largos y/o afilados tales como cucillos de cocina poderan colocarse en posicion horizontal en la cesta superior.
Procure no cigar en excesso su lav avajillas. Esto resulta particularmente importante si se desea obtener los最好的 resultados y ahorrar energia.
Cómodescargarellavavajillas
Para evitar quegotee agua enlacea inferioroprocedente delacesta superior, recomendamosquevacieprimero la cesta inferior y, despues, la superior.
Métodopecarganormalparalascestasdellavavajillas
Cómcargarlacessuperior
Lacestasuperiorestadisenadaparasoportarobjetosmas livianosydelicadostalescomovasos,copas,tazasy platillos,asicomoplanatos,tazonespequenosysartenesdes escasaprofundidad(siempreycuandonoestendemasiado sucios).Coloquelosplatosyllassartenesocacerolasde modoquenohayaposibilidaddequeuedandesplazarse conloschorrosdeagualanzadosporlosbrazosaspersores.

INTERIOR
Cómcargarlacestainferior
Recomendamoscolocarlosobjectosutensildsagemayor tamañoymásdificilesdelimpiarenlasestainferior:p.ej. ollas,sartenes,cacerolas,tapaderas,platosllanos,platos hondosyfuentessegunsemueaestraenlafigurainferior.Es preferiblecolocarlosplatoshondosylastapaderasenos lateralesdelascestasparaasievitarobstabulizareligro delbrazoaspersorsuperior.


Porfavor,recuerdelosiguiente:
Lascacerolas, fuentes, etc. deberancolocarsesiemprebocabajo.
Las sartenes y cacerolas hondas deferan colocarse en posicion inclinada para permitir que el agua se escurra.
La cesta inferior cui ta con varillas plegables que permiten carrar un mayor numero de cacerolas y sartenes o de mayor tamaño.
Ajuste de la cesta superior
Laaltitude de la cesta superior podra ajustarse insertando en los carriles las ruedas de la cesta situadas a distinctos niveles.Los objetos mas largos,cubiertos de servir,utensiños para servir ensalada y cucillos de cocinadeferan colocarse en el estante de modo que no obstaculicen el giro de los brazos aspersores.

Plegadodelestanteparatazas
Para tener más空間 sobre colocar cacerolas y sartenes, sera posibleplegarlasvarillashaciaabaogunsuen meustra enlailustraciondeladerecha.


Varillasplegablesdelascestasinferiorysuperior
Para tener más espacio sobre colocar cacerolas y sartenes, sera posibleplegarlasvarillashaciaabaqosegunse muestra en laustracion deladerecha.

Canastillaparacubiertos
Los cubiertos deben colocarse en la canastilla prevista a tal efecto,分开ados uno de other y en sus huecos correspondientes. Asimismo,aseguese de que los cubiertos no quan encajados entre si,ya que los resultados optimos de limpieza se verian comprometidos.
ATENCLION

- Nocede que ningún objeto se deposite en el fondo.
- Siempre colque los aparatos cortantes con el filo
hacia abajo.
Paragarantizarla mayorificaciadelimpieza,coloqueloscubiertos en la canastilla prevista atal efecto,asegurandose de lofollowing:
Loscubiertos noencajanlosunosenosotros.
■ Los cubiertos estan colocados con sus mangos orientados hacia arriba.
Los utensilios largos estan colocados en el centro.

6.Cómo起初 un programa de lavado
Cuadro de clicos de lavado

NOTA: El asterisco ( ) significa que hay que añadir liquido abrillantador en el dosificador.
| Programa | Información sobre selección de@clicos | Descripción del ciejo | Detergente paraprelavado/lavadoprincipal | Duración delciclo (minutos) | ConsumoeléctriconkWh) | Consumedeagua (1) | Abriliantador |
| Intensivo | Para vajilla especialmente sucia ycacerolas, sartenes, platos, etc. normalmente sucios y restos de alimentados adheridos y secos. | Prelavado(50)°CLavado (60)°CAclaradoAclaradoAclarado(70°C)Secado | 5/25g(1o2piezas) | 170 | 1.6 | 18.5 | ★ |
| Normal | Para cargas de una sueidad normal, tales como cacerolas, platos, vasos y sartenes poco suscas. | Prelavado(4 5C)Lavado (55)°CAclaradoAclarado (65)°CSecado | 5/25g(1o2piezas) | 180 | 1.3 | 15 | ★ |
| Eco(*EN50242) | Programa estándar, este programa es adecuado para limpiar vajilla en conditionenormales de sueidad y es el programa más eficiente en función del Consumo combinado de energia y agua para este tipo de vajilla. | PrelavadoLavado (45)°CAclarado(65°C)Secado | 5/25g(1o2piezas) | 190 | 0.96 | 11.5 | ★ |
| 90 min90min | Para carga ligeramente sucía que no necesitauna excelenteeficiencia de secado. | Lavado(65°C)AclaradoAclarado (65°C)Secado | 30g(1 piezas) | 90 | 1.35 | 12.5 | ★ |
| Rápido | Lavado más corto para cargas bajo suciasque no necesitan secado. | Lavado (45 °C)Aclarado (5 0C)Aclarado (55 °C) | 25g | 30 | 0.75 | 11 |

NOTA:
*EN 50242 : este programa es el ciclo utilisé como pruneba. La información acerca de la pruneba comparativaconforme alanorma EN50242eslasigungte:
Capacidad:1cuobiertos
Posicion de la cesta superior: ruedas superiores en los carriles
Ajustededosificador delliquido Abrillantador:6
P1:0,49W;Po:0,45W.
Puestaen marchadelaparato
Iniciodeuncicldelavado
Tire hac afer de las cestas inferior y superior. Seguidamente, colque la vajilla, utensilios y cubiertos en las posiciones recomendadas y vuelva a empujar las cestas hac a interior del aparato. Se recomienda carrag primer o la cesta inferior y despues la superior (consulte la seccion titulada "como carrag las cestas del lavavajillas").
2 Anada el detergente (consulte las secciones referentes a como anadir Sal, Detergente y Liquido abrillantador).
3 Conecte el enchufe a la toma de corriente. La tension de functiOnamento del aparato es de 220 - 240 VCA, 50 Hz, la especificacion para la toma de corriente deben ser de 250 VCA, 10 A. Aseguese de que el grifo de suministro de agua al aparato este abierto al maximo.
4 Abra la puerta y pulse el boton de encendido / apagado para encender el aparato.
Pulse el boton de Seclusion de programa; los programas de lavado iran desfilando en la asignente secuencia: Intensivo -> Normal -> Ecologico -> 90min -> Rápido;
Al selec tionar undeterminadoprograma,seencenderasucorrespondiente testigo.Acontinuation,cierrelaperta del lavavajillas para que se inicie el ciclo de lavado que haya selectionado.
Cambiodeprogramadelavado...
Condiccionedebecumplirse:
- Una vez iniziado, solo podra modificarse un ciclo de lavado siobia ejectundose un breve intervalo. De lo contrario, es possible que ya se haya liberado el detergente y se haya dreno el agua del aparato. En dicho caso, sera necessario volver a llenar el dispensador de detergente (consulte la seccion titulada "como anadir el detergente").
- Mantenga pulsado el botón de Señeción de programa durante un intervalo superior a 3 seguidos para colocar el aparato en modo de esper. A continuación,oulda�能ar el programa selecctionado a otherclicdo del lavado que desee (consulte la sección titulada "Inicio de un ciclo de lavado").

NOTA:
Si abide la puerta@m间隙as se está ejectucando un ciclo de lavado, este se interrupirá. El testigo delprograma seleccionadodeferadeparpadearyelvisador acusticoemitiruntonocadamino a menos que se ciere la puerta. Una vez cerrada la puerta, el aparato reanudaré el ciclo de lavado seleccionado alcabode 10segundos.
Cómoañadirvajilla ocubiertosadicionesunaveziniciadoelciclolavado
Sihaolvidacogaralguncubiertoovajillaenelaparatoyasehainiciodeleclicdelavado,podraanadirlos en.
cualquier momento ante de que el dispensador de detergente隐身 a abrirse.
1 Abra ligeramente la puerta del aparato.
4 Cierrelapuertadelaparato.
2 Una vez que los brazos aspersores hayan dejado de girar, podra abrir totalmente la puerta.
Elaparatoreanudaraelciclodelavadoalcabode10 segundos.
3 Anadalos platosocubiertosquehayolvidadocargar.
Finalizacióndelciclodelvado
Unas zed al cio de funconamento del aparo, el avsador acstico del lavavajillas sonar da rante 8 segundos para despues permanecer en silencio. Apague el aparo pulsando el boton de encendido / apagado, ciderre el grifo de suministro de agua y abra la puerta del lavavajillas.
Espere uno horas antes de descargar el lavavajillas. De estaforma se evitará Manipular los platos y utensilios,msteadasún estan calientes y son más susceptibles de romperse.Además,icho intervalo contribuya a que se sequen mejor.
Apagueellavavajillas
El testigo de programa está apagado. Solooniaos podra estar seguro de que el programa ha finalizado 1.Apague el lavavajillas pulsando el boton de encendido /apagado. 2.iCierre el grifo de suministro de agua!
Cuando la vajilla está caliente, es más sensible a los golpes. Por lo tanto, deben estar dejar que se enfré durante aproximamente 15 Minutes antes de descargar el aparato.
Abra la puerta del lavavajillas, déjela entreabierta y espere unoos-minutos antes de proceder a retirar los objetos de su interior. Estopermitira que se enfién y facillararu su secado.
Cómodescargarellavavajillas
Es normal que el interior del lavavajillas está mojado.
Comience descargando la cesta inferior y afterwards la superior. De esta manera evitará que gotee agua procedente de la cesta superior y moje la vajilla existente en la cesta inferior.
ATENCLON! Es peligroso abrir la puerta en el proceso de limpieza, existe riesgo de escalarse.
Sistema de filtración
Elfiltroimpideque los residuos dealamento demayortamañouotrosobjectosleguenaintroducirse enlabombade circulación del agua. Dichos residuos podrnanllegar aobstrir el filtro y,de darse este caso,deberan eliminarse.
Elsistemadefiltracionconsisteenunfiltrodemallagruesa,un (filtroprincipal)yunmicrofiltro(filtrodema laina).

Filtroprincipal 1
Las partículas de comida y suciedad atrapadas por este filtro son pulverizadas medianteunsurtidorespecialsituado enelbrazo aspersorinferiory seeliminan atravésdeldesague.
Filtrodemallagruesa 2
Las partículas demayortamaño, comoporejemplotrozos de huesovidrio que podrnanobstruir el desague quedan atrapadas en el filtro de malla gruesa. Para retirar las partículas y residuos atrapados en este filtro, presione ligeramente las aletas situadas en su parte superior para extraerlo.
Filtrodemallafina 3
Este filtered atrapa suscedado y restos de comida presentes en el carter de la cuba y evita que vuelvan a depositarse sobre la vajilla y los cubiertos durante el ciclo delavado.
Conjuntodefiltros
Los filtros eliminan de forma eficaz las partículas de comida del agua de lavado, haciendo possible recicularla durante el ciclo de lavado. Para un functionamento optimo del lavavajillas y Obtener los最好的 resultados, estarán limpiarse los filtros a intervalos periodicos. Por este motivo, resultará conveniently retiring las partículas de mayor時間 que hayan podido quedar atrapadas en el ciclo antes de cada ciclo de lavado. Paraarlo=enjuague debajo del grifo el filtró semicircular y su alojamento. Para desmontar el Conjunto de filtros de su alojamento, tire hacer arriba de su correspondienteasa.

JADVERTENCIA!
Nunca deben utilizar e lavavajillas sin sus filtros instalados.
La colocacion Incorrecta de los filtros podra reducir la eficacia del aparato y provocar danos en la vajilla y utensilios cargados en su interior.


Paso 1: gire el filtro en sentido contrarioal delasagujas del reloj y levanteo para retirarlo de su ubicacion.


Paso2:extraigaelconjuntodefiltrostirandodeel haciaarriba.

NOTA: Para desmontar los filtros, lleve a cabo los pasos 1 y 2. Para volverlos a colocar en su situ, invierta la secuencia de desmontaje.
Observaciones:
-Examine los filtros afterwards de cada uso del lavavajillas para asegurar de que no está obstruidos.
-Para desmontar el Sistema de filtración, desenosque de su situ o el filtro de malla gruesa. Retire该如何 resto de comida que haya quado atrapado y limpie los filtros bajo del grifo.

NOTA: el Sistema de filtración completo deben limpiarse al menos una vez a la semana.
Limpiezadelosfiltros
Utilice un cepillo para limiar el filtró de malla gruesa y de malla Fiona. Vuelva a montar los elementos del sistemas de filtración conforme a lo indicado en las ilustraciones que se incluyen en este manual y reinstálelo correctamente en el lavavajillas, colocándolo en su alojamento y presionando lo hacía abajo hasta que quede firmamente encajado ensusitio.

JADVERTENCIAT!
Procurenosometeraimpactoslosfiltrosmientrasloslimpia.Delocontrario,p deformarlosfiltrosycomprometerlaeficaciadellavavajillas.
Cuidado del lavavajillas
Podra limpiar el panel de mandos utilizing un paño ligeramente humedo. Una vez limpio, asegúrese de secarlo bien. Limpie las superficies exteriores del aparato con un producto abrillantador adecuado. Nunca utilise objetivos aflidos, estropajos abrasivos o limiadores demasiado fuertes en ninguna parte del lavavajillas.
Limpiezadelapuerta

Paralimpiarloscantos delpuertadeberautilizarunpanosuveligeramente humedecido conagua caliente. Para evitar que penetre agua en la cerradura de la puerta y en los componentes electricos, no utilise limpiadores en aerosol.

ADVERTENCIAI
Nunca utilise limpiadores en aerosol para limiar el panel de la puerta, ya que podra darar la cerradura del puertay los componenteselctricos. Deberaevitarselautilizaciondeelementosdelimpiezaabrasivosociertotipode toallitasdepapel,yaqueexisteresgodearañarodejarmarcasenlassuperficies de acero inoxidable.
Proteccioncontraheladas
Tome las medidas pertinentes para proteger su lavavajillas de heladas durante el invierno. Después de cada ciclo de lavado, efectuemosiguiente:
- Corte la alimentacion eletrica al lavavajillas.
- Cierre del grifo de suministro de agua y desconecte el tubo de alimentacion de la valvula de entrada de agua.
- Drene el agua presente en el tubo de alimentacion y en la valvula de entrada. (Utilice un recipiente para recoger el agua).
- Vuelvaaconectareltubodealimentacionalavalyuladeentradaeagua.
- Retire el filtro de la parte inferior de la cuba y utilise una esponja para empapar y recoger el agua acumulada en el carterdelacuba.

NOTA: si su lavavajillas no funciona debido a la presencia de hielo en el sistema, Solicite asistencia profesional
Limpiezadelosbrazosaspersores
Seréncasariolimpiarlosbrazosaspersoresaintervalos periodicos para eliminar aquellos productos químicos existentes en las aguas duras que podrjan obstruir los surtadores y los cojinetes de los brazosaspersores.
Paradesmontarelbrazo aspersorsuperior,mantegasujetasutuercadefijacionygireelbrazo enel sentidodelasagujasdelrelojpararetirarlo de su eje.
Para desmontar el brazo aspersor inferior, tire de el hacia arriba para extraerlodesusitio.
Lavelosbrazos aspersores conaguajabonosacalienteyutiliceun cepillo suave para limpiar los surtidores. Vuelva a colocarlos en su situo una vez que los haya enjuagado a fondo.

Cómo mantener su lavavajillas en optimas conditiones
Despues decadalvado,procedacomosigue
Unavezfinalizadocadalavado,cierredelgrifo de suministrodeaguaalaparatoydeje la puerta
entreabiertaparaevitlarconcentracionde
humedadyoloresensuinterior.
Retire el enchufe de la toma de corriente
Antes de limpiar olearvaracaboalguna tarea de mantenimiento enelaparato,aseguesere de retirar siempre el enchufe de la toma de corriente.
Noutilicedisolventesni limpiadoresabrasivos
Procure no utiliser disolventes ni productos de limpieza abrasivosparaimparlassuperficies exteriores yloselementosdegodomadellavavajillas. Utiliceunicamente un paño humedecido con agua jabonosacaliente.
Para eliminar manchas o MARCAS presentes en la superficie interior del aparato, utilise un paño humedecido con un poco de agua y vinagre, o bien un producto de limpieza especialmente diseñado paralavavajillas.
Instrucciones de mantenimiento en casos de periodos largos de no uso. Se recomienda efectuar un ciclo de lavado en vacio y despuescretarlenchufedlatomadecorriente, cerrarelgrifo desuministrodeaguaydejarlapuerta del aparato entreabierta.De estaforma, se prolongara la vidautilde los burletedeslapuerta y se evitaralaconzentraciondeoloresen elinterior del aparato.
Desplazamente o transporte del aparato
Encasodequeanesecnicosplazarotransportarel lavavajillas,procuremantenerlo en posicion vertical.Sin hay mas remedio,podra colocarse de manera quedescanse sobre su parte trasera.
Burletesdepuerta
Unodelosfactoresquecontribuyenalaconzcrtion de olores en el lavavajillas, es la acumulacion de restos de comida adheridos en los burletes de la puerta. Limpiandolos a intervals periodicos con una esponja humedaevitarasteproblema.
8. Instrucciones para la instalacion del aparato
AAtencion!
Las obras de fontaneria e instalacion
eléctrica necessarias para la correcta
instalación del aparatodeberan
effectuarlasprofesionales.

jAdvertencia!
Existe riesgo de electrocución Corte el suministro eletrico antes de proceder a instalar el lavavajillas. De ignorarse estas instrucciones, podria existir un riesgo de electrocución, asi como desufrirlesionesfisicasgravesoincluso mortales.
Preparativos paralainstalación del aparato
El lavavajillas deben ubicarse aproximidad de las tuberías de suministro de agua, desagué y toma de corriente existentes.
Deberaelegirse elladomasconveniendlmueble delfregaderoparafacilarlinstalacionyconxiondelostubos de desaguedel lavavajillas.
Note: asegures de comprar los accesos de instalacion incluidos con el aparato (enganches para el panel decorativo de puerta, tornillos...).
Leadetenidamente las instrucciones de instalacion delaparato.
- Ilustraciones de las dimensiones requeridas para muebles de cocina y ubicacion correcta paralainstalaciondellavavajillas
1 Los preparativos deben efectuarse antes de desplazar el lavavajillas hasta su lugar de instalacion. Eija un lugar proximo al fregadero a fin de poder la instalacion de las mangueras de suministro de agua y desague (vease la Figura 1).
2 Deinstalarseell lavavajillasenele extremodel conjuntode muebles de cocina (ilustrado en la Figura 2), deben asegurarse de que haya suficiente espacio para poder abrir la puerta delaparato.
【 】
Dimensionesdelmueble:\ deberáexistirunadistancia inferiora5mmentrela partesuperioreld\ lavavajillas y el techo del mueble. Asimismo,\ lapuertadelaparatode\ estaralineadaconel\ mueble.

【 】
Figura2
Espacio libre minimo requirecido con la puerta abierta

Dimensioneseinstalacióndelpaneldecorativodepuerta
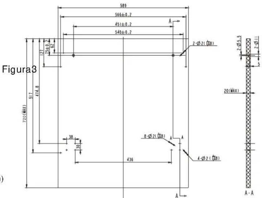
1 El panel decorativo de puerta podra adaptarse conforme a lo做不到 en la Figura 3.
【 】
Lasdimensionesdelpanel decorativo de puertadeferancoincidirconlasilustradas.
(Unidad:mm)

2 Monte los enganches en el panel decorativo de madera y encajelos en las correspondientes ranuras existentes en las superficie exteriordelapuerta dellavavajillas (veaselaFigura4a).Trashaberposicionadoelpanelenlapuerta dellavavajillas,fijelo aestutilizandoloscorrespondienteistornillos(vaealaFigura4b).
【 】
Instalaciondelpanel decorativodepuerta

【 】
Instalación del panel decorativodemadora paralapuerta
- Retireloscuatro tornilloscortos
2.Instaleloscuatro tornilloslargos

Figura4b
- Ajustedelatensiondelosmuellesdepuerta
Los muelles de la puerta estáajustados de fabrica a la tension adecuada para su functiOnamento correcto. De instalarse un panel decorativo de madera en la puerta, sera necessario ajustar la tension de los muelles de esta. Gire el tornillo de ajuste para tensar o destensar la espiral de acero del muelle (vease la Figura 5).
La tensión del muelle sera la correcta cuandoolapuertapermanezcaen posición horizontal estando totalmente abierta y pueda cerrarse por si sola con tan solo elevarla ligeramente con un dedo.

【Figura5】
Ajustedelatensiondelosmuellesdepuerta
- Conexión de la manguera de desagüe
Inse ter lamangueraedesagueenuntubodeedesaguedeundiamerominimode40mm,obien elfregadero,asegurandoseque no quede dobladniestrangulada.La parte mas elevada de lamangueradeferá质量和aruna altura inferior a 1000 mm.

TIENDALA MANGUERA DE DESAGUE CONFORMEA LAS POSICIONES A, B, O C INDICADAS EN LA ILLUSTRACION

- Pasosaseguirparalainstalacióndellavavajillas
- Instale el panel decorativo de puerta sobre la superficie exterior de la puerta del lavavajillas realizando los soportes suministrados. Utilice la plantillaparaposicionarcorrectamente lossoportes.
- Ajuste la tension de los muelles de la puerta utilizing una llave Allen y girando el tornillo de ajuste en el sentido de las agujas del reloj para tensarlos o bien en direccion contraia para destensarlos. De no observarse estas instrucciones, podrian producirsdanos enellavavajillas (llustracion 2).
- Conecte la manguera de entrada de agua del aparato al suministro de agua fria de su vivienda.
- Conecte la manguera de desagüe al aparato. Utilice el diagrama como referencia. (Figura 6)
- Conecteelcabledealimentacion.
- Coloque la tira anti-condensacion en la cara inferior de la encimera o techo del muebleonde vaya a empotrarse el aparato. Aseguresse de que la tira anti-condensacion quede a ras con el borde de la encimera.
- Posicione ellavavajillasensusitio. (Ilustracion4)
- Nivele el lavavajillas. La pata trasera podra ajustarse desde la parte frontal del lavavajillas, girando el tornillo Allen situado en el centro del zócalo de la base del aparato. Paraarlo,utilice una llave Allen (llustracion 5A). Para ajustar las patas delanteras,utilice un destornillador plano y empujé las patas delanteras para girarlas segun convenga hasta que el lavavajillas esté nivelado (llustracion 5B).
- El lavavajillas deben sujetarsefirmamente en su ubicacion.Hay dos maneras para hacerlo:
A.Encimeras normales: Inserte el enganche de fijacion en la ranura presente en la esquina superior frontal del lavavajillas y fijelo con tornillos roscamadera a la superficie inferior de la encimera (llustracion 6).
B.Encimeras de marmol o granito: Utilice el anclaje lateral del aparato para fijarlo con tornillos al costo del muebledecocina. (Ilustracion7).

【 】
Figura7
El lavavajillas deben estar nivelado para que las bandejas se deslicen correctamente por sus carriles y el aparato pueda proportionscgonar los meores resultados.
- Coloque un nivel de burbuja entre la puerta y el carril interior de la cuba (según se muestra en la ilustración) para comprobar que el lavavajillas está correctamente nivelado.
- Nivele el lavavajillas ajustando individualmente las tres patas de nivelación.
- Mientras nivela el lavavajillas,onga cuidado para evaporar que se vuelque.
【Figure8】
Ilustracióndelajustedelaspatas
NOTA: Laalturadeajustemaximade laspatasesde50mm.

Información sobre como conectar el aparato a la red electrica
ATENCLION!
Para su seguridad no utilizes cables de extension o adapatadores para este aparato.
■ Bajo ninguna circunstancia no corte o quite la conexión a tierra del cable.
Requisitos para la instalacion eletrica del aparato
Consulte la etiqueta de especificaiones tecnicas del aparato a fin de informarse de la tension y amperaje necessarios para el suministro eletricoonde vaya a connectarse el lavavajillas y enchufe el aparato a una toma de corriente adequada. Utilice un fusible de 10 amperios, fusible de action retardada o disyuntor eletrico recomendado e instale un circuito eletrico independiente para uso exclusivo de este aparato.
Asegúrese de que la instalación cuente con una adecuada conexión a tierra antes de utilizar el aparato
Asegúrese de que la tensión y Frequencia de la instalación electrica existente corresponde alores valoresindicados en la placadepecificacionestécnicas del aparato. Conecte unicamente el aparato a una toma de corriente que CCTe conuna conexión a tierra adecuada. Si la toma de corrienteonde se va acnectar el aparato no es adecuada para el enchufe del cable de alimentacion suministrado, sustituyalatomadecorriente enlugardeutilizaradaptadoreso componentes similares que podrian recalentarse y provocar un incendio.
Conexión al suministro de agua fria

Conectelamangueradeentradaaguafriaaunconectorroscadode3/4"yaseguresede queestacorrectamenteapretadoensusitio.
Si los tubos de agua son新区o o no se han utilized durante periodos prolongados, deben correiraguparaasegurarsedeque salelimpiaysinimpurezas.Denotomarsesta precaucion,laentradaaguapodriaobstruirse,conelconsiguienteriesgodeprovocar daños en el aparato.
Ubicación delaparato
Coloque el aparato en el lugar deseado. La parte posterior del aparato deben descansar en la pared situada detrás de este y sus laterales en las paredes o los muebles de cucina adyacentes. El lavavajillas cuenta con mangueras de entrada de agua y drenaje que podran tenerse tanto por el lado posterior izquierdo como decrecho para facilitar su correcta instalación.
Cómodrenarelexcesodeaguadelasmangueras
Si la alta del fregadero conarto al sueo es superior a 100 cm, el exceso de agua presente en las mangueras no podra desaguar directamente en el fregadero. En dicho caso, sera necessario drenar las mangueras en un balde o recipientte adecuado situado fuera del fregadero y a menor alta que este.
Desaguedelaparato
Conecte la manguera de desagüe de agua al aparato. La manguera de desagüe deben estar correctamente connectada para evitar posibles fugas de agua. Asegúrese de que la manguera de desagüe de agua no está doblada niaplastada.
En caso de que necesite utiliser una manguera de prolongacion de desague, aseguese de usar un tipo de manguera similar al original.
La longitud de dicha manguera no deben superar los 4 metros. De lo contrario, la eficacia limpiadora del lavavajillas severacomprometida.
Inserte la manguera de desague en un tubo de desague de un diametro minimo de 40 mm, o bien déjela desaguar en el fregadero, asegurándose que no quede doblada ni estrangulada. La parte mas elevada de la manguera deben quedar aunaalturainferiora 1000mm.
Puestaenserviciodellavavajillas
Antes deponer en service el lavavajillas,deferan comprobarse los siguientes+puntos:
- Ellavavajillasesstá correctamenteniveladoy biensujeto ensitio.
2.Elgrifodeentradaaguaestá ABIERTO.
3.La connexion de la manguera de entrada de agua está bien apretada y no hay indicios de fugas.
4.Los cables estancorrectamente connectados sensusitio.
5.Elsuministroeletricoestáactivado.
6.Las mangueras de entrada y de desagüe no estábloadas ni estranguladas. - Se han retirado del interior del lavavajillas todos los materiales de embalaje e informaciones impresas.
jAtencion! Tras completing la instalacion, asegüres de conservar este manual. El contenido de este manuale es extremamenteutil paralosusuarios.

jAtencion!
Tras completar la instalacion, asegurese de conservar este manual. El contentidoestemuanalesextremadamenteutilparalosusuarios.
Atenerencuentaantesdesolicitarasistenciatécnica
Consulte las soluciones que se proportionsionan en los cuadros incluidos en las páginas siguientes, ya que pueda ahorrle llamadas innecasarias al service de asistencia技术水平.
| Problema | Causas posibles | Posible solución | |
| El lavavajillas no se pone en marcha | Sehafundidounfusibleoleddysunctorautomática | Sustituyaelfusibleoreactiveeldysunctorautomático.Desenchufecualquierotroparatoconnectadoismocircuitoqueulaslavavajillas. | |
| Laalimentacióneléctricanoestáactivada | Asegürese de que el lavavajillas está encendido y de que su puertaestácorrectamentecerrada. Asimismo,asegúresedequelecabledealmplactionelectricastacorrectamente | ||
| Presióndeaguademasiadobaja | Compruebequelaentradadeaguasteácorrectamenteconectadayqueelgrifdesuministrostatalmenteabierto. | ||
| Prolemastécnicos | Lapuertadellavavajillasnoestácorrectamentecerrada. | Asegüresedecerrarlapuertaycomprobarqueelpestillodeestaencajadocorrectamente | |
| Mangueradedesaguedobladiaoestrangulada | Compruebamangueraderedesagüe. | ||
| Filtroobstruido | Compruebeelfiltrodemallagruesa(consultation)Limpiezadelosfiltros" | ||
| Fregaderodecoccinaatascado | Compruebeilfregaderodesucocinaparaaseguraredequesedaguacomoesdebido.Sielpblemaresideenquielefregaderodeccinana desagua,esposibleutengauesolicitarlaasistenciadeunfontaneroanlgardeladeuntétcnicoreparadordelavavajillas. | ||
| Formación de espuma en la cuba | Eltipodetergenteutilizadonoeselcorrecto | Paraevitlarformacióndesppumaenelaparato,utiliceunicamenteledergentelespecialparaalavavajillas.Siestocurre,abraillavavajllasydequelaespumaseevapore.Añada4,Siltras(1galón)deguafriænla cuba.Cierreellavavajillas.asegurandosedequelciere delapuertahenaclacadjocorrectamente | |
| derramedeliquidoabrillantador. | |||
| Manchas en elinterior de la cuba | Sehautilizadountipodedetergenteconcolorante | Asegüresedequeideteigendeteulizadonocontenga colorantes. | |
| Película de colorblanqueco in lassuperficies internaldel aparato | Mineralespresenteneselaguidura | Paralimpiarlirentioridelaparato,utiliceunaesponjahumedaydetergenteparalavavajillas.asegúresedeutilizarguantesdegoma.Nuncautliceningunotrolimiaporartedegeteparalavavajillas.De estamanera,seveitáreliesgodemulsiónyformaciónde sputa. | |
| Hay manchas deáxido en loscubiertos | Losutensillosafectadosnosonresistentesala corrosión. | ||
| Nosehaefectuadongúniscicladevaladodespurllenareldepostidesaldelvavajillas.Ciertacantidaddesalconseguidopenetrarenelceliodelavado. | Despuésdehabllenadoedepostodesal,ejecuteseprelprogramarápidosintroducirvjallaalgunaenelaparatoisineSelecciónariafunciónTurbo(sihay). | ||
| Eltapóndeldeposito desalnoestácorrectamentecolocadoapretado | Compruebelajunta.Asegúresequeaisentacorrectamente. | ||
| Golpeteoprocedente del interior dellavavajillas | Unodelbosrazospasesoresestagolpeandocontraalgunobjetocolocadoenlascestas | Interrumpaelprogramaycoloquecorrectamentelosobjectosqueesténinterfiendoconelidesplazamientoldelbrazoaspersor. | |
| Ruido | Ruido de traqueteooprocedente del interidor dellavavajillas | Algunosdeloselementosdelavavillaintroducedosnoestáncorrrectamente | |
| Ruido de golpeteoprocedente del lastuberías de agua | Estupededebersealainsalacióndeaguaexistenteaunasectiontransversaldelsystemateduberias. | Estonoafectaráenmodoalgunoelfuncionamentodellavavajillas.Encasodeduda,póngaseencontactoconunfontaneroculificado. | |
| Problema | Causas posibles | Posible solución | |
| La vajilla no queda limpia | Nosehacargado correctamente lavajillas lascestas. | Consultelasnotasproporciónadasenlasecciontitulada Comocargarlascastesdellavavajillas". | |
| Elprogramautilizadones los suficientementeintensivo. | Selecciónunprogramamásintensivo.Consultelaseccióntitulada"Cuadrodecilosdelavado". | ||
| Insuficientedosisdedetergente. | Utiliceunamayorcantidaddedetergente,ocambiededetergente. | ||
| Hayobjetosqueobstaculizan elmovimientodelosbrazos aspersores. | Coloquecorrectamentelesobjectosdemodquelosbrazos aspersorespuedangirarlambre. | ||
| Eficacialimpladoropocosatisfactoria | Elconjuntodefiltrrospresente enlabasedelacubadel aparatoonestálimpioonoestá correctamenteencajadoensu situ. Estupuedeprovocarla obstruccióndelossurtidosresde losbrazosaspersores. | Limpiey/ocoloquecorrectamenteensusitioelconjuntodefiltrros.Limpielossurtidosdelbrazoaspersor.Consultelaseccióntitulada"Limpiezadelosbrazosaspersores". | |
| La cristalería está empeñada o tñe una apariencia turbia | Combinacióndeaguablanday demasiadancitudaddedetergente | Utilicemenscantidadddedetergentesielaguaabastecida enzonaaesblandyselectionuneuciclodelavadomascorto paralavarsucristaleríayhacerquequedemáslimpia. | |
| Marcas negras o grisáceas en la vajilla | Utensiliosdealuminiohan estadorozandoconlavajilla | Utiliceunproductolimpiadormoderadamenteabrasivopara eliminardichasmarcas. | |
| Queda detergente en los compartimentos del dispensador | Lavajillaestácolocadade maneraVuelvaaposicionar correctamentelavajillaenl ascestas. | Re-loadingthedishesproperly. | |
| La vajilla no queda seca | Lavajillanoestácorrectamente cargadaenlascestas | Cargueellavavajillas con formeseindicaenlasin | |
| Eficaciadesecadopocosatisfactoria | Cantidadinsuficientedeliquido abrillantador | Aumentelacantidaddeliquidoabrillantadordosificoodo relleneeldosificadordeliquidoabrillantador. | |
| Haretradodemasiadopronto lavajilladelinteriordelaparato | Novacésulavavajillasinmediatamenteespésdefinalizar elciclodelavado.Abraligeramenteletapuertademodiqueselibereelvapor.Comiencedescargarellavavajillasun Avenue quelosobjetosensuinterioresténtempladosaltacto.Vacdieprimerolacestainferior.Deestamanerasevitaráquecaigagauaprocedentedelosobjetosqueeeencuentranenlaccesta superior. | ||
| Sehaselectionadoel programaincorrecto | Enlosprogramascortos,latemperaturadelavadosmásbaja.Estoreducetambiénfaicialimpiadoradelparato.Elija unprogramaconunciclodelavadomásiargo. | ||
| Elrevestimentodelos cubiertosutilizadosesde bajacidad | Elaguanoseescurretanfacilmenteenestipodecubiertos.Loscubiertosolavajilladeestetiponosonadecuadospara lavarseenellavavajillas. | ||
Códlgos de error
De producirse algoa anomalia durante el functiomento del aparato, la pantalla mostraracodes error para visarle y permittirle tomar las actionesnecasariasparacorregirla:
| Códigos | Significados | Causas posibles |
| Elpilotoderpaípathearápida. rámpidamente. | Intervalodecargadeaguademasiadolargo. | Elgrifonoestásuficientementeabierto,laentrada aguaestárestringida,olapresiónde |
| ElpilotodeECO parpadea rámpidamente. | Rebose. | Hayfugasenalgunodeloselementosdellavajillas. |

ADVERTENCIA!
De producirse rebose, ciere el grifo de suministro de agua antes de ponerse en contacto con el service de assistenciatécnica.
Sihayacumulacióndeaguaenlacubadebidoallenadoexcesivooaunapequeñafuga,debéráretirarseelagua,antesdevolveraperoner等功能oellavavajillas.

| Altura:815mm | |
| Anchura:598mm | |
| Profundidad: | 550mm(conlapuertacerrada) |
| Presión de agua: | 0,04 a 1,0 MPa |
| Alimentación electrica: | Véase la etiqueta de |
| Capacidad:1 | 2 cubiertos |
Hoja de informacion技术水平
Información correspondiente al lavavajillas dométrico conforme a las Directivas de la UE 1059/2010:
| Fabricante | FAGOR |
| Tipo/Descripción | LVF63ITB |
| Capacidad estándar de cubiertos | 12 |
| Clase de eficiencia enerética | A+ |
| Consumo enerétrico anual | 273kWh |
| Consumo enerétrico en un ciclo normal de limpieza | 0.96kWh |
| Consumo electrico del aparato apagado | 0.45W |
| Consumo electrico del aparato encendido | 0.49W |
| Consumo anual de agua | 3220litros |
| Clase de eficiencia de secado | A |
| Ciclo estándar de limpieza | ECO45°C |
| Duración del programa del ciclo estándar de limpieza | 180n |
| Nivel de ruido | 49dB(A)re1pW |
| Instalación | Integrable |
| Encastrable | Sí |
| Altura | 81,5cm |
| Anchura | 59,8cm |
| Profundidad (con conectores) | 55cm |
| Consumo electrico | 1760-2100W |
| Voltaje/frecuencia nominal | 220-240V~/50Hz |
| Presión del agua (presión del caudal) | 0,4-10bar=0,04-1M Pa |
NOTA
A+++(eficiencia maxima)aD (eficiencia minima)
2 Consumo de energia de 273 kWh al ano, bajo en 280 ciclos estandar de limpieza con agua fria y consumo en los modos de potencia minima. El Consumo real de energia dependerá del modo en que se utilise este aparato.
3 Consumo de agua de 3220 litres al ano, basado en 280 ciclois estandar de limpieza. El consumo real de agua dependera del modo en que se utilise este aparato.
A (eficiencia maxima) a G (eficiencia minima)
Este programa es adequado para limpar vajilla en conditiones normales de sucidad y es el programam mas eficiente en funcion del consumo combinado de energia y agua para este tipo de vajilla.
El aparato cumple la normativa y las directivas europeas vigentes en el momento de la entrega:
-LVD2006/95/EC
-EMC2004/108/EC
ErP 2009/125/EC
Los valores anteriores se han medido en func tion de las normas vigentes en conditiones normales defuncionamento. El resultado peut variar considerablemente en func tion de la cantidad y grado desuciedad de los platos, la dureza del agua, lacantidad de detergente, etc.
El manual se basa en las normas y los reglamentos de la Unión Europea.

1.Cesta superior:
3.Cesta para los cubiertos

2.Cesta inferior:

5 Cucharillas de postre







Informacion para pruebas comparativas conforma a la forma EN 50242:
Capacidad: 12 cubiertos
Posicion de la cesta superior: posicion mas baja
Programa: Economic
Ajuste del dosificador de liquido abrillantador: 6
Barrio Garagarza, s/n.
20500 Mondragon
Gipuzkoa. Spain
Antes de solicitar assistencia
A、Descalcificado de agua. 4
B、Carregar o sal no descalcificado. 5
C、Encher o dispensador de abrilhantasor.5
D、Funcao do detergente 6
5) Carregar o cesto para louca. 9
Precauc o es antes e(before de carregar a maquina de lavar louça. 9
Carregar o cesto superior. 10
Carregar o cesto inferior. 10
Cesto para talheres. 10
7) Manutenç o e limpeza. 13
Antes de contactar o Servico de Assistencia Técnica. 23
Códigos de Erro. 24
Indicador mecánico C
(Apenas nos modelos com sistemas amaciador de agua).
Indicador el trico no pailen de controlo (se existente).
10 Tubo da agua
11 Regulador
4. Antes de utiliseronga primaira vez
A. Ajuste o descalcificado de agua.
B. Acrescente 1,5 kg de sal paramaids de lavar louca e, deposito, encha o deposito de sal com agua.
Encha o dispensador de abrilhantador.
D. Adicione o detergente.
A. Descalcificador
Dispensador de abrilhantasor

C(Indicador de nivel de abrilhantador)



Barrio Garagarza, s/n.
20500 Mondragon
Gipuzkoa. Spain
Mode d'emploi
LVF63ITB
12 couverts

Lave-vaisse

Lisez ce manuel
Cher Client,
Barrio Garagarza, s/n.
20500 Mondragon
Gipuzkoa. Spain
Mosogatógép
Használa utmutató
LVF63ITB
12személyes teriték

7) Karbantartas es stas. 13
Szurorendszer 13
Barrio Garagarza, s/n.
20500 Mondragon
Gipuzkoa. Spain
Umyvačka riadu
Návod na obsluhu
LVF63ITB
1 nastavení miest2

Precitàte si tento nadvod
Vázén y zákaznik,
Barrio Garagarza, s/n.
20500 Mondragon
Gipuzkoa. Spain
Myčka nádobí
Návod k obssluze
LVF63ITB
12 sad nádobí

Barrio Garagarza, s/n.
20500 Mondragon
Gipuzkoa. Spain
ManualFácil