LVF63ITB - Dishwasher FAGOR - Free user manual and instructions
Find the device manual for free LVF63ITB FAGOR in PDF.
Frequently Asked Questions - LVF63ITB FAGOR
Download the instructions for your Dishwasher in PDF format for free! Find your manual LVF63ITB - FAGOR and take your electronic device back in hand. On this page are published all the documents necessary for the use of your device. LVF63ITB by FAGOR.
USER MANUAL LVF63ITB FAGOR
12 place settings
Auto program
half-load function
e


Read this Manual
Dear Customer,
Please carefully read this manual before using the dishwasher, it will help you to use and maintain the dishwasher properly.
- Keep it as a refer in the later days.
Pass it on to any subsequent owner of the appliance.
This manual contains sections on safety Instructions, Operating Instructions, Installation Instructions and Troubleshooting Tips, etc.

Before Calling for Service
To review the section on troubleshooting Tips will help you to solve some common problems by yourself.
If you can not solve the problems by yourself, please ask for the help of professional technicians.

NOTE:
The manufacturer, following a policy of constant development and updating of the product, may make modifications without giving prior notice.
1) Safety Information. 1
2) Quick operation guide. 4
3)Operation Instructions. 5
Control Panel. 5
Dishwasher Features. 5
4) Prior using for the firsttime. 6
A.Water Softener. 6
BLoading the Salt into the Softener. 7
C Fill the Rinse Aid Dispenser. 7
D. Function of Detergent 8
5) Loading the Dishwasher Basket. 11
Attention before or after loading the Dishwasher Baskets. 11
Loading the upper Basket. 12
Loading the Lower Basket.. 12
6) Starting a washing programme. 13
Wash Cycle Table. 13
Turning on the Appliance. 13
Change the Programme. 14
At the end of the Wash Cycle. 14
7) Maintenance and cleaning. 15
Filtering System. 15
Caring for the Dishwasher. 16
8) Installation instruction. 17
17Installation p
Aesthetic panel's dimensions and installation...18
20Tension adj 20Connection 21Dishwasher
About Electricity Connecting. 22
Cold Water Connection 23
9) Troubleshooting Tips. 24
Before calling for service. 24
Error codes. 25
Technical information. 26
Loading the baskets according to En50242 Loading the b

WARNING!
When using your dishwasher, follow the precautions listed below:
This appliance is intended to be used in household and similar applications such as:
- staff kitchen areas in shops, offices and other working environments;
-farm houses;
-by clients in hotels, motels and other residential type environments;
-bed and breakfast type environments.
This appliance can be used by children aged from 8 years and above and persons with reduced physical, sensory or mental capabilities or lack of experience and knowledge if they have been given supervision or instruction concerning use of the appliance in a safe way and understand the hazards involved.
Children shall not play with the appliance. Cleaning and user maintenance shall not be made by children without supervision. (For EN60335-1)
This appliance is not intended for use by persons (including children) with reduced physical, sensory or mental capabilities, or lack of experience and knowledge, unless they have been given supervision or instruction concerning use of the appliance by a person responsible for their safety. For IEC60335-1
This appliance is for indoor use only, for household use only.
- To protect against the risk of electrical shock, do not immerse the unit, cord or plug in water or other liquid.
- Please unplug before cleaning and maintenance the appliance.
- Use a soft cloth moisten with mild soap, and then use a dry cloth to wipe it again.
- This appliance must be earthed. In the event of a malfunction or breakdown, earthing will reduce the risk of an electric shock by providing a path of least resistance of electric current. This appliance is equipped with a cord having an equipment-earthing conductor and a grounding plug.
- The plug must be plugged into an appropriate outlet that is installed and earthed in accordance with all local codes and ordinances.
- Improper connection of the equipment-earthing conductor can result in the risk of an electric shock.
- Check with a qualified electrician or service representative if you are in doubt whether the appliance is properly grounded.
- Do not modify the plug provided with the appliance; If it does not fit the outlet.
- Have a proper outlet installed by a qualified electrician.
- Do not abuse, sit on, or stand on the door or dish rack of the dishwasher.
- Do not operate your dishwasher unless all enclosure panels are properly in place.
- Open the door very carefully if the dishwasher is operating, there is a risk of water squirting out.
- Do not place any heavy objects on or stand on the door when it is open. The appliance could tip forward.
- When loading items to be washed: 1) Locate sharp items so that they are not likely to damage the door seal;
■2) Warning: Knives and other utensils with sharp points must be loaded in the basket with their points down or placed in a horizontal position.
- Check that the detergent powder is empty after completion of the wash cycle.
- Do not wash plastic items unless they are marked dishwasher safe or the equivalent.
■For plastic it ems osoeckeb, e m anufacturer's recommendations.
■Use only det ergent and rims e add itives des igned anautomatic dish washer.
- Never use soap, laundry detergent, or hand washing detergent in your dishwasher.
Children should be supervised to ensure that they do not play with the appliance.
- The door should not be left open, since this could increase the risk of tripping. If the supply cord is damaged, it must be replaced by the manufacturer or its service agent or a similarly qualified person in order to avoid a hazard.
During installation, the power supply must not be excessively or dangerously bent or flattened.
- Do not tamper with controls.
The appliance is to be connected to the water mains using new hose sets and that old hose-sets should not be reused.
The maximum number of place settings to be washed is 12.
The maximum permissible inlet water pressure is 1MPa
The minimum permissible inlet water pressure is 0.04MPa .
Disposal
Disposal
- Dispose of the dishwasher packaging material correctly.
All packaging materials can be recycled. - Plastic parts are marked with the standard international abbreviations:
PE — for polyethylene, e.g. sheet wrapping material
PS — for polystyrene, e.g. padding material
POM—polyoxymethylene, e.g. plastic clips
PP — polypropylene, e.g. Salt filler
ABS—Acrylonitrile Butadiene Styrene, e.g. Control Panel.

WARNING!
■ Packaging material could be dangerous for children!
- For disposing of package and the appliance please go to a recycling centre. Therefore cut off the power supply cable and make the door closing device unusable.
- Cardboard packaging is manufactured from recycled paper and should be disposed in the waste paper collection for recycling.
- By ensuring this product is disposed of correctly, you will help prevent potential negative consequences for the environment and human health, which could otherwise be caused by inappropriate waste handling of this product.
- For more detailed information about recycling of this product, please contact your local city office and your household waste disposal service.
DISPOSAL: Do not dispose this product as unsorted municipal waste. Collection of such waste separately for special treatment is necessary.


2.Quick operationguide
For detailed operating method read the corresponding content on the instruction manual.
Switch on the appliance
Fill the detergent dispenser
Check the rinse aid level
Check the regeneration salt level
Load the baskets
Select a programme
Running the dishwasher
- Changing the programme
Add forgotten dishes in the dishwasher.
If the appliance is switched off during a wash cycle.
Switch off the appliance
Turn off the water tap, unload the baskets
Open the door, press the On/Off button to switch on the appliance.
Compartment A:
With each wash cycle.
Compartment B:
For programmes with pre-wash only.
(Follow the user instructions!)
Mechanical indicator C.
Electric indicator on control panel (if provided).
(On models with water softener system only.)
Electric indicator on control panel (if provided).
If there is no salt warning light in the control panel
(for some models), you can estimate when to fill the salt into the softener by the number of cycles the dishwasher has run.
Scrape off any large amount of leftover food. Soften remnants of burnt food in pans, then load the baskets. Refer to the dishwasher loading instructions.
Press the Programme Button until the selected programme lights up.
( See the section entitled Operation instruction )
T urn on the water tap ,close the door . The machine will start working at once.
- A running cycle can only be modified if it has been running for a short time. Otherwise the detergent may have already been released and the water already drained. If this is the case, the detergent dispenser must be refilled.
- Press the Programme Button for more than 3 seconds to cancel the running programme.
- Select a new programme.
-
Restart the dishwasher.
-
- Open the door a little to stop the dishwasher.
-
After the spray arms stop working, you can open the door completely.
3.Add the forgotten dishes.
4.Close the door, the dishwasher will start running again. -
If the appliance is switched off during a wash cycle, when switched
on again, please re-select the washing cycle and operate the dishwasher according to the original Power-on state).
When the working cycle has finished, the buzzer of the dishwasher will sound 8 times, then stop.
Turn off the appliance using the On/Off Button.
Since the appliance is standing by, it will power off automatically after 30 minutes without any operation.
Warning: wait a few minutes (about 15 minutes) before unloading the dishwasher to avoid handling the dishes and utensils while they are still hot and more susceptible to break.
They will also dry better. Unload the appliance, starting from the lower basket.



WARNING!
Open the door carefully.
Hot steam may escape
when the door is opened!
3. Operation Instruction3

IMPORTANT To get the best performance from your dishwasher, read all operating instructions before using it for the first time.
Control Panel Control Panel

- Power button and indicator: to switch On/Off the appliance and to show when the power is on.
- Program buttons and indicators: press the button to select a wash program. The indicator will show which wash program you have selected.
- Salt and rinse aid warning lights: the indicators show when the salt container or dispenser need to be refilled.
- Extra drying functions button and indicator: press the button to activate the extra drying function. It can only be used with the intensive, normal, eco, 90min programs.
- Half load functions button: to activate the half load function. We recommend to use the half load function only when loading 6 or less settings in the dishwasher. By using it is possible to reduce water and energy consumption. The half load function can be used during intensive, normal, eco and 90min programs.
- Delay button and indicators: to show the delay time 3 hours 6 hours and 9 hours.
Dishwasher Features Dishwasher Features
Front view
Back View

1 Upper Basket
2 Inner pipe
3 Lower Basket
4 Salt Container
Dispenser
6 Cup Shelf

Spray arms
8 Filter assembly
9 Inlet pipe connector
10 Drain pipe
4.Prior using for the first time
Before using your dishwasher for the first time:
A. Set the water softener
B. Add 1.5 ~Kg dishwasher salt and then full fill the salt container with water
C. Fill the rinse aid dispenser
D. Fill in detergent
A. Water Softener A. Water Softener
The water softener must be set manually, using the water hardness dial.
The water softener is designed to remove minerals and salts from the water, which would have
a detrimental or adverse effect on the operation of the appliance.
The higher the content of these minerals and salts, the harder your water is.
The softener should be adjusted according to the hardness of the water in your area. Your local Water Authority can advise you on the hardness of the water in your area.
Adjusting Salt Consumption
The dishwasher is designed to allow for adjustment in the amount of salt consumed based on the hardness of the water used. This is intended to optimise and customise the level of salt consumption.
Please follow the steps below for adjustment in salt consumption.
- Open the door, Switch on the appliance;
- Press the Program button for more than 5 seconds to start the water softener set model within 60seconds after the appliance was switched on( The Salt and Rinse aid warninglights will be on periodically when it get in the set model );
- Press the Program button to select the proper set according to your local environment, the sets will change in the following sequence: H3->H4->H5->H6->H1->H2->;
- Press the Power button to end the set up model.
| WATER HARDNESS | Selector Position | Salt consumption (gram/cycle) | |||
| * dH | * fH | * Clarke | mmol/l | ||
| 0~90~8~0.94 | 0~6 | H1 | 0 | ||
| 6-11 | 10-20 | 7-14 | 1.0-2.0 | H2 | 9 |
| 12-271-3.0 | 21-30 | 15-21 | H3 | 12 | |
| 18-22 | 31-40 | 22-28 | 3.1-4.0 | H4 | 20 |
| 23-344.1-6.0 | 41-60 | 29-42 | H5 | 30 | |
| 35-55 | 61-98 | 43-69 | 6.1-9.8 | H6 | 60 |
Note:1Note:1
$$ 1. 2 d H = 1. 2 5 \text {G l a r k e} = 1. 7 8 f h = 0. 1 7 8 m m o l / l $$
dH: German degree
H: French degree
JClark: British degree
Note:2Note:2
The manufactory setting: H3 (EN 50242)
Contact your local water board for information on the hardness of your water supply.

NOTE: If your model does not have any water softener, you may skip this section.
WATER SOFTENER
The hardness of the water varies from place to place. If hard water is used in the dishwasher, deposits will form on the dishes and utensils.
The appliance is equipped with a special softener that uses a salt container specifically designed to eliminate lime and minerals from the water.
B. Loading the Salt Into the Softener B. Loading the Salt Into the S
Always use the salt intended for use with dishwasher.
The salt container is located beneath the lower basket and should be filled as explained in the following:
Attention!
■ Only use salt specifically designed for the use in dishwashers! Every other type of salt not specifically designed for the use in a dishwasher, especially table salt, will damage the water softener. In case of damages caused by the use of unsuitable salt the manufacturer does not give any warranty nor is liable for any damages caused.
■ Only fill with salt just before starting one of the complete washing programs. This will prevent any grains of salt or salty water, which may have been spilled, remaining on the bottom of the machine for any period of time, which may cause corrosion.


A After the lower basket has been removed, unscrew and remove the cap from the salt container.
Place the end of the funnel (supplied) into the hole and introduce about 1.5kg of dishwasher salt.
Full fill the salt container with water, It is normal for a small amount of water to come out of the salt container.
After filling the container, screw the cap tightly back clockwise.
E The salt warning light will stop being after the salt container has been filled with salt.
F Immediately after filling the salt into the salt container, a washing program should be started (We suggest to use a short program). Otherwise the filter system, pump or other important parts of the machine may be damaged by salty water. This is out of warranty.

NOTE:NOTE:
- The salt container must only be refilled when the salt warning light in the control panel comes on. Depending on how well the salt dissolves, the salt warning light may still be on even though the salt container is filled.
If there is no salt warning light in the control panel (for some Models), you can estimate when to fill the salt into the softener by the cycles that the dishwasher has run. - If there are spills of the salt, a soak or a rapid program should be run to remove the excessive salt.
C. Fill the Rinse Aid DispenserC. Fill the Rinse Aid Dispenser
Rinse Aid Dispenser
The rinse aid is released during the final rinse to prevent water from forming droplets on your dishes, which can leave spots and streaks. It also improves drying by allowing water to roll off the dishes. Your dishwasher is designed to use liquid rinse aids. The rinse aid dispenser is located inside the door next to the detergent dispenser. To fill the dispenser, open the cap and pour the rinse aid into the dispenser until the level indicator turns completely black. The volume of the rinse aid container is about 110ml.
Function of Rinse Aid
Rinse aid is automatically added during the last rinse, ensuring thorough rinsing, and spot and streak free drying.
Attention!
Only use branded rinse aid for dishwasher. Never fill the rinse aid dispenser with any other substances (e.g. Dishwasher cleaning agent, liquid detergent). This would damage the appliance.
When to Refill the Rinse Aid Dispenser
If there is no rinse-aid warning light in the control panel, you can estimate the amount from the colour of the optical level indicator C located next to the cap. When the rinse-aid container is full, the whole indicator will be dark. As the rinse-aid diminishes, the size of the dark dot decreases. You should never let the rinse aid level fall 1/4 full.
As the rinse aid diminishes, the size of the black dot on the rinse aid level indicator changes, as illustrated below.
Full
3/4 full
1/2 full
1/4 full - Should refill to eliminate spotting
Empty




To open the dispenser, turn the cap to the "open" (left) arrow and lift it out.
Pour the rinse aid into the dispenser, being careful not to overfill.
3 Replace the cap by inserting it aligned with "open" arrow and turning it to the closed (right) arrow.

NOTE: Clean up any rinse aid spilled while during filling with an absorbent cloth to avoid excessive foaming during the next wash. Don't forget to replace the cap before you close dishwasher door.
Adjusting Rinse Aid Dispenser

The rinse aid dispenser has six or four settings. Always start with the dispenser set on "4". If spots and poor drying are a problem, increase the amount of rinse aid dispensed by removing the dispenser lid and rotating the dial to "5". If the dishes still are not drying properly or are show spots, adjust the dial to the next higher lever until your dishes are spot-free. The recommended setting is "4". (Factory value is "4".)
NOTE:NOTE:
Increase the dose if there are drops of water or lime spots on the dishes after washing. Reduce it if there are sticky whitish stains on your dishes or a bluish film on glassware or knife blades.
D. Function of DetergentD. Function of Detergent
Detergents with its chemical ingredients are necessary to remove dirt, crush dirt and transport it out of the dishwasher. Most of the commercial quality detergents are suitable for this purpose.
Attention!
Proper Use of Detergent
Use only detergent specifically made for the use in dishwashers. Keep your detergent fresh and dry.
Don't put powdered detergent into the dispenser until you're ready to wash dishes.
Detergents
There are 3 sorts of detergents
- With phosphate and with chlorine
- With phosphate and without chlorine
- Without phosphate and without chlorine
Normally new pulverised detergent is without phosphate. Thus the water softener function of phosphate is not given. In this case we recommend to fill salt in the salt container even when the hardness of water is only 6^ dH. If detergents without phosphate are used in the case of hard water often white spots appear on dishes and glasses. In this case please add more detergent to reach better results. Detergents without chlorine do only bleach a little. Strong and coloured spots will not be removed completely. In this case please choose a program with a higher temperature.
Concentrated Detergent
Based on their chemical composition, detergents can be split in two basic types:
conventional, alkaline detergents with caustic components
low alkaline concentrated detergents with natural enzymes
Detergent Tablets
Detergent tablets of different brands dissolve at different speeds. For this reason some detergent tablets cannot dissolve and develop their full cleaning power during short programs. Therefore please use long programs when using detergent tablets, to ensure the complete removal of detergent residuals.
Detergent Dispenser
The dispenser must be refilled before the start of each wash cycle following the instructions provided in the wash cycle table. Your dishwasher uses less detergent and rinse aid than Conventional dishwasher. Generally, only one tablespoon of detergent is needed for a normal wash load. More heavily soiled items need more detergent. Always add the detergent just before starting the dishwasher, otherwise it could get damp and will not dissolve properly.
Amount of Detergent to Use


A NOTE:NOTE:
If the lid is closed: press release button. The lid will spring open.
Always add the detergent just before starting each wash cycle.
Only use branded detergent aid for dishwasher.
WARNING!
Dishwasher detergent is corrosive!
Take care to keep it out of reach of children.
Fill in Detergent
Fill the detergent dispenser with detergent. The marking indicates the dosing levels, as illustrated on the right:
A The place of main wash cycle detergent placed.
B The place of pre-wash cycle detergent placed.
Please observe the manufacturers dosing and storage Recommendations as stated on the detergent packaging.
Close the lid and press until it locks in place.

If the dishes are heavily soiled, place an additional detergent dose in the pre-wash detergent chamber. This detergent will take effect during the pre-wash phase.

NOTE:NOTE:
■ You find information about the amount of detergent for the single programme on the last page.
Please aware, that according to the level soiling and the specific hardness of water differences are possible.
Please observe the manufacturer's recommendations on the detergent packaging.
Close the Detergent compartment

If your dishes are only moderately dirty, you may be able to use less detergent than recommended.
- compartment.
Press down the lid (1) until it clicks shut (2).
If you are using detergent in tablet form, read the manufacturer
recommendations on the packaging in order to determine where the tablets should be placed inside the dishwasher (e.g. in cutlery basket, detergent compartment etc.).
Make sure that the lid on the detergent compartment is closed, even if you are using tablets.
5. Loading the Dishwasher Baskets
Recommendation Recommendation
■ Consider buying utensils which are identified as dishwasher-proof.
Use a mild detergent that is described as 'kind to dishes'. If necessary, seek further information from the detergent manufacturers.
■ For particular items, select a program with as low a temperature as possible.
To prevent damage, do not take glass and cutlery out of the dishwasher immediately after the programme has ended.
For washing in the dishwasher the following cutlery/dishes
Are not suitable.
Cutlery with wooden, horn china or mother-of-pearl handles
Plastic items that are not heat resistant
Older cutlery with glued parts that are not temperature resistant
Bonded cutlery items or dishes
Pewter or cooper items
Crystal glass
Steel items subject to rusting
Wooden platters
Items made from synthetic fibres
Are of limited suitability
Some types of glasses can become dull after a large number of washes
Silver and aluminum parts have a tendency to discolour during washing
Glazed patterns may fade if machine washed frequently
Attention before or after loading the Dishwasher Baskets
(For best performance of the dishwasher, follow these loading guidelines.
Features and appearance of baskets and cutlery baskets may vary from your model.)
Scrape off any large amounts of leftover food. Soften remnants of burnt food in pans.
It is not necessary to rinse the dishes under running water.
Place objects in the dishwasher in following way:
- Items such as cups, glasses, pots/pans, etc. are faced downwards.
2.Curved items, or ones with recesses, should be loaded aslant so that water can run off. - All utensils are stacked securely and can not tip over.
- All utensils are placed in the way that the spray arms can rotate freely during washing.

NOTE: Very small items should not be washed in the dishwasher as they could easily fall out of the basket.
- Load hollow items such as cups, glasses, pans etc. With the opening facing downwards so that water cannot collect in the container or a deep base.
Dishes and items of cutlery must not lie inside one another, or cover each other.
To avoid damage to glasses, they must not touch.
Load large items which are most difficult to clean into the lower basket.
The upper basket is designed to hold more delicate and lighter dishware such as glasses, coffee and tea cups
Long bladed knives stored in an upright position are a potential hazard! - Long and/or sharp items of cutlery such as carving knives must be positioned horizontally in the upper basket.
Please do not overload your dishwasher. This is important for good results and for reasonable consumption of energy.
Removing the Dishes Removing the Dishes
To prevent water dripping from the upper basket into the lower basket, we recommend that you empty the lower basket first and then the upper basket.
Loading the Upper Basket Loading the Lower Basket Loading
The upper basket is designed to hold more delicate and lighter dishware such as glasses, coffee and tea cups and saucers, as well as plates, small bowls and shallow pans (as long as they are not too dirty). Position the dishes and cookware so that they will not get moved by the spray of water.

Please be reminded that:
We suggest that you place large items and the most difficult to clean items are to be placed into the lower basket: such as pots, pans, lids, serving dishes and bowls, as shown in the figure below. It is preferable to place serving dishes and lids on the side of the racks in order to avoid blocking the rotation of the top spray arm.

Pots, serving bowls, etc, must always be placed top down.
Deep pots should be slanted to allow water to flow out.
The Bottom Basket features folding spikes so that larger or more pots and pans can be loaded.
Adjusting the Upper Basket
The height of the upper basket can be adjusted in order to create more space for large utensils both for the upper /lower basket. The height of the upper basket can be adjusted by placing the wheels on different height of the rails. Long items, serving cutlery, salad servers and knives should be placed on the shelf so that they do not obstruct the rotation of the spray arms..
Lower positionUpper positionUpper position


Wheels Wheels
Folding back the cup shelives
For better stacking of pots and pans, the spikes can be folded down as show in the picture right.


Folding Spikes of Lower Basket
For better stacking of pots and pans, the spikes can be folded down as show in the picture right.

Cutlery Basket Cutlery Basket
Cutlery should be placed in the cutlery basket with the handles at the bottom. If the rack has side baskets, the spoons should be loaded separately into the appropriate slots, especially long utensils should be placed in the horizontal position at the front of the upper basket as shown in the picture.

WARNING!
- Do not let any item extend through the bottom.
Always load sharp utensils with the sharp
point down!
For personal safety and a top quality cleaning, place the silverware in the basket making sure that:
They do not nest together.
■ Silverware is placed with the handles-down.
But place knives and other potentially dangerous utensils are placed handles-up.

6.Starting a washing program
Wash Cycle Table Wash Cycle Table

NOTE: (C) Means: need to fill rinse into the Rinse-Aid Dispenser.
| Program | Cycle Selection Information | Description of Cycle | Detergent pre/main | Running time(min) | Energy (Kwh) | Water (L) | Rinse Aid |
| Intensive | For heaviest soiled crockery, and normally soiled pots, pans, dishes etc with dried on soiling. | Prewash 50 °C Wash 60 °C Rinse Rinse Rinse70 °C Drying | 5/25g (1 or 2pieces) | 170 | 1.6 | 18.5 | ★ |
| Normal | For normally soiled loads, such as pots, plates, glasses and lightly soiled pans. | Prewash(45°C) Wash (55°C) Rinse Rinse (65°C) Drying | 5/25g (1 or 2pieces) | 180 | 1.3 | 15 | ★ |
| Eco (*EN5 0242) | This is standard programme, it is suitable to clean normally soiled tableware and it is the most efficient programme in terms of its combined energy and water consumption for that type of tableware. | Prewash Wash (45°C) Rinse(65°C) Drying | 5/25g (1 or 2pieces) | 190 | 0.96 | 11.5 | ★ |
| 90 min | For lightly soiled loads that do not need excellent drying efficiency. | Wash(65°C) Rinse Rinse (65°C) Drying | 30g (1 piece) | 90 | 1.35 | 12.5 | ★ |
| Rapid | A shorter wash for lightly soiled loads and quick wash. | Wash (45°C) Rinse (50°C) Rinse (55°C) | 25g | 30 | 0.75 | 11 |

NOTE:NOTE:
*EN 50242 : This programme is the test cycle. The information for comparability test in accordance with EN 50242, as follows:
Capacity: 12 settings
Position Upper basket: upper wheels on rails
■Rinse aid setting: 6
PI:0.49w;Po:0.45w
Turning On the ApplianceTurning On the Appliance
Starting a cycle wash
1 Draw out the lower and upper basket, load the dishes and push them back. It is commended to load the lower basket first, then the upper one (see the section entitled "Loading the Dishwasher").
Pour in the detergent (see the section entitledSalt, Detergent and Rinse Aid).
Insert the plug into the socket. The power supply is 220-240 VAC /50 HZ, the specification of the socket is 10A 250VAC. Make sure that the water supply is turned on to full pressure.
4 Open the door, press the power button, and the On/Off light will turn on.
Press the program Button, you can select the following programs: intensive normal, ECO.90 Min rapid; If a program is selected, the response light will light. Then close the door, the dishwasher begins to start.
Change the Program... Change the Program...
Premise:
A cycle that is underway can only be modified if it has only been running for a short time. Otherwise, the detergent may have already been released, and the appliance may have already drained the wash water. If this is the case, the detergent dispenser must be refilled (see the section entitled "Loading the Detergent").
Open the door, press the Program button more than 3 seconds, the machine will be in standby state, then you can change the program to the desired cycle setting (see the section entitled "Starting a wash cycle...").

NOTE:NOTE:
If you open the door during a wash cycle, the machine will pause. The program light will stop blinking and the buzzer will moing every minute unless you close the door. After you close the door, the machine will keep on working again.
Forgot to Add a Dish?Forgot to Add a Dish?
A forgotten dish can be added any time before the detergent cup opens.
1 Open the door a little.
4 Close the door
After the spray arms stop working, you can open the door completely.
5 The dishwasher will run again.
3 Add forgotten dishes.
At the End of the Wash Cycle At the End of the Wash Cycle
When the working cycle has finished, the buzzer of the dishwasher will sound for 8 seconds, then stop. Turn off the appliance using the ON/OFF button, shut off the water supply and open the door of the dishwasher. Wait for a few minutes before unloading the dishwasher to avoid handling the dishes and utensils while they are still hot and more susceptible to breakage. They will also dry better.
Switch Off the Dishwasher
The program light is on but is not blinking, only in this case the programme has ended.
- Switch off the dishwasher by pressing the ON/OFF button.
- Turn off the water tap!
Open the door carefully.
Hot dishes are sensitive to knocks. The dishes should therefore be allowed to cool down around 15 minutes before removing from the appliance.
Open the dishwasher's door, leave it ajar and wait a few minutes before removing the dishes. In this way they will be cooler and the drying will be improved.
Unloading the dishwasher
It is normal that the dishwasher is wet inside.
Empty the lower basket first and then the upper one. This will avoid water dripping from the upper Basket onto the dishes in the lower one.

WARNING!
WARNING!
It is dangerous to open the door when washing, because the hot water may scald you.
7. Maintenance and Cleaning
Filtering System Filtering System
The filter prevents larger remnants of food or other objects from getting inside the pump. The residues may block the filter, in this case they must be removed.
The filter system consists of a coarse filter, a flat (Main filter) And a microfilter(Fine filter).

Main filter 1 Food and soil particles trapped in this filter are pulverized by a special jet on the lower spray arm and washed down to drain.
Coarse filter.2 Larger items, such as pieces of bones or glass, that could block the drain are trapped in the coarse filter. To remove the items caught by the filter, gently squeeze the tap on the top of this filter and lift out.
Fine filter 3 This filter holds soil and food residues in the sump area and prevents it from being deposited on the dishes during wash cycle.
Filter assembly
The filter efficiently removes food particles from the wash water, allowing it to be recycled during the cycle. For best performance and results, the filter must be cleaned regularly. For this reason, it is a good idea to remove the larger food particles trapped in the filter after each wash cycle by rinsing the semicircular filter and cup under running water. To remove the filter device, pull the cup handle in the upward direction.

WARNING!
The dishwasher must never be used without the filters. Improper replacement of the filter may reduce the performance level of the appliance and damage dishes and utensils.


Step 1:Turn the filter in anti-clockwise direction,


Step 2:lift the filter assay up

NOTE: When following this procedure from step1 to step 2, the filter system will be removed; when following it from Step 2 to Step 1, the filter system will be installed.
Remarks:
- Inspect the filters for blocking after every time the dishwasher has been used.
- By unscrewing the coarse filter, you can remove the filter system. Remove any food remnants and clean the filters under running water.

NOTE: The entire filter assembly should be cleaned once a week.
Cleaning the Filter
To clean the coarse filter and the fine filter, use a cleaning brush. Reassemble the filter parts as shown in the figures on the last page and reinsert the entire assembly in the dishwasher, positioning it in its seat and pressing downwards.

WARNING!
When cleaning the filters, don't knock on them. Otherwise, the filters could be contorted and the performance of the dishwasher could be decreased.
Caring for the DishwasherCaring for the Dishwasher
The control panel can be cleaned by using a lightly dampened cloth.
After cleaning, make sure to dry it thoroughly.
For the exterior, use a good appliance polish wax.
Never use sharp objects, scouring pads or harsh cleaners on any part of the dishwasher.
Cleaning The Door

To clean the edge around the door, you should use only a soft warm, damp cloth. To avoid penetration of water into the door lock and electrical components, do not use a spray cleaner of any kind.

WARNING!
Never use a spray cleaner to clean the door panel as it may damage the door lock and electrical components.
Abrasive agents or some paper towels should not be used because of the risk of scratching or leaving spots on the stainless steel surface.
Protect Against Freezing
please take frost protection measures on the dishwasher in winter. Every time after washing cycles, please operate as follows
1.Cut off the electrical power to the dishwasher.
2. Turn off the water supply and disconnect the water inlet pipe from the water valve.
3.Drain the water from the inlet pipe and water valve. (Use a pan to gather the water)
4. Reconnect the water inlet pipe to the water valve.
5. Remove the filter at the bottom of the tub and use a sponge to soak up water in the sump.

NOTE: If your dishwasher cannot work because of the ice, please contact professional service persons.
Cleaning the Spray Arms
It is necessary to clean the spray arms regularly for hard water chemicals will clog the spray arm jets and bearings.
To remove the upper spray arm, hold the nut, rotate the arm clockwise to remove it.
To remove the lower spray arm, pull out the spray arm upward.
Wash the arms in soapy and warm water and use a soft brush to clean the jets. Replace them after rinsing them thoroughly.

How to Keep Your Dishwasher in Shape
After Every Wash
After every wash, turn off the water supply to the appliance and leave the door slightly open so that moisture and odours are not trapped inside.
Remove the Plug
Before cleaning or performing maintenance, always remove the plug from the socket.
No Solvents or Abrasive Cleaning
To clean the exterior and rubber parts of the dishwasher, do not use solvents or abrasive cleaning products. Only use a cloth with warm soapy water.
To remove spots or stains from the surface of the interior, use a cloth dampened with water an a little vinegar, or a cleaning product made specifically for dishwashers.
When not in Use for a LongTime
It is recommend that you run a wash cycle with the dishwasher empty and then remove the plug from the socket, turn off the water supply and leave the door of the appliance slightly open. This will help the door seals to last longer and prevent odours from forming within the appliance.
■ Moving the Appliance
If the appliance must be moved, try to keep it in the vertical position. If absolutely necessary, it can be positioned on its back.
Seals
One of the factors that cause odours to form in the dishwasher is food that remains trapped in the seals. Periodic cleaning with a damp sponge will prevent this from occurring.
8. Installation instruction8.Insta
A Attention:
The installation of the pipes and electrical equipments should be done by professionals.

- Installation preparation
The installation position of dishwasher should be near the existing inlet and drain hoses and power cord.
One side of the cabinet sink should be chosen to facilitate the connection of drain hoses of the dishwasher.
Note: please check the accompanying installation accessories(hook for aesthetic panel,screw)
Please carefully read the installation instruction.
Illustrations of cabinet dimensions and installation position of the dishwasher Preparations should be made before moving the dishwasher to the installation place.
1 Choose a place near the sink to facilitate the installation of inlet and drain hoses (see figure 1).
2 If dishwasher is installed at the corner of the cabinet, there should be some space (illustrated in figure 2) when the door is opened.
【Figure1】
Cabinet dimensions Less than 5mm between the top of dishwasher and cabinet and the outer door aligned to cabinet.

【Figure2】
Minimum space when t he d oor is o pened

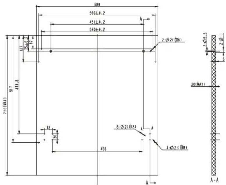
- Aesthetic panel's dimensions and installation
1 The aesthetic wooden panel could be processed according to the Figure 3.
The aesthetic panel should be processed in accordance with the illustrated dimensions
(Unit: mm)

【Figure3】
2 Install the hook on the aesthetic wooden panel and put the hook into the slot of the outer door of dishwasher(see figure 4a). After positioning of the panel, fix the panel onto the outer door by screws and bolts(See figure 4b).
【Figure4a】
Installation of aesthetic panel

【Figure4b】
Installation of aesthetic wooden panel
- take away the four short screws
- pin up the four long screws

Take away the four short screws Pin up the four long screws up

- Tension adjustment of the door spring
The door springs are set at the factory to the proper tension for the outer door. If aesthetic wooden panel are installed, you will have to adjust the door spring tension. Rotate the adjusting screw to drive the adjustor to strain or relax the steel cable (see figure 5).
Door spring tension is correct when the door remains horizontal in the fully opened position, yet rises to a close with the slight lift of a finger.

【Figure5】 Tension adjustment of the door spring
- Connection of drain hoses
Insert the drain hose into a drain pipe with a minimum diameter of 40mm or let it run into the sink, making sure to avoid bending or crimping it. The top of the hose must be less than 1000mm .

- Dishwasher installation steps
1 Install the furniture door to the outer door of the dishwasher using the brackets provided. Refer to the template for positioning of the brackets.
2 Adjust the tension of the door springs by using an Allen key turning in a clockwise motion to tighten the left and right door springs. Failure to do this could cause damage to your dishwasher (Illustration 2).
3 Connect the inlet hose to the cold water supply.
4 Connect the drain hose. Refer to diagram.(Figure 6)
5 Connect the power cord.
6 Affix the condensation strip under the work surface of cabinet. Please ensure the condensation strip is flush with edge of work surface.
7 Place the dishwasher into position.(Illustration 4)
8 Level the dishwasher. The rear food can be adjusted from the front of the dishwasher by turning the Allen screw in the middle of the base of dishwasher use an Allen key (Illustration 5A). To adjust the front feet, use a flat screw driver and turn the front feet until the dishwasher is level (Illustration 5B).
9 The dishwasher must be secured in place. There are two ways to do this:
A. Normal work surface:Put the installation hook into the slot of the side plane and secure it to the work surface with the wood screws (Illustration 6).
B. Marble or granite work top: Fix the side with Screw. (Illustration 7).

Dishwasher must be level for proper dish rack operation and wash performance.
1 Place a spirit level on door and rack track inside the tub as shown to check that the dishwasher is level.
2 level the dishwasher by adjusting the three levelling legs individually.
3 When level the dishwasher, please pay attention not to let the dishwasher tip over.
【Figure 8】
Illustration of feet adjustment
NOTE:
The maximum adjustment height of the feet is 50~mm

About Electricity Connecting
WARNING!
For personal safety:
Do not use an extension cord or an adapter plug with this appliance.
Do not, under any circumstances, cut or remove the earthing
Connection from the power cord.
Electrical Requirements
Please look at the rating label to know the rating voltage and connect the dishwasher to the appropriate power supply. Use the required fuse 10 amp, time delay fuse or circuit breaker recommended and provide separate circuit serving only this appliance.
Electrical Connection
Insure proper ground exists before use
Ensure the voltage and frequency of the power being corresponds to those on the rating plate. Only insert the plug into an electrical socket which is earthed properly. If the electrical socket to which the appliance must be connected is not appropriate for the plug, replace the socket, rather than using a adaptors or the like as they could cause overheating and burns.

Connect the cold water supply hose to a threaded 3/4 (inch) connector and make sure that it is fastened tightly in place. If the water pipes are new or have not been used for an extended period of time, let the water run to make sure that the water is clear. This precaution is needed to avoid the risk of the water inlet to be blocked and damage the appliance.
WARNING!
Please close the hydrant after using.
Positioning the Appliance
Position the appliance in the desired location. The back should rest against the wall behind it, and the sides, along the adjacent cabinets or walls. The dishwasher is equipped with water supply and drain hoses that can be positioned either to the right or the left sides to facilitate proper installation.
How to Drain Excess Water From Hoses
If the sink is 1000 higher from the floor, the excess water in hoses cannot be drained directly into the sink. It will be necessary to drain excess water from hoses into a bowl or suitable container that is held outside and lower than the sink.
Water Outlet
Connect the water drain hose. The drain hose must be correctly fitted to avoid water leaks. Ensure that the water inlet hose is not kinked or squashed.
Extension Hose
If you need a drain hose extension, make sure to use a similar drain hose. It must be no longer than 4 metres; otherwise the cleaning effect of the dishwasher could be reduced.
Syphon Connection
Insert the drain hose into a drain pipe with a minimum diameter of 40mm or let it run into the sink, making sure to avoid bending or crimping it. The top of the hose must be less than 1000mm .
Start of Dishwasher Start of Dishwasher
The following things should be checked before starting the dishwasher.
1 The dishwasher is level and fixed properly
2 The inlet valve is open
3 There is a leakage at the connections of the conducts
4 The wires are tightly connected
5 The power is switched on
6 The inlet and drain hoses are knotted
7 All packing materials and printings should be taken out from the dishwasher

Attention: After installation, please make sure to keep this manual.
The content of this manual is very helpful to the users.
Review the charts on the following pages may save you from calling for service.

Problem Possible Causes What To Do
| Technical problems | Dishwasher doesn't start | Fuse blown, or the circuit breaker acted | Replace fuse or reset circuit breaker. Remove any other appliances sharing the same circuit with the dishwasher |
| Power supply is not turned on | Make sure the dishwasher is turned on and the door is closed securely. Make sure the power cord is properly plugged into the wall socket. | ||
| Water pressure is low | Check that the water supply is connected properly and the water is turned on. | ||
| Door of dishwasher not properly closed. | Make sure to close the door properly and latch it. | ||
| water not pumped form dishwasher | Kink in drain hose | Check drain hose. | |
| Filter clogged | Check coarse the filter (see section titled "Cleaning The Filter") | ||
| Kitchen sink clogged | Check the kitchen sink to make sure it is draining well. If the problem is the kitchen sink not draining ,you may need a plumber rather than a serviceman for dishwashers. | ||
| General problems | Suds in the tub | Improper detergent | Use only the special dishwasher detergent to avoid suds. If this occurs, open the dishwasher and let suds evaporate. Add 1 gallon of cold water to the tub. Close and latch the dishwasher, then select any cycle. Dishwasher will drain out the water at the first step.Open the door after draining is stop and check if the suds is disappeared. Repeat if necessary. |
| Spilled rinse-aid | Always wipe up rinse-aid spills immediately. | ||
| Stained tub interior | Detergent with colourant was used | Make sure that the detergent is the one without colourant. | |
| White film on inside surface | Hard water minerals | To clean the interior, use a damp sponge with dishwasher detergent and wear rubber gloves. Never use any other cleaner than dishwasher detergent for the risk of foaming or suds. | |
| There are rust stains on cutlery | The affected items are not corrosion resistant. | ||
| A programme was not run after dishwasher salt was added. Traces of salt have gotten into the wash cycle. | Always run the quick wash programme . without any crockery in the dishwasher and without selecting the Turbo function (if present), after adding dishwasher salt. | ||
| The lid of the softer is loose | Check the lip .Ensure the fix is fine. | ||
| Noise | Knocking noise in the wash cabinet | A spray arm is knocking against an item in a basket | Interrupt the programme, and rearrange the items which are obstructing the spray arm. |
| Rattling noise in the wash cabinet | Items of crockery are loose in the wash cabinet | Interrupt the programme, and rearrange the items of crockery. | |
| Knocking noise in the water pipes | This may be caused by on-site installation or the cross-section of the piping. | This has no influence on the dishwasher function. if in doubt, contact a suitably qualified plumber. |

Problem Possible Causes What To Do
| The dishes are not clean | The dishes were not loaded correctly. | See notes in "Loading the Dishwasher Baskets". |
| The programme was not powerful enough. | Select a more intensive programme. See" Wash Cycle Table". | |
| Not enough detergent was dispensed. | Use more detergent, or change your detergent. | |
| Items are blocking the path of spray arms. | Rearrange the items so that the spray can rotate freely. | |
| The filter combination in the base of wash cabinet is not clean or is not correctly fitted. This may cause the spray arm jets to get blocked. | Clean and/or fit the filter combination correctly. Clean the spray arm jets. See "Cleaning the Spray Arms". | |
| Cloudiness on glassware | Combination of soft water and too much detergent. | Use less detergent if you have soft water and select a shortest cycle to wash the glassware and to get them clean. |
| Black or gray marks on dishes | Aluminum utensils have rubbed against dishes. | Use a mild abrasive cleaner to eliminate those marks. |
| Detergent left in dispenser cups | Dishes block detergent cups. | Re-loading the dishes properly. |
| The dishes are not drying | Improper loading | Load the dishwasher as suggested in the directions. |
| Too little rinse-aid | Increase the amount of rinse-aid/refill the rinse-aid dispenser. | |
| Dishes are removed too soon | Do not empty your dishwasher immediately after washing. Open the door slightly so that the steam can escape. Begin unloading the dishwasher only once t he dishes are barely warm to the touch. Empty the low basket first. This prevents water form dropping off dishes in the upper basket. | |
| Wrong program has been selected | In short program the washing temperature is lower. This also lowers cleaning performance. Choose a program with a long washing time. | |
| Use of cutlery with a low-quality coating | Water drainage is more difficult with these items. Cutlery or dishes of this type are not suitable for washing in the dishwasher. |
Error Codes Error Codes
When some malfunctions come on, the appliance will display error codes to warn you:
| Codes | Meanings | Possible Causes |
| The Rapid light flicker fleetly | Longer inlet time. | Faucets is not opened, or water intake is restricted,or water pressure is too low. |
| The ECO light flicker fleetly | Overflow. | Some element of dishwasher leaks . |

WARNING!
If overflow occurs, turn off the main water supply before calling a service.
If there is water in the base pan because of an overfill or small leak, the water should be removed before restarting the dishwasher.

| Height : | 815mm |
| Width : | 598m m |
| Depth : | 550mm(with the door closed) |
| Water pressure: | 0.04-1.0MPa |
| Power supply: | see rating label |
| Capacity: | 12 place settings |
Technical Data Sheet
Sheet of household dishwasher according to EU Directive 1059/2010:
| Manufacturer | FAGOR |
| Type / Description | LVF63ITB |
| Standard place settings | 12 |
| Energy efficiency class ① | A+ |
| Annual energy consumption ② | 273 kWh |
| Energy consumption of the standard cleaning cycle | 0.96 kWh |
| Power consumption of off-mode | 0.45 W |
| Power consumption of left-on mode | 0.49 W |
| Annual water consumption ③ | 3220 liter |
| Drying efficiency class ④ | A |
| Standard cleaning cycle ⑤ | ECO 45℃ |
| Program duration of the standard cleaning cycle | 190 min |
| Noise level | 49 dB(A) re 1 pW |
| Mounting | build under |
| Could be built-in | Yes |
| Height | 81.5 cm |
| Width | 59.8 cm |
| Depth (with connectors) | 55 cm |
| Power consumption | 1760-2100 W |
| Rated voltage / frequency | 220-240 V~ 50 Hz |
| Water pressure (flow pressure) | 0.4-10 bar = 0.04-1 MPa |
NOTE:
A+++(highest efficiency) to D (lowest efficiency)
Energy consumption 273 kWh per year, based on 280 standard cleaning cycles using cold water fill and the consumption of the low power modes. Actual energy consumption will depend on how the appliance is used.
Water consumption 1820 per year, based on 280 standard cleaning cycles. Actual water consumption will depend on how the appliance is used.
A (highest efficiency) to G (lowest efficiency)
This program is suitable for cleaning soiled normally soiled tableware and that it is the most efficient programme in terms of its combined energy and water consumption for that type of tableware.
The device meets the European standards and the directives in the current version at delivery:
LVD 2006/95/EC
-EMC2004/108/EC
ErP 2009/125/EC
The above values have been measured in accordance with standards under specified operating conditions. Results may vary greatly according to quantity and pollution of the dishes, water hardness, amount of detergent, etc.
The manual is based on the European Union's standards and rules.

1. Upper basket: 1. Upper basket:
3.Cutterly basket:3.

2. Lower basket: 2
1 Soup spoons
| 1 | 2 | 21 | 1 | 5 | 5 | 5 | 5 | 5 | 5 | 5 | 1 | 12 | 1 |
| 2 | 2 | 2 | 3 | 3 | 3 | 3 | 2 | ||||||
| 1 | 12 | 21 | 1 | 5 | 5 | 5 | 5 | 5 | 5 | 1 | 13 | 1 | |
| 1 | 12 | 21 | 1 | 4 | 4 | 4 | 4 | 4 | 4 | 33 | 3 | 3 | |
| 2 | 2 | 2 | 8 | 7 | 3 | 3 | 3 | 3 | |||||
| 1 | 12 | 21 | 1 | 4 | 4 | 4 | 4 | 4 | 4 | 66 | 6 | 6 |
5 Dessert spoons
| 2 Forks | 6 Serving spoons |
| 3 Knives | 7 Serving forks |
| 4 Teaspoons | 8 Gravy ladles |
Information for comparability tests in accordance with EN 50242
Capacity: 12 place settings Ca
Position of the upper basket: Ic
Programme: ECOP
Rinse aid setting: 6
Softener setting: H3
FAGOR

CNAgroup
EDESA INDUSTRIAL S.L.
ManualGo.com