HND 107GS - Dishwasher HOOVER - Free user manual and instructions
Find the device manual for free HND 107GS HOOVER in PDF.
User questions about HND 107GS HOOVER
0 question about this device. Answer the ones you know or ask your own.
Ask a new question about this device
Download the instructions for your Dishwasher in PDF format for free! Find your manual HND 107GS - HOOVER and take your electronic device back in hand. On this page are published all the documents necessary for the use of your device. HND 107GS by HOOVER.
USER MANUAL HND 107GS HOOVER
RICERCA PICCOLIGUASTI
A = assiettes creuses D = soucoupes
B = assiettes plates E = tasses
C = assiettes à dessert F = verres

1 = Messen
2 = V orken
3 = Dessertlepels
4 = Theelepels
5 = L e p e l s
6 = Soeplepel
7 = Opdienvork

Please read the instructions in this booklet carefully because they contain important information on how to install, use and maintain your dishwasher safely as well as containing useful tips on how to make the most of it.
Keep this booklet safe for future reference.
SAFETY INSTRUCTIONS
There are certain basic safety rules which are valid for any domestic appliance.
Installation
Make sure that the plug fitted to the machine is compatible with the power supply socket. If it is not, get a suitably qualified person to fit the correct type, and to make sure that the cables to the mains socket are able to cope with the power rating of the appliance.
Ensure that the dishwasher does not crush power cables.
In general it is not advisable to use adaptors, multiple plugs and/or extension cables.
Should it be necessary to replace the supply cord, call the After Sales Service Centre.
Safety
- Never touch the appliance when your hands or feet are wet or damp.
Do not use when your feet are bare. - Do not remove the plug from the mains supply socket by pulling the mains cable or the machine itself.
- Do not leave the appliance exposed to the elements (rain, sun etc).
This appliance is not intended for use by persons (including children) with reduced physical, sensory or mental capabilities, or lack of experience and knowledge, unless they have been given supervision or instruction concerning use of the appliance by a person responsible for their safety.
Children should be supervised to ensure that they do not play with the appliance.
Water left in the machine or on the dishes at the end of the wash programme should not be swallowed.
The door should not be left in the open position since this could present a potential hazard (es. tripping).
- Leaning or sitting on the open door of the dishwasher could cause it to tip over.

WARNING!
Knives and other utensils with sharp points must be loaded in the basket with their points down or placed in a horizontal position.
Daily use
This appliance is be designed for domestic use only.
- The dishwasher is designed for normal kitchen utensils.
- Objects that have been contaminated by petrol, paint, traces of steel or iron, corrosive chemicals, acids or alkalis must not be washed in the dishwasher.
If there is a water softening device installed in the home there is no need to add salt to the water softener fitted in the dishwasher.
Cutlery is washed best if it is placed in the basket with the handles downwards.
If the appliance breaks down or stops working properly, switch it off, turn off the water supply and do not tamper with it. Repair work should only be carried out by an approved service agent and only genuine spare parts should be fitted. Any failure to follow the above advice may have serious consequences for the safety of the appliance.
Disposal
The dishwasher has been made from materials which can be recycled so that it can be disposed of in an environmentally friendly way.
If you wish to dispose of an old dishwasher be careful to remove the door to eliminate the risk of children becoming trapped inside it.
INSTALLATION
(Technical notes)
After unpacking, adjust the height of the dishwasher. For the dishwasher to work correctly it must be level. Adjust the feet so that the machine does not tilt by more than 2 degrees.
If it you need to move the machine after removing the packaging, do not try to lift it by the bottom of the door. Follow the instructions in the figure below. Open the door slightly and lift the machine by holding on the top.

IMPORTANT
When the appliance is located on a carpet floor, attention must be paid to ensure that there is no obstruction to the bottom vents.
Make sure that the plug on the appliance remains accessible after installation.
Electrical connection
This appliance complies with international safety standards, and is fitted with a 3 pin plug with earth connection to ensure complete earthing of the product.
Before connecting the appliance to the mains supply it is important to ensure:
- that the supply socket is properly earthed;
- that your electricity supply is capable of meeting the consumption requirements listed on the rating plate of your appliance.
WARNING!
Ensure that your product is properly earthed.
In the absence of adequate earthing you will notice that when touching the metal parts of your appliance an electrical dispersion can be felt, due to the presence of a radio interference suppressor.
Manufacturer declines all responsibility for any damage due to non-earthing of the machine.

Appliance complies with European Directives 73/23/EEC and 89/336/EEC, replaced by 2006/95/EC and 2004/108/EC, and subsequent amendments.
Electrical connection (for U.K. only)
Plug your dishwasher into the power socket.
If the plug we supply does not fit :
CUT IT OFF AND DESTROY IT!
You can't use it on other appliances, and the exposed wires could be dangerous if anyone plugged it in.
Fit a suitable plug, as follows:
| Connect to the terminal in the plug | |
| Green and yellow wire | Marked with the letter E, OR marked with the Earth symbol, OR coloured green, OR coloured green and yellow. |
| Blue wire | Marked N, OR coloured black. |
| Brown wire | Marked L, OR coloured red. |
WARNING!
THIS APPLIANCE MUST BE EARTHED.
Fuses and plugs
This appliance should be used only on a socket with a minimum rating of 13 Amp.
Our ready-fitted plug is already equipped with a 13 amp fuse which is BS 1362 ASTA approved.
Any replacement should be exactly the same.
If the fuse cover is lost, do not use the plug until it is replaced.
A correct replacement fuse cover (obtainable from your dealer or Electricity board) must be the same colour as shown or named on the insert on the base of the plug.
Water connection
IMPORTANT
The appliance must be connected to the water mains using new hose-sets. The old hose-sets should not be reused.
The inlet and drain hoses can be directed to left or right.
IMPORTANT
The dishwasher can be connected to either cold or hot water, as long as it is no hotter than 60^ .
Water pressure must be between 0.08 MPa and 0.8 MPa. If the pressure is below the minimum consult our service department for advice.
The inlet hose must be connected to a tap so that the water supply can be cut off when the machine is not in use (fig. 1 B).
- The dishwasher is fitted with 3/4'' threaded connector (fig. 2).
- Connect inlet hose "A" to water tap "B" with a 3/4" attachment making sure that it has been properly tightened.
If it is necessary, the inlet pipe can be lengthened up to 2.5m . The extension pipe is available from the After Sales Service Centre.
If limescale deposits or sand are present in the water, it is advisable to obtain the appropriate filter, art. 9226085, from the After Sales Service Centre (fig. 3). The filter "D" must be inserted between the tap "B" and the inlet hose "A", remembering to fit the washer "C".
If the dishwasher is connected to new pipes or to pipes which have not been in use for a long time run water through for a few minutes before connecting the inlet hose. In this way no deposits of sand or rust will clog up the water inflow filter.



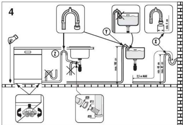
Connecting the outlet hose
The outlet hose should discharge into a standpipe, making sure that there are no kinks (fig. 4).
The standpipe must be at least 40~cm above floor level and it must have an internal diameter of at least 4cm .
It is advisable to fit an anti-odour air trap (fig. 4.2).
If necessary the outlet hose can be extended up to 2.5m provided that it is kept at a maximum height of 85 cm above floor level. The extension pipe is available from the After Sales Service Centre.
The hose can be hooked over the side of the sink, but it must not be immersed in water, in order to prevent water from being syphoned back to the machine when this is in operation (fig. 4Y).
- When installing the appliance under a worktop the hose pipe clamp must be attached to the wall in the highest possible position under the worktop (fig. 4Z).
- Check that there are no kinks in the inlet and outlet hoses.

INSTALLATION IN FITTED KITCHENS
Fitting between existing cabinets
The height of the dishwasher, 85~cm has been designed in order to allow the machine to be fitted between existing cabinets of the same height in modern fitted kitchens. The feet can be adjusted so that correct height is reached.
The laminated top of the machine does not require any particular care since it is heatproof, scratchproof and stainproof (fig.5).
Underneath existing work top
(when fitting beneath a work top)
In most modern fitted kitchens there is only one single work top under which cabinets and electrical appliances are fitted. In this case remove the work top of the dishwasher by unscrewing the screws under the rear edge of the top (fig. 8a).
IMPORTANT
After removing the work top, the screws MUST BE screwed again under the rear edge of the top (fig. 6b).
The height will then be reduced to 82cm as scheduled by the International Regulations (ISO) and the dishwasher will fit perfectly under the kitchen working top (fig. 7).
Fitting panels (some models only)
The frames around the door, allow decorative panels to be fitted, up to 5 mm thick, and with the following dimensions:
Width: Height:
591 mm ± 1
597 mm ± 1



Opening the door
Put your hand into the recess and pull. If the machine comes open while it is working, an electrical safety device automatically switches everything off.
IMPORTANT
For the machine to work properly, the door should not be opened while it is in operation.
Closing the door
Place the baskets in the machine.
Make sure that both the spray arms are free to rotate and are not obstructed by cutlery, crockery or pans. Close the door, pressing on it to make sure it is firmly shut.
LOADING THE SALT
On the bottom of the machine there is a container for the salt for regenerating the softener.
It is important to use only a salt that is specifically designed for dishwasher. Other types of salt contain small quantities of insoluble particles which over a long period of time may affect and deteriorate the softener performance.
Toadd salt, unscrew the cap of the container on the bottom and then refill the container.
- During this operation a little water will overflow; but keep adding salt until the container is full. When the container is full, clean the thread of salt residue and retighten the tap.
After loading the salt, it is recommended running a complete washing cycle, or COLD RINSE programme. The salt dispenser has a capacity of between 1.5 and 1.8kg and, for efficient use of the appliance, it should be refilled from time to time according to the regulation of the water softener unit.
IMPORTANT
(Only for first start up)
When the appliance is used for the first time, after completely filling the salt container, it is necessary to add water until the container overflows.

Salt loading indicator
Some models are provided with an indicator light which signals salt consumption.
The signal will appear according to one of two systems:
- an indicator light on the control panel which will light up when it is necessary to reload the salt container;
the salt container cap with a green mobile light (fig. 1a) which remains visible as long as there is enough salt for regeneration purposes. When the green surface is depressed inside the cap, more salt must be loaded.
Other models are provided with a blind cap (fig. 1b). In this case, the salt level must be checked periodically, according to the regulation of the water softener unit.
IMPORTANT
The appearance of white stains on dishes is generally an important sign that the salt container needs filling.

Fig. 1
ADJUSTMENT OF THE UPPER BASKET
(some models only)
If 27 cm to 31 cm plates are normally used, load them onto the lower basket after the upper basket has been placed in its upper position and proceed as detailed below (According to the models):
Type “A”:
- Turn the front stops "A" outwards:
- Take out the basket and remount it in the upper position;
- Replace the blocks "A" in their original position.
Dishes that are bigger than 20~cm in diameter can no longer be loaded onto the upper basket and the mobile supports cannot be used when the basket is in the upper position.

Type "A"

Type "B":
- Pull out the upper basket;
- Then grasp the basket from both sides and lift it upwards (fig. 1).
Dishes that are bigger than 20~cm in diameter can no longer be loaded onto the upper basket and the mobile supports cannot be used when the basket is in the upper position.
ADJUST BASKET TO THE LOWER POSITION:
- Grasp the basket from both sides and lift slightly upwards (fig. 2a):
- Then slowly release into the correct position (fig. 2b).
it is advisable to adjust the basket before loading the dishes.

Type "B"


LOADING DISHES
Using the upper basket
The upper basket is provided with mobile racks hooked to the sides of the basket which can be regulated in two positions: upright and lowered. In the lowered position the racks may be used for tea and coffee cups, kitchen knives and ladles. Glasses with stems may be safely hung on the ends of the racks. Glasses, cups, saucers and dessert plates may be loaded under the racks.
Soup plates and ordinary plates may be loaded with the rack in the upright position. Plates should be loaded vertically with the underside of the plate towards the back of the dishwasher with a space between each plate to allow water to pass freely.
It is advisable to load plates of the same size together in order to utilize maximum basket capacity.
Plates may be loaded in a single row (fig. 1) or on both rows (fig. 2).
It is advisable to load large plates (approx. 27 or more cm) slightly tilted towards the rear to facilitate introduction of the basket into the machine.
- Salad bowls and plastic bowls may also be loaded on the upper basket. It is advisable to block these in place so that the jets of water do not make them overturn.
The upper basket has been designed to offer maximum flexibility in use and can be loaded with up to 24 plates on two rows, up to 30 glasses on five rows or a mixed load.
A standard daily load is represented in figs. 1 and 2.
Upper basket (fig.1)
A= soup plates B=dinner plates C=deessert
D = saucers
E = cups
F = glasses

Upper basket (fig. 2)
A = soup plates
B = dinner plates
C = d e s s e r t plates
D = saucers
E = cups
F = glasses G = single section cutlery basket

Using the lower basket
- Saucepans, oven dishes, tureens, salad bowls, lids, serving dishes, dinner plates, soup plates and ladles can be loaded on the lower basket.
- Place the cutlery in the plastic cutlery holder with the handles pointing upwards.
-
Place the cutlery holder on the lower basket (fig. 6), making sure that the cutlery does not get in the way of the rotating arms.
-
The lower basket is fitted with a special adjustable central rack (fig. 3 and 4). This permits stable and optimum loading, even when the size and/or shape of the dishes is non-standard.
- POSITION "A": for a standard load, or one that excludes pans, salad bowls and the like.
- POSITION "B": for dishes which, although standard size, have a particular shape (very deep bowls, square dishes or ones without borders etc.).
- POSITION "C": for larger than average flat plates and/or ones with non-standard shapes (square, hexagonal, oval, pizza dishes etc.).


The small plates, as those used for desserts for example, must be placed in the lower basket as shown in the figure 5, with the support flap placed outwards ("B"). For normal or large plates the flap must be in the position ("A").

WARNING
If the small plates are placed in the basket with the support flap in the incorrect position, the plates will interfere with the lower spraying arm preventing it to rotate.
A standard daily load is represented in fig. 6.
Lower basket (fig. 6)
A = medium-sized saucepan
B= large saucepan C = frying pan, oven dishes
D = lids
E = tureens, serving dishes
F = cutlery
G = small bowl

Please load the dishwasher sensibly to ensure the best wash results.
IMPORTANT
The lower basket has a safety-stop device, for its safe extraction, also especially useful with a full load. For loading salt, cleaning filter and for ordinary maintenance, the complete extraction of the basket is necessary.
Cutlery basket
The cutlery basket is made with two detachable parts which will enable various loading options. The two parts can be detached by sliding the left section away from the right section.
The top of cutlery basket can be removed, for enable various loading options.
INFORMATION FOR THE TEST LABORATORIES
General programme comparison (Ref. EN 50242 Standards)
(see programmes selection)
- Upper basket position: low
-
Normal load 3.Shine setting:6
-
Amount of detergent:
8 g directly in the dishwasher; -22 g in the detergent container.
12 international place load (Ref. EN 50242)
Correct loading is indicated, in fig. 1 for the upper basket, in fig. 2 for the lower basket and in fig. 3 for the cutlery basket.

Upper basket (fig. 1)
A=5+5+2 glasses
B=12 saucers
C=4+6+2cups
D = small bowl
E = medium bowl
F = large bowl
G = 1 + 1 serving spoons

Lower basket (fig. 2)
H=8+4 soup plates
1=12dinnerplates
L = 6 + 6 dessert plates
M = serving dish
N = cutlery

ATTENTION!
Before loading the lower basket, please
remove the adjustable central rack.


LOADING THE DETERGENT
The detergent
IMPORTANT
It is essential to use a detergent that is specifically designed for dishwashers either in powder, liquid or tablet form.
"FINISH" gives very good results and can be easily obtained.
Unsuitable detergents (like those for washing up by hand) do not contain the proper ingredients for use in a dishwasher, and stop the dishwasher from working correctly.
Filling the detergent container
The detergent container is inside the door (fig. A "2"). If the lid of the container is closed, press the button (A) to open.
At the end of every wash cycle the lid is always open and ready for the next time the dishwasher is used.

WARNING!
When loading the lower basket, please ensure that the plates or others do not obstruct the detergent dispenser.
The amount of detergent to be used varies according to how dirty the dishes are and on the type of dishes to be washed.
We advise using 20:30 g of detergent in the wash section of detergent compartment (B).


After pouring the detergent into the container, close the lid, firstly pushing (1) and then pressing on it (2) until you hear the click.

Since not all detergents are the same the instructions on the boxes of detergent can vary. We should just like to remind users that too little detergent does not clean the dishes properly whilst too much detergent will not produce better results and is also a waste.
IMPORTANT
Do not use an excessive amount of detergent and help limit damage to the environment at the same time.
TYPES OF DETERGENT
Detergent tablets
Detergent tablets of different manufacturers dissolve at different speeds, for this reason, during short programmes, some detergent tablets may be not fully effective, because they are not completely dissolved. If these products are used, is recommended to choose longer programmes to guarantee the complete use of the detergent.
IMPORTANT
To get satisfactory washing results, the tablets MUST be placed in the wash section of the detergent container and NOT directly in the tub.
Concentrated detergents
The concentrated detergents, with reduced alkalinity and with natural enzymes, in conjunction with 50^ wash programmes, have a smaller impact on the environment and they protect the dishes and the dishwasher.
The 50^ wash programmes purposely exploit the dirt-dissolving properties of the enzymes, allowing therefore, with the use of the concentrated detergents, to achieve the same results of the 65^ programmes but at a lower temperature.
Combined detergents
The detergents that also contain the rinse aid must be placed in the wash section of the detergent container. The rinse aid container must be empty (if it is not empty, set the rinse aid regulator to lowest position before using combined detergents).
"ALL in 1" combined detergents
If you are planning to use "ALL in 1" ("3 in 1") "4 in 1"/5 in 1", etc.) combined detergents i.e. those with built in salt and/or rinse agent, we would advise the following:
- read carefully and follow the manufacturer's instructions given on the packaging;
the effectiveness of detergents containing the built in water softener/salt depends on the hardness of your water supply. Check that the hardness of your water supply is within the effective range given on the detergent packaging.
If when using this type of product, you don't get satisfactory washing results, please contact the detergent manufacturer.
In certain circumstances use of combined detergents can cause:
limescale deposits on dishes or in the dishwasher;
a reduction in washing and drying performance.
IMPORTANT
Any problems which arise as a direct result of the use of these products are not covered by our warranty.
Please note that using the "ALL in 1" combined detergents, the rinse aid and salt indicator lights (only used on selected models) are superfluous, so you must ignore the lights.
If washing and/or drying problems occur, we recommend you return to use traditional separate products (salt, detergent and rinse agent). This will ensure that the water softener in the dishwasher operates correctly.
In this case, we recommends that you:
■ refill both the salt and rinse aid container;
run one normal washing cycle without a load.
Please note that on return to the use of conventional salt, a number of cycles will be required before the system becomes fully efficient again.
LOADING THE RINSE AID
The rinse aid
The rinse aid, which is automatically released during the last rinsing cycle, helps the dishes to dry quickly and prevents spots and stains forming.
Filling the rinse aid container
The rinse aid container can be found to the left of the detergent container (fig. A "3"). To open the lid, push the reference mark and, in the same time, pull the tab of opening.
It is always advisable to use rinse aid that is specifically designed for dishwasher. Check the rinse aid level through the indicator eye (C) which is located on the dispenser.

FULL EMPTY
dark

light


Regulating the rinse aid from 1 to 6
The regulator (D) is placed under the lid and can be turned using a coin. The recommended position is 4.
The limestone content of the water considerably affects the formation of limescale and the driving performance.
It is therefore important to regulate the quantity of rinse aid to achieve good washing results.
If, after the wash, streaks occur on the dishes, decrease the amount by one position. If whitish spots occur, increase the amount by one position.

CLEANING THE FILTERS
The filter system (fig.A "4") consists of:
a central container that traps the larger particles:
a flat gauze that continuously filters the wash water;
a micro filter, located beneath the gauze, that traps the tiniest particles ensuring a perfect rinse.
Toachieve excellent results every time, the filters should be checked and cleaned after each wash.
- Toremove the filter unit, simply turn the handle anticlockwise (fig. 1).
For ease of cleaning, the central container is removable (fig. 2).
- Remove the gauze filter (fig.3) and wash the whole unit under a jet of water. If necessary a small brush can be used.
- With the Self-cleaning Micro filter, maintenance is reduced and the filter unit need only be checked every two weeks. Nevertheless, after each wash it is advisable to check that the central container and the gauze filter are not clogged.

WARNING!
After cleaning the filters, make sure that they are correctly reassembled and that the gauze filter is properly positioned at the bottom of the dishwasher.
Make sure that the filter is screwed back, clockwise, into the gauze, as poor sealing of the filter unit could have an adverse effect on the efficiency of the appliance.
IMPORTANT
Never use the dishwasher without the filters.



PRATICAL HINTS
How to get really good wash results
Before placing the dishes in the dishwasher, remove any remaining food (bones, shells, pieces of meat or vegetables, coffee grounds, skin of fruit, cigarette ash, thooth picks etc. to avoid blocking the filters, water outlet and washing arm nozzles.
Try not to rinse the dishes before loading them into the dishwasher.
If saucepapans and oven dishes are encrusted with the remains of burnt or roast food, it is advisable to leave them to soak before washing.
Place the dishes face downwards.
Try to place the dishes in such a way that they are not touching one another. If they are loaded properly you will get better results.
After loading the dishes check that the washing arms can rotate freely.
Pans and other dishes that have particularly stubborn food particles or remnants of burnt food should be left to soak in water with dishwasher detergent.
Towash silver properly:
a) rinse the silver immediately after use, especially if it has been used for mayonnaise, eggs, fish etc.
b) do not sprinkle detergent onto it;
c) keep it separate from other metals.
How to make savings
If you want the dishwasher to give a complete wash, place the dishes in the dishwasher at the end of each meal and if necessary turn on the COLD RINSE cycle to soften the food remains and remove bigger particles of food from the new load of dishes. When the dishwasher is full start the complete wash cycle programme.
If the dishes are not very dirty or if the baskets are not very full select an ECONOMY programme, following the instructions in the program list.
What not to wash
It should be remembered that not all dishes are suitable for washing in a dishwasher. We advise against using the dishwasher to wash items in thermoplastic, cutlery with wooden or plastic handles, saucepans with wooden handles, items in aluminium, crystal, leaded glass unless otherwise stated.
Certain decorations may fade. It is therefore a good idea before loading the whole batch to wash just one of the items first so as to be sure that others like it will not fade.
It is a good idea not to put silver cutlery with non-stainless steel handles into the dishwasher as there could be a chemical reaction between them.
IMPORTANT
When buying new crockery or cutlery always make sure that they are suitable for washing in a dishwasher.
Useful hints
In order to avoid any dripping from the top rack, remove the lower rack first.
If the dishes are to be left in the machine for some time, leave the door ajar, to let some air circulate and to improve the drying performance.
CLEANING AND MAINTENANCE
To clean the dishwasher outside, do not use solvents (degreasing action) neither abrasives, but only a cloth soaked with water.
The dishwasher does not require special maintenance, because the tank is self-cleaning.
Regularly wipe the door gasket with a damp cloth to remove any food remains or rinse aid.
It is advisable to remove limestone deposits or dirt periodically, by doing an empty wash; pour a glass of vinegar on the bottom of the tank and select the light wash.
If, in spite of the routine cleaning of the filters, you notice that the dishes or pans are not properly washed or rinsed, check that all the spray heads on the rotor arms (fig. A ^ 一 5 ^ ) are clear.
If they are blocked, clean them in the following way:
- to remove the upper rotor arm, turn it until it lines up with the stop marked by the arrow (fig. 1b). Push it upwards (fig. 1) and, keeping it pushed in, unscrew it in a clockwise direction (to reassemble it repeat the same operation, but turn it anticlockwise). The lower rotor arm can be removed simply by pulling it upwards (fig. 2);
- wash the rotor arms under a jet of water to clear any blockage in the spray heads;
- when you have finished, refit the rotor arms in the same position, remembering to re-align the arrow and screw into position.
- Both the door lining and the tank lining are in stainless steel; however, should spots caused by oxidation occur, this is probably due to a high level of iron salts presents in the water.
The spots can be removed with a mild abrasive agent; never use chlorine based materials, steel wool, etc.


WHEN CYCLE IS FINISHED
After every wash it is essential to turn off water supply and to switch off the machine by pressing the On/Off button to the off position.
If the machine is not going to be used for some time, it is advisable to follow these rules:
- do an empty wash with detergent in order to clean the machine of any deposits;
- pull out the electric plug;
- turn off the water tap;
- fill the rinse aid container;
- leave the door ajar;
- keep the inside of the machine clean;
- If the machine is left in places where the temperature is below 0^ any water left inside the pipes may freeze. Wait until the temperature rises above zero and then wait for about 24 hours before starting up the dishwasher.
IDENTIFYING MINOR FAULTS
Should the dishwasher fail to operate, before contacting the Service Centre, make the following checks:
| FAULT CAUSE REMEDY | ||
| 1 - Machine completely dead | Plug is not connected to wall socket | Connect electric plug |
| O/I button has not been pressed | Press button | |
| Door is open | Close door | |
| No electricity | Check the fuse in the plug and the electricity supply | |
| 2 - Machine does not draw water | See causes for no. 1 | Check |
| Water tap is turned off | Turn water tap on | |
| Programme selector is not at correct position | Turn programme selector to correct position | |
| The inlet hose is bent | Eliminate the bends in the hose | |
| The inlet hose filter is not correctly connected | Clean the filter at the end of the hose | |
| 3 - Machine does not discharge water | Filter is dirty | Clean filter |
| Outlet hose is kinked | Straighten outlet hose | |
| The outlet hose extension is not correctly connected | Follow the instructions for connecting the outlet hose carefully | |
| The outlet connection on the wall is pointing downwards not upwards | Call a qualified technician | |
| 4 - Machine discharges water continuously | Position of outlet hose is too low | Lift outlet hose to at least 40 cm above floor level |
| 5 - Spray arms are not heard to rotate | Excessive amount of detergent | Reduce amount of detergent Use suitable detergent |
| Item prevents arms from rotating | Check | |
| Plate and cup filter very dirty | Clean plate and cup filter | |
| 6 - On electronic appliances without a display: one or more LED flashing quickly. | Water inlet tap turned off | Switch off the appliance. Turn on the tap. Re-set the cycle. |
| FAULT CAUSE REMDY | ||
| 7 - Load of dishes is only partially washed | See causes for no. 5 | Check |
| Bottom of saucepans have not been washed well | Burnt on food remains must be soaked before putting pans in dishwasher | |
| Edge of saucepans have not been washed well | Reposition saucepans | |
| Spray arms are partially blocked | Remove spray arms by unscrewing ring nuts clockwise and wash under running water | |
| The dishes have not been properly loaded | Do not place the dishes too closely together | |
| The end of the outlet hose is in the water | The end of the outlet hose must not come into contact with the outflow water | |
| The incorrect amount of detergent has been measured out; the detergent is old and hard | Increase the measure according to how dirty the dishes are and change detergent | |
| The wash programme is not thorough enough | Choose a more vigorous programme | |
| The lower basket dishes have not been washed | Depress half load button | |
| 8 - Detergent not dispensed or partially dispensed | Cutlery, dishes, pans, etc... stop the detergent dispenser opening | Position dishes not to obstruct the dispenser |
| 9 - Presence of white spots on dishes | Water is too hard | Check salt and rinse aid level and regulate amount. Should the fault persist, Contact Service Centre |
| 10 -Noise during wash | The dishes knock against one another | Re-check loading of dishes in the basket |
| The revolving arms knock against the dishes | Again re-check loading | |
| 11 - The dishes are not completely dry | Inadequate air flow | Leave the dishwasher door ajar at the end of the wash program to allow the dishes to dry naturally |
| Rinse aid missing | Fill the rinse aid dispenser | |
N.B.: Should any of the situations occur and should the machine give a bad wash performance, it is necessary to remove the deposits from the dishes by hand since the final drying cycle hardens the deposits which a second wash in the machine would not be able to remove.
If the malfunction continues contact a Service Centre quoting the serial number of the dishwasher. This is found on the plaque on the inside of the dishwasher door at the top or on the guarantee. This information will make it possible to take more effective action more quickly.
The manufacturers decline any responsibility for any printing mistakes in this Instruction booklet. They also reserve the right to modify their own appliances as necessary without altering the essential characteristics.

Queto eodrastreico e marco conoemento alla Dirello Europa 200299CE sui ilu: ca asppreciHatee edh cteleonica (WEE).
This apoiance is marked according to the European directive 2002/96 EC on Waste Electrical and Electronic Equipment (WEEE).
By ensuring this product is disposed of correctly, you will help prevent potential negative consequences for the environment and human health, which could otherwise be caused by inappropriate waste handling of this product.
The symbol on the product indicates that this product may not be treated as household waste. Instead it shall be handed over to the applicable collection point for the recycling of electrical and electronic equipment
Disposal must be carried out in accordance with local environmental regulations for waste disposal.
For more detailed information about treatment, recovery and recycling of the product, please contact your local city office. Your household waste disposal service at the shop where you purchased the product.

IT D5
DE ES
FR
NL
PT EN
1000000000000000000000000000000000000000000000
EasyManual