RTI 102 E - Thermostat AEG - Kostenlose Bedienungsanleitung
Finden Sie kostenlos die Bedienungsanleitung des Geräts RTI 102 E AEG als PDF.
Häufig gestellte Fragen - RTI 102 E AEG
Laden Sie die Anleitung für Ihr Thermostat kostenlos im PDF-Format! Finden Sie Ihr Handbuch RTI 102 E - AEG und nehmen Sie Ihr elektronisches Gerät wieder in die Hand. Auf dieser Seite sind alle Dokumente veröffentlicht, die für die Verwendung Ihres Geräts notwendig sind. RTI 102 E von der Marke AEG.
BEDIENUNGSANLEITUNG RTI 102 E AEG
Integrierbare Raumtemperaturregler für Wärmespeicher
WSP 1210 F bis WSP 4810 F,
WSP 3510 N und WSP 5010 N
Gebrauchs- und Montageanweisung
RTi 102 E, RTi 103 EP
English
1. Gebrauchsanweisung Für den Benutzer
1.1 Arbeitsweise 3
2. Montageanweisung Für den Installateur
2.1 Technische Daten 4
2.2 Verpackungseinheit 4
2.3 Montage 4
2.4 Funktionsprüfung 6
2.5 Übergabe 6
- Kundendienst und Garantie 9
3.1 Entsorgung von Verpackung und Altgerät 10
1. Gebrauchsanweisung
RTi 102 E
Bei dem Raumtemperaturregler RTi 102 E handelt es sich um einen elektronischen 2-Punktregler; d. h., die Geblase des Wärmespeichers werden eingeschaltet, mit konstanter Drehzahl betrieben und wieder abgeschaltet.
RTi 103 EP
Bei dem Raumtemperaturregler RTi 103 EP handelt es sich um einen elektronischen Proportionalregler; d. h., die Drehzahl der Wärmespeicher-Geblasemotoren wird vom RTi 103 EP stufenlos dem Wärmebedarf angepasst.
Hierbei erfolgt die Drehzahlregelung der Geblasemotoren in Abhängigkeit der Differenz zwischen der Raumtemperatur (Isttemperatur) und der am Wahlknopf eingestellen Temperatur (Solltemperatur). Je geringer diese Differenz,esto geringer die Drehzahl der Geblasemotoren. Wird der Wärmespeicher jedoch mit einer Zusatzheziehung betrieben, so schaltet der RTi 103 EP beim Einschalten der Zusatzheizung (B) automatisch auf eine 2-Punkt-Regelung um, d. h., erfolgt eine Wärmeabgabe, laufen die Geblasemotoren nur mit voller Leistung. Ist die Zusatzheizung (B) über den Schalter im Bedienfeld ausgeschaltet, arbeitet der RTi 103 EP wieder als Proportionalregler.

1.1 Arbeitsweise
Der Raumtemperaturregler wird über den Schalter (C) im Bedienfeld des Wärmespeichers ein- und ausgeschaltet.
Über den Wahlknopf (D) im Bedienfeld laßt sich stufenlos die gewünschte Raumtemperatur einstehen.
Steht der Wahlknopf in Mittelstellung, wird die Raumtemperatur konstant auf ca. 20^ geregelt. Durch Drehen des Wahlknopfes nach links oder rechts kann die Raumtemperatur zwischen ca. 5 bis 35^ eingestellt werden.
Bei Absinken der Raumtemperatur unterhalb des eingestellen Wertes schaltet der Entladeregler automatisch die Wärmespeicher-Geblasemotoren ein, so dass die gespeicherte Wärme in den Raum geblasen wird.
An sehr kalten Tagen empfeihlt es sich, den Raumtemperaturregler bei Abwesenheit über mehrere Tage eingeschaltet zu halten, um so die Raumtemperatur auf z. B. ca. 10^ zu halten, damit das Gebäude, bzw. der Raum nicht auskühlt (Frostschutz).
2. Montageanweisung

Der Einbau des Raumtemperaturreglers muss von einem zugelassenen Fachmann unter Bechtung dieser Gebrauchs- und Montageanweisung sowie der Gebrauchs- und Montageanweisung des Wärmespeichers vorgenommen werden.
Alle elektrischen Anschluss- und Installationsarbeiten sind nach den VDE-Bestimmungen 0100, den Vorschriften des zuständigen EVU sowie den entsprechenden nationalen und regionalen Vorschriften auszuführen.
2.1 Technische Daten
| Modell | RTi 102 E | RTi 103 EP |
| Nennspannung | 1/N/PE ~ 50 Hz 230 V | 1/N/PE ~ 50 Hz 230 V |
| Schaltleistung | 10 A | 10 A mit Zusammenheizung |
| Steuerleistung | - | 100 VA |
2.2 Verpackungseinheit
1 Raumtemperaturregler mit
- Verbindungsleitung Auf- und Entladeregler
- 6-poliger Steckverbinder mit Kabelbaum
1 EIN/AUS-Schalter mit 2 Schaltlitzen
1 Einsteller (Potentiometer) mit Verbindungsleitung
1 Temperatur-Wahlknopf
1 Gebrauchs- und Montageanweisung
1 Raumtemperaturfuhler mit 2 Schrauben
1 Schaltbildaufkleber
1 Bedienblendenaufkleber
2.3 Montage
Vor Beginn der Montagearbeiten den Wärmespeicher spannungsfrei machen.
Beim Anschluss des Wärmespeichers an eine automatische Aufladesteuierung kann auch bei hereausgenommen Sicherungen an den Klemmen A1/Z1 - A2/Z2 Spannung anliegen.
Be der Aufstellung mehrerer Wärmespeicher nebeneinander ist zu beachten, dass der Raumtemperaturregler im rechten außeren Gerät installiert wird. Damit ist gewährleistet, dass die Raumtemperatur einwandfrei erfasst werden kann.
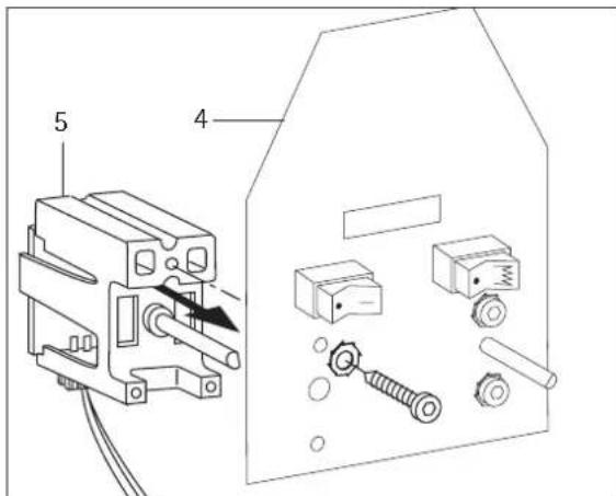
2.3.1 Einbaureihenfolge
- Luftaus- und Luftintrittgitter, Vorderwand und rechte Seitenwand wie in der Gebrauchs- und Montageanleitung des Wärmespeichers beschrieben abnehmer;
- Blindkappen (1) für Schalter und Temperatur-Wahlknopf mit Hilfsmittel von der Schaltraumseite her aus dem Bedienfeld links oben und unter herausdrücken.
- Montage des EIN/AUS-Schalters: Schwarze Litze (Länge L = 550 mm) und braune Litze mit den Flachsteckern auf den Schalter (2) durch die Halterung (3) stecken und Halterung auf dem Blechwinkel (4) einrasten. Drücken Sie den Ein-/Aus-Schalter (2) mit dem Symbol „I" rechts in die Halterung.
- Potentiometer (5) mit aufgeleckter 3-poliger Anschlussleitung von der Schaltraumseite aus auf das Winkelblech (4) mit einer Schraube 4 × 10 ~mm befestigen. Hierbei ist darauf zu achten, dass die Drehache des Potentiometers nach links gedreht ist (gegen den Uhrzeigersinn) und die flache Seite der Drehache nach rechts zeigt.
- 3-polige Anschlussleitung des Potentiometers hinter dem Winkelblech entlang zum Steckplatz des Entladerglers legen (Anschlussleitung darauf durch den Kabelhalter am Bedienfeld und am Winkelblech fixieren).
- Das im Schaltraum sitzende Winkelblech zur Aufnahme der Netzanschlussklemmen nach dem Lösen (nicht hersausdrehen) der in der Rückwand sitzenden Schraube nach vorn schwenken.
-
Verbindungsleitung (X25) am Entladeregler (A2) auf den Aufladeregler (A1) stecken (Seite 7).
-
6-polige Steckverbinder des Entladereglers (A2 siehe Schaltplan) hinter dem Winkelblech entlang nach oben führen, von oben in die Steckpläte "TA" bis "N" der Anschlussklemme X2 stecken und verschrauben (Kabelbaum in die vorhandenen Kabelhalter eindrücken).
- Entladeregler (6) in die oberhalb des Aufladereglers angebrachten Langlocher stecken und einrasten.
- Anschlussleitung des Potentiometers auf den Steckplatz X21 des Raumtemperaturreglers steken.
- Raumtemperaturfuhler (7/B2) mit 2 Schrauben (2,9 × 6,5) an die vordere Abkantung der Bodenplatte anschrauben. Anschlusskabel auf Steckplatz X20 des Raumtemperaturreglers steken.
- Beiliegende separate Litzen hinter dem Winkelblech entlang führen und gemäß der nachfolgenden Tabelle (an die Klemmen X1 und X2 von unten) anschließen:
| Bezeichnung | Verlegung | |
| von | nach | |
| Litze (schwarz) | L (X1) | S2 (Steckplatz oben |
| Litze (braun) | LE' (X2) | S2 ( Steckplatz halten) |




Litzen dürfen die Bedienfeld-Leiterplatte sowie einfach isolierte Litzen für Sicherheitsklin-spannung nicht berühren!
Die zum Schalter führenden Litzen in den vorhandenen Kabelbaum einbinden (Kabelhalter können geöffnet und wieder verschlossen werden).
- Winkelblech wieder nach hinten schwenken und festschrauben.
Bedienblendenaufkleber auf die AuBenseite der rechten Seitenwand aufkleben. - Seitenwand, Vorderwand sowie Luftaus- und -eintrittgitter wieder am Gerät befestigen (Einbaureihenfolge beachten!).
Unter die Befestigungsschrauben der Seitenwand und Vorderwand müssen die Zahnscheiben gesteckt werden (Schutzleiterverbindung!)
Die Verbindungsleitung vom Bedienfeld zum Raumtemperaturregler ist in gleicher Weise zu verlagen und zu befestigen wie die vorhandenen Leitungen zum Bedienfeld. Sie)durfen die Zwischenwand und die Heizkorperanschlüsse nicht berühren.

2.4 Funktionsprüfung
EIN/AUS-Schalter in Stellung Entladung bringen.
Temperatur-Wahlknopf drehen, bis Geblase vom Wärmespeichereil einschaltet.
Schaltet das Geblase nicht ein, so sind die Betriebs- und Störanzeigen am Auf- und Entladeregler zu beachten.
2.4.1 Betriebs- und Störanzeige am Aufladeregler
LED leuchtet "grün" ⇒ keine Störung
der Aufladeregler arbeitet einwandfrei.
LED leuchtet "rot" Störung
a) Wahlknopf für Aufladung (R1) und/oder Kernfuhrer (B1) defekt oder nicht angeschlossen.
b) Steckbrücke für Ladegradreduzierung am Aufladeregler fehl. Es erfolgt keine Aufladung.
LED leuchtet "orange" Störung am Entladeregler
a) Entladeregler defect
b) Potentiometer zur Einstellung der Entladung defekt und/oder nicht angeschlossen.
Die Raumtemperatur wird auf ca. 22^ geregelt.
c) Raumtemperaturfuhler defekt und/oder nicht angeschlossen. Es erfolgt keine Entladung.
2.5 Übergabe
These Gebrauchs- und Montageanweisung gehort zum Gerät und ist vom Besitzer sorgfältig aufzubewahren. Im Falle eines Besitzerwechsels ist diese dem Nachfolger auszähendigen.
Bei etwaigen Instandsetzungsmaßnahmen ist dem Fachmann die Gebrauchs- und Montage-anweisung zur Einsichtnahme zu überlassen.
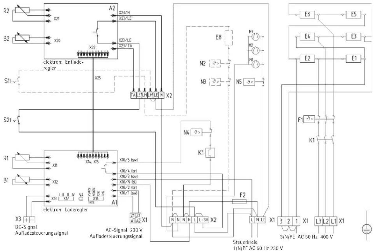
Stromlaufplan WSP 1210 - 4810 F mit RTi 102 E Stromlaufplan WSP 3510 und 5010 N mit RTi 102 E
A1: Elektronischer Aufladeregler
B1: Kerntemperaturfuhler - Aufladung
E1 - E6: Heizkörper (Speicher)
F1: Sicherheits-Temperaturbegrenzer
F2: Sicherung (250 V 2A träge)
K1: Thermorelais
M1 - M3: Gebäse Entladung
N4: Temperaturbegrenzer - Aufladung
N5: Temperaturbegrenzer - Entladung
R1: Einsteller - Aufladung (Wahlknopf)
V4: Kontrollleuchte Betrieb Notbetrieb
X1: Netzanschlussklemme
X2: Anschlussklemme
X3: DC-Anschlussklemme 0,91 - 1,43 V
X16: Steuersignalanpassung 4-stufig
X17: Leistungsreduzierer 4-stufig
Sonderzubehör
nicht im Lieferumfang, bei Einbau das jeweilige Zubehör ankreuzen

Integr. Raumtemperaturregler 2-Punkt
A2: Elektronischer Entladeregler
B2: Raumtemperaturfuhler Entladung
R2: Einsteller Entladung (Wahlknopf)
S2:EIN/AUS-Schalter Raumtemperaturregler

Zusatzheizung
E8: Zusatzheizkörper
N2: Temperaturregler - Zusatzheizung
N3: Temperaturregler - Zusatzheizung
S1: EIN/AUS-Schalter -Zusatzheizung
Bei Einbau der Zusatzheizung (E8) die zulässige Schaltleistung des Raumtemperaturreglers beachten!

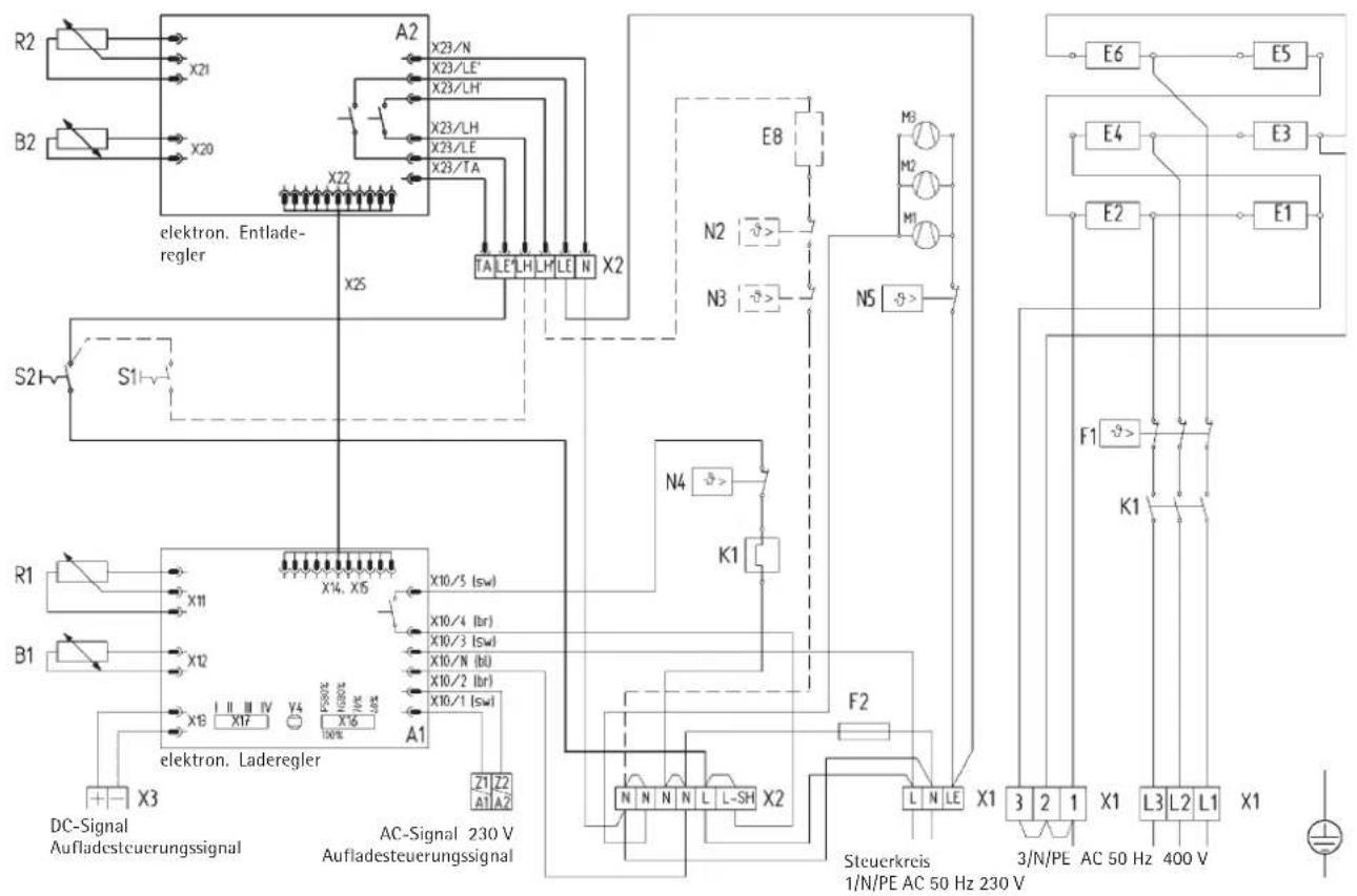
Stromlaufplan WSP 1210 - 4810 F mit RTi 103 EP Stromlaufplan WSP 3510 und 5010 N mit RTi 103 EP
A1: Elektronischer Aufladeregler
B1: Kerntemperaturfuhler - Aufladung
E1-E6:Heizkörper (Speicher)
F1: Sicherheits-Temperaturbegrenzer
F2: Sicherung (250 V 2A träge)
K1: Thermorelais
M1 - M3: Gebäse Entladung
N4: Temperaturbegrenzer - Aufladung
N5: Temperaturbegrenzer - Entladung
R1: Einsteller - Aufladung (Wahlknopf)
V4: Kontrollleuchte Betrieb Notbetrieb
X1: Netzanschlussklemme
X2: Anschlussklemme
X3: DC-Anschlussklemme 0,91 - 1,43 V
X16: Steuersignalanpassung 4-stufig
X17: Leistungsreduzierer 4-stufig
Sonderzubehör
nicht im Lieferumfang, bei Einbau das jeweilige Zubehör ankreuzen

Integr. Baumtemperaturregler proportional
A2: Elektronischer Entladeregler
B2: Raumtemperaturfuhler Entladung
R2: Einsteller Entladung (Wahlknopf)
S2:EIN/AUS-Schalter Raumtemperaturregler

Zusatzheizung
E8:Zusatzheizkörper
N2: Temperaturregler - Zusatzheizung
N3: Temperaturregler - Zusammenheizung
S1: EIN/AUS-Schalter -Zusatzheizung
Bei Einbau der Zusatzheizung (E8) die zulässige Schaltleistung des Raumtemperaturreglers beachten!

3. Kundendienst und Garantie Stand: 10/06
Sollte einmal eine Störung an einem der Produkte auftreten, stehen wir Ihnen natürlich mit Rat und Tat zur Seite.
Rufen Sie uns einfach unter nachfolgender Service-Nummer an:
01803 70 20 20 (0,09 €/min; Stand 11/06)
oder schreiben uns:
AEG Haustechnik - Kundendienst - Fürstenberger Straße 77, 37603 Holzmaden
E-Mail: info@aeg-haustechnik.de
Telefax-Nr.01803 70 20 25 (0,09 /min Stand 11/06)
Weitere Anschriften sind auf der letzten Seite aufgeführrt.
Selbstverständlich hilft unser Kundendienst auch nach Feierabend! Den AEG Haustechnik-Kundendienst konnen Sie an sieben Tagen in der Woche tätig bis 22.00 Uhr Telefonisch erreichen - auch an Sonn- und Samstagen sowie an Feiertagen.
Im Notfall steth also immer ein Kundendiensttechniker fur Sie bereit. Das ein solcher Sondereerservice auch zusammen entloht werden muss, wenn kein Garantiefall vorliegt, werden Sie sicherelich verstehen.
Die Garantiebedingungen regeln zusätzliche Garantieleistungen von AEG Haustechnik gegenüber dem Endkunden, die kein die gesetzlichen Gewährleistungsansprüche des Kunden treten. Daher werden auch gesetzliche Gewährleistungsansprüche des Kunden gegenüber seinen sonstigen Vertragspartnern, insbesondere dem Verkauf der mit der Garantie versehenen AEG Haustechnik-Gerätes, von dieser Garantie nicht berührt.
These Garantiebedingungen gelten nur fur solche Geräte, die vom Endkunden in der Bundesrepublik Deutschland als Neugeräte erworben werden. Ein Garantievertrag kommt nicht zustande, soweit der Endkunde ein gebrauchtes Gerät oder ein neues Gerät seincerseits von einem anderen Endkunden erwirbt.
Inhalt und Umfang der Garantie
AEG Haustechnik erbringt die Garantieleistungen, wenn an AEG Haustechnik-Geräten ein Herstellungs- und/oder Materialfehler innerhalb der Garantiezeit auftritt. Die Garantie umfasst jedoch keine Leistungen von AEG Haustechnik für solche Geräte, an denen Fehler, Schäden oder Mängel aufgrund von Verkalkung, chemischer oder elektrchochemischer Einwirkung, fehlerhafter Aufstellung bzw. Installation sowie unsachgemäßer Einregulierung, Bedienung oder unsachgemäßer Inanspruchnahme bzw. Verwendung auftreten. Ebenso ausgeschlossen sind Leistungen aufgrund mangelhafter oder unterlassener Wartung, Witterungseinfüssen oder sonstigen Naturerscheinungen.
Die Garantie erlischt, wenn an dem Gerät Reparaturen, Eingriffe oder Abänderungen, durch nicht von AEG Haustechnik autorisierte Personen, vorgenommen wurden.
Die Garantieleistung von AEG Haustechnik umfasst die sorgfällige Prüfung des Gerätes, wobei zunachst ermittelt wird, ob ein Garanticanspruch besteht. Im Garantiefall entscheidet allein AEG Haustechnik, auf welche Art der Fehler behoben werden soll. Es steht AEG Haustechnik frei, eine Reparatur des Gerätes ausführten zu halten oder selbst auszuführen. Etwaige ausgewechselte Teile werden Eigentum von AEG Haustechnik.
Für die Dauer und Reichweite der Garantie übernimmt AEG Haustechnik samtliche Material- und Montagekosten.
Soweit der Kunde wegen des Garantiefalles aufgrund gesetzlicher Gewährleistungsansprüche gegen andere Vertragspartner Leistungen erhalten hat, entfällt eine Leistungspflicht von AEG Haustechnik.
Soweit AEG Haustechnik Garantieleistungen erbringt, übernimmt AEG Haustechnik keine Haftung fur die Beschadigung eines Gerätes durch Diebstahl, Feuer, Aufruhr o. ä. Ursachen.
Über die vorstehend zugesagten Garantieleistungen hinausgehend kann der Endkunde nach dieser Garantie keine Ansprüche wegen mittelbarer Schäden oder Folgeschäden, die durch ein AEG Haustechnik-Gerät verursacht werden, insbesondere auf Erssatz außerhalb des Gerätes entstandener Schäden, geltend machen. Gesetzliche Ansprüche des Kunden gegen AEG Haustechnik oder Dritte bleiben jedoch unberührt.
Garantiedauer
Die Garantiezeit beträgt 24 Monate für jeder AEG Haustechnik-Gerät, das im privaten Haushalt eingesetzt wird und 12 Monate für jeder AEG Haustechnik-Gerät, welche in Gewerbebetrieben, Handwerksbetrieben, Industriebetrieben oder gleichzusetzenden Tätigkeiten eingesetzt wird. Die Garantiezeit beginnt für jeder Gerät mit der Übergabe des Gerätes an den Erst-Endabnehmer. Zwei Jahre nach Übergabe des jeweiligen Gerätes an den Erst-Endabnehmer erlischt die Garantie, sowie die Garantiezeit nicht nach vorstehendem Absatz 12 Monate beträgt.
Soweit AEG Haustechnik Garantieleistungen erbringt, führt dies weder zu einer Verlängerung der Garantiefrist noch wird durch die erbrachte Garantieleistung eine neue Garantiefrist in Gang gesetzt. Dies gilt für alle von AEG Haustechnik erbrachten Garantieleistungen, insbesondere für etwaige eingebaute Ersatzteile oder für die Ersatzlieferung eines neuen Gerätes.
Inanspruchnahme der Garantie
Garantieansprüche sind vor Ablauf der Garantiezeit, innerhalb von zwei Wochen nach dem der Mangel erkannt wurde, unter Angabe des vom Kunden festgestelltten Fehlers des Gerätes und des Zeitpunktes seiner Feststellung bei AEG Haustechnik anzumelden. Als Garantienachweis ist die vom Verkauf der Gerätes ausgefüllte Garantieurkunde, die Rechnung oder ein sonstiger datierter Kaufnachweis beizufügen. Fehlt die vorgenannte Angabe oder Unterlage, besteht kein Garantieanspruch.
Garantie für in Deutschland erworbenen, jeder außerhalb Deutschlands eingesetzten Geräte
AEG Haustechnik ist nicht verpflichtet, Garantielseistungen außerhalb der Bundesrepublik Deutschland zu erbringen. Bei Störungen eines im Ausland eingesetzten Gerätes, ist diese gegebenenfalls auf Gefahr und Kosten des Kunden an den Kundendienst in Deutschland zu senden. Die Rücksendung durch AEG Haustechnik erfolgt ebenfalls auf Gefahr und Kosten des Kunden. Etwaige gesetzliche Ansprüche des Kunden gegen AEG Haustechnik oder Dritte bleiben auch in thisem Fall unberührt.
AuBerhalb Deutschlands erworbene Geräte
Für außerhalb Deutschlands erworbene Geräte gilt diese Garantie nicht. Es gelten die jeweiligen gesetzlichen Vorschriften und gegebenenfalls die Lieferbedingungen der Ländergesellschaft bzw. des Importeurs.
3.1 Umwelt und Recycling
Damit Ihr Gerat unbeschädigt bei Ihnen ankommte, haben wir es sorgfältig verpackt.
Bitte halten Sie, die Umwelt zu schützen, und entsorgen Sie das Verpackungsmaterial des Gerätes sachgerecht.
Entsorgung von Transport- und Verkaufsverpackungsmaterial
AEG Haustechnik beteiligt sich gemeinsam mit dem Großhandel und dem Fachhandwerk/Fachhandel in Deutschland an einem wirksamen Rücknahme- und Entsorgungskonzept für die umweltschonende Aufarbeitung der Verpackungen. Überlassen Sie die Transportverpackung dem Fachhandwerk bzw. Fachhandel.
Verkaufsverpackungen (Grüner Punkt) entsorgen Sie über DSD (Duales System Deutschland).
Alle verwendeten Verpackungsmaterialien sind umweltverträglich und wiederverwertbar.
Kunststoffeile sind, soweit vorhanden, folgendermaBen gekennzeichnet:
- PE für Polyethylen, z.B. Verpackungsfolien
- EPS für expandiertes Polystyrol, z.B. Styropor-Polstereile (grundsätzlich FCKW-frei)
- POM für Polyoxymethylen, z.B. Kunststoffklammern
-
PP für Polypropylen, z.B. Spannbänder
-
Kartonteile sind aus Altpapier hergestellt.
Entsorgung von Altgeräten in Deutschland
Die Entsorgung these Altgerätes fällt nicht unter das Gesetz über das In-Verkehr-Bringen, die Rücknahme und die umweltvertragliche Entsorgung von Elektro- und Elektronikgeräten (Elektro- und Elektronikergegesetz - ElektroG) und kann nicht kostenlos an den communalen Sammelstellen abgegeben werden.
Das Altgerät ist fach- und sachgerecht zu entsorgen. Im Rahmen des Kreislaufwirtschaft- und Abfallgesetzes und der damit verbundenen Produktverantwortung ermöglicht AEG Haustechnik mit einem Kostengünstigen Rücknahmesystem die Entsorgung von Altgeräten.
Fragen Sie uns oder ihren Fachhandwerker/Fachhändler.
Die Geräte oder Gerätele diren nicht als unsortierter Siedlungsabfall über den Hausmull bzw. die Restmülltonne beseitigt werden. Über das Rücknahmesystem werden hohe Recyclingquoten der Materialien erreicht, um Deponien und die Umwelt zu entlasten. Damit leisten wir gemeinsam einen wichtigen Beitrag zum Umweltschutz.
Bereits bei der Entwicklung neuer Geräte achten wir auf eine hohe Recyclingfähigkeit der Materialien. Die Voraussetzung für eine Material-Wiederverwertung sind die Recycling-Symbole und die von uns vorgenommene Kennzeichnung nach DIN EN ISO 11469 und DIN EN ISO 1043, damit die verschiedene Kunststoffe getrennt gesammelt werden können.
Entsorgung außerhalb Deutschlands
Die Entsorgung von Altgeräten hat fach- und sachgerecht nach den örtlich geltenden Vorschriften und Gesetzen zu erfolgen.
Table of Contents
Adressen und Kontakte
Vertriebszentrale
EHT Haustechnik GmbH
Markenvertrieb AEG
Gutenstetter StraBe 10
90449 Nurnberg
info@eht-haustechnik.de
www.aeg-haustechnik.de
Tel. 0 18 03 / 91 13 23
Fax 09 11 / 96 56 - 44 4
Kundendienstzentrale
Holzminden
Fürstenberger Str. 77
37603 Holzminden
Briefanschrift
37601 Holzminden
Der Kundendienst
und Ersatzteilverkauf
ist in der Zeit von
Montag bis Donnerstag
von 7.15 bis 18.00 Uhr
und Freitag
von 7.15 bis 17.00 Uhr,
auch unter den
nachfolgenden Telefon- bzw.
Telefaxnummern erreichbar:
Kundendienst
Tel. 0 18 03 / 70 20 20
Fax 0 18 03 / 70 20 25
Ersatzteilverkauf
Tel. 0 18 03 / 70 20 40
Fax 01803/702045
Regionen
AEG Kundendienst
Dortmund
Oespel (Indupark)
Brennaborstr. 19
44149 Dortmund
Postfach 76 02 47
44064 Dortmund
Tel. 02 31 / 96 50 22-11
Fax 02 31/965022-77
Hamburg
Georg-Heyken-Str. 4a
21147 Hamburg
Tel. 0 40 / 75 20 18-11
Fax 040/752018-77
Holzminden
Fürstenberger Str. 77
37603 Holzminden
Ersatzteile
Tel. 0 18 03 / 70 20 20
Fax 01803/702025
Leipzig
Airport Gewerbepark-Glesien
Ikarusstr. 10
04435 Schkeuditz
Tel. 03 42 07 / 7 55-11
Fax 034207/755-77
Stuttgart
Weilimdorf
Motorstr. 39
70499 Stuttgart
Tel. 07 11 / 9 88 67-11
Fax 07 11 / 9 88 67-77
International
Belgium
EHT Belgium BVBA
Avenue du Port 104
1000 Brussel - Bruxelles
Tel. 02-4232222
Fax 02-4232212
Czech Republic
info@eht-haustechnik.de
www.aeg-haustechnik.de
EHT-Haustechnik GmbH
Irrtum und technische Änderungen vorbehäten - Subject to errors and technical changes! - Sous réserve d'erreurs et de modifications techniques! - Onder Voorbehoud van vergissingen en technische wijzigingen! - Salvo error o modification technique! - Rätt till missag och teknikáändringar forbahls! - Exepe erro ou alterazione techniquea - Zastrzezone zmany technologie i ewentuale blody - Omly a techniekzmyu yuvrazenj - M.uszaki valtozatatakös é tevedesek jogat fennarttju! - BoAMOJHOCT hOTOHCTON I TECHIMCIX NAMOHON H O NKMOUQCTER
EinfachAnleitung