RTI 102 E - Thermostat AEG - Notice d'utilisation et mode d'emploi gratuit
Retrouvez gratuitement la notice de l'appareil RTI 102 E AEG au format PDF.
| Caractéristique | Détails |
|---|---|
| Type de produit | Thermostat |
| Plage de température | 5°C à 30°C |
| Alimentation | 230 V |
| Dimensions | Dimensions compactes pour une installation facile |
| Installation | Montage mural, nécessite un câblage électrique |
| Utilisation | Contrôle de la température ambiante pour un confort optimal |
| Maintenance | Vérification régulière des connexions électriques |
| Sécurité | Protection contre les surcharges électriques |
| Garantie | Garantie fabricant de 2 ans |
| Accessoires inclus | Vis et supports de montage |
FOIRE AUX QUESTIONS - RTI 102 E AEG
Téléchargez la notice de votre Thermostat au format PDF gratuitement ! Retrouvez votre notice RTI 102 E - AEG et reprennez votre appareil électronique en main. Sur cette page sont publiés tous les documents nécessaires à l'utilisation de votre appareil RTI 102 E de la marque AEG.
MODE D'EMPLOI RTI 102 E AEG
Thermostat d'ambiance intégré
pour accumulateurs de chaleur
WSP 1210 F à WSP 4810 F,
WSP 3510 N et WSP 5010 N
Notice d'utilisation et de montage
RTi 102 E, RTi 103 EP
Nederlandsls
1. Notice d'utilisation
A l'intention de l'utilisateur
1.1 Fonctionnement 20
2. Notice de montage
A l'intention de l'installateur
2.1 Caracteristiques techniques 21
2.2Furniture 21
2.3 Montage 21
2.4 Contrôle du fonctionnement 23
2.5 Remise à l'utilisateur 23
3.Environmentnement et recyclage 26
1. Notice d'utilisation
RTi 102 E
Le thermostat d'ambiance RTi 102 E est un régulateur électronique à deux positions : les ventilateurs de l'accumulateur de chaleur sont mises en route, tournent à vitesse constante puis sont coupées.
RTi 101 EP
Le thermostat d'ambiance RTi 103 EP est un régulateur électronique proportionnel : la vitesse des moteurs de ventilateurs de l'accumulateur de chaleur est ajustée aux besoin en continu par le RTi 103 EP.
Pour réguler la vitesse, le système compare la différence entre la température ambiente (température réelle) et la température sélectionnée avec le selecteur (température de consigne). Plus cette différence est faible, plus la vitesse des ventilateurs est réduite.
Si l'accumulateur de chaleur est utilisé avec un chauffage auxiliaire, le RTi 103 EP bascule automatiquement à la mise en route du chauffage auxiliaire (B) en mode de régulation à 2 points : en cas d'émission de chaleur, les moteurs des ventilateurs ne peuvent fonctionner qu'à pleine puissance. Lorsque le chauffage auxiliaire (B) est coupé avec l'interrupteur du panneau de commande, le RTi 103 EP fonctionne de nouveau en tant que régulateur proportionnel.

1.1 Fonctionnement
Utiliser l'interrupteur (C) du panneau de commande de l'accumulateur de chaleur pour allumer/ eteindre le thermostat d'ambiance.
Le selecteur (D) du panneau de commande permet d'ajuster en continu la température ambiente souhaitée.
S'il est en position centrale, la température ambiente est maintainue à env. 20^ . Tourner le selector vers la gauche ou la croite pour ajuster la température ambiente entre env. 5^ et 35^ . Lorsque la température ambiente descend en dessous de la valeur selectionnée, le régulateur de décharge met automatiquement en route les moteurs de ventilateurs de l'accumulateur de chaleur afin d'insuffler dans la piece la chaleur emmagasinée.
Les jours de grand froid, il est conseilé de laisser fonctionner le thermostat d'ambiance en cas d'une absence prolongée de manière à dévelopir la température de la piece à env. 10^ et à protégger ainsi le bâtiment contre les risques de gel.
2. Notice de montage

Le montage du thermostat d'ambiance doit être effectué par un spécialiste/agréé. Celui-ci tiendra compte du现行 mode d'emploi et des instructions de montage ainsi que du mode d'emploi et des instructions de montage de l'accumulateur de chaleur.
Tous les travaux de raccordement et d'installation électriques doivent être effectués conformément à la réglementation VDE 0100, aux consignes de l'opérateur énergétique et aux directives nationales et régionales.
| Modèle | RTi 102 E | RTi 103 EP |
| Tension nominale | 1/N/PE ~ 50 Hz 230 V | 1/N/PE ~ 50 Hz 230 V |
| Puisance de rupture | 10 A | 10 A avec chauffage auxiliaire |
| Puisance de commande | - | 100 VA |
2.1 Caracteristiques techniques
2.2 FURNiture
1 Thermostat d'ambiance avec
- Câble de liaison du régulateur de charge et de décharge
- Connecteur 6 pôles avec faisceau de câbles
1 Interrupteur MARCHE/ARRET avec 2 fps
1 Regulateur (potentiometre) avec cable de liaison
1 Selecteur de température
1 Notice d'utilisation et de montage
1 Capteur de température d'ambiance avec 2 vis
1 Autocollant schéma des connexions
1 Autocollant panneau de commande
2.3 Montage
Avant de commencer les travaux sur l'accumulateur de chaleur, veiller à ce qu'il ne soit pas sous tension.
Si l'accumulateur de chaleur est raccordé à un module de gestion de la charge, il peut être sous tension aux bornes A1/Z1 - A2/Z2 bien que les fusibles soient rétérés.
En cas d'installation de plusieurs accumulateurs de chaleur les uns à côte des autres, monter le thermostat d'ambiance dans l'appareil à l'extreme droit. Ceci garantit une mesure exacte de la température ambiente.
2.3.1 Ordre de montage
- Déposer la grille d'évacuation et d'admission d'air, la partie avant et la paroi latérale droite comme décrit dans la notice d'utilisation et de montage de l'accumulateur de chaleur;
- Enlever les caches (1) du commutateur et du selecteur de température du panneau de commande (en haut et en bas à gauche).
- Montage de l'interrupteur MARCHE/ARRET : Passer les fils noir (longueur L = 550 mm) et brun avec fiches plates à travers le support (3), enforcer les fiches sur l'interrupteur (2) puis fixer le support sur la tôle (4).
Enforcer l'interrupteur MARCHE/ARRET (2) portant le symbole « I » à droite dans la fixation.
- Fixer le potentiametre (5) (avec cable de liaison 3 pôles) sur la tôle (4) avec une vis 4 × 10 mm . S'assurer que l'axe du potentiametre tourne vers la gauche (dans le sens antihoraire) et que le côté plat de cet axe pointe vers la droite.
- Faire passer le cable de liaison 3 pôles du potentiamètre derrière la tôle, le long du logement du régulateur de décharge (fixer le cable sur le panneau de commande et la tôle avec le portecâble).
- Desserrer la vis de la paroi arrêté, sans la dévisser complètement. Ensuite, faire pivoter la tôle du boîtier de commande.
-
Brancher le cable de liaison (X25) entre le régulateur de décharge (A2) et le régulateur de charge (A1) (page 7).
-
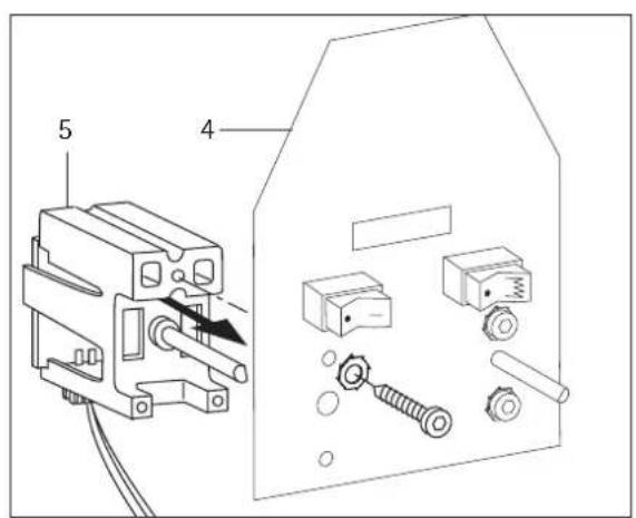
Faire passer le connecteur 6 pôles du régulateur de décharge (A2 voir schéma des connexions) derrière la tôle. L'enficher par le haut dans les bornes « TA » à « N » du bornier X2 et le visser (enforcer le faisceau dans le porte-câble).
- Enconcer le régulateur de décharge (6) dans les trouss oblongs placés au dessus du régulateur de décharge et le verrouiller en position.
- Enficher le cable de liaison du potentiametre sur la borne X21 du thermostat d'ambiance.
- Visser le thermostat d'ambiance (7/B2) avec 2 vis (2,9× 6,5) sur le coin de la plaque d'isolation. Brancher le cable de liaison sur la borne X20 du thermostat d'ambiance.
- Faire passer les fils séparés derrière la tôle et les raccarder comme indiqué dans le tableau suivant (sur les borniers X1 et X2, par le bas) :
| Désignation | Pose | |
| de | vers | |
| Fil (noir) | L (X1) | S2 (borne en haut) |
| Fil (brun) | LE' (X2) | S2 (borne en bas) |




Les fils ne doivent pas etre en contact avec la carte de circuits imprimés du panneau de commande ni avec les fils a isolation simple pour tres basse tension de sécurité!
Placer les fils reliés à l'interrupteur dans le faisceau de cable (les portecables peuvent etre ouverts puis refermés).
- Refaire pivoter la tôle vers l'arrière et visser à fond.
Coller l'autocollant du panneau de commande sur la partie extérieure de la paroi laterale droite. - Monter à nouveau la paroi laterale, la paroi avant ainsi que la grille de sortie d'air et la grille d'entrée d'air sur l'appareil (tenir compte de l'ordre de montage!).
Placer des rondelles éventail (liaison à la terre) sous les vis de fixation des parois avant et laterale
Pour la pose et la fixation du cable de liaison entre le panneau de commande et le thermostat d'ambiance, proceder de manière similaire que pour les autres cables du panneau de commande. Il ne doit pas etre en contact avec la paroi intermediaire et les raccordements des elements chauffants.

2.4 Contrôle de fonctionnement
Amener l'interrupteur de MARCHE/ARRET en position decharge.
Tournier le sélecteur de température jusqu'à ce que la soufflante de l'accumulateur de chaleur se mette en route.
Si la soufflante ne se déclenché pas, suivre les indications de dysfonctionnement du régulateur de charge et de décharge.
2.4.1 Témoin de fonctionnement/dysfonctionnement du régulateur de charge
LED « vert » ⇒ pas de dysfonctionnement
Le régulateur de charge ne présente aucun dysfonctionnement.
LED « rouge » dysfonctionnement
a) Sélecteur de charge (R1) et/ou capteur interne (B1) défectueux ou pas raccordé.
b) Absence de cavalier pour la réduction du taux de charge sur le régulateur de charge.
Le système ne se charge pas.
LED « orange » ⇒ Dysfonctionnement du régulateur de décharge
a) Regulateur de décharge défectueux
b) Potentiomètre de réglage de la décharge défectueux et/ou pas raccordé.
Une température ambiente de 22^ est utilisé pour la régulation.
c) Thermostat d'ambiance defectueux et/ou pas raccordé.
Le système ne se décharge pas.
2.5 Remise à l'utilisateur
Cette notice d'utilisation et de montage fait partie intégrante de l'appareil et doit être conservée soignement par le propriétaire. Dans le cas d'un changement de propriétaire, ce document est à remettre au nouveau propriétaire.
En cas de réparation, le spécialiste doit pouvoir acceder à cette documentation.
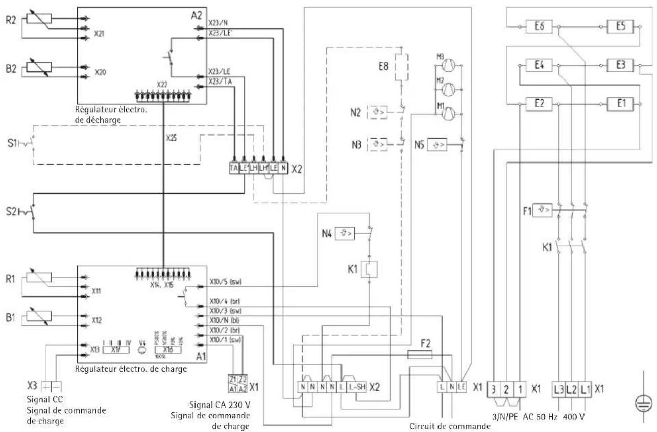
Scheme 1210 - 4810 F avec RTi 102 E Scheme 3510 et 5010 N avec RTi 102 E
A1: Regulateur electronique de charge
B1: Capteur de tempéature interne - Charge
E1 - E6: Element chauffant (accumulateur)
F1: Limiteur de température
F2: Fusible (250 V 2A à action retardée)
K1: Relais thermique
M1 - M3: Soufflante de décharge
N4: Limiteur de température - Charge
N5: Limiteur de température - Décharge
R1: Regulateur - Charge (selecteur)
V4: Témoin de fonctionnement en mode secours
X1: Bornier secteur
X2: Bornier
X3:Borne CC 0,91-1,43 V
X16: Adaptation du signal de commande en 4 étapes
X17: Reducteur de puissance en 4 etapes
Accessoires
non compris dans la fourniture,mettre une croix en face de l'accessoire monté

Thermostat d'ambiance 2 points intégré
A2: Regulateur électronique de décharge
B2: Capteur de température d'ambiance - Décharge
R2: Regulateur - Décharge (sélécteur)
S2: Interrupteur MARCHE/ARRET du thermostat d'ambiance

Chauffage auxiliaire
E8: Elementchauffantauxiliaire
N2: Thermostat - Chauffage auxiliaire
N3: Thermostat - Chauffage auxiliaire
S1: Interrupteur MARCHE/ARRET - Chauffage auxiliaire
Lors du montage du chauffage auxiliaire (E8), tener compte de la puissance de rupture autorisée du thermostat d'ambiance!

Scheme 15 Scheme 16 Scheme 17 Scheme 18 Scheme 19 Scheme 20 Scheme 21 Scheme 22 Scheme 23 Scheme 24 Scheme 25 Scheme 26 Scheme 27 Scheme 28 Scheme 29 Scheme 30 Scheme 31 Scheme 32 Scheme 33 Scheme 34 Scheme 35 Scheme 36 Scheme 37 Scheme 38 Scheme 39 Scheme 40 Scheme 41 Scheme 42 Scheme 43 Scheme 44 Scheme 45 Scheme 46 Scheme 47 Scheme 48 Scheme 49 Scheme 50 Scheme 51 Scheme 52 Scheme 53 Scheme 54 Scheme 55 Scheme 56 Scheme 57 Scheme 58 Scheme 59 Scheme 60 Scheme 61 Scheme 62 Scheme 63 Scheme 64 Scheme 65 Scheme 66 Scheme 67 Scheme 68 Scheme 69 Scheme 70 Scheme 71 Scheme 72 Scheme 73 Scheme 74 Scheme 75 Scheme 76 Scheme 77 Scheme 78 Scheme 79 Scheme 80 Scheme 81 Scheme 82 Scheme 83 Scheme 84 Scheme 85 Scheme 86 Scheme 87 Scheme 88 Scheme 89 Scheme 90
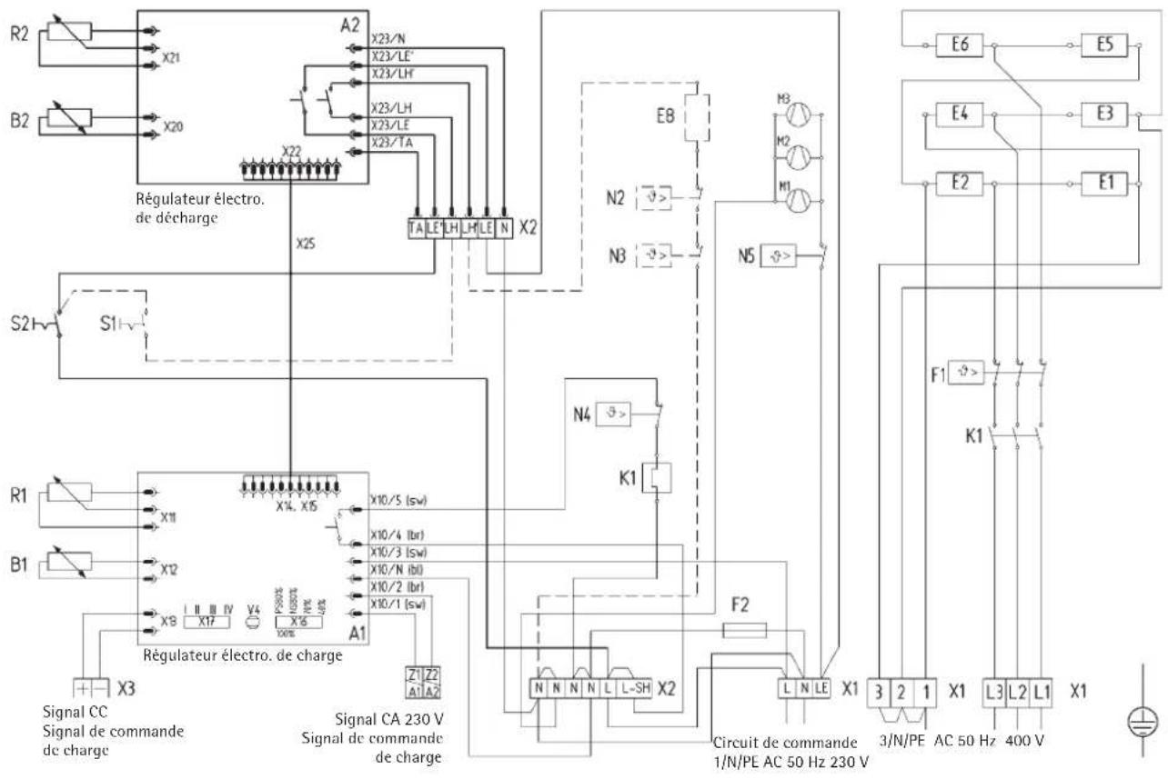
A1: Regulateur electronique de charge
B1: Capteur de température interne - Charge
E1 - E6: Element chauffant (accumulateur)
F1: Limiteur de température
F2: Fusible (250 V 2A à action retardée)
K1: Relais thermique
M1 - M3: Soufflante de décharge
N4: Limiteur de température - Charge
N5: Limiteur de température - Décharge
R1: Regulateur - Charge (sèlecteur)
V4: Temoin de fonctionnement en mode secours
X1: Bornier secteur
X2: Bornier
X3:Borne CC 0,91-1,43 V
X16: Adaptation du signal de commande en 4 étapes
X17: Reducteur de puissance en 4 etapes
Accessoires
non compris dans la fourniture,mettre une croix en face de I'accessoire monté

Thermostat d'ambiance proportionnel intégré
A2: Régulatorélectronique de décharge
B2: Capteur de température d'ambiance - Décharge
R2: Regulateur - Décharge (selecteur)
S2: Interrupteur MARCHE/ARRET du thermostat d'ambiance

Chauffage auxiliaire
E8: Elementchauffantauxilaire
N2: Thermostat - Chauffage auxiliaire
N3: Thermostat - Chauffage auxiliaire
S1: Interrupteur MARCHE/ARRET - Chauffage auxiliaire
Lors du montage du chauffage auxiliaire (E8), tener compte de la puissance de rupture autorisée du thermostat d'ambiance!

3 Garantie
La garantie est a faire valor dans le pays ou l'appareil a eté acheté. A cette fin, veuilles prendre contact avec la filiale AEG concernée, à défaut l'importateur agreeé.

Le montage, les raccordements, la maintenance ainsi que la première mise en service sont à réaliser par un installerateur qualifié.
Le fabricant ne saurait etre rendu responsable des dommages causés par un apparéil qui n'aurait pas eté installé ou utilise conformément à la notice de montage et d'utilisation jointe à l' apparéil.
3.1 Environnement et recyclage
Nous vous demandons de nous aider à préserver l'environnement. Pour ce faire, besoin de vous débarrasser de l'emballage conformément aux règles nationales relatives au traitement des déchets.
Elimination des emballages de transport et des ancients appareils
L'élimination d'anciens appeareils doit se faire dans les régles de l'art conformément aux prescriptions et lois en vigueur localement. La collecte et le recyclage des produits en fin de vie doivent être effectuels selon les dispositions et les décrites locaux.
Notice Facile