EXR 1981 - Digitaler Decoder KATHREIN - Kostenlose Bedienungsanleitung
Finden Sie kostenlos die Bedienungsanleitung des Geräts EXR 1981 KATHREIN als PDF.
Laden Sie die Anleitung für Ihr Digitaler Decoder kostenlos im PDF-Format! Finden Sie Ihr Handbuch EXR 1981 - KATHREIN und nehmen Sie Ihr elektronisches Gerät wieder in die Hand. Auf dieser Seite sind alle Dokumente veröffentlicht, die für die Verwendung Ihres Geräts notwendig sind. EXR 1981 von der Marke KATHREIN.
BEDIENUNGSANLEITUNG EXR 1981 KATHREIN
Kaskadierfähige Einkabel-Multischalter zur Verteilung von digitalen Sat-ZF-Signalen (8 Sat-Ebenen; einschließlich HDTV) und terrestrischen Signalen zur Versorgung von 1 x 8 Receiver in Einfamilien-Haushalten
- Keine Einschränkung in der Programmvielfalt - es wird das komplette Programmangebot von zwei Satelliten übertragen
■ Unabhängige Wahlmöglichkeit horizontal/vertikal, Low-/High-Band, Sat-Position A/ Position B und Transponder-Wahl von jedem Receiver aus
■ Die Umschaltung horizontal/vertikal, Low-/High-Band, Sat-Position A/Position B und die Transponder-Wahl erfolgt im Multischalter, gesteuert vom Receiver mit einem speziellen SCR-Einkabel-Befehlssatz gemäß EN 50494
Für die Transponder-Wahl sind spezielle Tuner-Bausteine, sogenannte SCR (Satellite Channel Router), zur Umsetzung auf die Teilnehmer-Frequenzen im Einkabel-Multischalter integriert
Jedem Receiver ist eine Teilnehmer-Frequenz fest zugeordnet (ein Twin-Receiver benötigt zwei Teilnehmer-Frequenzen)
■ Entspricht dem SCR-Einkabel-Standard nach EN 50494, d. h. alle Bauteile eines Einkabel-Systems, die dieser Norm entsprechen, können in einer Sat-Anlage verbaut werden
■ Empfang des terrestrischen Bereiches auch bei ausgeschaltetem Sat-Receiver möglich
Einkabel-Multischalter EXR 2981 und Durchschleif-Multischalter EXR 2998 können beliebig gemischt werden. Es können bis zu 8 Multischalter kaskadiert werden
■ Für die Innenmontage
CEA

text_image
EKR 1981 KATHREIN EKR 2981 KATHREINEXR 1981
Einkabel-Multischalter für einen Einkabel-Anschluss für acht Receiver, mit integriertem Netzteil für die LNB-Versorgung
Niedrige Leistungsaufnahme durch hocheffizientes, kurzschlussfestes Schaltnetzteil und Stromsparkonzept (der Einkabel-Multischalter wird von den angeschlossenen Receivern versorgt und mit dem Ausschalten der Receiver abgeschaltet)
■ LNB-Fernspeisung über die Eingänge horizontal low. Alle anderen Eingänge sind spannungsfrei
EXR 2981
■ Einkabel-Multischalter Durchgang zur Anlagenerweiterung um einen Einkabel-Anschluss für acht Receiver
Montage- und Sicherheitshinweise

- Die beschriebenen Geräte dienen ausschließlich der Installation von Satelliten-Empfangsanlagen.
- Jegliche anderweitige Nutzung oder die Nichtbeachtung dieses Anwendungshinweises hat den Verlust der Gewährleistung bzw. Garantie zur Folge.
- Die Geräte dürfen nur in trockenen Innenräumen montiert werden. Nicht auf oder an leicht entzündlichen Materialien montieren.
• Die Geräte sind mit einer Potenzial-Ausgleichsleitung (Cu, mindestens 4 mm²) zu versehen.
• Die Sicherheitsbestimmungen der jeweils aktuellen Normen EN 60728-11 und EN 60065 sind zu beachten.
• Befestigungsmittel: Schrauben, max ∅: 4,5 mm - Verbindungsstecker: HF-Stecker 75 Ω (Serie F) nach EN 61169-24.
- Nicht benutzte HF-Anschlüsse sind mit 75-Ω-Widerständen (z. B. EMK 03) abzuschließen.

- Nicht öffnen oder am Gerät manipulieren!
- Bei Arbeiten an der Anlage immer Netzstecker aus der Steckdose ziehen!
- Auf ausreichenden Abstand achten! Nach allen Seiten mind. 5 cm!
- Das Gerät darf nicht an der Decke montiert werden!
- Für die Geräteentwärmung muss freie Luftzirkulation möglich sein. Überhitzungsgefahr!
• Zulässige Umgebungstemperatur -20 bis +55°C
Achtung:
- Auf das Netzgerät dürfen keine mit Flüssigkeit gefüllten Gegenstände gestellt werden.
- Das Netzgerät darf nicht Tropf- oder Spritzwasser ausgesetzt sein.
- Der Netzstecker muss ohne Schwierigkeiten zugänglich und benutzbar sein.
- Das Gerät kann nur durch Ziehen des Netzsteckers vom Netz getrennt werden.

- Bei größerem Durchmesser des Kabel-Innenleiters als 1,2 mm bzw. Grat können die Gerätebuchsen zerstört werden.

text_image
Max. 2 mm Überstand Anzugsmoment max. 3 Nm (Gefahr des Überdrehens) Durchmesser 0,6-1,2 mm gratfreiHinweise

- Es ist besonders darauf zu achten, dass jede am Ausgang des Multischalters zur Verfügung stehende Frequenz nur einmal belegt wird, da sich die Receiver sonst gegenseitig stören.
• Die Zuordnung der Frequenzen geschieht im Einstellmenü des Receivers. - Je nach Typ kann dies manuell oder automatisch erfolgen.
- Es wird empfohlen, die Steckdosen mit den kürzeren Anschlusslängen den höheren Frequenzen zuzuordnen.
- Per Definition ist das System so ausgelegt, dass Einkabelgeräte mit 14 V DC versorgt werden.
- Zum Übertragen der DiSEqC™-ähnlichen Steuersignale wird die Versorgung kurzzeitig auf 18 V DC geschaltet. Dauerhaft angelegte 18 V würden das System blockieren. Aus diesem Grunde empfiehlt sich die Verwendung der Steckdosen ESU 33/34, die mit einer elektronischen Abschaltung versehen sind.
- Angeschlossene Receiver müssen für Einkabelbetrieb nach EN 50494 ausgelegt sein.
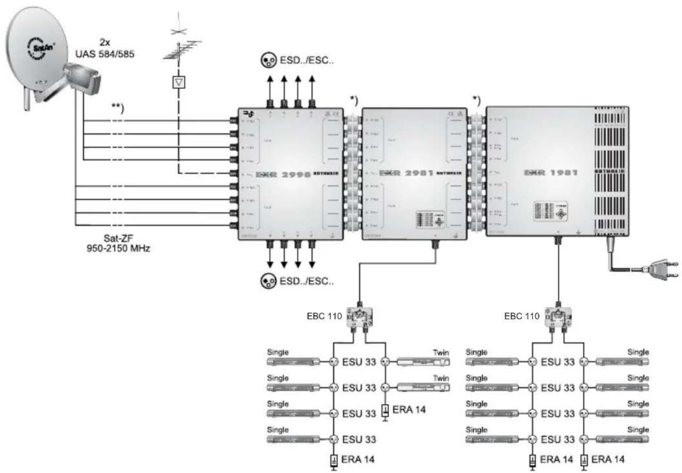
Anlagenbeispiel (Symbolische Darstellung)

flowchart
graph TD
A["SatUn® UAS 584/585"] -->|2x| B["Sat-ZF 950-2150 MHz"]
B --> C["ESR 2998 ROTHER"]
C --> D["ESD../ESC.."]
D --> E["ESR 2981 ROTHER"]
E --> F["ESD../ESC.."]
F --> G["EBC 110"]
G --> H["ESU 33 Twin"]
G --> I["ESU 33 Twin"]
G --> J["ESU 33 ERA 14"]
G --> K["ESU 33 ERA 14"]
G --> L["ESU 33 Single"]
G --> M["ESU 33 Single"]
G --> N["ESU 33 Single"]
G --> O["ESU 33 Single"]
G --> P["ESU 33 Single"]
G --> Q["ERA 14"]
G --> R["EBC 110"]
R --> S["ESU 33 Single"]
R --> T["ESU 33 Single"]
R --> U["ESU 33 Single"]
R --> V["ESU 33 Single"]
R --> W["ERA 14"]
R --> X["EBC 110"]
X --> Y["ESU 33 Single"]
X --> Z["ESU 33 Single"]
X --> AA["ESU 33 Single"]
X --> AB["ERA 14"]
*) EMU 290 (9fach-Steckverbinder), BN 20510023 optional erhältlich. Nicht im Lieferumfang von EXR 1981/2981 enthalten
**) Überspannungsschutz KAZ 11/KAZ 12
SCR-Einkabel-Befehle für verschiedene Programme
| Programm BBC EINS EXTRA PRO 7 | QVC Das Erste (Hotbird) | ||||
| Sat-ZF-Ebene Vertikal low Horizontal low Horizontal high Vertikal high Horizontal low | |||||
| 1847 MHz 994 | MHz 1945 MHz 1952 MHz 1854 MHz | ||||
| E0 10 5A ... E0 | 10 5A ... E0 10 5A ... E0 10 5A ... | E0 10 5A ... | |||
| SCR 0 (1284 MHz) | 01 B1 | 08 DB | 0D C9 | 05 CB | 19 B2 |
| SCR 1 (1400 MHz) | 21 CE | 28 F8 | 2D E6 | 25 E8 | 39 CF |
| SCR 2 (1516 MHz) | 41 EB | 49 15 | 4E 03 | 46 05 | 59 EC |
| SCR 3 (1632 MHz) | 62 08 | 69 32 | 6E 20 | 66 22 | 7A 09 |
| SCR 4 (1748 MHz) | 82 25 | 89 50 | 8E 3D | 86 3F | 9A 26 |
| SCR 5 (1864 MHz) | A2 42 | A9 6D | AE 5A | A6 5C | BA 43 |
| SCR 6 (1980 MHz) | C2 5F | C9 8A | CE 77 | C6 79 | DA 60 |
| SCR 7 (2096 MHz) | E2 7C | E9 77 | EE 94 | E6 96 | FA 7D |
Stand: Juli 2009
Für die angegebenen Programme gilt: SR-FEC 22000-5/6
SR-FEC 27500-5/6
Technische Daten
| Typ EXR 1981 EXR 2981 | |||||
| Bestell-Nr. 20510042 20510043 | |||||
| Teilnehmeranschlüsse 1 x 8 1 x 8 | |||||
| Eingänge 1 x terrestrisch 4 x Sat-ZF 1 x terrestrisch 4 x Sat-ZF | |||||
| Frequenzbereich MHz 5-862 950-2150 5-862 950-2150 | |||||
| Durchgangsdämpfung | dB | - | - | 2,5 | 2,0 |
| Anschlussdämpfung (terrestrisch) | dB | 1 | - | 7 | - |
| Verstärkung zum Teilnehmeranschluss (SAT)1 | dB | - | 9 → 12 | - | 9 → 12 |
| Einstellbereich Dämpfungssteller (SAT, 1-dB-Schritte) | dB | - | 0-15 | - | 0-15 |
| Entkopplung horiz./vert. | dB | - | 25 | - | 25 |
| Entkopplung Stamm | dB | - | - | - | 40 |
| Betriebspegel2) | dBμV | - | 98 | - | 98 |
| Teilnehmer-Frequenz/SCR-Adresse: | |||||
| Receiver 1 | 1284/0 | 1284/0 | |||
| Receiver 2 | 1400/1 | 1400/1 | |||
| Receiver 3 | 1516/2 | 1516/2 | |||
| Receiver 4 | MHz | 1632/3 | 1632/3 | ||
| Receiver 5 | 1748/4 | 1748/4 | |||
| Receiver 6 | 1864/5 | 1864/5 | |||
| Receiver 7 | 1980/6 | 1980/6 | |||
| Receiver 8 | 2096/7 | 2096/7 | |||
| Zul. Versorgungsspannung am Teilnehmer-Ausgang | V | 12-14 | 12-14 | ||
| Max. Stromaufnahme Multischalter bei 14 V | mA | 260 | 260 | ||
| Eingangsnennspannung | V | 220-230 (50/60 Hz) - | |||
| Eingangsnennleistung (mit 800-/150-/0-mA-Last) | W | 18/4,7/1,7 | - | ||
| Spannung sekundär (Eingang horiz. low) | V | 18 | - | ||
| Max. zul. Fernspeisestrom (Eingang horiz. low) | mA | 800 | - | ||
| Max. zul. Fernspeisestrom pro Stamm | mA | - | 1000 | ||
| Schutzklasse/Schutzart | II (schutzisoliert)/IP 30 | IP 30 | |||
| Zulässige Umgebungstemperatur | °C | -20 bis +55 | -20 bis +55 | ||
| Anschlüsse | F-Connectoren | F-Connectoren | |||
| Abmessungen | mm | 227 x 228 x 44 | 172 x 228 x 44 | ||
| Verpackungs-Einheit/Gewicht | St./kg | 1 (10)/0,84 | 1 (10)/0,70 | ||
1) Frequenzabhängige Dämpfung/Verstärkung (Preemphasis); zusätzlich SCR 0 -1 dB SCR 3 + 1 dB
2) Mit Dämpfungsstellung 15 dB reduziert sich der Betriebspegel auf 83 dBμV
3) Über Eingang horizontal low
Mögliche Fehlerursachen und deren Behebung
| Problem Mögliche Ursache | Fehlerbehebung | |
| Multischalter schaltet nicht | Kein oder falsches Steuer-signal vom Receiver | Auf kurzschlussfreie Verbindung vom Receiver zum Multischalter achten. Menü-Einstellungen des Receivers (Einkabelmodus!) prüfen.Betriebsspannung am Receiver-Ausgang darf nicht größer als 14 V sein |
| Multischalter schaltet, aber kein zugehöriges Bild | Falsche Einkabel-Frequenz | Menü-Einstellungen aller angeschlossenen Receiver prüfen.Auf eindeutige Frequenzvergabe achten |

Elektronische Geräte gehören nicht in den Hausmüll, sondern müssen - gemäß Richtlinie 2002/96/EG DES EUROPÄISCHEN PARLAMENTS UND DES RATES vom 27. Januar 2003 über Elektro- und Elektronik-Altgeräte fachgerecht entsorgt werden. Bitte geben Sie dieses Gerät am Ende seiner Verwendung zur Entsorgung an den dafür vorgesehenen öffentlichen Sammelstellen ab.

936.4146/-/ZWT/0111/d - Technische Änderungen vorbehalten!
EinfachAnleitung