CUC 7301 - Fernsehen GRUNDIG - Kostenlose Bedienungsanleitung
Finden Sie kostenlos die Bedienungsanleitung des Geräts CUC 7301 GRUNDIG als PDF.
Laden Sie die Anleitung für Ihr Fernsehen kostenlos im PDF-Format! Finden Sie Ihr Handbuch CUC 7301 - GRUNDIG und nehmen Sie Ihr elektronisches Gerät wieder in die Hand. Auf dieser Seite sind alle Dokumente veröffentlicht, die für die Verwendung Ihres Geräts notwendig sind. CUC 7301 von der Marke GRUNDIG.
BEDIENUNGSANLEITUNG CUC 7301 GRUNDIG
Sach-Nr./Part No. 72010-017.80
Zusätzlicher erforderliche Unterlagen für den Komplettservice:
Sach-Nr./Part No. 72010-800.00
P 37 - 065 / 5
P 37 - 070
P 37 - 730 text
(9.21322-02 / GCA 4602)
(9.21322-01 / GCA 4502)
(9.21368-01 / GCB 1702)
P 37 - 070 GB
P 37 - 730 text/GB
Btx*32700#
CUC 7301
TP 711 (29642-062.01)


Es gelten die Vorschriften und Sicherheitshinweise gemäß dem Service Manual "Sicherheit", Sach-Nummer 72010-800.00, sowie zusätzlich die eventuell abweichenden, landesspezifischen Vorschriften!

Technische Daten 1-3
Modulübersicht 1-4
Sicherheitshinweise 1-4
Hinweise zu den Bauteilen 1-4
Hinweise zu den Oszillogrammen 1-5
Schaltplansymbole 1-6
Bedienungsanleitung (P 37-070) 1-11
Sonder- und Servicefunktionen 1-13
Beschreibungen 2-1... 2-10
1.Netzteil 2-1
2. Systemsteuerung 2-3
3. TV-Signalprozessor TDA 8362 A 2-4
3.1 Übersicht 2-4
3.2ZF 2-4
3.3 FBAS-Signal 2-4
3.4 Externes FBAS-Signal 2-5
3.5 Ton-ZF 2-5
3.6 Luminanz- und Chrominanzsignal 2-5
3.7 SECAM-Signalweg und automatische PAL/SECAM-Umschaltung 2-6
3.8 RGB-Signalweg 2-7
3.9 Gewinnung der H- und V-Synchronsignale 2-7
3.10 Zeilenoszillator 2-8
3.11 1 -Regelung 2-8
3.12. 2 -Regelung 2-8
3.13. Supersandcastle SSC 2-8
3.14 Cut-Off-Einstellung 2-8
3.15 HDR-Endstufe 2-8
3.16 Vertical-Ablenkung 2-9
3.17 Non-Interlace Kompensation bei Videotext 2-9
3.18 Koinzidenz 2-9
Blockschaltbild 2-10
Abgleich 3-1
Chassisplatte 3-1
Platinenabbildungen
und Schaltpläne 4-1... 4-20
Chassisplatte 4-1
Oszillogramme 4-7
Gesamtschaltplan 4-9
Tuner 29504-201.21/.31 4-14
Oszillogramme Bildrohrenplatte 4-18
Bildrohrplatte 29305-022.14/.15 4-19
Ersatzteilliste 5-1... 5-8
GB
Table of Contents
Page
Meßgeräte / Meßmittel
Regeltrenntrafo
Farbgenerator
DC-Voltmeter
NF-Generator
Meß-/Wobbelsender
Oszilloskop
NF-Voltmeter
Frequenzzahler
Beachten Sieitte das Grundig Meßtechnik-Programm,das Sie unter folgender Adresse erhalten:
Grundig electronics GmbH
Wurzburger Str. 150
D-90766 Fürth/Bay.
Tel.0911/703-0
Telefax 0911/703-4479
General Part
Grundig electronics GmbH
Wurzburger Str. 150
D-90766 Fürth/Bay.
Tel.0911/703-0
Telefax 0911/703-4479
Technische Daten / Technical Data
| P 37-065/5 | P 37-070 | P 37-730 text | P 37-070 GB | P 37-730 text/GB | |
| Bildröhre / Picture Tube | |||||
| Sichtbares BildVisible picture | 34cm | 34cm | 34cm | 34cm | 34cm |
| BildschirmdiagonaleScreen diagonale | 37cm (14")Tinted glass | 37cm (14")Tinted glass | 37cm (14")Tinted glass | 37cm (14")Tinted glass | 37cm (14")Tinted glass |
| AblenkwinkelDeflection angle | 90° | 90° | 90° | 90° | 90° |
| BildwechselfrequenzVertical frequency | 50Hz | 50Hz | 50Hz | 50Hz | 50Hz |
| Elektronik / Electronic | |||||
| ProgrammspeicherpläteProgramme positions | 79 TV + 1 AV | 79 TV + 1 AV | 79 TV + 1 AV | 79 TV + 1 AV | 79 TV + 1 AV |
| AV-AuswertungAV evaluation | auf jedem Programmplatz programmierbar / programmable for every programme position | ||||
| Tuner | Kabeltuner-Raster 8MHz für Hyperband / cable tuner - 8MHz spacing for hyperband | ||||
| TV-NormenTV standards | PAL, SECAM, BG,DK/K' | PAL/BG | PAL/BG | PAL/I | PAL/I |
| VideotextTeletext | - | - | 1-Seiten Text1-pages text | - | 1-Seiten Text1-pages text |
| MusikleistungMusic power | 2W | 2W | 2W | 2W | 2W |
| Anschlüsse Rückwand / Connections rear panel | |||||
| Euro AV (schwarz/black) | voll beegtfully wired | voll beegtfully wired | voll beegtfully wired | voll beegtfully wired | voll beegtfully wired |
| Netzteil / Mains Stage | |||||
| Netzspannung (Regelbereich)Mains voltage (variable) | 165 ...265V | 165 ...265V | 165 ...265V | 165 ...265V | 165 ...265V |
| NetzfrequencyMains frequency | 50 / 60Hz | 50 / 60Hz | 50 / 60Hz | 50 / 60Hz | 50 / 60Hz |
| LeistungsaufnahmePower consumption | ca. 50W | ca. 40W | ca. 40W | ca. 40W | ca. 40W |
| Standby | ca. 8W | ca. 8W | ca. 8W | ca. 8W | ca. 8W |
Modulübersicht / Module List
| Gerät Unit | Chassis | Tuner | BR-Platte CRT Panel | Fernbedienung Remote Control |
| P 37-065/5 | 29701-092.02/.05 | 29504-201.21/.31 | 29305-022.14 | 29642-062.01 |
| P 37-070 | 29701-091.31 | 29504-201.21/.31 | 29305-022.14 | 29642-062.01 |
| P 37-730 text | 29701-091.32 | 29504-201.21/.31 | 29305-022.14 | 29642-062.01 |
| P 37-070 GB | 29701-091.11/.12 | 29504-201.21/.31 | 29305-022.14 | 29642-062.01 |
| P 37-730 text / GB | 29701-091.13/.14 | 29504-201.21/.31 | 29305-022.14 | 29642-062.01 |
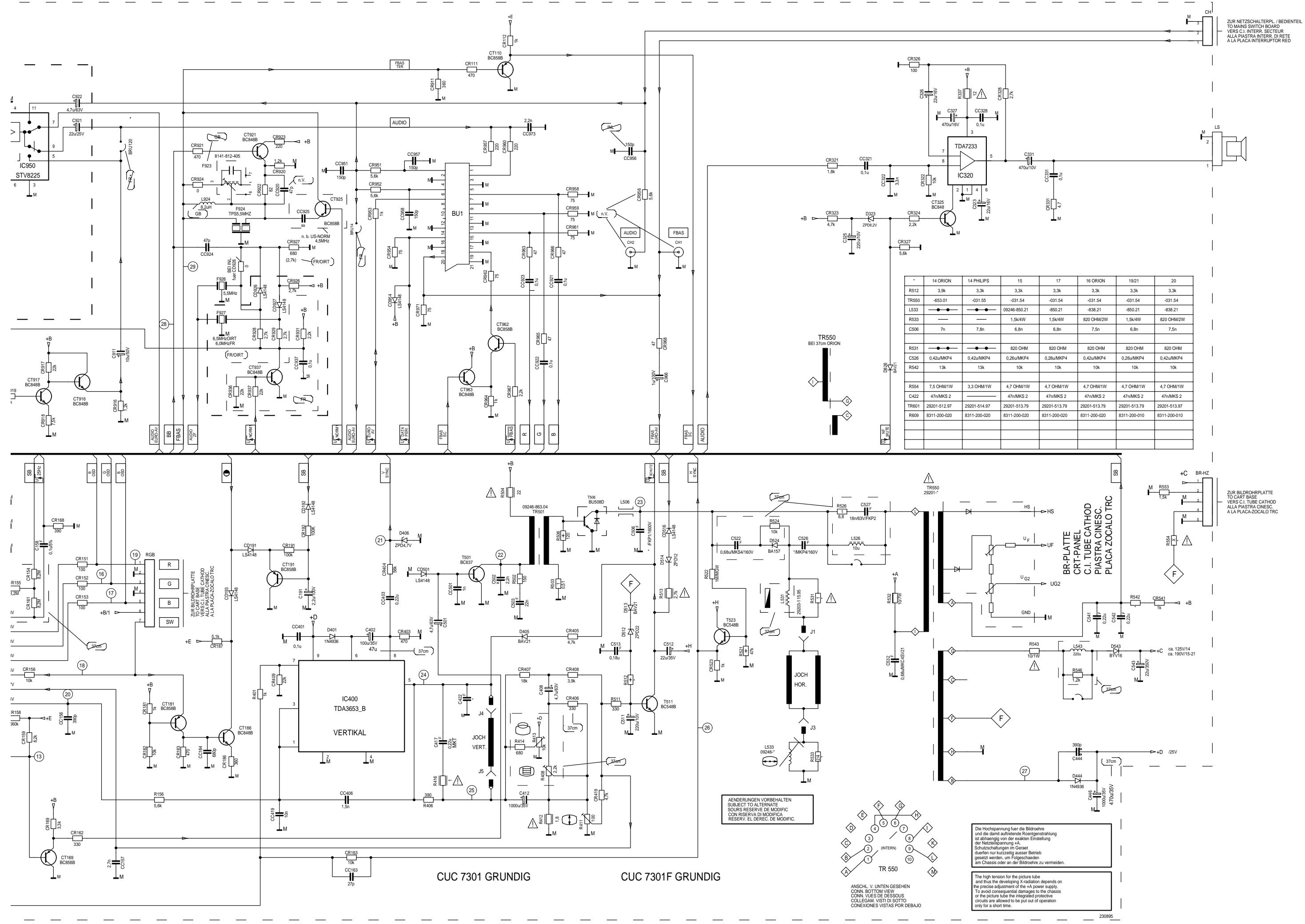
Sicherheits-Hinweis
Die in den Fernsehgeräten auftretende Röntgenstrahlung entspricht den Bestimmungen der Physikalisch-Technischen Bundesanstalt vom 8. Januar 1987.
Die Hochspannung für die Bildrohre und die damit auftretende Röntgenstrahlung ist abhängig von der exakten Einstellung der Netzeilspannung +A.
Nach jeder Reparatur im Netzeil oder in der Horizontalablenkung ist die Hochspannung zu messen und ggf. einzustellen.
Schutzschaltungen im Gerat dürfen nur kurzzeitig außer Betrieb gesetzt werden, um Folgeschäden am Chassis oder an der Bildrohre zu vermeiden.
Beim Austausch der Bildrohre * dürfen nur die in den Ersatzteillisten vorgeschreibenben Typen verwendet werden.
Safety Advice
Metallschichtwiderstände
Kohleschichtwiderstände
Schwer entflammbarer Widerstand
Flame resistant resistor
Sicherungswiderstand
Safety resistor
Heißeiter / NTC resistor
Termistore NTC / Resistencia CNT
Varistor (CTN)

Kaltleiter / PTC resistor
Termistore PTC / Resistencia CPT
Varistor (CTP)

Keramikkondensator
Ceramic capacitor
Die Spannungswerte an den Oszillogrammen entsprechen Naherungswerten! The voltages indicated in the oscillograms are approximates!
Bevor Sie die Chassis-Verbindungsleitungen losen, muß die Leitungsverlegung zu den einzelnen Baugruppen wie Netzschalterplatte, Bedieneinheit, Bildrohrplatte, Ablenkheit oder Laufsprecher beachtet werden.
Nach erfolgter Reparatur ist es notwendig, die Leitungsführung wieder in den werkssheitigen Zustand zu versetzen, um evtl. spätere Ausfälle oder Störungen zu vermeiden.
Netzkabel
These Geräte dürfen nur mit dem Original-Netzanschlußkabel mit integrierter Entstörddrossel betrieben werden. Dieses Netzkabel verhindert Störungen aus dem Netz und ist Bestandteil der Gerätezulassung. Im Ersatzfall bestehen Sieitte ausschließlich das Netz-kabel laut Ersatzteilliste.

Service Note
Sicherheit und Aufstellen
Sicherheitshinweise
! Bei Betrieb im Schrankfach müssen Mindestabstände eingehalten werden (seitlich jeweils 10 cm, oben 20 cm).
! Beachten Sie, daß die Lüfungsschlitze der Rückwand nicht abgedeckt werden.
Wärnestaus sind Gefahrenquellen und beeinträchtigen die Lebensdauer des Gerätes. Stellen Sie das Gerät nicht in die Nähe der Hezung.
! Bittle achten Sie darauf, daß beim Aufstellen und dem weiteren Betrieb die Netzanschlußleitung frei liegt,[weder eingeklemmt noch beschädigt wird.
Auch wenn das Gerät ausgeschaltet ist, konnen durch Blitzschlag in das Stromnetz und/oder in die Antennenleitung Beschädigungen auftreten. Bei Gewitter sollen den Netz- und Antennensteckerziehen.
! Schützen Sie das Gerät vor Feuchtigkeit.
! Stecken Sie keine Fremdkörper in die Lüftungsschlitze der Rückwand. Vorsicht Hochspannung!
Gerät anschließen und ein-/ausschalten
1 Stecker des Antennenkabels in die Antennenbuchse Y des Fernsehgerätes stecken.
2 Stecker des Netzkabels mit der Steckdose verbinden.
3 Am Gerat die Taste drucken.
Das Gerät ist in Bereitschaft.
Die Dialogzeile als Bedienhilfe
In der Zeile am unteren Bildrand der Menu-Einblendungen sehen Sie mit welchen Tasten der Fernbedienung Veränderungen vorgenommen werden konnen.
Die Zeichen >, <, , am Bildschirm sind Symbole für folgende Tasten der Fernbedienung:
, = Tasten P- und P+ (Bewegen des farbigen Balkens (Cursor) nach unten/oben; bzw. Funktionsanwahl).
,< = Tasten- und + (Bewegen des farbigen Balkens (Cursor) nach links/rechts; bzw. Funktionsauswahl).
In den Texten werden anstelle der Symbole die Tasten der Fernbedienung abgebildet.
1. Möglichkeit
ATS-Suchlauf (Auto Tuning System)
Der ATS-Programme-Suchlauf tastet den gesamten Empfangsbereich ab und speichert alle gefundenen Programme automatisch.
Vorgehensweise:
1 Gerät mit einer der Tasten 1...9 aus Bereitschaft einschalten.
2 Taste PC/AUX ca. 4 sek. drucken bis das ATS-Menu erscheint.
3 Suchlauf mit Taste OK starten.
Der Suchlauf-Vorgang kann über eine Minute dauern.
Die Geräteinstellung ist nun abgeschlossen.
Wir wünschen Ihnen viel Spaß beim Fernsehen.
Wenn Ihnen die automatische Programmplatz-Belegung nicht zusammen Sie die auf den Programmplätzen gespeicherten Programme nach ihren Wünschen austauschen (umschachten).
Programmplätze austauschen
Beispiel: Das Programm von Programmplatz 5 soll auf Programmplatz 2.
1 Programmplatz 2 anwahlen.
2 Taste PC/AUX drucken. Das Programm-Menu blendet sich ein.
3 Unter neuen Programmplatz 05 mit den Tasten 1...9 eingeben.
4 Taste OK drucken. Der Vorgang ist abgeschlossen.
5 Mit Taste i zurück zum Fernsehbetrieb.
2. Möglichkeit
Programmplätze manuell belegen
1 Taste PC/AUX drucken. Das Programm-Menublendet sich ein.
2 Unter mit P + / P - zu belegenden Programplatz wahlen.
" CH
Kanalzahl eingeben, (bei Sonderkanal mit Taste P+ anstatt «C«ein «S«).
Wird auf einen Programplatz Kanal 00 eingebehen, können alle nachfolgenden Programmplätze mit den Tasten P+ und P- nicht mehr angewählt werden.
Programplatzbelegen
Die Fernbedienung
" S Nur BG möglich.
" »DEC« Wird auf diesen Programmplatz ein verschlusseltes Programm gelegt und ein entsprechender Descrabler (Decoder) ange-schlossen, dann ist »ON« zu wahren.
"»FT« Ist nach dem Belegen Feinabstimmen notwendig, dann Taste drücken bis die Ziffern unter FT grün sind. Taste P+ oder P- drücken und damit besten Bild- und Toneindruck wahren.
3 Mit Taste OK die veränderten Werte speichern. Nach dem Speichervorgang werden die Programm-Daten des nachsten Programmplatzes eingeblendet.
4 Zurückschalten ins TV-Programm mit Taste i.
Die Tasten der Fernbedienung
1...9 Programmplatz (auch AV) wahlen; Gerät aus Bereitschaft einschalten.
In Bereitschaft schalten bzw. erneut einschalten.
Helligkeitändern.
TXT Videotext ein/aus. (keine Funktion bei diesen Gerät)
Farbkontraständern.
i Programmplatz-Nummer einblenden.
Ton ein/aus (stummschalten).
P_+,P- Programmplatzewahlen; Cursor (Schreibmarke) bewegen.
OK Andern und aktivieren verschiedene Funktionen.
- , + Lautstärke; Cursor (Schreibmarke) bewegen.
PC/AUX Programm-Daten aufrufen;
Taste 4 Sekunden gedrückt halten um ATS aufzurufen.
Weitere Funktionen
1 S/W Kontraständern: i, OK, -▲, oder +▲ drücken.
2 Sleep Timer (Ausschaltzeit 01...99 Min.) eingeben:
i, OK, i und Zifferntasten 1...9 drucken.
Automatische Frequenznachstimmung ein/aus:
i, OK, i, i drucken, dann mit - anwahlen.
Jeder veränderte Wert (Lautstärke usw.) wird nach ca. 8 Sekunden gespeichert.
Zweimaliges Drücken der Taste OK schaltet wieder auf werkseitige Einstellungen.

Videorecorder oder Satelliten-Receiver
AnschlieBen
Bedieren des jeweils angeschlossenen Gerätes
1 Video-Recorder oder Satelliten-Receiver mit AV-Kabel an die Buchse AV (Geräterückseite) anschließen.
1 Wiedergabe des Video-Recorders starten, bzw. SAT-Receiver einschalten.
! Das Gerät entspricht den VDE-Sicherheitsbestimmungen und den Vorschriften der Deutschen Bundespost (Zulassungs-Zeichen siehe Typenaufkreber auf der Geräterückseite), ferner der Verordnung über den Schutz vor Schäden durch Röntgenstrahlen. Die Röntgenstrahlung - verursacht durch die Bildrohre - ist ausreichend abgeschirmt und darum vollig ungebährlich. Beschleunigungsspannung max. 25kV/mittlerer Strahlstrom 0,8mA.
Unsachgemäß Eingriffe, insbesondere Verändern der Hoch-spannung oder Einbau eines anderen Bildrohrentyps, können dazu führen, daß Rontgenstrahlung in erheblicher Stärke auftritt. So veränderte Geräte entsprechen nicht mehr dieser Zulassung und darüber nicht betrieben werden.
220-240V, 50/60Hz (Regelbereich des Netzteils 165 - 265V)
Aufnahme ca. 40 W; in Bereitschaft 11 W.
Tonendstufe: 2 W Musikleistung (1 W Sinus).
Das Netzkabel ist im Gerät steckbar ausgeführrt. Für Ersatzwcke geben Sieitte bei der Kundendienstelle die Bestell-Nr.: 8290-991-307 an.
Änderungen und Irrtümer vorbehalten!
Anschlußmöglichkeiten
Sonder- und Servicefunktionen
1. Sonderfunktionen
1.1 Analogwertspeicherung
Eingestellte Analogwerte werden automatisch nach ca. 8 Sekunden oder durch Schalten in den Standby-Betrieb gespeichert.
1.2 Optimalwerte einstellen,
DurchTastendruck "OK" "OK" werden die Optimalwerte für Helligkeit, Kontrast, Farbstärke und Lautstärke eingestellt.
| Optimalwert | Maximalwert | |
| Helligkeit | 43 | 63 |
| Farbkontrast | 45 | 63 |
| SW-Kontrast | 50 | 63 |
| Lautstärke | 30 | 63 |
Nach Speicherung der Minimal-Lautstärke entscheidt nach Netz- oder Standby ein der OSD Lautstärkebalken für ca. 8 Sekunden als optischer Hinweis.
1.3 ATS Start
Taste "P/C"/AUX" gedrück gehen bis die Einblendung "ATS" (Auto Tuning System) erscheint, mit "OK" bestätigten.
Das ATS-System speichert das gefundene Sendersignal automatisch (Anzeige: Kanal und Finetuning)
1.4 Maximale Programmnummer (Umkehrpunkt C 00):
Taste "PC/AUX" drücken und die Kanalziffern "00" auf einem beliebigen Programmplatz über das Kanal-Menu eingeben. Dadurch konnen im Programm-Mode mit den Tasten die nachfolgenden Programme nicht mehr fortgeschaltet werden. Liegt der Umkehrpunkt ≤ 10 ist nur eine einstellige Programmplatzanwahl möglich.
1.5 Service-MENU aufufen bei aktivierten "Hotel mode on"
Fernbedientaste "I" gedrückt halten und mit der Netztaste einschalten. Mit den Tasten über das Menu den Hotel Mode anwahlen und mit Anzeige auf "OFF" stellen.
Bei aktiviertem "Hotel mode" ist der Aufruf des Kanal-Menus mit der Taste "PC/AUX" nicht mehr möglich.
1.6 Umschaltung 50Hz oder 60Hz im HF-Betrieb (nur Geräte mit NTSC) In Programm-Stellung, Taste "PC/AUX" drücken und mit den Taten die Normumschaltung anwahlen. Mit den Taten die Anzeige auf "NT" für den NTSC-Betrieb stellen.
1.7 Umschaltung 50Hz oder 60Hz im AV-Betrieb (nur Geräte mit NTSC) In Stellung AV, Taste "PC/AUX" drücken und mit den Tasten die Anzeige auf "NTSC ON / OFF" stellen.
2. Einstellungen über das Service-MENU
2.1 Service-Menu aufrufen
Fembedientaste "I" gedrück halten und mit der Netztaste einschalten.
2.2 AGC Abgleich
Über das Servicemenü "AGC ALIGN" anwahlen. Einstellbar mit den Tasten zwischen den Werten 0...63. Siehe Abgleich 3-1 (6.)
2.3 AFC Abgleich
Über das Servicemenü "AFC ALIGN" anwahlen. Mit den Tasten oder bestätigten.
Mit der Aktivierung der AFC-Referenz wird eine ZF-Richtspannung vom AFC-Ausgang des IC150-(9) gemessen und als Vergleichswert beim Sendersuchlauf herangezogen. Siehe Abgleich 3-1 (5., 5a., 6.).
2.4 OSD Position
Taste "i" auf der Fernbedienung gedrückt halten und mit dem Netzschalter einschalten. Über das Servicemenü "OSD POSITION" anwahlen und mit den Tasten die Menutafel in die Mitte stellen.
2.5 Hotel Mode aktivieren
Über das Servicemenü "Hotel ON" anwahlen. Bei aktiviertem "Hotel mode" ist:
Der Aufruf des Kanal-Menüs mit der Taste "PC/AUX" nicht mehr möglich.
Die aktuelle eingestellte Lautstärke wird in thisem Mode als maximale Lautstärke gespeichert.
Über das Servicemenü Decoder "ON" oder "OFF" schalten.
Decoder"ON":
Automatische Erkennung der Schaltspannung an Pin 8 der EURO-AV-Buchse (z.B. Descrambler-Betrieb bei Frankreichgeräten, oder ext. RGB-Betrieb on/off für Italien).
2.7 Programmdauereinblendung
Zur Programmdauereinblendung die Taste "i" drucken. Nach ca. 8 s entscheidt die Programmanzeige kleiner.
3. Einstellungen über das Info-MENU
3.1 Statusanzeige
Kurzzeitiger Tastendruck der Fernbedientaste "i" ruft die Programmanzeige auf und erhögt mit "OK" den Einstieg ins Menu.
3.2 Kontrastregelung aufrufen
Fernbedientaste "I" -> OK ruft die Kontrastregung auf. Siehe Optimalwerte 1.2 einstellen.
3.3 Timer aufrufen
Fernbedientaste "i" -> OK -> "i" ruft den Timer auf. Mit den Ziffern-tasten der Fernbedienung gewünschte Abschaltzeit eingeben.
3.4 AFC-Nachregelung "ON/OFF" aufrufen
Fernbedientaste "1" -> OK -> "1" -> "1" drücken bis AFC-Einblendung entscheid.
Bei "AFC ON" wird die automatische Nachstimmung des TV-Tuners bei schwankender Empfangsfrequency aktiviert. Sinnvoll bei Videoeinspeisung über die Antennenbuchse.
2.6 Decoder
Via the Service Menu switch the decoder "ON" or "OFF".
Decoder "ON":
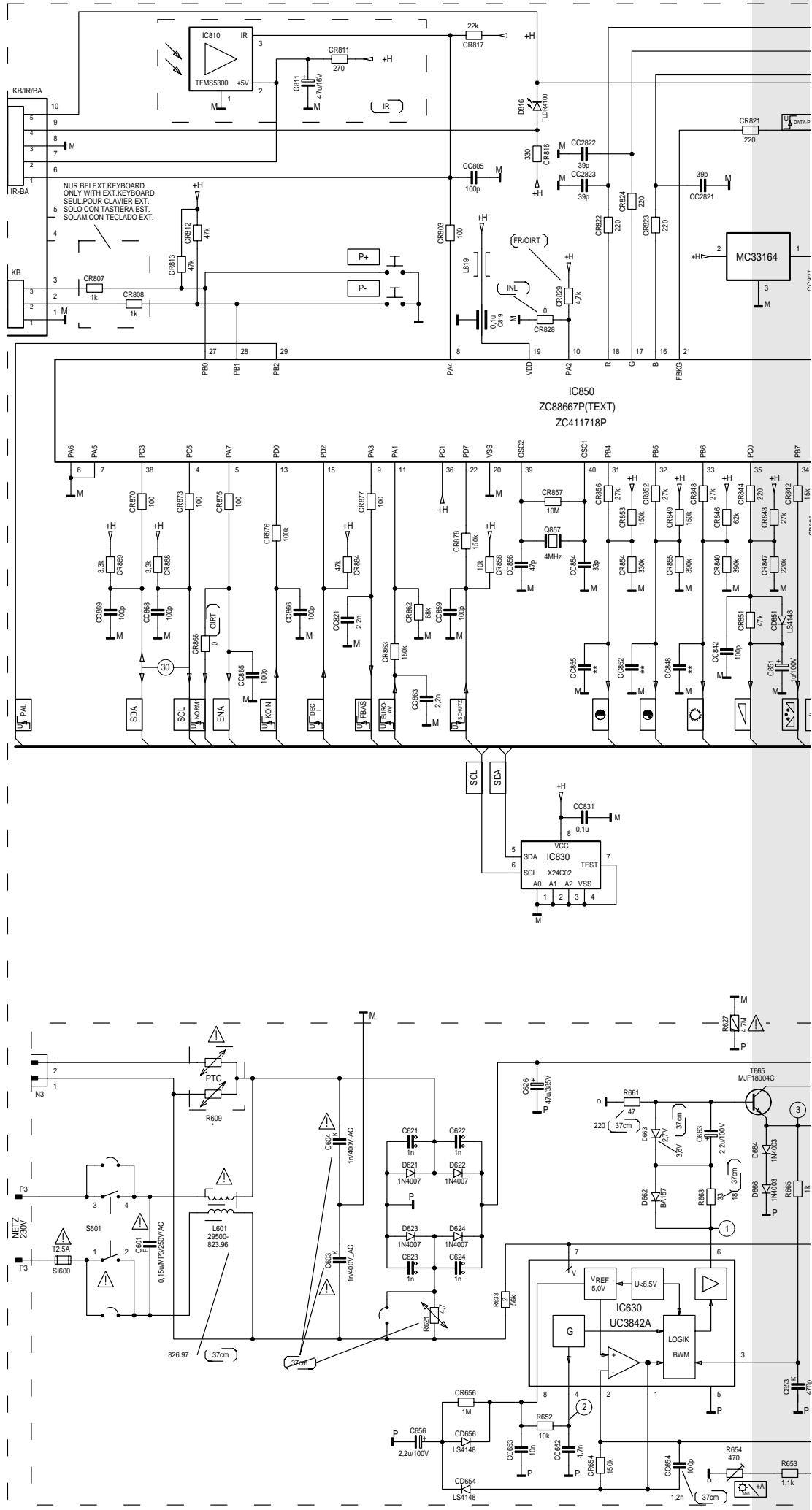
1.1 Prinzipschaltung
Sperrwandler konnen subharmonische Schwingungen aufweisen wenn sie mit einem Arbeitsstakt >50% bei kontinuierlichem Induktionsstrom betrieken werden. Diese Instabilität ist unabhängig von den Eigenschaften geschlossener Reglerkreise und wird durch die gleichzeitige Messung der Festfrequenz und des Spitzenstroms verursacht.
In Fig. 1 ist diese Erscheinung graphisch dargestellt. An t_0 beginn der Einschaltvorgang und damit steigt der Induktionssstrom mit einer Steigung m_1 an. Diese Anstieg ist eine Funktion der Eingangsspannung im Verhältnis zur Induktanz. An t_1 ist die maximale Stromströke erreicht, die von der Steuerspannung festgelegt ist. Dadurch wird die Sperrphase einGeleitet und der Strom fällt in einer Kurve m_2 ab bis zum nachsten Schwingungsvorgang. Die Instabilität laßt sich zeigen, indem man ein Störsignal zur Steuerspannung addiert. Daraus ergibt sich die klae Stromänderung l (gestrichelte Linie). Bei einer festen Schwingungsdauer verkurzst sich die Sperrphase und die Mindestromsträke in der Leitphase (t_2) erhöht sich um l + l m_2 / m_1 . Die Mindestromsträke beim nachsten Zyklus (t_3) fällt auf ( l + l m_2 / m_1) (m_2 / m_1) ab. Diese Störgroße multipliziert sich mit m_2 / m_1 bei jedem folgenden Zyklus, so daß der Induktionssstrom beim Umschalten der Polarität abwechselnd steigt und fällt. Bis der Induktionssstrom Null erreicht, sind mehrere Schwingungszyksen notwendig. Anschließend beginn der Vorgang von neuem. Ist m_2 / m_1 größter als 1, wird der Sperrwandler instabil. Addiert man zur Steuerspannung eine künstliche Sägezahnspannung, die mit dem Pulsbreitenmodulations-Takt synchronisiert wird, wie in Figur 1 dargestellt, verringer sich die Störgroße l in den nachfolgenden Zyklen und wird Null. Damit eine Stabilität erzielt werden kann, muß die Steilheit dieser Korrekturspannung gleich oder etwas bigger als m_2 / 2 sein. Bei einer Korrekturspannung von m_2 / 2 richtet sich der durchschnittliche Induktionssstrom nach der Steuerspannung, so daß sich eine echte Stromregelung ergibt. Die Korrekturspannung wird aus dem Oszillator abgeleitet und entweder dem Spanningsrückkopplungs- oder dem Strommeingeingang zugeführct (Fig. 2).

Fig. 1
1.2 Normalbetrieb / Regelbetrieb
Zur Stromversorgung des Gerätes wird ein Sperrwandlernnetzeil mit einer Schaltfrequenz von ca. 50kHz verwendet (bei Normalbetrieb und einer Netzspannung von 230V).
Der Kollektoranschluss des Leistungstransistors T665 liegt über der Primärwicklung 2/1 des Sperrwandlertrafos TR601 an der gleich-gerichteten Netzspannung, D621...D624. Am Ladeelko C626 steht bei 230V Netzspannung ca. +320V.
Die Ansteuerung sowie die Regel- und Überwachungsfunktionen des Bipolaren-Leistungstransistors T665 übernimmit der IC630. Die Versorgungsspannung des Regel-ICs (Pin 7) liegt bei 12V. Nach dem Erreichen der Einschalschwelle an Pin 7 über den Widerstand R633 und den Kondensator C667 gibt der IC an Pin 6 einen positiven StartImpuls (1 s) von 10Vss ab. Nach dem Anlauf des ICs wird die Versorgungsspannung uber die Diode D667 aus der Wicklung 3/4 des Wandlertrafos gewonnen. Wahrend der Leitphase des Transistors wird Energie im Übertrager gespeichert und in der Sperrphase uber die Sekundärwicklung abgegeben. Der IC630 regelt an Pin 6 uber das Tastverhältnis des Transistors T665 so nach, daß die Sekundärspannungen weltgehend unabhängig von Netzspannung, Netzfrequency und Last stabil bleiben.
Den Leistungstransistor T665 steuert ein Impulsbreitenmodulator an, der von einem im IC integrierten Ossillator getaktet wird. Die Frequenz bestimmten die Bauteile C652 und R652. Zur Stabilisierung vergleicht der IC630 die über D654 gleichgerichtete Rückkopplungsspannung mit der Referenzspannung von 5V an IC630-(8). Sinkt die Rückkopp-
Description
1. Power Supply
1.1 Basic Circuit
lungsspannung durch größere Last gingefugig, wird der Ansteuerimpuls an Transistor T665 breiter. Dadurch verlangert sich die Leitzeit von T665, so daß mehr Energie zur Kompensation der Last übertragen wird. Am IC630-(3) liegt der Strom-MeBeingang. Zieht die Sekundärseite zu viel Strom, wird über den Strom-MeBeingang Pin 3 die Ansteuerung IC630-(6) des T665 unterbrochen.
Bei einem Kurzschluß des Transistors T665 wurde der Schaltkreis UC3842 zerstört. Deshalb verhindern die Dioden D666 und D664, daß die Spannung an Pin 3 die Spannung von 1,2V übersteigt. Die Bauteile D668, C669 und R669 arbeiten als Snaperglied.
Durch die Bauteile CD654, C656, CD656 und CR656 wird ein verzö-gertes Ansteigen der Startimpulse (Soft-Start) erreicht.
Mit dem Regler R654 werden die Sekundärspannungen über die Kontrolle der Spannung +A bei Helligkeit- und Kontrast-Minimum eingestellt.
1.3 Standby-Betrieb
Im Normalbetrieb steht am IC676-(1) (LM317) eine Spannung von ca. 10,5V. Soll das Gerät in Standby gescheltet werden, setzt der P , U_Standby auf "High" und damit IC676-(1) auf < 0,7V . Damit ist die Spannung +B abgescheltet und das Gerät scheltet in Bereitschaft.
1.4 Sekundärspannungen
+A: Stromversorgung für die Horizontaldendstufe aus der Wicklung 5/9 und D682. Auf diesen Wert wird das Netzteil eingestellt.
+33V: Die Abstimmoverspannung für den Tuner wird an der Z-Diode D683 und den Widerständen R681 aus der Wicklung 5/9 über D682 gewonnen.
+M =16,5V Stromversorgung für die Tonendstufe aus der Wicklung 7/5 und der Diode D671.
+B = 12V Stromversorgung für den Tuner und horizontale Treiberstufe T501. Diese Spannung kommt aus der Wicklung 7/5 über die Diode D671 und wird durch den Regler IC676 stabilisiert. Abschaltung der +12V siehe "Standby-Betrieb".
+E = 8V Stromversorgung für den Bildprozessor IC150, wird im Standby-Betrieb abgeschaltet.
+H = 5V Stromversorgung fur den P IC850, Infrarotversteller IR810, den Videotext-IC2810, Tuner und CIC105. Diese Spannung steht auch in Standby an.
Zusätzlich benötigte Spannungen
+D: +25V Stromversorgung für die Vertikalendstufe aus der Zeilentrafowicklung B/H über D444.
+C: 125V Die Stromversorgung für die Bildrohrplatte wird aus der 190V Zeilentrafowicklung G/H über R543 und die Diode D543 erzeugt. 130V/14" Bildröhre; 200V/15...21" Bildröhre.
Der maskenprogrammierte 8-Bit-Mikrocomputer IC850 decodiert die eingegebenen Tastaturbefehe, sowie die Infrarot-Fernbedienbefehle vom IR-Empfänger. Außer dem steuert er den gesamten Systemablauf und die Bildschirm-Einblendung (OSD). Alle Daten für die Programmplätze und Optionen werden in einem NVM (nichtfluchtiger Speicher) gespeichert. Der Datenverkehr zwischen dem Videotext-IC2810 und Tuner findet über den I²C-Busstatt.
Zur Funktion des Mikroprozessors sind folgende Grundbedingungen notwendig:
- Betriebsspannung +5V/H an Pin 2, 19, 36
- Oszillatorfrequenz 4MHz an Pin 39, 40
- Reset-Impuls:
Nach jedem Einschalten mit der Netztaste wird der Prozessor an Pin 1 über einen Reset-Impuls zurückgesetzt.
- I²C-Bus:
Der I^2 C -Bus ist ein bidirektonaler Zweileiterbus, bestehend aus der SDA-Leitung (System-Daten) und der SCL-Leitung (System Clock).
Funktionskontrolle des Prozessors IC850:
Die I^2C -Bus Leitungen liegen über die Pull-up-Widerstände CR869 und CR868 an +5V/H. Der Datenverkehr wird vom Prozessor, der den Bustakt SCL erzeugt, gesteuert. Die Kontrolle der Daten- und Clock-Leitung ist im Service nur über die Messung der TTL-Pegel (L ≤ 0,8V; H ≥ 3,5V) möglich.
Service-Hinweis:
Die I²C-Bus-Daten sind auch ohne Funktionsbefehl der IR-Fernbedierungvorhanden. Messen Sie auf der Datenleitung keine Busaktivitäten liegt evtl. ein Schluß vor. Zur Lokalisierung des Fehlers werden dann nacheinander alle am Datenbus angeschlossenen Bausteine oder Bauteile abgelötet bzw. gezogen.
2.2 Initialisierung des Rechners nach dem Einsatzen
Nach dem Einsatz baut sich die Spannung +5V / H auf, setzen den IC850-(1) zurück und startet den Programmablauf.
Mit dem Startbefehl gibt der Prozessor an Pin 14 "High" aus und die Spannung U_Standby startet das Gerät über CT826, IC676-(1) durch die Spannungen +B, +12V (siehe Netzeil).
Nach dem Einsatz überträgt der Rechner (IC850) die Betriebsdaten aus dem internen Speicher über den I^2C -Bus an die Bus-gesteuerten Bausteine und Schaltkreise.
2.3 FBAS-Umschaltung Scart-Buchse
Highpegel der Schaltspannung UFBAS an IC850-(9) schaltet das FBAS-Signal FBASSC von IC150-(13) (FBASEURO-AV) an den Ausgang Pin 19 der Scartbuchse.
2.4 Befehlseingabe
Das Keyboard liegt an der Dauerspannung +5V / H . Durch Auswertung der entsprechenden Spannungspotentiale erkennt der Prozessor IC850-(27),-(28) den eingegebenen Tastaturbefehl.
Die Fernbedienbefehle werden vom Infrarot-Empfänger IC810 verstarkt und an Pin 8 des P decodiert.
2.5 Videotext (Option))
Der IC2810 (SAA5254 P/E für Westeuropa, SAA5254 P/H für Osteuropa) ist ein 1-Seiten Videotext-IC. Die Bildschirm-Einblendung ist in Zeilen- und Spalten aufgeteilt. Zur Positionierung und Synchronisierung des Videotext Bildes werden dem IC2810-(13,12) horizontale und vertikale Vergleichsimpulse zugeführct. Die Aktivierung des Videotextes erfolgt über den I²C-Bus. Der SAA5254 tastet über Pin 8 das FBAS-Signal FBAS EURO-AV nach Videotextdaten ab.
2.6 OSD-Einblendung
Bei einer OSD-Einblendung liefert die Schaltspannung "U Data", IC850-(21) "High" und "blanked" über CT2832, IC 150-(21) ≤ 4V die Bildrohre. Der Zeichengenerator liefert die Einblenddaten über die Ausgangsports 16, 17, 18 des P mit einer Amplitude von ca. 3,5V an die Bildhrplatte (Anschluß RGB 1,3,5).
2.7 Schutzschaltung U,
An der Basis des Transistors T511 liegt über R511 der Fußpunkt der Vertical-Endstufe, über R512, D512, D513 der Vergleichsimpuls F aus der Horizontaldendstufe. Im Fehlerfall schaltet die Basissspannung ab 0,6V den Transistor durch und zieht über seinen Kollektor IC850-(22) gegen Masse. Damit schaltet der P das Gerät in Standby.
Bei Ausfall der Spannung +D fehlt am Ausgang der Vertikalendstufe IC400-(5) die Gleichspannung und damit wird der Schutzschaltungs-eingang IC850-(22) nach Masse gezogen.
2. System Control
2.1 Microcomputer
Gleichzeitig liegt der Kollektor (Leitung SB) über R513, D514, CD516 am Fußpunkt der Hochspannungswicklung. Bei zu hohem Strahlstrom wird die Zenerspannung übersritten undzieht die Kollektorspannung gegen 0V, damit schaltet das Gerät in Standby.
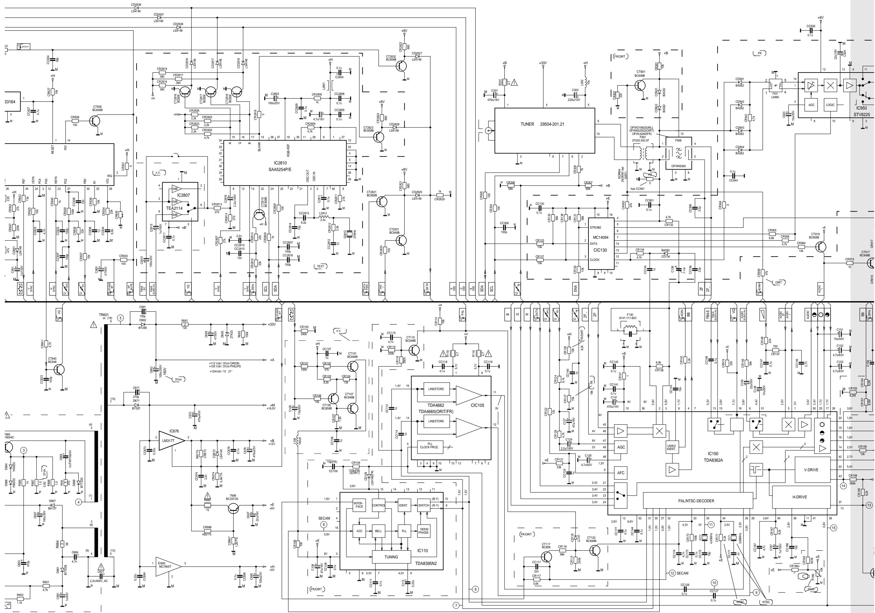
3. TV-Signalprozessor TDA 8362A
3.1 Übersicht:
Bei diesen TV Konzept erfolgt fast die gesamte Verarbeitung des Signals in einem einzigen IC, dem TV Signalprozessor TDA 8362A. In ihm sind integriert:
ZF-Signal:
-ZF-Veränder
- Demodulator
-AFC
- AGC
- Koinzidenzkennung
FBAS Signal:
- Signalquellenumschaltung für das FBAS Signal
- Luminanzverarbeitung
- Farbdemodulation
- Chrominanzverarbeitung
-
Farbkontrastregelung
-
RGB Matrix
-
C-AV Eingang
- Signalquellenumschaltung für die RGB Signale
- Helligeitsregelung
- Kontrastregelung
- Schwarzwertregelung (Cut-off)
Ton:
- Signalquellenumschaltung für den Ton
- Tondemodulation
- Lautstärkeregelung
Ablenkung:
- Amplitudensieb
- Zeilenoszillator
- 1 Regelung
- 2 Regelung
- Triggerimpulsgewinnung für die Zeilenendstufe
- Zeilenzahler
- Sägezahngewinnung für die Vertikalablenkung
- Treibersignal für die Vertikalendstufe
Zusätzlich kann der IC, je nach Beschaltung, Signale in PAL und SECAM Norm verarbeiten.
3.2ZF
Die ZF kommt symmetrisch vom Tuner Pin 9 und 10 über das Filter F901 und das Oberflächenfilter F906. Das vom Oberflächenwellenfilter geformte Signal gelangt symmetrisch an die Pins 45 und 46 des Signalprozessors. Die Demodulation des FBAS-Signals erfolgt in einem Produktdemodulator. Der damit benöttige Demodulatorkreis F130 liegt an Pin 2 und Pin 3. Das demodulierte Signal durchläuft einen Versteller und stehen an Pin 7 des ICs (BB). Der IC erkennt intern das Synchronsignal ohne Auftastung durch den Zeilenrückschlagimpuls. In Abhängigkeit des Synchronpegels wird eine Regelspannung erzeugt. Diese Regelspannung wirkt zunachst auf den geregelten Eingangsversteller der ZF. Über den Pin 49 wird eine Referenzschwelle URV eingestellt. Unterhalb dieser Schwelle wird nur der Eingangsversteller der ZF geregelt. Bei Überschreitung dieser Schwelle wird von Pin 47 die Regelspannung U an den Tuner gelegt. Pin 47 ist ein Open Kollektor Ausgang. Die Spannung betragt im ungeregelten Fall etwa 5V. Erhöht sich die Eingangsamplitude, so verringert sich der AGC Pegel. Im Demodulator wird die Gleichspannung für die AFC gewonnen. Pin 9 gibt these Signal als Stromausgang aus. Steigt die empfangene Frequenz, so sinkt die Regelspannung für die AFC. Der Prozessor IC850 wertet these Signal aus undzieht den Tuner über Finetuning nach. Aus dem demodulierten Signal wird vom Sync Detektor geprüft, ob Synchronsignale vorhanden sind. Ist dies nicht der Fall, Goes IC150-(4) auf "Low". Damit erkennt der Prozessor IC850-(13) die fehlende Koinzidenz und schaltet den Ton stumm.
3.3 FBAS Signal
Das demodulierte FBAS Signal verlätt den IC150-(7), TDA 8362A als Basisband noch gemeinsam mit der Ton ZF. Das FBAS Signal wird im weiteren Verlauf vom Tonsignal befreit. Nach dem Transistor CT921 und dem Ton Trap F923 und F924 wird das Signal aufgeteilt.
Über Transistor CT110 und IC2807 (Option)) steht es als FBAS_sc am Videotext-Decoder IC2810-(8) und über die Transistoren CT963, CT962 an der Scartbuchse Pin 19.
Als FBAS steht es am Signalquellenumschalter IC150-(13).
Der zweite Eingang des Signalquellenumschalters Pin 15 ist mit der Scartbuchse Pin 20 verbunden.
Der Prozessor IC850-(12), Spannung U_VQ , Transistor CT840 trifft an IC150-(16) die Auswahr, ob das Signal vom Tuner oder von extern verarbeitet werden soll.
3.4 Externes FBAS-Signal
Am Signalquellenumschalter IC150-(15) steht entweder ein externes FBAS-Signal von der Scart-Buchse oder das HF-FBAS-Signal. Die Spannung U_vQ an IC150-(16) wählt aus, ob das FBAS-Signal der Scart-Buchse, oder das HF-FBAS-Signal weitergeleitet werden soll. IC150-(16) "Low" internes -, IC150-(16)"High" externes Signal.
Achtung: Ist die "Decoder Ein" Kennung gesetzt, erwartet das Gerät ein Signal von der Scart-Buchse. Das FBAS-Signal vom Tuner ist aber am Ausgang Pin 19 der Scartbuchse meßbar.

Bild ZF und Demodulation Vision IF and Demodulation
3.5 Ton-ZF
Dem Tonsignal ist nach dem Keramikfilter F926 an IC150-(5) eine Gleich- spannung zur Einstellung der Lautstärke unterlegt. Die Demodulation erfolgt in einem PLL Demodulator.
Einmal wird das demodulierte und ungeregelte NF Signal an IC150-(1) ausgekoppelt, von den Transistoren CT917, CT916 verstarkt und zur Scart-Buchse geleitet.
Zum anderen steht das demodulierte und geregelte NF-Signal an IC150-(50) und gelangt zum NF-IC TDA 7233.
3.6 Luminanz- und Chrominanz-Signal
Die Kalibrierung und Regelung erfolgt automatisch während der Bildaustastrücke. Eine Änderung der Einstellung resultiert aus einem positiven oder negativen Strom in den Integrationskondensator CC177 an IC150-(12). Während des sightbaren Teils wird die Regelung geklemmt.
Das Luminanzsignal durchlauf den im IC integrierten Farb-Trap. Eine im IC eingebaute Verzögerungsleitung kompensiert die Laufzeitunter-schiede zwischen Luminanz- und Chrominanzsignal. Die anschlie-bende Verbesserung der Kantenschärfe (Peaking) wird ebenfalls im IC realisiert. Dabei werden die ansteigenden und abfallenden Flanken des Y-Signals versteilert. Im internen Farbfilter wird das Chrominan-zignal aus dem FBAS-Signal Herausseffiltert. In einem Regelkreis wird die Amplitude des Farbsignals für den Farblimiter und die Farbregelung kontrolliert und gelangt als Chromasignal auf den Farbdemodulator. Aus dem Chromasignal wird der Burst Herausgelost, der den
3.5 Sound IF
Farboszillator in Frenenz und Phase synchronisiert. Der Quarz legt die Frenenz von 4,43MHz für den Farbhilfsträger an Pin 35 fest. Ein interner PLL-Kreis regeltihn. Die Nachregelspannung wird über die Zeitkonstante an Pin 33 integriert. Mit Hilfe des Farbrägers werden nun die Farbkomponentensignale demoduliert und verlassen als R-Y Pin 30 und B-Y Pin 31 den IC150. Nach der PAL-Verzögerung durch den CIC105 TDA 4665 werden die beiden Signale B-Y und R-Y wieder in den IC150-(28),-(29) TDA 8362 A eingespeist und geklemmt. Anschließlich erfolgt die Regelung des Farbkontrastes an IC150-(26). In der Matrix werden aus den verstärkten Signalen mit Hilfe des Y-Anteils die RGB-Signale erzeugt.
3.7 SECAM-Signalweg und automatische PAL-SECAM-Umschaltung Das Chromasignal von ca. 300mV steht für den SECAM-IC110 an IC150-(27).
Im SECAM-Betrieb steht an IC110-(16) eine Spannung von 5,6...5,8V Hat der IC110 über das Chromasignal an Pin 16 SECAM erkannt, wird an Pin 1 eine Stromquelle aktiviert, die an IC150-(32) SECAM-Identifikation meldet. Erkennt IC150 ebenfalls SECAM, schalteter den Pin 32 auf 5V (bei PAL 1,5V). Dieser Gleichspannung wird bei PAL eine gleichmäßige Taktfrequenz und bei SECAM Impulspakete mit einer Frenz von 4,43MHz überlagert.
Der IC110 nimmt dies als Bestätigung an und schaltet die Differenz-Signalausgänge R-Y und B-Y (Pin 9 und 10) auf 3,5V DC (bei PAL 1,5V). Die Differenzsignalausgänge des IC150-(30),-(31) wer
den dadurch gesperrt. IC110 liefert jetzt R-Y und B-Y. Über die Laufzeitleitung CIC105 gelangen dei Differenzsignale darüber zum IC150. Der weitere Verlauf der Signale ist unter 3.6 "Luminanz und Chrominanz Signal" beschrieben.
Durch den DC-Pegel von 3,5V an IC110-(10) bei SECAM-Empfang wird der Transistor T117 leitend, U_PAL wird "Low" (PAL="High") und der P IC850-(30) kann bei ATS-Suchlauf PAL oder SECAM-Empfang erkennen.
Zusatzplatte für Zwangs-SECAM Umschaltung
Bei ungünstigen Empfangsbedingungen kann die automatische PAL/SECAM-Umschaltung die jeweilige Norm nicht richtig erkennen. Daher wird abhängig von der Ausführung des IC150, bei SECAM-Geräten eine Zusatzplatte zur Zwangs-SECAM-Umschaltung eingesetzt (CT117, CT120).
Wird von IC110 SECAM erkannt, schalten die beiden Transistoren CT117, CT120 durch. CT120zieht den IC150-(33) nach Masse und verhindert ein falsches Einrasten des Oscillators. Hat der IC110 die Differenzsignale durchgeschaltet, wird über die Schaltspannung U_PAL CT120 wieder gespert und die automatische PAL-SECAM-Erkennung ist wieder möglich.
Für die Kontrasteinstellung der RGB-Signale erzeutigt der IC850-(31) eine variable Regelspannung für den Kontrastverträker an IC150-(25). Da bei zu großem Strahlstrom die Bildrohre beschädigt werden konnte, begrenzt die Schaltung den Strahlstrom. Die interne Spitzenstrahlstrombegrenzung erfolgt in der Spitzenweiß-Begrenzung. Überschreitet das RGB-Signal 2,6Vss , setzt die interne Spitzenweiß-Begrenzung ein und regelt den Kontrast zurück, die externe Spitzenstrahlstrom-Begrenzung setzt bei ca. 2Vss ein.
BeidermittlerenStrahlstrombegrenzungwirderieEinstellspannungen anIC150-(25)forKontrastverringert.
Nach dem Helligeitsveränder verlassen die RGB-Signale den IC150 und gelangen zu den Kathodenveränderkern auf der Bildhrsockel-platte.
3.9 Gewinnung der H- und V-Synchronsignale
Am TV-Signalprozessor IC150-(13,15) ist das FBAS-Signal von der ZF und der EURO-AV-Buchse angeschlossen. Nachdem ein interner Farbtrap die Farbinformationen aus dem FBAS-Signal Herausgefiltert hat, wird das Y-Signal zur weiteren Signalverarbeitung und für das Amplitudensieb aufgeilt.
Das Amplitudien Sieb erzeugt den Horizontal- und Vertikalsynchronums impulses aus dem Y-Signal. Das Horizontal-Synchronsignal gelangt nun auf die 1 -Regelung, das Vertikal-Synchronsignal startet den Zeilenzahler für die Vertikalsynchronisation.
3.8 RGB Signal Path
3.10 Zeilenoszillator
Beithesem IC-Konzept generiert der Zeilenoszillator die Zeilenfrequenz vollständig intern. Er besitzt keine externen Bauteile. Somit sind weder die freilaufende Horizontal- noch die freilaufende Vertikalfrequency einzustellen.
3.11 1 -Regelung
Die 1 -Regelung stellt eine Frequenzregelung dar. Damit wird der Horizontal-Ossillator auf die Frequenz des Zeilensynchronsignals geregelt. Hierzu wird die Frequenz des Zeilensynchronsignals mit der Frequenz des Horizontal-Ossillators verglichen.
Ein 1 -Regelkreis definiert die Zeitkonstante der Regelspannung die an PIC150-(40) ausgegeben wird. Die Regelspannung verschiett den Zeilenoszillator solange, bis die Frenzen übereinstimmen.
3.12 2 -Regelung
Die 2 -Regelung ist die Phasenregelung. Sie stellt den Phasenbezug zwischen dem Zeilensynchron signal und der tatsächlichen Position des Elektronenstrahls her. Schaltungs- und strahlstrombedingt bestehen unterscheidliche Verzögerungszeiten zwischen dem Außen-, dem Triggersignal und der tatsächlichen Reaktion der Zeilenendstufe. Diese Unterschiede werden durch die 2 -Regelung ausgeglichen.
Für die Strahlposition ist der Zeilenrückschlagimpuls vom Zeilentrafo am IC150-(38) angeschlossen. Die 2 -Regelung erzeugt aus dem Oszillatorsignal und dem Zeilenrückschlagimpuls eine Regelspannung am IC150-(39), die mit C166 gesiebt wird.
Das 3-pegelige Supersandcastlesignal IC150-(38) ist ein Kombi-Impulsbestehend aus dem Horizontal-Vertical-Burstauftastimpuls. Der Zeilenrückschlagimpuls (H-Sync) wird über T523, CR163 dem IC150 zugeführrt. Der Bildrückschlag- und Burstkeyimpuls werden im IC entwickelten.
Bei Ausfall der Vertikalablenkungzieht IC400-(7) den SSC-Pegel über R401 auf "Low" und steuert an IC150-(18, 19, 20) RGB den Bildschirm dunkel. Dabei werden die Analogwerte auf "Low" gezogen.
3.14 Cut-Off-Einstellung
Die statischen Arbeitspunkte der Bildrohre werden über die Cut-Off-Automatik stabil gehalten. Dazu gibt der IC150 in der Zeile 23, 24 und 25 einen Impuls an die R, G, B-Kathoden aus, um den Strahlstrom jedem Systems zu messen (ca. 10 A ). Der Cut-Off-Strom während der Meßzeilen wird über Widerstand CR156 dem IC150-(14) zugeführrt. Der IC vergleicht diesen Strom mit einem internen Referenzwert und bildet daraus den Arbeitspunkt für den Schwarzwert der Videoendstufen bzw. Cut-Off Spannung der Bildrohre.
3.15 HDR-Endstufe
Nach interner Verstärkung steht an Pin 37 das Horizontale Ansteuersignal für den Zeilenendstufentransistor.
Der Vertical-Generator wird in thisem IC-Konzept durch einen Zeilenzähler ersetzt.
Werden keine Synchronimpulse empfangen, so lauft der Zeilenoszillator unsynchronisiert. Aus dem Zeilenoszillator leiten wir den "Vertikaloszillator" ab. Es muß nur die Anzahl der Zeilen gezählt werden. Nachdem der Zähler 312 Zeilen festgestellt hat, wird ein Bildsynchronsignal ausgegeben. Damit ist sowohl die horizontale als auch die vertikale Ablenkung ohne externe Synchronisation sichergestellt.
Wird ein Synchronsignal empfangen, dann lauft zunachst der Zeilenoszillator synchron. Der Zeilenzahler liefert auch hier ein vertikales Ablensksignal. Kommt nun ein Vertikalsynchronsignal, wird der Sagezahngenerator nicht mehr vom Zeilenzahler sondern direkt vom Vertikalsynchronsignal getriggert.
Der Sägezahngenerator besteht aus einer Kostantstromquelle, die einen externen Kondensator auf- und wieder entlädt. Die Ladezeit gibt das Vertikalsynchronsignal vor. Am Kondensator C158, IC150-(43) ist der Vertikal-Ablenksegezahn meßbar.
Um die Bildhöhe in der Vertikalendstufe IC400 einstellen zu konnen, muß der Ablenksägezahn beeinflüst werden. Die Veränderung des Ablenksägezahns muß noch vor der Vertikalendstufe durchgeführt werden. Dazu steht an IC150-(42) von dem IC400 ein Feedback-Signal zur Gegenkopplung. Wie bei einem Operationsverträker auf dem Minuseingang halten sich dadurch die gewündsten Parameter einstehen.
3.17 Non-Interlace Kompensation bei Videotext (25Hz Modulation)
Wird ein Videotext-Signal dargestellt, springt das Videotext-Signal ständig um eine Zeile rauf und runter (Videotext-Signal im Non-Interlace). Um these Springen zu verhindern, sendet der Videotext-IC2810-(13) ein 25Hz Schaltsignal an IC150-(43). Aus dieser Schaltspannung U_25Hz wird ein kleiner Gleichspannings-Offset für den Ablenksägezahn abgeleitet. Damit verschiett sich das erstere Halbbild nach oben. Die geraden und die ungeraden Zeilen werden nun jeweils übereinandergeschrieben.
3.18 Koinzidenz
Die Koinzidenz-Information wird im ZF-Teil gewonnen und am IC150-(4) ausgegeben.
Alle nicht beschrieben Einstellelemente sind werkseitig abgegliedchen und dürfen im Servicefall nicht verstellten werden.
Meßgeräte: Zweikanal-Oszilskop mit Tastkopf 10:1, Farbbildgenerator, hochohmiges Voltmeter.
Kontrolle und Einstellarheiten nach Austausch bzw. Reparatur von:
Netzeil: 1.
Zeilenablenkung: 2., 3.
Bildrohre oder Bildrohrplatte: 2., 7.
IC150:4.,5.,5a.,6.
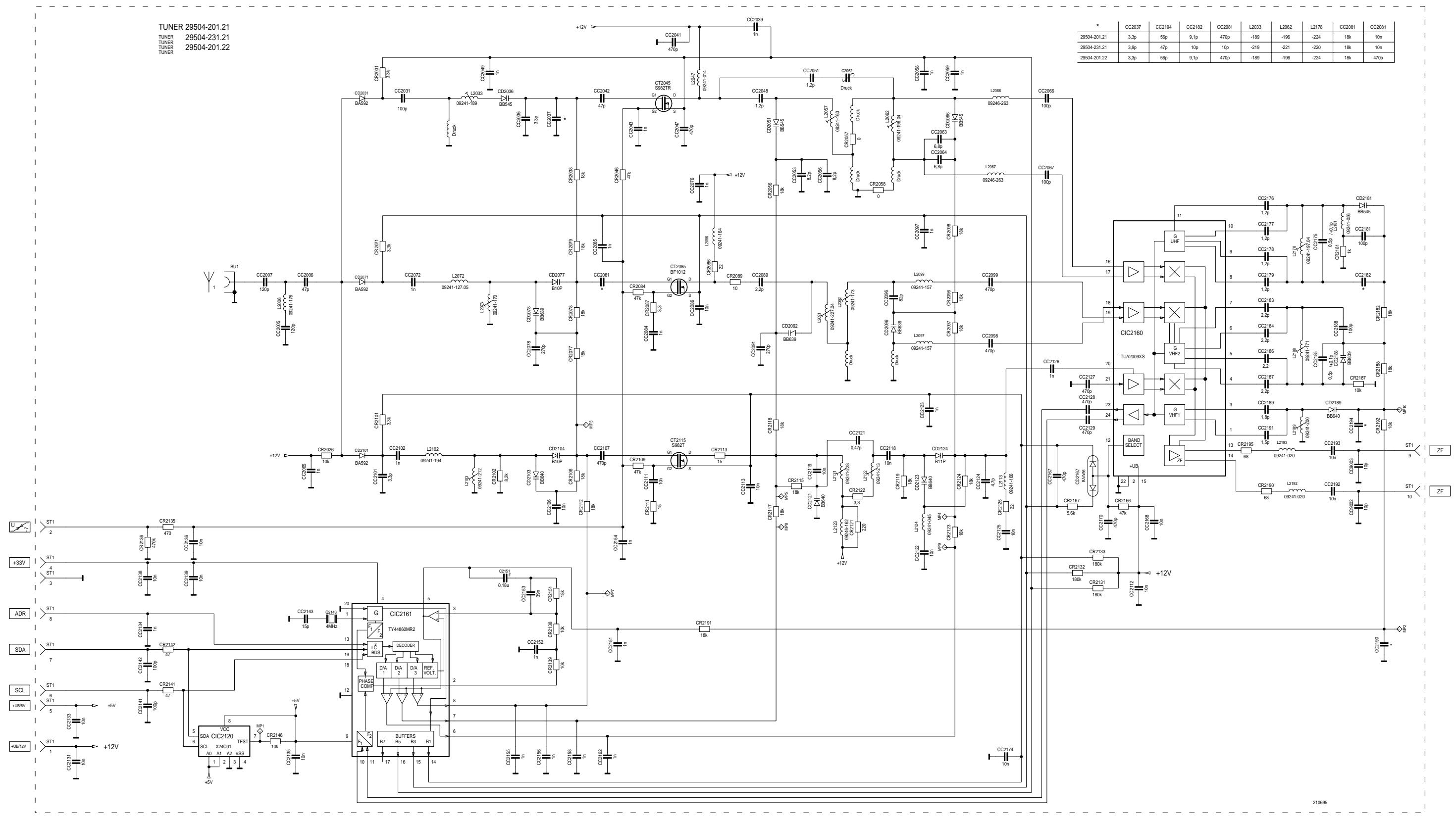
Tuner: 5., 5a., 6.
| Abgleich | Vorbereitung | Abgleichvorgang |
| 1. +A Spannung | Helligkeit: Minimum Voltmeter an die Kathode der D682 anschließen | Mit Regler R654 die Spannung auf 112V (14" Orion), 105V (14" Philips), 124V (15...21"). |
| 2. Schirmgitter-spannung USG der Bildrohrle | Graubalken-Testbild einspeisen. Bildschirmhelligkeit so einstehen, daß die Abstufung vom dunkelsten Graubalken zu schwarz gerade noch sightbar ist. Mitterler Kontrast (Ø). An den Meßpunkten R, G, B (auf der Bildrohrplatte) den höchsten Schwarzwertpegel ermittelt in und Oszilloskop an-schreiben. | Mit dem Einstellregler SG den Schwarzwert an dem Meßpunkt mit dem höchsten Schwarzwert auf ca. 100V...105V für 14" und 150V...155V für 15...21" Bildröhren abgleichen. Schwarzwert 100V...105V 14" 150V...155V 15...21" |
| 3. Zeilenschääre | Konvergenztestbild einspeisen. Kontrast (Ø) Maximum. Helligkeit so einstehen, daß sich der schwarze Testbild-hintergrund gerade aufhellt. | Mit dem Fokusregler UF am Splittrafo die horizontalen Linien auf maximale Schääre stellen. |
| 4. Bild-Demodulator Frankreich-Norm (Bildträger 33,4MHz) Bild-Demodulator (Bildträger 38,9 MHz) | Normtestbild auf niedrigen Kanal (Band 1) einspeisen. Kanal über das Menu einstellen (nicht über Sendersuchlauf). Normtestbild auf niedrigen Kanal (Band 3) einspeisen. Kanal über das Menu einstellen (nicht über Sendersuchlauf). | Mit dem Trimmer C136 die Gleichspannung an IC150-(9) auf 4V einstellen. Mit dem Filter F130 die Gleichspannung an IC150-(9) auf 4V einstellen. AFC-Referenz überprüften. |
| 5. Abgleich der AFC-Referenz | Gewünschten Programmplatz auf Ortssender mit genornten Kanalraster (Bildträger 38,9 MHz) ohne Finetuning und möglichst niedrigem Kanal (Band 1) abstimmten. Servicemenü "AFC ALIGN" aufrufen (Gerät einschalten, damit Taste "I" ≥ 3 Sekunden gedrückt halten). Mit ∇ die Zeile "AFC ALIGN" anwahlen. | Die Tasten < oder > aktivieren den automatischen AFC-Abgleich. Der AFC-Mittelwert wird im IC830 abgelegt. |
| 5a. Aktivierung der AFC-Referenz | i -> OK -> i -> i -> < oder > AFC "ON" / "OFF". | Mit der Aktivierung der AFC wird eine ZF-Richtspannung vom AFC-Ausgang des IC150-(9) gemessen und als Vergleichswert beim Sendersuchlauf für die Video-wiedergabe über den Antenneneingang (Senderkennung "AV") zur Nachregelung der Modulatordrift herangezogen. |
| 6. Tuner-AGC | Normtestbild auf hohen UHF-Kanal legen und auf Pro-grammplatz 1 abspeichern. HF ≥1,5mV (64dBμV, rauschfries Bild). Gerät mit Netzschalter ausschalten. Voltmeter: Tunerkontakt 2 Servicemenü aufrufen (Gerät einschalten, damit Taste "I" ≥ 3 Sekunden gedrückt halten). Mit ∇ die Zeile "AGC ALIGN" anwahlen. | Mit den Tasten < oder > so abstommen, daß das Bild gerade zu rauschen beginnnt. Dann wieder zureckstellen, bis das Bild gerade rauschfrei wird. Einstellung mit "I" beenden. oder: Mit den Tasten < oder > 3,3V ± 0,4V einstellen. |
| 7. Weißwert | FuBK-Testbild einspeisen. Farbkrontrast (Ø) Minimum. Kontrast (Ø) Maximum. Bildschirmhelligkeit (Ø) so einstehen, daß die Abstufung vom dunkelsten Graubalken zu Schwarz gerade noch sightbar ist. | Regler VG und VB auf der Bildrohrplatte so einstehen, daß keine Verfürbungen in den Grauwerten sightbar sind. |

Alignment
Platinenabbildungen und Schaltpläne Layout of the PCBs and Circuit Diagrams
Bestückungskoordinaten der Bauteile
- Die Koordinaten X und Y sind sowohl als metrische Koordinaten für die Originalplatine in Millimeter, als auch als absolute Koordinaten für die vergroßerten Abbildungen der Platinen verwendbar.
C --> Kondensator
CC--> Chip-Kondensator
D-->Diode
CD--> Chip-Diode
IC --> Integrierter Schaltkreis
CIC--> Chip-IC
L -> Spule
CL--> Chip-Spule
R-->Widerstand
CR--> Chip-Widerstand
T --Transistor
CT Chip-Transistor
Koordinaten für die Bauteile der Bestückungsseite (Oberseite)
Chassis Board
Koordinaten fur die Bauteile der Lötseite (Unterseite)
Coordinates of the Components on the Solder Side (Bottom Side)
| Pos.-Nr./Pos. No. | Koordinaten/Coordinates | Pos.-Nr./Pos. No. | Koordinaten/Coordinates | Pos.-Nr./Pos. No. | Koordinaten/Coordinates | Pos.-Nr./Pos. No. | Koordinaten/Coordinates | Pos.-Nr./Pos. No. | Koordinaten/Coordinates | |||||
| X | Y | X | Y | X | Y | X | Y | X | Y | |||||
| CBR001 | 81 | 71 | CBR126 | 228 | 118 | CC406 | 58 | 156 | CD516 | 187 | 133 | CR166 | 94 | 49 |
| CBR002 | 255 | 170 | CBR127 | 117 | 99 | CC419 | 54 | 154 | CD654 | 176 | 176 | |||
| CBR003 | 154 | 23 | CC501 | 28 | 156 | CD656 | 178 | 184 | CR166+ | 14 | 31 | |||
| CBR004 | 118 | 83 | CBR130 | 174 | 69 | CD673 | 100 | 160 | CR166- | 91 | 48 | |||
| CBR005 | 176 | 64 | CBR131 | 184 | 78 | CC653 | 170 | 191 | CR167 | 96 | 54 | |||
| CBR006 | 146 | 63 | CBR132 | 210 | 84 | CC654 | 174 | 179 | CD851 | 236 | 115 | CR168 | 88 | 55 |
| CBR007 | 12 | 64 | CBR133 | 97 | 136 | CC673 | 113 | 152 | CD862 | 224 | 68 | CR169 | 49 | 104 |
| CBR008 | 6 | 58 | CC674 | 106 | 161 | CD866 | 205 | 52 | ||||||
| CBR009 | 30 | 27 | CBR135 | 171 | 98 | CD901 | 72 | 49 | CR171 | 103 | 60 | |||
| CBR011 | 174 | 71 | CBR136 | 161 | 103 | CC694 | 137 | 151 | CR173 | 105 | 66 | |||
| CBR012 | 198 | 132 | CC695 | 143 | 151 | CD926 | 70 | 103 | CR181 | 99 | 101 | |||
| CBR013 | 78 | 96 | CBR137 | 144 | 107 | CC805 | 221 | 54 | CD927 | 73 | 103 | CR182 | 96 | 101 |
| CBR014 | 78 | 96 | CC106 | 148 | 44 | CC821 | 225 | 40 | CD941 | 78 | 36 | |||
| CBR024 | 189 | 50 | CC107 | 148 | 41 | CC822 | 197 | 73 | CD942 | 76 | 36 | CR186 | 105 | 89 |
| CBR025 | 227 | 54 | CC108 | 147 | 49 | CD943 | 73 | 42 | CR187 | 146 | 88 | |||
| CBR026 | 229 | 54 | CC109 | 142 | 55 | CC823 | 206 | 94 | CR191 | 136 | 84 | |||
| CBR028 | 202 | 87 | CC111 | 137 | 48 | CC824 | 206 | 91 | CD944 | 73 | 36 | CR192 | 135 | 87 |
| CBR032 | 170 | 120 | CC113 | 111 | 59 | CC825 | 206 | 68 | CD954 | 21 | 88 | CR193 | 149 | 86 |
| CBR036 | 180 | 65 | CC114 | 109 | 59 | CC828 | 218 | 52 | CIC105 | 114 | 52 | CR2804 | 175 | 106 |
| CBR037 | 137 | 79 | CC115 | 173 | 53 | CIC130 | 144 | 24 | CR2805 | 155 | 106 | |||
| CBR038 | 164 | 76 | CC117 | 175 | 36 | CC831 | 176 | 51 | CR2807 | 173 | 120 | |||
| CBR040 | 172 | 102 | CC834 | 206 | 73 | CR101 | 157 | 40 | CR2808 | 177 | 123 | |||
| CBR041 | 134 | 127 | CC119 | 121 | 51 | CC836 | 218 | 91 | CR102 | 158 | 43 | CR2809 | 198 | 121 |
| CBR042 | 130 | 57 | CC124 | 82 | 76 | CC837 | 227 | 74 | CR103 | 141 | 38 | |||
| CBR043 | 128 | 53 | CC126 | 114 | 59 | CR104 | 144 | 38 | CR2810 | 139 | 128 | |||
| CBR045 | 161 | 39 | CC127 | 117 | 59 | CC842 | 226 | 92 | CR2811 | 180 | 106 | |||
| CBR046 | 91 | 129 | CC848 | 222 | 87 | CR106 | 138 | 43 | CR2813 | 176 | 92 | |||
| CBR047 | 180 | 71 | CC134 | 69 | 79 | CC852 | 214 | 73 | CR107 | 141 | 47 | CR2814 | 180 | 102 |
| CBR050 | 178 | 83 | CC136 | 61 | 84 | CC854 | 239 | 76 | CR108 | 153 | 56 | |||
| CBR052 | 26 | 14 | CC140 | 80 | 60 | CR111 | 160 | 84 | CR2815 | 88 | 49 | |||
| CBR053 | 69 | 33 | CC141 | 89 | 86 | CC856 | 237 | 76 | CR2816 | 172 | 113 | |||
| CBR054 | 187 | 78 | CC859 | 194 | 73 | CR112 | 160 | 82 | CR2817 | 172 | 116 | |||
| CBR056 | 187 | 67 | CC143 | 86 | 82 | CC863 | 212 | 52 | CR112A | 156 | 82 | CR2818 | 149 | 107 |
| CBR059 | 92 | 71 | CC144 | 69 | 63 | CC865 | 224 | 60 | CR114 | 215 | 83 | |||
| CBR061 | 91 | 96 | CC146 | 97 | 84 | CR115 | 173 | 56 | CR2820 | 152 | 106 | |||
| CBR062 | 83 | 86 | CC147 | 56 | 98 | CC868 | 232 | 60 | CR2821 | 157 | 88 | |||
| CBR065 | 187 | 84 | CC869 | 231 | 85 | CR117 | 177 | 33 | CR2823 | 163 | 104 | |||
| CBR068 | 127 | 13 | CC156 | 86 | 66 | CC901 | 78 | 55 | CR118 | 168 | 35 | CR2824 | 152 | 88 |
| CBR070 | 173 | 83 | CC157 | 91 | 66 | CC920 | 84 | 102 | CR121 | 102 | 74 | CR2825 | 166 | 104 |
| CBR071 | 48 | 88 | CC163 | 88 | 129 | CR122 | 115 | 72 | CR2826 | 168 | 104 | |||
| CBR072 | 48 | 81 | CC166 | 96 | 66 | CC921 | 113 | 124 | CR2829 | 111 | 74 | |||
| CBR073 | 91 | 125 | CC922 | 113 | 121 | CR124 | 49 | 62 | CR2833 | 169 | 70 | |||
| CBR077 | 49 | 50 | CC171 | 104 | 52 | CC924 | 75 | 104 | CR126 | 38 | 54 | CR2836 | 185 | 121 |
| CBR080 | 243 | 127 | CC172 | 101 | 52 | CC925 | 87 | 97 | CR128 | 54 | 63 | CR2837 | 182 | 121 |
| CBR081 | 154 | 97 | CC173 | 107 | 70 | CR130 | 134 | 21 | CR2838 | 185 | 97 | |||
| CBR082 | 184 | 73 | CC174 | 108 | 66 | CC926 | 108 | 35 | CR304 | 39 | 40 | |||
| CBR083 | 176 | 66 | CC937 | 65 | 98 | CR131 | 137 | 17 | ||||||
| CBR085 | 94 | 136 | CC184 | 102 | 89 | CC944 | 68 | 39 | CR132 | 48 | 84 | CR306 | 27 | 61 |
| CBR086 | 243 | 120 | CC2805 | 190 | 113 | CC956 | 122 | 29 | CR133 | 142 | 17 | |||
| CBR090 | 137 | 68 | CC2806 | 178 | 106 | CR135 | 139 | 17 | ||||||
| CBR098 | 48 | 76 | CC2807 | 202 | 123 | CC957 | 9 | 108 | CR321 | 68 | 19 | |||
| CBR099 | 180 | 50 | CC973 | 18 | 104 | CR322 | 53 | 14 | ||||||
| CBR100 | 180 | 52 | CC2810 | 174 | 99 | CR138 | 140 | 14 | ||||||
| CBR101 | 72 | 55 | CC2811 | 176 | 84 | CD109 | 145 | 55 | CR141 | 89 | 73 | CR324 | 100 | 13 |
| CBR102 | 193 | 45 | CC2812 | 191 | 103 | CD118 | 170 | 39 | CR143 | 78 | 74 | CR325 | 74 | 14 |
| CBR103 | 202 | 52 | CC2813 | 197 | 107 | CD134 | 62 | 81 | CR326 | 40 | 18 | |||
| CBR098 | 48 | 76 | CC958 | 9 | 108 | CR327 | 68 | 19 | ||||||
| CBR095 | 179 | 92 | CD927 | 132 | 90 | CR328 | 53 | 14 | ||||||
| CBR108 | 44 | 73 | CC2815 | 96 | 47 | CR143 | 78 | 91 | ||||||
| CBR109 | 129 | 17 | CD928 | 132 | 90 | CR329 | 89 | 18 | ||||||
| CBR110 | 69 | 77 | CD9281 | 161 | 118 | CR403 | 60 | 165 | ||||||
| CBR113 | 121 | 77 | CD9282 | 157 | 118 | CR404 | 72 | 164 | ||||||
| CD9283 | 136 | 107 | CR405 | 74 | 15 | |||||||||
| CR911 | 92 | 91 | ||||||||||||||||||||||||||||||||||||||||||||||||||||||||||||||||||||||||||||||||||||||||||||||||||||||||||||||||||||||||||||||||||||||||||||||||||||||||||||||||||||||||||||||||||||||||||||||||||||||||||||||||||||||||||||||||||||||||||||||||||||||||
| CR916 | 54 | 83 | CR917 | 55 | 74 | CR918 | 55 | 83 | CR919 | 65 | 76 | CR920 | 83 | CR921 | 77 | 100 | CR922 | 84 | 104 | CR923 | 75 | 108 | CR924 | 87 | 103 | CR925 | 88 | 107 | CR926 | 70 | 108 | CR927 | 73 | 108 | CR928 | 65 | 103 | CR929 | 65 | 103 | CR930 | 65 | 103 | CR931 | 67 | 108 | CR932 | 65 | 103 | CR933 | 65 | 103 | CR934 | 77 | 108 | CR935 | 70 | 108 | CR936 | 60 | 106 | CR937 | 62 | 106 | CR938 | 65 | 108 | CR939 | 68 | 108 | CR940 | 77 | 31 | CR941 | 77 | 31 | CR942 | 83 | 31 | CR943 | 77 | 31 | CR944 | 83 | 31 | CR945 | 5 | 110 | CR951 | 5 | 103 | CR952 | 8 | 58 | CR953 | 16 | 88 | CR954 | 19 | 83 | CR957 | 17 | 111 | CR958 | 17 | 99 | CR959 | 17 | 95 | CR960 | 16 | 88 | CR961 | 19 | 64 | CR962 | 16 | 78 | CR963 | 109 | 119 | CR964 | 109 | 121 | CR965 | 109 | 121 | CR966 | 109 | 124 | CR967 | 16 | 68 | CR968 | 16 | 68 | CR969 | 16 | 68 | CR97 | 17 | 111 | CR980 | 17 | 99 | CR981 | 17 | 99 | CR982 | 17 | 99 | CR983 | 17 | 99 | CR984 | 17 | 99 | CR985 | 132 | 14 | CR986 | 167 | 39 | CR987 | 167 | 39 | CR988 | 167 | 39 | CR989 | 167 | 39 | CR990 | 167 | 39 | CR991 | 167 | 39 | CR992 | 167 | 39 | CR993 | 167 | 39 | CR994 | 167 | 39 | CR995 | 132 | 14 | CR996 | 167 | 39 | CR997 | 167 | 31 | CR998 | 167 | 39 | CR999 | 167 | 39 | CR999 | 167 | 39 | CR999 | 167 | 39 | CR999 | 167 | 39 | CR999 | 167 | 39 | CR999 | 167 | 39 | CR999 | 167 | 39 | CR999 | 167 | 39 | CR999 | 168 | 39 | CR999 | 168 | 39 | CR999 | 168 | 39 | CR999 | 168 | 39 | CR999 | 168 | 39 | CR999 | 168 | 39 | CR999 | 168 | 39 | CR999 | 168 | 39 | CR999 | 168 | 39 |
| CT225 | 93 | 14 |
| Pos. No. | Coordinates | |
| X | Y | |
| CT019 | 60 | 88 |
| CT921 | 79 | 103 |
| CT025 | 82 | 98 |
| CT937 | 61 | 102 |
| CT962 | 17 | 74 |
| CT963 | 20 | 67 |

Chassisplatte / Chassis Board

(1) 500 mV / cm, 5 s / cm

(2) 5 ~V / cm, 500 ~ms / cm

③ 5V/cm,5μs/cm

(4) 100 ~V / cm, 5 s / cm in Betrieb in operation

(5) 500 mV / cm, 5 s / cm

Prüfzeile Testline
18 1V/cm,50us/cm Bildgetriggert Field triggert

(19) 1 ~V / cm, 20 s / cm

(20) 1 ~V / cm, 5 ~ms / cm

(21) 1V/cm, 5ms/cm

25V/cm, 20μs/cm

23 200V/cm, 20μs/cm

(24) 10 ~V / cm, 5 ~ms / cm

(25) 2 ~V / cm, 5 ~ms / cm

(26) 2 ~V / cm, 20 s / cm

(27) 50 ~V / cm, 20 s / cm

(28) 1 ~V / cm, 10 s / cm

(29) 500 mV / cm, 10 s / cm

30 2V/cm, 200μs/cm
Gesamtschaltplan / General Circuit Diagram




Tuner Servicearbeiten nach Bausteinwechsel: siehe Abgleich Seite 3-1 (2., 7.) Servicing work after replacing the module: see alignment page 3-2 (2., 7.)

Tuner Servicearbeiten nach Bausteinwechsel: siehe Abgleich Seite 3-1 (2., 7.) Servicing work after replacing the module: see alignment page 3-2 (2., 7.)
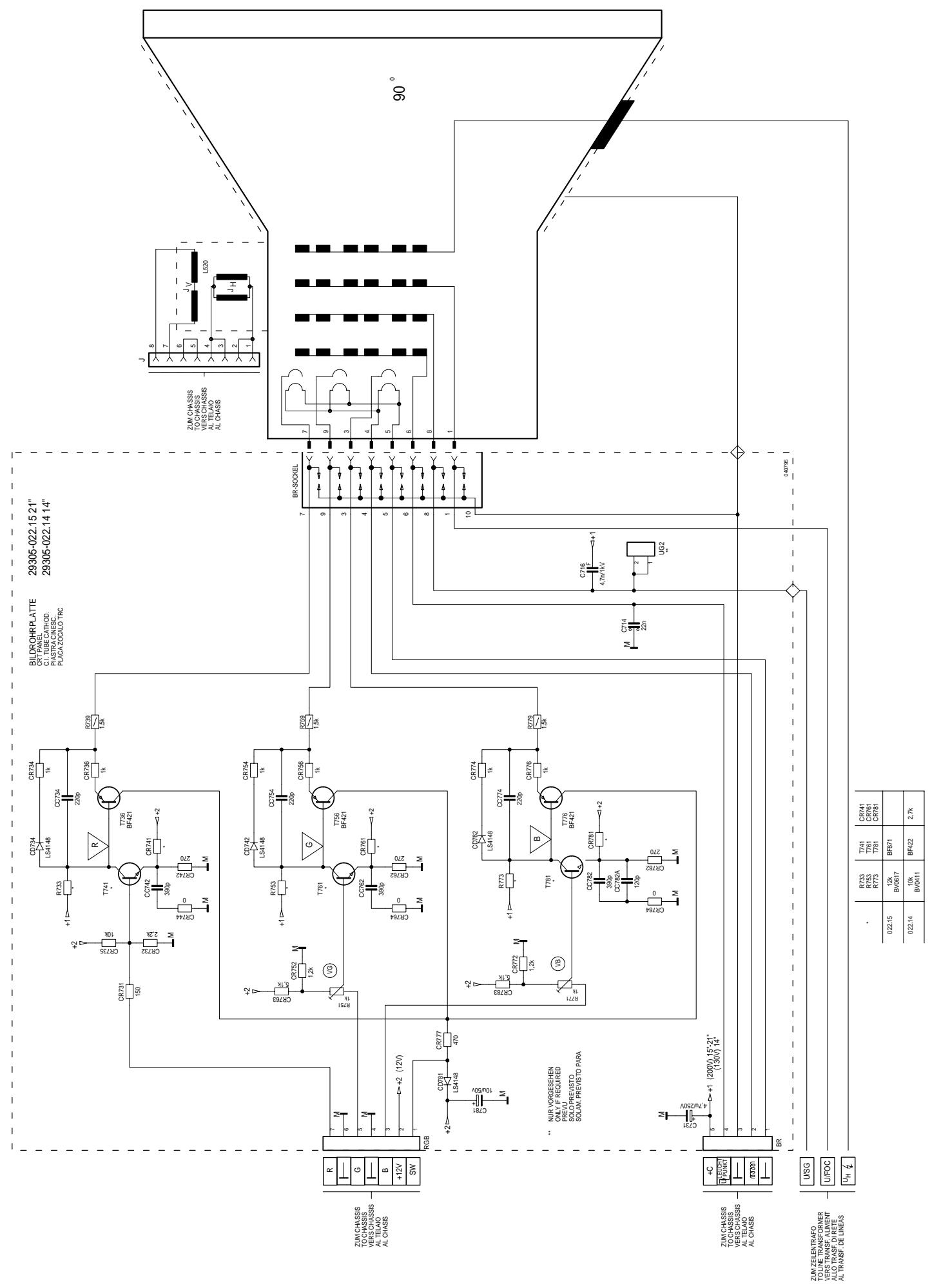
Oszillogramme Bildrohrplatte / Oscillogrammes CRT Panel 29305-022.14

① 1V/cm,20μs/cm

② 1 ~V / cm, 20 s / cm

③ 1 ~V / cm, 20 s / cm

(4) 50 ~V / cm, 20 s / cm

(5) 50 ~V / cm, 20 s / cm

(6) 50 ~V / cm, 20 s / cm
Oszillogramme Bildrohrplatte / Oscillogrammes CRT Panel 29305-022.15

① 1V/cm, 20μs/cm

(2) 1 ~V / cm, 20 s / cm

(3) 1 ~V / cm, 20 s / cm

(4) 50 ~V / cm, 20 s / cm

(5) 50 ~V / cm, 20 s / cm

(6) 50 ~V / cm, 20 s / cm
Servicearbeiten nach Bausteinwechsel: siehe Abgleich Seite 3-1 (2., 7.) Servicing work after replacing the module: see alignment page 3-2 (2., 7)
Bildrohrplatte / CRT Panel 29305-022.14/.15

Chipbestückung, Ansicht auf die Lötseite Chip Components, view to the solder side


GRUNDIG
Ersatzteilliste
Spare Parts List

Btx*32700#
9/95
P 37-070 GB
P 37-065/5
P 37-070
SACH-NR. / PART NO.: 9.21322-6302
SACH-NR. / PART NO.: 9.21322-0202
SACH-NR. / PART NO.: 9.21322-0102
BESTELL-NR./ORDER NO.:G.CD 1302 GB TITAN
BESTELL-NR./ORDER NO.:G.CA 4602 TITAN
BESTELL-NR. / ORDER NO.: G.CA 4502 TITAN
| POS. NR. POS. NO. | ABB. FIG. NO. | SACHNUMMER PART NUMBER | ANZ. QUA. | BEZEICHNUNG | D | DESCRIPTION |
| 0001.000 | 29625-723.86 | GEHAEUSEVORDERTEIL | CABINET FRONT | |||
| 0001.100 | 29632-082.01 | GRUNDIG-EMBLEM | GRUNDIG EMBLEM | |||
| 0005.000 | 19144-039.97 | LAUTSPRECHER | LOUDSPEAKER | |||
| 0009.000 | 29631-907.87 | GEHAEUSERUECKTEIL | REAR PANEL | |||
| 0010.000 | 29617-502.14 | AUFKLEBER TYPE .63 | ADHESIVE LABEL;STICKER .63 | |||
| 0010.000 | 29617-803.14 | AUFKLEBER TYPE .02 | ADHESIVE LABEL;STICKER .02 | |||
| 29656-002.61 | MONTAGE-ZUBEHOER F.BILDROHR KEIN E-TEIL | MOUNTING ACCESSORIES FOR CRT NO SPARE PART | ||||
| 0024.000 | 09246-184.71 | ENTMAGNETISIERUNGSSPULE | DEGAUSSING COIL | |||
| 0025.000 | 8300-020-039 | BILDR.A 34 JLL 90X23 JOCH ORION | PICT.TUBE A 34 JLL 90X03 ORION | |||
| WW. | 8300-020-037 | BILDR.A 34 EAC 01X06 PHILIPS | PICT.TUBE A 34 EAC 01X06 PHILIPS | |||
| 0029.000 | 29633-375.01 | NETZTASTE | POWER KEY | |||
| 0030.000 | 8290-991-280 | NETZKABEL KPL .63 | POWER CABLE CPL .63 | |||
| 0030.000 | 8290-991-275 | NETZKABEL KPL .01/.02 | POWER CABLE CPL .01/.02 | |||
| 0031.000 | 29642-062.01 | TELEPILOT TP 711 | REMOTE CONTROL TP 711 | |||
| 29305-022.14 | X | BILDROHRPLATTE | PICTURE TUBE BOARD | |||
| 21322-941.03 | BEDIENUNGSANLEITUNG .63 | INSTRUCTION MANUAL .63 | ||||
| 21322-941.02 | BEDIENUNGSANLEITUNG .02 | INSTRUCTION MANUAL .02 | ||||
| 21322-941.01 | BEDIENUNGSANLEITUNG .01 | INSTRUCTION MANUAL .01 | ||||
| 72010-017.80 | SERVICE MANUAL | SERVICE MANUAL | ||||
| 29701-092.11 | X | CHASSIS-FS-MONO ORION .63 | CHASSS TV MONO ORION .63 | |||
| CUC 7301 | CUC 7301 | |||||
| KEIN E-TEIL | NO SPARE PART | |||||
| 29701-092.02 | X | CHASSIS-FS-MONO ORION .02 | CHASSS TV MONO ORION .02 | |||
| CUC 7301 MONO | CUC 7301 MONO | |||||
| KEIN E-TEIL | NO SPARE PART | |||||
| 29701-092.01 | X | CHASSIS-FS-MONO ORION .01 | CHASSS TV MONO ORION .01 | |||
| CUC 7301 MONO | CUC 7301 MONO | |||||
| KEIN E-TEIL | NO SPARE PART | |||||
| WW. | 29701-092.12 | X | CHASSIS-FS-MONO PHILIPS .63 | CHASSIS TV MONO PHILIPS .63 | ||
| CUC 7301 | CUC 7301 | |||||
| KEIN E-TEIL | NO SPARE PART | |||||
| WW. | 29701-092.05 | X | CHASSIS-FS-MONO PHILIPS .02 | CHASSIS TV MONO PHILIPS .02 | ||
| CUC 7301 MONO | CUC 7301MONO | |||||
| KEIN E-TEIL | NO SPARE PART | |||||
| WW. | 29701-092.04 | X | CHASSIS-FS-MONO PHILIPS .01 | CHASSIS TV MONO PHILIPS .01 | ||
| CUC 7301 MONO | CUC 7301MONO | |||||
| KEIN E-TEIL | NO SPARE PART | |||||
| X = SIEHE GESONDERTE E-LISTE | X = SEE SEPARATE PARTS LIST | |||||
| WW. = WAHLWEISE | WW. = OPTIONAL |
P 37-070 GB
P 37-065/5
P 37-070

Es gelten die Vorschriften und Sicherheitshinweise gemäß dem Service Manual "Sicherheit", Sach-Nummer 72010-800.00, sowie zusätzlich die eventuell abweichenden, landesspezifischen Vorschriften!

Ersatzteilliste Spare Parts List

Btx *32700#
9/95
P 37-730 TEXT GB
P 37-730 TEXT
SACH-NR. / PART NO.: 9.21368-6402
SACH-NR. / PART NO.: 9.21368-0102
BESTELL-NR. / ORDER NO.: G.CD 1402 GB TITAN
BESTELL-NR. / ORDER NO.: G.CB 1702 TITAN
| POS. NR. POS. NO. | ABB. NR. FIG. NO. | SACHNUMMER PART NUMBER | ANZ. QUA. | BEZEICHNUNG | D | DESCRIPTION |
| 0001.000 | 29635-123.03 | GEHAEUSEVORDERTEIL KPL | CABINET FRONT CPL. | |||
| 0001.100 | 29632-082.01 | GRUNDIG-EMBLEM | GRUNDIG EMBLEM | |||
| 0001.200 | 29628-758.01 | CHASSISBEFESTIGUNG | CHASSIS FASTENING | |||
| 0001.300 | 29633-609.01 | ABDECKUNG | COVER | |||
| 0005.000 | 19144-039.97 | LAUTSPRECHER | LOUDSPEAKER | |||
| 0005.100 | 29700-621.01 | MONTAGE-FEDER F. LS | ASSEMBLY SPRING | |||
| 0009.000 | 29631-784.86 | GEHAEUSERUECKTEIL | REAR PANEL | |||
| 0010.000 | 29617-504.14 | AUFKLEBER TYPE .64 | ADHESIVE LABEL;STICKER .64 | |||
| 0010.000 | 29617-801.14 | AUFKLEBER TYPE .01 | ADHESIVE LABEL;STICKER .01 | |||
| 0011.000 | 29620-017.01 | ANTENNE TELESKOP EINSTAB | ANTENNA (USA); AERIAL (GB) | |||
| 29656-002.61 | MONTAGE-ZUBEHOER F.BILDROHR | MOUNTING ACCESSORIES FOR CRT | ||||
| KEIN E-TEIL | NO SPARE PART | |||||
| 0024.000 | 09246-184.71 | ENTMAGNETISIERUNGSSPULE | DEGAUSSING COIL | |||
| 0025.000 | 8300-020-039 | BILDR.A 34 JLL 90X23 JOCH ORION | PICT.TUBE A 34 JLL 90X03 ORION | |||
| WW. | 8300-020-037 | BILDR.A 34 EAC 01X06 PHILIPS | PICT.TUBE A 34 EAC 01X06 PHILIPS | |||
| 0029.000 | 29633-375.01 | NETZTASTE | POWER KEY | |||
| 0030.000 | 8290-991-280 | NETZKABEL KPL .64 | POWER CABLE CPL .64 | |||
| 0030.000 | 8290-991-316 | NETZKABEL KPL .01 | POWER CABLE CPL .01 | |||
| 0031.000 | 29642-062.01 | TELEPILOT TP 711 | REMOTE CONTROL TP 711 | |||
| 29305-022.14 | X | BILDROHRPLATTE | PICTURE TUBE BOARD | |||
| 21368-941.02 | BEDIENUNGSANLEITUNG | INSTRUCTION MANUAL | ||||
| 72010-017.80 | SERVICE MANUAL | SERVICE MANUAL | ||||
| 29701-092.13 | X | CHASSIS-FS-MONO ORION .64 | CHASSIS TV MONO ORION .64 | |||
| CUC 7301 | CUC 7301 | |||||
| KEIN E-TEIL | NO SPARE PART | |||||
| 29701-092.03 | X | CHASSIS-FS-MONO ORION .01 | CHASSIS TV MONO ORION .01 | |||
| CUC 7301 | CUC 7301 | |||||
| KEIN E-TEIL | NO SPARE PART | |||||
| WW. | 29701-092.14 | X | CHASSIS-FS-MONO PHILIPS .64 | CHASSIS TV MONO PHILIPS .64 | ||
| CUC 7301 | CUC 7301 | |||||
| KEIN E-TEIL | NO SPARE PART | |||||
| WW. | 29701-092.06 | X | CHASSIS-FS-MONO PHILIPS .01 | CHASSIS TV MONO PHILIPS .01 | ||
| CUC 7301 | CUC 7301 | |||||
| KEIN E-TEIL | NO SPARE PART | |||||
| X = SIEHE GESONDERTE E-LISTE | X = SEE SEPARATE PARTS LIST | |||||
| WW. = WAHLWEISE | WW. = OPTIONAL |
P 37-730 TEXT GB P 37-730 TEXT

Es gelten die Vorschriften und Sicherheitshinweise gemäß dem Service Manual "Sicherheit", Sach-Nummer 72010-800.00, sowie zusätzlich die eventuell abweichenden, landesspezifischen Vorschriften!

Ersatzteilliste Spare Parts List

D Btx *32700#
9/95
CUC 7301
SACH-NR. / PART NO.: 29701-092.01/.02/.03/.04/.06/.11/.12/.13/.14
| POS. NR. POS. NO. | ABB. NR. FIG. NO. | SACHNUMMER PART NUMBER | ANZ. QUA. | BEZEICHNUNG D | DESCRIPTION GB |
| 0001.000 | 29504-201.31 | TUNER CHIP/ECO 1200 | TUNER CHIP/ECO 1200 | ||
| 0002.000 | 29303-119.04 | PERIBUCHSE 21-POL. | PERI-SOCKET 21 PIN | ||
| 0003.000 | 29703-357.11 | 2 | TASTSCHALTER +/- | KEY SWITCH +/- | |
| 0010.000 | 29303-153.02 | MONTAGECLIP T506 | MOUNTING CLIP T506 | ||
| 0011.000 | 29303-153.03 | MONTAGECLIP IC400 | MOUNTING CLIP IC400 | ||
| 0012.000 | 29303-153.16 | MONTAGECLIP T665/IC676/690 | MOUNTING CLIP T665/IC676/690 | ||
| 0013.000 | 29303-156.23 | WAERMELEITFOLIE T506 | HEAT CONDUCTING FOIL T506 | ||
| 0014.000 | 29303-156.20 | WAERMELEITFOLIE IC676 | HEAT CONDUCTING FOIL IC676 | ||
| 0015.000 | 29502-460.29 | ZF-ABDECKUNG | COVER | ||
| 0030.000 | 29703-291.21 | NETZSCHALTER | POWER SWITCH | ||
| WW. | 29703-291.31 | NETZSCHALTER | POWER SWITCH | ||
| 0031.000 | 29303-452.02 | NETZSTECKER-UNTERTEIL KPL | MAINS PLUG LOWER PART | ||
| 0032.000 | 09621-113.02 | 2 | SICHERUNGSHALTER | FUSE HOLDER | |
| WW. = WAHLWEISE | WW. = OPTIONAL |
| POS. NR. POS. NO. | SACHNUMMER PART NUMBER | BEZEICHNUNG DESCRIPTION |
| C 412 | 8452-996-187 | ELKO 1000UF 20% 35V |
| C 444 | 8605-767-058 | SSPN 390PF 20% 400V -GR |
| C 506 | 8515-911-098 | FOKO FKP1 7000PF 3,5% 160 |
| C 543 | 8426-098-077 | ELKO 22UF 350V WW.RM5MM |
| C 601 | 8599-990-025 | MP 3 0,15UF 20% 250VW AV |
| C 621 | 8650-081-125 | HV-KERKO 1000PF 20% 1KV |
| C 622 | 8650-081-125 | HV-KERKO 1000PF 20% 1KV |
| C 623 | 8650-081-125 | HV-KERKO 1000PF 20% 1KV |
| C 624 | 8650-081-125 | HV-KERKO 1000PF 20% 1KV |
| C 626 | 8452-097-385 | ELKO #32 47UF +50-20% 385 |
| C 627 | 8660-098-238 | SI-KERKO B-SS 2200PF 20% |
| C 664 | 8555-269-041 | KT/MKT 5/6 4700PF 5% |
| C 669 | 8515-911-060 | FOKO KF #7 1000PF 10% 160 |
| C 671 | 8650-081-111 | HV-KERKO 270PF 20% 2KV |
| C 681 | 8650-067-046 | HV-KERKO 100PF 20% 1KV |
| C 714 | 8515-732-357 | KF 16 0,022UF 20% 400V |
| C 819 | 8140-540-104 | EMIFIL 0,1 UF |
| CBR 1S | 8706-100-000 | R-CHIP 0805 JUMPER |
| CBR 2S | 8706-297-000 | R-CHIP 1206 JUMPER |
| CBR 3S | 8706-297-000 | R-CHIP 1206 JUMPER |
| CBR 4S | 8706-297-000 | R-CHIP 1206 JUMPER |
| CBR 5S | 8706-297-000 | R-CHIP 1206 JUMPER |
| CBR 6S | 8706-297-000 | R-CHIP 1206 JUMPER |
| CBR 9S | 8706-297-000 | R-CHIP 1206 JUMPER |
| CBR 11S | 8706-297-000 | R-CHIP 1206 JUMPER |
| CBR 15S | 8706-100-000 | R-CHIP 0805 JUMPER |
| POS. NR. POS. NO. | SACHNUMMER PART NUMBER | BEZEICHNUNG DESCRIPTION | D GB |
| CBR 18S | 8706-297-000 | R-CHIP 1206 | JUMPER |
| CBR 24S | 8706-297-000 | R-CHIP 1206 | JUMPER |
| CBR 26S | 8706-297-000 | R-CHIP 1206 | JUMPER |
| CBR 28S | 8706-297-000 | R-CHIP 1206 | JUMPER |
| CBR 32S | 8706-297-000 | R-CHIP 1206 | JUMPER |
| CBR 37S | 8706-297-000 | R-CHIP 1206 | JUMPER |
| CBR 38S | 8706-297-000 | R-CHIP 1206 | JUMPER |
| CBR 40S | 8706-100-000 | R-CHIP 0805 | JUMPER |
| CBR 41S | 8706-297-000 | R-CHIP 1206 | JUMPER |
| CBR 54S | 8706-297-000 | R-CHIP 1206 | JUMPER |
| CBR 56S | 8706-297-000 | R-CHIP 1206 | JUMPER |
| CBR 59S | 8706-297-000 | R-CHIP 1206 | JUMPER |
| CBR 61S | 8706-100-000 | R-CHIP 0805 | JUMPER |
| CBR 62S | 8706-297-000 | R-CHIP 1206 | JUMPER |
| CBR 65S | 8706-297-000 | R-CHIP 1206 | JUMPER |
| CBR 68S | 8706-297-000 | R-CHIP 1206 | JUMPER |
| CBR 70S | 8706-297-000 | R-CHIP 1206 | JUMPER |
| CBR 73S | 8706-100-000 | R-CHIP 0805 | JUMPER |
| CBR 80S | 8706-297-000 | R-CHIP 1206 | JUMPER |
| CBR 82S | 8706-297-000 | R-CHIP 1206 | JUMPER |
| CBR 83S | 8706-297-000 | R-CHIP 1206 | JUMPER |
| CBR 85S | 8706-297-000 | R-CHIP 1206 | JUMPER |
| CBR 86S | 8706-297-000 | R-CHIP 1206 | JUMPER |
| CBR 90S | 8706-297-000 | R-CHIP 1206 | JUMPER |
| CBR 98S | 8706-297-000 | R-CHIP 1206 | JUMPER |
| CBR 99S | 8706-297-000 | R-CHIP 1206 | JUMPER |
| CBR102S | 8706-297-000 | R-CHIP 1206 | JUMPER |
| CBR103S | 8706-297-000 | R-CHIP 1206 | JUMPER |
| CBR113S | 8706-297-000 | R-CHIP 1206 | JUMPER |
| CBR115S | 8706-297-000 | R-CHIP 1206 | JUMPER |
| CBR117S | 8706-297-000 | R-CHIP 1206 | JUMPER |
| CBR119S | 8706-100-000 | R-CHIP 0805 | JUMPER |
| CBR120S | 8706-297-000 | R-CHIP 1206 | JUMPER |
| CBR123S | 8706-297-000 | R-CHIP 1206 | JUMPER |
| CBR126S | 8706-297-000 | R-CHIP 1206 | JUMPER |
| CBR127S | 8706-297-000 | R-CHIP 1206 | JUMPER |
| CBR130S | 8706-297-000 | R-CHIP 1206 | JUMPER |
| CBR131S | 8706-297-000 | R-CHIP 1206 | JUMPER |
| CBR133S | 8706-297-000 | R-CHIP 1206 | JUMPER |
| CBR134S | 8706-100-000 | R-CHIP 0805 | JUMPER |
| CBR135S | 8706-297-000 | R-CHIP 1206 | JUMPER |
| CBR136S | 8706-297-000 | R-CHIP 1206 | JUMPER |
| CBR137S | 8706-297-000 | R-CHIP 1206 | JUMPER |
| CBR744S | 8706-297-000 | R-CHIP 1206 | JUMPER |
| CBR764S | 8706-297-000 | R-CHIP 1206 | JUMPER |
| CBR784S | 8706-297-000 | R-CHIP 1206 | JUMPER |
| CC 113 | 8672-167-246 | KEFQ 0805 | 1000PF 10% |
| CC 114 | 8672-167-246 | KEFQ 0805 | 1000PF 10% |
| CC 118 | 8672-167-187 | KEFQ 0805 | 0,1 UF 10% 25V |
| CC 119 | 8672-167-187 | KEFQ 0805 | 0,1 UF 10% 25V |
| CC 124 | 8672-167-246 | KEFQ 0805 | 1000PF 10% |
| CC 126 | 8672-167-187 | KEFQ 0805 | 0,1 UF 10% 25V |
| CC 127 | 8672-167-187 | KEFQ 0805 | 0,1 UF 10% 25V |
| CC 140 | 8672-167-246 | KEFQ 0805 | 1000PF 10% |
| CC 141 | 8672-167-187 | KEFQ 0805 | 0,1 UF 10% 25V |
| CC 142 | 8672-167-187 | KEFQ 0805 | 0,1 UF 10% 25V |
| CC 143 | 8672-167-187 | KEFQ 0805 | 0,1 UF 10% 25V |
| CC 144 | 8672-167-187 | KEFQ 0805 | 0,1 UF 10% 25V |
| CC 146 | 8672-267-187 | KEFQ 1206 | 0,1 UF 10% |
| CC 147 | 8672-167-187 | KEFQ 0805 | 0,1 UF 10% 25V |
| CC 149 | 8672-167-251 | KEFQ 0805 | 2700PF 10% |
| CC 156 | 8672-160-141 | KEFQ 0805 | 390PF 5% |
| CC 157 | 8672-167-251 | KEFQ 0805 | 2700PF 10% |
| CC 163 | 8672-259-127 | KEFQ 1206 | 27PF 5% |
| CC 166 | 8672-198-173 | KEFQ 0805 | 0,01 UF 10% |
| CC 167 | 8672-167-254 | KEFQ 0805 | 4700PF 10% |
| CC 172 | 8672-160-125 | KEFQ 0805 | 18PF 5% |
| CC 173 | 8672-167-187 | KEFQ 0805 | 0,1 UF 10% 25V |
| CC 174 | 8672-167-254 | KEFQ 0805 | 4700PF 10% |
| CC 177 | 8672-167-187 | KEFQ 0805 | 0,1 UF 10% 25V |
| CC 184 | 8672-159-244 | KEFQ 0805 | 680PF 10% |
| CC 308 | 8672-259-134 | KEFQ 1206 | 100PF 5% |
| CC 321 | 8672-167-187 | KEFQ 0805 | 0,1 UF 10% 25V |
| CC 322 | 8672-167-252 | KEFQ 0805 | 3300PF 10% |
| CC 328 | 8672-167-187 | KEFQ 0805 | 0,1 UF 10% 25V |
| CC 331 | 8672-167-187 | KEFQ 0805 | 0,1 UF 10% 25V |
| CC 401 | 8672-267-187 | KEFQ 1206 | 0,1 UF 10% |
| CC 403 | 8672-267-195 | KEFQ 1206 | 0,22 UF 10% 25V |
| CC 406 | 8672-267-143 | KEFQ 1206 | 1500PF 10% |
| CC 419 | 8672-198-173 | KEFQ 0805 | 0,01 UF 10% |
| CC 501 | 8672-267-139 | KEFQ 1206 | 1000PF 10% |
| CC 653 | 8672-267-163 | KEFQ 1206 | 0,01 UF 10% |
| CC 654 | 8672-259-134 | KEFQ 1206 | 100PF 5% |
| CC 673 | 8672-267-195 | KEFQ 1206 | 0,22 UF 10% 25V |
| CC 674 | 8672-267-147 | KEFQ 1206 | 2200PF 10% |
| CC 676 | 8672-267-187 | KEFQ 1206 | 0,1 UF 10% |
| CC 694 | 8672-267-195 | KEFQ 1206 | 0,22 UF 10% 25V |
| CC 695 | 8672-267-187 | KEFQ 1206 | 0,1 UF 10% |
| CC 734 | 8672-260-138 | KEFQ 1206 | 220PF 5% |
| CC 742 | 8672-260-141 | KEFQ 1206 | 390PF 5% |
| CC 754 | 8672-260-138 | KEFQ 1206 | 220PF 5% |
| CC 762 | 8672-260-141 | KEFQ 1206 | 390PF 5% |
| CC 774 | 8672-260-138 | KEFQ 1206 | 220PF 5% |
| CC 782 | 8672-260-135 | KEFQ 1206 | 120PF 5% |
| CC 805 | 8672-259-134 | KEFQ 1206 | 100PF 5% |
| CC 821 | 8672-167-250 | KEFQ 0805 | 2200PF 10% |
| CC 822 | 8672-259-134 | KEFQ 1206 | 100PF 5% |
| POS. NR. POS. NO. | SACHNUMMER PART NUMBER | BEZEICHNUNG DESCRIPTION |
| CC 823 | 8672-167-254 | KEFQ 0805 4700PF 10% |
| CC 824 | 8672-259-129 | KEFQ 1206 39PF 5% |
| CC 825 | 8672-159-134 | KEFQ 0805 100PF 5% |
| CC 827 | 8672-167-187 | KEFQ 0805 0,1 UF 10% 25V |
| CC 831 | 8672-267-187 | KEFQ 1206 0,1 UF 10% |
| CC 834 | 8672-267-159 | KEFQ 1206 6800PF 10% |
| CC 836 | 8672-267-139 | KEFQ 1206 1000PF 10% |
| CC 837 | 8672-159-134 | KEFQ 0805 100PF 5% |
| CC 838 | 8672-198-173 | KEFQ 0805 0,01 UF 10% |
| CC 842 | 8672-159-134 | KEFQ 0805 100PF 5% |
| CC 854 | 8672-159-128 | KEFQ 0805 33PF 5% |
| CC 856 | 8672-159-130 | KEFQ 0805 47PF 5% |
| CC 859 | 8672-259-134 | KEFQ 1206 100PF 5% |
| CC 863 | 8672-167-250 | KEFQ 0805 2200PF 10% |
| CC 866 | 8672-159-134 | KEFQ 0805 100PF 5% |
| CC 868 | 8672-159-134 | KEFQ 0805 100PF 5% |
| CC 869 | 8672-159-134 | KEFQ 0805 100PF 5% |
| CC 901 | 8706-100-000 | R-CHIP 0805 JUMPER |
| CC 921 | 8672-167-187 | KEFQ 0805 0,1 UF 10% 25V |
| CC 922 | 8672-167-187 | KEFQ 0805 0,1 UF 10% 25V |
| CC 923 | 8672-167-187 | KEFQ 0805 0,1 UF 10% 25V |
| CC 924 | 8672-159-130 | KEFQ 0805 47PF 5% |
| CC 926 | 8672-267-187 | KEFQ 1206 0,1 UF 10% |
| CC 951 | 8672-159-236 | KEFQ 0805 150PF 10% |
| CC 957 | 8672-159-236 | KEFQ 0805 150PF 10% |
| CC 958 | 8672-159-236 | KEFQ 0805 150PF 10% |
| CC 973 | 8672-167-250 | KEFQ 0805 2200PF 10% |
| CC 2821 | 8672-159-129 | KEFQ 0805 39PF 5% |
| CC 2822 | 8672-259-129 | KEFQ 1206 39PF 5% |
| CC 2823 | 8672-159-129 | KEFQ 0805 39PF 5% |
| CD 191 | 8325-004-148 | SMD DIODE LS 4148 |
| CD 192 | 8325-004-148 | SMD DIODE LS 4148 |
| CD 193 | 8325-004-148 | SMD DIODE LS 4148 |
| CD 501 | 8325-004-148 | SMD DIODE LS 4148 |
| CD 516 | 8325-004-148 | SMD DIODE LS 4148 |
| CD 654 | 8325-004-148 | SMD DIODE LS 4148 |
| CD 656 | 8325-004-148 | SMD DIODE LS 4148 |
| CD 673 | 8325-004-148 | SMD DIODE LS 4148 |
| CD 734 | 8325-004-148 | SMD DIODE LS 4148 |
| CD 742 | 8325-004-148 | SMD DIODE LS 4148 |
| CD 762 | 8325-004-148 | SMD DIODE LS 4148 |
| CD 781 | 8325-004-148 | SMD DIODE LS 4148 |
| CD 851 | 8325-004-148 | SMD DIODE LS 4148 |
| CD 926 | 8706-297-000 | R-CHIP 1206 JUMPER |
| CD 954 | 8325-004-148 | SMD DIODE LS 4148 |
| CD 2827 | 8325-004-148 | SMD DIODE LS 4148 |
| CD 2829 | 8325-004-148 | SMD DIODE LS 4148 |
| CD 2836 | 8325-004-148 | SMD DIODE LS 4148 |
| CD 2837 | 8325-004-148 | SMD DIODE LS 4148 |
| CD 2838 | 8325-004-148 | SMD DIODE LS 4148 |
| CIC105S | 8305-844-662 | SMD IC TDA4662T PHI |
| CR 108 | 8706-100-097 | R-CHIP 0805 10 KOHM 5% |
| CR 111 | 8706-100-065 | R-CHIP 0805 470 OHM 5% |
| CR 112 | 8706-100-065 | R-CHIP 0805 470 OHM 5% |
| CR 114 | 8706-297-097 | R-CHIP 1206 10 KOHM 5% |
| CR 121 | 8706-297-109 | R-CHIP 1206 33 KOHM 5% |
| CR 122 | 8706-297-099 | R-CHIP 1206 12 KOHM 5% |
| CR 124 | 8706-297-096 | R-CHIP 1206 9,1 KOHM 5% |
| CR 126 | 8706-100-097 | R-CHIP 0805 10 KOHM 5% |
| CR 127 | 8706-100-101 | R-CHIP 0805 15 KOHM 5% |
| CR 128 | 8706-100-089 | R-CHIP 0805 4,7 KOHM 5% |
| CR 136 | 8706-100-093 | R-CHIP 0805 6,8 KOHM 5% |
| CR 141 | 8706-297-001 | R-CHIP 1206 1 OHM 5% |
| CR 143 | 8706-297-081 | R-CHIP 1206 2,2 KOHM 5% |
| CR 147 | 8706-100-070 | R-CHIP 0805 750 OHM 5% |
| CR 148 | 8706-297-105 | R-CHIP 1206 22 KOHM 5% |
| CR 149 | 8706-297-115 | R-CHIP 1206 56 KOHM 5% |
| CR 151 | 8706-100-049 | R-CHIP 0805 100 OHM 5% |
| CR 152 | 8706-100-049 | R-CHIP 0805 100 OHM 5% |
| CR 153 | 8706-100-049 | R-CHIP 0805 100 OHM 5% |
| CR 156 | 8706-297-097 | R-CHIP 1206 10 KOHM 5% |
| CR 158 | 8706-297-139 | R-CHIP 1206 560 KOHM 5% |
| CR 159 | 8706-100-095 | R-CHIP 0805 8,2 KOHM 5% |
| CR 162 | 8706-100-461 | R-CHIP 0805 330 OHM 1% |
| CR 163 | 8706-297-097 | R-CHIP 1206 10 KOHM 5% |
| CR 167 | 8706-100-095 | R-CHIP 0805 8,2 KOHM 5% |
| CR 168 | 8706-100-063 | R-CHIP 0805 390 OHM 5% |
| CR 169 | 8706-297-085 | R-CHIP 1206 3,3 KOHM 5% |
| CR 171 | 8706-100-095 | R-CHIP 0805 8,2 KOHM 5% |
| CR 173 | 8706-100-121 | R-CHIP 0805 100 KOHM 5% |
| CR 181 | 8706-100-073 | R-CHIP 0805 1 KOHM 5% |
| CR 182 | 8706-100-097 | R-CHIP 0805 10 KOHM 5% |
| CR 183 | 8706-100-065 | R-CHIP 0805 470 OHM 5% |
| CR 186 | 8706-100-062 | R-CHIP 0805 360 OHM 5% |
| CR 187 | 8706-100-090 | R-CHIP 0805 5,1 KOHM 5% |
| CR 191 | 8706-100-121 | R-CHIP 0805 100 KOHM 5% |
| CR 192 | 8706-100-121 | R-CHIP 0805 100 KOHM 5% |
| CR 304 | 8706-100-049 | R-CHIP 0805 100 OHM 5% |
| CR 305 | 8706-100-049 | R-CHIP 0805 100 OHM 5% |
| CR 306 | 8706-297-115 | R-CHIP 1206 56 KOHM 5% |
| CR 307 | 8706-100-117 | R-CHIP 0805 68 KOHM 5% |
| CR 308 | 8706-100-073 | R-CHIP 0805 1 KOHM 5% |
| CR 321 | 8706-100-079 | R-CHIP 0805 1,8 KOHM 5% |
| CR 322 | 8706-100-097 | R-CHIP 0805 10 KOHM 5% |
| CR 323 | 8706-297-089 | R-CHIP 1206 4,7 KOHM 5% |
| CR 324 | 8706-100-081 | R-CHIP 0805 2,2 KOHM 5% |
| CR 326 | 8706-100-049 | R-CHIP 0805 100 OHM 5% |
| CR 327 | 8706-100-091 | R-CHIP 0805 5,6 KOHM 5% |
| CR 328 | 8706-100-083 | R-CHIP 0805 2,7 KOHM 5% |
| CR 331 | 8706-100-017 | R-CHIP 0805 4,7 OHM 5% |
| CR 403 | 8706-297-065 | R-CHIP 1206 470 OHM 5% |
| CR 404 | 8706-297-115 | R-CHIP 1206 56 KOHM 5% |
| CR 405 | 8706-100-089 | R-CHIP 0805 4,7 KOHM 5% |
| CR 406 | 8706-297-061 | R-CHIP 1206 330 OHM 5% |
| CR 407 | 8706-297-103 | R-CHIP 1206 18 KOHM 5% |
| CR 408 | 8706-297-087 | R-CHIP 1206 3,9 KOHM 5% |
| CR 409 | 8706-297-105 | R-CHIP 1206 22 KOHM 5% |
| CR 419 | 8706-297-089 | R-CHIP 1206 4,7 KOHM 5% |
| CR 523 | 8706-297-073 | R-CHIP 1206 1 KOHM 5% |
| CR 541 | 8706-297-073 | R-CHIP 1206 1 KOHM 5% |
| CR 654 | 8706-297-125 | R-CHIP 1206 150 KOHM 5% |
| CR 656 | 8706-297-145 | R-CHIP 1206 1 MOHM 5% |
| CR 673 | 8706-297-463 | R-CHIP 1206 390 OHM 1% |
| CR 674 | 8706-298-539 | R-CHIP 1206 3,4 KOHM 1% |
| CR 686 | 8706-297-464 | R-CHIP 1206 430 OHM 1% |
| CR 687 | 8706-297-475 | R-CHIP 1206 1,2 KOHM 1% |
| CR 731 | 8706-297-053 | R-CHIP 1206 150 OHM 5% |
| CR 732 | 8706-297-081 | R-CHIP 1206 2,2 KOHM 5% |
| CR 734 | 8706-297-073 | R-CHIP 1206 1 KOHM 5% |
| CR 735 | 8706-297-097 | R-CHIP 1206 10 KOHM 5% |
| CR 736 | 8706-297-073 | R-CHIP 1206 1 KOHM 5% |
| CR 741 | 8706-297-083 | R-CHIP 1206 2,7 KOHM 5% |
| CR 742 | 8706-297-059 | R-CHIP 1206 270 OHM 5% |
| CR 752 | 8706-297-075 | R-CHIP 1206 1,2 KOHM 5% |
| CR 754 | 8706-297-073 | R-CHIP 1206 1 KOHM 5% |
| CR 756 | 8706-297-073 | R-CHIP 1206 1 KOHM 5% |
| CR 761 | 8706-297-083 | R-CHIP 1206 2,7 KOHM 5% |
| CR 762 | 8706-297-059 | R-CHIP 1206 270 OHM 5% |
| CR 763 | 8706-297-090 | R-CHIP 1206 5,1 KOHM 5% |
| CR 772 | 8706-297-075 | R-CHIP 1206 1,2 KOHM 5% |
| CR 774 | 8706-297-073 | R-CHIP 1206 1 KOHM 5% |
| CR 776 | 8706-297-073 | R-CHIP 1206 1 KOHM 5% |
| CR 777 | 8706-297-065 | R-CHIP 1206 470 OHM 5% |
| CR 781 | 8706-297-083 | R-CHIP 1206 2,7 KOHM 5% |
| CR 782 | 8706-297-059 | R-CHIP 1206 270 OHM 5% |
| CR 783 | 8706-297-090 | R-CHIP 1206 5,1 KOHM 5% |
| POS. NR. POS. NO. | SACHNUMMER PART NUMBER | BEZEICHNUNG DESCRIPTION |
| CR 803 | 8706-100-049 | R-CHIP 0805 100 OHM 5% |
| CR 811 | 8706-297-059 | R-CHIP 1206 270 OHM 5% |
| CR 812 | 8706-100-113 | R-CHIP 0805 47 KOHM 5% |
| CR 813 | 8706-100-113 | R-CHIP 0805 47 KOHM 5% |
| CR 816 | 8706-100-061 | R-CHIP 0805 330 OHM 5% |
| CR 817 | 8706-100-105 | R-CHIP 0805 22 KOHM 5% |
| CR 821 | 8706-297-057 | R-CHIP 1206 220 OHM 5% |
| CR 822 | 8706-100-057 | R-CHIP 0805 220 OHM 5% |
| CR 823 | 8706-100-057 | R-CHIP 0805 220 OHM 5% |
| CR 824 | 8706-297-057 | R-CHIP 1206 220 OHM 5% |
| CR 825 | 8706-297-049 | R-CHIP 1206 100 OHM 5% |
| CR 826 | 8706-100-097 | R-CHIP 0805 10 KOHM 5% |
| CR 827 | 8706-100-097 | R-CHIP 0805 10 KOHM 5% |
| CR 829 | 8706-100-089 | R-CHIP 0805 4,7 KOHM 5% |
| CR 831 | 8706-100-000 | R-CHIP 0805 JUMPER |
| CR 833 | 8706-100-049 | R-CHIP 0805 100 OHM 5% |
| CR 834 | 8706-100-105 | R-CHIP 0805 22 KOHM 5% |
| CR 836 | 8706-297-097 | R-CHIP 1206 10 KOHM 5% |
| CR 837 | 8706-100-101 | R-CHIP 0805 15 KOHM 5% |
| CR 838 | 8706-100-105 | R-CHIP 0805 22 KOHM 5% |
| CR 839 | 8706-100-121 | R-CHIP 0805 100 KOHM 5% |
| CR 840 | 8706-100-135 | R-CHIP 0805 390 KOHM 5% |
| CR 841 | 8706-100-089 | R-CHIP 0805 4,7 KOHM 5% |
| CR 842 | 8706-100-089 | R-CHIP 0805 4,7 KOHM 5% |
| CR 843 | 8706-100-107 | R-CHIP 0805 27 KOHM 5% |
| CR 844 | 8706-100-057 | R-CHIP 0805 220 OHM 5% |
| CR 845 | 8706-100-073 | R-CHIP 0805 1 KOHM 5% |
| CR 846 | 8706-100-116 | R-CHIP 0805 62 KOHM 5% |
| CR 847 | 8706-100-129 | R-CHIP 0805 220 KOHM 5% |
| CR 848 | 8706-100-107 | R-CHIP 0805 27 KOHM 5% |
| CR 849 | 8706-100-125 | R-CHIP 0805 150 KOHM 5% |
| CR 851 | 8706-297-113 | R-CHIP 1206 47 KOHM 5% |
| CR 852 | 8706-100-107 | R-CHIP 0805 27 KOHM 5% |
| CR 853 | 8706-100-125 | R-CHIP 0805 150 KOHM 5% |
| CR 854 | 8706-297-133 | R-CHIP 1206 330 KOHM 5% |
| CR 855 | 8706-297-135 | R-CHIP 1206 390 KOHM 5% |
| CR 856 | 8706-100-107 | R-CHIP 0805 27 KOHM 5% |
| CR 857 | 8706-100-169 | R-CHIP 0805 10 MOHM 10% |
| CR 858 | 8706-297-097 | R-CHIP 1206 10 KOHM 5% |
| CR 862 | 8706-100-117 | R-CHIP 0805 68 KOHM 5% |
| CR 863 | 8706-100-125 | R-CHIP 0805 150 KOHM 5% |
| CR 864 | 8706-100-113 | R-CHIP 0805 47 KOHM 5% |
| CR 868 | 8706-100-085 | R-CHIP 0805 3,3 KOHM 5% |
| CR 869 | 8706-100-085 | R-CHIP 0805 3,3 KOHM 5% |
| CR 870 | 8706-100-049 | R-CHIP 0805 100 OHM 5% |
| CR 873 | 8706-100-049 | R-CHIP 0805 100 OHM 5% |
| CR 874 | 8706-100-113 | R-CHIP 0805 47 KOHM 5% |
| CR 876 | 8706-297-121 | R-CHIP 1206 100 KOHM 5% |
| CR 877 | 8706-100-049 | R-CHIP 0805 100 OHM 5% |
| CR 878 | 8706-100-125 | R-CHIP 0805 150 KOHM 5% |
| CR 911 | 8706-100-062 | R-CHIP 0805 360 OHM 5% |
| CR 916 | 8706-297-075 | R-CHIP 1206 1,2 KOHM 5% |
| CR 917 | 8706-100-105 | R-CHIP 0805 22 KOHM 5% |
| CR 918 | 8706-297-094 | R-CHIP 1206 7,5 KOHM 5% |
| CR 919 | 8706-100-073 | R-CHIP 0805 1 KOHM 5% |
| CR 920 | 8706-100-075 | R-CHIP 0805 1,2 KOHM 5% |
| CR 921 | 8706-297-065 | R-CHIP 1206 470 OHM 5% |
| CR 922 | 8706-100-047 | R-CHIP 0805 82 OHM 5% |
| CR 923 | 8706-297-057 | R-CHIP 1206 220 OHM 5% |
| CR 924 | 8706-100-000 | R-CHIP 0805 JUMPER |
| CR 927 | 8706-100-069 | R-CHIP 0805 680 OHM 5% |
| CR 951 | 8706-100-091 | R-CHIP 0805 5,6 KOHM 5% |
| CR 952 | 8706-100-091 | R-CHIP 0805 5,6 KOHM 5% |
| CR 953 | 8706-297-073 | R-CHIP 1206 1 KOHM 5% |
| CR 954 | 8706-100-046 | R-CHIP 0805 75 OHM 5% |
| CR 957 | 8706-100-057 | R-CHIP 0805 220 OHM 5% |
| CR 958 | 8706-100-046 | R-CHIP 0805 75 OHM 5% |
| CR 959 | 8706-100-046 | R-CHIP 0805 75 OHM 5% |
| CR 960 | 8706-100-057 | R-CHIP 0805 220 OHM 5% |
| CR 961 | 8706-100-046 | R-CHIP 0805 75 OHM 5% |
| CR 962 | 8706-100-046 | R-CHIP 0805 75 OHM 5% |
| CR 963 | 8706-100-041 | R-CHIP 0805 47 OHM 5% |
| CR 964 | 8706-100-073 | R-CHIP 0805 1 KOHM 5% |
| CR 965 | 8706-100-041 | R-CHIP 0805 47 OHM 5% |
| CR 966 | 8706-100-041 | R-CHIP 0805 47 OHM 5% |
| CR 967 | 8706-100-081 | R-CHIP 0805 2,2 KOHM 5% |
| CR 968 | 8706-297-041 | R-CHIP 1206 47 OHM 5% |
| CR 971 | 8706-100-046 | R-CHIP 0805 75 OHM 5% |
| CR 974 | 8706-297-105 | R-CHIP 1206 22 KOHM 5% |
| CR 2821 | 8706-297-069 | R-CHIP 1206 680 OHM 5% |
| CR 2822 | 8706-297-069 | R-CHIP 1206 680 OHM 5% |
| CR 2829 | 8706-297-073 | R-CHIP 1206 1 KOHM 5% |
| CR 2833 | 8706-297-097 | R-CHIP 1206 10 KOHM 5% |
| CT 110 | 8301-003-858 | SMD-TRANS.BC 858 B |
| CT 169 | 8301-003-858 | SMD-TRANS.BC 858 B |
| CT 181 | 8301-003-858 | SMD-TRANS.BC 858 B |
| CT 186 | 8301-004-848 | SMD-TRANS.BC 848 B |
| CT 191 | 8301-003-858 | SMD-TRANS.BC 858 B |
| CT 325 | 8301-000-848 | SMD-TRANS.BC 848 |
| CT 826 | 8301-004-848 | SMD-TRANS.BC 848 B |
| CT 840 | 8301-000-848 | SMD-TRANS.BC 848 |
| CT 916 | 8301-004-848 | SMD-TRANS.BC 848 B |
| CT 917 | 8301-004-848 | SMD-TRANS.BC 848 B |
| CT 921 | 8301-004-848 | SMD-TRANS.BC 848 B |
| CT 962 | 8301-003-858 | SMD-TRANS.BC 858 B |
| CT 963 | 8301-004-848 | SMD-TRANS.BC 848 B |
| CT 2821 | 8301-003-858 | SMD-TRANS.BC 858 B |
| CT 2831 | 8301-004-848 | SMD-TRANS.BC 848 B |
| CT 2832 | 8301-003-858 | SMD-TRANS.BC 858 B |
| D 323 | 8309-720-082 | Z DIODE 8,2 C 0,5W |
| D 401 | 8309-210-138 | DIODE 1N4936 DIO/FAG/ITT/ |
| D 405 | 8309-200-021 | DIODE BAV21 ITT/ TFK |
| D 406 | 8309-720-048 | Z DIODE 4,7 C 0,5W |
| D 444 | 8309-210-138 | DIODE 1N4936 DIO/FAG/ITT/ |
| D 512 | 8309-720-221 | Z DIODE 22 B 0,5W |
| D 513 | 8309-200-021 | DIODE BAV21 ITT/ TFK |
| D 514 | 8309-720-112 | Z DIODE 12 C 0,5W |
| D 543 | 8309-204-268 | DIODE BYV 16 TFK/BYV 96E/ |
| D 621 | 8309-215-127 | DIODE 1 N 4007 -GA |
| D 622 | 8309-215-127 | DIODE 1 N 4007 -GA |
| D 623 | 8309-215-127 | DIODE 1 N 4007 -GA |
| D 624 | 8309-215-127 | DIODE 1 N 4007 -GA |
| D 661 | 8309-516-754 | DIODE BYT53B TFK/ EGP10B |
| D 662 | 8309-201-005 | DIODE BA157 |
| D 663 | 8309-720-027 | Z DIODE 2,7 C 0,5W |
| D 664 | 8309-215-010 | DIODE 1 N 4003 -GA |
| D 666 | 8309-215-010 | DIODE 1 N 4003 -GA |
| D 667 | 8309-201-005 | DIODE BA157 |
| D 668 | 8309-516-752 | DIODE BYT53G TEMIC |
| D 671 | 8309-204-050 | DIODE BY297 |
| D 682 | 8309-204-060 | DIODE BY299 |
| D 683 | 8305-306-001 | IC ZTK 33 B DPD ITT |
| D 826 | 8309-200-021 | DIODE BAV21 ITT/ TFK |
| F 130 | 8141-811-603 | FILTER 7X7 603 FARBE 657 |
| F 901 | 07202-342.97 | ZF - SPULE * |
| F 906 | 8319-001-362 | OFW J 1952 SIE |
| F 924 | 8602-755-042 | CER.TRAP 42 |
| F 926 | 19203-012.97 | KERAMIK-FILTER 60 |
| IC 150 | 8305-338-362 | IC TDA 8362 A |
| POS. NR. POS. NO. | SACHNUMMER PART NUMBER | BEZEICHNUNG DESCRIPTION |
| IC 320 | 8305-337-233 | IC TDA7233 SGS |
| IC 400 | 8305-343-653 | IC TDA 3653 B |
| IC 630 | 8305-267-842 | IC UC3842N/AN SGS/MOT |
| IC 676 | 8305-204-317 | IC LM 317 T NSC/MOT/ |
| IC 690 | 8305-205-703 | IC MC 7805 CT |
| IC 810 | 8305-367-530 | IC TFMS 5300 |
| IC 820 | 8305-210-065 | IC MC 33164 P-5RP |
| IC 830 | 8305-602-401 | IC X 24 C 02 P XICOR |
| IC 850 | 8305-686-706 | IC ZC411718P (MC68HC05T1) |
| L 302 | 8140-526-544 | DR ST 0411 10UH |
| L 506 | 8104-982-056 | FERRITPERLE HF 70 BTL |
| L 601 | 29500-823.96 | FUNKENTSTOERDROSSEL |
| L 819 | 8104-982-051 | FERRITPERLE HF 55 BTL |
| L 924 | 8140-526-427 | DR ST 0411 8,2UH |
| Q 172 | 8382-136-004 | QUARZ #136 2A 4,433619MHZ |
| Q 857 | 8602-331-085 | CER.RES.85 4,00 MG |
| R 118 | 8701-121-017 | KSW SI B 4,7 OHM 5% |
| R 119 | 8701-121-017 | KSW SI B 4,7 OHM 5% |
| R 301 | 8700-329-017 | KSW NB 0207 4,7 OHM 5% |
| R 337 | 8701-121-027 | KSW SI B 12 OHM 5% |
| R 411 | 8796-103-109 | ESTR P6A 100 OHM LIN N6 |
| R 412 | 8700-329-007 | KSW NB 0207 1,8 OHM 5% |
| R 416 | 8700-329-001 | KSW NB 0207 1 OHM 5% |
| R 502 | 8705-329-070 | MOW 0411 150 OHM 10% |
| R 503 | 8705-226-991 | MOW 0411 0,51 OHM 10% |
| R 504 | 8701-121-033 | KSW SI B 22 OHM 5% |
| R 513 | 8700-329-083 | KSW NB 0207 2,7 KOHM 5% |
| R 543 | 8705-329-025 | MOW 0411 10 OHM 5% DRA |
| R 554 | 8705-321-022 | MOW 0411 7,5 OHM 5% SXS |
| R 609 | 8311-200-020 | PTC RM5 B59.250C1080 SIE |
| R 627 | 8765-049-161 | MSW 0414 4,7 MOHM VDE BE |
| R 633 | 8705-360-353 | MOW 0617 56 KOHM 10% SXS |
| R 654 | 8790-050-025 | ESTR.SK10-A 470 OHM LIN |
| R 664 | 8705-369-043 | MOW 0617 56 OHM 5% |
| R 669 | 8705-279-065 | MOW 0922 470 OHM 5% DRA |
| R 681 | 8705-369-099 | MOW 0617 12 KOHM 5% |
| R 685 | 8700-329-029 | KSW NB 0207 15 OHM 5% |
| SI 600 | 8315-617-006 | SI 5X20 T2,5A L 250V |
| T 501 | 8303-285-637 | TRANS.BC 637 |
| T 506 | 8302-260-508 | TRANS.ON 4508/BU 508D GRD |
| T 511 | 8303-205-548 | TRANS.BC 548 B |
| T 523 | 8303-205-548 | TRANS.BC 548 B |
| T 665 | 8302-422-184 | TRANS.MJF18004C MOT/ BUL |
| T 686 | 8303-273-337 | TRANS.BC 337-25 |
| T 736 | 8303-406-421 | TRANS.BF 421 E6323SIE/PHI |
| T 741 | 8303-401-422 | TRANS.BF 422 WW.BF 422 S |
| T 756 | 8303-406-421 | TRANS.BF 421 E6323SIE/PHI |
| T 761 | 8303-401-422 | TRANS.BF 422 WW.BF 422 S |
| T 776 | 8303-406-421 | TRANS.BF 421 E6323SIE/PHI |
| T 781 | 8303-401-422 | TRANS.BF 422 WW.BF 422 S |
| TR 501 | 09246-863.04 | TREIBERTRAFO |
| TR 550 | 29201-653.01 | TRAFO DIODENSPLIT |
| TR 601 | 29201-512.97 | TRAFO SPERRWANDLER |
| WW. | 29201-612.97 | TRAFO SPERRWANDLER |
Es gelten die Vorschriften und Sicherheitshinweise gemäß dem Service Manual "Sicherheit", Sach-Nummer 72010-800.00, sowie zusätzlich die eventuell abweichenden, landesspezifischen Vorschriften!

EinfachAnleitung