HFT600X - Exaustor de cozinha HOOVER - Manual de utilização gratuito
Encontre gratuitamente o manual do aparelho HFT600X HOOVER em formato PDF.
Questions des utilisateurs sur HFT600X HOOVER
0 question sur cet appareil. Repondez a celles que vous connaissez ou posez la votre.
Poser une nouvelle question sur cet appareil
Baixe as instruções para o seu Exaustor de cozinha em formato PDF gratuitamente! Encontre o seu manual HFT600X - HOOVER e retome o controlo do seu dispositivo eletrónico. Nesta página estão publicados todos os documentos necessários para a utilização do seu dispositivo. HFT600X da marca HOOVER.
MANUAL DE UTILIZADOR HFT600X HOOVER
Exaustor Manual de instruções

Índice
- Instruções de segurança
2....Instalacao
3....Comear a uso o seu exaustor - Resolucao de problemas
5....Manutenção e limpeza - Proteção Ambiental
INSTRUÇões DE SEGURANÇA
Este manual explicá a instalação e a utilização correta do seu exaustor, leia-o atentamente antes de usar o produto, mesmo que já esteja familiarizarado com o mesmo. Omanualdevesermantodum local seguro parareferência futura.
O que nunca deve fazer:
- Nunca tente usar o exaustor sem os filtros de gordura ou se os filtros estiverem demasiado engordurados!
- Não instale sobre um fogão com um grelhador muito elevado.
- Não deixe frigideiras em uso sem supervisão porque gorduras ou oleos sobraquecidos podem incendiar-se.
- Nunca deixe chamas desprotegidas debaixo do exautor.

Se o exaustor estiver danificado, não tente utilizes lo.
- Não faça pratos flâmbé debaixo do exaustor.
- CUIDADO: As peças acesseis podem tornar-se quentes quando usadas com apareiros para cozhar.
- A distência minima entre a superficie de suporte e os recipientes para cozinho no fogão e na parte mais baixa do exaustor. (Quando o exaustor estiver localizzato sobre um aparelho a gás, esta distência deve ser deleo menos 65 cm.)
- O ar não deve ser descarregado num cano de chamíne uso para evacuar fumos de eletrodométricos que utilizem gás ou outros combustíveis.

O que deve fazer sempre:
- Importante! Desligue sempre a fonte de alimentacao na fonte durante instalacao e manutenao como, por exemple, quando troca uma lampada.
- O exhaustor tem de ser instalado em conformidade com as instruções de instalação e deve cumprir todas as medicações indicadas.
- Todo o trabalho de instalacao tem de ser realizado por uma pessoa competente ou por um eletricista qualificado.
- Elimine o material da embalagem cuidadosamente. As crianças são vigilantes a este material.
- Preste atençao as extremidades aguçadas no interior do exaustor durante a instalacao e limpeza.
- Quando o exaustor estiver colocado por cima de um aparelho a gás, a distência minima entre a superficie de apoio para os recipientes para cozinhar no fogão e a parte mais baixa do exaustor tem de ser:
Fogoes a gas: 75 cm
Fogoes elétricos: 65 cm
Fogoes a oleo ou carvão: 75 cm
- Certifique-se de que a canalização não tem dobras com um ângulo mais apertado que 90 graus uma vez que isto reduz a eficiência do exaustor.
- Aviso: Se os parafusos ou o disposicao de fixacao nao foram montados de acordo com estas instruções, poder ocorro riscos eletricos.
O que deve fazer sempre:
- Coloque sempre tampas nos tachos e panelas quando estiver a cozinhoar num fogão a gás.
- quando no modo de EXTRAÇÃO, o ar na divisão está a serremovido pelox exhaustor. Certifique-se de que está a sercempridas as medidas de ventilação apropriadas. O exhaustor remove odores da divisão mas não o vapor.
- O exaustor destinia-se apenas a uso dométrico.

- Se o cabo de alimentação estiver danificado, este tem de ser substituído pelo fabricante,elo agente de service ou por pessoas igualmente qualificadas de forma a fazer o perigo.
- Este aparecido pode ser realizado por crianças de idade igual ou superior a 8 anos e por pessoas com capacidades fibras, sensoriais ou mentalais reduzidas ou falta de experiencia e conheçimento, caso lhes tenha sido fornecida supervisão ou instruções relatives à'utilisation do aparecido de forma segura e desde que compreendam os perigos envolvidos. As crianças não devem brincar com o aparecido. A limpeza e manutenção pelo Utilizador não deve ser realizada por crianças sem supervisão.

- Aviso: Antes de obterAceço a terminais, todos os circuitos de alimentacao elétrica tem de estar desligados.
O que deve fazer sempre:
- Cuidado: O aparecido e as suas peças acessíveis podem ficar quentes durante oestrutura. Tenha o cuidado de evaporar tocar nos elementos de aquecimento. Crianças com menos de 8 anos devem manter-se afastadas a menos que estejam sob constante supervisão.
- Deverá existir uma ventilação adequada da divisão quando o exaustor estiver a ser uso ao mesmo tempo que aparehos que functionam a gás ou outros combustíveis.
- Existe o risco de incério se a limpeza não for realizada de acordo com as instruções.
- Os regulamentos referentes à descarga de ar tem de ser acatados.
- Limpe o seu aparecido periodicamente seguido o método fornecido no capítulo MANUTENÇÂO.
- Por motivos de segurar, use abenas o mesmo tamanho de parafuso de montagem ou fixação recomendado neste manual de instruções.
- Em relacion aDados sobre o método e sobre a Frequência de limpeza, consulte a secção de manutençao e limpeza no manual de instruções.
- A limpeza e a manutençãoeloutilizador não devem ser realizadas por crianças sem supervisão.
- Quando o exaustor e aparehos com fornecimento de energia que não eletricidade estiverem simultaneamente em precisão, a pressão negativa na divisão não deve excesser 4 Pa (4 x 10-5 bar).
- AVISO: Perigo de incência: não guarde artigos em cima das superficies para cozinho.
- Não deve nunca utilizes um aparheiro de limpeza a vapor.
- NUNCA tente extinguir um incério com água, em vez disso deslgue o aparecido, em seguida, cubra a chama com, por exemplo, uma tampa ou um cobertor antifogo.
INSTALAÇÃO (VENTILACAO EXTERIOR)
MONTAGEM DA UNIDADE DE ALETAS
Se o exaustor não tiver uma unidade de aletas 1 montada, deve montar as metades na sua estrutura. As imagens apenas àsream um exemple de como montar a unidade de aletas, a saída pode ser diferente de acordo com os不同类型 modelos e configuração.
- montar两大 metades 2 na armação 6:
- um pino 3 deve estar orientado para o topo;
o eixo 4 delve ser inserido nos orificios 5 na armação: - repetir todas as operações para a 2^a metade.

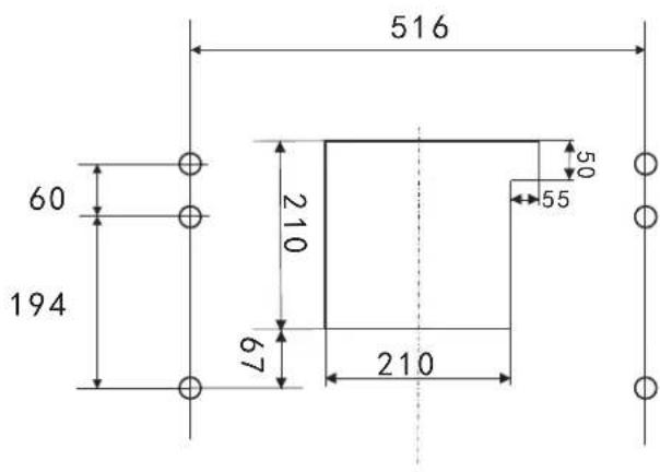
INSTALAÇÃO (montagem na parede)
- Decida a localização dos furos para fixar o exaustor.

- Instale o suporte em forma de L sobre o topo do exaustor utilizing dois parafusos (4 mm x 10 mm).

- O exaustor é montado na parede utilizing 4 parafusos (4 mm x 30 mm) e respetivas buchas.
Monte o exaustor na parede na parte traseira do exaustor utilizing 2 parafusos (4 mm x 30 mm) e respetivas buchas. Em seguida, fixe o exaustor na parede utilizing 2 parafusos (4 mm x 30 mm) e respetivas buchas através do suporte em forma de L.


6002C(60)CM
- Fixe a valvula unidirectional à saída de ar do exaustor.

INSTALAÇÃO (montagem em armário)
- Fixe a valvula unidirectional à saída de ar do exaustor.

- Monte o exaustor no armario utilizing 6 parafusos (4× 35mm) e anilhas planas.





Se existir um intervalo entre a parede e o exaustor, pode instalar o suporte em forma de L na parte inferior do exaustor utilizinginous parafusos (3 x 12 mm).
A instalacao do suporte em forma de Lé optional.
Nota: O tubo de expansão não está incluído no produits.
AVISO:

Por motivos de segurança, use apena s meismo tamanho de parafuso de montagem ou fixação recom endado n este manual de instruções.
Se os paraf usos ou o di spositivo de f ixação não foram montados de acordo com estas instruções, poder ocorro riscos eletricos.
Começar a'utilizar o exaustor
Interruptor basculante


Interruptor basculante
- Introduza a ficha de alimentação na tomada.
- Pressione o interruptor ① para, a lampada irá então acender-se; pressione o interruptor ① para "0", e a lampada irá apagar-se.
- Pressione o interruptor ② para "I、II", o motor sera colocado nas das两大 velocidades "low、high", pressione o interruptor para "0", o motor irá desligar-se.
- A alimentação está ligada quando remove o pail frontal. No sentido invverso, a alimentação está desligada automaticamente.
RESOLUÇÃO DE PROBLEMAS
| Problema | Causa possível | Solução |
| Luz acesa, mas o motor não funciona | Interruptor de ventoinha desligado | Selecione uma posicao do interruptor da ventoinha |
| Falha do interruptor da ventoinha | Contacte o centro de service. | |
| Falha do motor Contacte o centro de service. | ||
| A luz não acende, o motor não funciona | Fusíveis dométricos fundidos | Volte a ligar/substitua os fusíveis. |
| Cabo de alimentação solto ou desligado | Volte a ligar o cabo à tomada. Ligue a alimentação. | |
| Fuga deÓleo | A válvula unidirectional e a saía não está bem vedadas | Retire a válvula unidirectional ecede com vedante. |
| Fuga na ligação da chaminé e cobertura. | Retire a chaminé e vede. | |
| As luzes nãoFUNCTIONAM | Globos quebrados/defeituosos | Substitua os globos de acordo com esta instruição. |
| Aspiraçãoinsufficiente | A distência entre o exaustor e a Boca a gás é demasiado grande | Volte a posicionar o exaustor de acordo com uma distência correta. |
| O exaustor está inclinado | O parafuso de fixação não está suficientemente apertado | Aperte o parafuso de pendurar e certifique-se de que fica na horizontal. |
NOTA:
Quaisquer reparacoes electrolyicas a este aparecido devem estar em conformidade com as suas leis locais, estatais e federais. Contacte o centro de assistencia se tiver alguma duvida antes de efetuar alguma das operacoes acima. Desligue sempre a unidade da rede quando abrir a unidade.
MANUTENÇA O LIMPEZA
Cuidado:
- Antes de realizar a manutenção ou limpeza, o exaustor deve ser desligado da fonte de alimentação. Certifique-se de que o exaustor está desligado da tomada de parede e que a fcha está retirada da tomada.

- As superficies externas são suscétiveis a riscos e abrasões, por istso siga as instruções de limpeza para se certificar de que obtém o melhor resulto possivel sem correência de danos.
ASPETOS GERAIS
A limpeza e manutenção deverão ser efetuadas com o aparecido frio especialmente quando se limpa. EviteDEXIXAR substancias alcalinas ou acidas (sumo de limao, vinagre, etc.) nas superficies.
ACO INOXIDÁVEL
O aço inoxidável deve ser limpo regularamente (ou está, semanalmente) para garantir uma longaesperança de vida. Seque com um pano macio e limpo. Pode utilizes um liquido de limpeza especializzato para aço inoxidável.
NOTA:
Certifique-se de que a limpeza é realizada ao longo do grão do aço inoxidável para impedir a formação de padrões cruzados antiestáticos.
SUPERFICIE DO PAINEL DE CONTROLO
O paine de controlo incorporedo pode ser limpo usingo agua com sabao. Certificque-se de que o pano está limpo e bem esprecido antes de realizar a limpeza. Utilize um pano macio seco para remove humidade em excesso existente après a limpeza.
Importante
Use detergents neutrros e evite o uso de químicos de limpeza abrasivos, detergentes hométricos fortes ou produits com abrasivos, uma vez que"These afetarão a aparência do aparecido e potencialmente removerçao qualquer impressao de ilustrações do pailéne de controlo e invalidarão a garantia do fabricante.
FILTROS DE REDE DE GORDURA
Os filtros de rede podem ser limpos manualmente. Mergulhe-os durante cerca de tres horas em agua com um detergente de libertação de gordura e, em seguida, escoveos suavamente com uma escova suave. Não aplique muito pressão, para fazer danIFICAR os filtros. (Deixe secar naturalmente sem exposicao direta a luz solar.)
Os filtros devem ser limpos separadamente de utensílios de cozinha e louça. É aconselhável que não use abrilhantasor.

INSTALAR OS FILTROS DE REDE DE GORDURA
- Siga os quatre passos aOLLOWER para instalar os filtros.
- Oriente o filtrlo de acordo com as ranhuras na parte traseira do exaustor.
- Pressione o botão na pega do padr.
- Liberté a peça assim que o FILTER encaixar uma posção de repouso.
- Repita a coisa para instalar todos os filtros.
FILTRO DE CARBONO - não fornecido
É possível usar um FILTER de carvão"Ativado para captar odeores. Normalmente o FILTER de carvão"Ativado deve ser substituído a cada vezes ou os mezes consoante os seuis hábitos de cozinhar. O procedimento de instalação do FILTER de carvão"Ativado é indicado a seguir.
(1) Deslize a parte dienteira do exaustor.
(2) O filtró de alúnbio deve ser desprendido primeiro. Pressione o dato e puxec para bajo.
(3) Retire o filtró de carbono rodando o filtró de carbono no sentido contrário aos ponteiros do relógio.
(4) Substituaelo novo filtrode carbono.


NOTA:
- Certifique-se de que o FILTER está bem preso. Caso contrario, este pode soltar-se e pode constituir um perigo.
- Com um FILTER de carvão ativado instalado, o poder de aspiração sera reduzido.
SUBSTITUÇÃO DA LÁMPADA
Important:

A I ampada t em de ser substituía p elo f abricante,elo seu age nte de service o u por pessoas igualmente qualificadas.
Desligue sempre a fonte de alimentação antes de realizar quando operações no apareh o manusear a lâmpada, certifique-se de que está tão completeness fria antes de quando contacto com os outros.
Ao manusear os globos segure-os com um pano ou com luvas para se certificar que transpiracao não entra em contacto com osleasedos uma vez que也是如此 pode reduzir a vidautildo globo.
(1) Deslique o aparelho e desconecte-o da tomada.
(2) Deslize a parte dienteira do exaustor.
(3) O FILTER de alúnbio deve ser desprendido primeiro. Pressione o dato e puxo para baixo.
(4) Substitua por una luz do mesmo tipo. LED de 110-240 V~50 Hz, MAX. 2 W.
- O Smoke ILCOS D para esta lampa de: DBS-2/65-H-120/33.
-Tensao max.:2W
Gama de tensao: CA 110-240 V
- Dimensoes:



PROTEÇÃO DO AMBIENTE:

Este aparecido está rotulado em conformidade com a Diretiva Europeia 2012/19/UE relativa aos resíduos de equipamentos eletricos e eletrónicos (REEE) 2013 em relação aos aparhos eletricos e eletrónicos. Os REEE contém substancias polentes (que podem ter um efeito negativo no meio ambiente) e elementos base (que podem ser reutilizados). É importante que os REEE sejam submetidos a tratamentos especialicos para remover e eliminar os polentes e recuperar todos os materiais. As pessoas podem desempenhar um papel importante para garantir que os REEE não representem um problema Ambiental; é essential que sejam cumpridas algumas normasbasicas:
- Os RREE não devem ser tratados como lixo dométrico;
- Os REEE devem ser levados para areas de recolha dedicadas administradas ao Municipio ou por uma Empresa registada.
Em muitos paises, as recolhas domesticas podem estar disponible para grandes REEEs. Quando compra um(AParalho novo, o antigo pode ser devolvido ao revendedor, que deve aceitar tratar da recolha gratuitamente, desde que o(AParelho sera de um tipo equivalente e tenha as masmas funcao do aparelho fornecido.
NOTA:
AOLLOWING PROCEDURE A seguir indicamos como reduzir o impacto ambiental total (por ex. uso energetico) do processo de cozinhar.
(1) Instale o exaustor num local adequado onde exista una ventilacao eficiente.
(2) Limpe o exaustor regularmente de modo a não bloquear as vias aireas.
(3) Lembre-se de desligar a luz do exaustor(before do cozinhar.
(4) Lembre-se de desligar o exaustor depuis de cozinhar.
INFORMACAO SOBRE DESMANTELAMENTO
Não desmantele o aparecido de um modo não indicado no manual de instruções. O aparecido não pode ser desmantelado pelo Utilizador. No final da sua vida éutil, o aparecido não deve ser eliminado juntamente com os resíduos domesticos. Consulte a sua autoridade local ou retentor em relaçao a conselho de reciclagem.
ManualFácil