HFT600X - Capucha HOOVER - Manual de uso y guía de instrucciones gratis
Encuentra gratis el manual del aparato HFT600X HOOVER en formato PDF.
Questions des utilisateurs sur HFT600X HOOVER
0 question sur cet appareil. Repondez a celles que vous connaissez ou posez la votre.
Poser une nouvelle question sur cet appareil
Descarga las instrucciones para tu Capucha en formato PDF gratis! Encuentra tus instrucciones HFT600X - HOOVER y toma tu dispositivo electrónico nuevamente en la mano. En esta página están publicados todos los documentos necesarios para el uso de su dispositivo. HFT600X de la marca HOOVER.
MANUAL DE USUARIO HFT600X HOOVER
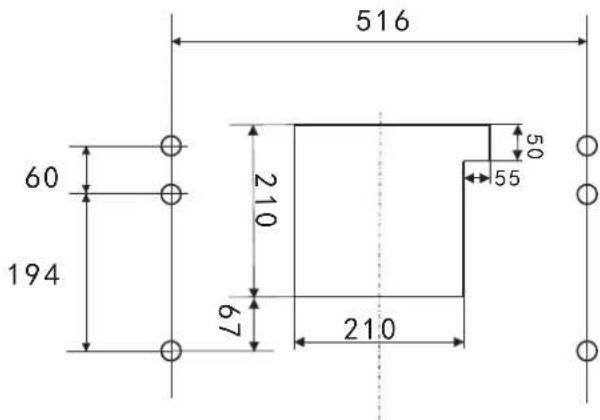
Para montar a unidade de aletas 1deferá:
- Instrucciones de seguridad
- Instalación (ventilación exterior)
- Empezar a usar la campana extractora
- Resolución de problemas
- .Mantenimiento y limpieza
- Protección del medio ambiente:
INSTRUCCIONES DE SEGURIDAD
Este manual explicía la instalación y el uso adecuados de su campana extractor. Léalo atentamente antes de usarla, incluso si está familiarizo con el producto. Elmanualdebeguardarse enun lugar seguro para futuras consultas.
Lo que nunca debe hacer:
- No use la campana extractora sin los filtros de grasa o si los filtros estan excessivamente-grasientos!
No la instale encima de una comida con una parrilla de alto nivel.
No deja las sartenes desatendidas durante el uso porque las grasas o aceites sobrecalentados peuventPRENDERSE en llamas. - Nunca deje llamas abiertas bajo de la campana extractor.

No intente usar la campana extractora si está dañada.
No flambee bajo de la campana extractora.
PRECAUCION: Las partes accesibles peuvent calentarse cuando se usesan con aparatos de cocina.
- La distancia minima entre la superficie de soporte para los utensilios de cocción en el fogón y la parte más baja de la campana extractor. (Cuando la campana se encuesta encima de una cucina de gas, esta distancia debe ser de al menos 65 cm).
- El aire no debe extrae se en conductos usados para expulsar humos de aparatos que queman gas uculos combustibles.
Lo que sempreDebe hacer:
- Important! Apague siempre el suministro de la red electrica durante la instalación y las activités de mantenimiento, comoCambiar una bombilla.
- La campana extractor de be instalarse de acuerdo con las instrucciones de instalacion y todas las medidas seguidas.
- Todos los problemas de instalación deben ser realizados por una persona competente o un electricista oficial.
- Deseche el material de embalaje cuidadosamente. Los niños son vulnerables a este.
- Preste atencion a los bordes aflilados bajo el centro de la campana extractor, especially during the installation of the limpieza.
- Cuando la campana extractora se encuesta encima de una cucina de gas, la distancia minima entre la superficie de soporte para los utensilios de cocción en el fogón y la parte más baja de la campana debe ser:
Cocinas de gas: 75 cm
Cocinas electricas: 65 cm
Cocinas de carbón o aceite: 75 cm
- Asegürese de que los conductos no tengan dobleces superiores a 90 grados, ya que this reducirá la eficiencia de la campana extractor.

Lo que sempre debe hacer:
- Coloque siempre tapas en ullas y sartenes cuando cocine en una cocina de gas.
- Cuando seswanae en el mode de extractacion, la campana extractor estara extrayendo el aire de la habitacion. Aseguressede que se esten observando las medidas de ventilacion adecuadas. La campana extractor elimina los olores de la habitacion, pero no el vapor.
- La campana extractora es solo para uso dométrico.

Si el cable de alimentacion está dañado, debe ser sustituido por el fabricante, por el servicios专业技术o或其他quier professional综合素质 similar para evaporar peligros.
- Este electrodométrico puede ser realizado por niños a partir de 8 años y por personas con capacities fisicas, sensoriales o mentalares reduidas, o sin experiencia o conocimientos, siempre y cuando previamente hayan recibido la supervisión y las instrucciones necessarias para utiliser el aparato de forma segura y comprendan los riesgos que implicía. Los niños no deben usar con este electrodométrico. Las operaciones de limpieza y mantenimiento no deben ser realizadas por niños sin supervisión.

- Advertencia: Si los tornillos o el dispositivo de fijación no se instalan de acuerdo con estas instrucciones, pueda producirse riesgos electricos.
Lo que sempreDebe hacer:
- Precaución: El electrodomístico y sus accesorios se pueda calentar durante el uso. Trate de evaporar tocar los elementos de calentimiento. Los niños menos de 8 años deben mantenerse alejados a menos que estén bajo supervisión permanente.
La habitacion debe estar adecuadamente ventilada cuando la campana extractor se usa al mismotiempo que electrodomesticos quequemen gas uothers combustibles. - Existe un riesgo de incendio si la limpieza no se leva a cabo de acuerdo con las instrucciones.
- Deben裱pirse las normativas relativas a la extracción de aire.
- Limpie su electrodoméstico periodically suguiendo el método indicado en el capitulo MANTENIMIENTO.
- Por razones de seguridad, use solo tornillos de性和 montaje del時間 recommendado en este manual de instrucciones.
En cuando a los detalles sobre el método y la Frequencia de limpieza, consulte la sección de mantenimiento y limpieza en el manual de instrucciones.
Las operaciones de limpieza y mantenimiento no deben ser realizadas por niños sin supervisión. -
Cuando la campana extractor y los electrodomesticos que funciona con energia que no sea electricidad está funciona simultaneamente, la presión negativa en la habitación no debe superar los 4 Pa (4 x 10-5 bar).
PRECAUCLON: Peligro de incendio: no almacene articulos sobre las superficies de cocción.
No se debe utilizes un limpiador a vapor. -
Advertencia: Antes de Obtener acces a los terminals, todos los circuitos de suministro deben estar desconectados.
NUNCA intente apagar un incendio con agua; debe apagar el aparato y cubrir posteriormente la llama, p. ej., con una tapa o una manta contra incendios.
INSTALACION (VENTILACION EXTERIOR)
MONTAJE DE LA TAPA EN V
Si la campana extractor no dispone de una taps en V 1 montada, deben montar las mitades en su cuerpo. Las imagenes solo muestran un exemple de como montar la taps en V, la saluteuede serdifferente segun los differentes modelos y configuraciones.
Para montar la tapa en V, deben:
Montar las dos mitades 2 en el cuerpo 6.
- Un pasador 3defería estar orientado hacer arriba.
- El eje 4 deben introducirse en los orificios 5 en el cuerpo.
- Repita todas las operaciones para la 2^a mitad.

INSTALLACION (Montaje en pared)
- Decida laubicacion de los agujeros para fjar la campana extractor.

- Instale el soporte en forma de L en la parte superior de la campana con dos tornillos (4 mm x 10 mm).

- La campana extractora se monta en la pared con 4 tornillos (4 mm x 30 mm) y tacos de pared. Monte la campana extractora en la pared con 2 tornillos (4 mm x 30 mm) y tacos de pared en la parte posterior de la campana. Luego fije la campana extractora en la pared con 2 tornillos (4 mm x 30 mm) y tacos de pared ajustados al soporteklequeeno en forma de L.

6002C (60) CM

- Fije la valvula de una via a la calidad de aire de la campana extractor.

INSTALACION (Montaje en armario)
- Fije la valvula de una via a la calidad de aire de la campana extractora.

- Monte la campana extractor en el armario con 6 tornillos (4 x 35 mm) y arandelas planas.





Si hay un espacio entre la pared y la campana extractor,可以更好 instalar el soporte en forma de L en la parte inferior de la campana mediante dos tornillos (3 x 12 mm).
La instalación del soporte en forma de L es optional.
Nota: El tubo de expansión no está incluido en el producto.
PRECAUCION:

Por razones de seguridad, use solo tornillos de fijación o montaje del tamanó recomendado en este manual de instrucciones.
Si los tornillos o el dispositivo de fijación no se instalan de acuerdo con estas instrucciones, pueda producirse riesgos electricos.
Empezar a usar la campana extractora
Interruptor basculante

- Introduzca el enchufe en la toma de corriente.
- Mueva el interruptor ① hacía, la luz se encenderá; mueva el interruptor ① a “0”, la luz se apagará.
- Mueva el interruptor ② );hacia "I, II",el motor está en una de las dos
velocidades, "baja, alta"; mueva el interruptor a "0", el motor se apagará.
- La alimentación se conectará cuando saque el panel frontal. Por el contrario, la alimentación se desconectará automatistically.
RESOLUCION DE PROBLEMAS
| Fallo Causa posible Solución | |
| La luz está encendida, pero el motor no funciona | Interruptor del ventilador apagado |
| Fallo del interruptor del ventilador | |
| Fallo del motor | |
| La luz no funciona, el motor no funciona | Han saltado los fusibles de la casa |
| Cable de alimentación suelo o desconectado | |
| Fuga de aceite | La válvula de una vía y laitters no está herméticamente selladas |
| Fuga en la conexión del tubo deitters y la cubierta | |
| Las luces no funciona | Globos rotos/defectuos |
| Sución insufiente | La distancia entre la campana extractor y el gas estáblemado lejos |
| La campana extractor se inclina | El tornillo de fijación no está lo suficientemente ajustado |

NOTA:
Cualquier reparacion electrica de este electrodomestico debeFULR con las leyes locales, estatales y federales. Pongase en contacto con el centro de
asistencia技术水平si tenealguna duda antes derealizarcualquiera de los pasos anteriores.Desconecteiamielunidadde la fuente de alimentacioncuando abra la unidad.
MANTENIMIENTO Y LIMPIEZA
Precaución:
- Antes delearvaracaboelmantimiento ola limpieza,la campanaextractoradebeestardesconectada de la fuente de alimentacionprincipal.Aseguesede que la campana extractora estedesconectada de la toma deparedyque se

haya retirado el enchufe.
- Las superficies externas son susceptibles a rasguños y abrasiones, por lo tanto, siga las instrucciones de limpieza para garantizar que se obtenga el mejor的结果ado possible sin daños.
GENERAL
La limpieza y el mantenimiento se deben落户 a cabo con el aparato frío, especially durante la limpieza. EviteURT sustancias alcalinas o acidas (jugo de limón, vinagre, etc.) en las superficies.
ACERO INOXIDABLE
El acero inoxidable debe limparse de forma regular (porejempo, semanalmente) para garantizar una larga vidautil. Sequelo con un paño suave y limpio. Se pueda usar un detergente especialico para acero inoxidable.
NOTA:
Asegürese de que la limpieza se realice siguiendo la trama del acero inoxidable para evaporar que aparezcan los antiestéticos patrones de rayado cruzado.
SUPERFICIE DEL PANEL DE CONTROL
El panel de control incrustado se pueda limpar con agua tibia con jabón. Asegúrese de que el paño está limpio y bien escurrido antes de limparlo. Use un paño suave y seco para eliminar el excesso de humedad que queda afterwards de la limpieza.
Importante
Use detergentes neutros y evite el uso de productos químicos de limpieza agresivos, detergentes dométricos fuertes o productos que contengan abrasivos, ya que este afectará a la aparancia del electrodométrico y posiblemente eliminará cualquier impresión estética en el panel de control y anulará la garantía del fabricante.
FILTROS DE MALLA PARA LA GRASA
Los filtros de malla se pueda limpar a nano. Empápelos durante aproximadamente 3 horas en agua con un detergente antigrasa y bajo cepíllos suavamente con un cepillo suave. No aplique demasiada presión, evite dañarlos. (Deje que se sequen de forma natural pero alejados de la luz directa del sol)
Los filtros deben lavarse分开ados de la vajilla y los utensilios de cocina. Se aconseja no utiliser agente enjuagante.

INSTALLACION DE LOS FILTROS DE MALLA PARA LA
GRASA
- Para instalar los filtros, siga los siguientes cuando pasos.
- Posicionelimento en las ranuras de la parte posterior de la campana.
- Presione el botón del agarre del filtro.
- Suelte el agarre una vez que el filtro se ajuste en una posicion de descanso.
- Repita este proceso para instalar todos los filtros.
FILTRO DE CARBONO - no incluido
El filtro de carbono activado se pueda usar para atrapar los olores. Normalmente, el filtró de carbono activado debe cambiarse a los tres oarethmes, según sus habitos de cocina. El procedimiento de instalación del filtró de carbono activado es el suiviente.
(1) Deslice la parte frontal de la campana extractor.
(2) Primero, deben extraerse el bajo. Pulse el boton de bloqueo y tire hacia abajo.
(3) Saque el filtro de carbono girandolo en sentido contrario a las agujas del reloj.
(4) Coloque el nuevo filtró de carbono.


NOTA:
- Asegürese de que el filtro estábloqueado de forma segura. De lo contrario, se aflojar y causaría daños.
- Cuando el filtro de carbono activado está connectado, la potencia de succion disminuirá.
SUSTITUCION DE LA BOMBILLA
| Importante: | La bombilla debe cambiarla el fabricante, su agente de service o personas con una calidadacion similar.Apague siempre el suministro de electricidad antes de realizarequalquierope raciajonelaparato.Cuando manipule la bomb illa,asegúrese de que esté Completely fríaantes deequalquiercontactodirectoconlas manos.Cuando manipule los gl obos,sosténgalos con un paño o guantes para asegurarque la transpiración no entre en contacto con elglobo,ya que this puedereducir la vidautil del globo. |
(1) Apague el aparato y desenchufelo.
(2) Deslice la parte frontal de la campana extractora.
(3) Primero, deben extraerse el bajo. Pulse el boton de bloqueo y tire hacía abajo.
(4) Colque una bombilla con el mismo tipo de luz: 110-240 V ~ 50 Hz, MAX. 2 W LED
-
El número ILCOS D para esta lámpara es: DBS-2/65-H-120/33.
-
Potencia maxima: 2 W
- Rango de voltaje: 110-240 V CA
-Medidas:

PROTECCION DEL MEDIO AMBIENTE:

Este electrodométrico está certificado conforme a la Directiva Europea 2012/19/UE sobre residuos de aparatos electricos y electrónicos (RAEE) y regulaciones de 2013. Los dispositivos RAEE contienen sustancias contaminantes (que pueda tener consecuencias negativas para el medio ambiente) y componentes basics (que pueda reutilizar). Es importante que dichos dispositivos estén susertos a tratimientos especialicos para eliminar y(deschar correctamente todos los contaminantes y recuperar todos los materiales. Cada individuo pueda desempenaar un papel importante a la hora de garantizar que los dispositivos RAEE no se convertan en un problema medioambiental; parearlo, es fundamental seguir todas las reglasbasicas:
- los dispositivos RAEE no deben tratarse como residuos dométricos;
- los dispositivos RAEE debenelligence a los+puntos de recogida especificos gestionados por el ayuntamento o por unaEmpresa registrada.
En manyos paires, puee haber disponible un service de recogida a domicilio de los RAEE de gran tameno. Cuando se compra un nuevo aparato, el viejo能把 entregarse al vendedor, que debe adquirirlo Gratisamente siempre que el aparato sea de tipo equivalente yonga las malmas funcciones que el que se ha adquirido.
NOTA:
A continuación se muestra como reducir el impacto ambiental total (por exemple, mediante el uso de energia) del proceso de coccción.
(1) Instale la campana extractor en un lugar apropiado donde haya una ventilación eficiente.
(2) Limpie la campana extractor regularmente para no bloquear las vías de salute del aire.
(3) Recuerde apagar la luz de la campana extractorauponedes cocinar.
(4) Recuerde apagar la campana extractora antes de cocinar.
INFORMACION PARA EL DESMONTAJE
No desmonte el aparato deforma diferente a la mostrada en el manual de instrucciones. El aparato no puede ser desmontado por el usuario. Al final de su vidautil, el electrodomestico no se debe tirar con la basura domestica.Consulte con su recolector dedesechos o autoridad local para obtener consejos de reciclaje.
ManualFácil