PHD 110 A1 - Lavadora de alta pressão POWERFIX - Manual de utilização gratuito
Encontre gratuitamente o manual do aparelho PHD 110 A1 POWERFIX em formato PDF.
Perguntas frequentes - PHD 110 A1 POWERFIX
Perguntas dos utilizadores sobre PHD 110 A1 POWERFIX
0 pergunta sobre este aparelho. Responda às que conhece ou faça a sua.
Faça uma nova pergunta sobre este aparelho
Baixe as instruções para o seu Lavadora de alta pressão em formato PDF gratuitamente! Encontre o seu manual PHD 110 A1 - POWERFIX e retome o controlo do seu dispositivo eletrónico. Nesta página estão publicados todos os documentos necessários para a utilização do seu dispositivo. PHD 110 A1 da marca POWERFIX.
MANUAL DE UTILIZADOR PHD 110 A1 POWERFIX
Tradução do manual de instruções original
GB IE
PRESSURE WASHER
Antes de começar a ler abra na página com as imagens e, de seguida, familiarize-se com todas as funções do aparelho.
Dados técnicos ......83
Medidas de segurança .....84
Símbolos gráficos colocados no aparelho 84
Símbolos colocados no manual .....84
Indicações gerais de segurança .....85
Colocação em funcionamento .....87
Montagem 88
Ligação à rede eléctrica .....88
Funcionamento 88
Interromper a operação ....89
Encerrar a operação .....90
Fixação das rodas .....90
Limpeza e Manutenção .....90
Limpeza 90
Manutenção ....90
Estoque 90
Remoção da Ferramenta/
Proteccão ao Meio Ambiente .....91
Pecas sobressalentes .....91
Diagnóstico de falhas .....92
Garantia 93
Serviço de reparação .....94
Service-Center 94
Importador 94
Tradução do original da
Declaração de conformidade CE .103
Designação de explosão .....104/105
Introdução
Parabéns pela compra do seu novo aparelho. Com a sua compra, decidiu-se por um produto de alta qualidade.
Este aparelho foi testado durante a produção em relação à qualidade e submetido a uma inspeção final. A funcionalidade do seu aparelho está desta forma garantida.
Em casos isolados, não é de excluir a ausência total de quantidades residuais de água ou lubrificantes no ou dentro do aparelho, ou nas canalizações de mangueira. Isto não representa contudo nenhuma deficiência ou defeito e não é motivo para preocupações.

O manual de instruções é uma parte integrante deste artigo. Ele contém indicações importantes referentes à segurança, utilização e eliminação. Familiarize-se com todas as indicações de utilização e de segurança do artigo. Utilize este artigo da forma que é descrita e apenas para as finalidades indicadas. Guarde bem o manual e, se transmitir o artigo a terceiros, entregue também todos os respetivos documentos.
Uso previsto
Utilize esta lavadora de alta pressão exclusivamente para fins domésticos:
- para a limpeza com jacto de alta pressão em máquinas, veículos, construções, ferramentas, fachadas, terraços, equipamentos de jardinagem, etc.
- o uso de acessórios e componentes de reposição originais.
- e respeito dos dados do fabricante dos aparelhos que estão sendo limpos.
Descrição geral
Volume de fornecimento
Desempacote o aparelho e comprove a existência do material fornecido:
- Lavadora de alta pressão com cabo de conexão eléctrica
- Pistola ejectora
- Mangueira de alta pressão
- Tubo de jacto
- Bico de jacto plano regulável
- Tubeira de alta pressão
- Reservatório do produto de limpeza com bico
- Agulhão de limpeza dos bicos
- Suporte para acessórios
- Tradução do manual de instruções original

As figuras das principais peças funcionais encontram-se na capa.
Vista geral

1 Conexão da alta pressão do lado do aparelho
2 Tubo do jacto
3 Alça de transporte
4 Pistola ejectora
5 Suporte para pistola ejectora
6 Agulhão de limpeza dos bicos
7 Conexão de alta pressão
8 Conexão eléctrica
9 Suporte para mangueira de alta pressão
10 Conexão da água com peneira (não visível)
11 Bico de jacto plano regulável
12 Tubeira de alta pressão
13 Suporte para bico
14 Suporte para tubo do jacto
15 Reservatório do produto de limpeza com bico
16 Suporte para reservatório do
produto de limpeza / Conexão
eléctrica
17 Chave liga/desliga
18 Conexão da alta pressão do
lado da pistola
19 Alavanca de bloqueio
Funcionamento
A lavadora de alta pressão destina-se para serviços de limpeza por meio de um jacto de água de alta pressão.
Caso necessário com adicionamento de produtos de limpeza.
Verifique as funções dos elementos operacionais nas descrições que seguem. Observe as indicações de segurança.
Dados técnicos
Lavadora
de alta pressão ...... PHD 110 A1
Tomada de corrente.....230 V\~, 50 Hz
Potência de entrada 1300 W
Linha de rede 5 m
Peso (incl. todas as peças) ..... 5,5 kg
Classe de protecção ....☐ II
Tipo de protecção .....IPX5
Temperatura de aspiração
(T em máx). 40 °C
Pressão de aspiração
p em máx. . ....0,8 MPa (8 bar)
Pressão de serviço p .....7,5 MPa (75 bar)
Pressão máx. permitida
p máx.....11 MPa (110 bar)
Volume de fornecimento (Q) ..... 5 l/min
Max volume de fornecimento
(Q max) 6,6 l/min
PT
Nível de pressão acústica (L_pA) .....77 dB(A); K_pA = 3,0 dB Nível de potência acústica ( L_WA ) medido ..... 89 dB(A); K_WA = 2,24 dB garantido ..... 91 dB (A) Vibração ( a_b ) ..... ≤2,5 m/s
Poderemos efectuar modificações técnicas e no design no decurso da evolução técnica sem avisarmos previamente.
Não os responsabilizamos, por isso, por todas as medidas, indicações e informações contidas neste manual de instruções. Títulos que possam ser feitos valer devido às informações deste manual não poderão, por isso, ser postos em vigor.
Medidas de segurança
Este parágrafo trata das prescrições básicas de segurança durante o trabalho com a lavadora de alta pressão.
Símbolos gráficos coloca- dos no aparelho

Atenção!

Antes de iniciar o trabalho, familiarize-se com todos os elementos de comando, em especial suas respectivos funções e modos de funcionamento. Caso necessário, consulte um especialista.
Atenção! Caso o cabo de rede seja danificado ou cortado, tire imediatamente a ficha da tomada de corrente.
Aparelho não apropriado para ser ligado ao sistema de abastecimento de água potável.

Lavadoras de alta pressão podem tornar-se perigosas quando usadas inadequadamente. O jacto não deve ser dirigido sobre pessoas, animais, equipamentos eléctricos activos ou sobre o próprio aparelho.

Nível de potência acústica garantido

As máquinas não devem ser deitadas para o lixo doméstico.
Classe de protecção II
Símbolos colocados no manual

Sinais de perigo para a prevenção de danos físicos ou de danos materiais.

Sinais ordenativos (neste caso, em vez de aparecer o ponto de exclamação, vem explicada a ordem) para a prevenção contra danos.

Sinais indicativos com informações de como trabalhar melhor com o aparelho.
Indicações gerais de segurança
- As crianças não devem utilizar o aparelho.
- Este dispositivo pode ser utilizado por pessoas com capacidades físicas, sensoriais ou mentais reduzidas, ou falta de experiência e conhecimento, contanto que supervisionadas ou instruídas acerca da utilização segura do dispositivo e desde que estejam conscientes dos riscos daí resultantes. As crianças não podem brincar com o aparelho.
- Utilize o aparelho somente sobre superfícies planas e estáveis.
- A pega de transporte serve unicamente para transportar o aparelho. O aparelho é móvel, mas não o transporte durante a operação.
- Para a sua segurança, recomendamos a utilização de óculos de protecção, sapatos de protecção, luvas e, se for necessário, protector de ouvidos.
- No caso da ocorrência de avarias ou defeitos durante o funcionamento, desligue o aparelho imediatamente e retire a ficha da tomada de rede. De seguida, leia a página 92 do manual de instruções para obter informações sobre as possíveis causas de avaria ou entre em contacto com o nosso centro de assistência ao cliente.
Trabalhos com o aparelho

Cuidado! Assim poderá evitar acidentes e ferimentos:

Lavadoras de alta pressão podem tornar-se perigosas quando usadas inadequadamente. O jacto não deve ser dirigido sobre pessoas, animais, equipamentos eléctricos activos ou sobre o próprio aparelho.
- Não direccione o jacto em si mesmo ou em outros, com o propósito de limpar roupa ou sapa-tos.
- Utilize a pistola de jato sempre com ambas as mãos. Desta forma, pode aguentar com segurança a força do impacto do jato de água que sai do aparelho.
- Não utilize o aparelho quando pessoas se encontrarem no alcance do jacto, a não ser que utilizem roupa protectora adequada.
- Tome as medidas necessárias para manter as crianças longe do aparelho em funcionamento.
- Descarte o material da embalagem de maneira apropriada.
- Não utilize o aparelho próximo a líquidos ou gases inflamáveis. A inobservância desta regra implica em risco de incêndio ou explosão.
- Não pulverize líquidos inflamáveis. Perigo de explosão.
PT
- Mantenha o aparelho num sítio seco e fora do alcance das crianças.
- Cuidar das crianças para assegurar que elas não brinquem com o aparelho.
- Certifique-se de não haja emissões de gás de escape próximas às admissões de ar.

Cuidado! Assim poderá evitar danos ao aparelho e eventuais danos corporais a eles associados:
- Não trabalhe com um aparelho avariado, incompleto ou modificado sem a autorização do fabricante. Solicite a inspecção da existência das medidas necessárias de protecção eléctrica por um técnico especializado.
- Não coloque o aparelho em funcionamento quando a co-nexão eléctrica ou outros com-ponentes importantes, como a mangueira de alta pressão ou a pistola ejectora, estiverem avariados.
- Proteja o aparelho de geada e do trabalho em seco.
- Utilize apenas acessórios originais e não execute nenhuma modificação no aparelho.
- Com relação ao assunto "Manutenção e limpeza", é favor ler as instruções indicadas no manual de serviço. Todas as outras medidas para além daquelas descritas, nomeadamente a abertura do aparelho, devem ser tomadas por
um electricista. No caso de necessidade de reparação, entre sempre em contacto com o nosso serviço de assistência técnica.
- Este aparelho foi concebido para ser utilizado com um agente de limpeza neutro, com base em tensioactivos aniônicos biodegradáveis. A utilização de outros agentes de limpeza ou de substâncias pode afectar a segurança do aparelho e causar danos no mesmo.
- Se entrar em contacto com produtos de limpeza, enxagúe com água em abundância.
- A água que passou pelo separador de sistema é classificada como água não potável.
- Mangueiras de alta pressão, válvulas e acoplamentos são importantes para a segurança da máquina. Utilize unicamente mangueiras de alta pressão, válvulas e acoplamentos recomendados pelo fabricante.
- Para garantir a segurança da máquina, utilize somente peças de reposição originais do fabricante ou por ele autorizadas.
Cuidado! Assim poderá evitar acidentes e ferimentos causados por choque eléctrico:
- No uso de extensões eléctricas, deve-se usar ficha e acoplamento eléctrico à prova de água.

Extensões eléctricas impró- prias podem ser perigosas. Existe o perigo de lesões a pessoas por choque eléctrico.
- Proteja as conexões eléctricas da humidade.
- Se houver perigo de inundação, as conexões de ficha devem ser colocadas numa zona protegida contra inundações.
- Certifique-se de que a tensão da rede corresponde às indicações mencionadas na chapa de características do aparelho.
- A ligação à rede deve ser feita por um electricista experiente e estar de acordo com as exigências da IEC 60364-1.
- Conectar o aparelho somente numa tomada com dispositivo de protecção contra corrente de avaria (interruptor FI) e com uma corrente atribuída não superior a 30 mA; fusível de, pelo menos, 6 ampère.
- Cada vez que for usar o aparelho, verifique a presença de danos no aparelho, no cabo e na ficha.
- Quando a conexão elétrica deste aparelho estiver danificada, ela deve ser substituída por uma conexão apropriada através a assistência técnica do fabricante ou por pessoa devidamente qualificada, evitando assim, transtornos perigosos.
- Não use o cabo para puxar a ficha da tomada. Proteja o cabo contra o calor, óleo e arestas cortantes.
- Não carregue nem fixe o aparelho pelo cabo.
- Utilize unicamente cabos de extensão protegidos contra borrifos de água e autorizados para utilização ao ar livre. Sempre desenrole totalmente o fio antes de usar o aparelho. Verifique se o cabo está danificado.
- Sempre que for executar serviços no aparelho, durante as pausas e quanto o aparelho não for utilizado, retire a ficha da tomada de corrente.
- As conexões eléctricas na rede não devem ter um diâmetro inferior à 2 x 2,5 mm ^2 .
- Use calçado resistente como proteção contra choques elétricos.
Colocação em
funcionamento

Conforme as prescrições vigentes, uma lavadora de alta pressão nunca deve ser utilizada na rede de água potável sem um separador de sistema. Deve ser usado um separador de sistema que está em conformidade com a EN 12729 tipo BA.
A água que passou pelo separador de sistema é classificada como água não potável.

Pode adquirir um desconector numa loja especializada.
- Utilize uma mangueira de jardim comum à venda no mercado para o abastecimento de água e tenha em atenção um comprimento suficiente.
Montagem

- Insira o suporte do recipiente do detergente / cabo de rede (16) no alojamento na parte lateral do aparelho.
- Insira os suportes do tubo de injeção (14) nos alojamentos na parte traseira.
- Insira os suportes da mangueira de alta pressão (9) nos alojamentos na parte traseira.
- Insira o suporte da pistola de injeção (5) no alojamento na parte dianteira.
- Retire a agulha de limpeza dos bocais (6) da página desdobrável traseira do manual e insira-a no alojamento do suporte da pistola de injeção (5).
- Aparafuse a junção de alta pressão do lado do aparelho (1) com a junção de alta pressão (7) no aparelho.
- Insira o conector de alta pressão do lado da pistola (18) na pistola de jato (4).
- Efectue uma ligação de fluxo entre a conexão rápida da alimentação de água e a conexão de água com a peneira (A 10).

- Encaixe e aparafuse o tubo de jacto (2) na pistola pulverizadora (4).
- Quando o tubo de aspersão (2) estiver montado, conecte opcionalmente o bocal de jato achatado (11) ajustável ou o bocal de alta pressão (12), enroscando-o ao tubo de aspersão (2).
O depósito de detergente com bocal (A 15) é conectado direta- mente com a pistola de jato (4) através de enroscamento.
Poderá aumentar a largura do jacto se virar a ponta do bico para a esquerda. Poderá diminuir a largura do jacto se virar a ponta do bico para a direita.
Ligação à rede eléctrica
A lavadora de alta pressão que acabou de adquirir já vem equipada com uma ficha de ligação à rede. A lavadora foi destinada para ser ligada a uma tomada eléctrica de 230 V \~ 50Hz.

Coloque o aparelho em funcionamento somente após verificados os itens que seguem:
- Certifique-se que a lavadora de alta pressão encontra-se desligada através a chave liga/desliga (A 17).
• Coloque a ficha eléctrica na tomada.
Funcionamento
- Ligue o aparelho na torneira de água. Tenha em atenção as indicações de utilização de um separador de sistemas.
- Abra completamente a torneira de água

Não utilize a lavadora de alta pressão com a torneira de água fechada. Um funcionamento a seco causa danos ao aparelho.

Dê atenção à força do impacto de retorno do jacto da água. Guide de assumir uma posição estável e mantenha a pistola firmemente nas mãos, evitando com isto danos próprios ou a outras pessoas.
- Ligue a lavadora de impacto através a chave liga/desliga (A 17).
- Puxe a alavanca da pistola de jacto (A 4). O aparelho será accionado.

Soltando a alavanca fará o aparelho se desligar. A alta pressão no entanto permanece no sistema.

- Pode bloquear ou desbloquear alternadamente, a alavanca de ligação da pistola de jato (4) pressionando a alavanca de bloqueio (19).
O bloquear da alavanca de ligação impede a ligação inadvertida do aparelho.

travado
aberto

Em caso de fugas no sistema de água, desligue imedia- tamente o aparelho com o interruptor de ligar/desligar (17) e retire a ficha do cabo elétrico do aparelho (8) da tomada elétrica. Existe perigo provocado por choques elétricos! Inicie novamente o procedimento para efetuar
as conexões de água. (ver „Colocação em funcionamento - Disposição“)
Se ainda se encontrar ar dentro do aparelho, proceda da seguinte forma:
Purgar o ar da mangueira de canalização:
- Remova o conector rápido para adaptador de mangueira de jardim na ligação de água (10) e abra a torneira da água, até a água correr sem bolhas de água.
- Feche a torneira da água.
- Conecte a mangueira de canalização com a ajuda da peça de ligação rápida para adaptador de mangueira de jardim à ligação de água (10) no aparelho.
- Abra completamente a torneira da água.
Purgar o ar do aparelho:
- Ligue o aparelho no interruptor de ligar/desligar (17), até ter sido acumulada pressão.
- Desligue a máquina no interruptor de ligar/desligar (17).
- Prima a patilha de ativação da pistola de jato (4), até a pressão ter sido eliminada.
- Repita várias vezes o procedimento 5 até 7, até já não se encontrar mais nenhum ar dentro do aparelho.
Interromper a operação
- Solte a alavanca da pistola de jacto (A 4).
- Desligue durante longos intervalos de serviço a chave liga/desliga (A 17).
Encerrar a operação
- Após a execução de trabalhos com produtos de limpeza, deixe o aparelho a funcionar com água limpa para retirar completamente o produto de limpeza das tubagens.
- Solte a alavanca da pistola de jacto (A 4).
- Desligue a lavadora de impacto por meio da chave liga/desliga (A 17).
- Feche a torneira de água.
- Desconecte a lavadora de alta pressão da alimentação de água.
- Accione a alavanca da pistola de jacto (A 4) para aliviar a pressão existente no sistema.
- Retire a ficha de rede e enrole o cabo de rede.
- Retire o compressor de alta pressão do abastecimento de água.
Este aparelho foi concebido para ser utilizado com um agente de limpeza neutro, com base em tensioactivos aniônicos biodegradáveis. A utilização de outros agentes de limpeza ou de substâncias pode afectar a segurança do aparelho e causar danos no mesmo.
Limpeza e Manutenção

Antes de todo trabalho de manutenção, tire o plug da tomada de corrente. Perigo de choque eléctrico ou de sofrer ferimentos causados por partes móveis.
Limpeza

Não borrife o aparelho com água e não lave-o em água corrente. Existe o perigo de choque eléctrico e/ou o aparelho poderá se danificar.
Mantenha o aparelho sempre limpo. Não utilize agentes de limpeza impróprios ou solventes.
- Mantenha as fendas de ventilação limpas e desobstruídas.
- Limpe o aparelho com uma escova mole ou com um pano.
- Se um dos bicos do tubo de jacto (A 11/12) ficar entupido, poderá remover o respectivo corpo estranho com o agulhão de limpeza dos bicos (A 6).

Remova de vez em quando a jun- ção de água com filtro (10) e limpe o filtro.
Manutenção
A lavadora de alta pressão não necessita de manutenção.

Solicite à nossa equipa de assistência técnica a execução de serviços não descritos neste manual de instruções. Utilize unicamente peças originais. Existe perigo de ferimento.
Estoque
- Esvazie a lavadora de alta pressão e sua respectiva mangueira totalmente da água.
Para isso retire o conector de alta pressão do lado do aparelho (A 1) e desconecte o aparelho do abastecimento de água. Ligue o compressor de alta pressão no interruptor de ligar/desligar (A 17) por aprox. 1 minuto, até que não saia mais água do conector de alta pressão (A 7). Desligue o aparelho.
- Enrole o cabo de rede.
- Armazene todos os aplicadores (11/12) na vertical, com o lado de conexão para baixo.
- A lavadora de alta pressão e seus acessórios serão destruídos por geada se não forem totalmente esvaziados de sua água.
- Mantenha a lavadora e seus acessórios dentro de um recinto livre de geada.
- Para transportar ou remover o aparelho, utilize unicamente o punho de transporte.
- Guarde o aparelho sempre na posição horizontal para protegê-lo de quaisquer tipos de danos.
Remoção da Ferramenta/Protecção ao Meio Ambiente
Por favor, coloque o aparelho, os acessórios e a embalagem nos respectivos eco-pontos para serem reciclados.

As ferramentas não devem ser deitadas para o lixo doméstico.
Entregue o artigo num local de reciclagem. As peças de material sintético e de metal podem ser sujeitas a uma escolha selectiva e, deste modo, prontas para serem recicladas. Para tal, dirija-se aos nossos Serviços de Assistência Técnica.
Tratamos também da remoção gratuita do seu aparelho.
Peças sobressalentes
Pode obter as peças de reposição e os acessórios em www.grizzly-service.eu.
Caso não tenha internet entre em contacto, por telefone, com o centro de assistência (ver "Service-Center" página 94).
Pos. Designação .... N° do artigo
A 1/18 Mangueira de alta pressão .....91104126
A 10 Acoplamento do abastecimento de água .....91097408
A4 Pistola ejectora....91104125
A2 Tubo do jacto....91096768
A 11 Bocal de jato plano .....91096767
A 12 Tubeira de alta pressão....91096765
Produto de limpeza (produto de limpeza universal) 30990010
Diagnóstico de falhas
| Problema Possíveis causas Eliminação da falha | ||
| Aparelho não funciona | Chave liga/desliga (A 17) desligada | Verificar chave liga/desliga |
| Conexão eléctrica (A 8) danificada | Verificar a conexão eléctrica (A 8) quanto a eventuais danos. Se necessário, deixar substituir a conexão eléctrica (A 8) por um profissional competente. | |
| Alimentação eléctrica defeituosa | Verifique se os dados do equipamento eléctrico coincidem com os dados da plaqueta de tipo | |
| Aparelho não transporta água | Inclusões de ar no compressor de alta pressão | Ligue o aparelho e acione a pistola de jato (A 4). |
| Purgue o aparelho de acordo com os pontos 5 a 8. | ||
| Aparelho não produz pressão | Bolhas de ar na lavadora de alta pressão | Ligue o aparelho sem a mangueira de alta pressão (A 7), até que a água expulsa fique livre de bolhas de ar. |
| Queda de pressão na tubulação | Verifique a alimentação de água | |
| Fortes oscilações de pressão | Tubeira de alta pressão (A 12) suja | Enxagúe a tubeira de alta pressão (A 12) com água. |
| Limpe o bocal com a agulha de limpeza do bocal (A 6). | ||
Garantia
Este aparelho tem uma garantia de 3 anos a contar a partir da data da compra.
Em caso de deficiências verificadas neste produto, estão à sua disposição direitos legais face ao vendedor. Estes direitos legais não são restritos pela nossa garantia a seguir descrita.
Termos de garantia
O período de garantia começa a contar da data da compra. Mantenha guardado o talão de compra original. Esse documento é exigido como comprovativo de compra.
Se no decorrer de três anos a partir da data de aquisição deste produto, ocorrer uma falha de material ou defeito de fabrico, o produto será substituído ou reparado gratuitamente, de acordo com a nossa escolha. Esta garantia exige que o dispositivo defeituoso e o talão de compra (recibo) sejam apresentados no decorrer de um prazo de três anos e que seja brevemente descrito por escrito, qual o defeito e quando é que ele ocorreu.
Se o defeito for coberto pela nossa garantia é coberta, receberá de volta o produto reparado ou um novo produto. Com a reparação ou substituição do produto não é iniciado nenhum novo período de garantia.
Período de garantia e reclamações legais por defeitos
O período de garantia não é prolongado pela prestação de garantia. Isto também se aplica às peças substituídas e reparadas. Quaisquer danos e defeitos eventualmente existentes verificados na altura da compra deverão ser comunicados imediatamente após se ter desembalado o produ- to. Após decorrido o período de garantia, as reparações necessárias estão sujeitas a pagamento.
Âmbito da garantia
O aparelho foi cuidadosamente produzido de acordo com diretivas de qualidade rigorosas e devidamente testado antes da entrega.
A prestação de garantia aplica-se a falhas de material ou defeitos de fabrico. Esta garantia não cobre os componentes do produto que estão sujeitos a desgaste normal e que são portanto consideradas como peças de desgaste (por exemplo, filtros ou ensaios), nem os danos causados nas partes frágeis (por exemplo, interruptores). Esta garantia caduca, se o produto for danificado ou se não for devidamente usado ou conservado. Para uma correta utilização do produto, deverão ser cumpridas todas as indicações descritas no manual de instruções. Deverão ser impreterivelmente evitados os usos e as ações desaconselhados no manual de instruções, ou para os quais são feitas advertências.
Este produto foi concebido unicamente para uso privado e não é indicado para uso comercial. A garantia é anulada em caso de uso abusivo e inadequado, do uso de força, e em caso de intervenções que não tenham sido realizadas pela nossa estação de serviço autorizada.
Procedimento em caso de reclama- ção de garantia
Para assegurar um processamento rápido da sua reclamação, siga por favor as se- guintes instruções:
- Mantenha à mão o talão de compra e o número do artigo (IAN 285109), como comprovativo da compra.
PT
- Pode consultar o número do artigo na placa de identificação.
- Se ocorrerem erros na funcionalidade ou outros defeitos, contate imedia-tamente por telefone ou e-mail o departamento de serviços a seguir designado. Receberá informações adi-cionais acerca do processamento da sua reclamação.
- Após consulta do nosso serviço de atendimento a clientes, pode enviar-nos um produto defeituoso com despesas de envio gratuitas para si, mediante a anexação do talão de compra (recibo) e indicando onde e quando surgiu o defeito, para o endereço de serviço que lhe for comunicado. Para evitar problemas de receção e custos adicionais, use apenas o endereço que lhe for comunicado. Certifique-se de que o envio não foi enviado livre de franquia, através de serviço de transporte de mercadorias pesadas, serviço de envio expresso, ou qualquer outro serviço de envio especial. Envie o aparelho incluindo todas as peças acessórias fornecidas aquando efetuada a compra e use uma embalagem de transporte suficientemente segura.
Serviço de reparação
As reparações que não sejam abrangidas pela garantia podem ser efetuadas pelo nosso centro de serviço, mediante faturação. Ele apresentar-lhe-á de bom grado um orçamento dos custos.
Podemos reparar apenas os aparelhos que tenham sido devidamente embalados e enviados com franquia suficiente.
Atenção: Por favor, envie o seu aparelho limpo e mediante referência da falha ou defeito para a nossa sucursal de serviços. Não serão aceites máquinas ou aparelhos não franqueados, devolvidos como mercadorias volumosas, ou através de serviços postais por expresso ou especiais. Efetuamos gratuitamente a eliminação das suas máquinas defeituosas enviadas.
Service-Center
PT
Assistência Portugal
Tenha em conta que o endereço seguinte não é nenhum endereço de serviço. Entre em contacto com o centro de atendimento acima referido.
| PT | Tradução do original da Declaração de conformidade CE |
| Vimos, por este meio, declarar que o Lavadora de alta pressão da série PHD 110 A1Número de série 201703000001 - 201703173000corresponde às respectivas normas da UE na sua versão em vigor: | |
| 2000/14/EC • 2006/42/EC • 2005/88/EC • 2014/30/EU • 2011/65/EU* | |
| Para garantir a conformidade, foram aplicadas as seguintes normas harmonizadas bem como normas e disposições nacionais: | |
| EN 60335-1:2012/A11:2014 • EN 60335-2-79:2012 • EN 62233:2008EN 55014-1/A2:2011 • EN 55014-2:2015EN 61000-3-2:2014 • EN 61000-3-3:2013 | |
| Adicionalmente declara-se de acordo com a Directiva de Emissões Sonoras para o Ambiente da 2000/14/EC:Nível de potência acústicagarantido: 91 dB(A)medido: 89 dB(A)Foi aplicado o procedimento de avaliação de conformidade de acordo com o Anexo V / 2000/14/EC | |
| O fabricante é o único responsável pela emissão desta declaração de conformidade: | |
| Grizzly Tools GmbH & Co. KGStockstädter Straße 2063762 Großostheim, 10.04.2017Germany | CEChristian Frank(Encarregado de documentação) |
* O objeto acima descrito da declaração cumpre as normas da diretiva 2011/65/UE do Parlamento Europeu e do Conselho do dia 8 de junho de 2011 sobre a restrição da utilização de determinadas substâncias em aparelhos elétricos e eletrónicos.
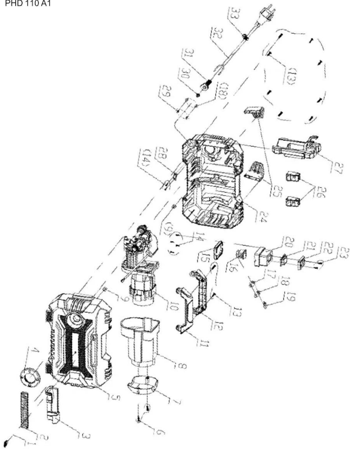
Explosionszeichnung • Exploded Drawing Explosietekening • Vue éclatée Rozvinuté náčrtky • Plano de explosión Vista en corte
PHD 110 A1

text_image
PHD 110 A1 33 32 31 30 (18) (13) 29 28 (14) 27 25 26 24 (9) (14) 15 16 20 21 22 23 17 18 19 10 12 11 8 15 16 17 18 19 10 12 15 16 17 18 19 10 12 15 16 17 18 19 10 12 15 16 17 18 19informativ, informative, informatief, informatif, informační, informativo
las informaciones · Estado das informações:
03 / 2017 · Ident.-No.: 75041470032017-8
ManualFácil