MHCRX100AV - Aparelho Hi-Fi SONY - Manual de utilização gratuito
Encontre gratuitamente o manual do aparelho MHCRX100AV SONY em formato PDF.
Questions des utilisateurs sur MHCRX100AV SONY
0 question sur cet appareil. Repondez a celles que vous connaissez ou posez la votre.
Poser une nouvelle question sur cet appareil
Baixe as instruções para o seu Aparelho Hi-Fi em formato PDF gratuitamente! Encontre o seu manual MHCRX100AV - SONY e retome o controlo do seu dispositivo eletrónico. Nesta página estão publicados todos os documentos necessários para a utilização do seu dispositivo. MHCRX100AV da marca SONY.
MANUAL DE UTILIZADOR MHCRX100AV SONY
Manual de Instruções P
f
MHC-RX100AV
Temporizador cronodesconectaro
AUTO n 90min n 80min n 70min n … n 10min n OFF n AUTO …
Cables para altavoces (5)
Para evitar o risco de incendidio ou deCHOque electrico, nao exponha o aparelho a chuva nem a humidade.
Para evaporar descargas eletricas, não abra o aparelho. Solicite assistencia somente a的技术icos especializados.
Não instale o aparelho num espaço fechado, como por exemple, uma estante ou um armário.
O componente lasernde producto capaz de emitir radiacoes superiores ao限时esa para a Classe 1.

Este aparelho é classificado como produto LASER CLASSE 1. A etiqueta CLASS 1 LASER PRODUCT MARKING está localizada na parte posterior externa do aparelho.
Este etiqueta de advertencia está localizada no interior do aparelho.

Preparativos iniciais
Passo 1: Ligação do aparelho principal 4
Passo 2: Instalação dos altifalantes......5
Passo 3: Acerto da hora 8
Passo 4: Programação de estações de rádio 9
Ligacao de componentes AV
opcionais 10
Operacionesbasicas
Reproducao de discos compactos.....13
Gravacao cassette-a-cassete. 20
O leitor de discos compactos
Utilização doestrador CD. 22
Reproducao repetida de faixas de CD 22
Reproducao de faixas de CD em ordem aleatoria. 23
Programação de faixas de CD 24
Reproducao de CDs sem interrupcao..25
O deck de cassetes
Gravacao manual em cassetes 26
Gravacao de CDs mediante specifications da ordem das faixas 27
Efeitos DJ
Trecho de elo de um CD. 29
Trecho de lampejo de um CD 29
Ondulacao do equalizador. 30
Ajustamento de som
Ajuste do som 31
Selecao do menu perimetrico. 32
Desfruto de Dolby Pro Logic Surround 33
Selecao do efeito de audio 33
Ajuste de efeitos de audio 35
Craio de um arquivo de efeitos sonoros personalizados 36
Outras funções
Utilização do Serviço de Dados Radiofónicos (RDS)* 37
Acompanhamento para canto: Karaoke 39
Adormecar ao som de musica 40
Despertar ao som de musica 41
Informações adiconais
Precauoces 44
Preparativos iniciais
Passo 1: Ligação aparecido principal
/ Ligue as antennas FM/AM.

Prepare a antenna de quadro AM e entao ligue-a.


Inserção de das pilhas R6 (tamanho AA) no telecomando
Conselho
Sob condições normais de uso, as pilhasdeerão durar circa de seis mezes. quando o telecomando não mais operar o Sistema, substitua ambas as pilhas por otheras novas.
Nota
Casón no va usar o telecomando por um longo intervalo de tempo, remova as pilhas a fim de evaporar possíveis avarías decorrentes da fuga de electrólitos das masmas.
Ao transportar este sistemas
Execute o segunte para proteger o mecanismo de CD.
1 Pressionc FUNCTION repetidamente, at que «CD» apareça no mostrador.
2 Mantenha pressionada PLAY MODE e carregue em POWER de forma que "LOCK" apareça no主義者.
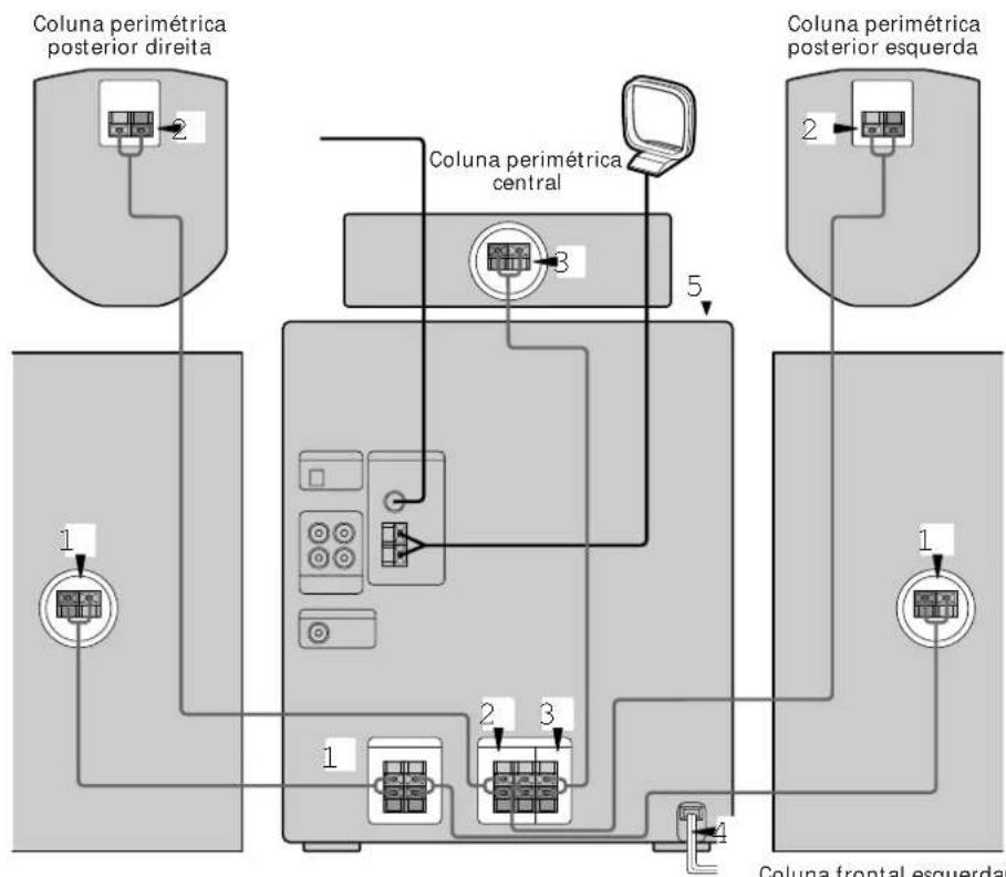
Passo 2: Instalação dos altifalantes
A ligação dos altifalantes posterior e central fornecidos possibílar-lhe-á o desfruto pleno do som perimétrico Dolby Pro Logic Surround. Dolby Pro Logic Surround é umsystema de descodificação padronizado emfilmes e programas de TV.Dolby Pro Logic Surround aprimora a imagem virtual do som mediana autilização de quatro canais separados.Tais canais manipulam o som a ser escutado e incrementa a acçao a se disenrolar no ecran.
Posicionamento das colunas de altifalantes
Antes de ligá-las, determine a melhor localização para os seuis altifalantes.
1 Coloque as colunas de altifalantes frontais a um angulo de 45 graus a partir do sua posicao de audicao.

2 Coloque a coluna central de forma a ficar posicionada aproximamente na mesma alta das colunas frontais (A). Alinhe a coluna central com as colunas frontais ou posizione-a levemente antes das colunas frontais (B).


3 Posicao as colunas posteriores voltadas uma para a outra, a circa de 60 a 90 cm acima das sua posicao de audiacao.

Continua...
Ligação dos altifalantes

Coluna frontal esquerdaColuna frontal direita
1 Efctue a ligaçao das colunas frontais.
Ligue os fios de altofalante as tomadas FRONT SPEAKER da mesma cor.
Mantenha os fios de altifalante distantes das antenas para cvitar interferencias.

Insira sente o trecho desencapado
A cor dos fios dos seu altifalantes podem ser differentes.Consulte o manual dos altifalantes quanto aos detalhes, se fornecido.
2 Efectue a ligaço dos altifalantes perimétricos.
Ligue os fios de altifalante as tomadas REAR SURROUND SPEAKER da mesma cor.
Mantenha os fios de altifalante distantes das antenas para evaporar interferencias.

Vermelho* (Preto*
A cor dos fios dos scus altifalantes podem ser differentes.Consulte o manuao dos altifalantes quando aos detalhes, se fornecido.
3 Efectue a ligaçao do altifalante perimétrico central.
Ligue os fios de altifalante as tomadas CENTER SURROUND SPEAKER da mesma cor.
Mantenha os fios de altofalante distantes das antenas para evaporar interferencias.
Insira somente o trecho desencapado

Vermelho* (P) Preto* (T)
^* A cor dos fios dos seuis altifalantes podem ser differentes.Consulte o manual dos altifalantes quando os detalles, se fornecido.
4 Ligue o cabo de alimentacao CA a uma tomada da rede.
O modo demonstração é quando desactivado quando se acerta a hora.
5 Desactive o modo demonstracao mediana o pressionamento de DISPLAY/DEMO com a alimentacao doSYSTEMA desligada
Para instalar os calos de altifalante frontal
Encaixe os calos de altaílamente frontal fornecidos na base dos altaílantes frontais para estabilizar as colunas e evaporar que deslizem.

Para encaixar os calos de altifalante central

Conselho
Pode-se reforcar o som grave mediante a ligation de um superaltifalante de graves (superwoofer) optional ao conector de superaltifalante de graves.
Nota
É nécessario ligar también os altofalantes posteriores, esqucrado e direcido. Doutro modo, o som não está escutado.
Ajuste do volume dos altifalantes
Para desfrutar do som perimétrico Dolby Pro Logic Surround, aggione o modo Dolby Pro Logic Surround e então regule o volume de cada altifalante usingo sinal de teste provido pesoistema.

Passo 2: Instalação dos altifalantes (Continuação)
1 Carregue em PRO LOGIC.
《PRO LOGIC ON》aparece.
2 Pressione T.TONE ON/OFF no telecomando. O sinal de teste é escutado a partir dos altifalantes na ordem a seguir. Regule o volume do sinal de teste. Frontal n Central n Frontal (esquerdo) (direito) Posterior
3 Da sua posicao de audicao, pressione CENTER LEVEL (+ / - ) e REAR LEVEL (+ / - ) no telecomando para regular o volume. Os niveis de volume de cada altifalante devem tornar-se o mesmo.
4 Pressione T.TONE ON/OFF quando terminar o ajuste. O sinal de teste é desligado.
Nota
A funcio de sinal de teste funcao somente para o som perimetrico Dolby Pro Logic Surround.
Conselho
CasocircVOLUMEou prcssione VOLUME + / - not telekomando),os volumes de todos os altifalantes serotonin alterados.
Passo 3: Acerto da hora
É necessário acertar a hora antes de'utilizar as funções do temporizador.

1 Carregue em CLOCK/TIMER SET. A indentacao das horas passa a piscar.

2 Gire o anel de avanco/retroprocesso para ajustar os digitos das horas. O relógio funciona nelogoistema de ciclo de 12 horas.
3 Carregue em ENTER/NEXT. A indentacao dos minutos passa a piscar.

4 Gire o anel de avanco/retroprocesso para ajustar os digitos dos关键时刻.
5 Carregue em ENTER/NEXT. O relógio passa a funciona.
Conselhos
- Casefectue algoormro,recomee novamenteapartirdo passo1.
- O acerto da hora desactiva o modo demonstracao.
Caso queira obter a indentacao do modo demonstracao, carregue em DISPLAY/DEMO quando a alimentacao estiver desligada.
Nota
Quando do acerto da hora, ajuste a identação do equalizador para qualquer posicao outras que não o padrão 3 do analisador de aspectros. (Consulte «Para alterar a identação do equalizador» na网页 34.)
Passo 4: Programação de estações de radio
O Modelo de 3 bandas possibilita-lhe programar ate um total de 40 estacoes:20 para FM,10 para MW e 10 para LW. O Modelo de 4 bandas possibilita-lhe programar ate um total de 45 estacoes:20 para FM,10 para MW,10 para LW e 5 par UKV.

1 Carregue em TUNER/BAND
repetidamente, até que a banda desejada apareça no主義。
As bandas que podem ser recebidas variam conforme o Modelo adquirido.
Certifique-se de verficar quais as bandas que poder ser recebidas.
- «STEREO PLUS» é exibida quando se seleccióna UKV.
2 Carregue em TUNING MODE repetidamente, de modo a seleccionar «AUTO».
3 Gire o anel de avanco/retroprocesso. A indicação de frequência altera-se e a exploração cessa quando o Sistema sintoniza uma estação, «TUNED» e «STEREO» (para um programa estereo) aparecem.

4 Pressione TUNER MEMORY.
Um numero de memoria aparece no mostrador. Nstreamo de memoria

6 Carregue em ENTER/NEXT.
A estação é armazenada.
7 Repita os passos de 1 a 6 para armazenar outras estações.
Continua...
Passo 4: Programação de estações de rádio (continuação)
Para sintonizar umaestrutura com sinais fracos
Carregue em TUNING MODE
repetidamente, até selecionar «MANUAL», no passo 2, e então gire o anel de avanço/ retroprocesso para sintonizar a estação.
Para alterar o número de memória
Comece novamente a partir do passo 1.
Nota
As estações programadas são retidas por meio dia quando se deslha o cabo de alimentacao ou na ocorrência de um corte de alimentacao.
Ligação de componentes AV.optionais
Para aprimorar o seu Sistema, poderá ligar equipamentos.optionais. Consulta omanual de instruções de cada componente.
Selecione um das duas ligacoes a seguir, conforme o equipamento a ser ligado e o método de ligação.
Ligação de um deck de MDs para gravações digitais
Pode-sc gravar a partir de um leitor de discos compactos a um deck de minidiscos digitalmente, mediante a ligação de um cabo optico.

Para a tomada DIGITAL IN do deck de MDs
Ligação de um deck de MDs para gravações analógicas
Certifique-se de fazer corresponder a cor das fichas e dos connectores. Para escatar o som do deck de minidiscos ligado, pressione FUNCTION repetidamente, até obter a indicação «MD».
Àsaidadeaudio do deckdeMDs
À entrada de audio do deck de MDs

Conselho
Casoliguesgirada.
Notas
-
É necessário ligar às altifalantes perimétricos, esqueço e direito. Doutro modo, o som não está escutado.
-
Caso não está possível selecionar «MD», mesmo que se tenha pressionado FUNCTION, carregue em POWER quando pressiona FUNCTION quando a alimentação estiver deslagada. A indicação «VIDEO» sera substituária por «MD», Para returnar a «VIDEO», execute o mesmo procedimento.
Ligação de um superaltifalante de graves
Pode-se efectuar a ligação de um superaltifalante de graves optional.

Ao superaltifalante de graves
Ligaçao de um videogravador
Certificque-se de fazer corresponder a cor das fichas e dos conectores. Para escatar o som do videogravador ligado, carregue em FUNCTION repetidamente, até que «VIDEO» apareça.

Para a saía de audio do videogravador
Nota
Cas o som sera distorcido quando da selecao de «VIDEO», comute-o a «MD» (consulte «Notas» precedais). Continu
Ligação de componentes AV opsonais (continuação)
Ligação de antenas externas
Ligue a antenna externa para aprimorar a recepçao.
Antena FM

Fio terra (venda avulsa)
Antena AM
Ligue um fio isolado de 6 a 15 metros ao terminal de antenna AM. Deixe a antenna de quadro AM fornecida ligada.

Fio terra (venda avulsa)
Importante
Case ligue uma antenna, efectue a ligationa terra do terminal y com o grampo de parafuso. Para fazer explosoes de gás, não ligue o fio terra a uma tubulação de gás.
Operaçõesbasicas
Pode-se reproduzir até um total de très CDs consecutivamente.


1 Carregue em OPEN/CLOSE ecoloque atedois CDs na bandeja dediscos.
Casou um disco nao seja colocadoapropriamente, o mesmo nao sera reconhecido.
Com o lado
impresso voltado. para cima.Para
reproducir um CD simples, colqueo- no circulo interno da bandeja.

Para insertir um terreiro disco, carregue em DISC SKIP EX-CHANGE para girar a bandeja de discos (ou D.SKIP no telecomando).
2 Pressione uma das teclas DISC 1-3. A bandeja de discos feca-se e a reproducao é inciada. Caso pressione (ou no telecomando) quando a bandeja de discos está fechada, a reproducao inicia-se-a partir do CD,inserido no compartmento cuja tecla estiver acesa em verde.

Reproducao de discos compactos (continuação)
Para Procedimento
| Cessar a Pressione (p no reprodução telecomando). | |
| Pausar | Carregue em · (P no telecomando). Pressione a mesma tecla novamente para retomar a reprodução. |
| Selecionar Durante a reprodução ou a uma faixa pausa, gire o anel de avanço/ retroccesso ao sentido dos ponteiros de um relógio (para avançar) ou ao sentido contrário dos ponteiros de um relógio (para retroceder) e libero-o quando alcantar a faixa desejada. Ou carregue em + (para avançar) ou = (para retrocccer) no telecomando. | |
| Localizar um punto numa faixa | Mantenha pressionada ) ou 0 (ou ) / 0 no telecomando) durante a reprodução, e libero-a no punto desejado. |
| Selecionar um CD no modo de paragem | Pressione uma tecla DISC 1-3 ou DISC SKIP EX-CHANGE (ou D.SKIP no telecomando). |
| Reproducir somente o CD selecionado | Carregue em 1/ALL DISCS repetidamente, até que «1 DISC» apareça. |
| Reproducir todos os CDs repetidamente, até que «ALL DISCS» apareça. | Pressione 1/ALL DISCS |
| Remover o CD | Pressione § OPEN/CLOSE. |
| Substituir os outros CDs durante a reprodução | Carregue em DISC SKIP EX-CHANGE. |
| Ajustar o volume | Gire VOLUME (ou pressione VOLUME+/- no telecomando). |
Conselhos
- O pressionamento de · quando a alimentação está desligada faz ligar automatistically a alimentação e inicial a reprodução de um CD, casoPGA um na bandeja (Reproducao a Um Toque).
- Podse-se comutar de uma outa fonte ao leitor de discos compactos e,iniciar a reproducao de um CDelo simples pressionamento de ou uma das tceclas DISC 1-3 (Selecao Automática da Fonte).
- Caso nãohawkajadiscoinserido noleitor,CDNO DISC>aparecerao noesorador.
- Quando um compartmento de disco é selecionado ou o CD inserido em tal compartmento está em reproducao, a tecla DISC 1-3 correspondente ao compartmento acende-se em verde.
Gravação de discos compactos
— Gravacao sincronizada de CDs
A tecla CD SYNCHRO permite-lhe gravar de um CD a uma cassette fácilmente. Podem-se utilizes cassetes TYPE I (normal) ou TYPE II (cromio). O[nivel de gravacao é ajustado automaticamente.

1 Carregue em § EJECT e insira uma cassette em branco no deck B.

2 Carregue em OPEN/CLOSE e coloque um CD. A seguir, pressione novamente a tecla e feche a bandeja de discos. Caso o indicator para o compartmento que deseja gravar não esesteja aceso em verde, carregue em DISC SKIP EXCHANGE repetidamente, até que o mesmo se conta em verde.
Com o lado impresso voltado para cima. Para reproduzir um CD simples, colque-o no circulo interno da bandeja.

3 Carregue em CD SYNCHRO. O deck B fica de prontidao para gravar, o leitor de discos compactos, de prontidao para reproducir. O indicator (para o lado frontal) acende-se.
4 Carregue em DIRECTION repetidamente, até seleccionar A para gravar somente em um lado. SeLECTIONA (ou RELAY) para gravar em(amos os lados.
5 Carregue em no deck B. Tem inico a gravacao.
Para cessar a gravacao
Carregue em no deck B ou no leitor de discos compactos.
Continua...
Gravacao de discos compactos (continuacao)
Conselhos
- Casque queira gravar a partir do lado reverso, pressione de forma que o indicatora (para o lado reverso) se alcada.
- Na gravacao dehoslados, certificque-se de iniciar a partir do lado frontal. Casa iniece a partir do lado reverso, a gravacao cesserao finaldo lado reverse.
- Quando quiser reduzir o ruido sibilante de fundo da fita em sinais de baixo nível e alta frequencia, correque em DOLBY NR de forma que «DOLBY NR B» apareça antes o pressionamento de CD SYNCHRO.
Nota
Não é possível escatar outras fontes durante a gravação.
Audição do rádio
Sintonização programada
Primeiroprograme estaceoes de rado na memoria do sintonizador (consulte «Passo 3: Programacao de estaceoes de rado').

1 Carregue em TUNER/BAND repetidamente, até que a banda desejada apareça no主義or. As bandas que podem ser recebidas variam conforme o Modelo adquirido. Certifique-se de vericar quais as bandas que podem ser recebidas. Cada vez que se pressionar esta tecla, a banda alterar-se-à como segue: Modelo do tipo 3 bandas: FM n MW n LW Modelo do tipo 4 bandas: FM n MW n LW n UKV* *STEREO PLUS' é exibida quando se seleciona UKV.
2 Carregue em TUNING MODE repetidamente, até que «PRESET» apareça no主義or. MANUAL n AUTO n PRESET
3 Gire o anel deavanço/retroprocesso (ou pressione = ou ^+ no telecomando) para sintonizar a estação programada desejada.

Para Procedimento
Desligar o rádio Carregue em POWER.
Ajustar o volume Gire VOLUME (ou pressione VOLUME + / - no telecomando).
Para escutar estações de rádio não-programadas
Pressione TUNING MODE repetidamente, at que «MANUAL» apareça no passo 2, e então sintonizo às vezes与此同时 o girar do anel de avanço/retroprocesso.
Conselhos
- O pressionamento de TUNER/BAND quando a alimentação está desigada faz ligar automaticamente a alimentação e sintonizar a ultima这对于 Recebida (Reproducao a Um Toque).
- Pode-se comutar de uma outa fonte ao rário pelo simples pressionamento de TUNER/BAND (Seleção Automática da Fonte).
- Quando um programa FM está ruidoso, corregue em STEREO/MONO de forma que «MONO», apareça no meu. Não se obterá oefeito estéreco, porque a receção está melhorada. Pressione novamente a mesma tecla para fazer oefeito estéreco.
- Para aprimorararecepcao de transmissoes, reoriente as antenas fornecidas.
Gravação do rádio
Podem-se gravar programas de rado numa cassette mediana a chamada de uma estagao programada. E possivel utiliser cassetes TYPE I (normal) ou TYPE II (crmio). O nivel de gravacao e automaticamente ajustado.

1 Carregue em TUNER/BAND para seleccionar a banda desejada.
2 Carregue em TUNING MODE de forma que «PRESET» apareça no主義or.
3 Gire o anel de avanco/retroprocesso para sintonizar umaestrutura programada.
Gire para a esquerda para他们在记忆中,
memorias
menores

Gire para a direita para números de memória maiores

4 Carregue em EJECT e insira uma cassette em branco no deck B.
Com o lado onde deseja gravar voltado pararente

5 Carregue em r. O deck B entra em prontidao para a gravacao.
6 Carregue em DIRECTION repetidamente, até seleccionar A para gravar em apenas um lado. SeLECTIONA (ou RELAY) para gravar em eles os lados.
7 Pressione no deck B. Tem inico a gravacao.
Para cessar a gravacao
Carregue em no deck B.
Conselhos
- Caso queiraogravarapartirdo lado reverse,
carregue ema, de formaque (lado reverso)
scaccnda. - Na gravação em todos os lados, certificado-se de ∈iniciar a partir doazo frontal. Casa inicá a partir doazo reverso, a gravação cessara no final doazo reverso.
- Para gravar estasoes nao-programadas, selecionce "MANUAL" no passo 2, e entao gire o anel de avanco/retroprocesso para sintonizar a esalao desejada.
- Quando desejar reduzir o ruido sibilante de fundo da fita em sinais de boa niven e alta frequencia, carregue em DOLBY NR, de forma que "DOLBY NR Bx apareca quando o pressionamento de r.
- Caso escate ruidos durante a gravacao de sinais do radio, desloque a respectiva antenna para reduzir os ruidos.
Reproducao de cassetes
Pode-se utiliser qualquer tipo de cassete, TYPE I (normal), TYPE II (cromio) ou TYPE IV (metal), visto que o deck automaticamente detecta o tipo de fita. Para seleccionar o deck A ou B, pressione DECK A/B no telecomando.


1 Carregue em § EJECT e insira uma cassette gravada no deck A ou B.
2 Pressione DIRECTION repetidamente, até selecionar A para reproduzir apenas um lado. SeLECTIONA* para reproduzir ambos os lados. Para reproduzir ambos os deck em successao, selezione RELAY (reproducao encadeada)**.
3 Carregue em .
Precsione a para reproducir o lado reverse. A fita passa a ser reproduzida.
- O deck para automaticamente antes repetir a sequência cinco vezes.
** A reproducao encadeada sempre obedece a sequencia a seguir:
Deck (A) (lado frontal), Deck A (lado reverse), Deck B (lado frontal), Deck B (lado reverse).
Para Procedimento
| Cessar a Carregue em (ou p no re reprodução Telecomando). | |
| Pausar (somense Carregue em . Pressione deck B) novamente a tecla para retomar a reproducao. | |
| Avançar rapidamente a reprodução do lado frontal ou 2 durante a reprodução do lado reverso. | Carregue em , durante a reprodução do lado frontal ou 2 durante a reprodução do lado reverso. |
| Rebobinar Carregue | em 2 durante a reprodução do lado frontal ou , durante a reprodução do lado reverso. |
| Remover a cassette | Carregue em § EJECT. |
| Ajustar o volume Gire VOLUME (ou pressione volumeme +/- no telecomando). | |
Continua...
Reproducao de cassetes (continuação)
Conselhos
- O pressionamento de ou a quando a alimentacao está desligada faz ligar automaticamente a alimentacao e inicial a reproducao da cassette, caso haja uma cassette no deck (Reproducao a Um Toque).
- Pode-se comutar de uma outa fonte ao deck de cassettes pois simples pressionar dc ou a (Selecao Automática da Fonte).
- Quando quiser reduzir o ruido sibilante de fundo da fita em sinais de baixo nível e alta frequência, carregue em DOLBY NR de forma que «DOLBY NR B» apareça.
- Na duplacao de fitas originalmente gravadas com Dolby NR B, a fita duplicada sera automaticamente reproduzida com Dolby NR B.
Gravacao cassette-acassete
—Duplicacao a alta velocidade
Podem-sc'utilizar cassetes TYPE I (normal) ou TYPE II (cromio). O[nivel de gravacao é automaticamente ajustado.

12 4 1
1 Carregue em EJECT e insira uma cassette gravada no deck A e uma cassette em branco no deck B.
2 Carregue em HIGH SPEED DUBBING.
O deck B entra em prontidao para gravar.
3 Carregue em DIRECTION repetidamente, até seleccionar A para gravar em apenas um dos lados. SeLECTIONA (ou RELAY) para gravar emodos os lados.
4 Carregue em. A duplacacao inicia-sc.
Para cesser a duplacacao
Carregue em no deck A ou B.
Conselhos
- Na duplacacao de always os lados, inie a gravacao a partir do lado frontal. Caso grave a partir do lado reverse, a gravacao para no final do lado reverse.
- Caso ajuste DIRECTION a a quando as fitas realizadas possuem differentes comprimentos, a fita em cada deck reverte-se independente. Caso selecao RELAY, as fitas em ambos os decks revertem-se simultaneamente.
- Não é necessário ajustar DOLBY NR, visto que a fita no deck B sera automaticamente gravada no mesmo estado da fita do deck A.
O leitor de discos compactos
Utilização do mostrador CD
Pode-se verificar o tempo restante da faixa corrente ou do CD.

/ Carregue em DISPLAY/DEMO durante a reprodução.
Cada vez que pressiona a tecla durante a reproducao normal, aindersação altera-se como segue:
-Tempo de reproducao da faixa corrente Tempo restante da faixa corrente
μ
Tempo restante do CD corrente (modulo 1 DISC) ou
Indicação «PLAY» (modulo ALL DISCS)
Indicação do relógio (por oito segundos)
Nome do efeito (P FILE) ou «EFFECT ON (OFF)»
Para verifiar o tempo total de reproducao e o numero de faixas de um CD
Carregue cm DISPLAY/DEMO durante o modo de paragem.
CasopressioneDISPLAY/DEMO novamente, aindicacao do religio aparece por oito segundose entao oadora returna a indicacao previa.
Reproducao repetida de faixas de CD
—Reproducao repetida
Esta funcao permite-lhe repetir um unico CD ou todos os CDs no modo de reproducao normal, aleatoria ou programada.

/ Carregue em REPEAT durante a reproducao, ate que «REPEAT» apareça no主義者.
Tem inico a reproducao repetida. Execute o procedimento a seguir para alterar o modo de repeticao.
Para repetir Pressione
Todas as faixas do 1/ALL DISCS
CD corrente repetidamente, até que «1
DISC> apareca no mostrador.
Todas as faixas de 1/ALL DISCS
todos os CDs repetidamente, até que
"ALL DISCS" apareca no mostrador.
Somente uma faixa* REPEAT repetidamente, até que «REPEAT 1» apareça noadora durante a reprodução da faixa que deseja repetir.
*Nao e possivel repetir uma unica faixa durante a leitura aleatoria e a leitura programada.
Para cancelar a leitura repetida
Carregue em REPEAT de forma que «REPEAT» ou «REPEAT 1» desapareça do主義。
Reprodução de faixas de CD em ordem aleatoria
Leitura aleatoria
Podem-sc reproducir todas as faixas de um CD ou de todos os CDs em ordem aleatoria.

1 Carregue em FUNCTION repetidamente, até que «CD» apareça no主義者, e entao coloque um CD.
2 Carregue em PLAY MODE repetidamente, até que «SHUFFLE» apareça no主義者.
3 Carregue em 1/ALL DISCS para selecionar «1 DISC» ou «ALL DISCS». «ALL DISCS» altera a sequencia de todos os CDs no leitor. «1 DISC» mistura aleatoriamente o CD cujo indicator DISC estiver aceso em verde.
4 Carregue em . aparece e entao todas as faixas sao reproduzidas em ordem aleatoria.
Para cancelar a leitura aleatoria
Carregue em PLAY MODE repetidamente, até que «SHUFFLE» ou «PROGRAM» desapareça do meustrador. As faixas continuam a ser reproduzidas, agora na sua ordem original.
Para seleccionar um CD desejado
Carregue em DISC 1-3.
Conselhos
- Pode-se acontecer a leitura aleatoria durante a reprodução normal, mediante o pressionamento repetido de PLAY MODE para selecionar «SHUFFLE».
- Parakatraruma faixa,gire o anel de avanco/ retroprocesso para a direita (ou pressione ^+ no telecomando).
Programação de faixas de CD
—Reproducao programada
Pode-se Criar um programa de até 32 faixas a partir de todos os CDs, na sequência desejada de reprodução.

1 Carregue em FUNCTION repetidamente, até que «CD» apareça no主義者, e entao coloque um CD.
2 Carregue em PLAY MODE repetidamente, até que «PROGRAM» apareça no主義者。
3 Pressione um das teclas DISC 1-3 para seleccionar um CD.
4 Gire o anel de avanco/retrocesso, até que a faixa desejada apareça no mostrador.

5 Carregue em ENTER/NEXT. A faixa é programada. «STEP» e a ordem de reprodução programada aparecem, seguidas pelo tempo total de leitura.

6 Para programar faixas adiconais, repita os passos de 3 a 5. Salte o passo 3 para selectionar faixas do mesmo disco.
7 Carregue em . Todas as faixas sao reproduzidas na ordem selecionada.
Para cancelar a reproducao programada
Carregue em PLAY MODE repetidamente, até que «PROGRAM» ou «SHUFFLE» desapareça do主義者.
Para Pressione
| Verificar o programa | CHECK no telecomando repetidamente. Após a última faixa, «CHECK END» aparece. |
Apagar una faixa CLEAR no telecomando no do final modo de paragem.
| Apagar uma faixa CHECK no telecomando especiala repetidamente, às que o número da faixa a ser apagada se acontece, e então carregue em CLEAR. |
| Adicionar uma faixa 1 SeLECTIONE o ao programa compartmentamento de disco com uma tecla DISC 1-3. 2 SeLECTIONE a faixa* mediamente o girar do anel de avanço/retrocesso. 3 Carregue em ENTER/ NEXT. |
Apagar o programa uma vez no modo de inteiro paragem, ou两大 vezes durante a reproducao.
Conselhos
- O programa Criado permanece no leitor de discos compactos, mesmo antes sido reproduzido. Carregue em quando quiser reproducir o mesmo programa novamente.
- Caso «---» apareça no lugar do tempo total de leitura durante a programação, isto significá: -que foi programado um número de faixa que exceedé 20;
-o tempo total de leitura exceedu 100 instantos.
Reproducao de CDssem interruptao
— Reprodução Sem Paragem
Podem-se reproducir CDs sem pausar entre faixas.

1 Carregue em FUNCTION repetidamente, ate que CD apareça no mostrador; a seguir, colocque um CD.
2 Pressione NON-STOP, de forma que o indicator na tecla se agenda.
3 Carregue em
Para cancelar a reproducao sem paragem
Carregue en NON-STOP de forma que o indicator na tecla se apague.
O deck de cassettes
Gravacao manual em cassetes
Pode-se gravar o som de CDs, cassetes ou rádio, conforme desejado. Por exemplo, podem-se gravar apenas as_musicas desejadas, ou gravar a partir do meio da fita. O[nível de gravação é ajustado automaticamente.

1 Insira ama cassette em branco no deck B.
2 Carregue em FUNCTION repetidamente, até que a fonte que deseja gravar (ex.: CD) sera exibida.
3 Pressione r. O deck B entra em prontidao para gravar. O indicator (para o lado frontal) acende-se.
4 Carregue em DIRECTION repetidamente, até seleccionar A para gravar em apenas um dos lados. SeLECTIONA (ou RELAY) quando quiser gravar emondheim os lados.
5 Carregue em no deck B. Tom inico a gravacao.
6 Accione a reproducao da fonte a ser gravada.
Para Carregue em
Cessar a gravacao no deck B. Pausar a gravacao no deck B.
6
Conselhos
- Caso queira gratar a partir do lado reverso, pressione de forma que o indicatora (para o lado reverso) se aconteça.
- Quando quiser reduzir ruidos sibilantes deundo da fita em sinais de boa nível e alta frequencia, carregue em DOLBY NR de forma que "DOLBY NR B" apareça antes o pressionamento de r.
- Para fazer faixas durante a gravacao de uma cassette, carregue em, ou no deck A. O deck B entra em prontidao para gravar, e pode-se fazer faixas. Para retomar a duplacacao, carregue em no deck B.
Gravacao de CDs mediante especificaao da ordem das faixas
— Ediço de Programas
Podem-se gravar faixas de todos os CDs, na ordem desejada. Na programação, certificque-se de que os tempos de reprodução de cada lado não exceedam a duração de um(lado da fita.


1 Coloque um CD no leitor de CDs e insira uma cassette em branco no deck B.
2 Carregue em FUNCTION repetidamente, ate que CD apareça no主義。
3 Pressione PLAY MODE repetidamente, até que «PROGRAM» apareça no mostrador.
4 Carregue em uma das teclas DISC 1-3 para seleccionar um CD.
5 Gire o anel de avanco/retroprocesso ante que a faixa desejada apareça no主義者。

6 Carregue em ENTER/NEXT. A faixa é programada. «STEP» e a ordem de reprodução programada aparceem, seguidas do tempo total de leitura.

7 Para programar faixas adcionais a serem gravadas no lado A, repita os passos de 4 a 6. Salte o passo 4 para selectionar faixas do mesmo disco.
Continua...
Gravacao de CDs mediante especificaao da ordem das faixas (continuacao)
8 Pressione no telecomando para insertir uma pausa no final do lado A. «P» aparece no主義or e o tempo total de leitura é reajustado a «0.00» no主義or.
9 Repita os passos 5 e 6 para faixas do mesmo disco, ou os passos de 4 a 6 para faixas de um除外 disco, para programar as faixas restantes a serem gravadas no lado B.
10 Pressione CD SYNCHRO. O deck B entra em prontidao para gravar o leitor de discos compactos entra em prontidao para reproducir. O indicator (para o lado frontal) se acende.
11 Pressione DIRECTION repetidamente, ate selectionar A para gravar em somente um dos lados. SeLECTIONA (ou RELAY) quando quiser gravar emondheim os lados.
12 Carregue em no deck B. A gravação tem inico.
Para cessar a gravacao
Pressione no deck B ou no leitor de discos compactos.
Para verificar a ordem de programação
Carregue em CHECK no telecomando repetidamente. Após a ultima faixa, «CHECK END» aparece.
Para cancelar a:1edicao de programas
Carregue em PLAY MODE repetidamente, até que «PROGRAM» ou «SHUFFLE» desapareça do主義。
Selecao automatica da duração da fita
— Edição por Selecção de Fita
Pode-se verificar a duração de fita mais apropiada para a gravação de um CD. Note que não se pode utilizear a Edição por Seleção de Fita para discos que contenham mais de 20 faixas.
/ Após a inserção de um CD, corregue em EDIT uma vez, de forma que a indicação «EDIT» piseque. A duração de fita querida para o CD correçimento selecionado aparece, seguida pelo tempo total de leitura e faixas para os lados A e B.
Nota
Não é possível usar esta funcção après a programação. Para que se posse usar esta funcção, é necessário primaryo apagar o programa (consulta "Para apagar o programa inteiro" na págin 25).
Efeitos DJ
Com a funcao de elo, poder-se repetir trechos de um CD durante a reproducao. Isto possibila acriacao de gravações originais.

/ Mantenha pressionada LOOP durante a reproducao do punto onde deseja iniciaarfuncao de elo,e libere-a para returnar a reproducao normal.
Paraaabastaduracaodoelo
Gire o anel de avanco/retroprocesso quando mantém pressionada LOOP (ou carregue em MUSIC MENU B ou b quando mantém pressionada LOOP no telecomando) para selección diferentes durações de elo (LOOP 1~20).
Trecho de lampejo de um CD
—Lampejo
Com a funcao de lampejo, pode-se «iluminar» o som do CD durante a reproducao. Isto possibita-lhe Criar gravações originais.

/ Mantenha pressionada FLASH durante a reproducao do punto onde beschja iniciaarfuncao de lampejo, e liberta para retomar a reproducao normal.
Para fazer a duração do lampejo
Gire o anel de avanco/retroprocesso quando mantém pressionada FLASH (ou carregue em MUSIC MENU B ou b quando mantém pressionada FLASH no telecomando) para selecionar differses durações de lampejo (FLASH 1~20).
Para utiliser LOOP e FLASH simultanamente
Mantenha pressionadas LOOP e FLASH simultaneamente.
Notas
- As durações do elo e do lampejo não podem ser ajustadas no decorrer esta operação. Ajuste as durações do elo e do lampejo independente, de antemão, se necessário.
- Para gravar o efeito de lampejo, utilize as lagoções análogicas (VIDEO/MD OUT) ou o deck de cassetes deste aparecido.
Ondulacao do equalizador
Onda
Com a funcao de onda, o equalizarador grafico pode flutuar automaticamente. Este efeito pode ser utilizado com qualcer fonte, mas não pode ser gravado.

/ Mantenha pressionada WAVE para iniciar a funcao de onda, e libere-a para retomar a audicao normal.
Paraaabustaraduracaodaonda
Gire o anel de avanco/retroprocesso quando mantem pressionada WAVE para selecionar uma duraçãoDIFFERente de onda (WAVE 1~10).
Ajustamento de som
Ajuste do som
Podem-sc reforcar os graves, criar um som mais potente e escurar com auscultadores.

Para reforcar os graves (DBFB)
Carregue em DBFB*.
Cada vez que se pressiona esta tecla, a indentação altera-se como segue:
DBFB n DBFB n indicao desactivada
DBFB nais efectiva que DBFB
DBFB = Realimentação Dinária de Graves
Para obter um som potente (GROOVE)
Carregue em GROOVE. O volume altera-se ao modo de alimentacao, DBFB é automaticamente ajustada a intensidade total, a curva de equalização altera-se e a tecla «GROOVE» acende-sc. Carregue em GROOVE novamente para returnar ao volume prévio.
Notas
- Comalgumas canoes, a musica soara distorcida quando se utilizeo oSYSTEMA DBFB com o equalizador grafico, se os graves foram demasiadamente intensos. Ajuste os graves lentamente durante a audicao de musica, de forma a poder monitorizar oefeito do ajustamento.
- O cancellamento de GROOVE ajusta DBFB a «DBFB » e achata a curva de equalização. Para cancelar oível de DBFB, carregue em DBFB até que a indicação desapareça. Ajuste a equalização para obter o efeito desejado.
Seleção do menu perimétrico
O menu perimétrico permite-lhe selección as caracteristicas de audio de Accordo com o som em audição. Para obter o maior这对于a funcao, certifique-se de cigar os altifalantes posteriores e central fornecidos (consulte a págnia 7).

/ Carregue em DSP repetidamente para seleccionar um modo DSP. OFF: Desliga o modo DSP. HALL: Reproduz a acustica de um salo de concertos. THEATER: Reproduz a acustica de um sala de cinema.
Conselho
Paraaabstara «presenca»do efeito perimétrico
Pressione DSP LEVEL no telecomando repetidamente para escolher o;nivel desejado.
A cada pressionar na tecla, a indentacao alterase na segunte sequencia:
Pode-se desfrutar do som perimétrico Dolby Pro Logic Surround e videos que sejam Dolby Surround-codificados (q). Complete os preparativos e os ajustamentos primeiro (consulte a páginá 5).

/ Pressione PRO LOGIC durante a reprodução de uma fonte de programa.
Para cancelar o som Dolby Pro Logic Surround
- Não se pode usar o som perimétrico Dolby Pro Logic Surround e a função do menu perimétrico simultaneamente.
- Na gravação do som, certificque-se de desactivar o som perimétrico Dolby Pro Logic Surround.
Selecao do efeito de audio
O menu de efeito de audio possibilita-lhe selecionar as caracteristicas do audio de accordo com o som em audicao.
Afuncao de arquivo personalizado (consulte Criaao de um arquvo de efeitos sonoros personalizados) permite-lhe armazenar os seuis proprios cfeitos.

1 Carregue em MUSIC, MOVIE ou GAME (ou MUSIC MENU V/v no telecomando repetidamente) para seleccionar um menu.
Consulte aabela «Opções do menu musical» abaixo. O最後efeito escolhido de tal menu aparece no主義oradora.
2 Utilize o anel de avanco/retroccso (ou pressione MUSIC MENU B /b repetidamente no telecomando) para seleccionar o pre-ajuste desejado.
O nome do pré-ajuste aparece no nostrador.
3 Carregue em ENTER/NEXT.
Não é necessárioregar em ENTER/ NEXT quando utilizes o telecomando.
Continua...
Selecao do efeito de audio (continuação)
Para cancelar oefeito
Pressione EFFECT ON/OFF repetidamente (ou MUSIC MENU ON/OFF no telecomando) de forma que «EFFECT OFF» apareça no nostrador.
Opções do menu musical
«SUR rece, caso se seleccione um efeito com efeitos perimétricos.
| Tecla MENU | Efeito | Para |
| MUSIC | ROCK POP JAZZ DANCE SOUL | Fontes de* música padão |
| MOVIE | ACTION ROMANCE SF DRAMA SPORTS | Trilhas sonoras e situações especialis de audiência |
| GAME | SHOOTING RACING RPG BATTLE ADVENTURE | Jogos de vídeo |
Para alterar a indentação do equalizador
Cada vez que se pressiona SPECTRUM ANALYZER, a indentação do equalizarador altera-se para做不到 uma das quatro exibições abaixo.
Padrao 1 do analisador de aspectros

Ajuste de efeitos de audio
Pode-se ajustar o efeito de audio,utilizandoosc oequalizador grafico oefeitoperimétrico.
Pode-se ajustar o som,mediante o aumento ou a reducao dos nveis dasGames de frequencias especicas.
Antes de executar a operacao, primeiro selecione o efeito de audio desejado para o som Basicsico.

1 SeLECTIONO eefeito de audio que deseja para o seu som Basicsico (consulte «Selecao doefeito de audio»).
2 Carregue em HIGH FREQUENCY ou LOW FREQUENCY repetidamente, até selecionar uma banda de frequência.

3 Gire o anel de avanco/retroprocesso para ajustar o;nivel.

4 Repita os passos 2 e 3.
5 Carregue em ENTER/NEXT quando terminar.
Nota
Casoscolha umotro efeito de audio do menu (outro que *EFFECT OFF)o cefeito sonoro ajustado é perdido. Para refer o efeito sonoro ajustado para futuro uso,armazene-nomarquivopersonalizzato.Consulte Criação de um arquivos de efeitos sonoros personalizados).
Criação de um arquivos de efeitos sonoros personalizados
Podc-se criar um arquivo personalizzato de padrões de audio (efeito perimétrico e equalizador grafico) e armazená-lo na memória do aparelho. Posteriormente, chamoupadrao de audio para reproduciruma fita, um CD ou um programa de rádio favorito. Crie até cinco arquivos de audio.
Antes de executar esta operacao, selecione primeiro oefeito sonoro desejado para o seu audio Basicsico.

1 Obtenha o efeito sonoro desejado mediante a utilização do equalizadorístico e do efeito perimétrico.
2 Carregue em P FILE MEMORY. O número do arquivo personalizzato aparece no主義。

MEMORYF

3 Utilize o anel de avanco/retrocesso para seleccionar o numero do arquivo (P FILE) onde desejar armazenar oefeito sonoro.
4 Carregue em ENTER/NEXT. Os céitos sonoros ajustados são armazenados sob o número de arquivos的选择ado. Os ajustes previamente armazenados esta posicao de memoria são apagados e substituidos pelos novos ajustes.
1 Pressione P FILE (ou MUSIC MENU V/v no telecomando repetidamente) para obter a indicação doultimatearquivo personalizado selecionado.
2 Utilize o anel de avanco/retroprocesso (ou pressione MUSIC MENU B/b no telecomando repetidamente) para seleccionar o arquivo personalizzato desejado.
3 Carregue em ENTER/NEXT. Não é necessário pressionar ENTER/NEXT quando se utilizes o telecomando.
Outras funções
Utilização do sistemas de dados radiofónicos (RDS)
O que é o Sistema de dados radiofónicos
O Sistema de@dados radiofonicos (RDS) é um service de transmissao que possibilita as estacoes de radio o envio de informacoes adiconais junto com o sinal de programa regular. Este sintonizador oferece funcoes RDS convenientei, tais como exibicao do nome da estacao e localização das estacoes pelo tipo de programa. RDS está disponivel somente para estacoes FM.*
Nota
RDS pode não funciona apropriadamente, caso a estação sintonizada não está a transmitir o sinal RDS corretoamento, ou caso a intensidade do sinal sera fraca.
- Nem todas as estações FM provém serviços RDS, tampouco o mesmo tipo de service. Caso não está familiarizado(a) com o Sistema RDS, Solicite às estações de razão locais maiores detailhes acerca dos serviços RDS na sua região.
Recepção de transmissões RDS

POWER
DISPLAY/DEMO
/ Basta selecionar uma estacao da banda FM. Quando uma estacao que oferece servicos RDS é sintonizada, o nome da estacao aparece no restrador.
Para vericular a informacao RDS
A cada pressionamento de DISPLAY/DEMO, a exibicao altera-se como segue:

Nome do efeito (P FILE) ou «EFFECT ON (OFF)»
- Caso a transmissão RDS não está recebida, o nome de estação e o tipo de programa pode não aparecer noestrador.
Localização de uma estação pelo tipo de programa (PTY)
Pode-se localizar uma estação desejada mediante a seleção de um tipo de programa. O aparecido sintonizará o tipo de programa currentemente em transmissãoarethreetas estações RDS armazenadas na memória programada do sintonizador.
1 Carregue em PTY.
2 Gire o anel de controlo para seleccionar o tipo de programa desejado.Consulta a secao «Lista de temas de programas» abaixo.
3 Carregue em ENTER/NEXT. O aparecido inicia a busca de estações RDS programadas (“SEARCH” e o tipo de programa selecionado sãoestrados alternadamente no restrador). quando o sintonizador recebe um programa, o número de memória da estação passaa piscar.
4 Gire o anel de controlo para exibir o número de memória da��都想jada.
Continua...
Utilização do Sistema de dados radiofónicos (RDS) (continuação)
5 Carregue em ENTER/NEXT durante o pizar do n£mero de memória da址ação.
Para cancelar a busca PTY
Carregue em PTY novamente.
Transmissões de emergência.
CULTURE
Programas sobre cultura nacional ou regional.
DRAMA
Peças teatrais e seriados de radio.
EDUCATION
Programas educacionais, do tipo «como proceder» e aconsehimentos.
INFORMATION (informatão)
Programas sobre intereses do consumidor, conselhos medicos e meteorologia.
LIGHT MUSIC
Música clássica, como instrumentais e peças vocais e corais.
M.O.R.MUSIC
Fácil audição (músicas de fundo).
NEWS
Execuções de grandes orquebras, música de camera, opera, etc.
SPORT
Programas com entreprises de celebridades, jogos de paine c comedia.
NONE
Qualquer programacao nao definida acima.
Nota
"NO PTY" aparece quando o programa que fos selecionado não está sentido corremente transmitido.
Acompanhamento para canto: Karaoké
Pode-se cantar ao longo de qualquer cassete ou CD estereo mediating a reducao da voz do cantor. E necessario ligar um microfone optional.

1 Gire MIC LEVEL at 0 para reduzir o nivel de controlo do microfone.
2 Ligue um microfone optional a MIX MIC.
3 Carregue em KARAOKE PON/ MPX repetidamente para obter o efeito karaoke desejado. Toda vez que se pressiona a tecla, a indicação altera-se como segue: KARAOKE PON n MPX R n MPX L EFFECT OFF N O indicator h aparece no measurador quando um modo karaoke é activado. Para cantar com karaoke por reducao do nth voal de um CD, selecione KARAOKE PON. Para cantar com karaoke de cassetes ou CDs multiplex, selecione MPX R ou MPX L.
4 Accione a reproducao da musica e ajuste o volume.
5 Ajuste o volume do microfone mediente o girar de MIC LEVEL.
Ao terminar
Gire MIC LEVEL até 0 e désigne o microfone de MIX MIC; aOLLOW, carregue em KARAOKE PON/MPX repetidamente, de forma que «h» desapareça.
Mistura e gravacao desons

1 Execute os passos de 1 a 5 acima. A seguir, insira uma cassette no deck B.
2 Carregue em FUNCTION repetidamente, até seleccionar a fonte desejada, e ajuste esta ao modo de pausa.
Continua...
Acompanhamento para canto: Karaoke (continuação)
3 Pressione r.
4 Carregue em.
5 Pressione · para acontear a reprodução do leitor de discos compactos (ou deck de cassetes A). Tem inico a reprodução. Comece a cantar ao longo da musica.
Para cessar a gravacao
Carregue em p no deck B e no leitor de discos compactos.
Conselhos
- Caso ocorro a realimentação acústica (microfonia), acontece a distência entre o microfone e os altifalantes, ou altere o direcionamento do microfone.
- Caso queira gravar somente a sua voz atraves do microfone, podera fazelo的选择nando a funcao CD, sem reproduzir um CD.
Notas
- Casopressione EFFECT ON/OFF ou rechame um efeito sonoro, o modo karaoke é cancelado.
- O som instrumental pode ser reduzido junto com a voz do cantor, quando o som é gravado monofonificamente.
- A voz do cantor pode não ser reduzida quando: — semente algunos poucos instrumentos são reproduzidos;
— está em reprodução um dueto;
a fonte possui ecos fortes ou coros;
a voz do cantor desvia-se do centro.
—a voz na fonte está a cantar em alto soprano ou tenor.
Adormecer ao som de músicas
Temporizador adormecedor
Pode-seDEXIAR oSYSTEMA desligar-seaposumtempo pre-ajustado,de tal forma que se possa adormecer ao som de musica. E possivel programar o tempo de desactivacao em intervals de 10 minutos.

/Carregue em SLEEP.
A alimentacao dcsliga-sec quando a reproducao do CD ou da cassette corrente termina (por até 100 minutos).
Para verificar o tempo restante
Carregue em SLEEP uma vez.
Para alterar o tempo de desactivacao
Selección o tempo desejado mediante o pressionamento dc SLEEP.
Para cancelar a funcao do temporizador adormecedor
Pressione SLEEP repetidamente, até que «OFF» apareça.
Despertar ao som de musica
Pode-se despertar ao som de datas. Certifique-se de ter acertado o relógio (consulte «Passo 3: Acerto da hora»).

1 Prepare a fonte musical que deseja reproduzir.
- CD: Insira um CD. Para,iniciar a partir de uma faixa espécífica,crie um programa (consulta «Programação de faixas de CD»).
Cassete: Insira una cassette con o bajo que deseja reproducir voltado para frente. - Rídio: Sintonize a estação programada descja (consulte «Passo 4: Programação de estações de rádio»).
2 Ajuste o volume.
3 Carregue em CLOCK/TIMER SET. «SET (DAILY 1)» é exibida.
4 Gire o anel de avanco/retroprocesso para seleccionar DAILY 1 ou 2, e entao carregue em ENTER/NEXT. ON' aparece e os digitos da hora passam a piscar no mostrador.

5 Ajuste a hora de inico da
reproducao.
Gire o anel de avanco/retroprocesso para
ajustar os digitos das horas, e entao
carregue em ENTER/NEXT.
A indicaao dos minutos passa a piscar.

Gire o anel de avanco/retroprocesso para
ajustar os digitos dos minutos e entao
carregue em ENTER/NEXT.
A indicaao das horas passa a piscar
novamente.
6 Ajuste a hora de paragem da reproducao, seguido o mesmo procedimento acima.
7 Gire o anel de avanco/retroprocesso até que a fonte musical desejada apareça.
As indicações alteram-se como segue: TUNER n CD PLAY n TAPE PLAY
8 Carregue em ENTER/NEXT. A hora de inico, seguda pela hora de paragem e fonte musical, aparece, e entao returna a indentacao original.
9 Desligue a alimentacao.
Continua...
Despertar ao som de musica (continuação)
Para verificar o ajuste
Carregue em TIMER SELECT e gire o anel de avanço/retroprocesso para selecionar o modo respectivo (DAILY 1 ou DAILY 2) e entao pressione ENTER/NEXT. Para alterar o ajuste,,recomece a partir do passo 1.
Para cancelar o funciona do temporizador
Carregue em TIMER SELECT e gire o anel de avanco/retroprocesso para seleccionar «OFF», e entao pressione ENTER/NEXT.
Informação
Al alimentacao liga-se 15 segundos antes da hora programada.
Nota
Quando do ajuste do temporizador despertador, ajuste a indentacao do equalizarao para qualquer outra posicao que nao o padrao 3 do analisador de espectros.Consulte *Para alterar a indentacao do equalizarador" na pagina 34.)
Para gravar temporizadamente, deve-se programar a estação de rídio (consulte «Passo 4: Programação de estações de rídio») e acertar o relógio (consulte «Passo 3: Acerto da hora») de antemão.

1 Sintonize a estação de rádio programada (consulte «Audiçao do rádio»).
2 Carregue em CLOCK/TIMER SET. «SET (DAILY 1)»APECE.
3 Gire o anel de avanco/retroccso para seleccionar REC, e entao carregue em ENTER/NEXT. ON' aparece c os digitos da hora piscam no mostrador.

4 Ajuste a hora de inicio da gravacao. Cire o anel deavanço/retroprocesso para ajustar os digitos das horas e entao corregue em ENTER/NEXT.

A indentacao dos minutos passa a piscar.
Cire o anel de avanco/retroprocesso para ajustar os digitos dos minutos e entao corregue em ENTER/NEXT.
A indentacao das horas volta a piscar.
5 Ajuste a hora de paragem da gravacao, seguido o mesmo procedimento acima. A hora de inico aparece, seguda pela hora de paragem, fonte de gravacao e estacao de rado, e entao a indicacao original e returnada.
6 Insira uma fita gravavel.
7 Desligue a alimentacao. quando a gravacao começar, o nivel de volume sera ajustado ao minimo.
Para verificar o ajuste
Carregue em TIMER SELECT e gire o anel de avanco/retroprocesso para selecionar «REC», e entao pressione ENTER/NEXT. Para alterar o ajuste, recomece a partir do passo 1.
Para cancelar o funciona do temporizador
Carregue em TIMER SELECT e gire o anel de avanco/retroprocesso para selecionar «OFF», e entao pressione ENTER/NEXT.
Notas
- Quando do ajuste da gravacao temporizada, ajuste a indentacao do equalizarao para qualquer另外 posicao que nao o padrao 3 do analisador de espctros.Consulte Para alterar a indentacao do equalizarao] na pagina 34.)
- Caso a alimentação esteja ligada na hora pré-ajustada, a gravacao não sera efectuada.
Informações adiconzonais
Precauções
Acerca da voltagem defunacionamento
Antes de utiliser o sistemas, verifique se a voltagem de funciona do seuSYSTEME identifica a tensiona da rede eletrica local.
Acerca da segurancia
- O aparecido não está desligado da fonte de alimentação CA (rede eletrica) quando permanecer ligado a uma tomada da rede, mesmo que o aparecido em si tenha sido desligado.
- Desligue o sistemas da tomada da rede CA, caso não va ser utilizado por um longo intervalo. Para deslugar o fio (cabo de alimentação CA), puxe-o能找到. Nunca puxe pelo proprietary fio.
- Se algo um objecto solido ou liquido cair dentro de um componente, desl figure o Sistema estérco da rede eletrónica e submeto-a uma averiguação técnica por pessoalrialico antes de voltar autilizá-lo.
- O cabo de alimentação CA deve ser trocado somente em serviços especializados.
Acerca da localização
- Instale o Sistema estéreo em um local com ventilação adequada, de modo a fazer o sobrequeccimento interno do mesmo.
- Não instale o aparecido em uma posicao inclinada.
- Não instale o aparecido em um local:
extremamente quente ou frio
— sujeito a poecira ou sujidade
—muito humido
— sujeito a vibrações
sueito a luz solar directa
Acerca do funciona
- Caso oSYSTEME estéreço estátransportado directramente de um local frio para um quente, ou seja colocado em um recinto muitohumido,poderá ocorror condensação de humidade sobre a lente no interior do leitor de discos compactos. Se isto ocorror, osystema não fonctionarapropriamente. Remova o CD e deleixe o systema ligado por circa de uma hora, até que a humidade evapore.
- Ao deslocar oSYSTEMa, retire todos os discos.
Casu surja una[dúvida ou problema conceniente a esteystema estéreo, consulte o seu agente Sony maisproximo.
Notas acerca dos CDs
- Antes de reproduzir, limpe o disco compaco com um pano de limpeza, a partir do centro do CD para o exterior.
- São utilize solventes mais como benzina, diluente, limpadores commerciale disponíveis ou aeroais antiestáticos destinados à LPs de vinilo.
- Não exponha o CD à luz solar directa ou a fontes de calor tais como conduitas de ar quente, tampouco o deixe no interior de um automóvel estacionado sob o sol.
Limpeza da parte exterior
Utilize um pano macio levemente humeccido com solucao de detergente suave.
Para salvaguardar uma fita permanente
Para evitar que una fita seja acidentalmente sobregravada, quebre a lingueta do lado A ou B da cassette, tal como ilustrado. Se, posteriormente, quiser reutilizar a cassette para gravacoes, cubra a abertura da lingueta quebrada com fita adesiva.


quando utilizes uma cassette TYPE II (cromio) ou TYPE IV (metal), tenho o cuidado de não cobrir os orificios de DETECÇÃO que permitem ao leitor de cassettes detectar automaticamente o tipo de fita.


Orificios de detectação
Bobine qualquer folga na fita. Doutro modo, a fita podera emaranhar-se nas peças do deck de cassetes e avariar-se.
Nautilização de cassetes com duração superior a 90 minutos
Tal fita é muito elastica. Não altere as operações da fita, tais como reprodução, paragem, bobinagem rápida, etc. com muito frequência. A fita pode emaranhar-se no deck de cassetes.
—o som sera distorcido;
—haveruma reducao no nivel de som;
ocorroperdasodesom
— o apagamento de fita não sera complete;
—podera nao ser possivel gravar na fita.
Certifique-se de limpar as cabecas de fita antes de inaugurar uma gravacao importante ou apôs reproduzir uma fita antigia. Utilize uma cassette de limpeza do tipo humido ou seco de vendap avulsa. Quanto a detalhes, consulte as instruções da cassette de limpeza.
Desmagnetização das cabecas de fita
Desmagnetize as cabecas de fita e as peças metálicas que entraram em contacto com a fita a cada 20 a 30 horas de uso com uma cassette de desmagnetização de vendapvulsa. Quanto a detalhes, consulte as instruções que accompanying a cassette de desmagnetização.
Primeiro, verificou se o cabo de alimentacao CA está ligado firmamente e se os altifalantes estao ligados correcta e firmamente.
Se algo gum problema persistir, consulte o seu agente Sony mais proximo.
Generalidades
O meuhrador meça a piscar, assim que se lga o cabo de alimentacao CA, mesmo que não se tenha ligado o interruptor de alimentacao (modo demonstracao).
- Carregue em DISPLAY/DEMO com a alimentação desigada.
O modo demonstracao aparece automaticamente na primarya vez que se liga o cabo de alimentacao CA. Casa haja uma interrupcao de energia de duracao maior que meio dia, recexeute o segunte:
— Acerto do relógio (consulte «Passo 3: Acerto da hora») - Programação de estações (consulte «Passo 4: Programação de estações de rádio»)
Ajustes do temporizador (consulte «Despertar ao som de musica» e «Gravacao temporizada de programas de radio»).
«0:00» piscan no mostrador.
- Ocorreu uma Interruçao de alimentacao. Acerte o relógio e ajuste o temporizador novamente.
Ausência de som
Gire VOLUME para a direita.
- Os auscultadores estáo ligados.
- Insira somente o trecho desencapado do cabo de altifalante na tomada SPEAKER. A inscracao da porcao de vinilo do cabo de altifalante ira obstrui as ligações de altifalante.
Continua...
Ocorrência de severos zumbidos ou interferências
- Um tevisor ou videogravador está localizzato demasiadamente proximo do sistema estereo. Aumente a distancia entre o Sistema estereo e o tevisor ou videogravador.
O som da fonte conjugada é distorcido.
- Caso «VIDEO» apareça noestrador quando se pressiona FUNCTION, comute a indentação para «MD» (consulte «Notas: Ligação de um videogravador»).
O temporizador não funciona.
- Acerte o relógio correctamente.
DAILY 1, DAILY 2 e REC não aparecem quando se pressiona a tecla TIMER SELECT.
- Ajuste o temporizador correctamente.
- Acerte o relógio.
O telecomando não funciona.
- Hó um obstáculo entre o telecomando o Sistema.
- O telecomando não está a apontar em direção ao sensor doSYSTEMA.
- As pilhas está exauridas. Substitua as pilhas.
Ocorrência de realimentação acústica
Reduza o nivel de volume.
Aumenta a distancia entre o microfone e os altifalantes, ou altere o direcionamento do microfone.
Persistência de irregularidades de cor no écran de um televisor.
Desligue o televisoruma vez,a seguir, volta a ligalopaos 15a30minutos.Caso asirregularidades de corailnd persistam, aumenta a distancia entre os altifalantes e o televisor.
Altifalantes
O som é emanado de apenas um canal, ou os volumes esquerdo e direito está desbalancedados.
- Verifique a ligaçao dos altifalantes e a localização dos mesmos.
O som é emanado somente pelo altifalante central.
A fonte em reproducao e monofonica. Carregue em PRO LOGIC e
Ausência de som do altifalante central.
- Ajuste REAR LEVEL ao nível apropiado.
- O software em reproducao possui cfeitos sonoros limitados. Verifique o volume como sinal de teste.
Leitor de discos compactos
A bandeja de CDs não se fecha.
- OCD nao está colocado apropriadamente.
Nāo é possivel reproducir o CD.
- O CD não está em posicao plana no compartmento de disco.
- O CD aparente sujidades.
- O CD está inserido com o lado impresso voltado para baixo.
- Acúmulo de condensação de humidade. Remova o CD e deixe o Sistema ligado por conta de uma hora, às vezes que a humidade evapore.
A reproducao nao se inicia a partir da primeira faixa.
- O leitor está no modo programado ou aleatório. Carregue em PLAY MODE repetidamente, até que «PROGRAM» ou «SHUFFLE» desaparça.
OVER> está em exibicao.
- Atingiu-se o final do CD.
Mantenha pressionada 0 para returnar.
Deck de cassetes
Nāo é possivel gravar na fita.
- Nenhuma cassette foi inserida no compartmento de cassette.
A lingueta foi removida da cassette (consulte «Para salvaguardar uma fita permanente» na págin44).
A fita foibobinadateo seu fim.
Nāo é possível gravar nem reproduzir uma fita, ou ocorrre diminuição do nível de som.
- As cabecas apareceram sujidades. Limpeas (consulte «Limpeza das cabecas de fita» na páginá 45).
- As cabecas de gravacao/reproducao está magnetizadas. Desmagnetize-as (consulte «Desmagnetização das cabecas de fita» na págin45).
O apagamento da fita não é completeness.
- As cabecas de gravacao/reproducao estao magnetizadas. Desmagnetize-as (consulte *Desmagnetizacao das cabecas de fita" na pagina 45).
Ocorrência de choro e flutuaço excessivos, ou perdas de som.
- Os veios de arrastó ou os roletes pressores aparecem sujidades. Limpe-os (consulta «Limpeza das cabecas de fita» na páginá 45).
- As cabecas de gravacao/reproducao está magnetizadas. Desmagnetize-as (consulte «Desmagnetização das cabecas de fita» na págin45).
Sintonizador
Severos zumbidos ou interferências («TUNED» ou «STEREO» pisca no主義).
- Ajuste a antenna.
A intensidade do sinal é demasiadamente fraca. Ligue a antenna externa.
Não é possível receber um programa FM estéreo em estéreo.
- Carregue em STEREO/MONO de forma que «STEREO» apareça.
Casosotros problemas no descritos acima ocorrram, reinicialize o problema como segue:
1 Desligue o cabo de alimentacao CA da tomada da rede.
2 Volte a ligar o cabo de alimentacao CA.
3 Carregue cm SPECTRUM ANALYZER, ENTER/NEXT e DISC 1 simultaneamente.
Especificações
Secção do amplíficator
Potência de saía DIN FRONT SPEAKER:
Potência de saída eficaz continua
FRONT SPEAKER:
Potência de saída musical FRONT SPEAKER:
impedência de 10 kohms
Saidas VIDEO/MD OUT
tomadas RCA):Tensao
de 250mV , impedancia
de 1 kohm
PHONES (tomada
Aceita impedência de 8 a
16 ohms
REAR SURROUND
SPEAKER:
Aceita impedência de 18
ohms.
CENTER SURROUND
SPEAKER:
Aceita impedência de 8
ohms.
SUPER WOOFER:
Tensao de 1V,
impedência de 1 kohm
Secção do leitor de discos compactos
Sistema Sistema de audio digital e
disco compaco
Laser Laser semiconductor
( = 780 ~nm)
Duração da emissão:
continua
Saida do laser Max.de 44,6
*Esta saida corresponde
ao valor mensurado a
uma distancia de 200 mm
a partir da superficie da
lente objectiva no Bloco
de Leitura Optica com
abertura de 7 mm
Resposta de frequência 2 Hz - 20 kHz (±0,5 dB)
Comprimento de onda 780-790 nm
Relaço sinal-ruido Superior a 90 dB
Gama dinamica Superior a 90 dB
Secção do leitor de cassetes
Resposta de frequência 60 - 13.000 Hz (±3 dB),
(DOLBY NR OFF)utilizing cassetes Sony
TYPE1
60-14.000 Hz (±3 dB),
utilizando cassetes Sony
TYPE II
Choro e flutuação ±0,15% pico ponderado
(IEC)
Secção do sintonizador
Secao do sintonizador de FM
Gama de sintonização
Modelo do tipo 3 bandas:87,5-108,0 MHz
Frequência intermediária 10,7 MHz
Secao do sintonizador de UKV (Somente no modelo do tipo 4 bandas)
Secção do sintonizador de AM
Gama de sintonização
MW:531-1.602kHz
(com intervaloajustado
cm 9 kHz)
LW:153-279kHz
(com intervaloajustado
em 3 kHz)
Antena Antena de quadro AM
Terminal de antenna
external
Frequência intermediária 450 kHz
Altifalante
Coluna frontal SS-L100V/L100VH
Unidades de altifalante
De graves: 15 cm de diam., tipo
cónico
Impedência nominal 8 ohms
Dimensoes (1/a/p) Aprox. 205× 330× 315mm
Sistema de altifalantes 1 via, 1 unidade, tipo
reflexão de graves
Unidades de altaforme
Impedência nominal 16 ohms
Dimensoes (1 / a / p) Aprox. 250× 95× 240mm
Sistema de altifalante 1 via, 1 unidade, tipo
reflexao de graves,
magnificamente blindado
Unidades de altaforme
Impedência nominal 8 ohms
Dimensoes (1 / a / p) Aprox. 280× 110× 175
mm
Peso Aprox. 1,5kg liquido
Generalidades
Alimentação requerida 220 - 230 V CA, 50/60 Hz
Consumo 170 watts
Dimensoes (1 / a / p) Aprox. 280× 330× 366
mm
Peso Aprox. 10kg
Acessórios fornecidos: Antena de quadro AM (1)
Telekomando RM-SE2AV
(1)
Pilhas Sony SUM-3(NS) (2)
Antena filiforme FM (1)
Cabos de altifalante (5)
Calao de altifalante
frontal (8)
Calgos de coluna de
altifalantes central(4)
Design e specifications sujeitos a alteracoes sem
aviso prévio.
Indices remissivo
A,B,C,D
Acerto da hora 8
Acerto do relógio 8
Efeito perimétrico Dolby Pro Logic Surround 5,33
Elo 29
Estações de rádio programação de 9 sintonização de 16
G,H
Intervalo de sintonização 6,36
L
Lampcojo 29
Leitor de discos compactos 13,22
Ligacao.Consulte Ligacao do planta
sistema
Ligacao
da alimentacao 4
de antenas 4,12
de componentes
opcionais 10
do planta 7
M
Mostrador 7,22,34,37
N
Nome da estacao 30
0
Onda 30
P,Q
Pilhas 5
Programação de estações de radio 9
Proteção de gravações 44
R
Reinicialização do Sistema 47
Reproducao
de CDs 13 de estacoes de rado programadas 16 de faixas em ordem aleatoria (leitura aleatoria)23
de faixas na ordem descjada (leitura programada) 24
repetida dc faixas (leitura repetida) 22
Reprodução aleatoria 23
Reproducao a um toque 11, 17,20
Reproducao normal 13
Reproducao programada 24
Reproducao repetida 22
S
Salvaguarda de gravações 44
Selecao Automática da Fonte 14, 17, 20
Selecao doefeito de audio 33
Sinal de teste 7
Sintonização programada 16
Sintonizador 9,16
Sistema de dados radiofonicos 30
T,U,V,W,X,Y,Z
Temporizador adormecer ao som de músicas 40 despertar ao som de músicas 41 gravacao temporizada 42
Temporizador adormecedor 40
ManualFácil