Mega 650270 D - Kompresor METABO - Bezpłatna instrukcja obsługi
Znajdź bezpłatnie instrukcję urządzenia Mega 650270 D METABO w formacie PDF.
Pytania użytkowników dotyczące Mega 650270 D METABO
0 pytanie dotyczące tego urządzenia. Odpowiedz na te, które znasz, lub zadaj własne.
Zadaj nowe pytanie dotyczące tego urządzenia
Pobierz instrukcję dla swojego Kompresor w formacie PDF za darmo! Znajdź swoją instrukcję Mega 650270 D - METABO i weź swoje urządzenie elektroniczne z powrotem w ręce. Na tej stronie opublikowane są wszystkie dokumenty niezbędne do korzystania z urządzenia. Mega 650270 D marki METABO.
INSTRUKCJA OBSŁUGI Mega 650270 D METABO
pl Oryginalna instrukcja obstugi 49
el Ppwotuno o8nyiw aeitoupyia 53
hu Eredeti hasznalatiutasitas 57
ru OpunnHaNbHoe pyKOBoDcTBo no 3KnIyatauN 61
Mega 350/50 W
Mega 350/100 W
Mega 350/100 D

Mega 350/150 D
Mega 520/200 D
Mega 580/200 D
Mega 650/270 D









| 12. | Mega 350-50 W | Mega 350-100 W | Mega 350-100 D | Mega 350-150 D | Mega 520-200 D | Mega 580-200 D | Mega 650-270 D | |
| *1) Serial Number | 01589.. | 01538.. | 01539.. | 01587.. | 01541.. | 01588.. | 01543.. | |
| A | I | / | m | i | n | 315 315 320 | 320 486 510 | 650 |
| F | I | / | m | i | n | 245 245 250 | 250 365 390 | 490 |
| Leff | I/min | 215 215 | 220 220 310 350 420 | |||||
| p | b | a | r | 10 10 | 10 10 10 11 11 | |||
| V | I | 50 100 | 100 100 150 200 | 200 270 | ||||
| a | - | 3 | 3 | 3 | 3 | 3 | 3 | 3 |
| z | - | 2 | 2 | 2 | 2 | 2 | 2 | 2 |
| Nm - 22 - 27 | 22 - 27 22 | 27 22 - 27 22 | - 27 22 - 27 22 | - 27 | ||||
| n0 | /min, rpm | 2850 | 2850 | 2900 | 2900 | 2900 | 2900 | 2900 |
| P1 | kW | 2,2 | 2,2 | 2,2 | 2,2 | 3,0 | 3,0 | 4,0 |
| U | V | 230 (1~50 Hz) | 230 (1~50 Hz) | 400 (3~50 Hz) | 400 (3~50 Hz) | 400 (3~50 Hz) | 400 (3~50 Hz) | 400 (3~50 Hz) |
| I | A | 11,7 | 11,7 | 4,3 | 4,3 | 7,6 | 7,6 | 8,1 |
| F | A | 11 | 11 | 6,3 | 6,3 | 10 | 10 | 10 |
| IP | - | IP 44 | IP 44 | IP 44 | IP 44 | IP 44 | IP 44 | IP 44 |
| G | - | 3 x 1,5 mm2- 7,5 m | 3 x 1,5 mm2- 7,5 m | 3 x 1,5 mm2- 30 m | 3 x 1,5 mm2- 30 m | 3 x 1,5 mm2- 30 m | 3 x 1,5 mm2- 30 m | 3 x 1,5 mm2- 30 m |
| 3 x 2,5 mm2- 12,5 m | 3 x 2,5 mm2- 12,5 m | 3 x 2,5 mm2- 50 m | 3 x 2,5 mm2- 50 m | 3 x 2,5 mm2- 50 m | 3 x 2,5 mm2- 50 m | 3 x 2,5 mm2- 50 m | ||
| A | mm | 800 x 490 x 780 | 1000 x 410 x 900 | 1000 x 410 x 900 | 1380 x 420 x 950 | 1500 x 450 x 960 | 1430 x 550 x 1010 | 1530 x 600 x 1160 |
| Tmax | °C | + 40 + 40 | + 40 + 40 + 40 | + 40 + 40 | ||||
| Tmin | °C | +5 | +5 | +5 | +5 | +5 | +5 | +5 |
| Oel - | ca. 0,5 l/ SAE 40 (SAE 20) | ca. 0,5 l/ SAE 40 (SAE 20) | ca. 0,5 l/ SAE 40 (SAE 20) | ca. 0,5 l/ SAE 40 (SAE 20) | ca. 0,9 l/ SAE 40 (SAE 20) | ca. 1,5 l/ SAE 40 (SAE 20) | ca. 1,8 l/ SAE 40 (SAE 20) | |
| m | kg | 52 | 69 | 69 | 85 | 131 | 136 | 170 |
| LpA/KpA | dB(A) | 86 / 3 | 86 / 3 | 86 / 3 | 86 / 3 | 89 / 3 | 87 / 3 | 88 / 3 |
| LWA/KWA | dB(A) | 93 / 3 | 93 / 3 | 93 / 3 | 93 / 3 | 96 / 3 | 96 / 3 | 97 / 3 |
| *5) LWA(M)/LWA(G) | dB(A) | 89,1 / 93 | 89,1 / 93 | 92,5 / 95 | 92,5 / 95 | 94,3 / 96 | 94,8 / 96 | 95,4 / 97 |
^*2) 2011/65/EU, 2006/42/EC, 2014/30/EU, 2000/14/EC (Annex VIII)
3) EN 1012-1:2010, EN 60204-1:2006/A1:2009, EN ISO 3744:2010, EN 55014-1:2006/A2:2011, EN 55014-2:2015, EN 61000-3-3:2013, EN 61000-3-2:2014, EN 50581:2012
4) Eurofins Product Testing Italy S.r.l. - NB-No. 0477

Oryginalna instrukcja obstugi
Spis tresci
1.Deklaracja zgodnosci
2.Uzytkowanie zgodne z przyznaczenia
3.Ogólne zasady bezpiecz内分泌
4.Specialnezasady bezpieczernstwa
5. Elementy urzadzenia
6.Uruchomienie
7.Eksploataca
8.Konserwacja i przyglady
9.Naprawa
10.Ochronaśrodowiska
11.Problemyzaktocenia
12.Dane techniczne
1. Deklaracja zgodnosci
Oswiadzamy z peña odowiedzialnosci, ze sprežarki oznaczie typem i numerem serynym 1) spelmija wszystiek obowieziuja prepisiy dyrektyw 2) i norm 3). Jednostka certyfikujaca 4), poziom mocy akustcnej -zmierzony LWA(M) / gwarantowany LWA(G) 5), dokumentacja techniczna 6)-patrz strona 4.
2. Uzytkowanie zgodne z przyeznaczeniem
Urzadzenie stuzy do wyttwarzania sprezonego pouwietra przyeznaczonego do zasilania narędzi pneumatycznych w profesjonalnym zastosowaniu.
Zabronione jest是我的 uzywanie do zastosowan medycznych, w branzy spozywczej oraz do napetniaia butli powietrznych przyznaczonych do oddychania.
Zabronione jest rowniez sprezzanie gazow ywbuchowych, palnych i szkodliwych dla zdrowia. Urzadzenia nie wolno uzytkowa w pomieszczeniach zagroznych wybuchem.
Kazde innate zastosowanie jest uznawane za niezgodne z priseznaczeniem. Uzytkowanie niezgodne z priseznaczeniem, modyfikacja uradzdenia lub uzywanie czeci niesprawdzonych i niedopuszczonyme przyrozduce na mość spowodownikie nieprzewidywalne szkody!
Zabronione jest uzywanie urzadzenia i podlączonych do noiego naręźdi pneumatycznych przyez daneci, mlódzież i osoby, króne nie zostawy przyszekolone w zakresie uzytkOWania.
Praca urzadzenia musi sie odywac pod nadzorem.
3.Ogolnezasady bezpieczenstwa

OSTRZEZENIE! W celu zminimalizowania rzyka obrażen zapoznać sieź trescią instrukcj obstugi.
Ogólne zasady bezpieczność
OSTRZEZENIE! Przeczyta wszystkiezasady bezpiecznychwiazalecenia.
Nieprzestręganie zasad bezpieczernistwa i zalecen要去c przyczyna porazenia pradem elektrycznym, pozarui lub powaznych obrazeni ciala.
Wszystkiezasady bezpieczeneistwa izalecenia
stanarrige przechowyac,by moc z nich
skorzysta w przyszlosci! Przekazujac
urzadzenie innym osobom nalezy przekazac
rornaiesz nineiesza dokumentcj. Kaźdy
uzytkownik musi miedw raczie potrzeby moziwość
odnalezionie wymaganych informaci.
3.1 BezpieczeINSTWO na stanowisku pracy
a) Miejsce pracy nalezy utrzmywac w czysztoi z apewnić dobre oswietylenie. Nieporzadek i brak oswietylenia.),不错pracy mog provadzić do wypadkow.
b) Urzadzenia nie wolno uzywać w srodowisku zagrozonym wybuchem, w ktorym znajduja sie latwopalne ciecz, gazy lub pyly. Urzadzenia wtywarzaja iskry, któ moga spowodować zapton pytu lub oparów.
c) Podczas przy z urzadzeniem zadbać o zachowanie odopiewiednej odlegtosci odzieci i innych osob.
3.2 Bezpieczneistwo zwiazane z pradem elektrycznym
a) Wtyczka sieciowa urzadzenia musi pas学习贯彻 d goznazda wytkowyego. Zabriania sie jakichkolwiek modyfikazioni wtyczki. Do wtyczek urzadzen uziemionych nie wolno stosowac przy.§ciowej. Korzystanie z originalnych wzteczik i odpowiednich gniazdek wtykowych ogranicza ryzyko prazenia przem.
b) Unika kontaktu z uziemionymi elementami, np. rurami, grzejinikami, piecykami i lodowkami. Ryzyko porazenia pradem elektrycznym wzrasta, gdy ciato osoby obslugujucej urzadzenia jest uziemione.
c) Chronic urzadzenie przyd desczem i wilgocia. Wniknięcie wody do wétrzra urzadzenia zȩksza ryzyko porazenia przem.
d) Przewodu zasilajacego nie wolno uzywac niedzgodnie z loro przyznaczeni, np. do przenoszenia urzadzenia, podwieszania lub wciagania za loro pomocza wtyczki z gniazda sieciowo. Przewod zasilajacy chronic przy wysoka temperatura, olejami, ostrymi krawedziami i ruchomymi elementami urzadzenia. Uszkodzony lub splątany przewod zasilajacy zwieksza ryzyko porazenia przem elektrycznym.
e) Podczas uzytkOWANIA urzadzenia na Wolnym powietru nalezy korzysta wylacznie z przedluzaczy dopuszczonych do stosowania na zewnqtrz. Stosowanie przedluzacza przyeznaczonego do uzytku na Wolnym powietru zmniejsza rzyko porazenia przem elektrycznym.
3.3 Bezpieczentwo ludzi
a) Podczas przy z urzadzeniem sązy zachowac szeczogólna ostroznosć orazystepowa w sposob przemyslany i rozwazny. Nie uzywac urzadzenia wprzypadku zmeczenia ani pod wptywemarkotykowski, alkoholu lub lekow. Chwila nieduagi podczas uzywania urzadzeniaMZE spowodowa powazne obrażenia.
b) Uzywac sroków ochrony indywidualnej i zawsze nosic okulary ochonne. Stosowanie sroków ochrony indywidualnej, np. maski przyciwpyłowej, obuwa robociego z podeszwa antyposilzigowa, kasku ochronnego lub ochronnikow stuchu, w zaleznosci od rodzaju i przyeznaczenia urzadzenia, zmiejejsa ryzyko obrazeni.
c) Unikaśćamierzonego uruchomienia urzadzenia. Przed podlącenium urzadzenia do zasilania sieciowego, podniesienium lub przenoszeniumNSEy sie upewnic,zejest ono wylaczone.Trzymanie palca na wlaczniku podczas przenoszenia urzadzenia lub podlącenie waczoonego urzadzenia do zasilania moze spowodocw wypadek.
d) Przed właczenia urzadzenia usunć wszelkie narędzie uzywane do regulacji i kluczne. Narędzie lub klucz znajdujugacy sie w ruchomym elementiec urzadzenia要去 prowadźć do obrażćcia.
e) Unikać nienaturalnej postawy ciała. Dbac o bezpieczna postawe podczas pracy i zawsze utrzymywać rownowage. Pozwala to lepiej panować nad urzadzeniem w przypadku niedoczekiwanej sytuacje.
f) Nosić odpowiednia odzież. Nie nosić luźngo ubrania ani biżuterii. Nie zbl-Zać wlosów i odzieży do ruchomych elementów urzadzenia. Luźne ubranie, biżuteria lub dlugie wlosy moga zostac wciagniete przy zruchome elementy.
h) Nie popadać w rutynę na skutek znajomość urzadzenia w wyniku wiełokrotné uzywania i nie rezygnownik z przestrzegania zaśd bezpieczeniastwa dotycznych urzadzenia. Brak uwagi podczas przycy goź w ulamku sekundy spowodowej powazne obrożenia ciala.
3.4 Uzytkowanie i obstuga urzadzenia
a) Nie przyȩść urzadzenia. Do okreslonych prac uzywoć odpwiednić urzadzeń. Dobor wymiȩwego urzadzenia zapewnia wydajniejsza i bezpiecznych sącz w danym zakresie mocy.
b) Nie uzywac urzadzen z uszkodzonym wlacznikiem. Urzadzenia, ktorego nie mayna wlaczyc lub wylaczyc, stanowiNiebepeziczeniawo i wymaga naprawy.
c) Przed zmianq ustawien urzadzenia, wymianq wyposazenia dodatkowego lub przed odlozeniem urzadzenia nalezy wciąnac wyczkę z gniazdka. Zapobiega to niezamierzonemu wȩczeniu urzadzenia.
d) Nieuwyane urzadzenia przechowyac w mistręcie niedostepnym dla daneki. Nie dopuszczać do uzytkowania urzadzenia odso, któ nie znajego oblsugi lub ne zapoznały sie z ninejsza instrukcja. Urzadzenia obstugwane przy osoby niedoswiadczone moga bycNiebepezpieczne.
e) Zapewnic staranna kontrole oraz konserwacja urzadzen i akcesoriow. Naleź sprawdzwac,czy ruchome elementy;dzielaj摩擦lwo i nie zacinaj sie oraz czy zdne czeci ni są pekniete lub uszkodzone w spośob zagrażajcy bezpiecznych dzialaniu urzadzenia. Przed przystapieniem do praczy urzadzeniem zleci naprawe uszkodzonych czeci. Niewlasciwa konserwacja urzadzen jest czesta przyczyna wypadkow.
g) Urzadzenie, akcesoria, naręźdia robocze itp. nalezy uzytkowac zgodnia z niniejszymi zaleceniami. Nalezy przy tym uwzgliednic warunki przy i rodzaj wykonywanych czynnosci. Uzywanie urzadzeni do zastosowan niedzgodnych z ich przyznaczenia stwarza niebezejcieczne stwo wypadku.
h) Uchwyty i powierzchnie chwytne utrzmywac w stanie suchym, czystm i Wolynom od oleju oraz smaru. Sliskie uchwyty i powierzchnie chwytne nie pozwalaja na bezpieczna obstuge i kontrole urzadzenia w nieoczekiwanych sytuacjach.
3.5 Serwis
a) Naprawe urzadzenia nalezy powierzac wylacznie wykwalifikowanym specialistom, uzywajycym tylko oryginalych czeci zamiennych. Gwarantuje, zo zostanie zachowane bezpieczerstwo urzadzenia.
3.6 Dalsze wskazówki bezpieczenstwa
- Niniejsza instrukcja obstugi jest adresowana do osob dysponujacych podstawowa wiedza techniczna zwiazana z obstuga opisywanych urzadzen. Osoby, ktore nie posiadaj takiego doswiadczenia, powinny njapirow skorzystac z pomocy doswiadczonych uzytkownikow.
- Producent Nie ponesi odpowiedzialnosci za szkody powstate na skutek nieprestrzegania zapisow ninejszej instrukcjobi obstugi.
Informacja w miniejszej instrukcjji obstugi oznaczone w nastepujczy spośob:

Niebezpieczenstwo!
Ostrzezenia przyskodami osobowymi lubŚro dowiskowych.

Niebeziepceansewo porazenia pradem!
Ostrzezenia przyskodami osobowymi spowodowanymi przyez elek
trycznosć.

Uwaga!
Ostrzeżenie przyskodami materialnych.
4. Spezialne zasady bezpieczenstwa
Podczas uzytkowania urzadzen pneumatycznych istnieja nastepujace ryzyka resztkowe, ktorych nie sa w stanie catkowie wyeliminować nowet elementy zabweptieczajce:
4.1 Niebezpieczentwo obrazen wskutek wydobywajacego sie pod ciasnieniem sprezonegogowietra
POLSKIpl
oraz elementów, któ moga zostac odrzucone przyż zȩzone powietrze!
-Nigdy Nie kierowac strumienia sprezonego powietrza w strone ludzi ani zwierzat.
- Upewnic sie, ze wsystkie uzywane urzadzenia pneumatyczne i akcesorsa są przyznaczone do pracy z cisnieniem roboczym lub są podłaczone poprzecz reduktor cisnienia.
- Podczas rożuczania szybkoz到账amy pamietac, z weza pneumatyczego gwaltownie wydobędzie są zwarte w nim sprezone powietrze. Mocno trzymac odłuczana koncłowek weza pneumatyczego.
-Srawdzi,czy wszystkie zlacza gwintowe sa mocno dokrecone.
- Nie naprawiać urzadzenia samodzielnia! Naprawy spreźarek, zbiorników cisnieliwowych urzadzenne pneumatycznych moga byc wykonywane wącznie przyez spezialistów.
4.2 Zagrożenie ze strony spreźonego powietrza zawierajćego olej!
-Smarowane,sprezonepowietresholnostosawcwylacznodarnejedzipneumatycznychpezznaczonycho do uzywaniaze smarowanym sprezonym powietrzem.
- Nie uzywac węza pneumatycznégo przyżnaczonego do stosowania z naolejonym spreźonym powietrzem do narędźpi pneumatycznych, thóreNie są przyżnaczone do uzywania z naolejonym powietrzem.
- Nie napelniac smarowanym sprezonym powietrzem opon samochodowych itp.
- Odpowiednie filtry umozliwja oczyszczenie sprezonego popcornra z drobinek oleju. Dzieks temu sprezarke smarowan alejem mozza stosowac z narzedziami pneumatyczymi wymagajacym powietrza wolnego od oleju.
4.3 Rzyzyko oparzenia w kontakcie z elementami przywodzycymi sprezonegowietrze!
- Przed Rozpoczyciem konserwacci odczekać do ostygnięcia urzadzenia.
4.4 Niebepezieczneistwo obrazen ciali i zmiazdzenia przyez ruchome elementy!
- Nie uruchamiac urzadzenia ze
zdemontowanymi elementami ochronymi. - Pamiętac, ze urzadzenia uruchamia są automatycznych po spadku ciśnienia do poziomuminimalné! - Prźed Rozpoczeciem konserwȩji upewnić są, ze urzadzenia jest odłączone od zasilania siedioceware.
-Upewnicieprzdwluczeniemnp. poskonzieniu prac konserwacynjch),ze wuradzeni ni me ma juicesdych narzedziroboczych ani luznych elementow.
4.5 Niebeziepceznstwo spowodOWane niewystarczajacymi srodkami ochrony indywidualnej!
-Nosicochronnikistuchu.
-Nosicokularyochronne
- W przypodku pracgowodujacych zapylenie lub powstawanie szkdlwych dl zdrowia gazow, oparow lub mgly nosic maske oddechowa.
- Nosić odpowiednia odzież robocza.
- Nosić obuwie antyposlizgowe.
4.6 Niebeziepzcienstwo spowodOWane wadami urzadzenia!
- Starannie dbać o urzadzionie i了我的 osprzęt.
-
Przestrozegrć przejisów dotycznych konserwacje.
-Kaźdorazowo przyzed uzyciem sprawdzić urzadzenia pod katem ewentualnych uszkodzen. Przed kontynuowaniem pracy z uzyciem urzadzenia nalewy starannie sprawdzić.goe elementy zabepeziejace i ochronne oraz niedznacznie uszkodzone czeci pod katem prawidlowego i zgodnego z przyżnaczenia działania. Uszkodzone urzadzenia wolno ponownie uzytkowej dopiero po naprawieniu przyez SPECIALISTE -
Sprawdzić,czy ruchome elementy dzialaja prawidtowo i nie zacinajá sie. Wszystkie elementy musza byc prawidtowo zamontowane i spetniac wszystkie warunki do zapewnienia prawidowej pracy urzadzenia.
-Uszkodzoneczegsci lub elementy
zabepieczajace nalezy prawidtowo naprawic
lub wymienic w autoryzowanym
specialystycznym warsztaczie.
4.7 Dalsze wskazówki bezpieczelnstwa
- Przestręgać spezialnych wskazowej bezpiecieznstwa zamieszczonymych w poszȩgólnych rożdiazach.
- Prze stręgaćewentualnych przyepsów brzozowych i przyepsów BHP dotycznych uzytkowania spreźarek i narȩźne pneumałcznych.
- Przestręgaćustawych przejów dotycznych eksploataci urzadzen podlegajych nadzorowy techniznenu.
-Podczasuzytkowaniaiprzechowywania urzadzenia nalezy pamietac,ze wyciekajcy kondensatiinne materialy eksploatacynogaspowodawac zanieczyszczenia i szkody ekologiczne. - Podczas pracy uwzgliedniac czynniki zewnetrzne.
4.8 Symbole umieszczone na urzadzeniu (w zaleznosci od modelu)
Przechytać instruktów obstrugi.

Ostrzeżenie przy obrażeniami wskutek kontaku z gorącymi elementami.

Nosic okulary ochonne.

Nosic ochronniki stuchu.


Ostrzezenia przy automatycznych rozruchem.

Ostrzezenia przynebepezcznych napieciem elektrycznym.

Gwarantowany poziom mocy akustycznej.

Przestrzegac kierunku obrotow.
4.9 Urzadzenia zabezmieczajace
Zawór bezpieczenistä
Zamykany sprezynowo zawó bezpieczentwa (4) owiera sie, gdy zestanie przyzekroczone dopuszczalne cisliente maksymalne.
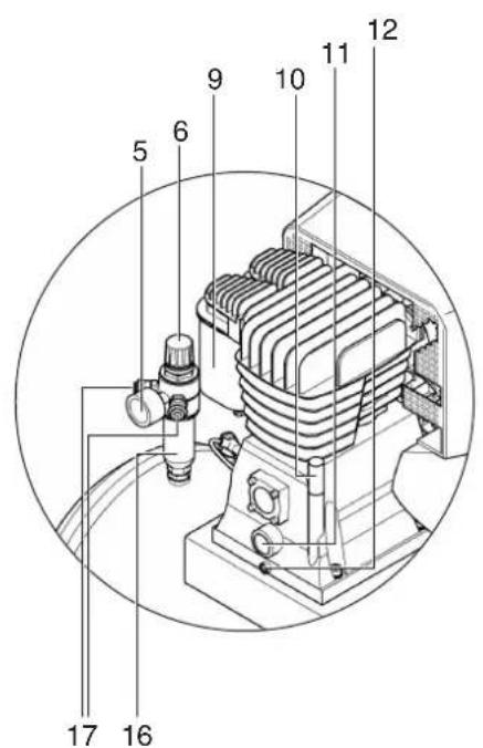
5. Elementy urzadzenia
Patrz strona 2.
1 Sp r ezarka
2 Z biornik ci snieniowy
3 Spust kondensatu
4 Zawórbezpieczé nstwa
5 Manometr regulacji cisnienia
6 Regulator ci snienia
7 Manometr cisnienia wewnatrz zbiornika
8 W tacznik/wytagznik
9 Filtr powietrza / obudowa filtra powietrza
0 Sruba wlewu oleju
1 Wziernik do kontroli poziomu oleju
2 Sruba spustowa
3 Przytacje nieregulowanego sprezonego powietrza (szybkozlacja, niedzamontowane)
4 Kratka ochronna paska klinowego
5 Uchwyt transportowy
6 Filtroreduktor
7 Przyȩcze regulowanego, filtrawanego, niesmarowanego spreżonegogowietra (szybkozpieczne)
8 Wylacznik ochronny silnika
w zaleznosci od modelu/wyposazenia
6. Uruchomienie
6.1 Montaz (w zaleznosci od modelu)
- Zamontowac kolkw sposobPokazany na ilustraci (patrz rys.A, strona 3).
- Zamontowac przyłącze spreżonego powietrza (13) w sposbPokazany na ilustraci (patrz rys.B.strona 3).
6.2 Kontrola spustu kondensatu
Sprawdzić,czy spust kondensatu (3) jest zamkniety.
6.3 Kontrola poziom oleju
Sprawdzic poziom oleju w sprežarce na wzierniku poziomu oleju (11). W razie potrzeby uzupehnic olej do polowy wziernika poziomu oleju (11). Parametry oleju podano w rozdziele 12. Dane technicznze.
- Wykrecic srbé wlewu oleju (10).
- Wlac taki olosc oleju, az jego poziom siegnie srodka wziernika poziomu oleju (11) lub specialnégo oznaczenia.
- Z powrotem wkrećić招投标 wlewu oleju (10).
6.4 Ustawienie
Miejsce ustawenia urzadzenia musi spelniac nastepujace wymagania:
-Suche, zabezmyni temperaturami
stabilne, poziome i roune podloze

Niebezpieczeistwo!
Nieprawidlowe ustawienie要去 prowadzic do powaznych wypadkow.
-Zabepieczyc uradzdenie przed stoczeniem, wywroceniem i przesunieciem.
-Urzadzenia zabeepieczajace i elementy obslugowe musza byc w/kazej chwili latwo dostepne.
- Nie ukladac urzadzenia na boku. Moze wyciekac olej!
6.5 Transport
- Nieuktadac urzadzenia na boku. Moze wyciekac olej!
- NieCraignac urzadzenia za waz ani za przwodzasilajcy.Do transportowania urzadzeniya uwacuchwytu transportowego (15).
7. Eksploatacja
7.1 Zasilanie sieciowe

Niebepezcienstwo! Napięcie zyczne.
Urzadzenie wolno uzytkowac wylacznie w suchym otoczeniu.
Podczas eksploataci urzadzenia korzysta
jedynie ze zrodla prady, ktore speltnia
nastepujace wymagania: przyepsioso
zainstalowane, uziemione i sprawdzone gniazda
wytkowe; zabezpieczenia zgodne z danymi
technicznych.
Kabel sieciowy ukladac w spośob nieutrudniajacency pracy i uniemozliwiajacency和他的 uszkodzenie.
Kazdorazowo przydwaczenia wyczki do gniażdka sciiewego sprawdzić,czy urzadzenia jest wączone.
Chronic kabel sieciowy przyd wysoka temperatura, agresywymi cieczami i ostrymi krawedziami.
Uzywać wyłacznie przydzieluźczy o dostatecznym przyzekroju zy (patrz Rozdiaz 12. Dane techniczne).
Stosowac przyduluzace przyznacione do pracy poza pomieszczeniami. Poza pomieszczeniami stosowa tylko dopuszczone i odpowiednio oznakowane przyduluzace.
Nie węlączac spreżarki poprzej z wymiagniecie wtyczki z gniaźdka, lecz uzywajć wȩzznika/ wymiȩzznika.
Na zasilaniu elektrycznym zainstalowc wylacznik roznicowopradyow (RCD) o maks. pradzie wyzwalajczym 30 mA.

W przypadku zasilania pradem
trofazowym: sprawdzić kierunek obrotów!
W zaleznosci od kolejnosci podlaczenia faz moze sie zdarzyc, ze silnik bedzie sie obracw niewtasciwym kierunku. Moze to doprowadzic do uzskodzenia urzadzeci. Z tego wzgldu po kaźdym nowym podlaczeniu nalezy sprawdzić kierunek obrotów: kofo pasowe sprežarki musi sie obracw w kierunku strzaiki (na krata ochronnej paska klinowego (14)).
W przypadku niewaściwo go kierunko obrotowej zamienic fazy we wtyczce:
- Wyciagnac wtyczke z gniazda.
- Zamienic fazy u zwywajc wkrtekata w sposob podazany na ilustracji (patrz rys.C, strona 3): za pomocag wkrtekata wcisnac nieco przyelacznik i obróc o 180^
7.2 Wytwarzanie sprezonegogowietra
- Właczyc urzadzenia wącznikiem/ wylacznikiem (8) i odczekać do osiagnęcia maksymalné cisznienia wewnatrź zbiornika (automatyczne wączenia spreżarki). Cisznioie w zbiorniku要去 na manometrze cisznienia wewnatrź zbiornika (7).

Uwaga!
Ustawiona wysokość wyregulowanego ciasnienie nieMZebywyzsza nizmaksymalne ciasnienie robocze podlączonych narźdi pneumatycznych!
- Za pomocag regulatora cisnienia (6) ustawic wymagane cisnienie. Aktualign wartość wyroguławanoideo cisnienia moza odczyta na manometrze regulacji cisnienia (5).
- Podlączyć wąź pneumatyczny do przyłącza spreżzonegogowietrza:
-Przyte nieregulowanego,nieftilrowanegosprezonego powietra (13)
- Przyjacze regulowanego, filtrowanego, niesmarowanego sprezonego powietrza (17)
- Podlączy narędzie pneumatyczne. W tym momenciedoğan rozpoczć prace z uzyciem narȩźdia pneumatyczné.
- Zamierzajac przerawc praCe na dluzszy czas nalezy wylaczy uradzdenie. Nastepnie wyjac rowniez wyczek sieciowa.
- Codziennie nalezy spuszczac kondensat ze zbiornika cisnieniowego poprzej spust kondensatu (3).
8. Konserwacja i przyglady

, Niebepezceznstwo!
Przed przystapieniem do jakichkolwiek prac przy urzadzeniu:
Wylaczy urzadzenie. Wyciagnac wtyczke z gniazda.Odczeka do calkowitego zatrzymania urzadzenia.Upewnic sie,ze w urzadzeniu oraz wzystikh uzywanych narzedziach pneumatycznych i elementach osprzetu zostalo zredukowane cisnienie.
Odczekać do ostygnięcia urzadzenia oraz wszymstckich uzywanych narźedzi pneumatycznych i osprzetu.
Po ukończeniu wszelkich prac przy urzadzeniu:
Ponownie wączy wszystkie elementy
zabepieczajcie i sprawdzić ich dziatanie.
Upewnic sie, ze wewnatrz urzadzenia nie ma zadnych narȩdzi ani innych podobnych przydmiotów.
Inne prace konserwacyjne lub naprawcze, niz opisane w nimiejszym Rozdzieale, moga byc przyprzeprowadzane wylacznie przyezwykwalifikowanych pracowników.
8.1 Wazne informacej
Przeglady i prace konserwacyjne nalezy planowac i przyprowadza zgodnie z wymogami
ustawowymi, odpowiednio do lokalizacji i sposobu eksploataci urzadzenia.
Organy nadzoru moga za dac okazania odpowiednej dokumentaci.
8.2 Regularna konserwacja

Uwaga!
W przypadiku nowej sprežarki (1) po pierwszych 50 i 250 godzinach eksploatacji sprawdzic momenty dokrecajace srb unibem cylindrycznym (patrz Rozdiaz 12. Dane technicne).
Kazdorazowo przyrozprésȩciem przyc
- Sprawdzić węje pneumatyczne pod kątem uszkodźne, w razy potrzeby wymiencic.
- Sprawdzic prawidlowe dokrecenie złucz gwintowych, w razie potrzeby dokrecić.
- Sprawdzic kabel sieciowy pod katem uszkodzen, w razie potrzeby zleci wymiane elektrykowi.
Codziennie
- Spuscić kondensat ze zbiornika cisniemiowego poprzej spust kondensatu (3).
Co 50 godzin roboczych
- Oczyscić filtrgowietra (9) (patrz rys. E, strona 3).
-
Sprawdzic poziom oleju w sprežarce na wzierniku poziom oleju (11), w razie potrzeby uzupetnić (patrz Rozdziat 6.)
-
Spuscić kondensat z filtroreduktora (16).
Co 250 godzin roboczych
-Oc yoc lub wymienic filtr powietrza (9) (patrz rys. E, strona 3).
Oczysic lub wymienic filtr powietra w filtroreduktorze (patrz rys. D, strona 3).
Co 500 godzin roboczych
-Poprzej strube spustowa oleju (12) spuisci caly olej i wymienic na nowy (patrz Rozdiaz 6.)
-S prawd zic pasek klinowy (patrz rys. F, strona 3). Odkrcić kratk ochronna paska klinowo (14). Sprawdzić pasek klinowy, w razie potrzeby napręzyc lub wymienić. Aby skorygowac naprzejenie paska klinowo, odkrcić cztery s Ruby przy podstawie silnika i przyseunac silnik. Ponownie dokrécic s Ruby przy podstawie silnika. Zamontowac z powrotem kratk ochronna paska klinowo (14).
Po 1000 godzin roboczych
Zleci przy zywnosc sprezarki.
8.3 Przechowywanie urzadzenia
- Wylaczyc urzadzenie i wyjac wtyczke zgniazdka.
- Zredukowac cisnienie w zbiorniku cisnienowymi wyszystkich podlacznych narędziach pneumatycznych.
- Spuscić kondensat ze zbiornika ciñeniowego poprzej spust kondensatu (3).
- Przechowywać urzadzenia w sposob uniemozliawijczyngo uruchomienie przysz odny niupowaznione.
- Nie ukladać urzadzenia na boku. Możewciekać olej!

Uwaga!
Nie przechowywać urzadzenia bez odpwiedniego zabeziepieczenia na powietrz u ani wgilgotnym otoceniu.
W przypadku rzyka zamarzniecia

Uwaga!
Niska temperatura (< 5^) powoduje uszkodzenie urzadzenia i osprzetu, poniewa zawsze znajduje sie w nich woda! W przypadku zagrozenia ujemnymi temperaturi zdemontowac urzadzenia wraz z akcesoriami i przechowa w mięscu zabeźpieczonym prsed mrozem.
9. Naprawa

Niebepezieczneistwo!
Napraw urzadzenia moga dokonywać wyłacznie elektrycy!
W sprawie napraw urzadzeni Metabo nalezy
zwracać sie do przystawcielstwa Metabo.
Adresy są dostepne na stronie www.metabo.com.
Wykazy częci zamiennych现阶段 sąba pod adresem www.metabo.com.
10. Ochronaśrodowiska

Niebepezieczneistwo!
Kondensat spuszczany ze zbiornika ciasnieniwogo zawiera pozostafty sleju i/lub zanieczyszczenia szkodlwe dl srodowska. Przekacz kondensat do przejisowej utylizacji za posrechnictwem owiedwnich punktow zbierania odpadow!

Niebezpieczestrwo!
Kondensat spuszczany z filtroreduktora zaierawa pozostaiosci oleju i/lub zanieczyszczenia szkodliwe dla srodowsiska. Przekaza kondensat do przypesijew utyilizcjza za posrecludntemw odpowiednich punktow zbierania opadow!

Niebezpieczierstwo!
Przepracowany olej ze spreżarki przykazac do przypieszopoj utylizacja za posrechnictwem odpowiednich punktów zbierania odpadów!
Przestręgać krajowych przyepsów dotycznych usuwania i recyckingu zuzytych urzadźne, opakowanji akcesiorów.

Dotczy tylko paarlstw UE: Nie wolno wyurzac urzadzen wiz z odpadami komunalnymiv Zoodnie z dyreklywla
europejska 2002/96/WE o zuzytych urzadzeniach elektrycznych i elektronicznych oraz jej implementacja w prawodawstwie krajowym zuzyte urzadzenia musza byc segregowane i poddawane odzyskowski surowcowy wtornych zgodnia z przyepamisi o ochrione srodowska.
11. Problemy i zaklocenia

Niebepezieczneistwo!
Przed przystapieniem do jakichkolwiek prac przy urzadzeniu:
Wylaczy urzadzenia. Wyciagnac wyczke z gniażda. Odczekac do caikowitego zatrzymania urzadzenia. Upewnic sie, ze w urzadzeniu oraz wzysztkich uzywanych narędziach pneumatycznych i elementach osrźtu zostalo zrezdukowane ciṣnienie. Odczekac do ostygniecia urzadzenia oraz wzysztkich uzywanych narȩdzi pneumatycznych i osrźtu.
Inne pracce niz opisane w niniejszym rodziale moga byc wykonywane wytacznie przyez wykalifikowanych elektrykow lub filie serwisu w danym kraju.
Po ukończeniu wszelkich prac przy urzadzeniu:
Ponownie wączy wsystkie elementy
zabepieczaję i sprawdzić ich dzialanie.
Upewnicie, ze wewnatrz urzadzenia nie ma zadnych narźedzi ani innych podobnych przydmiotów.
Sprzarka niedziaja:
- Brak napiecia sieciowego.
-Spreadzic kabel,wtyczke,gniazdko i bezpiecznik.
Zbyt riskie napiecie sieciowe.
-Uzyc przypadku zimnégo urzadzenia: unika uzywania przyzluzczy. W przypadku zimnégo urzadzenia: zredukowac cisnienie w zbiorniku cisnieniowym.
POLSKIpl
- Spręzarka zostafa wylączona w trakcie pracy poprzej wymiągniȩcie wtyczki z gniaźdka.
-Wyłaczyć napijierw spreźarke za pomocamy wąclznika/wyliacznika (8), nastepnie ponownie wȩclzyc.
- Przegrzanie silnika, na przykład wskutek niedostatecznégo chlodzenia (zasloniete zebaerkachchodźę).
-Wyłaczyc spreżarke za pomoczą wącznika/ wyłacznika (8).
- Usunar przyczynę przyegrzania. OdczekAAC okato dziesieciu minut do ostygniędza
-Tylko w urzadzeniach z silnikiem prudu przemienego: sprawdzić wylacznik ochronny silnika (18), w razie potrzeby właczy ponownie poprzej wci.§iecie, patrz rys. J, strona 3.
-Ponownie wlaczyc sprezarka za pomocagwcznika/wlacznika (8).
Sprzarka nie wylwarza dostatecznogo csi;nienia.
Nieszczelny spust kondensatu.
-Sprawdzić,czyspustkondensatu(3) jest zamknigty.
- Sprawdzić uszczelke s Ruby spustowej, w razie potrzeby wymienc.
Nieszczelny zawor zwrotny.
-Zleci naprawe zaworu zwrotnego w specialistyzonym warsztacie.
Naręździa pneumatyczne nie są zasilane dostatecznym ciśnieniem.
Regulator cijsnienie nie jest dostatecznie otwarty.
- Odkrećić regulator cisniena (6) na Większa przypepustowość.
Nieszczelny wąz pneumatycznych międź spreżarka a narędziejm pneumatycznym.
- Sprawdzić wąz pneumatyczny; w razie potrzeby wymiennie uzskodzone elementy.
12. Dane techniczne
Wyjasnienia do informaci podanych na stronie 3. Prawo do zmian zwiazanych z postepem technicznym zastrzezone.
A = w y d a j F = wydajnosc na tloczeniu Leff =efektywny wydatek powietrza przy 80% makes. cisnienia
p=maks.cisnienie V = w i e I k
a =liczba wyjs powietrza
z =liczba cylindrow
Nm =moment dokrćajcy招投标 z libem cylindrycznym
n0 =maks.prdkosobrotowa P1 =nominalnypobormocy
U = n a p i eciezasilandia
=pradznamionowy
F=min.zabezpieczenie
IP =stopien ochry
G =maksymalna dlugosc calkowita i przykrj zyfw przedluazaczach
A = w y m i Tmax =maks. temperatura pracy/ p
przechowwania Tmin =min. temperatura pracy/ przechowwania
Oel=ilošć i parametry wymienianego oleju (zaležnie od modelu)
m =c i Čežar
^* = zywotnosc niedtorych componentow, na przyklad uzeczelki w zaworze zwrotnym, ulega znacznemu skroceniu w prypadku uzytkowania sprezarki przy wysockiej temperaturze (maksymalnej temperaturze prac/ przechowywania i wyzszej).
** w przypadku temperatury ponizej min. temperature prac/pritchowwyania istratie nyzko zamarzniecia kondensatu w zbiorniku ciśnieniowym.
Zamieszczone dane techniczne podlegaja tolerancji (odpowsiednio do obwiatzujacych standardów).
Wartosci emisi
Wartosci te pozwalaja oszacowac emisje
urzadzenia i porońca rożne wersje urzadzen. W.
zaleznosci od warunków uzytkowania, stanu
urzadzenia lub narędzi roboczych rzechywiste obłowienie要去bymiwcsks zubmiele.
Podczas dokonywanej oceny nalezy uwzględnic przerwy w pracy i fazy mniejszego obciazenia. Na podstawie odpwiedniod dopasowanych wartosci szacunkowych okresišć srodki ochrony dla uzytkownika, np. dziatania organizacjane.
Typowe poziomy halasu w ocenie A:
LpA =poziom cijsnienia akustycznego
LWA =poziom mocy akustycznej
L_WA(M) =poizom mocy akustycznej zmierzony stosownie do 2000/14/WE
L_WA(G) =gwarantowany poziom mocy akustycznej stosownie do 2000/14/WE

K_DA , K_WA = niepewnosc pomiarowa
Nosić ochronniki slchu!
Informacja na tabliczce znamionowej:

A Producent
B Numer artykutu, wersji, serii
C Nazwa urzadzenia
D Napiecie zasilania / czestotliwość
E Nominalny podór mocy
F Prad znamionowy / stopien ochry
G Maks. prędkość obrotowa
H Maks. cisnienie
I Znak CE - niniejsze urzadzenia spehnia wymogi dyrektyw UE stosownie do deklaracion zgodnosci
J Rok produkci
K rWydajmosc na ssmiussaniu
L Wydajnosc na tloczeniu
M Prędkość obrotowa spreżarki
N Liczba cylindrów
Wielkosc zbiornika
PoSymbostodpbiobika(patrzrozdzial 10.)
ProstaInstrukcja